Список изменяющих документов Росстандарта от 09.07.2012 N 155-ст) |
Обозначение НТД, на который дана ссылка | Номер пункта, приложения |
(в ред. Изменения N 1, введенного Приказом Росстандарта от 09.07.2012 N 155-ст) | |
(в ред. Изменения N 1, введенного Приказом Росстандарта от 09.07.2012 N 155-ст) | |
(в ред. Изменения N 1, введенного Приказом Росстандарта от 09.07.2012 N 155-ст) | |
(в ред. Изменения N 1, введенного Приказом Росстандарта от 09.07.2012 N 155-ст) | |
ГОСТ 19256-73 | |
ГОСТ 22032-76 | |
ГОСТ 22034-76 | |
ГОСТ 22042-76 | |
(в ред. Изменения N 1, введенного Приказом Росстандарта от 09.07.2012 N 155-ст) | |
<*> Утратил силу на территории Российской Федерации в части маркировки с 01.01.2008, действуют ГОСТ Р 52627-2006, ГОСТ Р 52628-2006. <**> Утратил силу на территории Российской Федерации с 01.01.2008. Действует ГОСТ Р 52628-2006. | |
(сноски введены Изменением N 1, введенным Приказом Росстандарта от 09.07.2012 N 155-ст) | |

Номинальный диаметр DN, мм | Тип фланцевого соединения | |||||||||
1 | 2 | |||||||||
Рабочее давление Pр, МПа | Зазор между фланцами, | Рабочее давление Pр, МПа | ||||||||
14 | 21 | 35 | 14 | 21 | 35 | 70 | 105 | 140 | ||
(в ред. Изменения N 1, введенного Приказом Росстандарта от 09.07.2012 N 155-ст) | ||||||||||
50 | x | x | x | 5 | - | - | - | x | x | x |
65 | x | x | x | 5 | - | - | - | x | x | x |
80 | x | x | x | 5 | - | - | - | x | x | x |
100 | x | x | x | 5 | - | - | - | x | x | x |
180 | x | x | - | 5 | - | - | - | x | x | x |
- | - | x | 3 | |||||||
230 | x | x | - | 5 | - | - | - | x | x | x |
- | - | x | 4 | |||||||
280 | x | x | - | 5 | - | - | - | x | x | x |
- | - | x | 4 | |||||||
350 | x | x | - | 5 | - | - | x | x | x | x |
425 | x | - | - | 5 | - | - | x | x | - | - |
- | x | 4 | ||||||||
480 | - | - | - | - | - | - | x | x | x | - |
540 | x | - | - | 5 | - | - | x | x | - | - |
- | x | - | 3 | |||||||
680 | - | - | - | - | x | x | - | - | - | - |

. Для фланца 65 x 14 ф -
.


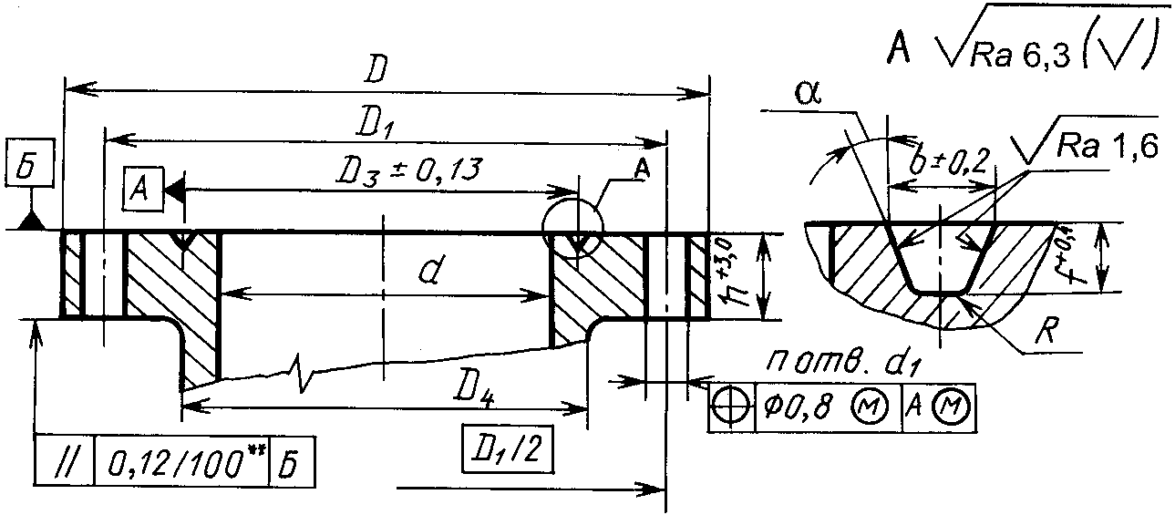
Обозначение фланца | Номинальный диаметр DN | Диаметр проходного отверстия d, не более | Наружный диаметр D | Диаметр делительной окружности центров отверстий под шпильки D1 | Диаметр проточки на привалочном торце D2 | Средний диаметр канавки под прокладку D3 | Большой диаметр шейки D4 | Диаметр отверстий под шпильки d1 | Количество отверстий под шпильки n | Полная высота тарелки h | Основная высота тарелки h1 | Ширина канавки b | Глубина канавки f | Радиус скругления канавки R | Применяемость составных частей фланцевых соединений | ||
Обозначение прокладки | Резьба шпилек и гаек | Длина шпильки (по черт. 1) | |||||||||||||||
L1 | |||||||||||||||||
Pр 14 МПа | |||||||||||||||||
50x14 | 50 | 52 | 165 | 127,0 | 108 | 82,5 | 84 | 19 | 8 | 34 | 26 | 12,0 | 8,0 | 0,8 | П23 | М16 | 120 |
65x14 | 65 | 65 | 190 | 149,0 | 127 | 101,6 | 100 | 23 | 8 | 37 | 29 | 12,0 | 8,0 | 0,8 | П26 | М20 | 130 |
65x14ф | 65 | 65 | 195 | 160,0 | 120 | 92 | 110 | 22 | 8 | 27 | 24 | 10 | 10 | 0,8 | Пф2 | М20 | 120 |
80x14 | 80 | 80 | 210 | 168,0 | 145 | 123,8 | 118 | 23 | 8 | 40 | 32 | 12,0 | 8,0 | 0,8 | П31 | М20 | 140 |
100x14 | 100 | 103 | 275 | 216,0 | 175 | 149,2 | 153 | 25 | 8 | 46 | 38 | 12,0 | 8,0 | 0,8 | П37 | М22 | 160 |
180x14 | 180 | 180 | 355 | 292,0 | 241 | 211,1 | 223 | 28 | 12 | 56 | 48 | 12,0 | 8,0 | 0,8 | П45 | М24 | 180 |
230x14 | 230 | 230 | 420 | 349,0 | 302 | 269,9 | 273 | 32 | 12 | 64 | 56 | 12,0 | 8,0 | 0,8 | П49 | М27 | 210 |
280x14 | 280 | 280 | 510 | 432,0 | 355 | 323,8 | 343 | 36 | 16 | 72 | 64 | 12,0 | 8,0 | 0,8 | П53 | М33 | 230 |
350x14 | 350 | 346 | 560 | 489,0 | 413 | 381,0 | 400 | 36 | 20 | 75 | 67 | 12,0 | 8,0 | 0,8 | П57 | М33 | 230 |
425x14 | 425 | 425 | 685 | 603,0 | 508 | 469,9 | 496 | 42 | 20 | 85 | 76 | 12,0 | 8,0 | 0,8 | П65 | М39 | 270 |
540x14 | 540 | 540 | 812 | 724,0 | 635 | 584,2 | 610 | 45 | 24 | 99 | 89 | 13,5 | 9,5 | 1,6 | П73 | М42 | 300 |
Pр 21 МПа | |||||||||||||||||
50x21 | 50 | 52 | 215 | 165,0 | 125 | 95,2 | 105 | 25 | 8 | 46 | 38 | 12,0 | 8,0 | 0,8 | П24 | М22 | 160 |
65x21 | 65 | 65 | 245 | 190,5 | 135 | 107,9 | 124 | 28 | 8 | 50 | 42 | 12,0 | 8,0 | 0,8 | П27 | М24 | 170 |
65x21ф | 65 | 65 | 195 | 160,0 | 120 | 90 | 110 | 22 | 8 | 35 | 27 | 12,0 | 8,0 | 0,8 | Пф1 | М20 | 130 |
80x21 | 80 | 80 | 242 | 190,5 | 155 | 123,8 | 127 | 25 | 8 | 46 | 38 | 12,0 | 8,0 | 0,8 | П31 | М22 | 160 |
100x21 | 100 | 103 | 292 | 235,0 | 180 | 149,2 | 159 | 32 | 8 | 53 | 45 | 12,0 | 8,0 | 0,8 | П37 | М27 | 180 |
150x21ф | 150 | 152 | 325 | 280,0 | - | 228,0 | 220 | 30 | 12 | 65 | - | 12,0 | 8,0 | 0,8 | Пф4 | М27 | 210 |
180x21 | 180 | 180 | 380 | 317,5 | 240 | 211,1 | 235 | 32 | 12 | 64 | 56 | 12,0 | 8,0 | 0,8 | П45 | М27 | 210 |
230x21 | 230 | 230 | 470 | 394,0 | 310 | 269,9 | 299 | 39 | 12 | 72 | 64 | 12,0 | 8,0 | 0,8 | П49 | М36 | 230 |
280x21 | 280 | 280 | 545 | 470,0 | 365 | 323,8 | 369 | 39 | 16 | 78 | 70 | 12,0 | 8,0 | 0,8 | П53 | М36 | 250 |
350x21 | 350 | 346 | 610 | 533,5 | 420 | 381,0 | 419 | 39 | 20 | 88 | 80 | 12,0 | 8,0 | 0,8 | П57 | М36 | 270 |
425x21 | 425 | 425 | 705 | 616,0 | 525 | 469,9 | 508 | 45 | 20 | 100 | 89 | 16,7 | 11,0 | 1,6 | П66 | М42 | 300 |
540x21 | 540 | 527 | 858 | 749,5 | 648 | 584,2 | 623 | 56 | 20 | 121 | 108 | 20,0 | 13,0 | 1,6 | П74 | М52 | 370 |
Pр 35 МПа | |||||||||||||||||
50x35 | 50 | 52 | 215 | 165,0 | 125 | 95,2 | 105 | 25 | 8 | 46 | 38 | 12,0 | 8,0 | 0,8 | П24 | М22 | 160 |
65x35 | 65 | 65 | 245 | 190,5 | 135 | 107,9 | 124 | 28 | 8 | 50 | 42 | 12,0 | 8,0 | 0,8 | П27 | М24 | 170 |
65x35ф | 65 | 65 | 195 | 160,0 | - | 90 | 110 | 22 | 8 | 40 | - | 12,0 | 8,0 | 0,8 | Пф1 | М20 | 140 |
80x35 | 80 | 80 | 265 | 203,0 | 170 | 136,5 | 134 | 32 | 8 | 56 | 48 | 12,0 | 8,0 | 0,8 | П35 | М27 | 190 |
100x35 | 100 | 103 | 310 | 241,0 | 195 | 161,9 | 162 | 36 | 8 | 62 | 54 | 12,0 | 8,0 | 0,8 | П39 | М33 | 210 |
180x35 | 180 | 180 | 395 | 317,5 | 250 | 211,1 | 229 | 39 | 12 | 92 | 83 | 13,5 | 9,5 | 1,6 | П46 | М36 | 280 |
180x35ф | 180 | 180 | 395 | 325,0 | - | 205,0 | 225 | 39 | 12 | 60 | - | 12,0 | 8,0 | 0,8 | Пф3 | М36 | 230 |
230x35 | 230 | 230 | 482 | 394,0 | 320 | 269,9 | 292 | 45 | 12 | 103 | 92 | 16,7 | 11,0 | 1,6 | П50 | М42 | 320 |
280x35 | 280 | 280 | 585 | 483,0 | 375 | 323,8 | 369 | 51 | 12 | 119 | 108 | 16,7 | 11,0 | 1,6 | П54 | М48 | 360 |
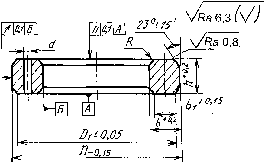
Обозначение фланца | Номинальный диаметр DN, мм | Диаметр проходного отверстия d, не более | Наружный диаметр D | Диаметр делительной окружности центров отверстий под шпильки D1 | Диаметр проточки на привалочном торце D2 | Наружный диаметр канавки под прокладку D3 | Большой диаметр шейки D4 | Малый диаметр шейки D5, не менее | Диаметр отверстий под шпильки d1 | Количество отверстий под шпильки n | Высота конусной части шейки H | Полная высота тарелки h | Ширина канавки b | Глубина канавки f | Применяемость составных частей фланцевых соединений | |||
Обозначение прокладки | Резьба шпилек и гаек | Длина шпильки (по черт. 1) | ||||||||||||||||
L1 | L2 | |||||||||||||||||
(в ред. Изменения N 1, введенного Приказом Росстандарта от 09.07.2012 N 155-ст) | ||||||||||||||||||
Pр 14 МПа | ||||||||||||||||||
680 x 14 | 680 | 680 | 1040 | 952,5 | 805 | 768,3 | 836 | 743 | 48 | 20 | 185 | 126 | 22,9 | 21,5 | БХ167 | М45 x 3 | 360 | 230 |
Pр 21 МПа | ||||||||||||||||||
680 x 21 | 680 | 680 | 1102 | 1000,0 | 832 | 774,2 | 870 | 776 | 56 | 24 | 185 | 161 | 25,9 | 21,5 | БХ168 | М52 x 3 | 450 | 280 |
Pр 35 МПа | ||||||||||||||||||
350 x 35 | 350 | 346 | 675 | 590,5 | 457 | 408,0 | 480 | 424 | 45 | 16 | 115 | 113 | 20,0 | 14,3 | БХ160 | М42 x 3 | 330 | 220 |
425 x 35 | 425 | 425 | 772 | 676,5 | 535 | 478,3 | 556 | 527 | 51 | 16 | 76 | 130 | 17,9 | 8,3 | БХ162 | М48 x 3 | 380 | 250 |
480 x 35 | 480 | 477 | 904 | 803,1 | 627 | 563,5 | 675 | 598 | 56 | 20 | 152 | 166 | 25,6 | 18,3 | БХ163 | М52 x 3 | 450 | 270 |
540 x 35 | 540 | 540 | 990 | 885,8 | 702 | 632,0 | 759 | 680 | 56 | 24 | 165 | 181 | 27,2 | 19,2 | БХ165 | М52 x 3 | 490 | 300 |
Pр 70 МПа | ||||||||||||||||||
60 x 70 | 50 | 52 | 200 | 158,5 | 110 | 86,2 | 100 | 75 | 23 | 8 | 52 | 44 | 12,6 | 6,0 | БХ152 | М20 | 140 | 110 |
65 x 70 | 65 | 65 | 230 | 184,0 | 140 | 102,8 | 121 | 92 | 25 | 8 | 57 | 51 | 14,1 | 6,8 | БХ153 | М22 | 160 | 120 |
80 x 70 | 80 | 78 | 270 | 216,0 | 155 | 119,0 | 142 | 110 | 28 | 8 | 64 | 58 | 15,4 | 7,5 | БХ154 | М24 | 180 | 130 |
100 x 70 | 100 | 103 | 315 | 258,5 | 185 | 150,6 | 183 | 146 | 32 | 8 | 73 | 70 | 17,7 | 8,3 | БХ155 | М27 | 240 | 150 |
180 x 70 | 180 | 180 | 480 | 403,0 | 300 | 241,8 | 302 | 254 | 42 | 12 | 95 | 103 | 23,4 | 11,1 | БХ156 | М39 x 3 | 300 | 200 |
230 x 70 | 230 | 230 | 550 | 476,0 | 360 | 299,1 | 375 | 327 | 42 | 16 | 94 | 124 | 26,4 | 12,7 | БХ157 | М39 x 3 | 340 | 220 |
280 x 70 | 280 | 280 | 655 | 565,0 | 430 | 357,2 | 450 | 400 | 48 | 16 | 103 | 141 | 29,2 | 14,3 | БХ158 | М45 x 3 | 390 | 250 |
350 x 70 | 350 | 346 | 768 | 763,0 | 520 | 432,6 | 553 | 495 | 52 | 20 | 114 | 168 | 32,5 | 15,9 | БХ159 | М48 x 3 | 450 | 270 |
425 x 70 | 425 | 425 | 872 | 776,3 | 576 | 478,3 | 656 | 602 | 52 | 24 | 76 | 168 | 17,9 | 8,3 | БХ162 | М48 x 3 | 460 | 280 |
480 x 70 | 480 | 477 | 1040 | 925,6 | 697 | 577,9 | 752 | 675 | 59 | 24 | 156 | 223 | 32,8 | 18,3 | БХ164 | М56 x 4 | 580 | 360 |
540 x 70 | 540 | 540 | 1145 | 1022,4 | 781 | 647,9 | 848 | 762 | 67 | 24 | 165 | 241 | 34,9 | 19,2 | БХ166 | М64 x 4 | 640 | 390 |
Pр 105 МПа | ||||||||||||||||||
50 x 105 | 50 | 52 | 222 | 174,5 | 115 | 86,2 | 111 | 83 | 25 | 8 | 55 | 51 | 12,6 | 6,0 | БХ152 | М22 | 160 | 120 |
65 x 105 | 65 | 65 | 255 | 200,0 | 135 | 102,8 | 129 | 100 | 28 | 8 | 60 | 57 | 14,1 | 6,7 | БХ153 | М24 | 180 | 130 |
80 x 105 | 80 | 78 | 288 | 230,0 | 155 | 119,0 | 154 | 123 | 32 | 8 | 65 | 65 | 15,4 | 7,5 | БХ154 | М27 | 200 | 140 |
100 x 105 | 100 | 103 | 360 | 290,5 | 195 | 150,6 | 195 | 159 | 39 | 8 | 75 | 80 | 17,7 | 8,3 | БХ155 | М36 x 3 | 250 | 160 |
180 x 105 | 180 | 180 | 505 | 428,5 | 305 | 241,8 | 325 | 275 | 42 | 16 | 90 | 120 | 23,4 | 11,1 | БХ156 | М39 x 3 | 330 | 220 |
230 x 105 | 230 | 230 | 648 | 552,5 | 380 | 299,1 | 432 | 349 | 52 | 16 | 125 | 146 | 26,4 | 12,7 | БХ157 | М48 x 3 | 410 | 260 |
280 x 105 | 280 | 280 | 813 | 711,0 | 455 | 357,2 | 584 | 427 | 56 | 20 | 240 | 188 | 29,2 | 14,3 | БХ158 | М52 x 3 | 500 | 310 |
350 x 105 | 350 | 346 | 886 | 771,5 | 541 | 432,6 | 595 | 529 | 59 | 20 | 115 | 205 | 32,5 | 15,7 | БХ159 | М56 x 4 | 560 | 350 |
480 x 105 | 480 | 477 | 1162 | 1016 | 722 | 577,9 | 813 | 731 | 80 | 20 | 156 | 255,5 | 32,8 | 18,3 | БХ164 | М76 x 4 | 690 | 440 |
Pр 140 МПа | ||||||||||||||||||
50 x 140 | 50 | 52 | 287 | 230,2 | 130 | 86,2 | 154 | 127 | 32 | 8 | 52 | 72 | 12,6 | 6,0 | БХ152 | М27 | 220 | 150 |
65 x 140 | 65 | 65 | 325 | 261,9 | 150 | 102,8 | 173 | 145 | 36 | 8 | 60 | 80 | 14,1 | 6,8 | БХ153 | М33 x 3 | 250 | 160 |
80 x 140 | 80 | 78 | 357 | 287,3 | 170 | 119,0 | 192 | 160 | 39 | 8 | 64 | 86 | 15,4 | 7,5 | БХ154 | М36 x 3 | 260 | 180 |
100 x 140 | 100 | 103 | 446 | 357,2 | 220 | 150,6 | 243 | 207 | 48 | 8 | 73 | 107 | 17,7 | 8,3 | БХ155 | М45 x 3 | 330 | 220 |
180 x 140 | 180 | 180 | 656 | 554,0 | 350 | 241,8 | 386 | 338 | 56 | 16 | 97 | 165 | 23,4 | 11,1 | БХ156 | М52 x 3 | 460 | 290 |
230 x 140 | 230 | 230 | 805 | 685,8 | 441 | 299,1 | 481 | 429 | 67 | 16 | 108 | 205 | 26,4 | 12,7 | БХ157 | М64 x 4 | 580 | 370 |
280 x 140 | 280 | 280 | 883 | 749,3 | 505 | 357,2 | 567 | 506 | 73 | 16 | 104 | 224 | 29,2 | 14,3 | БХ158 | М70 x 4 | 610 | 390 |
350 x 140 | 350 | 346 | 1162 | 1016,0 | 614 | 432,6 | 694 | 629 | 80 | 20 | 134 | 292 | 32,5 | 15,9 | БХ159 | М76 x 4 | 770 | 470 |

. Для прокладки Пф2
.Обозначение прокладки | Средний диаметр D | Высота h | Ширина b | Ширина торца b1 | Масса, кг, не более |
П 23 | 82,5 | 16 | 11,1 | 7,7 | 0,38 |
П 24 | 95,2 | 16 | 11,1 | 7,7 | 0,41 |
П 26 | 101,6 | 16 | 11,1 | 7,7 | 0,46 |
П 27 | 107,9 | 16 | 11,1 | 7,7 | 0,49 |
П 31 | 123,8 | 16 | 11,1 | 7,7 | 0,71 |
П 35 | 136,5 | 16 | 11,1 | 7,7 | 0,97 |
П 37 | 149,2 | 16 | 11,1 | 7,7 | 0,65 |
П 39 | 161,9 | 16 | 11,1 | 7,7 | 1,20 |
П 45 | 211,1 | 16 | 11,1 | 7,7 | 0,92 |
П 46 | 211,1 | 18 | 12,7 | 8,7 | 2,05 |
П 49 | 269,9 | 16 | 11,1 | 7,7 | 1,17 |
П 50 | 269,9 | 21 | 15,9 | 10,5 | 2,10 |
П 53 | 323,8 | 16 | 11,1 | 7,7 | 1,41 |
П 54 | 323,8 | 21 | 15,9 | 10,5 | 2,60 |
П 57 | 381,0 | 16 | 11,1 | 7,7 | 1,65 |
П 65 | 469,9 | 16 | 11,1 | 7,7 | 2,10 |
П 66 | 469,9 | 21 | 15,9 | 10,5 | 3,89 |
П 73 | 584,2 | 18 | 12,7 | 8,7 | 2,18 |
П 74 | 584,2 | 24 | 19,0 | 12,3 | 3,60 |
Пф1 | 90 | 16 | 11,1 | 7,7 | 0,38 |
(введено Изменением N 1, введенным Приказом Росстандарта от 09.07.2012 N 155-ст) | |||||
Пф2 | 92 | 18 | 9 | 8 | 0,43 |
(введено Изменением N 1, введенным Приказом Росстандарта от 09.07.2012 N 155-ст) | |||||
Пф3 | 205 | 18 | 11,1 | 7,7 | 0,95 |
(введено Изменением N 1, введенным Приказом Росстандарта от 09.07.2012 N 155-ст) | |||||
Пф4 | 228 | 16 | 11,1 | 7,7 | 0,99 |
(введено Изменением N 1, введенным Приказом Росстандарта от 09.07.2012 N 155-ст) | |||||

Обозначение прокладки | Наружный диаметр D | Наружный диаметр торца D1 | Ширина b | Ширина торца b1 | Высота h | Диаметр перепускного отверстия d | Радиус скругления R | Масса, кг, не более |
Б x 152 | 84,7 | 83,2 | 10,2 | 8,8 | 10,2 | 1,6 | 1,0 | 0,19 |
Б x 153 | 100,9 | 99,3 | 11,4 | 9,8 | 11,4 | 1,6 | 1,0 | 0,28 |
Б x 154 | 116,8 | 115,1 | 12,4 | 10,6 | 12,4 | 1,6 | 1,2 | 0,38 |
Б x 155 | 148,0 | 145,9 | 14,2 | 12,2 | 14,2 | 1,6 | 1,2 | 0,65 |
Б x 156 | 237,9 | 235,3 | 18,6 | 16,0 | 18,6 | 3,2 | 1,6 | 1,90 |
Б x 157 | 294,5 | 291,5 | 21,0 | 18,0 | 21,0 | 3,2 | 2,0 | 2,90 |
Б x 158 | 352,0 | 348,8 | 23,1 | 19,9 | 23,1 | 3,2 | 2,0 | 4,30 |
Б x 159 | 426,7 | 423,1 | 25,7 | 22,1 | 25,7 | 3,2 | 2,5 | 6,70 |
Б x 160 | 402,6 | 399,2 | 13,7 | 10,4 | 23,8 | 3,2 | 2,0 | 3,20 |
Б x 162 | 475,5 | 473,5 | 14,2 | 12,2 | 14,2 | 1,6 | 1,2 | 4,00 |
Б x 163 | 556,1 | 551,9 | 17,37 | 13,1 | 30,1 | 3,0 | 3,0 | 6,86 |
Б x 164 | 570,5 | 556,3 | 24,58 | 20,3 | 30,1 | 3,0 | 3,0 | 9,8 |
Б x 165 | 624,7 | 620,2 | 18,5 | 14,0 | 32,0 | 3,2 | 3,0 | 9,50 |
Б x 166 | 640,0 | 635,5 | 26,1 | 21,6 | 32,0 | 3,2 | 3,0 | 14,40 |
Б x 167 | 759,4 | 754,3 | 13,1 | 8,0 | 35,9 | 1,6 | 3,2 | 10,00 |
Б x 168 | 765,2 | 760,2 | 16,0 | 11,0 | 35,9 | 1,6 | 3,2 | 14,00 |

Изменением N 1, введенным Приказом Росстандарта от 09.07.2012 N 155-ст, в чертеж 7 были внесены изменения. |

Номинальный диаметр резьбы d | Шаг резьбы | Размер под ключ S | Диаметр описанной окружности D, не менее | Высота H | Предельное смещение оси отверстий относительно граней | Масса, кг | Применяемость гаек во фланцевых соединениях типа 1 | ||
Номин. | Пред. откл. | Номин. | Пред. откл. | ||||||
16 | 2 | 24 | -0,52 | 26,7 | 16 | -0,43 | 0,50 | 0,039 | 50 x 14 |
20 | 2,5 | 30 | 33,5 | 20 | -0,52 | 0,077 | 65 x 14; 80 x 14 | ||
22 | 32 | -0,62 | 36,9 | 22 | 0,60 | 0,093 | 180 x 14; 50 x 21; 80 x 21; 50 x 35 | ||
24 | 3,0 | 36 | 40,3 | 24 | 0,133 | 180 x 14; 65 x 21; 65 x 35 | |||
27 | 41 | 45,9 | 27 | 0,194 | 230 x 14; 100 x 21; 180 x 21; 80 x 35 | ||||
33 | 3,5 | 50 | -0,74 | 57,7 | 33 | 0,389 | 100 x 35; 280 x 14; 350 x 14 | ||
36 | 4,0 | 55 | 60,8 | 36 | -0,62 | 0,446 | 230 x 21; 280 x 21; 350 x 21 | ||
39 | 60 | 66,4 | 39 | 0,70 | 0,637 | 425 x 14 | |||
42 | 4,5 | 65 | 73,1 | 42 | 0,777 | 540 x 14; 425 x 21 230 x 35 | |||
48 | 5,0 | 75 | 84,5 | 48 | 1,197 | 280 x 35 | |||
52 | 80 | 90,4 | 52 | -0,74 | 1,42 | 540 x 21 | |||
Номинальный диаметр резьбы d | Шаг резьбы | Размер под ключ S | Диаметр описанной окружности D, не менее | Высота H | Предельное смещение оси отверстий относительно граней | Масса, кг | Применяемость во фланцевых соединениях типа 2 | |||
крупный | мелкий | Номин. | Пред. откл. | Номин. | Пред. откл. | |||||
20 | 2,5 | - | 30 | -0,52 | 33,5 | 20 | -0,52 | 0,50 | 0,077 | 50 x 70 |
22 | 32 | -0,62 | 36,9 | 22 | 0,60 | 0,093 | 65 x 70; 50 x 105 | |||
24 | 3,0 | 36 | 40,3 | 24 | 0,133 | 80 x 70; 65 x 105 | ||||
27 | 41 | 45,9 | 27 | 0,194 | 80 x 105; 100 x 70; 50 x 140 | |||||
33 | - | 3,0 | 50 | -0,74 | 57,7 | 33 | 0,389 | 65 x 140 | ||
36 | 55 | 60,8 | 36 | -0,62 | 0,70 | 0,43 | 100 x 105; 80 x 140 | |||
39 | 60 | 66,4 | 39 | 0,637 | 180 x 70; 180 x 105; 230 x 70 | |||||
42 | 65 | -0,74 | 73,1 | 42 | 0,777 | 350 x 35 | ||||
45 | 70 | 80,8 | 45 | 1,100 | 100 x 140; 680 x 14; 280 x 70 | |||||
48 | 75 | 84,5 | 48 | 1,197 | 230 x 105; 425 x 35; 425 x 70; 350 x 70 | |||||
52 | 80 | 90,4 | 52 | -0,74 | 1,42 | 680 x 21; 180 x 140; 540 x 35; 280 x 105; 480 x 35 | ||||
56 | 4,0 | 85 | -1,40 | 94,5 | 56 | 0,87 | 1,63 | 480 x 70; 350 x 105 | ||
64 | 95 | 107,5 | 64 | 2,310 | 540 x 70; 230 x 140 | |||||
70 | 100 | 112,0 | 70 | 2,96 | 280 x 140 | |||||
76 | 110 | 117,1 | 76 | 5,4 | 480 x 105; 350 x 140 | |||||
Обозначение материала прокладки | Марка стали, обозначение стандарта | Твердость по Бринеллю, не более |
У1 | Сталь 0 ГОСТ 380 | 107 |
Ст 08кп ГОСТ 1050 | 98 | |
У2 | Ст 20 ГОСТ 1050 | 127 |
Ст 08 ГОСТ 1050 | 109 | |
К1 | 12Х18Н9Т ГОСТ 5632 | 160 |
К3 | 10Х17Н13М3Т ГОСТ 5632 | 160 |
Тип фланцевого соединения | Предел текучести, Н/мм2 | Временное сопротивление, Н/мм2 | Относительное удлинение, % | Ударная вязкость, Дж/см2 |
не менее | ||||
1 | 637 | 785 | 13 | 59 |
2 | 722 | 785 | 16 | 59 |
ИС МЕГАНОРМ: примечание. Взамен ГОСТ 24705-81 Приказом Ростехрегулирования от 02.03.2005 N 36-ст с 1 июля 2005 года введен в действие ГОСТ 24705-2004. |
ИС МЕГАНОРМ: примечание. Взамен ГОСТ 16093-81 Приказом Ростехрегулирования от 02.03.2005 N 39-ст с 1 июля 2005 года введен в действие ГОСТ 16093-2004. |
Тип фланцевого соединения | Напряжение от пробной нагрузки, МПа, не менее | Твердость по Бринеллю, не более |
1 | 800 | 302 |
2 | 1000 | 353 |
