Главная // Актуальные документы // ГОСТ (Государственный стандарт)СПРАВКА
Источник публикации
М.: Стандартинформ, 2015
Примечание к документу
Отдельные положения данного документа включены в
Перечень международных и региональных (межгосударственных) стандартов, а в случае их отсутствия - национальных (государственных) стандартов, в результате применения которых на добровольной основе обеспечивается соблюдение требований технического
регламента Таможенного союза "О безопасности машин и оборудования" (ТР ТС 010/2011) и в
Перечень международных и региональных (межгосударственных) стандартов, а в случае их отсутствия - национальных (государственных) стандартов, содержащих правила и методы исследований (испытаний) и измерений, в том числе правила отбора образцов, необходимые для применения и исполнения требований технического
регламента Таможенного союза "О безопасности машин и оборудования" (ТР ТС 010/2011) и осуществления оценки соответствия объектов технического регулирования (
Решение Коллегии Евразийской экономической комиссии от 09.03.2021 N 28).
Отдельные положения данного документа включены в
Перечень стандартов, в результате применения которых на добровольной основе обеспечивается соблюдение требований технического
регламента Таможенного союза "О безопасности машин и оборудования" (ТР ТС 010/2011) и в
Перечень стандартов, содержащих правила и методы исследований (испытаний) и измерений, в том числе правила отбора образцов, необходимые для применения и исполнения требований технического
регламента Таможенного союза "О безопасности машин и оборудования" (ТР ТС 010/2011) и осуществления оценки (подтверждения) соответствия продукции (
Решение Комиссии Таможенного союза от 18.10.2011 N 823).
Документ
введен в действие с 1 марта 2013 года.
Название документа
"ГОСТ 31733-2012 (EN 693:2001). Межгосударственный стандарт. Прессы гидравлические. Требования безопасности"
(введен в действие Приказом Росстандарта от 22.11.2012 N 1005-ст)
"ГОСТ 31733-2012 (EN 693:2001). Межгосударственный стандарт. Прессы гидравлические. Требования безопасности"
(введен в действие Приказом Росстандарта от 22.11.2012 N 1005-ст)
агентства по техническому
регулированию и метрологии
от 22 ноября 2012 г. N 1005-ст
МЕЖГОСУДАРСТВЕННЫЙ СТАНДАРТ
ПРЕССЫ ГИДРАВЛИЧЕСКИЕ
ТРЕБОВАНИЯ БЕЗОПАСНОСТИ
Hydraulic presses. Safety requirements
(EN 693:2001, MOD)
ГОСТ 31733-2012
(EN 693:2001)
Дата введения
1 марта 2013 года
Цели, основные принципы и порядок проведения работ по межгосударственной стандартизации установлены
ГОСТ 1.0-92 "Межгосударственная система стандартизации. Основные положения" и
ГОСТ 1.2-2009 "Межгосударственная система стандартизации. Стандарты межгосударственные, правила и рекомендации по межгосударственной стандартизации. Правила разработки, принятия, применения, обновления и отмены".
1. Подготовлен Федеральным государственным унитарным предприятием "Всероссийский научно-исследовательский институт стандартизации и сертификации в машиностроении" (ВНИИНМАШ) на основе собственного аутентичного перевода на русский язык европейского регионального стандарта, указанного в
пункте 5.
2. Внесен Федеральным агентством по техническому регулированию и метрологии (Росстандарт).
3. Принят Межгосударственным советом по стандартизации, метрологии и сертификации (Протокол от 24 мая 2012 г. N 41).
За принятие проголосовали:
Краткое наименование страны по МК (ИСО 3166) 004-97 | Код страны по МК (ИСО 3166) 004-97 | Сокращенное наименование национального органа по стандартизации |
Беларусь | BY | Госстандарт Республики Беларусь |
Киргизия | KG | Кыргызстандарт |
Россия | RU | Росстандарт |
Узбекистан | UZ | Узстандарт |
4.
Приказом Федерального агентства по техническому регулированию и метрологии от 22 ноября 2012 г. N 1005-ст межгосударственный стандарт ГОСТ 31733-2012 (EN 693:2001) введен в действие в качестве национального стандарта Российской Федерации с 1 марта 2013 г.
5. Настоящий стандарт модифицирован по отношению к европейскому региональному стандарту EN 693:2001 Machine tools - Safety - Hydraulic presses (Станки металлообрабатывающие. Гидравлические прессы. Безопасность) путем изменения отдельных фраз (слов, ссылок), которые выделены в тексте курсивом.
Наименование настоящего стандарта изменено относительно наименования указанного регионального стандарта в связи с особенностями построения межгосударственной системы стандартизации.
Степень соответствия - модифицированная (MOD).
6. Введен впервые.
Информация об изменениях к настоящему стандарту публикуется в ежегодном информационном указателе "Национальные стандарты", а текст изменений и поправок - в ежемесячном информационном указателе "Национальные стандарты". В случае пересмотра (замены) или отмены настоящего стандарта соответствующее уведомление будет опубликовано в ежемесячном информационном указателе "Национальные стандарты". Соответствующая информация, уведомление и тексты размещаются также в информационной системе общего пользования - на официальном сайте Федерального агентства по техническому регулированию и метрологии в сети Интернет.
Настоящий стандарт устанавливает требования и меры безопасности, которые должны приниматься при проектировании, производстве и поставках гидравлических прессов, их агрегатов и узлов; распространяется на все проектируемые, изготовляемые и модернизируемые гидравлические прессы (далее - прессы), линии и комплексы оборудования на их базе, средства автоматизации и механизации (далее - САМ) к ним.
Настоящий стандарт также охватывает прессы, которые изначально предназначались для работы с холодным металлом, но используются аналогичным образом для работы с другими листовыми материалами (например, картоном, пластмассой, резиной или кожей) и металлическим порошком.
Настоящий стандарт не распространяется на оборудование, основным проектным назначением которого является:
- резка листового металла гильотинными ножницами;
- установка креплений, например клепок, скоб или стежков;
- гибка или вальцовка;
- револьверная дыропробивная штамповка;
- штамповка на молоте;
- пробивка на специализированных дыропробивных прессах по шаблонам (например, для строительной промышленности).
Требования безопасности в зависимости от особенностей конструкций гидравлических прессов или условий их эксплуатации следует указывать в технической документации (технических условиях, руководстве по эксплуатации (РЭ)) на прессы конкретных видов.
Настоящий стандарт применяется к прессам, изготовленным после даты его введения.
В настоящем стандарте использованы нормативные ссылки на следующие стандарты:
ГОСТ 12.2.003-91 Система стандартов безопасности труда. Оборудование производственное. Общие требования безопасности
ГОСТ ЕН 1005-2-2005 Безопасность машин. Физические возможности человека. Часть 2. Составляющая ручного труда при работе с машинами и механизмами
ГОСТ ИСО 13851-2006 Безопасность оборудования. Двуручные устройства управления. Функциональные аспекты и принципы конструирования
ГОСТ ИСО 13855-2006 Безопасность оборудования. Расположение защитных устройств с учетом скоростей приближения частей тела человека
ГОСТ 28690-90 Знак соответствия технических средств требованиям электромагнитной совместимости. Форма, размеры и технические требования
ГОСТ 30869-2003 (ЕН 983:1996) Безопасность оборудования. Требования безопасности к гидравлическим и пневматическим системам и их компонентам. Пневматика
ГОСТ 31169-2003 (ИСО 11202:1995) Шум машин. Измерение уровней звукового давления излучения на рабочем месте и в других контрольных точках. Ориентировочный метод измерений на месте установки
ГОСТ 31177-2003 (ЕН 982:1996) Безопасность оборудования. Требования безопасности к гидравлическим и пневматическим системам и их компонентам. Гидравлика.
Примечание. При пользовании настоящим стандартом целесообразно проверить действие ссылочных стандартов в информационной системе общего пользования - на официальном сайте Федерального агентства по техническому регулированию и метрологии в сети Интернет или по ежегодному информационному указателю "Национальные стандарты", который опубликован по состоянию на 1 января текущего года, и по выпускам ежемесячного информационного указателя "Национальные стандарты" за текущий год. Если ссылочный стандарт заменен (изменен), то при пользовании настоящим стандартом следует руководствоваться заменяющим (измененным) стандартом. Если ссылочный стандарт отменен без замены, то положение, в котором дана ссылка на него, применяется в части, не затрагивающей эту ссылку.
В настоящем стандарте применены следующие термины с соответствующими определениями:
3.1. Вспомогательное устройство: устройство, предназначенное для использования с инструментами пресса и включенное в состав пресса, например устройства для смазки, подачи и/или удаления материала.
3.2. Автоматический цикл: режим работы, при котором движение ползуна/поперечины повторяется постоянно или периодически, все функции выполняются без вмешательства оператора после начала первого цикла.
Примечание. Автоматический цикл включает в себя непрерывный цикл (непрерывный ход) и цикл авторабота.
Непрерывный цикл (непрерывный ход): режим работы пресса, при котором рабочие циклы начинаются по команде оператора и повторяются до подачи команды оператора на прекращение цикла.
Цикл авторабота: режим работы пресса, при котором совершаются одиночные или непрерывные циклы по команде системы управления при работе пресса в составе автоматического, автоматизированного или механизированного комплекса.
3.3. Рабочий цикл: движение ползуна/поперечины от исходного положения (вблизи верхней мертвой точки) до нижней мертвой точки и обратно до исходного положения.
Примечание. Во время рабочего цикла пресс совершает технологические операции.
3.4. Единичный цикл (одиночный ход): режим работы пресса, при котором каждый рабочий цикл начинается принудительно по команде оператора.
3.5. Мертвые точки: точки, в которых инструмент во время своего движения оказывается:
- либо ближе всего к штампу (обычно это соответствует концу завершающего хода пресса) - нижняя мертвая точка (НМТ),
- либо дальше всего от штампа (обычно это соответствует концу начинающего хода пресса) - верхняя мертвая точка (ВМТ).
Примечание. Мертвые точки могут быть рассмотрены как точки, в которых ползун/поперечина во время рабочего (одиночного) цикла находится:
- или в ближайшем к столу (плите, закрепленной на столе) положении (обычно соответствует концу хода ползуна), известном как НМТ, штамп при этом положении сомкнут,
- или в самом дальнем от стола (плиты, закрепленной на столе) положении (обычно соответствует началу хода ползуна), известном как ВМТ, штамп при этом максимально раскрыт.
3.6. Штамп: общий термин устройства, необходимого для фиксирования формообразующих частей инструмента.
3.7. Амортизатор штампа (штамповая подушка): принадлежность пресса (штампа), участвующая в выполнении технологической или вспомогательной операции, в основном используется для создания силы прижима и (или) выталкивания.
Примечание. Подушка может быть пневматической, гидравлической и т.д.
3.8. Преждевременно открываемое блокирующее ограждение: ограждение, связанное с устройством блокировки, которое не прерывает рабочий цикл при открывании ограждения, когда любое опасное движение в области штампа прекратилось.
3.9. Устройство блокировки (запирания) ограждения: механическое устройство для удерживания ограждения в закрытом и запертом положениях до тех пор, пока не минует опасная ситуация, возникающая при работе пресса.
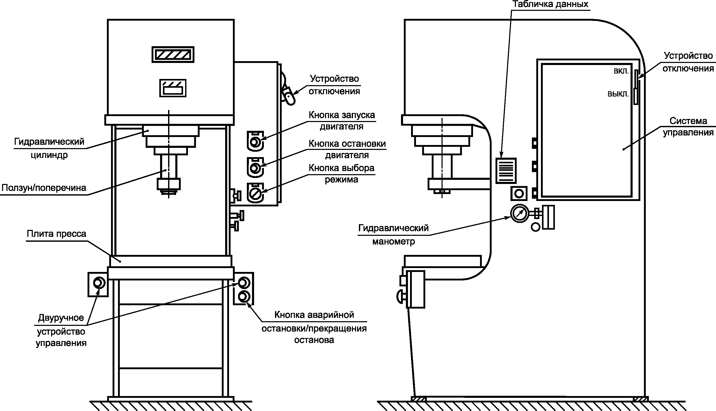
3.10. Гидравлический пресс: устройство, спроектированное или предназначенное для передачи энергии посредством линейного перемещения между инструментами гидравлическим способом для изменения формы или состояния (например, штамповки или формовки) металла или других материалов.
Подобная энергия вырабатывается благодаря гидростатическому давлению (см. рисунки 1 и
2).
Рисунок 1. Пример гидравлического пресса рамно-связевого
типа (заграждения зоны инструментов не показаны)
Рисунок 2. Пример открытого гидравлического пресса
(заграждения зоны инструментов не показаны)
3.11. Устройство управления ограниченным перемещением; толчковое устройство: управляющее устройство, однократное приведение в действие которого совместно с системой управления машины допускает только ограниченное перемещение какого-либо элемента - машины - по национальным стандартам государств, упомянутых в предисловии как проголосовавшие за принятие межгосударственного стандарта <1>.
--------------------------------
<1> На территории Российской Федерации действует ГОСТ Р ИСО 12100-1-2007,
статья 3.26.9.
3.12. Контроль К: функция безопасности, обеспечивающая инициацию мер по технике безопасности, если возможность компонента или элемента выполнять свои функции снижается или если условия процесса изменяются таким образом, что возможно возникновение опасной ситуации.
3.13. Приостановка: временное автоматическое прекращение действия функции безопасности, выполняемой элементами системы управления, связанными с обеспечением безопасности, - по национальным стандартам государств, упомянутых в предисловии как проголосовавшие за принятие межгосударственного стандарта <2>.
--------------------------------
<2> На территории Российской Федерации действует ГОСТ Р 13849-1-2003, статья 3.7.
3.14. Общая система остановки работы; общее время остановки: время с момента включения защитного устройства до устранения опасного движения или до возврата пресса в безопасное состояние.
3.15. Детектор (датчик) деталей: устройство, которое обнаруживает заготовку и/или правильное положение заготовки и разрешает или запрещает начало хода.
3.16. Позиционный переключатель: переключатель, приводимый в действие движущимся элементом пресса в тот момент, когда данный элемент достигает или выходит из заранее определенного положения.
3.17. Резервирование Р: использование более чем одного устройства или системы, или одной части (узла) устройства или системы для того, чтобы в случае возможного отказа одного из них в ходе выполнения своей функции в распоряжении находился другой, для обеспечения продолжения вышеупомянутой функции - по национальным стандартам государств, упомянутых в предисловии как проголосовавшие за принятие межгосударственного стандарта <3>.
--------------------------------
<3> На территории Российской Федерации действует ГОСТ Р МЭК 60204-1-2007,
статья 3.46.
3.18. Ограничительный (подпорный) клапан: устройство, защищающее от падения ползуна/поперечины под действием силы тяжести.
3.19. Функция "одиночный ход": функция управления, ограничивающая движение рабочего органа (ползуна) одним рабочим циклом, даже если средство для начала хода (например, педаль) будет удерживаться во включенном положении.
3.20. Ползун/поперечина: главный, совершающий возвратно-поступательное движение элемент пресса, на котором крепят подвижную часть инструмента.
3.21. Инструмент: общий термин для формообразующих элементов штампа.
3.22. Защитное устройство инструмента: устройство, защищающее инструмент от повреждения посредством остановки хода или запрета запуска.
3.23. Инструменты: термин, обозначающий комбинацию инструмента и штампа.
3.24. Закрытые инструменты: инструменты, спроектированные и произведенные, чтобы быть безопасными по своей природе (см.
рисунок C.1, Приложение C).
3.25. Пресс с рабочим ходом вверх: вертикальный пресс, в котором плита пресса перемещается вверх во время завершающего хода (обратно прессу с рабочим ходом вниз, см.
рисунок D.1, Приложение D).
4.1. Перечень опасностей, приведенный в
таблице 1, является результатом оценки риска, проведенной по национальным стандартам государств, упомянутых в предисловии как проголосовавшие за принятие межгосударственного стандарта <4>, для всех гидравлических процессов, включенных в настоящий стандарт. Технические мероприятия и информация по использованию, содержащиеся в
разделах 5 и
7, основаны на оценке рисков и применяются либо для устранения выявленных опасностей, либо для минимизации последствий рисков, которые они порождают.
--------------------------------
4.2. Оценка рисков предполагает наличие доступа к опасным зонам со всех сторон, а также возможность непредсказуемых и непреднамеренных движений и падений в результате действия силы тяжести или
давления. Выявлены риски для операторов, а также для иных лиц, имеющих доступ к опасным зонам, при этом все опасные ситуации, возникающие во время срока службы пресса, были учтены. Оценка включает в себя анализ последствий отказов в системе управления.
4.3. Кроме того, пользователь настоящего стандарта (проектировщик, производитель или поставщик) должен провести оценку рисков по национальным стандартам государств, упомянутых в предисловии как проголосовавшие за принятие межгосударственного стандарта <1>, обращая особое внимание:
- на использование пресса по назначению, включая техническое обслуживание, настройку и очистку инструмента, и использование не по назначению в пределах технической характеристики;
- идентификацию серьезных опасностей, связанных с работой пресса (см. 4.4).
--------------------------------
4.4. Таблица 1 представляет собой перечень серьезных опасностей и связанных с ними опасных зон, характерных для работы гидравлического пресса. В качестве части оценки рисков проектировщик должен убедиться, что перечень опасных ситуаций, приведенных в таблице 1, является исчерпывающим и применимым к рассматриваемому прессу.
Таблица 1
Серьезные опасности, опасные зоны
и меры по предупреждению опасностей
Наименование опасности | Опасная зона | Соответствующий пункт в настоящем стандарте | Соответствующий пункт по национальным стандартам государств, упомянутых в предисловии как проголосовавшие за принятие межгосударственного стандарта <2> |
Механические опасности Раздавливание, рассечение | Зона инструментов: - между движущимися инструментами - движущийся ползун - движущийся амортизатор штампа - выталкиватель заготовки - ограждение | | |
Сдвиг Порез или разрез |
Запутывание |
Затягивание или захватывание Удар | Движущиеся части электрического, гидравлического и пневматического оборудования | | |
Механизмы двигателя и привода | |
Механический манипулятор | |
Выталкивание, отталкивание | Элементы пресса | | |
Заготовки и инструменты | |
Выброс жидкости под высоким давлением | Гидравлические системы | | |
Опасности поскользнуться, споткнуться или упасть | Все работы на высоте Площадка вокруг пресса | | |
Электрические опасности Прямой и непрямой контакты Тепловое излучение (ожоги) | Электрическое оборудование Нагретый инструмент и заготовки; детали, приводимые в движение неисправным электрическим оборудованием | | |
Термические опасности, приводящие к ожогам и ошпариванию в результате контакта | Части гидравлической системы | | |
Опасности от шума, приводящие к ухудшению слуха (глухоте) | Любая зона пресса, опасная для слуха | | |
Опасности от вибрации | Части пресса, где возможен риск, например рабочие станции | | |
Опасности, вызываемые материалами и веществами, например опасности в результате контакта с кожей, глазами или вдыхания паров жидкостей, газов, туманов, дымов или пыли | Гидравлические системы; пневматические системы и их устройства управления; токсичные рабочие материалы | | |
Опасности, связанные с возгоранием и взрывом | Нагретый инструмент, заготовки и рабочая жидкость гидравлической системы Вытяжная вентиляция или оборудование по сбору пыли | | |
Опасности, связанные с несоблюдением эргономических принципов при конструировании пресса (несоответствие механизмов человеческим характеристикам и способностям), ставшие результатом, например, неправильной осанки или перенапряжения | Рабочее положение и устройства управления для оператора и манипуляторы персонала по техобслуживанию | | |
--------------------------------
| | Применение на добровольной основе раздела 5 обеспечивает соблюдение требований технического регламента Таможенного союза "О безопасности машин и оборудования" (ТР ТС 010/2011) и осуществления оценки (подтверждения) соответствия продукции (Решение Комиссии Таможенного союза от 18.10.2011 N 823). | |
5. Требования и меры безопасности
5.1. Общие положения
Гидравлические прессы варьируются по размеру от небольших скоростных прессов с одним оператором, изготовляющих небольшие детали, до крупных, относительно медленных прессов, с несколькими операторами и крупными комплексными деталями.
5.2. Основные заключения по конструкции
5.2.1. Предотвращение непреднамеренного падения в результате действия силы тяжести во время производства
5.2.1.1. Если существует риск травматизма (сила более 150 Н), должны быть приняты меры, предотвращающие непреднамеренное падение в результате действия силы тяжести ползуна/поперечины в производственном режиме с ручной или автоматической подачей и извлечением (см. таблицы 2 и
3). Подобное падение может стать результатом отказа гидравлической системы, механических неполадок или отказа электрической системы управления. Необходимо предотвратить риск посредством:
- механического ограничителя;
- гидравлического ограничителя, как указано в
5.2.1.2;
- комбинации единичного гидравлического ограничительного клапана и механического ограничителя.
Таблица 2
Требования к обеспечению безопасности оператора
при работе в различных режимах. Режим производства:
единичный цикл, ручная подача и извлечение
Система безопасности оператора <1> | Запуск цикла | Функция запуска и остановки <2> | | Примечание |
Электрическая система | Гидравлическая система |
Закрытые инструменты | Любой | | | Нет | |
Неподвижное ограждение | То же | То же | То же | То же | |
| | ИС МЕГАНОРМ: примечание. В официальном тексте документа, видимо, допущена опечатка: пункт 5.4.16 отсутствует. Возможно, имеется в виду пункт 5.4.1.6. | |
|
Блокировочное заграждение с блокировкой заграждения | Любой, кроме положения самого заграждения | | | " | Прямая блокировка питания гидравлической схемы может быть обеспечена в качестве альтернативы Р и К (см. 5.4.16 и рисунок D.2, Приложение D) |
Блокировочное заграждение без блокировки заграждения | Любой, кроме положения самого заграждения | | | Нет | |
Заграждение управления с блокировкой заграждения | Самозаграждение | То же | | " | |
Заграждение управления без блокировки заграждения | То же | " | | " | |
Блокировочное заграждение раннего открытия | Любой | " | То же | Да | Либо соблюдение соответствующего безопасного расстояния (см. 5.3.17) или блокировка заграждения, действующая во время опасного движения инструментов (см. 5.3.13 и 5.3.14) |
ЭЧЗО с использованием АОЭЗУ | | " | " | То же | 1. Соблюдение соответствующего безопасного расстояния (см. 5.3.17) 2. Если между инструментами есть достаточно большой зазор, позволяющий полностью в него войти, необходимо обеспечить отдельное устройство запуска хода |
Двуручное устройство управления | Двуручное устройство управления | " | " | " | Соблюдение соответствующего безопасного расстояния (см. 5.3.17) |
Устройство управления с удерживанием для запуска и низкая скорость закрытия | Устройство управления с удерживанием для запуска | | | " | 1. В основном для настройки инструментов (см. 5.5) 2. Максимально низкая скорость закрытия: 10 мм/с (см. 5.3.18) |
<1> Для настройки инструментов см. 5.5. <2> Для системы управления см. 5.4.1. <4> Е - единичная система (включение одной кнопкой или педалью от одной системы управления). |
Таблица 3
Требования к обеспечению безопасности оператора
при работе в различных режимах. Режим производства:
автоматический цикл, ручная подача и извлечение
Система безопасности оператора <1> | Запуск цикла | Функция запуска и остановки <2> | | Примечание |
Электрическая система | Гидравлическая система |
Закрытые инструменты | Любой | | | Нет | |
Неподвижное заграждение | То же | То же | То же | То же | |
| | ИС МЕГАНОРМ: примечание. В официальном тексте документа, видимо, допущена опечатка: пункт 5.4.16 отсутствует. Возможно, имеется в виду пункт 5.4.1.6. | |
|
Блокировочное заграждение с блокировкой заграждения | Любой, кроме положения самого заграждения | | | " | См. 5.3.11 и 5.3.13. Прямая блокировка питания гидравлической схемы может быть обеспечена в качестве альтернативы Д и К (см. 5.4.16 и рисунок D.2, Приложение D) |
Блокировочное заграждение без блокировки заграждения | То же | То же | | " | |
ЭЧЗО с использованием АОЭЗУ | Любой, кроме состояния самого устройства | " | То же | Да | См. 5.3.15. Соблюдение соответствующего безопасного расстояния (см. 5.3.17) |
<1> Для настройки инструментов см. 5.5. <2> Для системы управления см. 5.4.1. <4> Е - единичная система (включение одной кнопкой или педалью от одной системы управления). |
Ограничитель должен функционировать автоматически и быть эффективен в любой момент остановки инструмента и возможности доступа оператора к инструменту.
5.2.1.2. Если механический ограничитель не используется, но существует риск травматизма в результате падения под действием силы тяжести, гидравлический ограничитель должен включать:
- либо два отдельных удерживающих или возвращающих цилиндра, каждый из которых оснащен гидравлическим ограничительным (подпорным) клапаном, способным самостоятельно удерживать ползун/поперечину;
- либо два гидравлических ограничительных клапана, один из которых устанавливается как можно ближе к выходу цилиндра при помощи фланцевого или сварного трубопровода, способного удерживать ползун/поперечину.
5.2.1.3. Для пресса, изготовленного для автоматической работы или использования с закрытыми инструментами, или использования с закрепленным ограждением, или использования с низкой скоростью закрытия и управлением "удержание для запуска" (см.
5.3.18), необходимо обеспечить, по крайней мере, один гидравлический подпорный клапан или механическое ограничительное устройство.
5.2.1.4. Должна быть предусмотрена система для автоматической проверки ограничителей, как указано в
5.2.1.1. Система должна корректно функционировать, и при отказе любой системы движение пресса должно быть остановлено (см.
5.4.1.2 и
рисунок D.1, Приложение D).
5.2.1.5. Требования к системе управления по предотвращению непредусмотренного хода пресса также указаны в
5.4.1.2 и
5.4.1.3.
5.2.2. Предотвращение падения под действием силы тяжести во время проведения технического обслуживания или ремонта
5.2.2.1. Если существует риск травматизма (сила более 150 Н) в результате падения ползуна/поперечины под действием силы тяжести, необходимо оборудовать пресс механическим ограничителем, например тормозным башмаком, на случай проведения ремонтных работ или иного необходимого вмешательства персонала в зону между инструментами, за исключением ручной подачи в нормальном режиме.
Примечание. Для пресса с рабочим ходом вверх риск травматизма характерен не для зоны между инструментами, а для пространства под движущимся инструментом.
Если устройство не может полностью поглотить силу пресса, оно должно быть заблокировано на систему управления прессом, чтобы завершающий ход не мог быть осуществлен, если устройство находится в своем положении, а ползун/поперечина пресса должны удерживаться в верхнем положении, - по национальным стандартам государств, упомянутых в предисловии как проголосовавшие за принятие межгосударственного стандарта <1>.
--------------------------------
5.2.2.2. Для прессов с длиной начинающего хода более 500 мм и глубиной плиты более 800 мм ограничитель должен быть установлен на постоянной основе и включен в конструкцию пресса. Если положение ограничителя не видно с рабочего места оператора, необходимо обеспечить дополнительный индикатор положения ограничителя.
5.2.2.3. Если ограничитель силы тяжести, установленный в качестве защиты на случай проведения технического обслуживания, механически связан с основным ограждением, которое убирается для проведения технического обслуживания, необходимо установить дополнительный механический ограничитель, который может быть установлен вручную на необходимом участке.
5.2.3. Гидравлические и пневматические системы. Основные характеристики
5.2.3.1. Общие требования
ГОСТ 31177 и ГОСТ 30869 должны быть учтены при проектировании гидравлических и пневматических систем, которые должны соответствовать особым требованиям, приведенным в 5.2.3 -
5.2.5.
5.2.3.2. Необходимо обеспечить наличие фильтров, регуляторов давления и задвижек низкого давления.
5.2.3.3. Необходимо обеспечить наличие устройств, следящих за поддержанием разрешенного диапазона рабочего давления.
5.2.3.4. Прозрачные корпусы (например, стеклянные, пластиковые) должны быть защищены, чтобы предотвратить травмирование летящими частицами, но при этом должна быть сохранена достаточная степень видимости.
5.2.3.5. Вся трубная обвязка, фитинги, каналы, баки наполнения и гидробаки, прорезанные или просверленные отверстия должны быть свободны от заусенцев и постороннего материала, способного нанести повреждения системе
(ГОСТ 31177 и ГОСТ 30869).
5.2.3.6. Каждый проход трубной обвязки, если возможно, должен быть непрерывен от одного участка аппарата до другого. Необходимо принять меры, предотвращающие повреждения в результате теплового расширения. Жесткая трубная обвязка должна иметь опоры, установленные через равные интервалы, во избежание вибрации или сдвигов. Во избежание образования петель на гибких трубках, проводящих жидкости, необходимо принять все меры предосторожности. Подобное образование петель может вызывать появление застоев, мешающих выпуску жидкости.
5.2.3.7. В местах, где перепад давления может привести к непреднамеренному опасному перемещению ползуна/поперечины, запрещается использование гибких трубок; необходимо подобрать трубы и трубные соединения, способные предотвратить подобный перепад давления. В данных трубных соединениях не допускаются соединение хомутами, клеевые кольца или аналогичные устройства. Они должны быть выполнены путем соединения двух стыков либо посредством сварки двух подогнанных поверхностей.
5.2.3.8. Рабочие клапаны не должны зависеть от подсоединенной трубной обвязки. Это необходимо для устранения нежелательных последствий вибрации, которые могут сказаться на клапанах и на трубной обвязке.
5.2.3.9. Клапаны управления и другие элементы управления (например, регуляторы и манометры) должны быть установлены в положениях, обеспечивающих легкий доступ и отсутствие повреждений
(ГОСТ 31177).
5.2.3.10. Для клапанов, управляемых вручную или механически (а не электрически), необходимы принудительные приспособления для восстановления, т.е. при срабатывании исполнительного механизма клапана клапан автоматически переходит в безопасное положение. Также см.
5.4.7.
5.2.4. Гидравлические системы
5.2.4.1. Контролируемый спуск под действием собственной массы может быть намеренной особенностью конструкции, облегчающей быстрое закрытие инструментов. В подобном случае все масло в цилиндре, поддерживающем ползун/поперечину, должно проводиться через основной клапан управления или клапан в системе резервирования или системе контроля (Р и К в
таблице 2).
5.2.4.2. Гидравлические системы, включающие аккумуляторы, должны разрешать падение давления жидкости, если блок генератора давления
(насоса, мультипликатора) отключен от источника энергии; накопленная энергия не позволит инициировать следующий ход. Если подобное невозможно, в комплекте с ручным выпускным клапаном, в дополнение к другим устройствам, требующимся согласно стандартам и правилам, касающимся аккумуляторов, должны поставляться участки схемы, работающие при низком давлении (предохранительные клапаны, пневматические измерительные приборы и т.д.) с указанием (посредством таблички с описанием) опасности.
5.2.4.3. Схема должна быть защищена клапанами, ограничивающими давление. Характеристики данных клапанов не должны изменяться без использования инструмента; они должны быть настроены на давление, превышающее рабочее давление не более чем на 10%.
5.2.4.4. Для прессов
с рабочими цилиндрами поршневого типа и возвратными цилиндрами поршневого и плунжерного типов необходимо предусмотреть меры, исключающие мультипликацию (повышение давления) в поршневой полости цилиндра. Используемый для данной цели предохранительный клапан должен управляться напрямую, иметь уплотнение и блокировку от несанкционированной регулировки, а также должен быть установлен на давление, по крайней мере, на 10% превышающее максимальное давление системы, что гарантирует его открытие только в случае неполадок. Элементы, которые он предохраняет, должны быть спроектированы под его рабочее давление. Предохранительный клапан должен быть выполнен таким образом, чтобы в случае единичного обрыва пружины расстояние между обмотками оставалось меньше толщины одного провода. Пружина должна быть установлена так, чтобы поддерживать функции предохранительного клапана.
5.2.5. Пневматические системы
5.2.5.1. Если клапаны или иные части системы управления прессом требуют смазки, необходимо обеспечение видимых автоматических средств смазки для подачи масла в воздухопровод.
5.2.5.2. Если установлены системы шумоподавления, их установка должна соответствовать инструкциям производителя для использования в системах безопасности и не должна сказаться на функциях обеспечения безопасности.
5.2.5.3. Должны быть установлены влагоотделители.
5.2.6. Электрические системы
5.2.6.1. Электрическая система должна полностью соответствовать национальным стандартам государств, упомянутых в предисловии как проголосовавшие за принятие межгосударственного стандарта
<1>.
5.2.6.2. Проектировщик пресса должен учесть, что пределы электропитания, физическое окружение, а также эксплуатационные условия некоторых элементов отличаются от приведенных в национальных стандартах государств, упомянутых в предисловии как проголосовавшие за принятие межгосударственного стандарта
<1>. В подобном случае необходимо учитывать данные факторы при выборе соответствующего элемента.
5.2.6.3. Аварийная остановка должна функционировать, как останов категории 0 (см.
5.4.6.2 и национальные стандарты государств, упомянутых в предисловии как проголосовавшие за принятие межгосударственного стандарта
<1>.
5.2.6.4. Двуручные устройства управления должны соответствовать производственному режиму: единичный цикл, ручная подача и извлечение для настройки инструмента, технического обслуживания и смазки (см.
5.3.1,
таблицу 2,
5.3.16 и
5.5.7).
5.2.6.5. Минимальная степень защиты пульта оператора и устройств управления, устанавливаемых на пресс, должна составлять, по крайней мере, IP54 (национальные стандарты государств, упомянутых в предисловии как проголосовавшие за принятие межгосударственного стандарта
<1>).
5.2.6.6. Корпусы пульта, шкафов управления,
разветвительных коробок должны обеспечивать степень защиты, по крайней мере, равную IP54 (национальные стандарты государств, упомянутых в предисловии как проголосовавшие за принятие межгосударственного стандарта <1>).
5.2.6.7. Идентификация других проводников, отличных от нейтральных, или защитных проводников - по национальным стандартам государств, упомянутых в предисловии как проголосовавшие за принятие межгосударственного стандарта <1>.
--------------------------------
5.3. Механические опасности в зоне инструментов
5.3.1. Основной опасной зоной гидравлического пресса является зона инструментов, при работе в которой должны быть приняты все соответствующие меры предосторожности. В 5.3 и
5.5 указан метод защиты опасной зоны инструментов и связанных с ней зон, например движущихся амортизаторов штампа, держателей штамповок и выталкивателей заготовок. В
таблицах 2 - 4 приведены методы защиты с указанием производственного режима, режима запуска цикла, эксплуатационного режима и требований к конструкции систем управления и контроля:
- единичный цикл: ручная подача и извлечение (см.
таблицу 2);
- автоматический цикл: ручная подача и извлечение (см.
таблицу 3);
- автоматический цикл: исключительно автоматическая подача и извлечение (см. таблицу 4).
Таблица 4
Требования к обеспечению безопасности оператора
инструментов при работе в различных режимах.
Режим производства: автоматический цикл,
автоматическая подача и извлечение
Система безопасности оператора <1> | Запуск цикла | Функция запуска и остановки <2> | | Примечание |
Электрическая система | Гидравлическая система |
Закрытые инструменты | Любой | | | Нет | |
Неподвижное заграждение | То же | То же | То же | То же | |
Блокировочное заграждение с блокировкой защиты | Любой, кроме положения самого заграждения | | | Нет | Непреднамеренный запуск должен быть предотвращен. Схема управления ворот заграждения должна быть продублирована и контролирована первоначальной проверкой (см. также 5.3.11 и 5.3.13) |
Блокировочное заграждение без блокировки защиты | Любой, кроме положения самого заграждения | | | Нет | |
ЭЧЗО с использованием АОЭЗУ | Любой, кроме состояния самого устройства | То же | То же | То же | См. 5.3.15. Соблюдение соответствующего безопасного расстояния (см. 5.3.17) |
<1> Для настройки инструментов см. 5.5. <2> Для системы управления см. 5.4.1. <4> Е - единичная система (включение одной кнопкой или педалью от одной системы управления). |
5.3.2. Меры предосторожности, описанные в национальных стандартах государств, упомянутых в предисловии как проголосовавшие за принятие межгосударственного стандарта
<1>, и приведенные ниже, применимы к защите любого оператора инструментов. Проектировщики, производители и поставщики должны выбрать метод защиты, максимально снижающий риски серьезных опасностей (см.
таблицу 1), и производственный режим (см.
таблицы 2 -
4):
a) закрытые инструменты (см.
5.3.4,
5.3.9,
Приложение C, национальные стандарты государств, упомянутых в предисловии как проголосовавшие за принятие межгосударственного стандарта
<2>);
b) неподвижные ограждения (см.
5.3.4,
5.3.10, национальные стандарты государств, упомянутых в предисловии как проголосовавшие за принятие межгосударственного стандарта
<3>);
c) блокировочные ограждения с/или без блокировки заграждения (см.
5.3.11,
5.3.13,
5.3.17,
Приложение D, национальные стандарты государств, упомянутых в предисловии как проголосовавшие за принятие межгосударственного стандарта
<4>);
d) заграждения управления с/или без блокировки заграждений (см.
5.3.11,
5.3.13,
5.3.17,
Приложение D, национальные стандарты государств, упомянутых в предисловии как проголосовавшие за принятие межгосударственного стандарта
<5>);
e) блокировочные заграждения раннего открытия с/или без блокировки заграждения (см.
5.3.11,
5.3.13,
5.3.14,
5.3.17,
Приложение D, национальные стандарты государств, упомянутых в предисловии как проголосовавшие за принятие межгосударственного стандарта
<4>);
h) устройства управления с удерживанием для запуска (национальные стандарты государств, упомянутых в предисловии как проголосовавшие за принятие межгосударственного стандарта
<6>, с низкой скоростью закрытия (не более 10 мм/с, см.
5.3.18), применяемые в основном для настройки инструментов (см.
5.5).
--------------------------------
5.3.3. Выбранная комбинация мер предосторожности, описанная в
5.3.2, должна обеспечить защиту всех задействованных лиц, имеющих доступ в опасную зону во время работы, настройки, технического обслуживания, очистки и проверки, как указано в
4.2.
5.3.4. Если возможна ручная загрузка и/или разгрузка гидравлического пресса, меры предосторожности не должны основываться только на использовании закрытых инструментов или неподвижных ограждений, кроме случаев, когда закрытые инструменты или неподвижные ограждения поставляются в комплекте с прессом для единичного специального использования [см.
7.2.2, перечисления j) и
k)].
5.3.5. Требования к технике безопасности, указанные в
5.3.2, приведены в
5.3.9 -
5.3.18 и должны выполняться вместе с требованиями соответствующих стандартов (см.
раздел 2).
5.3.6. Предоставляемые ограждения и защитные устройства должны быть, по крайней мере, сопряжены с системой управления пресса согласно категории, требующейся для данных ограждений и устройств.
5.3.7. Если работы, проводимые на прессе, требуют доступа в опасную зону более чем с одной стороны, необходимо обеспечить фитинги ограждений или устройств с аналогичным уровнем защиты оператора с любой стороны.
5.3.8. При использовании пресса крупных размеров для специального "единичного" прессования крупных элементов, например торцов баллонов, и невозможности использования заграждения проектировщик, производитель и поставщик должны обеспечить все необходимое для безопасной работы оператора, например устройства управления, передвигаемые в безопасное место, с которого хорошо просматриваются инструменты/заготовки, и, если необходимо, дополнительные звуковые предупреждения или визуальные знаки опасности - по национальным стандартам государств, упомянутых в предисловии как проголосовавшие за принятие межгосударственного стандарта <1>. Если пресс предназначен не только для данного вида работы, то выполняются требования
5.3.2 -
5.3.7.
--------------------------------
5.3.9. Закрытые инструменты должны быть безопасны по своей конструкции. Их отверстия и соответствующие расстояния - по национальным стандартам государств, упомянутых в предисловии как проголосовавшие за принятие межгосударственного стандарта <2>,
таблица 4, или не должны превышать 6 мм. Необходимо избегать любой дополнительной опасности дробления за пределами закрытого инструмента - по национальным стандартам государств, упомянутых в предисловии как проголосовавшие за принятие межгосударственного стандарта <3>,
таблица 1 (см. также
Приложение C).
--------------------------------
5.3.10. Неподвижные заграждения - по национальным стандартам государств, упомянутых в предисловии как проголосовавшие за принятие межгосударственного стандарта <4>. Они должны быть прочно закреплены к прессу (станине), иной жесткой конструкции или полу. Отверстие для подачи - по национальным стандартам государств, упомянутых в предисловии как проголосовавшие за принятие межгосударственного стандарта <2>,
таблица 4.
--------------------------------
5.3.11. Блокировочные ограждения и ограждения устройств управления должны соответствовать национальным стандартам государств, упомянутых в предисловии как проголосовавшие за принятие межгосударственного стандарта <4>, и вместе с неподвижными заграждениями перекрывать доступ в опасную зону в зоне инструментов во время любого опасного движения. Запуск хода должен быть запрещен до закрытия ворот ограждения. Соответствующие блокировочные устройства должны быть спроектированы и изготовлены в соответствии с национальными стандартами государств, упомянутых в предисловии как проголосовавшие за принятие межгосударственного стандарта <5>, а участки систем управления, связанные с обеспечением безопасности, должны соответствовать категории 4 - по национальным стандартам государств, упомянутых в предисловии как проголосовавшие за принятие межгосударственного стандарта <6>. Ограждения устройств управления также должны соответствовать национальным стандартам государств, упомянутых в предисловии как проголосовавших за принятие межгосударственного стандарта <7>.
--------------------------------
5.3.12. При использовании блокировочных заграждений в качестве заграждений устройств управления необходимо убедиться, что возможность нахождения между заграждением и опасной зоной исключена. Этого можно добиться, используя дополнительные средства защиты. Дополнительные средства защиты должны быть либо АОЭЗУ (тип 4), либо неподвижными заграждениями, постоянно удерживаемыми на месте (например, сварными), либо блокировочными заграждениями, соответствующими национальным стандартам государств, упомянутых в предисловии как проголосовавшие за принятие межгосударственного стандарта <1>,
пункт 6.2.1.
--------------------------------
Заграждения устройств управления используются, если длина начинающего хода не более 600 мм, а глубина плиты пресса не более 1000 мм. Данные ограничения не применяются к ограждениям устройств управления, контролируемым устройством управления с удерживанием для запуска.
Ограждения устройств управления должны надежно удерживаться открытыми (например, с помощью пружины или противовеса) во избежание падения под действием силы тяжести, что может привести к непредвиденному запуску цикла.
5.3.13. Ограждения, указанные в
5.3.11, должны предоставляться:
a) либо с блокировкой заграждений, предупреждающей открытие ворот заграждения до завершения любого опасного движения в зоне инструментов;
b) либо без блокировки заграждения, но с проектной возможностью остановить опасное движение до того, как будет достигнута опасная зона.
5.3.14. Если заграждение или заграждающие устройства управления являются преждевременно открываемыми блокирующими ограждениями, то они должны функционировать в качестве блокировочного заграждения преждевременного открытия (см.
3.8).
5.3.15. При применении ЭЧЗО, использующего АОЭЗУ в форме световой завесы, должны выполняться следующие условия:
a) АОЭЗУ должно соответствовать типу 4 по
[1] и быть спроектировано и изготовлено в соответствии с
[2];
b) доступ в опасную зону возможен только через зону обнаружения АОЭЗУ. Дополнительные устройства защиты должны предотвратить доступ в опасную зону с любой другой стороны;
c) если существует возможность нахождения между АОЭЗУ и опасной зоной пресса, необходимо предусмотреть дополнительные средства, например, дополнительные лучи, для обнаружения стоящего человека. Предельно допустимая зона необнаружения должна быть не более 75 мм;
d) любое опасное движение не может быть запущено, если любая часть тела перекрывает АОЭЗУ;
e) средства переустановки должны быть расположены так, чтобы была обеспечена абсолютная видимость опасной зоны. В каждой зоне обнаружения допускается только одно регулирующее устройство управления. Если в прессе предусмотрены боковые и задние АОЭЗУ, для каждой зоны обнаружения должно быть предусмотрено регулирующее устройство управления;
f) если АОЭЗУ работает по принципу отражения передаваемого светового луча обратно вдоль его пути и дополнительные отражатели установлены в пределах зоны обнаружения, то конфигурация дополнительных отражателей не должна позволять пропустить необнаруженным предмет с толщиной, равной или превышающей толщину указанного эталонного образца (
[2], пункт 4.1.2), в пределах всей зоны обнаружения, кроме случаев, когда приняты иные меры по запрещению доступа в опасную зону;
g) если АОЭЗУ используется для запуска цикла либо единичного, либо двойного:
- высота плиты пресса должна быть равна или превышать на 750 мм уровень, на котором стоит оператор. Если высота плиты пресса менее 750 мм, необходимый уровень должен быть достигнут с помощью дополнительных ограждений; данное заграждение и все иные заграждения, предотвращающие доступ в зону инструментов, должны быть закреплены на постоянной основе, например, при помощи сварки или использования блокировочных заграждений. Возможность стояния между физическим барьером и плитой или инструментами или за плитой или инструментами должна быть исключена;
- длина начинающего хода должна быть не более 600 мм, а глубина плиты пресса должна быть не более 1000 мм;
- способность обнаружения не должна превышать 30 мм (см.
таблицу A.1, Приложение A);
- перед запуском первого цикла необходимо активировать функции сброса (например, кнопка, педаль);
- устройство запуска движения пресса после положительных показаний АОЭЗУ должно быть ограничено предустановленным временем. Данное предустановленное время не должно превышать 30 с от момента окончания предыдущего рабочего цикла. АОЭЗУ должно иметь возможность перезапуска вручную, если предустановленное время было превышено;
- если для защиты пресса используется несколько АОЭЗУ, только одно из них, расположенное в передней части, должно быть выбрано для каждого запуска цикла;
h) отключение АОЭЗУ селекторным переключателем также должно отключать индикаторные лампы.
5.3.16. Двуручные устройства управления
a) Двуручные устройства управления должны соответствовать типу III C по ГОСТ ИСО 13851,
таблица 1.
b) Количество используемых двуручных устройств управления должно соответствовать количеству операторов, указанных системой выбора.
c) Запрещается подавать выходные сигналы, используя одну руку, руку и локоть той же руки, предплечье(я) или локоть(и), руку и другую часть тела.
5.3.17. Блокировочные заграждения без блокировки заграждений, заграждения устройств управления без блокировки заграждений, блокировочные заграждения раннего открытия без блокировки заграждений, ЭЧЗО с АОЭЗУ и двуручные устройства управления должны быть расположены так, чтобы у оператора не было времени достигнуть опасной зоны до прекращения любого опасного движения в зоне инструментов. Вычисление безопасного расстояния должно быть основано на общем времени выключения останавливающегося пресса и скорости движения оператора (см.
Приложение A и
ГОСТ ИСО 13855).
5.3.18. Необходимо обеспечить непревышение устройствами управления с удерживанием для запуска и низкой скоростью погашения скорости в 10 мм/с. Если другие эксплуатационные режимы (см.
таблицы 2 -
4) позволяют скорости выше 10 мм/с, необходимо выбрать низкую скорость с помощью селекторного переключателя, который активирует устройство управления с удерживанием для запуска и одновременно задает низкую скорость. Запрещается ограничивать скорость с помощью регулировки переменных параметров.
5.3.19. Другие требования
5.3.19.1. Пресс должен быть спроектирован и изготовлен так, чтобы инструменты были надежно зафиксированы к прессу, устраняя, таким образом, возможность возникновения опасности при отказе какого-либо одного элемента или отключении энергии.
5.3.19.2. Все крепления пресса, например винты, гайки, клеевые стыки, должны быть собраны так, чтобы детали были плотно закреплены и не могли послужить причиной травм.
5.3.19.3. Средства ручной регулировки, например хода, регулировки ползуна/поперечины или настройки скорости, изменение которых может вызывать опасность, должны быть оснащены надежным блокировочным устройством, которое позволит проведение регулировки только при использовании инструмента, клавиши или электронного пароля.
5.3.19.4. На автоматически работающих прессах с манипуляторами, являющимися неотъемлемой частью пресса, схват манипулятора должен перемещаться по направляющим, жестко закрепленным на прессе, в зону инструмента, если такая возможность существует конструктивно.
Если отсутствуют закрепленные на прессе направляющие для схвата, производитель должен оборудовать пресс:
a) либо устройством управления с тремя фиксируемыми положениями и низкой скоростью (менее 10 мм/с). Устройство управления с фиксацией должно иметь один переключатель со следующими положениями:
- 1-е - останов;
- 2-е - пуск;
- 3-е - снова останов.
После переключения до положения 3 перезапуск возможен только после возвращения переключателя в положение 1;
b) либо толчковым устройством (см.
5.5.9).
Данные устройства должны быть работоспособны после того, как любое заграждение вышло из своего защитного положения, чтобы схват мог быть направлен вручную с помощью использования дополнительных инструментов (захвата, щипцов, магнитного держателя).
5.3.20. Освобождение лиц, попавших в опасную зону
Необходимо обеспечить средства для освобождения лиц, попавших в зону инструментов (см. также
7.2.2, перечисление r)).
5.4. Система управления и контроля
5.4.1. Функции управления и контроля
Настоящий пункт применяется ко всем элементам, связанным с обеспечением безопасности, которые прямо или косвенно управляют или контролируют работу движущихся частей пресса или его инструментов. При проектировании электрических систем необходимо соблюдать требования национальных стандартов государств, упомянутых в предисловии как проголосовавшие за принятие межгосударственного стандарта <1>, элементы, связанные с обеспечением безопасности электрических, гидравлических, пневматических и механических систем, должны соответствовать национальным стандартам государств, упомянутых в предисловии как проголосовавшие за принятие межгосударственного стандарта <2>.
--------------------------------
5.4.1.1. Системы управления должны включать в себя функции безопасности, спроектированные таким образом, что для выполнения хода пресса необходим повторный запуск устройств управления:
a) после смены режима управления или работы;
b) после закрытия блокировочного заграждения;
c) после ручного перезапуска системы безопасности (блокировок);
d) после нарушения энергоснабжения;
e) после перерыва в подаче давления;
f) вслед за запуском защитного устройства инструмента или датчика деталей;
g) после снятия заблокированного механического ограничительного устройства.
5.4.1.2. Выполнение нескольких функций перезапуска требуется для восстановления нормального рабочего режима в случае вмешательства в систему безопасности (блокировочное заграждение, ЭЧЗО с использованием АОЭЗУ) в следующих ситуациях:
a) если человек может пройти через блокировочное заграждение;
b) ЭЧЗО с АОЭЗУ, используемое для запуска цикла, не было прервано в установленное время;
c) ЭЧЗО с АОЭЗУ прервано во время любого опасного движения в течение цикла;
d) ЭЧЗО с АОЭЗУ предохраняет боковые стороны пресса, с которых пресс не используется.
Устройства управления перезапуском должны находиться на расстоянии видимости от опасной зоны, но вне зоны досягаемости от опасной зоны. Функции перезапуска должны обеспечивать контроль, по крайней мере, единичной системы (Е и К).
5.4.1.3. Настоящий пункт применяется к прессам, оснащенным защитными устройствами следующего типа:
- ЭЧЗО с использованием АОЭЗУ;
- блокировочными заграждениями (см.
5.4.1.6) и заграждениями устройств управления;
- двуручными устройствами управления, используемыми для нормального режима работы.
Настоящий пункт не применяется к прессам, используемым исключительно для автоматической подачи или извлечения и работающим в автоматическом цикле, оснащенным блокировочными заграждениями с блокировкой заграждения (см.
таблицу 4).
В случае отказа деталей данных защитных устройств или системы управления, связанных с обеспечением безопасности, необходимо:
a) исключить возможность непреднамеренного запуска;
b) обеспечить надежную работу защитного устройства;
c) обеспечить возможность остановки станка во время опасного движения, а также
d) система управления должна остановить пресс незамедлительно после опасной фазы завершающего хода или, в других случаях, по завершении рабочего цикла, например, если отказ произошел в одном из двух каналов системы управления (т.е. второй канал остается в рабочем состоянии) или если отказ произошел во время части цикла, не являющейся опасной фазой завершающего хода;
e) система управления должна предотвратить запуск следующего рабочего производственного цикла до устранения неполадок.
Для выполнения данных требований детали системы управления, связанные с обеспечением безопасности, должны соответствовать категории 4 - по национальным стандартам государств, упомянутых в предисловии как проголосовавшие за принятие межгосударственного стандарта <3>. Функции запуска и остановки деталей системы управления прессом, связанных с обеспечением безопасности, не предусматривают настройки, должны быть прорезервированы и контролированы (Р и К).
--------------------------------
5.4.1.4. Если пресс подвергается значительной ударной нагрузке или вибрации, конструкция системы управления должна учитывать требования национальных стандартов государств, упомянутых в предисловии как проголосовавшие за принятие межгосударственного стандарта <1>; ГОСТ 31177,
пункт 5.2.1; ГОСТ 30869, пункт 5.2.1.
--------------------------------
5.4.1.5. Резервированная и контролируемая система управления пресса должна работать в двух отдельных функциональных системах. Каждая из систем должна независимо от другой иметь возможность остановить опасное движение вне зависимости от состояния другой системы. Отказ любой системы обнаруживается благодаря средствам контроля, и следующий завершающий ход запрещается. Если отказ одной системы очевиден, т.е. потеря функциональности предотвращает запуск следующего рабочего цикла, последующий контроль данной системы не требуется.
5.4.1.6. Для прессов, оборудованных блокировочными ограждениями, при работающем насосе устройство блокировки заграждения должно быть
электрически или механически связано с управляемым вручную гидрораспределителем, чтобы реверсировать поток гидравлической жидкости для прекращения опасного движения исполнительного механизма. См.
рисунок D.2 (Приложение D).
5.4.2.1. Приостановка (см.
3.13) обеспечивается для ЭЧЗО с использованием АОЭЗУ и двуручных устройств управления. Они приостанавливаются только в точке начинающего хода или при выходе из опасной фазы завершающего хода, когда отсутствует риск получения травмы в результате взаимодействия с инструментом. Должны учитываться точки захвата на выталкивателях, амортизаторах штампа и держателях штамповок. Система обеспечения безопасности должна вступить в работу снова во время или до начала хода вниз.
Кроме того:
a) положение приостановки должно быть надежно защищено от несанкционированного регулирования посредством специальных инструментов, клавишного ввода или электронного пароля;
b) любая дополнительная опасность, существующая во время начинающего хода, должна быть предотвращена, например, при помощи фиксированного ограждения;
c) сигналы на запуск приостановки должны контролироваться.
5.4.2.2. Средства установки точки, в которой система обеспечения безопасности приостанавливается во время завершающего хода, включают в себя сигнал положения и сигнал давления или подходящие аналоги, которые срабатывают при закрытии инструментов и в момент, когда пресс начинает работу.
5.4.2.3. Приостановка также может обеспечиваться для ворот блокировочного заграждения, установленного на гидравлический пресс, если разрешено раннее открытие ворот по завершении опасной фазы завершающего хода.
5.4.3. Программируемые электронные системы, программируемые пневматические системы и функции, связанные с обеспечением безопасности
5.4.3.1. Использование программируемых электронных систем (ПЭС) и программируемых пневматических систем (ППС) не должно снижать уровень безопасности, налагаемый настоящим стандартом.
5.4.3.2. Если пресс управляется ПЭС или ППС, функции, связанные с обеспечением безопасности, не должны полностью передаваться ПЭС или ППС.
5.4.4. Селекторные переключатели
5.4.4.1. Если существует возможность выбора режима работы, запуска цикла или системы безопасности пресса (например, единичный ход, толчковый или автоматические хода, переднее или заднее ограждение), необходимо обеспечить наличие селекторных переключателей. Конструкцией должно быть предусмотрено, что для каждого неиспользуемого положения переключатель устанавливается в промежуточное положение и схемы полностью изолируются напрямую управляемыми контактами или дублированным и контролируемым оборудованием. Если переключатель установлен в промежуточное положение, проведение операции невозможно. Система управления должна обеспечивать несрабатывание запуска, если используется селекторный переключатель.
5.4.4.2. Если предусмотрен один селекторный переключатель, он должен использоваться для выбора подходящего режима обеспечения безопасности, который может включать в себя не менее двух мер предосторожности или защитных устройств (см.
5.3.3). Если предусмотрено два и более селекторных переключателя и режим обеспечения безопасности подключен к системе управления, выбранный режим работы должен автоматически связываться с соответствующим режимом безопасности.
5.4.4.3. Если пресс также предназначен для использования в соответствии с
5.3.2, перечисление a) или
перечисление b), а также одновременно управляется, например, ножным переключателем (педалью) без любых других средств безопасности, то данный производственный режим должен быть выбран дополнительным селекторным переключателем, управляемым отдельной кнопкой или в пределах закрытого корпуса кнопки. При выборе данного режима должно появиться обозначение того, что используются только закрытые инструменты или неподвижное ограждение.
5.4.4.4. Если прессом управляют несколько операторов, уровень защиты должен быть одинаков для каждого оператора. Если используется несколько двуручных устройств управления, пресс должен быть работоспособен, когда выбранная схема управления прессом полностью соответствует количеству двуручных устройств управления.
5.4.4.5. Селекторные переключатели, используемые для функций обеспечения безопасности, должны управляться при помощи кнопок в соответствии с национальными стандартами государств, упомянутых в предисловии как проголосовавшие за принятие межгосударственного стандарта
<1>. Выбор должен быть видим и четко определяем.
5.4.5. Позиционные переключатели
Операционные средства позиционного переключателя (см.
3.16) и сам переключатель должны быть спроектированы для поддержания после установки в положение корректной взаимосвязи друг с другом, рабочим кулачком и особенно ходом.
5.4.6. Устройства управления
5.4.6.1. Нажимная кнопка, ножной переключатель и устройства управления запуска должны быть защищены соответствующим образом во избежание случайного использования. Доступ к ножному переключателю должен быть разрешен только с одной стороны и только одной ногой. Использование ножного привода запрещено.
5.4.6.2. Кнопка аварийной остановки должна при активации остановить все опасные движения, работая по категории 0 согласно национальным стандартам государств, упомянутых в предисловии как проголосовавшие за принятие межгосударственного стандарта
<2>.
5.4.6.3. В пределах досягаемости каждого оператора, включая операторов, работающих в задней части пресса, должна быть предусмотрена по крайней мере одна кнопка аварийной остановки. Любая отключаемая станция управления не должна включать в себя кнопку аварийной остановки, если пресс может работать при отключении данной станции управления.
5.4.6.4. Во избежание непреднамеренного запуска должны быть предусмотрены переносные платформы или подвесные пульты управления с кнопками запуска - по национальным стандартам государств, упомянутых в предисловии как проголосовавшие за принятие межгосударственного стандарта <1>.
--------------------------------
Запрещается установка устройств ручной блокировки автоматики на ограничительные клапаны; если устройства ручной блокировки автоматики включены в другие клапаны в целях тестирования или технического обслуживания, необходимо использование инструмента для блокировки автоматики.
5.5. Настройка инструментов, пробный ход, техническое обслуживание и смазка
5.5.1. Конструкцией пресса должна быть предусмотрена безопасная настройка инструментов, техническое обслуживание и смазка. Необходимость в доступе и ручном вмешательстве во время настройки и технического обслуживания должна быть минимизирована, например для смазки могут использоваться автоматические системы дистанционной подачи смазочных материалов.
5.5.2. Необходимо обеспечить наличие устройств, разрешающих движение ползуна/поперечины во время настройки инструментов, проведения технического обслуживания и смазки с включенными заграждениями и защитными устройствами (см.
5.3.2). Если это невозможно, должно быть предусмотрено, по крайней мере, одно из следующих:
a) двуручное устройство управления в соответствии с
5.5.7, предусмотренное таким образом, чтобы оно не могло использоваться для производства, т.е. его расположение и расстояние до зоны инструментов и использование низкой скорости перемещения ползуна/поперечины не более 10 мм/с делало невозможным выполнение технологических операций;
b) скорость менее 10 мм/с и устройства управления с удержанием для запуска;
c) использование толчкового режима.
5.5.3. Все пробные ходы (единичный рабочий цикл) после настройки инструментов или регулировки рассматриваются как производственные ходы, и меры по обеспечению безопасности должны соответствовать требованиям, изложенным в
5.3.
5.5.4. Для подающих устройств, регулируемых вручную, должна быть предусмотрена возможность настройки с неподвижным ползуном/поперечиной.
5.5.5. Кроме случаев, когда защитные устройства, используемые при нормальном производственном режиме, могут сохраняться для использования, производитель должен предусмотреть устройства управления на каждой доступной стороне пресса так, чтобы для участия в запуске требовался, по крайней мере, один человек на каждой стороне, при этом должна быть обеспечена видимость зоны доступа.
Если, принимая во внимание предназначение пресса, можно предсказать, что на прессе будет работать несколько человек, необходимо обеспечить дополнительные устройства (например, активирующие устройства, селекторные переключатели, предупреждающие сигналы).
5.5.6. Если подвижные заграждения открываются только для настройки инструмента или технического обслуживания, должны использоваться блокировочные заграждения - по национальным стандартам государств, упомянутых в предисловии как проголосовавшие за принятие межгосударственного стандарта
<1>. Минимальным стандартом блокировки является переключатель прямого открытия, соответствующий национальным стандартам государств, упомянутых в предисловии как проголосовавшие за принятие межгосударственного стандарта
<2>. Сопряжение с частями системы управления, обеспечивающими безопасность, не должно быть основано только на одном реле.
5.5.7. Двуручные устройства управления должны соответствовать
ГОСТ ИСО 13851.
Запрещается запуск выходных сигналов при помощи одной руки или руки и локтя той же руки.
5.5.8. Устройства управления с удерживанием для запуска и толчковые устройства должны быть неподвижно соединены, а части системы управления, отвечающие за обеспечение безопасности, должны соответствовать категории 2 по национальным стандартам государств, упомянутых в предисловии как проголосовавшие за принятие межгосударственного стандарта
<3>.
5.5.9. Перемещение, вызываемое толчковым устройством, должно быть небольшим для предотвращения опасных ситуаций и ограничиваться контролем времени или контролем расстояния. Перемещение ползуна/поперечины за один толчковый шаг не должно превышать 6 мм.
5.5.10. Необходимо предусмотреть, чтобы двуручные устройства управления или устройства управления с удержанием для запуска, предназначаемые только для настройки инструментов, не могли применяться при нормальном использовании.
5.5.11. Сопряжение между устройствами управления с удержанием для запуска, двуручными устройствами управления, толчковыми устройствами и частями системы управления, отвечающими за обеспечение безопасности, должно основываться более чем на одном реле.
5.5.12. Пресс и его заграждения должны быть спроектированы с учетом проведения периодических проверок с использованием инструментов, поставляемых с прессом.
5.6. Другие механические опасности
5.6.1. Механизмы привода и трансмиссии, а также вспомогательные устройства, являющиеся неотъемлемой частью пресса и поставляемые с прессом, должны быть, по крайней мере, защищены:
a) неподвижными заграждениями в местах, доступ к которым требуется один раз за смену - по национальным стандартам государств, упомянутых в предисловии как проголосовавшие за принятие межгосударственного стандарта
<1>;
b) подвижными заграждениями, блокируемыми системой управления, в местах, доступ к которым требуется более одного раза за смену - по национальным стандартам государств, упомянутых в предисловии как проголосовавшие за принятие межгосударственного стандарта
<1>;
c) блокировочным заграждением с блокировкой заграждения и задержкой разблокировки в случае, если время на останов больше времени достижения человеком опасной зоны, доступа в опасную зону - по национальным стандартам государств, упомянутых в предисловии как проголосовавшие за принятие межгосударственного стандарта <2>.
Заграждения, приведенные выше, не требуются, если опасная зона находится вне пределов доступа в соответствии с национальными стандартами государств, упомянутых в предисловии как проголосовавшие за принятие межгосударственного стандарта <4>, и доступ для регулярного технического обслуживания не требуется (например, смазка, настройка, очистка).
--------------------------------
5.6.2. Задержка разблокировки должна быть организована таким образом, чтобы таймер или датчик движения управлял блокировкой заграждения.
5.6.3. Части системы управления, отвечающие за обеспечение безопасности блокировочных устройств (национальные стандарты государств, упомянутых в предисловии как проголосовавшие за принятие межгосударственного стандарта <1>), должны соответствовать, по крайней мере, категории 1 по национальным стандартам государств, упомянутых в предисловии как проголосовавшие за принятие межгосударственного стандарта <2>.
--------------------------------
| | ИС МЕГАНОРМ: примечание. В официальном тексте документа, видимо, допущена опечатка: пункт 1.4 отсутствует. | |
5.6.4. Вспомогательные устройства, не управляемые прессом, должны быть дополнительно блокированы системой управления пресса, чтобы во время любого вмешательства не создавалась опасная ситуация (см. 1.4).
5.6.5. Опасность отталкивания, удара элементами пресса или их частями должна быть устранена во время проектирования посредством дополнительной защиты; обе защиты должны выдерживать прогнозируемые силы заготовки и инструмента [см.
7.2.2, перечисление j) и национальные стандарты государств, упомянутых в предисловии как проголосовавшие за принятие межгосударственного стандарта <3>].
--------------------------------
<3> На территории Российской Федерации действует ГОСТ Р 51342-99, см.
пункт 8.1.
5.7. Опасности поскользнуться, споткнуться и упасть
5.7.1. Если со станком поставляются рабочие станции, расположенные на высоте, они должны быть оборудованы перилами и напольными оградительными планками. Также должны быть обеспечены безопасные средства доступа к рабочей станции. См.
[3].
5.7.2. При проектировании, изготовлении и поставке пресса должна быть исключена опасность поскользнуться, споткнуться или упасть в зоне пресса.
5.8. Защита от других опасностей
5.8.1. Электрические опасности
Все электрическое оборудование должно быть спроектировано и изготовлено с учетом предотвращения поражения электрическим током в соответствии с национальными стандартами государств, упомянутых в предисловии как проголосовавшие за принятие межгосударственного стандарта <4>.
--------------------------------
5.8.2. Термические опасности
Для предотвращения ожогов при контакте с доступными частями пресса, например частями гидравлической системы, температура которых может превышать рекомендуемые пределы, указанные в национальных стандартах государств, упомянутых в предисловии как проголосовавшие за принятие межгосударственного стандарта <5>, должны быть обеспечены такие меры, как экранирование и изоляция.
--------------------------------
5.8.3. Опасность выплеска жидкости под высоким давлением
Дополнительная защита, например экраны, должна быть обеспечена для гибкой трубной обвязки, установленной рядом с рабочим местом оператора, для снижения возможности риска в результате отказа системы гибкого трубопровода.
5.8.4.1. Пресс должен быть спроектирован и изготовлен таким образом, чтобы риски, связанные с шумом, распространяющимся по воздуху, были доведены до самого низкого уровня, принимая во внимание технический прогресс и доступность средств по снижению шума, особенно в его источнике.
При проектировании пресса необходимо использовать информацию и технические мероприятия по управлению шумом в источнике, приведенные в
[4].
5.8.4.2. Конструкцией должна быть предусмотрена возможность учета шума от каждого источника. Соответствующие технические мероприятия по снижению уровня шума основных звуковых источников пресса приведены ниже:
a) гидравлическая передача: демпферы;
b) двигатель и насос: акустические панели (частично или полностью);
c) шум от инструментов: демпферы на прессе;
d) выталкивание заготовок: глушители на выпускных отверстиях;
e) пневматический выпуск: глушители;
f) системы подачи и передачи: акустические корпуса, демпферы;
g) шумы, передаваемые конструкцией пресса: антивибрационная установка пресса.
Допускается использовать дополнительные или альтернативные меры, обеспечивающие более высокую эффективность снижения шума. В любом случае заявленные значения уровня шума являются критерием для уровня шума данного пресса. Производитель должен предоставить необходимую информацию, касающуюся мер по снижению шума в источнике шума на прессе.
5.8.4.3. Измерения уровня шума следует проводить в соответствии с национальными стандартами государств, упомянутых в предисловии как проголосовавшие за принятие межгосударственного стандарта <1>, и
ГОСТ 31169.
--------------------------------
5.8.4.4. Минимальный объем предоставляемой информации по измерению шумов, передающихся по воздуху, включает в себя:
- данные по прессу:
a) наименование и адрес производителя;
b) год выпуска;
c) указание серии или типа;
d) серийный номер/номер опытного образца, проходящего тестирование;
e) номинальную силу;
f) скорость закрытия и рабочую скорость; минимальную и максимальную в диапазоне переменной скорости;
- эксплуатационные условия во время измерения:
g) скорость закрытия и рабочую скорость;
h) количество ходов в минуту;
i) длину хода;
j) условия установки (см.
F.1, Приложение F)
либо
l) применяемое давление, в МПа, во время перемещения назад;
или
p) условия тестирования под нагрузкой вместо m) и n) (см.
F.4, Приложение F);
- измерение:
q) расположение тестируемого пресса по отношению к плоскости отражения (см.
F.2, Приложение F);
r) процедуру измерения (см.
F.5, Приложение F);
s) положения измерения (см.
F.6, Приложение F);
t) время измерения (см.
F.7, Приложение F);
- результаты:
u) уровни фонового звукового давления, если требуется поправочный коэффициент;
v) эквивалентный, постоянный, A-взвешенный уровень звукового давления на месте оператора;
w) пик C-взвешенного мгновенного уровня звукового давления на месте оператора;
x) акустическую мощность в местах, где эквивалентный, постоянный, A-взвешенный уровень звукового давления превышает 85 дБА. (В случае с крупными прессами, т.е. усилие которых более 10000 кН, могут быть указаны уровень акустической мощности, уровни эквивалентного постоянного звукового давления в указанных местах вокруг пресса).
5.8.4.5. Информация по условиям измерения шума для гидравлических прессов дана в
Приложении F.
5.8.5. Опасности от вибрации
Конструкция пресса должна гарантировать предупреждение травм в результате вибрации, т.е. изоляцию пресса от пола. См.
[5].
5.8.6. Опасности, вызванные материалами и веществами
5.8.6.1. Рекомендуется не использовать опасные вещества при изготовлении пресса, а также запрещается использование материалов, способных вызвать риск травматизма или нанести вред здоровью (например, асбест).
5.8.6.2. Необходимо принять меры, предотвращающие образование аэрозолей и вдыхаемых масляных туманов в небезопасных концентрациях, например от масел, используемых для смазки пневматических систем.
5.8.6.3. Если пользователь намеревается обрабатывать опасные вещества, например порошки твердых металлов, системы безопасности должны быть спроектированы с учетом минимизации подверженности оператора их воздействию; в случае необходимости должна быть обеспечена вытяжная вентиляция - по национальным стандартам государств, упомянутых в предисловии как проголосовавшие за принятие межгосударственного стандарта <1>.
--------------------------------
5.8.6.4. При проектировании вытяжной вентиляции и оборудования по сбору пыли необходимо учитывать функции, сводящие к минимуму риск пожара и взрыва
[6].
5.8.7. Опасности, связанные с несоблюдением эргономических принципов
5.8.7.1. Пресс и его устройства управления должны быть спроектированы так, чтобы для оператора было обеспечено удобное рабочее положение, не вызывающее усталости.
5.8.7.2. Расположение, маркировка и освещение устройств управления, работающих с материалами оборудования, и устройств по настройке инструментов должны соответствовать эргономическим принципам.
5.8.7.3. Участки пресса, рабочие станции и зоны расположения устройств управления, заграждений и защитных устройств должны быть хорошо освещены, чтобы гарантировать хорошую видимость всего рабочего оборудования и материалов и исключить напряжение зрения.
5.8.7.4. Части пресса, весящие более 25 кг и требующие использования подъемных устройств, должны быть оснащены приспособлениями для крепления фитингов подъемных устройств
(ГОСТ ЕН 1005-2).
5.8.7.5. Баки с гидравлической жидкостью должны быть размещены и ориентированы таким образом, чтобы был обеспечен легкий доступ к наливному отверстию и сливным трубам.
5.8.7.6. Дальнейшие руководства по эргономическим принципам даны в национальных стандартах государств, упомянутых в предисловии как проголосовавшие за принятие межгосударственного стандарта <2>, и в
[7]. См. также
[8] -
[10].
--------------------------------
| | Применение на добровольной основе раздела 6 обеспечивает соблюдение требований технического регламента Таможенного союза "О безопасности машин и оборудования" (ТР ТС 010/2011) и осуществления оценки (подтверждения) соответствия продукции (Решение Комиссии Таможенного союза от 18.10.2011 N 823). | |
6. Подтверждение требований и/или мер безопасности
Крестиками в таблице 5 отмечены методы, при помощи которых можно проверить требования и меры безопасности, описанные в
разделе 5; в таблице даны ссылки на пункты настоящего стандарта.
Таблица 5
Способы подтверждения мер
Пункт настоящего стандарта | Требование и/или мера безопасности | | Проверка технических характеристик <2> | | Чертежи/вычисления/технические данные <4> |
| Основные заключения по конструкции | | | | |
| Предотвращение непреднамеренного падения в результате действия силы тяжести во время производства посредством механических и/или гидравлических ограничительных устройств | | | | |
| Механические и/или гидравлические ограничительные устройства | X | X | X | X |
| Используется в случае отказа в системе управления | X | X | | X |
| Гидравлическое ограничительное устройство включает: | | | | |
| | ИС МЕГАНОРМ: примечание. В официальном тексте документа, видимо, допущена опечатка: перечисление a) в пункте 5.2.1.3 отсутствует. | |
|
| два отдельных цилиндра | X | X | | X |
| гидравлические ограничительные клапаны | X | X | | X |
| Автоматическая проверка ограничительной системы | X | X | | X |
| Предотвращение падения под действием силы тяжести во время проведения технического обслуживания или ремонта посредством механических и/или гидравлических ограничительных устройств | | | | |
| Сила | X | X | X | X |
Блокировка | X | X | | X |
| Является неотъемлемой частью пресса (500; 800 мм) | X | X | | X |
Указание положения | X | X | | X |
| Дополнительные механические ограничительные устройства | X | X | | X |
| Гидравлические и пневматические системы. Общие характеристики | | | | |
| Фильтры | X | | | X |
Регуляторы давления | X | X | | X |
Отсечные приспособления низкого давления | X | X | | X |
| Устройства диапазона давления | X | X | | X |
| Прозрачные корпуса | X | | | |
| Заусенцы или посторонние предметы | X | | | X |
| Непрерывный трубопровод | X | | | |
Тепловое расширение | X | X | | |
Опора жесткого трубопровода | X | | | X |
Образование петель в гибком трубопроводе | X | X | X | |
| Трубы и трубные соединения | X | | | X |
| Опора работающего клапана | X | | | X |
| Размещение клапанов управления и других элементов управления | X | | | X |
| Восстановление клапана | X | X | | X |
| Гидравлические системы | | | | |
| Управляемый спуск под действием собственной массы | | X | | X |
| Разряд аккумуляторов | X | X | | X |
| Клапан ограничения давления | X | X | | X |
| Предохранительный клапан | X | X | | X |
| Пневматические системы | | | | |
| Видимые средства смазки | X | | | X |
| Незасоряющиеся глушители | X | X | | X |
| Сепараторы воды | X | | | X |
| Электрические системы | | | | |
| Соответствие ЕН 60204-1 | X | | | X |
| Окружающая среда, эксплуатационные условия | X | | | X |
| | | | | |
| | | | | |
| Оператор, устройства управления, интерфейс | X | | | X |
| Корпуса механизмов управления | X | | | X |
| Идентификация проводников | X | | | |
| Механические опасности в зоне инструментов | | | | |
| Защита всех задействованных лиц | X | | | X |
| Защитные устройства, части пресса | X | X | | X |
| Категория сопряжения | X | X | | X |
| Защита на каждой стороне | X | | | X |
| Одноразовое нажатие | X | X | | X |
| Закрытые инструменты | X | X | X | |
| Неподвижные заграждения | X | X | X | X |
| Блокировочные заграждения и заграждения управления | X | X | X | X |
| Заграждения управления: длина хода < 600 мм и глубина плиты < 1000 м | X | | X | X |
| Заграждения в 5.3.11 с блокировкой заграждений | X | X | | X |
| Заграждения в 5.3.11 без блокировки заграждений | X | X | X | X |
| Функция раннего открытия | X | X | X | X |
| ЭЧЗО с использованием АОЭЗУ в форме световой завесы | | | | |
| Тип 4 | X | | | |
| Возможный доступ | X | X | X | |
| Возможное положение стоя | X | X | X | |
| Предотвращение запуска | X | X | | X |
| Функция сброса | X | X | | X |
| Дополнительные отражатели, безопасность | X | X | X | |
| Единичный/двойной разрыв | X | X | | X |
Высота > 750 мм, дополнительное заграждение | X | | X | |
Длина шага < 600 мм и глубина плиты < 1000 мм | X | | X | |
Сброс функций перед первым циклом | X | X | | X |
Предустановленное время < 30 с | | X | X | |
Запуск цикла только посредством АОЭЗУ | | X | | X |
| Индикаторные лампы | X | X | | X |
| Двуручные устройства управления | | | | |
| Тип III C | X | X | X | |
| Одно устройство для каждого оператора | X | X | | X |
| Отмена | X | X | X | |
| Безопасное расстояние | X | X | X | X |
| Устройства управления с удерживанием для запуска и низкой скоростью закрытия | X | X | X | X |
| Другие требования | | | | |
| Фиксирование инструмента | X | X | | X |
| Крепления | X | | | X |
| Блокировка регулировки | X | X | | |
| Ведущая кромка катушки | X | X | | X |
| Устройства управления с удерживанием для запуска и низкой скоростью | X | X | X | X |
| Толчковое устройство | X | X | X | X |
| Освобождение лиц, попавших в опасную зону | X | X | | X |
| Система управления и контроля | | | | |
| Функции управления и контроля | | | | |
| Перезапуск устройств управления | X | X | | X |
| Функции ручного сброса | X | X | | X |
| Безотказность, функции дублирования и контроля | X | X | | X |
| Удар и вибрация | | X | X | |
| Две отдельные функционирующие системы | X | X | | X |
| Блокировка питания | X | X | | X |
| Приостановка | | | | |
| Все опасные движения завершены | X | X | | |
| Фиксирование | X | X | | X |
| Дополнительное предотвращение опасностей | X | X | X | X |
| Контролируемые сигналы | X | X | | X |
| Сигналы положения и давления | X | X | | X |
| Приостановка блокировочного заграждения | X | X | | X |
| Программируемые системы функции обеспечения безопасности | | | | |
| Функции обеспечения безопасности | X | X | | X |
| Селекторные переключатели | | | | |
| Изоляция схем | X | X | | X |
Напрямую используемые контакты | X | X | | |
Резервируемое и контролируемое оборудование | X | X | | X |
Промежуточное положение | X | X | | |
Устройство блокировки | X | X | | X |
| Выбор режима безопасности | X | X | | |
Управление/безопасность соединения | X | X | | |
| Закрытые инструменты/неподвижное заграждение | X | X | | X |
Индикация | X | X | | |
| Выбранные двуручные устройства управления | X | X | | X |
| Управляемые клавишами селекторные переключатели | X | X | | |
| Позиционные переключатели | | | | |
Взаимосвязь | X | X | X | X |
| Устройства управления | | | | |
| Соответствующая защита | X | X | X | |
| Остановка при всех опасных движениях | X | X | | X |
| Расположение кнопки аварийной остановки | X | X | | X |
| Переносные кнопки запуска | X | X | X | |
| Клапаны | | | | |
Ручная блокировка автоматики на ограничительных клапанах запрещена | X | | | |
Инструменты для ручной блокировки автоматики на ограничительных клапанах | X | X | | X |
| Настройка инструментов, пробный ход, техническое обслуживание, смазка | | | | |
| Снижение необходимости в доступе | X | X | | |
| Движение ползуна/поперечины с рабочими заграждениями и защитными устройствами в соответствии с 5.3.2 | X | | | X |
| Двуручные устройства управления | X | X | X | |
| Устройства управления с удержанием для запуска и низкой скоростью | X | X | X | |
| Толчковое устройство | X | X | X | |
| Пробный ход | X | X | | X |
| Устройства подачи | X | X | | X |
| Устройства управления на доступных сторонах | X | X | | X |
Четкая видимость | X | | | |
Дополнительные устройства | X | X | | |
| Блокировочное заграждение | X | X | | X |
Переключатель прямого открытия | X | X | | |
Сопряжение | X | X | | X |
| Двуручные устройства управления типа II | X | X | | X |
Отмена | X | X | X | |
| Устройства управления с удержанием для запуска и толчковые устройства | X | X | | X |
| Ограничение толчкового движения: временное и дистанционное управление | X | X | X | X |
| Устройства управления для настройки инструментов | X | X | X | |
| Сопряжение | X | X | | X |
| Периодические проверки | X | X | | |
| Механические опасности - другие | | | | |
| Механизмы привода и трансмиссии, вспомогательные устройства | | | | |
| Неподвижные заграждения | X | X | X | X |
| Подвижные блокировочные заграждения | X | X | X | X |
| Блокировочные заграждения с блокировкой защиты | X | X | X | X |
| Задержка разблокировки | X | X | X | X |
| Блокировочные устройства категории I | X | X | | X |
| Блокировка вспомогательных устройств | X | X | | X |
| Опасность выталкивания | X | X | | X |
| Опасности поскользнуться, споткнуться или упасть | | | | |
| Перила и напольные ограничительные планки | X | X | X | X |
Средства доступа | X | X | X | |
| Зона пресса | X | | | |
| Защита от других опасностей | | | | |
| Электрические опасности | X | X | X | X |
| Термические опасности | X | X | X | X |
| Опасности выплеска жидкости под высоким давлением | X | X | | |
| Опасности от шума | X | X | X | X |
| Опасности от вибрации | X | X | X | X |
| Опасности, вызванные материалами и веществами | X | X | X | X |
| Опасности, связанные с несоблюдением эргономических принципов | X | X | X | X |
| Информация для пользователей | X | X | | |
| Маркировка | X | | | |
| Инструкции | | | | |
| Безопасные расстояния | X | X | X | X |
| Время выключения гидравлической системы | | X | X | |
<1> Визуальная проверка используется для подтверждения характеристик, необходимых для визуальной проверки поставляемых элементов. <2> Проверка технических характеристик обеспечивает выполнение последними своих функций в соответствии с предъявляемыми требованиями. <3> Измерение подтверждает, что при использовании инструментов требования выполняются в указанных пределах. <4> Чертежи/вычисления/технические данные подтверждают, что проектные характеристики элементов соответствуют требованиям. |
7. Информация для пользователей
7.1.1. Необходимо выполнять общие требования, изложенные в национальных стандартах государств, упомянутых в предисловии как проголосовавшие за принятие межгосударственного стандарта
<1>, и ГОСТ 28690.
7.1.2. Пресс должен иметь следующую маркировку:
a) наименование и адрес производителя и, если применимо, поставщика;
b) год выпуска;
c) указание серии или типа;
d) серийный номер;
e) массу пресса без инструментов и вспомогательных устройств;
f) подъемные точки для транспортировки и установки;
g) номинальную силу;
h) максимальные размеры и массу инструментов;
i) завершающую и рабочую скорости, минимальную и максимальную в случае диапазона переменных скоростей;
j) максимальную длину хода;
k) данные по электрическим, гидравлическим и пневматическим системам;
l) общее время выключения и соответствующее безопасное расстояние(я) (см.
Приложение A);
m) любые ограничения по типу защитных устройств и режима работы, например закрытые инструменты, для которых подходит данный пресс.
Защитные устройства, поставляемые с прессом, также должны быть промаркированы идентификационными данными.
7.2.1. Необходимо выполнять общие требования, изложенные в национальных стандартах государств, упомянутых в предисловии как проголосовавшие за принятие межгосударственного стандарта <1>.
--------------------------------
7.2.2. Инструкция (руководство по эксплуатации) должна включать в себя:
a) информацию по маркировке пресса (см.
7.1.2);
b) ссылку на настоящий стандарт и любые другие стандарты, использованные при проектировании пресса;
c) копии любых сертификационных документов и отчеты по испытаниям сосудов высокого давления и систем управления;
d) информацию по безопасной установке (например, строительное задание на фундамент, задание на антивибрационную установку и т.д.);
e) информацию по начальному тестированию и проверке пресса и систем безопасности, которые необходимо провести перед началом использования и ввода в эксплуатацию;
f) информацию по системам управления, включая принципиальные схемы электрической, гидравлической и пневматической систем. Если предусмотрены ПЭС и ППС, на принципиальных схемах необходимо указать четкую взаимосвязь сопряжения между любыми постоянно соединенными частями ПЭС и ППС;
g) информацию по уровню шума во время проведения звуковых испытаний (см.
5.8.4.4);
h) подробную информацию по любой дополнительной защите оператора, которая может потребоваться для борьбы с остаточными рисками, например защита слуха, зрения или ног;
i) информацию по всем мерам безопасности в связи с использованием материалов, выделяющих опасные вещества;
j) информацию по безопасному использованию, выбору режимов работы, запуску и системам защиты оператора (особенно при применении закрытых инструментов или неподвижного заграждения, или управления прессом несколькими операторами), настройке, пробному ходу, техническому обслуживанию, ремонту, включая опасности выталкивания, создаваемые заготовками инструментов или их частями, жидкостями и т.д.;
k) специализированное обучение, необходимое лицам, назначенным для подготовки гидравлических прессов к использованию, включая соответствующий и достаточный инструктаж:
- по механизмам пресса,
- поддержанию качества жидкости и изменений фильтра,
- защитным устройствам,
- обнаружению причин и предотвращению несчастных случаев,
- работе устройств по настройке инструментов,
- конструкции инструментов,
- использованию закрытых инструментов и неподвижных заграждений (см.
5.3.4,
5.3.9 и
5.3.10);
l) подробную информацию по предпроизводственным проверкам заграждений и защитных устройств, требующихся после настройки инструментов или регулировки инструментов;
m) спецификации для любых жидкостей, используемых в гидравлических системах, фильтрах, для смазки, трансмиссии;
n) описания прогнозируемых режимов отказа и рекомендации по обнаружению, предотвращению и исправлению путем периодического технического обслуживания;
p) информацию по любым испытаниям или проверкам, необходимым после замены элементов, которые могут повлиять на функции безопасности;
q) информацию по периодическому техническому обслуживанию, тестированию и проверкам пресса, заграждений и защитных устройств, включая график технического обслуживания, тестирования и проверок. Для периодического технического обслуживания следует использовать широко доступные инструменты или оборудование, поставляемое в комплекте с прессом;
r) информацию по освобождению лиц, попавших в опасную зону (см.
5.3.20).
Рекомендуется подготовить контрольные карты для операций, подпадающих под
перечисления e),
l) и q).
Особые контрольные карты, подписанные проверяющим, должны быть подготовлены для проверок безопасности.
(обязательное)
| | Приложение A содержит правила и методы исследований (испытаний) измерений, в том числе правила отбора образцов, необходимые для применения и исполнения требований технического регламента Таможенного союза "О безопасности машин и оборудования" (ТР ТС 010/2011) и осуществления оценки (подтверждения) соответствия продукции (Решение Комиссии Таможенного союза от 18.10.2011 N 823). | |
ВЫЧИСЛЕНИЕ МИНИМАЛЬНЫХ БЕЗОПАСНЫХ РАССТОЯНИЙ
A.1. Блокировочные заграждения без блокировки заграждений, заграждения устройств управления без блокировки заграждений, блокировочные заграждения раннего открытия без блокировки заграждений, ЭЧЗО с использованием АОЭЗУ, двуручные устройства управления должны быть расположены от опасной зоны на минимальном расстоянии S, мм, вычисляемом по формуле
S = (K·t) + C, (1)
где K - параметр, выводимый из данных по скорости приближения тела или части тела, мм/с;
t - общие технические характеристики (общее время выключения) системы, с;
C - дополнительное расстояние, основанное на проникновении в опасную зону до активации защитного устройства, мм;
S - минимальное расстояние от опасной зоны до точки, линии, плоскости или зоны обнаружения должно быть не менее 100 мм с возможностью обнаружения не более 14 мм.
Для гидравлических прессов t вычисляют по формуле

(2)
где t
1 - время остановки пресса (включая время выключения гидравлических и электрических систем управления, см.
Приложение B), с;
t2 - время выключения системы безопасности, с;
t3 - сумма всех оставшихся измеряемых времен выключения, с;

- неопределенность метода измерения.
A.2. Чтобы определить K, скорость приближения в 1600 мм/с должна использоваться для горизонтально расположенных АОЭЗУ и двуручных устройств управления. Для вертикально расположенных АОЭЗУ используется скорость приближения в 2000 мм/с, если минимальное расстояние не более 500 мм. Если минимальное расстояние превышает 500 мм, может использоваться скорость приближения в 1600 мм/с.
A.3. Определение C для ЭЧЗО с использованием АОЭЗУ - см.
A.6. Для незащищенных двуручных устройств управления C должно быть равно, по крайней мере, 250 мм. Для защищенных двуручных устройств управления и блокировочных заграждений раннего открытия без блокировки заграждения C может быть равно нулю.
A.4. При подсчете общих характеристик остановки системы необходимо учитывать следующие параметры при нормальных условиях:
- самую высокую скорость ползуна/поперечины при завершающем ходе;
- температуру, влияющую на соответствующие части системы;
- массу инструмента, увеличение которой приводит к увеличению времени остановки;
- давление, увеличение которого приводит к увеличению времени остановки;
- износ соответствующих частей функции остановки.
A.5. Если положение защитных устройств, механически связанных с прессом, может быть изменено, устройства должны быть заблокированы или иметь возможность быть заблокированными в данном положении для поддержания минимального безопасного расстояния. Их передвижение возможно только с помощью инструментов или клавиш.
A.6. Учитывая возможность обнаружения АОЭЗУ, следующие дополнительные расстояния C должны использоваться при вычислении минимального безопасного расстояния S.
Таблица A.1
Дополнительное расстояние C
Возможность обнаружения, мм | Дополнительное расстояние C, мм | Запуск цикла посредством АОЭЗУ |
<= 14 | 0 | Разрешен |
> 14 < 20 | 80 |
> 20 < 30 | 130 |
> 30 < 40 | 240 | Запрещен |
> 40 | 850 |
(обязательное)
| | Приложение B содержит правила и методы исследований (испытаний) измерений, в том числе правила отбора образцов, необходимые для применения и исполнения требований технического регламента Таможенного союза "О безопасности машин и оборудования" (ТР ТС 010/2011) и осуществления оценки (подтверждения) соответствия продукции (Решение Комиссии Таможенного союза от 18.10.2011 N 823). | |
ВРЕМЯ ВЫКЛЮЧЕНИЯ ГИДРАВЛИЧЕСКОЙ СИСТЕМЫ
B.1. Во время изготовления пресса необходимо провести проверку разницы времени выключения клапанов гидравлической системы. Это гарантирует работу дублирующей функции гидравлической системы в соответствии с проектными расчетами. Измерения необходимо повторить для обеспечения точности рабочих характеристик останова.
B.2. Время выключения каждого канала должно быть измерено не менее 10 раз. Для вычисления безопасного расстояния используется наибольшее измеренное значение или среднее значение плюс три стандартных отклонения, в зависимости от того, какая величина является большей.
B.3. Разница во времени, измеренная для каждого канала, должна быть включена в информацию, предоставляемую пользователю [см.
7.2.2, перечисление q)].
B.4. Пример подключения оборудования для измерения времени останова приведен в
Приложении G.
(справочное)
| | Приложение C содержит правила и методы исследований (испытаний) измерений, в том числе правила отбора образцов, необходимые для применения и исполнения требований технического регламента Таможенного союза "О безопасности машин и оборудования" (ТР ТС 010/2011) и осуществления оценки (подтверждения) соответствия продукции (Решение Комиссии Таможенного союза от 18.10.2011 N 823). | |
1 - пуансон; 2 - съемник; 3 - штамп
Рисунок C.1. Закрытые инструменты гидравлического пресса
Закрытые инструменты обычно используют, если штамповочные операции выполняются из полос и если несколько операций совмещены в едином наборе инструментов. Замкнутое пространство может быть получено, если обеспечена достаточная толщина съемника, прикрепленного к штампу, что предотвращает выход инструмента из съемника (см.
5.3.4 и
5.3.9).
(справочное)
| | Приложение D содержит правила и методы исследований (испытаний) измерений, в том числе правила отбора образцов, необходимые для применения и исполнения требований технического регламента Таможенного союза "О безопасности машин и оборудования" (ТР ТС 010/2011) и осуществления оценки (подтверждения) соответствия продукции (Решение Комиссии Таможенного союза от 18.10.2011 N 823). | |
БЛОКИРОВОЧНЫЕ УСТРОЙСТВА, СВЯЗАННЫЕ С ЗАГРАЖДЕНИЯМИ
D.1. На
рисунке D.1 приведен пример блокировки с двумя переключателями, управляемыми кулачками, один из которых работает напрямую, а другой в обратном направлении в связке с дублированной и контролируемой гидравлической схемой. Переключатель прямого режима при его активации удерживается в положении выключения кулачком, прикрепленным к заграждению, которое может находиться в любом положении, кроме полностью закрытого. Финальное закрывающее движение заграждения отпускает переключатель, открывая подачу питания к продукции посредством возвратной пружины. Если заграждение открыто, питание перекрывается и продукция возвращается в бак под действием кулачка. В режиме работы обратного переключателя финальное закрывающее движение напрямую управляет переключателем, подавая питание к продукции и позволяя запуск станка. Если заграждение открыто, переключатель переводится в противоположное положение под действием пружины при отпускании рабочего механизма, таким образом отключая питание.

Рисунок D.1. Пример резервируемой и неконтролируемой
гидравлической схемы управления для пресса с входом вниз
(резервирование и контроль в электрической
схеме не показаны)
Рисунок D.2. Пример блокировки питания (см.
5.4.1.6)
(справочное)
| | Приложение E содержит правила и методы исследований (испытаний) измерений, в том числе правила отбора образцов, необходимые для применения и исполнения требований технического регламента Таможенного союза "О безопасности машин и оборудования" (ТР ТС 010/2011) и осуществления оценки (подтверждения) соответствия продукции (Решение Комиссии Таможенного союза от 18.10.2011 N 823). | |
ЭЛЕКТРОЧУВСТВИТЕЛЬНОЕ ЗАЩИТНОЕ ОБОРУДОВАНИЕ (ЭЧЗО)
С ИСПОЛЬЗОВАНИЕМ АКТИВНЫХ ОПТОЭЛЕКТРИЧЕСКИХ
ЗАЩИТНЫХ УСТРОЙСТВ (АОЭЗУ)
Примечание E.1. Значения при положении над 1, положении под 2 и положении в районе 3 должны соответствовать национальным стандартам государств, упомянутых в предисловии как проголосовавшие за принятие межгосударственного стандарта <1>.
--------------------------------
Рисунок E.1. Пример типичного применения АОЭЗУ,
используемых для запуска цикла, для подачи
на пресс вручную (боковые заграждения не показаны
в целях большей информативности рисунка)
(справочное)
| | Приложение F содержит правила и методы исследований (испытаний) измерений, в том числе правила отбора образцов, необходимые для применения и исполнения требований технического регламента Таможенного союза "О безопасности машин и оборудования" (ТР ТС 010/2011) и осуществления оценки (подтверждения) соответствия продукции (Решение Комиссии Таможенного союза от 18.10.2011 N 823). | |
ДЛЯ ИЗМЕРЕНИЯ ШУМА ГИДРАВЛИЧЕСКИХ ПРЕССОВ
F.1. Условия установки и монтажа должны отражать условия типичного или нормального использования пресса и быть одинаковыми для уровней акустической мощности и уровней создаваемого звукового давления.
F.2. Расположение тестируемого пресса должно быть указано на эскизе, показывающем положение и подробную информацию по любым отражающим поверхностям, которые могут повлиять на полученные значения создаваемого шума.
F.3. Рекомендуются следующие рабочие условия:
a) скорость в ходах в минуту должна составлять по крайней мере 80% максимальной;
b) прилагаемая сила должна составлять по крайней мере 80% номинальной силы;
c) информация по инструментам:
- если пресс может выполнять операции штамповки, это должен быть вырубной инструмент с простыми поверхностями среза указанных размеров, чтобы соответствовать рекомендованному значению силы, прилагаемой к материалу [см. d)];
- если пресс может выполнять операции формовки, раскатки и чеканки, это должен быть фасонный резец с простыми формами указанных размеров, чтобы соответствовать рекомендованному значению силы, прилагаемой к материалу [см. d)];
d) используемый материал: мягкая сталь Fe P01 (см.
[11]) для штамповки, толщина материала должна соответствовать вычисляемой силе.
F.4. Эксплуатационные условия, а особенно условия, приведенные в
F.3, перечисления b),
c) и d), зависят от доступности соответствующих инструментов, необходимых для использования по назначению.
Если соответствующий набор инструментов и материала не может быть предоставлен для измерения шума, измерение должно быть проведено под нагрузкой при следующих условиях:
- прилагаемая сила должна составлять по крайней мере 80% номинальной силы;
- частота запуска и остановки цикла должна составлять по крайней мере 80% предельно допустимого количества ходов в минуту.
Настоящее тестирование предназначено для определения уровня шума, создаваемого самим прессом, без переменного влияния различных инструментов.
F.5. Процедура измерения шума для получения значений шумового излучения должна быть описана с указанием процедуры измерения и положений микрофонов, выбранных в опциях по
ГОСТ 31169.
F.6. Эскиз всех положений измерения с указанием тех положений, в которых были записаны уровни звукового давления/акустической мощности, и нормального положения оператора должен быть включен в отчет. Он также может быть совмещен с описанием положения пресса, упомянутым в
5.8.4.4, перечисление q).
F.7. При эксплуатационных условиях, указанных в
F.3, перечисления a) и
b) или
F.4, время измерения должно длиться до тех пор, пока A-взвешенное значение эквивалентного уровня звукового давления не стабилизируется в пределах 1 дБ:
- при работе в режиме непрерывного цикла;
- или, если режим непрерывного цикла невозможен, при работе в режиме единичного цикла с предназначенным количеством рабочих циклов в минуту.
(справочное)
| | Приложение G содержит правила и методы исследований (испытаний) измерений, в том числе правила отбора образцов, необходимые для применения и исполнения требований технического регламента Таможенного союза "О безопасности машин и оборудования" (ТР ТС 010/2011) и осуществления оценки (подтверждения) соответствия продукции (Решение Комиссии Таможенного союза от 18.10.2011 N 823). | |
ПОДКЛЮЧЕНИЕ ОБОРУДОВАНИЯ ДЛЯ ИЗМЕРЕНИЯ ВРЕМЕНИ ОСТАНОВКИ
G.1. На
рисунке D.1 (Приложение D) защитное устройство работает на у
1, у
2 и у
3. Таким образом, путем отключения у
1, у
2 и у
3 достигается безопасная остановка.
G.2. Нормальное время остановки измеряется с помощью подключения оборудования времени остановки к защитному устройству. Если измерительное оборудование подключено к выходу защитного устройства, внутреннее время выключения устройства должно быть добавлено к измеренному времени.
G.3. Так как время выключения клапанов варьируется в пределах широкого диапазона, время остановки может быть продлено, если произошел отказ клапана. Поэтому необходимо проверить индивидуальное время выключения каждой гидравлической функции остановки.
G.4. В примере, приведенном на
рисунке D.1, первая функция остановки достигается посредством у
1 + у
2, а вторая - только посредством у
3. Следовательно, измерительное оборудование должно быть сначала подключено к у
1 и у
2, и время остановки должно быть измерено. Затем оборудование подключается только к у
3, и данное время остановки также измеряется.
(справочное)
ВЗАИМОСВЯЗЬ НАСТОЯЩЕГО ДОКУМЕНТА С ДИРЕКТИВАМИ ЕС
Настоящий стандарт содержит основные требования и другие положения директив ЕС.
Настоящий стандарт поддерживает необходимые требования директивы ЕС "Машинное оборудование" 98/37/ЕС от 22 июня 1998 г., дополненной директивой
98/79/ЕС.
Внимание! К продукции, подпадающей под настоящий стандарт, могут применяться другие требования и другие директивы ЕС.
Требования настоящего стандарта поддерживают требования Директивы по машинному оборудованию.
Соответствие настоящему стандарту обеспечивает выполнение основных требований директив, касающихся и относящихся к положениям Европейской ассоциации свободной торговли (ЕАСТ).
(обязательное)
СПЕЦИАЛЬНЫЕ ТРЕБОВАНИЯ
БЕЗОПАСНОСТИ К ОТДЕЛЬНЫМ ТИПАМ ПРЕССОВ
ДА.1. Ковочные прессы с верхним и нижним расположением рабочих цилиндров
ДА.1.1. Прессы должны быть оснащены дистанционным централизованным управлением.
ДА.1.2. Рабочее место оператора должно быть защищено прозрачным теплозащитным экраном.
ДА.1.3. Пуск насосов должен осуществляться только при подаче напряжения специальным ключом-биркой с пульта управления.
ДА.2. Пакетировочные прессы для металлических отходов
ДА.2.1. Прессы должны быть снабжены сигнализацией, включаемой с пульта оператора, для оповещения обслуживающего персонала о начале работы пресса.
ДА.2.2. При наличии нескольких пультов управления (на рабочем месте оператора и в машинном зале) управление исполнительными механизмами пресса должно осуществляться только с пульта оператора.
ДА.2.3. Включение насосов и пуск пресса должны осуществляться при подаче напряжения специальным ключом-биркой с пульта управления оператора.
ДА.3. Прессы для прессования изделий из пластмасс
ДА.3.1. Прессы должны быть оснащены кнопочным двуручным управлением.
ДА.3.2. Прессы должны иметь блокировку, обеспечивающую невозможность подъема выталкивателя до прихода подвижной траверсы в верхнее положение (в трансферном режиме блокировка должна отключаться).
ДА.3.3. На прессах при всех режимах работы необходимо обеспечивать "Ход вверх", а на прессах с нижним приводом "Ход вниз" ползуна при любом его положении (кроме верхнего и нижнего) с невозможностью пуска пресса самим прессовщиком после хода ползуна вверх при аварийном разъеме пресс-форм.
ДА.4. Прессы для холодного выдавливания рельефных полостей и гидравлические прессы для холодного выдавливания двойного действия
ДА.4.1. Прессы должны быть оснащены надежными защитными устройствами, закрывающими рабочее пространство прессов.
ДА.4.2. Прессы должны быть оснащены устройством, препятствующим повышению высокого давления в гидросистеме при открытых защитных устройствах.
ДА.5. Вытяжные прессы
Ограждение механизма загрузки должно быть оснащено блокирующим устройством, предотвращающим работу со снятым ограждением.
ДА.6. Этажные прессы
Прессы должны быть оснащены устройствами для удержания подъемного стола в верхнем или нижнем положении при выполнении ремонтных работ.
ДА.7. Одностоечные прессы
Прессы, кроме листоштамповочных одностоечных отбортовочных прессов, должны быть оснащены двуручным (рычажным или кнопочным) управлением.
ДА.8. Трубопрутковые и прутково-профильные прессы для горячего прессования
ДА.8.1. Прессы и САМ с самостоятельными пультами управления, не находящимися между собой в зоне прямой видимости, должны быть оснащены переговорным устройством и звуковой сигнализацией, включающейся при отказе работающих в автоматическом режиме механизмов САМ.
ДА.8.2. Пуск пресса должен осуществляться только при подаче напряжения специальным ключом-биркой с главного пульта управления.
ДА.9. Рамные и колонные листоштамповочные прессы простого и двойного действия
Прессы должны быть оснащены кнопочным двуручным управлением.
| EN 61496-1:1997 | Safety of machinery. Electro-sensitive protective equipment. General requirements and tests (Безопасность машин. Электрочувствительное защитное оборудование. Часть 1. Общие требования и испытания (IEC 61496-1:1997)) |
| EN 61496-2:1997 | Safety of machinery. Electro-sensitive protective equipment. Particular requirements for equipment using active optoelectronic protective devices (AOPDs) (Безопасность машин. Электрочувствительное защитное оборудование. Часть 2. Особые требования к оборудованию, использующему активные оптико-электронные защитные средства (IEC 61496-2:1997)) |
| EN ISO 14122 | Safety of machinery - Permanent means of access to machinery - Part 1: Choice of fixed means of access between two levels (Безопасность машин. Постоянные средства доступа к машинам. Часть 1. Выбор неподвижных средств доступа между двумя уровнями) Part 2: Working platforms and walkways (Часть 2. Фиксированные лестницы с/или без сеток безопасности и средства, закрывающие доступ к данным лестницам) Part 3: Stairs, stepladders and guard-rails (Часть 3. Лестницы, ступени и перила) Part 4: Fixed ladders (Часть 4. Стационарные лестницы) |
| ISO/TR 11688-1:1995 | Acoustics - Recommended practice for the design of low-noise machinery and equipment - Part 1: Planning (Акустика. Практические рекомендации по проектированию машин и оборудования с уменьшенным уровнем производимого шума. Часть 1. Планирование) |
| EN 1299:1997 | Mechanical vibration and shock - Vibration isolation of machines. Information for the application of source isolation (Виброизоляция станков. Информация для применения или изоляции источника) |
| EN 1127:1997 | Explosive atmospheres - Explosion prevention and protection - Part 1: Basic concepts and methodology (Безопасность машин. Взрывоопасная атмосфера. Предотвращение взрывов и защита от них. Часть 1. Основные положения и методология) |
| EN 894-3:2000 | Safety of machinery - Ergonomics requirements for the design of displays and control actuators - Part 3: Control actuators (Безопасность машин. Эргономические требования по конструированию средств отображения информации и органов управления. Часть 3. Исполнительные механизмы системы управления) |
| EN ISO 147387:2000 | Safety of machinery - Anthropometric requirements for the design of workstations at machinery (Безопасность машин. Измерения тела человека. Эргономические требования для проектирования рабочих мест машинного оборудования. Позы сидя и стоя) |
[9] | EN 1005-4:1998 | Safety of machinery - Human physical performance - Part 4: Evaluation of working postures and movements in relation to machinery (Безопасность машин. Оценка положения тела при работе на машинах) |
| EN 12464 | Light and lighting - Lighting of work places - Part 1: Indoor work places (Свет и освещение. Освещение рабочих мест. Часть 1. Рабочие места в комнате) |
| EN 10130 | Cold rolled low carbon steel flat products for cold forming - Technical delivery conditions (Полосовые изделия из холоднокатаной низкоуглеродистой стали для холодной штамповки. Технические условия выпуска) |