Главная // Актуальные документы // ГОСТ (Государственный стандарт)СПРАВКА
Источник публикации
М.: Стандартинформ, 2016
Примечание к документу
Документ
введен в действие с 1 января 2017 года.
Название документа
"ГОСТ ISO 4033-2014. Межгосударственный стандарт. Гайки шестигранные высокие (тип 2). Классы точности A и B"
(введен в действие Приказом Росстандарта от 13.07.2015 N 904-ст)
"ГОСТ ISO 4033-2014. Межгосударственный стандарт. Гайки шестигранные высокие (тип 2). Классы точности A и B"
(введен в действие Приказом Росстандарта от 13.07.2015 N 904-ст)
агентства по техническому
регулированию и метрологии
от 13 июля 2015 г. N 904-ст
МЕЖГОСУДАРСТВЕННЫЙ СТАНДАРТ
ГАЙКИ ШЕСТИГРАННЫЕ ВЫСОКИЕ (ТИП 2)
КЛАССЫ ТОЧНОСТИ A И B
Hexagon high nuts (style 2). Product grades A and B
(ISO 4033:2012, IDT)
ГОСТ ISO 4033-2014
Дата введения
1 января 2017 года
Цели, основные принципы и основной порядок проведения работ по межгосударственной стандартизации установлены
ГОСТ 1.0-92 "Межгосударственная система стандартизации. Основные положения" и
ГОСТ 1.2-2009 "Межгосударственная система стандартизации. Стандарты межгосударственные, правила и рекомендации по межгосударственной стандартизации. Правила разработки, принятия, применения, обновления и отмены"
1 ПОДГОТОВЛЕН Федеральным государственным унитарным предприятием "Всероссийский научно-исследовательский институт стандартизации и сертификации в машиностроении" (ВНИИНМАШ) и Обществом с ограниченной ответственностью "РМ-Центр" (ООО "РМ-Центр") на основе собственного аутентичного перевода на русский язык англоязычной версии международного стандарта, указанного в
пункте 5
2 ВНЕСЕН Федеральным агентством по техническому регулированию и метрологии (Росстандарт)
3 ПРИНЯТ Межгосударственным советом по стандартизации, метрологии и сертификации (протокол от 14 ноября 2014 г. N 72-П)
За принятие проголосовали:
Краткое наименование страны по МК (ИСО 3166) 004-97 | Код страны по МК (ИСО 3166) 004-97 | Сокращенное наименование национального органа по стандартизации |
Азербайджан | AZ | Азстандарт |
Армения | AM | Минэкономики Республики Армения |
Беларусь | BY | Госстандарт Республики Беларусь |
Грузия | GE | Грузстандарт |
Казахстан | KZ | Госстандарт Республики Казахстан |
Киргизия | KG | Кыргызстандарт |
Молдова | MD | Молдова-Стандарт |
Россия | RU | Росстандарт |
Таджикистан | TJ | Таджикстандарт |
Туркменистан | TM | Главгосслужба "Туркменстандартлары" |
Узбекистан | UZ | Узстандарт |
Украина | UA | Минэкономразвития Украины |
4
Приказом Федерального агентства по техническому регулированию и метрологии от 13 июля 2015 г. N 904-ст межгосударственный стандарт ГОСТ ISO 4033-2014 введен в действие в качестве национального стандарта Российской Федерации с 1 января 2017 г.
5 Настоящий стандарт идентичен международному стандарту ISO 4033:2012 Hexagon high nuts (style 2) - Product grades A and B [Гайки шестигранные высокие (тип 2) - Классы точности A и B].
Международный стандарт разработан подкомитетом ISO/TC 2/SC 12 "Крепежные изделия с метрической внутренней резьбой" технического комитета по стандартизации ISO/TC 2 "Крепежные изделия" Международной организации по стандартизации (ISO).
Перевод с английского языка (en).
Официальные экземпляры международного стандарта, на основе которого подготовлен настоящий межгосударственный стандарт, и международных стандартов, на которые даны ссылки, имеются в Федеральном агентстве по техническому регулированию и метрологии.
Сведения о соответствии межгосударственных стандартов ссылочным международным стандартам приведены в дополнительном
приложении ДА.
Степень соответствия - идентичная (IDT)
6 ВВЕДЕН ВПЕРВЫЕ
Информация об изменениях к настоящему стандарту публикуется в ежегодном информационном указателе "Национальные стандарты" (по состоянию на 1 января текущего года), а текст изменений и поправок - в ежемесячном информационном указателе "Национальные стандарты". В случае пересмотра (замены) или отмены настоящего стандарта соответствующее уведомление будет опубликовано в ежемесячном информационном указателе "Национальные стандарты". Соответствующая информация, уведомление и тексты размещаются также в информационной системе общего пользования - на официальном сайте Федерального агентства по техническому регулированию и метрологии в сети Интернет
Международный стандарт ISO 4033:2012 относится к комплексу стандартов, разработанных ISO на крепежные изделия с внешним шестигранным приводом. Комплекс стандартов состоит из следующих документов:
a) болты с шестигранной головкой (ISO 4014, ISO 4015, ISO 4016 и ISO 8765);
b) винты с шестигранной головкой (ISO 4017, ISO 018, ISO 8676);
c) гайки шестигранные (ISO 4032, ISO 4033, ISO 4034, ISO 4035, ISO 4036, ISO 7040, ISO 7041, ISO 7042, ISO 7719, ISO 7720, ISO 8673, ISO 8674, ИСО 8675, ISO 10511, ISO 10512, ISO 10513);
d) болты с шестигранной головкой и фланцем (ISO 4162, ISO 15071 и ISO 15072);
e) гайки шестигранные с фланцем (ISO 4161, ISO 7043, ISO 7044, ISO 10663, ISO 12125, ISO 12126 и ISO 21670).
Настоящий стандарт устанавливает характеристики шестигранных высоких гаек (тип 2), с резьбой от М5 до М36 включительно, класса точности A для резьбы D <= М16 и класса точности B для резьбы D > М16.
В случаях, когда необходимы характеристики, отличающиеся от установленных в настоящем стандарте, они могут быть выбраны из действующих международных стандартов, например ISO 724, ISO 898-2, ISO 965-1 и ISO 4759-1.
Примечание - Для шестигранных нормальных гаек (тип 1), см. ISO 4032.
Для применения настоящего стандарта необходимы следующие ссылочные документы. Для датированных ссылок применяют только указанное издание ссылочного документа.
ISO 225:2010 Fasteners - Bolts, screws, studs and nuts - Symbols and descriptions of dimensions (Изделия крепежные. Болты, винты, шпильки и гайки. Символы и обозначения размеров)
ISO 724:1993 ISO general-purpose metric screw threads - Basic dimensions (Резьбы метрические ISO общего назначения. Основные размеры)
ISO 898-2:2012 Mechanical properties of fasteners made of carbon steel and alloy steel - Part 2: Nuts with specified property classes - Coarse thread and fine pitch thread (Механические свойства крепежных изделий из углеродистых и легированных сталей. Часть 2. Гайки установленных классов прочности с крупным и мелким шагом резьбы)
ISO 965-1:2013 ISO general-purpose metric screw threads - Tolerances - Part 1: Principles and basic data (Резьбы ISO метрические общего назначения. Часть 1. Принципы и основные данные)
ISO 3269:2000 Fasteners - Acceptance inspection (Изделия крепежные. Приемочный контроль)
ISO 4042:1999 Fasteners - Electroplated coatings (Изделия крепежные. Электролитические покрытия)
ISO 4759-1:2000 Tolerances for fasteners - Part 1: Bolts, screws, studs and nuts - Product grades A, B and C (Изделия крепежные. Допуски. Часть 1. Болты, винты, шпильки и гайки. Классы точности A, B и C)
ISO 6157-2:1995 Fasteners - Surface discontinuities - Part 2: Nuts (Изделия крепежные. Дефекты поверхности. Часть 2. Гайки)
ISO 8992:2005 Fasteners - General requirements for bolts, screws, studs and nuts (Изделия крепежные. Общие требования для болтов, винтов, шпилек и гаек)
ISO 10683:2000 Fasteners - Non-electrolytically applied zinc flake coatings (Изделия крепежные. Неэлектролитические цинк-ламельные покрытия)
ISO 10684:2004 Fasteners - Hot dip galvanized coatings (Изделия крепежные. Покрытия, нанесенные методом горячего цинкования)
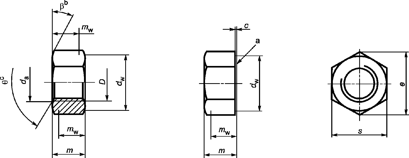
Размеры гаек указаны на рисунке 1 и в
таблице 1.
--------------------------------
<a> Если в заказе не указано иное, гайки поставляются без опорной шайбы.
<b>

.
<c>

.
Рисунок 1
Таблица 1
В миллиметрах
Резьба D | М5 | М6 | М8 | М10 | М12 | |
| 0,8 | 1 | 1,25 | 1,5 | 1,75 | 2 |
c | не более | 0,50 | 0,50 | 0,60 | 0,60 | 0,60 | 0,60 |
da | не более | 5,75 | 6,75 | 8,75 | 10,80 | 13,00 | 15,10 |
не менее | 5,00 | 6,00 | 8,00 | 10,00 | 12,00 | 14,00 |
dw | не менее | 6,90 | 8,90 | 11,60 | 14,60 | 16,60 | 19,60 |
e | не менее | 8,79 | 11,05 | 14,38 | 17,77 | 20,03 | 23,36 |
m | не более | 5,10 | 5,70 | 7,50 | 9,30 | 12,00 | 14,10 |
не менее | 4,80 | 5,40 | 7,14 | 8,94 | 11,57 | 13,40 |
mw | не менее | 3,84 | 4,32 | 5,71 | 7,15 | 9,26 | 10,70 |
s | не более | 8,00 | 10,00 | 13,00 | 16,00 | 18,00 | 21,00 |
не менее | 7,78 | 9,78 | 12,73 | 15,73 | 17,73 | 20,67 |
Продолжение таблицы 1
В миллиметрах
Резьба D | М16 | М20 | М24 | М30 | М36 |
| 2 | 2,5 | 3 | 3,5 | 4 |
c | не более | 0,80 | 0,80 | 0,80 | 0,80 | 0,80 |
da | не более | 17,30 | 21,60 | 25,90 | 32,40 | 38,90 |
не менее | 16,00 | 20,00 | 24,00 | 30,00 | 36,00 |
dw | не менее | 22,50 | 27,70 | 33,20 | 42,70 | 51,10 |
e | не менее | 26,75 | 32,95 | 39,55 | 50,85 | 60,79 |
m | не более | 16,40 | 20,30 | 23,90 | 28,60 | 34,70 |
не менее | 15,70 | 19,00 | 22,60 | 27,30 | 33,10 |
mw | не менее | 12,60 | 15,20 | 18,10 | 21,80 | 26,50 |
s | не более | 24,00 | 30,00 | 36,00 | 46,00 | 55,00 |
не менее | 23,67 | 29,16 | 35,00 | 45,00 | 53,80 |
<a> Размеры в скобках, по возможности, не применять. |
Символы и обозначения размеров по ISO 225.
4. Технические требования и ссылочные стандарты
Технические требования в соответствии с таблицей 2.
Таблица 2
Технические требования и ссылочные стандарты
Материал | Сталь |
Общие требования | Обозначение стандарта | ISO 8992 |
Резьба | Допуски | 6H |
Обозначение стандарта | ISO 724, ISO 965-1 |
Механические свойства | Класс прочности | 8, 9, 10, 12 |
Обозначение стандарта | ISO 898-2 |
Допуски | Класс точности | D <= М16: A D > М16: B |
Обозначение стандарта | ISO 4759-1 |
Отделка - покрытие | Без покрытия Требования к электролитическим покрытиям по ISO 4042 Требования к неэлектролитическим цинк-ламельным покрытиям по ISO 10683 Требования к покрытиям, нанесенным методом горячего цинкования по ISO 10684 Дополнительные требования или другая отделка или покрытие должны быть согласованы между поставщиком и заказчиком |
Дефекты поверхности | Допустимые дефекты поверхности по ISO 6157-2 |
Приемка | Приемочный контроль по ISO 3269 |
Пример - Гайка шестигранная высокая (тип 2) с резьбой М12 и класса прочности 9 обозначается следующим образом:
Гайка шестигранная высокая ГОСТ ISO 4033 - М12 - 9
(справочное)
СВЕДЕНИЯ О СООТВЕТСТВИИ МЕЖГОСУДАРСТВЕННЫХ СТАНДАРТОВ
ССЫЛОЧНЫМ МЕЖДУНАРОДНЫМ СТАНДАРТАМ
Таблица ДА.1
Сведения о соответствии межгосударственных стандартов
ссылочным международным стандартам другого года издания
Обозначение ссылочного международного стандарта | Обозначение и наименование международного стандарта другого года издания | Степень соответствия | Обозначение и наименование межгосударственного стандарта |
ISO 225:2010 Изделия крепежные. Болты, винты, шпильки и гайки. Символы и обозначения размеров <1> | - | - | |
ISO 724:1993 Резьбы метрические ИСО общего назначения. Основные размеры | - | MOD | ГОСТ 24705-2004 (ИСО 724:1993) <*> Основные нормы взаимозаменяемости. Резьба метрическая. Основные размеры |
ISO 898-2:2012 Механические свойства крепежных изделий. Часть 2. Гайки с установленными значениями пробной нагрузки. Крупная резьба | - | IDT | ГОСТ ISO 898-2 <2> Механические свойства крепежных изделий из углеродистых и легированных сталей. Часть 2. Гайки установленных классов прочности с крупным и мелким шагом резьбы |
ISO 965-1:2013 Резьбы метрические ISO общего назначения. Допуски. Часть 1. Принципы и основные данные | ISO 965-1:1998 Резьбы метрические ISO общего назначения. Допуски. Часть 1. Принципы и основные данные | MOD | ГОСТ 16093-2004 (ИСО 965-1:1998, ИСО 965-3:1998) <*> Основные нормы взаимозаменяемости. Резьба метрическая. Допуски. Посадки с зазором (ISO 965-1:1998, MOD) |
ISO 3269:2000 Изделия крепежные. Приемочный контроль | - | IDT | ГОСТ ISO 3269 <3> Изделия крепежные. Приемочный контроль |
ISO 4042:1999 Изделия крепежные. Электролитические покрытия | - | IDT | ГОСТ ISO 4042 <4> Изделия крепежные. Электролитические покрытия |
ISO 4759-1:2000 Изделия крепежные. Допуски. Часть 1. Болты, винты, шпильки и гайки. Классы точности A, B и C | - | IDT | ГОСТ ISO 4759-1 <5> Изделия крепежные. Допуски. Часть 1. Болты, винты, шпильки и гайки. Классы точности A, B и C |
ISO 6157-2:1995 Изделия крепежные. Дефекты поверхности. Часть 2. Гайки | - | IDT | ГОСТ ISO 6157-2 <6> Изделия крепежные. Дефекты поверхности. Часть 2. Гайки |
--------------------------------
<1> Международный стандарт на трех языках: английский, французский и русский.
<2> Межгосударственный стандарт в процессе разработки. На территории Российской Федерации действует
ГОСТ Р ИСО 898-2-2013 (ISO 898-2:2012, IDT).
<3> Межгосударственный стандарт в процессе разработки. На территории Российской Федерации действует
ГОСТ Р ИСО 3269-2009 (ISO 3269:2000, IDT).
<4> Межгосударственный стандарт в процессе разработки. На территории Российской Федерации действует
ГОСТ Р ИСО 4042-2009 (ISO 4042:1999, IDT).
<5> Межгосударственный стандарт в процессе разработки. На территории Российской Федерации действует
ГОСТ Р ИСО 4759-1-2009 (ISO 4759-1:2000).
<6> Межгосударственный стандарт в процессе разработки. На территории Российской Федерации действует
ГОСТ Р ИСО 6157-2-2009 (ISO 6157-2:1995, IDT).
Окончание таблицы ДА.1
Обозначение ссылочного международного стандарта | Обозначение и наименование международного стандарта другого года издания | Степень соответствия | Обозначение и наименование межгосударственного стандарта |
ISO 8992:2005 Изделия крепежные. Общие требования для болтов, винтов, шпилек и гаек | - | IDT | ГОСТ ISO 8992 <1> Изделия крепежные. Общие требования для болтов, винтов, шпилек и гаек |
ISO 10683:2000 Изделия крепежные. Неэлектролитические цинк-ламельные покрытия | - | - | |
ISO 10684:2004 Изделия крепежные. Покрытия, нанесенные методом горячего цинкования | - | IDT | ГОСТ ISO 10684 <3> Изделия крепежные. Покрытия, нанесенные методом горячего цинкования |
<*> Внесенные технические отклонения обеспечивают выполнение требований настоящего стандарта. <**> Соответствующий межгосударственный стандарт отсутствует. До его принятия рекомендуется использовать перевод на русский язык данного международного стандарта или гармонизированный с ним национальный (государственный) стандарт страны, на территории которой применяется настоящий стандарт. Информация о наличии перевода данного международного стандарта в национальном фонде стандартов или в ином месте, а также информация о действии на территории страны соответствующего национального (государственного) стандарта может быть приведена в национальных информационных данных, дополняющих настоящий стандарт. Примечание - В настоящей таблице использованы следующие условные обозначения степени соответствия стандартов: - MOD - модифицированные стандарты; - IDT - идентичные стандарты. |
--------------------------------
<1> Межгосударственный стандарт в процессе разработки. На территории Российской Федерации действует
ГОСТ Р ИСО 8992-2011 (ISO 8992:2005, IDT).
<3> Межгосударственный стандарт в процессе разработки.
[1] | ISO 4014 | Hexagon head bolts - Product grades A and B |
[2] | ISO 4015 | Hexagon head bolts - Product grade B - Reduced shank (shank diameter approximately equal to pitch diameter) |
[3] | ISO 4016 | Hexagon head bolts - Product grade C |
[4] | ISO 4017 | Hexagon head screws - Product grades A and B |
[5] | ISO 4018 | Hexagon head screws - Product grade C |
[6] | ISO 4032 | Hexagon regular nuts (style 1) - Product grades A and B |
[7] | ISO 4034 | Hexagon regular nuts (style 1) - Product grade C |
[8] | ISO 4035 | Hexagon thin nuts chamfered (style 0) - Product grades A and B |
[9] | ISO 4036 | Hexagon thin nuts unchamfered (style 0) - Product grade B |
[10] | ISO 4161 | Hexagon nuts with flange, style 2 - Coarse thread |
[11] | ISO 4162 | Hexagon flange bolts - Small series - Product grade A with driving feature of product grade B |
[12] | ISO 7040 | Prevailing torque type hexagon regular nuts (with non-metallic insert) - Property classes 5, 8 and 10 |
[13] | ISO 7041 | Prevailing torque type hexagon nuts (with non-metallic insert), style 2 - Property classes 9 and 12 |
[14] | ISO 7042 | Prevailing torque type all-metal hexagon high nuts - Property classes 5, 8, 10 and 12 |
[15] | ISO 7043 | Prevailing torque type hexagon nuts with flange (with non-metallic insert), style 2 - Product grades A and B |
[16] | ISO 7044 | Prevailing torque type all-metal hexagon nuts with flange, style 2 - Product grades A and B |
[17] | ISO 7719 | Prevailing torque type all-metal hexagon regular nuts - Property classes 5, 8 and 10 |
[18] | ISO 7720 | Prevailing torque type all-metal hexagon nuts, style 2 - Property class 9 |
[19] | ISO 8673 | Hexagon regular nuts (style 1) with metric fine pitch thread - Product grades A and B |
[20] | ISO 8674 | Hexagon high nuts (style 2) with metric fine pitch thread - Product grades A and B |
[21] | ISO 8675 | Hexagon thin nuts chamfered (style 0) with metric fine pitch thread - Product grades A and B |
[22] | ISO 8676 | Hexagon head screws with metric fine pitch thread - Product grades A and B |
[23] | ISO 8765 | Hexagon head bolts with metric fine pitch thread - Product grades A and B |
[24] | ISO 10511 | Prevailing torque type hexagon thin nuts (with non-metallic insert) |
[25] | ISO 10512 | Prevailing torque type hexagon nuts (with non-metallic insert), style 1, with metric fine pitch thread - Property classes 6, 8 and 10 |
[26] | ISO 10513 | Prevailing torque type all-metal hexagon nuts, style 2, with metric fine pitch thread - Property classes 8, 10 and 12 |
[27] | ISO 10663 | Hexagon nuts with flange, style 2 - Fine pitch thread |
[28] | ISO 12125 | Prevailing torque type hexagon nuts with flange (with non-metallic insert) with metric fine pitch thread, style 2 - Product grades A and B |
[29] | ISO 12126 | Prevailing torque type all-metal hexagon nuts with flange with metric fine pitch thread, style 2 - Product grades A and B |
[30] | ISO 15071 | Hexagon bolts with flange - Small series - Product grade A |
[31] | ISO 15072 | Hexagon bolts with flange with metric fine pitch thread - Small series - Product grade A |
[32] | ISO 21670 | Hexagon weld nuts with flange |