Главная // Актуальные документы // ГОСТ (Государственный стандарт)СПРАВКА
Источник публикации
М.: Стандартинформ, 2015
Примечание к документу
Документ
введен в действие с 1 июля 2015 года.
Название документа
"ГОСТ 22689-2014. Межгосударственный стандарт. Трубы и фасонные части из полиэтилена для систем внутренней канализации. Технические условия"
(введен в действие Приказом Росстандарта от 18.11.2014 N 1639-ст)
"ГОСТ 22689-2014. Межгосударственный стандарт. Трубы и фасонные части из полиэтилена для систем внутренней канализации. Технические условия"
(введен в действие Приказом Росстандарта от 18.11.2014 N 1639-ст)
агентства по техническому
регулированию и метрологии
от 18 ноября 2014 г. N 1639-ст
МЕЖГОСУДАРСТВЕННЫЙ СТАНДАРТ
ТРУБЫ И ФАСОННЫЕ ЧАСТИ ИЗ ПОЛИЭТИЛЕНА
ДЛЯ СИСТЕМ ВНУТРЕННЕЙ КАНАЛИЗАЦИИ
ТЕХНИЧЕСКИЕ УСЛОВИЯ
Polyethylene pipes and fittings for waste discharge
inside the buildings. Specifications
(ISO 8770:2003, NEQ)
(EN 1519-1:1999, NEQ)
ГОСТ 22689-2014
Дата введения
1 июля 2015 года
Цели, основные принципы и основной порядок проведения работ по межгосударственной стандартизации установлены в
ГОСТ 1.0-92 "Межгосударственная система стандартизации. Основные положения" и
ГОСТ 1.2-2009 "Межгосударственная система стандартизации. Стандарты межгосударственные, правила, рекомендации по межгосударственной стандартизации. Правила разработки, принятия, применения, обновления и отмены".
1. Разработан ООО "НТЦ Системы трубопроводов из полимерных материалов".
2. Внесен Техническим комитетом по стандартизации ТК 465 "Строительство".
3. Принят Межгосударственным советом по стандартизации, метрологии и сертификации (Протокол от 30 сентября 2014 г. N 70-П).
За принятие проголосовали:
Краткое наименование страны по МК (ИСО 3166) 004-97 | Код страны по МК (ИСО 3166) 004-97 | Сокращенное наименование национального органа по стандартизации |
Армения | AM | Минэкономики Республики Армения |
Беларусь | BY | Госстандарт Республики Беларусь |
Киргизия | KG | Кыргызстандарт |
Молдова | MD | Молдова-Стандарт |
Россия | RU | Росстандарт |
Таджикистан | TJ | Таджикстандарт |
Украина | UA | Минэкономразвития Украины |
4.
Приказом Федерального агентства по техническому регулированию и метрологии от 18 ноября 2014 г. N 1639-ст межгосударственный стандарт ГОСТ 22689-2014 введен в действие в качестве национального стандарта Российской Федерации с 1 июля 2015 г.
5. Настоящий стандарт соответствует международному стандарту ISO 8770:2003 Plastics piping systems for soil and waste discharge (low and high temperature) inside buildings - Polyethylene (PE) [Трубопроводы из пластмасс для сброса сточных вод (низкой и высокой температуры) внутри зданий. Полиэтилен (ПЭ)], европейскому стандарту EN 1519-1:1999 Plastics piping systems for soil and waste discharge (low and high temperature) within the building structure - Polyethylene (PE) - Part 1: Specifications for pipes, fittings and the system [Трубопроводы из пластмасс для сброса сточных вод (низкой и высокой температуры) внутри зданий. Полиэтилен (ПЭ). Часть 1. Технические условия на трубы, фитинги и систему].
Степень соответствия - неэквивалентная (NEQ).
Информация об изменениях к настоящему стандарту публикуется в ежегодном информационном указателе "Национальные стандарты", а текст изменений и поправок - в ежемесячном информационном указателе "Национальные стандарты". В случае пересмотра (замены) или отмены настоящего стандарта соответствующее уведомление будет опубликовано в ежемесячном информационном указателе "Национальные стандарты". Соответствующая информация, уведомление и тексты размещаются также в информационной системе общего пользования - на официальном сайте Федерального агентства по техническому регулированию и метрологии в сети Интернет.
Настоящий стандарт распространяется на трубы и фасонные части из полиэтилена, предназначенные для канализационных систем отвода бытовых сточных вод и ливневой канализации внутри зданий.
В настоящем стандарте использованы нормативные ссылки на следующие стандарты:
ГОСТ 10-88 Нутромеры микрометрические. Технические условия
ГОСТ 12.1.004-91 Система стандартов безопасности труда. Пожарная безопасность. Общие требования
ГОСТ 12.1.005-88 Система стандартов безопасности труда. Общие санитарно-гигиенические требования к воздуху рабочей зоны
ГОСТ 12.1.007-76 Система стандартов безопасности труда. Вредные вещества. Классификация и общие требования безопасности
ГОСТ 12.3.030-83 Система стандартов безопасности труда. Переработка пластических масс. Требования безопасности
ГОСТ 17.2.3.02-2014 Правила установления допустимых выбросов вредных веществ промышленными предприятиями
ГОСТ 166-89 (ИСО 3599-76) Штангенциркули. Технические условия
ГОСТ 427-75 Линейки измерительные металлические. Технические условия
ГОСТ 7502-98 Рулетки измерительные металлические. Технические условия
ГОСТ 9142-90 Ящики из гофрированного картона. Общие технические условия
ГОСТ 11358-89 Толщиномеры и стенкомеры индикаторные с ценой деления 0,01 и 0,1 мм. Технические условия
ГОСТ 11645-73 Пластмассы. Метод определения показателя текучести расплава термопластов
ГОСТ 15150-69 Машины, приборы и другие технические изделия. Исполнения для различных климатических районов. Категории, условия эксплуатации, хранения и транспортирования в части воздействия климатических факторов внешней среды
ГОСТ 21650-76 Средства скрепления тарно-штучных грузов в транспортных пакетах. Общие требования
ГОСТ 27077-86 Детали соединительные из термопластов. Методы определения изменения внешнего вида после прогрева <*>
--------------------------------
ГОСТ 27078-86 Трубы из термопластов. Методы определения изменения длины труб после прогрева
ГОСТ 29325-92 (ИСО 3126-74) Трубы из пластмасс. Определение размеров <**>.
--------------------------------
Примечание. При пользовании настоящим стандартом целесообразно проверить действие ссылочных стандартов в информационной системе общего пользования - на официальном сайте Федерального агентства по техническому регулированию и метрологии в сети Интернет или по ежегодному информационному указателю "Национальные стандарты", который опубликован по состоянию на 1 января текущего года, и по выпускам ежемесячного информационного указателя "Национальные стандарты" за текущий год. Если ссылочный стандарт заменен (изменен), то при пользовании настоящим стандартом следует руководствоваться заменяющим (измененным) стандартом. Если ссылочный стандарт отменен без замены, то положение, в котором дана ссылка на него, применяется в части, не затрагивающей эту ссылку.
В настоящем стандарте применены следующие термины с соответствующими определениями:
3.1. Номинальный размер DN: числовое обозначение размера элементов трубопровода, приблизительно равное производственным размерам в миллиметрах.
3.2. Номинальный размер DN/OD: номинальный размер, относящийся к наружному диаметру.
3.3. Номинальный наружный диаметр dn, мм: диаметр, назначенный для номинального размера DN/OD.
3.4. Наружный диаметр de, мм: измеренный наружный диаметр трубы или трубного конца фасонной части в любом поперечном сечении, округленный в большую сторону до 0,1 мм.
3.5. Средний наружный диаметр d
em, мм: измеренная наружная длина окружности трубы или трубного конца фасонной части в любом поперечном сечении, деленная на

, округленная в большую сторону до 0,1 мм.
3.6. Средний внутренний диаметр раструба dsm, мм: среднеарифметическое измерений внутреннего диаметра раструба в одном поперечном сечении.
3.7. Толщина стенки e, мм: результат измерения толщины стенки в любой точке по окружности изделия.
3.8. Средняя толщина стенки em, мм: среднеарифметическое нескольких измерений толщины стенки в точках, равномерно распределенных по окружности в одном поперечном сечении изделия, включая измеренные минимальное и максимальное значения толщины стенки в том же поперечном сечении.
3.9. Серия труб S: безразмерное число для обозначения труб по
ГОСТ ИСО 4065.
3.10. Трубы и фасонные части со сплошной стенкой: трубы и фасонные части с гладкими наружной и внутренней поверхностями, имеющие один состав по всей толщине стенки.
4. Основные параметры и размеры
4.1.1. Средний наружный диаметр dem должен соответствовать таблице 1.
В миллиметрах
Номинальный размер DN/OD | Номинальный наружный диаметр dn | Средний наружный диаметр dem |
минимальный dem, min | максимальный dem, max |
32 | 32 | 32,0 | 32,3 |
40 | 40 | 40,0 | 40,4 |
50 | 50 | 50,0 | 50,5 |
63 | 63 | 63,0 | 63,6 |
75 | 75 | 75,0 | 75,7 |
80 | 80 | 80,0 | 80,8 |
90 | 90 | 90,0 | 90,9 |
100 | 100 | 100,0 | 100,9 |
110 | 110 | 110,0 | 111,0 |
125 | 125 | 125,0 | 126,2 |
160 | 160 | 160,0 | 161,5 |
200 | 200 | 200,0 | 201,8 |
250 | 250 | 250,0 | 252,3 |
315 | 315 | 315,0 | 317,9 |
4.1.2. Толщина стенки должна соответствовать таблице 2.
В миллиметрах
Номинальный наружный диаметр dn | Толщина стенки |
S16 | S12,5 |
| | emin | em, max |
32 | 3,0 | 3,5 | 3,0 | 3,5 |
40 | 3,0 | 3,5 | 3,0 | 3,5 |
50 | 3,0 | 3,5 | 3,0 | 3,5 |
63 | 3,0 | 3,5 | 3,0 | 3,5 |
75 | 3,0 | 3,5 | 3,0 | 3,5 |
80 | 3,0 | 3,5 | 3,1 | 3,6 |
90 | 3,0 | 3,5 | 3,5 | 4,1 |
100 | 3,2 | 3,8 | 3,8 | 4,4 |
110 | 3,4 | 4,0 | 4,2 | 4,9 |
125 | 3,9 | 4,5 | 4,8 | 5,5 |
160 | 4,9 | 5,6 | 6,2 | 7,1 |
200 | 6,2 | 7,1 | 7,7 | 8,7 |
250 | 7,7 | 8,7 | 9,6 | 10,8 |
315 | 9,7 | 10,9 | 12,1 | 13,6 |
<*> e min - минимальная толщина стенки. <**> e m, max - максимальная средняя толщина стенки. |
Допускается толщина стенки в любой точке не более 1,25emin, при условии, что средняя толщина стенки em не более em, max.
4.1.3. Длина труб l (эффективная), измеренная в соответствии с рисунком 1, должна быть установлена изготовителем. Предельное отклонение длины составляет +/- 10 мм.
а) Труба с раструбом под уплотнительное кольцо
б) Труба без раструба с фаской и без фаски
Рисунок 1. Эффективная длина труб
4.1.4. При изготовлении труб с фаской угол фаски должен составлять от 15° до 45° к оси трубы. Остаточная толщина стенки на торце трубы должна составлять не менее 1/3emin.
4.2. Размеры фасонных частей
4.2.1. Средний наружный диаметр d
em трубного конца должен соответствовать
таблице 1.
4.2.2. Минимальная толщина стенки e
min корпуса или трубного конца должна соответствовать
таблице 2. Допускается уменьшение толщины стенки на 5%, при этом среднеарифметическое значение толщины двух противоположных стенок должно быть не менее e
min.
Для переходных фасонных частей, предназначенных для соединения трубопроводов двух разных номинальных размеров, толщина стенки каждого раструба (трубного конца) должна отвечать требованиям для соответствующего номинального размера. В таком случае конструкция стенки предусматривает плавное изменение толщины от одного значения до другого.
Толщина стенки сборных фасонных частей (за исключением толщины трубных концов и раструбов) может быть изменена локально в процессе изготовления, при условии, что минимальная толщина стенки соответствует минимальному значению e
3, приведенному в
таблице 5.
4.3. Размеры раструбов и трубных концов
4.3.1. Размеры раструбов и трубных концов под уплотнительное кольцо (рисунок 2 а) должны соответствовать
таблице 3.
ds - внутренний диаметр раструба; A - минимальная длина
контакта; B - длина входа; C - глубина точки эффективного
уплотнения; L1 - длина трубного конца; e2 - толщина стенки
раструба; e3 - толщина стенки в зоне канавки
под уплотнительное кольцо
Рисунок 2. Основные размеры раструба и трубного конца
под уплотнительное кольцо
В миллиметрах
Номинальный наружный диаметр dn | Средний внутренний диаметр раструба (минимальный) dsm, min | A, не менее | B, не менее | C, не более | L1, не менее |
Тип N (нормальный) | Тип L (длинный) |
32 | 32,4 | 28 | - | 5 | 25 | 46 |
40 | 40,5 | 28 | - | 5 | 26 | 46 |
50 | 50,6 | 28 | 85 | 5 | 28 | 46 |
63 | 63,7 | 31 | 87 | 5 | 31 | 49 |
75 | 75,8 | 33 | 88 | 5 | 33 | 51 |
80 | 80,9 | 34 | 88 | 5 | 34 | 54 |
90 | 91,0 | 36 | 89 | 5 | 36 | 54 |
100 | 101,0 | 38 | 89 | 5 | 38 | 54 |
110 | 111,1 | 40 | 91 | 6 | 40 | 62 |
125 | 126,3 | 43 | 93 | 7 | 43 | 69 |
160 | 161,6 | 50 | 96 | 9 | 50 | 82 |
200 | 201,9 | 58 | 100 | 12 | 58 | 98 |
250 | 252,4 | 68 | 105 | 18 | 68 | 118 |
315 | 318,0 | 81 | 111 | 20 | 81 | 144 |
Примечание. Раструб типа L (длинный) может использоваться как компенсационный в жестко закрепленном участке трубопровода. |
Допускаются различные исполнения канавки под уплотнительное кольцо
(рисунок 2 б), при условии, что характеристики соединения будут соответствовать требованиям, установленным в
таблице 8.
Размеры раструба, в том числе максимальный средний внутренний диаметр dsm, max, и канавки под уплотнительное кольцо должны быть установлены изготовителем в конструкторской и технической документации на изделие.
Если уплотнительное кольцо создает более одной точки уплотнения
(рисунок 2 в), то минимальное значение A и максимальное значение C измеряют от точки эффективного уплотнения, как установлено изготовителем.
4.3.2. Размеры раструба для сварки с закладными электронагревателями должны соответствовать таблице 4. Средний внутренний диаметр раструба dsm и его предельное отклонение должны быть указаны в документации изготовителя.
Таблица 4
В миллиметрах
Номинальный наружный диаметр dn | L2, не менее | L3, не менее |
32 | 20 | 10 |
40 | 20 | 10 |
50 | 20 | 10 |
63 | 23 | 10 |
75 | 25 | 10 |
80 | 25 | 10 |
90 | 25 | 10 |
100 | 28 | 15 |
110 | 28 | 15 |
125 | 28 | 15 |
160 | 28 | 15 |
200 | 50 | 25 |
250 | 60 | 25 |
315 | 70 | 25 |
Толщина стенки E раструба с закладными электронагревателями должна быть не менее толщины стенки e
min соответствующей трубы, указанной в
таблице 2.
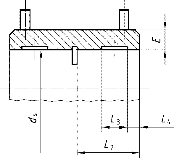
dsm - средний внутренний диаметр раструба, измеряемый
на расстоянии L4 + 0,5L3 от торца раструба; L2 - глубина
захода трубного конца; L3 - длина зоны нагрева
(сплавления); L4 - ненагреваемая длина на входе
в раструб, L4 >= 5 мм
Рисунок 3. Раструб с закладными электронагревателями
4.3.3. Толщина стенки e
2 и e
3 раструбов под уплотнительное кольцо
(рисунок 2 а) должна соответствовать таблице 5.
В миллиметрах
Номинальный наружный диаметр dn | Толщина стенки, не менее |
e2 | e3 |
32 | 2,7 | 2,3 |
40 | 2,7 | 2,3 |
50 | 2,7 | 2,3 |
63 | 2,7 | 2,3 |
75 | 2,7 | 2,3 |
80 | 2,7 | 2,3 |
90 | 2,7 | 2,3 |
100 | 2,8 | 2,4 |
110 | 3,1 | 2,6 |
125 | 3,6 | 3,0 |
160 | 4,5 | 3,7 |
200 | 5,6 | 4,7 |
250 | 7,0 | 5,8 |
315 | 8,8 | 7,3 |
В конструкциях раструба, где уплотнительное кольцо удерживается с помощью крышки (рисунок 4), толщина стенки на этом участке должна быть рассчитана путем сложения толщины стенки раструба и толщины стенки крышки в соответствующем поперечном сечении.
Рисунок 4. Толщина стенки раструба с крышкой для установки
уплотнительного кольца
4.3.4. Средний наружный диаметр и толщина стенки трубных концов фасонных частей для стыковой сварки должны соответствовать
таблице 1 и
таблице 2.
4.4. Типы фасонных частей
Настоящий стандарт применим к следующим основным типам фасонных частей:
1) трубный конец-раструб или раструб-раструб,
2) отвод изогнутый с радиусом R,
3) отвод сварной из отрезков труб.
а) Отвод
б) Отвод сварной
Номинальный угол

для отводов выбирают из следующих значений: 15°, 22,5°, 30°, 45°, 67,5°, 80° и от 87,5° до 90°;
б) тройники и тройники переходные
(рисунок 6) в следующих вариантах:
1) трубный конец-раструб-раструб или раструб-раструб-раструб,
2) тройник изогнутый с радиусом R,
3) тройник сварной из отрезков труб.
а) Тройник
б) Тройник сварной
Номинальный угол

для тройников выбирают из следующих значений: 45°, 67,5° и от 87,5° до 90°;
в) крестовины (рисунок 7 а) и крестовины двухплоскостные
(рисунок 7 б).
а) Крестовина
б) Крестовина двухплоскостная
Рисунок 7. Крестовины
Номинальный угол

для крестовин выбирают из следующих значений: 45°, 67,5° и от 87,5° до 90°;
г) патрубки переходные (рисунок 8);
Рисунок 8. Патрубок переходной
а) Муфта (двухраструбная)
Рисунок 9. Муфта
Рисунок 11. Патрубок для стыковой сварки
Допускаются другие типы и конструкции фасонных частей.
Монтажная длина z фасонных частей должна быть указана изготовителем. Монтажная длина z фасонных частей не используется для контроля качества.
Конструкция и номенклатура фасонных частей должна быть установлена в конструкторской и технической документации изготовителя.
4.5. Условное обозначение
4.5.1. Условное обозначение труб включает в себя:
- слово "труба";
- сокращенное обозначение материала: латиницей PE или кириллицей ПЭ;
- номинальный размер (номинальный наружный диаметр) и минимальную толщину стенки;
- обозначение настоящего стандарта.
4.5.2. Условное обозначение фасонной части включает в себя:
- наименование фасонной части;
- сокращенное обозначение материала: латиницей PE или кириллицей ПЭ;
- номинальный размер (номинальный наружный диаметр);
- обозначение настоящего стандарта.
Примеры условных обозначений
Труба номинальным наружным диаметром 110 мм, минимальной толщиной стенки 3,4 мм:
Труба ПЭ 110 x 3,4 ГОСТ 22689-2014.
Тройник 45° переходной номинальным наружным диаметром 160 мм на номинальный наружный диаметр 110 мм:
Тройник 45° ПЭ 160 x 110 ГОСТ 22689-2014.
5. Технические требования
5.1. Характеристики
5.1.1. Внешний вид поверхности
Наружная и внутренняя поверхности труб и фасонных частей должны быть ровными и гладкими. На поверхности труб и фасонных частей не допускаются вздутия, раковины, трещины и посторонние включения, видимые без применения увеличительных приборов.
Рекомендуемый цвет труб и фасонных частей - черный. Трубы и фасонные части должны быть равномерно окрашены по всей толщине стенки.
5.1.2. Трубы должны соответствовать характеристикам таблицы 6.
Наименование показателя | Значение показателя | Метод испытания |
1. Изменение длины труб после прогрева, %, не более | 3 (на трубах после прогрева не должно быть пузырей и трещин) | |
2. Изменение показателя текучести расплава, г/10 мин, не более <1> | 0,2 | |
<1> Показатель применяют только для труб, предназначенных для стыковой сварки. |
5.1.3. Фасонные части должны соответствовать характеристикам таблицы 7.
Наименование показателя | Значение показателя | Метод испытания |
1. Изменение внешнего вида после прогрева | Не должно быть повреждений <1> | По ГОСТ 27077 и 8.6 настоящего стандарта |
2. Герметичность фасонных частей при давлении 50 кПа (0,5 бар) <2> | Без утечек в течение 1 мин | |
<1> На фасонных частях после прогрева не должно быть повреждений: - вокруг точек впрыска глубина трещин, расслоений или пузырей не должна превышать 20% от толщины стенки в этой точке; - линия спая потоков не должна открываться более чем на 20% от толщины стенки. <2> Показатель применяют для сборных фасонных частей, изготовленных из нескольких деталей. Элемент, удерживающий уплотнительное кольцо, не считается отдельной деталью. |
5.1.4. Соединения труб и фасонных частей с уплотнительным кольцом должны соответствовать характеристикам таблицы 8.
Наименование показателя | Значение показателя | Метод испытаний |
1. Герметичность (водонепроницаемость) соединений при внутреннем давлении воды 50 кПа (0,5 бар) <1> | Без утечек в течение 15 мин | |
2. Герметичность (воздухонепроницаемость) соединений при внутреннем давлении воздуха 10 кПа (0,1 бар) <1> | Без утечек в течение 5 мин | |
3. Герметичность соединений при циклическом воздействии повышенной температуры; | Без утечек в течение 1500 циклов | |
прогиб трубы, мм, не более: | |
dn <= 50 | 3 | |
dn > 50 | 0,05dn | |
<1> Показатель не применяют для сварных стыковых соединений. |
5.2. Требования к сырью, материалам и комплектующим изделиям
5.2.1. Трубы и фасонные части изготавливают из композиций полиэтилена, включающих в себя добавки (стабилизаторы, пигменты и др.), в концентрациях, необходимых для изготовления труб и фасонных частей, соответствующих требованиям настоящего стандарта.
Показатель текучести расплава ПТР материала труб и фасонных частей, определенный по
ГОСТ 11645 при условиях 190 °C/5 кг, должен быть в следующих пределах:
0,2 г/10 мин <= ПТР <= 1,1 г/10 мин.
5.2.2. Композиции полиэтилена, классифицированные как ПЭ 63, ПЭ 80 или ПЭ 100 и имеющие показатель текучести расплава в пределах, установленных
5.2.1, должны рассматриваться как свариваемые друг с другом.
Примечание. Классификация полиэтилена как ПЭ 63, ПЭ 80 или ПЭ 100 осуществляется изготовителем полиэтилена и указывается в его технической документации.
5.2.3. Термостабильность материала труб и фасонных частей, предназначенных для стыковой сварки, определенная по
Приложению А при температуре 200 °C, должна быть не менее 20 мин.
5.2.4. Допускается добавление в композицию повторно перерабатываемого материала той же марки, из неиспользованных труб и фасонных частей, изготовленных на собственном производстве.
5.2.5. Уплотнительные кольца должны изготавливаться из резин. Характеристики уплотнительных колец должны соответствовать требованиям нормативно-технической документации на эти изделия.
5.3. Комплектность
В комплект поставки должны входить трубы и (или) фасонные части, номенклатуру которых определяет заказчик, с установленными уплотнительными кольцами, а также документ, удостоверяющий качество изделий и составленный в соответствии с
7.2.
5.4. Маркировка
5.4.1. Маркировка труб и фасонных частей должна быть напечатана или отформована на их наружной поверхности.
Маркировку труб и фасонных частей необходимо проводить методом, обеспечивающим ее сохранность в процессе транспортирования, хранения, монтажа и эксплуатации и не ухудшающим качество изделия.
Примечание. Изготовитель не несет ответственности за маркировку, ставшую неразборчивой в результате следующих действий при монтаже и эксплуатации: окрашивание, зачистка поверхности или применение моющих средств, за исключением согласованных или установленных изготовителем.
При нанесении маркировки методом печати цвет маркировки должен отличаться от цвета труб и фасонных частей. Размер шрифта и качество нанесения маркировки должны обеспечивать ее разборчивость без применения увеличительных приборов.
При маркировке методом термотиснения глубина вдавливания должна быть не более 0,25 мм.
5.4.2. Каждый отрезок трубы должен иметь маркировку, которая выполнена с интервалом не более 1 м и содержит:
- наименование и (или) товарный знак изготовителя;
- условное обозначение без слова "труба";
- дату (год и месяц) изготовления.
В маркировку труб допускается включать дополнительную информацию, например номер смены и номер партии.
Трубы длиной менее 1 м могут быть маркированы ярлыком-наклейкой.
5.4.3. Маркировку фасонных частей проводят на наружной поверхности каждого изделия. Маркировка фасонных частей должна содержать следующие данные:
- наименование и (или) товарный знак изготовителя;
- условное обозначение фасонной части без наименования фасонной части;
- дата изготовления (год и месяц).
Обозначение настоящего стандарта, наименование фасонных частей, дату изготовления допускается указывать на ярлыке, обеспечивающем сохранность маркировки в процессе транспортирования, хранения и монтажа.
5.4.4. На каждое грузовое место должна наноситься транспортная маркировка по
ГОСТ 14192 с указанием основных, дополнительных и информационных надписей, а также манипуляционных знаков, и должен крепиться ярлык, содержащий следующие данные:
- наименование предприятия-изготовителя;
- условное обозначение изделия;
- номер партии и дату изготовления;
- количество изделий в упаковке.
5.5. Упаковка
5.5.1. Упаковка труб и фасонных частей должна обеспечивать сохранность изделий и безопасность погрузочно-разгрузочных работ.
5.5.2. Трубы связывают в пакеты массой до 1 т не менее чем в двух местах при длине труб до 3 м и не менее чем в трех местах при длине труб более 3 м. Расстояние от крайних креплений до концов труб должно быть не более 0,8 м.
Пакеты скрепляют средствами по
ГОСТ 21650 или другими, которые обеспечивают надежность крепления и не ухудшают качество поверхности.
Допускается осуществлять отгрузку труб без формирования пакетов.
5.5.3. Фасонные части упаковывают в ящики из гофрированного картона по
ГОСТ 9142 или контейнеры из полимерных материалов. Допускается использование другой тары, обеспечивающей сохранность фасонных частей при транспортировании и хранении.
6. Требования безопасности и охраны окружающей среды
6.1. В процессе производства труб и фасонных частей из полиэтилена возможно выделение в воздух летучих продуктов термоокислительной деструкции. Предельно допустимые концентрации веществ в воздухе рабочей зоны производственных помещений, а также их классы опасности по
ГОСТ 12.1.005,
ГОСТ 12.1.007 приведены в таблице 9.
Таблица 9
Наименование вещества | ПДК, мг/м3 | Класс опасности |
Формальдегид | 0,5 | 2 |
Ацетальдегид | 5 | 3 |
Органические кислоты (в пересчете на уксусную кислоту) | 5 | 3 |
Окись углерода | 20 | 4 |
Аэрозоль полиэтилена | 10 | 4 |
6.2. При изготовлении труб и фасонных частей следует соблюдать требования безопасности, предусмотренные
ГОСТ 12.3.030 и технологической документацией, утвержденной в установленном порядке.
6.3. С целью предотвращения загрязнения атмосферы в процессе производства необходимо выполнять требования
ГОСТ 17.2.3.02.
Трубы и фасонные части стойки к деструкции в атмосферных условиях. Образующиеся при производстве отходы полиэтилена нетоксичны и подлежат вторичной переработке. Непригодные для вторичной переработки отходы подлежат уничтожению в соответствии с санитарными правилами, предусматривающими порядок накопления, транспортирования и захоронения промышленных отходов.
Применительно к использованию, транспортированию и хранению труб и фасонных частей специальные требования к охране окружающей среды не предъявляются.
6.4. При производстве труб и фасонных частей следует соблюдать требования пожарной безопасности в соответствии с
ГОСТ 12.1.004. В случае пожара тушение проводят огнетушащими составами, двуокисью углерода, огнетушащими порошками, распыленной водой со смачивателями, кошмой. Для защиты от токсичных продуктов горения применяют изолирующие противогазы или фильтрующие противогазы марки М или БКФ.
7.1. Трубы и фасонные части принимают партиями. Партией считают трубы или фасонные части одного наименования и типоразмера (номинального диаметра и толщины стенки), изготовленные из композиции одной марки, на одном технологическом оборудовании, сдаваемые одновременно.
Размер партии должен быть установлен в документации изготовителя.
7.2. Документ о качестве должен содержать:
- наименование и (или) товарный знак изготовителя;
- условное обозначение изделий;
- номер партии и дату изготовления;
- размер партии;
- подтверждение соответствия изделий требованиям настоящего стандарта.
7.3. Для проверки соответствия труб и фасонных частей требованиям настоящего стандарта проводят приемо-сдаточные и периодические испытания в объеме, указанном для труб - в таблице 10, для фасонных частей - в
таблице 11, для соединений - в
таблице 12.
Таблица 10
Наименование показателя | Требования настоящего стандарта | Метод контроля | Частота контроля | Объем выборки, шт. |
1. Внешний вид, маркировка | | | Каждая партия | 3 |
2. Размеры | | | Каждая партия | 3 |
3. Изменение длины после прогрева | | | 1 раз в 12 мес для каждой группы размеров | 3 |
4. Показатель текучести расплава (ПТР) | | | 1 раз в 12 мес | 1 |
5. Изменение показателя текучести расплава | | | 1 раз в 12 мес | 1 |
Наименование показателя | Требования настоящего стандарта | Метод контроля | Частота контроля | Объем выборки, шт. |
1. Внешний вид, маркировка | | | Каждая партия | 3 |
2. Размеры | | | Каждая партия | 3 |
3. Показатель текучести расплава (ПТР) | | | 1 раз в 12 мес | 1 |
4. Изменение внешнего вида после прогрева | | | 1 раз в 12 мес для каждой группы размеров | 3 |
5. Герметичность сборных фасонных частей | | | При первом выпуске для каждой группы размеров | 2 |
Наименование показателя | Требования настоящего стандарта | Метод контроля | Частота контроля | Объем выборки, шт. |
1. Герметичность (водонепроницаемость) соединений | | | 1 раз в 12 мес для каждой группы размеров и конструкции соединения <1> | 1 |
2. Герметичность (воздухонепроницаемость) соединений | | | 1 раз в 24 мес для каждой группы размеров и конструкции соединения <1> | 1 |
3. Герметичность соединений при циклическом воздействии повышенной температуры | | | При первом выпуске и изменении конструкции соединения <1> | 1 |
<1> Конструкцию соединения определяют конструкция уплотнительного кольца, форма канавки под кольцо, твердость кольца (+/- 5 единиц). |
7.4. Отбор образцов труб и фасонных частей для приемо-сдаточных испытаний осуществляют от партии методом случайного отбора. Допускается отбирать образцы равномерно в процессе производства.
Для периодических испытаний образцы отбирают от партий, прошедших приемо-сдаточные испытания, группируя изделия согласно таблицам 13 и
14.
Таблица 13
Группа размеров | Номинальный наружный диаметр dn, мм |
1 | 32 - 100 |
2 | 110 - 315 |
Группа вида фасонных частей | Наименование фасонных частей |
1 | Отводы |
2 | Тройники |
3 | Другие |
7.5. Если при приемо-сдаточных испытаниях хотя бы один образец по какому-либо показателю не будет соответствовать требованиям настоящего стандарта, то проводят повторные испытания по этому показателю на удвоенном количестве образцов, отобранных из той же партии. В случае неудовлетворительных результатов повторных испытаний партия изделий приемке не подлежит.
7.6. При получении неудовлетворительных результатов периодических испытаний проводят повторные испытания по показателю несоответствия на удвоенном количестве образцов. В случае неудовлетворительных результатов повторных испытаний должны быть выявлены и устранены причины, приведшие к несоответствию.
8.1. Испытания труб и фасонных частей должны проводиться не ранее чем через 24 ч после их изготовления.
8.2. Внешний вид и маркировку труб и фасонных частей проверяют визуально без применения увеличительных приборов.
8.3. Размеры труб и фасонных частей определяют в соответствии с ГОСТ 29325.
8.3.1. Размеры труб и фасонных частей определяют при температуре (23 +/- 5) °C. Перед испытаниями образцы выдерживают при указанной температуре не менее 4 ч.
8.3.2. Применяемые средства измерений должны обеспечивать необходимую точность и диапазон измерений и поверяться в установленном порядке.
Средства измерений:
- нутромер микрометрический по
ГОСТ 10;
Допускается применение других средств измерений, обеспечивающих необходимую точность и аттестованных в установленном порядке.
8.3.3. Определение среднего наружного диаметра dem труб и трубных концов фасонных частей проводят в одном поперечном сечении, расположенном на расстоянии не менее 25 мм от торцов, одним из следующих способов:
а) путем прямого измерения длины окружности рулеткой (лентой), градуированной в диаметрах

по ГОСТ 29325;
б) как среднеарифметическое значение нескольких измерений диаметра, равномерно расположенных в выбранном поперечном сечении, а именно: четырех измерений для dn <= 40 мм и шести измерений для dn > 40 мм.
Измерения проводят с погрешностью 0,1 мм.
8.3.4. Для определения толщины стенки труб и трубных концов фасонных частей выбирают средства измерений или устройства таким образом, чтобы погрешность единичного измерения составляла не более 0,03 мм.
Измерение минимальной и максимальной толщины стенки проводят в одном выбранном поперечном сечении на расстоянии от торца не менее 25 мм, перемещая средство измерений до нахождения максимального и (или) минимального значения, и записывают полученные значения.
Для определения средней толщины стенки проводят не менее шести измерений толщины стенки, равномерно расположенных по окружности, в одном выбранном поперечном сечении. За среднюю толщину стенки em принимают среднеарифметическое значение полученных измерений, округленное до 0,05 мм.
8.3.5. Средний внутренний диаметр раструба труб и фасонных частей dsm определяют в одном поперечном сечении как среднеарифметическое значение нескольких измерений диаметра, равномерно расположенных в выбранном поперечном сечении, а именно: четырех измерений для dn <= 40 мм и шести измерений для dn > 40 мм.
8.3.6. Для определения длины труб, трубных концов и раструбов выбирают средства измерений или устройства таким образом, чтобы погрешность результата измерений соответствовала таблице 15.
Таблица 15
В миллиметрах
Длина | Допускаемая погрешность единичного измерения |
<= 1000 | 1 |
> 1000 | 0,1% |
Для определения эффективной длины в соответствии с
рисунком 1 и (или) полной длины трубы измерения проводят по внутренней или наружной поверхности параллельно оси трубы не менее чем в трех местах, равномерно расположенных по окружности. Среднеарифметическое значение из измеренных значений округляют до 1 мм. На трубе, отрезанной механическим способом, гарантирующим перпендикулярность торцов, длину определяют одним измерением.
8.4. Определение изменения длины труб после прогрева проводят по
ГОСТ 27078 в воздушной среде при температуре (110 +/- 2) °C и времени выдержки 60 мин для труб толщиной стенки e <= 8 мм и 120 мин - для e > 8 мм.
Образцами для испытаний являются отрезки труб длиной (200 +/- 20) мм.
8.5. Показатель текучести расплава (ПТР) труб, фасонных частей и их материала определяют по
ГОСТ 11645 при температуре 190 °C и нагрузке 5 кг.
Для определения изменения ПТР при переработке вычисляют абсолютное значение разности ПТР исходного материала и ПТР изделия.
8.6. Определение изменения внешнего вида после прогрева фасонных частей проводят по ГОСТ 27077 в воздушной среде при температуре (110 +/- 2) °C и времени выдержки 60 мин.
По окончании испытаний образцы подвергают визуальному осмотру. В случае наличия трещин, пузырей, расслоений, раскрытия линии спая определяют глубину проникновения повреждения и за результат испытаний принимают выраженное в процентах отношение наибольшего значения глубины проникновения повреждения к исходной толщине стенки в этом месте.
8.7. Для проверки герметичности сборных фасонных частей образец фасонной части снабжают концевыми заглушками, заполняют холодной водопроводной водой (при образовании конденсата поверхность образца вытирают насухо), подсоединяют к источнику давления и удаляют воздух. Испытания проводят при окружающей температуре (23 +/- 5) °C. Давление увеличивают до (50 +/- 5) кПа и выдерживают в течение не менее 1 мин. На образце фасонной части не должно быть видимых утечек.
8.8. Герметичность (водонепроницаемость) проверяют на соединениях труб и фасонных частей. Образец для испытаний должен включать не менее чем одно соединение отрезков труб (с раструбом или без раструба) и (или) фасонных частей. Сборку соединения проводят в соответствии с инструкцией изготовителя.
Конструкция концевых заглушек должна ограничивать действие осевой нагрузки на образец и предотвращать разъединение соединения при действии внутреннего давления. Сборку можно устанавливать для облегчения удаления воздуха на угол не более 12° от горизонтального положения.
Испытания проводят при окружающей температуре (23 +/- 5) °C.
Образец, установленный в заглушки, полностью заполняют холодной водопроводной водой (при образовании конденсата поверхность образца вытирают насухо). Образец подсоединяют к источнику давления и удаляют воздух. Давление плавно увеличивают до 50 кПа (0,5 бар) и поддерживают с точностью

в течение времени испытаний не менее 15 мин.
На образце в течение времени испытаний не должно быть видимых утечек.
Для определения допустимых отклонений размеров испытание может быть проведено на соединениях труб и (или) фасонных частей с минимальным средним наружным диаметром трубного конца и максимальным средним внутренним диаметром раструба и канавки раструба.
8.9. Герметичность (воздухонепроницаемость) соединений труб и фасонных частей проверяют в соответствии с рисунком 13. Образец для испытаний должен включать в себя не менее чем одно соединение отрезков труб (с раструбом или без раструба) и (или) фасонных частей. Сборку соединения проводят в соответствии с инструкцией изготовителя.
1 - концевые заглушки; 2 - жесткое крепление; 3 - подача
воды; 4 - сливной клапан; 5 - подача сжатого воздуха;
6 - уровень воды; 7 - направление смещения при испытаниях
Рисунок 13. Схема испытаний на герметичность
Конструкция концевых заглушек должна ограничивать действие осевой нагрузки на образец и предотвращать разъединение соединения при действии внутреннего давления.
Испытания проводят при окружающей температуре (23 +/- 5) °C. Образец заполняют холодной водопроводной водой (при образовании конденсата поверхность образца вытирают насухо).
Образец, установленный в заглушки, заполняют водой до половины сечения (до момента, когда вода начнет вытекать из сливного клапана) и закрывают клапаны на подачу, а затем на слив воды.
По периметру соединения наносят концентрированный мыльный раствор или аналогичное вещество для определения утечек, удаляя его излишки сухой тканью.
Через магистраль подачи сжатого воздуха в образце создают внутреннее пневматическое давление (10 +/- 1) кПа [(0,1 +/- 0,01) бар] и поддерживают с точностью +/- 10% в течение не менее 5 мин.
Если изготовителем для данной конструкции соединения допускается продольный изгиб, смещают незакрепленный элемент соединения относительно оси закрепленного на максимальный допустимый угол, установленный в документации. Смещение осуществляют вручную последовательно в четырех направлениях (положение 0°, 90°, 180° и 270°) с выдержкой в каждом положении в течение не менее 1 мин.
Во время испытаний не должно быть утечек из соединения, определяемых по образованию пузырей на мыльном растворе, или утечек воды.
Для определения допустимых отклонений размеров испытание может быть проведено на соединениях труб и (или) фасонных частей с минимальным средним наружным диаметром трубного конца и максимальным средним внутренним диаметром раструба и канавки раструба.
9. Транспортирование и хранение
9.1. Трубы и фасонные части перевозят любым видом транспорта в соответствии с правилами перевозки грузов и техническими условиями погрузки и крепления грузов, действующими на транспорте данного вида.
9.2. Трубы и фасонные части при транспортировании следует оберегать от ударов и механических нагрузок, а их поверхность от нанесения царапин. Трубы необходимо укладывать на ровную поверхность транспортных средств.
9.3. Трубы и фасонные части хранят в условиях, исключающих вероятность их механических повреждений, в неотапливаемых или отапливаемых (не ближе одного метра от отопительных приборов) складских помещениях или под навесами.
Трубы и фасонные части при длительном хранении следует защищать от воздействия прямых солнечных лучей.
Условия хранения труб и фасонных частей по ГОСТ 15150
(раздел 10) - условия 1 (Л), 2 (С) или 5 (ОЖ4). Допускается хранение труб в условиях 8 (ОЖ3) не более 6 мес.
Высота штабеля труб при хранении не должна превышать 1,5 м.
10. Указания по применению
Проектирование, монтаж и эксплуатация трубопроводов из полиэтилена систем внутренней канализации должны осуществляться в соответствии с действующими нормативно-техническими документами и инструкцией изготовителя.
11. Гарантии изготовителя
11.1. Изготовитель гарантирует соответствие труб и фасонных частей требованиям настоящего стандарта при соблюдении правил транспортирования и хранения.
11.2. Гарантийный срок - два года со дня изготовления труб и фасонных частей.
(рекомендуемое)
ОПРЕДЕЛЕНИЕ ТЕРМОСТАБИЛЬНОСТИ
Термостабильность (индукционный период окисления) определяют методом дифференциальной сканирующей калориметрии (ДСК).
Определение проводят на дифференциальном сканирующем калориметре с режимом изотермического контроля +/- 0,3 °C при температуре испытаний 200 °C.
Дифференциальный сканирующий калориметр должен иметь возможность измерять следующие характеристики:
- температуру с разрешением +/- 0,1 °C и точностью +/- 0,3 °C или выше;
- время с разрешением +/- 0,5 с и точностью +/- 1 с или выше;
- тепловой поток с разрешением +/- 0,5 мкВт и точностью +/- 2 мкВт или выше.
Образцы для испытаний из исходного материала труб или фасонных частей нарезают толщиной (650 +/- 100) мкм, используя микротом, от отрезков экструдированного материала, полученных на экструзионном пластомере при определении показателя текучести расплава по
ГОСТ 11645.
Для изготовления образцов из готовых труб или фасонных частей с помощью полой фрезы вырезают, исключая перегрев материала, пробу, составляющую толщину стенки в радиальном направлении. Диаметр фрезы должен соответствовать внутренним размерам тигля. Образец в форме диска толщиной (650 +/- 100) мкм отрезают от пробы в середине толщины стенки, используя микротом.
Для размещения образцов в приборе используют открытый или закрытый вентилируемый тигель из алюминия.
В камеру дифференциального сканирующего калориметра помещают тигель с образцом при окружающей температуре и перед началом нагрева продувают камеру прибора азотом в течение 5 мин.
Программируемый нагрев образца в потоке азота начинают от окружающей температуры до температуры испытаний 200 °C со скоростью 20 °C/мин.
Во время испытания записывается термограмма зависимости теплового потока от времени (рисунок А.1).
X - время; Y - тепловой поток; a - максимум экзотермы;
t1 - переключение на кислород или воздух (время ноль);
t2 - начало окисления; t3 - точка, определенная методом
касательной; t4 - максимум окисления
Рисунок А.1
После достижения температуры испытаний образец выдерживают в режиме изотермического контроля в течение 3 мин, а затем камеру прибора переключают с подачи азота на подачу кислорода или воздуха, и эта точка отмечается на термограмме как нулевое время испытания (точка t1).
Расход азота, кислорода или воздуха должен составлять (50 +/- 5) мл/мин. Для испытаний используют газообразный азот (не менее 99,99%) высокой чистоты, кислород (не менее 99,5%) или воздух без содержания воды и масел.
Испытания в режиме изотермического контроля продолжают еще не менее 2 мин после достижения максимума экзотермой окисления.
Для определения термостабильности проводят касательную к экзотерме на участке ее максимального наклона до пересечения с продолжением горизонтальной прямой (точка t3) и проецируют на ось абсцисс. За результат испытаний принимают значение времени в минутах, прошедшее от точки t1 до точки t3, выраженное до трех значащих цифр.
(рекомендуемое)
ОПРЕДЕЛЕНИЕ ГЕРМЕТИЧНОСТИ СОЕДИНЕНИЙ ПРИ ЦИКЛИЧЕСКОМ
ВОЗДЕЙСТВИИ ПОВЫШЕННОЙ ТЕМПЕРАТУРЫ
Герметичность соединений при циклическом воздействии воды повышенной температуры проверяют на стенде, снабженном системой подачи холодной и горячей воды к участку трубопровода, собранному из труб и фасонных частей в соответствии с
рисунком Б.1.
| - раструбное соединение с уплотнительным кольцом; |
| - жесткое крепление; |
| - свободное крепление; |
1 - измерение прогиба труб; 2 - трубы dn = 40 мм
или dn = 50 мм; 3, 4 - трубы 75 мм <= dn <= 160 мм;
a - подача горячей воды; b - подача холодной воды,
c - угол от 85° до 89°
Рисунок Б.1. Схема трубопровода для испытаний
на герметичность соединений при циклическом воздействии
воды повышенной температуры
Монтаж трубопровода следует проводить в соответствии с инструкциями изготовителя и рекомендованной практикой установки. Крепление трубопровода осуществляется на прочной стене или раме с использованием металлических хомутов, без какой-либо другой поддержки испытуемого трубопровода.
Хомуты жестких (неподвижных) креплений следует располагать непосредственно на раструбе или позади раструба каждого отрезка трубы. Свободные (направляющие) крепления для горизонтальных участков трубопровода должны быть расположены на расстоянии не менее 10dn друг от друга.
При соединении в раструб с уплотнительным кольцом трубных концов должен быть обеспечен компенсационный зазор не менее 20 мм. Для трубных концов фасонных частей компенсационный зазор не предусматривается.
Перед циклическими испытаниями трубопровод заполняют водой (заглушив выход из трубопровода) температурой не более 20 °C на 0,5 м выше уровня верхней трубы. В течение не менее 15 мин на трубопроводе не должно быть видимых утечек.
Затем переходят к выполнению 1500 циклов испытаний. Должен выполняться следующий цикл: подача горячей воды температурой (93 +/- 2) °C в течение (60 +/- 2) с, пауза продолжительностью (60 +/- 2) с, подача холодной воды температурой (15 +/- 5) °C в течение (60 +/- 2) с, пауза продолжительностью (60 +/- 2) с. Температура воды должна измеряться на входе в испытуемый трубопровод. Расход холодной и горячей воды должен составлять (30 +/- 0,5) л/мин.
В течение установленного количества циклов испытания на соединениях труб и фасонных частей не должно быть видимых утечек.
После выполнения циклических испытаний трубопровод заполняют водой (заглушив выход из трубопровода) температурой не более 20 °C на 0,5 м выше уровня верхней трубы. В течение не менее 15 мин на трубопроводе не должно быть видимых утечек.
Величину прогиба контролируют на участке трубы длиной 10d
n в точке F в соответствии с
рисунком Б.1 с точностью до 0,1 мм. Величина прогиба не должна превышать установленного значения.