Главная // Актуальные документы // ГОСТ (Государственный стандарт)СПРАВКА
Источник публикации
М.: Стандартинформ, 2016
Примечание к документу
Документ
введен в действие с 01.03.2017.
Взамен ГОСТ 533-2000 (МЭК 34-3-88).
Название документа
"ГОСТ IEC 60034-3-2015. Межгосударственный стандарт. Машины электрические вращающиеся. Часть 3. Специальные требования для синхронных генераторов, приводимых паровыми турбинами и турбинами на сжатом газе"
(введен в действие Приказом Росстандарта от 26.05.2016 N 421-ст)
"ГОСТ IEC 60034-3-2015. Межгосударственный стандарт. Машины электрические вращающиеся. Часть 3. Специальные требования для синхронных генераторов, приводимых паровыми турбинами и турбинами на сжатом газе"
(введен в действие Приказом Росстандарта от 26.05.2016 N 421-ст)
по техническому регулированию
и метрологии
от 26 мая 2016 г. N 421-ст
МЕЖГОСУДАРСТВЕННЫЙ СТАНДАРТ
МАШИНЫ ЭЛЕКТРИЧЕСКИЕ ВРАЩАЮЩИЕСЯ
ЧАСТЬ 3
СПЕЦИАЛЬНЫЕ ТРЕБОВАНИЯ ДЛЯ СИНХРОННЫХ ГЕНЕРАТОРОВ,
ПРИВОДИМЫХ ПАРОВЫМИ ТУРБИНАМИ И ТУРБИНАМИ НА СЖАТОМ ГАЗЕ
Rotating electrical machines. Part 3. Specific requirements
for synchronous generators driven by steam turbines
or combustion gas turbines
(IEC 60034-3:2007, IDT)
ГОСТ IEC 60034-3-2015
Дата введения
1 марта 2017 года
Цели, основные принципы и основной порядок проведения работ по межгосударственной стандартизации установлены
ГОСТ 1.0-92 "Межгосударственная система стандартизации. Основные положения" и
ГОСТ 1.2-2009 "Межгосударственная система стандартизации. Стандарты межгосударственные, правила и рекомендации по межгосударственной стандартизации. Правила разработки, принятия, применения, обновления и отмены"
1 ПОДГОТОВЛЕН федеральным государственным бюджетным образовательным учреждением высшего профессионального образования "Национальный исследовательский университет "МЭИ" (ФГБОУ ВПО "НИУ "МЭИ") и Федеральным государственным унитарным предприятием "Всероссийский научно-исследовательский институт стандартизации и сертификации в машиностроении" (ВНИИНМАШ) на основе собственного перевода на русский язык англоязычной версии стандарта, указанного в
пункте 5
2 ВНЕСЕН Техническим комитетом по стандартизации ТК 333 "Вращающиеся электрические машины"
3 ПРИНЯТ Межгосударственным советом по стандартизации, метрологии и сертификации (протокол N 80-П от 29 сентября 2015 г.)
За принятие проголосовали:
Краткое наименование страны по МК (ИСО 3166) 004-97 | Код страны по МК (ИСО 3166) 004-97 | Сокращенное наименование национального органа по стандартизации |
Армения | AM | Минэкономики Республики Армения |
Беларусь | BY | Госстандарт Республики Беларусь |
Казахстан | KZ | Госстандарт Республики Казахстан |
Киргизия | KG | Кыргызстандарт |
Молдова | MD | Молдова-Стандарт |
Россия | RU | Росстандарт |
Таджикистан | TJ | Таджикстандарт |
4
Приказом Федерального агентства по техническому регулированию и метрологии от 26 мая 2016 г. N 421-ст межгосударственный стандарт ГОСТ IEC 60034-3-2015 введен в действие в качестве национального стандарта Российской Федерации с 1 марта 2017 г.
5 Настоящий стандарт идентичен международному стандарту IEC 60034-3:2007 "Машины электрические вращающиеся. Часть 3. Специальные требования для синхронных генераторов, приводимых паровыми турбинами и турбинами на сжатом газе" ("Rotating electrical machines - Part 3: Specific requirements for synchronous generators driven by steam turbines or combustion gas turbines", IDT).
Международный стандарт разработан техническим комитетом по стандартизации TC 2 "Вращающиеся машины" Международной электротехнической комиссии (IEC).
При применении настоящего стандарта рекомендуется использовать вместо ссылочных международных стандартов соответствующие им межгосударственные стандарты, сведения о которых приведены в дополнительном
приложении ДА
6 ВЗАМЕН ГОСТ 533-2000 (МЭК 34-3-88)
Информация об изменениях к настоящему стандарту публикуется в ежегодном информационном указателе "Национальные стандарты" (по состоянию на 1 января текущего года), а текст изменений и поправок - в ежемесячном информационном указателе "Национальные стандарты". В случае пересмотра (замены) или отмены настоящего стандарта соответствующее уведомление будет опубликовано в ежемесячном информационном указателе "Национальные стандарты". Соответствующая информация, уведомление и тексты размещаются также в информационной системе общего пользования - на официальном сайте Федерального агентства по техническому регулированию и метрологии в сети Интернет
Настоящий стандарт относится к трехфазным синхронным генераторам номинальной мощностью 10 МВ·А и выше с приводом от паровых или газовых турбин. Он дополняет базовые требования к вращающимся электрическим машинам, приведенным в IEC 60034-1.
Общие требования назначаются вместе со специальными для синхронных генераторов с воздушным, водородным или жидкостным охлаждением.
Настоящий стандарт определяет также меры предосторожности, необходимые при использовании генераторов с водородным охлаждением, включая:
- вращающиеся возбудители с приводом от вала генератора;
- вспомогательное оборудование, необходимое для работы генератора;
- части здания, где может скапливаться водород.
Примечание 1 - Эти требования также применяются к синхронным генераторам с приводом как от паровых, так и от газовых турбин как часть силовых одновальных комбинированных установок.
Примечание 2 - Эти требования не применяются к синхронным генераторам с приводом от водяных (гидравлических) и ветровых турбин.
Примечание 3 - Меры предосторожности должны применяться во всех случаях использования водорода, когда последний является хладагентом.
Для применения настоящего стандарта необходимы следующие ссылочные документы. Для недатированных ссылок применяют последнее издание ссылочного документа (включая все его изменения).
IEC 60034-1, Rotating electrical machines - Part 1: Rating and performance (Машины электрические вращающиеся. Часть 1. Номинальные значения параметров и эксплуатационные характеристики)
IEC 60034-4, Rotating electrical machines - Part 4: Methods for determining synchronous machine quantities from tests (Машины электрические вращающиеся. Часть 4. Методы определения параметров синхронных машин по результатам испытаний)
IEC 60045-1, Steam turbines - Part 1: Specifications (Турбины паровые. Часть 1. Технические условия)
IEC 60079 (all parts), Explosive atmospheres [Взрывоопасные атмосферы. (все части]
Для настоящего стандарта применяются термины и определения IEC 60034-1 совместно с нижеследующими:
3.1 механический запуск (mechanical start): Изменение скорости от нуля или скорости пускового механизма до номинального значения.
3.2 работа пускового механизма (turning gear operation): Вращение при низкой скорости для обеспечения установившегося теплового режима турбины и (или) ротора.
Синхронные турбогенераторы должны соответствовать основным требованиям к вращающимся электрическим машинам, приведенным в
ГОСТ IEC 60034-1, в противоположном случае эти требования приведены в настоящем стандарте. В случае ссылки в данном стандарте на термин "соглашение" это следует понимать как соглашение между производителем и потребителем.
Номинальные значения приводятся для:
мощности,
частоты,
напряжения,
коэффициента мощности,
температуры первичного хладагента (40 °C или по соглашению);
и где это возможно:
высота установки над уровнем моря,
давление водорода,
4.3 Номинальное напряжение
Номинальное напряжение устанавливается по соглашению.
Коэффициент мощности устанавливается по соглашению между производителем и потребителем. Стандартные значения коэффициента мощности на зажимах генератора составляют 0,8, 0,85 и 0,9 в режиме перевозбуждения.
Примечание 1 - Другие значения могут применяться по соглашению.
Примечание 2 - Рекомендуется, чтобы генератор мог обеспечить при номинальной активной мощности коэффициент мощности 0,95 в режиме недовозбуждения.
4.5 Номинальная частота вращения
Номинальная частота вращения должна быть равна:
3000/p об/мин для генераторов на 50 Гц,
3600/p об/мин для генераторов на 60 Гц,
где p - число пар полюсов.
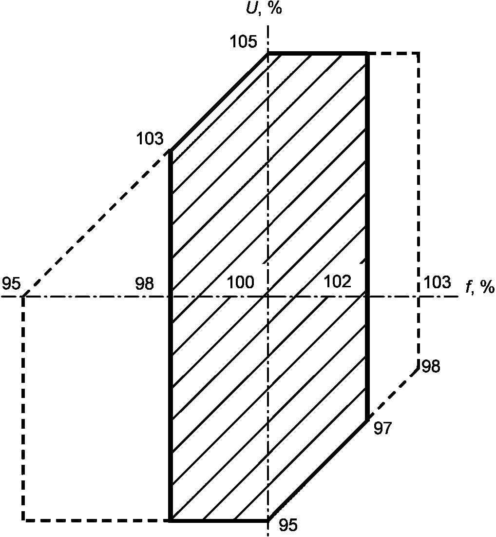
4.6 Диапазон изменения напряжения и частоты
Генераторы должны быть способны к продолжительной работе с номинальной активной мощностью и номинальным коэффициентом мощности при отклонении напряжения на +/- 5% и частоты на +/- 2%, как показано заштрихованной областью на
рисунке 1.
Рисунок 1 - Диапазон изменения напряжения и частоты
Превышения температуры, приведенные в таблицах 7, 8, или температура, приведенная в таблице 12 IEC 60034-1, относятся только к случаю работы с номинальными напряжением и частотой.
Примечание 1 - Если рабочая точка находится вне зоны допустимых изменений напряжения и частоты, то превышение температуры и общая температура могут значительно возрасти. Продолжительная работа на определенных участках граничной линии заштрихованной области при номинальной мощности вызывает рост температуры примерно на 10 К. Генераторы также должны развивать номинальную мощность при номинальном коэффициенте мощности в случае изменения напряжения на +/- 5% и изменении частоты в пределах от +3 до -5%, как показано на внешней граничной линии (пунктирной) на
рисунке 1. При этом будет наблюдаться дальнейший рост температуры. Поэтому для минимизации срока службы генератора из-за влияния температуры или разницы температур работа вне заштрихованной области должна быть ограничена по продолжительности, а длительность и частота - по количеству. Для этого следует снижать мощность генератора или предпринимать другие возможные меры, как только появится практическая возможность их осуществления.
Если необходима работа в более широком диапазоне напряжения и частоты или при отклонении от номинального напряжения и частоты, то это должно быть предметом соглашения.
Примечание 2 - Считается, что работа при повышенном напряжении и пониженной частоте или при пониженном напряжении и повышенной частоте является неблагоприятной. Первый вариант является наиболее благоприятным для роста температуры обмотки возбуждения.
Рисунок 1 показывает, что работа в этих квадрантах приводит к недо- или перевозбуждению генератора и его трансформатора не более чем на 5%. Область возбуждения и устойчивости будет сужаться при некоторых рабочих режимах. Когда рабочая частота отклоняется от номинального значения, ее влияние во внешней цепи может быть значительным, что необходимо принимать во внимание. Например, производители турбин указывают диапазон частот и время, в течение которого турбина в нем может работать. Должны быть приняты во внимание возможности вспомогательного оборудования работать вне зоны заданного изменения напряжения и частоты.
Направление вращения должно быть указано на самом генераторе или в его табличке, а чередование фаз напряжения обмотки статора - путем маркировки выводов обмотки в последовательности, в которой они достигают максимума, например, U1, V1, W1.
Примечание - Маркировка зажимов может не совпадать с приведенной в стандарте IEC 60034-8.
Для генераторов с одним выходным концом вала он и является референтным для определения направления вращения.
Для генераторов с двумя выходными концами вала референтным является конец вала, через который передается наибольшая мощность. Если это условие неприменимо, за референтный принимается конец вала, противоположный тому, через который подводится питание к обмотке возбуждения.
Направление вращения (по или против часовой стрелки) определяется, если смотреть на генератор со стороны референтного конца вала.
Если не указано иное, предполагается соединение обмотки статора по схеме "звезда". Все концы обмотки должны быть выведены наружу и присоединены в согласованном порядке к выводным зажимам генератора.
4.9 Номинальное напряжение и ток возбуждения
Номинальными являются такие значения тока и напряжения возбуждения, которые необходимы для работы генератора в номинальном режиме.
4.10.1 Класс нагревостойкости
Изоляционные системы обмоток должны иметь класс нагревостойкости "B" (130°) и выше.
4.10.2 Испытания повышенным напряжением
Испытания изоляции повышенным напряжением следует проводить в соответствии с IEC 60034-1, таблица 16.
4.11 Изоляция от подшипниковых токов
Следует предпринимать соответствующие меры для предотвращения вредных подшипниковых токов, протекающих по валу и замыканию их на землю. Может применяться изоляция любого типа, так чтобы была возможность измерения ее параметров на работающем генераторе. Пики напряжения от статической системы возбуждения с управляемыми выпрямителями должны быть снижены до уровня, ниже критического. Эти пики могут вызвать повреждения, например, баббитовых подшипников из-за перекрытия тонкого слоя смазки.
4.12 Испытание на угонную частоту вращения
Испытание проводится в течение 2 минут при частоте вращения, равной 1,2 номинальной.
4.13 Критические частоты вращения
Критические частоты вращения сочлененного валопровода не будут вызывать неудовлетворительную работу генератора при работе внутри диапазона скоростей, определяемых допустимым диапазоном изменения частоты в соответствии с
п. 4.6 (см. также IEC 60045-1).
4.14 Диаграмма мощности P - Q
Производители должны предоставлять диаграмму мощности
P -
Q, показывающую предельные рабочие режимы. Диаграмма мощности
P -
Q должна быть представлена для работы при номинальных условиях. Типичная диаграмма мощности
P -
Q представлена на
рисунке 2; ее границы удовлетворяют следующим условиям:
- кривая A соответствует работе с номинальным током возбуждения, и поэтому с примерно постоянным превышением температуры обмотки возбуждения;
- кривая B соответствует работе с номинальным током статора, и, следовательно, с постоянным превышением температуры обмотки статора;
- кривая C указывает на режимы работы, предельные по нагреву торцевых частей сердечника статора или по условиям статической устойчивости или по обеим критериям одновременно.
Примечание 1 -
Рисунок 2 может содержать и другие предельные режимы работы, такие как предельная мощность турбины и минимальный ток возбуждения.
A - ограничение по температуре обмотки возбуждения,
B - ограничение по температуре обмотки статора,
C - ограничение по температуре торцевых частей сердечника
статора или по статической устойчивости, D - точка
номинальной мощности. X - активная мощность в относительных
единицах, Y - реактивная мощность в относительных единицах
(режим перевозбуждения), Y' - реактивная мощность
в относительных единицах (режим недовозбуждения)
Рисунок 2 - Типичная диаграмма мощности
P -
Q
По соглашению между производителем и потребителем могут предоставляться другие диаграммы, характеризующие предельные режимы работы для диапазонов изменения частоты и напряжения, указанных в
п. 4.6, а также для условий охлаждения и температурных условий для случая, когда давление водорода отличается от номинального.
Примечание 2 - Генератор должен работать в пределах границ диаграммы, соответствующей выбранным условиям по частоте, напряжению, охлаждению и давлению водорода, если это возможно. Работа вне этих границ сокращает срок службы генератора.
Примечание 3 - Для генераторов с водяным охлаждением обмотки статора и пониженным давлением водорода давление воды внутри обмотки может оказаться выше, чем давление водорода. Следовательно, в случае утечки вода внутри корпуса может попасть в окружающий водород. Это приведет к аварийному режиму.
4.15 Требования по перегрузке
Генераторы с номинальной мощностью до 1200 МВА должны без повреждений выдерживать ток статора, равный 1,5 номинальным токам в течение 30 с.
Для мощностей свыше 1200 МВ·А должно быть достигнуто соглашение о предельном времени, меньшем 30 с, тем меньшем, чем больше мощность, но не менее 15 с. Предел по току статора при этом остается неизменным и равным 1,5 номинальных тока для всех мощностей.
Генератор должен быть способен выдержать другое время перегрузки и ее величину, которые дают тот же дополнительный перегрев по сравнению с перегревом при номинальном токе.
Так для генераторов мощностью до 1200 МВА включительно величина и длительность перегрузки определяются по формуле
(I2 - 1)t = 37,5 с,
где I - ток статора в относительных единицах, t - время протекания этого тока в секундах.
Приведенное соотношение справедливо для времени t от 10 до 60 с.
Примечание - Установлено, что при этих условиях температура статора превышает температуру при номинальном режиме. Поэтому расчет генератора основан на допущении, что число таких перегрузок не должно быть более чем две в год.
4.16 Внезапное короткое замыкание
Генератор должен без повреждений выдержать любое короткое замыкание на его зажимах при работе с номинальной нагрузкой и с напряжением 1,05 номинального, так что максимальный фазный ток, ограниченный внешними средствами, не превышает максимальный фазный ток при трехфазном коротком замыкании. Термин "без повреждений" означает, что генератор не подвергается повреждениям, требующим прекращения его эксплуатации, хотя при этом возможна некоторая деформация обмотки статора.
Если по соглашению между производителем и потребителем испытание по воздействию внезапного короткого замыкания проводится на новом генераторе, то его проводят только после высоковольтных испытаний изоляции, как описано ниже.
Если генератор непосредственно присоединен к электрической сети, то трехфазное короткое замыкание осуществляется на его зажимах в режиме холостого хода при номинальном напряжении. Для генераторов, присоединенных к сети через собственный трансформатор или реактор, обычно через изолированную систему шин, это напряжение может быть снижено по соглашению между производителем и потребителем так, чтобы ток короткого замыкания соответствовал реальному току короткого замыкания при коротком замыкании на высоковольтной обмотке трансформатора.
Это испытание считается удовлетворительным, если после него генератор без ремонта или только при минимальном ремонте обмотки статора признан годным к эксплуатации и если он выдержал испытание на электрическую прочность при напряжении 80% от испытательного для нового генератора в соответствии с нормами IEC 60034-1. Термин "минимальный ремонт" относится к ремонту бандажей лобовых частей и их изоляции, но не к случаю замены катушек обмотки.
Примечание 1 - Аномально большие токи и моменты могут возникнуть в результате короткого замыкания на зажимах генератора, находящегося в эксплуатации, или на некотором удалении от него или в результате его неуспешной синхронизации. Если указанные условия действительно могут привести к появлению опасных сверхтоков, то будет справедливым тщательно проверить генератор, обратив особое внимание на состояние обмотки статора. Перед повторным вводом в эксплуатацию необходимо устранить ослабление закрепления лобовых частей, чтобы избежать последующего повреждения обмотки из-за повышенной вибрации. Желательно также проверить, не изменилась ли балансировка ротора и не появилась ли деформация соединительных муфт и их болтовых соединений.
4.17 Отношение короткого замыкания
Для генераторов всех мощностей и типов охлаждения, регламентированных данным стандартом, значение отношения короткого замыкания должно быть не менее 0,35 о. ед.

значения могут быть указаны и согласованы (например, по требованию электрической системы), но для принятой системы охлаждения это обычно требует увеличения размеров генератора и потерь в нем.
4.18 Переходное и сверхпереходное индуктивное сопротивление по продольной оси
Когда указаны значения переходного и сверхпереходного индуктивного сопротивления по продольной оси в соответствии с условиями работы, должны быть согласованы следующие величины:
- минимальное значение сверхпереходного индуктивного сопротивления по продольной оси, соответствующее уровню насыщения при номинальном напряжении;
- максимальное значение сверхпереходного индуктивного сопротивления по продольной оси, соответствующее ненасыщенному состоянию при номинальном токе.
Поскольку оба этих индуктивных сопротивления зависят в значительной степени от общих магнитных потоков, должны быть приняты меры по совместимости их согласованных и указанных значений. То есть, чтобы верхний предел сверхпереходного индуктивного сопротивления по продольной оси не был слишком близок к нижнему пределу переходного индуктивного сопротивления по продольной оси.
Когда величина сверхпереходного индуктивного сопротивления по продольной оси не указывается, она должна быть не менее 0,1 о. ед. при уровне насыщения, соответствующего номинальному напряжению.
Значение каждого из этих сопротивлений может быть указано и согласовано при других уровнях напряжения в соответствии с IEC 60034-4. Если указано, что эти значения должны быть определены по результатам испытаний, то испытания должны проводиться согласно методике, изложенной в IEC 60034-4.
4.19 Допуски на величину отношения короткого замыкания и переходного и сверхпереходного индуктивного сопротивления по продольной оси
Когда приводятся предельные значения этих величин в соответствии с данным стандартом или предварительно согласованные, отсутствуют отрицательные допуски на их минимальные значения и положительные допуски на их максимальные значения. В других направлениях допуск может составлять 30%.
Если значения этих величин указаны, но допуски не оговорены, то эти значения принимаются за номинальные, а допуск на них может составлять +/- 15%.
Если покупатель не указал значение этих величин, то продавец может давать их с допуском +/- 15%.
4.20 Механические требования к роторам
4.20.1 Число пусков
Если иное не оговорено, то механическая конструкция ротора должна обеспечить в течение срока службы:
- в норме не менее 3000 пусков,
- для генераторов, предназначенных для регулярных пусков и остановок таких, как ежедневные пуски, - не менее 10000 пусков.
4.20.2 Работа пускового механизма
Перед пуском и после отключения работа пускового механизма турбогенераторной установки неизбежно оказывается определяющей по отношению к потребностям первичного двигателя. Однако продолжительная работа в этом режиме приводит к тому, что ротор генератора становится восприимчивым к повреждениям, и поэтому она должна быть ограничена. Чувствительность к повреждениям при работе в этом режиме может определяться конструкцией. Если предполагается длительная работа, то необходимые конструктивные мероприятия по минимизации этих отрицательных воздействий должны быть предметом соглашения.
Если иное не оговорено, охладители должны работать при температуре холодной воды до 32 °C и рабочем абсолютном давлении не менее:
- 2,7 бара (270 кПа) для генераторов с воздушным охлаждением,
- 4,5 бара (450 кПа) для генераторов с водородным и жидкостным охлаждением.
Испытательное давление должно быть равно 1,5 максимального рабочего и должно прикладываться в течение 15 мин.
Если давление воды в охладителе регулируется задвижкой или редуктором, соединенным с источником воды с давлением более высоким, чем рабочее давление в охладителе, последний должен быть рассчитан на повышенное давление и испытан при давлении, равном 1,5 этого повышенного давления, если иное не оговорено. Это давление должно быть указано покупателем.
Охладители должны быть спроектированы так, чтобы при выводе одной из его секций для чистки установка могла длительно развивать две трети номинальной мощности (или по соглашению другую часть номинальной мощности), при этом температура активных частей генератора не должна превышать допустимую. В этих условиях температура первичного хладагента может быть выше расчетной. В случае генераторов с водородным или жидкостным охлаждением следует обратить внимание на то, что при некоторых режимах работы (например, при проведении технического обслуживания или очистки газовых емкостей) охладитель может подвергаться давлению газа при отсутствии давления воды. Потому он должен быть спроектирован так, чтобы выдерживать дифференциальное давление 8 бар (800 кПа) на стороне газа.
Примечание - Возрастающая концентрация химических примесей в воде, например, солей или гликоля, может влиять на ее охлаждающие свойства.
5 Генераторы с воздушным охлаждением
В этом разделе рассматриваются генераторы, активные части которых охлаждаются воздухом непосредственно или косвенно, или обоими способами одновременно.
5.2 Охлаждение генератора
Предпочтительная система вентиляции - замкнутая. Если указана или согласована разомкнутая система охлаждения, следует предусматривать меры против загрязнения вентиляционных каналов во избежание перегревов и загрязнения изолированных поверхностей.
Если генератор снабжен контактными кольцами для возбуждения, они должны иметь собственную систему вентиляции во избежание загрязнения генератора и возбудителя угольной пылью.
5.3 Температура первичного хладагента
Требования к генераторам с приводом не от газовых турбин должны соответствовать IEC 60034-1.
Если максимальная температура окружающего или первичного охлаждающего воздуха при использовании воздухо-водяных теплообменников отличается от +40 °C, следует применять соответствующие разделы стандарта IEC 60034-1.
Отдельные требования к генераторам с приводом от газовых турбин приведены ниже в
разделах 7.2 и
7.3.
5.3.1 Датчики температуры
Для контроля температуры обмотки статора в нее должно быть встроено минимум 6 датчиков температуры в соответствии с IEC 60034-1.
Число датчиков для контроля температуры входящего воздуха является предметом соглашения.
6 Генераторы с водородным или жидкостным охлаждением
В этом разделе рассматриваются генераторы, активные части которых непосредственно или косвенно охлаждаются водородом, газом или жидкостью, или комбинацией этих способов одновременно. Некоторые генераторы могут использовать для охлаждения иной газ, нежели водород; в этом случае, если это возможно, применимы те же правила.
6.2 Давление водорода и его чистота в корпусе
Производитель должен указывать абсолютное давление водорода и степень его чистоты внутри корпуса генератора, при которых последний развивает номинальную мощность.
Предпочтительно использовать следующие абсолютные давления водорода:
P, бар | 2 | 3 | 4 | 5 | 6 | 7 |
P, кПА | 200 | 300 | 400 | 500 | 600 | 700 |
Примечание - Известно, что для перевода абсолютного давления к местному требуется датчик давления. При проектировании вспомогательного оборудования следует принимать во внимание пониженное атмосферное давление на высоте свыше 1000 м над уровнем моря.
6.3 Корпус и торцевые щиты генератора
Корпус генератора и любые оболочки, находящиеся под давлением, например, окружающие охладители, при использовании водорода в качестве хладагента должны быть спроектированными так, чтобы противостоять внутреннему взрыву взрывной смеси, изначально находящейся при атмосферном давлении, без опасности для обслуживающего персонала. Испытание на гидростатическое давление проводится для определения прочности корпуса и торцевых щитов. Испытания проводятся при абсолютном давлении 9 бар (900 кПа) в течение 15 мин.
Примечание - В некоторых странах существующие нормы или стандарты могут содержать требования к этим испытаниям, отличные от приведенных.
6.4 Выводы обмотки статора
Выводы генераторов с водородным охлаждением должны выдерживать абсолютное давление газа не менее 9 бар (900 кПа).
Изоляция выводов испытывается независимо от обмотки статора на воздухе. Она должна выдержать в течение 60 с испытательное напряжение промышленной частоты, равное 1,5-кратному испытательному одноминутному напряжению обмотки генератора.
Примечание - В случае жидкостного охлаждения выводов нет необходимости подвергать высоковольтным испытаниям соединительные трубки охлаждающего контура.
6.5 Температура первичных хладагентов, температура и превышение температуры генератора
Требования к генераторам с приводом не от газовых турбин должны соответствовать IEC 60034-1.
Максимальные температуры первичных хладагентов - водорода или жидкости - могут отличаться от 40 °C (например, чтобы получить экономичную конструкцию охладителя с заданной температурой вторичного хладагента). Если так, то
a) для генераторов с косвенным охлаждением могут применяться соответствующие разделы IEC 60034-1, содержащие данные о допустимых превышениях температуры генераторов с воздушным охлаждением;
b) для генераторов с непосредственным охлаждением температуры, указанные в соответствующей таблице IEC 60034-1, следует оставлять неизменными.
Примечание - Чтобы избежать чрезмерного превышения температуры или температуры, максимальная температура хладагента не должна отличаться от 40° более чем на +/- 10 К.
Особые требования к генераторам с приводом от газовых турбин приведены ниже в
разделах 7.2 и
7.3.
В соответствии с IEC 60034-1 генератор должен быть снабжен 6 встроенными датчиками температуры (ДТ). Для генераторов с непосредственным охлаждением важно отметить, что температура, измеренная с помощью ДТ, не дает температуру наиболее нагретой точки обмотки.
Если максимальная температура хладагента, приведенная в таблице 11 IEC 60034-1 не превышена, это дает уверенность, что температура обмотки не превышает допустимых значений. Предел допустимой температуры, измеренной ДТ, установленными между катушками, позволяет убедиться, что не превышена температура изоляции обмотки от сердечника. Данные ДТ могут быть использованы для мониторинга работы системы охлаждения обмотки статора.
Впоследствии может быть согласовано число ДТ, измеряющих температуру хладагента на входе в генератор.
Для генераторов с непосредственным охлаждением обмотки статора температура хладагента на выходе из обмотки должна измеряться, по крайней мере, тремя ДТ. Эти ДТ должны иметь непосредственный контакт с хладагентом. Поэтому, если обмотка охлаждается газом, то они должны быть установлены настолько близко к выходу газа из обмотки, насколько это позволяет электрическая прочность. Если обмотка охлаждается водой, то ДТ должны быть установлены в трубопроводе внутри корпуса или максимально близко к выходному патрубку трубопровода. Следует учесть, что не должно быть существенной разности температуры между точкой измерения и точкой выхода воды из обмотки.
6.7 Вспомогательная система
Некоторое или все перечисленное ниже вспомогательное оборудование требуется для удовлетворительной работы генераторов, описанных в разделе 6, в зависимости от конструкции системы охлаждения и вспомогательных систем. Этот список не является исчерпывающим:
a) Полная система газового охлаждения (водород или другой газ) с регуляторами, контролирующими давление газа в генераторе, пригодная для соединения с источником газа; осушитель газа и средства для определения или мониторинга его суточного расхода.
b) Полная система для очистки корпуса от газа (обычно с помощью диоксида углерода), пригодная для присоединения к источнику газа, позволяющая безопасно наполнять корпус генератора водородом и удалять его.
Если для удаления водорода из корпуса используется воздух повышенного давления электрической станции, соединение с воздушной системой должно быть таким, чтобы этот воздух использовался только для удаления газа, например, путем использования одного переносного шланга.
c) Должны быть установлены необходимые индикаторные и сигнальные устройства, контролирующие требуемую степень чистоты водорода и способные отслеживать чистоту газа, используемого для удаления из корпуса водорода. Для контроля чистоты необходимо иметь два независимых устройства.
d) Комплексная система масляного уплотнения, включающая оборудование для контроля состояния масла и, если требуется, для удаления из него влаги и газов.
Должна быть предусмотрена дублирующая система масляного уплотнения, срабатывающая автоматически в случае выхода из строя основной системы.
e) Полная жидкостная система (системы) охлаждения с насосами, охладителями, фильтрами и соответствующими регуляторами температуры охлаждающей жидкости.
f) Устройства, позволяющие определять уменьшение расхода жидкости или наличие ее утечки из обмотки.
g) Устройства для измерения электропроводности воды, используемой для охлаждения обмотки, и сохранения электропроводности на достаточно низком уровне.
| | ИС МЕГАНОРМ: примечание. Нумерация пунктов дана в соответствии с официальным текстом документа. | |
k) Измерительные и сигнальные инструменты для контроля работы вспомогательного оборудования и наличия воды в генераторе, а также устройства для ее удаления.
7 Генераторы с приводом от газовых турбин или для комбинированных установок
Настоящий раздел применим для генераторов с приводом от газовых турбин с использованием разомкнутой системы воздушного охлаждения или замкнутой системы охлаждения с использованием в качестве хладагентов воздуха или водорода, когда их мощность зависит от температуры окружающей среды.
7.2.1 Общие положения
Генератор с приводом от газовой турбины и соответствующий этой части стандарта IEC 60034 будет нести нагрузку в соответствии с его номинальными данными и возможностями при следующих условиях эксплуатации.
7.2.2 Температура первичного хладагента
Для генераторов с разомкнутой воздушной системой охлаждения температурой первичного хладагента является температура воздуха на входе в генератор. Нормально это температура окружающего генератор воздуха. Диапазон этих температур должен указывать покупатель, нормально она изменяется в диапазоне от -5 до +40 °C.
Для генераторов с замкнутой системой охлаждения температурой первичного хладагента является температура воздуха или водорода, поступающего в генератор от охладителей. Диапазон этих температур определяется производителем с целью получения оптимальной конструкции генератора и охладителей. Это, в свою очередь, зависит от температуры вторичного хладагента (окружающий воздух или вода), задаваемой покупателем.
7.2.3 Число пусков
Ежегодное число пусков не должно превышать 500, если иное не предусмотрено соглашением.
7.2.4 Набор нагрузки
Набор нагрузки может производиться быстро, и скорость ее набора ограничена только возможностями турбины.
7.3 Номинальная выходная мощность
Газовая турбина нормально развивает номинальную мощность при температуре входящего воздуха 15 °C, а генератор - при 40 °C. Поэтому газовая турбина и генератор с одинаковыми возможностями будут иметь разную номинальную мощность.
При номинальной мощности превышение температуры, приведенное в таблицах 7, 8, или температура, приведенная в таблице 12 IEC 60034-1, не должны быть превышены.
Параметры генератора следует определять при этих номинальных данных, если иное не предусмотрено соглашением.
7.4 Нагрузочная способность
7.4.1 Общие положения
Под нагрузочной способностью генератора понимается максимальная полная мощность при заданной активной мощности в согласованных условиях эксплуатации.
7.4.2 Базовая нагрузочная способность
Базовая нагрузочная способность - диапазон продолжительной полной мощности генератора, выраженный в долях полной номинальной мощности при условиях:
- установка работает с номинальной частотой, номинальным напряжением и номинальным коэффициентом мощности;
- давление водорода и его чистота - в соответствии со стандартом IEC 60034-1, которому соответствуют диапазоны температур первичных или вторичных хладагентов, указанных для работающей установки (см.
7.2.2), с превышением температур или температурами, не превышающими значений, приведенных в
7.4.3.
Активная компонента базовой мощности генератора, деленная на его КПД, равна или превышает базовую мощность газовой турбины при работе сверх указанного диапазона температуры воздуха на входе в турбину.
Если температура входящего в турбину воздуха выходит за указанный диапазон температур, то может быть согласован вопрос о том, что нет необходимости приравнивать базовую способность генератора и турбины. Затем может оказаться возможным обеспечить остальные требования, если генератор имеет несколько меньшую мощность.
Производитель приводит кривую базовой способности генератора для случая, когда температура первичного и вторичного хладагентов находится вне принятого диапазона температур (см.
рисунок 3). Для генератора с разомкнутой системой охлаждения температура хладагента может быть принята равной температуре воздуха на входе в турбину (
рисунок 3, шкала
X). Для низкотемпературных применений, когда применяется автоматическая рециркуляция воздуха, следует пользоваться кривой, соответствующей реальной температуре охлаждающего воздуха, а не его температурой на входе в турбину.
В генераторах с замкнутой системой охлаждения, в которых используются водяные теплообменники, температура воды (вторичный хладагент) может не иметь прямой зависимости с температурой окружающего воздуха. На
рисунке 3 в качестве примера показана зависимость нагрузочной способности генератора от температуры вторичного хладагента (шкала
X'). Следовательно, при снижении температуры окружающего воздуха нагрузочная способность генератора может оставаться неизменной или возрастать медленнее, чем нагрузочная способность турбины. Если мощность генератора определена, исходя из мощности турбины при низкой температуре воздуха, то его выходная мощность будет значительно превышать ту, которая требуется при нормальной температуре.
A - базовая нагрузочная способность, B - пиковая нагрузочная
способность, C - разность температур равна 15 К, D - точка
номинальной мощности; X - температура первичного хладагента,
°C, X' - температура вторичного хладагента (°C) для
замкнутой системы охлаждения генератора, в котором
в качестве первичного хладагента используется воздух
или водород, Y - полная мощность генератора, о.е.
Рисунок 3 - Типичные кривые нагрузочной
способности генератора
Исходя из всего этого, должно быть достигнуто соглашение, по которому нагрузочная способность генератора должна соответствовать мощности турбины.
7.4.3 Превышение температуры и температура при базовой нагрузочной способности
Для обмоток с косвенным охлаждением превышения температуры при работе генератора на месте установки должны соответствовать приведенным в таблицах 7, 8 и 9 IEC 60034-1 в соответствии со следующими условиями:
a) для температуры первичного хладагента от 10 до 60 °C к значениям температур, представленных в этих таблицах, прибавить (40 - температура первичного хладагента) К;
b) для температуры первичного хладагента менее 10 °C, но не ниже -20 °C: прибавить 30 К + 0,5 (10 - температура первичного хладагента), К;
c) при температуре первичного хладагента свыше 60 °C или ниже -20 °C - по соглашению.
Для обмоток с непосредственным воздушным или водородным охлаждением рабочая температура должна находиться в пределах, приведенных в таблице 12 IEC 60034-1 в соответствии со следующими условиями:
d) для температуры первичного хладагента от 10 до 60 °C - без изменений;
e) для температуры первичного хладагента менее 10 °C, но не ниже -20 °C: вычесть 0,3 (10 - температура первичного хладагента) К;
f) при температуре первичного хладагента свыше 60 °C или ниже -20 °C - по соглашению.
7.4.4 Пиковая нагрузочная способность
Пиковая нагрузочная способность - мощность генератора, полученная при работе, когда увеличение температуры или превышения температуры не превышает 15 К по сравнению с таковыми при работе с базисной нагрузочной способностью.
Примечание - Работа с пиковой нагрузочной способностью уменьшает срок службы генератора из-за повышенного теплового старения изоляции, которое увеличивается в три - шесть раз по сравнению с работой при базовой нагрузочной способности.
Положения, изложенные в
7.4.2 относительно связи между базовыми нагрузочными способностями генератора и турбины, применимы также и к пиковым нагрузочным способностям.
7.5 Табличка номинальных данных
Эта табличка должна содержать информацию, оговоренную в IEC 60034-1, плюс пиковая нагрузочная способность при температуре первичного хладагента, соответствующей номинальной мощности генератора.
Тепловые испытания могут проводиться по соглашению. Температуры или превышения температуры должны соответствовать приведенным в
7.4.3 с поправкой в случае необходимости на разницу в высоте места установки и места проведения испытаний в соответствии с IEC 60034-1.
(обязательное)
НЕОБХОДИМЫЕ МЕРЫ ПРЕДОСТОРОЖНОСТИ ПРИ ИСПОЛЬЗОВАНИИ
ТУРБОГЕНЕРАТОРОВ С ВОДОРОДНЫМ ОХЛАЖДЕНИЕМ
A.1 Общие положения
Это приложение является руководством по особенностям конструкции и работы генератора, позволяющие избежать происшествий или воспламенения горючей смеси водорода с воздухом внутри генератора или внутри и вне сопутствующего оборудования. Это приложение не является исчерпывающим перечнем мероприятий или практических наставлений, достаточных для обеспечения безопасной конструкции и работы установки. Ответственность за безопасность генератора и вспомогательного оборудования обеспечивается в первую очередь производителем. Ответственность за безопасность конструкции генератора и других частей установки должна согласовываться между участвующими сторонами.
Производитель отвечает за официальные инструкции по эксплуатации. Любое изменение этих инструкций для конкретной установки может быть внесено только после его проверки производителем.
Ответственность за безопасную работу ложится на пользователя оборудования.
A.2 Чистота водорода
Чистота водорода должна быть не менее 99% объемных.
A.3 Нормальные рабочие операции
Нормальными рабочими операциями являются:
- заполнение генератора водородом,
- работа генератора, заполненного водородом,
- запуск, отключение и неподвижное положение генератора в заполненном водородом состоянии,
- очистка генератора от газа.
A.4 Меры по защите контактных колец и возбудителя
Если возбудитель или контактные кольца расположены в оболочке, в которую может проникнуть водород, следует предотвратить накопления взрывоопасной смеси воздуха с водородом. Например, путем продувки воздуха через эту оболочку, как показано в
разделе A.7.
Продувку легко осуществить при вращении вала с номинальной скоростью. Дополнительные меры следует предпринять, если вал неподвижен или вращается с низкой скоростью. В оболочке могут быть предусмотрены входной и выходной каналы для вентиляции утечек водорода путем естественной конвекции и вытеснения. Если для вентиляции используются местные вентиляторы, то их двигатели должны иметь взрывозащищенное исполнение в соответствии с соответствующим разделом стандарта IEC 60079. Вентиляторы не должны откачивать воздух. Они должны обеспечивать форсированный приток от источника чистого воздуха.
A.5 Вспомогательное оборудование
A.5.1 Общие положения
Если используется вспомогательное оборудование, то оно должно удовлетворять требованиям
пп. A.5.2 -
A.5.8.
A.5.2 Дегазационные емкости
Дегазационные емкости для водорода и масла для уплотнений должны выдерживать испытательное давление, равное 1,5 максимального абсолютного рабочего давления или абсолютное давление 900 кПа, что еще больше.
Хрупкие и возможно пористые материалы, такие как чугун, не должны применяться для деталей, подверженных давлению водорода или масла.
A.5.3 Осушитель газа
Осушители газа должны выдерживать испытательное давление, равное 1,5 максимального абсолютного рабочего давления или абсолютное давление 900 кПа, что еще больше.
Для обеспечения малой влажности могут быть использованы различные системы, установленные в корпусе генератора. Это оборудование, носящее название "осушители газа". Это оборудование должно быть выполнено при соблюдении следующих общих правил безопасности:
- если осушающий агент в осушителе требует периодической реактивации, то это оборудование должно показывать, когда реактивация необходима и когда она полностью завершена;
- если в процессе реактивации используется воздух, то оборудование должно исключать возможность его попадания в корпус генератора. Это требует применения запорного крана или легко удаляемого патрубка специального типа;
- если для осушения газа используется нагреватель, он должен работать при температурах, гораздо меньших, чем температура возгорания любой возможной водородно-воздушной смеси. Типичный разрешенный предел равен 300 °C. Более низкий предел возможен для предотвращения порчи осушающего агента, такого как окись алюминия. Нагреватель может быть устроен так, например, что его выключатель жестко связан с запорными кранами, так что он работает только во время регенерации;
- если оборудование допускает вытекание конденсата из камеры осушителя, которая подвержена давлению водорода, оно должно предотвращать любую значительную утечку водорода;
- измерительные и контрольные устройства, имеющие электрические цепи и могущие содержать внутри смесь горючего газа, должны противостоять его возможному взрыву.
Примечание - Требования к измерительным и контрольным устройствам, не связанным с осушителем газа, могут быть нормированы в отдельном разделе будущего издания этого стандарта.
Подходящими типами являются, например, "пожаробезопасная оболочка" или "внутренне безопасные" устройства в соответствии с IEC 60079. Они применяются, например, для следующих устройств: электрические устройства, контролирующие чистоту водорода, контактные электрические манометры или термометры, снабженные системой дистанционной передачи данных.
A.5.4 Электрические соединения
Соединения между отдельными элементами электрических цепей должны быть выполнены так, чтобы их превышения температуры во время работы, вибрации или старение изоляционных материалов не вызывали нарушения контактов. Соответствующие примеры приведены в IEC 60079. Электрические соединения должны быть выполнены так, чтобы предотвратить их ослабление, которое может вызывать искрение.
A.5.5 Система хранения водорода
Во избежание случайного высвобождения большого объема водорода либо внутрь корпуса генератора из-за неисправности контрольного клапана, либо в окружающую среду в случае его утечки следует придерживаться следующих правил.
A.5.5.1 Трубопроводы должны быть изготовлены и поддерживаться в состоянии, позволяющем защитить их насколько возможно от случайных повреждений. Если любой водородный трубопровод размещен в оболочке или под землей, он должен позволять выявить утечку водорода и безопасно устранить ее.
A.5.5.2 Если генератор имеет индивидуальную систему снабжения водородом от батареи баллонов с водородом, расположенной внутри корпуса генератора (каждый имеет емкость от 6 до 10 м3 при нормальном давлении и температуре), батарея должна содержать только такое число баллонов, которые в сумме содержат при нормальном давлении и температуре около 80 м3 водорода. Только два или три из них (соответственно около 20 м3) используется одновременно.
A.5.5.3 Более крупная установка, от которой питается один или несколько генераторов, располагается вне корпуса генератора. Если происходит непрерывная подача водорода, то рабочее давление поддерживается с помощью контрольного водородного клапана, а соединительные трубы, расположенные вне корпуса генератора, должны иметь
a) автоматический запорный клапан (срабатывает, например, при чрезмерном потоке газа) или
b) магнитный клапан, который может быть закрыт вручную из диспетчерского пункта в случае аварии.
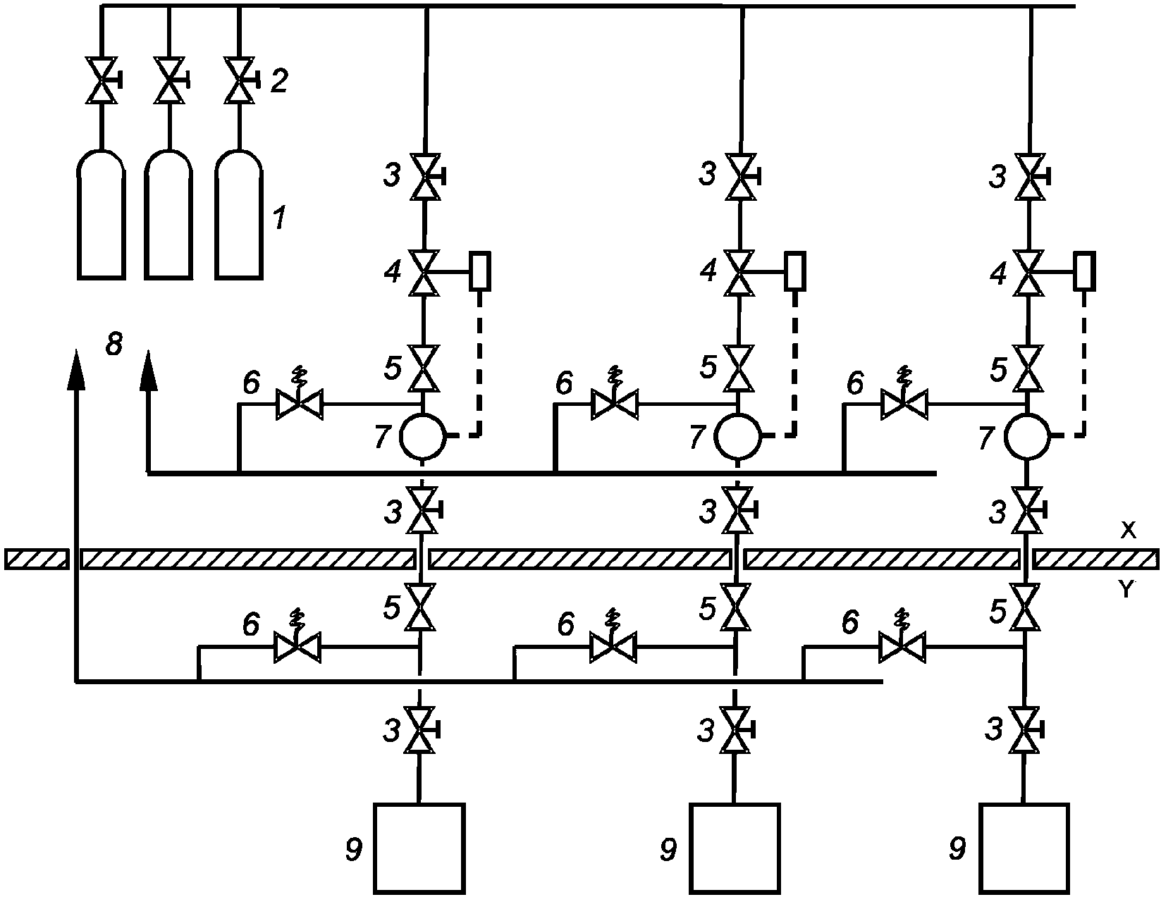
Таким образом, при значительной утечке основной источник водорода может быть отключен. Возможная схема питания согласно
A.5.5.3,a приведена на
рисунке A.1.
1 - батарея баллонов с водородом или газохранилище;
2 - питающие запорные вентили; 3 - запорные вентили
для каждого генератора; 4 - автоматические вентили,
перекрывающие подачу водорода; 5 - вентили, понижающие
давление; 6 - вентили безопасности; 7 - газовый счетчик;
8 - вентиляционный патрубок для отвода газа
в безопасную зону; 9 - генераторы;
X - зона вне станции; Y - зона внутри станции
Рисунок A.1 - Пример крупной водородной установки,
от которой питаются один или несколько генераторов
(упрощенная схема)
Если водородная станция имеет ручное управление открытием запорных клапанов, водород подается на контролирующий давление водородный клапан периодически для поддержания давления в заданных пределах.
A.5.5.4 Как расположенные внутри, так и снаружи корпуса источники водорода требуют установки предохранительного клапана на стороне низкого давления.
На практике обычно снижение давления от источника водорода до генератора осуществляется в два этапа.
На стороне низкого давления, на каждой ступени снижения давления должен быть установлен предохранительный клапан, который должен выпускать газ в безопасное место (см.
A.5.7).
A.5.5.5 Особое внимание должно быть обращено национальным стандартам хранения водорода и инертного газа, баллоны и их соединение, уменьшение давления и предохранительные клапаны, объединение в газовую систему.
A.5.6 Скопление водородно-воздушной смеси
Должно быть предотвращено скопление воспламеняемой водородно-воздушной смеси в масляной системе смазки подшипников и системе масляных уплотнений (включая, естественно, сами подшипники). Для этого в соответствующих местах должны быть установлены устройства по выпуску смеси.
Коробка выводов генератора, присоединенные к ним устройства и любые замкнутые объемы должны быть спроектированы так, чтобы не допускать скопления в них водорода в случае его утечки.
Если используется система изолированных фазных шин, то конструкция последней не должна допускать скопления в ней водорода.
A.5.7 Вентиляционные трубы
Вентиляционные трубы, отводящие водород или смесь водорода с воздухом должны предотвращать любое скопление водородной смеси в тех местах, где возможно ее образование. В этих местах не должно быть окон или притока воздуха, а также источников воспламенения. Например, открытого пламени, источников коронного разряда или электрического искрения.
Все зоны внутри и вокруг фундамента генератора и любые полости, в которые может произойти утечка водорода (включая проходы для обслуживающего персонала и шкафы с контрольно-измерительной аппаратурой) должны иметь конструкцию и/или адекватную вентиляцию, чтобы не допустить в них опасной концентрации водорода.
| | ИС МЕГАНОРМ: примечание. В официальном тексте документа, видимо, допущена опечатка: имеется в виду п. A.5.6, а не 5.6. | |
В некоторых случаях необходимо применение принудительной вентиляции (см.
5.6). В этом случае следует применять вытяжные не искрящие вентиляторы или, если используется сжатый воздух, выходной патрубок должен быть заземлен.
Особое внимание следует уделить любой зоне, работа в которой происходит при высокой температуре или в которой возможно возникновение искрения.
A.6 Работа генератора и вспомогательного оборудования
A.6.1 Источники воспламенения
Вблизи от генератора и его вспомогательного оборудования недопустимо курение, наличие открытого огня, сварки или других источников воспламенения.
A.6.2 Водородно-воздушная смесь
Внутри генератора недопустимо наличие водородно-воздушной смеси. В нормальных рабочих условиях степень чистоты водорода должна быть не менее 95% объемных. Если она становится менее 90% и ее невозможно быстро увеличить, установка должна быть отключена быстрее, чем степень чистоты достигнет значения 85% и генератор нужно будет очистить от водорода.
Необходимо иметь, по крайней мере, две независимые системы определения степени чистоты водорода. Если все измерительные системы отказали, генератор должен быть отключен и очищен от водорода.
A.6.3 Замещение воздуха или водорода
Отсутствуют методы прямой замены воздуха водородом или обратное замещение. В обоих случаях очистка генератора проводится с помощью инертного газа, например, диоксида углерода CO2. Очистка продолжается до тех пор, пока концентрация вытесняемого газа не достигнет безопасного уровня при контроле его на выходе вентиляционной трубы.
Примечание - Согласно установившейся международной практике этот уровень считается достигнутым, когда содержание контролируемого инертного газа равно 75 - 90% объемных.
Во время очистки запрещается проведение любых электрических испытаний генератора, пока не достигнуты окончательные результаты вытеснения водорода или воздуха.
Если для вытеснения инертного газа используется сжатый воздух, соединение с источником воздуха не должно допускать попадания его в генератор кроме как для этой цели. Это осуществляется путем соответствующей блокировки между вентилями, обеспечивающими подачу воздуха, инертного газа или водорода или путем применения легко отсоединяемого воздушного патрубка. Этот патрубок присоединяется только на время вытеснения инертного газа и удаляется сразу после этого.
Чтобы люди, работающие в зонах, расположенных ниже генератора, не задохнулись оболочки, дающие доступ к генератору, подшипниковые щиты и другие элементы не снимаются, пока содержание инертного газа не уменьшится до 5% и давление в генераторе не упадет до атмосферного.
Чтобы любой человек при входе в генератор не задохнулся, любые полости с инертным газом внизу генератора должны быть проветрены с помощью местной вентиляции с использованием сжатого газа или не искрящего вентилятора.
Генератор не предназначен для работы в среде инертного газа, поэтому он не должен работать в этой среде при скорости и давлении,

максимальных рекомендуемых производителем.
При аварийном отключении, когда требуется очистка генератора от водорода, инертный газ может подаваться только при скорости, ниже предельной, рекомендуемой производителем. Эта процедура может применяться только когда количество доступного инертного газа достаточно для покрытия увеличенных потерь в вентиляционной трубе, вызванных наличием смеси двух газов.
A.6.4 Питание масляных уплотнений и давление водорода
Система масляных уплотнений нормально находится в рабочем состоянии и имеет ряд резервных насосов.
Генератор не должен работать при давлении водорода,

давления, развиваемого насосами масляных уплотнений.
Генератор должен быть отключен и очищен от водорода, если все поддерживающие давление в масляных уплотнениях насосы не доступны.
A.6.5 Газовые уплотнения
Газовые уплотнения генератора должны постоянно контролироваться путем записи уровня содержания водорода. Если содержание водорода существенно возросло относительно нормально принятого уровня для генератора, находящегося в хорошем состоянии, причину возросших потерь идентифицируют без задержки.
Если утечку не удается быстро обнаружить и устранить, следует проверить зоны возможного скопления водорода на предмет его опасной концентрации. Если утечки видны, следует принять меры по их безопасному устранению. Если утечка существует и не может быть существенно уменьшена путем понижения давления водорода и нагрузки, генератор должен быть отключен для более полной проверки зон (например, около выводов), недоступных во время его работы. После этого генератор должен быть очищен от водорода для возможности проведения ремонтных работ.
Абсолютная утечка не должна превышать уровень 18 м3 (при нормальном давлении и температуре) в сутки. Потери водорода, которые могут измеряться и отводиться через вентиляционные трубы без повреждений, могут быть снижены путем измерения общих потерь газа, прежде чем достигнут указанный предельный уровень.
Примечание 1 - В крупных генераторах, работающих при повышенном давлении водорода, может быть превышен указанный уровень утечки. В этом случае рекомендуется пользоваться потреблением водорода, заданным производителем, как референтным.
Примечание 2 - Когда отсутствует разница в потреблении водорода (газ, поступающий в генератор) и его утечкой (газ, выходящий из генератора по неопределенным путям утечки), потребление водорода может превышать утечку из-за, например, потерь газа в масляных уплотнениях.
Ремонтные работы выполняются после объявления о том, что зона очищена от газа.
A.6.6 Система водоснабжения
Если давление водорода в генераторе больше, чем давление воды в охладителях или, в случае водяного охлаждения обмоток, давления воды в обмотках, водород может проникать в систему водоснабжения и переноситься на значительное от генератора расстояние. При высоком потреблении водорода в системе водоснабжения должен быть предусмотрен контроль за такой возможностью.
Должно быть предусмотрено безопасное удаление газа.
A.7 Инструкция по правильному применению вентиляции
Если объем утечки водорода L (м3) тщательно смешать с объемом воздуха 100L/p (м3), то концентрация водорода будет равна p (%) и она может быть снижена до безопасного уровня путем соответствующего притока воздуха в полости, где может скапливаться водород.
Например, если общая допустимая утечка водорода в данное пространство равна 18 м3 в сутки, то прокачка воздуха, равная 125 м3 в час обеспечит концентрацию водорода в нем p = 0,6%, что гораздо меньше минимальной взрывоопасной концентрации, равной 4%.
В терминах, привычных специалистам по вентиляции, если полость имеет объем
V (м
3), то воздух внутри нее должен сменяться

раз в час, так чтобы

.
V, м3 | 1 | 5 | 25 | 125 | 500 |
 , 1/час | 125 | 25 | 5 | 1 | 0,25 |
(справочное)
СВЕДЕНИЯ О СООТВЕТСТВИИ ССЫЛОЧНЫХ МЕЖДУНАРОДНЫХ СТАНДАРТОВ
ССЫЛОЧНЫМ МЕЖГОСУДАРСТВЕННЫМ СТАНДАРТАМ
Таблица ДА.1
Обозначение ссылочного международного стандарта | Степень соответствия | Обозначение и наименование соответствующего межгосударственного стандарта |
IEC 60034-1 | IDT | ГОСТ IEC 60034-1-2014 Машины электрические вращающиеся. Часть 1. Номинальные значения параметров и эксплуатационные характеристики |
IEC 60034-4 | IDT | ГОСТ IEC 60034-4-2015 <1> Машины электрические вращающиеся. Часть 4. Методы экспериментального определения параметров синхронных машин |
IEC 60045-1 | - | |
IEC 60079-0 | MOD | ГОСТ 31610.0-2014/IEC 60079-0:2011 Взрывоопасные среды. Часть 0. Оборудование. Общие требования |
| | ИС МЕГАНОРМ: примечание. В официальном тексте документа, видимо, допущена опечатка: стандарт имеет номер ГОСТ IEC 60079-1-2011, а не ГОСТ IEC 60079-1-2013. | |
|
IEC 60079-1 | MOD | ГОСТ IEC 60079-1-2013 Взрывоопасные среды. Часть 1. Оборудование с видом взрывозащиты "взрывонепроницаемые оболочки "d" |
| | ИС МЕГАНОРМ: примечание. В официальном тексте документа, видимо, допущена опечатка: стандарт имеет номер ГОСТ IEC 60079-2-2011, а не ГОСТ IEC 60079-2-2013. | |
|
IEC 60079-2 | IDT | ГОСТ IEC 60079-2-2013 Взрывоопасные среды. Часть 2. Оборудование с видом взрывозащиты "оболочки под избыточным давлением "p" |
IEC 60079-5 | IDT | ГОСТ 31610.5-2012/IEC 60079-5:2007 Электрооборудование для взрывоопасных газовых сред. Часть 5. Кварцевое заполнение оболочки "q" |
IEC 60079-6 | IDT | ГОСТ 31610.6-2015/IEC 60079-6:2015 Взрывоопасные среды. Часть 6. Оборудование с видом взрывозащиты "масляное заполнение оболочки "o" |
IEC 60079-7 | IDT | ГОСТ 31610.7-2012/IEC 60079-7:2006 Электрооборудование для взрывоопасных газовых сред. Часть 7. Повышенная защита вида "e" |
IEC 60079-10-1 | IDT | |
IEC 60079-10-2 | IDT | |
IEC 60079-11 | MOD | ГОСТ 31610.11-2014/IEC 60079-11:2011 Взрывоопасные среды. Часть 11. Оборудование с видом взрывозащиты "искробезопасная электрическая цепь "i" |
IEC 60079-13 | MOD | ГОСТ 31610.13-2014/IEC 60079-13:2010 Взрывоопасные среды. Часть 13. Защита оборудования помещениями под избыточным давлением "p" |
IEC 60079-14 | IDT | |
IEC 60079-15 | IDT | ГОСТ 31610.15-2014/IEC 60079-15:2010 "Взрывоопасные среды. Часть 15. Оборудование с видом взрывозащиты "n" |
IEC/TR 60079-16 | MOD | ГОСТ 30852.15-2002 (IEC 60079-16:1990) Электрооборудование взрывозащищенное. Часть 16. Принудительная вентиляция для защиты помещений, в которых устанавливают анализаторы |
--------------------------------
<1> На территории Российской Федерации действует ГОСТ Р МЭК 60034-4-2012.
Продолжение таблицы ДА.1
Обозначение ссылочного международного стандарта | Степень соответствия | Обозначение и наименование соответствующего межгосударственного стандарта |
IEC 60079-17 | IDT | |
IEC 60079-18 | MOD | ГОСТ 30852.17-2002 (МЭК 60079-18:1992) Электрооборудование взрывозащищенное. Часть 18. Взрывозащита вида "Герметизация компаундом (m)" |
IEC 60079-19 | IDT | ГОСТ 31610.19-2014/IEC 60079-19:2010 "Взрывоопасные среды. Часть 19. Ремонт, проверка и восстановление электрооборудования" |
IEC 60079-20-1 | - | |
IEC 60079-25 | - | |
IEC 60079-26 | IDT | ГОСТ 31610.26-2012/IEC 60079-26:2006 Взрывоопасные среды. Часть 26. Оборудование с уровнем взрывозащиты оборудования Ga |
IEC 60079-28 | IDT | ГОСТ 31610.28-2012/IEC 60079-28:2006 Взрывоопасные среды. Часть 28. Защита оборудования и передающих систем, использующих оптическое излучение |
IEC 60079-29-1 | IDT | ГОСТ IEC 60079-29-1-2013 Взрывоопасные среды. Часть 29-1. Газоанализаторы. Требования к эксплуатационным характеристикам газоанализаторов горючих газов |
IEC 60079-29-2 | IDT | ГОСТ IEC 60079-29-2-2013 Взрывоопасные среды. Часть 29-2. Газоанализаторы. Требования к выбору, монтажу, применению и техническому обслуживанию газоанализаторов горючих газов и кислорода |
IEC 60079-29-3 | IDT | ГОСТ IEC 60079-29-3-2013 Взрывоопасные среды. Часть 29-3. Газоанализаторы. Руководство по функциональной безопасности стационарных газоаналитических систем |
IEC 60079-29-4 | - | |
IEC 60079-30-1 | IDT | ГОСТ IEC 60079-30-1-2011 Взрывоопасные среды. Резистивный распределенный электронагреватель. Часть 30-1. Общие технические требования и методы испытаний |
IEC 60079-30-2 | IDT | ГОСТ IEC 60079-30-2-2011 Взрывоопасные среды. Электронагреватель резистивный распределенный. Часть 30-2. Руководство по проектированию, установке и техническому обслуживанию |
IEC 60079-31 | IDT | ГОСТ IEC 60079-31-2013 Взрывоопасные среды. Часть 31. Оборудование с защитой от воспламенения пыли оболочками "t" |
IEC/TS 60079-32-1 | - | ГОСТ 31610.32-1-2015/IEC/TS 60079-32-1:2013 Взрывоопасные среды. Часть 32-1. Электростатика. Опасные проявления. Руководство |
IEC 60079-32-2 | - | |
IEC 60079-33 | MOD | ГОСТ 31610.33-2014/IEC 60079-33:2012 "Взрывоопасные среды. Часть 33. Оборудование со специальным видом взрывозащиты "s" |
IEC 60079-35-1 | MOD | ГОСТ 31610.35-1-2014/IEC 60079-35-1:2011 Взрывоопасные среды. Часть 35-1. Головные светильники для применения в шахтах, опасных по рудничному газу. Общие требования и методы испытаний, относящиеся к риску взрыва |
IEC 60079-35-2 | IDT | ГОСТ IEC 60079-35-2-2013 Взрывоопасные среды. Часть 35-2. Головные светильники для применения в шахтах, опасных по рудничному газу. Эксплуатационные и другие характеристики, относящиеся к безопасности |
IEC/TS 60079-40 | - | |
<*> Соответствующий межгосударственный стандарт отсутствует. До его утверждения рекомендуется использовать перевод на русский язык данного международного стандарта. Перевод данного международного стандарта находится в Федеральном информационном фонде технических регламентов и стандартов. Примечание - В настоящей таблице использованы следующие условные обозначения степени соответствия стандартов: - IDT - идентичные стандарты; - MOD - модифицированные стандарты. |
--------------------------------
<2> На территории Российской Федерации действует ГОСТ Р МЭК 60079-25-2012.
IEC 60034-8 | Rotating electrical machines - Part 8: Terminal markings and direction of rotation (Машины электрические вращающиеся. Часть 8. Маркировка выводов и направление вращения) |
УДК 621.313.322-81:006.354 | | IDT |
Ключевые слова: машины электрические вращающиеся, трехфазные синхронные генераторы с приводом от паровых или газовых турбин с воздушным, водородным или жидкостным охлаждением |