Главная // Актуальные документы // ГОСТ (Государственный стандарт)СПРАВКА
Источник публикации
М.: Стандартинформ, 2018
Примечание к документу
Документ включен в Перечень международных и региональных (межгосударственных) стандартов (
п. п. 122,
131,
206), а в случае их отсутствия - национальных (государственных) стандартов, содержащих правила и методы исследований (испытаний) и измерений, в том числе правила отбора образцов, необходимые для применения и исполнения требований технического
регламента Таможенного союза "О требованиях к автомобильному и авиационному бензину, дизельному и судовому топливу, топливу для реактивных двигателей и мазуту" (ТР ТС 013/2011) и осуществления оценки соответствия объектов технического регулирования (
Решение Коллегии Евразийской экономической комиссии от 15.08.2023 N 114).
Документ
введен в действие с 1 июля 2019 года.
Название документа
"ГОСТ 5066-2018. Межгосударственный стандарт. Топлива моторные. Методы определения температур помутнения, начала кристаллизации и замерзания"
(введен в действие Приказом Росстандарта от 27.09.2018 N 660-ст)
"ГОСТ 5066-2018. Межгосударственный стандарт. Топлива моторные. Методы определения температур помутнения, начала кристаллизации и замерзания"
(введен в действие Приказом Росстандарта от 27.09.2018 N 660-ст)
агентства по техническому
регулированию и метрологии
от 27 сентября 2018 г. N 660-ст
МЕЖГОСУДАРСТВЕННЫЙ СТАНДАРТ
ТОПЛИВА МОТОРНЫЕ
МЕТОДЫ ОПРЕДЕЛЕНИЯ ТЕМПЕРАТУР ПОМУТНЕНИЯ,
НАЧАЛА КРИСТАЛЛИЗАЦИИ И ЗАМЕРЗАНИЯ
Motor fuels. Methods for determination of cloud,
chilling and freezing points
ГОСТ 5066-2018
Дата введения
1 июля 2019 года
Цели, основные принципы и основной порядок проведения работ по межгосударственной стандартизации установлены в
ГОСТ 1.0-2015 "Межгосударственная система стандартизации. Основные положения" и
ГОСТ 1.2-2015 "Межгосударственная система стандартизации. Стандарты межгосударственные, правила и рекомендации по межгосударственной стандартизации. Правила разработки, принятия, обновления и отмены"
1 РАЗРАБОТАН Межгосударственным техническим комитетом по стандартизации МТК 31 "Нефтяные топлива и смазочные материалы", Акционерным обществом "Всероссийский научно-исследовательский институт по переработке нефти" (АО "ВНИИ НП")
2 ВНЕСЕН Федеральным агентством по техническому регулированию и метрологии
3 ПРИНЯТ Межгосударственным советом по стандартизации, метрологии и сертификации (протокол от 30 августа 2018 г. N 111-П)
За принятие проголосовали:
Краткое наименование страны по МК (ИСО 3166) 004-97 | Код страны по МК (ИСО 3166) 004-97 | Сокращенное наименование национального органа по стандартизации |
Азербайджан | AZ | Азстандарт |
Армения | AM | Минэкономики Республики Армения |
Беларусь | BY | Госстандарт Республики Беларусь |
Грузия | GE | Грузстандарт |
Казахстан | KZ | Госстандарт Республики Казахстан |
Киргизия | KG | Кыргызстандарт |
Молдова | MD | Институт стандартизации Молдовы |
Россия | RU | Росстандарт |
Таджикистан | TJ | Таджикстандарт |
Туркменистан | TM | Главгосслужба "Туркменстандартлары" |
Узбекистан | UZ | Узстандарт |
Украина | UA | Минэкономразвития Украины |
4
Приказом Федерального агентства по техническому регулированию и метрологии от 27 сентября 2018 г. N 660-ст межгосударственный стандарт ГОСТ 5066-2018 введен в действие в качестве национального стандарта Российской Федерации с 1 июля 2019 г.
Информация об изменениях к настоящему стандарту публикуется в ежегодном информационном указателе "Национальные стандарты", а текст изменений и поправок - в ежемесячном информационном указателе "Национальные стандарты". В случае пересмотра (замены) или отмены настоящего стандарта соответствующее уведомление будет опубликовано в ежемесячном информационном указателе "Национальные стандарты". Соответствующая информация, уведомление и тексты размещаются также в информационной системе общего пользования - на официальном сайте Федерального агентства по техническому регулированию и метрологии в сети Интернет (www.gost.ru)
Настоящий стандарт распространяется на моторные топлива: авиационные бензины, реактивные и дизельные топлива и устанавливает два метода их испытаний:
- метод А (по
ГОСТ ISO 3013) - определение температуры начала кристаллизации и температуры замерзания;
- метод Б - определение температуры помутнения и температуры начала кристаллизации.
Сущность методов состоит в охлаждении пробы топлива и определении температуры помутнения, появления первых кристаллов, а также исчезновения кристаллов углеводородов.
В настоящем стандарте использованы нормативные ссылки на следующие межгосударственные стандарты:
ГОСТ 131-2013 Спирт этиловый-сырец из пищевого сырья. Технические условия
ГОСТ 400-80 Термометры стеклянные для испытаний нефтепродуктов. Технические условия
ГОСТ ISO 3013-2016 Топлива авиационные. Определение температуры начала кристаллизации и температуры замерзания
ГОСТ 5962-2013 Спирт этиловый ректификованный из пищевого сырья. Технические условия
ГОСТ 6053-77 Реактивы. Натрий сернокислый кислый. Технические условия
ГОСТ 9293-74 (ИСО 2435-73) Азот газообразный и жидкий. Технические условия
ГОСТ 12026-76 Бумага фильтровальная лабораторная. Технические условия
ГОСТ 18300-87 Спирт этиловый ректификованный технический. Технические условия <*>
--------------------------------
<*> В Российской Федерации действует
ГОСТ Р 55878-2013 "Спирт этиловый технический гидролизный ректификованный. Технические условия".
Примечание - При пользовании настоящим стандартом целесообразно проверить действие ссылочных стандартов в информационной системе общего пользования - на официальном сайте Федерального агентства по техническому регулированию и метрологии в сети Интернет или ежегодному информационному указателю "Национальные стандарты", который опубликован по состоянию на 1 января текущего года, и по выпускам ежемесячного информационного указателя "Национальные стандарты" за текущий год. Если ссылочный стандарт заменен (изменен), то при пользовании настоящим стандартом следует руководствоваться заменяющим (измененным) стандартом. Если ссылочный стандарт отменен без замены, то положение, в котором дана ссылка на него, применяется в части, не затрагивающей эту ссылку.
В настоящем стандарте применены следующие термины с соответствующими определениями:
4.1 температура помутнения (cloud point): Температура топлива, при которой происходит образование кристаллической структуры парафина, вызывая помутнение при охлаждении в установленных условиях.
Примечание - Помутнение появляется при достаточно низкой температуре топлива, при которой происходит осаждение кристаллов парафина. В однородной жидкости помутнение всегда вначале отмечается в той части образца, где температура топлива является самой низкой.
4.2 температура начала кристаллизации (crystallization point): Температура, при которой при охлаждении топлива появляются первые кристаллы углеводорода.
4.3 температура замерзания (freezing point): Температура, при которой образовавшиеся при охлаждении твердые кристаллы углеводородов исчезают при повышении температуры топлива.
5 Метод А. Определение температуры начала кристаллизации и температуры замерзания авиационных топлив
Определение температуры начала кристаллизации и температуры замерзания авиационных топлив проводят по
ГОСТ ISO 3013 со следующими дополнениями
5.1 Аппаратура и реактивы
Термометр ТИН-8 по
ГОСТ 400 или аналогичный с ценой деления не более 0,5 °C.
Жидкости охлаждающие: спирт этиловый ректификованный технический по
ГОСТ 18300 или ацетон технический по
ГОСТ 2603 с твердой углекислотой, или жидкий азот по
ГОСТ 9293, или жидкий воздух.
6 Метод Б. Определение температуры помутнения и температуры начала кристаллизации
6.1 Аппаратура и реактивы
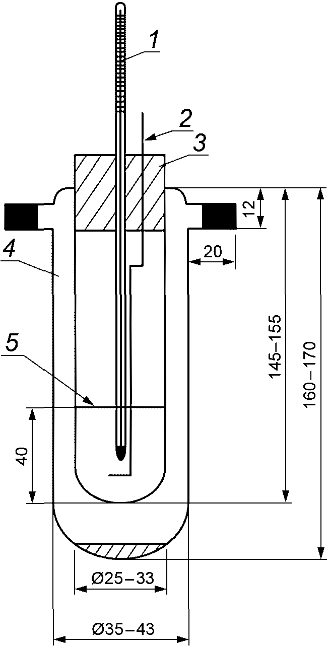
6.1.1 Пробирки стеклянные с двойными стенками (см. рисунок 1) внутренним диаметром 25 - 33 мм, наружным диаметром 35 - 43 мм. Остальные размеры - по рисунку 1. На внутренней стенке пробирки должна быть кольцевая метка на высоте 40 мм от дна. Боковые отростки пробирки могут быть запаяны или открыты. В последнем случае для предупреждения появления росы на стенках пробирки на дно наружной пробирки наливают 0,5 - 1,0 см3 концентрированной серной кислоты.
1 - термометр; 2 - мешалка; 3 - пробка;
4 - пробирка; 5 - кольцевая метка
Рисунок 1 - Пробирка с двойными стенками и мешалкой
6.1.2 Мешалки ручные или механические из нержавеющей стали, алюминия или стекла (см.
рисунок 1). Каждая мешалка должна иметь выступ, не позволяющий нижней части мешалки подниматься выше уровня топлива.
6.1.3 Сосуд цилиндрический для охлаждающей смеси высотой не менее 200 мм, диаметром не менее 120 мм. Сосуд покрывают слоем тепловой изоляции. Крышка сосуда (деревянная или из пенопласта) должна иметь отверстия для пробирки с двойными стенками, термометра и подачи твердой углекислоты. В качестве сосуда для охладительной смеси рекомендуется применять сосуд-термос соответствующих размеров, который вставляют в фарфоровый стакан с ватой или в специальную деревянную подставку.
6.1.4 Термометры ТН-6 по
[1] или ТН-8 по
ГОСТ 400, или аналогичные с ценой деления не более 1 °C, обеспечивающие измерение заданной температуры.
6.1.5 Термометр жидкостный низкоградусный любого типа с градуировкой шкалы от минус 80 °C (для измерения температуры охлаждающей смеси), обеспечивающий измерение заданной температуры.
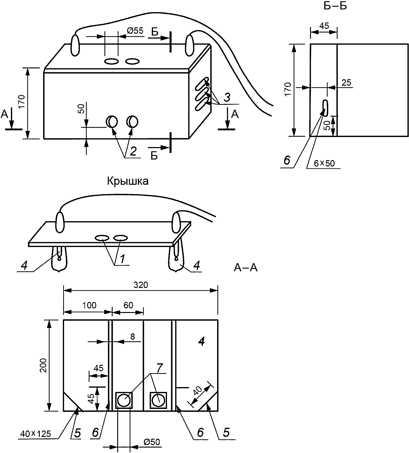
6.1.6 Прибор с зеркальным отражением света (см. рисунок 2) для лучшего наблюдения помутнения и появления кристаллов в топливе. Прибор представляет собой металлический или деревянный прямоугольный ящик с огнестойким покрытием, разделенный глухой перегородкой на два одинаковых отделения. Каждое отделение, в свою очередь, разделяется на два отсека по всей высоте перегородкой с отверстием-щелью для прохождения отраженного света и выступом, расположенным перпендикулярно к ней. Ящик должен быть снабжен крышкой с двумя вмонтированными электролампами мощностью 100 - 150 Вт, которые при закрывании крышки располагают в крайних отсеках, и с двумя отверстиями для опускания пробирок с испытуемым топливом в средние отсеки ящика. Передняя стенка ящика имеет два отверстия для наблюдения за испытуемым топливом. Наружная передняя стенка ящика, внутренняя сторона крышки и внутренние части средних и крайних отсеков до выступа (где расположены зеркала) окрашены в черный цвет, а внутренняя часть крайних отсеков после выступа (где расположены лампы) - в белый цвет. Перегородки, разделяющие каждое отделение на отсеки, должны иметь теплоизоляционную прокладку. Боковые и задняя стенки ящика должны иметь вентиляционные щели. На дно ящика устанавливают деревянные подставки с выемками для придания устойчивости пробиркам. Отверстия-щели прикрывают матовыми стеклами.

1 - отверстия для пробирок; 2 - отверстия для наблюдения;
3 - вентиляционные щели; 4 - электролампы; 5 - зеркала;
6 - щели для прохождения света; 7 - подставки
с выемкой для установки пробирок
Рисунок 2 - Общий вид прибора с зеркальным отражением света
6.1.7 Установка лабораторная для определения температуры помутнения и начала кристаллизации.
6.1.8 Баня водяная.
Примечание - Допускается применять полуавтоматические и автоматические приборы, обеспечивающие получение результатов с точностью не ниже установленной в настоящем стандарте.
6.1.9 Смесь охлаждающая, в качестве которой применяют спирт этиловый ректификованный из пищевого сырья по
ГОСТ 5962, спирт этиловый технический гидролизный ректификованный по
стандарту [2], спирт этиловый-сырец по
ГОСТ 131, спирт этиловый ректификованный технический по
ГОСТ 18300 или любую другую жидкость, обеспечивающую в смеси с твердой углекислотой, жидким азотом по
ГОСТ 9293 или сухим воздухом заданную температуру охлаждения. При разногласиях в оценке качества моторного топлива, а также при определении температуры замерзания топлив для реактивных двигателей в качестве охлаждающей смеси применяют только этиловый спирт и твердую углекислоту.
6.1.11 Кальций хлористый обезвоженный по
[3].
6.1.14 Допускается использовать аппаратуру импортного производства с метрологическими характеристиками не хуже установленных настоящим стандартом и реактивы чистотой не хуже, чем у указанных выше.
6.2 Подготовка к испытанию
6.2.1 Пробу необезвоженного испытуемого топлива хранят в бутылке, тщательно закупоренной пробкой. Перед испытанием температура топлива должна быть 18 °C - 20 °C. Топливо тщательно перемешивают в бутылке, заполненной не более чем на 3/4, встряхиванием в течение 5 мин. При необходимости топливо перед испытанием фильтруют через сухой фильтр, а при наличии воды - сначала обезвоживают, взбалтывая в течение 10 - 15 мин со свежепрокаленным и измельченным сульфатом натрия или с зерненным хлористым кальцием, дают хорошо отстояться и затем фильтруют через сухой фильтр.
6.2.2 Для испытания подготавливают две чистые сухие пробирки с двойными стенками. Первая пробирка предназначена для испытания топлива в охлаждающей смеси. Если боковые отростки этой пробирки не запаяны, то на дно наружной части пробирки наливают 0,5 - 1,0 см
3 серной кислоты и плотно закрывают отверстия отростков. Во внутреннюю часть пробирки наливают испытуемое топливо, подготовленное по
6.2.1, до высоты метки. Во внутреннюю часть второй пробирки также наливают испытуемое топливо до высоты метки.
6.2.3 Каждую из пробирок закрывают корковой пробкой с термометром и мешалкой. Термометр вставляют таким образом, чтобы его ртутный резервуар находился в пробирке на расстоянии 15 мм от дна и на равном расстоянии от стенок. Вторую пробирку (с термометром и мешалкой) вставляют в качестве прозрачного эталона в прибор с зеркальным отражением света или при наличии хорошего проходящего света - в штатив для пробирок.
6.2.4 В сосуд для охлаждающей смеси опускают термометр, наливают спирт и охлаждают его добавлением углекислоты. Первую пробирку с испытуемым образцом вставляют в охлаждающий сосуд через центральное отверстие в его крышке. Уровень налитой в сосуд охлаждающей смеси должен быть на 30 - 40 мм выше уровня топлива в пробирке. Температуру охлаждающей смеси понижают, постепенно добавляя к ней углекислоту так, чтобы температура смеси постоянно была на (15 +/- 2) °C ниже температуры налитого в пробирку топлива.
6.3.1 Определение температуры помутнения без обезвоживания топлива
6.3.1.1 Топливо во время охлаждения перемешивают ручной или механической мешалкой со скоростью от 60 до 200 движений (одно движение - спуск мешалки до дна и поднятие до уровня топлива) в минуту. При ручном перемешивании непрерывность движений должна составлять не менее 20 с и отдых - не более 15 с. За 5 °C до ожидаемой температуры помутнения пробирку вынимают из бани, быстро опускают в стакан со спиртом, а затем вставляют в прибор с зеркальным отражением света, одновременно включая в нем лампы, и наблюдают сквозь смотровые отверстия в передней стенке ящика состояние топлива по сравнению с прозрачным эталоном. Продолжительность операции наблюдения помутнения испытуемого топлива от начала извлечения пробирки из охладительной смеси до погружения ее обратно в смесь должна быть не более 12 с. После каждого наблюдения выключают лампы. При наличии хорошего проходящего света пробирку с испытуемым топливом устанавливают вместо прибора с зеркальным отражением света в штатив для пробирок - рядом с прозрачным эталоном.
6.3.1.2 Если топливо по сравнению с прозрачным эталоном не изменилось (легкую опалесценцию - слегка матовый оттенок, не увеличивающийся при дальнейшем понижении температуры, во внимание не принимают), пробирку снова опускают в баню и дальнейшее наблюдение проводят через каждый градус. Сравнительные наблюдения с прозрачным эталоном проводят до тех пор, пока топливо не станет отличаться от эталона, т.е. когда в нем появится муть. Температуру, при которой в испытуемом топливе наблюдается появление мути, принимают за температуру помутнения данного образца топлива.
6.3.1.3 Если требуется только проверить, соответствует ли продукт по температуре помутнения норме, установленной стандартом на него, то проверяют, остается ли топливо прозрачным после его испытания по
6.2.2 -
6.3.1 при температуре на 1 °C выше температуры, установленной стандартом на испытуемое топливо, и при температуре, установленной этим стандартом.
6.3.2 Определение температуры начала кристаллизации без обезвоживания топлива
6.3.2.1 После определения температуры помутнения испытуемое топливо продолжают охлаждать, поддерживая тот же перепад температуры между температурой охлаждающей смеси и температурой топлива в пробирке. Во время охлаждения топливо продолжают перемешивать. За 5 °C до ожидаемой температуры начала кристаллизации пробирку вынимают из бани, быстро опускают в стакан со спиртом, затем устанавливают в прибор с зеркальным отражением света или в штатив для пробирок и наблюдают состояние испытуемого топлива. Если кристаллы в топливе не появились, пробирку снова опускают в баню и дальнейшее наблюдение проводят через каждый градус, соблюдая продолжительность единичного наблюдения не более 12 с.
6.3.2.2 За температуру начала кристаллизации принимают максимальную температуру, которую показывает термометр при появлении в топливе первых кристаллов, видимых невооруженным глазом.
6.3.3 При определении температуры помутнения и начала кристаллизации опыт проводят два раза. Для второго опыта из той же бутылки (сохраняющейся в период между первым и вторым определениями в одинаковых температурных условиях) отбирают новый образец испытуемого топлива в предварительно вымытую и высушенную пробирку.
6.3.4 Определение температуры помутнения с обезвоживанием топлива (для дизельных топлив)
6.3.4.1 Пробирку с испытуемым топливом и термометром, подготовленными в соответствии с
6.2.1 -
6.2.3, помещают в водяную баню с температурой 80 °C - 100 °C и выдерживают до тех пор, пока топливо не достигнет температуры (50 +/- 1) °C.
6.3.4.2 В сосуд для охлаждающей смеси опускают термометр, наливают спирт и охлаждают его добавлением твердой углекислоты так, чтобы температура охлаждающей смеси была на 10 °C ниже намеченной температуры помутнения испытуемого топлива. Уровень налитой в сосуд охладительной смеси должен быть на 30 - 40 мм выше уровня топлива в пробирке.
6.3.4.3 Пробирку с испытуемым топливом вынимают из водяной бани, охлаждают до температуры 30 °C - 40 °C, а затем помещают в сосуд с охлаждающей смесью. Температуру охлаждающей смеси в течение всего времени охлаждения поддерживают с точностью до +/- 2 °C. За 5 °C до ожидаемой температуры помутнения пробирку вынимают из охлаждающей смеси, быстро протирают ее снаружи спиртом и далее проводят наблюдение помутнения испытуемого топлива так же, как в
6.3.1.
6.3.4.4 Проводят два определения. Для второго определения берут новый образец испытуемого топлива и наливают в предварительно вымытую и высушенную пробирку.
6.4.1 За результат испытания принимают среднеарифметическое значение результатов двух последовательных определений. Результат округляют до целого числа.
6.4.2 Повторяемость r
Расхождение между результатами двух последовательных определений, полученных одним и тем же оператором на одной и той же аппаратуре при постоянных рабочих условиях на идентичном испытуемом материале при нормальном и правильном выполнении метода испытания, может превышать 1 °C только в одном случае из двадцати.
6.4.3 Воспроизводимость R
Расхождение между двумя независимыми результатами испытаний, полученными разными операторами, работающими в разных лабораториях, на идентичном испытательном материале в течение длительного времени при нормальном и правильном выполнении метода испытания, может превышать 3 °C только в одном случае из двадцати.
| ТУ 92-887.019 | Термометры стеклянные для испытания нефтепродуктов |
| | Спирт этиловый технический гидролизный ректификованный. Технические условия |
| ТУ 6-09-4711 | Реактивы. Кальций хлористый (обезвоженный), чистый |