Главная // Актуальные документы // ГОСТ (Государственный стандарт)СПРАВКА
Источник публикации
М.: ФГБУ "РСТ", 2021
Примечание к документу
Документ включен в
Перечень международных и региональных (межгосударственных) стандартов, а в случае их отсутствия - национальных (государственных) стандартов, в результате применения которых на добровольной основе обеспечивается соблюдение требований технического
регламента Таможенного союза "О безопасности машин и оборудования" (ТР ТС 010/2011), и
Перечень международных и региональных (межгосударственных) стандартов, а в случае их отсутствия - национальных (государственных) стандартов, содержащих правила и методы исследований (испытаний) и измерений, в том числе правила отбора образцов, необходимые для применения и исполнения требований технического
регламента Таможенного союза "О безопасности машин и оборудования" (ТР ТС 010/2011) и осуществления оценки соответствия объектов технического регулирования (
Решение Коллегии Евразийской экономической комиссии от 09.03.2021 N 28).
Документ
введен в действие с 01.01.2022.
Название документа
"ГОСТ EN 1093-7-2018. Межгосударственный стандарт. Безопасность машин. Оценка выбросов загрязняющих веществ. Часть 7. Эффективность очистки по массе с выходным каналом"
(введен в действие Приказом Росстандарта от 25.08.2021 N 810-ст)
"ГОСТ EN 1093-7-2018. Межгосударственный стандарт. Безопасность машин. Оценка выбросов загрязняющих веществ. Часть 7. Эффективность очистки по массе с выходным каналом"
(введен в действие Приказом Росстандарта от 25.08.2021 N 810-ст)
по техническому регулированию
и метрологии
от 25 августа 2021 г. N 810-ст
МЕЖГОСУДАРСТВЕННЫЙ СТАНДАРТ
БЕЗОПАСНОСТЬ МАШИН
ОЦЕНКА ВЫБРОСОВ ЗАГРЯЗНЯЮЩИХ ВЕЩЕСТВ
ЧАСТЬ 7
ЭФФЕКТИВНОСТЬ ОЧИСТКИ ПО МАССЕ С ВЫХОДНЫМ КАНАЛОМ
Safety of machinery. Evaluation of the emission
of airborne hazardous substances. Part 7. Separation
efficiency by mass, ducted outlet
(EN 1093-7:1998+A1:2008, IDT)
ГОСТ EN 1093-7-2018
Дата введения
1 января 2022 года
Цели, основные принципы и общие правила проведения работ по межгосударственной стандартизации установлены
ГОСТ 1.0 "Межгосударственная система стандартизации. Основные положения" и
ГОСТ 1.2 "Межгосударственная система стандартизации. Стандарты межгосударственные, правила и рекомендации по межгосударственной стандартизации. Правила разработки, принятия, обновления и отмены"
1 ПОДГОТОВЛЕН Научно-производственным республиканским унитарным предприятием "Белорусский государственный институт стандартизации и сертификации" (БелГИСС) на основе собственного перевода на русский язык англоязычной версии стандарта, указанного в
пункте 5
2 ВНЕСЕН Государственным комитетом по стандартизации Республики Беларусь
3 ПРИНЯТ Межгосударственным советом по стандартизации, метрологии и сертификации по результатам голосования в АИС МГС (протокол от 27 июля 2018 г. N 110-П)
За принятие проголосовали:
Краткое наименование страны по МК (ИСО 3166) 004-97 | Код страны по МК (ИСО 3166) 004-97 | Сокращенное наименование национального органа по стандартизации |
Армения | AM | ЗАО "Национальный орган по стандартизации и метрологии" Республики Армения |
Беларусь | BY | Госстандарт Республики Беларусь |
Казахстан | KZ | Госстандарт Республики Казахстан |
Россия | RU | Росстандарт |
Киргизия | KG | Кыргызстандарт |
Таджикистан | TJ | Таджикстандарт |
Узбекистан | UZ | Узстандарт |
4
Приказом Федерального агентства по техническому регулированию и метрологии от 25 августа 2021 г. N 810-ст межгосударственный стандарт ГОСТ EN 1093-7-2018 введен в действие в качестве национального стандарта Российской Федерации с 1 января 2022 г.
5 Настоящий стандарт идентичен европейскому стандарту EN 1093-7:1998+A1:2008 "Безопасность машин. Оценка выбросов загрязняющих веществ. Часть 7. Эффективность очистки по массе с выходным каналом" ("Safety of machinery - Evaluation of the emission of airborne hazardous substances - Part 7: Separation efficiency by mass, ducted outlet", IDT).
При применении настоящего стандарта рекомендуется использовать вместо ссылочных европейских стандартов соответствующие им межгосударственные стандарты, сведения о которых приведены в дополнительном
приложении ДА
6 ВВЕДЕН ВПЕРВЫЕ
Информация о введении в действие (прекращении действия) настоящего стандарта и изменений к нему на территории указанных выше государств публикуется в указателях национальных стандартов, издаваемых в этих государствах, а также в сети Интернет на сайтах соответствующих национальных органов по стандартизации.
В случае пересмотра, изменения или отмены настоящего стандарта соответствующая информация будет опубликована на официальном интернет-сайте Межгосударственного совета по стандартизации, метрологии и сертификации в каталоге "Межгосударственные стандарты"
Европейский стандарт разработан Техническим комитетом по стандартизации CEN/TC 114 "Безопасность машин" Европейского комитета по стандартизации (CEN).
Европейский стандарт, на основе которого подготовлен настоящий стандарт, реализует существенные требования безопасности Директив 98/37/ЕС,
2006/42/ЕС, приведенные в
приложениях ZA,
ZB.
Европейский стандарт EN 1093 под общим заголовком "Безопасность машин. Оценка выбросов загрязняющих веществ" содержит следующие части:
- часть 1. Выбор методов испытаний;
- часть 2. Метод индикаторного газа для измерения уровня выбросов заданного загрязняющего вещества;
- часть 3. Стендовый метод измерения уровня выбросов заданного загрязняющего вещества;
- часть 4. Эффективность улавливания системы выпуска отработавших газов. Метод изотопных индикаторов;
- часть 6. Эффективность очистки по массе без выходного канала;
- часть 7. Эффективность очистки по массе с выходным каналом;
- часть 8. Стендовый метод измерения параметра концентрации;
- часть 9. Лабораторный метод измерения параметра концентрации;
- часть 11. Индекс очистки.
Настоящий стандарт устанавливает метод испытания для оценки эффективности разделения по массе систем очистки воздуха, работающих при определенных условиях. Метод должен применяться к системам, которые очищают воздух от аэрозолей (смог, пыль, дым, туман), паров или газов с определенным входящим и выходящим воздухом, которые могут быть соединены с измерительными каналами.
Измерение эффективности разделения по массе системы очистки воздуха при применении по назначению может служить для:
a) оценки эксплуатационной характеристики системы очистки воздуха;
b) оценки изменений, внесенных в конструкцию системы очистки воздуха;
c) сравнения систем очистки воздуха;
d) ранжирования систем очистки воздуха в зависимости от их эффективности очистки по массе;
e) классификации уровня развития науки и техники в отношении систем очистки воздуха с аналогичным применением по назначению с точки зрения эффективности очистки по массе.
В настоящем стандарте использованы нормативные ссылки на следующие стандарты. Для датированных ссылок применяют только указанное издание ссылочного стандарта, для недатированных - последнее издание (включая все изменения).
EN 292-1:1991 <*>, Safety of machinery - Basic concepts, general principles for design - Part 1: Basic terminology, methodology (Безопасность машин. Основные понятия, общие принципы конструирования. Часть 1. Основные термины, методика)
EN 292-2:1991 <*>, Safety of machinery - Basic concepts, general principles for design - Part 2: Technical principles and specifications (Безопасность машин. Основные понятия, общие принципы конструирования. Часть 2. Технические правила и технические требования)
EN 292-2/A1:1995 <*>, Safety of machinery - Basic concepts, general principles for design - Part 2: Technical principles and specifications; Amendment A1 (Безопасность машин. Основные понятия, общие принципы конструирования. Часть 2. Технические правила и технические требования (изменение 1))
--------------------------------
<*> Действует EN ISO 12100:2010. Однако для однозначного соблюдения требования настоящего стандарта, выраженного в датированной ссылке, рекомендуется использовать только указанное в этой ссылке издание.
ENV 1070:1993 <*>, Safety of machinery - Terminology (Безопасность оборудования. Термины и определения)
--------------------------------
<*> Заменен на EN 1070:1998 (отменен). Однако для однозначного соблюдения требования настоящего стандарта, выраженного в датированной ссылке, рекомендуется использовать только указанное в этой ссылке издание.
EN 1093-1, Safety of machinery - Evaluation of the emission of airborne hazardous substances - Part 1: Selection of test methods (Безопасность машин. Оценка выброса в атмосферу вредных веществ. Часть 1. Выбор методов испытаний)
В настоящем стандарте применены термины по ENV 1070:1993, а также следующий термин с соответствующим определением:
3.1
эффективность очистки по массе 
(tracer gas technique): Эффективность очистки по массе системы очистки воздуха для определенного загрязнителя - это отношение массы загрязнителя, задержанного системой очистки воздуха
m3, к массе загрязнителя, поступившего в систему очистки воздуха
m1 в течение заданного периода.
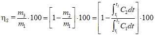
Эффективность очистки по массе системы очистки воздуха в процентном выражении определяется по следующей формуле:

. (1)
Принцип метода испытания заключается в работе системы очистки воздуха в определенных условиях и в определении массы испытательного вещества в воздухе до и после системы очистки воздуха.
Примечание - Испытательное вещество, которое может быть как реальным загрязнителем, так и имитатором загрязнителя, рекомендуется выбирать низкотоксичное и соответствующее требованиям испытания.
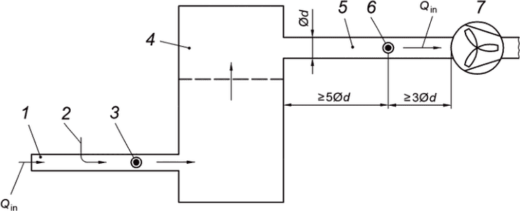
5 Описание испытательного стенда
| | ИС МЕГАНОРМ: примечание. В официальном тексте документа, видимо, допущена опечатка: рисунок 2 отсутствует. | |
Испытательный стенд состоит из системы очистки воздуха с соответствующими входными-выходным каналами (см.
рисунки 1 и 2). Если необходимо использовать дополнительный вентилятор, то он должен быть соединен с выходным каналом. Расход воздуха должен быть отрегулирован в соответствии с руководством по эксплуатации изготовителя системы очистки воздуха.
1 - входной канал; 2 - точка(и) подачи испытательного
вещества; 3 - измерительная точка 1; 4 - испытуемая
система очистки воздуха; 5 - выходной канал;
6 - измерительная точка 2; 7 - вентилятор
Рисунок 1 - Испытательный стенд (схематическое изображение)
Расход воздуха в системе очистки воздуха измеряют на входном и выходном канале. Испытательное вещество подается во входной канал соответствующим способом.
Воздух во входном канале должен быть очищен таким образом, чтобы в его составе отсутствовали вещества, которые могут повлиять на результат испытания.
6 Работа системы очистки воздуха
Система очистки воздуха должна работать в соответствии с применением по назначению и с установленным испытательным веществом. Для определенной категории систем очистки воздуха испытательное вещество (например, его основная характеристика, размер частиц) и его концентрация до системы очистки должны быть определены в стандартах типа C.
Система очистки воздуха должна работать в соответствии с руководством по эксплуатации изготовителя.
Удельный массовый расход испытательного вещества при испытаниях должен быть измерен или установлен в измерительных точках 1 и 2 (см.
рисунок 1) во временном интервале испытания от
t1 до
t2. Используемые методики измерения - в соответствии с действующими стандартами. Для измерения объемного расхода воздуха - см. ISO 3966:1977, ISO 4006:1991, ISO 4053-1:1977, ISO 5167-1:1991, ISO 5168:1978 и ISO 7145:1982. Рекомендуется применять измерительное оборудование одного типа до и после системы очистки воздуха. Если это невыполнимо, то для каждого используемого испытательного вещества должна быть установлена взаимосвязь между измерительным оборудованием до и после системы очистки воздуха.
В некоторых случаях эффективность очистки следует определять в соответствии с размерами частиц (см. EN 481).
Эффективность очистки по массе в некоторых системах очистки воздуха со временем изменяется, например, в фильтрах. Порядок отбора образцов должен учитывать фактор изменения эффективности очистки для того, чтобы получить достоверную информацию об эффективности используемого очистителя.
Время измерения должно быть достаточным для сбора образцов вещества, подаваемого в процессе характерного использования системы очистки воздуха, включая, например, несколько циклов работы механизма очистки фильтра.
Подробные условия испытания и статистический анализ результатов испытаний должны быть установлены в соответствующих стандартах типа C.
Среднее значение эффективности очистки по массе системы очистки воздуха рассчитывают по следующей
формуле (2):

, (2)
где m1 - масса испытательного вещества, поступившего в систему очистки воздуха;
m2 - масса испытательного вещества, не задержанного системой очистки воздуха;
m3 - масса испытательного вещества, задержанного системой очистки воздуха;
C1 - концентрация испытательного вещества, поступившего в систему очистки воздуха;
C2 - концентрация испытательного вещества в измерительной точке 2
Протокол испытания должен содержать следующую минимальную информацию:
a) ссылку на настоящий стандарт и соответствующие стандарты типа C;
b) описание испытательного оборудования;
c) описание испытуемой системы очистки воздуха (например, наименование изготовителя, модель, тип, версия, конструкция, размеры, год изготовления, серийный номер);
d) информацию о функционировании в процессе испытаний, включая расход воздуха;
e) испытательное вещество (например, основные характеристики, концентрация; а для порошков - размеры частиц, содержание влаги);
f) описание методики измерения;
g) применяемый измерительный инструмент и дата его последней калибровки;
h) данные окружающей среды (температура, влажность, атмосферное давление);
i) описание используемых методик испытания (например, перечень стандартов) при измерении концентрации и расхода воздуха;
j) результаты испытаний;
k) информацию об отступлениях от соответствующих стандартов;
l) наименование испытательной лаборатории (центра);
m) информацию об ответственном за испытания;
n) дату проведения испытаний;
o) дополнительную информацию в случае необходимости.
(справочное)
ВЗАИМОСВЯЗЬ МЕЖДУ ЕВРОПЕЙСКИМ СТАНДАРТОМ
И СУЩЕСТВЕННЫМИ ТРЕБОВАНИЯМИ ДИРЕКТИВЫ 98/37/ЕС
Европейский стандарт, на основе которого подготовлен настоящий межгосударственный стандарт, разработан Европейским комитетом по стандартизации (CEN) по поручению Комиссии Европейского сообщества и Европейской ассоциации свободной торговли (EFTA) и реализует существенные требования Директивы 98/37/ЕС (с учетом изменений, внесенных
Директивой 98/79/ЕС).
Европейский стандарт размещен в Официальном журнале Европейского сообщества как взаимосвязанный с этой директивой и применен как национальный стандарт не менее чем в одной стране - члене сообщества. Соответствие требованиям европейского стандарта, приведенным в
таблице ZA.1, обеспечивает в пределах его области применения презумпцию соответствия существенным требованиям этой директивы и соответствующих регламентирующих документов EFTA.
Таблица ZA.1
Соответствие между EN 1093-7 и Директивой 98/37/ЕС
Разделы EN 1093-7 | Основополагающие требования Директивы 98/37/ЕС | Примечания |
Все разделы | Приложение I, 1.5.13 | Опасность, обусловленная выбросами пыли, газов и т.д. |
ВНИМАНИЕ! К продукции, на которую распространяется европейский стандарт, могут применяться требования других стандартов и директив ЕС.
(справочное)
ВЗАИМОСВЯЗЬ МЕЖДУ ЕВРОПЕЙСКИМ СТАНДАРТОМ
И СУЩЕСТВЕННЫМИ ТРЕБОВАНИЯМИ ДИРЕКТИВЫ 2006/42/ЕС
Европейский стандарт, на основе которого подготовлен настоящий межгосударственный стандарт, разработан Европейским комитетом по стандартизации (CEN) по поручению Комиссии Европейского сообщества и Европейской ассоциации свободной торговли (EFTA) и реализует существенные требования
Директивы 2006/42/ЕС.
Европейский стандарт размещен в Официальном журнале Европейского сообщества как взаимосвязанный с этой
директивой и применен как национальный стандарт не менее чем в одной стране - члене сообщества. Соответствие требованиям европейского стандарта, приведенным в
таблице ZB.1, обеспечивает в пределах его области применения презумпцию соответствия существенным требованиям этой
директивы и соответствующих регламентирующих документов EFTA.
Таблица ZB.1
Соответствие между EN 1093-7 и
Директивой 2006/42/ЕС
Разделы EN 1093-7 | Основополагающие требования Директивы 2006/42/ЕС | Примечания |
Все разделы | | Опасность, обусловленная выбросами загрязняющих веществ и материалов |
ВНИМАНИЕ! К продукции, на которую распространяется европейский стандарт, могут применяться требования других стандартов и директив ЕС.
(справочное)
СВЕДЕНИЯ О СООТВЕТСТВИИ ССЫЛОЧНЫХ ЕВРОПЕЙСКИХ СТАНДАРТОВ
МЕЖГОСУДАРСТВЕННЫМ СТАНДАРТАМ
Таблица ДА.1
Обозначение ссылочного европейского стандарта | Степень соответствия | Обозначение и наименование соответствующего межгосударственного стандарта |
EN 292-1:1991 | - | <*> |
EN 292-2:1991 | - | <*> |
EN 292-2/A1:1995 | - | <*> |
ENV 1070:1993 | - | <**> |
EN 1093-1 | IDT | ГОСТ EN 1093-1-2018 "Безопасность машин. Оценка выбросов загрязняющих веществ. Часть 1. Выбор методов испытаний" (EN 1093-1:2008) |
<*> Соответствующий межгосударственный стандарт отсутствует. Действует ГОСТ ISO 12100-2013 (ISO 12100:2010, IDT). <**> Соответствующий межгосударственный стандарт отсутствует. Действует ГОСТ ЕН 1070-2003 (EN 1070:1998, IDT). Примечание - В настоящей таблице использовано следующее условное обозначение степени соответствия стандартов: - IDT - идентичный стандарт. |
[1] | EN 481 | Workplace atmospheres - Size fraction definitions for measurement of airborne particles (Атмосфера рабочей зоны. Спецификации по условиям отбора фракций частиц для измерения их концентрации в воздухе на рабочем месте) |
[2] | ISO 3966:1977 | Measurement of fluid flow in closed conduits - Velocity area method using Pitot static tubes (Измерение потока жидкости в закрытых каналах. Метод исследования поля скоростей с применением трубок Пито) |
[3] | ISO 4006:1991 | Measurement of fluid flow in closed conduits - Vocabulary and symbols (Измерение потока жидкости в закрытых каналах. Словарь и условные обозначения) |
[4] | ISO 4053-1:1997 | Measurement of gas flow in conduits - Tracer methods - Part 1: General (Измерение потока газа в закрытых каналах. Индикаторные методы. Часть 1. Общие положения) |
[5] | ISO 5167-1:1991 | Measurement of fluid flow by means of pressure differential devices - Part 1: Orifice plates, nozzles and Venturi tubes inserted in circular cross-section conduits running full (Измерение потока жидкости с помощью устройств с различным дифференциалом давления. Часть 1. Измерительные диафрагмы, штуцера и трубки Venturi, размещенные в круглых поперечных сечениях заполненных трубопроводов) |
[6] | ISO 5168:1978 | Measurement of fluid flow - Estimation of uncertainty of a flow-rate measurement (Измерение потока жидкости. Процедуры оценки погрешностей) |
[7] | ISO 7145:1982 | Determination of flowrate of fluids in closed conduits of circular cross-section - Method of velocity measurement at one point of the cross-section (Измерение потока жидкости в закрытых каналах круглого сечения. Метод измерения скорости в одной точке поперечного сечения) |
УДК 621.43.068.6(083.74)(476):006.354 | | IDT |
Ключевые слова: выбросы загрязняющих веществ, системы контроля загрязнения воздуха, методы испытаний |