Главная // Актуальные документы // ГОСТ (Государственный стандарт)СПРАВКА
Источник публикации
М.: ФГБУ "РСТ", 2021
Примечание к документу
Документ включен в
Перечень международных и региональных (межгосударственных) стандартов, а в случае их отсутствия - национальных (государственных) стандартов, в результате применения которых на добровольной основе обеспечивается соблюдение требований технического
регламента Таможенного союза "О безопасности машин и оборудования" (ТР ТС 010/2011), и
Перечень международных и региональных (межгосударственных) стандартов, а в случае их отсутствия - национальных (государственных) стандартов, содержащих правила и методы исследований (испытаний) и измерений, в том числе правила отбора образцов, необходимые для применения и исполнения требований технического
регламента Таможенного союза "О безопасности машин и оборудования" (ТР ТС 010/2011) и осуществления оценки соответствия объектов технического регулирования (
Решение Коллегии Евразийской экономической комиссии от 09.03.2021 N 28).
Документ
введен в действие с 01.01.2022.
Название документа
"ГОСТ EN 1093-4-2018. Межгосударственный стандарт. Безопасность машин. Оценка выбросов загрязняющих веществ. Часть 4. Эффективность улавливания системы выпуска отработавших газов. Метод изотопных индикаторов"
(введен в действие Приказом Росстандарта от 25.08.2021 N 808-ст)
"ГОСТ EN 1093-4-2018. Межгосударственный стандарт. Безопасность машин. Оценка выбросов загрязняющих веществ. Часть 4. Эффективность улавливания системы выпуска отработавших газов. Метод изотопных индикаторов"
(введен в действие Приказом Росстандарта от 25.08.2021 N 808-ст)
по техническому регулированию
и метрологии
от 25 августа 2021 г. N 808-ст
МЕЖГОСУДАРСТВЕННЫЙ СТАНДАРТ
БЕЗОПАСНОСТЬ МАШИН
ОЦЕНКА ВЫБРОСОВ ЗАГРЯЗНЯЮЩИХ ВЕЩЕСТВ
ЧАСТЬ 4
ЭФФЕКТИВНОСТЬ УЛАВЛИВАНИЯ СИСТЕМЫ ВЫПУСКА
ОТРАБОТАВШИХ ГАЗОВ. МЕТОД ИЗОТОПНЫХ ИНДИКАТОРОВ
Safety of machinery. Evaluation of the emission of airborne
hazardous substances. Part 4. Capture efficiency
of an exhaust system. Tracer method
(EN 1093-4:1996+A1:2008, IDT)
ГОСТ EN 1093-4-2018
Дата введения
1 января 2022 года
Цели, основные принципы и общие правила проведения работ по межгосударственной стандартизации установлены
ГОСТ 1.0 "Межгосударственная система стандартизации. Основные положения" и
ГОСТ 1.2 "Межгосударственная система стандартизации. Стандарты межгосударственные, правила и рекомендации по межгосударственной стандартизации. Правила разработки, принятия, обновления и отмены"
1 ПОДГОТОВЛЕН Научно-производственным республиканским унитарным предприятием "Белорусский государственный институт стандартизации и сертификации" (БелГИСС) на основе собственного перевода на русский язык англоязычной версии стандарта, указанного в
пункте 5
2 ВНЕСЕН Государственным комитетом по стандартизации Республики Беларусь
3 ПРИНЯТ Межгосударственным советом по стандартизации, метрологии и сертификации по результатам голосования в АИС МГС (протоколом от 27 июля 2018 г. N 110-П)
За принятие проголосовали:
Краткое наименование страны по МК (ИСО 3166) 004-97 | Код страны по МК (ИСО 3166) 004-97 | Сокращенное наименование национального органа по стандартизации |
Армения | AM | ЗАО "Национальный орган по стандартизации и метрологии" Республики Армения |
Беларусь | BY | Госстандарт Республики Беларусь |
Казахстан | KZ | Госстандарт Республики Казахстан |
Киргизия | KG | Кыргызстандарт |
Россия | RU | Росстандарт |
Таджикистан | TJ | Таджикстандарт |
Узбекистан | UZ | Узстандарт |
4
Приказом Федерального агентства по техническому регулированию и метрологии от 25 августа 2021 г. N 808-ст межгосударственный стандарт ГОСТ EN 1093-4-2018 введен в действие в качестве национального стандарта Российской Федерации с 1 января 2022 г.
5 Настоящий стандарт идентичен европейскому стандарту EN 1093-4:1996+A1:2008 "Безопасность машин. Оценка выбросов вредных веществ. Часть 4. Эффективность задержки системы выпуска. Радиоизотопный метод" ("Safety of machinery - Evaluation of the emission of airborne hazardous substances - Part 4: Capture efficiency of an exhaust system - Tracer method", IDT)
6 ВВЕДЕН ВПЕРВЫЕ
При применении настоящего стандарта рекомендуется использовать вместо ссылочных европейских и международного стандартов соответствующие им межгосударственные стандарты, сведения о которых приведены в дополнительном
приложении ДА.
Информация о введении в действие (прекращении действия) настоящего стандарта и изменений к нему на территории указанных выше государств публикуется в указателях национальных стандартов, издаваемых в этих государствах, а также в сети Интернет на сайтах соответствующих национальных органов по стандартизации.
В случае пересмотра, изменения или отмены настоящего стандарта соответствующая информация будет опубликована на официальном интернет-сайте Межгосударственного совета по стандартизации, метрологии и сертификации в каталоге "Межгосударственные стандарты"
Европейский стандарт разработан техническим комитетом по стандартизации CEN/TC 114 "Безопасность машин" Европейского комитета по стандартизации (CEN).
Европейский стандарт, на основе которого подготовлен настоящий стандарт, реализует существенные требования безопасности Директивы 98/37/ЕС и
Директивы 2006/42/ЕС, приведенные в
приложениях ZA и
ZB соответственно.
Европейский стандарт EN 1093 под общим заголовком "Безопасность машин. Оценка выбросов загрязняющих веществ" содержит следующие части:
- часть 1. Выбор методов испытаний;
- часть 2. Метод индикаторного газа для измерения уровня выбросов заданного загрязняющего вещества;
- часть 3. Стендовый метод измерения уровня выбросов заданного загрязняющего вещества;
- часть 4. Эффективность улавливания системы выпуска отработавших газов. Метод изотопных индикаторов;
- часть 6. Эффективность очистки по массе без выходного канала;
- часть 7. Эффективность очистки по массе с выходным каналом;
- часть 8. Стендовый метод измерения параметра концентрации;
- часть 9. Лабораторный метод измерения параметра концентрации;
- часть 11. Индекс очистки.
Настоящий стандарт устанавливает метод определения эффективности улавливания системы выпуска отработавших газов, установленной на машине. Данный метод основан на методе изотопных индикаторов и может применяться для всех видов испытаний (стендовый, лабораторный методы испытаний и эксплуатационные испытания, см. ENV 1093-1).
Настоящий метод применяется только в том случае, если изменение аэродинамических характеристик изотопного индикатора сравнимо с фактическим загрязняющим воздух веществом (см.
7.1.1).
Определение эффективности улавливания системы выпуска отработавших газов может служить для:
a) оценки эксплуатационной характеристики системы выпуска отработавших газов машины;
b) оценки изменений, внесенных в конструкцию системы выпуска отработавших газов;
c) сравнения систем выпуска отработавших газов машин аналогичной конструкции;
d) классификации систем выпуска отработавших газов в зависимости от их эффективности улавливания;
e) определения объемного расхода воздуха системы выпуска отработавших газов для достижения заданного уровня эффективности улавливания;
f) определения уровня развития науки и техники с точки зрения эффективности улавливания систем выпуска отработавших газов машин.
В настоящем стандарте использованы нормативные ссылки на следующие стандарты. Для датированных ссылок применяют только указанное издание ссылочного стандарта, для недатированных - последнее издание (включая все изменения).
EN 292-1 <1>, Safety of machinery - Basic concepts, general principles for design - Part 1: Basic terminology, methodology (Безопасность машин. Основные понятия, общие принципы конструирования. Часть 1. Основные термины, методика)
EN 292-2 <1>, Safety of machinery - Basic concepts, general principles for design - Part 2: Technical principles and specifications (Безопасность машин. Основные понятия, общие принципы конструирования. Часть 2. Технические правила и технические требования)
--------------------------------
<1> Действует EN ISO 12100:2010. Однако для однозначного соблюдения требования настоящего стандарта, выраженного в датированной ссылке, рекомендуется использовать только указанное в этой ссылке издание.
ENV 1093-1, Safety of machinery - Evaluation of the emission of airborne hazardous substances - Part 1: Selection of test methods (Безопасность машин. Оценка выброса в атмосферу вредных веществ. Часть 1. Выбор методов испытаний)
ISO 4053-1 <1>, Measurement of gas flow in conduits - Tracer methods - Part 1: General (Измерение потока газа в закрытых каналах. Индикаторные методы. Часть 1. Общие положения)
--------------------------------
<1> Отменен.
В настоящем стандарте применены следующие термины с соответствующими определениями:
3.1
эффективность улавливания системы выпуска отработавших газов 
(capture efficiency of an exhaust system

): Отношение массового расхода определенного загрязняющего воздух вещества, непосредственно собранного системой выпуска отработавших газов, к неконтролируемому массовому расходу данного загрязняющего воздух вещества, выделяемого машиной.
3.2 метод изотопных индикаторов (tracer technique): Применение веществ с изменением аэродинамических характеристик, сопоставимых с рассматриваемым загрязняющим воздух веществом, которые могут быть достоверно измерены.
Принцип метода измерения состоит из:
a) выброса изотопного индикатора с показателем расхода изотопного индикатора qE, имитирующего изменение аэродинамических характеристик фактического загрязняющего воздух вещества;
b) измерения расхода qc изотопного индикатора, собранного системой выпуска отработавших газов.
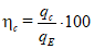
5 Упрощенное выражение эффективности улавливания
Эффективность улавливания, выраженную в процентах, определяют по формуле

. (1)
Расход изотопного индикатора qE определяют выбросом изотопного индикатора непосредственно в выходной канал при постоянном расходе и измерением средней концентрации изотопного индикатора в поперечном сечении канала
qE = Q(C2 - C1), (2)
где Q - средний расход воздуха в канале за период измерения qE;
C1 - средняя концентрация изотопного индикатора в окружающей среде перед измерениями (фоновый уровень);
C2 - средняя концентрация изотопного индикатора в канале (выброс изотопного индикатора в канал).
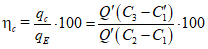
Расход изотопного индикатора qc определяют выбросом изотопного индикатора при постоянном расходе qE в характеристической точке или зоне выброса фактического загрязняющего воздух вещества (например, в самых дальних местах зоны выброса из системы выпуска отработавших газов) и измерением средней концентрации изотопного индикатора в тех же точках канала
qc = Q'(C3 - C'1), (3)
где Q' - средний расход воздуха в канале за период измерения qc;
C'1 - средняя концентрация изотопного индикатора в окружающей среде после стабилизации фонового уровня;
C3 - средняя концентрация изотопного индикатора в канале (выброс в выбранном месте).
Эффективность улавливания, выраженную в процентах, определяют по следующей формуле

. (4)
Если расход системы выпуска отработавших газов рассматривается как постоянный, то Q = Q' и выражение может быть упрощено:

. (5)
Эффективность улавливания определяют измерением концентраций в выходном канале.
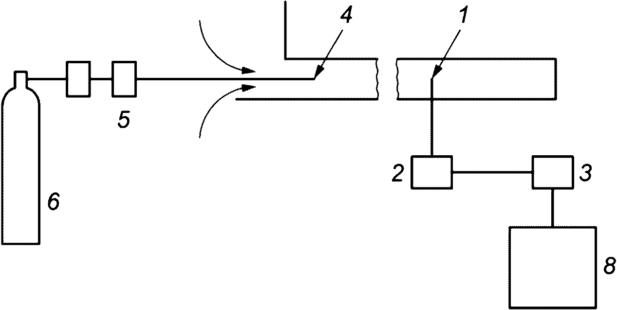
6.1 Общий порядок измерения
Порядок проведения измерения приведен на
рисунке 1, а на
рисунке 2 показана типовая регистрация результатов испытаний.
Фазы 1 и 4 - измерение без выброса изотопного индикатора
Фаза 2 - измерение с выбросом изотопного индикатора в канал
Фаза 3 - измерение с выбросом изотопного индикатора,
имитирующего фактическое загрязняющее воздух вещество
1 - отбор проб; 2 - насос; 3 - анализатор; 4 - впрыск;
5 - счетчик расхода изотопного индикатора; 6 - баллон
с газом (чистый или разбавленный изотопный индикатор);
7 - концентрация в окружающей среде C1 или C'1;
8 - концентрация C2; 9 - концентрация C3
Рисунок 1 - Порядок измерения для прямой системы выпуска
отработавших газов с использованием изотопного индикатора
a - концентрация изотопного индикатора; b - время, с
Рисунок 2 - Регистрация результатов испытаний
При измерении концентрации путем отбора проб воздуха в канале предполагается, что изотопный индикатор хорошо перемешан с воздухом. В случае прямых каналов должны применяться методики, описанные в ISO 4053-1.
Примечание - Для уменьшения длины участка смешивания допускается установка дополнительных устройств в канале.
Должно быть проведено не менее трех испытаний.
6.2 Измерение концентрации C3
Учитывая эмиттер (излучатель), расход которого изменяется внезапно от 0 до qE, концентрация C3 постепенно возрастает как функция от времени. Кривая характеристики C3 показывает примерно две постоянные времени:
- первая, относительно небольшая, соответствует аккумулированию (накоплению) изотопного индикатора в объеме непосредственно под воздействием системы выпуска отработавших газов;
- вторая, которая побольше, соответствует аккумулированию (накоплению) изотопного индикатора в остальной части помещения. Часть изотопного индикатора, выходящая из зоны прямого воздействия системы выпуска отработавших газов, является вторичной и косвенно собранной за более длительный период времени.
Так как эффективность системы основана на прямом сборе загрязняющего воздух вещества, эффективность определяется на основе определения значения C3, соответствующего первой постоянной времени.
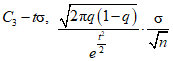
На практике постоянная времени помещения намного больше постоянной времени системы сбора, за исключением очень малых помещений, поэтому измерение может быть упрощено путем усреднения значения эффективности за промежуток времени через несколько минут после получения первого квазиравновесного состояния. В небольших помещениях увеличение концентрации окружающей среды может ухудшить качество измерения. По этой причине измерение рекомендуется признавать только в том случае, если соотношение

ниже 0,05. Концентрацию
C'1 рекомендуется измерять через 1 мин после прекращения дозирования изотопного индикатора. Из-за влияния отклонений характеристики, как показано на
рисунке 2, концентрацию
C3 рекомендуется устанавливать как среднюю за необходимый период времени. При данном измерении эффективный средний период можно рассчитать как постоянную времени для измерительной системы, умноженную на количество взятых отборов проб. Для обеспечения статистического анализа сигнала, приводящего к таким результатам, как минимальная эффективность улавливания или относительное стандартное отклонение, постоянную времени измерительной системы рекомендуется отрегулировать до определенного значения. Такая регулировка может быть достигнута за счет применения буферного объема на пробоотборной линии или применения цифрового (дискретного) фильтра. Постоянную времени рекомендуется отрегулировать на 10 с. Интервал между последовательными отборами проб рекомендуется устанавливать равным или больше, чем постоянная времени применяемой измерительной системы.
Статистический анализ сигнала C3 может определить концентрацию C3 (95%). Этим значением является C3, которое превышено на 95% от установленного времени измерения. Это значение приводит к минимальной эффективности улавливания, расчет которой задается следующей формулой:

. (6)
Предполагая, что распределение C3 является гауссовым, C3 (95%) может быть получено из среднего значения и стандартного отклонения C3 с использованием уравнения

. (7)
Результат измерения всегда должен быть указан вместе с неопределенностью результата. Неопределенность рассчитывают в соответствии с
приложением A.
Примечание - Значение 95% является типичным процентным отношением, но могут использоваться другие значения выше 75%.
Характеристику системы выпуска отработавших газов можно описать относительным стандартным отклонением, которое рассчитывается как отношение расчетного стандартного отклонения C3 к среднему значению C3.
6.3 Приложение к определенной группе машин
Каждый новый стандарт типа C, основанный на настоящем стандарте, рассматривающий определенную группу машин, должен содержать дополнительную информацию о более конкретных условиях проведения испытаний, в частности относительно создания изотопного индикатора и отбора проб, продолжительности испытания, условий работы машины.
7 Контролируемые параметры и влияющие факторы
В данном разделе рассматриваются контролируемые параметры, которые могут быть отрегулированы для точной имитации фактического выброса загрязняющего воздух вещества, и параметры, влияющие на измерение и характеризующие ситуацию в течение периода измерения.
7.1 Контролируемые параметры
7.1.1 Тип изотопного индикатора
1) Газообразное загрязняющее вещество.
Так как коэффициент турбулентной диффузии газа, измеренный на рабочем месте, намного выше, чем коэффициент молекулярной диффузии, то считается, что общий характер изменения всех газов практически идентичен с точки зрения переноса общей массы. В этих условиях индикаторный газ выбирают в соответствии со следующими критериями:
a) отсутствие или очень низкая токсичность;
b) химическая стойкость при предусмотренной температуре процесса;
c) отсутствие взаимодействия с загрязняющими веществами, присутствующими в помещении;
d) низкий фоновый уровень.
Так как эффективность улавливания может зависеть от плотности изотопного индикатора, то рекомендуется проверить, что условия выброса близки к реальным <1>.
--------------------------------
<1> В некоторых случаях индикаторный газ разбавляют перед выбросом. Выбор индикаторного газа и соответствующего анализатора зависит, в частности, от требуемой точности, диапазона измерения и стоимости. Обычно используемыми газами являются гелий, гексафторид серы, оксид азота.
2) Аэрозольное загрязняющее вещество.
Исходя из одинаковых соображений относительно коэффициентов диффузии, считается, что мелкодисперсные аэрозоли, особенно значительные в промышленной гигиене, могут быть имитированы с помощью индикаторного газа.
Различие от 3 до 4 мкмоль, наблюдаемое при переносе, может постепенно возрастать с размером твердых частиц, однако различие до 10 мкмоль по-прежнему сохраняется ниже, чем вследствие других неопределенностей измерения <1>.
--------------------------------
<1> Применение метода аэрозольного индикатора может использоваться в определенных случаях.
7.1.2 Форма и расположение эмиттера
По мере возможности форма трансмиттера должна быть аналогична форме реального источника загрязняющего воздух вещества. Различие, как правило, допускается между:
- точечными источниками;
- плоскими источниками;
- объемными источниками.
Точечные источники рекомендуется имитировать открытыми трубками, создающими струи с переменными аэродинамическими характеристиками, или спеченными (металлокерамическими) материалами, рассеивающими изотопный индикатор при низкой начальной скорости <2>.
--------------------------------
<2> Например, типичный эмиттер может изготавливаться из металлокерамики на основе бронзы с максимальным размером 20 x 20 x 20 мм.
Плоские и объемные источники рекомендуется имитировать сетью точечных источников или перфорированных трубок, которые распределены соответствующим образом. Если это нецелесообразно, отдельные коэффициенты эффективности определяют с различными расположениями эмиттеров, соответствующими характеристическим точкам выбросов загрязняющих воздух веществ, особенно в самых удаленных местах от системы улавливания.
Если присутствует множество источников и устройств улавливания, то должен быть найден компромисс с учетом главных точек выбросов загрязняющих воздух веществ на испытываемой машине.
7.1.3 Аэродинамические характеристики выбросов
Аэродинамические характеристики выброса изотопного индикатора (скорость, расход) должны имитировать характеристики источника загрязнения.
Интенсивность выброса изотопного индикатора (начальная скорость, расход) и направление должны контролироваться. Направленные источники и источники тепла рекомендуется имитировать струями при заданной скорости выброса.
Эффективность улавливания не подвергается влиянию относительно:
- незначительных изменений в направлении струи изотопного индикатора;
- незначительных изменений в расходе изотопного индикатора.
Продолжительность выброса должна быть ограничена во избежание значительного увеличения концентрации изотопного индикатора в окружающей среде, которая будет несовместима с качеством измерения и с ограничениями профессионального воздействия.
7.2 Факторы, влияющие на эффективность улавливания
На эффективность улавливания системы выпуска отработавших газов влияют условия окружающей среды. По мере возможности при измерениях должны быть измерены или оценены следующие факторы:
- направление и скорость сквозных потоков воздуха;
- общие характеристики воздухозаборника и систем выпуска отработавших газов (например, расход, скорость струи, расположение систем) и характеристики системы отопления.
Дополнительно при эксплуатационных испытаниях некоторые факторы, касающиеся других машин и их систем выпуска отработавших газов, могут оказывать значительное влияние на расход воздуха испытываемой системы выпуска отработавших газов, поэтому эти параметры рекомендуется сохранить как постоянные и зарегистрировать.
Протокол испытаний должен содержать по меньшей мере следующую информацию:
a) ссылку на настоящий стандарт и соответствующие стандарты типа C;
b) описание испытываемой машины или системы выпуска отработавших газов (например, изготовитель, модель, тип, модификация, конструкция, размеры, год выпуска, серийный номер) и каждой дополнительной единицы оборудования;
c) эксплуатационные параметры при испытаниях, включая используемые с машиной рабочие органы и материалы, обрабатываемые машиной;
d) описание системы выпуска отработавших газов (например, изготовитель, модель, тип, модификация, конструкция, размеры, год выпуска, серийный номер, эксплуатационные данные) и системы общей вентиляции;
e) описание порядка измерения, в частности:
- тип, подача, направление и скорость впрыска, а также причина выбора используемого изотопного индикатора;
- геометрические характеристики эмиттера;
- расположение эмиттера и точек отбора проб;
- продолжительность измерения;
f) используемые измерительные инструменты и дату их последней калибровки;
g) результаты испытаний трех определений, средних значений, минимальной эффективности и коэффициента вариации;
h) информацию об испытательной лаборатории;
i) количество проведенных испытаний;
j) параметры окружающей среды (температура, влажность, атмосферное давление);
k) описание использованных методик (например, перечень стандартов) при измерениях концентрации и расхода;
l) имя лица, ответственного за проведение испытаний;
m) дату проведения испытаний;
n) информацию об отступлениях от соответствующих стандартов;
o) дополнительную информацию, в случае необходимости.
(справочное)
УПРОЩЕННЫЙ РАСЧЕТ СЛУЧАЙНОЙ СОСТАВЛЯЮЩЕЙ
ПАРАМЕТРА НЕОПРЕДЕЛЕННОСТИ ДЛЯ C3 (95%)
Неопределенность минимальной эффективности улавливания (95%) зависит от ряда параметров, включая случайную составляющую параметра неопределенности для C3 (95%).
Эта случайная составляющая зависит от числа некоррелированных результатов, полученных при измерении C3. Это может быть оценено, предполагая, что концентрация C3 следует распределению Гаусса.
Квантиль, поступающий от совокупности

, асимптотически нормален к:

,
где q - рассматриваемый квантиль;
t - порядок приведенного из таблицы нормального распределения для вероятности {x < t}, равной q.
Применяя q = 0,95, t = 1,64 и квантиль 95% следует нормальному распределению.

.
(справочное)
ВЗАИМОСВЯЗЬ МЕЖДУ ЕВРОПЕЙСКИМ СТАНДАРТОМ И СУЩЕСТВЕННЫМИ
ТРЕБОВАНИЯМИ ДИРЕКТИВЫ 98/37/ЕС
Европейский стандарт, на основе которого подготовлен настоящий межгосударственный стандарт, разработан Европейским комитетом по стандартизации (CEN) по поручению Комиссии Европейского сообщества и Европейской ассоциации свободной торговли (EFTA) и реализует существенные требования Директивы 98/37/ЕС (с учетом изменений, внесенных
Директивой 98/79/ЕС).
Европейский стандарт размещен в Официальном журнале Европейского сообщества как взаимосвязанный с этой директивой и применен как национальный стандарт не менее чем в одной стране - члене сообщества. Соответствие требованиям европейского стандарта, приведенным в
таблице ZA.1, обеспечивает в пределах его области применения презумпцию соответствия существенным требованиям этой директивы и соответствующих регламентирующих документов EFTA.
Таблица ZA.1
Соответствие между EN 1093-6 и Директивой 98/37/ЕС
Разделы EN 1093-6 | Основополагающие требования Директивы 98/37/ЕС | Примечания |
Все разделы | Приложение I, 1.5.13 | Опасность, обусловленная выбросами пыли, газов и т.д. |
ВНИМАНИЕ! К продукции, на которую распространяется европейский стандарт, могут применяться требования других стандартов и директив ЕС.
(справочное)
ВЗАИМОСВЯЗЬ МЕЖДУ ЕВРОПЕЙСКИМ СТАНДАРТОМ И СУЩЕСТВЕННЫМИ
Европейский стандарт, на основе которого подготовлен настоящий межгосударственный стандарт, разработан Европейским комитетом по стандартизации (CEN) по поручению Комиссии Европейского сообщества и Европейской ассоциации свободной торговли (EFTA) и реализует существенные требования
Директивы 2006/42/ЕС.
Европейский стандарт размещен в Официальном журнале Европейского сообщества как взаимосвязанный с этой
директивой и применен как национальный стандарт не менее чем в одной стране - члене сообщества. Соответствие требованиям европейского стандарта, приведенным в
таблице ZB.1, обеспечивает в пределах его области применения презумпцию соответствия существенным требованиям этой
директивы и соответствующих регламентирующих документов EFTA.
Таблица ZB.1
Соответствие между EN 1093-7 и
Директивой 2006/42/ЕС
Разделы EN 1093-7 | Основополагающие требования Директивы 2006/42/ЕС | Примечания |
Все разделы | | Опасность, обусловленная выбросами загрязняющих веществ и материалов |
ВНИМАНИЕ! К продукции, на которую распространяется европейский стандарт, могут применяться требования других стандартов и директив ЕС.
(справочное)
СВЕДЕНИЯ О СООТВЕТСТВИИ ССЫЛОЧНЫХ ЕВРОПЕЙСКИХ
И МЕЖДУНАРОДНОГО СТАНДАРТОВ МЕЖГОСУДАРСТВЕННЫМ СТАНДАРТАМ
Таблица ДА.1
Обозначение ссылочного европейского, международного стандарта | Степень соответствия | Обозначение и наименование соответствующего межгосударственного стандарта |
EN 292-1 | - | <1> |
EN 292-2 | - | <1> |
ENV 1093-1 | - | <2> |
ISO 4053-1 | - | <3> |
<1> Соответствующий межгосударственный стандарт отсутствует. Действует ГОСТ ISO 12100-2013 (ISO 12100:2010, IDT). <2> Соответствующий межгосударственный стандарт отсутствует. Действует ГОСТ EN 1093-1-2018 (EN 1093-1:2008, IDT). <3> Соответствующий межгосударственный стандарт отсутствует. |
УДК 621.43.068.2(083.74)(476) | | IDT |
Ключевые слова: оценка выбросов загрязняющих веществ, эффективность улавливания системы выпуска отработавших газов, метод изотопных индикаторов |