Главная // Актуальные документы // ГОСТ (Государственный стандарт)
СПРАВКА
Источник публикации
М.: Стандартинформ, 2019
Примечание к документу
Текст данного документа приведен с учетом поправки, опубликованной в "ИУС", N 3, 2020.

Документ введен в действие с 30.11.2020.
Название документа
"ГОСТ 34600-2019. Межгосударственный стандарт. Автомобили оперативно-служебные для патрулирования и выезда на места происшествий нарядов дежурных частей органов охраны правопорядка. Технические требования"
(введен в действие Приказом Росстандарта от 30.10.2019 N 1167-ст)

"ГОСТ 34600-2019. Межгосударственный стандарт. Автомобили оперативно-служебные для патрулирования и выезда на места происшествий нарядов дежурных частей органов охраны правопорядка. Технические требования"
(введен в действие Приказом Росстандарта от 30.10.2019 N 1167-ст)


Содержание


Введен в действие
Приказом Федерального агентства
по техническому регулированию
и метрологии
от 30 октября 2019 г. N 1167-ст
МЕЖГОСУДАРСТВЕННЫЙ СТАНДАРТ
АВТОМОБИЛИ ОПЕРАТИВНО-СЛУЖЕБНЫЕ
ДЛЯ ПАТРУЛИРОВАНИЯ И ВЫЕЗДА НА МЕСТА ПРОИСШЕСТВИЙ
НАРЯДОВ ДЕЖУРНЫХ ЧАСТЕЙ ОРГАНОВ ОХРАНЫ ПРАВОПОРЯДКА
ТЕХНИЧЕСКИЕ ТРЕБОВАНИЯ
Operational service cars for patroling and checking to
the places of the accidents of accessories of rescue parts
organization of the law-order. Technical requirements
ГОСТ 34600-2019
МКС 43.160
Дата введения
30 ноября 2020 года
Предисловие
Цели, основные принципы и общие правила проведения работ по межгосударственной стандартизации установлены ГОСТ 1.0 "Межгосударственная система стандартизации. Основные положения" и ГОСТ 1.2 "Межгосударственная система стандартизации. Стандарты межгосударственные, правила и рекомендации по межгосударственной стандартизации. Правила разработки, принятия, обновления и отмены"
Сведения о стандарте
1 РАЗРАБОТАН Федеральным государственным унитарным предприятием "Центральный ордена Трудового Красного Знамени научно-исследовательский автомобильный и автомоторный институт "НАМИ" (ФГУП "НАМИ") и Федеральным казенным учреждением научно-производственным объединением "Специальная техника и связь" МВД России (ФКУ НПО "СТиС" МВД России)
2 ВНЕСЕН Межгосударственным техническим комитетом по стандартизации МТК 56 "Дорожный транспорт"
3 ПРИНЯТ Межгосударственным советом по стандартизации, метрологии и сертификации (протокол от 30 октября 2019 г. N 123-П)
За принятие проголосовали:
Краткое наименование страны по МК (ИСО 3166) 004-97
Код страны по МК (ИСО 3166) 004-97
Сокращенное наименование национального органа по стандартизации
Армения
AM
Минэкономики Республики Армения
Беларусь
BY
Госстандарт Республики Беларусь
Киргизия
KG
Кыргызстандарт
Россия
RU
Росстандарт
Узбекистан
UZ
Узстандарт
4 Приказом Федерального агентства по техническому регулированию и метрологии от 30 октября 2019 г. N 1167-ст межгосударственный стандарт ГОСТ 34600-2019 введен в действие в качестве национального стандарта Российской Федерации с 30 ноября 2020 г.
5 ВВЕДЕН ВПЕРВЫЕ
Информация о введении в действие (прекращении действия) настоящего стандарта и изменений к нему на территории указанных выше государств публикуется в указателях национальных стандартов, издаваемых в этих государствах, а также в сети Интернет на сайтах соответствующих национальных органов по стандартизации.
В случае пересмотра, изменения или отмены настоящего стандарта соответствующая информация будет опубликована на официальном интернет-сайте Межгосударственного совета по стандартизации, метрологии и сертификации в каталоге "Межгосударственные стандарты"
1 Область применения
1.1 Настоящий стандарт распространяется на вновь разрабатываемые и модернизируемые оперативно-служебные специальные транспортные средства для патрулирования и выезда на места происшествий нарядов дежурных частей (оперативно-дежурных служб) органов охраны правопорядка (далее - спецавтомобили), предназначенные:
- для несения патрульной службы по охране общественного порядка сотрудниками патрульных подразделений органов охраны правопорядка;
- выезда формируемых органами охраны правопорядка следственно-оперативных (оперативных) групп и доставки специального оборудования на места происшествий.
Примечание - Стандарт не распространяется на спецавтомобили, в которых не оборудован отсек для задержанных.
1.2 Настоящий стандарт устанавливает специальные технические требования к конструкции спецавтомобилей, изготовленных на базе транспортных средств категорий M1, N1, M2, N2, M3, M1G, N1G, M2G, N2G, M3G в соответствии с [1].
1.3 По отношению к настоящему стандарту на национальном уровне могут быть установлены дополнительные и/или конкретизирующие правила (стандарты), которые действуют на территории государств - членов Евразийского экономического союза.
1.4 Спецавтомобили, принятые на снабжение органов охраны правопорядка государств - членов Евразийского экономического союза до введения в действие настоящего стандарта, должны быть (при необходимости) приведены в соответствие с его требованиями в течение одного года со дня введения в действие стандарта.
2 Нормативные ссылки
В настоящем стандарте использованы нормативные ссылки на следующие межгосударственные стандарты:
ГОСТ 3916.1 Фанера общего назначения с наружными слоями из шпона лиственных пород. Технические условия
ГОСТ 3916.2 Фанера общего назначения с наружными слоями из шпона хвойных пород. Технические условия
ГОСТ 11284 Отверстия сквозные под крепежные детали. Размеры
ГОСТ 30593 Автомобильные транспортные средства. Системы отопления, вентиляции и кондиционирования. Требования к эффективности и безопасности
ГОСТ 30826 Стекло многослойное. Технические условия
ГОСТ 33554 Автомобильные транспортные средства. Содержание загрязняющих веществ в воздухе кабины водителя и пассажирского помещения. Технические требования и методы испытаний
ГОСТ 33555 Автомобильные транспортные средства. Шум внутренний. Допустимые уровни и методы испытаний
Примечание - При пользовании настоящим стандартом целесообразно проверить действие ссылочных стандартов и классификаторов на официальном интернет-сайте Межгосударственного совета по стандартизации, метрологии и сертификации (www.easc.by) или по указателям национальных стандартов, издаваемым в государствах, указанных в предисловии, или на официальных сайтах соответствующих национальных органов по стандартизации. Если на документ дана недатированная ссылка, то следует использовать документ, действующий на текущий момент, с учетом всех внесенных в него изменений. Если заменен ссылочный документ, на который дана датированная ссылка, то следует использовать указанную версию этого документа. Если после принятия настоящего стандарта в ссылочный документ, на который дана датированная ссылка, внесено изменение, затрагивающее положение, на которое дана ссылка, то это положение применяется без учета данного изменения. Если документ отменен без замены, то положение, в котором дана ссылка на него, применяется в части, не затрагивающей эту ссылку.
3 Термины, определения и сокращения
3.1 В настоящем стандарте применены следующие термины с соответствующими определениями:
3.1.1 автомобиль патрульный; АП: Оперативно-служебный автомобиль, предназначенный для несения патрульной службы по обеспечению охраны общественного порядка сотрудниками патрульных подразделений органов охраны правопорядка.
3.1.2 автомобиль дежурной части (автомобиль оперативно-дежурной службы); АДЧ (АОДС) <1>: Оперативно-служебный автомобиль, предназначенный для выезда формируемых органами охраны правопорядка следственно-оперативных (оперативных) групп и доставки специального оборудования на места происшествий.
--------------------------------
<1> В Российской Федерации (других государствах) применяется сокращенный термин АДЧ, на территории Республики Беларусь - АОДС.
3.1.3 рабочий салон: Отделение спецавтомобиля, в котором размещаются рабочие места и места для сидения сотрудников (военнослужащих) органов охраны правопорядка (далее - сотрудники), места для специального и дополнительного оборудования, и может быть оборудован отсек для служебной собаки.
3.1.4 задержанные: Лица, совершившие преступления, административные правонарушения, а также подозреваемые в совершении преступлений и административных правонарушений, доставляемые в органы охраны правопорядка в соответствии с действующим законодательством.
3.1.5 отсек для задержанных: Отделение спецавтомобиля для размещения задержанных и доставления их в органы охраны правопорядка.
Примечание - На АП и АДЧ (АОДС), в которых не оборудован отсек для задержанных, настоящий стандарт не распространяется.
3.1.6 вспомогательный отсек: Отделение в задней части спецавтомобиля между отсеком для задержанных и штатной задней дверью кузова автомобиля для размещения дополнительного и специального оборудования.
3.1.7 специальное оборудование: Технические средства и оборудование, предназначенные для выполнения сотрудниками оперативно-служебных задач.
3.1.8 дополнительное оборудование: Технические средства и оборудование, предназначенные для использования в текущей деятельности сотрудников.
3.1.9 ригель: Деталь замка, служащая для фиксирования двери в закрытом положении посредством входа в ответную часть.
3.1.10 ответная часть ригеля замка или задвижки: Деталь (узел), в который входит и опирается ригель или задвижка при фиксировании двери в закрытом положении.
3.1.11 государственный заказчик: Государственная организация государств - членов Евразийского экономического союза, осуществляющая заказы на разработку, производство и поставку спецавтомобилей в подразделения органов охраны правопорядка (в соответствии с действующими нормативными документами).
3.2 В настоящем стандарте применены следующие сокращения:
АОК - автомобильный охранный комплекс;
АПК ВН - аппаратно-программный комплекс видеонаблюдения;
АУП - автоматическая установка пожаротушения;
КБО - комплект бортового оборудования;
МФУ - многофункциональное устройство (принтер-сканер-ксерокс);
СГЗД - система гарантированного запуска двигателя;
СНМС - навигационно-мониторинговая система, используемая на территории государств - членов Евразийского экономического союза <1>;
--------------------------------
<1> В Российской Федерации используется навигационная система ГЛОНАСС или ГЛОНАСС/GPS.
СГУ - сигнально-громкоговорящая установка.
4 Общие технические требования
4.1 Спецавтомобили предназначены для обеспечения решения указанных в разделе 1 оперативно-служебных задач органами охраны правопорядка и не подлежат использованию в других целях.
4.2 Спецавтомобили изготавливаются на базе:
- автобусов <2>;
--------------------------------
<2> Помимо автобусов в качестве базовых для изготовления спецавтомобилей допускается использовать транспортные средства с закрытым цельнометаллическим кузовом, составляющим единую конструкцию с кабиной водителя, предназначенные для перевозки пассажиров и грузов.
- легковых автомобилей с закрытым цельнометаллическим пятидверным кузовом.
4.3 Спецавтомобили предназначены для перевозки только сидящих людей.
4.4 В спецавтомобилях оборудуют следующие отделения:
а) на базе легковых автомобилей [рисунок 1а)]:
- рабочий салон;
- отсек для задержанных (не менее двух человек);
- вспомогательный отсек (при необходимости).
б) на базе автобусов [рисунок 1б)]:
- кабина водителя (штатная базового автомобиля);
- рабочий салон;
- отсек для задержанных (не менее двух человек);
- вспомогательный отсек (при необходимости).
4.5 В АДЧ (АОДС) дополнительно могут быть оборудованы [рисунок 1в)]:
- отсек для служебной собаки;
- отсек (встроенный шкаф) для оборудования.
а) На базе легковых автомобилей
б) На базе автобусов без отсека для служебной собаки
и встроенного шкафа для оборудования
в) С отсеком для служебной собаки
и со встроенным шкафом для оборудования
1 - рабочий салон; 2 - отсек для задержанных;
3 - вспомогательный отсек; 4 - кабина водителя;
5 - рабочий стол; 6 - отсек (встроенный шкаф)
для оборудования; 7 - отсек для служебной собаки
Рисунок 1 - Примеры планировок спецавтомобилей
Целесообразно оснащение АДЧ (АОДС) площадкой для осмотра и фотографирования места происшествия, установленной на крыше кузова. При наличии указанной площадки спецавтомобиль должен быть оснащен съемной или стационарной лестницей для подъема на нее.
5 Конструктивные требования
5.1 Рабочий салон спецавтомобилей на базе автобусов
5.1.1 В рабочем салоне должны располагаться:
- места для сидения;
- рабочий стол;
- места для размещения оборудования;
- отсек для служебной собаки (при необходимости).
Целесообразно взаиморасположение рабочего стола и мест для сидения таким образом, чтобы за столом могли одновременно работать не менее двух человек.
5.1.2 Если между кабиной водителя и рабочим салоном установлена сплошная перегородка от пола до потолка, то в ней должно быть окно, обеспечивающее визуальный и голосовой контакт между сотрудниками в кабине и рабочем салоне.
При отсутствии указанной перегородки кабина водителя и рабочий салон должны быть разделены сдвижной шторкой(ами).
5.1.3 Рабочий салон должен иметь не менее двух окон (по одному с каждого борта), включая окно во входной двери, соответствующих следующим требованиям:
- размеры светового проема окон должны быть не менее 350 x 500 мм;
- не менее двух окон должны иметь подвижные стекла (не менее одного в каждом окне) и быть оснащены сдвижными шторками из непрозрачной светопропускающей ткани с внутренней стороны;
- стекла должны быть тонированными со светопропусканием от 30% до 40%.
5.1.4 Рабочий салон должен иметь внутреннюю обшивку и теплоизоляцию между наружной и внутренней обшивками. В перегородке между рабочим салоном и отсеком для задержанных теплоизоляцию допускается не устанавливать.
Внутренняя обшивка должна быть выполнена из материала, позволяющего эффективно проводить влажную уборку с применением моющих средств.
5.1.5 На полу рабочего салона, как правило, устанавливают настил из водостойкой фанеры толщиной не менее 8 мм и напольного покрытия, выполненного из противоскользящего антистатического материала, предназначенного для автомобильных полов, толщиной не менее 2 мм.
Настил и напольное покрытие по периметру и линиям стыков должны быть закреплены с помощью металлических профилей (или загиба внутренней обшивки) и загерметизированы. Допускается использовать материалы и крепежные элементы штатного настила базового автомобиля, если они соответствуют указанным требованиям.
5.1.6 Требования к входной двери рабочего салона
5.1.6.1 Дверь должна быть распашной или сдвижной и располагаться по правому борту спецавтомобиля.
5.1.6.2 В двери должно быть предусмотрено окно по 5.1.3.
5.1.6.3 Дверь должна быть оборудована фиксатором для предотвращения открывания ее снаружи, ограничителями открывания и элементами фиксации в открытом положении.
5.1.7 Требования к сиденьям в рабочем салоне
5.1.7.1 Сиденья в рабочем салоне должны быть мягкими или полумягкими, оборудованы спинками, быть многоместными или одноместными, стационарными или откидными. Допускается использовать штатные сиденья салона базового автобуса.
Допускается установка дополнительных сидений (сиденья), находиться на которых разрешается только во время стоянки. Над указанными сиденьями (рядом с ними) должна быть табличка с соответствующим указанием, аналогичное указание должно быть в руководстве по эксплуатации спецавтомобиля.
5.1.7.2 Под сиденьями могут быть оборудованы ящики для размещения спецоборудования.
5.1.7.3 Обивка сидений (или чехлы на них) должна быть выполнена из материала, позволяющего эффективно проводить влажную уборку с применением моющих средств.
5.1.8 Требования к рабочему столу
5.1.8.1 Рабочий стол может быть стационарным или откидным, размеры поверхности стола должны быть не менее 430 x 310 мм.
5.1.8.2 Стол допускается оборудовать выдвижными ящиками размерами не менее 310 x 220 x 50 мм для размещения канцелярских принадлежностей, ящики должны быть оснащены замками или фиксаторами для предотвращения самопроизвольного выдвигания.
5.2 Рабочий салон спецавтомобилей на базе легковых автомобилей
5.2.1 Покрытия, применяемые в рабочем салоне спецавтомобиля, должны быть выполнены из материалов, позволяющих эффективно проводить влажную уборку с применением моющих средств.
5.2.2 В рабочем салоне спецавтомобиля должны быть оборудованы места для размещения оборудования, для этого целесообразно использовать пространство под штатными сиденьями рабочего салона и пространство между сиденьями рабочего салона и передней перегородкой отсека для задержанных.
При необходимости в рабочем салоне могут быть оборудованы дополнительные шкафы, стеллажи, отсеки.
5.2.3 В рабочем салоне может быть оборудован рабочий стол, размеры поверхности которого должны быть не менее 430 x 310 мм.
5.3 Отсек для задержанных
5.3.1 Конструкция отсека для задержанных должна обеспечивать полную изоляцию задержанных от лиц, находящихся снаружи спецавтомобиля. Необходимо соблюдение следующих требований:
а) штатные окна базового автомобиля в местах расположения отсека для задержанных должны быть заглушены стальным листом толщиной не менее 1,5 мм;
б) допускается использовать штатное остекление базового автомобиля, при этом стекла должны иметь светопропускание не более 15%, изнутри должны быть защищены стальным листом толщиной не менее 0,8 мм.
5.3.2 Требования к наружным элементам крепежных изделий, находящимся в отсеке для задержанных:
а) конструкция наружных элементов крепежных изделий (или крепежных узлов), находящихся в отсеке для задержанных, должна исключать их несанкционированный демонтаж. В случае необходимости их демонтаж должен осуществляться только с помощью специального инструмента. Соединения должны быть выполнены неразъемными, либо со стороны отсека для задержанных должна быть конструктивно исключена возможность демонтажа крепежных изделий с помощью рожкового и накидного гаечного ключа, отвертки (плоской, крестовой, звездообразной), трех- четырех- и шестигранного ключа;
б) минимальное расстояние от осей отверстий резьбовых и заклепочных соединений до кромки соединяемых поверхностей должно быть не менее 1,2 диаметра резьбы или заклепки, как показано на рисунке 2; максимальные диаметры сквозных отверстий под крепежные изделия - в соответствии с ГОСТ 11284 (требования приложения - обязательны).
D - диаметр крепежного изделия (резьбовое не менее 4,5 мм,
если не указано иное; заклепка стальная не менее 4 мм),
сквозное отверстие под него не показано;
b - расстояние от кромок соединяемых поверхностей
до центра отверстия, b >= 1,2D
Рисунок 2 - Минимальное расстояние
от осей отверстий резьбовых и заклепочных соединений
до кромок соединяемых поверхностей
5.3.3 Размеры отсека для задержанных в зоне расположения людей
5.3.3.1 Ширина свободного пространства на высоте от 270 до 650 мм над сиденьем должна быть:
а) не менее 500 мм для одноместных сидений;
б) не менее 450 мм на одно посадочное место для многоместных сидений (или одноместных сидений, установленных рядом).
5.3.3.2 Размеры отсека для задержанных в продольном сечении:
а) при расположении сидений в один ряд - в соответствии с рисунком 3;
Рисунок 3 - Размеры сидений разных типов
и размеры отсека для задержанных с одним рядом сидений
б) при расположении сидений напротив друг друга - в соответствии с рисунком 4.
Допускается установка спинки на стенке с обратным наклоном (в сторону пространства отсека), при этом:
- глубину отсека L и глубину сиденья (размер "350 min" на рисунке 4) измеряют от точки A на рисунке 4;
- высоту расположения спинки (размер "250 - 350" на рисунке 4) измеряют по вертикали.
Противоположные сиденья могут быть разных типов.
--------------------------------
<*> Размер l должен быть не менее 480 мм при L < 300 мм и не менее 580 мм при L >= 1300 мм.
В спецавтомобилях на базе автобусов размер L должен быть не менее 1300 мм.
Примечание - Уменьшение свободного пространства в верхней части (не более чем показано на рисунке) допускается, только если размер L >= 1300 мм.
Рисунок 4 - Размеры сидений разных типов,
размеры отсека для задержанных с сиденьями,
расположенными напротив друг друга
5.3.3.3 Высота свободного пространства над каждым местом для сидения:
а) при расположении сидений в один ряд - не менее 1200 мм от пола, на котором расположены ноги сидящего задержанного, и не менее 850 мм от поверхности сиденья (должна быть обеспечена на участке L, приведенном на рисунке 3);
б) при расположении сидений напротив друг друга - в соответствии с рисунком 4;
в) для сидений, расположенных у стен кузова боком к стенам, пространство в верхней части может быть уменьшено, как показано на рисунке 5.
1 - минимальное свободное пространство
Рисунок 5 - Допустимое уменьшение свободного пространства
над сиденьями, расположенными у стен кузова боком к стенам
5.3.3.4 Допустимое уменьшение свободного пространства в зоне расположения ног (колесные кожухи, выступы в нижней части и т.д.) - в соответствии с требованиями [2].
5.3.4 Отсек для задержанных должен иметь внутреннюю обшивку и теплоизоляцию между наружной и внутренней обшивками, при этом:
а) внутренняя обшивка должна быть выполнена из стального листа толщиной не менее 0,8 мм;
б) стены и потолок отсека для задержанных должны быть серого или светло-серого цвета.
5.3.5 На полу отсека для задержанных должен быть установлен настил, требования к настилу - по 5.1.5.
5.3.6 Требования к перегородкам отсека для задержанных
5.3.6.1 Перегородки должны быть металлическими, каркасной конструкции с обшивкой:
а) каркасы перегородок должны быть сварными из стальных профилей <1>, размером не менее 20,0 x 20,0 x 1,5 мм, с размером ячейки не более 400 x 400 мм. Для боковых перегородок и простенков шириной не более 500 мм допускается установка только горизонтальных профилей на расстоянии не более 400 мм (вертикальные профили допускается не устанавливать);
--------------------------------
<1> Допускается применение профилей закрытого сечения, а также открытых сечений, имеющих не менее трех стенок (здесь и далее).
б) требования к обшивке:
1) задняя перегородка должна иметь обшивку из стального листа с обеих сторон толщиной не менее 0,8 мм или одностороннюю со стороны отсека для задержанных толщиной не менее 2 мм;
2) на боковой перегородке, между отсеком для задержанных и отсеком для оборудования (рисунок 1, позиция 6), допускается обшивка из стального листа толщиной не менее 0,8 мм со стороны отсека для задержанных (со стороны отсека для оборудования обшивка может отсутствовать);
3) на передней перегородке со стороны отсека для задержанных должна быть обшивка из стального листа толщиной не менее 0,8 мм или, если со стороны рабочего салона не установлена обшивка из металлического листа толщиной не менее 0,8 мм, не менее 2 мм.
5.3.6.2 Для обеспечения выполнения требований [1] в части, касающейся воздухообмена в передней перегородке в нижней части допускается предусматривать, а в верхней части необходимо предусматривать вентиляционные отверстия или жалюзи, соответствующие следующим требованиям:
а) диаметр (сторона) отверстий: в нижней части - не более 40 мм, в верхней части - не более 15 мм; расстояние между кромками отверстий, выполненных в обшивке: в нижней части - не менее 10 мм, в верхней части - не менее 5 мм;
б) в случае использования для вентиляции решетчатых элементов (допускается только в нижней части, обшивка в местах расположения решеток не устанавливается) размер ячейки должен быть не более 40 x 40 мм, решетки должны быть сварными, выполнены из стального прутка диаметром (8,0 +/- 0,2) мм, вмонтированными внутри каркаса;
в) жалюзи должны быть выполнены из металлического листа толщиной не менее 1,4 мм, ширина щелей должна быть не более 10 мм;
г) отверстия (жалюзи) в нижней части следует располагать под сиденьями для задержанных, или верхнюю кромку отверстий (жалюзи) следует располагать на расстоянии не более 300 мм от пола;
д) в верхней части нижнюю кромку отверстий (жалюзи) следует располагать на расстоянии не более 200 мм от потолка;
е) в случае размещения пассажиров рабочего салона непосредственно за перегородкой напротив отверстий, должна быть конструктивно обеспечена невозможность прямого проникновения колющих предметов из отсека для задержанных в рабочий салон;
ж) в местах расположения отверстий (жалюзи) должна быть конструктивно обеспечена невозможность проникновения в полость перегородки и в рабочий салон предметов, имеющих сечение диаметром (стороной) более 1,5 мм.
5.3.6.3 В передней перегородке должно быть оборудовано окно со стеклом, со стороны рабочего салона должны быть установлены защитная решетка и сдвижная шторка из непрозрачной светопропускающей ткани, соответствующие следующим требованиям:
а) площадь светового проема окна (без учета решетки) должна быть в пределах от 7 до 34 дм2, высота светового проема окна - не менее 150 мм;
б) окно может быть выполнено в конструкции аварийного люка или в двери дополнительного входа в отсек для задержанных (при его наличии);
в) стекло окна должно быть (в соответствии с ГОСТ 30826) взломостойким класса защиты не ниже Р6В или пулестойким класса защиты не ниже Бр1;
г) рамка стекла должна крепиться к каркасу перегородки (люка, двери) с помощью сквозных резьбовых соединений (типа "винт/болт - гайка") <1>;
--------------------------------
<1> Длина указанного соединения (высота гайки) должна составлять не менее 0,8 диаметра резьбы (здесь и далее).
д) решетка должна быть выполнена из стального прутка диаметром (8,0 +/- 0,2) мм, расстояние между прутками - (40 +/- 2) мм;
е) решетка должна быть вмонтирована внутрь каркаса окна, либо ее крепление к перегородке (люку, двери) должно осуществляться с помощью сварки или резьбовых соединений диаметром не менее 8 мм.
5.3.6.4 Перегородки должны крепиться к полу, стенам и крыше кузова автомобиля и соединяться между собой с помощью сварки или резьбовых соединений диаметром не менее 8 мм.
5.3.6.5 В отсеке для задержанных должны быть оборудованы ручки-ниши (ручка-ниша) или специальные поручни (поручень), соответствующие следующим требованиям:
а) расположение и число ручек-ниш и специальных поручней должно быть таким, чтобы каждый задержанный мог за них держаться хотя бы одной рукой;
б) конструкция ручек-ниш и специальных поручней должна исключать возможность зацепления за них ремней, веревок и т.д.;
в) ручки-ниши и специальные поручни должны быть изготовлены из стального листа и/или профилей толщиной не менее 1,4 мм (допускается изготовление из стального листа толщиной не менее 1,0 мм при условии складывания его вдвое);
г) крепление ручек-ниш и специальных поручней к перегородкам (стенам кузова) следует осуществлять с помощью сварки по всем видимым линиям соприкосновения или с помощью резьбовых соединений диаметром не менее 8 мм, длина глухих соединений и сквозных соединений с неподвижной внутренней резьбой <2> (при наличии) должна составлять не менее 1,5 диаметров резьбы.
--------------------------------
<2> Сквозное соединение с неподвижной внутренней резьбой - резьба, выполненная непосредственно в детали, резьбовая втулка, гайка, приваренная к детали и т.д. Если не указано иное, длина глухого соединения и сквозного соединения с неподвижной внутренней резьбой должна составлять не менее одного диаметра резьбы (здесь и далее).
5.3.7 Требования к сиденьям для задержанных
5.3.7.1 Сиденья должны быть стационарными, жесткой конструкции, на металлическом каркасе, сваренном из стальных профилей размером не менее 20,0 x 20,0 x 1,5 мм.
Кроме того, каркасы сидений могут образовывать единую металлоконструкцию с каркасами перегородок и стен.
5.3.7.2 Сиденья и спинки должны быть выполнены из доски деревьев хвойных пород толщиной от 25 до 40 мм или из фанеры повышенной водостойкости (марки не ниже ФСФ по ГОСТ 3916.1 или ГОСТ 3916.2) толщиной не менее 8 мм, с бесцветным лаковым покрытием и соответствовать следующим требованиям:
- применение фанеры для изготовления сидений и спинок допускается только для одно- и двухместных сидений;
- крепление доски (фанеры) к каркасам должно осуществляться с помощью резьбовых соединений диаметром не менее 8 мм; при креплении к каркасам перегородок и стен длина глухих соединений и сквозных соединений с неподвижной внутренней резьбой (при наличии) должна составлять не менее 0,6 диаметра резьбы;
- крепление фанеры к каркасам должно быть бесконсольным, расстояние от оси резьбового соединения до кромки фанеры должно быть не более трех диаметров резьбы;
- соединения досок между собой должны быть бесщелевыми;
- спинки должны быть шириной от 100 до 150 мм, установлены на высоте от 250 до 350 мм от уровня сидений (в соответствии с рисунками 3 и 4) и должны крепиться к каркасам сидений или каркасу перегородок или стен кузова автомобиля.
5.3.7.3 Сиденья должны иметь следующие размеры:
- длина многоместного сиденья - по 5.3.3.1, перечисление б);
- ширина одноместного сиденья - не менее 420 мм;
- высота сидений - от 340 до 500 мм;
- глубина сидений - не менее 350 мм (в соответствии с рисунками 3 и 4).
5.3.7.4 Каркасы сидений следует крепить к полу или (допускается только для одноместных сидений) к каркасам перегородок и стен кузова спецавтомобиля с помощью сварки или резьбовых соединений диаметром не менее 8 мм; длина глухих соединений и сквозных соединений с неподвижной внутренней резьбой (при наличии) должна составлять не менее 1,5 диаметров резьбы.
5.3.7.5 Крепежные элементы сидений, расположенные со стороны отсека для задержанных, не должны отворачиваться без применения специального инструмента, в соответствии с 5.3.2, перечисление а).
5.3.8 Требования к входам в отсек для задержанных
5.3.8.1 Основной вход следует осуществлять через штатную заднюю дверь базового автомобиля и дверь в задней перегородке отсека для задержанных.
Допускается оборудовать дополнительный вход из рабочего салона в передней перегородке отсека для задержанных.
Штатная задняя дверь базового автомобиля должна быть распашной, не допускается открывание двери вверх и вниз.
5.3.8.2 Если штатная задняя дверь базового автомобиля - двустворчатая, то основной вход в отсек для задержанных целесообразно располагать так, чтобы для доступа в него было достаточно открытия только одной створки задней двери.
5.3.8.3 Ширина дверного проема в перегородке отсека для задержанных с учетом защитной пластины ригеля замка (рисунок 7, позиция 3) должна быть не менее 510 мм.
Зазор между каркасами дверного проема и двери со стороны ригеля(ей) должен быть не более 5 мм, с остальных сторон - не более 10 мм.
5.3.8.4 Двери отсека для задержанных должны быть одностворчатыми распашными. Должны быть предусмотрены ограничители открывания и элементы фиксации дверей в открытом положении.
Дверь основного входа должна открываться в сторону вспомогательного отсека, дополнительного входа - в сторону рабочего салона.
5.3.8.5 Двери должны быть металлическими, сварными, каркасными с обшивкой:
а) каркас дверей должен быть выполнен из стальных профилей размером не менее 20,0 x 20,0 x 1,5 мм; внутри каркаса устанавливают горизонтальные профили, расстояние между ними должно быть не более 400 мм;
б) обшивка дверей должна быть из стального листа толщиной не менее 2 мм; на двери дополнительного входа со стороны рабочего салона может быть дополнительная обшивка по 5.1.4; дверь основного входа может иметь двустороннюю обшивку из стального листа толщиной не менее 0,8 мм при наличии между ними теплоизоляции, занимающей весь объем ячеек каркаса двери; крепление обшивки к каркасу следует осуществлять с помощью сварки;
в) если во вспомогательном отсеке расположены штатные вентиляционные жалюзи базового автомобиля, дверь основного входа для обеспечения выполнения требований [1] в части, касающейся воздухообмена, может иметь верхние и нижние вентиляционные отверстия или жалюзи. При этом:
1) нижняя кромка верхних отверстий должна располагаться на расстоянии не более 200 мм от потолка, верхняя кромка нижних отверстий - не более 300 мм от пола;
2) максимальный диаметр (сторона) отверстий - 40 мм; расстояние между кромками отверстий, выполненных в обшивке: в нижней части - не менее 10 мм, в верхней части - не менее 5 мм;
3) допускается использование для вентиляции решетчатых элементов в верхней и нижней частях двери;
4) должна быть конструктивно обеспечена невозможность проникновения во вспомогательный отсек предметов, имеющих сечение диаметром (стороной) более 1,5 мм;
5) остальные требования к отверстиям и жалюзи - по 5.3.6.2;
г) дверь дополнительного входа должна быть снабжена вентиляционными отверстиями в нижней части по 5.3.6.2, допускается установка окна для наблюдения за задержанными по 5.3.6.3 и/или вентиляционного отверстия в верхней части по 5.3.6.2.
5.3.8.6 Запорные устройства и петли двери отсека для задержанных должны соответствовать следующим требованиям (примерные варианты установки замков распашных дверей показаны на рисунках 6 и 7):
а) дверь должна быть оснащена механическим замком(ами), выполняющим(и) две функции запирания: защелкивания и блокировки. Замок(и) должен (должны) быть оснащен(ы) следующими ригелями, установленными в средней части двери или в верхней и нижней частях двери <1>:
--------------------------------
<1> При установке ригелей в верхней и нижней частях двери они должны закрываться и открываться синхронно.
1) основным, самосрабатывающим ригелем, выполняющим функцию защелкивания; его открывание должно осуществляться съемной ручкой; форма соприкасающихся поверхностей ригеля и его ответной части должна обеспечивать свободное, без заеданий, срабатывание ригеля;
2) дополнительным ригелем, запираемым ключом (выполняет функцию блокировки, может быть совмещен с основным ригелем);
3) ригели должны быть стальными, иметь поперечное прямоугольное сечение размером не менее 15 x 8 мм (допускаются фаски не более 1 мм) или круглое диаметром не менее 15 мм; ригели, запираемые ключом, могут иметь поперечное сечение диаметром или стороной не менее 8 мм, в этом случае их число должно быть не менее двух;
б) дверь должна быть оснащена задвижкой с горизонтальными проушинами под навесной замок (если основные ригели установлены в верхней и нижней частях двери, допускаются одни вертикальные проушины под навесной замок, задвижку допускается не устанавливать);
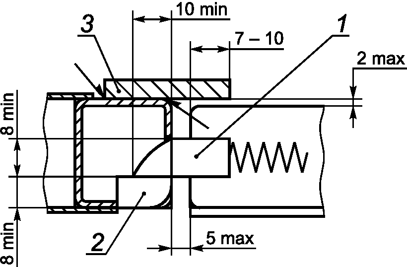
в) доступ к ригелю замка изнутри отсека для задержанных должен быть исключен установкой защитного кожуха (рисунок 6, позиция 3) или пластины (рисунок 7, позиция 3), соответствующих следующим требованиям:
1) пластина должна быть установлена по всей высоте дверного проема, в случае расположения ригелей в верхней и нижней частях двери - по всей ширине дверного проема;
2) кожух и пластина должны быть выполнены из стального листа толщиной не менее 3 мм;
3) кожух и пластина должны быть приварены к каркасу дверного проема: кожух - непрерывными швами (швом) по всем линиям соприкосновения; пластина - как показано на рисунке 7а), длина провариваемого участка должна составлять не менее 10 мм, непровариваемого - не более 50 мм, торцы пластины также должны быть приварены к балкам (стойкам) проема;
4) при закрытой двери зазор между ее поверхностью и защитной пластиной [рисунок 7а)] или между поверхностью защитной крышки замка и кожухом (рисунок 6) должен составлять не более 2 мм;
5) для накладного замка, установленного со стороны вспомогательного отсека или рабочего салона, если наружная обшивка двери перекрывает дверной проем и исключает доступ к ригелю, пластина не устанавливается;
г) задвижка, проушины и навесные замки должны соответствовать следующему:
1) задвижка должна быть расположена под углом от 0,5° до 10° относительно горизонтальной поверхности, как показано на рисунке 8 (при этом продольная ось направляющих и ответной части может быть параллельна продольной оси задвижки);
2) задвижка, ее ответная часть, направляющие и проушины должны быть стальными;
3) площадь поперечного сечения задвижки должна быть не менее 120 мм2, при этом ее толщина должна быть не менее 5 мм;
4) толщина проушин, ответной части и направляющих задвижки должны быть не менее 4 мм;
5) ширина ответной части (углубление задвижки в ответную часть) и ширина направляющих задвижки должны быть не менее 25 мм;
6) для накладного замка, установленного со стороны вспомогательного отсека или рабочего салона [рисунок 7б)], допускается исполнение единой ответной части ригеля замка и задвижки;
7) навесные замки должны быть с открытыми дужками номинальным диаметром (толщиной) не менее 10 мм;
8) форма и размеры проушин должны соответствовать рисунку 9, разница диаметров отверстия в проушине и дужки навесного замка должна составлять не более 7 мм;
д) петли должны быть стальными и иметь следующие размеры: диаметр оси - не менее 8 мм, толщина стенки втулки - не менее 3 мм, общая высота петель на одну дверь - не менее 300 мм. Должна быть конструктивно обеспечена невозможность несанкционированного снятия двери с петель;
е) запорные устройства, ответные части и петли следует крепить к дверям и дверным проемам с помощью сварки или резьбовых соединений:
1) сварные соединения должны быть выполнены непрерывными швами по всем видимым линиям соприкосновения свариваемых деталей;
2) резьбовые соединения должны быть сквозными (типа "винт/болт - гайка"), на перегородке - через каркас, как показано на рисунке 7б), диаметром не менее 8 мм;
3) глухие резьбовые соединения и сквозные соединения с неподвижной внутренней резьбой допускается применять при креплении к двери при условии стопорения их сваркой, или длина соединения должна составлять не менее двух диаметров резьбы;
4) крепежные элементы резьбовых соединений, расположенные со стороны отсека для задержанных, не должны отворачиваться без применения специального инструмента, в соответствии с 5.3.2, перечисление а);
ж) на дверях отсека для задержанных должны быть нанесены стрелки, указывающие направление вращения ручки для их открывания.
1 - замок; 2 - ответная часть ригеля замка; 3 - защитный
кожух ригеля замка; 4 - защитная крышка замка
Рисунок 6 - Установка накладного замка двери отсека
для задержанных со стороны отсека для задержанных
а) Врезной замок (замок со стороны отсека
должен быть закрыт обшивкой или защитной крышкой)
б) Накладной замок, установленный со стороны
вспомогательного отсека или рабочего салона
1 - ригель замка; 2 - ответная часть ригеля замка;
3 - защитная пластина ригеля замка
Рисунок 7 - Варианты установки замков дверей
отсека для задержанных
1 - задвижка; 2 - проушина
Рисунок 8 - Установка задвижки с проушинами
под навесной замок
1 - дужка навесного замка
Рисунок 9 - Проушина под навесной замок
5.3.9 В спецавтомобилях на базе легковых автомобилей допускается не устанавливать заднюю перегородку отсека для задержанных в случае уменьшения штатного проема задней двери базового автомобиля до ширины, указанной в 5.3.8.3.
5.3.9.1 Варианты уменьшения ширины проема (при необходимости):
а) штатную заднюю дверь базового автомобиля демонтируют и заменяют новой (оригинальной) дверью меньшей ширины, непосредственно в проем устанавливают вставки(у), уменьшающие(ую) его ширину;
б) штатную заднюю дверь дорабатывают или заменяют новой (оригинальной) дверью, ширина которой равна ширине штатной двери, в пространстве за дверью (при необходимости) устанавливают вставку-перегородку (вставки-перегородки), уменьшающую(ие) ширину прохода в отсек.
5.3.9.2 Вставки в дверной проем [по 5.3.9.1, перечисление а)], оригинальная или доработанная дверь (в обоих вариантах 5.3.9.1) должны быть металлическими, сварными, каркасными, с наружной и внутренней обшивками и теплоизоляцией между ними. При этом необходимо соблюдать следующие требования:
а) к каркасам вставок и оригинальной двери - по 5.3.6.1, перечисление а) и 5.3.8.5, перечисление а) соответственно;
б) штатный каркас доработанной двери (при необходимости) усиливают таким образом, чтобы расстояние между профилями каркаса было не более 400 мм;
в) обшивку выполняют из листовой стали: наружную - толщиной не менее 0,8 мм, внутреннюю обшивку вставок - не менее 0,8 мм, двери - не менее 2 мм;
г) наружная обшивка двери должна перекрывать зазор между дверью и дверным проемом не менее чем на 5 мм на каждую сторону, за исключением стороны, на которой установлены петли. На стороне установки петель проем должен перекрываться обшивкой, обеспечивая свободное, без заеданий открытие двери.
5.3.9.3 Вставки-перегородки в дверной проем [по 5.3.9.1, перечисление б)] должны быть металлическими, сварными, каркасными, с обшивкой. При этом необходимо соблюдать следующие требования:
а) к каркасам - по 5.3.6.1, перечисление а) допускается использование профилей (имеющих не менее трех стенок) и труб прямоугольного и круглого сечения стороной или диаметром не менее 10 мм и толщиной не менее 1 мм;
б) обшивку выполняют из листовой стали толщиной не менее 0,8 мм.
5.3.9.4 Крепление вставок и вставок-перегородок к кузову - по 5.3.6.4.
5.3.9.5 Дверь должна быть распашной, открываться вбок в сторону улицы, оснащена ограничителями открывания и закрывания и элементами фиксации в открытом положении.
5.3.9.6 Дверь должна быть оснащена механическим замком(ами) в соответствии со следующими требованиями:
а) замок (замки) должен (должны) иметь следующие ригели, установленные на стойке двери или на верхней и нижней поперечинах двери:
1) самосрабатывающий (основной), отпираемый съемной ручкой;
2) дополнительно запираемый ключом на два оборота (может быть совмещен с основным), углубление ригеля в ответную часть должно составлять не менее 10 мм после каждого оборота;
б) установка накладных замков снаружи [рисунок 7б)] не допускается, устанавливать петли целесообразно внутри конструкции, остальные требования к запорным устройствам и петлям - по 5.3.8.6;
в) в случае доработки по 5.3.9.1, перечисление б) допускается использовать петли и запорные устройства штатной двери базового автомобиля, если они соответствуют указанным выше требованиям.
5.3.10 В отсеке для задержанных не должно быть колющих, режущих и прочих травмоопасных элементов. Элементы, находящиеся в зоне расположения людей выше уровня поверхности сидений и выступающие от поверхности стен, потолка и двери более чем на 3 мм, должны иметь радиус закругления или фаски не менее 2,5 мм (за исключением крепежных элементов профили каркаса двери должны иметь наружный радиус закругления не менее их толщины).
5.4 Отсек для служебной собаки
5.4.1 Отсек для служебной собаки оборудуют по требованию государственного заказчика, выполняют стационарно или в виде съемной (съемно-разборной) покупной или оригинальной клетки.
Самопроизвольное перемещение клетки при всех режимах эксплуатации спецавтомобиля не допускается.
5.4.2 Расположение отсека для служебной собаки должно обеспечивать возможность наблюдения специалистом-кинологом за ней.
5.4.3 Если вход в отсек осуществляется из рабочего салона, он должен быть расположен максимально близко к входу в рабочий салон, чтобы проход служебной собаки через салон был минимальным.
5.4.4 Внутренние размеры отсека должны быть не менее: длина - 900 мм, ширина - 600 мм, высота - 650 мм. При этом допускается следующее:
- в случае использования клетки каркасной конструкции - измерения проводить от стенки до стенки и от пола до потолка, каркас, выступающий внутрь пространства клетки, не учитывать;
- уменьшение ширины отсека (клетки) до 500 мм, при этом площадь должна составлять не менее 0,54 м2.
В случае использования пластикового переносного контейнера со стенками непрямолинейной формы допускаются внутренние размеры 770 x 500 x 630 мм, при этом длину и ширину измеряют в средней горизонтальной плоскости по продольной и поперечной осям, высоту измеряют по центру клетки.
5.4.5 Стенки, пол и потолок отсека должны быть выполнены из нержавеющего материала или иметь антикоррозионное покрытие, съемная клетка может быть выполнена в виде переносного контейнера из пластика.
5.4.6 Вход в отсек должен быть оборудован дверцей решетчатой или сетчатой конструкции, запорным устройством для предотвращения ее самопроизвольного открывания, уплотнением для исключения шума и вибрации во время движения.
5.4.7 На полу отсека должен быть установлен съемный настил из досок или резиновый (резино-пластиковый) коврик.
5.4.8 Если вход в отсек для служебной собаки осуществляется через заднюю дверь спецавтомобиля, на двери или рядом с ней с наружной стороны должна быть табличка, содержащая следующую информацию:
- открывать дверь при работающем двигателе спецавтомобиля запрещено;
- перевозка в отсеке горюче-смазочных материалов и других веществ с резкими запахами запрещена.
Аналогичные указания должны быть в руководстве по эксплуатации спецавтомобиля.
5.4.9 В отсеке для служебной собаки не должно быть колющих, режущих и прочих травмоопасных элементов.
5.4.10 Параметры обитания в отсеке для собаки [внутренний шум и содержание вредных (загрязняющих) веществ] должны соответствовать требованиям [1], ГОСТ 33555 и ГОСТ 33554 пассажирских отсеков транспортных средств.
5.4.11 На месте установки съемной клетки могут быть предусмотрены дополнительные откидные сиденья или места для размещения оборудования.
5.5 Общие требования к электрооборудованию
5.5.1 Дополнительное электрооборудование спецавтомобиля должно подключаться к бортовой сети базового автомобиля через резервные предохранители, а при их отсутствии или недостаточной силе тока - через собственные или дополнительные предохранители.
5.5.2 Электропроводка должна быть скрыта под внутренней обшивкой, защищена от механических повреждений и надежно закреплена. Места перехода проводов через металлические стенки должны быть изолированы диэлектрическими материалами.
5.5.3 Электропроводка, коммутационные и соединительные устройства должны быть рассчитаны на работу электрооборудования в соответствии с таблицей 1 в режимах максимальной потребляемой мощности.
Таблица 1
Коэффициенты времени работы энергопотребителей
Энергопотребитель
Коэффициент времени работы энергопотребителей
Движение по городу
Стоянка
Зима, ночь
Лето, день
Зима, ночь
Лето, день
Фары дальнего света
0,15
-
-
-
Фары ближнего света
1,00
1,00
-
-
Фонари габаритные
1,00
1,00
1,00
-
Фонарь освещения номерного знака
1,00
1,00
1,00
-
Освещение приборов
1,00
1,00
1,00
-
Стоп-сигнал
0,15
0,15
-
-
Указатели поворотов
0,15
0,15
1,00
1,00
Питание приборов
1,00
1,00
1,00
-
Система зажигания
1,00
1,00
1,00
1,00
Отопители
1,00
-
1,00
-
Вентиляторы системы принудительной вентиляции
-
1,00
-
1,00
Стеклоочистители, работающие в режиме малой частоты цикла
0,25
0,25
-
-
Стеклоомыватель
0,05
0,05
-
-
Фароочиститель (при наличии)
0,10
0,10
-
-
Фароомыватель (при наличии)
0,03
0,03
-
-
Система кондиционирования (при наличии)
-
1,00
-
1,00
Привод вентилятора системы охлаждения
0,30
0,60
0,40 <*>
0,80 <*>
Фары-искатели (при наличии)
0,22
-
1,00
-
СГУ:
- включенные светопроблесковые маяки
1,00
1,00
1,00
1,00
- включенные звуковые сигналы
0,33
0,33
-
-
Радиостанция:
- в режиме "передача"
0,33
0,33
0,10
0,10
- в режиме "прием"
0,66
0,66
0,90
0,90
КБО из состава СНМС
1,00
1,00
1,00
1,00
АПК ВН
1,00
1,00
1,00
1,00
Светильники внутреннего освещения:
- салона
-
-
1,00
-
- отсека для задержанных
1,00
1,00
1,00
1,00
Лампа местного освещения (при наличии)
-
-
1,00
-
АУП моторного отсека в дежурном режиме (при наличии)
1,00
1,00
1,00
1,00
Термометр в отсеке для задержанных (при наличии)
1,00
1,00
1,00
1,00
<*> Коэффициенты могут быть уточнены для конкретного типа спецавтомобиля.
5.5.4 Система электроснабжения спецавтомобиля при подключении электрооборудования в соответствии с таблицей 1:
- при движении должна обеспечивать положительный баланс потребления электроэнергии с запасом по мощности не менее 10%;
- при стоянке с работающим двигателем допускается баланс электроэнергии, при котором степень заряженности аккумуляторной батареи спецавтомобиля сохраняется неизменной.
5.5.4.1 Баланс электроэнергии должен быть подтвержден расчетом для следующих режимов работы:
- движение - "город - зима - ночь";
- стоянка при работающем двигателе - "зима - ночь".
Для спецавтомобилей, оснащенных автономной системой кондиционирования, дополнительно должен быть проведен расчет баланса электроэнергии для следующих режимов работы:
- движение "город - лето - день";
- стоянка при работающем двигателе - "лето - день".
5.5.4.2 Перечень дополнительного и специального оборудования, подключаемого в розетки (разъемы), - в соответствии с требованиями государственного заказчика.
5.5.4.3 Система электроснабжения должна иметь запас мощности для повторного запуска двигателя спецавтомобиля: должен обеспечиваться запуск двигателя после стоянки на открытой площадке с неработающим двигателем, при вынутом ключе зажигания и работе электропотребителей, требующих постоянного питания, в течение (48 +/- 1) ч.
При необходимости спецавтомобиль может быть оснащен дополнительным стационарно установленным источником электропитания или СГЗД, генератором повышенной мощности.
Не допускается неизолированное размещение дополнительного источника электропитания и СГЗД в обитаемых отделениях спецавтомобиля (кабина водителя, рабочий салон, отсек для задержанных, отсек для собаки).
Срок эксплуатации СГЗД должен быть не менее срока эксплуатации спецавтомобиля.
5.5.5 В рабочем салоне спецавтомобилей должны быть установлены выключатели, обеспечивающие раздельное включение:
- освещения в рабочем салоне;
- освещения в отсеке для задержанных;
- отопления рабочего салона;
- отопления отсека для задержанных;
- принудительной вентиляции рабочего салона (при ее наличии);
- принудительной вентиляции отсека для задержанных;
- принудительной вентиляции отсека для собаки (при его наличии).
5.5.6 Помимо штатной розетки на панели приборов в рабочем салоне должно быть установлено не менее двух розеток (разъемов) постоянного тока номинальным напряжением 12 В, в АДЧ (АОДС) также может быть установлена розетка(и) переменного тока номинальным напряжением 220 В.
Установка розеток (разъемов) должна соответствовать следующим требованиям:
- количество розеток и перечень дополнительного и специального оборудования, подключаемого в розетки (разъемы) - в соответствии с требованиями государственного заказчика;
- розетки (разъемы) должны быть обозначены информационными табличками с указанием напряжения и допускаемой потребляемой силы тока (мощности);
- розетки (разъемы) различного напряжения должны быть невзаимозаменяемые: использование их в цепях другого напряжения должно быть конструктивно исключено;
- розетки могут входить в состав преобразователя напряжения [см. 5.5.7, перечисление а)].
5.5.7 АДЧ (АОДС) допускается укомплектовывать следующим оборудованием:
а) преобразователем напряжения для обеспечения возможности питания спецоборудования с напряжением питания, отличающимся от напряжения бортовой сети спецавтомобиля;
б) переносным автономным источником электропитания с характеристиками в соответствии с требованиями государственного заказчика.
5.5.8 Электрическая сеть напряжением 220 В (при наличии) должна быть защищена автоматическим выключателем на номинальный ток утечки не более 30 мА или разделительным трансформатором.
В эксплуатационной документации на спецавтомобиль должны быть изложены правила техники безопасности при пользовании источником электропитания и электрической сетью напряжением 220 В.
5.5.9 В кабине водителя (в передней части салона легкового автомобиля) должны быть установлены контрольная лампа (в поле зрения водителя) и звуковой сигнализатор, сигнализирующие о включенном состоянии автономного отопителя (при его наличии), вентиляции и освещения рабочего салона, отсека для собаки (при его наличии) и отсека для задержанных при следующих условиях:
- контрольная лампа - при неработающем двигателе спецавтомобиля, выключенных приборах (ключ зажигания находится в соответствующих положениях) и вынутом ключе зажигания;
- звуковой сигнализатор - при тех же условиях и открытии при этом двери водителя.
5.6 Система отопления
5.6.1 Система отопления и тепловые условия (микроклимат) в спецавтомобиле должны соответствовать требованиям [1] и ГОСТ 30593.
5.6.2 Отопление отсека для задержанных и рабочего салона спецавтомобилей на базе автобусов должно осуществляться отопителями, работающими на принципе отбора тепла от жидкости системы охлаждения двигателя автомобиля или автономным отопителем.
При этом допускается использовать штатную систему отопления базового автобуса или ее элементы.
5.6.3 Отопитель отсека для задержанных целесообразно устанавливать на полу рабочего салона у перегородки данного отсека.
В перегородке напротив отопителя, при отсутствии в этом месте вентиляционных отверстий или жалюзи (5.3.6.2), должно быть предусмотрено окно, защищенное решеткой или жалюзи, соответствующее требованиям 5.6.6 или 5.3.6.2, перечисления в) и ж).
5.6.4 Должна быть обеспечена возможность работы автономных отопителей (при их наличии) при неработающем двигателе спецавтомобиля, при любом положении ключа зажигания и при вынутом ключе зажигания.
5.6.5 Для отопления кабины водителя спецавтомобиля используют штатную систему отопления кабины базового автобуса.
5.6.6 При необходимости, элементы системы отопления могут быть расположены непосредственно в отсеке для задержанных. В этом случае они должны быть расположены под сиденьями и защищены кожухами с отверстиями или решетками, соответствующими следующим требованиям:
- кожухи и решетки должны быть выполнены из стального листа толщиной не менее 1,5 мм или сварены из стального прутка диаметром не менее 2 мм;
- отверстия в них должны быть диаметром (стороной) не более 15 мм, расстояние между кромками отверстий в кожухах из стального листа должно быть не менее 5 мм;
- должна быть конструктивно обеспечена невозможность сброса за кожухи и решетки предметов, имеющих сечение диаметром (стороной) более 1,5 мм.
5.6.7 Отсек для задержанных допускается оборудовать термометром с выносным датчиком температуры, соответствующим следующим требованиям:
а) датчик температуры должен быть установлен в отсеке для задержанных на высоте (90 +/- 10) мм от пола;
б) в рабочем салоне должны быть установлены шкала (дисплей) термометра и световые индикаторы, сигнализирующие о повышении температуры в отсеке для задержанных выше 25 °C и о понижении ниже 10 °C;
в) в эксплуатационной документации на спецавтомобиль должно быть указание, а в рабочем салоне рядом со шкалой (дисплеем) термометра и индикаторами температуры в отсеке для задержанных должна быть информационная табличка с указанием об обязательном включении в отсеке для задержанных:
- принудительной вентиляции при повышении температуры в отсеке более 25 °C;
- отопления при понижении температуры менее 10 °C.
5.6.8 По требованию государственного заказчика спецавтомобиль допускается оснащать системой кондиционирования, соответствующей требованиям [1].
5.7 Система вентиляции
5.7.1 Система вентиляции спецавтомобиля должна соответствовать требованиям [1].
5.7.2 Для вентиляции рабочего салона и кабины водителя спецавтомобилей на базе автобусов используются соответствующие штатные системы вентиляции базовых автомобилей.
В крыше рабочего салона дополнительно может быть установлен приточный электрический вентилятор (при отсутствии его на базовом автобусе).
5.7.3 Вентиляция отсека для задержанных должна осуществляться через вентиляционные отверстия и с помощью вытяжного электрического вентилятора, установленного на крыше кузова спецавтомобиля.
5.7.4 Вентиляционный проход вентилятора в отсеке для задержанных должен обеспечивать выполнение требований [1] в части, касающейся воздухообмена, и должен быть закрыт регулируемой вентиляционной решеткой. Способ регулирования потока воздуха (управления решеткой) - в соответствии с требованиями государственного заказчика.
5.7.5 Вентиляционная решетка должна быть защищена колпаком, выполненным из стального листа толщиной не менее 1,5 мм, с отверстиями диаметром (стороной) не более 10 мм, расстояние между их кромками должно быть не менее 5 мм.
Если регулируемая решетка соответствует указанным требованиям, колпак допускается не устанавливать.
5.7.6 Отсек для служебной собаки должен быть оборудован вытяжным электрическим вентилятором, обеспечивающим удаление воздуха из спецавтомобиля и не менее чем 30-кратный воздухообмен в час.
5.7.7 Должна быть обеспечена возможность работы вентилятора отсека для задержанных при неработающем двигателе спецавтомобиля, при любом положении ключа зажигания и при вынутом ключе зажигания.
5.8 Система освещения
5.8.1 Дополнительные приборы наружного освещения:
а) спецавтомобиль может быть оснащен фарами-искателями (фарой-искателем) в передней и задней частях спецавтомобиля (в порядке, установленном государственным заказчиком);
б) в задней части спецавтомобиля должен быть установлен фонарь (светильник), обеспечивающий освещенность не менее 30 лк в радиусе (2,5 +/- 0,1) м от вертикальной оси дверного проема отсека для задержанных.
5.8.2 Освещение в отсеке для задержанных должно осуществляться с помощью светильника(ов) с плафоном(ами), защищенным(и) по одному из следующих вариантов:
- плафон с защитным колпаком, выполненным из стального листа толщиной не менее 1,5 мм, с отверстиями диаметром (стороной) не более 13 мм, расстояние между их кромками должно быть не менее 5 мм;
- плафон с защитным колпаком, выполненным из стального листа толщиной не менее 0,8 мм, с отверстиями диаметром (стороной) не более 30 мм, внутри колпака закреплена пластина из взломостойкого стекла класса защиты не ниже Р6В по ГОСТ 30826;
- плафон освещения или защитный колпак из взломостойкого стекла класса защиты не ниже Р6В по ГОСТ 30826.
5.8.3 Должна быть обеспечена возможность включения освещения отсека для задержанных при неработающем двигателе спецавтомобиля, при любом положении ключа зажигания и при вынутом ключе зажигания.
5.8.4 Освещенность в рабочем салоне и отсеке для задержанных должна быть следующая:
- в отсеке для задержанных на высоте (750 +/- 50) мм от уровня сидений в геометрическом центре каждого посадочного места - не менее 50 лк;
- на поверхности рабочего стола - не менее 100 лк, при необходимости для освещения рабочего стола может быть предусмотрена лампа местного освещения;
- на остальных местах рабочего салона - не менее 50 лк на высоте от 150 до 650 мм от верхней точки несжатой подушки сиденья в следующей зоне: 200 мм - от нижней кромки передней поверхности спинки сиденья, 200 мм - от передней кромки подушки сиденья в продольной плоскости симметрии сидения.
5.9 Средства связи и сигнализации
5.9.1 Спецавтомобиль должен быть оснащен следующими средствами связи и сигнализации:
- возимой автомобильной радиостанцией (устанавливается в порядке, установленном государственным заказчиком);
- КБО из состава СНМС (устанавливается в порядке, установленном государственным заказчиком);
- СГУ;
- АОК и системой блокировки дверей;
- электрической блокировкой двери отсека для задержанных;
- сигнализацией открытия отсека для задержанных;
- АПК ВН.
Также спецавтомобиль (по требованию государственного заказчика) может быть оснащен мобильным устройством для удаленного доступа к базам данных.
5.9.2 В кабине водителя (в передней части салона легкового автомобиля) должно быть предусмотрено место для установки возимой автомобильной радиостанции.
5.9.3 При отсутствии стандартного проема под автомагнитолу, в кабине водителя (в передней части салона легкового автомобиля) должно быть предусмотрено место для установки мобильного терминала, КБО из состава СНМС.
5.9.4 Требования к СГУ
5.9.4.1 СГУ следует устанавливать в соответствии с требованиями [1] и сертифицировать в установленном порядке.
5.9.4.2 Состав светоакустической части СГУ - в соответствии с требованиями государственного заказчика.
5.9.4.3 Управление СГУ следует осуществлять с блока управления и/или с микрофона-манипулятора, установленных в зоне досягаемости водителя и пассажира на переднем сиденье, на которых следует располагать:
- клавишу выбора и включения одного из трех (минимум) специальных звуковых сигналов, соответствующих требованиям, принятым на территории государств - членов Евразийского экономического союза;
- клавишу включения световых сигналов;
- "горячую клавишу" одновременного включения световых и звукового сигналов;
- тангенту для включения микрофона.
5.9.5 АОК должен обеспечивать выполнение перечисленных ниже функций:
а) возможность дистанционного управления при помощи радиобрелока:
- включением и выключением режима охраны;
- системой блокировки дверей;
б) при нарушении блокировок (несанкционированном открытии) дверей и аварийно-вентиляционного люка:
- срабатывание звукового сигнала;
- передача сигнала о несанкционированных действиях по радиоканалу на радиобрелок;
- блокирование системы запуска двигателя при включенном режиме охраны.
5.9.6 Система блокировки дверей должна соответствовать следующим требованиям:
- система блокировки дверей должна состоять из центрального блока управления и электроприводов блокировки замков дверей или ригелей блокировки дверей с электроприводами;
- центральный блок управления, электрически связанный с АОК, должен подавать импульсы на включение-выключение всех электроприводов блокировки дверей при нажатии соответствующей кнопки радиобрелока.
5.9.7 Электрическая блокировка двери отсека для задержанных должна соответствовать следующим требованиям:
- дверь в задней перегородке отсека для задержанных или задняя дверь кузова спецавтомобиля (через которую осуществляется вход в отсек для задержанных) должна блокироваться ригелем диаметром (стороной) не менее 6 мм с электроприводом;
- при наличии общей системы блокировки дверей электроблокировка двери отсека для задержанных может быть интегрирована в нее;
- электропривод блокировки двери отсека для задержанных должен управляться двухпозиционным выключателем на панели приборов. Орган управления выключателем (клавиша, кнопка, рычажок и т.д.) должен фиксироваться в обоих положениях. При блокировке, включенной с помощью указанного выключателя, дверь отсека для задержанных должна быть заблокирована без возможности разблокирования радиобрелоком;
- должна быть обеспечена возможность включения и выключения блокировки при неработающем двигателе спецавтомобиля, при любом положении ключа зажигания и при вынутом ключе зажигания.
5.9.8 Сигнализация открытия отсека для задержанных должна соответствовать следующим требованиям:
- сигнализация должна состоять из двух контрольных ламп на панели приборов (в поле зрения водителя и/или одного из пассажиров на переднем сиденье) и звукового зуммера, которые должны сигнализировать об открытии двери(ей) отсека для задержанных и аварийного люка в перегородке отсека для задержанных, в проемах которых должны быть установлены концевые выключатели и бесконтактные датчики;
- концевые выключатели и бесконтактные датчики должны соединяться с контрольными лампами и зуммером независимыми соединительными линиями;
- сигнализация также должна срабатывать при обрыве соединительных линий;
- сигнализаторы должны быть красного цвета;
- должна быть обеспечена возможность включения сигнализации при неработающем двигателе спецавтомобиля, при любом положении ключа зажигания и при вынутом ключе зажигания.
5.9.9 Требования к АПК ВН
5.9.9.1 АПК ВН должен обеспечивать видео- и аудиофиксацию обстановки в рабочем салоне, отсеке для задержанных, фиксацию времени и местоположения этих действий при помощи встроенного модуля СНМС.
В состав АПК ВН должны входить:
- видеокамера(ы) с микрофоном для наблюдения за обстановкой в рабочем салоне;
- видеокамера(ы) с микрофоном для наблюдения за обстановкой в отсеке для задержанных;
- монитор;
- видеорегистратор (при необходимости);
- курсовая видеокамера (только для АП).
Характеристики АПК ВН определяют требованиями государственного заказчика.
5.9.9.2 Время выхода в рабочий режим после подключения электропитания для всех каналов должно составлять не более 60 с.
5.9.9.3 Требования к видеорегистратору:
- следует устанавливать (при необходимости его наличия) в кабине или в рабочем салоне в месте, исключающем возможность его случайного повреждения при посадке-высадке и в пути следования;
- наличие входных каналов для подключения видеокамер и микрофонов в числе не менее числа видеокамер и микрофонов, входящих в комплект;
- обеспечение одновременной записи данных, поступающих от всех видеокамер, микрофонов и информации от антенны, работающей по сигналам СНМС;
- наличие не менее одного интерфейса для перезаписи информации;
- наличие входа и выхода управления;
- наличие внутренних часов с календарем;
- автоматическое циклическое обновление файлов логов информации при переполнении внутреннего накопителя, обеспечивая непрерывную запись текущей информации;
- обеспечение работы всей системы видеофиксации в течение не менее 10 мин и корректное ее завершение при пропадании внешнего питающего напряжения, при условии работы системы от внешнего питания не менее 30 мин до момента пропадания питания;
- работа при питании от сети постоянного тока напряжением в пределах от 12 до 36 В;
- обеспечение статистики работы изделия, для чего должны формироваться файлы логов и сохраняться во внутренней памяти;
- хранение информации в логах о всех действиях, происходивших с АПК (включении, выключении, ошибках и др.).
5.9.9.4 Видеокамера для наблюдения за действиями наряда полиции в салоне автомобиля должна быть установлена таким образом, чтобы обеспечивать наблюдение за сидячими местами рабочего салона (со стороны лиц пассажиров), рабочим столом (при его наличии), входной дверью рабочего салона (в спецавтомобилях на базе автобусов) и (целесообразно) аварийным люком в передней перегородке отсека для задержанных.
5.9.9.5 Видеокамера(ы) для наблюдения за обстановкой в отсеке для задержанных должна (должны) быть антивандального исполнения и установлена(ы) таким образом, чтобы обеспечивать наблюдение за всеми местами для задержанных.
5.9.9.6 Монитор должен соответствовать следующим требованиям:
- монитор должен быть установлен в рабочем салоне (в спецавтомобилях на базе легковых автомобилей) или в кабине в месте, обеспечивающем удобство наблюдения за ним с переднего правого сиденья, или в рабочем салоне (в спецавтомобилях на базе автобусов) в месте, обеспечивающем удобство наблюдения за ним не менее чем с двух сидений салона;
- не допускается установка монитора над местом расположения подушек безопасности;
- размер экрана монитора по диагонали - не менее семи дюймов.
5.10 Цветографическая схема
На наружные поверхности спецавтомобиля должна быть нанесена специальная цветографическая схема в соответствии с требованиями [1] и стандарта, действующего на территории государств - членов Евразийского экономического союза.
5.11 Маркировка
Маркировка спецавтомобиля должна соответствовать требованиям [1].
6 Требования безопасности
6.1 Аварийная эвакуация
6.1.1 Рабочий салон спецавтомобилей на базе автобусов должен иметь аварийный выход через аварийно-вентиляционный люк в крыше (при отсутствии его на базовом автомобиле), соответствующий следующим требованиям:
- проем люка должен иметь площадь не менее 400 000 мм2, в него должен вписываться прямоугольник размером не менее 500 x 700 мм;
- люк должен открываться изнутри и снаружи;
- люк должен иметь положения "закрыто", "вентиляция", "открыто полностью" (для аварийной эвакуации из спецавтомобиля). В положении "вентиляция" допускается возможность ступенчатого регулирования количества подаваемого воздуха с надежной фиксацией крышки люка в каждом положении.
6.1.2 При отсутствии двери в передней перегородке отсека для задержанных в ней должен быть оборудован аварийный люк.
6.1.2.1 Проем люка должен быть не менее 470 x 500 мм и не более 550 x 730 мм.
6.1.2.2 Люк должен открываться в сторону рабочего салона.
6.1.2.3 Люк должен быть металлическим, каркасным, может быть с обшивкой или одновременно выполнять функцию окна для наблюдения за задержанными. Люк должен соответствовать следующим требованиям:
- каркас люка должен быть выполнен в виде рамы, сваренной из стальных профилей размером не менее 20,0 x 20,0 x 1,5 мм;
- если люк не выполняет функцию окна, размер ячейки между балками каркаса люка должен быть не более 510 x 430 мм, со стороны отсека для задержанных должна быть обшивка из стального листа толщиной не менее 2 мм (ее крепление к каркасу - с помощью сварки), со стороны рабочего салона обшивка - по 5.1.4;
- окно должно быть выполнено по 5.3.6.3;
- зазор между люком и каркасом проема должен составлять не более 5 мм и должен перекрываться обшивкой (усиливающими элементами каркаса) люка не менее чем на 5 мм на каждую сторону, за исключением стороны, на которой установлены петли. На стороне установки петель проем должен перекрываться, обеспечивая свободное, без заеданий открытие люка.
6.1.2.4 Люк должен быть оборудован быстроразъемными запорными устройствами (не менее двух), накладными со стороны рабочего салона или врезными, соответствующими следующим требованиям:
а) запорные устройства должны быть круглого сечения диаметром не менее 8 мм или прямоугольного сечения площадью не менее 60 мм2 и толщиной не менее 5 мм;
б) ответные части и кожухи (направляющие) накладных запорных устройств должны быть стальными, толщиной не менее 3 мм;
в) ширина ответной части (углубление запорного устройства в ответную часть) и ширина кожухов (направляющих) накладных запорных устройств должны быть не менее 15 мм;
г) петли должны быть стальными и иметь следующие размеры: диаметр оси - не менее 8 мм, толщина стенки втулки - не менее 3 мм, общая длина петель - не менее 200 мм. Должна быть конструктивно обеспечена невозможность несанкционированного снятия люка с петель;
д) люк допускается выполнять съемным, в этом случае его удержание в проеме осуществляется (вместо петель) с помощью стальных штырей (не менее двух) диаметром не менее 8 мм или кронштейнов в виде стальных пластин и/или уголков толщиной не менее 5 мм и общей длиной не менее 200 мм. Высота штырей, пластин и уголков должна быть не менее 20 мм;
е) накладные запорные устройства и их ответные части, петли и удерживающие устройства [перечисление д)] следует крепить к люку и проему с помощью сварки или резьбовых соединений, соответствующих следующим требованиям:
1) сварные соединения должны быть выполнены непрерывными швами по всем видимым линиям соприкосновения свариваемых деталей;
2) резьбовые соединения должны быть диаметром не менее 8 мм, сквозными (типа "винт/болт - гайка"), на перегородке - через каркас [как показано на рисунке 7б)];
3) глухие резьбовые соединения и сквозные соединения с неподвижной внутренней резьбой допускается применять при креплении к люку при условии стопорения их сваркой или длина соединения должна составлять не менее двух диаметров резьбы;
4) крепежные элементы резьбовых соединений, расположенные со стороны отсека для задержанных, не должны откручиваться без применения специального инструмента, в соответствии с 5.3.2, перечисление а);
ж) должна быть конструктивно обеспечена невозможность самопроизвольного отпирания запорных устройств во время движения.
6.1.2.5 Элементы оборудования рабочего салона, расположенные напротив аварийного люка, должны иметь возможность быстрого откидывания или быть отодвинутыми, чтобы не препятствовать открытию люка. При этом в штатном состоянии они должны быть надежно закреплены с помощью жестких быстроразъемных фиксаторов.
6.1.3 На обеих сторонах аварийно-вентиляционного люка и на аварийном люке со стороны рабочего салона (и/или рядом с люками) должны быть нанесены символы и надписи, поясняющие порядок их открывания.
6.1.4 Открывание люков должно осуществляться без применения инструмента.
6.2 Средства пожаротушения
6.2.1 Спецавтомобили по требованию государственного заказчика могут быть оснащены АУП моторного отсека и должны быть укомплектованы переносными огнетушителями(ем).
6.2.2 Элементы АУП должны быть сертифицированы в установленном порядке.
6.2.3 Быстродействие срабатывания АУП (время с момента подачи пускового импульса до начала выхода огнетушащего вещества) должно составлять не более 5 с.
6.2.4 АУП должна запускаться в следующих случаях:
- автоматически при повышении температуры в моторном отсеке более 170 °C;
- с помощью кнопки ручного пуска, установленной на панели приборов спецавтомобиля; кнопка должна иметь предохранитель от случайного нажатия.
6.2.5 Должна быть обеспечена возможность функционирования АУП при неработающем двигателе спецавтомобиля, при любом положении ключа зажигания и при вынутом ключе зажигания.
6.2.6 Электропроводка АУП должна быть проложена отдельно от проводки штатного и дополнительного электрооборудования.
6.2.7 Переносные огнетушители должны иметь вместимость не менее 2 л каждый и быть размещены следующим образом:
- в спецавтомобилях на базе автобусов - два огнетушителя: в кабине водителя и в рабочем салоне;
- в спецавтомобилях на базе легковых автомобилей - один огнетушитель, в рабочем салоне.
7 Дополнительное и специальное оборудование
7.1 Спецавтомобили должны быть укомплектованы следующим оборудованием:
- аптечка первой помощи автомобильная;
- знак аварийной остановки.
7.2 В АДЧ (АОДС) должны быть предусмотрены места для размещения следующего дополнительного и специального оборудования:
- противооткатные упоры (2 шт., в спецавтомобилях на базе легковых автомобилей допускается 1 шт.);
- электрический автомобильный компрессор;
- унифицированный чемодан для осмотра места происшествия;
- персональный компьютер переносной с экраном размером по диагонали не менее 350 мм, в кейсе;
- бинокль видимым увеличением не менее 7X;
- досмотровый переносной металлоискатель;
- полиэтиленовая пленка 2,0 x 2,5 м;
- МФУ или принтер формата A4;
- устройство для освещения места происшествия;
- средства ограждения места происшествия;
- бронежилеты;
- защитные шлемы;
- аккумуляторный переносной фонарь;
- раскладной выносной столик;
- раскладной выносной стул;
- набор шанцевого инструмента;
- слесарный инструмент.
7.3 В АП должны быть предусмотрены места для размещения следующего дополнительного и специального оборудования:
- противооткатные упоры (2 шт., в спецавтомобилях на базе легковых автомобилей допускается 1 шт.);
- электрический автомобильный компрессор;
- бронежилеты;
- защитные шлемы;
- аккумуляторный фонарь;
- зеркало досмотровое на штанге с фонарем;
- набор шанцевого инструмента.
7.4 Состав, число и технические характеристики дополнительного и специального оборудования определяют требованиями государственного заказчика.
7.5 Отсеки, шкафы и отдельные места для размещения дополнительного и специального оборудования должны иметь дверцы и/или выдвижные ящики с замками (фиксаторами) для предотвращения самопроизвольного открывания или должны быть оборудованы приспособлениями для крепления оборудования.
Не допускается самопроизвольное перемещение оборудования при всех режимах эксплуатации спецавтомобиля.
7.6 Штатные окна в местах расположения отсеков для дополнительного и специального оборудования и окна штатной задней двери базового автомобиля должны быть заглушены металлическим листом толщиной не менее 0,8 мм или сделаны непрозрачными.
Библиография
[1]
Технический регламент Таможенного союза ТР ТС 018/2011
О безопасности колесных транспортных средств
[2]
Правила ЕЭК ООН N 107
Единообразные предписания, касающиеся официального утверждения транспортных средств категорий M2 или M3 в отношении их общей конструкции
УДК 629.36:006.354
МКС 43.160
Ключевые слова: автомобили оперативно-служебные, патрулирование, дежурные части, оперативно-дежурные службы, органы охраны правопорядка, спецавтомобили, задержанные, места происшествий