Главная // Актуальные документы // ГОСТ (Государственный стандарт)СПРАВКА
Источник публикации
М.: Издательство стандартов, 1994
Примечание к документу
Документ утратил силу на территории Российской Федерации с 01.09.2021 в связи с изданием
Приказа Росстандарта от 27.08.2021 N 846-ст. Взамен введен в действие
ГОСТ Р 59656-2021.
С 1 июля 2003 года до вступления в силу технических регламентов акты федеральных органов исполнительной власти в сфере технического регулирования носят рекомендательный характер и подлежат обязательному исполнению только в части, соответствующей целям, указанным в
пункте 1 статьи 46 Федерального закона от 27.12.2002 N 184-ФЗ.
Документ
введен в действие с 1 января 1990 года.
Название документа
"ГОСТ 28015-89. Государственный стандарт Союза ССР. Щиты покрытий пола деревянные однослойные. Технические условия"
(утв. Постановлением Госстроя СССР от 30.12.1988 N 266)
"ГОСТ 28015-89. Государственный стандарт Союза ССР. Щиты покрытий пола деревянные однослойные. Технические условия"
(утв. Постановлением Госстроя СССР от 30.12.1988 N 266)
Утвержден и введен в действие
Постановлением Госстроя СССР
от 30 декабря 1988 г. N 266
ГОСУДАРСТВЕННЫЙ СТАНДАРТ СОЮЗА ССР
ЩИТЫ ПОКРЫТИЙ ПОЛА ДЕРЕВЯННЫЕ ОДНОСЛОЙНЫЕ
ТЕХНИЧЕСКИЕ УСЛОВИЯ
One-layer wooden floor panels.
Specifications
ГОСТ 28015-89
Дата введения
1 января 1990 года
1. Разработан и внесен Министерством лесной промышленности СССР.
Разработчики: М.В. Тихонова (руководитель темы), М.А. Аптракова, К.Г. Юсупов, Ю.А. Максимов, А.В. Пляшкевич, В.С. Ручкин, Г.В. Левушкин, Н.В. Шведов.
2. Утвержден и введен в действие Постановлением государственного строительного комитета СССР от 30.12.1988 N 266.
3. Введен впервые.
4. Ссылочные нормативно-технические документы
──────────────────────────────────────────────┬───────────────────
Обозначение НТД, на который дана ссылка │ Номер пункта
──────────────────────────────────────────────┼───────────────────
ИС МЕГАНОРМ: примечание.
Взамен СНиП III-В.14-72 Постановлением Госстроя СССР
от 04.12.1987 N 280 с 1 июля 1988 года введены в действие
5. Переиздание.
Настоящий стандарт распространяется на деревянные однослойные щиты (далее - щиты), предназначенные для устройства полов в жилых и общественных зданиях.
1. ТЕХНИЧЕСКИЕ ТРЕБОВАНИЯ
1.1. Щиты должны изготовляться в соответствии с требованиями настоящего стандарта по технологической документации, утвержденной в установленном порядке.
1.2. Основные параметры и размеры
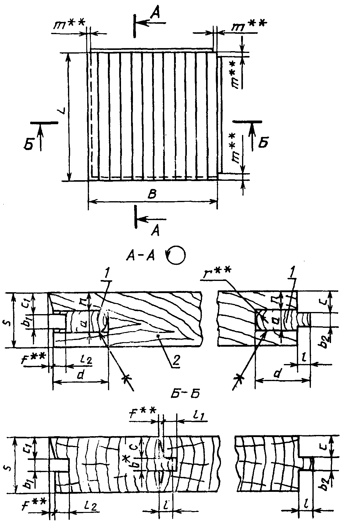
1.2.1. В зависимости от конструкции щиты подразделяют на типы:
ОЩ1 - состоит из фрезерованных реек, соединенных по кромкам в паз и гребень без клея. По торцам рейки щита скреплены шпонками на клею (
черт. 1);
ОЩ2 - состоит из фрезерованных реек, соединенных по кромкам в паз и гребень без клея. Посередине длины щита рейки скреплены П-образными металлическими скобами, забитыми с нелицевой стороны щита. По торцам рейки скреплены П-образными металлическими скобами, забитыми под гребень и в паз в местах их соединения (
черт. 2);
ОЩ3 - состоит из фрезерованных реек, соединенных по кромкам в паз и гребень или на гладкую фугу на клею (
черт. 3).
1 - шпонка; 2 - рейка
Черт. 1
Черт. 2
Черт. 3
В щитах типа ОЩ3 допускается продольное и поперечное расположение реек по длине щита.
1.2.2. В кромках щитов должны быть пазы и гребни для соединения щитов между собой.
1.2.3. Номинальные размеры щитов и предельные отклонения от них должны соответствовать указанным на
черт. 1 - 3 и в табл. 1.
Таблица 1
────────────┬─────────────────────────────────────────────────────
Наименование│ Размер, мм, щита типа
показателя ├───────────────────────┬─────────────────────────────
│ ОЩ1, ОЩ2 │ ОЩ3
├──────────────┬────────┼───────────────────┬─────────
│ номин. │ пред. │ номин. │ пред.
│ │ откл. │ │ откл.
────────────┼──────────────┼────────┼───────────────────┼─────────
Толщина s │ 27; 22; 17 │+/- 0,2 │ 27; 17 │+/- 0,2
Ширина B │600; 400; 300 │+/- 0,3 │300 - 600 с града- │+/- 0,3
│ │ │цией через 100 │
Длина L │600; 400; 300 │+/- 0,3 │300 - 1200 с града-│+/- 0,3
│ │ │цией через 100 │
Примечания. 1. По согласованию изготовителя с потребителем допускается изготовление щитов с размерами по рабочим чертежам, утвержденным в установленном порядке.
2. Щит толщиной 22 мм следует изготовлять шириной не более 400 мм.
1.2.4. Номинальные размеры и предельные отклонения элементов соединения в щите должны соответствовать указанным на
черт. 1 -
3 и в табл. 2.
Таблица 2
────────────┬──────────────────────────────────────────────────────────────────────────────────────────────
Наименование│ Размер, мм, элемента соединения
показателя ├────────────────────────────────────────────────┬─────────────────────────────────────────────
│ щитов толщиной 27, 22 мм типов │ щитов толщиной 17 мм
<*> типов
├────────────────┬────────────────┬──────────────┼───────────────┬──────────────┬──────────────
│ ОЩ1 │ ОЩ2 │ ОЩ3 │ ОЩ1 │ ОЩ2 │ ОЩ3
├────────┬───────┼────────┬───────┼──────┬───────┼───────┬───────┼──────┬───────┼──────┬───────
│ номин. │ пред. │ номин. │ пред. │номин.│ пред. │номин. │ пред. │номин.│ пред. │номин.│ пред.
│ │ откл. │ │ откл. │ │ откл. │ │ откл. │ │ откл. │ │ откл.
────────────┼────────┼───────┼────────┼───────┼──────┼───────┼───────┼───────┼──────┼───────┼──────┼───────
Толщина │ 10,0 │ +0,4 │ - │ - │ - │ - │ 6,0 │ +0,4 │ - │ - │ - │ -
шпонки │ │ +0,2 │ │ │ │ │ │ +0,2 │ │ │ │
a
<**> │ │ │ │ │ │ │ │ │ │ │ │
Ширина паза│ 10,0 │ +0,2 │ - │ - │ - │ - │ 6,0 │ +0,2 │ - │ - │ - │ -
под шпонку │ │ │ │ │ │ │ │ │ │ │ │
a
<**> │ │ │ │ │ │ │ │ │ │ │ │
Ширина │22 - 28 │ - │ - │ - │ - │ - │16 - 22│ - │ - │ - │ - │ -
шпонки d │ │ │ │ │ │ │ │ │ │ │ │
Радиус │ 3,0 │ - │ - │ - │ - │ - │ 3,0 │ - │ - │ - │ - │ -
закругления │ │ │ │ │ │ │ │ │ │ │ │
для шпонки │ │ │ │ │ │ │ │ │ │ │ │
r
<**> │ │ │ │ │ │ │ │ │ │ │ │
Ширина │ 6,0 │+/- 0,1│ 6,0 │+/- 0,1│ 6,0 │+/- 0,1│ 6,0 │+/- 0,1│ 6,0 │+/- 0,1│ 6,0 │+/- 0,1
гребня рейки│ │ │ │ │ │ │ │ │ │ │ │
b
<**> │ │ │ │ │ │ │ │ │ │ │ │
Ширина паза│ 6,0 │ +0,2 │ 6,0 │ +0,2 │ 6,0 │ +0,2 │ 6,0 │ +0,2 │ 6,0 │ +0,2 │ 6,0 │ +0,2
рейки b
<**>│ │ │ │ │ │ │ │ │ │ │ │
Высота │ 6,0 │ -0,5 │ 6,0 │ -0,5 │ 6,0 │ -0,5 │ 6,0 │ -0,5 │ 6,0 │ -0,5 │ 6,0 │ -0,5
гребня l │ │ │ │ │ │ │ │ │ │ │ │
Глубина па-│ 6,0 │ +0,5 │ 6,0 │ +0,5 │ 7,0 │ +0,5 │ 6,0 │ +0,5 │ 6,0 │ +0,5 │ 7,0 │ +0,5
за рейки l │ │ │ │ │ │ │ │ │ │ │ │
1 │ │ │ │ │ │ │ │ │ │ │ │
Глубина па-│ 6,0 │ +0,5 │ 6,0 │ +0,5 │ 6,0 │ +0,5 │ 6,0 │ +0,5 │ 6,0 │ +0,5 │ 6,0 │ +0,5
за щита l │ │ │ │ │ │ │ │ │ │ │ │
2 │ │ │ │ │ │ │ │ │ │ │ │
Размер │10,0/8,0│ +0,5 │10,0/8,0│ +0,5 │ 10,0 │ +0,5 │ 6,5 │ +0,5 │ 6,5 │ +0,5 │ 6,5 │ +0,5
от лицевой │ │ │ │ │ │ │ │ │ │ │ │
стороны щита│ │ │ │ │ │ │ │ │ │ │ │
до гребня c │ │ │ │ │ │ │ │ │ │ │ │
Размер │10,0/8,0│ -0,5 │10,0/8,0│ -0,5 │ 10,0 │ -0,5 │ 6,5 │ -0,5 │ 6,5 │ -0,5 │ 6,5 │ -0,5
от лицевой │ │ │ │ │ │ │ │ │ │ │ │
стороны щита│ │ │ │ │ │ │ │ │ │ │ │
до паза c │ │ │ │ │ │ │ │ │ │ │ │
1 │ │ │ │ │ │ │ │ │ │ │ │
Ширина паза│ 7,0 │ +0,2 │ 7,0 │ +0,2 │ 7,0 │ +0,2 │ 7,0 │ +0,2 │ 7,0 │ +0,2 │ 7,0 │ +0,2
щита b │ │ │ │ │ │ │ │ │ │ │ │
1 │ │ │ │ │ │ │ │ │ │ │ │
Ширина │ 6,0 │+/- 0,1│ 6,0 │+/- 0,1│ 6,0 │+/- 0,1│ 6,0 │+/- 0,1│ 6,0 │+/- 0,1│ 6,0 │+/- 0,1
гребня │ │ │ │ │ │ │ │ │ │ │ │
щита b │ │ │ │ │ │ │ │ │ │ │ │
2 │ │ │ │ │ │ │ │ │ │ │ │
Расстояние │9,0/7,0 │+/- 1,0│ - │ - │ - │ - │ 6,5 │ -0,3 │ - │ - │ - │ -
от лицевой │ │ │ │ │ │ │ │ │ │ │ │
стороны щита│ │ │ │ │ │ │ │ │ │ │ │
до шпонки n │ │ │ │ │ │ │ │ │ │ │ │
Выборка │ 6 - 24 │ - │ - │ - │ - │ - │6 - 24 │ - │ - │ - │ - │ -
гребня в │ │ │ │ │ │ │ │ │ │ │ │
углах m <**>│ │ │ │ │ │ │ │ │ │ │ │
Скос │1,0/0,8 │ - │1,0/0,8 │ - │ 1,0 │ - │ 0,6 │ - │ 0,6 │ - │ 0,6 │ -
грани <**> │ │ │ │ │ │ │ │ │ │ │ │
--------------------------------
<*> Для щитов толщиной 17,0 мм размеры b, b , b , l, l , l
1 2 1 2
допускается уменьшать до 4 мм.
<**> Размеры рекомендуемые. Щиты типа ОЩ2 собирают с натягом.
Посадки обеспечивают соблюдением допусков.
1.2.5. Рейки в щитах типов ОЩ2 толщиной 27 мм скрепляют металлическими скобами, изготовленными по действующей нормативно-технической документации (НТД), длиной не менее 17 мм, диаметром 1,8 мм; в щитах толщиной 17 мм - вдоль поперечной оси щита скобами длиной не менее 10 мм, диаметром 1,0 мм; по торцам - скобам длиной не менее 17 мм, диаметром 1,8 мм.
1.2.6. В зависимости от качества древесины и обработки щиты подразделяют на марки А и Б (см. табл. 3).
───────────────────┬──────────────────────────────────────────────
Наименование порока│ Норма ограничения по маркам
древесины и ├──────────────────────┬───────────────────────
дефектов обработки │ А │ Б
───────────────────┼──────────────────────┴───────────────────────
Сучки здоровые │ Не допускаются размером более:
светлые и темные │ 1/2 │ 2/3
сросшиеся │ширины рейки на лицевой и оборотной сторонах
Сучки здоровые с │ На лицевой стороне │ На лицевой и оборот-
трещинами, частично│не допускаются разме- │ной сторонах не допус-
сросшиеся и несрос-│ром более 8 мм. На │каются размером более
шиеся, выпадающие, │оборотной стороне не │1/2 ширины рейки,
загнившие, гнилые │допускаются размером │но не более 25 мм
и табачные │более 1/2 ширины рей- │
│ки, но не более 25 мм │
Трещины │ На лицевой стороне │ На лицевой и оборот-
│не допускаются. На │ной сторонах не допус-
│оборотной стороне не │каются шириной более
│допускаются шириной │0,3 мм и длиной
│более 0,3 мм и длиной │более 1/5 длины рейки
│более 1/5 длины рейки │
Прорость │ На лицевой стороне не допускается. На оборот-
│ной стороне не допускается шириной более 1/5
│ширины рейки, длиной - более 1/3 длины рейки
Кармашек, засмо- │ На лицевой стороне не допускаются.
лок, сердцевина, │На оборотной стороне не учитываются
двойная сердцевина │
Пятнистость, хими-│ На лицевой стороне │ Не учитываются
ческие окраски, │не допускаются. На │
грибные ядровые │оборотной стороне не │
пятна, заболонные │учитываются │
грибные окраски, │ │
синева, побурение; │ │
ожог │ │
Червоточина │ На лицевой стороне не допускается диаметром
│и длиной более 8 мм. На оборотной стороне
│не учитывается
Обзол │ На лицевой стороне не допускается. На оборот-
│ной стороне не допускается более 1/3 толщины
│и ширины рейки; должен быть очищен от коры
│и луба
Отщеп, скол, │ На лицевой стороне не допускаются глубиной
вырыв, задир, │более:
выщербины, накол │ 0,5 мм │ 1 мм
│ длиной и шириной более
│ 1/10 │ 1/2
│ ширины рейки
│ На оборотной стороне не допускаются глубиной
│более 1/4 толщины, длиной более 1/5 длины
Непрофрезеровка │ На лицевой стороне не допускается. На оборот-
│ной стороне не допускается более:
│30% площади │50% площади
│ На гребнях реек не допускается размером
│более 1/3 высоты гребня; по длине
│не ограничивается
Примечания. 1. Пороки древесины и дефекты обработки, не указанные в
табл. 3, не допускаются. Свилеватость, завиток, глазки, ложное ядро, наклон волокон не учитываются.
2. На лицевой стороне реек для щитов марки А не должно быть более двух учитываемых пороков, марки Б - более четырех.
1.2.7. Ширина реек в щите не должна быть менее 25 и более 70 мм.
1.2.8. Условное обозначение щитов должно состоять из типа, марки, размеров по длине, ширине, толщине и обозначения настоящего стандарта.
Пример условного обозначения однослойного щита типа ОЩ3 марки Б размером 1200 x 600 x 27 мм:
ОЩ3-Б-1200 x 600 x 27 ГОСТ 28015-89
То же, для квадратного однослойного щита типа ОЩ2 марки А, размером 400 x 400 x 27 мм:
ОЩ2-А-400 x 27 ГОСТ 28015-89
1.3. Характеристики
1.3.1. Щиты изготовляют из древесины березы, осины и других мягких лиственных пород, по основным механическим и эксплуатационным свойствам не уступающих древесине осины, и из отходов древесины хвойных пород. Щиты толщиной 22 мм изготовляют из древесины березы.
1.3.2. Рейки из древесины сосны и лиственницы изготовляют с радиальным разрезом древесины. Угол наклона годичных слоев на торце к лицевой стороне рейки должен быть не менее 45°.
1.3.3. Наличие в щите реек из древесины различных пород не допускается.
1.3.4. В щитах марки Б допускается применение реек, соединенных на горизонтальной зубчатый шип по
ГОСТ 19414.
В щитах типа ОЩ3 марки Б, предназначенных для настила по сплошному основанию, допускается соединение реек по длине встык. Крайние рейки щитов, а также каждая третья рейка должны быть цельными.
1.3.5. Зазоры между рейками в щитах типов ОЩ1 и ОЩ2 не должны быть более 0,3 мм для щитов марки А и 0,5 мм для марки Б.
1.3.6. Влажность древесины щитов должна быть (8 +/- 3)%.
1.3.7. Отклонение от перпендикулярности смежных кромок щитов не должно превышать 0,15 мм на длине 100 мм.
Отклонение от плоскостности (покоробленность) по лицевой стороне щита не должно превышать 2 мм на 1000 мм в любом направлении.
1.3.8. Нормы ограничения пороков древесины и обработки в рейках щитов должны соответствовать указанным в
табл. 3.
1.3.9. На лицевой стороне щитов марки Б сучки, частично сросшиеся, несросшиеся, выпадающие, загнившие, гнилые и табачные, подлежат вырезке и заделке пробками или планками на клею.
Общее число заделок на лицевой стороне для щитов марки Б не допускается более трех в рейке.
Размеры заделок не должны превышать размеров соответствующих пороков древесины и дефектов обработки, установленных нормами ограничения для деталей реек.
1.3.10. Отщепы, сколы, вырывы, задиры, выщербины, наколы, трещины в здоровых сучках, червоточины и сучки размером менее 8 мм на лицевой стороне щитов должны быть зашпатлеваны водостойкими шпаклевками под цвет древесины.
1.3.11. В шпонах не допускаются гнили несросшиеся, выпадающие, загнившие, гнилые и табачные сучки.
1.3.12. Клеевые соединения должны быть выполнены с применением клеев не ниже средней водостойкости.
1.3.13. Предел прочности клеевого соединения в щитах типа ОЩ3 должен быть не ниже 6,0 МПа (60 кгс/см2).
1.3.14. Клеевые материалы должны быть разрешены Министерством здравоохранения СССР для применения в жилых и общественных зданиях.
1.3.15. Щиты изготовляют неотделанными.
1.3.16. Параметры шероховатости поверхностей щитов

по
ГОСТ 7016 не должны быть более:
200 мкм - на лицевой стороне щитов;
320 мкм - на оборотной стороне и кромках.
1.3.17. В щитах под прозрачное покрытие рейки с ложным ядром, пятнистостью, химическими окрасками, грибными ядровыми пятнами, заболонными грибными окрасками, синевой, побурением должны быть подобраны по цвету.
1.3.18. По кромкам щитов сколы, отщепы, вырывы без выхода на лицевую поверхность не должны превышать нормы допуска обзола, установленного для реек.
1.3.19. По согласованию изготовителя с потребителем на лицевую поверхность щитов допускается наносить декоративный рисунок.
1.4. Маркировка
1.4.1. К каждой пачке щитов должна быть прикреплена этикетка, бирка или на верхний щит нанесена несмываемой краской четкая маркировка в виде штампа, в которой должно быть указано:
- наименование или товарный знак предприятия-изготовителя;
- номер приемщика ОТК;
- условное обозначение щита;
- порода древесины;
- количество щитов в штуках и квадратных метрах.
1.5. Упаковка
1.5.1. Щиты должны быть упакованы в пачки попарно лицевой стороной друг к другу. Масса пачки не должна превышать 40 кг.
1.5.2. Каждая пачка должна содержать щиты одного типа, марки, породы древесины, размера. Пачки могут быть увязаны в транспортные пакеты.
1.5.3. Пачки должны быть обвязаны стальной лентой по
ГОСТ 3560, проволокой по
ГОСТ 3282, шпагатом по
ГОСТ 17308 или другими увязочными материалами, обеспечивающими прочность упаковки.
2.1. Щиты принимают партиями. Партией считают число щитов одного типа, одной марки и породы древесины, оформленное одним документом о качестве.
2.2. В документе о качестве указывают:
- наименование предприятия-изготовителя и его адрес;
- тип и марку щитов;
- породу древесины;
- количество щитов в штуках и квадратных метрах;
- дату изготовления (номер партии);
- обозначение настоящего стандарта.
2.3. Объем партии устанавливают по согласованию изготовителя с потребителем, но не более суточной выработки.
| | ИС МЕГАНОРМ: примечание. В официальном тексте документа, видимо, допущена опечатка: подпункты 1.1.3 и 1.1.4 отсутствуют. | |
2.4. Для проверки щитов на соответствие требованиям пп. 1.1.3, 1.1.4,
1.3.2 -
1.3.11,
1.3.16 -
1.3.18 применяют выборочный одноступенчатый контроль по альтернативному признаку по
ГОСТ 23616. Планы контроля при приемочном уровне дефектности 4% приведены в табл. 4.
Таблица 4
шт.
─────────────────────┬───────────┬────────────────┬───────────────
Объем партии │ Объем │Приемочное число│ Браковочное
│ выборки │ │ число
─────────────────────┼───────────┼────────────────┼───────────────
До 280 │ 13 │ 1 │ 2
Св. 280 до 500 включ.│ 20 │ 2 │ 3
" 500 " 1200 " │ 32 │ 3 │ 4
" 1200 " 3200 " │ 50 │ 5 │ 6
2.5. Приемочный контроль щитов осуществляют в следующем порядке:
- отбирают от партии количество щитов, соответствующее объему выборки для данного объема партии. Отбор щитов в выборку следует осуществлять методом случайного отбора по
ГОСТ 18321;
- проверяют каждый щит в выборке на соответствие требованиям настоящего стандарта и определяют количество щитов с дефектами;
- сравнивают количество щитов с дефектами с приемочным и браковочным числами, установленными для данного объема выборки;
- партию принимают, если количество щитов с дефектами в выборке меньше или равно приемочному числу;
- партию не принимают, если количество щитов с дефектами в выборке равно или больше браковочного числа.
2.6. По количеству щитов с дефектами в выборке определяют их процент во всей партии; это количество щитов в приемку не включают.
2.7. Для проверки щитов на соответствие требованиям
п. 1.3.13 из объема выборки по
п. 2.4 произвольно отбирают не менее 3 щитов, из которых вырезают по 3 образца для испытаний.
При неудовлетворительных результатах испытаний одного из отобранных щитов партия приемки не подлежит. За результат испытаний по каждому щиту принимают среднее арифметическое значение результатов испытаний трех образцов, вырезанных из этого щита, причем результат испытаний каждого образца не должен быть менее 90%-ного предела, установленного в
п. 1.3.13.
2.8. Щиты учитывают в квадратных метрах с точностью до 0,01 м2 и штуках. Площадь щита определяют по лицевой стороне без учета ширины гребня. Предельные отклонения в расчет не принимают.
3.1. Отобранные щиты проверяют поштучно. Длину, ширину щитов проверяют по лицевой стороне предельными калибрами по
ГОСТ 15876, толщину щитов, размеры паза и гребня измеряют штангенциркулем по
ГОСТ 166, штангенглубиномером по
ГОСТ 162 и индикаторным толщиномером по
ГОСТ 11358.
Толщину щита измеряют посередине и на расстоянии 10 - 15 мм от кромок щита, по фрезерованным плоскостям реек, с точностью 0,1 мм.
3.2. Породу и пороки древесины оценивают визуально. Пороки древесины и дефекты обработки оценивают и измеряют по
ГОСТ 2140, размеры сучков определяют по расстоянию между касательными к контуру сучка, проведенными параллельно продольной оси детали.
3.3. Угол наклона годичных слоев на торце рейки (хвойных пород) определяют в градусах транспортиром по
ГОСТ 13494 между касательной к годичным слоям и пластью рейки.
3.4. Зазоры между рейками в собранных щитах типов ОЩ1 и ОЩ2 измеряют щупами по ТУ 2-034-225.
3.5. Влажность древесины определяют по
ГОСТ 16588.
3.6. Отклонение от перпендикулярности смежных кромок щита определяют измерением максимального зазора между кромкой щита и приложенным к ней угольником по
ГОСТ 3749. Измерение производят щупом на длине 100 мм.
3.7. Отклонение от плоскостности щитов определяют по лицевой стороне измерением максимального зазора между поверхностью щита и ребром приложенной к ней поверочной линейки по
ГОСТ 8026. Зазор измеряют щупом.
3.8. Предел прочности клеевого соединения в щитах типа ОЩ3 на скалывание проверяют по
ГОСТ 15613.1.
3.9. Шероховатость поверхности щитов определяют по
ГОСТ 15612 или методом сравнения с эталоном, утвержденным в установленном порядке.
4. ТРАНСПОРТИРОВАНИЕ И ХРАНЕНИЕ
4.1. Транспортирование
4.1.1. Щиты транспортируют всеми видами транспорта в крытых транспортных средствах в соответствии с правилами перевозки грузов, действующими на данных видах транспорта.
Допускается транспортирование щитов в закрытых контейнерах без упаковки по согласованию изготовителя с потребителем.
4.1.2. При транспортировании щитов должны быть соблюдены условия, исключающие возможность механических повреждений, увлажнения и загрязнения. Погрузка щитов навалом и выгрузка сбрасыванием не допускаются.
4.2. Хранение
Щиты следует хранить уложенными в стопы в помещениях при относительной влажности воздуха не более 60% в условиях, не допускающих увлажнения, поражения грибами и насекомыми.
5. УКАЗАНИЯ ПО ПРИМЕНЕНИЮ
5.1. В общественных зданиях допускается применять щиты только из древесины сосны, лиственницы и березы.
5.2. Полы из щитов марок А и Б без заделок могут быть покрыты паркетным лаком, марки Б с заделками - краской.
5.3. Щиты толщиной 27 и 22 мм укладывают по лагам, толщиной 17 мм - по сплошному основанию.
5.4. При укладке щитов по лагам рейки щита должны располагаться перпендикулярно к лагам.
| | ИС МЕГАНОРМ: примечание. Взамен СНиП III-В.14-72 Постановлением Госстроя СССР от 04.12.1987 N 280 с 1 июля 1988 года введены в действие СНиП 3.04.01-87. | |
5.5. При устройстве полов из щитов следует соблюдать требования СНиП III-В.14.
6.1. Изготовитель гарантирует соответствие щитов требованиям настоящего стандарта при соблюдении условий транспортирования и хранения.
6.2. Гарантийный срок хранения щитов - 12 мес с момента изготовления.