Главная // Актуальные документы // ГОСТ (Государственный стандарт)СПРАВКА
Источник публикации
М.: Издательство стандартов, 1987
Примечание к документу
Документ утратил силу с 1 июня 2017 года в связи с изданием
Приказа Росстандарта от 22.11.2016 N 1737-ст. Взамен введен в действие
ГОСТ 27108-2016.
С 1 июля 2003 года до вступления в силу технических регламентов акты федеральных органов исполнительной власти в сфере технического регулирования носят рекомендательный характер и подлежат обязательному исполнению только в части, соответствующей целям, указанным в
пункте 1 статьи 46 Федерального закона от 27.12.2002 N 184-ФЗ.
Введен в действие с 1 июля 1987 года (
Постановление Госстроя СССР от 17.11.1986 N 26).
Название документа
"ГОСТ 27108-86. Конструкции каркаса железобетонные для многоэтажных зданий с безбалочными перекрытиями. Технические условия"
(утв. Постановлением Госстроя СССР от 17.11.1986 N 26)
"ГОСТ 27108-86. Конструкции каркаса железобетонные для многоэтажных зданий с безбалочными перекрытиями. Технические условия"
(утв. Постановлением Госстроя СССР от 17.11.1986 N 26)
Утвержден и введен в действие
от 17 ноября 1986 г. N 26
ГОСУДАРСТВЕННЫЙ СТАНДАРТ СОЮЗА ССР
КОНСТРУКЦИИ КАРКАСА ЖЕЛЕЗОБЕТОННЫЕ ДЛЯ МНОГОЭТАЖНЫХ
ЗДАНИЙ С БЕЗБАЛОЧНЫМИ ПЕРЕКРЫТИЯМИ
ТЕХНИЧЕСКИЕ УСЛОВИЯ
Reinforced concrete framework structures for
multistorey industrial buildings with
girderless floors.
Specifications
ГОСТ 27108-86
Дата введения
1 июля 1987 года
Разработан Центральным научно-исследовательским и проектно-экспериментальным институтом промышленных зданий и сооружений (ЦНИИпромзданий) Госстроя СССР; Государственным агропромышленным комитетом СССР; Уральским проектным и научно-исследовательским институтом (ПромстройНИИпроект) Госстроя СССР; Научно-исследовательским институтом бетона и железобетона (НИИЖБ) Госстроя СССР.
Исполнители: А.А. Волков (руководитель темы); Б.Ф. Васильев; Г.В. Выжигин, канд. техн. наук; А.Н. Королев, канд. техн. наук; Т.А. Коробкова; В.И. Пименова; А.Я. Эпп, канд. техн. наук; В.Г. Трынов, канд. техн. наук; В.В. Чижевский, канд. техн. наук; В.Г. Ильенков; О.Ф. Авдеев; Г.И. Бердичевский, д-р техн. наук; А.Е. Кузьмичев, канд. техн. наук; С.Н. Алексеев, д-р техн. наук; М.Г. Булгакова, канд. техн. наук; Г.П. Солодин.
Внесен Центральным научно-исследовательским и проектно-экспериментальным институтом промышленных зданий и сооружений (ЦНИИпромзданий) Госстроя СССР.
Гл. инженер В.В. Гранев.
Настоящий стандарт распространяется на сборные железобетонные конструкции каркаса зданий с безбалочными перекрытиями (далее - конструкции), изготовляемые из тяжелого бетона и предназначенные для многоэтажных производственных и складских зданий промышленных и сельскохозяйственных предприятий.
Конструкции изготавливают по рабочим чертежам серии 1.420.1-14 и применяют:
в отапливаемых и неотапливаемых зданиях с сеткой колонн 6 х 6 м; с подвалом и без подвала; с высотой этажа 4,8; 6,0 м и высотой подвала 3,6 м; при неагрессивной, слабо- и среднеагрессивной степенях воздействия газообразных сред на железобетонные конструкции; в условиях систематического воздействия технологических температур до 50 °С включ.; при расчетной температуре наружного воздуха (средней температуре воздуха наиболее холодной пятидневки района строительства согласно
СНиП 2.01.01-82) до минус 40 °С включ.
Стандарт не распространяется на конструкции, предназначенные для зданий с расчетной сейсмичностью 7 баллов и более, а также для зданий, возводимых на просадочных грунтах и на подрабатываемых территориях.
1. ТИПЫ, ОСНОВНЫЕ ПАРАМЕТРЫ И РАЗМЕРЫ
1.1. Конструкции подразделяют на следующие типы:
К - колонна;
КП - капитель;
КПК - крайняя капитель при привязке наружной стены 610 мм;
МП - межколонная плита;
МПК - крайняя межколонная плита при привязке наружной стены 610 мм;
ПП - пролетная плита.
1.2. Конструкции разработаны под нормативные временные длительные нагрузки на междуэтажные перекрытия: 4,90 (500), 9,806 (1000), 14,71 (1500), 19,61 (2000), 24,52 (2500), 29,42 (3000) кПа (кгс/м2).
1.3. Форма, размеры и показатели материалоемкости (расход бетона и стали) конструкций должны соответствовать:
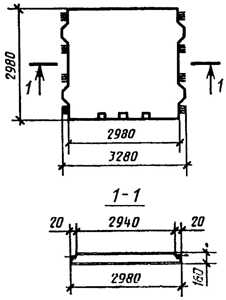
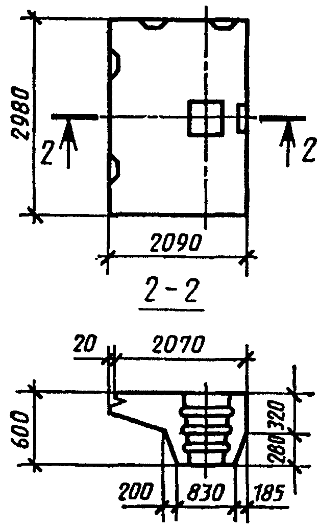
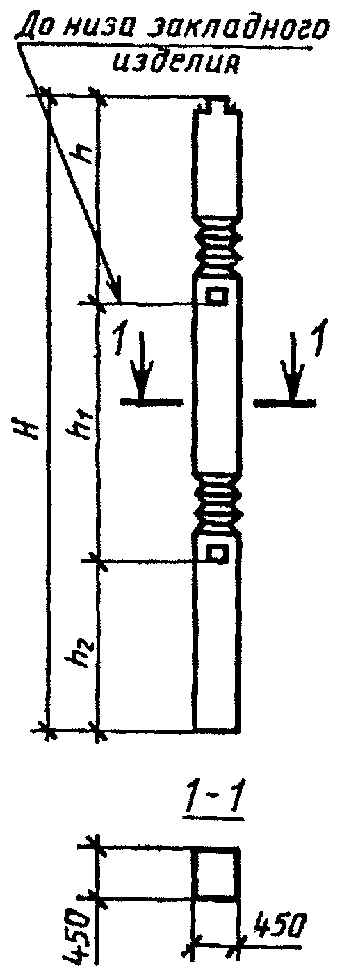
колонн - указанным в табл. 1;
Чертеж колонны | Марка колонны | Основные размеры колонны, мм | Расход материалов на колонну | Марка бетона по прочности на сжатие | Масса колонны (справочная), т |
H | h | h1 | h2 | h3 | Бетон, м3 | Сталь, кг |
| К1-1 | 3840 | 850 | 2990 | - | - | 0,76 | 105,2 | М200 | 1,9 |
К1-2 | 126,8 | М300 |
К1-3 | 142,0 |
К8-1 | 5040 | 4190 | 1,00 | 119,3 | 2,5 |
К8-2 | 147,3 |
К8-3 | 168,9 |
К8-4 | 167,3 |
| К3-1 | 8640 | 850 | 4800 | 2990 | - | 1,72 | 194,2 | М300 | 4,3 |
К3-2 | 242,2 |
К3-3 | 276,2 |
К3-4 | 327,4 | М400 |
К3-5 | 460,2 |
К9-1 | 9840 | 6000 | 2990 | - | 1,96 | 207,8 | М300 | 4,9 |
К9-2 | 262,6 |
К9-3 | 301,4 |
К9-4 | 359,8 | М400 |
К9-5 | 549,4 |
К13-1 | 11040 | 6000 | 4190 | - | 2,20 | 221,9 | М300 | 5,5 |
К13-2 | 283,1 |
К13-3 | 326,7 |
К13-4 | 392,3 | М400 |
К13-5 | 501,1 |
| К2-1 | 14850 | 1810 | 4800 | - | 3440 | 2,97 | 309,5 | М300 | 7,4 |
К2-2 | 449,9 |
К2-3 | 537,9 | М400 |
К2-4 | 682,7 | М500 |
К2-5 | 906,7 |
К2-6 | 1297,2 |
К2-7 | 1768,4 | М600 |
К6-1 | 16050 | 4640 | 3,20 | 412,3 | М300 | 8,0 |
К6-2 | 475,1 |
К6-3 | 569,9 | М400 |
К6-4 | 735,5 |
К6-5 | 975,7 | М500 |
К6-6 | 1400,5 |
К6-7 | 1576,5 | М600 |
| К4-1 | 9600 | 1810 | 4800 | 2990 | - | 1,91 | 214,7 | М300 | 4,8 |
К4-2 | 267,9 |
К4-3 | 305,5 |
К4-4 | 452,3 | М400 |
К4-5 | 607,9 |
К14-1 | 12000 | 6000 | 4190 | 2,37 | 242,4 | М300 | 5,9 |
К14-2 | 308,8 |
К14-3 | 356,0 |
К14-4 | 540,0 | М400 |
К14-5 | 734,2 |
| К5-1 | 15090 | 850 | 4800 | 4800 | 4640 | 3,02 | 302,9 | М300 | 7,6 |
К5-2 | 386,5 |
К5-3 | 445,3 | М400 |
К5-4 | 534,9 |
К5-5 | 818,9 |
К7-1 | 16290 | 6000 | 3,26 | 359,9 | М300 | 8,2 |
К7-2 | 407,5 |
К7-3 | 471,1 | М400 |
К7-4 | 567,5 |
К7-5 | 733,1 | М500 |
К10-1 | 16290 | 4800 | 5840 | 3,26 | 359,9 | М300 | 8,2 |
К10-2 | 407,5 |
К10-3 | 471,1 | М400 |
К10-4 | 567,5 |
К10-5 | 733,1 | М500 |
| К11-1 | 12450 | 1810 | 4800 | 5840 | - | 2,48 | 317,4 | М300 | 6,2 |
К11-2 | 366,2 |
К11-3 | 439,8 | М400 |
К11-4 | 630,6 |
К11-5 | 856,0 | М500 |
К11-6 | 1175,6 |
К11-7 | 1436,4 |
К12-1 | 13650 | 6000 | - | 2,72 | 252,3 | М300 | 6,8 |
К12-2 | 391,5 |
К12-3 | 472,3 | М500 |
К12-4 | 681,9 |
К12-5 | 928,9 | М600 |
К12-6 | 1279,0 |
К12-7 | 1565,0 |
Чертеж капители | Местоположение конструкции | Марка капители | Временная нормативная нагрузка, кПа (кгс/м2) | Расход материалов на капитель | Марка бетона по прочности на сжатие | Масса капители (справочная), т |
Бетон, м3 | Сталь, кг |
| Капитель по средним рядам колонн | КП1-1 | 4,90 (500) | 1,96 | 277,5 | М250 | 4,90 |
КП1-2 | 9,806 (1000) | 304,9 |
КП1-3 | 14,71 (1500) | 348,3 | М350 |
КП1-4 | 19,61 (2000) | 358,3 |
КП1-5 | 24,52 (2500) | 419,0 | М450 |
КП1-6 | 29,42 (3000) | 445,4 | М500 |
| Капитель с угловой четвертью, примыкающая к лестничным клеткам и шахтам лифтов | КП1-1-3 | 4,90 (500) | 1,94 | 282,5 | М250 | 4,85 |
КП1-2-3 | 9,806 (1000) | 311,5 |
КП1-3-3 | 14,71 (1500) | 355,6 | М350 |
КП1-4-3 | 19,61 (2000) | 365,8 |
КП1-5-3 | 24,52 (2500) | 422,4 | М450 |
КП1-6-3 | 29,42 (3000) | 450,8 | М500 |
| Капитель, примыкающая к стенам | КП1-1-1 | 4,90 (500) | 1,96 | 251,4 | М250 | 4,90 |
КП1-2-1 | 9,806 (1000) | 280,8 |
КП1-3-1 | 14,71 (1500) | 322,3 | М350 |
КП1-4-1 | 19,61 (2000) | 330,3 |
КП1-5-1 | 24,52 (2500) | 387,8 | М450 |
КП1-6-1 | 29,42 (3000) | 408,2 | М500 |
| Капитель угловая, примыкающая к стенам | КП1-1-2 | 4,90 (500) | 1,96 | 223,5 | М250 | 4,90 |
КП1-2-2 | 9,806 (1000) | 254,4 |
КП1-3-2 | 14,71 (1500) | 293,2 | М350 |
КП1-4-2 | 19,61 (2000) | 299,2 |
КП1-5-2 | 24,52 (2500) | 352,5 | М450 |
КП1-6-2 | 29,42 (3000) | 366,9 | М500 |
| Капитель с угловой несимметричной четвертью, примыкающая к лестничным клеткам и шахтам лифтов | КП1лев-1-4 | 4,90 (500) | 1,80 | 263,9 | М250 | 4,50 |
КП1пр-1-4 |
КП1лев-2-4 | 9,806 (1000) | 291,6 |
КП1пр-2-4 |
КП1лев-3-4 | 14,71 (1500) | 332,9 | М350 |
КП1пр-3-4 |
КП1лев-4-4 | 19,61 (2000) | 341,1 |
КП1пр-4-4 |
КП1лев-5-4 | 24,52 (2500) | 395,1 | М450 |
КП1пр-5-4 |
КП1лев-6-4 | 29,42 (3000) | 417,0 | М500 |
КП1пр-6-4 |
| Капитель, примыкающая к стенам | КПК1-1 | 4,90 (500) | 1,67 | 218,2 | М250 | 4,18 |
КПК1-2 | 9,806 (1000) | 238,6 |
КПК1-3 | 14,71 (1500) | 273,9 | М350 |
КПК1-4 | 19,61 (2000) | 276,9 |
КПК1-5 | 24,52 (2500) | 327,3 | М450 |
КПК1-6 | 29,42 (3000) | 334,5 | М500 |
| Капитель угловая, примыкающая к стенам | КПК1лев-1-1 | 4,90 (500) | 1,67 | 193,8 | М250 | 4,18 |
КПК1пр-1-1 |
КПК1лев-2-1 | 9,806 (1000) | 214,4 |
КПК1пр-2-1 |
КПК1лев-3-1 | 14,71 (1500) | 247,4 | М350 |
КПК1пр-3-1 |
КПК1лев-4-1 | 19,61 (2000) | 248,4 |
КПК1пр-4-1 |
КПК1лев-5-1 | 24,52 (2500) | 291,8 | М450 |
КПК1пр-5-1 |
КПК1лев-6-1 | 29,42 (3000) | 299,0 | М500 |
КПК1пр-6-1 |
| Капитель, примыкающая к лестничным клеткам и стенам | КП2лев-1 | 4,90 (500) | 1,85 | 218,0 | М250 | 4,53 |
КП2пр-1 |
КП2лев-2 | 9,806 (1000) | 244,5 |
КП2пр-2 |
КП2лев-3 | 14,71 (1500) | 278,5 | М350 |
КП2пр-3 |
КП2лев-4 | 19,61 (2000) | 284,6 |
КП2пр-4 |
КП2лев-5 | 24,52 (2500) | 332,0 | М450 |
КП2пр-5 |
КП2лев-6 | 29,42 (3000) | 347,3 | М500 |
КП2пр-6 |
| Капитель, примыкающая к лестничным клеткам и стенам | КПК2лев-1 | 4,90 (500) | 1,56 | 189,9 | М250 | 3,9 |
КПК2пр-1 |
КПК2лев-2 | 9,806 (1000) | 208,7 |
КПК2пр-2 |
КПК2лев-3 | 14,71 (1500) | 235,2 | М350 |
КПК2пр-3 |
КПК2лев-4 | 19,61 (2000) | 238,2 |
КПК2пр-4 |
КПК2лев-5 | 24,52 (2500) | 279,1 | М450 |
КПК2пр-5 |
КПК2лев-6 | 29,42 (3000) | 286,7 | М500 |
КПК2пр-6 |
Чертеж плиты | Местоположение конструкции | Марка плиты | Временная нормативная нагрузка, кПа (кгс/м2) | Расход материалов на плиту | Марка бетона по прочности на сжатие | Масса плиты (справочная), т |
Бетон, м3 | Сталь, кг |
| Межколонная плита по средним рядам колонн | МП1-1 | 4,90 (500) | 1,4 | 120,8 | М300 | 3,5 |
МП1-2 | 9,806 (1000) | 149,1 |
МП1-3 | 14,71 (1500) | 174,4 |
МП1-4 | 19,61 (2000) | 198,2 |
МП1-5 | 24,52 (2500) | 228,6 | М400 |
МП1-6 | 29,42 (3000) | 243,8 |
| Межколонная плита по крайним рядам колонн | МП1-1-1 | 4,90 (500) | 1,4 | 116,6 | М300 | 3,5 |
МП1-2-1 | 9,806 (1000) | 144,9 |
МП1-3-1 | 14,71 (1500) | 170,2 |
МП1-4-1 | 19,61 (2000) | 194,0 |
МП1-5-1 | 24,52 (2500) | 224,4 | М400 |
МП1-6-1 | 29,42 (3000) | 239,6 |
| Межколонная плита по средним рядам колонн с тремя углублениями для образования отверстий | МП1-2-2 | 9,806 (1000) | 1,2 | 161,2 | М300 | 3,0 |
МП1-4-2 | 19,61 (2000) | 201,0 |
| Межколонная плита по крайним рядам колонн с тремя углублениями для образования отверстий | МП1-2-3 | 9,806 (1000) | 1,2 | 157,0 | М300 | 3,0 |
МП1-4-3 | 19,61 (2000) | 196,8 |
| Межколонная плита, примыкающая к лестничным клеткам и шахтам лифтов | МП2-1 | 4,90 (500) | 1,3 | 109,7 | М300 | 3,25 |
МП2-2 | 9,806 (1000) | 136,3 |
МП2-3 | 14,71 (1500) | 162,0 |
МП2-4 | 19,61 (2000) | 184,0 |
МП2-5 | 24,52 (2500) | 212,9 | М400 |
МП2-6 | 29,42 (3000) | 227,9 |
| Межколонная плита по крайним рядам колонн | МПК1-1 | 4,90 (500) | 1,0 | 116,7 | М300 | 2,5 |
МПК1-2 | 9,806 (1000) | 123,4 |
МПК1-3 | 14,71 (1500) | 145,7 |
МПК1-4 | 19,61 (2000) | 160,1 |
МПК1-5 | 24,52 (2500) | 177,3 | М400 |
МПК1-6 | 29,42 (3000) | 189,0 |
| Межколонная плита по крайним рядам колонн с одним углублением для образования отверстий | МПК1-2-1 | 9,806 (1000) | 0,93 | 138,3 | М300 | 2,3 |
МПК1-4-1 | 19,61 (2000) | 169,8 |
| Пролетная плита | ПП1-1 | 4,90 (500) | 1,4 | 113,6 | М300 | 3,5 |
ПП1-2 | 9,806 (1000) | 123,7 | М400 |
ПП1-3 | 14,71 (1500) | 138,1 |
ПП1-4 | 19,61 (2000) | 161,0 |
ПП1-5 | 24,52 (2500) | 178,3 |
ПП1-6 | 29,42 (3000) | 204,8 |
| Пролетная плита с четырьмя углублениями для образования отверстий | ПП1-2-1 | 9,806 (1000) | 1,19 | 138,5 | М400 | 2,98 |
ПП1-4-1 | 19,61 (2000) | 176,3 |
1.4. В случаях, предусмотренных рабочими чертежами на конкретное здание, конструкции могут иметь дополнительные закладные изделия, а в капителях и плитах - углубления и отверстия для пропуска коммуникаций.
1.5. Конструкции обозначают марками в соответствии с требованиями
ГОСТ 23009-78.
Марка конструкции состоит из буквенно-цифровых групп, разделенных дефисами.
Первая группа содержит обозначение типа конструкций (
п. 1.1) и порядковый номер типоразмера. Для капителей первую группу дополняют строчными буквами, обозначающими вариант несимметричного расположения вырезов или опорных ниш: "пр" - при правом исполнении, "лев" - при левом исполнении (зеркально правому).
Во второй группе указывают обозначение несущей способности.
Третья группа содержит дополнительные характеристики, отражающие конструктивные особенности (наличие и расположение закладных изделий, вырезов и др.), обозначаемые арабскими цифрами.
Для конструкций, применяемых в условиях воздействия агрессивных сред, в третью группу включают обозначение характеристик конструкций, обеспечивающих их стойкость в условиях эксплуатации, при этом показатели проницаемости бетона конструкций обозначают буквами: Н - бетон нормальной проницаемости; П - бетон пониженной проницаемости.
Пример условного обозначения (марки) колонны третьего типоразмера, первой по несущей способности:
К3-1
То же, капители второго типоразмера, четвертого по несущей способности, второй по количеству закладных изделий:
КП1-4-2
То же, межколонной крайней плиты, первого типоразмера, второй по несущей способности с одним углублением для образования отверстий:
МПК1-2-1
2. ТЕХНИЧЕСКИЕ ТРЕБОВАНИЯ
2.1. Конструкции следует изготовлять в соответствии с требованиями настоящего стандарта и технологической документации, утвержденной в установленном порядке, по рабочим чертежам серии 1.420.1-14.
по показателям фактической прочности бетона (в проектном возрасте и отпускной);
по морозостойкости и водонепроницаемости бетона;
к бетону, а также к материалам для приготовления бетона конструкций, применяемых в условиях воздействия агрессивных сред;
к маркам сталей для закладных изделий и монтажных петель;
по отклонению толщины защитного слоя бетона;
по защите от коррозии;
по применению форм для изготовления конструкций.
2.3. Конструкции следует изготовлять из тяжелого бетона (средней плотности более 2200 до 2500 кг/м
3) марок по прочности на сжатие, указанных в
табл. 1 -
3.
2.4. Коэффициент вариации прочности бетона по сжатию в партии для конструкций высшей категории качества должен быть не более 9%.
2.5. Значение нормируемой отпускной прочности бетона конструкций принимают равным 70% марки бетона по прочности на сжатие. При поставке конструкций в холодный период года значение нормируемой отпускной прочности бетона может быть повышено, но не более 85% марки бетона по прочности на сжатие. Значение нормируемой отпускной прочности бетона должно соответствовать указанной в рабочих чертежах на конкретное здание и в заказе на изготовление конструкций согласно
ГОСТ 13015.0-83.
2.6. Качество материалов, применяемых для приготовления бетона, должно обеспечивать выполнение технических требований к бетону, установленных настоящим стандартом, и удовлетворять требованиям ГОСТ 26633-85.
2.7. Для конструкций, эксплуатируемых при слабоагрессивной степени воздействия газообразной среды, следует применять бетон нормальной проницаемости, для конструкций, эксплуатируемых при среднеагрессивной степени воздействия газообразной среды, - бетон пониженной проницаемости.
2.8. Для конструкций холодильников марки бетона по морозостойкости и водонепроницаемости должны приниматься не ниже:
F150, W4 - в низкотемпературных холодильниках с относительной влажностью воздуха в помещениях более 75%, температурой минус 20 °С и ниже;
F100, W4 - в холодильниках для хранения овощей и фруктов с относительной влажностью воздуха, в помещениях более 75%, температурой минус 5 °С и выше.
2.9. Для армирования конструкций следует применять термомеханически упрочненную арматурную сталь класса Ат-IIIС по
ГОСТ 10884-81 или горячекатаную арматурную сталь класса А-III по
ГОСТ 5781-82; для конструкций, эксплуатируемых при среднеагрессивной степени воздействия газообразной среды, следует применять только арматурную сталь класса А-III.
2.10. Марки арматурной стали, применяемой для армирования конструкций, должны соответствовать маркам, установленным рабочими чертежами согласно
СНиП 2.03.01-84 и указанным в заказе на изготовление конструкций.
2.11. Форма и размеры арматурных и закладных изделий и их положение в конструкциях должны соответствовать указанным в рабочих чертежах на эти конструкции.
2.12. Проектное положение арматурных изделий и толщина защитного слоя бетона должны обеспечиваться за счет применения пластмассовых фиксаторов или прокладок из цементно-песчаного раствора. Применение стальных фиксаторов не допускается.
2.13. Для конструкций, эксплуатируемых при слабо- и среднеагрессивных степенях воздействия газообразных сред минусовые отклонения от номинальной толщины защитного слоя не допускаются.
2.14. Значения действительных отклонений геометрических параметров конструкций не должны превышать предельных, указанных в табл. 4.
Таблица 4
мм
───────────────────────┬─────────────────────────┬────────────────
Наименование отклонения│Наименование геометричес-│Пред. откл. для
геометрического │кого параметра и его но- │конструкции ка-
параметра │минальное значение │тегории качества
│ ├────────┬───────
│ │ высшей │первой
───────────────────────┼─────────────────────────┴────────┴───────
Отклонение от линей- │ Колонны
ного размера │
│ Длина: │ │
│до 4000 │+/- 5 │+/- 8
│св. 4000 до 8000 │+/- 6 │+/- 10
│" 8000 " 16000 │+/- 8 │+/- 12
│" 16000 │+/- 10 │+/- 15
│ Размер поперечного │+/- 2 │+/- 3
│сечения │ │
│ Капители и плиты
│ Длина и ширина: │ │
│до 2500 │+/- 6 │+/- 6
│св. 2500 │+/- 8 │+/- 8
│ Высота: │ │
│до 250 │+2 │+2
│ │-3 │-3
│св. 250 │+/- 3 │+/- 3
Отклонение от прямо- │ Прямолинейность профиля│ │
линейности │лицевой поверхности ко- │ │
│лонны, капители и плиты │ │
│на заданной длине 1000: │3 │3
│ на всей длине колонны │ │
│длиной: │ │
│св. 2500 до 4000 │8 │8
│" 4000 " 8000 │10 │10
│" 8000 " 16000 │12 │12
│" 16000 │15 │15
│ на всей длине капители │5 │5
│и плиты │ │
Отклонение от пер- │ Перпендикулярность меж-│3 │3
пендикулярности │ду торцовой и боковой │ │
│поверхностями колонны │ │
Отклонение от плос- │ Плоскостность поверх- │3 │5
костности │ности плит относительно │ │
│прилегающей плоскости │ │
2.15. Отклонения от номинального положения стальных закладных изделий, служащих фиксаторами при монтаже, расположенных в одном и не в одном уровне с поверхностью бетона, не должны быть более 1 мм по вертикали и 2 мм по горизонтали.
2.16. Требования к качеству поверхностей и внешнему виду конструкций - по
ГОСТ 13015.0-83.
Категорию бетонной поверхности конструкций следует принимать:
А5 - для колонн и нижних поверхностей капителей и плит;
А7 - для верхних поверхностей капителей и плит.
2.17. В бетоне конструкций, поставляемых потребителю, трещины не допускаются, за исключением усадочных и других поверхностных технологических трещин, ширина которых не должна превышать 0,1 мм.
3.1. Правила приемки конструкций - по
ГОСТ 13015.1-81 и настоящему стандарту. При этом конструкции принимают:
по результатам периодических испытаний - по показателям морозостойкости бетона, а также по водонепроницаемости бетона конструкций, предназначенных для эксплуатации в условиях воздействия агрессивной газообразной среды;
по результатам приемосдаточных испытаний - по показателям прочности бетона (марке бетона по прочности на сжатие и отпускной прочности), соответствия арматурных и закладных изделий рабочим чертежам, прочности сварных соединений, точности геометрических параметров, толщины защитного слоя бетона до арматуры, ширины раскрытия трещин, категории бетонной поверхности.
3.2. Конструкции по показателям точности геометрических параметров, толщины защитного слоя бетона до арматуры, категории бетонной поверхности и ширины раскрытия технологических трещин следует принимать по результатам одноступенчатого выборочного контроля.
4.1. Прочность бетона на сжатие следует определять по
ГОСТ 10180-78 на серии образцов, изготовленных из бетонной смеси рабочего состава и хранившихся в условиях согласно
ГОСТ 18105-86.
| | ИС МЕГАНОРМ: примечание. Взамен ГОСТ 17624-78 Постановлением Госстроя СССР от 26.12.1986 N 67 с 1 января 1988 года введен в действие ГОСТ 17624-87. | |
При испытании конструкций неразрушающими методами фактическую отпускную прочность бетона на сжатие следует определять ультразвуковым методом по ГОСТ 17624-78 или приборами механического действия по ГОСТ 22690.0-77 - ГОСТ 22690.4-77 и
ГОСТ 21243-75. Число и места расположения участков, в которых контролируют фактическую отпускную прочность бетона на сжатие неразрушающими методами, должны соответствовать указанным на черт. 1.
Колонны
Капители
Межколонные и пролетные плиты
1 - участок размерами 200 х 200 мм для контроля
фактической отпускной прочности бетона на сжатие
неразрушающими методами;
2 - возможный участок испытания
4.2. Морозостойкость бетона следует определять по ГОСТ 10060-87 на серии образцов, изготовленных из бетонной смеси рабочего состава.
4.3. Водонепроницаемость бетона следует определять по
ГОСТ 12730.0-78 и
ГОСТ 12730.5-84 на серии образцов, изготовленных из бетонной смеси рабочего состава.
4.5. Размеры, отклонения от прямолинейности, плоскостности и перпендикулярности поверхностей, положение стальных закладных изделий, а также качество бетонных поверхностей, ширину раскрытия усадочных трещин и внешний вид конструкций следует проверять по ГОСТ 13015-75.
4.6. Диаметр и расположение арматуры и толщину защитного слоя бетона следует проверять по
ГОСТ 17625-83, ГОСТ 22904-78 или другими неразрушающими методами, позволяющими определять положение арматуры при помощи приборов, обеспечивающих измерение толщины защитного слоя бетона с погрешностью +/- 1 мм.
При отсутствии необходимых приборов допускается вырубка борозд и обнажение арматуры с последующей заделкой борозд.
5. МАРКИРОВКА, ТРАНСПОРТИРОВАНИЕ И ХРАНЕНИЕ
Маркировочные надписи и знаки следует наносить на видимой (при хранении и монтаже) боковой поверхности каждой конструкции.
5.2. Требования к документу о качестве конструкций, поставляемых потребителю, - по
ГОСТ 13015.3-81.
5.3. Транспортировать и хранить конструкции следует в соответствии с требованиями
ГОСТ 13015.4-84 и настоящего стандарта.
5.4. Конструкции следует транспортировать и хранить в штабелях. Высота штабеля колонн не должна превышать 2,5 м.
Плиты следует укладывать по высоте не более чем в 6 - 8 ярусов, капители - не более 3 шт. по высоте.
5.5. Подкладки и прокладки при транспортировании и хранении межколонных и пролетных плит следует располагать на расстоянии 250 мм от края, колонн - в местах установки стальных трубок (закладных изделий М5), предназначенных для строповки их при монтаже.
5.6. При транспортировании колонны следует укладывать на транспортные средства продольной осью по направлению движения транспорта.