Главная // Актуальные документы // ГОСТ (Государственный стандарт)
СПРАВКА
Источник публикации
М.: Стандартинформ, 2014
Примечание к документу
Документ утратил силу с 01.01.2022 в связи с изданием Приказа Росстандарта от 10.12.2021 N 1761-ст. Взамен введен в действие ГОСТ 31471-2021.

Документ введен в действие с 1 июля 2013 года.
Название документа
"ГОСТ 31471-2011. Межгосударственный стандарт. Устройства экстренного открывания дверей эвакуационных и аварийных выходов. Технические условия"
(введен в действие Приказом Росстандарта от 20.11.2012 N 945-ст)

"ГОСТ 31471-2011. Межгосударственный стандарт. Устройства экстренного открывания дверей эвакуационных и аварийных выходов. Технические условия"
(введен в действие Приказом Росстандарта от 20.11.2012 N 945-ст)


Содержание


Введен в действие
Приказом Федерального
агентства по техническому
регулированию и метрологии
от 20 ноября 2012 г. N 945-ст
МЕЖГОСУДАРСТВЕННЫЙ СТАНДАРТ
УСТРОЙСТВА ЭКСТРЕННОГО ОТКРЫВАНИЯ ДВЕРЕЙ
ЭВАКУАЦИОННЫХ И АВАРИЙНЫХ ВЫХОДОВ
ТЕХНИЧЕСКИЕ УСЛОВИЯ
Panic and emergency exit devices. Specifications
(EN 1125-2008, NEQ)
(EN 179-2008, NEQ)
ГОСТ 31471-2011
Группа Ж34
МКС 91.190;
ОКП 49 8100
Дата введения
1 июля 2013 года
Предисловие
Цели, основные принципы и основной порядок проведения работ по межгосударственной стандартизации установлены ГОСТ 1.0-92 "Межгосударственная система стандартизации. Основные положения" и ГОСТ 1.2-2009 "Межгосударственная система стандартизации. Стандарты межгосударственные, правила и рекомендации по межгосударственной стандартизации. Правила разработки, принятия, применения, обновления и отмены".
Сведения о стандарте
1. Разработан Учреждением - Центр по сертификации оконной и дверной техники (ЦС ОДТ) с участием фирм "TESA" (Испания), "JPM" (Франция), "ABLOY OY" (Финляндия), "ASSA ABLOY Sicherheitstechnik GmbH" (Германия), "CISA" (Италия).
2. Внесен Техническим комитетом по стандартизации ТК 465 "Строительство" Российской Федерации.
3. Принят Межгосударственной научно-технической комиссией по стандартизации, техническому нормированию и оценке соответствия в строительстве (МНТКС) (Протокол от 8 декабря 2011 г. N 39, приложение Д).
За принятие проголосовали:
Краткое наименование страны по МК (ИСО 3166) 004-97
Код страны по МК (ИСО 3166) 004-97
Сокращенное наименование национального органа по стандартизации
Азербайджан
AZ
Госстрой
Армения
AM
Министерство градостроительства
Казахстан
KZ
Агентство по делам строительства и жилищно-коммунального хозяйства
Киргизия
KG
Госстрой
Молдова
MD
Министерство строительства и регионального развития
Россия
RU
Министерство регионального развития
Таджикистан
TJ
Агентство по строительству и архитектуре при правительстве
Узбекистан
UZ
Госархитектстрой
4. В настоящем стандарте учтены основные положения европейских региональных стандартов EN 1125:2008. Building hardware - Panic exit devices operated by a horizontal bar - Requirements and test methods (Металлические изделия для строительства. Устройства экстренного выхода, приводимые в действие горизонтальной штангой. Требования и методы испытаний) и EN 179:2008. Building hardware - Emergency exit devices operated by a lever handle or push pad - Requirements and test methods (Металлические изделия для строительства. Устройства аварийного выхода, приводимые в действие ручкой или кнопкой. Требования и методы испытаний) в части технических требований и методов испытаний.
Перевод с английского языка (en).
Степень соответствия - неэквивалентная (NEQ).
5. Приказом Федерального агентства по техническому регулированию и метрологии от 20 ноября 2012 г. N 945-ст межгосударственный стандарт ГОСТ 31471-2011 введен в действие в качестве национального стандарта Российской Федерации с 1 июля 2013 года.
6. Введен впервые.
Информация об изменениях к настоящему стандарту публикуется в ежегодном информационном указателе "Национальные стандарты", а текст изменений и поправок - в ежемесячном информационном указателе "Национальные стандарты". В случае пересмотра (замены) или отмены настоящего стандарта соответствующее уведомление будет опубликовано в ежемесячном информационном указателе "Национальные стандарты". Соответствующая информация, уведомление и тексты размещаются также в информационной системе общего пользования - на официальном сайте Федерального агентства по техническому регулированию и метрологии в сети Интернет.
Введение
Настоящий стандарт разработан с целью установления приоритетных требований по обеспечению безопасности жизни и здоровья людей при чрезвычайных ситуациях (пожаре, взрыве, аварии и т.п.) путем использования устройств экстренного открывания дверей эвакуационных и аварийных выходов общественных, производственных, жилых зданий и сооружений различного назначения всех классов функциональной пожарной опасности в случае возникновения в них пожара или другой чрезвычайной ситуации (ЧС) для обеспечения эффективной эвакуации людей из здания, их безопасности при эвакуации, снижения вероятности воздействия на людей (и материальные ценности) опасных факторов пожара или другой ЧС.
Устройства экстренного открывания дверей на путях эвакуации и дверей аварийных (запасных) выходов зданий и сооружений различного назначения должны быть включены в состав объектов защиты на стадиях проектирования, строительства и эксплуатации, а также ремонта, реконструкции или при изменении функционального назначения здания, части здания или отдельных помещений, при этом должно быть четкое разграничение по требованиям и функциональному назначению эвакуационных и аварийных выходов. Например, аварийные выходы не учитывают при эвакуации (расчете путей эвакуации при пожаре) и рассматривают только в целях повышения безопасности людей при пожаре. Как правило, дверями аварийных выходов пользуется постоянный и прошедший соответствующий инструктаж персонал предприятия, организации, располагающихся в данном конкретном помещении, группе помещений, части здания и в зданиях.
В случае пожара или другой ЧС в общественных зданиях с массовым пребыванием людей (универсамы, универмаги, супермаркеты, торговые центры, залы ожидания и обслуживания вокзалов и аэропортов, киноконцертные, спортивно-зрелищные и т.п.) возможно возникновение паники. С целью обеспечения быстрой и безопасной эвакуации людей в этой ситуации двери эвакуационных выходов должны быть оборудованы устройствами экстренного открывания, которые приводятся в действие простым нажатием рукой или надавливанием телом на горизонтальную штангу, установленную на внутренней поверхности полотна двери эвакуационного выхода, при минимальных усилиях, без ключа или других специальных средств и предварительного ознакомления с работой устройства.
Устройства экстренного открывания дверей должны обеспечивать легкость открывания дверей эвакуационных выходов в темноте, в условиях задымленности, в любое время суток не только взрослыми, но и детьми, пожилыми людьми и инвалидами. В целях дополнительной безопасности людей при возникновении пожара или другой ЧС в зданиях и сооружениях различного назначения должны быть предусмотрены аварийные (запасные) выходы, которые следует оснащать устройствами экстренного открывания для аварийных выходов.
Устройства экстренного открывания дверей также должны легко, просто и быстро открываться при нажатии рукой на ручку (рукоятку) или кнопку, без ключа или других специальных средств, но при условии ознакомления с работой устройства.
Применение устройств экстренного открывания дверей эвакуационных и аварийных выходов должно быть согласовано в установленном законом порядке с органами государственной противопожарной службы.
1. Область применения
Настоящий стандарт распространяется на устройства экстренного открывания дверей эвакуационных и аварийных выходов (далее - устройства "Антипаника") общественных, производственных и жилых зданий и сооружений различного назначения с массовым пребыванием людей (торговые центры, больницы, школьные и дошкольные учреждения, залы ожидания и обслуживания вокзалов и аэропортов, киноконцертные залы, спортивно-зрелищные и т.п. сооружения) в случае возникновения пожара или другой чрезвычайной ситуации для обеспечения безопасности и эффективной эвакуации людей, материальных ценностей, а также снижения вероятности воздействия на людей опасных факторов пожара или другой чрезвычайной ситуации.
Устройства "Антипаника" могут применяться в различных климатических зонах в соответствии с нормами строительной климатологии.
2. Нормативные ссылки
В настоящем стандарте использованы ссылки на следующие межгосударственные стандарты:
ГОСТ 9.308-85. Единая система защиты от коррозии и старения. Покрытия металлические и неметаллические неорганические. Методы ускоренных коррозионных испытаний
ГОСТ 9.401-91. Единая система защиты от коррозии и старения. Покрытия лакокрасочные. Общие требования и методы ускоренных испытаний на стойкость к воздействию климатических факторов
ГОСТ 166-89 (ИСО 3599-76). Штангенциркули. Технические условия
ГОСТ 538-2001. Изделия замочные и скобяные. Общие технические условия
ГОСТ 5089-2011. Замки, защелки, механизмы цилиндровые. Технические условия
ГОСТ 5378-88. Угломеры с нониусом. Технические условия
ГОСТ 6507-90. Микрометры. Технические условия
ГОСТ 15140-78. Материалы лакокрасочные. Методы определения адгезии
ГОСТ 15150-69. Машины, приборы и другие технические изделия. Исполнения для различных климатических районов. Категории, условия эксплуатации, хранения и транспортирования в части воздействия климатических факторов внешней среды
ГОСТ 31173-2003. Блоки дверные стальные. Технические условия
Примечание. При пользовании настоящим стандартом целесообразно проверить действие ссылочных стандартов в информационной системе общего пользования на официальном сайте Федерального агентства по техническому регулированию и метрологии в сети Интернет или по ежегодно издаваемому информационному указателю "Национальные стандарты", который опубликован по состоянию на 1 января текущего года, и по соответствующим ежемесячно издаваемым информационным указателям, опубликованным в текущем году. Если ссылочный стандарт заменен (изменен), то при пользовании настоящим стандартом следует руководствоваться заменяющим (измененным) стандартом. Если ссылочный стандарт отменен без замены, то положение, в котором дана ссылка на него, применяется в части, не затрагивающей эту ссылку.
3. Термины и определения
В настоящем стандарте применены термины по ГОСТ 538, ГОСТ 31173, [1], [2], а также следующие термины с соответствующими определениями:
3.1. Устройство экстренного открывания (устройство "Антипаника"): замочное изделие, удерживающее дверь эвакуационного или аварийного выхода в закрытом (запертом) положении, обеспечивающее быстрое открывание двери нажатием рукой или телом человека на управляющий элемент (штангу, ручку и т.п.), при возникновении чрезвычайных ситуаций и расположенное на внутренней стороне полотна дверного блока.
3.2. Эвакуационный выход: выход, ведущий на путь эвакуации непосредственно наружу или в безопасную зону, предназначенный для экстренного, очень быстрого покидания здания в случаях чрезвычайных ситуаций большим числом людей, как правило, незнакомых либо частично знакомых с расположением выходов и их технической оснащенностью.
3.3. Аварийный (запасный) выход: выход, предназначенный для быстрого покидания зданий, помещений в случае возникновения чрезвычайных ситуаций людьми, знакомыми с расположением выходов и их технической оснащенностью (как правило, сотрудники, работающие или постоянно находящиеся в этом здании).
3.4. Устройство экстренного открывания дверей эвакуационных выходов: замочное изделие, позволяющее максимально быстро открывать двери эвакуационных выходов без использования ключа путем нажатия на горизонтальную штангу, расположенную по ширине полотна дверного блока, и при отсутствии понимания того, как должна открываться дверь эвакуационного выхода.
3.5. Устройство экстренного открывания дверей аварийных выходов: замочное изделие, позволяющее максимально быстро открыть дверь аварийного выхода одним или двумя движениями с использованием фалевой ручки или нажимной планки, без применения ключей или прочих вспомогательных средств с пониманием того, как открывается дверь.
3.6. Основной засов: деталь устройства "Антипаника", служащая для фиксирования полотна дверного блока в закрытом положении посредством входа в запорную планку.
3.7. Основной засов-защелка: деталь устройства "Антипаника", служащая для фиксирования полотна дверного блока в закрытом положении посредством автоматического входа в запорную планку.
3.8. Дополнительные засовы: засовы, расположенные на концах тяг, предназначенные для дополнительного фиксирования полотна дверного блока.
3.9. Запорная планка: деталь устройства "Антипаника", имеющая отверстие для входа основного засова, засова-защелки при запирании или фиксировании полотна дверного блока в закрытом положении.
3.10. Штанга: деталь (управляющий элемент) устройства "Антипаника" для дверей эвакуационных выходов, установленная горизонтально на внутренней стороне полотна дверного блока, приводимая в действие нажатием на нее для вывода засова (засова-защелки) из запорной планки.
3.11. Ручка: деталь (управляющий элемент) устройства "Антипаника" для дверей аварийных выходов, установленная на внутренней стороне полотна дверного блока, приводимая в действие нажатием или поворотом ее для вывода засова (засова-защелки) из запорной планки.
3.12. Наружное устройство доступа: механизм устройства "Антипаника", предназначенный для отпирания дверного блока с наружной стороны.
3.13. Блокирующий механизм замка устройства "Антипаника" двери аварийного выхода: механизм, находящийся в корпусе замка устройства "Антипаника" или в запорной планке, предназначенный для удержания основного засова в запорной планке при закрытом положении полотна дверного блока.
3.14. Дополнительный электромеханический блокирующий механизм: электрически управляемый запорный механизм, устанавливаемый на дверном блоке дополнительно к основному засову замка и не связанный с ним механически. Разблокирование проводят путем подачи сигнала на отпирание с последующим открыванием (например, нажатием кнопки экстренного отпирания системы контроля доступа, автоматически при срабатывании сигнализации и т.д.).
3.15. Кнопка экстренного отпирания: управляемый вручную элемент устройства "Антипаника", который разблокирует дополнительный блокирующий механизм аварийного выхода.
3.16. Вертикальная тяга: деталь устройства "Антипаника", обеспечивающая соединение механизма замка и дополнительных засовов.
3.17. Автоматический повторно-запирающий механизм: механизм, обеспечивающий автоматический перевод устройства "Антипаника" в положение "Закрыто" после экстренного открывания дверного блока.
3.18. Однопольный дверной блок: конструкция, состоящая из коробки, жестко закрепленной в дверном проеме, с навешенным на петли дверным полотном и запирающими приборами.
3.19. Двупольный дверной блок: конструкция, состоящая из коробки, жестко закрепленной в дверном проеме, с навешенными на петли двумя дверными полотнами с запирающими приборами.
3.20. Активное полотно: полотно двупольного (распашного) дверного блока, которое открывается первым и закрывается последним.
3.21. Неактивное полотно: полотно двупольного (распашного) дверного блока, которое открывается последним и закрывается первым.
3.22. Внутренняя сторона полотна дверного блока: поверхность полотна дверного блока, на которой устанавливают устройство "Антипаника".
3.23. Наружная сторона полотна дверного блока: поверхность полотна дверного блока, на которой устанавливают наружное устройство доступа.
3.24. Противонагрузка: давление на дверное полотно в сторону открывания, оказывающее негативное воздействие на работу блокирующих механизмов и замков или препятствующее их отпиранию.
4. Классификация и обозначения
4.1. Устройства "Антипаника" подразделяют по:
- назначению (номер классификационного признака 1) с обозначением:
для дверей эвакуационных выходов - Э,
для дверей аварийных выходов - А.
Примеры устройств "Антипаника" для дверей эвакуационных и аварийных выходов приведены в Приложении А;
- виду управляющего элемента (номер классификационного признака 2) с обозначением:
устройство "Антипаника" типа A - управляющий элемент: нажимная штанга, фалевая (нажимная) ручка - A,
устройство "Антипаника" типа B - управляющий элемент: штанга-рейка, пластина - B.
Типы устройств "Антипаника" и их управляющие элементы приведены на рисунках 1 - 4;
- способу установки на дверной блок (номер классификационного признака 3) с обозначением:
накладные - Н,
врезные - В;
- конструкции (номер классификационного признака 4) с обозначением:
с тягами - 1,
без тяг - 0;
- числу полотен дверного блока (номер классификационного признака 5) с обозначением:
однопольного - 1,
двупольного - 2;
- массе полотна дверного блока (номер классификационного признака 6) с обозначением:
до 100 кг включительно - 1,
свыше 100 кг - 2;
- коррозионной стойкости (номер классификационного признака 7) с обозначением:
для внутренних дверных блоков - Вд,
для наружных дверных блоков - Нд;
- наличию дополнительной системы безопасности (номер классификационного признака 8) с обозначением:
при наличии дополнительной системы безопасности - 1,
при отсутствии дополнительной системы безопасности - 0;
- классу замка (номер классификационного признака 9) с обозначением:
класса 2 - 2,
класса 3 - 3,
класса 4 - 4.
4.2. Типы устройств "Антипаника"
4.2.1. Типы устройств "Антипаника" для дверей эвакуационных выходов приведены на рисунках 1 и 2.
Рисунок 1. Общий вид устройства "Антипаника" типа A
для дверей эвакуационных выходов с нажимной штангой
Рисунок 2. Общий вид устройства "Антипаника" типа B
для дверей эвакуационных выходов со штангой-рейкой
4.2.2. Типы устройств "Антипаника" для дверей аварийных выходов приведены на рисунках 3 и 4.
Рисунок 3. Общий вид устройства "Антипаника" типа A
для дверей аварийных выходов с нажимной
(фалевой) ручкой
Рисунок 4. Общий вид устройства "Антипаника" типа B
для дверей аварийных выходов с пластиной
4.3. Условное обозначение устройств "Антипаника"
Условное обозначение устройств "Антипаника" должно включать в себя: наименование изделия "Устройство "Антипаника", цифровые и буквенные обозначения классификационного признака, установленные в 4.1, и обозначение настоящего стандарта.
Структура условного обозначения устройств "Антипаника" приведена в таблице 1.
Таблица 1
Структура условного обозначения устройств "Антипаника"
Номер классификационного признака
1
2
3
4
5
6
7
8
9
Буквенное (цифровое) обозначение классификационного признака
Э
А
Н
1
1
1
Вд
1
2
А
В
В
0
2
2
Нд
0
3
4
Пример условного обозначения накладного (Н) устройства "Антипаника" типа A, без тяг (0), для однопольной (1) внутренней двери (Вд) эвакуационных выходов (Э), массой 80 кг (1), без дополнительной системы безопасности (0), класс замка 2:
Устройство "Антипаника"
Э
А
Н
0
1
1
Вд
0
2
ГОСТ 31471-2011
При экспортно-импортных поставках допускается применять обозначения устройств "Антипаника", принятые у поставщика и оговоренные в договоре (контракте).
5. Технические требования
5.1. Общие положения
5.1.1. Устройства "Антипаника" должны соответствовать требованиям ГОСТ 538, ГОСТ 5089, настоящего стандарта, стандартов организаций и изготавливаться по конструкторской и технологической документации на изделия конкретного типа.
5.1.2. Устройства "Антипаника", изготавливаемые в соответствии с требованиями настоящего стандарта, могут устанавливаться на полотна дверного блока массой не более 200 кг, высотой не более 2500 мм и шириной не более 1300 мм, всегда открывающиеся по ходу эвакуации (движения из здания). Возможность установки устройств "Антипаника" на полотна дверного блока массой и габаритных размеров, превышающих указанные, определяется по результатам испытаний.
5.1.3. При установке устройств "Антипаника" на противопожарных дверях класс огнестойкости устройства "Антипаника" должен быть не ниже класса огнестойкости противопожарной двери.
5.1.4. Устройства "Антипаника" должны быть надежными и безопасными в эксплуатации, обеспечивать быстрое открывание дверей эвакуационных и аварийных выходов для экстренного выхода из помещения.
5.1.5. Устройства "Антипаника", имеющие механизмы внешнего доступа, обеспечивающие отпирание и запирание дверных блоков с внешней стороны, не должны влиять на беспрепятственное отпирание дверного блока с внутренней стороны одним движением для эвакуационного выхода и двумя неповторяющимися движениями - для аварийного выхода независимо от того, является механизм внешнего доступа запертым или незапертым.
О наличии устройства внешнего доступа должно быть указано в спецификации изготовителя.
5.1.6. Внешний вид устройств "Антипаника": цвет, допустимые дефекты поверхности (риски, царапины и др.) должен соответствовать образцам-эталонам. Острые углы и кромки не допускаются. Выступающие углы и грани должны быть притуплены.
5.1.7. Устройства "Антипаника" должны быть укомплектованы инструкцией по монтажу и эксплуатации, в которой указывают:
- об ограничении размеров полотен дверных блоков;
- о возможности отпирания дверных блоков изнутри одним или двумя неповторяющимися движениями без использования ключа и других механизмов в любое время и в любых обстоятельствах;
- о недопустимости внесения изменений в данную конструкцию во время эксплуатации;
- о недопустимости применения различных способов блокирования (препятствия) нормальной работы штанг, ручек и др.
5.1.8. Устройства "Антипаника" для дверей эвакуационных и аварийных выходов для обеспечения безопасности и повышения степени защищенности могут комплектоваться дополнительными элементами и системами управления контроля (системами видеонаблюдения, системами управления доступа и др.), не влияющими на выполнение основных требований к устройствам "Антипаника".
Схемы и примеры функционирования механически и электрически управляемых устройств "Антипаника" для дверей эвакуационных и аварийных выходов приведены в Приложении Б.
5.1.9. Исполнение, категории, условия эксплуатации, хранения и транспортирования устройств "Антипаника" в части воздействия климатических факторов должны соответствовать требованиям ГОСТ 15150.
5.2. Размеры и предельные отклонения
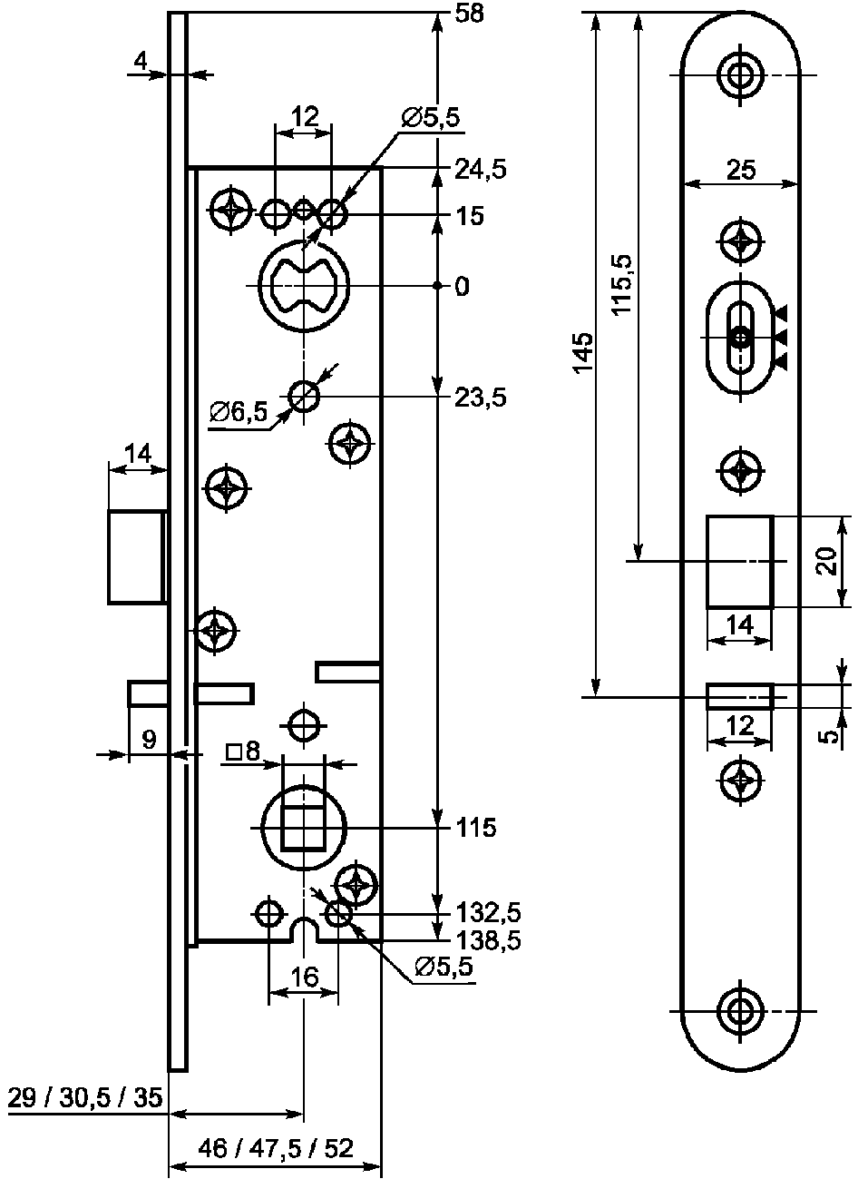
5.2.1. Размеры устройства "Антипаника" указывают в рабочих чертежах. Предельные отклонения сопрягаемых и несопрягаемых размеров - по ГОСТ 538.
5.2.2. Основные размеры деталей, элементов, узлов устройства "Антипаника" для дверей эвакуационных выходов указаны на рисунках 5 и 6.
а) Устройство "Антипаника" типа A
б) Устройство "Антипаника" типа B
X - оптимальная длина штанги (штанги-рейки);
Y - ширина полотна дверного блока в закрытом положении;
Z - расстояние от штанги (штанги-рейки) до коробки
дверного блока
Рисунок 5. Габаритные и присоединительные размеры
устройства "Антипаника" для дверей эвакуационных выходов
а) Устройство "Антипаника" типа A
б) Устройство "Антипаника" типа B
W - максимальный размер устройства (в плане); V - высота
рабочей поверхности штанги (штанги-рейки); U - габаритный
размер устройства по высоте; R - минимальное расстояние
между поверхностью штанги в полностью нажатом положении
и поверхностью полотна дверного блока; S - минимальный
размер устройства при нажатой штанге-рейке от поверхности
полотна дверного блока (в плане); T - минимальный размер
штанги-рейки в нажатом положении от корпуса
устройства (в плане)
Рисунок 6. Габаритные и присоединительные размеры
устройства "Антипаника" для дверей эвакуационных
выходов (в плане)
5.2.3. Основные размеры устройств "Антипаника" для дверей аварийных выходов указаны на рисунках 7 - 9.
C - минимальное расстояние между управляющим элементом
и поверхностью полотна дверного блока; W - максимальный
размер устройства "Антипаника" (в плане); Y - минимальная
длина ручки; Z - минимальное расстояние до края полотна
дверного блока
Рисунок 7. Устройство "Антипаника" типа A
для дверей аварийных выходов
R - минимальное расстояние между управляющим элементом
в нажатом состоянии и поверхностью полотна дверного блока;
W - максимальный размер устройства "Антипаника" (в плане);
Z - минимальное расстояние до края полотна дверного блока
Рисунок 8. Устройство "Антипаника" типа B
для дверей аварийных выходов
а) Устройство "Антипаника" типа A
б) Устройство "Антипаника" типа B
V - ширина нажимной (фалевой) ручки и пластины
Рисунок 9. Управляющие элементы [нажимная (фалевая) ручка
и пластина] устройств "Антипаника" для дверей
аварийных выходов
5.3. Требования к конструкции
5.3.1. Общие требования
5.3.1.1. Конструкция устройств "Антипаника" должна быть прочной, надежной и обеспечивать возможность ее ремонта и замены.
5.3.1.2. Конструкция устройств "Антипаника" должна обеспечивать его надежное крепление к полотнам и коробкам дверных блоков.
Расположение и размеры отверстий для установки устройств "Антипаника" указывают в рабочих чертежах устройств конкретных типов.
5.3.1.3. Конструкция устройств "Антипаника" должна обеспечивать зазор не менее 25 мм между управляющим элементом в нажатом положении и поверхностью полотна дверного блока.
5.3.2. Требования к конструкции устройств "Антипаника" для дверей эвакуационных выходов
5.3.2.1. Конструкция устройств "Антипаника" для дверей эвакуационных выходов должна обеспечивать открывание полотна дверного блока в течение не более 1 с от момента, когда управляющий элемент достиг своего полностью нажатого положения.
5.3.2.2. Конструкция устройств "Антипаника" для дверей эвакуационных выходов должна позволять установку элементов и узлов устройства, кроме управляющего элемента, на внутренней поверхности полотна или внутри полотна дверного блока.
5.3.2.3. Оптимальная длина штанги (штанги-рейки) (см. размер X на рисунке 5) должна быть не менее 60% ширины полотна дверного блока в закрытом положении (см. размер Y на рисунке 5).
5.3.2.4. Управляющий элемент (штангу, штангу-рейку) следует устанавливать на внутренней стороне дверного полотна так, чтобы значение размера Z (см. рисунок 5) было не менее 150 мм при закрытом положении полотна дверного блока.
5.3.2.5. Управляющий элемент (штанга, штанга-рейка) не должен выступать за кронштейны, на которых он крепится.
5.3.2.6. Высота рабочей поверхности штанги (штанги-рейки) (см. размер V на рисунке 6) должна быть не менее 18 мм.
5.3.2.7. Выступание поверхности штанги и штанги-рейки за габариты корпуса устройства "Антипаника" в плане (см. размер T на рисунке 6) должно быть не менее 3 мм, а размер S (см. рисунок 6) - не менее 25 мм.
5.3.2.8. В устройствах "Антипаника", предназначенных для дверей эвакуационных выходов, следует применять замки не ниже 2-го класса по ГОСТ 5089.
5.3.3. Требования к конструкции устройств "Антипаника" для дверей аварийных выходов
5.3.3.1. Конструкция устройств "Антипаника" для дверей аварийных выходов должна обеспечивать отпирание и открывание двери аварийного выхода с внутренней стороны в течение не более 1 с выполнением одной или двух неповторяющихся ручных операций без применения ключа.
Управляющий элемент (ручка или пластина) должен обеспечивать открывание дверного блока с внутренней стороны в любое время независимо от применения любых дополнительных средств запирания.
5.3.3.2. Управляющий элемент устройства "Антипаника" типа A при выведении основного засова из запорной планки должен перемещаться вниз по дуге (см. рисунок 7).
5.3.3.3. Воздействие рукой на управляющий элемент устройства "Антипаника" типа B для отпирания и открывания дверного блока производят по направлению выхода (см. рисунок 8).
5.3.3.4. Конструкция устройств "Антипаника" для дверей аварийных выходов должна предусматривать автоматическое возвращение в исходное положение "Заперто" после выполнения цикла "открывание-закрывание" дверного блока.
5.3.3.5. Конструкция устройств "Антипаника" должна быть такой, чтобы управляющий элемент мог быть установлен на расстоянии не более 150 мм от кромки полотна дверного блока (см. размер Z на рисунках 7 и 8).
5.3.3.6. Минимальный размер ручки должен быть 120 мм (см. размер Y на рисунке 7).
5.3.3.7. Ширина управляющего элемента должна быть не менее 18 мм (см. размер V на рисунке 9).
ИС МЕГАНОРМ: примечание.
Нумерация пунктов дана в соответствии с официальным текстом документа.
5.3.5.8. В устройствах "Антипаника", предназначенных для дверей аварийных выходов, следует применять замки не ниже 3-го класса по ГОСТ 5089.
5.3.3.9. Для обеспечения дополнительной системы безопасности и увеличения степени защищенности материальных ценностей рекомендуется применять электромеханические запорные устройства, электронные устройства управления и контроля, которые могут быть интегрированы в общую систему оповещения, автоматической блокировки или разблокировки дверей аварийных выходов. Указанные устройства должны изготавливаться по действующим нормативным документам (НД) и соответствовать категории I по надежности электроснабжения (см. [3]). При этом требования к качеству и безопасности использования устройств должны подтверждаться результатами их испытаний и сертификатами соответствия.
Электрические системы, дополняющие механические системы устройства "Антипаника", должны обеспечивать разблокирование и последующее открывание полотна дверного блока простым нажатием хорошо заметной и подсвеченной кнопки экстренного отпирания, установленной внутри помещения в непосредственной близости от дверного блока, в дополнение к механическому нажатию ручки или штанги механической системы устройства "Антипаника" изнутри помещения в любое время.
Минимальный комплект электрической системы устройств "Антипаника" для дверей аварийного выхода включает в себя в общем виде основное (механическое или электромеханическое) замковое устройство, дополнительный электромеханический блокирующий механизм, кнопку экстренного отпирания, блок управления и контроля. Пример минимального комплекта электрической системы устройств "Антипаника" для дверей аварийного выхода приведен на рисунке 10.
1 - основное замковое устройство, удерживающее дверь
в закрытом состоянии; 2 - дополнительный электромеханический
блокирующий механизм, разблокируется только электрическим
сигналом; 3 - кнопка экстренного отпирания механизма 2;
4 - блок управления и контроля
Рисунок 10. Пример минимального комплекта электрической
системы устройств "Антипаника" для дверей аварийного выхода
Дополнительный электромеханический блокирующий механизм должен однозначно и без какой-либо задержки разблокироваться при пропадании питания или нажатии на кнопку экстренного отпирания, находясь под противонагрузкой, и давать возможность открыть полотно дверного блока вручную.
Примечание. Противонагрузка возникает под воздействием давления воздуха (разности температур во время пожара, давления от вентиляции и др.), конструктивных элементов двери, перекоса дверного полотна или каких-либо других сил, возникающих в момент пожарной ситуации (упавших элементов конструкции, людей, находящихся в панике и упирающихся в дверное полотно и т.д.).
5.3.3.10. При сохранении основной задачи обеспечения эффективной и безопасной эвакуации электрические системы, дополняющие механические системы устройств "Антипаника", должны обеспечивать:
- информацию о состоянии дверного блока в режиме реального времени;
- совместимость с датчиками и системой пожарной или охранной сигнализации;
- безопасность (при отключении питания дверной блок должен быть немедленно разблокирован), оставаясь при этом запертыми для проникновения снаружи посредством механической системы устройства "Антипаника".
5.4. Требования по надежности
5.4.1. Устройства "Антипаника" для дверей эвакуационных выходов должны выдерживать при испытании на безотказность не менее 200000 циклов "открывание-закрывание" дверного блока.
5.4.2. Устройства "Антипаника" для дверей аварийных выходов должны выдерживать при испытании на безотказность не менее 100000 циклов "открывание-закрывание" дверного блока.
5.5. Требования к прочности
5.5.1. Вертикальные тяги устройства "Антипаника" для дверей эвакуационных и аварийных выходов должны выдерживать статическую нагрузку 500 Н, приложенную в середине тяги перпендикулярно к поверхности полотна дверного блока (см. рисунок В.1 Приложения В).
5.5.2. Штанга устройства "Антипаника" типа A для дверей эвакуационных выходов должна выдерживать статическую нагрузку 1000 Н, приложенную к штанге (см. рисунок В.2 Приложения В).
5.5.3. Ручка устройства "Антипаника" типа A для дверей аварийных выходов должна выдерживать статические нагрузки 1000 и 500 Н (см. рисунок В.3 Приложения В).
5.5.4. Пластина устройства "Антипаника" типа B для дверей аварийных выходов должна выдерживать статическую нагрузку 1000 Н (см. рисунок В.4 Приложения В).
5.5.5. Усилие, необходимое для открывания двери аварийного выхода после разблокирования дополнительного блокирующего механизма, не должно превышать 50 Н. Дополнительный электроблокирующий механизм должен быть прочным и выдерживать усилие не менее 2000 Н, работать в режиме нормально-открытого (отпираться при отключении или пропадании электропитания) и разблокироваться при противонагрузке не менее 1000 Н.
5.6. Эксплуатационные показатели
5.6.1. Усилие, необходимое для вывода засова (засова-защелки) из запорной планки, прикладываемое к управляющему элементу устройства "Антипаника" типа A для дверей эвакуационных выходов, не должно превышать 80 Н (см. рисунок В.5 Приложения В).
5.6.2. Усилие, необходимое для вывода засова (засова-защелки) из запорной планки, прикладываемое к управляющему элементу устройства "Антипаника" типа A для дверей аварийных выходов, не должно превышать 70 Н [см. рисунок В.6 а) Приложения В].
5.6.3. Усилие, необходимое для вывода засова (засова-защелки) из запорной планки, прикладываемое к управляющему элементу устройства "Антипаника" типа B для дверей аварийных выходов, не должно превышать 150 Н [см. рисунок В.6 б) Приложения В].
5.6.4. Усилие, необходимое для вывода засова (засова-защелки) из запорной планки, прикладываемое к управляющему элементу устройства "Антипаника" типа A для дверей эвакуационных выходов, находящихся под давлением 1000 Н, не должно превышать 220 Н (см. рисунок В.7 Приложения В).
5.6.5. Усилие, необходимое для повторного закрывания двери эвакуационного (аварийного) выхода при наличии в устройстве "Антипаника" автоматического повторно-запирающего устройства, не должно превышать 50 Н.
5.7. Требования к материалам и комплектующим изделиям
5.7.1. Для изготовления устройств "Антипаника" должны применяться материалы (металлы, сплавы, полимерные и др.), изготовленные по нормативным документам (далее - НД), утвержденным в установленном порядке.
5.7.2. Материалы, применяемые для изготовления устройств "Антипаника", и комплектующие изделия к ним должны быть стойкими к климатическим воздействиям.
Комплектующие изделия, изготовленные из металла, должны иметь защитное и защитно-декоративное покрытие.
5.7.3. Требования к защитным и защитно-декоративным покрытиям - по ГОСТ 538.
5.7.4. Защитные и защитно-декоративные покрытия должны быть коррозионно-стойкими.
5.7.4.1. Устройства "Антипаника" для внутренних дверных блоков испытывают на коррозионную стойкость покрытия в течение 96 ч. После испытаний устройства "Антипаника" должны сохранять работоспособность.
5.7.4.2. Устройства "Антипаника" для наружных дверных блоков испытывают на коррозионную стойкость покрытия в течение 240 ч. После испытаний устройства "Антипаника" должны сохранять работоспособность.
5.7.4.3. Крепление устройств и их элементов к полотнам и коробкам дверных блоков следует проводить самонарезающими винтами (шурупами), имеющими защитное и защитно-декоративное антикоррозионное покрытие.
5.8. Комплектность
5.8.1. Устройства "Антипаника" должны поставляться потребителю комплектно в соответствии с конструкторской документацией.
Рекомендуется включать в комплект поставки по согласованию с заказчиком шаблоны для установки элементов устройства "Антипаника".
5.8.2. К каждой партии устройств "Антипаника" должна прикладываться инструкция по монтажу, эксплуатации и техническому обслуживанию.
5.9. Маркировка и упаковка
Маркировка и упаковка устройств "Антипаника" - по ГОСТ 538.
Дополнительные требования к маркировке и упаковке (если необходимо) могут быть установлены в договоре на поставку.
6. Правила приемки
6.1. Приемку устройств "Антипаника" проводят в соответствии с требованиями настоящего стандарта, ГОСТ 538 и ГОСТ 5089.
Устройства "Антипаника" принимают партиями. При приемке на предприятии-изготовителе партией считают количество устройств "Антипаника" одного наименования, изготовленных в течение одной смены и оформленных одним документом о качестве. Партией считают также количество устройств "Антипаника" одной конструкции, изготовленных по одному заказу.
6.2. Качество устройств "Антипаника" на соответствие требованиям настоящего стандарта подтверждают:
- входным контролем материалов и комплектующих изделий;
- операционным производственным контролем;
- приемочным контролем;
- периодическими и сертификационными испытаниями;
- типовыми и квалификационными испытаниями.
6.3. Порядок проведения входного и операционного производственного контроля на рабочих местах устанавливают в технологической документации предприятия-изготовителя.
6.4. Приемочный контроль каждой партии устройств "Антипаника" проводит служба качества предприятия-изготовителя.
6.5. Перечень показателей, определяемых при приемочном контроле, приведен в таблице 2.
Таблица 2
Перечень показателей, определяемых при приемочном контроле
и периодических испытаниях
Наименование показателя
Подраздел, пункт, подпункт настоящего стандарта
Вид испытаний
Испытания при приемочном контроле
Периодические испытания
Внешний вид
Сплошной контроль
-
Размеры и предельные отклонения размеров
Сплошной контроль
-
Комплектность. Маркировка и упаковка
Сплошной контроль
-
Требования к конструкции
-
Один раз в два года
Надежность (безотказность)
-
Один раз в два года
Прочность (сопротивление статическим нагрузкам)
-
Один раз в два года
Эксплуатационные показатели
-
Один раз в два года
Эргономические показатели
-
Один раз в два года
Коррозионная стойкость покрытий
-
Один раз в два года
6.6. Периодические испытания
6.6.1. Периодические испытания проводят в испытательных центрах (лабораториях), аккредитованных на право проведения испытаний устройств "Антипаника".
6.6.2. Периодические испытания устройств "Антипаника" проводят на двух образцах, прошедших приемочный контроль.
На одном из образцов проверяют требования к конструкции и проводят испытания на надежность (безотказность), прочность (сопротивление статическим нагрузкам) и оценку эргономических показателей. Второй образец используют для проведения испытаний на коррозионную стойкость.
6.6.3. В случае отрицательного результата испытаний хотя бы по одному показателю хотя бы одного образца проводят повторные испытания удвоенного числа образцов по показателю, имевшему отрицательный результат.
6.6.4. При неудовлетворительных результатах повторных испытаний считают, что образцы не выдержали периодических испытаний.
6.7. Сертификационные испытания устройств "Антипаника" рекомендуется проводить в объеме периодических испытаний.
Сертификационные испытания проводят в испытательных центрах (лабораториях), аккредитованных на право проведения испытаний устройств "Антипаника".
6.8. Типовые испытания устройств "Антипаника" проводят после внесения изменений в конструкцию, материалы или технологию изготовления для оценки эффективности и целесообразности внесения изменений.
Объем типовых испытаний определяют характером внесенных изменений.
6.9. Квалификационные испытания устройств "Антипаника" проводят по всем показателям при постановке продукции на производство.
6.10. Каждая партия устройств "Антипаника" должна сопровождаться документом о качестве. Состав документа о качестве - по ГОСТ 538.
6.11. Приемка устройств "Антипаника" потребителем не освобождает изготовителя от ответственности при обнаружении скрытых дефектов, приведших к нарушению эксплуатационных характеристик устройств "Антипаника" в течение гарантийного срока.
7. Методы испытаний
7.1. Соответствие материалов и комплектующих изделий устройств "Антипаника" требованиям НД устанавливают сравнением показателей, указанных в сопроводительных документах к ним, с требованиями НД на материалы и комплектующие изделия.
7.2. Размеры устройств "Антипаника" и предельные отклонения размеров определяют штангенциркулем по ГОСТ 166, микрометрами по ГОСТ 6507, угломером по ГОСТ 5378, а также используют программные методы контроля технологического процесса предприятий-изготовителей.
7.3. Внешний вид устройств "Антипаника" проверяют визуально на соответствие образцу-эталону. Комплектность, наличие маркировки, упаковку проверяют визуально.
Качество защитных и защитно-декоративных покрытий проверяют по ГОСТ 538; адгезию покрытий - по ГОСТ 15140; коррозионную стойкость покрытий - по ГОСТ 9.308 и ГОСТ 9.401.
7.4. Испытания устройств "Антипаника" на безотказность, сопротивление статическим нагрузкам и определение эксплуатационных показателей
7.4.1. Требования к испытательному оборудованию
Стенды для испытаний устройств "Антипаника" должны быть укомплектованы дверным блоком с полотном высотой 2100 мм, шириной 1100 мм.
На полотне дверного блока должна быть предусмотрена возможность прикрепления груза для увеличения массы полотна до 100 или 200 кг.
Размеры каждого полотна двупольного дверного блока должны быть: по высоте - 2100 мм, ширине - 1100 мм; масса каждого полотна должна быть 100 или 200 кг.
7.4.1.1. Дверной блок должен быть закреплен так, чтобы любая деформация, возникшая во время проведения испытаний, не повлияла на работоспособность установленного устройства "Антипаника".
Установка и закрепление устройства "Антипаника" на дверном блоке должны проводиться в положении, соответствующем условиям эксплуатации и исключающем его перемещение при испытаниях.
7.4.1.2. Погрешность измерений при испытаниях не должна превышать +/- 2%.
7.4.1.3. Стенд для испытаний на надежность (безотказность) должен предусматривать подсчет числа циклов наработки и автоматическое прекращение испытания при наступлении отказа.
7.4.2. Подготовка к испытаниям
7.4.2.1. Устройства "Антипаника" перед испытаниями подвергают визуальному осмотру и проверке работоспособности.
7.4.2.2. Если изготовитель рекомендует периодическое смазывание деталей устройства "Антипаника", то смазывание следует проводить через каждые 20000 циклов наработки на безотказность.
7.4.3. Проведение испытаний
7.4.3.1. Цикл испытания на соответствие устройств "Антипаника" требованиям 5.4.1 и 5.4.2 предусматривает открывание полотна дверного блока на угол 5° ... 10° приведением в действие управляющего элемента (штанги, ручки, пластины и т.п.) в его средней точке и возвращение испытуемого полотна дверного блока в закрытое положение в течение 3 - 6 с.
7.4.3.2. Испытание на соответствие требованию 5.5.1 проводят на дверном блоке в закрытом положении, прикладывая тянущую силу 500 Н перпендикулярно к поверхности полотна дверного блока в средней точке вертикальной тяги (см. рисунок В.1 Приложения В).
7.4.3.3. Испытание на соответствие требованию 5.5.2 проводят на дверном блоке в закрытом положении, прикладывая нагрузку 1000 Н последовательно в каждом из четырех направлений в трех точках вдоль штанги (в средней точке и точках на расстоянии 25 мм от концов штанги) (см. рисунок В.2 Приложения В).
7.4.3.4. Испытания на соответствие требованию 5.5.3 проводят на дверном блоке в закрытом положении, прикладывая силу в направлении открывания двери 1000 Н перпендикулярно к поверхности полотна дверного блока на расстоянии 25 мм от свободного конца ручки, выдерживают в течение не менее 1 мин, снимают эту нагрузку и затем последовательно прикладывают силу 500 Н параллельно поверхности полотна на расстоянии 25 мм от свободного конца ручки в обоих направлениях (см. рисунок В.3 Приложения В).
7.4.3.5. Испытание на соответствие требованию 5.5.4 проводят на дверном блоке в закрытом положении, прикладывая последовательно к ручке силу 1000 Н в шести направлениях (четыре параллельно и два перпендикулярно к поверхности полотна дверного блока) (см. рисунок В.4 Приложения В).
7.4.3.6. Испытания на соответствие требованию 5.5.5 проводят на дверном блоке в закрытом положении при подключенном номинальном электропитании. При этом следует нагрузить дополнительный электромеханический блокирующий механизм постоянно нарастающей силой, направленной перпендикулярно к полотну дверного блока в сторону открывания, создавая давление на дверное полотно в месте монтажа блокирующего устройства. Сила должна увеличиваться с шагом 200 Н/с. При достижении силы значения 1000 Н дополнительный блокирующий механизм следует обесточить, дверь должна немедленно открыться. Процедуру испытания повторяют 1000 раз.
7.4.3.7. Испытание на соответствие требованию 5.6.1 проводят на дверном блоке в закрытом положении. Усилие прикладывают последовательно в средней точке штанги и в точках на расстоянии 25 мм от концов штанги (см. рисунок В.5 Приложения В). Нагрузку при испытании следует прикладывать постепенно со средней скоростью 20 Н/с, начиная с нагрузки 30 Н до требуемого значения. Испытание повторяют три раза.
7.4.3.8. Испытания на соответствие требованиям 5.6.2 и 5.6.3 проводят на дверном блоке в закрытом положении. Усилие прикладывают непосредственно к управляющему элементу три раза (см. рисунок В.6 Приложения В).
7.4.3.9. Испытание на соответствие требованию 5.6.4 проводят на дверном блоке в закрытом положении, находящемся под давлением 1000 Н. Усилие прикладывают последовательно в средней точке штанги и в точках на расстоянии 25 мм от концов штанги (см. рисунок В.7 Приложения В). Испытание повторяют три раза.
7.4.4. При испытании на соответствие требованию 5.6.5 к дверному блоку, открытому на угол 5°, прикладывают силу 50 Н перпендикулярно к поверхности полотна дверного блока так, чтобы привести в закрытое положение дверной блок с устройством "Антипаника".
Примечание. Испытание проводят только для устройств "Антипаника" с автоматическим повторно-запирающим устройством.
7.5. Оценка результатов испытаний
Устройства "Антипаника" после проведения испытаний должны сохранять работоспособность без видимых повреждений.
Значения эксплуатационных показателей не должны превышать установленных в 5.6.
8. Транспортирование и хранение
8.1. Устройства "Антипаника" перевозят всеми видами транспорта в соответствии с правилами перевозки грузов, действующими на транспорте конкретного вида.
8.2. Устройства "Антипаника" при хранении и транспортировании должны быть защищены от воздействия атмосферных осадков и механических повреждений.
8.3. Условия хранения устройств "Антипаника" - по группе 2 ГОСТ 15150.
9. Указания по монтажу и эксплуатации
9.1. Монтаж устройств "Антипаника" следует проводить с учетом требований, предъявляемых к эвакуационным и аварийным выходам, в соответствии с инструкцией по монтажу, входящей в комплект поставки.
Монтаж устройств "Антипаника" следует проводить с применением специальных шаблонов.
9.2. Двери эвакуационных выходов должны всегда открываться по ходу эвакуации и быть снабжены замочными устройствами "Антипаника", открывающимися без ключа и других механизмов путем нажатия на штангу, расположенную по ширине полотна дверного блока, или на штангу-рейку.
Входные двери в здания, помещения, снабженные устройством "Антипаника", также могут рассматриваться как эвакуационные.
9.3. Двери аварийных выходов должны открываться по ходу движения из здания и должны быть заперты на механические, электромеханические, электронные и другие замочные изделия. Отпирание таких дверей должно быть обеспечено так, чтобы изнутри дверь могла быть разблокирована руками за два неповторяющихся действия без применения ключей или прочих вспомогательных средств. Электрически заблокированные дверные блоки должны открываться нажатием кнопки экстренного отпирания, находящейся в непосредственной близости от дверного блока на видном месте, и механически путем нажатия на ручку или пластину замочного устройства "Антипаника".
9.4. Смазку и регулировку устройств "Антипаника" в процессе эксплуатации (если необходимо) проводят в соответствии с инструкцией по эксплуатации, входящей в комплект поставки.
9.5. Эксплуатирующие организации должны обеспечивать обследование качества работы устройств "Антипаника" и их сервисное обслуживание специалистами, прошедшими соответствующую подготовку, либо по договору со специализированными организациями.
10. Гарантии изготовителя
10.1. Предприятие-изготовитель гарантирует соответствие устройств "Антипаника" требованиям настоящего стандарта при условии соблюдения потребителем правил транспортирования, хранения, монтажа и эксплуатации, а также при наличии единой маркировки товарного знака предприятия-изготовителя на всех деталях устройств "Антипаника", поставляемых на рынок как целое изделие или как набор отдельных деталей.
10.2. Гарантийный срок эксплуатации устройств "Антипаника" - не менее 24 мес со дня ввода в эксплуатацию.
Приложение А
(рекомендуемое)
ПРИМЕРЫ УСТРОЙСТВ "АНТИПАНИКА" ДЛЯ ДВЕРЕЙ ЭВАКУАЦИОННЫХ
И АВАРИЙНЫХ ВЫХОДОВ
Рисунок А.1. Примеры устройства "Антипаника" для дверей
эвакуационных выходов, управляемого штангой
Рисунок А.2. Пример устройства "Антипаника" для дверей
эвакуационных выходов, управляемого штангой-рейкой
Рисунок А.3. Пример устройства "Антипаника",
управляемого штангой, с запиранием дверей эвакуационных
выходов в трех точках
Рисунок А.4. Пример замка электромеханического безключевого
устройства "Антипаника" для дверей эвакуационных выходов
Рисунок А.5. Пример замка электромеханического безключевого
устройства "Антипаника" для дверей эвакуационных выходов
из алюминиевых и поливинилхлоридных профилей
Рисунок А.6. Пример замка электромеханического устройства
"Антипаника" для дверей аварийных выходов
Рисунок А.7. Пример запорной планки
с блокирующим устройством электромеханического замка
устройства "Антипаника" для дверей аварийных выходов
Приложение Б
(справочное)
СХЕМЫ И ПРИМЕРЫ ФУНКЦИОНИРОВАНИЯ МЕХАНИЧЕСКИ
И ЭЛЕКТРИЧЕСКИ УПРАВЛЯЕМЫХ УСТРОЙСТВ "АНТИПАНИКА"
ДЛЯ ДВЕРЕЙ ЭВАКУАЦИОННЫХ И АВАРИЙНЫХ ВЫХОДОВ
Рисунок Б.1. Схема функционирования электрически
управляемого устройства "Антипаника" для дверей
эвакуационных и аварийных выходов
Рисунок Б.2. Схема функционирования электрически
управляемого устройства "Антипаника" с расширенными
функциональными возможностями для дверей
эвакуационных выходов
Рисунок Б.3. Пример механически управляемого устройства
"Антипаника" для дверей аварийных выходов
Рисунок Б.4. Пример электрически управляемого устройства
"Антипаника" для дверей эвакуационных выходов
Рисунок Б.5. Пример механически управляемого устройства
"Антипаника" для дверей аварийных выходов
Приложение В
(рекомендуемое)
СХЕМЫ ПРИЛОЖЕНИЯ НАГРУЗОК
Рисунок В.1. Схема приложения статической нагрузки к тягам
устройства "Антипаника" для дверей эвакуационных
и аварийных выходов
Рисунок В.2. Схема приложения статических нагрузок
к управляющему элементу устройства "Антипаника" типа A
для дверей эвакуационных выходов
Рисунок В.3. Схема приложения статических нагрузок
к управляющему элементу устройства "Антипаника" типа A
для дверей аварийных выходов
Рисунок В.4. Схема приложения статических нагрузок
к управляющему элементу устройства "Антипаника" типа B
для дверей аварийных выходов
Рисунок В.5. Схема приложения усилия к управляющему
элементу для вывода засова из запорной планки устройства
"Антипаника" типа A для дверей эвакуационных выходов
а) Устройство типа A
б) Устройство типа B
Рисунок В.6. Схемы приложения усилия к управляющему
элементу для вывода засова из запорной планки устройства
"Антипаника" для дверей аварийных выходов
Рисунок В.7. Схема приложения усилия к управляющему
элементу для вывода засова из запорной планки устройства
"Антипаника" типа A для дверей эвакуационных выходов
(дверь находится под давлением)
БИБЛИОГРАФИЯ
[1]
Системы противопожарной защиты. Эвакуационные пути и выходы
[2]
Системы противопожарной защиты. Система оповещения и управления эвакуацией людей при пожаре. Требования по пожарной безопасности
[3]
Правила устройства электроустановок (ПУЭ).