Главная // Актуальные документы // ГОСТ (Государственный стандарт)СПРАВКА
Источник публикации
М.: Стандартинформ, 2016
Примечание к документу
Документ
введен в действие с 1 мая 2017 года.
Название документа
"ГОСТ 8717-2016. Межгосударственный стандарт. Ступени бетонные и железобетонные. Технические условия"
(введен в действие Приказом Росстандарта от 11.11.2016 N 1681-ст)
"ГОСТ 8717-2016. Межгосударственный стандарт. Ступени бетонные и железобетонные. Технические условия"
(введен в действие Приказом Росстандарта от 11.11.2016 N 1681-ст)
агентства по техническому
регулированию и метрологии
от 11 ноября 2016 г. N 1681-ст
МЕЖГОСУДАРСТВЕННЫЙ СТАНДАРТ
СТУПЕНИ БЕТОННЫЕ И ЖЕЛЕЗОБЕТОННЫЕ
ТЕХНИЧЕСКИЕ УСЛОВИЯ
Reinforced concrete and concrete steps. Specifications
ГОСТ 8717-2016
Дата введения
1 мая 2017 года
Цели, основные принципы и основной порядок проведения работ по межгосударственной стандартизации установлены
ГОСТ 1.0-2015 "Межгосударственная система стандартизации. Основные положения" и
ГОСТ 1.2-2015 "Межгосударственная система стандартизации. Стандарты межгосударственные, правила и рекомендации по межгосударственной стандартизации. Правила разработки, принятия, обновления и отмены"
1 РАЗРАБОТАН Акционерным обществом "ЦНИИЭП жилища - институт комплексного проектирования жилых и общественных зданий" (АО "ЦНИИЭП жилища")
2 ВНЕСЕН Техническим комитетом по стандартизации ТК 465 "Строительство"
3 ПРИНЯТ Межгосударственным советом по стандартизации, метрологии и сертификации (протокол от 31 августа 2016 г. N 90-П)
За принятие проголосовали:
Краткое наименование страны по МК (ИСО 3166) 004-97 | Код страны по МК (ИСО 3166) 004-97 | Сокращенное наименование национального органа по стандартизации |
Армения | AM | Минэкономики Республики Армения |
Киргизия | KG | Кыргызстандарт |
Россия | RU | Росстандарт |
4
Приказом Федерального агентства по техническому регулированию и метрологии от 11 ноября 2016 г. N 1681-ст межгосударственный стандарт ГОСТ 8717-2016 введен в действие в качестве национального стандарта Российской Федерации с 1 мая 2017 г.
Информация об изменениях к настоящему стандарту публикуется в ежегодном информационном указателе "Национальные стандарты", а текст изменений и поправок - в ежемесячном информационном указателе "Национальные стандарты". В случае пересмотра (замены) или отмены настоящего стандарта соответствующее уведомление будет опубликовано в ежемесячном информационном указателе "Национальные стандарты". Соответствующая информация, уведомление и тексты размещаются также в информационной системе общего пользования - на официальном сайте Федерального агентства по техническому регулированию и метрологии в сети Интернет (www.gost.ru)
Настоящий стандарт устанавливает типы, основные параметры и размеры железобетонных ступеней, общие технические требования к ним, конструкции ступеней, арматурные и закладные изделия к ним.
Настоящий стандарт распространяется на железобетонные, бетонные ступени, изготовленные из тяжелого и плотного силикатного бетонов и предназначенные для устройства внутренних и наружных лестниц зданий и сооружений.
Бетонные ступени предназначены для устройства лестниц по сплошному основанию. Ступени применяют:
- для отапливаемых зданий и сооружений;
- для неотапливаемых зданий и сооружений и на открытом воздухе при расчетной температуре наружного воздуха (средней температуре наиболее холодной пятидневки района строительства согласно нормативным документам <*> и технической документации) до минус 40 °C включительно;
- при неагрессивной степени воздействия среды на железобетонные конструкции.
--------------------------------
<*> В Российской Федерации действует
СП 131.13330.2012 "СНиП 23-01-99* Строительная климатология" (с изменением N 2).
Допускается применять ступени в зданиях и сооружениях с расчетной сейсмичностью до 9 баллов включительно, в неотапливаемых зданиях и сооружениях и на открытом воздухе при расчетной температуре наружного воздуха ниже минус 40 °C, а также в условиях воздействия агрессивной среды при соблюдении дополнительных требований, установленных нормативными документами <**> и технической документацией и указанных в заказе на изготовление ступеней.
--------------------------------
<**> В Российской Федерации действуют
СП 14.13330.2014 "СНиП II-7-81* Строительство в сейсмических районах" (с изменением N 1),
СП 63.13330.2012 "СНиП 52-01-2003 Бетонные и железобетонные конструкции. Основные положения" (с изменением N 2),
СП 28.13330.2012 "СНиП 2.03.11-85 Защита строительных конструкций от коррозии" (с изменением N 1), СП 95.13330.2011 "СНиП 2.03.02-86 Бетонные и железобетонные конструкции из плотного силикатного бетона".
Показатели технического уровня, установленные настоящим стандартом, предусмотрены для ступеней высшей и первой категорий качества.
В настоящем стандарте использованы нормативные ссылки на следующие межгосударственные стандарты:
ГОСТ 103-2006 Прокат сортовой стальной горячекатаный полосовой. Сортамент
ГОСТ 5264-80 Ручная дуговая сварка. Соединения сварные. Основные типы, конструктивные элементы и размеры
ГОСТ 5781-82 Сталь горячекатаная для армирования железобетонных конструкций. Технические условия
ГОСТ 6727-80 Проволока из низкоуглеродистой стали холоднотянутая для армирования железобетонных конструкций. Технические условия
ГОСТ 8829-94 Изделия строительные железобетонные и бетонные заводского изготовления. Методы испытаний нагружением. Правила оценки прочности, жесткости и трещиностойкости
ГОСТ 10180-2012 Бетоны. Методы определения прочности по контрольным образцам
ГОСТ 10922-2012 Арматурные и закладные изделия, их сварные, вязаные и механические соединения для железобетонных конструкций. Общие технические условия
ГОСТ 12730.0-78 Бетоны. Общие требования к методам определения плотности, влажности, водопоглощения, пористости и водонепроницаемости
ГОСТ 13015-2012 Изделия бетонные и железобетонные для строительства. Общие технические требования. Правила приемки, маркировки, транспортирования и хранения
ГОСТ 14098-2014 Соединения сварные арматуры и закладных изделий железобетонных конструкций. Типы, конструкции и размеры
ГОСТ 22690-2015 Бетоны. Определение прочности механическими методами неразрушающего контроля
| | ИС МЕГАНОРМ: примечание. В официальном тексте документа, видимо, допущена опечатка: стандарт имеет номер ГОСТ 23009-2016, а не ГОСТ 23009-2015. | |
ГОСТ 23009-2015 Конструкции и изделия бетонные и железобетонные сборные. Условные обозначения (марки)
ГОСТ 23858-79 Соединения сварные стыковые и тавровые арматуры железобетонных конструкций. Ультразвуковые методы контроля качества. Правила приемки
ГОСТ 26134-84 Бетоны. Ультразвуковой метод определения морозостойкости
Примечание - При пользовании настоящим стандартом целесообразно проверить действие ссылочных стандартов в информационной системе общего пользования - на официальном сайте Федерального агентства по техническому регулированию и метрологии в сети Интернет или по ежегодному информационному указателю "Национальные стандарты", который опубликован по состоянию на 1 января текущего года, и по выпускам ежемесячного информационного указателя "Национальные стандарты" за текущий год. Если ссылочный стандарт заменен (изменен), то при пользовании настоящим стандартом следует руководствоваться заменяющим (измененным) стандартом. Если ссылочный стандарт отменен без замены, то положение, в котором дана ссылка на него, применяется в части, не затрагивающей эту ссылку.
В настоящем стандарте применены следующие термины с соответствующими определениями:
3.1 ступень: Опорно-несущий элемент лестничного марша, имеющий основные поверхности: верхнюю горизонтальную, наклонно-вертикальную и торцевые вертикальные. На лестничную ступень ступают при подъеме или спуске.
3.2 лестничный марш: Наклонная часть лестницы, связывающая между собой этажные и межэтажные площадки и состоящая из несущих балок и ряда ступеней.
4. Типы, основные параметры и размеры
4.1 Ступени в зависимости от их формы и расположения в лестничном марше подразделяют на следующие типы:
ЛС - основная;
ЛСВ - верхняя фризовая;
ЛСП - площадочный вкладыш;
ЛСН - нижняя фризовая;
ЛСС - плоская для сквозных маршей.
Схемы расположения ступеней в лестничном марше приведены в
приложении А настоящего стандарта.
4.2 Форма и размеры ступеней, а также их показатели материалоемкости (расход бетона и стали) должны соответствовать указанным на
рисунках 1,
2 и в
таблице 1.
1 - "постель"; 2 - "хвост"
Рисунок 1 - Ступени типоразмеров ЛС, ЛСВ, ЛСП, ЛСН
Примечание - Размеры в скобках относятся к ступеням для лестниц с уклоном 1:1,5.
Рисунок 2 - Ступени типоразмеров ЛСС 12, ЛСС 15 и ЛСС 24
Марка ступени | Основные размеры ступени, мм | Расход материалов (справочный) | Масса ступени (справочная), кг |
l | H | b | Бетон, м3 | Сталь, кг |
ЛС 11-Б | 1050 | 145 | 330 | 0,046 | 0,28 ------ - | 111 |
ЛС 11-ЛБ | 87 |
ЛС 11-СБ | 85 |
ЛС 12-Б | 1200 | 0,053 | 0,28 ------- - | 128 |
ЛС 12-ЛБ | 100 |
ЛС 12-СБ | 98 |
ЛС 14-Б | 1350 | 0,060 | 0,28 ------- - | 145 |
ЛС 14-ЛБ | 114 |
ЛС 14-СБ | 111 |
ЛС 15-Б | 1500 | 0,066 | 0,28 ------- - | 159 |
ЛС 15-ЛБ | 125 |
ЛС 15-СБ | 122 |
ЛС 9.17-Б | 900 | 168 | 290 | 0,040 | 0,28 ------ - | 96 |
ЛС 9.17-ЛБ | 76 |
ЛС 9.17-СБ | 74 |
ЛС 11.17-Б | 1050 | 0,046 | 0,28 ------- - | 111 |
ЛС 11.17-ЛБ | 87 |
ЛС 11.17-СБ | 85 |
ЛС 12.17-Б | 1200 | 0,053 | 0,28 ------- - | 128 |
ЛС 12.17-ЛБ | 100 |
ЛС 12.17-СБ | 98 |
ЛС 11-Б-1 | 1050 | 145 | 330 | 0,046 | 0,65 ------- 0,37 | 111 |
ЛС 11-ЛБ-1 | 88 |
ЛС 11-СБ-1 | 85 |
ЛС 12-Б-1 | 1200 | 0,053 | 0,65 ------- 0,37 | 128 |
ЛС 12-ЛБ-1 | 101 |
ЛС 12-СБ-1 | 98 |
ЛС 14-Б-1 | 1350 | 0,060 | 1,07 ------- 0,79 | 145 |
ЛС 14-ЛБ-1 | 115 |
ЛС 14-СБ-1 | 111 |
ЛС 15-Б-1 | 1500 | 0,066 | 1,07 ------- 0,79 | 160 |
ЛС 15-ЛБ-1 | 126 |
ЛС 15-СБ-1 | 122 |
ЛС 9.17-Б-1 | 900 | 168 | 290 | 0,040 | 0,65 ------- 0,37 | 97 |
ЛС 9.17-ЛБ-1 | 76 |
ЛС 9.17-СБ-1 | 74 |
ЛС 11.17-Б-1 | 1050 | 0,046 | 0,65 ------- 0,37 | 111 |
ЛС 11.17-ЛБ-1 | 88 |
ЛС 11.17-СБ-1 | 85 |
ЛС 12.17-Б-1 | 1200 | 0,053 | 0,65 ------- 0,37 | 128 |
ЛС 12.17-ЛБ-1 | 102 |
ЛС 12.17-СБ-1 | 98 |
ЛС 11 | 1050 | 145 | 330 | 0,046 | 0,65 ------- 0,37 | 111 |
ЛС 11-Ш |
ЛС 11-Л | 88 |
ЛС 11-Л-Ш |
ЛС 11-С | 85 |
ЛС 11-С-Ш |
ЛС 12 | 1200 | 145 | 330 | 0,053 | 0,69 ------- 0,41 | 128 |
ЛС 12-Ш |
ЛС 12-Л | 101 |
ЛС 12-Л-Ш |
ЛС 12-С | 98 |
ЛС 12-С-Ш |
ЛС 14 | 1350 | 0,060 | 0,75 ------- 0,47 | 145 |
ЛС 14-Ш |
ЛС 14-Л | 115 |
ЛС 14-Л-Ш |
ЛС 14-С | 111 |
ЛС 14-С-Ш |
ЛС 15 | 1500 | 0,066 | 0,80 ------- 0,52 | 160 |
ЛС 15-Г |
ЛС 15-Ш |
ЛС 15-Л | 125 |
ЛС 15-Л-Г |
ЛС 15-Л-Ш |
ЛС 15-С | 122 |
ЛС 15-С-Г |
ЛС 15-С-Ш |
ЛС 17 | 1650 | 0,072 | 0,86 ------- 0,58 | 174 |
ЛС 17-Г |
ЛС 17-Ш |
ЛС 17-Л | 137 |
ЛС 17-Л-Г |
ЛС 17-Л-Ш |
ЛС 17-С | 133 |
ЛС 17-С-Г |
ЛС 17-С-Ш |
ЛС 23 | 2250 | 0,100 | 1,74 ------- 1,14 | 242 |
ЛС 23-Г |
ЛС 23-Ш |
ЛС 23-Л | 191 |
ЛС 23-Л-Г |
ЛС 23-Л-Ш |
ЛС 23-С | 185 |
ЛС 23-С-Г |
ЛС 23-С-Ш |
ЛС 9.17 | 900 | 168 | 290 | 0,040 | 0,60 ------- 0,32 | 97 |
ЛС 9.17-Л | 76 |
ЛС 9.17-С | 74 |
ЛС 11.17 | 1050 | 0,046 | 0,65 ------- 0,37 | 111 |
ЛС 11.17-Л | 88 |
ЛС 11.17-С | 85 |
ЛС 12.17 | 1200 | 0,053 | 0,69 ------- 0,41 | 128 |
ЛС 12.17-Л | 101 |
ЛС 12.17-С | 98 |
ЛС 11-1 | 1050 | 145 | 330 | 0,046 | 1,02 ------- 0,74 | 111 |
ЛС 11-1Ш |
ЛС 11-Л-1 | 88 |
ЛС 11-Л-1Ш |
ЛС 11-С-1 | 85 |
ЛС 11-С-1Ш |
ЛС 12-1 | 1200 | 0,053 | 1,06 ------- 0,78 | 128 |
ЛС 12-1Ш |
ЛС 12-Л-1 | 101 |
ЛС 12-Л-1Ш |
ЛС 12-С-1 | 98 |
ЛС 12-С-1Ш |
ЛС 14-1 | 1350 | 0,060 | 1,54 ------- 1,26 | 145 |
ЛС 14-1Ш |
ЛС 14-Л-1 | 115 |
ЛС 14-Л-1Ш |
ЛС 14-С-1 | 112 |
ЛС 14-С-1Ш |
ЛС 15-1 | 1500 | 0,066 | 1,59 ------- 1,31 | 160 |
ЛС 15-1Г |
ЛС 15-1Ш |
ЛС 15-Л-1 | 126 |
ЛС 15-Л-1Г |
ЛС 15-Л-1Ш |
ЛС 15-С-1 | 123 |
ЛС 15-С-1Г |
ЛС 15-С-1Ш |
ЛС 17-1 | 1650 | 0,072 | 1,65 ------- 1,37 | 174 |
ЛС 17-1Г |
ЛС 17-1Ш |
ЛС 17-Л-1 | 138 |
ЛС 17-Л-1Г |
ЛС 17-Л-1Ш |
ЛС 17-С-1 | 135 |
ЛС 17-С-1Г |
ЛС 17-С-1Ш |
ЛС 23-1 | 2250 | 0,10 | 2,53 ------- 1,93 | 243 |
ЛС 23-1Г |
ЛС 23-1Ш |
ЛС 23-Л-1 | 192 |
ЛС 23-Л-1Г |
ЛС 23-Л-1Ш |
ЛС 23-С-1 | 186 |
ЛС 23-С-1Г |
ЛС 23-С-1Ш |
ЛС 9.17-1 | 900 | 168 | 290 | 0,040 | 0,97 ------- 0,69 | 97 |
ЛС 9.17-Л-1 | 77 |
ЛС 9.17-С-1 | 75 |
ЛС 11.17-1 | 1050 | 0,046 | 1,02 ------- 0,74 | 111 |
ЛС 11.17-Л-1 | 88 |
ЛС 11.17-С-1 | 85 |
ЛС 12.17-1 | 1200 | 0,053 | 1,06 ------- 0,78 | 128 |
ЛС 12.17-Л-1 | 101 |
ЛС 12.17-С-1 | 98 |
ЛСВ 11 | 1160 | 145 | 260 | 0,036 | 0,76 ------- 0,48 | 87 |
ЛСВ 11-Ш |
ЛСВ 11-Л | 69 |
ЛСВ 11-Л-Ш |
ЛСВ 11-С | 67 |
ЛСВ 11-С-Ш |
ЛСВ 12 | 1310 | 0,041 | 0,82 ------- 0,54 | 99 |
ЛСВ 12-Ш |
ЛСВ 12-Л | 78 |
ЛСВ 12-Л-Ш |
ЛСВ 12-С | 76 |
ЛСВ 12-С-Ш |
ЛСВ 14 | 1460 | 0,046 | 0,89 ------- 0,61 | 111 |
ЛСВ 14-Ш |
ЛСВ 14-Л | 88 |
ЛСВ 14-Л-Ш |
ЛСВ 14-С | 86 |
ЛСВ 14-С-Ш |
ЛСВ 15 | 1610 | 0,050 | 0,94 ------- 0,66 | 121 |
ЛСВ 15-Г |
ЛСВ 15-Ш |
ЛСВ 15-Л | 96 |
ЛСВ 15-Л-Г |
ЛСВ 15-Л-Ш |
ЛСВ 15-С | 93 |
ЛСВ 15-С-Г |
ЛСВ 15-С-Ш |
ЛСВ 17 | 1760 | 0,055 | 1,00 ------ 0,72 | 133 |
ЛСВ 17-Г |
ЛСВ 17-Ш |
ЛСВ 17-Л | 105 |
ЛСВ 17-Л-Г |
ЛСВ 17-Л-Ш |
ЛСВ 17-С | 102 |
ЛСВ 17-С-Г |
ЛСВ 17-С-Ш |
ЛСВ 23 | 2360 | 145 | 260 | 0,074 | 1,26 ------- 0,98 | 179 |
ЛСВ 23-Г |
ЛСВ 23-Ш |
ЛСВ 23-Л | 141 |
ЛСВ 23-Л-Г |
ЛСВ 23-Л-Ш |
ЛСВ 23-С | 137 |
ЛСВ 23-С-Г |
ЛСВ 23-С-Ш |
ЛСВ 9.17 | 1010 | 168 | 0,035 | 0,68 ------ 0,40 | 8 |
ЛСВ 9.17-Л | 67 |
ЛСВ 9.17-С | 65 |
ЛСВ 11.17 | 1160 | 0,040 | 0,76 ------- 0,48 | 97 |
ЛСВ 11.17-Л | 76 |
ЛСВ 11.17-С | 74 |
ЛСВ 12.17 | 1310 | 0,045 | 0,82 ------- 0,54 | 109 |
ЛСВ 12.17-Л | 86 |
ЛСВ 12.17-С | 83 |
ЛСП 11 | 1050 | 145 | 0,031 | 3,67 ------ 3,39 | 78 |
ЛСП 11-Ш |
ЛСП 11-Л | 62 |
ЛСП 11-Л-Ш |
ЛСП 11-С | 60 |
ЛСП 11-С-Ш |
ЛСП 12 | 1200 | 0,035 | 3,71 ------- 3,43 | 88 |
ЛСП 12-Ш |
ЛСП 12-Л | 70 |
ЛСП 12-Л-Ш |
ЛСП 12-С | 68 |
ЛСП 12-С-Ш |
ЛСП 14 | 1350 | 0,040 | 3,79 ------- 3,51 | 100 |
ЛСП 14-Ш |
ЛСП 14-Л | 79 |
ЛСП 14-Л-Ш |
ЛСП 14-С | 77 |
ЛСП 14-С-Ш |
ЛСП 15 | 1500 | 0,044 | 3,86 ------- 3,58 | 109 |
ЛСП 15-Г |
ЛСП 15-Ш |
ЛСП 15-Л | 87 |
ЛСП 15-Л-Г |
ЛСП 15-Л-Ш |
ЛСП 15-С | 85 |
ЛСП 15-С-Г |
ЛСП 15-С-Ш |
ЛСП 17 | 1650 | 145 | 260 | 0,048 | 3,91 ------- 3,63 | 119 |
ЛСП 17-Г |
ЛСП 17-Ш |
ЛСП 17-Л | 95 |
ЛСП 17-Л-Г |
ЛСП 17-Л-Ш |
ЛСП 17-С | 92 |
ЛСП 17-С-Г |
ЛСП 17-С-Ш |
ЛСП 23 | 2250 | 0,066 | 5,64 ------- 5,36 | 164 |
ЛСП 23-Г |
ЛСП 23-Ш |
ЛСП 23-Л | 130 |
ЛСП 23-Л-Г |
ЛСП 23-Л-Ш |
ЛСП 23-С | 126 |
ЛСП 23-С-Г |
ЛСП 23-С-Ш |
ЛСП 9.17 | 900 | 168 | 0,030 | 3,60 ------- 3,32 | 75 |
ЛСП 9.17-Л | 60 |
ЛСП 9.17-С | 58 |
ЛСП 11.17 | 1050 | 0,034 | 3,67 ------- 3,39 | 85 |
ЛСП 11.17-Л | 68 |
ЛСП 11.17-С | 66 |
ЛСП 12.17 | 1200 | 0,039 | 3,71 ------- 3,43 | 97 |
ЛСП 12.17-Л | 77 |
ЛСП 12.17-С | 75 |
ЛСН 11 | 1050 | 125 | 290 | 0,024 | 0,76 ------- 0,48 | 59 |
ЛСН 11-Ш |
ЛСН 11-Л | 46 |
ЛСН 11-Л-Ш |
ЛСН 11-С | 45 |
ЛСН 11-С-Ш |
ЛСН 12 | 1200 | 0,027 | 0,80 ------- 0,52 | 66 |
ЛСН 12-Ш |
ЛСН 12-Л | 52 |
ЛСН 12-Л-Ш |
ЛСН 12-С | 50 |
ЛСН 12-С-Ш |
ЛСН 14 | 1350 | 0,031 | 0,89 ------- 0,61 | 75 |
ЛСН 14-Ш |
ЛСН 14-Л | 60 |
ЛСН 14-Л-Ш |
ЛСН 14-С | 58 |
ЛСН 14-С-Ш |
ЛСН 15 | 1500 | 125 | 290 | 0,034 | 0,96 ------ 0,68 | 83 |
ЛСН 15-Г |
ЛСН 15-Ш |
ЛСН 15-Л | 65 |
ЛСН 15-Л-Г |
ЛСН 15-Л-Ш |
ЛСН 15-С | 64 |
ЛСН 15-С-Г |
ЛСН 15-С-Ш |
ЛСН 17 | 1650 | 0,038 | 1,02 ------- 0,74 | 92 |
ЛСН 17-Г |
ЛСН 17-Ш |
ЛСН 17-Л | 73 |
ЛСН 17-Л-Г |
ЛСН 17-Л-Ш |
ЛСН 17-С | 71 |
ЛСН 17-С-Г |
ЛСН 17-С-Ш |
ЛСН 23 | 2250 | 0,051 | 1,29 ------- 1,01 | 124 |
ЛСН 23-Г |
ЛСН 23-Ш |
ЛСН 23-Л | 98 |
ЛСН 23-Л-Г |
ЛСН 23-Л-Ш |
ЛСН 23-С | 95 |
ЛСН 23-С-Г |
ЛСН 23-С-Ш |
ЛСН 9.14 | 900 | 143 | 0,022 | 0,69 ------- 0,41 | 54 |
ЛСН 9.14-Л | 42 |
ЛСН 9.14-С | 41 |
ЛСН 11.14 | 1050 | 0,025 | 0,76 ------- 0,48 | 61 |
ЛСН 11.14-Л | 48 |
ЛСН 11.14-С | 47 |
ЛСН 12.14 | 1200 | 0,029 | 0,80 ------- 0,52 | 70 |
ЛСН 12.14-Л | 56 |
ЛСН 12.14-С | 54 |
ЛСС 12 | 1180 | 100 | 330 | 0,034 | 4,08 ------- 3,80 | 86 |
ЛСС 12-Г |
ЛСС 12-Ш |
ЛСС 12-Л | 68 |
ЛСС 12-Л-Г |
ЛСС 12-Л-Ш |
ЛСС 12-С | 57 |
ЛСС 12-С-Г |
ЛСС 12-С-Ш |
ЛСС 15 | 1500 | 0,043 | 4,60 ------- 4,32 | 108 |
ЛСС 15-Г |
ЛСС 15-Ш |
ЛСС 15-Л | 1500 | 100 | 330 | 0,043 | 4,60 ------- 4,32 | 86 |
ЛСС 15-Л-Г |
ЛСС 15-Л-Ш |
ЛСС 15-С | 84 |
ЛСС 15-С-Г |
ЛСС 15-С-Ш |
ЛСС 12-1 | 1180 | 5,62 ------- 5,34 | 87 |
ЛСС 12-1Г |
ЛСС 12-1Ш |
ЛСС 12-Л-1 | 70 |
ЛСС 12-Л-1Г |
ЛСС 12-Л-1Ш |
ЛСС 12-С-1 | 68 |
ЛСС 12-С-1Г |
ЛСС 12-С-1Ш |
ЛСС 15-1 | 1500 | 0,043 | 6,14 ------- 5,86 | 109 |
ЛСС 15-1Г |
ЛСС 15-1Ш |
ЛСС 15-Л-1 | 87 |
ЛСС 15-Л-1Г |
ЛСС 15-Л-1Ш |
ЛСС 15-С-1 | 85 |
ЛСС 15-С-1Г |
ЛСС 15-С-1Ш |
ЛСС 24 | 2380 | 0,074 | 7,92 ------- 7,64 | 186 |
ЛСС 24-Г |
ЛСС 24-Ш |
ЛСС 24-Л | 148 |
ЛСС 24-Л-Г |
ЛСС 24-Л-Ш |
ЛСС 24-С | 144 |
ЛСС 24-С-Г |
ЛСС 24-С-Ш |
ЛСС 24-1 | 9,46 ------- 9,18 | 187 |
ЛСС 24-1Г |
ЛСС 24-1Ш |
ЛСС 24-Л-1 | 150 |
ЛСС 24-Л-1Г |
ЛСС 24-Л-1Ш |
ЛСС 24-С-1 | 145 |
ЛСС 24-С-1Г |
ЛСС 24-С-1Ш |
Примечания: 1 Марки ступеней в настоящей таблице даны без указания варианта исполнения ступеней (см. 4.6). 2 Ступени высотой 125 и 145 мм предназначены для лестниц с уклоном 1:2, а высотой 143 и 168 мм - с уклоном 1:1,5 (для подвальных, чердачных и других служебных лестниц). 3 Значения показателей расхода стали справочные и приведены для определения сметной стоимости изделия. 4 В числителе указан расход стали для ступени с монтажными петлями, в знаменателе - для ступени без монтажных петель. 5 В случае устройства в ступенях гнезд (вместо закладных деталей) для крепления ограждений или установки дополнительных закладных деталей (см. 4.5) расход стали на ступень, указанный в настоящей таблице, следует соответственно изменить. 6 Масса ступеней приведена для ступеней из тяжелого бетона средней плотностью 2400 кг/м3, из легкого и плотного силикатного бетонов - 1800 кг/м3. 7 Допускается изготовлять ступени размерами, отличными от указанных в настоящей таблице, на действующем оборудовании по согласованию между заказчиком и предприятием-изготовителем. |
4.3 Ступени изготовляют железобетонными.
Основные ступени - типа ЛС длиной до 1500 мм включительно для лестниц, устраиваемых по сплошному основанию, изготовляют бетонными.
4.4 Железобетонные ступени предназначены для применения в лестницах на расчетную кратковременную нагрузку (без учета собственного веса) до 6 кПа (600 кгс/м2).
4.5 Ступени изготовляют с закладными изделиями для крепления ограждений.
Ступени допускается изготовлять с гнездами (вместо закладных изделий) для крепления ограждений, если об этом указано в заказе на изготовление ступеней.
В плоских ступенях типа ЛСС устанавливают закладные изделия для крепления к косоурам шириной не менее 155 мм и не более 180 мм, при этом оси симметрии закладных изделий ступеней и косоуров должны совпадать.
В ступенях допускается установка дополнительных закладных изделий в соответствии с проектом конкретного здания или сооружения.
4.6 Ступени при необходимости изготовляют в двух вариантах исполнения: правом и левом - для лестниц с подъемом против хода и по ходу часовой стрелки соответственно.
4.7 Ступени изготовляют с монтажными петлями.
Изготовление ступеней без монтажных петель и применение для их подъема захватных устройств допускается по согласованию между изготовителем, потребителем и проектной организацией - автором проекта здания или сооружения.
4.8 Ступени из тяжелого и плотного силикатного бетонов изготовляют с декоративным конструкционным слоем бетона на верхней лицевой поверхности или без него.
Ступени из легкого бетона должны иметь верхний слой из тяжелого бетона толщиной не менее 15 мм или декоративный конструкционный слой либо покрытие из стойких к истиранию синтетических материалов.
4.9 Декоративный конструкционный слой ступеней должен иметь толщину не менее 15 мм и выполняться из тяжелого или плотного силикатного бетонов.
4.10 Ступени в зависимости от отделки верхних лицевых поверхностей изготовляют следующих видов:
- с гладкой поверхностью бетона на обычном цементе;
- с гладкой поверхностью декоративного конструкционного слоя на белом или цветном цементах;
- с шлифованной мозаичной поверхностью декоративного конструкционного слоя из бетона на обычном, белом или цветном цементах и на мраморном щебне.
Видимые нижние и торцевые поверхности ступеней предназначены под окраску.
4.11 Для повышения износостойкости и уменьшения скользкости ступеней допускается устройство отдельных вставок из фрикционных и стойких к истиранию материалов в виде полос, замоноличенных в ступень в процессе ее формования.
4.12 Конструкции ступеней, а также арматурных изделий и закладных деталей к ним приведены в
приложении Б настоящего стандарта.
4.13 Ступени следует обозначать марками в соответствии с требованиями
ГОСТ 23009. При установлении обозначений необходимо учитывать следующие положения.
Марка ступени состоит из буквенно-цифровых групп, разделенных дефисами.
Первая группа содержит обозначение типа ступени и габаритные размеры (значения которых округляют до целого числа) - длину ступени или ширину лестничного марша (для ступеней типа ЛСВ), а для ступеней высотой 168 или 143 мм - дополнительно и их высоту в сантиметрах.
Во второй группе указывают для ступеней, изготовляемых из легкого и плотного силикатного бетонов, вид бетона, обозначаемый соответственно прописными буквами Л и С; для бетонных основных ступеней (типа ЛС) - прописной буквой Б.
В третьей группе (или во второй группе в случае, если обозначения характеристик ступени, приведенные в этой группе марки, отсутствуют) указывают:
- наличие в ступени закладных изделий или гнезд (см.
4.5), обозначаемых арабскими цифрами:
1 - для ступеней с закладными изделиями по
приложению Б настоящего стандарта,
2, 3 и т.д. - для ступеней с дополнительными закладными изделиями или гнездами согласно проектной документации конкретного здания или сооружения;
- левое исполнение ступени (см.
4.6), обозначаемое строчной буквой "л";
- вид отделки верхней лицевой поверхности ступени (за исключением гладкой поверхности бетона на обычном цементе, которую в марке не указывают), обозначаемый прописной буквой Г при гладкой поверхности декоративного конструкционного слоя бетона на белом или цветном цементах, Ш - при шлифованной мозаичной поверхности;
- дополнительные характеристики, обеспечивающие долговечность ступеней в условиях эксплуатации. Например, М - для ступеней, применяемых в районах с расчетной температурой наружного воздуха ниже минус 40 °C;
- для ступеней, применяемых в условиях воздействия агрессивных сред, - характеристики степени плотности бетона. Например, П - повышенной плотности.
Пример условного обозначения (марки) ступени типа ЛС длиной 1500 мм, высотой 145 мм, изготовленной из тяжелого бетона, с закладными деталями для крепления ограждения, с гладкой поверхностью декоративного конструкционного слоя бетона на белом цементе, предназначенной для лестницы с подъемом по ходу часовой стрелки:
ЛС 15-1Гл
То же, ступени типа ЛС длиной 1200 мм, высотой 168 мм, изготовленной из тяжелого бетона, с гладкой верхней лицевой поверхностью бетона на обычном цементе:
ЛС 12.17
То же, ступени типа ЛСВ длиной 1310 мм, предназначенной для маршей шириной 1200 мм, высотой 145 мм, изготовленной из легкого бетона, с шлифованной мозаичной поверхностью декоративного конструкционного слоя бетона на цветном цементе и мраморном щебне:
ЛСВ 12-Л-Ш
Примечание - Допускается принимать обозначения марок ступеней в соответствии с рабочими чертежами конструкций до их пересмотра.
5. Технические требования
5.1 Ступени следует изготовлять в соответствии с требованиями настоящего стандарта и технологической документации, утвержденной в установленном порядке, по чертежам, приведенным в
приложении Б настоящего стандарта.
5.2 Ступени должны удовлетворять требованиям
ГОСТ 13015 по следующим параметрам:
- заводская готовность;
- прочность, жесткость и трещиностойкость;
- показатели фактической прочности бетона (в проектном возрасте, передаточной и отпускной);
- морозостойкость, водонепроницаемость и истираемость бетона;
- качество материалов, применяемых для приготовления бетона;
- бетон, а также материалы для приготовления бетона ступеней, применяемых в условиях воздействия агрессивных сред;
- качество арматурных и закладных изделий и их положение в ступени;
- марки сталей для арматурных изделий и закладных деталей, в том числе для монтажных петель;
- отклонение толщины защитного слоя бетона до арматуры;
- защита от коррозии;
- применение форм для изготовления ступеней.
5.3 Ступени следует изготовлять из бетона класса по прочности на сжатие:
B25 - ступени для наружных лестниц зданий и сооружений, а также ступени из тяжелого или плотного силикатного бетонов, предназначенные для внутренних лестниц жилых зданий высотой до пяти этажей;
B15 - ступени для остальных зданий и сооружений.
Верхний слой бетона ступеней из легкого бетона, а также декоративный конструкционный слой ступеней следует изготовлять из тяжелого или плотного силикатного бетонов класса по прочности на сжатие B25.
Ступени из тяжелого бетона следует изготовлять в соответствии с
ГОСТ 26633, из силикатного бетона -
ГОСТ 25214.
Вид бетона и его класс по прочности на сжатие должны соответствовать указанным в заказе на изготовление ступеней.
5.4 Коэффициент вариации прочности бетона по сжатию в партии для ступеней высшей категории качества должен быть, %, не более:
9 - для тяжелого и легкого бетонов;
10 - для плотного силикатного бетона.
5.5 Значение нормируемой отпускной прочности бетона ступеней, % класса бетона по прочности на сжатие, следует принимать равным:
70 - для ступеней из тяжелого или легкого бетона;
100 - для ступеней из плотного силикатного бетона.
При поставке ступеней в холодный период года допускается повышать значение нормируемой отпускной прочности бетона, но не более 85% класса по прочности на сжатие.
Значение нормируемой отпускной прочности бетона следует принимать по проектной документации на конкретное здание или сооружение в соответствии с требованиями
ГОСТ 13015.
5.6 Средняя плотность легкого и плотного силикатного бетонов (в высушенном до постоянной массы состоянии) должна быть не менее 1800 кг/м3.
5.7 Истираемость декоративного конструкционного слоя бетона на мраморном щебне не должна превышать 1,8 г/см2.
Истираемость декоративного конструкционного слоя бетона ступеней высшей категории качества не должна превышать 1,6 г/см2.
5.8 Форма и размеры сварных арматурных сеток и закладных изделий и их положение в ступенях должны соответствовать установленным в
приложении Б настоящего стандарта.
Форма и размеры дополнительных закладных изделий (см.
4.5) и их положение в ступенях должны соответствовать указанным в проектной документации здания или сооружения.
5.9 Арматурные стали должны удовлетворять требованиям следующих стандартов:
- стержневая горячекатаная арматурная сталь классов А240, А400 -
ГОСТ 5781;
- арматурная проволока класса Вр500 -
ГОСТ 6727.
5.10 Арматуру в ступенях из плотного силикатного бетона, предназначенных для применения в помещениях с относительной влажностью внутреннего воздуха свыше 60% или в неотапливаемых зданиях (сооружениях) и на открытом воздухе в нормальной и влажной зонах влажности, следует защищать от коррозии.
Способ защиты арматуры должен соответствовать установленному проектной документацией согласно требованиям нормативных документов <*> и технической документации и указанному в заказе на изготовление ступеней.
--------------------------------
<*> В Российской Федерации действует СП 95.13330.2011 "СНиП 2.03.02-86 Бетонные и железобетонные конструкции из плотного силикатного бетона".
5.11 Открытые поверхности стальных закладных изделий должны иметь антикоррозионное покрытие, вид и техническая характеристика которого должны соответствовать установленным проектом здания или сооружения согласно требованиям нормативных документов <**> и технической документации и указанным в заказе на изготовление ступеней.
--------------------------------
<**> В Российской Федерации действует
СП 28.13330.2012 "СНиП 2.03.11-85 Защита строительных конструкций от коррозии" (с изменением N 1).
5.12 Значения действительных отклонений геометрических параметров ступеней не должны превышать предельных, указанных в таблице 2.
Таблица 2
Размеры в миллиметрах
Отклонения геометрического параметра | Геометрический параметр | Предельное отклонение |
Отклонение от линейного размера | Длина ступени | +/- 5 |
Высота ступени | +/- 2 |
Ширина ступени | +/- 3 |
Положение закладных изделий: | |
- в плоскости ступени | 5 |
- из плоскости ступени | 2 |
Отклонение от прямолинейности | Прямолинейность реального профиля лицевой поверхности ступени в любом сечении на 1000 длины ступени | 2 |
5.13 Установлены следующие категории бетонных поверхностей ступени:
А0 или А1 - лицевой шлифованной мозаичной;
А1 или А2 - лицевой гладкой;
А3 - лицевой, предназначенной под окраску;
А7 - нелицевой, не видимой в условиях эксплуатации.
Требования к качеству поверхностей и внешнему виду ступеней следует определять по
ГОСТ 13015 и настоящему стандарту.
5.14 Верхняя лицевая поверхность ступеней партии должна иметь одинаковые цвет и тон окраски.
Поверхность мозаичного декоративного конструкционного слоя должна иметь равномерное (или предусмотренное проектной документацией и заказом) распределение мраморного щебня. В первом случае участки без мраморного щебня площадью более 3 см2 не допускаются.
5.15 На поверхностях ступеней не допускаются трещины в бетоне, за исключением усадочных и других местных поверхностных технологических шириной не более 0,1 мм на нижней и торцевых поверхностях ступеней.
5.16 Ступени высшей категории качества должны иметь верхнюю лицевую поверхность шлифованную мозаичную или гладкую категории А1.
6.1 Приемку ступеней следует производить партиями в соответствии с требованиями
ГОСТ 13015 и настоящего стандарта.
6.2 Приемку ступеней по показателям их прочности и трещиностойкости, по морозостойкости, водонепроницаемости и истираемости бетона следует производить по результатам периодических испытаний.
6.3 Приемку ступеней по показателям прочности (классу по прочности на сжатие, отпускной прочности) и средней плотности бетона, соответствия арматурных и закладных изделий требованиям
приложения Б настоящего стандарта, прочности сварных соединений, точности геометрических параметров, толщины защитного слоя бетона до арматуры, ширины раскрытия усадочных трещин, категории бетонной поверхности следует производить по результатам приемо-сдаточных испытаний и контроля.
6.4 В случаях, если при проверке будет установлено, что фактическая отпускная прочность бетона ниже требуемой отпускной прочности, то поставку ступеней потребителю следует производить после достижения бетоном прочности, соответствующей классу бетона по прочности на сжатие.
6.5 Приемку ступеней по показателям точности геометрических параметров, ширины раскрытия усадочных трещин, категории бетонной поверхности следует осуществлять по результатам выборочного одноступенчатого контроля.
7. Методы контроля и испытаний
7.1 Контроль и оценку прочности, жесткости и трещиностойкости ступеней следует осуществлять по
ГОСТ 8829.
Испытание ступеней нагружением для определения их прочности и трещиностойкости следует производить по достижении бетоном прочности, соответствующей классу бетона по прочности на сжатие.
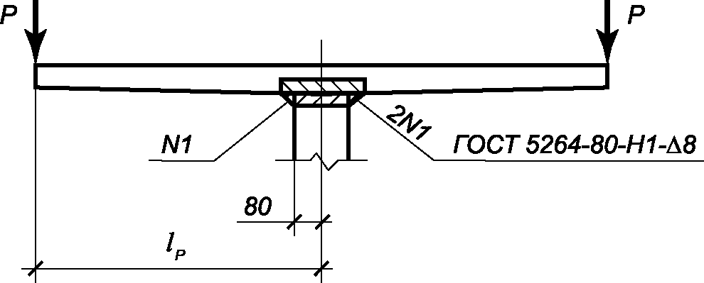
7.2 Схемы опирания и загружения ступеней при испытании их нагружением приведены:
- типов ЛС, ЛСВ, ЛСП и ЛСН - на рисунке 3;
- типоразмеров ЛСС 12 и ЛСС 15 - на
рисунке 4;
1 - подвижная опора; 2 - неподвижная опора; 3 - ступень
Примечания
1 Опоры, указанные на схеме опирания и загружения, установить под "постелью" ступени.
2 Вынос "хвоста" площадочного вкладыша и верхней и нижней фризовых ступеней опереть по всей поверхности.
Рисунок 3 - Схема испытания ступеней
типов ЛС, ЛСВ, ЛСП и ЛСН
Рисунок 4 - Схема испытания ступеней типоразмеров
ЛСС 12 и ЛСС 15
Рисунок 5 - Схема испытания ступеней типоразмера ЛСС 24
Основные параметры опирания и загружения ступеней и значения контрольных нагрузок при проверке прочности и трещиностойкости приведены в таблицах 3 и
4.
Типоразмер ступени | Номер рисунка | Lp, мм | a, мм | Контрольная нагрузка по проверке прочности P, кН (кгс) | Контрольная нагрузка по проверке трещиностойкости P, кН (кгс) |
при которой ступень признается годной | при которой требуется повторное испытание ступени |
C = 1,4 | C = 1,6 | C = 1,4 | C =1,6 |
ЛС 11 | | 920 | 230 | 1,52 | 1,86 | < 1,52; >= 1,26 | < 1,86; >= 1,57 | 0,78 |
(155) | (190) | (< 155; >= 130) | (< 190; >= 160) | (80) |
ЛС 12 | 1070 | 270 | 1,82 | 2,16 | < 1,82; >= 1,52 | < 2,16; >= 1,86 | 0,88 |
(185) | (220) | (< 185; >= 155) | (<220; >= 190) | (90) |
ЛС 14 | 1220 | 310 | 2,06 | 2,45 | < 2,06; >= 1,77 | < 2,45; >= 2,11 | 0,98 |
(210) | (250) | (< 210; >= 180) | (< 250; >= 215) | (100) |
ЛС 15 | 1370 | 340 | 2,35 | 2,80 | < 2,35; >= 2,01 | < 2,80; >= 2,40 | 1,13 |
(240) | (285) | (< 240; >= 205) | (< 285; >= 245) | (115) |
ЛС 17 | 1520 | 380 | 2,75 | 3,24 | < 2,75; >= 2,35 | < 3,24; >= 2,75 | 1,32 |
(280) | (330) | (< 280; >= 240) | (< 330; >= 280) | (135) |
ЛС 23 | 2120 | 530 | 3,48 | 4,17 | < 3,48; >= 2,94 | < 4,17; >= 3,53 | 1,72 |
(355) | (425) | (< 355; >= 300) | (< 425; >= 360) | (175) |
ЛС 9.17 | 770 | 190 | 1,28 | 1,52 | < 1,28; >= 1,08 | < 1,52; >= 1,28 | 0,59 |
(130) | (155) | (< 130; >= 110) | (< 155; >= 130) | (60) |
ЛС 11.17 | 920 | 230 | 1,47 | 1,77 | < 1,47; >= 1,28 | < 1,77; >= 1,52 | 0,69 |
(150) | (180) | (< 150; >= 130) | (< 180; >= 155) | (70) |
ЛС 12.17 | 1070 | 270 | 1,72 | 2,06 | < 1,72; >= 1,47 | < 2,06; >= 1,77 | 0,83 |
(175) | (210) | (< 175; >= 150) | (< 210; >= 180) | (85) |
ЛСВ 11 | 920 | 230 | 1,23 | 1,47 | < 1,23; >= 1,03 | < 1,47; >= 1,23 | 0,59 |
(125) | (150) | (< 125; >= 105) | (< 150; >= 125) | (60) |
ЛСВ 12 | 1070 | 270 | 1,42 | 1,67 | < 1,42; >= 1,23 | < 1,67; >= 1,42 | 0,69 |
(145) | (170) | (< 145; >= 125) | (< 170; >= 145) | (70) |
ЛСВ 14 | 1220 | 310 | 1,57 | 1,86 | < 1,57; >= 1,32 | < 1,86; >= 1,57 | 0,78 |
(160) | (190) | (< 160; >= 135) | (< 190; >= 160) | (80) |
ЛСВ 15 | 1370 | 340 | 1,82 | 2,16 | < 1,82; >= 1,52 | < 2,16; >= 1,82 | 0,88 |
(185) | (220) | (< 185; >= 155) | (< 220; >= 185) | (90) |
ЛСВ 17 | 1520 | 380 | 2,11 | 2,50 | < 2,11; >= 1,82 | < 2,50; >= 2,11 | 1,03 |
(215) | (255) | (< 215; >= 185) | (< 255; >= 215) | (105) |
ЛСВ 23 | 2120 | 530 | 2,70 | 3,19 | < 2,70; >= 2,31 | < 3,19; >= 2,70 | 1,32 |
(275) | (325) | (< 275; >= 235) | (< 325; >= 275) | (135) |
ЛСВ 9.17 | 770 | 190 | 1,03 | 1,23 | < 1,03; >= 0,88 | < 1,23; >= 1,03 | 0,49 |
(105) | (125) | (< 105; >= 90) | (< 125; >= 105) | (50) |
ЛСВ 11.17 | 920 | 230 | 1,23 | 1,47 | < 1,23; >= 1,03 | < 1,47; >= 1,23 | 0,58 |
(125) | (150) | (< 125; >= 105) | (< 150; >= 125) | (60) |
ЛСВ 12.17 | 1020 | 270 | 1,28 | 1,52 | < 1,28; >= 1,08 | < 1,52; >= 1,28 | 0,64 |
(130) | (155) | (< 130; >= 110) | (< 155; >= 130) | (65) |
ЛСП 11 | | 920 | 230 | 1,52 | 1,82 | < 1,52; >= 1,28 | < 1,82; >= 1,52 | 0,73 |
(155) | (185) | (< 155; >= 130) | (< 185; >= 155) | (75) |
ЛСП 12 | 1070 | 270 | 1,72 | 2,01 | < 1,72; >= 1,47 | < 2,01; >= 1,72 | 0,83 |
(175) | (205) | (< 175; >= 150) | (< 205; >= 175) | (85) |
ЛСП 14 | 1220 | 310 | 1,91 | 2,26 | < 1,91; >= 1,62 | < 2,26; >= 1,91 | 0,98 |
(195) | (230) | (< 195; >= 165) | (< 230; >= 195) | (100) |
ЛСП 15 | 1370 | 340 | 2,11 | 2,45 | < 2,11; >= 1,82 | < 2,45; >= 2,06 | 1,03 |
(215) | (250) | (< 215; >= 185) | (< 250; >= 210) | (105) |
ЛСП 17 | 1520 | 380 | 2,40 | 2,85 | < 2,40; >= 2,06 | < 2,85; >= 2,40 | 1,23 |
(245) | (290) | (< 245; >= 210) | (< 290; >= 245) | (125) |
ЛСП 23 | 2120 | 530 | 2,94 | 3,48 | < 2,94; >= 2,50 | < 3,48; >= 2,94 | 1,47 |
(300) | (355) | (< 300; >= 255) | (< 355; >= 300) | (150) |
ЛСП 9.17 | 770 | 190 | 1,37 | 1,67 | < 1,37; >= 1,18 | < 1,67; >= 1,42 | 0,69 |
(140) | (170) | (< 140; >= 120) | (< 170; >= 145) | (70) |
ЛСП 11.17 | 920 | 230 | 1,52 | 1,86 | < 1,52; >= 1,28 | < 1,86; >= 1,57 | 0,73 |
(155) | (190) | (< 155; >= 130) | (< 190; >= 160) | (75) |
ЛСП 12.17 | 1070 | 270 | 1,72 | 2,06 | < 1,72; >= 1,47 | < 2,06; >= 1,77 | 0,83 |
(175) | (210) | (< 175; >= 150) | (< 210; >= 180) | (85) |
ЛСН 11 | 920 | 230 | 1,23 | 1,47 | < 1,23; >= 1,08 | < 1,47; >= 1,28 | 0,64 |
(125) | (150) | (< 125; >= 110) | (< 150; >= 130) | (65) |
ЛСН 12 | 1070 | 270 | 1,42 | 1,67 | < 1,42; >= 1,23 | < 1,67; >= 1,42 | 0,73 |
(145) | (170) | (< 145; >= 125) | (< 170; >= 145) | (75) |
ЛСН 14 | 1220 | 310 | 1,62 | 1,91 | < 1,62; >= 1,37 | < 1,91; >= 1,62 | 0,83 |
(165) | (195) | (< 165; >= 140) | (< 195; >= 165) | (85) |
ЛСН 15 | 1370 | 340 | 1,86 | 2,16 | < 1,86; >= 1,57 | < 2,16; >= 1,82 | 0,98 |
(190) | (220) | (< 190; >= 160) | (< 220; >= 185) | (100) |
ЛСН 17 | 1520 | 380 | 2,16 | 2,55 | < 2,16; >= 1,82 | < 2,55; >= 2,16 | 1,13 |
(220) | (260) | (< 220; >= 185) | (< 260; >= 220) | (115) |
ЛСН 23 | 2120 | 530 | 2,80 | 3,24 | < 2,80; >= 2,35 | < 3,24; >= 2,75 | 1,44 |
(285) | (330) | (< 285; >= 240) | (< 330; >= 280) | (150) |
ЛСН 9.14 | 770 | 190 | 1,08 | 1,62 | < 1,08; >= 0,93 | < 1,62; >= 1,37 | 0,54 |
(110) | (165) | (< 110; >= 95) | (< 165; >= 140) | (55) |
ЛСН 11.14 | 920 | 230 | 1,28 | 1,47 | < 1,28; >= 1,08 | < 1,47; >= 1,28 | 0,64 |
(130) | (150) | (< 130; >= 110) | (< 150; >= 130) | (65) |
ЛСН 12.14 | 1070 | 270 | 1,47 | 1,72 | < 1,47; >= 1,28 | < 1,72; >= 1,47 | 0,73 |
(150) | (175) | (< 150; >= 130) | (< 175; >= 150) | (75) |
Типоразмер ступени | Номер рисунка | Lp, мм | a, мм | Контрольная нагрузка по проверке прочности P, кН (кгс) | Контрольная нагрузка по проверке трещиностойкости P, кН (кгс) |
при которой ступень признается годной | при которой требуется повторное испытание ступени |
C = 1,4 | C = 1,6 | C = 1,4 | C =1,6 |
ЛСС 12 | | 590 | - | 5,35 | 6,87 | < 5,35; >= 4,56 | < 6,87; >= 5,84 | 3,48 |
(545) | (700) | (< 545; >= 465) | (< 700; >= 595) | (355) |
ЛСС 15 | 750 | - | 4,71 | 6,08 | < 4,71; >= 4,02 | < 6,08; >= 5,15 | 3,09 |
(480) | (620) | (< 480; >= 410) | (< 620; >= 525) | (315) |
ЛСС 24 | | 590 | - | 5,35 | 6,87 | < 5,35; >= 4,56 | < 6,87; >= 5,84 | 3,48 |
(545) | (700) | (< 545; >= 465) | (< 700; >= 595) | (355) |
1 Значения контрольных нагрузок указаны без учета веса ступени.
2 Значение коэффициента
C принимают в зависимости от возможного характера разрушения ступени согласно
ГОСТ 8829.
3 Значение нагрузки при появлении первой трещины, при которой ступени типов ЛС, ЛСВ, ЛСП и ЛСН признают годными, должно быть больше или равно контрольной нагрузке без учета веса ступени.
7.3 Прочность бетона ступеней на сжатие следует определять по
ГОСТ 10180 на серии образцов, изготовленных из бетонной смеси рабочего состава и хранившихся в условиях по
ГОСТ 18105.
При испытании ступеней неразрушающими методами фактическую передаточную и отпускную прочность бетона на сжатие следует определять ультразвуковым методом по
ГОСТ 17624 или приборами механического действия по
ГОСТ 22690, а также другими методами, предусмотренными стандартами на методы испытания бетона.
7.4 Морозостойкость бетона следует определять по
ГОСТ 10060 на серии образцов, изготовленных из бетонной смеси рабочего состава.
Для контроля морозостойкости бетона следует применять ультразвуковой метод по
ГОСТ 26134.
7.5 Водонепроницаемость бетона ступеней следует определять по
ГОСТ 12730.0 и
ГОСТ 12730.5 на серии образцов, изготовленных из бетонной смеси рабочего состава.
7.6 Среднюю плотность бетона следует определять по
ГОСТ 12730.0 и
ГОСТ 12730.1 на серии образцов, изготовленных из бетонной смеси рабочего состава.
7.7 Истираемость бетона ступеней следует определять по
ГОСТ 13087 и
ГОСТ 13015. Марки по истираемости бетонных поверхностей ступеней в соответствии с
ГОСТ 13015:
G2 - для общественных зданий,
G3 - для жилых зданий.
7.8 Размеры ступеней, отклонение от прямолинейности их лицевых поверхностей, толщины защитного слоя бетона до арматуры, положение закладных изделий, качество бетонных поверхностей, ширину раскрытия усадочных трещин и внешний вид ступеней следует проверять методами, установленными
ГОСТ 13015.
7.9 Методы контроля и испытаний сварных арматурных и закладных изделий - по
ГОСТ 10922 и
ГОСТ 23858.
8. Маркировка, транспортирование и хранение
8.1 Маркировка
8.1.1 Маркировку ступеней следует производить по требованиям
ГОСТ 13015.
8.1.2 Маркировочные надписи и знаки следует наносить на нелицевых поверхностях ступеней.
Допускается по согласованию изготовителя с потребителем и проектной организацией - автором проекта конкретного здания или сооружения вместо марок наносить на ступени их сокращенные условные обозначения, принятые в проектной документации.
8.1.3 Требования к документу о качестве ступеней, поставляемых потребителю, - по
ГОСТ 13015 и настоящему стандарту.
8.2 Транспортирование и хранение
8.2.1 Транспортировать и хранить ступени следует в соответствии с требованиями
ГОСТ 13015 и настоящего стандарта.
8.2.2 Ступени следует транспортировать и хранить в контейнерах рассортированными по маркам и уложенными в рабочем положении.
Допускается транспортировать и хранить ступени уложенными в штабели без контейнеров, уложенными в штабель вплотную одна к другой.
8.2.3 Число рядов ступеней в штабеле не должно превышать пяти.
8.2.4 Подкладки и прокладки между рядами ступеней должны быть толщиной не менее 25 мм и расположены по вертикали одна над другой на расстоянии 200 мм от торца ступени.
8.2.5 При транспортировании ступени следует укладывать в транспортные средства в рабочем положении, продольной осью по направлению движения транспорта.
8.2.6 Грузовые стропы и другие захватные устройства, применяемые для погрузки, разгрузки и складирования ступеней, в местах соприкосновения их со ступенями должны иметь мягкое покрытие.
(справочное)
СХЕМЫ РАСПОЛОЖЕНИЯ СТУПЕНЕЙ ТИПОВ ЛС, ЛСВ, ЛСП, ЛСН
В ЛЕСТНИЧНОМ МАРШЕ
Рисунок А.1 - Междуэтажные и этажные площадки
1 - нижняя фризовая ступень ЛСН; 2 - верхняя фризовая
ступень ЛСВ; 3 - основная ступень ЛС; 4 - площадочный
вкладыш ЛСП
Рисунок А.2 - Верхняя площадка
(справочное)
КОНСТРУКЦИИ СТУПЕНЕЙ ТИПОВ ЛС, ЛСП, ЛСН, ЛСС
И АРМАТУРНЫХ ИЗДЕЛИЙ К НИМ
Рисунок Б.1, лист 2
Рисунок Б.2, лист 1
Рисунок Б.2, лист 2
Рисунок Б.2, лист 3
Рисунок Б.3, лист 1
Рисунок Б.3, лист 2
Рисунок Б.4, лист 1
Рисунок Б.4, лист 2
Рисунок Б.4, лист 3
Рисунок Б.4, лист 4
Рисунок Б.4, лист 5
Рисунок Б.5, лист 1
Рисунок Б.5, лист 2
Рисунок Б.5, лист 3
Рисунок Б.5, лист 4
Рисунок Б.5, лист 5
Рисунок Б.5, лист 6
Рисунок Б.6, лист 1
Рисунок Б.6, лист 2
Рисунок Б.6, лист 3
Рисунок Б.7, лист 1
Рисунок Б.7, лист 2
Рисунок Б.7, лист 3
Рисунок Б.8, лист 1
Рисунок Б.8, лист 2
Рисунок Б.9, лист 1
Рисунок Б.9, лист 2
Рисунок Б.10, лист 1
Рисунок Б.10, лист 2
Рисунок Б.11, лист 2
Рисунок Б.12, лист 2
Рисунок Б.12, лист 3
Рисунок Б.12, лист 4
Рисунок Б.12, лист 5
Рисунок Б.13, лист 1
Рисунок Б.13, лист 2
Рисунок Б.13, лист 3
Рисунок Б.13, лист 4
Рисунок Б.13, лист 5
Рисунок Б.14, лист 2
Рисунок Б.16
Рисунок Б.17
Рисунок Б.18
Рисунок Б.19
Рисунок Б.21, лист 2
Рисунок Б.21, лист 3
Рисунок Б.21, лист 4
Рисунок Б.21, лист 5
1 Спецификации арматурных и закладных изделий на одну ступень приведены на
рисунках Б.1 -
Б.11 (чертежи с 01.00.00 по 11.00.00).
2 Спецификации стали на арматурные изделия приведены на
рисунках Б.12 -
Б.14 (чертежи с 00.1.00 по 00.3.00), а на закладные изделия и монтажные петли - на
рисунках Б.15 -
Б.20 (чертежи с 00.4.00 по 00.9.00).
3 Закладные изделия марки М1 предназначены для восприятия горизонтальной нормативной нагрузки на поручни ограждения 0,49 кН (50 кгс/м), марок М2, М3 и М5 - 1,47 кН (150 кгс/м).
4 Марки ступеней на чертежах
приложения Б приведены без указания вида бетона и отделки верхних лицевых поверхностей ступеней.
5 Ведомости расхода стали на ступени приведены на
рисунках Б.21 (чертежи 00.0.00 ВМС). Показатели расхода стали представлены в килограммах.