Главная // Актуальные документы // ГОСТ Р (Государственный стандарт)СПРАВКА
Источник публикации
М.: ФГБУ "РСТ", 2021
Примечание к документу
Документ
введен в действие с 01.06.2022.
Название документа
"ГОСТ Р 59855-2021. Национальный стандарт Российской Федерации. Автомобильные транспортные средства. Изделия крепежные с резьбой. Испытания на сопротивление усталости при осевой нагрузке. Методы испытаний и оценка результатов"
(утв. и введен в действие Приказом Росстандарта от 22.11.2021 N 1533-ст)
"ГОСТ Р 59855-2021. Национальный стандарт Российской Федерации. Автомобильные транспортные средства. Изделия крепежные с резьбой. Испытания на сопротивление усталости при осевой нагрузке. Методы испытаний и оценка результатов"
(утв. и введен в действие Приказом Росстандарта от 22.11.2021 N 1533-ст)
Утвержден и введен в действие
агентства по техническому
регулированию и метрологии
от 22 ноября 2021 г. N 1533-ст
НАЦИОНАЛЬНЫЙ СТАНДАРТ РОССИЙСКОЙ ФЕДЕРАЦИИ
АВТОМОБИЛЬНЫЕ ТРАНСПОРТНЫЕ СРЕДСТВА
ИЗДЕЛИЯ КРЕПЕЖНЫЕ С РЕЗЬБОЙ
ИСПЫТАНИЯ НА СОПРОТИВЛЕНИЕ УСТАЛОСТИ ПРИ ОСЕВОЙ НАГРУЗКЕ.
МЕТОДЫ ИСПЫТАНИЙ И ОЦЕНКА РЕЗУЛЬТАТОВ
Motor vehicles. Threaded fasteners. Axial load fatigue.
Test methods and evaluation of results
ГОСТ Р 59855-2021
Дата введения
1 июня 2022 года
1 РАЗРАБОТАН Федеральным государственным унитарным предприятием "Центральный ордена Трудового Красного Знамени научно-исследовательский автомобильный и автомоторный институт" (ФГУП "НАМИ")
2 ВНЕСЕН Техническим комитетом по стандартизации ТК 056 "Дорожный транспорт"
3 УТВЕРЖДЕН И ВВЕДЕН В ДЕЙСТВИЕ
Приказом Федерального агентства по техническому регулированию и метрологии от 22 ноября 2021 г. N 1533-ст
4 ВВЕДЕН ВПЕРВЫЕ
Правила применения настоящего стандарта установлены в статье 26 Федерального закона от 29 июня 2015 г. N 162-ФЗ "О стандартизации в Российской Федерации". Информация об изменениях к настоящему стандарту публикуется в ежегодном (по состоянию на 1 января текущего года) информационном указателе "Национальные стандарты", а официальный текст изменений и поправок - в ежемесячном информационном указателе "Национальные стандарты". В случае пересмотра (замены) или отмены настоящего стандарта соответствующее уведомление будет опубликовано в ближайшем выпуске ежемесячного информационного указателя "Национальные стандарты". Соответствующая информация, уведомление и тексты размещаются также в информационной системе общего пользования - на официальном сайте Федерального агентства по техническому регулированию и метрологии в сети Интернет (www.rst.gov.ru)
Настоящий стандарт устанавливает требования к проведению испытаний на сопротивление усталости при осевой нагрузке резьбовых крепежных изделий, требования к испытательному оборудованию, методы настройки и проверки центрирования испытательного устройства, а также рекомендации для оценки результатов испытаний с учетом требований, изложенных в
[1].
В настоящем стандарте использованы нормативные ссылки на следующие стандарты:
ГОСТ ISO 4032 Гайки шестигранные нормальные (тип 1). Классы точности A и B
ГОСТ ISO 4033 Гайки шестигранные высокие (тип 2). Классы точности A и B
ГОСТ ISO 8673 Гайки шестигранные нормальные (тип 1) с мелким шагом резьбы. Классы точности A и B
ГОСТ ISO 8674 Гайки шестигранные высокие (тип 2) с мелким шагом резьбы. Классы точности A и B
ГОСТ 11284 Отверстия сквозные под крепежные детали. Размеры
Примечание - При пользовании настоящим стандартом целесообразно проверить действие ссылочных стандартов в информационной системе общего пользования - на официальном сайте Федерального агентства по техническому регулированию и метрологии в сети Интернет или по ежегодному информационному указателю "Национальные стандарты", который опубликован по состоянию на 1 января текущего года, и по выпускам ежемесячного информационного указателя "Национальные стандарты" за текущий год. Если заменен ссылочный стандарт, на который дана недатированная ссылка, то рекомендуется использовать действующую версию этого стандарта с учетом всех внесенных в данную версию изменений. Если заменен ссылочный стандарт, на который дана датированная ссылка, то рекомендуется использовать версию этого стандарта с указанным выше годом утверждения (принятия). Если после утверждения настоящего стандарта в ссылочный стандарт, на который дана датированная ссылка, внесено изменение, затрагивающее положение, на которое дана ссылка, то это положение рекомендуется применять без учета данного изменения. Если ссылочный стандарт отменен без замены, то положение, в котором дана ссылка на него, рекомендуется применять в части, не затрагивающей эту ссылку.
В настоящем стандарте применены обозначения, приведенные в таблице 1.
Таблица 1
Обозначение | Наименование |
Ad3 | Площадь поперечного сечения при внутреннем диаметре резьбы по дну впадин |
As | Расчетная площадь поперечного сечения |
d | Номинальный наружный диаметр резьбы испытательного болта |
d1 | Внутренний диаметр основного профиля резьбы |
d2 | Средний диаметр резьбы |
d3 | Внутренний диаметр резьбы по дну впадины |
da | Внутренний диаметр опорной поверхности головки, ограничивающий переход радиуса к опорной поверхности |
D | Наружный диаметр резьбы гайки |
dh | Диаметр сквозного отверстия |
F | Сила растяжения |
F0,2 | Сила растяжения при удлинении 0,2% |
Fa | Амплитуда силы |
| Разница амплитуд сил при испытаниях в переходной зоне |
FA | Амплитуда сил при пределе выносливости |
Fm | Средняя нагрузка |
H | Высота основного профиля резьбы |
N | Текущее число циклов нагружения |
NG | Базовое число циклов нагружения в переходной зоне |
p | Вероятность разрушения, % |
pf | Вероятность разрушения в области ограниченной выносливости |
pt | Вероятность разрушения в переходной области |
P | Шаг резьбы |
Rm | Предел прочности на растяжение |
Rp0,2 | Условный предел текучести |
Rs | Постоянное соотношение напряжений  (коэффициент асимметрии цикла напряжений) |
s | Размер под ключ шестигранника |
S(FA) | Стандартное отклонение амплитуды сил при пределе выносливости |
| Стандартное отклонение амплитуды напряжений при пределе выносливости |
S(log N) | Стандартное отклонение логарифма числа циклов до поломки |
 ,  | Коэффициенты регрессионной линии в области ограниченной выносливости кривой Велера |
| Амплитуда напряжений цикла |
| Амплитуда напряжений цикла при заданной долговечности |
| Аксиальное растягивающее напряжение |
| Изгибающее напряжение |
| Среднее напряжение цикла |
| Минимальное напряжение |
| Максимальное напряжение |
| Минимальное напряжение при пределе выносливости |
| Максимальное напряжение при пределе выносливости |
| Предел выносливости при числе циклов N |
| Разность амплитуд напряжений при испытании в области предела ограниченной выносливости (Наклонная часть кривой Велера) |
| Разность амплитуд напряжений при испытании в переходной зоне |
<а> При расчете среднего напряжения и амплитуды напряжения следует применять As. По согласованию между покупателем и поставщиком может также использоваться Ad3. В обоих случаях используют номинальные значения сечения. |
4 Краткое описание метода испытания
Целью испытания является определение усталостных свойств резьбовых крепежных изделий, в частности, путем построения кривой Велера.
Проверяемые детали устанавливают на испытательный стенд и подвергают нагружению в диапазоне переменных растягивающих напряжений.
Испытание проводят при постоянной средней нагрузке Fm или при постоянном соотношении напряжений

. (1)
Как правило, рекомендуется применять среднюю нагрузку
Fm = 0,7F0,2min, (2)
где
F0,2min = Rp0,2min·As,nom. (3)
Другие средние нагрузки - по согласованию между исполнителем и заказчиком.
Расчетная площадь поперечного сечения

.
Площадь поперечного сечения при внутреннем диаметре резьбы по дну впадин

, где
d3 =
d1 -
H/6.
Испытание заканчивают при выходе из строя образца или, когда заданное количество циклов было достигнуто без разрушения. В общем случае количество циклов определяют материалом или сопротивлением усталости образца. Если не оговорено иное, выход из строя означает полное разделение крепежного изделия на две части.
Условия испытания и методы оценки должны быть выбраны в соответствии с целью испытания и указаны в протоколе испытания.
5 Испытательная установка
Испытательный стенд должен обеспечивать нагружение с погрешностью нагрузки в пределах +/- 2% от требуемых величин и должен быть оснащен устройством для подсчета и регистрации общего количества циклов при каждом испытании. Стенд необходимо калибровать через определенные промежутки времени, чтобы обеспечить указанное предельное отклонение. Частота испытания не должна превышать 250 Гц. Нагрузка на образец на испытательном стенде должна иметь синусоидальную форму. Стенд должен иметь устройство, которое не позволяет автоматически запускаться после остановки из-за сбоя питания.
5.2 Захватывающее устройство
Захватывающее устройство должно передавать осевое усилие на образец. Соответствующие основные требования указаны на рисунках 1 и
2.
а - поверхность должна быть цементованной на глубину
от 0,25 мм до 0,5 мм: максимальная твердость 60 HRC,
минимальная твердость на 5 единиц выше твердости образца;
б - допускаются симметричные отверстия; 1 - HRC 36...40;
Примечание - Допуски перпендикулярности и соосности заданы в миллиметрах.
Рисунок 1 - Захватывающая головка без вкладыша
а - поверхность должна быть цементованной на глубину
от 0,25 мм до 0,5 мм: максимальная твердость 60 HRC,
минимальная твердость на 5 единиц выше твердости образца;
б - дополнительное занижение; с - допускаются симметричные
отверстия; 1 - HRC 36...40; dh - сквозное отверстие по 1-му
Примечание - Допуски перпендикулярности и соосности заданы в миллиметрах.
Рисунок 2 - Захватывающая головка с вкладышем
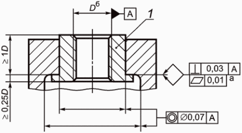
5.3 Деталь с внутренней резьбой
--------------------------------
<а> Поверхность должна быть плоской.
<б> Поле допуска 6H; 1 - HRC 36...40.
Примечание - Допуски плоскостности, перпендикулярности и соосности указаны в миллиметрах.
Рисунок 3 - Пример испытательного переходника с резьбой
Шайбу с зенковкой устанавливают под головкой болта так, чтобы радиус перехода не упирался в головку болта. Зажимаемые детали также могут быть с зенковкой. Наружный диаметр зенковки с углом на вершине 90° должен быть таким же, как диаметр болта da + IT12 (ограничивает переход от радиуса к опорной поверхности). Опорные поверхности шайбы, показанной на рисунке 4, должны быть параллельны в пределах 0,01 мм. Твердость шайбы должна быть не менее, чем на 5 HRC выше, чем твердость образца. Если применяют испытательную шайбу, это должно быть занесено в протокол испытаний.
Рисунок 4 - Испытательная шайба (сборка)
5.5 Настройка испытательного устройства
Проверку правильности настройки испытательного устройства необходимо выполнять через равномерные промежутки времени. Это должно быть сделано с помощью двух шпилек для проверки нагрузки, которые оснащены четырьмя тензодатчиками, смещенными на 90° друг относительно друга вокруг оси. Диаметры шпилек соответствуют номинальным диаметрам наибольшего и наименьшего болтов, которые будут испытаны с помощью этого испытательного устройства.
Как показано на рисунке 5, шпильку
3 устанавливают в захватывающих головках
1 испытательного устройства с помощью испытательных вкладышей
2. Длина шпильки между зажимными головками с испытательными вкладышами должна быть в 4 раза больше его диаметра. При измерении с нагрузкой, равной 50% минимальной силы разрыва для класса прочности 12.9, разница между максимальным напряжением

и номинальным значением

не должна превышать 6% от этого номинального значения. Распределение напряжений в цилиндрической части шпильки показано на
рисунке 6.
1 - зажимная головка; 2 - испытательный вкладыш;
3 - шпилька; 4 - посадка h6/H7
Рисунок 5 - Настройка испытательного устройства
Рисунок 6 - Распределение напряжений
в цилиндрической части шпильки
Типоразмер испытательного стенда должен быть выбран таким образом, чтобы максимальная сила, приложенная к образцу, была равна или превышала не более чем на 10% максимальную нагрузочную способность машины. Как правило, испытания проводят в диапазоне пульсирующих растягивающих напряжений при комнатной температуре, при этом силу прикладывают по центру в осевом направлении. Влияние упругости зажимаемых деталей на напряжение в крепежном изделии не учитывается. Как показано на рисунке 7, свободная длина нагруженного участка резьбы болта должна быть не менее четырех витков резьбы. Резьба гайки должна быть полностью в зацеплении и не менее двух витков резьбы должны выступать за контрольную гайку (см. рисунок 7). Контрольную гайку можно использовать только один раз. Переходник с резьбой можно использовать продолжительное время при условии, что он легко навинчивается на наружную резьбу болта и не имеет повреждений.
Рисунок 7 - Расположение контрольной гайки
Образец должен быть установлен в испытательном устройстве без каких-либо принудительных усилий. При закручивании контрольной гайки нельзя прикладывать скручивающие напряжения. Средняя нагрузка и амплитуда силы прикладываются испытательной машиной. Частота испытания не должна превышать величину, при которой температура образца во время испытания превышает +50 °C. Необходимо обеспечить, чтобы условия нагружения не менялись в течение всего периода испытаний.
Определение значений сопротивления усталости можно проводить:
- в зоне ограниченной выносливости (поломка всех образцов до достижения заданного числа циклов нагружения);
- в переходной зоне, в которой вплоть до заданного числа циклов (обычно от 5 x 106 до 5 x 107 циклов) возникают как дефекты с разрушением, так и дефекты без разрушения образцов;
- в зоне неограниченной выносливости, где могут быть только дефекты без разрушения образцов (см.
рисунок 10).
Могут быть выполнены две разные задачи исследования:
а) достижение минимального количества циклов при заданной амплитуде напряжения;
б) определение ширины разброса и положения зоны ограниченной выносливости или переходной зоны с использованием статистических методов оценки.
Сравнение полученных значений сопротивления усталости возможно только в том случае, если испытание и оценка результатов проводились одинаковым методом.
7.2 Испытание в зоне ограниченной выносливости
7.2.1 Испытание до заданного минимального количества циклов нагружения (см. 7.1 а)
Для испытания следует взять случайную выборку, состоящую как минимум из шести отдельных образцов. Каждое отдельное испытание заканчивают после достижения заданного количества циклов до разрушения образца.
7.2.2 Определение разброса и положения зоны ограниченной выносливости (см. 7.1 б)
Разброс количества циклов в зоне ограниченной выносливости можно рационально определить только с помощью статистических методов.
Чтобы оценить зону ограниченной выносливости, испытание на циклическую прочность следует проводить как минимум с двумя амплитудами силы. Целесообразно выбирать их в 1,6 раза или в 2,4 раза больше предполагаемого предела выносливости. Для достоверной оценки вероятности поломки 10%-ная, 50%-ная и 90%-ная проба должна содержать не менее восьми отдельных образцов на каждую амплитуду силы.
Разброс зоны ограниченной выносливости для амплитуды силы, например на основе нормального распределения Гаусса в вероятностной сети Гаусса, определяют с использованием оценочной функции

, (4)
где pf - вероятность разрушения в зоне ограниченной выносливости;
i - порядковый номер образца на амплитуду силы;
n - количество испытанных образцов на амплитуду силы.
Следующий пример объясняет методику: при постоянной амплитуде напряжения

испытывают
n = 8 болтов. Количества циклов нагружения, достигнутые до разрушения, расположены в хронологическом порядке:
N = (169, 177, 271, 129, 405, 115, 280, 305)·103.
Прежде всего, циклическая долговечность распределяется по величинам, которым присваивают порядковые номера i. Первый образец с наименьшей циклической долговечностью получает порядковый номер i = 1, образец n с наибольшей циклической долговечностью получает порядковый номер i = n = 8. В результате получается схема распределения, приведенная в таблице 2.
Таблица 2
Схема распределения образцов для статистической оценки
восьми усталостных испытаний с амплитудой напряжения

в зоне ограниченной выносливости
Порядковый номер i | 1 | 2 | 3 | 4 | 5 | 6 | 7 | 8 |
Циклическая долговечность N x 103 (в порядке возрастания) | 115 | 129 | 169 | 178 | 271 | 280 | 305 | 405 |
Вероятность разрушения в зоне ограниченной выносливости pf | 8 | 20 | 32 | 44 | 56 | 68 | 80 | 92 |
Далее величины циклической долговечности, связанные с соответствующими вероятностями разрушения pf, вводят в гауссову вероятностную сеть, как показано на рисунке 8, и проводят прямую линию (линия регрессии). С помощью этой наиболее подходящей прямой линии можно оценить пределы N10, N50 и N90, например: N10 = 110 x 103, N50 = 213 x 103 и N90 = 415 x 103, т.е. ожидается, что 10% всех образцов будут разрушаться при достижении числа циклов 110 x 103, 50% - при 213 x 103 и 90% - при 415 x 103. С помощью циклической долговечности при второй амплитуде напряжения можно определить разброс и положение исследуемого диапазона ограниченной выносливости.
N10, N50, N90 - число циклов нагружения с вероятностью
разрушения 10%, 50% или 90%
Рисунок 8 - Вероятность разрушения pf и число циклов
нагружения до разрушения в зоне ограниченной выносливости,
определенное на основе восьми усталостных испытаний
с амплитудой напряжения

7.3 Испытания в переходной зоне или в зоне неограниченной выносливости
7.3.1 Испытание до заданного минимального количества циклов (см. 7.1 а)
Для подтверждения выполнения требования минимального количества циклов необходимо испытать не менее шести образцов при указанной амплитуде напряжения. Каждое отдельное испытание прекращают после достижения указанного количества циклов (обычно от 5 x 106 до 5 x 107 циклов).
7.3.2 Определение разброса и положения переходной зоны (см. 7.1 б)
Аналогично диапазону ограниченной выносливости разброс в переходной зоне может быть аппроксимирован с рациональными затратами только с использованием статистических методов. На практике при проведении испытаний в основном используются два разных подхода:
а) постепенное изменение амплитуды напряжения после каждого отдельного испытания (например, для оценки с использованием лестничного метода);
б) изменение амплитуды напряжения после испытания нескольких болтов с постоянной амплитудой напряжений цикла (например, для оценки с использованием граничного метода, методом арксинуса).
Все методы оценки основаны на модельных функциях, которые предназначены для аппроксимации формы распределения всей контролируемой партии.
Основное внимание уделяют определению медианы

(предел выносливости с вероятностью разрушения 50%) и границ переходной зоны (например,

,

). Для определения предела выносливости

с точностью от +/- 5% до +/- 10% требуется не менее 15 образцов. Для определения границ переходной зоны должно быть использовано большое количество образцов (например, для

требуется от 20 до 30 образцов)
7.3.2.2 Лестничный метод
Первый образец испытывают с амплитудой силы, которая должна максимально приближаться к ожидаемой медиане переходной зоны. Если происходит разрушение, нагрузку на следующие образцы постепенно уменьшают (со ступенями того же размера) до тех пор, пока образцы не перестанут разрушаться. После исключения разрушения нагрузку постепенно увеличивают до тех пор, пока не произойдет разрушение. Если при испытании первого образца разрушение не происходит, процедура повторяется. На практике метод очень быстро центрируется по медиане, и при большом количестве образцов и благоприятном положении начального уровня напряжений цикла частота испытаний с разрушениями и без разрушений одинакова или почти одинакова.
Менее распространенные способы используются для расчета медианы и стандартного отклонения. Оценка включает в себя следующие этапы:
а) ожидаемая медиана

. (5)
Пояснения обозначений даны в
примечании к таблице 3;
б) ожидаемые стандартные отклонения

, (6)
где

(условие обеспечения выполнения требования линеаризованного набора расчетов).
Пример оценки усталостных испытаний с использованием лестничного метода приведен в таблице 3.
Таблица 3
|
Средняя нагрузка Fm = 0,7·F0,2min, Н |
| | | | | | | |
FA [Н] | x - с разрушением  - без разрушения | x | | z | f | z·f | z2·f |
4700 | | | | | | | | | | | | x | | | | 1 | 0 | 3 | 0 | 0 | 0 |
4300 | | | | | | x | | x | | | | | x | | | 3 | 1 | 2 | 1 | 2 | 4 |
3900 | x | | x | | | | | | x | | | | | x | | 4 | 3 | 1 | 3 | 3 | 3 |
3500 | | | | | | | | | | | | | | | | 0 | 3 | 0 | 3 | 0 | 0 |
Номер образца | 1 | 2 | 3 | 4 | 5 | 6 | 7 | 8 | 9 | 10 | 11 | 12 | 13 | 14 | 15 | | | | | | |
| 8 | 7 | - | 7 | 5 | 7 |
| C | A | E |
|
Графа 2: Индикация события (x - с разрушением,  - без разрушения); Графа 3: Количество разрушений на амплитуду силы; Графа 4: Количество случаев без разрушений на амплитуду силы; Графа 5: Порядковый номер z, начиная с 0 при самой низкой амплитуде силы, используемый для оценки события z, назначается событию с более низкой частотой в столбцах 3 и 4; В таблице 3 это графа 4 со случаями без разрушений только 7 раз (в сравнении с графой 3 со случаями разрушений 8 раз); Fao: Наименьшая амплитуда силы в графах 3 и 4 с наименьшим числом событий (здесь графа 4; Fao = 3500 Н); FA50: Медиана, амплитуда силы с вероятностью поломки 50%;  : Разность амплитуд силы (изменение шага) (здесь A Fall = 400 Н); S: Стандартное отклонение. |
7.3.2.3 Граничный метод
Пример проведения и оценки испытания на усталость граничным методом приведен на
рисунке 9.
Поскольку положение переходной зоны до испытания не известно и, как правило, может оцениваться только предварительно, образец исследуют на первом уровне амплитуды силы. В данном случае эта амплитуда силы равна Fa = 2500 Н.
После того, как первый образец не разрушился при заданном числе циклов нагружения NG, амплитуду силы последовательно увеличивают до тех пор, пока не произойдет разрушение первого образца. В настоящем примере эта амплитуда силы равна Fa1 = 4000 Н.
На уровне, где впервые встретился отличающийся от предыдущих испытаний случай (разрушение или "без разрушения"), выполняют несколько испытаний.
Количество образцов зависит от требуемой точности результата. В данном примере на каждую амплитуду силы приходится 8 образцов. Для выбора второй амплитуды силы всегда полезно знать ширину переходной зоны. Это позволяет заранее рассчитать второй уровень около его границы, что делает ожидаемый результат более точным.
Для определения второго уровня используют следующее уравнение:

, (7)
где

(8)
или

. (9)
Размер
B учитывает ширину переходной зоны. Рекомендуемое значение "B" составляет от 0,15 до 0,20. Как показывает пример на
рисунке 9, образцы в количестве восьми вторично проверяют при второй амплитуде силы и вероятностях разрушения
pt в гауссовой вероятностной сети в соответствии с оценкой

, (10)
где r - количество разрушений на одну амплитуду силы;
n - количество образцов, испытанных на одну амплитуду силы.
Две установленные точки могут быть соединены прямой линией, которая затем позволяет оценивать медиану FA50 и предельные значения, такие как, например FA10 и FA90.
Рисунок 9 - Пример проведения и оценки
испытания на усталость граничным методом
7.3.2.4 Метод арксинуса
Проведение испытаний и оценка результатов с использованием метода арксинуса являются аналогичными граничному методу.
Испытания на усталость проводят на разных уровнях нагружения при нескольких равноотстоящих друг от друга уровнях нагружения с одинаковым количеством образцов на амплитуду силы.
Для каждого из этих уровней рассчитывает соответствующую вероятность безотказной работы с использованием преобразования арксинуса

, например

. (11)
Переходную зону определяют графически в соответствующей вероятностной сети либо математически путем определения линии регрессии после соответствующего преобразования вычисленных значений.
7.4 Построение кривой Велера
Для построения кривой Велера используют результаты испытаний по
7.2.2 и
7.3.2, показанные графически (см. рисунок 10).
1 - примеры вероятностей разрушения; 2 - область
ограниченной выносливости; 3 - переходная зона; 4 - зона
неограниченной выносливости; (а), (б) - примеры определения
зоны ограниченной выносливости; (с) - пример определения
переходной зоны и зоны неограниченной выносливости
Рисунок 10 - Кривая Велера

7.5 Построение диаграммы Хейга
Диаграмма Хейга, приведенная на рисунке 11, показывает влияние среднего напряжения цикла на амплитуду напряжения для заданной долговечности.
1 - примеры вероятностей разрушения
Рисунок 11 - Диаграмма Хейга
Статистические методы в соответствии с
7.3.2 могут быть использованы для построения этой диаграммы, при этом минимальное количество образцов, согласно
7.2.1,
7.2.2 и
7.3.2.1, требуется для каждого из следующих трех средних напряжений:
а) высокое постоянное среднее напряжение

;
б) среднее постоянное среднее напряжение

;
с) низкое среднее напряжение

(для
Rs = 0,1).
Другие величины средних напряжений - по согласованию между исполнителем и заказчиком.
При указании значений предела выносливости необходимо четко определить условия испытаний. Отчет об испытаниях должен содержать следующую подробную информацию, в которой должны быть отмечены отклонения (при наличии) от условий испытаний, предусмотренные настоящим стандартом:
а) ссылка на настоящий стандарт;
б) описание болта:
- обозначение формы и класса прочности (если применимо);
- резьба, шаг, резьба и профиль, длина болта;
- покрытие поверхности и дополнительная смазка;
- положение контрольной гайки или испытательного переходника (расстояние между контрольной гайкой и опорой испытательного переходника или опорой испытательного переходника и сбегом резьбы);
- исходный материал.
Примечание - Информация о процессе производства болта и резьбы и фактических механических свойствах (предел прочности и предел текучести) может быть согласована между исполнителем и заказчиком;
в) описание гайки:
- форма и класс прочности испытательной гайки или высота тестового переходника;
- исходный материал;
- поверхностное покрытие и дополнительная смазка.
Примечание - Информация о процессе производства контрольной гайки и резьбы, а также о фактической твердости может быть согласована между исполнителем и заказчиком;
г) применение испытательной шайбы;
д) тип и частота испытаний испытательной машины;
е) сечение, используемое для расчета Ad3 или As;
ж) способ проведения испытания (например, среднее напряжение и амплитуда напряжения или
Rs и

либо

);
и) расположение разрушения;
к) использованные методы статистической оценки;
л) климатические условия (диапазон температур и влажность во время эксперимента);
м) дата испытания.
| DIN 50100:2016 | Испытания материалов на усталостную прочность. Проведение и оценивание результатов циклических испытаний при постоянной нагрузке на металлических образцах и компонентах (Schwingfestigkeitsversuch -  und Auswertung von zyklischen Versuchen mit konstanter Lastamplitude  metallische Werkstoffproben und Bauteile) |
УДК 621.882.6:006.354 | |
Ключевые слова: автомобильные транспортные средства, резьбовые крепежные детали, испытания на сопротивление усталости, осевая нагрузка, лестничный метод, граничный метод, кривая Велера, диаграмма Хейга |