Главная // Актуальные документы // ГОСТ Р (Государственный стандарт)
СПРАВКА
Источник публикации
М.: Стандартинформ, 2005
Примечание к документу
Утратил силу с 1 января 2010 года в связи с изданием Приказа Ростехрегулирования от 13.07.2009 N 241-cт. Взамен введен в действие ГОСТ Р 53362-2009.

Введен в действие с 1 июля 2001 года.

Взамен ГОСТ Р 50745-95.
Название документа
"ГОСТ Р 50745-99. Совместимость технических средств электромагнитная. Системы бесперебойного питания. Устройства подавления сетевых импульсных помех. Требования и методы испытаний"
(принят и введен в действие Постановлением Госстандарта РФ от 28.12.1999 N 796-ст)


"ГОСТ Р 50745-99. Совместимость технических средств электромагнитная. Системы бесперебойного питания. Устройства подавления сетевых импульсных помех. Требования и методы испытаний"
(принят и введен в действие Постановлением Госстандарта РФ от 28.12.1999 N 796-ст)


Содержание


Принят и введен в действие
Постановлением Госстандарта РФ
от 28 декабря 1999 г. N 796-ст
ГОСУДАРСТВЕННЫЙ СТАНДАРТ РОССИЙСКОЙ ФЕДЕРАЦИИ
СОВМЕСТИМОСТЬ ТЕХНИЧЕСКИХ СРЕДСТВ ЭЛЕКТРОМАГНИТНАЯ
СИСТЕМЫ БЕСПЕРЕБОЙНОГО ПИТАНИЯ.
УСТРОЙСТВА ПОДАВЛЕНИЯ СЕТЕВЫХ ИМПУЛЬСНЫХ ПОМЕХ
ТРЕБОВАНИЯ И МЕТОДЫ ИСПЫТАНИЙ
Electromagnetic compatibility
of technical equipment.
Uninterruptable power systems.
Suppression devices of power main pulse enterferences.
Requirements and test methods
ГОСТ Р 50745-99
Группа Э02
ОКС 33.100;
ОКСТУ 0020
Дата введения
1 июля 2001 года
Предисловие
1. Разработан и внесен Техническим комитетом по стандартизации в области электромагнитной совместимости технических средств (ТК 30).
2. Принят и введен в действие Постановлением Госстандарта России от 28 декабря 1999 г. N 796-ст.
3. Настоящий стандарт в части требований электромагнитной совместимости и методов испытаний систем бесперебойного питания соответствует европейскому стандарту ЕН 50091-2-95 "Системы бесперебойного питания (СБП). Часть 2. Требования электромагнитной совместимости".
4. Взамен ГОСТ Р 50745-95.
5. Переиздание, сентябрь 2005 г.
1. Область применения
Настоящий стандарт распространяется на отдельные устройства и системы бесперебойного питания, предназначенные для подключения к низковольтным распределительным и промышленным электрическим сетям (далее в тексте - системы бесперебойного питания).
Стандарт устанавливает требования к системам бесперебойного питания (СБП) по ограничению помехоэмиссии, обеспечению устойчивости к воздействию внешних электромагнитных помех (далее в тексте - помехи), ослаблению сетевых импульсных помех, проходящих на выход СБП, и соответствующие методы испытаний.
Настоящий стандарт не применяется для СБП, основанных на применении вращающихся машин.
СБП должно удовлетворять нормам помехоэмиссии, установленным в настоящем стандарте, как автономное изделие. Электромагнитные помехи, создаваемые нагрузкой, подключаемой к выходу СБП, не учитывают.
Настоящий стандарт распространяется также на устройства подавления сетевых импульсных помех (УПСИП) и устанавливает требования к УПСИП по ослаблению сетевых импульсных помех и методы испытаний.
Требования настоящего стандарта являются обязательными.
2. Нормативные ссылки
В настоящем стандарте использованы ссылки на следующие стандарты:
ГОСТ 13109-97. Электрическая энергия. Совместимость технических средств электромагнитная. Нормы качества электрической энергии в системах электроснабжения общего назначения
ГОСТ 13661-92. Совместимость технических средств электромагнитная. Пассивные помехоподавляющие фильтры и элементы. Методы измерения вносимого затухания
ГОСТ 14777-76. Радиопомехи индустриальные. Термины и определения
ГОСТ 30372-95/ГОСТ Р 50397-92. Совместимость технических средств электромагнитная. Термины и определения
ГОСТ Р 51317.3.2-99 (МЭК 61000-3-2-95). Совместимость технических средств электромагнитная. Эмиссия гармонических составляющих тока техническими средствами с потребляемым током не более 16 А (в одной фазе). Нормы и методы испытаний
ГОСТ Р 51317.3.3-99 (МЭК 61000-3-3-94). Совместимость технических средств электромагнитная. Колебания напряжения и фликер, создаваемые техническими средствами с потребляемым током не более 16 А (в одной фазе), подключаемыми к низковольтным системам электроснабжения. Нормы и методы испытаний
ГОСТ Р 51317.4.2-99 (МЭК 61000-4-2-95). Совместимость технических средств электромагнитная. Устойчивость к электростатическим разрядам. Требования и методы испытаний
ГОСТ Р 51317.4.3-99 (МЭК 61000-4-3-95). Совместимость технических средств электромагнитная. Устойчивость к радиочастотному электромагнитному полю. Требования и методы испытаний
ГОСТ Р 51317.4.4-99 (МЭК 61000-4-4-95). Совместимость технических средств электромагнитная. Устойчивость к наносекундным импульсным помехам. Требования и методы испытаний
ГОСТ Р 51317.4.5-99 (МЭК 61000-4-5-95). Совместимость технических средств электромагнитная. Устойчивость к микросекундным импульсным помехам большой энергии. Требования и методы испытаний
ГОСТ Р 51317.4.6-99 (МЭК 61000-4-6-96). Совместимость технических средств электромагнитная. Устойчивость к кондуктивным помехам, наведенным радиочастотными электромагнитными полями. Требования и методы испытаний
ИС МЕГАНОРМ: примечание.
Приказом Ростехрегулирования от 27.12.2006 N 471-ст с 1 июля 2007 года введен в действие ГОСТ Р 51317.6.1-2006.
ГОСТ Р 51317.6.1-99 (МЭК 61000-6-1-96). Совместимость технических средств электромагнитная. Устойчивость к электромагнитным помехам технических средств, применяемых в жилых, коммерческих зонах и производственных зонах с малым энергопотреблением. Требования и методы испытаний
ГОСТ Р 51317.6.2-99 (МЭК 61000-6-2-98). Совместимость технических средств электромагнитная. Устойчивость к электромагнитным помехам технических средств, применяемых в промышленных зонах. Требования и методы испытаний
ГОСТ Р 51318.11-99 (СИСПР 11-97). Совместимость технических средств электромагнитная. Радиопомехи индустриальные от промышленных, научных, медицинских и бытовых (ПНМБ) высокочастотных устройств. Нормы и методы испытаний
ГОСТ Р 51319-99. Совместимость технических средств электромагнитная. Приборы для измерения индустриальных радиопомех. Технические требования и методы испытаний
ГОСТ Р 51320-99. Совместимость технических средств электромагнитная. Радиопомехи индустриальные. Методы испытаний технических средств - источников индустриальных радиопомех.
3. Определения
В настоящем стандарте применяют термины, установленные в ГОСТ 13109, ГОСТ 14777, ГОСТ 30372/ГОСТ Р 50397, а также следующие:
- устройство бесперебойного питания - конструктивно завершенное изделие, предназначенное для обеспечения электрической энергией технических средств, подключаемых к электрическим сетям, в нормальных и аварийных режимах работы электрических сетей;
- система бесперебойного питания - изделие, включающее несколько соединенных между собой устройств бесперебойного питания, объединенных общим устройством управления;
- устройство подавления сетевых импульсных помех (УПСИП) - конструктивно завершенное изделие, предназначенное для подключения к электрическим сетям переменного тока напряжением 220 В и обеспечения устойчивости к сетевым импульсным помехам технических средств, если конструкция указанных средств не обеспечивает необходимой помехоустойчивости;
- низковольтная распределительная электрическая сеть - низковольтная распределительная электрическая сеть энергоснабжающей организации (электрическая сеть общего назначения) или низковольтная электрическая сеть потребителя электрической энергии, предназначенная для питания различных приемников электрической энергии в местах их размещения;
- порт - граница между СБП и внешней электромагнитной средой (зажим, разъем, клемма и т.п.) (см. рисунок 1);
Порт корпуса
Входные порты электропитания┌────────────┐Выходные порты электропитания
переменного тока │ │ переменного тока
────────────────────────────┤ ├─────────────────────────────
│ СБП │ Порты электропитания
│ │ постоянного тока
Порты заземления │ │ (подключение к батарее)
────────────────────────────┤ ├─────────────────────────────
└────────────┘
Рисунок 1. Примеры портов СБП
- порт корпуса - физическая граница СБП, через которую могут излучаться создаваемые СБП или проникать внешние электромагнитные поля.
4. Требования электромагнитной совместимости
4.1. Классификация СБП
4.1.1. СБП класса А
К СБП класса А относят СБП, предназначенные для применения только в промышленных зонах. Отнесение СБП к применяемым в промышленных зонах - по ГОСТ Р 51317.6.2.
К указанному классу относят СБП всех видов и назначений, подключаемые к питающей сети с помощью штепселей и разъемов, предназначенных исключительно для подключения к промышленным электрическим сетям, или постоянно подключенные к промышленным сетям.
В эксплуатационную документацию на СБП класса А должно быть включено следующее предупреждение:
┌─────────────────────────────────────────────────────────────────────────┐
│ ВНИМАНИЕ! Настоящее изделие (аппарат, оборудование) удовлетворяет│
│нормам на индустриальные радиопомехи, установленным для оборудования│
│класса А по ГОСТ Р 51320-99, и не должно применяться в жилых,│
│коммерческих зонах и производственных зонах с малым энергопотреблением│
│и подключаться к низковольтным распределительным электрическим сетям. │
└─────────────────────────────────────────────────────────────────────────┘
4.1.2. СБП класса Б
ИС МЕГАНОРМ: примечание.
Приказом Ростехрегулирования от 27.12.2006 N 471-ст с 1 июля 2007 года введен в действие ГОСТ Р 51317.6.1-2006.
К СБП класса Б относят СБП, предназначенные для применения в жилых, коммерческих зонах и производственных зонах с малым энергопотреблением, характеризующихся тем, что в указанных зонах СБП непосредственно подключают к низковольтным распределительным электрическим сетям. Условия отнесения СБП к применяемым в жилых, коммерческих зонах и производственных зонах с малым энергопотреблением - по ГОСТ Р 51317.6.1.
К указанному классу относят СБП всех видов и назначений, подключаемые к питающей сети с помощью штепселей и разъемов, предназначенных исключительно для подключения к низковольтным распределительным электрическим сетям.
4.2. Нормы помехоэмиссии
4.2.1 Общие положения
СБП должно удовлетворять установленным в 4.2.2 - 4.2.4 нормам:
- индустриальных радиопомех (далее в тексте - радиопомехи), создаваемых СБП в полосе частот 0,15 - 1000 МГц;
- гармонических составляющих тока, потребляемого СБП из сети электропитания в полосе частот 0 - 2 кГц;
- колебаний напряжения и фликера, вызываемых СБП в сети электропитания.
Указанные нормы помехоэмиссии представляют существенные требования электромагнитной совместимости. Нормы установлены для каждого рассматриваемого порта СБП.
Нормы помехоэмиссии установлены в настоящем стандарте таким образом, чтобы уровень помех, создаваемых нормально функционирующей СБП, не превышал уровня, при котором может быть нарушено нормальное функционирование других технических средств.
Примечания. 1. Нормы, установленные в настоящем стандарте, могут не полностью исключать ухудшение качества радио- и телевизионного приема, если СБП применяют на расстоянии от приемной антенны (антенн) менее 10 м для СБП класса Б и менее 30 м для СБП класса А.
2. В особых случаях, например, когда высокочувствительная аппаратура используется в непосредственной близости от СБП, может быть необходимо применение дополнительных мер, чтобы уровни помех от СБП были ниже норм, установленных в настоящем стандарте.
4.2.2. Нормы кондуктивных помех
4.2.2.1. Нормы напряжения радиопомех на входных портах электропитания
Нормы напряжения радиопомех на входных (сетевых) портах электропитания СБП классов А и Б установлены в таблице 1.
Таблица 1
Нормы напряжения радиопомех на входных портах
электропитания СБП в полосе частот 0,15 - 30 МГц
Полоса частот,
МГц
Норма, дБ (мкВ)
СБП класса А
СБП класса Б
квазипиковое
значение
среднее
значение
квазипиковое
значение
среднее
значение
0,15 - 0,5
0,5 - 5
5 - 30
79
73
73
66
60
60
От 66 до 56
56
60
От 56 до 46
46
50
Примечание. Норма уменьшается линейно с логарифмом частоты.
На граничной частоте нормой является меньшее значение.
СБП должны удовлетворять нормам на квазипиковые и средние значения напряжения радиопомех при использовании измерителя радиопомех с квазипиковым детектором и с детектором средних значений соответственно.
Если при использовании измерителя радиопомех с квазипиковым детектором удовлетворяется норма на средние значения, то СБП признают удовлетворяющим обеим нормам и нет необходимости в измерениях средних значений.
4.2.2.2. Нормы напряжения радиопомех на выходных портах электропитания СБП
Напряжение радиопомех на выходных портах электропитания СБП на каждой частоте измерения должно быть меньше величины, установленной в таблице 1, на 14 дБ.
Указанные нормы применяют к СБП только в тех случаях, когда длина выходного кабеля в соответствии с технической документацией на СБП может превышать 10 м.
4.2.3. Нормы гармонических составляющих тока, потребляемого СБП
СБП классов А и Б, потребляемый ток которых не превышает 16 А (в одной фазе), должны удовлетворять нормам эмиссии гармонических составляющих потребляемого тока, установленным в ГОСТ Р 51317.3.2 (раздел 7).
4.2.4. Нормы колебаний напряжения и фликера, вызываемых СБП в сети электропитания
СБП классов А и Б, потребляемый ток которых не превышает 16 А (в одной фазе), должны удовлетворять нормам колебаний напряжения и фликера, вызываемых в сети электропитания, установленным в ГОСТ Р 51317.3.3 (раздел 5).
Примечание. Требования 4.2.3 и 4.2.4 применяют с 01.07.2002.
4.2.5. Нормы напряженности поля радиопомех
СБП классов А и Б должны удовлетворять нормам напряженности поля радиопомех в полосе 30 - 1000 МГц, установленным в таблице 2.
Таблица 2
Нормы напряженности поля радиопомех
в полосе частот 30 - 1000 МГц
Полоса частот, МГц
Нормы, дБ (мкВ/м) (квазипиковое значение),
при измерительном расстоянии 10 м
СБП класса А
СБП класса Б
30 - 230
230 - 1000
40
47
30
37
Примечания. 1. Если измерения на расстоянии 10 м не могут
быть выполнены из-за высоких уровней внешних помех или по другим
причинам, допускается проведение измерений на расстоянии 3 м
(см. 7.1.3 ГОСТ Р 51317.11).
2. На граничной частоте нормой является меньшее значение.
4.3. Требования помехоустойчивости
4.3.1. Общие положения
СБП должно удовлетворять требованиям помехоустойчивости, установленным в 4.3.3. Требования помехоустойчивости устанавливают применительно к каждому порту СБП.
Для испытаний в настоящем стандарте предусмотрены помехи только тех видов, которые рассматриваются как соответствующие условиям применения СБП.
Примечание. В некоторых случаях будут иметь место условия, когда уровни внешних помех могут превышать уровни помехоустойчивости, установленные в настоящем стандарте, например при использовании переносных радиостанций в непосредственной близости к СБП. В этих случаях должны быть применены специальные меры снижения помех.
4.3.2. Критерии качества функционирования
Критерии качества функционирования при испытаниях СБП на помехоустойчивость установлены в таблице 3.
Таблица 3
Критерии качества функционирования
при испытаниях СБП на помехоустойчивость
Характеристика СБП
Критерий А
Критерий В
Выходные
характеристики
В период воздействия
помехи и после
испытаний отклонения
параметров выходного
напряжения
соответствуют
установленным
в технической
документации (ТД)
на СБП
После испытаний
отклонения параметров
выходного напряжения
соответствуют
установленным в ТД
на СБП.
В период воздействия
помехи допускаются
отклонения параметров
выходного напряжения
от установленных в ТД
Внутренняя и
внешняя индикация
режимов и
измеряемых
параметров
Изменения данных,
отображаемых
устройствами
индикации,
допускаются только
во время воздействия
помехи
Изменения данных,
отображаемых
устройствами индикации,
допускаются только во
время воздействия
помехи
Сигналы
управления на
внешние устройства
Изменения не
допускаются
Отклонения допускаются
в соответствии с
изменением режима
функционирования
Режим
функционирования
Изменения не
допускаются
Допускается временное
изменение режима
функционирования
с автоматическим
восстановлением после
прекращения помехи
4.3.3. Требования устойчивости СБП к помехам
4.3.3.1. Устойчивость к электростатическим разрядам (ЭСР)
СБП классов А и Б должны быть устойчивы при воздействии ЭСР по ГОСТ Р 51317.4.2 при степени жесткости испытаний 3 и критерии качества функционирования В.
4.3.3.2. Устойчивость к излучаемым радиочастотным электромагнитным полям
СБП должны быть устойчивыми при воздействии радиочастотного электромагнитного поля в полосе частот 80 - 1000 МГц по ГОСТ Р 51317.4.3 при степени жесткости испытаний 3 для СБП класса А и степени жесткости испытаний 2 для СБП класса Б и критерии качества функционирования А.
4.3.3.3. Устойчивость к наносекундным импульсным помехам (НИП)
СБП должны быть устойчивыми при воздействии НИП по ГОСТ Р 51317.4.4 и критерии качества функционирования В.
НИП должны быть поданы на все порты электропитания при степени жесткости испытаний 2 для СБП класса Б и степени жесткости испытаний 3 для СБП класса А, а также на порты соединительных кабелей и сигнальные порты (при длине кабелей свыше 3 м) при степени жесткости испытаний 1 для СБП класса Б и степени жесткости испытаний 2 для СБП класса А.
Минимальная продолжительность испытания должна составлять 1 мин.
4.3.3.4. Устойчивость к микросекундным импульсным помехам (МИП) большой энергии
СБП должны быть устойчивыми при воздействии МИП большой энергии по ГОСТ Р 51317.4.5 и при критерии качества функционирования В.
МИП должны быть поданы на все порты электропитания при степени жесткости испытаний 2 для СБП класса Б и степени жесткости испытаний 3 для СБП класса А, а также на порты соединительных кабелей, сигнальные порты (при длине кабелей свыше 3 м), порты соединительных кабелей батареи (когда длина превышает 3 м) при степени жесткости испытаний 1 для СБП класса Б и степени жесткости испытаний 2 для СБП класса А.
4.3.3.5. СБП должны быть устойчивы при воздействии кондуктивных помех, наведенных радиочастотными электромагнитными полями в полосе частот 150 кГц - 80 МГц по ГОСТ Р 51317.4.6, при степени жесткости испытаний 2 для СБП класса Б и степени жесткости испытаний 3 для СБП класса А при критерии качества функционирования А.
4.4. Требования к ослаблению сетевых импульсных помех
4.4.1. Ослабление МИП и НИП в СБП (УПСИП) определяют как отношение пикового значения импульсного напряжения на ненагруженном выходе испытательного генератора (ИГ) МИП по ГОСТ Р 51317.4.5 и НИП по ГОСТ Р 51317.4.4 к пиковому значению напряжения импульсной помехи на выходном порте электропитания переменного тока СБП (выходных зажимах УПСИП) при подаче МИП и НИП по схеме "провод-земля" на входной порт электропитания переменного тока СБП (входные зажимы УПСИП).
4.4.2. Ослабление МИП и НИП в СБП при пиковом значении импульсов на ненагруженном выходе ИГ МИП и НИП, равном 4 кВ, не должно быть меньше значений, выбираемых из ряда: 200; 50; 10; 4 раз.
4.4.3. УПСИП с учетом степени ослабления МИП и НИП подразделяют на I, II и III группы исполнения по ослаблению импульсных помех, указанные в таблице 4.
Таблица 4
Группы исполнения УПСИП
Группа УПСИП
по ослаблению
помех
При подаче МИП
При подаче НИП
пиковое
значение
импульсов
напряжения на
ненагруженном
выходе ИГ, кВ
ослабление
импульсных
помех,
раз, не
менее
пиковое
значение
импульсов
напряжения на
ненагруженном
выходе ИГ, кВ
ослабление
импульсных
помех,
раз, не
менее
I
II
III
4,0
4,0
4,0
4
10
50
4,0
4,0
4,0
10
50
200
4.4.4. Если для УПСИП устанавливают требования к ослаблению радиопомех, то в ТД на УПСИП должны быть приведены значения вносимого затухания при измерении по ГОСТ 13661.
5. Методы испытаний
5.1. Общие положения
5.1.1. Испытания на соответствие требованиям настоящего стандарта проводят:
- серийно выпускаемых СБП - при периодических, типовых и сертификационных испытаниях;
- разрабатываемых и модернизируемых СБП - при приемочных испытаниях;
- импортируемых СБП - при сертификационных испытаниях.
5.1.2. Отбор образцов СБП при испытаниях проводят в соответствии с требованиями, указанными ниже, если иные требования не установлены в стандартах на СБП конкретного вида:
- для сертификационных испытаний на радиопомехи отбирают три образца, на помехоустойчивость и эмиссию гармоничных составляющих потребляемого тока и колебания и фликер, вызываемые в сети электропитания, - один образец. По согласованию с органом по сертификации, при испытаниях крупногабаритных или дорогостоящих изделий число образцов может быть уменьшено. СБП единичного производства испытывают каждое в отдельности;
- при испытаниях опытных СБП отбирают не менее трех образцов, если изготовлено более трех изделий, и все образцы, если изготовлено три и менее изделий;
- количество образцов, подвергаемых испытаниям при периодических испытаниях, устанавливают в технических условиях на СБП конкретного типа, при типовых испытаниях - в программе испытаний.
5.1.3. Испытания на соответствие требованиям настоящего стандарта проводят:
а) при нормальных климатических условиях:
- температуре окружающего воздуха (25 +/- 10) °C;
- относительной влажности воздуха 45 - 80%;
- атмосферном давлении 84 - 106,7 кПа (630 - 800 мм рт. ст.), если иные требования не установлены в стандартах на СБП конкретного вида;
б) при номинальном входном напряжении электропитания;
в) в штатном режиме функционирования, а также в режиме запасенной энергии;
г) при активной нагрузке на выходных портах переменного тока СБП.
5.2. Испытания на помехоэмиссию
5.2.1. Общие положения
Испытания должны проводиться при режиме функционирования СБП, выбранном из предусмотренных в ТД на СБП, включая штатный режим и режим запасенной энергии, который обеспечивает наибольший уровень помехоэмиссии.
Испытуемая СБП и внешняя батарея должны быть расположены в соответствии с ТД на СБП. Должны быть приняты меры к обеспечению наибольшего уровня помехоэмиссии путем изменения расположения элементов испытуемой СБП.
Если СБП представляет собой часть системы или может соединяться со вспомогательным оборудованием, то СБП должно быть испытано при подключении минимального состава вспомогательных устройств, необходимого для проверки портов.
Вспомогательные устройства, подключаемые к СБП, допускается заменять имитаторами.
Типы и длины соединительных кабелей должны соответствовать указанным в ТД на СБП.
Для СБП, у которых батарея является внешней по отношению к устройству, там, где возможно, она должна быть включена в испытательную установку и расположена в соответствии с ТД на СБП.
Нагрузка на выходных портах переменного тока СБП должна быть активной и допускать испытания в пределах ее выходной мощности.
Любые полученные результаты должны сопровождаться полным описанием расположения оборудования и кабелей на рабочем месте для испытаний так, чтобы они могли быть повторены. Если для выполнения норм требуются определенные условия использования, например, в части длин и типов кабелей, экранирования и заземления, они должны быть определены и отражены в протоколе испытаний.
Измерения помехоэмиссии проводят применительно к соответствующим портам СБП.
5.2.2. Испытания на радиопомехи
Приборы для измерения индустриальных радиопомех должны соответствовать требованиям ГОСТ Р 51319.
5.2.2.1. Измерение напряжения радиопомех на входных и выходных портах переменного тока
Настольные и напольные СБП размещают на рабочем месте для испытаний в соответствии с рисунками 2 и 3 соответственно. Расположение элементов СБП при испытаниях показано на рисунках 4 и 5.
1 - переключатель измерителя радиопомех; 2 - положение
переключателя, соответствующее измерениям на нагрузке;
3 - положение переключателя, соответствующее измерениям
в сети электропитания; 4 - измеритель радиопомех;
5 - эквивалент сети; 6 - подключение эквивалента сети
ко входу СБП; 7 - заземляющая шина (отношение длины
к ширине 3:1); 8 - подключение к сети электропитания;
9 - СБП; 10 - нагрузка; 11 - пробник напряжения;
12 - пластина заземления; 13 - нагрузочный резистор
(50 Ом); 14 - переключатель пробника напряжений
Рисунок 2. Рабочее место для испытания настольных СБП
(измерение напряжения радиопомех)
1 - переключатель измерителя радиопомех; 2 - положение
переключателя, соответствующее измерениям на нагрузке;
3 - положение переключателя, соответствующее измерениям
в сети электропитания; 4 - измеритель радиопомех;
5 - эквивалент сети; 6 - подключение эквивалента сети
ко входу СБП; 7 - заземляющая шина (отношение длины
к ширине 3:1); 8 - подключение к сети электропитания;
9 - СБП; 10 - нагрузка; 11 - пробник напряжения;
12 - пластина заземления; 13 - нагрузочный резистор
(50 Ом); 14 - переключатель пробника напряжения;
15 - альтернативное место размещения измерителя радиопомех
Рисунок 3. Рабочее место для испытаний напольных СБП
(измерение напряжения радиопомех)
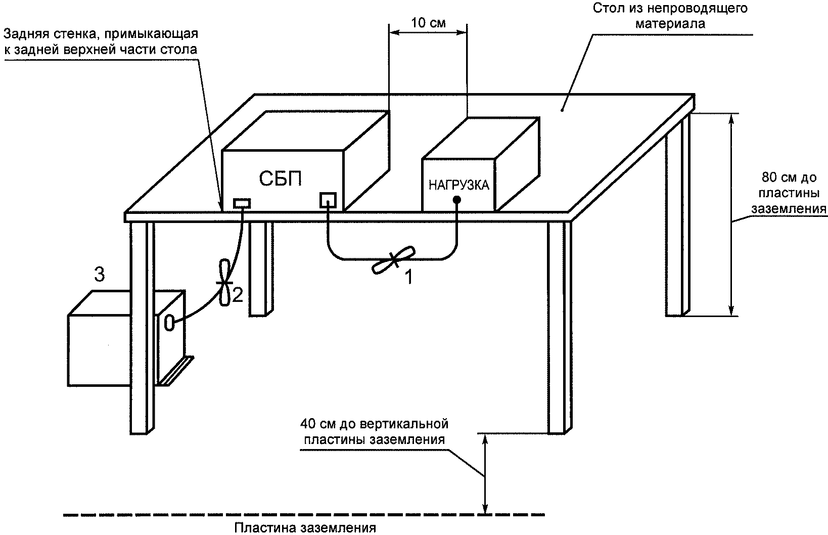
1 - кабели, которые висят на расстоянии менее 40 см
от горизонтальной пластины заземления и не могут быть
укорочены, укладывают в связки длиной от 30 до 40 см;
2 - излишки сетевого шнура укладывают в связку,
расположенную в центральной части, или шнур укорачивают;
3 - СБП подсоединяют к эквиваленту сети, размещенному
на расстоянии 80 см от СБП
Рисунок 4. Расположение элементов при испытании настольных
СБП (измерение напряжения радиопомех)
1, 2 - излишки кабелей укладывают в связки, расположенные
в центральной части, или укорачивают; 3 - концы кабелей,
которые не подключаются к внешним устройствам, нагружают
на соответствующие сопротивления нагрузки; 4 - испытуемое
оборудование и кабели изолируют (прокладкой толщиной 15 мм)
от горизонтальной пластины заземления; 5 - испытуемое
оборудование подсоединяют к эквиваленту сети
Рисунок 5. Расположение элементов при испытаниях
напольных СБП (измерение напряжения радиопомех)
Измерения проводят в полосе частот 0,15 - 30 МГц. Измерение напряжения радиопомех на входных портах переменного тока осуществляют в соответствии с ГОСТ Р 51318.11 с использованием эквивалента сети. Если использование эквивалента сети невозможно, применяют пробник напряжения. При измерении радиопомех на выходных портах переменного тока сопротивление нагрузки изменяют таким образом, чтобы мощность на выходе увеличивалась от нуля до максимальной величины, и определяют максимальный уровень радиопомех.
5.2.2.2. Измерение напряженности поля радиопомех
Измерения проводят на измерительной площадке, соответствующей требованиям ГОСТ Р 51320.
Настольную СБП располагают на столе из неметаллического материала высотой 80 см над горизонтальной пластиной заземления измерительной площадки.
Напольную СБП размещают непосредственно на пластине заземления, при этом оборудование должно быть отделено от пластины заземления изоляционной прокладкой толщиной 15 мм.
Метод измерения - в соответствии с ГОСТ Р 51318.11.
5.2.3. Испытания на эмиссию гармонических составляющих потребляемого тока
Средства измерений и порядок проведения испытаний - в соответствии с ГОСТ Р 51317.3.2.
5.2.4. Испытание на колебания напряжения и фликер, вызываемые СБП в сети электропитания
Средства измерений и порядок проведения испытаний - в соответствии с ГОСТ Р 51317.3.3.
5.3. Испытания на помехоустойчивость
5.3.1. Общие положения
Испытания проводят при активной нагрузке СБП, соответствующей номинальной выходной мощности.
Испытания на ослабление сетевых импульсных помех по 5.4 могут быть совмещены с соответствующими испытаниями на помехоустойчивость, выполняемыми на входных портах электропитания СБП.
5.3.2. Устойчивость к электростатическим разрядам
Испытания проводят в соответствии с ГОСТ Р 51317.4.2. ЭСР подают только на те точки и поверхности СБП, которые являются доступными для персонала при нормальном использовании, а также на горизонтальную и вертикальную пластины связи.
При испытаниях подают 10 разрядов каждой полярности к выбранным точкам на СБП и вертикальной и горизонтальной пластинам связи.
5.3.3. Устойчивость к радиочастотному электромагнитному полю
Испытания проводят в соответствии с ГОСТ Р 51317.4.3 в полосе частот 80 - 1000 МГц.
Испытательное электромагнитное поле должно быть модулировано по амплитуде синусоидальным напряжением частотой 1 кГц при глубине модуляции 80%.
5.3.4. Устойчивость к НИП
Испытание НИП проводят в соответствии с ГОСТ Р 51317.4.4 на всех кабелях, которые могут быть подсоединены к СБП, длина которых в соответствии с ТД на СБП превышает 3 м.
5.3.5. Устойчивость к МИП
Испытания проводят в соответствии с ГОСТ Р 51317.4.4.
5.3.6. Устойчивость к кондуктивным помехам, наведенным радиочастотными электромагнитными полями
Испытания проводят в соответствии с ГОСТ Р 51317.4.6.
5.4. Испытания на ослабление сетевых импульсных помех
5.4.1. При испытаниях СБП и УПСИП на соответствие требованиям к ослаблению МИП и НИП подают МИП положительной и отрицательной полярности на СБП (УПСИП) в момент перехода напряжения электрической сети через ноль.
5.4.2. НИП положительной и отрицательной полярности подают при испытаниях асинхронно относительно фазы напряжения сети электропитания.
5.4.3. На СБП (УПСИП) подают по 6 импульсов МИП положительной и отрицательной полярности, а также воздействуют НИП положительной и отрицательной полярности в течение одной минуты.
5.4.4. При испытаниях подключают СБП (УПСИП) к устройству связи/развязки, подключают ИГ, устанавливают на ИГ амплитуду испытательного воздействия 4 кВ, подключают номинальную нагрузку СБП (УПСИП), подают испытательные импульсы и по осциллограммам выходного напряжения определяют ослабление МИП и НИП.
5.5. Оценка результатов испытаний
Оценку результатов испытаний на радиопомехи проводят в соответствии с ГОСТ Р 51320.
СБП считают удовлетворяющим требованиям помехоустойчивости, нормам эмиссии гармонических составляющих потребляемого тока и нормам колебаний напряжения и фликера, если все испытанные образцы соответствуют требованиям настоящего стандарта.