Главная // Актуальные документы // ГОСТ Р (Государственный стандарт)СПРАВКА
Источник публикации
М.: ИПК Издательство стандартов, 2000
Примечание к документу
Документ включен в
Перечень технической документации, национальных стандартов и методических документов, необходимых для выполнения работ и оказания услуг, установленных
Положением о лицензировании деятельности по технической защите конфиденциальной информации, утвержденным Постановлением Правительства Российской Федерации от 3 февраля 2012 г. N 79 (ФСТЭК России 16.03.2012).
Документ включен в
Перечень технической документации, национальных стандартов и методических документов, необходимых для выполнения видов работ, установленных
Положением о лицензировании деятельности по разработке и производству средств защиты конфиденциальной информации, утвержденным Постановлением Правительства Российской Федерации от 3 марта 2012 г. N 171 (ФСТЭК России 09.04.2012).
С 1 июля 2003 года до вступления в силу технических регламентов акты федеральных органов исполнительной власти в сфере технического регулирования носят рекомендательный характер и подлежат обязательному исполнению только в части, соответствующей целям, указанным в
пункте 1 статьи 46 Федерального закона от 27.12.2002 N 184-ФЗ.
Документ
введен в действие с 1 января 2001 года.
Название документа
"ГОСТ Р 51319-99. Государственный стандарт Российской Федерации. Совместимость технических средств электромагнитная. Приборы для измерения индустриальных радиопомех. Технические требования и методы испытаний"
(принят и введен в действие Постановлением Госстандарта от 28.12.1999 N 795-ст)
"ГОСТ Р 51319-99. Государственный стандарт Российской Федерации. Совместимость технических средств электромагнитная. Приборы для измерения индустриальных радиопомех. Технические требования и методы испытаний"
(принят и введен в действие Постановлением Госстандарта от 28.12.1999 N 795-ст)
Принят и введен в действие
Постановлением Госстандарта
России
от 28 декабря 1999 г. N 795-ст
ГОСУДАРСТВЕННЫЙ СТАНДАРТ РОССИЙСКОЙ ФЕДЕРАЦИИ
СОВМЕСТИМОСТЬ ТЕХНИЧЕСКИХ СРЕДСТВ ЭЛЕКТРОМАГНИТНАЯ
ПРИБОРЫ ДЛЯ ИЗМЕРЕНИЯ ИНДУСТРИАЛЬНЫХ РАДИОПОМЕХ
ТЕХНИЧЕСКИЕ ТРЕБОВАНИЯ И МЕТОДЫ ИСПЫТАНИЙ
Electromagnetic compatibility of technical equipment.
Radio disturbance measuring apparatus. Technical
requirements and test methods
ГОСТ Р 51319-99
Группа Э02
Дата введения
1 января 2001 года
1. Разработан Ленинградским отраслевым научно-исследовательским институтом радио (ЛОНИИР) и Техническим комитетом по стандартизации в области электромагнитной совместимости технических средств (ТК 30).
Внесен Техническим комитетом по стандартизации в области электромагнитной совместимости технических средств (ТК 30).
2. Принят и введен в действие Постановлением Госстандарта России от 28 декабря 1999 г. N 795-ст.
3. Настоящий стандарт в части технических требований к приборам для измерения индустриальных радиопомех соответствует международному стандарту СИСПР 16-1 (1993-08), изд. 1 "Технические требования к аппаратуре для измерения радиопомех и помехоустойчивости и методы измерений. Часть 1. Аппаратура для измерения радиопомех и помехоустойчивости", включая Изменение N 1 (1997).
4. Введен впервые.
Настоящий стандарт распространяется на приборы, предназначенные для измерения индустриальных радиопомех (ИРП), и устанавливает технические требования и методы испытаний приборов в полосе частот от 9 кГц до 1000 МГц.
В настоящем стандарте использованы ссылки на
[1] и следующие стандарты:
| | ИС МЕГАНОРМ: примечание. ГОСТ 14777-76 утратил силу с 1 июля 2013 года в связи с введением в действие ГОСТ Р 55055-2012 (Приказ Росстандарта от 12.11.2012 N 719-ст). | |
ГОСТ 14777-76 Радиопомехи индустриальные. Термины и определения
ГОСТ 22261-94 Средства измерений электрических и магнитных величин. Общие технические условия
| | ИС МЕГАНОРМ: примечание. ГОСТ 26104-89 утратил силу с 1 июля 2001 года в связи с введением в действие ГОСТ Р 51350-99 (Постановление Госстандарта России от 16.01.2001 N 14-ст). | |
ГОСТ 26104-89 Средства измерений электронные. Технические требования в части безопасности. Методы испытаний
ГОСТ Р 51320-99 Совместимость технических средств электромагнитная. Радиопомехи индустриальные. Методы испытаний технических средств - источников индустриальных радиопомех
3. ОПРЕДЕЛЕНИЯ И СОКРАЩЕНИЯ
В настоящем стандарте используют термины, установленные в
ГОСТ 30372/ГОСТ Р 50397, а также следующие термины с соответствующими определениями:
| | ИС МЕГАНОРМ: примечание. ГОСТ 14777-76 утратил силу с 1 июля 2013 года в связи с введением в действие ГОСТ Р 55055-2012 (Приказ Росстандарта от 12.11.2012 N 719-ст). | |
- измеритель ИРП - по ГОСТ 14777;
- амплитудное соотношение - отношение среднего квадратического значения синусоидального напряжения к спектральной плотности напряжения импульсов на входе измерителя ИРП, вызывающих одинаковое показание измерителя;
- спектральная плотность напряжения импульсов - величина, определяемая выражением:
где f(t) - функция, описывающая форму импульса;
- коэффициент калибровки измерительного устройства - выраженный в децибелах коэффициент, с помощью которого определяется результат измерения величины ИРП (напряжения, напряженности поля, мощности, силы тока) путем прибавления к показанию измерителя ИРП;
- V-образный эквивалент сети - по ГОСТ 14777;
- Т-образный эквивалент сети - измерительное устройство, подключаемое к измерителю ИРП и обеспечивающее измерение общего несимметричного напряжения ИРП на линейных зажимах устройств, подключаемых к симметричным двухпроводным линиям связи;
- эквивалент полного сопротивления сети (ЭПСС) - измерительное устройство, подключаемое между испытуемым оборудованием и любым вспомогательным или связанным с основным оборудованием и обеспечивающее нормируемые затухание симметричного сигнала в цепи измерения общего несимметричного напряжения и полное общее несимметричное сопротивление (сопротивление общего вида) в цепи подключения к портам связи испытуемого оборудования;
- поглощающие клещи - по ГОСТ 14777;
- токосъемник - по ГОСТ 14777;
- общее несимметричное напряжение ИРП - по ГОСТ 14777;
- квазипиковое значение напряжения ИРП - по ГОСТ 14777;
- биконическая антенна - антенна, выполненная из двух конусообразных вибраторов, вершины которых исходят из одной точки, через которую проходит ось симметрии и к которой подводится фидер. Образующими конуса могут быть провода или тонкие трубы;
- трехкоординатная рамочная антенна (ТРА) - антенна, выполненная из трех взаимно-перпендикулярных рамочных антенн, имеющих общий центр. Применяется для измерения силы тока, наведенного магнитным полем источника ИРП;
- сетевой коэффициент помехозащищенности измерителя ИРП - по ГОСТ 14777;
- детектор среднего значения - детектор, на выходе которого напряжение соответствует среднему значению огибающей приложенного сигнала;
- измерительный комплект - комплект аппаратуры, состоящий из измерителя ИРП и измерительного устройства (эквивалента сети, токосъемника, антенны и т.п.) со штатным кабелем;
- штатный кабель - высокочастотный кабель, предназначенный для соединения измерительного устройства со входом измерителя ИРП;
ТУ - технические условия;

- коэффициент стоячей волны по напряжению.
4. ТЕХНИЧЕСКИЕ ТРЕБОВАНИЯ
4.1. Общие требования
4.1.1. Приборы для измерения ИРП должны изготавливаться в соответствии с требованиями настоящего стандарта и
ГОСТ 22261 по ТУ на приборы конкретных типов.
4.1.2. Приборы для измерения ИРП должны соответствовать требованиям настоящего стандарта во всем диапазоне рабочих условий, на любой частоте измерения и во всем диапазоне измерений ИРП, указанном в ТУ на приборы конкретных типов.
Полосы рабочих частот следует выбирать из ряда: от 0,009 до 0,15 МГц; от 0,15 до 30 МГц; от 30 до 300 МГц; от 300 до 1000 МГц. Приборы могут изготавливаться на все указанные полосы или на часть их.
4.1.3. В состав приборов для измерения ИРП должны входить измеритель ИРП и одно или несколько измерительных устройств со штатным кабелем, обеспечивающих измерение напряжения, силы тока, напряженности электрического (E) и (или) магнитного (H) поля, мощности, ИРП, а также анализатор кратковременных ИРП.
Измерительными устройствами являются: эквиваленты сети и пробники напряжения (для измерения напряжения U), антенны (для измерения напряженности поля E и H), поглощающие клещи (для измерения мощности P), токосъемники (для измерения силы тока I). Требования к измерительным устройствам приведены в
4.3 -
4.8.
4.1.4. Измерители ИРП должны градуироваться в децибелах относительно 1 мкВ среднего квадратического значения синусоидального напряжения.
4.1.5. Измерители ИРП совместно с измерительными устройствами должны обеспечивать измерение ИРП в децибелах относительно 1 мкВ, 1 мкВ/м, 1 пВт или 1мкА соответственно.
Калибровка должна производиться таким образом, чтобы измеряемые значения ИРП определялись по формуле
где M - любое из значений U, E, H, P, I, дБ относительно указанных выше значений;

- показание измерителя ИРП, дБ;
K - коэффициент калибровки измерительного устройства, дБ.
Далее в тексте стандарта единицы физических величин для измеряемых параметров и коэффициентов калибровки устройств в децибелах соответствуют значениям, указанным в настоящем пункте.
Примечание. Калибровка измерителей ИРП с магнитными антеннами должна производиться по эквивалентному значению напряженности электрического поля дальней зоны в децибелах относительно 1 мкВ/м (т.е. из условия E = 377H, где E и H - значения в мкВ/м и мкА/м соответственно).
4.1.6. Погрешность измерения величин, характеризующих ИРП, указывается либо в виде погрешности измерения этой величины измерительным комплектом, либо раздельно в виде погрешности измерителя ИРП и погрешности коэффициента калибровки измерительного устройства.
Погрешность измерения синусоидальных сигналов измерительным комплектом при любом способе калибровки должна соответствовать требованиям
4.1.6.1 -
4.1.6.4. Дополнительная погрешность измерения ИРП определяется погрешностью импульсных параметров измерителя ИРП по
4.2.3.
4.1.6.1. Погрешность измерения напряжения (измеритель ИРП с эквивалентом сети или пробником напряжения) не должна превышать 3 дБ.
4.1.6.2. Погрешность измерения напряженности однородного поля (измеритель ИРП с антенной) не должна превышать 4 дБ.
4.1.6.3. Погрешность измерения мощности (измеритель ИРП с поглощающими клещами) не должна превышать 4 дБ.
4.1.6.4. Погрешность измерения силы тока (измеритель ИРП с токосъемником) не должна превышать 4 дБ.
4.1.6.5. При ослаблении входного аттенюатора менее 10 дБ дополнительная погрешность измерителя ИРП должна быть не более 1,5 дБ.
Примечание. Если измерительный комплект откалиброван раздельно, то не допускается проведение измерений при положении входного аттенюатора измерителя ИРП менее 10 дБ.
Требования к погрешности измерительных устройств должны быть указаны в ТУ.
4.1.7. В полосе частот от 0,15 до 1000 МГц могут использоваться приборы для поиска и приближенных измерений ИРП (искатели ИРП), технические требования к которым приведены в
Приложении А. Возможность использования этих приборов должна быть указана в стандартах, устанавливающих нормы и методы измерений ИРП от групп технических средств - источников ИРП.
4.1.8. Измерительные устройства должны быть рассчитаны на номинальное сопротивление нагрузки, равное номинальному значению входного электрического сопротивления (далее в тексте - сопротивление) измерителя ИРП.
4.1.9. В ТУ на приборы конкретных типов должны быть приведены значения напряжения и частоты электропитания приборов и группа по
ГОСТ 22261 для рабочих условий применения приборов при климатических и механических воздействиях.
Нормальные значения напряжения и частоты электропитания и нормальные значения величин, характеризующих требования по продолжительности работы и времени установления рабочего режима, выбираются из соответствующих рядов
ГОСТ 22261 и должны быть приведены в ТУ на приборы конкретных типов.
4.2. Требования к измерителям ИРП
4.2.1. Основная погрешность измерения синусоидального напряжения должна быть не более 2 дБ.
4.2.2. Характеристики избирательности должны соответствовать требованиям таблицы 1.
Таблица 1
Характеристики избирательности измерителя ИРП
┌──────────────────────────────────────────┬──────────────────────────────┐
│ Наименование параметра │ Значение параметра в полосе │
│ │ частот │
│ ├──────────┬─────────┬─────────┤
│ │ от 0,009 │ от 0,15 │ от 30 │
│ │ до 0,15 │ до 30 │ до 1000 │
│ │ МГц │ МГц │ МГц │
├──────────────────────────────────────────┼──────────┼─────────┼─────────┤
│1. Номинальная ширина полосы пропускания│ 0,2 │ 9 │ 120 │
│на уровне 6 дБ, кГц │ │ │ │
│ │ │ │ │
│ │ │ │ │
│3. Ослабление сигналов частот, равных│ 70 │ 70 │ 60 │
│промежуточным, дБ, не менее │ │ │ │
│ │ │ │ │
│4. Ослабление зеркальных каналов, дБ,│ 70 │ 70 │ 60 │
│не менее │ │ │ │
│ │ │ │ │
│5. Ослабление прочих паразитных каналов,│ 70 │ 70 │ 60 │
│дБ, не менее │ │ │ │
│ │ │ │ │
│6. Ослабление взаимной модуляции при│ 36 │ 36 │ 36 │
│испытании импульсным сигналом, дБ,│ │ │ │
│не менее │ │ │ │
│ │ │ │ │
└──────────────────────────────────────────┴──────────┴─────────┴─────────┘
В измерителе ИРП рекомендуется иметь дополнительные полосы пропускания 1 и 3 кГц в полосе частот от 0,15 до 30 МГц и 20 кГц в полосе от 30 до 1000 МГц.
В ТУ должны быть указаны требования по ослаблению интермодуляции второго и третьего порядков и требования по блокированию.
4.2.3. Измеритель ИРП должен измерять квазипиковое, пиковое и среднее значения напряжения ИРП. Рекомендуется также обеспечивать измерение среднего квадратического значения напряжения ИРП. Импульсные параметры измерителя ИРП, обеспечивающие измерение этих значений, должны соответствовать требованиям
таблицы 2.

- значение характеристики избирательности;

- расстройка
Рисунок 1. Пределы характеристики избирательности
измерителя ИРП в полосе частот от 0,009 до 0,15 МГц

- значение характеристики избирательности;

- расстройка
Рисунок 2. Пределы характеристики избирательности
измерителя ИРП в полосе частот от 0,15 до 30 МГц

- значение характеристики избирательности;

- расстройка
Рисунок 3. Пределы характеристики избирательности
измерителя ИРП в полосе частот от 30 до 1000 МГц
Таблица 2
Импульсные параметры измерителя ИРП
┌───────────────────────────────────────────┬─────────────────────────────┐
│ Наименование параметра │ Значение параметра в полосе │
│ │ частот │
│ ├─────────┬─────────┬─────────┤
│ │от 0,009 │ от 0,15 │ от 30 │
│ │до 0,15 │ до 30 │ до 1000 │
│ │МГц │МГц │ МГц │
├───────────────────────────────────────────┼─────────┼─────────┼─────────┤
│ 1. Амплитудное соотношение для │ │ │ │
│измерения: │ │ │ │
│ квазипикового значения напряжения, Гц │ 74
<1> │ 3160
<2>│22700
<2>│
│ пикового значения напряжения, Гц │ 149
<3> │ 6720
<3>│89500
<3>│
│ среднего квадратического значения │ 45,4
<1>│ 610
<2> │ 2230
<2>│
│напряжения, Гц │ │ │ │
│ среднего значения напряжения, Гц │0,71F
<4>│0,71F
<4>│0,71F
<4>│
│ │ │ │ │
│ 2. Погрешность выполнения амплитудного │ │ │ │
│соотношения, дБ, не более
<5> │ │ │ │
│ ├─────────┴─────────┴─────────┤
│ 3. Импульсная характеристика для │ │
│измерения: │ │
│ квазипикового значения напряжения │
Таблица 3 │
│ среднего квадратического значения │
Таблица 4 │
│напряжения │ │
│ относительная импульсная характеристика│
Таблица 5 │
│измерителя ИРП при включенном квазипиковом │ │
│детекторе к детектору средних значений │ │
├───────────────────────────────────────────┴─────────────────────────────┤
│ <1> При F = 25 Гц (F - частота повторений импульсов). │
│ <3> При F, указанных в ТУ (при этом минимальное значение F должно│
│быть не более 10 Гц). │
│ <4> При F, указанных в ТУ. │
│ <5> Для детектора среднего квадратического значения указанная│
│погрешность должна обеспечиваться на частотах повторения импульсов 25,│
│500 и 5000 Гц в полосах частот от 0,009 до 0,15 МГц, от 0,15 до 30 МГц│
│и от 30 до 1000 МГц соответственно. Для частот, отличающихся от│
│указанных, допускается дополнительная погрешность + 1,5 дБ │
└─────────────────────────────────────────────────────────────────────────┘
Параметры квазипикового детектора, определяющие квазипиковое значение ИРП и обеспечивающие выполнение требований
таблицы 3 в части измерения квазипикового значения ИРП, приведены в
Приложении Б.
Расчетные значения импульсной и эффективной полос пропускания измерителя ИРП приведены в
Приложении В.
Таблица 3
Импульсная характеристика для измерения
квазипикового значения напряжения
┌───────────────────┬────────────────────────────────────────────┐
│ Частота повторения│ Значение параметра, дБ, в полосе частот │
│ импульсов F, Гц │ │
│ ├──────────────┬──────────────┬──────────────┤
│ │ от 9 до 150 │ от 0,15 до 30│ от 30 до 1000│
│ │ кГц │ МГц │ МГц │
├───────────────────┼──────────────┼──────────────┼──────────────┤
│ 1000 │ - │ -4,5 +/- 1,0 │ -8,0 +/- 1,0 │
│ │ │ │ │
│ 100 │ -4 +/- 1,0 │ 0 │ 0 │
│ │ │ │ │
│ 60 │ -3 +/- 1,0 │ - │ - │
│ │ │ │ │
│ 25 │ 0 │ - │ - │
│ │ │ │ │
│ 20 │ - │ +6,5 +/- 1,0 │ +9,0 +/- 1,0 │
│ │ │ │ │
│ 10 │ +4,0 +/- 1,0 │ +10,0 +/- 1,5│ +14,0 +/- 1,5│
│ │ │ │ │
│ 5 │ +7,5 +/- 1,5 │ - │ - │
│ │ │ │ │
│ 2 │ +13,0 +/- 2,0│ +20,5 +/- 2,0│ +26,0 +/- 2,0│
│ │ │ │ │
│ 1 │ +17,0 +/- 2,0│ +22,5 +/- 2,0│ +28,5 +/- 2,0│
│ │ │ │ │
│ Одиночный импульс │ +19,0 +/- 2,0│ +23,5 +/- 2,0│ +31,5 +/- 2,0│
│ (F < 0,3 Гц) │ │ │ │
│ │ │ │ │
├───────────────────┴──────────────┴──────────────┴──────────────┤
│ Примечание: значения импульсной характеристики в полосе│
│частот от 30 до 1000 МГц на частотах повторения импульсов 2 Гц │
│и ниже являются рекомендуемыми. │
└────────────────────────────────────────────────────────────────┘
Таблица 4
Импульсная характеристика для измерения среднего
квадратического значения напряжения
┌──────────────────────────────┬─────────────────────────────────┐
│ Частота повторения │ Значение параметра, дБ, в │
│ импульсов F, Гц │ полосе частот │
│ ├────────────────┬────────────────┤
│ │от 9 до 150 кГц │ от 0,15 до 1000│
│ │ │ МГц │
├──────────────────────────────┼────────────────┼────────────────│
│ 1000 │ - │ - │
│ │ │ │
│ 100 │ -6,0 +/- 0,6 │ 0 │
│ │ │ │
│ 25 │ 0 │ - │
│ │ │ │
│ 20 │ - │ +7,0 +/- 0,7 │
│ │ │ │
│ 10 │ +4,0 +/- 1,0 │ +10,0 +/- 1,0 │
│ │ │ │
│ 2 │ +11,0 +/- 1,7 │ +17,0 +/- 1,7 │
│ │ │ │
│ 1 │ +14,0 +/- 2,0 │ +20,0 +/- 2,0 │
├──────────────────────────────┴────────────────┴────────────────┤
│ Примечание: значения импульсной характеристики на частотах│
│повторения импульсов ниже 10 Гц являются рекомендуемыми. │
└────────────────────────────────────────────────────────────────┘
Таблица 5
Отношения показаний измерителя ИРП с квазипиковым
детектором к показаниям при использовании детектора
средних значений
┌───────────────────┬────────────────────────────────────────────┐
│ Частота повторения│ Значение параметра, дБ, в полосе частот │
│ импульсов F, Гц │ │
│ ├──────────────┬──────────────┬──────────────┤
│ │ от 9 до 150 │ от 0,15 до 30│ от 30 до 1000│
│ │ кГц │ МГц │ МГц │
├───────────────────┼──────────────┼──────────────┼──────────────┤
│ 10000 │ - │ - │ 20,8 +/- 1,0 │
│ │ │ │ │
│ 1000 │ - │ 17,4 +/- 1,0 │ 38,1 +/- 1,0 │
│ │ │ │ │
│ 100 │ 4,5 +/- 1,0 │ 32,9 +/- 1,0 │ 50,1 +/- 1,0 │
│ │ │ │ │
│ 25 │12,4 +/- 1,0 │ - │ - │
└───────────────────┴──────────────┴──────────────┴──────────────┘
4.2.4. Измеритель ИРП должен иметь несимметричный вход с номинальным значением сопротивления 50 Ом с

не более 2 при ослаблении входного аттенюатора 0 дБ и не более 1,2 при ослаблении входного аттенюатора 10 дБ и более.
В полосе частот от 0,009 до 0,15 МГц рекомендуется дополнительно обеспечивать симметричный вход (с помощью встроенного или внешнего симметрирующего устройства) с номинальным значением сопротивления 600 Ом при тех же значениях

.
Степень симметрии симметричного входа должна быть не менее 40 дБ.
4.2.5. Измеритель ИРП должен иметь несимметричный выход промежуточной частоты, параметры которого должны соответствовать следующим требованиям:
- модуль полного сопротивления - 50 Ом с допустимым отклонением не более 10%;
- аргумент (абсолютное значение) - не более 20 град.;
- характеристика избирательности, измеренная на выходе промежуточной частоты, должна соответствовать требованиям
пункта 2 таблицы 1.
4.2.6. Измеритель ИРП должен иметь несимметричный выход на регистрирующее устройство (самописец, печатающее устройство и т.п.), параметры которого должны соответствовать следующим требованиям:
- модуль полного сопротивления - 1 кОм с допустимым отклонением не более 20%;
- изменение показания измерителя ИРП при подключении к выходу устройства с номинальным сопротивлением 1 кОм - не более 0,2 дБ.
Примечания.
1. При использовании измерителя ИРП и регистрирующего устройства для измерения и регистрации несинусоидальных ИРП на выходе должна обеспечиваться импульсная характеристика в соответствии с
п. 3 таблицы 2.
2. У измерителя ИРП рекомендуется иметь выход для подключения средств вычислительной техники.
3. У измерителя ИРП рекомендуется иметь несимметричный выход синхронного генератора.
4.2.7. Погрешность, вносимая собственными шумами, должна быть не более 1 дБ.
4.2.8. Погрешность установки частоты должна быть указана в ТУ и обеспечивать требования по установке частоты измерений по
ГОСТ Р 51320.
4.2.9. Сетевой коэффициент помехозащищенности в полосе частот от 0,009 до 100 МГц должен быть не менее 90 дБ и не менее (D + 20) дБ, где D - максимальное ослабление входного аттенюатора измерителя ИРП, указанное в ТУ.
4.2.10. Значение напряженности испытательного электромагнитного поля, при котором дополнительная погрешность измерителя ИРП не превышает 1 дБ, должна быть не менее 3 В/м и не более верхнего предела измерения напряженности поля, указанного в ТУ.
4.2.11. Измеритель ИРП должен обеспечивать возможность слухового контроля ИРП, имеющих амплитудную и частотную (на частотах выше 30 МГц) модуляцию с помощью встроенных или подключаемых приборов или устройств.
4.3. Требования к эквивалентам сети
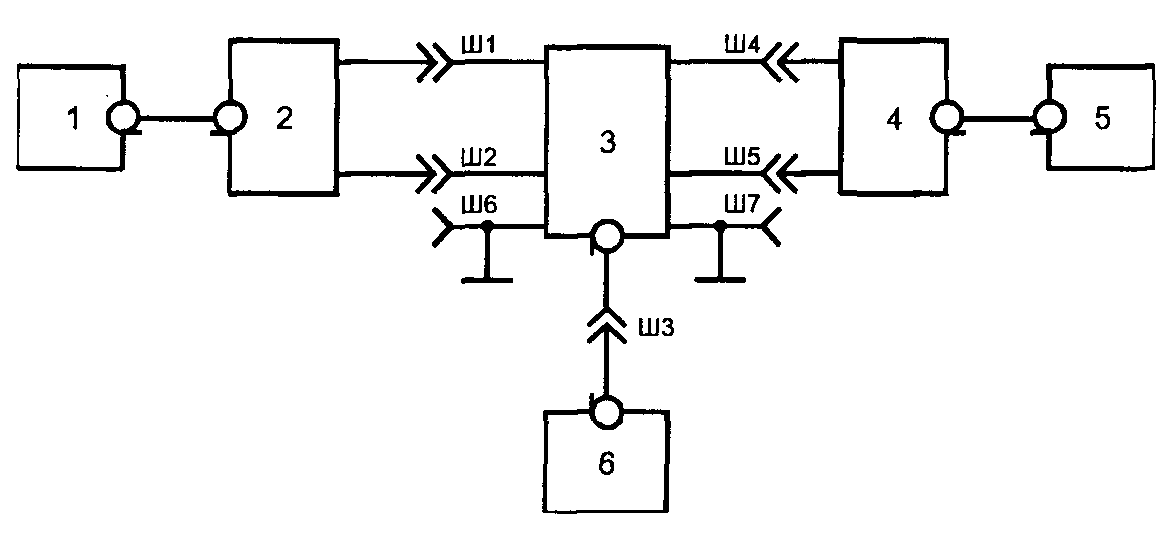
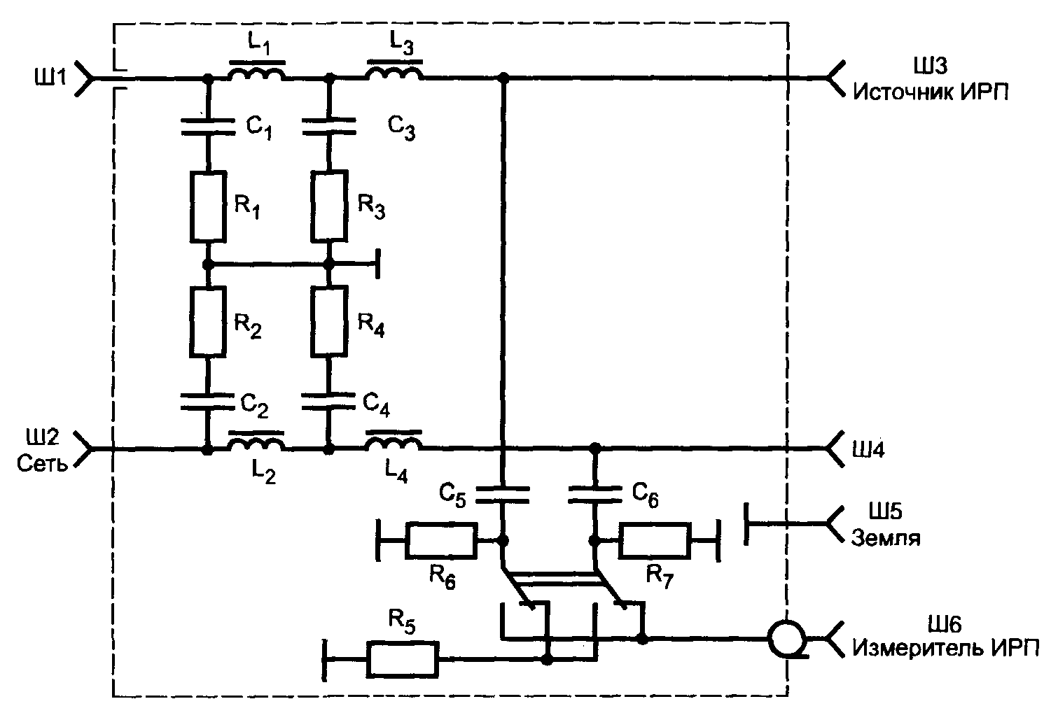
4.3.1. V-образные эквиваленты сети должны содержать разъемы, предназначенные для подключения источника ИРП ("Источник ИРП"), электрической сети ("Сеть электропитания"), измерителя ИРП ("Измеритель ИРП"), устройства заземления ("Земля").
4.3.2. V-образные эквиваленты сети могут конструироваться как двухпроводные и многопроводные.
V-образный эквивалент сети должен обеспечивать измерение несимметричного напряжения ИРП между каждым из разъемов "Источник ИРП" и разъемом "Земля" и иметь соответствующий встроенный или выносной переключатель для измерения напряжения в каждом проводе.
4.3.3. Параметры V-образных эквивалентов сети должны соответствовать требованиям таблицы 6. Примеры схем V-образных эквивалентов сети приведены в
Приложении Г.
Таблица 6
Параметры V-образных эквивалентов сети различных типов
┌─────────────────────────────┬───────────────────────────────────────────┐
│ Наименование │ Значение параметра │
│ параметра │ │
│ ├──────────┬──────────┬──────────┬──────────┤
│ │ Тип 1 │ Тип 2 │ Тип 4 │ Тип 5 │
├─────────────────────────────┼──────────┼──────────┼──────────┼──────────┤
│ 1. Вид эквивалента сети │V-образный│V-образный│V-образный│V-образный│
│ │ │ │ │ │
│ 2. Полоса рабочих частот,│ От 0,009 │ От 0,15 │От 0,15 │ От 0,15 │
│ МГц │ до 0,15 │ до 30 │ (0,009 │ до 100 │
│ │ │ │ │ │
│ 3. Максимальный рабочий │ 6 или 10 │ 6; 10 │6; 10; 25 │6; 10; 25 │
│ ток частоты 50 Гц, А │ │ или 25 │ или 100 │ или 100 │
│ │ │ │ │ │
│ 4. Максимальное напряже-│ │ │ │ │
│ние электропитания, В : │ │ │ │ │
│ постоянное │ 250 │ 250 │ 500 │ 500 │
│ переменное: │ │ │ │ │
│ 50 Гц │ 250 │ 250 │ 250 │ 250 │
│ 400 Гц │ - │ - │ 140 │ 140 │
│ │ │ │ │ │
│ 5. Падение напряжения │ 5 │ 5 │ 5 │ 5 │
│электропитания на частоте │ │ │ │ │
│50 Гц при максимальном │ │ │ │ │
│рабочем токе, В, не более │ │ │ │ │
│ │ │ │ │ │
│ │ │ │ │ │
│ 7. Аргумент полного вход-│ - │ 20 │ - │ - │
│ного сопротивления (абсолют- │ │ │ │ │
│ное значение), град, не более│ │ │ │ │
│ │ │ │ │ │
│ 8. Затухание фильтра, дБ,│ │ │ │ │
│не менее │ - │ 30 │ - │ - │
│ │ │ │ │ │
│ 9. Переходное затухание │ 20 │ 20 │ 20 │ 20 │
│многофазных эквивалентов сети│ │ │ │ │
│дБ, не менее │ │ │ │ │
│ │ │ │ │ │
│ 10. Коэффициент калибров-│ 12 │ - │ 12 │ 12 │
│ки, дБ, не более │ │ │ │ │
│ │ │ │ │ │
│ 11. Погрешность коэффици-│ 1 │ 1 │ 1 │ 1 │
│ента калибровки, дБ, не более│ │ │ │ │
├──────────────────────── │
│ <*> Нижняя частота 0,009 МГц является рекомендумой │
│ <**> Для полосы частот от 9 до 150 кГц │
│ │
└─────────────────────────────────────────────────────────────────────────┘
4.3.4. Эквивалент сети должен снабжаться кабелем для присоединения к сети электропитания. Кабель должен быть экранированным и иметь специальный контакт для заземления экрана кабеля.
где f - частота, кГц
Рисунок 4. Модуль полного входного сопротивления
V-образного эквивалента сети типа 1 (50 Ом/50 мкГн + 5 Ом)
где f - частота, МГц
Рисунок 5. Модуль полного входного сопротивления V-образного
эквивалента сети типа 4 (50 Ом/50 мкГн)
где f - частота, кГц
Рисунок 6. Модуль полного входного сопротивления V-образного
эквивалента сети типа 5 (50 Ом/5 мкГн + 1 Ом)
4.3.5. Т-образный эквивалент сети является измерительным устройством, подключаемым к измерителю ИРП и обеспечивающим измерение общего несимметричного напряжения ИРП на линейных зажимах устройств, подключаемых к симметричным двухпроводным линиям связи.
Т-образный эквивалент сети должен содержать зажимы, предназначенные для подключения источника ИРП ("Источник ИРП"), линии связи ("Линия связи"), устройства заземления ("Земля") и разъем для подключения измерителя ИРП ("Измеритель ИРП").
4.3.6. Параметры Т-образного эквивалента сети должны соответствовать требованиям, приведенным в таблице 7. Пример схемы Т-образного эквивалента сети приведен в
Приложении Г.
Таблица 7
Параметры Т-образного эквивалента сети
┌──────────────────────────────────────────┬─────────────────┬────────────┐
│ Наименование параметра │ Полоса частот │ Значение │
│ │ │ параметра │
├──────────────────────────────────────────┼─────────────────┼────────────┤
│ 1. Модуль полного входного сопротив- │От 0,15 до 30 МГц│ 150 +/- 20%│
│ления, Ом │ │ │
│ │ │ │
│ 2. Затухание для общего несимметрично-│От 0,15 до 30 МГц│ 10,5 │
│го сигнала от разъемов "Источник ИРП" │ │ │
│к разъему "Измеритель ИРП" (коэффициент│ │ │
│калибровки), дБ, не более │ │ │
│ Погрешность коэффициента калибровки,│От 0,15 до 30 МГц│ 1 │
│дБ, не более │ │ │
│ │ │ │
│ 3. Затухание для общего несимметрично-│От 0,15 до 30 МГц│ 20 │
│го сигнала от разъемов "Линия связи" │ │ │
│к разъему "Измеритель ИРП", дБ, не менее │ │ │
│ │ │ │
│ 4. Затухание симметричного сигнала в│От 0,15 до 1 МГц │ 60 │
│цепи измерения общей несимметричной │ │ │
│составляющей, дБ, не менее │ │ │
│ │ │ │
│ 5. Вносимое затухание для симметрично-│ │ │
│го сигнала, дБ, не более: │ │ │
│ при сопротивлении нагрузки 600 Ом │ От 0,3 до 10 кГц│ 6 │
│ при сопротивлении нагрузки 150 Ом │ От 10 до 600 кГц│ 3 │
└──────────────────────────────────────────┴─────────────────┴────────────┘
4.3.7. Т-образный эквивалент сети должен быть укомплектован эквивалентом нагрузки, который при необходимости подключается к разъему "Измеритель ИРП" вместо измерителя ИРП. Номинальное значение сопротивления эквивалента нагрузки должно быть равно номинальному значению входного сопротивления измерителя ИРП, с которым используется эквивалент сети;

должен быть не более 1,1.
4.3.8. ЭПСС должен иметь следующие характеристики:
а) модуль полного входного общего несимметричного сопротивления в полосе частот от 0,15 до 30 МГц должен составлять (150 +/- 20) Ом, фазовый угол (0 +/- 20) град.;
б) ЭПСС должен обеспечивать достаточную развязку от ИРП, создаваемых вспомогательным оборудованием, подключенным к испытуемому порту связи.
Рекомендуемые значения затухания для общего несимметричного сигнала от разъемов "Линия связи" к разъему "измеритель ИРП":
- от 35 до 55 дБ при линейном возрастании с логарифмом частоты в полосе частот от 0,15 до 1,5 МГц;
- более 55 дБ в полосе частот от 1,5 до 30 МГц.
Примечание. Развязка дает уменьшение связи для общего несимметричного напряжения ИРП, создаваемых вспомогательным оборудованием и проявляющихся на испытуемом порте.
в) Затухание симметричного сигнала в цепи измерения общего несимметричного напряжения ИРП должно быть обеспечено по одному из трех вариантов:
1) (80 +/- 3) дБ в полосе частот от 0,15 до 1,5 МГц;
от (80 +/- 3) до (55 +/- 3) дБ при линейном уменьшении с логарифмом частоты в полосе частот от 1,5 до 30 МГц;
2) (50 +/- 3) дБ в полосе частот от 0,15 до 1,5 МГц;
от (50 +/- 3) до (25 +/- 3) дБ при линейном уменьшении с логарифмом частоты в полосе частот от 1,5 до 30 МГц;
3) (60 +/- 3) дБ в полосе частот от 0,15 до 1,5 МГц;
от (60 +/- 3) до (35 +/- 3) дБ при линейном уменьшении с логарифмом частоты в полосе частот от 1,5 до 30 МГц.
Примечание. Затухание симметричного сигнала в цепи измерения общего несимметричного напряжения ИРП определяют с учетом
[1].
4.4. Требования к пробникам напряжения
4.4.1. Пробник напряжения должен содержать разъемы, предназначенные для подключения источника ИРП ("Источник ИРП"), измерителя ИРП ("Измеритель ИРП"), устройства заземления ("Земля").
4.4.2. Пробники напряжения конструируются как однопроводные, содержащие один разъем "Источник ИРП", так и многопроводные, содержащие несколько разъемов "Источник ИРП".
Многопроводные пробники напряжения должны обеспечивать измерение несимметричного напряжения между каждым из разъемов "Источник ИРП" и разъемом "ЗЕМЛЯ" и иметь соответствующий переключатель для измерения напряжения в каждом проводе.
4.4.3. Пробник напряжения должен быть укомплектован эквивалентом нагрузки, который при необходимости подключается к разъему "Измеритель ИРП" вместо измерителя ИРП. Номинальное значение сопротивления эквивалента нагрузки должно быть равно номинальному значению входного сопротивления измерителя ИРП, с которым используется пробник напряжения; при этом

должен быть не более 1,1.
4.4.4. Параметры пробников напряжения должны соответствовать требованиям таблицы 8.
Таблица 8
Параметры пробников напряжения различных типов
───────────────────────────────────┬───────────────────────────────────────
Наименование параметра │ Значение параметра
├────────────┬────────────┬────────────
│ Тип 1 │ Тип 2 │ Тип 3
──────────────────────────────────┼────────────┼────────────┼────────────
1. Модуль полного входного │ │ │
сопротивления в полосах частот, │ │ │
Ом: │ │ │
от 9 до 150 кГц │ Z
<*> │1500 +/- 200│ -
от 0,15 до 30 МГц │ 150 +/- 20 │1500 +/- 200│ -
от 30 до ПО МГц │ 150 +/- 30 │ - │ -
2. Фазовый угол в полосах │ │ │
частот, град.: │ │ │
от 9 до 150 кГц │ - │ │
от 0,15 до 30 МГц │ от -30 │ от -30 │
│ до +30 │ до +30 │
от 30 до 110 МГц │ от -40 │ - │ -
│ до +10 │ │
3. Активная составляющая вход-│ - │ - │0,08 +/- 25%
ной проводимости в полосе частот│ │ │
от 0,15 до 30 МГц, мСм │ │ │
4. Входная емкость в полосе│ - │ - │ 15
частот от 0,15 до 30 МГц, пФ,│ │ │
не более │ │ │
5. Переходное затухание много-│ 20 │ 20 │ 20
проводных пробников напряжения, │ │ │
дБ, не менее │ │ │
6. Максимальное напряжение │ │ │
провод - земля, В: │ │ │
постоянное │ 500 │ 250 │ 250
переменное частоты: │ │ │
50 Гц │ 250 │ 250 │ 250
400 Гц │ 250 │ 140 │ -
7. Коэффициент калибровки в│ 20 │ - │ -
полосе частот от 0,15 до 100 МГц,│ │ │
дБ, не более │ │ │
8. Погрешность коэффициента │ 1 │ 1 │ 1
калибровки, дБ, не более │ │ │
──────────────
<*>

где f - частота, кГц
───────────────────────────────────────────────────────────────────────────
4.5. Требования к антеннам
4.5.1. Типы используемых антенн
4.5.1.1. В полосе частот от 0,009 до 30 МГц в комплект должны входить магнитная и электрическая антенны.
Магнитная антенна - электрически экранированная рамочная антенна, имеющая такие размеры, чтобы ее рамка помещалась в квадрат со стороной не более 0,6 м, или ферритовая антенна длиной не более 0,5 м.
Электрическая антенна - несимметричный вертикальный вибратор длиной (1 +/- 0,03) м с горизонтальным противовесом у основания антенны, имеющим размеры не менее 2 x 2 м, или диполь длиной каждого вибратора не более 1 м.
Конструкция антенн (антенного штатива) должна обеспечивать возможность плавного изменения высоты расположения антенны над землей от 0,8 до 1,25 м, а также возможность поворота магнитной и дипольной антенн на 360 град. вокруг оси.
Примечания. 1. При измерении напряженности поля на расстоянии R > 10 м от источника ИРП допускается использовать несимметричный вибратор длиной более 1 м, но не более R/10 м.
2. В комплект рекомендуется включать симметричный широкополосный вибратор длиной не более 1 м, а также малогабаритный симметричный широкополосный вибратор длиной не более 0,2 м.
3. В комплект рекомендуется включить ТРА. Конструкция ТРА и методика ее калибровки приведены в
Приложении Д.
4.5.1.2. В полосе частот от 30 до 1000 МГц в комплект должны входить одна или несколько электрических антенн одного из следующих типов:
а) линейный симметричный вибратор на полосу частот от 30 до 80 МГц, размер которого равен длине полуволнового симметричного вибратора на частоте 80 МГц, и настраиваемый полуволновой симметричный вибратор в полосе частот от 80 до 1000 МГц, имеющий

не более 2,5;
б) биконическая антенна, максимальный размер которой не более 1,35 м в полосе частот от 30 до 300 МГц, имеющая

не более 3,0, и не более 0,5 м в полосе частот от 300 до 1000 МГц, имеющая

не более 2,5;
в) широкополосная антенна, главный лепесток диаграммы направленности которой таков, что в направлении непосредственного излучения от источника ИРП и в направлении отраженного от земли луча разность в коэффициенте усиления антенны не превышает 1 дБ, имеющая

не более 2,5.
Конструкция антенны (антенного штатива) должна обеспечивать возможность плавного изменения высоты центра симметрии над землей от 1 до 4 м и поворота вокруг горизонтальной оси на 180 град.
4.5.2. Симметричные антенны (симметричный вибратор, биконическая, рамочная и ферритовая) при изменении ориентации в однородном поле должны обеспечивать отношение максимального выходного напряжения к минимальному не менее 20 дБ.
4.5.3. Антенны должны иметь коэффициент калибровки, позволяющий измерять уровни полей в соответствии с требованиями действующих нормативных документов.
Рекомендуемый коэффициент калибровки антенн - не более 40 дБ. Погрешность коэффициента калибровки должна быть не более 2 дБ.
4.5.4. В ТУ на активные антенны должны быть указаны требования к интермодуляции второго и третьего порядков и требования по блокированию.
4.6. Требования к поглощающим клещам
4.6.1. Поглощающие клещи должны конструироваться таким образом, чтобы ими можно было охватить провод электропитания источника ИРП с напряжением до 220 В без его отключения или демонтирования сетевого соединителя.
Поглощающие клещи должны обеспечивать измерение мощности от источников ИРП, потребляющих ток до 25 А.
4.6.2. Параметры поглощающих клещей в полосе частот от 30 до 1000 МГц должны соответствовать требованиям таблицы 9.
Таблица 9
Параметры поглощающих клещей в полосе частот
от 30 до 1000 МГц
┌───────────────────────────────────────────┬─────────────────────────────┐
│ Наименование параметра │ Значение параметра │
├───────────────────────────────────────────┼─────────────────────────────┤
│ 1. Входное сопротивление: │ │
│ активная составляющая, Ом │ От 100 до 250 │
│ реактивная составляющая (абсолютное│ 20 % активной составляющей │
│значение), Ом, не более │ │
│ 2. Затухание, вносимое в провод │10,0 (значение рекомендуемое)│
│электропитания источника ИРП, дБ, не менее │ │
│ 3. Изменение коэффициента калибровки от│ 0,5 │
│подмагничивания рабочим током, дБ, не более│ │
│ 4. Погрешность коэффициента калибровки,│ 2,0 │
│дБ, не более │ │
└───────────────────────────────────────────┴─────────────────────────────┘
4.7. Требования к токосъемникам
4.7.1. Токосъемники должны обеспечивать измерения силы тока ИРП в полосе от 0,009 до 300 МГц без отключения или разрыва провода при измерении. Токосъемники могут разрабатываться на всю полосу частот или на отдельные ее участки.
4.7.2. Значения рабочего тока токосъемника (постоянного или переменного частотой 50 Гц) следует выбирать из ряда: 6, 10, 25, 100, 250 А.
4.7.3. Изменение коэффициента калибровки от подмагничивания рабочим током должно быть не более 1 дБ.
4.7.4. При помещении токосъемника, подключенного к измерителю ИРП, в однородное электрическое поле напряженностью 3 В/м показания измерителя ИРП не должны превышать нижний предел измерения.
4.7.5. В полосе частот от 0,009 до 1 МГц токосъемник должен иметь коэффициент калибровки К <= 10 (1 - lgf), дБ, где f - частота, МГц.
В полосе частот выше 1 МГц токосъемник должен иметь коэффициент калибровки не более 10 дБ.
Погрешность коэффициента калибровки токосъемников должна быть не более 2 дБ.
4.7.6. Разность показаний измерителя ИРП, к которому подключен токосъемник, при двух положениях токосъемника относительно токонесущего провода: провод внутри токосъемника (охвачен токосъемником) и провод снаружи токосъемника в непосредственной близости от него - должна быть не менее 40 дБ.
4.7.7. Сопротивление, вносимое токосъемником в измеряемую цепь, должно быть не более 1 Ом.
4.8. Требования к анализаторам кратковременных ИРП
4.8.1. Анализатор кратковременных ИРП (далее в тексте - анализатор ИРП) должен подключаться к выходу промежуточной частоты измерителя ИРП на полосу частот от 0,15 до 30 МГц.
Примечание. Анализатор ИРП может быть встроен в измеритель ИРП или иметь с ним общие блоки.
4.8.2. Анализатор ИРП должен иметь канал, подключаемый к выходу промежуточной частоты измерителя ИРП, для измерения длительности помех на установленном уровне (далее в тексте - уровень анализа).
4.8.3. Анализатор ИРП должен иметь канал, содержащий квазипиковый детектор, для сравнения квазипикового напряжения помех с нормируемым значением или канал подключения к выходу детектора измерителя ИРП.
4.8.4. Уровень анализа определяется значением синусоидального сигнала, поданного на вход приемника, квазипиковое значение которого равно нормируемому значению. Калибровка уровня анализа должна производиться в децибелах относительно 1 мкВ. Должна быть обеспечена регулировка уровня анализа в диапазоне не менее 5 дБ при фиксированном положении аттенюаторов измерителя ИРП.
4.8.5. Погрешность установки уровня анализа должна соответствовать значению, указанному в
4.2.1.
4.8.6. Характеристика избирательности измерителя ИРП с анализатором ИРП должна соответствовать требованиям
4.2.2.
4.8.7. Импульсные параметры измерителя ИРП с анализатором ИРП должны соответствовать требованиям
таблицы 2 для полосы частот от 0,15 до 30 МГц в части измерения квазипикового значения напряжения.
4.8.8. Анализатор ИРП должен регистрировать кратковременные ИРП, квазипиковое напряжение которых превышает нормируемое значение. При этом он должен:
- регистрировать число помех, длительность которых равна или составляет менее 200 мс;
- регистрировать помехи, длительность которых более 200 мс;
- регистрировать появление в любом двухсекундном интервале более двух помех;
- фиксировать, что помехи, длительность каждой из которых не превышает 10 мс, имеют частоту повторения не более 5 в минуту;
- фиксировать, что общая продолжительность помех длительностью более 200 мс превысила 600 мс;
- регистрировать продолжительность испытаний (в минутах).
Примечание. За одну помеху принимается совокупность радиоимпульсов на выходе промежуточной частоты измерителя ИРП, в которой временной интервал между любыми соседними импульсами составляет менее 200 мс.
4.8.9. Погрешность измерения временных интервалов и частоты повторения помех должна быть не более +/- 5%.
4.9. Требования безопасности
| | ИС МЕГАНОРМ: примечание. ГОСТ 26104-89 утратил силу с 1 июля 2001 года в связи с введением в действие ГОСТ Р 51350-99 (Постановление Госстандарта России от 16.01.2001 N 14-ст). | |
Требования безопасности должны соответствовать требованиям ГОСТ 26104. Эквиваленты сети и пробники напряжения должны иметь вывод заземления и должны быть снабжены надписью "Без заземления не включать".
5.1. Измерительная аппаратура
5.1.1. Для проведения испытаний приборов, предназначенных для измерения ИРП, необходима измерительная аппаратура с параметрами, указанными в
таблице 10. Допускается использование измерительной аппаратуры, состоящей из нескольких измерительных приборов, обеспечивающих указанные значения параметров. Перечень измерительной аппаратуры, рекомендуемой для проведения испытаний приборов, приведен в
Приложении Е.
Таблица 10
Параметры измерительной аппаратуры для испытаний приборов
для измерения ИРП
┌───────────────────────────────────────────────────┬────────────┬────────┐
│ Наименование измерительного прибора и его │ Значение │ Номер │
│ основные параметры │ параметра │ пункта │
├───────────────────────────────────────────────────┼────────────┼────────┤
│ 1.Генератор синусоидальных сигналов или измери-│ │ │
│тельная установка, включающая генератор сигналов,│ │ │
│вольтметр переменного тока, аттенюатор и измеритель│ │ │
│ослабления: │ │ │
│ погрешность установки выходного напряжения, дБ,│ 0,5 │
5.3.2.3 │
│не более │ │ │
│ │ │ │
│ │ │ │
│ погрешность установки относительных значений│ 0,3 │
5.3.12 │
│выходного напряжения, дБ, не более │ │ │
│ │ │ │
│ │ │ │
│ номинальное значение выходного сопротивления, │В соответ- │
5.3.2 - │
│ │минальным │ │
│ │значением │ │
│ │входного со-│ │
│ │противления │ │
│ │измерителя │ │
│ │ИРП │ │
│ │ │ │
│ │ │ │
│ K выходного сопротивления, не более │ 1,2 │
5.3.2 - │
│ │ │ │
│ коэффициент нелинейных искажений, %, не более │ 5,0 │
5.3.2 - │
│ │ │ │
│ │ │ │
│ погрешность установки частоты, %, не более │ 1,0 │
5.3.2 - │
│ │ │ │
│ нестабильность выходного напряжения за 10 мин, │ 0,3 │
5.3.2 - │
├───────────────────────────────────────────────────┼────────────┼────────┤
│ 2. Образцовая измерительная установка для изме-│ │ │
│рения напряженности электрического и магнитного│ │ │
│полей или генератор образцового поля: │ │ │
│ погрешность измерения образцового поля (или его│ 0,7 │
5.3.2.4 │
│установки), дБ, не более │ │ │
├───────────────────────────────────────────────────┼────────────┼────────┤
│ 3. Образцовая измерительная установка, включа- │ │ │
│ющая генератор синусоидальных сигналов, провод│ │ │
│(линию) и термопреобразователь для измерения тока │ │ │
│ в проводе: │ │ │
│ погрешность измерения тока (или его установки),│ 0,7 │
5.3.2.6 │
│дБ, не более │ │ │
├───────────────────────────────────────────────────┼────────────┼────────┤
│ 4. Аттенюатор: │ │ │
│ ослабление, дБ │ 10 +/- 5 │
5.3.26 -│
│ │ │ │
│ │ │ │
│ номинальное сопротивление, Ом │ 50,0 │ - │
│ │ │ │
│ K сопротивления, не более │ 1,1 │ - │
│ стU │ │ │
│ погрешность установки ослабления, дБ, не более │ 0,3 │
5.3.2.2,│
├───────────────────────────────────────────────────┼────────────┼────────┤
│ 5. Частотомер: погрешность измерения частоты,│ -3 │
5.3.5, │
├───────────────────────────────────────────────────┼────────────┼────────┤
│ 6. Измеритель полных сопротивлений (проводимос-│ │
5.3.9.1,│
│тей) или измеритель K : │ │
5.3.10, │
│ │ │ │
│ погрешность измерения сопротивления (проводи-│ 5,0 │ │
│мостей), %, не более │ │ │
│ │ │ │
│ погрешность измерения K , %, не более │ 10,0 │ │
│ стU │ │ │
├───────────────────────────────────────────────────┼────────────┼────────┤
│ 7. Импульсный генератор: │ │ │
│ диапазон изменения спектральной плотности, дБ,│ 50,0 │
5.3.7, │
│ погрешность установки относительных значений│ 2,0 │
5.3.7 │
│спектральной плотности, дБ, не более │ │ │
│ │ │ │
│ неравномерность спектральной плотности в полосе│ 2,0 │
5.3.7 │
│рабочих частот измерителя ИРП, дБ, не более │ │ │
│ │ │ │
│ граничная частота характеристики спектральной│ │ │
│плотности, на которой ее значение на 10 дБ ниже│ │ │
│значения на рабочих частотах измерителя ИРП│ │ │
│для полосы частот, МГц, не более: │ │ │
│ от 0,009 до 0,15 МГц │ 0,3 │
5.3.7 │
│ │ │ │
│ от 0,15 до 30 МГц │ 60,0 │ │
│ │ │ │
│ от 30 до 300 МГц │ 600,0 │ │
│ │ │ │
│ от 300 до 1000 МГц │ 2000,0 │ │
│ │ │ │
│ изменение спектральной плотности при изменении│ 0,5 │
5.3.8.1,│
│частоты повторения импульсов, дБ, не более │ │
5.3.8.3,│
│ │ │ │
│ │ │ │
│ частота повторения импульсов для полосы частот:│ │ │
│ │ 3│ │
│ от 0,009 до 0,15 МГц, Гц │ От 0 до 10 │
5.3.8.3,│
│ │ 4│ │
│ от 0,15 до 30 МГц, Гц │ От 0 до 10 │ │
│ │ │ │
│ от 30 до 1000 МГц, Гц │ От 0 до │ │
│ │ 5 │ │
│ │ 5 · 10 │ │
│ │ │ │
│ погрешность установки частоты повторения│ 0,5 │
5.3.7, │
│импульсов, %, не более │ │
5.3.8 │
│ │ │ │
│ номинальное значение выходного сопротивления │В соответ- │
5.3.7, │
│ │минальным │ │
│ │значением │ │
│ │входного со-│ │
│ │противления │ │
│ │измерителя │ │
│ │радиопомех │ │
│ │ │ │
│ коэффициент отражения в паузах, не более │ 0,09 │
5.3.7, │
│ │ │ │
├───────────────────────────────────────────────────┼────────────┼────────┤
│ 8. Режекторные фильтры: │ │ │
│ │ │ │
│ вносимое затухание на основной частоте, дБ,│ 40,0 │
5.3.7 │
│не менее │ │ │
│ │ │ │
│ полоса режекции на уровне 6 дБ от вершины│ │ │
│характеристики для полосы частот, кГц: │ │ │
│ от 0,009 до 0,15 МГц │ От 0,4 │ │
│ │ до 4,0 │ │
│ │ │ │
│ от О,15 до 30 МГц │ От 20 │ │
│ │ до 200 │ │
│ │ │ │
│ от 30 до 300 МГц │ От 500 │ │
│ │ до 2000 │ │
│ │ │ │
│ от 300 до 1000 МГц │ От 500 │ │
│ │ до 6000 │ │
│ │ │ │
│ полоса режекции на уровне 6 дБ от уровня│ │ │
│пропускания для полосы частот, МГц, не более: │ │ │
│ от 0,009 до 0,15 МГц │ 0,14 │ │
│ │ │ │
│ от 0,15 до 30 МГц │ 6,80 │ │
│ │ │ │
│ от 30 до 300 МГц │ 68,0 │ │
│ │ │ │
│ от 300 до 1000 МГц │ 200,0 │ │
├───────────────────────────────────────────────────┼────────────┼────────┤
│ 9. Вольтметр переменного тока: │ │
5.3.9.2 │
│ погрешность измерения напряжения, %, не более │ 5 │ │
│ │ │ │
│ пределы измерения напряжения, мВ │ От 10 │ │
│ │ до 3000 │ │
│ │ │ │
│ полоса рабочих частот, кГц │ От 0,1 │ │
│ │ до 30000 │ │
├───────────────────────────────────────────────────┼────────────┼────────┤
│ 10. Вольтметр постоянного тока: │ │
5.3.10 │
│ погрешность измерения напряжения, %, не более │ 5 │ │
│ │ │ │
│ пределы измерения напряжения, мВ │ От 10 │ │
│ │ до 1000 │ │
├───────────────────────────────────────────────────┼────────────┼────────┤
│ 11. Формирователь радиоимпульсов: │ │
5.3.8.1,│
│ полоса рабочих частот, МГц │ От 30 │ │
│ │ до 1000 │ │
│ │ │ │
│ длительность импульсов, мкс │ От 0,6 │ │
│ │ до 0,8 │ │
│ │ │ │
│ частота повторения, Гц │ от 0,3 │ │
│ │ 5│ │
│ │ до 3 · 10 │ │
│ │ │ │
│ │ -3 │ │
│ относительная погрешность установки частоты │ 10 │ │
│повторения, не более │ │ │
│ спектральная плотность, мкВ/Гц, не менее │ 0,3 │ │
│ изменение спектральной плотности при изменении│ │ │
│частоты повторения, дБ, не более │ 0,3 │ │
├───────────────────────────────────────────────────┼────────────┼────────┤
│ 12. Трансформатор симметрирующий со средней │ │
5.3.20, │
│ │ │ │
│ полоса рабочих частот, МГц │ от 0,001 │ │
│ │ до 10 │ │
│ │ │ │
│ симметрия в полосе частот, дБ, не хуже: │ │ │
│ от 0,01 до 0,15 МГц │ 60 │ │
│ │ │ │
│ от 0,15 до 1,0 МГц │ 70 │ │
│ │ │ │
│ от 1,0 до 10,0 МГц │ 50 │ │
│ │ │ │
│ сопротивление первичной обмотки, Ом │ 50 │ │
│ │ │ │
│ сопротивление каждой половины вторичной │ 100 │ │
│обмотки, Ом │ │ │
├───────────────────────────────────────────────────┴────────────┴────────┤
│ Примечания: │
│ 1. Для получения у генератора синусоидальных сигналов коэффициента│
│нелинейных искажений 0,3% допускается включение на выходе генератора│
│полосового фильтра или фильтра нижних частот. │
│ 2. Методы проверки характеристик режекторных фильтров приведены в│
│ 3. Измерительная аппаратура, если это не оговорено в таблице, должна│
│обеспечивать проведение испытаний во всей полосе рабочих частот│
│проверяемых приборов. │
└─────────────────────────────────────────────────────────────────────────┘
5.2. Подготовка к испытаниям
5.2.1. Метод отбора образцов для испытаний приборов должен быть указан в ТУ на приборы конкретных типов.
5.2.2. Перед испытанием проверяемые приборы должны быть подготовлены к работе в соответствии с инструкциями по эксплуатации.
5.2.3. Проверку параметров можно производить на отдельных частотах и при определенных напряжениях, указанных в ТУ. При этом проверка должна гарантировать выполнение технических требований во всей полосе рабочих частот проверяемых приборов и при всех значениях измеряемых напряжений, напряженностей поля, мощности и силы тока.
При проверке, если это не оговорено особо, показание индикатора измерителя ИРП должно составлять не менее 75% от максимального показания, указанного в ТУ.
5.3. Проведение испытаний
5.3.1. Технические требования по
4.1.1 -
4.1.5,
4.1.8 проверяют по технической документации.
5.3.2. Погрешность измерения ИРП
(4.1.6) при измерении комплектом определяют на ряде частот настройки измерителя ИРП, указанных в ТУ, следующим образом.
5.3.2.1. К измерителю ИРП подключают измерительное устройство (эквивалент сети или пробник напряжения, антенну, поглощающие клещи, токосъемник) и подают на него от соответствующей образцовой установки синусоидальный сигнал заданного значения

в децибелах, где

- любое из значений

(напряжение),

(напряженность поля),

(мощность),

(сила тока).
Настраивают измеритель ИРП на частоту сигнала и с помощью измерительного устройства в соответствии с инструкцией по эксплуатации измеряют значение

в децибелах, отмечая показания измерителя ИРП

в децибелах. Если при первичной аттестации была проведена калибровка комплекта, то измеренное значение сигнала вычисляют по формуле
где

- любое из измеренных значений

,

,

,

соответственно;
K - коэффициент калибровки измерительного устройства, указанный в технической документации, который определяют при первичной аттестации, дБ.
Погрешность

в децибелах вычисляют по формуле
Если измерительное устройство калибруется независимо, то коэффициент калибровки

, в децибелах вычисляют по формуле
Погрешность

в децибелах вычисляют по формуле
Использование измерителя ИРП показано в
5.3.2.7.
5.3.2.2. Методом образцового аттенюатора определяют погрешность относительных измерений измерителя ИРП

в децибелах, для чего подают на вход измерителя синусоидальное напряжение от генератора синусоидальных сигналов через образцовый аттенюатор с погрешностью установки ослабления не более 0,3 дБ.
Изменяя ослабление образцового аттенюатора, определяют погрешность индикатора измерителя ИРП

в децибелах для ряда показаний индикатора в пределах диапазона показаний, указанного в технической документации. Определяют максимальные положительные

и максимальные отрицательные

значения погрешностей из ряда полученных значений

.
Изменяя ослабление аттенюатора измерителя ИРП и вводя соответствующее ослабление образцового аттенюатора, определяют погрешность аттенюатора измерителя

в децибелах для всех ступеней аттенюатора, указанных в технической документации. При необходимости определяют раздельно погрешности аттенюаторов на входе

и по промежуточной частоте

, при этом погрешность

определяют на тех же частотах, на которых проводилась проверка по
5.3.2.1.
На каждой частоте определяют максимальные положительные

и максимальные отрицательные

значения погрешностей из ряда значений

(или раздельно

,

,

,

.
На каждой частоте определяют максимальные положительные

и максимальные отрицательные

значения погрешностей относительных измерений

или


или

На каждой частоте определяют максимальные положительные

и максимальные отрицательные

значения погрешности измерения синусоидального напряжения
где

и

- положительное или отрицательное значение погрешности при фиксированном уровне образцового сигнала (по
5.3.2.1).
За величину погрешности измерения синусоидального сигнала принимают большее из значений

и

.
5.3.2.3. Коэффициент калибровки и погрешность калибровки (
4.3.3 и
4.4.4) V-образного эквивалента сети или пробника напряжения проверяют в соответствии с
рисунком 7.
Измерения проводят для каждого провода, подавая напряжение от генератора на каждый из разъемов "Источник ИРП" относительно разъема "Земля" и устанавливая соответствующее положение переключателя для измерения напряжения в каждом проводе.
Процедура определения погрешности измерения включает в себя две последовательные операции, представленные на
рисунках 7а и
7б. В соответствии с
рисунком 7а измеряют в децибелах значение напряжения

, а в соответствии с
рисунком 7б измеряют в децибелах напряжение

.
Коэффициент калибровки и погрешность калибровки определяют по формулам, представленным в
5.3.2.1, с учетом
5.3.2.2.
Для Т-образных эквивалентов сети проверяют коэффициент калибровки и погрешность калибровки, подавая известное напряжение

в децибелах между разъемами "Источник ИРП", соединенными вместе, и разъемом "Земля". При этом соединение разъемов "Источник ИРП" должно производиться проводом длиной не более 5 см.
Напряжения

и

измеряют высокоомным вольтметром переменного тока.
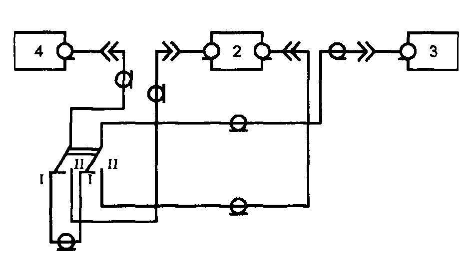
а) схема измерения образцового синусоидального напряжения

;
б) схема измерения напряжения

;
1 - генератор синусоидальных сигналов; 2 - переход; 3 - эквивалент сети или пробник напряжения; 4 - коаксиальная нагрузка 50 Ом; 5 - вольтметр; 6 - аттенюатор; 7 - коаксиальный тройник; Ш1, Ш4 - разъемы "Земля"; Ш2, Ш3 - разъемы "Источник ИРП"; Ш5, Ш6 - разъемы "Сеть электропитания"; Ш7 - разъем "Измеритель ИРП"
Рисунок 7. Схема проверки погрешности коэффициента
калибровки эквивалента сети или пробника напряжения
5.3.2.4. Коэффициент калибровки и погрешность калибровки антенны
(4.5.3) проверяют для всех типов антенн, создавая в соответствии с
5.3.2.1 поле известной напряженности

с помощью генератора образцового поля или определяя напряженность поля

в децибелах с помощью образцовой установки для измерения напряженности поля.
При калибровке антенны на открытой измерительной площадке центр антенны размещают на высоте 2 м. Измерительная площадка должна удовлетворять требованиям
ГОСТ Р 51320.
В соответствии с
5.3.2.1 измеряют в децибелах напряженность поля

и вычисляют погрешность

или определяют коэффициент калибровки и погрешность калибровки, применяя образцовую антенну для измерения

с учетом
5.3.2.7.
5.3.2.5. Коэффициент калибровки и погрешность калибровки поглощающих клещей
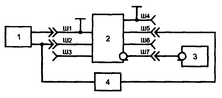
(4.6.2) проверяют в соответствии с рисунком 8.
1 - генератор синусоидальных сигналов; 2 - аттенюатор; 3 - коаксиальный разъем; 4 - металлический экран (1500 x 1500 мм); 5 - поглощающие клещи; 6 - медный провод (диаметр от 1 до 1,5 мм); 7 - пружина для натяжения провода (изолирована от провода); 8 - стена помещения; 9 - пол помещения, L >= 5600 мм, Н = (900 +/- 100) мм; 10 - измеритель ИРП
Рисунок 8. Схема проверки погрешности коэффициента
калибровки поглощающих клещей
Проверку проводят в помещении с минимальными размерами 8 x 3 x 2,5 м. Измерительную установку располагают на столе из изоляционного материала вдоль широкой стены помещения. Провод натягивают перпендикулярно экрану и закрепляют в этом положении. Измеритель ИРП и генератор располагают за экраном.
Охватывают провод поглощающими клещами и перемещают их вдоль провода, начиная от экрана, до получения максимального показания измерителя ИРП

в децибелах.
Подаваемую от генератора в соответствии с
5.3.2.1 мощность

, определяют в децибелах по формуле
где

- известное значение напряжения генератора, дБ;
D - ослабление аттенюатора, дБ.
В соответствии с
5.3.2.1 измеряют мощность

в децибелах и по
формуле (2) вычисляют погрешность

или по
формуле (3) определяют коэффициент калибровки и погрешность калибровки с учетом
5.3.2.2.
5.3.2.6. Коэффициент калибровки и погрешность калибровки токосъемника
(4.7.5) проверяют при помощи образцовой установки, содержащей провод (линию) и термопреобразователь для измерения тока в проводе.
В соответствии с
5.3.2.1 с помощью преобразователя устанавливают в проводе значение тока

в децибелах; в непосредственной близости от термопреобразователя провод охватывают токосъемником и измеряют ток

в децибелах.
Вычисляют погрешность

, или определяют коэффициент калибровки и погрешность калибровки с учетом
5.3.2.2.
где

- погрешность воспроизведения образцовой установкой синусоидального сигнала заданного значения

в децибелах.
При проверке погрешности калибровки поглощающих клещей достаточно, чтобы погрешность относительных измерений измерителя ИРП составляла 0,5 дБ, если уровень напряжения, подаваемого от генератора, будет первоначально измерен тем же измерителем ИРП.
При отсутствии измерителя ИРП, удовлетворяющего указанным выше условиям, к выходу измерительного устройства следует подключить образцовую нагрузку с

1,1 и вольтметр переменного тока. При проверке коэффициента калибровки и погрешности коэффициента калибровки эквивалентов сети и пробников напряжения может использоваться тот же вольтметр, с помощью которого измеряется напряжение на входе этих устройств.
5.3.3. Проверку приборов для измерения ИРП на устойчивость при климатических и механических воздействиях, а также проверку требований к электропитанию, продолжительности работы и времени установления рабочего режима проводят в соответствии с
ГОСТ 22261. Методика проверки требований по надежности должна быть приведена в ТУ.
5.3.4. Погрешность измерения напряжения измерителем ИРП
(4.2.1) проверяют аналогично
5.3.2.1. Известное значение напряжения

в децибелах подают от генератора непосредственно на вход измерителя ИРП и измеряют напряжение

в децибелах. При этом следует считать K = 0 и

. Погрешность измерения синусоидального сигнала определяют с учетом
5.3.2.2.
5.3.5. Номинальную ширину полосы пропускания и пределы характеристики избирательности измерителя ИРП (
пункты 1 и
2 таблицы 1) проверяют путем сравнения экспериментально снятой кривой избирательности с областью допустимых значений, указанной на
рисунках 1 -
3 в зависимости от полосы рабочих частот измерителя ИРП.
Экспериментальную кривую избирательности снимают следующим образом. От генератора подают напряжение

, в микровольтах на вход измерителя ИРП. Настраивают измеритель ИРП на частоту генератора и отмечают показание измерителя

в децибелах.
Изменяют частоту генератора на определенное число килогерц и каждый раз увеличивают уровень выходного напряжения генератора до значения

в микровольтах, при котором получают показание измерителя ИРП

в децибелах. Значение расстройки частоты генератора определяют с помощью частотомера.
Строят график, где по оси абсцисс откладывают расстройку

в килогерцах генератора, а по оси ординат - значение характеристики избирательности

в децибелах, определяемое по формуле
Экспериментальная кривая должна лежать внутри области допустимых значений, указанной на соответствующих рисунках.
5.3.6. Ослабление сигналов частот, равных промежуточным, зеркальных каналов и других паразитных каналов (
пункты 3 -
5 таблицы 1) проверяют следующим образом. Подают от генератора на вход измерителя ИРП такое напряжение

в микровольтах, которое обеспечивает показание измерителя при полностью введенном аттенюаторе промежуточной частоты. Настраивают измеритель ИРП на частоту генератора и отмечают показание измерителя

в децибелах.
Затем, не изменяя настройки измерителя ИРП, устанавливают на генераторе промежуточную частоту, частоту зеркального канала или частоту паразитного канала. Подстраивают генератор по максимальному показанию измерителя и увеличивают напряжение генератора до значения

в микровольтах, при котором получают показание измерителя ИРП

в децибелах.
Ослабление

в децибелах определяют по формуле
Примечания. 1. Указанные сигналы могут находиться на частотах f, определяемых выражениями:
а) для измерителей ИРП с одинарным преобразованием частоты
б) для измерителей ИРП с двойным преобразованием частоты

- частота первого гетеродина;

- частота второго гетеродина;

- первая промежуточная частота;

- вторая промежуточная частота;
n, k - целые числа 0, 1, 2 ...;
m - целые числа 1, 2, 3 ...
2. При проверке ослабления сигналов, при которых m > 1, следует при необходимости применять фильтр, подавляющий соответствующую гармонику частоты генератора порядка m.
а - схема настройки генератора на частоту настройки режекторного фильтра;
б - схема измерения ослабления взаимной модуляции
1 - генератор синусоидальных сигналов; 2 - режекторный фильтр;
3 - измеритель ИРП; 4 - импульсный генератор
Рисунок 9. Схема проверки ослабления взаимной модуляции
Устанавливают на генераторе частоту измерения и настраивают измеритель ИРП на эту частоту. Подстраивают генератор на частоту настройки режекторного фильтра по минимальному показанию измерителя ИРП в соответствии с
рисунком 9а.
Не изменяя настройки измерителя, в соответствии с
рисунком 9б устанавливают переключатель в положение I и подают от импульсного генератора импульсное напряжение

в микровольтах при частоте повторения импульсов: 25 Гц для полосы частот от 0,009 до 0,15 МГц, 100 Гц для полосы частот от 0,15 до 1000 МГц, затем отмечают показание измерителя ИРП

в децибелах.
Устанавливают переключатель в положение II и увеличивают напряжение импульсного генератора до значения

в микровольтах, при котором получают показание измерителя ИРП

в децибелах.
Ослабление взаимной модуляции

определяют по формуле
5.3.8. При проверке импульсных параметров измерителей ИРП
(4.2.3) проверяют погрешность выполнения амплитудного соотношения и импульсной характеристики.
5.3.8.1. Погрешность выполнения амплитудного соотношения
(пункт 2 таблицы 2) определяют на частотах, на которых производилась проверка погрешности измерения измерителя ИРП для всех типов детекторов (квазипикового, пикового и т.д.), которые по технической документации могут использоваться при измерении импульсных ИРП.
При измерении в полосе частот от 9 кГц до 30 МГц от импульсного генератора через образцовый аттенюатор на вход измерителя ИРП подают импульсное напряжение с частотой повторения импульсов F в 2 - 5 раз больше, чем полоса пропускания измерителя. При подстройке измерителя вблизи частоты измерения должна уверенно фиксироваться настройка на гармонику входного импульсного напряжения. При полосе пропускания 200 Гц рекомендуется

и длительность импульсов 0,5 - 1 мкс, а при полосе пропускания 9 кГц

и длительность импульсов 10 - 20 нс. При измерении в полосе частот от 30 до 1000 МГц на вход измерителя ИРП через образцовый аттенюатор подают радиоимпульсы от формирователя радиоимпульсов и настраивают измеритель на гармонику вблизи частоты измерения по вышеизложенной методике. Рекомендуемая частота повторения

при длительности радиоимпульсов 0,5 - 0,7 мкс.
Частота повторения импульсов (радиоимпульсов) должна устанавливаться с точностью 1%. При необходимости ее измеряют частотомером.
Ослабление образцового аттенюатора устанавливают так, чтобы показание индикатора

находилось вблизи максимального показания (для измерения импульсных ИРП), указанного в технической документации. Отмечают суммарный отсчет

в децибелах по индикатору измерителя и образцовому аттенюатору.
Затем устанавливают:
- F = 25 Гц при проверке в полосе частот от 9 до 150 кГц измерителей ИРП с детекторами квазипиковых, пиковых, средних квадратических и средних значений;
- F = 100 Гц при проверке в полосе частот от 0,15 до 1000 МГц измерителей ИРП с детекторами квазипиковых, пиковых, средних квадратических значений;
- F = 500 Гц при проверке измерителей ИРП с детектором средних значений в полосе частот от 0,15 до 30 МГц и F = 5000 Гц в полосе частот от 30 до 1000 МГц.
Уменьшают ослабление образцового аттенюатора до получения прежнего (с точностью 1 дБ) показания индикатора измерителя и вновь отмечают суммарный отсчет

в децибелах по индикатору измерителя и образцового аттенюатора.
Определяют отношение отсчетов по формуле
и рассчитывают измеренное значение амплитудного соотношения

в герцах по формуле
Погрешность выполнения амплитудного соотношения

, в децибелах определяют по формуле
где

- номинальное значение, указанное в
пункте 1 таблицы 2 для соответствующих полос частот и видов детекторов.
Для детекторов пиковых и средних значений аналогичные измерения и расчеты проводят при установке частоты повторения импульсов (радиоимпульсов), равной минимальной частоте F, указанной для этих детекторов в ТУ. Если для пикового детектора такая частота не указана, то принимают F = 10 Гц.
5.3.8.2. Проверку погрешности выполнения амплитудного соотношения для детекторов всех видов повторяют при минимальном (для измерения импульсных ИРП) показании

индикатора измерителя ИРП.
Наибольшее (по абсолютной величине) из всех полученных по
5.3.8.1 и
5.3.8.2 значений 8, не должно превышать значений, указанных в
4.2.3.
5.3.8.3. Импульсную характеристику
(пункт 3 таблицы 2) проверяют путем сравнения экспериментально снятой импульсной характеристики с
таблицами 3,
4 и
5 в зависимости от полосы частот и вида детектора.
Проверку проводят на тех же частотах настройки измерителя ИРП, на которых проверялась погрешность выполнения амплитудного соотношения.
От импульсного генератора через образцовый аттенюатор подают на вход измерителя ИРП импульсное напряжение с частотой повторения F = 25 Гц в полосе частот от 9 до 150 кГц и F = 100 Гц - в полосе частот от 0,15 до 30 МГц. При проверке в полосе частот от 30 до 1000 МГц подают радиоимпульсы (от формирователя радиоимпульсов) с частотой повторения F = 100 Гц.
Устанавливают ослабление образцового аттенюатора так, чтобы показание индикатора

измерителя ИРП находилось вблизи максимального показания (для измерения импульсных ИРП). Отмечают суммарный отсчет

в децибелах по индикатору измерителя и образцовому аттенюатору.
Последовательно устанавливают частоты повторения импульсов, указанные в
таблицах 3,
4 и
5, каждый раз изменяя ослабление образцового аттенюатора так, чтобы получить прежнее (с точностью 1 дБ) показание

, и отмечая суммарный отсчет по индикатору и образцовому аттенюатору

в децибелах.
Для каждой частоты повторения F рассчитывают значение импульсной характеристики в децибелах по формуле
5.3.8.4. Определяют погрешность импульсной характеристики

в децибелах для различных частот повторения импульсов как разность между номинальными величинами характеристики на соответствующем рисунке и полученными экспериментальными значениями.
5.3.8.5. Измерения повторяют при минимальном (для измерения импульсных ИРП) показании

индикатора измерителя ИРП и вновь определяют погрешность

в децибелах.
5.3.8.6. Параметры входа
(4.2.4) проверяют на всех ступенях входного аттенюатора измерителя ИРП. Измеритель должен быть включен и настроен на частоту измерений.
Модуль и аргумент входного полного сопротивления и

входа проверяют при помощи измерителя полных сопротивлений или измерителя

. Степень симметрии симметричного входа проверяют в соответствии с
рисунком 10. К измерителю ИРП должен быть подключен штатный кабель, предназначенный для измерений напряжений ИРП. Соединение земляного вывода генератора и корпуса измерителя производят проводом, который располагают на расстоянии не более 1 см от кабеля.
1 - измеритель ИРП; 2 - генератор синусоидальных сигналов;

Рисунок 10. Схема проверки степени симметрии
симметричного входа измерителя ИРП
От генератора подают напряжение

в децибелах, настраивают измеритель на частоту генератора и отмечают показание измерителя

в децибелах. Степень симметрии

в децибелах определяют по формуле
5.3.9. Параметры выхода промежуточной частоты измерителя ИРП
(4.2.5) проверяют измерением выходного полного сопротивления и характеристики избирательности.
5.3.9.1. Модуль и аргумент выходного полного сопротивления проверяют измерителем полных сопротивлений.
5.3.9.2. Характеристику избирательности на выходе промежуточной частоты измерителя ИРП проверяют, подключая к выходу вольтметр переменного тока.
Характеристику избирательности определяют аналогично
5.3.5. При этом вместо показания измерителя ИРП фиксируют показание вольтметра. Определенная таким образом характеристика избирательности должна лежать внутри области допустимых значений, указанной на соответствующих
рисунках 1 -
3.
5.3.10. Параметры выхода измерителя ИРП на регистрирующее устройство
(4.2.6) проверяют следующим образом.
К выходу подключают вольтметр постоянного тока. От генератора на вход измерителя ИРП подают такое напряжение, чтобы показание его индикатора находилось вблизи верхнего предела. Отмечают показание вольтметра U.
Затем, не отключая вольтметр и не меняя напряжение генератора, к выходу измерителя ИРП подключают сопротивление 1 кОм +/- 5% и вновь отмечают показание вольтметра, которое должно находиться в пределах (0,43 - 0,56)U.
Отключают и вновь подключают сопротивление к выходу и определяют изменение показания измерителя ИРП, которое не должно превосходить 0,2 дБ.
Подключают к выходу через добавочное сопротивление внешний индикатор с критической степенью демпфирования и баллистической постоянной времени, равной (160 +/- 32) мс в полосе частот от 0,009 до 30 МГц и (100 +/- 20) мс в полосе частот от 30 до 1000 МГц (или его электронный аналог), и проверяют импульсную характеристику в соответствии с методикой
5.3.8.3 с той лишь разницей, что показание измерителя устанавливают по внешнему индикатору. Измеренная таким образом импульсная характеристика должна находиться в области допустимых значений, указанных в
таблице 3 в полосе рабочих частот измерителя ИРП.
5.3.11. Погрешность, вносимую собственными шумами
(4.2.7), проверяют, подавая от генератора на вход измерителя ИРП напряжение, равное нижнему пределу измеряемых синусоидальных напряжений измерителя ИРП, указанному в ТУ. Настраивают измеритель на частоту генератора и отмечают показание измерителя

в децибелах. В тракт промежуточной частоты вводят ослабление

, в пределах от 8 до 12 дБ с погрешностью не более 0,3 дБ.
Уровень напряжения генератора увеличивают на

в децибелах до значения, при котором получают показание измерителя ИРП

в децибелах.
Погрешность

, вносимую собственными шумами, определяют по формуле
Примечание. Если известно, что в измерителе ИРП погрешность аттенюаторов на входе и по промежуточной частоте не превосходит 0,3 дБ, проверку можно производить, заменяя ослабление на входе на ослабление на промежуточной частоте так, чтобы общее ослабление оставалось неизменным. В этом случае погрешность, вносимую собственными шумами, определяют как разность показаний измерителя ИРП до и после переключения ослабления.
5.3.12. Погрешность установки частоты
(4.2.8) проверяют, подавая от генератора напряжение на вход измерителя ИРП и настраивая генератор по максимальному показанию измерителя. Частоту генератора измеряют частотомером. Погрешность установки частоты определяют по формуле
где

- частота по шкале измерителя ИРП;

- частота по шкале частотомера.
5.3.13. Сетевой коэффициент помехозащищенности
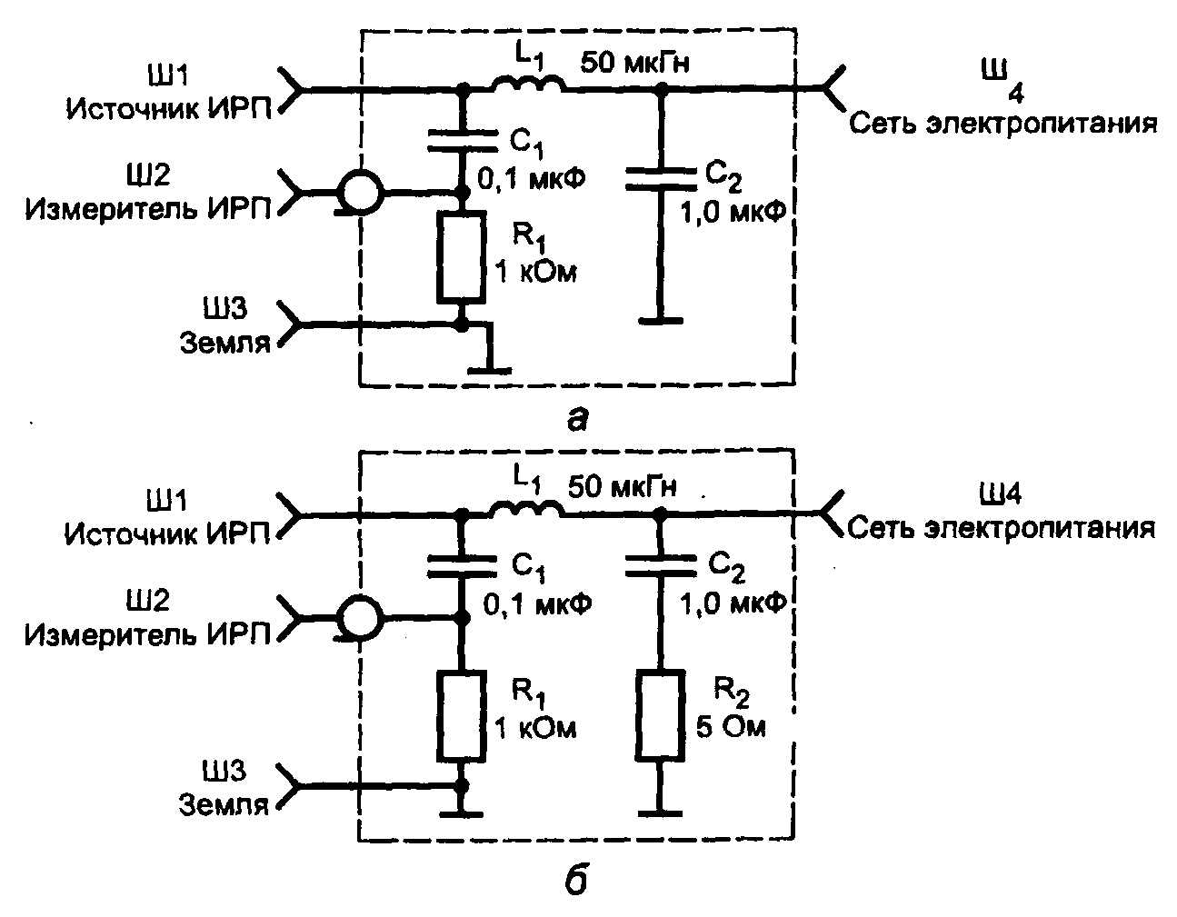
(4.2.9) проверяют в соответствии с рисунком 11.
1 - согласованная нагрузка; 2 - испытуемый измеритель ИРП;
3 - V-образный эквивалент сети типов 1, 2, 4, 5; 4 -
дополнительный измеритель ИРП; 5 - генератор синусоидальных
сигналов; C = 0,1 мкФ +/- 20% - разделительный конденсатор;
Ш1, Ш4 - разъемы "Земля"; Ш2, Ш3 - разъемы "Источник ИРП";
Ш5, Ш6 - разъемы "Сеть электропитания"; Ш7 - разъем
"Измеритель ИРП"
Рисунок 11. Схема проверки сетевого коэффициента
помехозащищенности измерителя ИРП
Испытуемый измеритель ИРП и его сетевой кабель располагают над металлическим листом 2 x 2 м на высоте 10 см (на изоляционной подставке). Лист устанавливают на столе из изоляционного материала высотой от 0,8 до 1 м. Эквивалент сети устанавливают непосредственно на металлическом листе на расстоянии 80 см от измерителя ИРП. Корпус эквивалента сети соединяют с листом шиной длиной не более 10 см. Излишек сетевого кабеля измерителя ИРП сворачивают в виде плоской петли длиной от 30 до 40 см. Ближайшие металлические предметы, а также пол и стены помещения должны находиться на расстоянии не менее 80 см от испытуемого измерителя и эквивалента сети. Дополнительный измеритель ИРП и генератор располагают за пределами металлического листа. Кабель, соединяющий генератор с разделительным конденсатором, должен быть длиной от 1 до 1,2 м, его экран должен быть соединен с металлическим листом в непосредственной близости от разъема эквивалента сети, к которому подключен сетевой кабель испытуемого измерителя ИРП.
От генератора подают напряжение между одним из сетевых зажимов измерителя ИРП (на конце сетевого кабеля) и землей и устанавливают на эквиваленте сети переключатель в положение для измерения напряжения ИРП в соответствующем проводе.
Испытуемый и дополнительный измерители ИРП настраивают на частоту генератора и отмечают их показание

(дБ) и

(дБ) соответственно. При этом в испытуемом измерителе ИРП устанавливают нулевое ослабление входного аттенюатора.
Определяют сетевой коэффициент помехозащищенности N по формуле
где K - коэффициент калибровки эквивалента сети для соответствующего провода, указанный в технической документации. Измерения повторяют при подаче напряжения от генератора между вторым сетевым зажимом измерителя ИРП и землей и вновь определяют сетевой коэффициент помехозащищенности. За результат измерений принимают меньшее из полученных значений.
Примечание. В том случае, когда при измерении не удается зафиксировать показание испытуемого измерителя ИРП, требование по сетевому коэффициенту помехозащищенности считают выполненным, если при отключении генератора от схемы и подключении его ко входу измерителя ИРП показание измерителя составляет не менее 140 дБ в полосе частот от 0,009 до 30 МГц и не менее 130 дБ в полосе частот от 30 до 300 МГц.
5.3.14. Требование
4.2.10 проверяют следующим образом. В экранированной камере в месте предполагаемого размещения испытуемого измерителя ИРП с помощью излучателя создают испытательное электромагнитное поле напряженностью 3 В/м. Напряженность испытательного поля и его однородность проверяют с помощью измерителя напряженности поля. Неравномерность напряженности поля в области, соответствующей размерам испытуемого измерителя ИРП, должна быть не более 6 дБ.
Устанавливают испытуемый измеритель ИРП и подключают его вход с помощью хорошо экранированного коаксиального кабеля (с двойным экраном) длиной 2 м, проходящего через стену экранированной камеры, к выходу генератора синусоидальных сигналов, который устанавливают вне камеры. Оплетка кабеля должна иметь надежный электрический контакт с экраном камеры.
К испытуемому измерителю ИРП должны быть подключены только те кабели и провода, которые необходимы для его нормального функционирования. Ко всем неиспользуемым выходам (входам) с коаксиальными разъемами должны быть подключены экранированные нагрузки.
Проверку проводят на ряде частот настройки измерителя ИРП при минимальном и максимальном уровнях входного сигнала в диапазоне показаний, указанных в ТУ.
Устанавливают частоту измерения и подстраивают генератор сигнала и генератор, создающий испытательное поле, по максимальному показанию измерителя ИРП.
Устанавливают уровень сигнала на входе измерителя ИРП. Включают и выключают генератор, создающий испытательное поле, следя за показаниями измерителя ИРП.
Требование
4.2.10 считается выполненным, если разность показаний при включенном и выключенном генераторе, создающем испытательное поле, не превышает 1 дБ.
Примечание. При проверке рекомендуется использовать кабель с дополнительным экранированием и ферритовым дросселем (набором ферритовых колец с магнитной проницаемостью 100 - 400 длиной 200 - 300 мм, надеваемых на кабель около разъема, подключаемого ко входу измерителя ИРП).
5.3.15. Возможность слухового контроля ИРП
(4.2.11) с помощью встроенных или подключаемых приборов или устройств проверяют по технической документации.
| | ИС МЕГАНОРМ: примечание. В тексте документа, видимо, допущена опечатка: пункт 4.2.12 в тексте документа отсутствует. | |
Спектральную плотность мощности собственных шумов измерителя ИРП (4.2.12) проверяют на ряде частот настройки измерителя ИРП. Ко входу измерителя ИРП подключают согласованную нагрузку. На каждой частоте настройки отмечают показание измерителя ИРП

в децибелах. Требование 4.2.12 считают выполненным, если

не превосходит значение

, вычисляемого по формуле
где

Вт/кГц - допустимое значение спектральной плотности мощности шума;

- эффективная полоса пропускания измерителя ИРП, кГц (см.
Приложение В);

= 50 Ом.
5.3.16. Падение напряжения на V-образном эквиваленте сети при максимальном рабочем токе
(пункт 5 таблицы 6) проверяют в соответствии с
рисунком 12, устанавливая по амперметру максимальный рабочий ток, указанный в ТУ, и измеряя напряжение вольтметром.
1 - источник тока, содержащий регулятор для установки тока;
2 - эквивалент сети; Ш1, Ш4 - разъемы "Земля"; Ш2, Ш3 -
разъемы "Источник ИРП"; Ш5, Ш6 - разъемы
"Сеть электропитания"; Ш7 - разъем "Измеритель ИРП"
Рисунок 12. Схема проверки падения напряжения
электропитания на эквиваленте сети
5.3.17. Параметры входного полного сопротивления V-образного эквивалента сети (
пункты 6,
7 таблицы 6) проверяют при следующих условиях:
а) при соединении с корпусом разъема "Сеть электропитания" или "Линия связи" эквивалента сети и при отсоединении его от корпуса;
б) без прохождения тока и при прохождении через эквивалент сети постоянного тока, равного амплитудному значению максимального рабочего тока эквивалента, указанного в ТУ.
Проверку при прохождении тока проводят только в том случае, если индуктивности эквивалента сети содержат сердечники из ферромагнитного материала. Допускается проводить эту проверку только на нижней частоте полосы рабочих частот эквивалента сети.
При измерении входного полного сопротивления к разъему "Измеритель ИРП" следует подключить эквивалент нагрузки.
Измерения на частотах выше 150 кГц проводят с помощью перехода, обеспечивающего подключение измерительной аппаратуры с коаксиальными разъемами к разъемам "Источник ИРП" и "Земля".
Полное сопротивление V-образного эквивалента сети проверяют для каждого провода (между каждым из разъемов "Источник ИРП" и разъемом "Земля"). При этом переключатель для измерения напряжения в каждом проводе должен быть установлен в соответствующее положение.
Полное сопротивление Т-образного эквивалента сети измеряют между соединенными вместе разъемами "Источник ИРП" и разъемом "Земля". При таких измерениях соединение разъемов должно осуществляться проводом длиной не более 5 см.
5.3.17.1. Входное полное сопротивление V-образного эквивалента сети без прохождения тока проверяют на частотах до 150 кГц в соответствии с
рисунком 13, а на частотах выше 150 кГц - в соответствии с
рисунком 14.
1 - измеритель полного сопротивления; 2 - эквивалент сети;
3 - эквивалент нагрузки; Ш1, Ш4 - разъемы "Земля";
Ш2, Ш3 - разъемы "Источник ИРП"; Ш5, Ш6 - разъемы
"Сеть электропитания"; Ш7 - разъем "Измеритель ИРП"
Рисунок 13. Схема проверки входного полного сопротивления
V-образного эквивалента сети без прохождения тока
на частотах до 150 кГц
1 - измеритель полного сопротивления; 2 - переход;
3 - эквивалент сети; 4 - эквивалент нагрузки;
Ш1, Ш4 - разъемы "Земля"; Ш2, Ш3 - разъемы "Источник ИРП";
Ш5, Ш6 - разъемы "Сеть электропитания";
Ш7 - разъем "Измеритель ИРП"
Рисунок 14. Схема проверки входного полного сопротивления
V-образного эквивалента сети без прохождения тока
на частотах выше 150 кГц
Модуль, аргумент и

измеряют с помощью измерителя полных сопротивлений или измерителя

.
5.3.17.2. Входное полное сопротивление V-образного эквивалента сети при прохождении тока проверяют с использованием разделительного устройства
(рисунок 15).
Ш1 - разъем для подключения к одному из разъемов
"Источник ИРП" эквивалента сети; Ш2, Ш4 - разъемы
для подключения к разъемам "Земля" эквивалента сети;
Ш3 - разъем для подключения к одному из разъемов
"Сеть электропитания" эквивалента сети
Примечание. Модуль полного сопротивления между разъемами Ш1 и Ш2 на частоте измерения должен быть не менее 3Z Ом, а модуль полного сопротивления между разъемами Ш3 и Ш4 на частоте измерения должен быть не более 0,3Z Ом, где Z - номинальное значение модуля входного полного сопротивления эквивалента сети на частоте измерения.
Рисунок 15. Схема разделительного устройства
На частотах до 150 кГц измерение проводят в соответствии с
рисунком 16, а на частотах выше 150 кГц - в соответствии с
рисунком 17 следующим образом:
а) при отключении эквивалента сети (
рисунки 16а и
17а соответственно) с помощью измерителя полных сопротивлений измеряют активную

и реактивную

составляющие;
б) подключают эквивалент сети (
рисунок 16б и
17б соответственно), устанавливают ток и измеряют активную

и реактивную

составляющие;
в) определяют модуль Z и аргумент

полного сопротивления по формулам:
При проверке на частотах выше 30 МГц определяют

по формуле
где
а - схема предварительной калибровки схемы проверки входного полного сопротивления V-образного эквивалента сети;
б - схема измерения входного полного сопротивления V-образного эквивалента сети
1 - измеритель полного сопротивления; 2 - эквивалент сети;
3 - эквивалент нагрузки; 4 - разделительное устройство;
Ш1, Ш4 - разъемы "Земля"; Ш2, Ш3 - разъемы "Источник ИРП";
Ш5, Ш6 - разъемы "Сеть электропитания"; Ш7 - разъем "Измеритель ИРП"
Рисунок 16. Схема проверки входного полного
сопротивления V-образного эквивалента
а - схема предварительной калибровки схемы проверки входного
полного сопротивления V-образного эквивалента сети;
б - схема измерения входного полного сопротивления
V-образного эквивалента сети
1 - измеритель полного сопротивления; 2 - переход;
3 - эквивалент сети; 4 - разделительное устройство; 5 -
эквивалент нагрузки; Ш1, Ш4 - разъемы "Земля"; Ш2, Ш3 -
разъемы "Источник ИРП"; Ш5, Ш6 - разъемы "Сеть электропитания";
Ш7 - разъем "Измеритель ИРП"
Рисунок 17. Схема проверки входного полного сопротивления
V-образного эквивалента сети при прохождении тока
на частотах выше 150 кГц
5.3.17.3. Полное входное сопротивление Т-образного эквивалента сети, а также эквивалента полного сопротивления сети измеряют с помощью измерителя полных сопротивлений в соответствии с рисунком 18.
1 - измеритель полного сопротивления; 2 - переход; 3 -
эквивалент сети; 4 - эквивалент нагрузки; Ш1, Ш4 - разъемы
"Земля"; Ш2, Ш3 - разъемы "Источник ИРП"; Ш5, Ш6 - разъемы
"Линия связи"; Ш7 - разъем "Измеритель ИРП"
Рисунок 18. Схема проверки входного полного сопротивления
Т-образного эквивалента сети между двумя соединенными вместе
разъемами "Источник ИРП" и разъемом "Земля"
5.3.18. Затухание фильтра V-образного эквивалента сети
(пункт 8 таблицы 6) проверяют по схеме, приведенной на рисунке 19.
а - схема измерения напряжения на входе V-образного
эквивалента сети;
б - схема измерения напряжения на выходе V-образного
эквивалента сети
1 - генератор сигналов; 2 - переход; 3 - эквивалент сети
или пробник напряжения; 4 - измеритель ИРП; 5, 8 -
аттенюаторы; 6 - коаксиальная нагрузка 50 Ом; 7 -
коаксиальный тройник; Ш1, Ш4 - разъемы "Земля"; Ш2, Ш3 -
разъемы "Источник ИРП"; Ш5, Ш6 - разъемы "Сеть
электропитания"; Ш7 - разъем "Измеритель ИРП"
Рисунок 19. Схема проверки затухания фильтра эквивалента сети
Проверку проводят для всех проводов. При этом переключатель для измерения напряжения в каждом проводе устанавливают в соответствующее положение.
Измерения проводят без прохождения и с прохождением постоянного тока, если индуктивности эквивалента сети имеют сердечники из ферромагнитного материала.
Измерения на частотах выше 150 кГц проводят с помощью перехода, обеспечивающего подключение измерительной аппаратуры с коаксиальными разъемами к разъемам "Сеть электропитания" эквивалента сети.
Затухание фильтра

в децибелах определяют по формуле
где

- показание измерителя ИРП в соответствии со схемой
рисунка 19а, дБ;

- показание измерителя ИРП в соответствии со схемой
рисунка 19б, дБ;
K - коэффициент калибровки V-образного эквивалента сети для той фазы, в которую подают напряжение от генератора, дБ.
5.3.19. Переходное затухание многопроводных V-образных эквивалентов сети
(пункт 9 таблицы 6) проверяют по схеме, приведенной на
рисунке 7 для всех проводов.
Измерения на частотах выше 150 кГц проводят с помощью перехода, указанного в
5.3.17.
Собирают схему измерений, представленную на
рисунке 7а.
Подают сигнал на один из разъемов "Источник ИРП" и, установив положение переключателя эквивалента сети в соответствующее положение, отмечают показание измерителя ИРП

(дБ). Затем собирают схему измерений, представленную на
рисунке 7б. На эквиваленте сети переключатель последовательно устанавливают в положения, соответствующие измерению напряжения во всех остальных проводах, куда не подано напряжение, и отмечают наибольшее показание измерителя ИРП

в децибелах.
Переходное затухание

определяют по формуле
где K - коэффициент калибровки эквивалента сети для того провода, на который подано напряжение генератора.
Измерения повторяют при подаче напряжения от генератора во все остальные провода и каждый раз определяют затухание по
формуле (27). За результат измерения переходного затухания принимают меньшее из полученных значений.
5.3.20. Затухание для общего несимметричного сигнала от разъемов "Линия связи" к разъему "Измеритель ИРП" для Т-образного эквивалента сети
(пункт 3 таблицы 7) и эквивалента полного сопротивления сети
(4.3.8) проверяют в соответствии с
рисунком 20.
От генератора подают напряжение

между соединенными вместе разъемами "Линия связи" и разъемом "Земля". Отмечают показание измерителя ИРП

.
Затухание

в децибелах определяют по формуле
Затухание симметричного сигнала в цепи измерения общей несимметричной составляющей для Т-образного эквивалента сети
(пункт 4 таблицы 7) и эквивалента полного сопротивления сети
(4.3.8) проверяют в соответствии с
рисунком 21.
От генератора через среднюю точку вторичной обмотки симметрирующего трансформатора подают известное напряжение

и отмечают показание

селективного микровольтметра, подключенного к первичной обмотке.
Затухание определяют по формуле
где

- коэффициент передачи напряжения трансформатора от вторичной обмотки к первичной.
1 - Т-образный эквивалент сети; 2 - генератор
синусоидальных сигналов; 3 - измеритель ИРП; Ш1, Ш2 -
разъемы "Источник ИРП"; Ш3 - разъем "Измеритель ИРП";
Ш4, Ш5 - разъемы "Линия связи"; Ш6, Ш7 - разъемы "Земля"
Рисунок 20. Схема проверки затухания для общего
несимметричного сигнала от разъемов "Линия связи" к разъему
"Измеритель ИРП" для Т-образного эквивалента сети
и эквивалента полного сопротивления сети
1 - селективный микровольтметр; 2 - симметрирующий
трансформатор (

= 50 Ом,

= 200 Ом); 3 - Т-образный
эквивалент сети; 4 - эквивалент линии связи; 5 - эквивалент
нагрузки (50 Ом); 6 - генератор синусоидальных сигналов
Ш1, Ш2 - разъемы "Источник ИРП"; Ш3 - разъем "Измеритель ИРП";
Ш4, Ш5 - разъемы "Линия связи"; Ш6, Ш7 - разъемы "Земля"
Рисунок 21. Схема проверки затухания симметричного сигнала
в цепи измерения общей несимметричной составляющей
для Т-образного эквивалента сети и эквивалента полного
сопротивления сети
5.3.21. Вносимое затухание для симметричного сигнала Т-образного эквивалента сети
(пункт 5 таблицы 7) в полосе частот от 0,3 до 10 кГц проверяют в соответствии с рисунком 22.
1 - генератор синусоидальных сигналов с симметричным выходом
(

= 600 Ом); 2 - Т-образный эквивалент сети; 3 - вольтметр
с симметричным входом; 4 - эквивалент нагрузки (50 Ом);
Ш1, Ш2 - разъемы "Источник ИРП"; Ш3 - разъем "Измеритель ИРП";
Ш4, Ш5 - разъемы "Линия связи"; Ш6, Ш7 - разъемы "Земля";

- нагрузка 600 Ом
Рисунок 22. Схема проверки вносимого затухания для симметричного
сигнала Т-образного эквивалента сети в полосе частот
от 0,3 до 10 кГц
От генератора подают симметричное напряжение

и отмечают показание вольтметра

.
Вносимое затухание В определяют по формуле
Вносимое затухание для симметричного сигнала Т-образного эквивалента сети в полосе частот от 10 до 600 кГц проверяют в соответствии с рисунком 23.
1 - генератор синусоидальных сигналов; 2, 4 - симметрирующие
трансформаторы (

= 50 Ом,

= 200 Ом); 3 - Т-образный
эквивалент сети; 5 - селективный микровольтметр; 6 -
эквивалент нагрузки (50 Ом); Ш1, Ш2 - разъемы "Источник ИРП";
Ш3 - разъем "Измеритель ИРП"; Ш4, Ш5 - разъемы "Линия связи";
Ш6, Ш7 - разъемы "Земля"
Рисунок 23. Схема проверки вносимого затухания
для симметричного сигнала Т-образного эквивалента сети
в полосе частот от 10 до 600 кГц
Известное напряжение

через симметрирующий трансформатор подают от генератора на эквивалент сети и отмечают показание селективного микровольтметра.
Вносимое затухание

определяют по формуле
где

- суммарный коэффициент передачи симметрирующих трансформаторов.
5.3.22. Проверку по
4.5.2 проводят в однородном поле. Антенну измерителя ИРП ориентируют таким образом, чтобы получить максимальное показание измерителя

в децибелах. Ориентацию антенны изменяют до получения минимального показания измерителя

в децибелах. Разность

должна быть не менее 20 дБ.
Примечание. Допускается проводить указанную проверку в поле дальних станций. При этом принимаемый сигнал должен быть таким, чтобы изменение показаний измерителя ИРП за время, необходимое для проведения измерений, не превышало 2 дБ.
5.3.23. Характеристики входного полного сопротивления (проводимости) пробников напряжения
(4.4.4) проверяют с помощью измерителя полных сопротивлений (полной проводимости) аналогично
5.3.17.1.
5.3.24. Переходное затухание многопроводных пробников напряжения
(4.4.4) проверяют аналогично
5.3.19.
5.3.25. При измерении параметров поглощающих клещей условия измерения должны соответствовать указанным в
5.3.2.5.
5.3.26. Входное полное сопротивление поглощающих клещей
(пункт 1 таблицы 9) проверяют в соответствии с
рисунком 8. Поглощающие клещи перемещают вдоль провода, начиная от экрана, до получения максимального показания измерителя ИРП и оставляют в этом положении.
Затем генератор и аттенюатор заменяют измерителем полных сопротивлений и измеряют активную и реактивную составляющие полного сопротивления.
Сдвигая клещи относительно точки максимального показания измерителя ИРП, находят положение, при котором выполняются требования
пункта 1 таблицы 9.
5.3.27. Затухание, вносимое поглощающими клещами в провод электропитания источника ИРП
(пункт 2 таблицы 9), проверяют в соответствии с
рисунком 24. Дополнительные поглощающие клещи размещают непосредственно за испытуемыми.
1 - измеритель ИРП; 2 - генератор синусоидальных сигналов;
3 - аттенюатор; 4 - коаксиальный разъем; 5 - металлический
экран (1500 x 1500 мм); 6 - испытуемые поглощающие клещи;
7 - дополнительные поглощающие клещи; 8 - медный провод
(диаметр от 1 до 1,5 мм); 9 - пружина для натяжения провода
(изолирована от провода); 10 - переключатель; L > 5600 мм;
H = (900 +/- 100) мм
Рисунок 24. Схема проверки затухания, вносимого поглощающими
клещами в провод электропитания источника ИРП
В положении I переключателя испытуемые и дополнительные поглощающие клещи перемещают вдоль провода, начиная от экрана, до получения максимального показания измерителя ИРП

(дБ). После этого, не изменяя положения клещей на проводе, отмечают показание измерителя ИРП

(дБ) в положении II переключателя.
Затухание Q определяют по формуле
где

и

- коэффициенты калибровки испытуемых и дополнительных поглощающих клещей.
5.3.28. Изменение коэффициента калибровки поглощающих клещей при подмагничивании рабочим током
(пункт 3 таблицы 9) проверяют в соответствии с
рисунком 25. Проверку проводят на низшей частоте полосы рабочих частот поглощающих клещей.
При выключенном источнике тока от генератора подают напряжение и перемещают поглощающие клещи вдоль провода, начиная от экрана, до получения максимального показания измерителя

(дБ). Включают источник тока и вновь перемещают клещи до получения максимального показания измерителя

в децибелах.
Изменение коэффициента калибровки L определяют по формуле
1 - измеритель ИРП; 2 - генератор синусоидальных сигналов;
3 - аттенюатор; 4 - коаксиальный разъем; 5 - металлический
экран (1500 x 1500 мм); 6 - разделительный конденсатор
С = 2500 пФ +/- 20%; 7 - поглощающие клещи; 8 - медный провод
(диаметр от 1 до 1,5 мм); 9 - пружина для натяжения провода
(изолирована от провода); 10 - источник тока;
L >= 5600 мм; H = (900 +/- 100) мм
Рисунок 25. Схема проверки изменения коэффициента калибровки
поглощающих клещей от подмагничивания рабочим током
5.3.29. Изменение коэффициента калибровки токосъемников от подмагничивания рабочим током
(4.7.3) проверяют с помощью установки, аналогичной используемой при проверке по
5.3.2.6. Параллельно проводу установки располагают второй провод, предназначенный для пропускания постоянного тока, который подключают к источнику тока. Проверку проводят на низшей частоте полосы рабочих частот токосъемника.
Охватывают оба провода установки токосъемником. При выключенном источнике постоянного тока от генератора подают напряжение на провод, настраивают измеритель ИРП на частоту генератора и отмечают показание измерителя

(дБ).
Включают источник постоянного тока и устанавливают в проводе значение тока, равное амплитудному значению максимального рабочего тока токосъемника. Отмечают показание измерителя

(дБ). Изменение коэффициента калибровки L определяют по
формуле (33).
5.3.30. Влияние электрического поля на токосъемник
(4.7.4) проверяют, создавая электрическое поле с напряженностью 3 В/м и помещая в это поле токосъемник, подключенный коаксиальным кабелем к измерителю ИРП.
Ориентируют токосъемник по максимальному показанию измерителя ИРП. Требования
4.7.4 считают выполненными, если это показание не превосходит нижний предел измерения измерителя ИРП.
Примечание. Источником испытательного поля может служить излучающая антенна или ТЕМ-камера. Напряженность поля проверяют с помощью калиброванного измерителя напряженности поля.
Методика проверки сопротивления, вносимого токосъемником в измеряемую цепь, должна быть указана в ТУ.
5.3.31. Погрешность установки уровня анализа
(4.8.5) проверяют следующим образом.
В соответствии с инструкцией по эксплуатации анализатора ИРП устанавливают уровень анализа, равный

(дБ).
На вход измерителя ИРП подают образцовый синусоидальный сигнал, увеличивают его уровень до значения

(дБ), при котором анализатор ИРП регистрирует помеху, длительность которой более 200 мс.
Погрешность определяют по формуле
Измерения выполняют для двух значений

, соответствующих нижнему и верхнему пределам регулировки уровня анализа при фиксированном положении аттенюаторов измерителя ИРП.
5.3.32. Пределы характеристики избирательности
(4.8.6) измерителя ИРП с анализатором ИРП проверяют аналогично
5.3.5.
Экспериментальную кривую избирательности снимают следующим образом.
В соответствии с инструкцией по эксплуатации анализатора ИРП устанавливают уровень анализа, равный

.
На вход измерителя ИРП от генератора подают синусоидальный сигнал, настраивают измеритель ИРП на частоту генератора. Увеличивают напряжение сигнала до значения

(мкВ), при котором анализатор ИРП регистрирует помеху длительностью более 200 мс.
Изменяют частоту генератора на определенное число килогерц и каждый раз увеличивают уровень выходного напряжения генератора до значения

(мкВ), при котором анализатор ИРП регистрирует помеху, длительность которой более 200 мс. Значение расстройки частоты генератора определяют с помощью частотомера.
Значение характеристики избирательности определяют по
формуле (9).
5.3.33. При проверке импульсных параметров измерителя ИРП с анализатором ИРП
(4.8.7) проверяют погрешность выполнения амплитудного соотношения и импульсной характеристики.
5.3.33.1. Погрешность выполнения амплитудного соотношения определяют аналогично
5.3.8.1.
В соответствии с инструкцией по эксплуатации анализатора ИРП устанавливают уровень анализа, равный

На вход измерителя ИРП через образцовый аттенюатор от импульсного генератора подают импульсный сигнал с частотой повторения импульсов F = 20 - 100 кГц и длительностью импульсов 10 - 20 нс. Частота импульсов должна быть известна с точностью 1%.
При фиксированном ослаблении образцового аттенюатора

(дБ) увеличивают амплитуду импульсов до значения, при котором анализатор ИРП регистрирует помеху длительностью более 200 мс.
Устанавливают на генераторе частоту повторения импульсов 100 Гц. Уменьшают ослабление образцового аттенюатора до значения

(дБ), при котором анализатор ИРП регистрирует помеху, длительность которой более 200 мс.
Погрешность выполнения амплитудного соотношения определяют по
формуле (17).
5.3.33.2. Импульсную характеристику проверяют аналогично
5.3.8.3.
В соответствии с инструкцией по эксплуатации анализатора ИРП устанавливают уровень анализа, равный

.
На вход измерителя ИРП через образцовый аттенюатор от импульсного генератора подают импульсный сигнал с частотой повторения импульсов F = 100 Гц и длительностью импульсов 10 - 20 нс.
При фиксированном ослаблении образцового аттенюатора

(дБ) увеличивают амплитуду импульсов до значения, при котором анализатор ИРП регистрирует помеху длительностью более 200 мс.
Последовательно устанавливают на генераторе частоту повторения импульсов в соответствии с
таблицей 3. Каждый раз изменяют ослабление образцового аттенюатора до значения

(дБ), при котором:
- для частот повторения 1000, 20 и 10 Гц анализатор ИРП регистрирует помеху длительностью более 200 мс;
- для частот повторения 5 и 2 Гц анализатор ИРП регистрирует появление в двухсекундном интервале более двух помех;
- для частоты повторения 1 Гц и для одиночных импульсов анализатор ИРП регистрирует число помех, длительность которых равна или менее 200 мс.
Для каждой частоты повторения рассчитывают значение импульсной характеристики по
формуле (17) и определяют погрешность импульсной характеристики по
5.3.8.4.
Примечание. Измерения по
5.3.33 выполняют для двух значений

, соответствующих нижнему и верхнему пределам регулировки уровня анализа при фиксированном положении аттенюаторов измерителя ИРП.
5.3.34. Погрешность измерения временных интервалов и частоты повторения помех
(4.8.9) проверяют следующим образом.
Для проверки используют одиночные или парные радиоимпульсы, подаваемые на вход измерителя ИРП. Длительность и период следования импульсов (интервал между импульсами) контролируются частотомером. В соответствии с инструкцией по эксплуатации анализатора ИРП устанавливают уровень анализа, равный

. Амплитуда радиоимпульсов устанавливается такой, чтобы радиоимпульсы регистрировались анализатором ИРП.
5.3.34.1. Погрешность измерения интервала

мс проверяют следующим образом.
Устанавливают длительность радиоимпульсов t = 190 мс, интервал между импульсами - более 1 с.
Анализатор ИРП должен регистрировать импульсы как помехи длительностью не более 200 мс.
Увеличивают длительность импульсов до значения

, при котором анализатор регистрирует импульсы как помехи длительностью более 200 мс.
Определяют погрешность по формуле
где

и

- измеренное и номинальное значения длительности временного интервала, мс, соответственно.
5.3.34.2. Погрешность измерения интервала

. Устанавливают длительность радиоимпульсов 0,2 мс, период следования t = 1050 мс. Анализатор ИРП должен регистрировать импульсы как помехи, длительность которых не более 200 мс.
Уменьшают период следования до значения

при котором анализатор ИРП регистрирует появление более двух помех в двухсекундном интервале.
5.3.34.3 Погрешность измерения интервала

. Устанавливают длительность радиоимпульса t = 10,5 мс, подают 10 импульсов за время 2 мин 10 с. Анализатор ИРП должен регистрировать импульсы как помехи, длительность которых не более 200 мс.
Уменьшают длительность импульсов до значения

, при котором анализатор регистрирует импульсы как помехи длительностью не более 10 мс с частотой повторения не более 5 в одну минуту.
5.3.34.4. Погрешность измерения частоты повторения помех
(4.8.9). Устанавливают длительность радиоимпульса 9,5 мс. Подают 10 импульсов за время измерения t = 110 c. Анализатор ИРП должен регистрировать импульсы как помехи длительностью не более 200 мс.
Увеличивают время измерений до значения

, при котором анализатор регистрирует импульсы как помехи длительностью не более 10 мс с частотой повторения не более 5 в одну минуту.
Определяют погрешность по формуле
где

5.3.34.5. Погрешность измерения интервала

. Подают на вход измерителя ИРП парные радиоимпульсы. Длительность первого импульса - 300 мс, длительность второго - 270 мс (суммарная длительность 570 мс), интервал между импульсами - более 250 мс.
Анализатор ИРП должен регистрировать импульсы как помехи, длительность которых не превышает 200 мс.
Увеличивают суммарную длительность до значения

, при котором анализатор фиксирует, что общая продолжительность помех длительностью более 200 мс превысила 600 мс.
5.3.34.6. Погрешность измерения интервала

. Подают на вход измерителя ИРП парные радиоимпульсы. Длительность импульсов - 100 мс, интервал между импульсами t = 210 мс.
Анализатор ИРП должен регистрировать импульсы как помехи длительностью не более 200 мс.
Уменьшают интервал между импульсами до значения

, при котором анализатор регистрирует импульсы как помехи длительностью более 200 мс.
Примечание. Допускается вместо радиоимпульса использовать комбинацию видеоимпульсов. При этом длительность помехи на выходе промежуточной частоты измерительного приемника должна контролироваться осциллографом и соответствовать длительности радиоимпульса по
5.3.34.
(обязательное)
ТЕХНИЧЕСКИЕ ТРЕБОВАНИЯ К ИСКАТЕЛЯМ ИРП
А.1. Параметры искателей ИРП в полосе частот от 0,15 до 1000 МГц должны соответствовать требованиям, указанным в таблице А.1.
Таблица А.1
Параметры искателей ИРП
┌────────────────────────────────────────┬───────────────────────┐
│ Наименование параметра │ Значение параметра │
│ │ в полосе частот │
│ ├───────────┬───────────┤
│ │ от 0,15 │ от 30 до │
│ │ до 30 МГц │ 1000 МГц │
├────────────────────────────────────────┼───────────┼───────────┤
│ 1. Погрешность измерения синусо-│ 4,0 │ 4,0 │
│идального напряжения, дБ, не более │ │ │
│ │ │ │
│ 2. Амплитудное соотношение при час-│ 3160,0 │ 22700,0 │
│тоте повторения импульсов 100 Гц, Гц │ │ │
│ │ │ │
│ 3. Погрешность амплитудного соотно-│ 2,5 │ 2,5 │
│шения, дБ, не более │ │ │
│ │ │ │
│ │ │ │
│тельности │ │ │
│ │ │ │
│ 6. Погрешность, вносимая собственны-│ 1,5 │ 1,5 │
│ми шумами, дБ, не более │ │ │
│ │ │ │
│ 7. Ослабление сигналов частот, рав-│ 30,0 │ 30,0 │
│ных промежуточным, дБ, не менее │ │ │
│ │ │ │
│ 8. Ослабление зеркальных каналов,│ 20,0 │ 20,0 │
│дБ, не менее, дБ │ │ │
│ │ │ │
│ 9. Ослабление прочих паразитных ка-│ 30,0 │ 30,0 │
│налов, дБ │ │ │
│ │ │ │
│ 10. Погрешность установки частоты,│ 3,0 │ 3,0 │
│%, не более │ │ │
│ │ │
│ 11. Помехозащищенность по полю │Не менее верхнего пре-│
│ │дела измерения напря-│
│ │женности поля, указан-│
│ │ного в технических ус-│
│ │ловиях на приборы кон-│
│ │кретных типов │
│ │ │
│ 12. Характеристики входа: │ Вход несимметричный │
│ │ │
│ - номинальное значение сопротивле-│ 75 или 50 │
│ния, Ом │ │
│ │ │
│ - K , не более │ 2 │ 3 │
│ стU │ │ │
├────────────────────────────────────────┴───────────┴───────────┤
│ Примечание: на отдельных частотах, указанных в технических│
│условиях на приборы конкретных типов, допускается уменьшать│
│помехозащищенность по полю до 100 мкВ/м │
└────────────────────────────────────────────────────────────────┘
А.2. Для измерения напряженности поля ИРП должны использоваться антенны следующих типов:
- в полосе частот от 0,15 до 30 МГц - штыревая (или дипольная) и рамочная (или ферритовая);
- в полосе частот от 30 до 1000 МГц - симметричный вибратор или биконическая.
А.2.1. Размеры антенны должны удовлетворять следующим требованиям:
- штыревая антенна должна быть длиной (1 +/- 0,03) м;
- рамочная антенна должна вмещаться в квадрат со стороной не более 0,6 м;
- ферритовая антенна должна быть длиной не более 0,5 м;
- в полосе частот от 30 до 80 МГц симметричный диполь должен быть длиной (1,85 +/- 0,1) м, а в полосе частот от 80 до 300 МГц должен быть настроенным полуволновым диполем;
- биконическая антенна должна иметь максимальный размер не более 1,35 м.
b - значение импульсной характеристики; F - частота повторения импульсов
Примечание. Допустимые отклонения от номинального значения

: для F = 10 Гц

; для F = 20 Гц

Рисунок А.1. Импульсная характеристика искателя ИРП в полосе
b - значение импульсной характеристики; F - частота повторения импульсов
Примечание. Допустимые отклонения от номинального значения

: для F = 10 Гц

; для F = 20 и 10000 Гц

; для F = 1000 Гц

Рисунок А.2. Импульсная характеристика искателя ИРП
в полосе частот от 30 до 3000 МГц

- значение характеристики избирательности;

- расстройка
Рисунок А.3. Пределы характеристики избирательности
искателя ИРП в полосе частот от 0,15 до 30 МГц

- значение характеристики избирательности;

- расстройка
Рисунок А.4. Пределы характеристики избирательности
искателя ИРП в полосе частот от 30 до 1000 МГц
Примечание. В полосе частот от 30 до 1000 МГц допускается использовать антенны линейной поляризации, у которых главный лепесток диаграммы направленности таков, что в направлении непосредственного излучения от источника ИРП и в направлении отражаемого от земли луча разность коэффициентов усиления антенн не превышает 1,5 дБ.
А.2.2. Погрешность измерения напряженности синусоидального однородного поля при измерении искателем ИРП с антенной должна быть не более 6 дБ.
А.2.3. Масса приборов не должна превышать 10 кг, объем приборов не должен превышать 0,01 м3. Мощность, потребляемая прибором, не должна превышать 10 В · А.
А.3. Методы испытаний искателей ИРП соответствуют аналогичным методам испытаний измерителей ИРП, приведенным в
5.3.3 -
5.3.15 настоящего стандарта. При этом допускается увеличение погрешности используемой измерительной аппаратуры, приведенной в
таблице 8, не более чем в 2 раза.
(рекомендуемое)
ПАРАМЕТРЫ КВАЗИПИКОВОГО ДЕТЕКТОРА
Б.1. Параметры квазипикового детектора должны соответствовать требованиям таблицы Б.1.
Таблица Б.1
Параметры квазипикового детектора
┌────────────────────────────┬───────────────────────────────────┐
│ Наименование параметра │Значение параметра в полосе частот,│
│ │ МГц │
│ ├───────────┬───────────┬───────────┤
│ │ от 0,009 │ от 0,15 │ от 30 │
│ │ до 0,15 │ до 30 │ до 1000 │
├────────────────────────────┼───────────┼───────────┼───────────┤
│ 1. Постоянная времени │ 45 +/- 9 │ 1 +/- 0,2│ 1 +/- 0,2│
│заряда детектора, мс │ │ │ │
│ 2. Постоянная времени │500 +/- 100│160 +/- 32 │550 +/- 110│
│разряда детектора, мс │ │ │ │
│ 3. Степень демпфирования│Критическая│Критическая│Критическая│
│индикаторного прибора │ │ │ │
│ 4. Баллистическая посто-│160 +/- 132│160 +/- 132│100 +/- 120│
│янная времени индикаторного│ │ │ │
│прибора, мс │ │ │ │
└────────────────────────────┴───────────┴───────────┴───────────┘
Б.2. Методы проверки параметров
Б.2.1. Измерительная аппаратура должна обеспечивать проведение измерений во всей полосе рабочих частот измерителя ИРП. Для проверки требуются приборы с параметрами, указанными в таблице Б.2.
Таблица Б.2
Параметры измерительной аппаратуры
┌──────────────────────────┬───────────────────────────────────┬──────────┐
│ Наименование прибора │ Параметр прибора │ Значение │
│ │ │параметра │
├──────────────────────────┼───────────────────────────────────┼──────────┤
│ 1. Генератор радио-│ Диапазон длительностей прямо-│ От 0,5 │
│импульсов или установка,│угольных радиоимпульсов, мс │ 3 │
│включающая генератор │ │ до 10 │
│прямоугольных импульсов,│ │ │
│генератор синусоидальных│ Погрешность установки длитель-│ 7 │
│сигналов и модулятор │ности радиоимпульсов (пауз), %│ │
│ │не более │ │
│ │ Длительность фронта и спада│ 5 │
│ │огибающей в процентах от длитель-│ │
│ │ности импульсов, не более │ │
│ │ Снижение плоской вершины огиба-│ 5 │
│ │ющей в процентах от амплитуды им-│ │
│ │пульсов не более │ │
│ │ Частота повторения радиоимпуль-│ 0,1 │
│ │сов, Гц, не более │ │
├──────────────────────────┼───────────────────────────────────┼──────────┤
│ 2. Генератор прямо-│ Диапазон длительностей прямо-│ От 50 │
│угольных импульсов │угольных импульсов, мс │ до 500 │
│ │ Погрешность установки длитель-│ 10,0 │
│ │ности импульсов, %, не более │ │
│ │ Длительность фронта и спада│ 5,0 │
│ │импульсов в процентах от длитель-│ │
│ │ности импульсов, не более │ │
│ │ Снижение плоской вершины им-│ 5,0 │
│ │пульсов, в процентах от амплитуды│ │
│ │импульсов, не более │ │
│ │ Частота повторения импульсов,│ 0,1 │
│ │Гц, не более │ │
├──────────────────────────┼───────────────────────────────────┼──────────┤
│ 3. Электронно-лучевой │ Входное сопротивление, Ом, не│ 6 │
│осциллограф │менее │ 10 │
│ │ Полоса пропускания, Гц │ От 0 │
│ │ │ до 100 │
│ │ Чувствительность, мкВ/см, не│ 1 │
│ │менее │ │
│ │ Тип трубки │С длитель-│
│ │ │ным после-│
│ │ │свечением │
│ │ │экрана │
├──────────────────────────┼───────────────────────────────────┼──────────┤
│ 4. Вольтметр постоян-│ Диапазон измеряемых напряжений,│ От 1 до │
│ного тока │B │ 15 │
│ │ Погрешность измерения, %, │ 4 │
│ │не более │ │
└──────────────────────────┴───────────────────────────────────┴──────────┘
Б.2.2. Постоянную времени заряда детектора
(пункт 1 таблицы Б.1) проверяют, подавая напряжение от генератора на вход настроенного измерителя ИРП или на вход любого каскада промежуточной частоты. К нагрузке или части нагрузки детектора подключают осциллограф и отмечают отклонение его луча. Затем от генератора радиоимпульсов подают одиночный радиоимпульс (последовательность импульсов с частотой не более 0,1 Гц) с амплитудой, равной амплитуде подаваемого ранее синусоидального напряжения и с регулируемой длительностью. Отмечают по генератору радиоимпульсов длительность импульса, при которой отклонение луча осциллографа соответствует 0,63 А. Эта длительность равна постоянной времени заряда детектора.
Б.2.3. Постоянную времени разряда детектора
(пункт 2 таблицы Б.1) проверяют аналогично
Б.2.2, но вместо радиоимпульсов от генератора радиоимпульсов подают синусоидальное напряжение, отключаемое на регулируемое время (паузу). Отмечают длительность паузы, при которой отклонение луча осциллографа соответствует 0,36 A. Эта длительность равна постоянной времени разряда детектора.
Примечание. Входное сопротивление осциллографа не должно изменять сопротивление нагрузки детектора более чем на 5%. Если это условие не выполняется при непосредственном подключении осциллографа, то последний может быть подключен через добавочное сопротивление.
Б.2.4. Степень демпфирования индикаторного прибора
(пункт 3 таблицы Б.1) проверяют, подавая на вход измерителя ИРП от генератора такое напряжение, чтобы стрелка индикаторного прибора отклонилась на 95% полной шкалы. Выключают и снова включают напряжение генератора, наблюдая за движением стрелки. При критическом демпфировании стрелка прибора должна перейти через установившееся значение (95%), но не выйти за пределы шкалы.
Б.2.5. Баллистическую постоянную времени индикаторного прибора
(пункт 4 таблицы Б.1) проверяют следующим образом:
а) на вход измерителя ИРП подают напряжение от генератора; к нагрузке детектора подключают вольтметр постоянного тока и определяют напряжение U, вызывающее некоторое отклонение стрелки индикаторного прибора

;
б) отключают генератор и на нагрузку детектора от генератора прямоугольных импульсов подают одиночный импульс (последовательность импульсов с частотой повторения не более 0,1 Гц) с амплитудой, равной 2,83 U;
в) меняют длительность прямоугольных импульсов до тех пор, пока стрелка индикаторного прибора не достигнет прежнего отклонения

. При этом длительность импульсов будет равна баллистической постоянной времени индикаторного прибора.
(справочное)
РАСЧЕТНЫЕ ЗНАЧЕНИЯ ИМПУЛЬСНОЙ И ЭФФЕКТИВНОЙ ПОЛОС
ПРОПУСКАНИЯ ИЗМЕРИТЕЛЯ ИРП
Таблица В.1
┌──────────────────────┬───────────────────┬─────────────────────┐
│ Полоса рабочих частот│ Импульсная полоса │ Эффективная полоса │
│ измерителя ИРП, МГц │ пропускания, кГц │ пропускания, кГц │
├──────────────────────┼───────────────────┼─────────────────────┤
│ От 0,009 до 0,15 │ 0,21 │ 0,165 │
│ │ │ │
│ От 0,15 до 30 │ 9,5 │ 7,45 │
│ │ │ │
│ От 30 до 1000 │ 126 │ 100 │
└──────────────────────┴───────────────────┴─────────────────────┘
(рекомендуемое)
ПРИМЕРЫ СХЕМ ЭКВИВАЛЕНТОВ СЕТИ
Рисунок Г.1. Принципиальная схема двухпроводного V-образного
эквивалента сети типа 1 (50 Ом/50 мкГн + 5 Ом)
Рисунок Г.2. Принципиальная схема четырехфазного V-образного
эквивалента сети типа 2
а - на полосу частот от 0,15 до 30 МГц;
б - на полосу частот от 0,009 до 30 МГц
Рисунок Г.3. Принципиальная схема однопроводного V-образного
эквивалента сети типа 4 (50 Ом/50 мкГн)
Рисунок Г.4. Принципиальная схема однопроводного V-образного
эквивалента сети типа 5 (50 Ом/5 мкГн + 1 Ом)
Ш1, Ш2 - разъемы "Источник ИРП"; Ш3 - разъем "Измеритель ИРП";
Ш4, Ш5 - разъемы "Линия связи"; Ш6, Ш7 - разъемы "Земля"
Рисунок Г.5. Принципиальная схема двухпроводного
Т-образного эквивалента сети
(обязательное)
ТРЕХКООРДИНАТНАЯ РАМОЧНАЯ АНТЕННА (ТРА) ДЛЯ ИЗМЕРЕНИЯ СИЛЫ
ТОКА, НАВЕДЕННОГО МАГНИТНЫМ ПОЛЕМ ИСТОЧНИКА ИРП
Трехкоординатную рамочную антенну (ТРА) применяют для измерения силы тока, наведенного магнитным полем источника ИРП, в полосе частот от 0,009 до 30 МГц.
Д.1. Конструкция ТРА ТРА состоит из трех взаимоперпендикулярных рамочных антенн диаметром 2 м (рисунок Д.1)
S - антенная прорезь; C - токосъемник; F - ферритовый поглотитель
Рисунок Д.1. Трехкоординатная рамочная антенна (ТРА)
Рамочные антенны выполнены из коаксиального кабеля, имеющего волновое сопротивление 50 Ом. Каждая рамка имеет токосъемник и две прорези. Вносимое в рамку сопротивление токосъемника должно быть как минимум в 2 раза меньше, чем полное сопротивление рамки на частоте 9 кГц. Токосъемники при помощи коаксиальных кабелей с волновым сопротивлением 50 Ом соединяются с коаксиальным переключателем, к которому подключается измеритель ИРП. Каждый из соединительных кабелей должен быть снабжен ферритовым поглотителем, состоящим из 12 ферритовых колец с магнитной проницаемостью в пределах от 100 до 400. Прорези на каждой рамке расположены напротив друг друга симметрично относительно токосъемника. Их конструкция приведена на рисунке Д.2.
Рисунок Д.2. Конструкция прорези на рамке
Д.2. Калибровка ТРА
Калибровку ТРА производят измерением тока, наводимого в рамках калибровочным диполем, конструкция которого показана на рисунке Д3.
Рисунок Д.3. Конструкция калибровочного диполя
Во время калибровки диполь располагают в плоскости калибруемой рамки. Наведенный ток определяют в восьми положениях диполя
(рисунок Д.4). При подаче на диполь сигнала напряжением 1 В величина наведенного в рамках тока должна соответствовать с точностью 1,5 дБ графику, приведенному на
рисунке Д.5.
Рисунок Д.4. Положения диполя во время калибровки ТРА
Рисунок Д.5. Коэффициент оценки наведенного в рамках тока
Если ТРА соответствует этим требованиям, по величине тока, наведенного в рамках испытуемой установкой, расположенной в центре ТРА, с точностью до 3 дБ определяют напряженность магнитного поля H в децибелах относительно 1 мкА/м по формуле
H = I + K,
где I - величина тока в рамках ТРА, дБ (мкА);
K - коэффициент пересчета, дБ (1/м).
В общем случае коэффициент пересчета является частотнозависимой величиной. Для стандартных расстояний 3 и 10 м коэффициент пересчета представлен на рисунке Д.6.
Рисунок Д.6. Коэффициент пересчета напряженности магнитного
поля H по наведенному в рамках току
(рекомендуемое)
ИЗМЕРИТЕЛЬНАЯ АППАРАТУРА ДЛЯ ИСПЫТАНИЙ ИЗМЕРИТЕЛЕЙ ИРП
И ИЗМЕРИТЕЛЬНЫХ УСТРОЙСТВ
Таблица Е.1
┌───────────────────────────┬────────┬────────────────────────────────────┐
│ Наименование │ Тип │ Параметр │
├───────────────────────────┼────────┼────────────────────────────────────┤
│ Генератор сигналов │ Г4-158 │Диапазон частот от 0,01 до 100 МГц │
│ │ Г4-176 │Диапазон частот от 0,1 до 1200 МГц │
│ │ Г3-123 │Диапазон частот от 1 Гц до 300 кГц │
├───────────────────────────┼────────┼────────────────────────────────────┤
│ Калибратор переменного│ В1-29 │Диапазон частот от 10 Гц до 100 МГц │
│напряжения │ │Пределы измерений 3 мкВ - 3 В │
│ │ │Погрешность 0,066 - 2% │
├───────────────────────────┼────────┼────────────────────────────────────┤
│ Вольтметр │ В3-49 │Диапазон частот от 20 Гц до 1 ГГц │
│ │ │Пределы измерения 10 мВ - 100 В │
├───────────────────────────┼────────┼────────────────────────────────────┤
│ Милливольтметр │ В3-48, │Диапазон частот от 0 Гц до 50 МГц │
│ │ │Пределы измерения 0,3 мВ - 300 В │
│ │ │ │
│ │ В3-63 │Диапазон частот от 10 Гц до 1500 МГц│
│ │ │Пределы измерения 10 мВ - 100 В │
├───────────────────────────┼────────┼────────────────────────────────────┤
│ Ваттметр │ М3-90 │Диапазон частот от 0,02 до 17,85 ГГц│
│ │ │Пределы измерения 0,1 мкВт - 10 мВт │
├───────────────────────────┼────────┼────────────────────────────────────┤
│ Частотомер │ Ч3-63, │Диапазон частот от 0,1 Гц │
│ │ Ч3-64 │ до 1000 МГц │
│ │ │Пределы измерения 0,03 - 0 В │
├───────────────────────────┼────────┼────────────────────────────────────┤
│ Установка 2 разряда для│ УПША-2 │Диапазон частот от 0,15 до 30 МГц │
│поверки измерителей напря-│ │Предел измерения 0,1 - 60 В/м │
│женности поля со штыревыми│ │Погрешность 5 - 8% │
│антеннами │ │ │
├───────────────────────────┼────────┼────────────────────────────────────┤
│ Образцовая установка 2│ П1-5 │Диапазон частот от 30 до 1000 МГц │
│разряда для поверки измери-│ │(набор фиксированных частот) │
│телей напряженности поля │ │Погрешность измерения 0,3 - 2,5 В/м │
│с дипольными (вибраторными)│ │Погрешность 6 - 9% │
│антеннами │ │ │
├───────────────────────────┼────────┼────────────────────────────────────┤
│ Образцовая установка 2│ П1-4 │Диапазон частот от 0,01 до 30 МГц │
│разряда для поверки измери-│ │Пределы измерения (0,03 - 0,7) │
│телей напряженности поля │ │ -3 │
│с рамочными антеннами │ │ 10 А/м │
│ │ │Погрешность 5 - 7,5% │
├───────────────────────────┼────────┼────────────────────────────────────┤
│ Образцовая установка 2│ УОМП-2 │Диапазон частот от 0,1 до 30 МГц │
│разряда для поверки измери-│ │Пределы измерения 1,5 - 15 мА/м │
│телей напряженности поля │ │Погрешность 3,5 - 5% │
│с ферритовыми антеннами │ │ │
├───────────────────────────┼────────┼────────────────────────────────────┤
│ Гальванометр │ М-195 │Пределы измерения │
│ │ │ -9 │
│ │ │ (1,6 - 3,8) · 10 А/дел │
├───────────────────────────┼────────┼────────────────────────────────────┤
│ Вольтметр универсальный│ В7-37 │Пределы измерения постоянного напря-│
│ │ │ -4 │
│ │ │жения 10 - 1000 В │
│ │ М-95 │Пределы измерения переменного напря-│
│ │ │жения в диапазоне частот от 20 Гц │
│ │ │до 100 кГц от 0,01 до 1000 В │
│ │ │Пределы измерения постоянного тока│
│ │ │ -8 │
│ │ │ 10 - 10 А │
│ │ │Пределы измерения переменного тока│
│ │ │ -6 │
│ │ │ 10 - 10 А │
├───────────────────────────┼────────┼────────────────────────────────────┤
│ Генератор импульсов │ Г5-60 │Длительность импульсов 10 нс - 1 мкс│
│ │ при │Частота повторения импульсов от 0,2 │
│ │условии │Гц до 300 кГц │
│ │аттеста-│Амплитуда импульсов 0 - 10 В │
│ │ции по │ │
│ │МИ 1764-│ │
│ │ 87 │ │
├───────────────────────────┼────────┼────────────────────────────────────┤
│ Формирователь радио- │ П1-7 │Диапазон частот 30 - 1000 МГц │
│импульсов │ │Частота повторения радиоимпульсов от│
│ │ │0,1 Гц до 300 кГц │
├───────────────────────────┼────────┼────────────────────────────────────┤
│ Измеритель импеданса │ ВМ-507│Диапазон частот от 5 до 500 кГц (для│
│низкочастотный │ │измерения незаземленных импедансов │
├───────────────────────────┼────────┼────────────────────────────────────┤
│ Измеритель импеданса │ ВМ-538│Диапазон частот от 0,5 до 110 МГц │
│высокочастотный │ │ │
├───────────────────────────┼────────┼────────────────────────────────────┤
│ Измеритель K │ Р2-73 │Диапазон частот от 0,01 до 1,25 ГГц │
│ стU │ │Пределы измерения 1,07 - 5 │
│ │ │ │
└───────────────────────────┴────────┴────────────────────────────────────┘
(справочное)
МЕТОДЫ ПРОВЕРКИ ОСНОВНЫХ ХАРАКТЕРИСТИК РЕЖЕКТОРНЫХ ФИЛЬТРОВ
Ж.1. Для проверки характеристик режекторных фильтров требуются измерительные приборы с параметрами, указанными в таблице Ж.1. Эти параметры должны выполняться во всей полосе рабочих частот проверяемых фильтров.
Таблица Ж.1
┌──────────────────┬──────────────────────────────────┬───────────────────┐
│ Наименование │ Параметр прибора │ Значение │
│ прибора │ │ параметра │
├──────────────────┼──────────────────────────────────┼───────────────────┤
│ 1. Генератор │ Диапазон выходных напряжений,│ 45,0 │
│синусоидальных │дБ, не менее │ │
│сигналов │ Погрешность установки частоты,│ 1,0 │
│ │%, не более │ │
│ │ Погрешность установки относи-│ 1,0 │
│ │тельных значений выходного напря- │ │
│ │жения, дБ, не более │ │
│ │ K выходного сопротивления,│ 1,2 │
│ │ стU │ │
│ │не более │ │
├──────────────────┼──────────────────────────────────┼───────────────────┤
│ 2. Вольтметр │ Диапазон измеряемых напряже-│ 45,0 │
│переменного тока │ний дБ, не менее │ │
│ │ Погрешность относительных│ 1,0 │
│ │измерений, дБ, не более │ │
│ │ Входное сопротивление, Ом,│ 50,0 │
│ │не менее │ │
├──────────────────┼──────────────────────────────────┼───────────────────┤
│ 3. Аттенюатор │ Ослабление, дБ │ 15 +/- 2 │
│ │ Номинальное значение входного│ В соответствии │
│ │и выходного сопротивления │с номинальным зна-│
│ │ │чением входного со-│
│ │ │противления измери-│
│ │ │теля ИРП │
│ │ K , не более │ 1,2 │
│ │ стU │ │
├──────────────────┼──────────────────────────────────┼───────────────────┤
│ 4. Частотомер │ Погрешность измерения частоты,│ 0,05 │
│ │%, не более │ │
├──────────────────┴──────────────────────────────────┴───────────────────┤
│ Примечание: соотношение между нижним пределом измерения U вольтметра │
│переменного тока и выходным напряжением генератора U должно быть:│
│ 3 r │
│U >= 1,5 · 10 U │
│ r │
└─────────────────────────────────────────────────────────────────────────┘
Ж.2. Проверку характеристик фильтров (вносимого затухания и полос режекции) производят в соответствии с рисунком Ж.1.
1 - генератор синусоидальных сигналов; 2 - режекторный фильтр;
3 - аттенюатор; 4 - вольтметр переменного тока
Рисунок Ж.1. Схема проверки характеристик режекторного фильтра
Ж.2.1. Проверку вносимого затухания фильтра на основной частоте настройки производят в следующем порядке: в положении I переключателя от генератора подают напряжение частотой, на которой затухание фильтра максимально. Подстраивают генератор по минимальному показанию вольтметра и отмечают показание вольтметра U. В положении II переключателя с помощью аттенюатора генератора уменьшают напряжение на величину

в дБ, при которой получают прежнее показание вольтметра U. Величина

в дБ равна вносимому затуханию фильтра.
Ж.2.2. Проверку полосы режекции фильтра на уровне 6 дБ от вершины характеристики производят в следующем порядке: в положении I переключателя от генератора подают напряжение с частотой, на которой затухание фильтра максимально; подстраивают генератор по минимальному показанию вольтметра и отмечают показания вольтметра U. С помощью аттенюатора генератора уменьшают напряжение на 6 дБ и измеряют частоту генератора в обе стороны до частоты

и

, при которых получают прежние показания вольтметра U. Измеряют частоты

и

генератора с помощью частотомера. Полосу режекции

на уровне 6 дБ от вершины характеристики определяют по формуле

Ж.2.3. Проверку полосы режекции фильтра на уровне 6 дБ от уровня пропускания производят в следующем порядке: в положении I переключателя от генератора подают напряжение с частотой, на которой затухание фильтра максимально, и подстраивают генератор по минимальному показанию вольтметра. Устанавливают переключатель в положение II и отмечают показания вольтметра U. Устанавливают переключатель в положение I и с помощью аттенюатора генератора увеличивают напряжение на 6 дБ. Измеряют частоту генератора в обе стороны до частоты

и

, при которых получают прежние показания вольтметра U.
Полосу режекции на уровне 6 дБ от уровня пропускания определяют по
формуле (Ж.1).
(справочное)
ТРЕБОВАНИЯ К ИЗМЕРИТЕЛЮ ИРП И ИЗМЕРИТЕЛЬНЫМ УСТРОЙСТВАМ
В ПОЛОСЕ ЧАСТОТ ОТ 1 ДО 18 ГГц
И.1. Требования к измерителю ИРП
И.1.1. Измеритель ИРП в полосе частот от 1 до 18 ГГц должен удовлетворять следующим требованиям:
- полоса пропускания (номинальные значения) на уровне минус 6 дБ - 120 кГц, 300 кГц, 1 МГц;
- погрешность номинальных значений полос пропускания +/- 10%;
- средний уровень собственных шумов в полосе пропускания 120 кГц - не более

;
- наибольшая измеряемая мощность синусоидального сигнала - не менее 0,1 Вт <*>;
--------------------------------
<*> Допускается использовать внешние аттенюаторы.
- относительный уровень помех, обусловленный интермодуляционными искажениями третьего порядка при отношении сигнал/шум, равном 1, и расстройке между сигналами 10 МГц - не более минус 40 дБ;
- погрешность аттенюатора - не более +/- 0,5 дБ;
- суммарная погрешность измерения мощности синусоидального сигнала - не более +/- 1 дБ;
- время развертки (изменяемое) - 0,1 - 10 с;
- эффективность экранирования - не менее 60 дБ;
- полосы пропускания видеофильтра, переключаемые с шагом 1, 10, - от 100 Гц до 1 МГц;
- несимметричное волновое входное сопротивление при

не более 2 - 50 Ом.
И.1.2. Измеритель ИРП должен обеспечивать измерение пикового, среднего и среднего квадратического значения мощности сигнала.
И.1.3. Измеритель ИРП должен иметь индикаторный прибор с памятью (например, электронно-лучевая трубка с памятью) для обеспечения визуальных наблюдений при использовании медленных разверток.
| | ИС МЕГАНОРМ: примечание. В тексте документа, видимо, допущена опечатка: пункт 4.9.3 в тексте документа отсутствует. | |
Примечания. 1. Целесообразно на входе измерителя ИРП устанавливать преселектор, характеристики избирательности которого отвечают требованиям к избирательности полосовых фильтров (4.9.3).
2. Допускается использовать в качестве измерителя ИРП анализаторы спектра, отвечающие вышеизложенным требованиям.
И.2.2. Измерительная антенна должна позволять проводить раздельные измерения горизонтальной и вертикальной составляющих электромагнитного поля.
Ослабление поля ортогональной паразитной поляризации антенны относительно поля основной поляризации в рабочем диапазоне частот должно быть не менее 20 дБ.
Рекомендуется использовать рупорную антенну.
И.2.3. Требования к кабелю измерительной антенны:
- длина кабеля - не менее 2 м;
- волновое сопротивление кабеля - 50 Ом;
-

кабеля, нагруженного на согласованную нагрузку, в рабочем диапазоне частот антенны - не более 1,6 дБ;
- ослабление кабеля в рабочем диапазоне частот - не более 6 дБ;
- основная погрешность ослабления кабеля - не более +/- 1,2 дБ;
- кабель к измерительной антенне должен присоединяться с помощью коаксиального разъема с волновым сопротивлением 50 Ом.
Примечание. Допускается присоединение кабеля к измерительной антенне с помощью волноводно-коаксиального перехода с

не более 1,3 в рабочем диапазоне частот антенны.
И.3. Требования к полосовым фильтрам
И.3.1. Полосовые фильтры на рабочие частоты от 1 до 18 ГГц должны удовлетворять следующим требованиям:
- затухание в полосе пропускания - не более 5 дБ;
- затухание в полосе заграждения - не менее 30 дБ;
- входное и выходное волновые сопротивления в полосе пропускания - 50 Ом.
(справочное)
БИБЛИОГРАФИЯ
[1] Рекомендация G. 117 МСЭ-Т: 1996, Вопросы, касающиеся несимметрии линий передачи относительно земли.