Главная // Актуальные документы // ГОСТ Р (Государственный стандарт)СПРАВКА
Источник публикации
М.: Стандартинформ, 2014
Примечание к документу
Документ
введен в действие с 1 января 2014 года.
Название документа
"ГОСТ Р ИСО 4762-2012. Национальный стандарт Российской Федерации. Винты с цилиндрической головкой и шестигранным углублением под ключ"
(утв. и введен в действие Приказом Росстандарта от 23.11.2012 N 1129-ст)
"ГОСТ Р ИСО 4762-2012. Национальный стандарт Российской Федерации. Винты с цилиндрической головкой и шестигранным углублением под ключ"
(утв. и введен в действие Приказом Росстандарта от 23.11.2012 N 1129-ст)
Утвержден и введен в действие
агентства по техническому
регулированию и метрологии
от 23 ноября 2012 г. N 1129-ст
НАЦИОНАЛЬНЫЙ СТАНДАРТ РОССИЙСКОЙ ФЕДЕРАЦИИ
ВИНТЫ С ЦИЛИНДРИЧЕСКОЙ ГОЛОВКОЙ
И ШЕСТИГРАННЫМ УГЛУБЛЕНИЕМ ПОД КЛЮЧ
Hexagon socket head cap screws
ISO 4762:2004
Hexagon socket head cap screws
(IDT)
ГОСТ Р ИСО 4762-2012
ОКП 16
Дата введения
1 января 2014 года
1. Подготовлен Федеральным государственным унитарным предприятием "Всероссийский научно-исследовательский институт стандартизации и сертификации в машиностроении" (ВНИИНМАШ) на основе собственного аутентичного перевода на русский язык международного стандарта, указанного в пункте 4.
2. Внесен Техническим комитетом по стандартизации ТК 229 "Крепежные изделия".
3. Утвержден и введен в действие
Приказом Федерального агентства по техническому регулированию и метрологии от 23 ноября 2012 г. N 1129-ст.
4. Настоящий стандарт идентичен международному стандарту ИСО 4762:2004 "Винты с цилиндрической головкой и шестигранным углублением под ключ" (ISO 4762:2004 "Hexagon socket head cap screws").
При применении настоящего стандарта рекомендуется использовать вместо ссылочных международных стандартов соответствующие им национальные стандарты Российской Федерации и межгосударственные стандарты, сведения о которых приведены в дополнительном
Приложении ДА.
5. Введен впервые.
Правила применения настоящего стандарта установлены в ГОСТ Р 1.0-2012
(раздел 8). Информация об изменениях к настоящему стандарту публикуется в ежегодном (по состоянию на 1 января текущего года) информационном указателе "Национальные стандарты", а официальный текст изменений и поправок - в ежемесячном информационном указателе "Национальные стандарты". В случае пересмотра (замены) или отмены настоящего стандарта соответствующее уведомление будет опубликовано в ближайшем выпуске ежемесячного информационного указателя "Национальные стандарты". Соответствующая информация, уведомление и тексты размещаются также в информационной системе общего пользования - на официальном сайте Федерального агентства по техническому регулированию и метрологии в сети Интернет (gost.ru).
Настоящий стандарт устанавливает характеристики винтов с цилиндрической головкой и шестигранным углублением под ключ с крупным шагом резьбы от М1,6 до М64 включительно класса точности A.
Приблизительные расчетные значения массы винтов см. в
Приложении А.
В случаях, когда необходимы характеристики, отличающиеся от установленных в настоящем стандарте, они могут быть выбраны из действующих международных стандартов, например ИСО 261, ИСО 888, ИСО 898-1, ИСО 965-2, ИСО 3506-1, ИСО 8839 и ИСО 4759-1.
Следующие нормативные документы необходимо использовать при применении настоящего стандарта. Для датированных ссылок применяется только указанное издание. Для недатированных ссылок - последнее издание указанного стандарта (включая любые поправки).
ИСО 225. Изделия крепежные. Болты, винты, шпильки и гайки. Символы и обозначения размеров (ISO 225, Fasteners - Bolts, screws, studs and nuts - Symbols and designations of dimensions)
ИСО 261. Резьбы метрические ИСО общего назначения. Общий план (ISO 261, ISO general-purpose metric screw threads - General plan)
ИСО 888. Болты, винты и шпильки. Номинальная длина и длина резьбовой части болтов общего назначения (ISO 888, Bolts, screws and studs - Nominal lengths and thread lengths for general purpose bolts)
ИСО 898-1. Механические свойства крепежных изделий из углеродистых и легированных сталей. Часть 1. Болты, винты и шпильки установленных классов прочности с крупным и мелким шагом резьбы (ISO 898-1, Mechanical properties of fasteners made of carbon steel and alloy steel - Part 1: Bolts, screws and studs with specified property classes - Coarse thread and fine pitch tread)
ИСО 965-2. Резьбы метрические ИСО общего применения. Допуски. Часть 2. Предельные размеры для наружной и внутренней резьб общего применения. Средний класс точности (ISO 965-2, ISO general purpose metric screw threads - Tolerances - Part 2: Limits of sizes for general purpose external and internal screw threads - Medium quality)
ИСО 965-3. Резьбы метрические ИСО общего назначения. Допуски. Часть 3. Отклонения для конструкционной резьбы (ISO 965-3, ISO general purpose metric screw threads - Tolerances - Part 3: Deviations for constructional screw threads)
ИСО 3269. Изделия крепежные. Приемочный контроль (ISO 3269, Fasteners - Acceptance inspection)
ИСО 3506-1. Механические свойства крепежных изделий из коррозионно-стойкой нержавеющей стали. Часть 1. Болты, винты и шпильки (ISO 3506-1, Mechanical properties of corrosion-resistant stainless-steel fasteners - Part 1: Bolts, screws and studs)
ИСО 4042. Изделия крепежные. Электролитические покрытия (ISO 4042, Fasteners - Electroplated coatings)
ИСО 4753. Изделия крепежные. Концы крепежных изделий с наружной метрической резьбой ИСО (ISO 4753, Fasteners - Ends of parts with external ISO metric thread)
ИСО 4759-1. Изделия крепежные. Допуски. Часть 1. Болты, винты, шпильки и гайки. Классы точности A, B и C (ISO 4759-1, Tolerances for fasteners - Part 1: Bolts, screws, studs and nuts - Product grades A, B and C)
ИСО 6157-1. Изделия крепежные. Дефекты поверхности. Часть 1. Болты, винты и шпильки общего назначения (ISO 6157-1, Fasteners - Surface discontinuities - Part 1: Bolts, screws and studs for general requirements)
ИСО 6157-3. Изделия крепежные. Дефекты поверхности. Часть 3. Болты, винты и шпильки специальные (ISO 6157-3, Fasteners - Surface discontinuities - Part 3: Bolts, screws and studs for special requirements)
ИСО 8839. Механические свойства крепежных изделий. Болты, винты, шпильки и гайки из цветных металлов (ISO 8839, Mechanical properties of fasteners - Bolts, screws, studs and nuts made of non-ferrous metals)
ИСО 8992. Изделия крепежные. Общие требования для болтов, винтов, шпилек и гаек (ISO 8992, Fasteners - General requirements for bolts, screws, studs and nuts)
ИСО 10683. Изделия крепежные. Неэлектролитические цинк-ламельные покрытия (ISO 10683, Fasteners - Non-electrolytically applied zinc flake coatings)
ИСО 23429. Контроль калибрами шестигранных углублений (ISO 23429, Gauging of hexagon sockets).
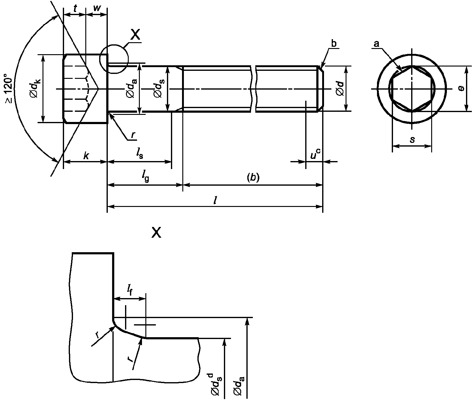
Размеры винтов указаны на рисунке 1 и в
таблице 1.
Символы и обозначения размеров - по ИСО 225.
Максимальные размеры галтели под головкой
<a> Допускается незначительное скругление или коническая зенковка на выходе углубления.
<b> Конец с фаской или для размеров М4 и меньше "без фаски" по ИСО 4753.
<c> Неполная резьба u <= 2P.
<d>

применяется, если задано значение

.
<e> Верхняя кромка головки может быть скругленной или с фаской на усмотрение изготовителя.
<f> Нижняя кромка головки может быть скругленной или с фаской (для

), но в любом случае без заусенцев.
Рисунок 1. Винт с цилиндрической головкой
и шестигранным углублением под ключ
Таблица 1
В миллиметрах
Продолжение таблицы 1
В миллиметрах
Продолжение таблицы 1
В миллиметрах
Продолжение таблицы 1
В миллиметрах
Окончание таблицы 1
<a> P - шаг резьбы. <b> Для длин между жирными ступенчатыми линиями ниже жирной пунктирной ступенчатой линии. <c> Для гладких цилиндрических головок. <d> Для цилиндрических головок с рифлением. <e>  . <f> Контроль калибром размеров углубления e и s по ИСО 23429. <g> Область предпочтительных длин показана между жирными ступенчатыми линиями. Винты с длиной выше жирной пунктирной ступенчатой линии имеют резьбу до головки с точностью до 3P. Для винтов с длиной ниже жирной пунктирной ступенчатой линии значения  и  определяют по следующим формулам:  ;  . <h> Размеры в скобках по возможности не применять. |
4. Технические требования и ссылочные стандарты
Технические требования - в соответствии с таблицей 2.
Таблица 2
Технические требования и ссылочные стандарты
Материал | Сталь | Коррозионно-стойкая сталь | Цветной металл |
Общие требования | Обозначение стандарта | ИСО 8992 |
Резьба | Допуски | 5g6g для класса прочности 12.9; для других классов прочности: 6g |
Обозначение стандарта | ИСО 261, ИСО 965-2, ИСО 965-3 |
Механические свойства | Класс прочности | < М3: по согласованию >= М3 и <= М39: 8.8, 10.9, 12.9 > М39: по согласованию | А3-70, А4-70, А5-70 > М24 и <= М39: А2-50 <b>, А3-50, А4-50, А5-50 > М39: по согласованию | По согласованию |
Обозначение стандарта | ИСО 898-1 | ИСО 3506-1 | ИСО 8839 |
Допуски | Класс точности | A |
Обозначение стандарта | ИСО 4759-1 |
Отделка - покрытие | Без покрытия | Без отделки | Без отделки |
Требования к электролитическим покрытиям по ИСО 4042 | - | Требования к электролитическим покрытиям по ИСО 4042 |
| Требования к неэлектролитическим цинк-ламельным покрытиям по ИСО 10683 |
Дефекты поверхности | Допустимые дефекты поверхности по ИСО 6157-1 и по ИСО 6157-3 для класса прочности 12.9 | - | - |
Приемка | Приемочный контроль по ИСО 3269 |
<а> Для винтов из коррозионно-стойкой стали, изготовленных механической обработкой из прутка, допускается использовать марку стали А1-70 для размеров <= М12 и соответствующим образом маркировать изделие. <b> Для винтов из коррозионно-стойкой стали, изготовленных механической обработкой из прутка, допускается использовать марку стали А1-50 и соответствующим образом маркировать изделие. |
Пример
Винт с цилиндрической головкой и шестигранным углублением под ключ с резьбой М5, номинальной длиной l = 20 мм, класса прочности 12.9 обозначают следующим образом:
Винт с цилиндрической головкой и шестигранным углублением под ключ ГОСТ Р ИСО 4762 - М5 x 20 - 12.9.
(справочное)
В таблице А.1 приведены приблизительные расчетные значения массы винтов со стандартными длинами (только для справок).
Таблица А.1
Массы
В килограммах
Резьба | М1,6 | М2 | М2,5 | М3 | М4 | М5 | М6 | М8 | М10 | М12 | (М14) | М16 | М20 | М24 | М30 | М36 | М42 | М48 | М56 | М64 |
Номинальная длина l, мм | Приблизительные значения массы, в килограммах на 1000 шт.  (только для справок) |
2,5 | 0,085 | | | | | | | | | | | | | | | | | | | |
3 | 0,090 | 0,155 | | | | | | | | | | | | | | | | | | |
4 | 0,100 | 0,175 | 0,345 | | | | | | | | | | | | | | | | | |
5 | 0,110 | 0,195 | 0,375 | 0,67 | | | | | | | | | | | | | | | | |
6 | 0,120 | 0,215 | 0,405 | 0,71 | 1,50 | | | | | | | | | | | | | | | |
8 | 0,140 | 0,255 | 0,465 | 0,80 | 1,65 | 2,45 | | | | | | | | | | | | | | |
10 | 0,160 | 0,295 | 0,525 | 0,88 | 1,80 | 2,70 | 4,70 | | | | | | | | | | | | | |
12 | 0,180 | 0,355 | 0,585 | 0,96 | 1,95 | 2,95 | 5,07 | 10,9 | | | | | | | | | | | | |
16 | 0,220 | 0,415 | 0,705 | 1,16 | 2,25 | 3,45 | 5,75 | 12,1 | 20,9 | | | | | | | | | | | |
20 | | 0,495 | 0,825 | 1,36 | 2,65 | 4,01 | 6,53 | 13,4 | 22,9 | 32,1 | | | | | | | | | | |
25 | | | 0,975 | 1,61 | 3,15 | 4,78 | 7,59 | 15,0 | 25,4 | 35,7 | 48,0 | 71,3 | | | | | | | | |
30 | | | | 1,86 | 3,65 | 5,55 | 8,30 | 16,9 | 27,9 | 39,3 | 53,0 | 77,8 | 128 | | | | | | | |
35 | | | | | 4,15 | 6,32 | 9,91 | 18,9 | 30,4 | 42,9 | 58,0 | 84,4 | 139 | | | | | | | |
40 | | | | | 4,65 | 7,09 | 11,0 | 20,9 | 32,9 | 46,5 | 63,0 | 91,0 | 150 | 270 | | | | | | |
45 | | | | | | 7,86 | 12,1 | 22,9 | 36,1 | 50,1 | 68,0 | 97,6 | 161 | 285 | 500 | | | | | |
50 | | | | | | 8,63 | 13,2 | 24,9 | 39,3 | 54,5 | 73,0 | 106 | 172 | 300 | 527 | | | | | |
55 | | | | | | | 14,3 | 26,9 | 42,5 | 58,9 | 78,0 | 114 | 183 | 316 | 554 | 870 | | | | |
60 | | | | | | | 15,4 | 28,9 | 45,7 | 63,4 | 84,0 | 122 | 194 | 330 | 581 | 910 | 1370 | | | |
65 | | | | | | | | 31,0 | 48,9 | 67,8 | 90,0 | 130 | 205 | 345 | 608 | 950 | 1420 | | | |
70 | | | | | | | | 33,0 | 52,1 | 71,3 | 96,0 | 138 | 216 | 363 | 635 | 990 | 1470 | 2040 | | |
80 | | | | | | | | 37,0 | 58,5 | 80,2 | 108 | 154 | 241 | 399 | 690 | 1070 | 1580 | 2180 | 3340 | |
90 | | | | | | | | | 64,9 | 89,1 | 120 | 170 | 266 | 435 | 745 | 1150 | 1680 | 2320 | 3530 | 5220 |
100 | | | | | | | | | 71,2 | 98,0 | 132 | 186 | 291 | 471 | 800 | 1230 | 1790 | 2460 | 3720 | 5470 |
110 | | | | | | | | | | 107 | 144 | 202 | 316 | 507 | 855 | 1310 | 1890 | 2600 | 3920 | 5730 |
120 | | | | | | | | | | 116 | 156 | 218 | 341 | 543 | 910 | 1390 | 2000 | 2740 | 4110 | 5980 |
130 | | | | | | | | | | | 168 | 234 | 366 | 579 | 965 | 1470 | 2100 | 2880 | 4300 | 6230 |
140 | | | | | | | | | | | 180 | 250 | 391 | 615 | 1020 | 1550 | 2210 | 3020 | 4490 | 6490 |
150 | | | | | | | | | | | | 266 | 416 | 651 | 1080 | 1630 | 2320 | 3160 | 4680 | 6740 |
160 | | | | | | | | | | | | 282 | 441 | 687 | 1130 | 1710 | 2420 | 3300 | 4880 | 6900 |
180 | | | | | | | | | | | | | 491 | 759 | 1240 | 1870 | 2640 | 3590 | 5270 | 7250 |
200 | | | | | | | | | | | | | 541 | 831 | 1350 | 2030 | 2860 | 3870 | 5650 | 7750 |
220 | | | | | | | | | | | | | | 903 | 1460 | 2190 | 3080 | 4150 | 6040 | 8250 |
240 | | | | | | | | | | | | | | 975 | 1570 | 2250 | 3300 | 4430 | 6420 | 8750 |
260 | | | | | | | | | | | | | | | 1680 | 2410 | 3520 | 4710 | 6810 | 9260 |
280 | | | | | | | | | | | | | | | 1790 | 2570 | 3740 | 4990 | 7200 | 9760 |
300 | | | | | | | | | | | | | | | 1900 | 2730 | 3960 | 5270 | 7580 | 10300 |
(справочное)
СВЕДЕНИЯ О СООТВЕТСТВИИ ССЫЛОЧНЫХ
МЕЖДУНАРОДНЫХ СТАНДАРТОВ ССЫЛОЧНЫМ НАЦИОНАЛЬНЫМ СТАНДАРТАМ
РОССИЙСКОЙ ФЕДЕРАЦИИ И ДЕЙСТВУЮЩИМ В ЭТОМ КАЧЕСТВЕ
МЕЖГОСУДАРСТВЕННЫМ СТАНДАРТАМ
Таблица ДА.1
Обозначение ссылочного международного стандарта | Степень соответствия | Обозначение и наименование соответствующего национального стандарта |
ИСО 225 | - | |
ИСО 261 | MOD | ГОСТ 8724-2002 (ИСО 261-98) "Основные нормы взаимозаменяемости. Резьба метрическая. Диаметры и шаги" |
ИСО 888 | - | |
ИСО 898-1 | IDT | ГОСТ Р ИСО 898-1-2011 "Механические свойства крепежных изделий из углеродистых и легированных сталей. Часть 1. Болты, винты и шпильки установленных классов прочности с крупным и мелким шагом резьбы" |
ИСО 965-2 | - | |
ИСО 965-3 | MOD | ГОСТ 16093-2004 (ИСО 965-1:1998, ИСО 965-3:1998) "Основные нормы взаимозаменяемости. Резьба метрическая. Допуски. Посадки с зазором" |
ИСО 3269 | IDT | |
ИСО 3506-1 | IDT | ГОСТ Р ИСО 3506-1-2009 "Механические свойства крепежных изделий из коррозионно-стойкой нержавеющей стали. Часть 1. Болты. Винты и шпильки" |
ИСО 4042 | IDT | |
ИСО 4753 | MOD | |
ИСО 4759-1 | IDT | ГОСТ Р ИСО 4759-1-2009 "Изделия крепежные. Допуски. Часть 1. Болты, винты, шпильки и гайки. Классы точности A, B и C" |
ИСО 6157-1 | IDT | ГОСТ Р ИСО 6157-1-2009 "Изделия крепежные. Дефекты поверхности. Часть 1. Болты, винты и шпильки общего назначения" |
ИСО 6157-3 | - | |
ИСО 8839 | IDT | ГОСТ Р ИСО 8839-2009 "Механические свойства крепежных изделий. Болты, винты, шпильки и гайки из цветных металлов" |
ИСО 8992 | IDT | |
ИСО 10683 | - | <*> |
ИСО 23429 | - | <*> |
<*> Соответствующий национальный стандарт отсутствует. До его утверждения рекомендуется использовать перевод на русский язык данного международного стандарта. Перевод данного международного стандарта находится в Федеральном информационном фонде технических регламентов и стандартов. Примечание. В настоящей таблице использованы следующие условные обозначения степени соответствия стандартов: - MOD - модифицированные стандарты; - IDT - идентичные стандарты. |