Главная // Актуальные документы // ГОСТ Р (Государственный стандарт)СПРАВКА
Источник публикации
М.: Стандартинформ, 2018
Примечание к документу
По сведениям, размещенным на Информационном портале Росстандарта по адресу http://standard.gost.ru/, данный документ утратил силу с 01.01.2023 в связи с изданием Приказа Росстандарта от 23.08.2022 N 802-ст. Взамен введен в действие
ГОСТ 34730.1-2022.
Документ
введен в действие с 01.02.2019.
Название документа
"ГОСТ Р МЭК 60704-1-2018. Национальный стандарт Российской Федерации. Приборы электрические бытовые и аналогичного назначения. Испытательный код по шуму. Часть 1. Общие требования"
(утв. и введен в действие Приказом Росстандарта от 14.06.2018 N 337-ст)
"ГОСТ Р МЭК 60704-1-2018. Национальный стандарт Российской Федерации. Приборы электрические бытовые и аналогичного назначения. Испытательный код по шуму. Часть 1. Общие требования"
(утв. и введен в действие Приказом Росстандарта от 14.06.2018 N 337-ст)
Утвержден и введен в действие
по техническому регулированию
и метрологии
от 14 июня 2018 г. N 337-ст
НАЦИОНАЛЬНЫЙ СТАНДАРТ РОССИЙСКОЙ ФЕДЕРАЦИИ
ПРИБОРЫ ЭЛЕКТРИЧЕСКИЕ БЫТОВЫЕ И АНАЛОГИЧНОГО НАЗНАЧЕНИЯ
ИСПЫТАТЕЛЬНЫЙ КОД ПО ШУМУ
ЧАСТЬ 1
ОБЩИЕ ТРЕБОВАНИЯ
Household and similar electrical appliances. Test code
for noise. Part 1. General requirements
(IEC 60704-1:2010,
Household and similar electrical appliances - Test code
for determination of airborne acoustical noise -
Part 1: General requirements,
IDT)
ГОСТ Р МЭК 60704-1-2018
Дата введения
1 февраля 2019 года
1 ПОДГОТОВЛЕН Открытым акционерным обществом "Научно-исследовательский центр контроля и диагностики технических систем" (АО "НИЦ КД") на основе собственного перевода на русский язык англоязычной версии стандарта, указанного в
пункте 4
2 ВНЕСЕН Техническим комитетом по стандартизации ТК 358 "Акустика"
3 УТВЕРЖДЕН И ВВЕДЕН В ДЕЙСТВИЕ
Приказом Федерального агентства по техническому регулированию и метрологии от 14 июня 2018 г. N 337-ст
4 Настоящий стандарт идентичен международному стандарту МЭК 60704-1:2010 "Приборы электрические бытовые и аналогичного назначения. Испытательный код для определения воздушного акустического шума. Часть 1. Общие требования" (IEC 60704-1:2010 "Household and similar electrical appliances - Test code for determination of airborne acoustical noise - Part 1: General requirements", IDT).
Наименование настоящего стандарта изменено для приведения в соответствие с ГОСТ Р 1.5-2012
(пункт 3.5).
При применении настоящего стандарта рекомендуется использовать вместо ссылочных международных стандартов соответствующие им национальные стандарты, сведения о которых приведены в дополнительном
приложении ДА
5 ВВЕДЕН ВПЕРВЫЕ
Правила применения настоящего стандарта установлены в
статье 26 Федерального закона от 29 июня 2015 г. N 162-ФЗ "О стандартизации в Российской Федерации". Информация об изменениях к настоящему стандарту публикуется в ежегодном (по состоянию на 1 января текущего года) информационном указателе "Национальные стандарты", а официальный текст изменений и поправок - в ежемесячном информационном указателе "Национальные стандарты". В случае пересмотра (замены) или отмены настоящего стандарта соответствующее уведомление будет опубликовано в ближайшем выпуске ежемесячного информационного указателя "Национальные стандарты". Соответствующая информация, уведомление и тексты размещаются также в информационной системе общего пользования - на официальном сайте Федерального агентства по техническому регулированию и метрологии в сети Интернет (www.gost.ru)
Практика стандартизации методов определения шума, излучаемого бытовыми приборами, является общепризнанной в течение длительного времени, даже несмотря на то, что данный шум обычно не представляет собой опасности для органов слуха лиц, подвергающихся его воздействию. Эти методы устанавливают для конкретных групп бытовых приборов с учетом общих принципов, распространяющихся на бытовые приборы широкого класса.
Как правило, определение уровней шума представляет собой только часть общих испытаний (общего испытательного кода), посредством которых определяют различные характеристики и функциональные возможности электрооборудования. Поэтому важно, чтобы требования испытательного кода по шуму (к условиям акустического пространства, средствам измерений, трудоемкости испытаний) соответствовали принципу разумной достаточности.
Результаты измерений шума используют для различных целей, например, для заявления шумовых характеристик, а также для сравнения шума, излучаемого определенным электрооборудованием, с шумом, излучаемым другими приборами той же группы того же семейства. Эти результаты могут быть использованы также в качестве основания для инженерных решений при конструировании новой техники или при поиске решений звукоизоляции оборудования. В любом случае метод испытаний должен обеспечивать сопоставимость результатов, полученных в разных лабораториях, т.е. позволять получать результат измерений с некоторой заданной точностью.
Указанные выше соображения должны, по мере возможности, приниматься во внимание при составлении испытательного кода по шуму. При этом он может основываться на методах, описанных в стандартах на широкие классы продукции, таких как ИСО 3743-1, ИСО 3743-2 и ИСО 3744.
Эти методы предполагают проведение испытаний в условиях, обеспечиваемых полузаглушенными камерами, специальными реверберационными помещениями или помещениями с жесткими отражающими стенами. Результатом применения методов являются полученные значения уровней звуковой мощности приборов. Указанные методы позволяют проводить измерения с одинаковой неопределенностью, характерной для измерений в реверберационном поле и в свободном звуковом поле над звукоотражающей плоскостью. В испытательных кодах для соответствующих групп бытовых приборов могут быть использованы также методы звуковой интенсиметрии, установленные ИСО 9614-1 и ИСО 9614-2.
Следует отметить, что данные методы испытаний применимы только для определения уровня воздушного шума электрооборудования. В некоторых случаях бывает необходимо знать также уровень создаваемой оборудованием вибрации, например при оценке шума, проникающего в соседнее помещение.
1 Область применения и измеряемые величины
1.1 Область применения
1.1.1 Общие положения
Настоящий стандарт распространяется на электрические бытовые приборы и устройства аналогичного назначения (включая их элементы и вспомогательные приспособления), работающие от электрической сети или от элементов питания.
Под аналогичным назначением понимают использование приборов в схожих условиях, которые имеют место, например, в гостиницах, кафе, парикмахерских, прачечных и т.д., если иное не определено в испытательных кодах на конкретные группы продукции.
Настоящий стандарт не распространяется на:
- приборы, оборудование или машины, предназначенные для промышленного или профессионального применения;
- приборы, являющиеся неотъемлемой частью здания или монтажных установок, таких как оборудование для кондиционирования воздуха, систем отопления и вентиляции (кроме бытовых вентиляторов, кухонных вытяжек и отдельно стоящих нагревательных электроприборов), горелки на жидком топливе для систем центрального отопления, насосы для систем водоснабжения и канализации;
- отдельные двигатели или генераторы;
- приборы наружного применения.
1.1.2 Виды шума
Классификация шума различных видов дана в ИСО 12001. Метод по ИСО 3744 применяют для источников шума всех видов. Методы по ИСО 3743-1 и ИСО 3743-2 применяют для источников шума всех видов кроме импульсного, содержащего кратковременные звуковые события. Это следует учитывать при составлении испытательного кода по шуму для конкретной группы бытовых приборов.
1.1.3 Размеры источника
Метод, описанный в ИСО 3744, применяют к источникам шума любого размера. Методы по ИСО 3743-1 и ИСО 3643-2 содержат ограничения на размеры источника, указанные в пункте 1.3 каждого стандарта. Это следует учитывать при составлении испытательного кода по шуму для конкретной группы бытовых приборов.
1.2 Измеряемые величины
В настоящем стандарте рассматриваются технические методы (класса точности 2 по классификации ИСО 12001) определения уровней звуковой мощности LW, выражаемой в децибелах (дБ) относительно опорной звуковой мощности 1 пиковатт (пВт), воздушного шума в заданном диапазоне частот (обычно состоящего из октавных полос со среднегеометрическими частотами от 125 до 8000) при заданных режимах работы бытового прибора.
Подлежащими определению физическими величинами являются:
- корректированный по A уровень звуковой мощности LWA;
- уровни звуковой мощности в октавных полосах частот.
В основном, указанные методы применяют для приборов, работающих без участия оператора. В испытательном коде по шуму могут быть рассмотрены ситуации, когда участие оператора необходимо для управления прибором или подачи на него питания.
Точные методы измерения уровня звуковой мощности (класса точности 1 по классификации ИСО 12001), описанные, в частности, в ИСО 3741 и ИСО 3745, в настоящем стандарте не рассматриваются. Но их можно применять при наличии соответствующих акустических условий и средств измерений.
Примечание 1 - Значения характеристик шума, полученные в соответствии с испытательным кодом, не обязательно будут совпадать со значениями характеристик в реальных условиях применения бытового прибора.
Примечание 2 - Измерения шума для контроля качества продукции в процессе производства могут быть выполнены по упрощенным методам. В целях снижения уровня шума применяют другие методы, такие как анализ в узких полосах частот или измерение интенсивности звука. Указанные методы в настоящем стандарте не рассматриваются.
1.3 Неопределенность измерения
Оценки стандартного отклонения воспроизводимости уровней звуковой мощности, определенных в соответствии с настоящим стандартом, указаны в пунктах 1.4 стандартов ИСО 3743-1, ИСО 3743-2 и ИСО 3744. Однако для определенной группы приборов одинакового размера и аналогичными режимами работы стандартные отклонения воспроизводимости могут быть меньше указанных в этих стандартах. Таким образом, в испытательном коде по шуму может быть указано меньшее значение стандартного отклонения воспроизводимости, если оно подтверждено результатами соответствующих межлабораторных испытаний.
Стандартные отклонения воспроизводимости для некоторых категорий бытовых приборов определены в ИСО 60704-3.
В случае расхождений между результатами измерений в рамках допустимых отклонений, требуется проведение дополнительных измерений более высокой точности: класса точности 1, лабораторных измерений или измерений по ИСО 3741 или ИСО 3745.
В настоящем стандарте использованы нормативные ссылки на следующие стандарты:
IEC 60038:2009, IEC standard voltages (Стандартные напряжения МЭК)
IEC 60704-3:2006, Household and similar electrical appliances - Test code for the determination of airborne acoustical noise - Part 3: Procedure for determining and verifying declared noise emission values (Приборы электрические бытовые и аналогичного назначения. Испытательный код по шуму. Часть 3. Методы определения и подтверждения заявленных шумовых характеристик)
IEC 61260:1995 <*>, Electroacoustics - Octave-band and fractional-octave-band filters (Электроакустика. Фильтры полосовые октавные и на доли октавы)
--------------------------------
<*> Заменен на IEC 61260-1:2014 в части технических требований, IEC 61260-2:2016 в части испытаний в целях утверждения типа, IEC 61260-3:2016 в части периодических испытаний.
IEC 61672-1:2002, Electroacoustics - Sound level meters - Part 1: Specifications (Электроакустика. Шумомеры. Часть 1. Технические требования)
ISO 3741:1999, Acoustics - Determination of sound power levels of noise sources using sound pressure - Precision methods for reverberation test rooms (Акустика. Определение уровней звуковой мощности источников шума по звуковому давлению. Точные методы для реверберационных камер)
ISO 3743-1:1994, Acoustics - Determination of sound power levels of noise sources - Engineering methods for small movable sources in reverberant fields - Part 1: Comparison method for a hard-walled test rooms (Акустика. Определение уровней звуковой мощности источников шума. Технические методы для малых переносных источников шума в реверберационных полях. Часть 1. Метод сравнения для испытательного помещения с жесткими стенами)
ISO 3743-2:1994, Acoustics - Determination of sound power levels of noise sources using sound pressure - Engineering methods for small movable sources in reverberant fields - Part 2: Methods for special reverberation test rooms (Акустика. Определение уровней звуковой мощности источников шума по звуковому давлению. Технические методы для малых переносных источников шума в реверберационных полях. Часть 2. Методы для специальных реверберационных камер)
ISO 3744:1994, Acoustics - Determination of sound power levels of noise sources using sound pressure - Engineering methods for an essentially free field over a reflecting plane (Акустика. Определение уровней звуковой мощности источников шума по звуковому давлению. Технические методы в существенно свободном звуковом поле над звукоотражающей плоскостью)
ISO 3745:2003, Acoustics - Determination of sound power levels of noise sources using sound pressure - Precision methods for anechoic and hemi-anechoic rooms (Акустика. Определение уровней звуковой мощности источников шума по звуковому давлению. Точные методы для заглушенных и полузаглушенных камер)
ISO 6926:1999 <*>, Acoustics - Requirements for the performance and calibration of reference sound sources used for the determination of sound power levels (Акустика. Требования к рабочим характеристикам и калибровке образцовых источников шума, используемых для определения уровней звуковой мощности)
--------------------------------
<*> Заменен на ISO 6926:2016 "Acoustics - Requirements for the performance and calibration of reference sound sources used for the determination of sound power levels".
ISO 12001:1996, Acoustics - Noise emitted by machinery and equipment - Rules for the drafting and presentation of a noise test code (Акустика. Шум, излучаемый машинами и оборудованием. Правила составления испытательных кодов по шуму)
В настоящем стандарте применены термины по ИСО 3743-1, ИСО 3743-2 и ИСО 3744 (относящиеся к определению уровней звуковой мощности), а также следующие термины с соответствующими определениями.
3.1 продолжительность измерений (measurement time interval): Интервал времени, включающий в себя часть операционного периода (цикла) или несколько операционных периодов (циклов) источника шума, для которого определяют уровень звуковой мощности.
3.2 операционный период (operational period): Интервал времени, в течение которого испытуемое изделие выполняет заданный рабочий процесс (в посудомоечной машине, например, процесс мытья, полоскания или сушки).
3.3 операционный цикл (operational cycle): Заданная последовательность операционных периодов, составляющая полный рабочий цикл для испытуемого изделия (в пределах операционного цикла каждый операционный период, соответствующий определенному рабочему процессу, например процессу мытья, полоскания или сушки в посудомоечной машине, может повторяться один или несколько раз).
3.4 временная реализация (time history): Непрерывная запись уровня звукового давления (при определенном положении микрофона) как функции времени за один или несколько операционных периодов операционного цикла.
3.5 оператор (standard test operator): Лицо в одежде из материала с малым звукопоглощением, не оказывающей существенного влияния на результаты измерений шума, которое управляет работой изделия или подает на него питание во время испытаний.
3.6 акустический центр (источника) (centre of location or position of a source): Характеристика испытуемого изделия (бытового электроприбора), определяющая его положение в системе координат, связанной с положением микрофонов, в предположении свободного звукового поля.
Примечание 1 - У ручных приборов, а также у изделий, устанавливаемых на подвесе или специальной стойке (подставке), акустический центр совпадает с геометрическим центром огибающего параллелепипеда, включающего в себя основную часть испытуемого изделия.
Примечание 2 - Для напольных или настенных изделий, которые устанавливают для испытаний в соответствии с их назначением, акустический центр совпадает с центром проекции огибающего параллелепипеда на пол или на стену соответственно.
3.7
номинальная высота h
n (nominal height): Наименьший размер, кратный 5 мм и превышающий указанный изготовителем размер монтажного проема для испытуемого изделия по высоте или равный ему.
3.8 номинальная ширина wn (nominal width): Наименьший размер, кратный 5 мм и превышающий указанный изготовителем размер монтажного проема для испытуемого изделия по ширине или равный ему.
3.9
номинальная глубина d
n (nominal depth): Наименьший размер, кратный 5 мм и превышающий указанный изготовителем размер монтажного проема для испытуемого изделия по глубине или равный ему, но не менее 515 мм.
4 Методы измерений и акустические условия
4.1 Общие положения
Общий шум, излучаемый машиной (оборудованием) и распространяющийся в окружающей среде, может быть описан через величину звуковой мощности. Эта величина практически не зависит от того, в каком месте машина установлена. Данное обстоятельство обусловило выбор звуковой мощности в качестве характеристики бытовых приборов или аналогичных им устройств с точки зрения их шумности.
Предпочтительной определяемой физической величиной является корректированный по A уровень звуковой мощности LWA (относительно опорной звуковой мощности 1 пВт).
В соответствии с настоящим стандартом применяют два основных метода измерений - прямой и метод сравнения (см.
4.2 и
4.3), описанные в соответствующих базовых стандартах ИСО 3743-1, ИСО 3743-2 и ИСО 3744. Пользователь может выбрать любой из этих методов.
Измерения могут быть проведены в разных акустических условиях, как описано в
4.4. В испытательном коде по шуму на акустические условия могут быть наложены дополнительные ограничения.
4.2 Прямой метод измерений
Прямой метод может быть применен только при наличии аттестованного испытательного пространства: свободного звукового поля над звукоотражающей плоскостью по ИСО 3744 или реверберационного помещения по ИСО 3743-2.
Согласно данному методу уровень звуковой мощности определяют:
- в свободном звуковом поле над звукоотражающей плоскостью суммированием эквивалентных уровней звукового давления в точках измерительной поверхности с учетом площади этой поверхности;
- в специальном реверберационном помещении по эквивалентному уровню звукового давления с учетом времени реверберации и объема помещения.
Результат измерений выражают через величину корректированного по A уровня звуковой мощности и, при необходимости, через уровни звуковой мощности в октавных полосах частот, рассчитываемых непосредственно по полученным значениям уровней звукового давления.
Примечание - Прямой метод реализован также в точных методах измерений согласно ИСО 3741 и ИСО 3745.
Метод сравнения подробно изложен в ИСО 3743-1 и ИСО 3743-2.
Примечание - Описанная в ИСО 3744 (раздел A.3) процедура определения поправки на свойства испытательного пространства с использованием образцового источника шума также, по сути, представляет собой реализацию метода сравнения.
Согласно данному методу уровень звуковой мощности определяют, сравнивая усредненные (среднеквадратически) уровни звукового давления, полученные в одном и том же испытательном пространстве для испытуемого изделия и для образцового источника шума, удовлетворяющего требованиям ИСО 6926, с известной выходной мощностью. Если измерения для испытуемого изделия и для образцового источника шума проведены в одних и тех же условиях, то разность в уровнях звукового давления будет равна разности в уровнях звуковой мощности.
Метод позволяет получить значения звуковой мощности в октавных полосах частот, по которым потом рассчитывают значение уровня звука.
Метод сравнения полезен для выявления систематических отклонений, связанных с разными акустическими условиями испытательного пространства.
4.4.1 Общие требования и критерии пригодности испытательного пространства
Общие требования к акустическим условиям и критерии пригодности испытательного пространства установлены в разделах 4 следующих стандартов:
- ИСО 3743-1 для испытательных помещений с жесткими стенами;
- ИСО 3743-2 для специальных реверберационных камер;
- ИСО 3744 для условий свободного звукового поля над звукоотражающей плоскостью.
Примечание - Для условий свободного звукового поля над звукоотражающей плоскостью предпочтительным способом подтверждения пригодности испытательного пространства является метод сравнения (см. ИСО 3744, раздел A.3).
Рекомендации по проектированию испытательных помещений, обеспечивающих условия свободного звукового поля, приведены в
приложении C.
Рекомендации по проектированию специальных реверберационных камер приведены в ИСО 3743-2 (приложение A).
4.4.2 Требования к фоновому шуму
Требования к уровню фонового шума установлены в разделах 4 стандартов ИСО 3743-1, ИСО 3743-2 и ИСО 3744. Уровень звукового давления фонового шума, усредненный по точкам установки микрофонов, должен быть по крайней мере на 6 дБ (предпочтительно на 15 дБ) ниже соответствующего измеряемого уровня звукового давления.
Примечание - В случае если разность между уровнями звукового давления фонового шума и испытуемого изделия менее 6 дБ, см.
8.2.
4.4.3 Свойства испытательного пространства
Условия испытательного пространства не должны оказывать существенного нежелательного влияния (посредством сильных электрических и магнитных полей, ветра, воздушных потоков от испытуемого изделия, высоких или низких температур) на применяемые в измерениях микрофоны. Снижение нежелательных воздействий достигается правильным выбором измерительных микрофонов и мест их установки.
При оценке нежелательных воздействий среды следует руководствоваться инструкциями изготовителей средств измерений. Ориентация микрофона в процессе измерений должна быть такой, чтобы звуковая волна падала на него под тем же углом, что и при его калибровке.
5.1 Средства измерений акустических параметров
Требования к измерительным системам и их калибровке приведены в разделах 5 стандартов ИСО 3743-1, ИСО 3743-2 и ИСО 3744.
Измерительная система должна удовлетворять требованиям к средствам измерений 1-го класса по МЭК 61672, а если эта система используется для измерений в октавных полосах частот - то требованиям МЭК 61260.
Образцовый источник шума должен соответствовать требованиям МЭК 6926 и проходить ежегодную поверку (калибровку).
5.2 Средства измерений параметров окружающей среды
5.2.1 Точность средств измерений температуры должна быть не ниже +/- 1 °C.
5.2.2 Точность средств измерения относительной влажности должна быть не ниже +/- 2% в диапазоне измерений.
5.3 Средства измерений функциональных характеристик испытуемого изделия
5.3.1 Напряжение на вилке кабеля или шнура изделия с питанием от электрической сети измеряют вольтметром класса точности 0,5.
5.3.2 Напряжения на клеммах батареи изделия с автономным источником питания измеряют вольтметром класса точности 0,5.
5.3.3 Скорость вращения двигателя и других элементов изделия измеряют средством измерений с приведенной погрешностью не более +/- 1%.
6 Расположение, установка и работа изделия во время испытаний
6.1 Сборка и предварительная подготовка изделия
6.1.1 Приборы оснащаются оригинальными комплектующими, устройствами и т.п., поставляемыми производителем для их использования по назначению.
6.1.2 Следует убедиться, что вспомогательное оборудование, необходимое для работы прибора (электрические провода и кабели, трубы систем водоснабжения и канализации, воздуховоды и т.п.), не излучает значительную звуковую энергию в испытательное пространство и не влияет на уровень звуковой мощности испытуемого изделия. Соответствующие рекомендации приведены в пунктах 6.4 стандартов ИСО 3743-1, ИСО 3743-2 и ИСО 3744.
6.1.3 До начала испытаний на шум изделие в сборе должно работать в течение времени, достаточного для прекращения излучения нехарактерного шума, связанного с приработкой отдельных элементов изделия. Функционирование изделия в процессе приработки должно выполняться на максимально высоких оборотах (если таковые предусмотрены) и без нагрузки, если не предусмотрено иное. В испытательном коде по шуму должны быть указаны общий период приработки и номинальная продолжительность непрерывной работы, если иное не установлено изготовителем.
6.1.4 Испытания следует проводить при установившемся режиме работы изделия. Для этого непосредственно перед проведением измерений шума изделие в сборе заставляют работать некоторое время на максимальных оборотах (если таковые предусмотрены и если не предусмотрено иное) без нагрузки в соответствии с требованиями испытательного кода по шуму или инструкцией изготовителя.
6.2 Подача электрической энергии, воды и газа
6.2.1 Испытуемые электрические приборы с питанием двигателя от сети переменного тока должны быть обеспечены номинальным напряжением питания на номинальной частоте. Приборы, потребляющие постоянный ток, должны быть обеспечены источником постоянного тока. Если для изделия установлены диапазоны напряжения и/или частоты питания, то подаваемое напряжение и частота сети должны соответствовать номинальному напряжению и/или номинальной частоте той страны, в которой планируется использование данного изделия. Электрическая сеть должна обеспечить номинальные значения напряжения и частоты в пределах +/- 2% и +/- 1% соответственно в ходе всего испытания.
Номинальная система электропитания и стандартные напряжения определены в МЭК 60038.
Если номинальное напряжение питания изделия отличается от номинального напряжения сети страны использования, то измерения необходимо проводить при номинальном напряжении сети страны использования.
Сетевое напряжение измеряют на штепсельной вилке несъемного кабеля (шнура) или на розетке съемного шнура, вставляемого в приборную вилку. Не допускается проводить измерения напряжения питания на входе сетевого удлинителя.
6.2.2 Испытания изделия с автономным питанием проводят при полностью заряженной батарее в соответствии с указанием изготовителя. Измерения необходимо прекратить при падении напряжения батареи под нагрузкой до уровня 0,9 от начального для свинцовых аккумуляторных батарей и до уровня 0,8 от начального для батарей другого типа.
Напряжение батареи измеряют на ее клеммах.
6.2.3 Изделия с функцией электрического или газового нагрева могут работать без запуска этой функции, если это не влияет на уровень создаваемого шума.
6.2.4 Подачу воды и газа (если такое предусмотрено) осуществляют в соответствии с указаниями изготовителя.
При отсутствии таких указаний давление в сети водоснабжения должно составлять 240 кПа +/- 50 кПа, температура холодной воды должна быть 15 °C +/- 2 °C, а температура горячей воды - 55 °C +/- 2 °C, если иное не определено испытательным кодом по шуму.
Примечание - Результаты измерений, проведенных при давлении в сети водоснабжения или при температуре воды, отличающихся от номинальных для страны применения прибора, могут быть недостоверными для заказчика. В таком случае, может возникнуть необходимость в проведении дополнительных измерений. Если давление или температура воды при испытаниях отличаются от номинальных, то это должно быть отмечено в протоколе испытаний.
6.3 Условия окружающей среды
В общем случае бытовые электроприборы (если для определенной группы приборов не установлено иное) работают при следующих условиях окружающей среды:
- температура окружающего воздуха t: | 23 °C +/- 5 °C; |
- относительная влажность воздуха RH: | 50% +/- 20%; |
- атмосферное давление ps: | 96 кПа +/- 10 кПа. |
6.4 Нагружение и работа изделия во время испытаний
Общие требования к режиму работы изделия во время испытаний приведены в пунктах 6.5 ИСО 3743-1, ИСО 3743-2 и ИСО 3744. Если иное не установлено в испытательном коде по шуму, то следует придерживаться следующих рекомендаций.
6.4.1 В общем случае условия нагружения и работы изделия должны, по возможности, моделировать нормальный режим его работы в процессе эксплуатации. Однако предпочтение следует отдавать режимам работы, простым в реализации, при условии, что они обеспечивают удовлетворительную повторяемость и воспроизводимость результатов испытаний.
Присутствие оператора допускается только в случаях, когда обеспечение заданного режима работы (нагружения) изделия без его участия нецелесообразно по практическим соображениям.
6.4.2 Если испытательным кодом по шуму не установлено иное, то измерения шума следует проводить в одном режиме работы и при одной нагрузке испытуемого изделия. Исключения составляют многофункциональные изделия и изделия множественного назначения. Для таких изделий могут быть определены несколько режимов работы во время испытаний. Однако при этом выбирают такие режимы, при которых излучаемый шум максимален.
Допускается работа изделия во время испытаний в режиме отсутствия нагрузки, если такой режим характерен для изделия данного вида, работа изделия в данном режиме стабильна и если в режиме под нагрузкой невозможно обеспечить хорошую воспроизводимость результатов испытаний.
Для изделий с регулятором скорости устанавливают режим работы на максимальной скорости.
6.4.3 Если нормальное функционирование изделия включает в себя выполнение одного или нескольких операционных циклов, то в процессе испытаний на шум изделие должно функционировать аналогичным образом. Измерения проводят при выполнении соответствующих частей операционного цикла в ходе реализации изделием его основных функций.
Примечание - Рекомендуется вести запись временной реализации уровня звука во время выполнения рабочего цикла по одному из микрофонов, предпочтительно установленному перед испытуемым изделием.
6.4.4 Условия нагружения и работы изделия должны быть определены таким образом, чтобы избежать возможного перегрева в ходе испытаний. Для этого необходимо следовать инструкциям изготовителя в части соблюдения интервалов между периодами работы изделия.
6.5 Расположение и установка изделия
Общие требования к расположению и установке изделия во время испытаний приведены в пунктах 6.2 и 6.3 стандартов ИСО 3743-1, ИСО 3743-2 и ИСО 3744. Если иное не установлено в испытательном коде по шуму, то следует придерживаться следующих рекомендаций.
6.5.1 Изделия напольного или настольного исполнения устанавливают в их нормальном рабочем положении. Упругие элементы используют при установке только в том случае, если они являются встроенными частями изделий. В зависимости от применяемого метода измерений установку осуществляют в одном из двух вариантов:
- на полу помещения с жесткими стенами или реверберационной камеры с минимальным расстоянием 1 м между поверхностью изделия (с учетом выступающих частей) и стенами;
- на звукоотражающей плоскости испытательного пространства со свободным звуковым полем с учетом формы и размеров заданной измерительной поверхности.
Изделия, устанавливаемые на специальной стойке или подставке (например, сушуары) должны быть установлены на стойке (подставке), входящей в комплект изделия или сконструированной с соблюдением инструкций изготовителя.
Пол, на котором установлено испытуемое изделие, может вибрировать и тем самым вносить дополнительный вклад в звуковое поле. Следует принять меры к тому, чтобы этот вклад был минимальным.
Примечание - Пол рассматривают как составную часть испытуемого объекта, поэтому шум от его вибрации не учитывают при аттестации испытательного пространства (помещения).
Настольные приборы, для нормальной работы которых требуется стол, размещают в центре верхней поверхности стандартного стола для испытаний, описанного в
приложении A.
6.5.2 Ручные устройства вместе с их комплектующими (при наличии) устанавливают на упругом подвесе или упруго закрепляют в соответствующих приспособлениях на высоте примерно 25 см от пола (звукоотражающей поверхности).
Основания приспособлений опираются на промежуточные упругие элементы, которые не должны влиять на шум, создаваемый изделием в процессе испытаний, и препятствуют передаче вибрации от работающего изделия. В зависимости от применяемого метода измерений приспособления устанавливают одним из двух способов:
- на полу помещения с жесткими стенами или реверберационной камеры с минимальным расстоянием 1 м между поверхностью изделия (с учетом выступающих частей) и стенами;
- на звукоотражающей плоскости испытательного пространства со свободным звуковым полем с учетом формы и размеров заданной измерительной поверхности.
Примечание - Следует обратить внимание на то, чтобы устройства подвеса и фиксации изделия не влияли на шум, создаваемый изделием в процессе испытаний (например, через излучение шума вибрирующей поверхностью пола, через искажение картины возбуждаемых мод колебаний корпуса изделия, посредством экранирования части излучаемого изделием шума или изменения воздушных потоков и т.п.).
6.5.3 Напольные изделия, включая их монтажные конструкции (панели, столешницы, а также специальные испытательные шкафы для установки встраиваемых бытовых приборов и для изделий пристенной установки), устанавливают в их нормальном рабочем положении так, чтобы расстояние от задней стенки изделия до вертикальной стены (звукоотражающей плоскости)
D = (10 +/- 1) см. Упругие элементы используют при установке только в том случае, если они являются встроенными частями изделий. В зависимости от применяемого метода измерений установку осуществляют в одном из двух вариантов:
- на полу помещения с жесткими стенами или реверберационной камеры с указанным расстоянием до ближайшей стены и с минимальным расстоянием 1,5 м между поверхностью изделия или его монтажной конструкции до любого угла помещения;
- на звукоотражающей плоскости испытательного пространства со свободным звуковым полем с указанным расстоянием до вертикальной звукоотражающей поверхности. Размеры вертикальной звукоотражающей плоскости должны быть не меньше проекции на нее измерительной поверхности. Коэффициент звукопоглощения вертикальной звукоотражающей плоскости должен быть менее 0,06 во всем диапазоне частот измерений.
Чтобы обеспечить требуемое расстояние от изделия до вертикальной звукоотражающей плоскости, изделие вначале устанавливают вплотную к этой плоскости, а затем отодвигают его на расстояние D. При этом следует избегать прямого контакта изделия (в том числе, его выступающих частей и монтажных конструкций) с вертикальной звукоотражающей плоскостью.
6.5.4 Настенные изделия и их комплектующие (при наличии) закрепляются или фиксируются соответствующими приспособлениями без применения упругих элементов (если только они не являются встроенными частями изделия) в зависимости от применяемого метода измерений:
- на стене помещения с жесткими стенами или реверберационной камеры;
- на вертикальной звукоотражающей плоскости испытательного пространства со свободным звуковым полем. Размеры вертикальной звукоотражающей плоскости должны быть не меньше проекции на нее измерительной поверхности. Коэффициент звукопоглощения вертикальной звукоотражающей плоскости должен быть менее 0,06.
Расстояние от нижней части изделия до пола должно быть выбрано в соответствии с инструкцией изготовителя.
Допускается устанавливать настенные изделия (при соответствующем закреплении или фиксации вспомогательными средствами) способом, указанным для изделий напольного исполнения (см.
6.5.1), при условии, что предварительными исследованиями подтверждено, что установка изделия по
6.5.1 и 6.5.4 не приведет к существенной разнице в результатах измерений.
6.5.5 Встраиваемые изделия для проведения испытаний устанавливают в специальных испытательных шкафах, описанных в
приложении B, согласно инструкции изготовителя.
Следует соблюдать инструкцию изготовителя в части установки и работы испытуемого изделия. Необходимо придерживаться инструкций производителя по установке и использованию прибора. Лицевая часть изделия (включая дверцу) должна быть заподлицо с лицевой частью испытательного шкафа. Если по инструкции изготовителя монтаж изделия требует наличия панели (плинтуса) на нижней лицевой части прибора, то у испытательного шкафа должна быть такая панель из того же материала и той же толщины. Высота панели должна соответствовать высоте дверцы изделия.
Между испытуемым изделием и испытательным шкафом не должно быть механической связи, по которой на шкаф могла бы быть передана вибрация.
Если изделие предполагает наличие прокладок, перемычек и других специальных средств из жестких или упругих материалов, заполняющих пространство между изделием и конструкцией, куда оно встраивается, то при испытаниях эти средства также должны быть использованы соответствующим образом. Если же эти средства для данного изделия не предусмотрены, то при испытаниях изделия пространство между ним и испытательным шкафом должно оставаться пустым.
В левом или правом углу задней стенки испытательного шкафа должен быть небольшой вырез, используемый при необходимости для подачи электропитания и воды, отвода воды и т.п. При этом должно быть предусмотрено уплотнение, не допускающее передачи акустического шума через данный вырез.
При необходимости в испытательном шкафу делают вентиляционные проемы согласно инструкции изготовителя.
Испытательный шкаф с изделием устанавливают согласно
6.5.1,
6.5.3 или
6.5.4. При наличии выступающей дверцы изделия у основания испытательного шкафа должна быть предусмотрена панель, контактирующая со звукоотражающей плоскостью. Ее высота должна быть выбрана так, чтобы панель не мешала открытию дверцы. Следует обратить внимание на то, чтобы полка не служила для передачи шума к изделию.
Интегрированные изделия устанавливают тем же способом, что и встраиваемые. Кроме того, у них должна быть установлена дверца максимально допустимого размера в соответствии с инструкцией изготовителя. Материал и толщина дверцы должны быть такими же, как и испытательного шкафа.
7 Измерения уровней звукового давления
7.1 Измерительная поверхность, расположение микрофонов и образцового источника шума при измерениях в свободном звуковом поле со звукоотражающей плоскостью (плоскостями)
Общие требования к измерительной поверхности и расположению микрофонов - по ИСО 3744 (пункты 7.1 - 7.4). Далее приведены общие рекомендации по выбору измерительной поверхности и расположению микрофонов, которые могут быть использованы для составления испытательных кодов по шуму для отдельных групп изделий. Если в испытательном коде не указано иное, то для проведения измерений следует выбирать только один вид измерительной поверхности и один способ размещения микрофонов из двух, рассматриваемых ниже.
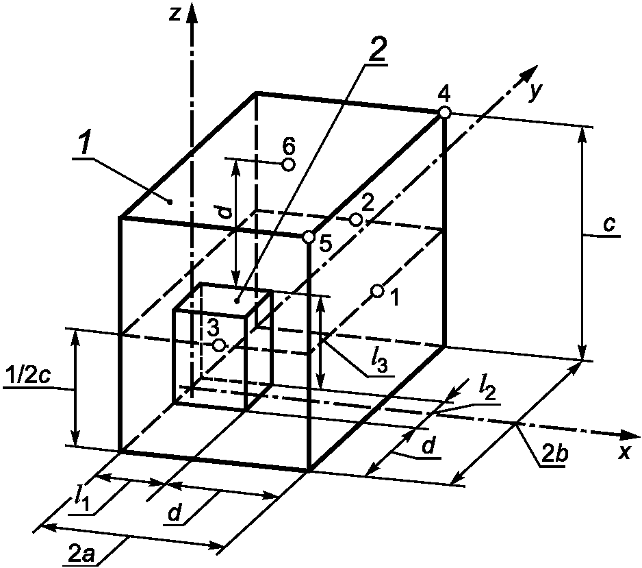
7.1.1 Для свободно стоящих изделий в напольном исполнении, включая встраиваемые изделия, измерительной поверхностью является параллелепипед с девятью точками измерений (местами установки микрофонов), как указано в ИСО 3744 (пункт 7.3.1) и показано на
рисунке 1. Число точек измерений может быть увеличено или уменьшено согласно ИСО 3744 (пункты 7.3.2 и 7.4.2 соответственно).
Примечание - Если иное не предусмотрено испытательным кодом по шуму, то ось x направляют перпендикулярно лицевой поверхности изделия. Предпочтительным измерительным расстоянием d является 1 м. При использовании девяти микрофонов на измерительной поверхности запись временной реализации, позволяющей получать спектр сигнала, рекомендуется вести с микрофона под номером 1.
Координаты точек измерений:
N | x | y | z |
1 | a | 0 | 0,5c |
2 | 0 | b | 0,5c |
3 | -a | 0 | 0,5c |
4 | 0 | -b | 0,5c |
5 | a | b | c |
6 | -a | b | c |
7 | a | -b | c |
8 | a | -b | c |
9 | 0 | 0 | c |
Площадь измерительной поверхности:
S = 2(2bc + 2ac + 2ab)
1 - измерительная поверхность; 2 - огибающий параллелепипед
Рисунок 1 - Измерительная поверхность и точки измерений
для отдельно стоящих изделий напольного типа
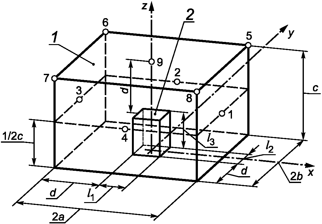
7.1.2 Для пристенных изделий в напольном или настольном исполнении, включая встраиваемые изделия, измерительной поверхностью является параллелепипед с шестью точками измерений (местами установки микрофонов), как указано в ИСО 3744 (пункт 7.3.1) и показано на
рисунке 2. Число точек измерений может быть увеличено или уменьшено согласно ИСО 3744 (пункты 7.3.2 и 7.4.2 соответственно).
Примечание - Ось x направляют перпендикулярно лицевой поверхности изделия. Предпочтительным измерительным расстоянием d является 1 м. При использовании шести микрофонов на измерительной поверхности запись временной реализации, позволяющей получать спектр сигнала, рекомендуется вести с микрофона под номером 1.
Координаты точек измерений:
N | x | y | z |
1 | 2a | 0 | 0,5c |
2 | a | b | 0,5c |
3 | a | -b | 0,5c |
4 | 2a | b | c |
5 | 2a | -b | c |
6 | a | 0 | c |
Площадь измерительной поверхности:
S = 2(2ac + 2ab + bc)
1 - измерительная поверхность; 2 - огибающий параллелепипед
Рисунок 2 - Измерительная поверхность и точки измерений
для пристенных изделий напольного типа
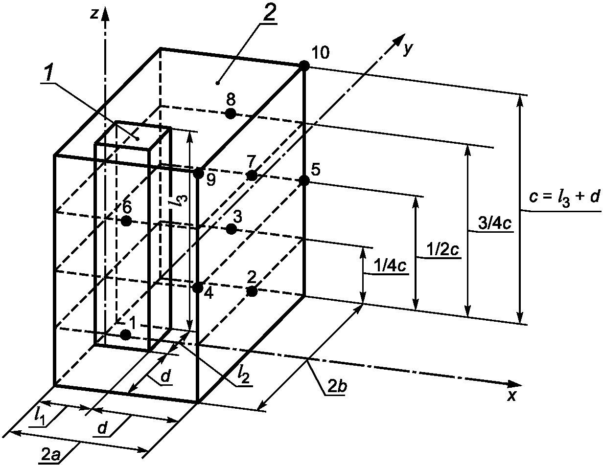
7.1.3 Для крупных пристенных изделий шкафного типа, включая встраиваемые изделия, высотой более 2
d, но не превышающей 5
d, измерительной поверхностью является параллелепипед с 10 точками измерений (местами установки микрофонов), как показано на
рисунке 3. Если проводить измерения в точках под номерами 9 и 10 нецелесообразно по практическим соображениям (например, когда изделие вплотную соприкасается с потолком помещения, где его устанавливают при эксплуатации), то их исключают из рассмотрения. Число точек измерений может быть увеличено или уменьшено согласно ИСО 3744 (пункты 7.3.2 и 7.4.2 соответственно).
Примечание - Ось x направляют перпендикулярно лицевой поверхности изделия. Предпочтительным измерительным расстоянием d является 1 м. При использовании 10 микрофонов на измерительной поверхности запись временной реализации, позволяющей получать спектр сигнала, рекомендуется вести с микрофона под номером 7.
Координаты точек измерений:
N | x | y | z |
1 | a | -b | 0,25c |
2 | 2a | 0 | 0,25c |
3 | a | b | 0,25c |
4 | 2a | -b | 0,50c |
5 | 2a | b | 0,50c |
6 | a | -b | 0,75c |
7 | 2a | 0 | 0,75c |
8 | a | b | 0,75c |
9 | 2a | -b | c |
10 | 2a | b | c |
Площадь измерительной поверхности:
S = 2(2ac + 2ab + bc)
Для изделий, соприкасающихся с потолком:
l3 = c,
точки 9 и 10 исключаются из рассмотрения:
S = 2(2ac + bc)
1 - огибающий параллелепипед; 2 - измерительная поверхность
Рисунок 3 - Измерительная поверхность и точки измерений
для крупных пристенных изделий
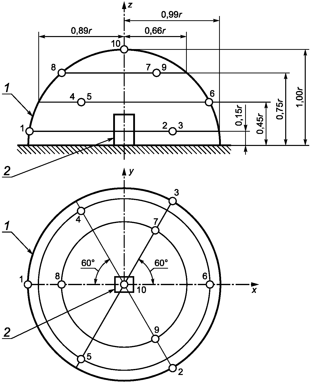
7.1.4 Для изделий настольного исполнения, устройств для ухода за полом и ручных устройств (закрепляемых с помощью соответствующих приспособлений), у которых размеры огибающего параллелепипеда не превышают 0,7 м и которые в процессе испытаний устанавливают на горизонтальную звукоотражающую плоскость, измерительной поверхностью является полусфера с 10 точками измерений (местами установки микрофонов), как указано в ИСО 3744 (пункт 7.2.1) и показано на
рисунке 4. Число точек измерений может быть увеличено согласно ИСО 3744 (пункт 7.2.2). В особых ситуациях может использоваться другое число микрофонов и другие точки измерений, если при этом соблюдены требования ИСО 3744 (пункт 7.2.1).
Координаты точек измерений:
N | x/R | y/R | z/R |
1 | -0,99 | 0 | 0,15 |
2 | 0,50 | -0,86 | 0,15 |
3 | 0,50 | 0,86 | 0,15 |
4 | -0,45 | 0,77 | 0,45 |
5 | -0,45 | -0,77 | 0,45 |
6 | 0,89 | 0 | 0,45 |
7 | 0,33 | 0,57 | 0,75 |
8 | -0,66 | 0 | 0,75 |
9 | 0,33 | -0,57 | 0,75 |
10 | 0 | 0 | 1,00 |
Площадь измерительной поверхности:
1 - измерительная поверхность; 2 - огибающий параллелепипед
Рисунок 4 - Измерительная поверхность и точки измерений
для изделий настольного исполнения, устройств для ухода
за полом и ручных устройств
Если длина какой-либо грани огибающего параллелепипеда превышает 0,7 м, то используют измерительную поверхность и точки измерений по
7.1.1.
Радиус r полусферической измерительной поверхности должен быть на менее 1,5 м (предпочтительно 2 м).
Примечание - Ось x направляют перпендикулярно лицевой поверхности изделия, если иное не предусмотрено испытательным кодом по шуму. При использовании 10 микрофонов на измерительной поверхности запись временной реализации, позволяющей получать спектр сигнала, рекомендуется вести с микрофона под номером 8.
7.1.5 Для пристенных напольных изделий небольших размеров, устанавливаемых у стены (например, чистильщики обуви), у которых длина
l1 и ширина
l3 опорного параллелепипеда не превышают 0,4 м, а высота
l2 не превышает 0,8 м, измерительной поверхностью является четверть сферы с пятью точками измерений (местами установки микрофонов), как указано в ИСО 3744 (пункт 7.2.1) и показано на
рисунке 5.
Примечание - При использовании пяти микрофонов на измерительной поверхности запись временной реализации, позволяющей получать спектр сигнала, рекомендуется вести с микрофона под номером 6.
Координаты точек измерений:
N | x/R | y/R | z/R |
2 | 0,50 | -0,86 | 0,15 |
3 | 0,50 | 0,86 | 0,15 |
6 | 0,89 | 0 | 0,45 |
7 | 0,33 | 0,57 | 0,75 |
8 | 0,33 | -0,57 | 0,75 |
Площадь измерительной поверхности:
Рисунок 5 - Измерительная поверхность и точки измерений
для небольших пристенных напольных изделий
7.1.6 Для изделий, устанавливаемых на специальной стойке или подставке, с высотой геометрического центра огибающего параллелепипеда над уровнем пола, превышающей при нормальном использовании изделия 1,0 м, измерительной поверхностью является параллелепипед с 5 точками измерений (местами установки микрофонов), как показано на
рисунке 6. Центр измерительной поверхности совпадает с центром огибающего параллелепипеда. Четыре точки измерений равноудалены друг от друга, расположены в плоскости, проходящей через геометрический центр измерительной поверхности и параллельной звукоотражающей плоскости, и находятся на расстоянии 1 м. Пятая точка находится на расстоянии 1 м над указанной плоскостью. Положения микрофонов указаны в системе координат, где оси
x и
y лежат в горизонтальной плоскости звукоотражающей плоскости, а ось
z им ортогональна.
Как правило, указанного числа точек измерений достаточно, если разность уровней звукового давления для любых двух точек не превышает 5 дБ. В противном случае необходимо проводить измерения в четырех дополнительных точках под номерами от 6 до 9 (см.
рисунок 6).
Площадь измерительной поверхности определяют по формуле
S = 4(ab + bc + ca),
где c - высота параллелепипеда измерительной поверхности (как правило, равна высоте геометрического центра изделия над звукоотражающей плоскостью с добавлением 1 м), м;
2a - ширина параллелепипеда измерительной поверхности (как правило, равна ширине изделия с добавлением 2 м), м;
2b - длина параллелепипеда измерительной поверхности (как правило, равна максимальному размеру изделия с добавлением 2 м).
Примечание - Ось x направляют перпендикулярно лицевой поверхности изделия, если иное не предусмотрено испытательным кодом по шуму. Запись временной реализации, позволяющей получать спектр сигнала, рекомендуется вести с микрофона под номером 1.
Координаты точек измерений:
N | x | y | z |
1 | a | 0 | c - 1 м |
2 | 0 | b | c - 1 м |
3 | -a | 0 | c - 1 м |
4 | 0 | -b | c - 1 м |
5 | 0 | 0 | c |
6 | a | b | c |
7 | -a | b | c |
8 | -a | -b | c |
9 | a | -b | c |
Площадь измерительной поверхности:
S = 4(ab + bc + ca)
1 - геометрический центр изделия; 2 - главная ось изделия
Рисунок 6 - Измерительная поверхность и точки измерений
для изделий на стойке (подставке)
7.1.7 Если шум испытуемого изделия постоянный, то допускается вместо установки микрофонов в фиксированных точках измерений проводить измерения уровней звукового давления перемещением микрофона по траектории сканирования, как описано в ИСО 3744 (пункт 7.4.3, приложения B и C).
7.1.8 Рекомендации по размещению образцового источника шума приведены в ИСО 3744 (приложение A).
7.2 Расположение микрофонов и образцового источника шума при испытаниях в помещении с жесткими стенами
Микрофоны и образцовый источник шума для измерений уровней звуковой мощности изделия устанавливают в соответствии с требованиями ИСО 3743-1 (пункты 7.1 - 7.6).
Примечание 1 - Как правило, рекомендуется использовать не менее трех точек измерений.
Примечание 2 - Зачастую вместо нескольких микрофонов в фиксированных положениях удобнее использовать один, перемещаемый по траектории сканирования в ИСО 3743-1 (пункт 7.4).
Примечание 3 - Согласно ИСО 3743-1 (пункт 7.2) испытания в помещении с жесткими стенами в большей степени пригодны для изделий, которые в соответствии со своим назначением не предполагают установки на стене или вплотную к стене. Если испытуемое изделие удалено от стены менее чем на 1 м, то образцовый источник шума располагают не в месте установки источника, а на полу на расстоянии 1 м от стены.
7.3 Расположение микрофонов и образцового источника шума при испытаниях в реверберационной камере
Микрофоны и образцовый источник шума для измерений уровней звуковой мощности изделия устанавливают в соответствии с требованиями ИСО 3743-2 (пункты 7.1 - 7.7).
Примечание 1 - Как правило, число точек измерений Nm рекомендуется брать равным шести, а число мест расположения испытуемого изделия Ns - одному.
Примечание 2 - В зависимости от результатов предварительных измерений согласно ИСО 3743-2 (пункт 7.4) рекомендация в отношении числа точек измерений и мест расположения изделия может быть изменена. Так, если согласно результатам предварительных измерений стандартное отклонение SM превышает 4 дБ, то в целях уменьшения трудоемкости измерений рекомендуется использовать перемещение микрофона по траектории сканирования вместо 12 фиксированных положений микрофонов. Другим вариантом может быть проведение измерений в условиях свободного звукового поля.
Примечание 3 - Зачастую вместо нескольких микрофонов в фиксированных положениях удобнее использовать один, перемещаемый по траектории сканирования в ИСО 3743-2 (пункт 7.6).
Обычно измерения для образцового источника шума выполняют для той же установки микрофонов и с тем же числом расположений источника, что и при измерениях для испытуемого изделия. Образцовый источник шума располагают на полу таким образом, чтобы центры проекции на пол огибающих параллелепипедов образцового источника шума и испытуемого изделия совпали.
7.4 Проведение измерений
При проведении измерений в условиях свободного звукового поля над звукоотражающей поверхностью необходимо соблюдать требования ИСО 3744 (пункт 7.5), в помещениях с жесткими стенами - требования ИСО 3743-1 (пункт 7.7), а в реверберационных камерах - требования ИСО 3743-2 (раздел 7).
7.4.1 В течение типичного периода работы изделия в каждой точке измерений определяют эквивалентный уровень звукового давления. Особенно внимательно следует подойти к заданию периода измерений в случаях, когда шум изделия непостоянен во времени.
Если выбран метод сканирования микрофоном, то время интегрирования должно соответствовать прохождению как минимум одной полной траектории согласно ИСО 3743-1 или ИСО 3743-2 и как минимум двух полных траекторий согласно ИСО 3744.
Примечание - Интервал измерений выбирают таким образом, чтобы он был представителен для периода максимального шума изделия.
7.4.2 При измерениях в помещениях с жесткими стенами или в реверберационных камерах с использованием метода сравнения получают и фиксируют следующие данные:
- эквивалентные уровни звукового давления в октавных полосах частот в каждой точке измерений (или для каждой траектории сканирования) для работающего изделия;
- эквивалентные уровни звукового давления в октавных полосах частот в каждой точке измерений (или для каждой траектории сканирования) для образцового источника шума;
- эквивалентные уровни звукового давления в октавных полосах частот для фонового шума.
7.4.3 При измерениях в условиях свободного звукового поля над звукоотражающей плоскостью или при применении прямого метода для измерений в реверберационных камерах получают и фиксируют следующие данные:
- эквивалентный уровень звука и эквивалентные уровни звукового давления в октавных полосах частот для работающего изделия;
- эквивалентный уровень звука и эквивалентные уровни звукового давления в октавных полосах частот для фонового шума.
7.4.4 Если применяемое средство измерений или испытуемое изделие предполагают присутствие испытателя во время измерений, то он должен находиться на расстоянии не менее 0,5 м от используемого микрофона на противоположной стороне от испытуемого изделия.
8 Расчет уровней звукового давления и звуковой мощности
8.1 Общие положения
При проведении измерений в помещениях с жесткими стенами необходимо придерживаться условий пунктов 7.8 и 8 ISO 3743-1, в реверберационных камерах - условий пунктов 7.8 и 8 ISO 3743, в условиях свободного поля над плоскостью отражения - пункта 8 стандарта ISO 3744.
8.2 Поправка на фоновый шум
Если уровни звукового давления для испытуемого изделия

превышают уровни фонового шума

менее чем на 15 дБ (но не менее чем на 6 дБ), то в

следует внести поправку на фоновый шум. Корректированный уровень звукового давления
Lp, дБ (относительно опорного звукового давления 20 мкПа), вычисляют по формуле

.
При проведении измерений в помещениях с жесткими стенами и в реверберационных камерах данную формулу применяют при определении уровня звукового давления для каждой измерительной точки с последующим усреднением по всем измерительным точкам.
При проведении измерений в условиях свободного звукового поля над звукоотражающей плоскостью данную формулу применяют для уровня звукового давления, усредненного по всем измерительным точкам (см.
8.4).
Если уровни звукового давления для испытуемого изделия превышают уровни фонового шума более чем на 15 дБ, то поправку на фоновый шум не вносят.
Даже если результаты измерений недостоверны для одной или нескольких октавных полос (разность между уровнями звукового давления для изделия и фонового шума менее 6 дБ), их можно использовать для расчета уровня звука LpA при условии, что разность в уровнях звука для изделия и фонового шума более 6 дБ.
Если критерий 6 дБ не соблюден, то точность результатов измерений считают низкой. В этом случае для измерений, выполненных в помещении с жесткими стенами или в реверберационной камере, поправку не используют, а для измерений в свободном звуковом поле над звукоотражающей плоскостью поправку можно вносить, если она не превышает 1,3 дБ. Тем не менее, даже результаты низкой точности рекомендуется фиксировать, поскольку их можно использовать для оценки сверху уровня звуковой мощности испытуемого изделия. В тексте протокола испытаний, на прилагаемых таблицах и графиках должно быть указано, какие данные получены с превышением допустимого уровня фонового шума.
8.3 Поправка на свойства испытательного пространства
При измерениях в условиях свободного звукового поля над звукоотражающей плоскостью применяют поправку на свойства испытательного пространства
K2 по ИСО 3744 (пункты 8.4 и 8.5, приложение A) к уровню звукового давления, усредненному по измерительной поверхности (см.
8.4).
8.4 Расчет уровня звукового давления, усредненного по измерительной поверхности
При определении среднего уровня звука или среднего уровня звукового давления в октавной полосе частот Lpm, дБ (относительно опорного значения 20 мкПа), усреднение проводят по всем точкам измерений (положениям микрофонов) по формуле

,
где Lpi - уровень звукового давления в i-й точке измерений, дБ (относительно опорного значения 20 мкПа);
N - число точек измерений.
Если в условиях реверберационного поля измерения проводят при нескольких положениях испытуемого изделия, то суммирование проводят по всем точкам измерений и по всем положениям изделия, а N равно числу точек измерений, умноженному на число положений изделия.
8.5 Расчет уровней звуковой мощности при применении метода сравнения
При измерениях в помещении с жесткими стенами или реверберационной камере уровень звуковой мощности испытуемого изделия LW, дБ (относительно опорного значения 1 пкВт), рассчитывают для каждой октавной полосы в диапазоне частот измерений по формуле

,
где LW(RSS) - уровень звуковой мощности образцового источника звука, полученный при его калибровке, дБ (относительно опорной звуковой мощности 1 пкВт);

- усредненный (энергетически) по точкам измерений или траектории микрофона уровень звукового давления образцового источника шума, полученный при испытаниях, дБ (относительно опорного звукового давления 20 мкПа);

- усредненный (энергетически) по точкам измерений или траектории микрофона уровень звукового давления испытуемого изделия, дБ (относительно опорного звукового давления 20 мкПа).
Далее корректированный по A уровень звуковой мощности для испытуемого изделия LWA, дБ (относительно опорного значения 1 пкВт), рассчитывают по формуле

,
где LWj - уровень звуковой мощности в j-й октавной полосе, дБ (относительно опорного значения 1 пкВт);
Aj - значение функции частотной коррекции A для среднегеометрической частоты j-й октавной полосы, как указано в ИСО 3743-1 (таблица 4).
8.6 Расчет уровней звуковой мощности при измерениях в условиях свободного звукового поля над звукоотражающей плоскостью
Уровень звуковой мощности испытуемого изделия
LW, дБ (относительно опорной звуковой мощности 1 пкВт), рассчитывают по полученному в соответствии с
8.4 значению усредненного по измерительной поверхности уровня звукового давления с внесенными в него поправками на фоновый шум
K1 и условия испытательной среды
K2 (см.
8.2 и
8.3 соответственно) и известному значению площади измерительной поверхности по формуле

,
где
Lpmc - усредненный по измерительной поверхности уровень звука или уровень звукового давления в октавной полосе (см.
8.4) после внесения поправок на фоновый шум и условия испытательного пространства, дБ (относительно опорного звукового давления 20 мкПа);
S - площадь измерительной поверхности, м2;
S0 = 1 м2.
8.7 Расчет корректированного по A уровня звуковой мощности при применении прямого метода в реверберационной камере
Корректированный по A уровень звуковой мощности для испытуемого изделия
LWA, дБ (относительно опорной звуковой мощности 1 пкВт), рассчитывают по полученному в соответствии с
8.4 значению усредненного по измерительной поверхности уровня звука и известным характеристикам реверберационной камеры по формуле

,
где
LpmA - усредненный по измерительной поверхности уровень звука (см.
8.4), дБ (относительно опорного значения 20 мкПа);
TN - номинальное время реверберации реверберационной камеры, с;
T0 = 1 с;
V - объем реверберационной камеры, м3;
V0 = 1 м3.
9 Регистрируемая информация
По возможности следует собрать и зарегистрировать следующую информацию.
9.1.1 Наименование и адрес лаборатории, в которой проведены измерения.
9.1.2 Кодовый номер и дата проведения измерений.
9.1.3 Имя и адрес компании, организации или частного лица, заказавшего измерение.
9.1.4 Цель измерений.
9.1.5 Указание на соответствие испытаний требованиям настоящего стандарта и соответствующего испытательного кода по шуму.
9.2 Описание испытуемого прибора
9.2.1 Категория изделия (например, пылесос, стиральная машина).
9.2.2 Конструктивные характеристики изделия (например, напольные, в настольном исполнении, ручные устройства).
9.2.3 Изготовитель или поставщик, торговая марка.
9.2.4 Модель или назначение (наименование изделия).
9.2.5 Заводской номер, дата изготовления.
9.2.6 Номинальные характеристики с заводской таблички с обозначением основных данных (например, электрическое напряжение, потребляемая мощность, давление воды в трубопроводе).
9.2.7 Источник электропитания и характеристики двигателя (например, питание от сети или от аккумуляторной батареи, асинхронный электродвигатель, коллекторный электродвигатель, частота вращения двигателя).
9.2.8 Поставляемые и/или заявленные комплектующие и вспомогательные приспособления.
9.3 Метод измерений
9.3.1 Прямой метод и/или метод сравнения.
9.3.2 Применяемый базовый стандарт на метод измерений.
9.4 Испытательное пространство
9.4.1 Тип испытательного пространства (помещение с жесткими стенами, реверберационная камера, свободное звуковое поле над звукоотражающей плоскостью).
9.4.2 Вид помещения для испытаний (например, полузаглушенная камера, открытая площадка, обычное подготовленное или неподготовленное помещение, реверберационная камера, специальное помещение с жесткими стенами).
9.4.3 Внутренние размеры и объем помещения.
9.4.4 Акустическая отделка поверхностей.
9.4.5 Данные о пригодности помещения, применяемые методы и результаты аттестации.
9.5 Средства измерений
9.5.1 Средства измерений для определения акустических характеристик: наименование, тип, заводской номер, класс точности, изготовитель оборудования и вспомогательных устройств, дата последней калибровки (поверки).
9.5.2 Образцовый источник шума с данными о калибровке и изготовителе.
9.5.3 Средства измерений параметров окружающей среды: наименование, тип, заводской номер, класс точности, изготовитель (при наличии соответствующих данных).
9.5.4 Средства измерений функциональных характеристик испытуемого изделия: наименование, тип, заводской номер, класс точности, изготовитель (при наличии соответствующих данных).
9.6 Оснащение оборудованием и предварительная подготовка изделия
9.6.1 Оборудование, вспомогательные устройства и комплектующие, выбранные для проведения измерений.
9.6.2 Процедура и период обкатки.
9.6.3 Процедура и период стабилизации.
9.7 Энерго-, водоснабжение и т.п.
9.7.1 Сеть постоянного или переменного тока с допустимыми отклонениями напряжения, частота переменного тока.
9.7.2 Тип и емкость аккумулятора, полная или частичная зарядка.
9.7.3 Система водоснабжения, давление и температура с допусками.
9.7.4 Другие источники питания и их характеристики.
9.8 Внешние факторы
9.8.2 Относительная влажность.
9.8.3 Атмосферное давление.
9.9 Режим работы изделия во время испытаний
9.9.1 Режим холостого хода или под нагрузкой, вид нагрузки.
9.9.2 Характеристики выполняемых операций (например, периоды, циклы, частота вращения двигателя, положение элементов управления).
9.9.3 Описание периодов или циклов, используемых для измерений.
9.10 Расположение и установка испытуемого изделия
9.10.1 Описание расположения испытуемого изделия и образцового источника шума в испытательном пространстве (например, расстояние от пола и стен) с приведением чертежа (при необходимости).
9.10.2 Описание способа установки испытуемого изделия (например, устройств крепления, встроенных шкафов, упругих опор, пола).
9.11 Расположение микрофонов
9.11.1 Описание расположений микрофонов (например, число микрофонов, их координаты, расстояние между точками измерений, радиус измерительной полусферы, площадь измерительной поверхности).
9.11.2 Описание положения микрофонов в испытательном пространстве (например, расстояние до границ испытательного пространства).
9.11.3 Угол падения звуковой волны и ориентация микрофона по отношению к источнику.
9.11.4 Способ применения микрофонов в процессе испытаний (установка по одному микрофону в каждой точке измерений, поочередные измерения одним микрофоном в разных точках, сканирование микрофоном и метод сканирования).
9.11.5 Дополнительные приспособления для микрофонов (например, ветрозащитный экран и вводимая для него поправка).
9.12 Данные измерений
9.12.1 Полученные значения уровней звукового давления в октавных полосах частот и уровня звука для каждой точки измерений при каждой выбранной нагрузке и режиме работы испытуемого изделия с указанием периодов или циклов измерений.
9.12.2 Полученные значения уровней звукового давления в каждой точке измерений при использовании образцового источника шума.
9.12.3 Полученные значения уровней звукового давления в октавных полосах частот и уровня звука фонового шума для каждой точки измерений до и после проведения каждой серии измерений для испытуемого изделия.
9.12.4 Поправки, внесенные в результаты измерений для испытуемого изделия и образцового источника шума (на фоновый шум, испытательное пространство, способ установки микрофона).
9.12.5 Полученные временные реализации (предпочтительно в виде зависимости уровней звука от времени) при выбранных нагрузках и режимах работы изделия для разных периодов и циклов измерений.
9.12.6 Полученные частотные спектры.
9.12.7 Субъективные замечания испытателя в отношении наблюдаемого шума.
9.13 Расчетное звуковое давление и уровни звуковой мощности
В протокол испытаний включают полученные и зафиксированные данные (см.
раздел 9), необходимые для интерпретации результатов испытаний в соответствии с их назначением. Как правило, в протокол испытаний включают следующую информацию.
10.1 Общие положения (см.
9.1)
10.2 Испытуемый прибор
10.2.1 Категория изделия (см.
9.2.1)
10.2.2 Конструктивные характеристики (см.
9.2.2)
10.2.3 Изготовитель, поставщик, торговая марка (см.
9.2.3)
10.2.4 Модель или тип, назначение (см.
9.2.4)
10.2.5 Заводской номер, дата изготовления (см.
9.2.5)
10.2.6 Номинальные характеристики изделия (см.
9.2.6)
10.2.7 Источник питания (см.
9.2.7)
10.2.8 Дополнительные приспособления и комплектующие (см.
9.2.8)
10.3 Условия испытаний прибора
10.3.1 Выбранные приспособления и комплектующие (см.
9.6.1)
10.3.2 Питание от сети (см.
9.7.1)
10.3.3 Питание от аккумуляторной батареи (см.
9.7.2)
10.3.4 Водоснабжение (см.
9.7.3)
10.3.5 Другие источники питания (см.
9.7.4)
10.3.6 Температура (см.
9.8.1)
10.3.7 Относительная влажность (см.
9.8.2)
10.3.8 Атмосферное давление (см.
9.8.3)
10.3.9 Приложенная нагрузка (см.
9.9.1)
10.3.10 Режимы работы (см.
9.9.2)
10.3.11 Периоды, циклы (см.
9.9.3)
10.3.12 Расположение в испытательном пространстве (см.
9.10.1)
10.3.13 Установка (см.
9.10.2)
10.4 Акустические данные
10.4.1 Прямой метод или метод сравнения (см.
9.3.1)
10.4.2 Базовые стандарты (см.
9.3.2)
10.4.3 Образцовый источник шума (см.
9.5.2)
10.4.4 Испытательное пространство (см.
9.4.1)
10.4.5 Расположение микрофонов (см.
9.11.1)
10.4.6 Процедура сканирования (см.
9.11.4)
10.4.7 Полученные уровни звукового давления изделия (см.
9.12.1)
10.4.8 Полученные уровни звукового давления образцового источника шума (см.
9.12.2)
10.4.9 Внесенные поправки (см.
9.12.4)
10.4.10 Временные реализации для разных режимов работы (см.
9.12.5)
10.4.11 Частотные спектры (см.
9.12.6)
10.4.12 Рассчитанные уровни звуковой мощности (см.
9.13)
(обязательное)
Конструкция специального испытательного стола показана на
рисунке A.1. Верхняя поверхность стола должна быть изготовлена из многослойной фанеры толщиной до 0,10 м. Площадь поверхности стола должна быть не менее 0,5 м
2, а ее длина - не менее 0,7 м. Высота стола - 0,75 м.
Размеры в метрах
1 - поверхность из многослойной фанеры; 2 - ножки
и поперечины, склеенные и скрепленные резьбовыми
соединениями; 3 - изолирующие прокладки
Рисунок A.1 - Пример стола для испытаний
(обязательное)
Внутренние размеры шкафа (см.
рисунок B.1) - высоту
h, мм, ширину
w, мм, и глубину
d, мм, - определяют через номинальную высоту
hn, мм, ширину
wn, мм, и глубину
dn, мм, (которые, в свою очередь, зависят от размеров монтажного проема, заданных изготовителем для данного изделия, как указано в
3.7 -
3.9) по формулам:
h = hn + (3 +/- 1),
w = wn + (5 +/- 1),
d = dn + (35 +/- 15).
Если изготовителем для hn, wn и dn указаны диапазоны значений, то берут наименьшие значения из этих диапазонов.
Если рассчитанное значение d окажется менее 550 мм, то берут d = 550 мм.
Рисунок B.1 - Испытательный шкаф
Примечание - Увеличение внутренних размеров шкафа по сравнению с номинальными размерами монтажного отверстия, указанными изготовителем, дает возможность персоналу испытательной лаборатории поместить изделие в центр шкафа без контакта с ним.
Шкаф должен быть изготовлен из необработанной древесно-стружечной плиты или необработанной многослойной фанеры толщиной 19 мм с плотностью материала от 600 до 750 кг/м3.
(рекомендуемое)
РУКОВОДСТВО ПО ПРОЕКТИРОВАНИЮ ИСПЫТАТЕЛЬНЫХ ПОМЕЩЕНИЙ,
ОБЕСПЕЧИВАЮЩИХ УСЛОВИЯ СУЩЕСТВЕННО СВОБОДНОГО ЗВУКОВОГО ПОЛЯ
Внутренний объем и размеры испытательного помещения, предназначенного для создания условий свободного звукового поля, зависят от размера и формы измерительной поверхности, используемой при испытаниях. Минимальное расстояние от измерительной поверхности до звукопоглощающих поверхностей испытательного помещения - 0,9 м.
Поверхность пола должна быть твердой, ровной и плоской. Средний коэффициент звукопоглощения пола не должен превышать 0,06 в диапазоне частот, включающего в себя октавные полосы со среднегеометрическими частотами от 100 до 10000 Гц. Как правило, пол из покрашенного наливного бетона, асфальта или керамической плитки позволяет соблюсти данное требование. Если этот пол не уложен непосредственно на грунтовую поверхность или не является элементом конструкции здания достаточно большой толщины, то необходимо следить за тем, чтобы передаваемая на него вибрация не привела к вторичному звукоизлучению.
Пригодность испытательного помещения для испытаний в соответствии с испытательным кодом по шуму существенно зависит от качества акустической отделки стен и потолка этого помещения.
Обычная отделка, состоящая из установленных с небольшим воздушным зазором на стенах и потолке помещения клиньев из звукопоглощающего материала, весьма дорогостояща, легко повреждается в процессе эксплуатации и сложна в уходе.
Простым решением будет покрытие стен и потолка тремя слоями минеральной ваты (войлока), каждый толщиной не менее 80 мм, но с разной плотностью: плотность первого слоя, контактирующего с поверхностями помещения, - примерно 55 кг/м3, второго - 33 кг/м3, а третьего (формирующего внутренние границы испытательного помещения) - примерно 23 кг/м3.
Эти три слоя прикрепляют к стенам и потолку сеткой из оцинкованной стальной проволоки диаметром приблизительно 1 мм с размером ячейки приблизительно 50 мм.
Такое покрытие не требует значительных затрат, просто в уходе, а риск его повреждения невелик.
(справочное)
СВЕДЕНИЯ О СООТВЕТСТВИИ ССЫЛОЧНЫХ МЕЖДУНАРОДНЫХ СТАНДАРТОВ
НАЦИОНАЛЬНЫМ И МЕЖГОСУДАРСТВЕННЫМ СТАНДАРТАМ
Таблица ДА.1
Обозначение ссылочного международного стандарта | Степень соответствия | Обозначение и наименование соответствующего национального, межгосударственного стандарта |
IEC 60038:2009 | MOD | |
IEC 60704-3:2006 | IDT | ГОСТ Р МЭК 60704-3-2018 "Приборы электрические бытовые и аналогичного назначения. Испытательный код по шуму. Часть 3. Методы определения и подтверждения заявляемых шумовых характеристик" |
IEC 61260:1995 | MOD | ГОСТ Р 8.714-2010 (МЭК 61260:1995) "Государственная система обеспечения единства измерений (ГСИ). Фильтры полосовые октавные и на доли октавы. Технические требования и методы испытаний" |
IEC 61672-1:2002 | MOD | ГОСТ 17187-2010 (IEC 61672-1:2002) "Шумомеры. Часть 1. Технические требования" |
ISO 3741:1999 | MOD | ГОСТ 31274-2004 (ИСО 3741:1999) "Шум машин. Определение уровней звуковой мощности по звуковому давлению. Точные методы для реверберационных камер" |
ISO 3743-1:1994 | MOD | ГОСТ 31276-2002 (ИСО 3743-1:1994, ИСО 3743-2:1994) "Шум машин. Определение уровней звуковой мощности источников шума по звуковому давлению. Технические методы для малых переносных источников шума в реверберационных полях в помещениях с жесткими стенами и в специальных реверберационных камерах" |
ISO 3743-2:1994 |
ISO 3744:1994 | MOD | ГОСТ 31275-2002 (ИСО 3744:1994) "Шум машин. Определение уровней звуковой мощности источников шума по звуковому давлению. Технический метод в существенно свободном звуковом поле над звукоотражающей плоскостью" |
| | ИС МЕГАНОРМ: примечание. ГОСТ 31273-2003 утратил силу с 1 ноября 2015 года в связи с введением в действие ГОСТ ISO 3745-2014 (Приказ Росстандарта от 29.12.2014 N 2147-ст). | |
|
ISO 3745:2003 | MOD | ГОСТ 31273-2003 (ИСО 3745:2003) "Шум машин. Определение уровней звуковой мощности по звуковому давлению. Точные методы для заглушенных камер" |
ISO 6926:1999 | - | <*> |
ISO 12001:1996 | MOD | ГОСТ 31172-2003 (ИСО 11201:1995) "Шум машин. Измерение уровней звукового давления излучения на рабочем месте и в других контрольных точках. Технический метод в существенно свободном звуковом поле над звукоотражающей плоскостью" |
<*> Соответствующий национальный стандарт отсутствует. До его утверждения рекомендуется использовать перевод на русский язык данного международного стандарта. Официальный перевод данного международного стандарта находится в Федеральном информационном фонде стандартов. Примечание - В настоящей таблице использованы следующие условные обозначения степени соответствия стандартов: - IDT - идентичные стандарты; - MOD - модифицированные стандарты. |
[1] | ISO 9614-1:1993, Acoustics - Determination of sound power levels of noise sources using sound intensity - Part 1: Measurement at discrete points |
[2] | ISO 9614-2:1996, Acoustics - Determination of sound power levels of noise sources using sound intensity - Part 2: Measurement by scanning |