Главная // Актуальные документы // ГОСТ Р (Государственный стандарт)СПРАВКА
Источник публикации
М.: Стандартинформ, 2020
Примечание к документу
Документ
введен в действие с 01.11.2020.
Название документа
"ГОСТ Р 58883-2020. Национальный стандарт Российской Федерации. Системы навесные фасадные вентилируемые. Общие правила расчета подконструкций"
(утв. и введен в действие Приказом Росстандарта от 17.06.2020 N 255-ст)
"ГОСТ Р 58883-2020. Национальный стандарт Российской Федерации. Системы навесные фасадные вентилируемые. Общие правила расчета подконструкций"
(утв. и введен в действие Приказом Росстандарта от 17.06.2020 N 255-ст)
Утвержден и введен в действие
агентства по техническому
регулированию и метрологии
от 17 июня 2020 г. N 255-ст
НАЦИОНАЛЬНЫЙ СТАНДАРТ РОССИЙСКОЙ ФЕДЕРАЦИИ
СИСТЕМЫ НАВЕСНЫЕ ФАСАДНЫЕ ВЕНТИЛИРУЕМЫЕ
ОБЩИЕ ПРАВИЛА РАСЧЕТА ПОДКОНСТРУКЦИЙ
Hinged ventilated facade systems.
General rules of calculation of substructures
ГОСТ Р 58883-2020
Дата введения
1 ноября 2020 года
1 РАЗРАБОТАН Обществом с ограниченной ответственностью "Алюком" (ООО "Алюком"), Закрытым акционерным обществом "МЕТАКОН ЦЕНТР" (ЗАО "МЕТАКОН ЦЕНТР"), Ассоциацией "Объединение производителей, поставщиков и потребителей алюминия" (Алюминиевая ассоциация)
2 ВНЕСЕН Техническим комитетом по стандартизации ТК 144 "Строительные материалы и изделия"
3 УТВЕРЖДЕН И ВВЕДЕН В ДЕЙСТВИЕ
Приказом Федерального агентства по техническому регулированию и метрологии от 17 июня 2020 г. N 255-ст
4 ВВЕДЕН ВПЕРВЫЕ
Правила применения настоящего стандарта установлены в статье 26 Федерального закона от 29 июня 2015 г. N 162-ФЗ "О стандартизации в Российской Федерации". Информация об изменениях к настоящему стандарту публикуется в ежегодном (по состоянию на 1 января текущего года) информационном указателе "Национальные стандарты", а официальный текст изменений и поправок -
в ежемесячном информационном указателе "Национальные стандарты". В случае пересмотра (замены) или отмены настоящего стандарта соответствующее уведомление будет опубликовано в ближайшем выпуске ежемесячного информационного указателя "Национальные стандарты". Соответствующая информация, уведомление и тексты размещаются также в информационной системе общего пользования -
на официальном сайте Федерального агентства по техническому регулированию и метрологии в сети Интернет (www.gost.ru)
Настоящий стандарт распространяется на подконструкции навесных фасадных систем с вентилируемым зазором, изготовленные из алюминиевых сплавов, из тонколистовой холоднокатаной оцинкованной углеродистой стали и из коррозионно-стойкой стали, и устанавливает правила расчета несущих конструкций, их отдельных элементов, а также их соединений между собой.
В настоящем стандарте использованы нормативные ссылки на следующие документы:
ГОСТ 5632 Легированные нержавеющие стали и сплавы коррозионно-стойкие, жаростойкие и жаропрочные. Марки
ГОСТ 22233-2018 Профили прессованные из алюминиевых сплавов для ограждающих конструкций. Технические условия
ГОСТ 27751 Надежность строительных конструкций и оснований. Основные положения
ГОСТ Р 56728 Здания и сооружения. Методика определения ветровых нагрузок на ограждающие конструкции
ГОСТ Р 58154 Материалы подконструкций навесных вентилируемых фасадных систем. Общие технические требования
СП 14.13330 "СНиП II-7-81* Строительство в сейсмических районах"
СП 260.1325800.2016 Конструкции стальные из тонкостенных холодногнутых оцинкованных профилей и гофрированных листов. Правила проектирования
Примечание - При пользовании настоящим стандартом целесообразно проверить действие ссылочных стандартов (сводов правил) в информационной системе общего пользования - на официальном сайте Федерального агентства по техническому регулированию и метрологии в сети Интернет или по ежегодному информационному указателю "Национальные стандарты", который опубликован по состоянию на 1 января текущего года, и по выпускам ежемесячного информационного указателя "Национальные стандарты" за текущий год. Если заменен ссылочный документ, на который дана недатированная ссылка, то рекомендуется использовать действующую версию этого документа с учетом всех внесенных в данную версию изменений. Если заменен ссылочный документ, на который дана датированная ссылка, то рекомендуется использовать версию этого документа с указанным выше годом утверждения (принятия). Если после утверждения настоящего стандарта в ссылочный документ, на который дана датированная ссылка, внесено изменение, затрагивающее положение, на которое дана ссылка, то это положение рекомендуется применять без учета данного изменения. Если ссылочный документ отменен без замены, то положение, в котором дана ссылка на него, рекомендуется применять в части, не затрагивающей эту ссылку. При пользовании настоящим стандартом целесообразно проверить действие ссылочного свода правил в Федеральном информационном фонде стандартов.
3 Термины, определения и обозначения
3.1 В настоящем стандарте применены следующие термины с соответствующими определениями:
3.1.1 система навесная фасадная вентилируемая, НФС: Многослойная конструкция, предназначенная для отделки и утепления наружных стен, включающая следующие элементы: несущая подконструкция, теплоизоляция (при необходимости), ветрозащитная мембрана (при необходимости), наружная облицовка, прикрепляемая на относе от строительного основания с образованием воздушного зазора.
3.1.2 подконструкция НФС: Металлический каркас НФС, состоящий из кронштейнов, удлинителей, направляющих, вспомогательных профилей и крепежных изделий, который воспринимает и передает на строительное основание опорные усилия от всех нагрузок и воздействий, воспринимаемых НФС.
3.1.3 вертикальная система: Подконструкция, включающая вертикальные направляющие, кронштейны, при необходимости с удлинителями, и вспомогательные элементы.
3.1.4 вертикально-горизонтальная система: Подконструкция, представляющая собой перекрестный каркас из вертикальных и горизонтальных направляющих, кронштейнов, при необходимости с удлинителями, и вспомогательных элементов, в которой горизонтальные направляющие крепятся к вертикальным, а вертикальные - к кронштейнам.
3.1.5 горизонтально-вертикальная система: Подконструкция, представляющая собой перекрестный каркас из вертикальных и горизонтальных направляющих, кронштейнов, при необходимости с удлинителями, и вспомогательных элементов, в которой вертикальные направляющие крепятся к горизонтальным, а горизонтальные - к кронштейнам.
3.1.6 горизонтальная система: Подконструкция, включающая горизонтальные направляющие, кронштейны, при необходимости с удлинителями, и вспомогательные элементы.
3.1.7 рама: Плоская или пространственная стержневая система, пространственная неизменяемость которой достигается жестким соединением между собой элементов (направляющих, удлинителей, кронштейнов) или введением в конструкцию системы связей.
3.1.8 строительное основание: Часть здания (металлические, железобетонные или каменные элементы каркаса, стеновое заполнение и т.д.), к которой с помощью анкеров крепятся элементы подконструкции.
3.1.9 кронштейн: Элемент каркаса НФС, фиксируемый на строительном основании и предназначенный для крепления к нему направляющих, непосредственно или при помощи дополнительных элементов, предусмотренных в проектной документации на НФС.
3.1.10 несущий кронштейн: Кронштейн, воспринимающий и передающий на строительное основание как вертикальные нагрузки, так и горизонтальные нагрузки от ветровых воздействий.
3.1.11 опорный кронштейн: Кронштейн, воспринимающий и передающий на строительное основание только горизонтальные нагрузки от ветровых воздействий.
3.1.12 удлинитель: Конструктивный элемент, устанавливаемый при необходимости между кронштейнами и направляющими, который совместно с кронштейном обеспечивает необходимый зазор между направляющими и строительным основанием.
3.1.13 направляющая: Линейный основной элемент подконструкции НФС, предназначенный для крепления элементов наружной облицовки или других элементов подконструкции.
3.1.14 облицовка: Защитно-декоративный экран, выполняющий архитектурные функции и защищающий утеплитель и несущие конструкции здания от атмосферных воздействий.
3.1.15 утеплитель: Теплоизоляционный материал, предназначенный для эффективной тепло- и звукоизоляции зданий.
3.1.16 крепежные изделия: Общее наименование изделий, применяемых для соединения элементов НФС между собой.
3.1.17 анкер: Крепежное изделие промышленного изготовления, предназначенное для крепления конструктивных элементов к строительному основанию.
3.1.18 химический анкер: Анкер, в котором передача усилий на строительное основание с анкерного стержня осуществляется через слой затвердевшего в результате химической реакции состава.
3.1.19 воздушный зазор: Воздушная прослойка между утеплителем и внутренней поверхностью облицовки НФС, свободная циркуляция в которой воздушных масс обеспечивает условия для отвода влаги из утеплителя и стен и сохранения оптимальной температуры внутри здания.
3.1.20 кляммер: Элемент конструкции НФС, предназначенный для фиксации облицовки из плитных материалов (керамогранит, натуральный камень и т.п.).
Примечание - Различают кляммеры видимого и скрытого типов.
3.1.21 салазка: Элемент крепления облицовки к вертикальным направляющим, имеющим штифт для навески облицовочных кассет.
3.1.22 аграфа: Элемент S-, U-образной или другой формы, устанавливаемый при помощи крепежных изделий на облицовочном элементе и предназначенный для скрытого точечного крепления облицовки из натурального и искусственного камня и других материалов.
3.1.23 планка скрытого крепления: Элемент для скрытого крепления облицовки из натурального и искусственного камня и других материалов по всей длине единицы облицовки.
3.2 В настоящем стандарте применены следующие обозначения:
A - площадь сечения;
B - бимомент;
D - размер утолщения;
E - модуль упругости;
Ix; Iy - моменты инерции сечения брутто относительно осей x - x и y - y соответственно;
Ixn; Iyn - то же, сечения нетто;

- секториальный момент инерции сечения;

- секториальный момент инерции сечения нетто;
Mx; My - моменты относительно осей x - x и y - y соответственно;
N - нормальная сила;
P - сосредоточенная нагрузка на элемент;
Q - поперечная сила, сила сдвига;
R - расчетное сопротивление алюминия растяжению, сжатию, изгибу;
Rs - расчетное сопротивление алюминия сдвигу;
Ry - расчетное сопротивление стали растяжению, сжатию, изгибу по пределу текучести;
S - статический момент сдвигаемой части сечения брутто относительно нейтральной оси;
Wx; Wy - моменты сопротивления сечения брутто относительно осей x - x и y - y соответственно;
Wxn; Wyn - моменты сопротивления сечения нетто относительно осей x - x и y - y соответственно;
e - эксцентриситет силы;
h - высота;
l - длина, пролет, расстояние;
q - распределенная нагрузка на элемент;
t - толщина;
tw - толщина стенки;

- коэффициент условия работы;

- коэффициент надежности по ответственности;

- коэффициент влияния формы сечения;

- условная гибкость;

- условная гибкость свеса пояса;

- условная гибкость свесов с утолщением (бульбой);

- условная гибкость стенки;

- коэффициент поперечной деформации (Пуассона);

;

- нормальные напряжения, параллельные осям
x -
x и
y -
y соответственно;

- местные напряжения;

- касательные напряжения;

- коэффициент устойчивости при центральном сжатии;

- коэффициент устойчивости при сжатии с изгибом;

- коэффициент устойчивости при сжатии с изгибом в двух плоскостях;

- секториальная координата.
4 Классификация подконструкций навесной вентилируемой фасадной системы
4.1 По материалу профилей подконструкций системы подразделяют:
- на изготовленные из алюминиевых сплавов;
- изготовленные из тонколистовой холоднокатаной оцинкованной углеродистой стали;
- изготовленные из тонколистовой коррозионно-стойкой стали;
- комбинированные системы, в которых используются несколько видов материалов.
4.2 По конструктивным особенностям системы подразделяют:
- на вертикальные;
- вертикально-горизонтальные;
- горизонтально-вертикальные;
- горизонтальные.
5 Уровень ответственности конструкций
5.1 Уровень ответственности НФС в целом и ее несущей подконструкции назначают в соответствии с требованиями
ГОСТ 27751, при этом допускается различие уровня ответственности подконструкции и здания в целом.
5.2 Значения коэффициента надежности по ответственности для несущей подконструкции следует принимать не ниже

для всех подконструкций и не ниже

для участков, расположенных на высоте более 100 м.
6.1 Материалы несущих подконструкций НФС и минимальные толщины их несущих и вспомогательных элементов следует принимать по
ГОСТ Р 58154.
6.2 При наличии овальных отверстий обязательно использование дополнительной металлической шайбы.
6.3 При выборе марки стали следует руководствоваться положениями
СП 16.13330 и
ГОСТ 5632. При этом за расчетную температуру в районе строительства следует принимать температуру наружного воздуха наиболее холодных суток обеспеченностью 0,98, определенную согласно
СП 131.13330.
6.4 Прессованные профили из алюминиевых сплавов, применяемые в конструкции, должны отвечать требованиям
ГОСТ 22233.
6.5 Расчетное сопротивление конструкций из гнутых профилей следует определять согласно
СП 260.1325800.
6.6 Расчетное сопротивление алюминиевых сплавов следует определять в соответствии с требованиями
СП 128.13330 и принимать равным меньшему из значений расчетного сопротивления по условному пределу текучести
Ry и расчетного сопротивления по временному сопротивлению
Ru, полученных с использованием приведенных в
СП 128.13330 коэффициентов надежности по материалу.
6.7 Вертикальные и горизонтальные предельные прогибы направляющих назначаются проектировщиком НФС по согласованию с заказчиком, исходя из конструктивных и эстетических требований, но не более значений, приведенных в
пункте 15.2.3 СП 20.13330.2016.
7 Нагрузки и воздействия, действующие на навесную вентилируемую фасадную систему
7.1 Расчет элементов фасадных систем и их креплений выполняется на воздействие постоянных, временных и особых нагрузок. При расчете всех элементов НФС сбор нагрузок осуществляется по грузовым площадям.
7.2 В качестве постоянных принимают нагрузки от собственного веса элементов подконструкций НФС и от материала облицовки. Нормативные значения постоянных нагрузок определяют по технической документации предприятий-изготовителей.
Расчетные значения постоянных нагрузок от веса элементов подконструкции и облицовки получают с использованием коэффициента надежности по нагрузке

в соответствии с
СП 20.13330. Для наиболее распространенных материалов облицовки коэффициент

приведен в таблице 1.
Таблица 1
Элементы и материалы | |
1 Кассеты из композитных материалов, фиброцементные плиты, хризотилцементные листы и плиты | 1,2 |
2 Натуральный и искусственный камень, клинкерная плитка | 1,1 |
3 Пустотелая объемная керамика | 1,3 |
4 Металлические кассеты | 1,05 |
5 Металлические (стальные и алюминиевые) элементы подконструкции | 1,05 |
7.3 В качестве временных нагрузок следует принимать:
- ветровые нагрузки;
- гололедные нагрузки, независимо от высоты здания;
- нагрузки от оборудования, если по условиям задания на проектирование они могут передаваться на элементы несущей подконструкции НФС;
- снеговые нагрузки, если особенности конфигурации облицовки делают возможным скопление снега на ее участках;
- усилия от температурных воздействий при их наличии;
- прочие нагрузки при их наличии.
7.4 В качестве особых учитывают сейсмические нагрузки при их наличии.
7.5 Значение снеговой нагрузки определяют в соответствии с
СП 20.13330. Значение гололедной нагрузки на облицовку определяют по
формуле (12.2) СП 20.13330.2016.
7.6 При расчете всех элементов НФС и их креплений следует определить значения основной и пиковой ветровых нагрузок и провести расчет на большую из них. Также следует учитывать повышенные значения пиковой ветровой нагрузки на угловых участках зданий в соответствии с
СП 20.13330.
7.7 В сочетания, включающие одновременно гололедную и ветровую нагрузки, следует включать основную ветровую нагрузку, сниженную в соответствии с требованиями
раздела 12 СП 20.13330.2016.
7.8 Для сооружений повышенного уровня ответственности, указанных в
[1],
статья 48.1, часть 2 или
примечании 2 к пункту 11.1.7 СП 20.13330.2016, а также во всех случаях, не предусмотренных
разделом В.1 приложения В СП 20.13330.2016, аэродинамические коэффициенты следует определять на основании продувки макета здания в аэродинамической трубе либо по результатам математического моделирования в верифицированных лицензионных программных комплексах в соответствии с
СП 20.13330 и
ГОСТ Р 56728.
7.9 Значения нормативных нагрузок от оборудования принимают по фактическим данным. Расчетные значения получают, используя соответствующие коэффициенты надежности по нагрузке по
СП 20.13330.
7.10 При формировании сочетаний нагрузок следует руководствоваться
СП 20.13330 и использовать соответствующие коэффициенты сочетаний.
7.11 При необходимости учета сейсмических нагрузок их следует определять по
СП 14.13330 по результатам совместного расчета основного здания и НФС в специализированном программном комплексе. Возможно подтверждение несущей способности подконструкции при сейсмических воздействиях путем проведения испытаний натурных фрагментов НФС с облицовкой в аккредитованной лаборатории.
При проектировании НФС следует предусматривать конструктивные меры, исключающие стеснение температурных деформаций.
8 Расчетные схемы, сбор нагрузок и определение усилий в элементах
8.1 В зависимости от фактических условий крепления при расчете вертикальной направляющей следует принимать расчетную схему в виде однопролетной или многопролетной балки. Возможно наличие в схеме одной или двух консолей.
Все стыки профилей направляющих по длине следует рассматривать как шарнирные соединения.
В расчетной схеме в местах крепления к несущим кронштейнам принимаются шарнирно-неподвижные опоры, а к опорным кронштейнам - шарнирно-подвижные.
8.2 В случаях, когда конструкция стыка направляющей с кронштейном (удлинителем) исключает шарнирную работу узла, каркас подконструкции НФС может быть рассчитан как система рам, состоящих из направляющих, кронштейнов и удлинителей (при их наличии) и имеющих частично или полностью защемленные узлы. В этом случае расчет следует проводить в сертифицированном программном комплексе.
8.3 Нагрузки от собственного веса направляющей, а также нагрузки от веса облицовки и ветровые следует рассматривать как равномерно распределенные.
В горизонтально-вертикальных системах в местах крепления вертикальных направляющих к горизонтальным нагрузку от них принимают в виде сосредоточенных сил.
При конструировании такой системы для минимизации кручения и исключения влияния бимомента следует располагать крепления элементов облицовки и вертикальных направляющих максимально близко к опорам.
8.4 Усилия в направляющих, работающих по многопролетной схеме, следует определять как для неразрезных балок. Указания по определению усилий в многопролетных балках при различном числе пролетов и для разных случаев загружения приведены в
[2].
8.5 При расчете направляющих, имеющих более одного несущего кронштейна, следует учитывать в расчете усилия, возникающие в стержне направляющей от температурных воздействий. Эти усилия допускается не учитывать в случаях, когда продольные перемещения в направляющей, вызванные температурными воздействиями, компенсируются смятием прокладок под пятами кронштейнов, не превышающим 10% от первоначальной толщины прокладки.
8.5.1 При определении температурных воздействий на подконструкции НФС их следует рассматривать как защищенные от воздействия солнечной радиации конструкции неотапливаемых зданий, для которых нормативные значения средних температур по сечению элемента в теплое и холодное время года tw и tc равны средним суточным температуры наружного воздуха в теплое и холодное время года tew и tec соответственно.
tc = tec = tmin + 0,5AI; (1)
tw = tew = tmax + 0,5AVII, (2)
где
AI,
AVII - средние суточные амплитуды температуры воздуха наиболее холодного и наиболее теплого месяца соответственно, принимаемые по
таблицам 3.1 и
4.1 СП 131.13330.2012.
Начальную температуру, соответствующую замыканию конструкции или ее части в законченную систему, в теплое t0w и холодное t0c время года следует принимать по фактическим данным или вычислять по формулам:
t0w = 0,8tVII + 0,2tI; (3)
t0c = 0,2tVII + 0,8tI, (4)
где
tI,
tVII - многолетние средние месячные температуры воздуха в январе и июле, принимаемые для надземной части сооружений по
таблице 5.1 СП 131.13330.2012.
Расчетные значения изменений средних температур по сечению элемента в теплое

и холодное

время года соответственно вычисляют по формулам:

(5)

(6)
где

- коэффициент надежности по нагрузке для температурных климатических воздействий.
8.5.2 Температурное удлинение направляющей

вычисляют по формуле

(7)
где
t - большее из значений

и

;
L - длина участка направляющей, для которого определяется удлинение (см.
рисунок 1).
Рисунок 1 - Температурные деформации направляющей НФС
8.5.3 Перемещение пяты кронштейна при смятии под воздействием удлинения направляющей

вычисляют по формуле

(8)
где b - высота кронштейна;
h - вылет кронштейна (см. рисунок 2).
Рисунок 2 - Схема деформации прокладки под пятой кронштейна
8.5.4 Напряжение в стержне направляющей от температурных воздействий

вычисляют по формуле

(9)
Усилие в стержне направляющей от температурных воздействий Nt вычисляют по формуле

(10)
где A - площадь сечения направляющей.
8.6 Отдельным температурным блоком может считаться участок НФС, элементы подконструкции которого полностью отделены от элементов соседних участков либо соединены с ними вставкой, обеспечивающей свободное перемещение концов элементов в продольном направлении. Значение свободного перемещения должно быть не менее суммы температурных перемещений концов соединяемых элементов.
8.7 В качестве сил, воздействующих на кронштейны и удлинители, следует принимать опорные усилия направляющей в месте крепления к кронштейну.
9.1 При расчете подконструкции НФС на прочность и устойчивость должны быть отдельно рассмотрены элементы, условия работы которых отличаются от рядовых:
- расположенные в угловых зонах;
- работающие консольно;
- имеющие увеличенную грузовую площадь;
- имеющие увеличенный пролет;
- имеющие нестандартное закрепление к основанию.
Наиболее распространенные типы сечений направляющих приведены на
рисунке 3. Допускается использовать сечения, отличные от приведенных.
Примечание - Стрелками примерно обозначены места приложения горизонтальной нагрузки.
а - сплошное; б - из многопустотного профиля; в - гнутое
с элементами двойной толщины; г - П-образное замкнутое;
д - П-образное незамкнутое; е - замкнутое;
ж - гнутый швеллер с отгибами
Рисунок 3 - Наиболее распространенные
типы сечений направляющих
Направляющие замкнутого сечения рассчитывают без учета бимомента.
Расчет направляющих незамкнутого сечения с учетом бимомента выполняют только в следующих случаях:
- для горизонтальных направляющих, кроме случаев, когда направляющая прикреплена непосредственно к строительному основанию либо когда точки передачи на направляющую вертикальной нагрузки совпадают с точками ее закрепления к кронштейнам;
- вертикальных направляющих, имеющих выражено несимметричное сечение относительно плоскости изгиба и при этом загруженных или опертых с эксцентриситетом, при этом допускается не учитывать эксцентриситет в случаях, когда его значение составляет менее 1,5% размера сечения в направлении эксцентриситета.
Секториальные характеристики профилей, необходимые для расчета с учетом бимомента, следует указывать в каталогах производителей систем НФС. При отсутствии таких сведений секториальные характеристики сечения определяют расчетом в сертифицированных программных комплексах или ручным расчетом. Пример определения секториальных характеристик сечения приведен в
приложении А.
9.2 Расчет направляющих, изготовленных из алюминиевых прессованных профилей
9.2.1 Расчет на прочность и устойчивость направляющих из алюминиевых сплавов проводят в соответствии с положениями
СП 128.13330 и настоящего стандарта. Пример расчета растянуто-изгибаемой направляющей при действии собственного веса, ветровых и гололедных нагрузок приведен в
приложении Б.
9.2.2 Следует проверять на прочность как опорное, так и пролетное сечения направляющей.
9.2.3 Вертикальные направляющие следует рассчитывать как растянуто-изгибаемые элементы. При наличии в конструкции участков направляющих, работающих на сжатие с изгибом, их рассчитывают по
СП 128.13330 для внецентренно сжатых элементов. При этом прочность направляющей следует проверять по условиям:

(11)

(12)
Пример определения секториальных характеристик сечения и данные для вычисления бимомента для некоторых расчетных случаев приведены в
приложениях А и
В.
9.2.4 Горизонтальные направляющие следует проверять на прочность как элементы, изгибаемые в двух плоскостях, с учетом бимомента по формуле

(13)
Допускается в запас прочности принимать значения бимоментов в многопролетных направляющих по данным
приложения В как для однопролетных балок.
9.2.5 Для стенок направляющих при одновременном действии момента и поперечной силы должны быть выполнены условия:

(14)

(15)
где

- нормальное напряжение в срединной плоскости стенки, параллельное продольной оси направляющей;

- то же, перпендикулярное к продольной оси направляющей, в том числе

, определяемое по
СП 128.13330 и
СП 16.13330 при наличии местных нагрузок от оборудования, освещения и т.п.;

- касательное напряжение в стенке.
Напряжения

и

, принимаемые по
условию (14) со своими знаками, а также

следует определять в одной и той же точке стенки направляющей.
В направляющих, рассчитываемых по
условию (13), значения напряжений в стенке балки должны быть проверены по
условию (14) в двух главных плоскостях изгиба.
9.2.6 В случаях, когда в полке растянуто-изгибаемой направляющей под воздействием ветровых нагрузок возникают сжимающие напряжения, следует проверять местную устойчивость полок и стенок такой направляющей как для изгибаемого элемента.
9.2.7 Местная устойчивость сжатых полок вертикальных направляющих из алюминиевых прессованных профилей считается обеспеченной, если условная гибкость свеса полки

не превышает значений, указанных в
таблице 2 в зависимости от условной гибкости стержня

и типа сечений (расчетный свес полки
bef следует принимать в соответствии с
пунктом 7.5.13 СП 128.13330.2016;
t - толщина свеса). При этом полки сечений типов, приведенных на
рисунках 3 г,
д, следует рассматривать как полки швеллера, а полки элементов замкнутого сечения, приведенного на
рисунке 3 е, как полки двутавра.
Характеристика полки (поясного листа) и сечения элемента | Наибольшие значения  при значениях условной гибкости стержня |
| |
Неокаймленная полка двутавра и тавра | | 0,8 |
Неокаймленная  полка неравнополочного уголка, стенка тавра и полка швеллера | | 0,8 |
Неокаймленная полка равнополочных уголков | | 0,7 |
Примечание - При вычислении  промежуточные значения  определяют линейной интерполяцией между значениями при  и  . |
В случае недонапряжения элемента наибольшие значения

из
таблицы 2 следует увеличивать в

раз, но не более чем в 1,5 раза, при этом значения

необходимо принимать не более 1,3 (

- меньшее из значений

,

,

,

, использованное при проверке устойчивости сжато-изгибаемого элемента, для растянуто-изгибаемых элементов

;

для сжато-изгибаемых стержней и максимальное сжимающее напряжение в полке для растянуто-изгибаемых стержней,
c - коэффициент, вычисляемый по
формуле (33) СП 128.13330.2016).
9.2.8 При усилении свободных свесов утолщениями наибольшее допустимое значение гибкости свеса

[где
bef1 - расчетная ширина свеса поясных листов или полок, измеряемая от центра утолщения до грани примыкающей стенки (полки) или до начала вута] вычисляют по формуле

(16)
где

- наибольшее значение условной гибкости свеса при отсутствии утолщения, принимаемое по
таблице 2;
k - коэффициент, определяемый по
таблице 3 в зависимости от

,

и

,
где

- отношение, вычисляемое по формуле

(17)
здесь
D - размер утолщения, принимаемый равным диаметру круглой бульбы; в квадратных и трапециевидных утолщениях нормального профиля
D - высота утолщения при ширине бульбы не менее 1,5
D в трапециевидных (см.
рисунок 4) и не менее
D - в прямоугольных утолщениях.
Сечение | | | |
1 | 5 |
Швеллер, двутавр | | 2,5 | 1,06 | 1,35 |
3,0 | 1,24 | 1,69 |
3,5 | 1,46 | 2,06 |
Швеллер, двутавр | | 2,5 | 1,04 | 1,28 |
3,0 | 1,20 | 1,59 |
3,5 | 1,40 | 1,94 |
Уголок, тавр, крестовое | | 2,5 | 1,06 | 1,17 |
3,0 | 1,24 | 1,47 |
3,5 | 1,46 | 1,67 |
| 2,5 | 1,04 | 1,13 |
3,0 | 1,20 | 1,35 |
3,5 | 1,40 | 1,67 |
Примечание - Коэффициент k для промежуточных значений  от 0,6 до 0,75 и гибкости  от 1 до 5 следует определять линейной интерполяцией. |
Рисунок 4 - Схема утолщения свесов полок
9.2.9 Местная устойчивость стенок растянуто-изгибаемых направляющих из алюминиевых прессованных профилей обеспечена, если условная гибкость стенки

не превышает предельного значения

(здесь
hef - расчетная высота стенки профиля, определяемая по требованиям
СП 128.13330).
9.2.10 При невыполнении требований
9.2.7,
9.2.8 следует применить другой тип сечения, провести повторную проверку прочности и устойчивости сечения с применением редуцированной ширины полки по 9.2.11 или провести проверку прочности сечения как тонкостенного, с учетом эффективных толщин, вычисленных по
9.2.
9.2.11 Редуцированную ширину полки профиля находят с применением формулы

, где

- значение, определенное по указаниям
9.2.7.
9.2.12 При невыполнении требований
9.2.9 следует применить другой тип сечения или провести проверку прочности сечения как тонкостенного, с учетом эффективных толщин, вычисленных по
9.2.
9.3 Расчет алюминиевых направляющих с учетом эффективных толщин
9.3.1 Эффективные толщины элементов сечения направляющей определяют по
9.3.5.
9.3.2 Расчет пластин алюминиевых тонкостенных профилей с учетом потери местной устойчивости для неподкрепленного плоского элемента проводят с использованием параметра

, который имеет следующие значения:
а) для плоских внутренних элементов с равномерным распределением напряжений по ширине, а также плоских консольных элементов с равномерным распределением напряжений или максимальным сжимающим напряжением на свободной кромке пластины:

(18)
б) для внутренних элементов с неравномерным распределением напряжений по ширине при нулевом значении на нейтральной оси в середине пластины:

(19)
в) для внутренних элементов с неравномерным распределением напряжений по ширине и консольных элементов с максимальным сжимающим напряжением на линии пересечения с основной пластиной:

(20)
где b - ширина пластины;
t - толщина пластины;

- коэффициент, характеризующий неравномерность распределения напряжений по ширине пластины, определяемый с помощью выражений:

(21)
где

- отношение напряжения на краю рассматриваемой пластины к максимальному сжимающему напряжению в пластине.
При этом для консольных элементов с максимальным сжатием на свободной кромке

.
9.3.3 При расчете пластин алюминиевых тонкостенных профилей с учетом потери местной устойчивости для подкрепленных пластин необходимо рассматривать формы потери устойчивости, показанные на
рисунке 5. Для каждой формы определяют свои значения

.
а) Форма 1: подкрепленная пластина теряет устойчивость как единое целое, так что подкрепляющие элементы при потере устойчивости деформируются так же, как и сама пластина.
б) Форма 2: элементы подкрепленной пластины теряют устойчивость по собственным формам при сохранении угла между элементами.
Рисунок 5 - Формы потери устойчивости
подкрепленных плоских элементов
9.3.4 Значения параметра

определяют следующим образом:
а) форма 1, подкрепление односторонним ребром
Если подкрепляющий элемент представляет собой одностороннее ребро жесткости или небольшой отгиб в ту же сторону с толщиной, равной толщине элемента:

(22)
где

- коэффициент, определяемый по
формуле (23) или из
рисунков 6 а,
б или
в. На этих рисунках высота ребра
c или отгиб кромки измеряется от внутренней поверхности пластины:
а - расстояние между ребрами жесткости
Рисунок 6, лист 1 - Значения

для подкрепленных элементов сечений
Рисунок 6, лист 2
б) форма 1, нестандартное подкрепление
При любом другом виде подкрепления оно может быть заменено эквивалентным ребром или отгибом с толщиной, равной толщине самого элемента t. Высоту c для эквивалентного ребра или отгиба выбирают таким образом, чтобы момент инерции эквивалентного подкрепления относительно срединной плоскости пластины был равен моменту инерции нестандартного подкрепления относительно той же плоскости.
Эффекты местной потери устойчивости учитывают, используя характеристики эффективного поперечного сечения, вычисленные с использованием эффективной толщины;
в) форма 2
Величину

определяют отдельно для каждой составляющей сечения элемента в соответствии с
9.3.2.
9.3.5 Эффективную толщину
teff сжатых частей поперечного сечения вычисляют по формуле

(24)
где

- понижающий коэффициент, учитывающий местную потерю устойчивости.
Коэффициент

применяют ко всем элементам постоянной толщины, которые полностью или частично подвержены сжатию.
Если полученная расчетом величина

менее или равна величине

, полученной по данным таблицы 4, принимают

.
Таблица 4
Определение параметра

| | ИС МЕГАНОРМ: примечание. В официальном тексте документа, видимо, допущена опечатка: имеется в виду ГОСТ Р 58154, а не ГОСТ 58154. | |
Материал | Внутренние элементы | Консольные элементы |
| |
| 18 | 5 |
Примечание -  , где f0 принимают равным значению условного предела текучести по национальным стандартам и техническим условиям, Н/мм 2, на алюминиевый сплав. |
Если

, то коэффициент

вычисляют по
формуле (25), отдельно для каждого элемента сечения. Константы C
1 и C
2 определяют по
таблице 5. Зависимость между

и

представлена на
рисунке 7.

(25)
Таблица 5
Константы C
1 и C
2 в выражениях для

| | ИС МЕГАНОРМ: примечание. В официальном тексте документа, видимо, допущена опечатка: имеется в виду ГОСТ Р 58154, а не ГОСТ 58154. | |
Материал | Внутренние элементы | Консольные элементы |
C1 | C2 | C1 | C2 |
| 32 | 220 | 10 | 24 |
1 - внутренние элементы; 2 - симметричные консольные
элементы; 3 - асимметричные консольные элементы
Рисунок 7 - Зависимость между

и

для консольных и внутренних элементов
Для плоских консольных элементов в асимметричных поперечных сечениях

принимают с помощью приведенных выше выражений для плоских консольных элементов в симметричных сечениях, но не более

.
Для подкрепленных элементов поперечного сечения необходимо рассматривать все возможные формы потери устойчивости и использовать наименьшее значение

. В случае потери устойчивости по 1-й форме коэффициент

применяют как к подкрепляющим элементам, так и к основной пластине. Для консольного подкрепленного элемента сечения используют кривую для консольных элементов, для прочих элементов - кривую для внутреннего элемента поперечного сечения.
9.4 Расчет направляющих, выполненных из гнутых стальных профилей и тонколистового стального проката
9.4.1 Направляющие, выполненные из гнутых стальных профилей и тонколистового стального проката, рассчитывают на прочность и местную устойчивость как тонкостенные стержни в соответствии с положениями
СП 260.1325800 и
СП 16.13330.
9.4.2 Пластинчатые элементы профилей следует укреплять продольными элементами жесткости (сгибами, отгибами, ребрами), которые могут быть краевыми или промежуточными.
9.4.3 При расчете направляющих гнутого швеллерного сечения и любых элементов z-образного сечения следует учитывать коэффициент условий работы

.
9.4.4 При расчете направляющей как тонкостенного стержня принимают скорректированную толщину стали
tcor в соответствии с
пунктом 7.1.5 СП 260.1325800.2016.
9.4.5 Характеристики редуцированного сечения направляющей определяют, изменяя толщину элемента
tcor на эффективную толщину
.
Для гладких сжатых пластин, имеющих закрепления на продольных кромках (например, стенка двутаврового или полка и стенка гнутого швеллера с отгибами), коэффициент редукции

вычисляют по формулам (условиям):

(26)
где

,
где

- отношение меньшего напряжения к большему, сжатие считается положительным;

- условная гибкость пластинки, вычисляемая по
формуле (7.18) СП 260.1325800.
Для гладких пластин, имеющих закрепление на одной кромке, например полка двутаврового, уголкового или швеллерного сечения (свес полки), коэффициент редукции

вычисляют по формулам (условиям):

(27)
9.4.6 Несущую способность поперечного сечения по изгибающему моменту относительно одной из главных осей Mx проверяют по условиям:

(28)
при изгибе в двух главных плоскостях и наличии бимомента:

(29)
При этом в
формуле (29) при вычислении нормальных напряжений от бимомента используют величину секториального момента инерции

, определенную для полного сечения. Эффективные моменты сопротивления
Wx,ef и
Wy,ef следует определять на основе эффективного поперечного сечения, испытывающего изгиб только в рассматриваемой плоскости. Величины
Aef и
Wx,ef и
Wy,ef определяют по
СП 260.1325800.
9.4.7 Опорные сечения направляющих следует проверять на совместное действие нормальных и касательных напряжений по условию (неравенству):

(30)
где

- суммарные нормальные напряжения в сечении от действия продольной силы, изгибающих моментов в двух плоскостях и стесненного кручения (бимомента);

- суммарные касательные напряжения в сечении от действия поперечных сил, свободного и стесненного кручения, вычисляемые по формуле

(31)
где

и

- касательные напряжения от действия поперечных сил
Qy и
Qx соответственно, вычисляемые для эффективного сечения;

и

- касательные напряжения от действия свободного и стесненного кручения соответственно, вычисляемые для полного сечения по формулам:

(32)

(33)
здесь Mi - момент от свободного кручения;

- момент от стесненного кручения;
Wp - полярный момент сопротивления сечения;

- секториальный момент инерции сечения;

- секториальный статический момент отсеченной части сечения.
9.4.8 При определении прогибов от нормативной нагрузки в расчете используют редуцированное значение момента инерции, полученное при условии действия в сечении момента, равного максимальному моменту в пролете от нормативной нагрузки.
9.4.9 Проверку устойчивости стенок направляющих следует проводить в соответствии с
пунктом 7.7.12 СП 260.1325800.2016. Влияние местной потери устойчивости элементов сечения учитывается путем использования геометрических характеристик эффективного сечения, определяемых согласно
подразделам 7.3 -
7.6 СП 260.1325800.2016.
10 Расчет кронштейнов и удлинителей
10.1 Кронштейн и удлинитель следует рассчитывать как консольные элементы, загруженные вертикальной и горизонтальной составляющими нагрузки, определенными в соответствии с
8.1,
8.2 и
8.5. Кронштейны и удлинители проверяют на прочность как элементы, подверженные действию осевой нагрузки и изгибаемые в одной или двух плоскостях. При расчете на прочность следует проверять наиболее нагруженные сечения и сечения, ослабленные отверстиями для крепежных элементов.
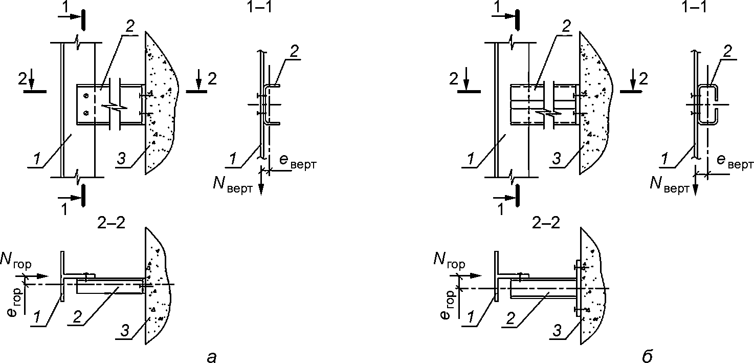
Наиболее распространенные типы кронштейнов, используемых в составе НФС, приведены на
рисунке 8.
а - несимметричного незамкнутого сечения, загруженный
с эксцентриситетом; б - незамкнутого сечения, загруженный
с эксцентриситетом; в - замкнутого сечения, загруженный
с эксцентриситетом; г - сплошного сечения, загруженный
с эксцентриситетом; д - незамкнутого симметричного
сечения, загруженный без эксцентриситета;
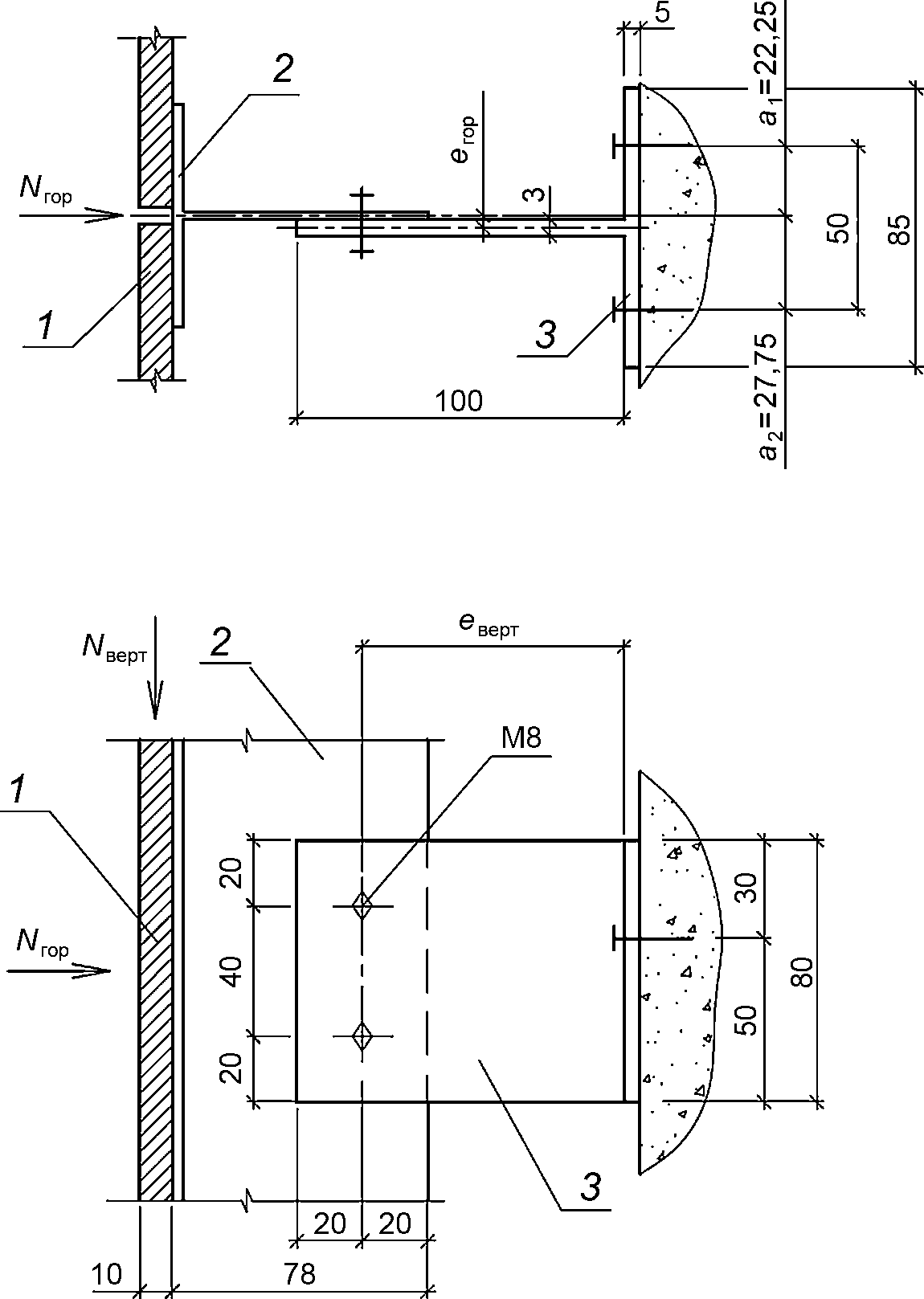
1 - направляющая; 2 - кронштейн; 3 - строительное основание;
Nверт - равнодействующая вертикальных сил, действующих
на кронштейн; eверт - ее эксцентриситет;
Nгор - равнодействующая горизонтальных сил, действующих
на кронштейн; eгор - ее эксцентриситет
Рисунок 8, лист 1 - Наиболее
распространенные типы кронштейнов
Рисунок 8, лист 2
10.2 Расчет на прочность кронштейнов и удлинителей проводят по
формуле (11). При этом бимомент следует учитывать при расчете элементов, имеющих незамкнутое сечение, независимо от наличия эксцентриситета, а также элементов, имеющих сечение, несимметричное относительно плоскости изгиба и при этом загруженных с эксцентриситетом.
Значение бимомента для кронштейна или системы кронштейн - удлинитель следует определять как для консольной балки, загруженной на конце крутящим моментом, равным
M =
Nверт·
eверт, где
eверт - эксцентриситет вертикальной нагрузки (см.
рисунок 8).
10.3 Эксцентриситет приложения вертикальной или горизонтальной нагрузки из плоскости консоли кронштейна (удлинителя) при расчете стенки (консоли) следует определять как расстояние от оси равнодействующей нагрузки до центра тяжести рассматриваемого сечения кронштейна (удлинителя) (см.
рисунок 8).
Эксцентриситет приложения вертикальной нагрузки в плоскости консоли кронштейна (удлинителя) следует принимать равным (см.
приложение Г):
- при наличии на сопрягаемых поверхностях рифления, обеспечивающего механическое зацепление, - расстоянию от оси приложения нагрузки до рассматриваемого сечения;
- во всех других случаях - расстоянию от оси крепления направляющей до рассматриваемого сечения.
10.4 При наличии в элементах овальных отверстий эксцентриситеты следует принимать для наиболее неблагоприятного случая расположения болтов.
10.5 Для вертикальных нагрузок допускается не учитывать эксцентриситет
eверт (см.
рисунок 8) в случаях, когда его значение составляет менее 1,5% размера сечения кронштейна (удлинителя) в направлении эксцентриситета.
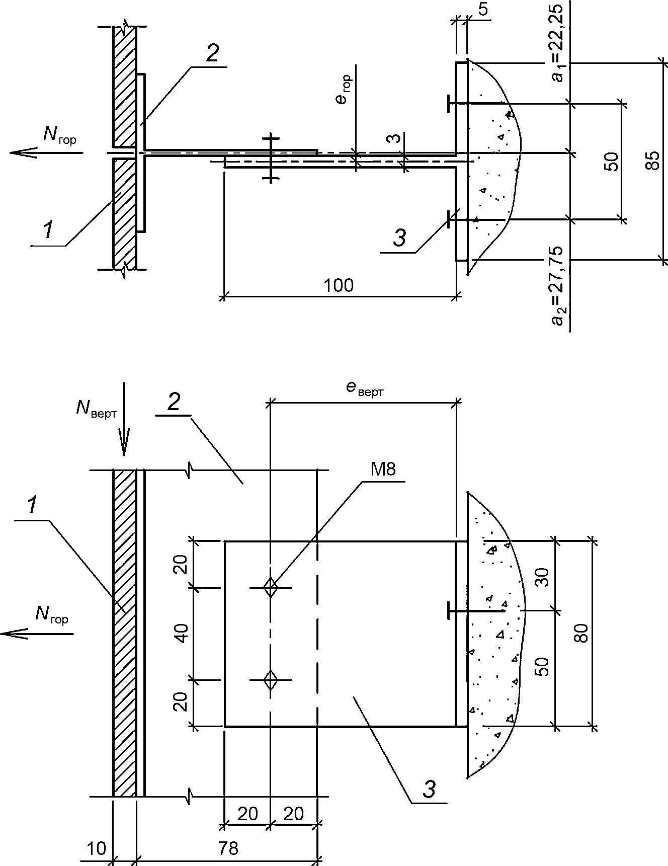
10.6 Обязателен расчет наиболее ослабленного сечения пяты на отгиб от вертикальной и горизонтальной нагрузок при действии отрицательного ветрового давления с учетом требований
10.4. При наличии под головками анкеров шайб, предназначенных для повышения несущей способности пяты кронштейна, усилия в проверяемом ослабленном сечении допускается условно определять по краю шайбы. При этом толщина шайбы должна составлять не менее 40% от минимальной толщины пяты кронштейна, но не менее 3 мм, а ее диаметр - не менее 3
d и не менее 30 мм (где
d - диаметр крепежного элемента). Возможно использование квадратных и прямоугольных шайб (см.
рисунок 9).
a - a - расчетное сечение; eрасч - эксцентриситет
горизонтальной нагрузки, принимаемый в расчете
при использовании усиливающих шайб
Рисунок 9 - Определение эксцентриситета горизонтальной
нагрузки при использовании усиливающих шайб
Возможно определение прочности пяты на отгиб путем испытаний в сертифицированной лаборатории или путем введения в расчет коэффициентов, полученных по результатам таких испытаний.
Методика определения усилий в пяте кронштейна приведена в
приложении Г.
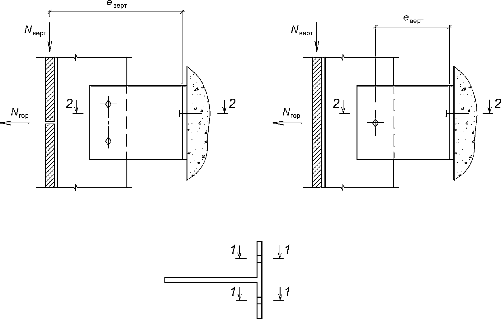
10.7 При определении напряжений в пяте кронштейна от вертикальной нагрузки в сечение следует включать участок стенки (консоли) следующей ширины
b (см.
рисунок 10), где
t - толщина стенки:
а) для алюминиевых прессованных кронштейнов:
- для тавровых кронштейнов и П-образных, имеющих соединительные ребра между стенками, либо при креплении к ним направляющей способом, указанным на
рисунке 8 д, -

;
- для П-образных кронштейнов, не имеющих соединительных ребер между стенками, при отсутствии объединяющего консоли элемента -

;
б) для стальных П-образных кронштейнов, состоящих из гнутых элементов, объединенных соединительными ребрами между стенками (консолями), - участок шириной

;
в) для всех Г-образных (уголковых) кронштейнов - участок до окончания выкружки или усилительного элемента угловой части кронштейна, но не более

.
b - участок стенки, включаемый в сечение пяты кронштейна
при расчете ее на отгиб от вертикальной нагрузки;
r - внутренний радиус закругления
Рисунок 10 - Включение участка стенки в сечение пяты
кронштейна при расчете на отгиб от вертикальной нагрузки
10.8 Крепление удлинителя к кронштейну одним болтом при отсутствии рифления на соприкасающихся поверхностях сопрягаемых деталей следует рассматривать в расчете как шарнирный узел. В таких случаях крепить направляющую к удлинителю при отсутствии рифления в зоне стыка следует не менее чем двумя крепежными элементами.
Подтверждение расчетом несущей способности системы удлинитель - кронштейн в случае, когда крепления удлинителя к кронштейну и направляющей к удлинителю осуществляется одним крепежным элементом, допускается только при наличии рифления на соприкасающихся поверхностях сопрягаемых деталей. Во всех других случаях подтверждение несущей способности такой системы осуществляют при помощи натурных испытаний в аккредитованной лаборатории.
10.9 Допускается несущую способность кронштейна, пяты кронштейна и системы кронштейн - удлинитель определять только экспериментально, без проведения расчетов, путем испытаний в сертифицированной лаборатории.
11 Проверка несущей способности элементов крепления облицовки
11.1 Подтверждение несущей способности элементов крепления облицовки, как скрытого (планки, аграфы и т.п.), так и открытого (кляммеры), осуществляется, как правило, при помощи испытаний в аккредитованной лаборатории.
11.2 В случае расчетного подтверждения несущей способности кляммеры и планки скрытого крепления проверяют на отгиб от воздействия расчетных значений отрицательного ветрового давления и от собственного веса облицовки.
11.3 Несущую способность узла крепления на аграфах следует проверять как при отрицательном, так и при положительном ветровом давлении.
11.4 Коэффициент условий работы

при расчете кляммеров и планок следует принимать равным:
0,8 - при открытом креплении;
0,7 - при скрытом креплении в паз на кляммерах и креплении на аграфах;
0,9 - при скрытом креплении на планках.
12.1 Расчет болтовых соединений конструкций НФС (кроме соединений на вытяжных заклепках) следует проводить в соответствии с
СП 128.13330, а соединений на вытяжных заклепках - в соответствии с
12.3 -
12.5 настоящего стандарта.
12.2 Расчет болтовых, винтовых и соединений на вытяжных заклепках в стальных конструкциях следует проводить в соответствии с
СП 260.1325800.
12.3 В алюминиевых конструкциях проверку прочности соединений на вытяжных заклепках следует проводить следующим образом.
Проверка прочности на смятие соединяемых элементов - по
СП 128.13330.
Проверку прочности на срез вытяжной заклепки Fs осуществляют по результатам испытаний в аккредитованной лаборатории или с использованием данных стандартов организаций и каталогов производителей, подтвержденных в установленном порядке, по формуле

(34)
где Fsn - нормативное значение разрушающей нагрузки на срез, полученное испытаниями;

- коэффициент безопасности.
При этом должно соблюдаться условие Fs >= Ns, где Ns - расчетная срезающая нагрузка на соединение.
Проверку прочности на растяжение вытяжной заклепки Ft осуществляют по результатам испытаний в аккредитованной лаборатории или с использованием данных стандартов организаций и каталогов производителей, подтвержденных в установленном порядке, по формуле

(35)
где Ftn - нормативное значение разрушающей нагрузки на растяжение, указанное в технической документации производителя или полученное по результатам испытаний в аккредитованной лаборатории;

- коэффициент безопасности.
Проверку прочности на вырыв листа под головкой вытяжной заклепки Fw осуществляют:
- для сочетаний, не включающих ветровые нагрузки, по формуле
- для сочетаний, включающих ветровые нагрузки, по формуле

(36)
где
Ru - расчетное сопротивление стали прикрепляемого листа по пределу прочности для стальных конструкций и
Ru, определенное по указаниям формулы
пункта 6.1 СП 128.13330.2016 для алюминиевых конструкций;

- коэффициент вида крепления, принимаемый по
таблице 10.1 СП 260.1325800.2016;
dw - диаметр головки (шайбы) крепежного элемента;
ti - толщина прикрепляемого листа.
При этом должны соблюдаться условия:
Ft > Nt;
Fw > Nt,
где Nt - расчетная растягивающая нагрузка на соединение.
12.4 При одновременном действии на вытяжную заклепку усилий сдвига и растяжения несущую способность соединения в алюминиевых конструкциях проверяют по условию

(37)
где Ft0 - несущая способность вытяжной заклепки на вырыв, определяемая путем испытаний, проводимых аккредитованной лабораторией;
Fp - несущая способность вытяжной заклепки по смятию основного металла, определенная согласно
СП 128.13330 - для алюминиевых конструкций или
СП 260.1325800 - для стальных конструкций.
12.5 Крепежные изделия должны соответствовать требованиям действующих стандартов, или их пригодность должна быть подтверждена для применения в строительстве в установленном законодательством порядке.
12.6 В случае, когда горизонтальная и вертикальная опорные реакции воспринимаются различными элементами соединения, расчет стыка удлинителя с кронштейном проводят отдельно для горизонтальной и вертикальной нагрузок. При этом максимальные значения передаваемых реакций могут быть приняты из разных расчетных сочетаний.
12.7 Допустимую нагрузку на вырыв для анкеров, крепящих систему к строительному основанию, определяют по результатам опытных натурных испытаний, проводимых аккредитованной лабораторией. Испытания анкеров, в том числе химических, на вырыв из материала строительного основания следует проводить для каждого конкретного объекта.
12.8 Значение максимального усилия вырыва, действующего в анкере, крепящем кронштейн к основанию, следует определять по схемам, приведенным в
приложении Д.
(рекомендуемое)
ОПРЕДЕЛЕНИЕ СЕКТОРИАЛЬНЫХ ХАРАКТЕРИСТИК
СТЕРЖНЯ ТОНКОСТЕННОГО СЕЧЕНИЯ.
ПРИМЕР РАСЧЕТА
А.1 Для заданного сечения необходимо:
- определить положение центра тяжести;
- вычислить главные центральные моменты инерции;
- построить эпюру секториальных координат (полюс помещают в центр тяжести сечения);
- вычислить секториально-линейный статический момент;
- построить эпюру главных секториальных координат (полюс помещают в центр изгиба);
- вычислить секториальный момент инерции;
- вычислить момент инерции при чистом кручении;
- вычислить изгибно-крутильную характеристику.
Характеристики материала:
R = 225 МПа,
E = 2·10
5 МПа,

,

,
b = 6,0 см,
h = 10,0 см,
h1 = 1,5 см (см. рисунок А.1).
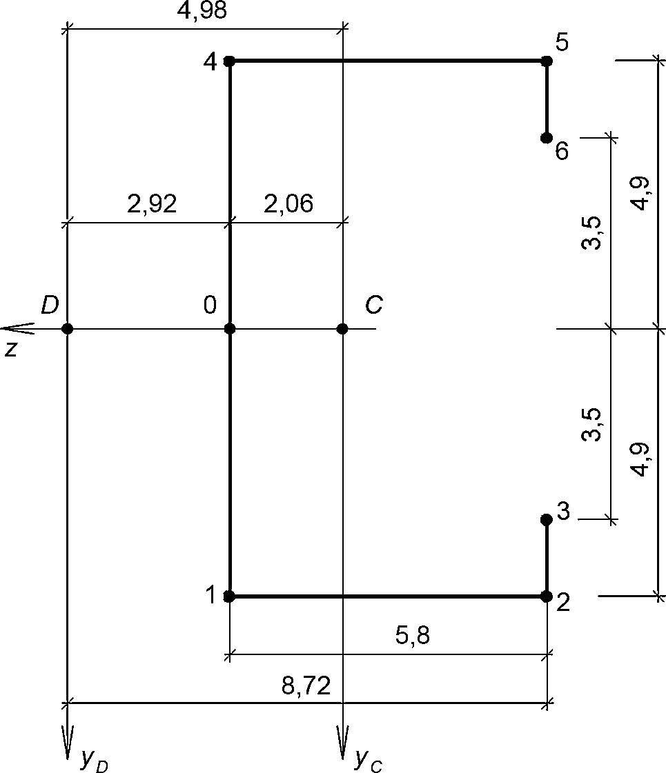
Рисунок А.1 - Схема заданного сечения
А.1.1 Определение положения центра тяжести
Разбивают фигуру на элементарные прямоугольники, определяют площади прямоугольников:

.

.
A = 2A1 + A3 + 2A4 = 2·1,2 + 1,92 + 2·0,26 = 4,84 см2.
Затем определяют положение центра тяжести
C сечения относительно осей
z3 и
y3 (см.
рисунок А.2):
Sz0 = A1·z1 + A2·z2 + A3·z3 + A4·z4 + A5·z5 = 2·1,2·(-2,9) + 2·0,26·(-5,8) = -9,976 см3.

.
yc = 0, т.к.
z3 - ось симметрии.
Рисунок А.2 - Координаты центров тяжести
элементарных прямоугольников
(к определению положения центра тяжести сечения)
А.1.2 Вычисление главных центральных моментов инерции
А.1.3 Вычисление секториальных координат
Заменяют швеллер расчетной схемой, линии которой совпадают с осевыми линиями элементов сечения (пластин) (см. рисунок А.3). Строят эпюры координат
z (см.
рисунок А.4) и
y (см.
рисунок А.5).
Рисунок А.3 - Расчетная схема сечения, см
Рисунок А.4 - Эпюра координат
z, см
Рисунок А.5 - Эпюра координат y, см
Строят эпюру секториальных координатор

(см. рисунок А.6), располагая полюс в центре тяжести сечения
P =
C. 0 - начало отсчета секториальных координат (на пересечении контура и оси симметрии) (см.
рисунок А.7).
Рисунок А.6 - Эпюра секториальных координат

, см
2
Рисунок А.7 - Координаты точек начала
и конца элементарных прямоугольников

(А.1)
где yнач, zнач - координаты точки начала элемента;
yкон, zкон - координаты точки конца элемента.
z; y - координаты точек относительно центра тяжести:
0 (2,06; 0);
1 (2,06; 4,9);
2 (-3,74; 4,9);
3 (-3,74; 3,5);
4 (2,06; -4,9);
5 (-3,74; -4,9);
6 (3,74; -3,5);

.

.

.

.

.

.

.
А.1.4 Определение положения центра изгиба
Вычисляют секториально-линейные статические моменты, умножая эпюру

на соответствующие эпюры координат (по способу Верещагина), по формулам:

(А.2)

(А.3)
Вычисляют координату центра изгиба
az (см.
рисунок А.8):

.
Рисунок А.8 - Положение центра изгиба
А.1.5 Построение эпюры главных секториальных координат 
Полюс помещают в центр изгиба P = D, 0 - начало отсчета секториальных координат (на пересечении контура и оси симметрии). Эпюра показана на рисунке А.9.
Рисунок А.9 - Эпюра главных секториальных координат
Примечание - 0 - главная секториальная нулевая точка - ближайшая к центру изгиба нулевая точка, у сечений с одной осью симметрии расположена на пересечении контура и этой оси.

,
z; y - координаты точек относительно центра изгиба:
0 (-2,92; 0);
1 (-2,92; 4,9);
2 (-8,72; 4,9);
3 (-8,72; 3,5);
4 (-2,92; -4,9);
5 (-8,72; -4,9);
6 (-8,72; -3,5);

.

.

.

.

.

.

.
А.1.6 Вычисление секториального момента инерции 
Перемножают эпюру

на эпюру

(по способу Верещагина и формуле Симпсона).
А.1.7 Вычисление момента инерции при чистом кручении
Момент инерции при чистом кручении It вычисляют по формуле

(А.4)
где

- меньший размер;
h - размер по осям;

- для швеллера; 1,25 - для двутавра; 1,2 - для тавра.

.
А.1.8 Вычисление изгибно-крутильной характеристики
Изгибно-крутильную характеристику k вычисляют по формуле

(А.5)
Предварительно вычисляют модуль сдвига:
Определяют изгибно-крутильную характеристику:
(рекомендуемое)
РАСЧЕТ РАСТЯНУТО-ИЗГИБАЕМОЙ АЛЮМИНИЕВОЙ ВЕРТИКАЛЬНОЙ
НАПРАВЛЯЮЩЕЙ, НЕСУЩЕГО И ОПОРНОГО КРОНШТЕЙНОВ
Б.1 Исходные данные
Расчет проводят для железобетонного здания, прямоугольного в плане, размером 20 x 60 м, высотой 30 м, расположенного в Московской области, в зоне малоэтажной (ниже 10 м) застройки, для верхнего участка НФС, расположенного вне угловой зоны. Направление ветра перпендикулярно к большей стороне здания. Уровень ответственности здания - нормальный. Длина рассчитываемой направляющей составляет 3,6 м с опиранием по трехпролетной схеме, шаг направляющих - 0,606 м. Верхний кронштейн - несущий, остальные - опорные. Направляющая загружена симметрично. Направляющая и кронштейн выполнены из алюминиевого сплава А6060 Т66 по
ГОСТ 22233 и соединены между собой двумя болтами М8, узел соединения - шарнирный.
Облицовка выполнена из керамогранитных плит толщиной 10 мм, размером 600 x 1200 мм, установленных вертикально.
Коэффициент условий работы

.
Б.2 Определение нагрузки от собственного веса
Нормативные нагрузки от собственного веса элементов НФС определяют по технической документации производителей.
Определяют расчетные нагрузки:
- от веса керамогранита (объемный вес 2500 кг/м3, толщина плиты - 10 мм):

;
- от веса направляющей (вес профиля - 0,7 кгс/м):

.
Суммарная равномерно распределенная постоянная нагрузка qсв составит:

.
Б.3 Определение ветровой нагрузки
Б.3.1 Для объектов, не являющихся зданиями повышенного уровня ответственности (см.
7.8 настоящего стандарта), расчет элементов НФС проводят на пиковые ветровые нагрузки.
Б.3.2 Определяют эквивалентную высоту здания по
пункту 11.1.5 СП 20.13330.2016:

.
Для
ze = 30 м определяют линейной интерполяцией коэффициент
k по
таблице 11.2 СП 20.13330.2016 (для типа местности А согласно
пункту 11.1.6 СП 20.13330.2016),
k = 1,375.
Б.3.3 Нормативные значения пиковой ветровой нагрузки определяют по
формуле (11.10) СП 20.13330

.
Площадь сбора ветровой нагрузки для рассматриваемой направляющей составляет 0,606·3,6 = 2,18 м2. Для каждого из кронштейнов эта площадь составит 0,606·1,2 = 0,73 м2.
Согласно
таблице 11.8 СП 20.13330.2016 коэффициент
v составит:
- для направляющей: v+ = 0,98, v- = 0,99;
- для кронштейна: v+ = 1, v- = 1.
Пиковые значения аэродинамических коэффициентов
cp,+(-) определяют по
пункту В.1.17 приложения В СП 20.13330.2016. Для зоны В по
рисунку В.24,
cp+ = 1,2 и
cp- = -1,2.
Б.3.4 Нормативные значения пиковой ветровой нагрузки составят:
- для направляющей:
w+ = 0,23·1,375·(1 + 0,65)·1,2·0,98 = 62,6 кгс/м2 (0,614 кПа);
w- = 0,23·1,375·(1 + 0,65)·(-1,2)·0,99 = -63,2 кгс/м2 (-0,620 кПа);
- для кронштейна:
w+ = 0,23·1,375·(1 + 0,65)·1,2·1 = 64,2 кгс/м2 (0,620 кПа);
w- = 0,23·1,375·(1 + 0,65)·(-1,2)·1 = -64,2 кгс/м2 (-0,620 кПа).
| | ИС МЕГАНОРМ: примечание. В официальном тексте документа, видимо, допущена опечатка: пункт 11.1.12 в СП 20.13330.2016 отсутствует. Возможно, имеется в виду пункт 10.12 СП 20.13330.2016. | |
Б.3.5 Определяют расчетную ветровую нагрузку для элементов навесного фасада с учетом коэффициента надежности по нагрузке

по
пункту 11.1.12 СП 20.13330.2016 и коэффициента надежности по назначению

(устанавливается в задании на проектирование):
- для направляющей:
w+ = 62,6·1,4 = 87,6 кгс/м2 (0,859 кПа);
w- = -63,2·1,4 = -88,5 кгс/м2 (-0,868 кПа);
- для кронштейна:
w+ = 64,2·1,4 = 89,9 кгс/м2 (0,882 кПа);
w- = - 64,2·1,4 = -89,9 кгс/м2 (-0,882 кПа).
В запас принимают ветровую нагрузку на направляющую и кронштейн, равную +/- 89,9 кгс/м2 (+/- 0,882 кПа).
Б.4 Определение гололедной нагрузки
Значение гололедной нагрузки
i' при отсутствии фактических данных для места строительства вычисляют по
формуле (12.2) пункта 12.2 СП 20.13330.2016.

,

= 0,9 г/см
3 плотность льда;
i' = 0,005·1,4·0,6·900·9,81 = 37,8 Н/м2 = 3,8 кгс/м2.
Расчетное значение гололедной нагрузки qгол вычисляют по формуле

,
Б.5 Определение усилий в направляющей
Рассматривают четыре сочетания нагрузок, первое из которых включает нагрузки от собственного веса, веса гололеда, а также пиковую ветровую нагрузку с положительным значением, сниженную по требованиям
СП 20.13330:
а) Первое сочетание
qверт = qсв + qгол = 28,7 + 6,8 = 35,5 кгс/м2 (0,348 кПа);
погонная нагрузка на направляющую: 35,5·0,606 = 21,5 кгс/м (0,211 кН/м);
qгор = 0,6·w = 0,6·89,9 = 53,9 кгс/м2 (0,528 кПа);
погонная нагрузка на направляющую: 53,9·0,606 = 32,7 кгс/м (0,321 кН/м).
Момент в направляющей от горизонтальной нагрузки.
Наиболее нагруженным является сечение на опоре во втором узле сверху, так как здесь действует максимальный момент M в сочетании с продольной силой N и поперечной силой Q.

.
Соответствующее растягивающее усилие на опоре от собственного веса направляющей и облицовки имеет значение:
N = 21,5 кгс/м·2,4 м = 51,6 кгс (0,506 кН).
Соответствующая поперечная сила на опоре от ветрового напора имеет значение:
Q = 0,500·q·l = 0,500·32,7 кгс/м·1,2 м = 19,6 кгс (0,192 кН).
б) Второе сочетание
Второе сочетание включает нагрузки от собственного веса, веса гололеда и пиковую ветровую нагрузку с отрицательным значением, сниженную по указаниям
СП 20.13330.
qверт = qсв + qгол = 28,7 + 6,8 = 35,5 кгс/м2 (0,348 кПа);
погонная нагрузка на направляющую: 35,5·0,606 = 21,5 кгс/м (0,211 кН/м);
qгор = 0,6·w = 0,6·(-89,9) = -53,9 кгс/м2 (-0,529 кПа);
погонная нагрузка на направляющую: -53,9·0,606 = -32,7 кгс/м (-0,321 кН/м).
Момент в направляющей от горизонтальной нагрузки.
Наиболее нагруженным является сечение на опоре во втором узле сверху, так как здесь действует максимальный момент M в сочетании с продольной силой N и поперечной силой Q.

.
Соответствующее растягивающее усилие на опоре от собственного веса направляющей и облицовки имеет значение:
N = 21,5 кгс/м·2,4 м = 51,6 кгс (0,506 кН).
Соответствующая поперечная сила на опоре от ветрового напора имеет значение:
Q = 0,500·q·l = 0,500·(-32,7 кгс/м)·1,2 м = -19,6 кгс (-0,192 кН).
в) Третье сочетание
Третье сочетание включает нагрузки от собственного веса и полную величину пиковой ветровой нагрузки с положительным значением.
qверт = qсв = 28,7 кгс/м2 (0,281 кПа);
погонная нагрузка на направляющую: 28,7·0,606 = 17,4 кгс/м (0,171 кН/м);
qгор = w = +89,9 кгс/м2 (0,882 кПа);
погонная нагрузка на направляющую: 89,9·0,606 = 54,5 кгс/м (0,534 кН/м).
Момент в направляющей от горизонтальной нагрузки.
Наиболее нагруженным является сечение на опоре во втором узле сверху, так как здесь действует максимальный момент M в сочетании с продольной силой N и поперечной силой Q.

.
Соответствующее растягивающее усилие на опоре от собственного веса направляющей и облицовки имеет значение:
N = 17,4 кгс/м·2,4 м = 41,8 кгс (0,410 кН).
Соответствующая поперечная сила на опоре от ветрового напора имеет значение:
Q = 0,500·q·l = 0,500·54,5 кгс/м·1,2 м = 32,7 кгс (0,321 кН).
г) Четвертое сочетание
Четвертое сочетание включает нагрузки от собственного веса и полную величину пиковой ветровой нагрузки с отрицательным значением:
qверт = qсв = 28,7 кгс/м2 (0,281 кПа);
погонная нагрузка на направляющую: 28,7·0,606 = 17,4 кгс/м (0,171 кН/м);
gгор = w = -89,9 кгс/м2 (-0,882 кПа);
погонная нагрузка на направляющую: -89,9·0,606 = -54,5 кгс/м (-0,534 кН/м).
Момент в направляющей от горизонтальной нагрузки.
Наиболее нагруженным является сечение на опоре во втором узле сверху, так как здесь действует максимальный момент M в сочетании с продольной силой N и поперечной силой Q.
Соответствующее растягивающее усилие на опоре от собственного веса направляющей и облицовки имеет значение:
N = 17,4 кгс/м·2,4 м = 41,8 кгс (0,410 кН).
Соответствующая поперечная сила на опоре от ветрового напора имеет значение:
Q = 0,500·q·l = 0,500·(-54,5 кгс/м)·1,2 м = -32,7 кгс (-0,321 кН).
Б.6 Расчет направляющей
Б.6.1 Определяют расчетное сопротивление сплава А6060 Т66. В соответствии с
таблицей 9 ГОСТ 22233-2018 для элементов с толщиной до 3 мм включительно:
Ry = 160/1,1 = 145,5 МПа = 1484 кгс/см2;
Ru = 215/1,1·1,45 = 134,8 МПа = 1374,6 кгс/см2,
Rs = 0,6R = 0,6·1370 = 822 кгс/см2 (80,6 МПа),
принимают Rs = 820 кгс/см2 (80,4 МПа).
Б.6.2 Сечение направляющей и его характеристики
В расчете принято тавровое, условно-упрощенное сечение.
A = 2,50 см2; Ix = 14,924 см4; Iy = 5,247 см4;
ix = 2,44 см; iy = 1,45 см;
Wx,max = 7,95 см3; Wx,min = 2,52 см3; Wy,max = Wy,min = 1,54 см3.
Рисунок Б.1 - Расчетное сечение направляющей
а) Первое сочетание на опоре:
M = -4,7 кгс·м (-0,046 кН·м);
N = 51,6 кгс (0,506 кН);
Q = 19,6 кгс (0,192 кН).
Проверка прочности сечения направляющей
Нормальное напряжение в полке тавра:

;

.
Нормальное напряжение в стенке тавра:

;

.
Максимальное касательное напряжение в стенке тавра наблюдается на уровне центра тяжести сечения:

;

;

,
здесь S - статический момент отсеченной части сечения:
S = 5,92·0,15·2,96 = 2,628 см3.
Прочность сечения направляющей обеспечена.
б) Второе сочетание на опоре:
M = 4,7 кгс·м (0,046 кН·м);
N = 51,6 кгс (0,506 кН);
Q = 19,6 кгс (0,192 кН).
Нормальное напряжение в полке тавра:

;

.
Нормальное напряжение в стенке тавра:

;

.
Максимальное касательное напряжение в стенке тавра наблюдается на уровне центра тяжести сечения:

;

.
Прочность сечения направляющей обеспечена.
в) Третье сочетание на опоре:
M = -7,8 кгс·м (-0,076 кН·м);
N = 41,8 кгс (0,410 кН);
Q = 32,7 кгс (0,321 кН).
Нормальное напряжение в полке тавра:

;

.
Нормальное напряжение в стенке тавра:

;

.
Максимальное касательное напряжение в стенке тавра наблюдается на уровне центра тяжести сечения:

;

.
Прочность сечения направляющей обеспечена.
г) Четвертое сочетание на опоре:
M = 7,8 кгс·м (0,076 кН·м);
N = 41,8 кгс (0,410 кН);
Q = 32,7 кгс (0,321 кН).
Нормальное напряжение в полке тавра:

;

.
Нормальное напряжение в стенке тавра:

;

.
Максимальное касательное напряжение в стенке тавра наблюдается на уровне центра тяжести сечения:

;

.
Прочность сечения направляющей обеспечена.
Б.7 Проверка местной и общей устойчивости направляющей
Как видно из проведенных вычислений, и полка, и стенка направляющей могут оказаться в сжатой зоне и требуют проверки местной устойчивости.
Профиль направляющей в целом является растянуто-изгибаемым и проверки общей устойчивости не требует.
Проверка местной устойчивости стенки
Устойчивость стенки обеспечена.
Проверка местной устойчивости полки
За расчетную длину направляющей принято расстояние, равное высоте плиты керамогранита.

, где
bef = (68 - 1,5)/2 - 2 = 31,25 мм, с учетом радиуса закругления 2 мм.
Учет недонапряжения полки:

, принимаем

;
Устойчивость полки обеспечена.
Б.8 Проверка прочности несущего кронштейна
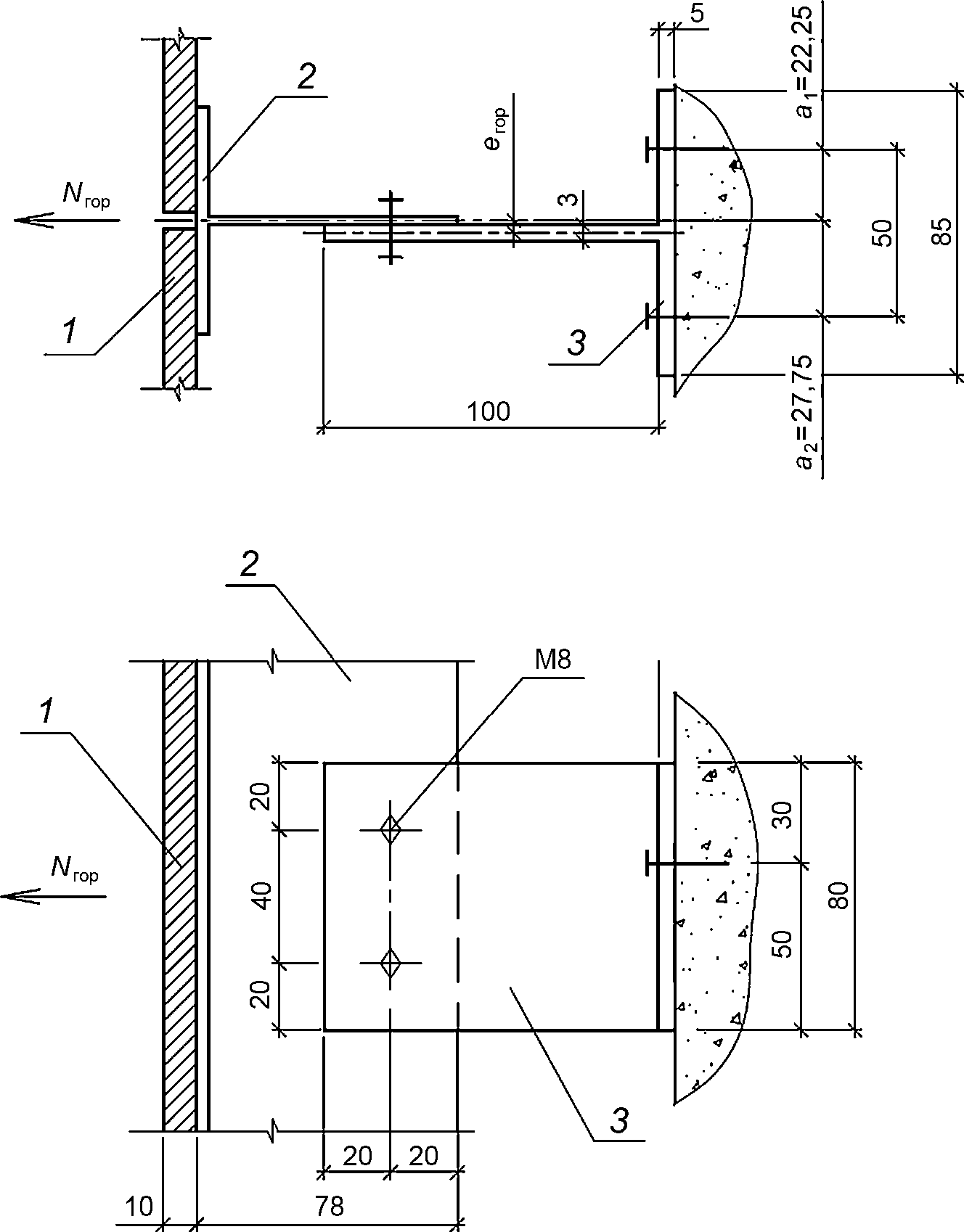
Б.8.1 Рассматривают верхний (несущий) кронштейн, так как он воспринимает горизонтальную и вертикальную составляющие нагрузки и является наиболее нагруженным. Определяют усилия в консольной части кронштейна.
Силы, передаваемые на кронштейн при первом сочетании нагрузок (см.
рисунок Б.2):
- вертикальная сила от собственного веса направляющей, веса гололеда и облицовки:
Nверт = 21,5 кгс/м·3,6 м = 77,4 кгс (0,759 кН);
- горизонтальная сила от ветрового напора:
Nгор = -32,7 кгс/м·1,2 м = -39,2 кгс (-0,384 кН).
1 - облицовка; 2 - направляющая; 3 - кронштейн
Рисунок Б.2 - Схема крепления направляющей
к основанию через несущий кронштейн
Сочетание, включающее отрицательное ветровое давление (отсос), в данном случае не является расчетным для стенки кронштейна, так как величины напора и отсоса равны и решающей становится проверка устойчивости на сжатие от ветрового напора.
Эксцентриситет приложения вертикальной нагрузки eверт = 80 мм, горизонтальной eгор = 2,25 мм.
а) В наиболее нагруженном сечении несущего кронштейна, которым является сечение стенки на границе с полкой, действуют следующие усилия:
Mверт = Nверт·eверт = 77,4 кгс·8,0 см = 619,2 кгс·см (6,072 кН·см);
Mгор = Nгор·eгор = -39,2 кгс·0,225 см = -8,8 кгс·см (-0,086 кН·см);
Q = Nверт = 77,4 кгс (0,759 кН·см);
N = Nгор = -39,2 кгс (-0,384 кН·см).
Поскольку консольная часть кронштейна имеет симметричное сплошное сечение, проверка на действие бимомента B не является необходимой.
Характеристики рассматриваемого сечения кронштейна:
A = 0,3·8 = 2,4 см2;
Wx = Wmax = 0,3·82/6 = 3,2 см3; Ix = 0,3·83/12 = 12,8 см4;
Wy = Wmin = 8·0,32/6 = 0,12 см3; Iy = 8·0,33/12 = 0,018 см4;
S = 4·0,3·2 = 2,4 см3 - статический момент полусечения.

;

;

.
Проверка сечения на совместное действие нормальных и касательных напряжений
[формула (14)] при

:

.

.
Прочность несущего кронштейна обеспечена.
б) В наиболее ослабленном сечении несущего кронштейна, которым является сечение стенки в месте отверстий для крепежных элементов, действуют следующие усилия:
Mверт = 0;
Mгор = Nгор·eгор = -39,2 кгс·0,225 см = -8,8 кгс·см (-0,086 кН·см);
Q = Nверт = 77,4 кгс (0,759 кН);
N = Nгор = -39,2 кгс (-0,384 кН).
Поскольку консольная часть кронштейна имеет симметричное сплошное сечение, проверка на действие бимомента B не является необходимой.
Сечение ослаблено двумя отверстиями диаметром 5 мм.
Характеристики рассматриваемого сечения кронштейна:
A = 0,3·8 - 2·0,3·0,5 = 2,1 см2;
Ix = 11,2 см4; Wx = Wmax = 2,8 см3;
Iy = 0,015 см4; Wy = Wmin = 0,105 см3;
S = 1,98 см3 - статический момент полусечения.

;

;

.
Проверка ослабленного сечения на совместное действие нормальных и касательных напряжений
[формула (14)] при

:

;

.
Прочность несущего кронштейна в месте ослабления обеспечена.
Б.8.2 Рассматривают верхний (несущий) кронштейн при действии третьего сочетания нагрузок. Расчетное сочетание включает собственный вес подконструкции и облицовки и полную ветровую нагрузку.
- на опоре:
- вертикальная сила от собственного веса направляющей и облицовки:
Nверт = 17,4 кгс/м·3,6 м = 62,6 кгс (0,614 кН);
- горизонтальная сила от ветрового напора:
Nгор = -54,5 кгс/м·1,2 м = -65,4 кгс (-0,641 кН).
Эксцентриситет приложения вертикальной нагрузки eверт = 80 мм, горизонтальной eгор = 2,25 мм.
В наиболее нагруженном сечении несущего кронштейна, которым является сечение стенки на границе с полкой, действуют следующие усилия:
Mверт = 0;
Mгор = Nгор·eгор = -65,4 кгс·0,225 см = -14,7 кгс·см (-0,144 кН·см);
Q = Nверт = 62,6 кгс (0,614 кН);
N = Nгор = -65,4 кгс (-0,641 кН).
Поскольку консольная часть кронштейна имеет симметричное сплошное сечение, проверка на действие бимомента B не является необходимой.
Характеристики рассматриваемого сечения кронштейна при отсутствии ослаблений получены выше:
A = 2,4 см2; Wx = Wmax = 3,2 см3; Ix = 12,8 см4; Wy = Wmin = 0,12 см3;
Iy = 0,018 см4; S = 2,4 см3;

.
Проверка сечения на совместное действие нормальных и касательных напряжений
[формула (14)] при

:

;

.
Прочность несущего кронштейна обеспечена.
В наиболее ослабленном сечении несущего кронштейна, которым является сечение стенки в месте отверстий для крепежных элементов, действуют следующие усилия:
Mверт = 0;
Mгор = Nгор·eгор = -65,4 кгс·0,225 см = -14,7 кгс·см (-0,144 кН·см);
Q = Nверт = 62,6 кгс (0,614 кН);
N = Nгор = -65,4 кгс (-0,641 кН).
Поскольку консольная часть кронштейна имеет симметричное сплошное сечение, проверка на действие бимомента B не является необходимой.
Сечение ослаблено двумя отверстиями диаметром 5 мм.
Характеристики рассматриваемого ослабленного сечения кронштейна, полученные выше:
A = 2,1 см2; Ix = 11,2 см4; Wx = Wmax = 2,8 см3;
Iy = 0,015 см4; Wy = Wmin = 0,105 см3;
S = 1,98 см3.

;

;

.
Проверка сечения на совместное действие нормальных и касательных напряжений
[формула (14)] при

:

;

.
Прочность несущего кронштейна в месте ослабления обеспечена.
Б.9 Проверка устойчивости консольной части несущего кронштейна
Проверка устойчивости для третьего сочетания.
Проверяют устойчивость консоли несущего кронштейна из плоскости стенки по рекомендациям
пункта 7.4.7 СП 128.13330.2016 как элемента, подверженного сжатию с изгибом в двух плоскостях:
Так как сечение симметрично относительно двух осей, принимают тип сечения 1 по
таблице 17 СП 128.13330.2016. Вычисляют относительный и эффективный эксцентриситеты по рекомендациям
пункта 7.4.2 СП 128.13330.2016.
mx = exA/Wcx = 8,0·2,4/3,2 = 6,0, где ex = eверт = 8,0 см;
my = eyA/Wcy = 0,225·2,4/0,12 = 4,5, где ey = eгор = 0,225 см;

;
l = 7,7 см,

для стержня с одним жестко заделанным и другим шарнирно закрепленным концами.
Радиус инерции сечения

.

;

(принято по
таблице Г.2 СП 128.13330.2016 по данным для сплава АД31Т1, как наиболее близкого по механическим свойствам).

.
По
таблице 17 СП 128.13330.2016 находим, что

и
mx > 5;

;

;

.

.
Дополнительная проверка по
формуле (28) СП 128.13330 не требуется, так как

более, чем

.
Устойчивость консоли несущего кронштейна обеспечена.
Проводить проверку устойчивости для первого сочетания не требуется, так как сжимающее усилие Nгор здесь менее, чем в третьем сочетании, а прочие параметры расчета не меняются.
Б.10 Проверка прочности пяты несущего кронштейна
Сечение кронштейна и действующие на него нагрузки показаны на
рисунке Б.3.
1 - облицовка; 2 - направляющая; 3 - кронштейн
Рисунок Б.3 - Схема крепления направляющей к основанию
через несущий кронштейн при расчете пяты на отгиб
Пята кронштейна имеет толщину 5 мм. Определяют расчетное сопротивление сплава А6060 Т66 с использованием данных
таблицы 9 ГОСТ 22233-2018 для элементов толщиной от 3 до 25 мм:
Ry = 150/1,1 = 136,4 МПа = 1391 кгс/см2.
Ru = 195/1,1·1,45 = 122,2 МПа = 1246 кгс/см
2, принимают
R = 1250 кгс/см
2 (122,6 МПа) в соответствии с
СП 128.13330.
Rs = 0,6R = 0,6·1250 = 750 кгс/см2 (73,5 МПа), принимают Rs = 750 кгс/см2.
Момент в сечении пяты кронштейна, ослабленном отверстиями для анкеров от горизонтальной нагрузки для сочетания 1:

.
Момент сопротивления пяты кронштейна при воздействии горизонтальных нагрузок с учетом ослабления отверстиями диаметром 10 мм:
Wy = 7·0,52/6 = 0,292 см3.
Напряжение в ослабленном сечении пяты от воздействия ветрового отсоса:
Момент в сечении пяты кронштейна, ослабленном отверстиями для анкеров, от вертикальной нагрузки:
Mx = Nверт·eверт = 77,4 кгс·8,0 см = 619,2 кг·см (6,072 кН·см).
Включаемое в расчет пяты кронштейна сечение показано на
рисунке Б.4. Определяют момент сопротивления пяты кронштейна при воздействии вертикальных нагрузок с учетом ослабления отверстиями диаметром 10 мм, включая участок стенки (консоли).
Ширина включаемого в работу участка стенки:
Рисунок Б.4 - Сечение, включаемое в расчет пяты кронштейна
Характеристики расчетного сечения пяты:
A = 4,279 см2;
Ix = 3,916 см4;
Wx = 4,45 см3;
S = 2,07 см3.
Напряжение в ослабленном сечении пяты от воздействия вертикальных нагрузок:

.
Проверяют сечение на совместное действие нормальных и касательных напряжений
[формула (14)]:

;

.
Прочность пяты несущего кронштейна обеспечена.
Момент в сечении пяты кронштейна, ослабленном отверстиями для анкеров от горизонтальной нагрузки для третьего сочетания:

.
Момент сопротивления пяты кронштейна при воздействии горизонтальных нагрузок с учетом ослабления отверстиями диаметром 10 мм:
Wy = 7·0,52/6 = 0,292 см3.
Напряжение в ослабленном сечении пяты от воздействия ветрового отсоса:

.
Момент в сечении пяты кронштейна, ослабленном отверстиями для анкеров, от вертикальной нагрузки:
Mx = Nверт·eверт = 62,6 кгс·8,0 см = 500,8 кг·см (4,911 кН·см).
Ширина включаемого в работу участка стенки:
b = 3,43 см (определено выше).
Характеристики расчетного сечения пяты:
A = 4,279 см2; Ix = 3,916 см4; Wx = 4,45 см3; S = 2,07 см3.
Напряжение в ослабленном сечении пяты от воздействия вертикальных нагрузок:

.
Проверка сечения на совместное действие нормальных и касательных напряжений
[формула (14)]:
Прочность пяты несущего кронштейна обеспечена.
Б.11 Проверка прочности опорного кронштейна
Рассматривают опорный кронштейн, так как он воспринимает максимальную горизонтальную составляющую нагрузки.
Усилия, передаваемые на кронштейн при третьем сочетании нагрузок (см.
рисунок Б.5):
- горизонтальная сила от ветрового напора:
Nгор = -54,5 кгс/м·1,2 м = -65,4 кгс (-0,641 кН).
1 - облицовка; 2 - направляющая; 3 - кронштейн
Рисунок Б.5 - Схема крепления направляющей
к основанию через опорный кронштейн
Сочетание, включающее отрицательное ветровое давление (отсос), в данном случае не является расчетным для кронштейна, т.к. величины напора и отсоса равны и решающей становится проверка устойчивости на сжатие от ветрового напора.
Mверт = 0;
Mгор = Nгор·eгор = -65,4 кгс·0,225 см = -14,7 кгс·см (-0,144 кН·см);
Q = Nверт = 0;
N = Nгор = -65,4 кгс (-0,641 кН·см).
Поскольку консольная часть опорного кронштейна имеет симметричное сплошное сечение, проверка на действие бимомента B не является необходимой.
Характеристики рассматриваемого сечения кронштейна:
A = 0,3·8 = 2,4 см2;
Wx = Wmax = 0,3·82/6 = 3,2 см3; Ix = 0,3·83/12 = 12,8 см4;
Wy = Wmin = 8·0,32/6 = 0,12 см3; Iy = 8·0,33/12 = 0,018 см4;
S = 4·0,3·2 = 2,4 см3 - статический момент полусечения.

;

;

.
Прочность опорного кронштейна обеспечена.
В наиболее ослабленном сечении кронштейна, которым является сечение стенки в месте отверстий для крепежных элементов, действуют следующие усилия:
Mверт = 0;
Mгор = Nгор·eгор = -65,4 кгс·0,225 см = -14,7 кгс·см (-0,144 кН·см);
Q = Nверт = 0;
N = Nгор = -65,4 кгс (-0,641 кН·см).
Поскольку консольная часть кронштейна имеет симметричное сплошное сечение, проверка на действие бимомента B не является необходимой.
Сечение ослаблено двумя отверстиями диаметром 5 мм.
Характеристики рассматриваемого сечения кронштейна:
A = 0,3·8 - 2·0,3·0,5 = 2,1 см2;
Ix = 11,2 см4; Wx = Wmax = 2,8 см3;
Iy = 0,015 см4; Wy = Wmin = 0,105 см3;
S = 1,98 см3 - статический момент полусечения.

;

;

.
Прочность опорного кронштейна в месте ослабления обеспечена.
Б.12 Проверка устойчивости консольной части опорного кронштейна
Проверяют устойчивость консоли опорного кронштейна из плоскости стенки по рекомендациям
пункта 7.4.2 СП 128.13330.2016 как элемента, подверженного сжатию с изгибом в одной плоскости:

.
Коэффициент устойчивости при сжатии с изгибом определяют по
таблице Е.1 СП 128.13330.2016 в зависимости от условной гибкости

и приведенного относительного эксцентриситета
mef.

;
m = eA/Wc = 0,225·2,4/0,12 = 4,5.
l = 7,7 см,

для стержня с одним жестко заделанным и другим шарнирно закрепленным концами.
Радиус инерции сечения

.

;

(принято по
таблице Г.2 СП 128.13330.2016 по данным для сплава АД31Т1, как наиболее близкого по механическим свойствам).

.
По
таблице Е.3 СП 128.13330.2016 для сечения типа 1

,

.

.
Устойчивость консоли опорного кронштейна обеспечена.
Б.13 Проверка прочности пяты опорного кронштейна
Схема загружения кронштейна приведена на
рисунке Б.6. Момент в сечении пяты кронштейна, ослабленном отверстиями для анкеров, от горизонтальной нагрузки:

.
1 - облицовка; 2 - направляющая; 3 - кронштейн
Рисунок Б.6 - Схема крепления направляющей к основанию
через опорный кронштейн при расчете пяты на отгиб
Момент сопротивления пяты кронштейна на воздействие горизонтальных нагрузок с учетом ослабления отверстиями диаметром 10 мм:
Wy = 7·0,52/6 = 0,292 см3.
Напряжение в ослабленном сечении пяты от воздействия горизонтальных нагрузок:
Прочность пяты опорного кронштейна в ослабленном сечении обеспечена.
(рекомендуемое)
ДАННЫЕ ДЛЯ ОПРЕДЕЛЕНИЯ ВЕЛИЧИНЫ БИМОМЕНТА
В ШАРНИРНО ОПЕРТОЙ ОДНОПРОЛЕТНОЙ БАЛКЕ И КОНСОЛЬНОЙ БАЛКЕ
В.1 Величину бимомента
B в точке
x от эксцентричной равномерно распределенной нагрузки в шарнирно опертой однопролетной балке (см.
рисунок В.1) вычисляют по формуле

(В.1)
где e - эксцентриситет приложения нагрузки относительно центра изгиба сечения, определенного в соответствии с приложением А;
ch(x) - гиперболический косинус, ch(x) = (ex + e-x)/2;
k - изгибно-крутильная характеристика, вычисляемая по
формуле (А.5).
Рисунок В.1 - Балка, загруженная эксцентричной
равномерно распределенной нагрузкой
Значения бимоментов в шарнирно опертой однопролетной балке от различных видов нагрузок допускается вычислять по формулам, представленным на
рисунке В.2, определяя коэффициент

по приведенному графику.
Рисунок В.2 - График для определения
расчетных изгибно-крутящих бимоментов
в однопролетной шарнирно опертой балке
Бимомент
B в точке
z от крутящего момента, приложенного на конце консоли согласно схеме на
рисунке В.3, вычисляют по формуле

(В.2)
где sh(x) - гиперболический синус, sh(x) = (ex + e-x)/2.
Рисунок В.3 - Схема приложения нагрузки при определении
расчетных изгибно-крутящих бимоментов в консольной балке
Требования по вычислению бимоментов в балках для условий загружения, отличных от приведенных, приведены в
[3].
(рекомендуемое)
ОПРЕДЕЛЕНИЕ МОМЕНТОВ ОТ ГОРИЗОНТАЛЬНОЙ И ВЕРТИКАЛЬНОЙ
НАГРУЗОК ПРИ РАСЧЕТЕ ПЯТЫ КРОНШТЕЙНА НА ОТГИБ
При расчете пяты кронштейна на отгиб напряжения от горизонтальной нагрузки определяют в сечении
1 -
1, а от вертикальной - в сечении
2 -
2 (см.
рисунок Г.2).
Момент в ослабленном сечении от горизонтальной нагрузки определяют по схемам на рисунке Г.1, а от вертикальной - по схемам на
рисунке Г.2.
Рисунок Г.1 - Определение моментов от горизонтальной
нагрузки при расчете пяты кронштейна на отгиб
1 - определение моментов при наличии рифления в узле
крепления направляющей; 2 - определение моментов
при отсутствии рифления в узле крепления направляющей
Рисунок Г.2 - Определение моментов от вертикальной
нагрузки при расчете пяты кронштейна на отгиб
(рекомендуемое)
ОПРЕДЕЛЕНИЕ ВЕЛИЧИНЫ УСИЛИЯ ВЫРЫВА,
ДЕЙСТВУЮЩЕГО В АНКЕРЕ, КРЕПЯЩЕМ КРОНШТЕЙН К ОСНОВАНИЮ
а - несимметричный кронштейн, прикрепленный к основанию
одним анкером; б - то же, прикрепленный двумя анкерами;
в - симметричный кронштейн, прикрепленный к основанию двумя
анкерами; г - то же, прикрепленный четырьмя анкерами
Рисунок Д.1 - Основные типы крепления
кронштейнов к основанию
Расчетное усилие вырыва, действующее в анкере

, вычисляют по формуле

(Д.1)
где Na - усилие вырыва в анкере, определенное по формулам настоящего приложения;
k >= 1 - коэффициент запаса, вводимый проектировщиком НФС для конкретного объекта и зависящий от состояния основания.
Усилие вырыва Na для различных случаев крепления и различных типов кронштейнов вычисляют по приведенным ниже формулам:
- при Nгор·e5 > Nверт·e1 (момент от горизонтальных усилий воспринимается анкером и частью пяты кронштейна выше него):
- при Nгор·e5 < Nверт·e1 (момент от горизонтальных усилий воспринимается анкером и частью пяты кронштейна ниже него):
где a1 - большее из расстояний от анкера до линии приложения горизонтальной нагрузки.
| Федеральный закон от 29 декабря 2004 г. N 190-ФЗ "Градостроительный кодекс Российской Федерации" |
| Справочник проектировщика промышленных, жилых и общественных зданий и сооружений расчетно-теоретический / Под редакцией А.А. Уманского. Книга 1. М.: Издательство литературы по строительству, 1972. 599 с. |
| Бычков Д.В. Строительная механика стержневых тонкостенных конструкций. М.: Госстройиздат, 1962. 475 с. |
УДК 624.046:006.354 | | |
Ключевые слова: навесные фасадные системы, правила расчета, алюминиевые сплавы, технические требования, предельные отклонения, методы контроля, правила приемки |