Главная // Актуальные документы // ГОСТ Р (Государственный стандарт)
СПРАВКА
Источник публикации
М.: Стандартинформ, 2020
Примечание к документу
Документ введен в действие с 01.03.2020.
Название документа
"ГОСТ Р 58764-2019. Национальный стандарт Российской Федерации. Контроль неразрушающий. Методы оптические. Эндоскопы технические. Общие требования"
(утв. и введен в действие Приказом Росстандарта от 12.12.2019 N 1395-ст)

"ГОСТ Р 58764-2019. Национальный стандарт Российской Федерации. Контроль неразрушающий. Методы оптические. Эндоскопы технические. Общие требования"
(утв. и введен в действие Приказом Росстандарта от 12.12.2019 N 1395-ст)


Содержание


Утвержден и введен в действие
Приказом Федерального
агентства по техническому
регулированию и метрологии
от 12 декабря 2019 г. N 1395-ст
НАЦИОНАЛЬНЫЙ СТАНДАРТ РОССИЙСКОЙ ФЕДЕРАЦИИ
КОНТРОЛЬ НЕРАЗРУШАЮЩИЙ
МЕТОДЫ ОПТИЧЕСКИЕ. ЭНДОСКОПЫ ТЕХНИЧЕСКИЕ
ОБЩИЕ ТРЕБОВАНИЯ
Non-destructive testing. Optical methods.
Industrial endoscopes. General requirements
ГОСТ Р 58764-2019
ОКС 19.100
Дата введения
1 марта 2020 года
Предисловие
1 РАЗРАБОТАН подкомитетом "Оптический и визуально-измерительный контроль" Технического комитета по стандартизации N 371 "Неразрушающий контроль" при участии АО "НПО Энергомаш имени академика В.П. Глушко", ФГБУН "Научно-технологический центр уникального приборостроения РАН", ФГУП "Центральный аэрогидродинамический институт имени профессора Н.Е. Жуковского", Научно-учебного центра "Контроль и диагностика", АО "Всероссийский научно-исследовательский институт по эксплуатации атомных электростанций", ЗАО "ОМТЕХ", ООО "ОЛИМПАС МОСКВА", ООО "НПП специальной и медицинской техники", ООО "Джии Инфра", ФГУП "ВНИИМС", ООО "ИНДУМОС", ООО "Арсенал НК"
2 ВНЕСЕН Техническим комитетом по стандартизации N 371 "Неразрушающий контроль"
3 УТВЕРЖДЕН И ВВЕДЕН В ДЕЙСТВИЕ Приказом Федерального агентства по техническому регулированию и метрологии от 12 декабря 2019 г. N 1395-ст
4 ВВЕДЕН ВПЕРВЫЕ
Правила применения настоящего стандарта установлены в статье 26 Федерального закона от 29 июня 2015 г. N 162-ФЗ "О стандартизации в Российской Федерации". Информация об изменениях к настоящему стандарту публикуются в ежегодном (по состоянию на 1 января текущего года) информационном указателе "Национальные стандарты". В случае пересмотра (замены) или отмены настоящего стандарта соответствующее уведомление будет опубликовано в ближайшем выпуске ежемесячного информационного указателя "Национальные стандарты". Соответствующая информация, уведомление и тексты размещаются также в информационной системе общего пользования - на официальном сайте Федерального агентства по техническому регулированию и метрологии в сети Интернет (www.gost.ru)
1 Область применения
Настоящий стандарт распространяется на эндоскопы технические, применяемые для решения задач неразрушающего контроля. Стандарт устанавливает общие требования, предъявляемые к эндоскопам, и методы оценки их параметров. Распространяется на эндоскопы технические с функцией измерения только в части общих требований.
2 Нормативные ссылки
В настоящем стандарте использованы нормативные ссылки на следующие стандарты:
ГОСТ 2.601 Единая система конструкторской документации. Эксплуатационные документы
ГОСТ 2.610 Единая система конструкторской документации. Правила выполнения эксплуатационных документов. Издание официальное
ГОСТ 3.1109 Единая система технологической документации. Термины и определения основных понятий
ГОСТ 12.1.007 Система стандартов безопасности труда. Вредные вещества. Классификация и общие требования безопасности
ГОСТ 20.39.108 Комплексная система общих технических требований. Требования по эргономике, обитаемости и технической эстетике. Номенклатура и порядок выбора
ГОСТ 5632 Легированные нержавеющие стали и сплавы коррозионно-стойкие, жаростойкие и жаропрочные. Марки
ГОСТ 7427 Геометрическая оптика. Термины, определения и буквенные обозначения
ГОСТ 14192 Маркировка грузов
ГОСТ 14254 Степени защиты, обеспечиваемые оболочками (код IP)
ГОСТ 15150 Машины, приборы и другие технические изделия. Исполнения для различных климатических районов. Категории, условия эксплуатации, хранения и транспортирования в части воздействия климатических факторов внешней среды
ГОСТ 16504 Система государственных испытаний продукции. Испытания и контроль качества продукции. Основные термины и определения
ГОСТ 21964 Внешние воздействующие факторы. Номенклатура и характеристики
ГОСТ 26828 Изделия машиностроения и приборостроения. Маркировка
ГОСТ Р 12.4.026 Система стандартов безопасности труда. Цвета сигнальные, знаки безопасности и разметка сигнальная. Назначение и правила применения. Общие технические требования и характеристики. Методы испытаний
ГОСТ Р 56542 Контроль неразрушающий. Классификация видов и методов
ГОСТ Р ЕН 13018 Контроль визуальный. Общие положения
Примечание - При пользовании настоящим стандартом целесообразно проверить действие ссылочных стандартов в информационной системе общего пользования - на официальном сайте Федерального агентства по техническому регулированию и метрологии в сети Интернет или по ежегодному информационному указателю "Национальные стандарты", который опубликован по состоянию на 1 января текущего года, и по выпускам ежемесячного информационного указателя "Национальные стандарты" за текущий год. Если заменен ссылочный стандарт, на который дана недатированная ссылка, то рекомендуется использовать действующую версию этого стандарта с учетом всех внесенных в данную версию изменений. Если заменен ссылочный стандарт, на который дана датированная ссылка, то рекомендуется использовать версию этого стандарта с указанным выше годом утверждения (принятия). Если после утверждения настоящего стандарта в ссылочный стандарт, на который дана датированная ссылка, внесено изменение, затрагивающее положение, на которое дана ссылка, то это положение рекомендуется применять без учета данного изменения. Если ссылочный стандарт отменен без замены, то положение, в котором дана ссылка на него, рекомендуется применять в части, не затрагивающей эту ссылку.
3 Термины и определения
ИС МЕГАНОРМ: примечание.
В официальном тексте документа, видимо, допущена опечатка: имеется в виду ГОСТ Р 56542, а не ГОСТ 56542.
В настоящем стандарте применены термины по ГОСТ 56542, ГОСТ Р ЕН 13018, ГОСТ 3.1109, ГОСТ 7427, а также следующие термины с соответствующими определениями:
3.1 технический эндоскоп (эндоскоп): Оптический или оптико-электронный прибор для оптического контроля внутренних полостей технических объектов, использующий рабочую часть для оптической или электронной передачи изображения.
3.2 оптический эндоскоп: Технический эндоскоп, в котором осуществляется оптическое формирование и передача изображения.
3.3 видеоэндоскоп: Технический эндоскоп, в котором осуществляется оптико-электронное формирование и электронная передача изображения с последующим отображением на мониторе.
3.4 рабочая часть (зонд): Конструктивно выделенная и погружаемая в контролируемый объект часть технического эндоскопа, внутри которой формируется и передается изображение контролируемого объекта.
3.5 гибкий эндоскоп: Эндоскоп, рабочая часть которого может свободно или управляемо изгибаться в процессе введения и работы в контролируемом объекте.
3.6 жесткий эндоскоп: Эндоскоп, рабочая часть которого имеет фиксированную форму.
3.7 полужесткий эндоскоп: Эндоскоп, рабочая часть которого может сохранять форму после изгиба.
3.8 дистальная часть: Участок рабочей части, обращенный к контролируемому объекту.
3.9 проксимальная часть: Часть эндоскопа, обращенная к оператору (к корпусу эндоскопа).
3.10 артикуляция: Дистанционное механическое или электронно-механическое управление изгибом дистальной части.
3.11 ближняя граница резко изображаемого пространства: Минимальное расстояние от первой (внешней) оптической поверхности зонда эндоскопа до наблюдаемого предмета, при котором ухудшение качества изображения не превосходит некоторого заранее выбранного критерия.
3.12 дальняя граница резко изображаемого пространства: Максимальное расстояние от первой (внешней) оптической поверхности зонда эндоскопа до наблюдаемого предмета, при котором ухудшение качества изображения не превосходит некоторого заранее выбранного критерия.
3.13 диапазон рабочих расстояний: Диапазон, ограниченный ближней и дальней границами резко изображаемого пространства.
3.14 линейное увеличение видеоэндоскопа: Отношение линейного размера изображения объекта на мониторе видеоэндоскопа к действительному линейному размеру этого объекта.
3.15 угол направления наблюдения: Угол между осью симметрии зонда и оптической осью в пространстве предметов.
3.16 осветительная система (осветительный канал): Совокупность оптических и электронных элементов технического эндоскопа, служащих для освещения контролируемого участка контролируемого объекта.
3.17 информационная система (информационный канал): Совокупность оптических и электронных элементов технического эндоскопа, служащих для формирования и передачи изображения.
3.18 инструментальный канал: Канал, размещенный внутри или снаружи рабочей части эндоскопа, служащий для размещения в нем привода эндоскопического инструмента или подачи технологических жидкостей.
3.19 угловая разрешающая способность: Наименьшее угловое расстояние между серединами двух соседних светлых (темных) штрихов штриховой миры, которые можно различить с помощью эндоскопа.
3.20 дефект: Несоответствие контролируемого объекта технической документации.
3.21 эндоскоп с функцией измерения: Эндоскоп, содержащий аппаратно-программные средства, позволяющие определять геометрические параметры контролируемого объекта и дефектов.
Примечание - Пояснительные иллюстрации к основным терминам приведены в приложении А.
4 Основные положения
4.1 Требования, установленные настоящим стандартом, должны быть приведены в стандартах, технических условиях, нормативной, конструкторской, технологической и проектной документации для конкретных типов эндоскопов.
4.2 Технические эндоскопы классифицируются по следующим признакам:
а) по возможности изгиба рабочей части:
- гибкие,
- жесткие,
- полужесткие;
б) по типу передачи изображения:
- оптические эндоскопы,
- видеоэндоскопы;
в) по способу освещения контролируемого объекта:
- с источником света, расположенным в дистальной части зонда,
- с волоконным осветительным каналом для передачи света от внешнего источника света,
- без источника света (с естественным или внешним освещением);
г) по типу артикуляции:
- без артикуляции,
- с артикуляцией в одной плоскости,
- с артикуляцией в двух и более плоскостях;
д) по наличию функции измерения геометрических параметров контролируемого объекта:
- наблюдательные,
- измерительные,
- с возможностью измерений при помощи вспомогательных приспособлений.
Эндоскопы допускается классифицировать по сочетанию признаков, указанных в перечислениях а) - д).
Описание эндоскопа должно содержать классификационные признаки, изложенные выше.
5 Общие требования
Требования должны быть указаны в технической документации на эндоскоп, методике контроля или иной нормативной документации, действующей на предприятии-потребителе.
5.1 Требования к конструкции:
- размеры сечения рабочей части;
- длина рабочей части;
- тип артикуляции и предельные значения угла изгиба дистального конца рабочей части;
- масса носимой части;
- массо-габаритные характеристики изделия в таре;
- длины сетевых и соединительных кабелей;
- возможность установки насадок, объективов, приспособлений и адаптеров, тип и характеристики их крепления.
5.2 Требования к оптическим параметрам (в базовой комплектации):
- угол направления наблюдения;
- угловое поле в пространстве предметов;
- угловая разрешающая способность на заданном рабочем расстоянии;
- увеличение (видимое - для оптических эндоскопов, линейное - для видеоэндоскопов) на заданном рабочем расстоянии;
- диапазон рабочих расстояний;
- наличие и диапазон перефокусировки;
- освещенность контролируемого объекта на заданном расстоянии (для эндоскопов с источником света или с волоконным осветительным каналом для передачи света от внешнего источника);
- параметры цветопередачи.
5.3 Требования к записи и отображению информации:
- параметры (размер, соотношение сторон, разрешение и др.) монитора;
- параметры (размер, соотношение сторон, разрешение) изображения контролируемого объекта на мониторе;
- наличие функции увеличения изображения на мониторе;
- наличие встроенной памяти или сменного носителя для записи, тип носителя;
- формат записи изображений;
- формат записи видео;
- требования к метаданным (дата съемки, режимы съемки, производитель эндоскопа, наименование эндоскопа и др.) фото- и видеофайлов;
- просмотр и каталогизация ранее сохраненных изображений;
- возможность редактирования;
- защита от модификации файлов;
- наличие цифровой подписи записанных файлов;
- наличие беспроводных каналов передачи данных.
5.4 Требования к электрическим параметрам:
- потребляемая мощность;
- требования к внешней питающей сети;
- время непрерывной работы (при работе от аккумулятора);
- время полной зарядки аккумулятора.
5.5 Требования эргономики и технической эстетики
Эргономические требования и требования технической эстетики должны быть направлены на повышение эффективности работы и сохранение здоровья оператора, работающего с эндоскопом. При разработке и поставке эндоскопов, а также при составлении или переводе эксплуатационной документации необходимо руководствоваться положениями ГОСТ 20.39.108 в части эргономических требований и требований технической эстетики.
5.6 Требования к маркировке, упаковке, транспортировке, хранению и утилизации
Эндоскоп технический должен иметь маркировку в соответствии с ГОСТ 26828. Маркировка должна содержать наименование или товарный знак предприятия-изготовителя, наименование или шифр изделия и заводской номер изделия. Допускается применение символов латинского алфавита. При недостаточности места для маркировки возможен сокращенный вариант - на изделие наносится только заводской номер или иной знак, а полные данные должны быть указаны на упаковке и в эксплуатационной документации. Маркировка должна сохраняться весь срок службы изделия.
Транспортирование и хранение эндоскопа допускается только в штатной таре (упаковке). На тару должны быть нанесены заметные символы или предупредительные надписи на русском языке, например, "ВЕРХ", "Хрупкое, осторожно!" в соответствии с ГОСТ 14192.
Эндоскоп может транспортироваться железнодорожным, авиационным (кроме неотапливаемых отсеков самолетов) или автомобильным транспортом в условиях, установленных для группы C по ГОСТ 15150. После транспортирования или хранения в условиях действия отрицательных температур, ниже допустимой температуры, эндоскоп должен быть выдержан в штатной таре при нормальных климатических условиях не менее 4 часов.
Эндоскоп, отслуживший установленный срок эксплуатации и не подлежащий восстановлению, должен быть утилизирован в соответствии с действующим регламентом. Если при утилизации возможно образование вредных отходов (например, отработанных аккумуляторов), то в эксплуатационной документации должен быть указан класс опасности отходов по ГОСТ 12.1.007.
5.7 Требования безопасности
При наличии опасных или вредных факторов об этом обязательно должна быть сделана соответствующая запись в эксплуатационной документации, а на самом изделии и на упаковке нанесены предупреждающие надписи и/или символы в соответствии с ГОСТ Р 12.4.026.
5.8 Требования к эксплуатационной документации
Эндоскоп технический должен иметь в комплекте эксплуатационные документы, выполненные на бумажном носителе на русском языке в соответствии с ГОСТ 2.601, ГОСТ 2.610. Обязательно наличие хотя бы одного эксплуатационного документа и его электронной версии. Возможно наличие объединенного эксплуатационного документа, например, "Руководство по эксплуатации и паспорт". При наличии электронной версии документов или обучающих программ они также должны быть на русском языке. Документация на языках, отличных от русского, может прилагаться в качестве дополнительной.
В эксплуатационной документации обязательно должна содержаться следующая информация:
- наименование предприятия-изготовителя и его контактные данные;
- заводской номер изделия;
- дата изготовления и дата начала действия гарантийных обязательств поставщика;
- комплектность;
- гарантийные обязательства изготовителя (поставщика);
- основные сведения об изделии и технические данные;
- информация о соответствии требованиям действующих технических регламентов Российской Федерации и Таможенного союза (для продукции, подлежащей обязательному декларированию);
- условия эксплуатации;
- степень защиты (код IP) эндоскопа, его составных частей и вспомогательных приспособлений от проникновения твердых предметов и воды согласно ГОСТ 14254.
При наличии объемных руководств следует дополнительно к нему выпускать краткий вариант для помощи оператору при вводе в эксплуатацию.
Формат и оформление эксплуатационной документации должны предполагать удобную работу с документацией как в лабораторных, так и в полевых условиях.
В штатной таре для хранения эксплуатационной документации на бумажном носителе должно быть предусмотрено место.
5.9 Требования к техническому обслуживанию и ремонтопригодности
В эксплуатационной документации должны быть указаны перечень, периодичность и метод технического обслуживания.
В случае проведения ремонта эндоскопа предприятие, производившее ремонт, должно сделать соответствующую запись в эксплуатационной документации или выпустить акт о проведенном ремонте (или иной документ) с указанием перечня произведенных работ и срока гарантии на ремонт.
5.10 Требования устойчивости к внешним воздействующим факторам
Конструкция эндоскопа должна обеспечивать его устойчивость к воздействиям внешних факторов окружающей среды. Тип и степени жесткости величин внешних воздействующих факторов в соответствии с ГОСТ 21964 устанавливают в соответствующих нормах или технических условиях на конкретный тип эндоскопа.
5.11 Требования к сертификации, подтверждению технических параметров
Продукция, подлежащая обязательной оценке соответствия требованиям действующих технических регламентов РФ или Таможенного союза (за исключением вновь разрабатываемых изделий), должна иметь сертификат или декларацию соответствия.
6 Методы проверки основных параметров (проверки работоспособности)
6.1 Проверка работоспособности эндоскопа должна проводиться в процессе подготовительных работ к процедуре оптического контроля. Объем и периодичность проверки работоспособности должна быть указана в эксплуатационной документации.
6.2 Параметры технических эндоскопов проверяются предприятием-изготовителем в соответствии с разделом "Правила приемки" технических условий на конкретное изделие. Приемка эндоскопа органами технического контроля предприятия-изготовителя является основанием для ввода его в эксплуатацию потребителем с соблюдением требований ГОСТ Р ЕН 13018.
6.3 Отсутствие неисправностей, препятствующих проведению контроля и обнаружению указанных в методике контроля дефектов, должно быть подтверждено в процессе проверки работоспособности (эксплуатационном контроле по ГОСТ 16504).
6.4 При эксплуатационном контроле эндоскопа должны быть проверены:
- работоспособность рабочей части;
- работоспособность информационной системы.
6.5 Необходимость и порядок проверки работоспособности других узлов и составных частей эндоскопа (например, осветительной системы, электрических разъемов, сопротивления изоляции, уплотнительных колец, аккумуляторов) должны быть указаны в эксплуатационной документации.
6.5.1 Проверка работоспособности рабочей части должна проводиться путем технического осмотра с целью подтверждения ее функциональной пригодности для проведения неразрушающего контроля по утвержденной для конкретного изделия методике. При проверке работоспособности рабочей части должны контролироваться отклонения (деформации) формы внешней поверхности, отклонения взаимного расположения ее элементов, нарушения целостности конструкции, нарушения взаимодействия ее узлов (например, заклинивания, люфты).
6.5.2 Проверка работоспособности информационной системы должна проводиться путем наблюдения через контролируемый эндоскоп тест-объекта, аттестованного метрологическими службами, содержащего в себе основные признаки или образцы подлежащих выявлению дефектов и характерных особенностей контролируемого объекта.
6.5.2.1 Проверка работоспособности информационной системы должна проводиться при активированной осветительной системе эндоскопа (при ее наличии). Рекомендуется, чтобы внешнее освещение тест-объекта отсутствовало. Освещенность тест-объекта не должна превышать 200 Лк.
6.5.2.2 Если методика контроля не содержит требований к минимальному размеру выявляемого дефекта и основным признаком дефекта не является спектральная характеристика отраженного света (например, цвета побежалости), то для проверки работоспособности информационной системы эндоскопа рекомендуется использовать тест-объект, описание которого приведено в приложении Б.
При контроле работоспособности информационной системы эндоскопов, имеющих осветительную систему (работающих с отраженным светом), тест-объект должен быть размещен на ровной поверхности, визуально соответствующей поверхности контролируемого объекта.
При контроле работоспособности информационной системы эндоскопов, не имеющих осветительной системы (работающих с излученным контролируемым объектом светом или внешним освещением) тест-объект должен быть размещен между объективом эндоскопа и источником света с цветовой температурой, соответствующей цветовой температуре контролируемого объекта. Использование светофильтров допускается. Идентификация (уверенное распознавание) оператором всех четырех одновременно находящихся в поле зрения эндоскопа оптотипов тест-объекта подтверждает работоспособность его информационной системы.
6.5.2.3 При наличии в методике контроля требований к выявлению дефекта размером менее 0,2 мм, тест-объект должен содержать признаки или образцы дефекта с размерами, не превышающими предъявляемые требования. В этом случае в процессе проверки работоспособности по тест-объекту для контролируемого эндоскопа должна быть установлена предельная (максимальная) дистанция обнаружения содержащегося в нем признака или образца дефекта, которая не должна быть превышена при последующем контроле.
6.5.2.4 Работоспособность информационной системы эндоскопов для прямого визуального контроля допускается проверять, используя вместо аттестованного тест-объекта любой расположенный на конечном расстоянии объект, позволяющий визуально выявить неисправность оптической системы (невозможность настройки на резкость, недостоверность восприятия информации из-за посторонних включений, искажений или бликов в поле зрения, недостаточность освещения).
6.5.2.5 Неисправности информационной системы должны быть проверены на возможность устранения путем чистки внешних оптических поверхностей, регулировки яркости источника света, настроек параметров видеосигнала и монитора согласно эксплуатационной документации на эндоскоп. При наличии бликов следует убедиться в возможности их устранения путем изменения ракурса осмотра и/или расстояния до тест-объекта.
6.6 Выявленные в процессе эксплуатационного контроля неисправности эндоскопа, самостоятельное устранение которых не предусмотрено его эксплуатационной документацией, являются признаком неработоспособности.
Приложение А
(справочное)
ПОЯСНИТЕЛЬНЫЕ ИЛЛЮСТРАЦИИ К ОСНОВНЫМ ТЕРМИНАМ
а)
б)
в)
а) гибкий волоконно-оптический эндоскоп;
б) оптический жесткий эндоскоп; в) гибкий видеоэндоскоп
Рисунок А.1 - Пояснительные иллюстрации к основным терминам
Приложение Б
(справочное)
ПРИМЕР ТЕСТ-ОБЪЕКТА ДЛЯ ПРОВЕРКИ РАБОТОСПОСОБНОСТИ
ИНФОРМАЦИОННОЙ СИСТЕМЫ ЭНДОСКОПА
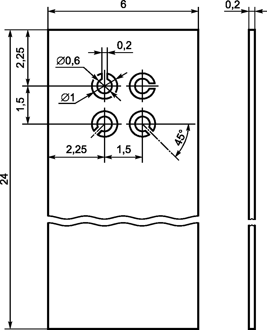
Б.1 Тест-объект для проверки работоспособности оптической системы эндоскопа, применяемого при контроле объектов, для которых не установлены требования к минимальному размеру выявляемого дефекта и основным признаком дефекта которых не является спектральная характеристика отраженного света, должен быть изготовлен из коррозионно-стойкой стали по ГОСТ 5632 согласно размерам, приведенным на рисунке Б.1.
Рисунок Б.1 - Тест-объект для проверки работоспособности
информационной системы эндоскопа
Б.2 Допуск на толщину тест-объекта - +/- 0,05 мм.
Б.3 Размеры оптотипов каждого тест-объекта должны контролироваться на приборах для измерения линейных размеров с погрешностью измерения в пределах +/- 0,03 мм. Контроль размеров производится со стороны тест-объекта, на которую нанесена маркировка.
Б.4 Допускается производить дополнительную обработку тест-объекта с целью придания поверхности шероховатости, соответствующей шероховатости поверхности контролируемого объекта.
Б.5 Допускается нанесение на поверхность тест-объекта покрытия, соответствующего покрытию контролируемого объекта и не изменяющего размеров оптотипов.
УДК 681.7
ОКС 19.100
Ключевые слова: неразрушающий контроль, оптический контроль, технические эндоскопы