Главная // Актуальные документы // ГОСТ Р (Государственный стандарт)СПРАВКА
Источник публикации
М.: Стандартинформ, 2019
Примечание к документу
Документ
введен в действие с 1 августа 2019 года.
Название документа
"ГОСТ Р 58365-2019. Национальный стандарт Российской Федерации. Выключатели постоянного тока на напряжение свыше 1000 В для тяговых подстанций и линейных устройств тягового электроснабжения железной дороги. Общие технические условия"
(утв. и введен в действие Приказом Росстандарта от 07.03.2019 N 79-ст)
"ГОСТ Р 58365-2019. Национальный стандарт Российской Федерации. Выключатели постоянного тока на напряжение свыше 1000 В для тяговых подстанций и линейных устройств тягового электроснабжения железной дороги. Общие технические условия"
(утв. и введен в действие Приказом Росстандарта от 07.03.2019 N 79-ст)
Утвержден и введен в действие
агентства по техническому
регулированию и метрологии
от 7 марта 2019 г. N 79-ст
НАЦИОНАЛЬНЫЙ СТАНДАРТ РОССИЙСКОЙ ФЕДЕРАЦИИ
ВЫКЛЮЧАТЕЛИ ПОСТОЯННОГО ТОКА НА НАПРЯЖЕНИЕ СВЫШЕ 1000 В
ДЛЯ ТЯГОВЫХ ПОДСТАНЦИЙ И ЛИНЕЙНЫХ УСТРОЙСТВ
ТЯГОВОГО ЭЛЕКТРОСНАБЖЕНИЯ ЖЕЛЕЗНОЙ ДОРОГИ
ОБЩИЕ ТЕХНИЧЕСКИЕ УСЛОВИЯ
DC switches of voltage above 1000 V
for traction substations and linear devices
traction power railway. General specifications
ГОСТ Р 58365-2019
Дата введения
1 августа 2019 года
1 РАЗРАБОТАН Обществом с ограниченной ответственностью "НИИЭФА-ЭНЕРГО" (ООО "НИИЭФА-ЭНЕРГО")
2 ВНЕСЕН Техническим комитетом по стандартизации ТК 045 "Железнодорожный транспорт"
3 УТВЕРЖДЕН И ВВЕДЕН В ДЕЙСТВИЕ
Приказом Федерального агентства по техническому регулированию и метрологии от 7 марта 2019 г. N 79-ст
4 ВВЕДЕН ВПЕРВЫЕ
Правила применения настоящего стандарта установлены в статье 26 Федерального закона от 29 июня 2015 г. N 162-ФЗ "О стандартизации в Российской Федерации". Информация об изменениях к настоящему стандарту публикуется в ежегодном (по состоянию на 1 января текущего года) информационном указателе "Национальные стандарты", а официальный текст изменений и поправок - в
ежемесячном информационном указателе "Национальные стандарты". В случае пересмотра (замены) или отмены настоящего стандарта соответствующее уведомление будет опубликовано в ближайшем выпуске ежемесячного информационного указателя "Национальные стандарты". Соответствующая информация, уведомление и тексты размещаются также в информационной системе общего пользования -
на официальном сайте Федерального агентства по техническому регулированию и метрологии в сети Интернет (www.gost.ru)
Настоящий стандарт распространяется на выключатели постоянного тока (далее - выключатели) на напряжение свыше 1000 В для тяговых подстанций и линейных устройств тягового электроснабжения железной дороги.
В настоящем стандарте использованы нормативные ссылки на следующие стандарты:
ГОСТ 2.601 Единая система конструкторской документации. Эксплуатационные документы
ГОСТ 2.610 Единая система конструкторской документации. Правила выполнения эксплуатационных документов
ГОСТ 9.303 Единая система защиты от коррозии и старения. Покрытия металлические и неметаллические неорганические. Общие требования к выбору
ГОСТ 12.1.004-91 Система стандартов безопасности труда. Пожарная безопасность. Общие требования
ГОСТ 12.1.007 Система стандартов безопасности труда. Вредные вещества. Классификация и общие требования безопасности
ГОСТ 12.2.007.0-75 Система стандартов безопасности труда. Изделия электротехнические. Общие требования безопасности
ГОСТ 12.4.026 Система стандартов безопасности труда. Цвета сигнальные, знаки безопасности и разметка сигнальная. Назначение и правила применения. Общие технические требования и характеристики. Методы испытаний
ГОСТ 20.57.406-81 Комплексная система контроля качества. Изделия электронной техники, квантовой электроники и электротехнические. Методы испытаний
ГОСТ 27.002 Надежность в технике. Термины и определения
ГОСТ 27.003 Надежность в технике. Состав и общие правила задания требований по надежности
ГОСТ 27.301 Надежность в технике. Расчет надежности. Основные положения
ГОСТ 2991 Ящики дощатые неразборные для грузов массой до 500 кг. Общие технические условия
ГОСТ 10198 Ящики деревянные для грузов массой св. 200 до 20 000 кг. Общие технические условия
ГОСТ 12969 Таблички для машин и приборов. Технические требования
ГОСТ 12971 Таблички прямоугольные для машин и приборов. Размеры
ГОСТ 15150-69 Машины, приборы и другие технические изделия. Исполнения для различных климатических районов. Категории, условия эксплуатации, хранения и транспортирования в части воздействия климатических факторов внешней среды
ГОСТ 17703 Аппараты электрические коммутационные. Основные понятия. Термины и определения
ГОСТ 22261 Средства измерений электрических и магнитных величин. Общие технические условия
ГОСТ 23170-78 Упаковка для изделий машиностроения. Общие требования
ГОСТ 23216 Изделия электротехнические. Хранение, транспортирование, временная противокоррозионная защита, упаковка. Общие требования и методы испытаний
ГОСТ 24291 Электрическая часть электростанции и электрической сети. Термины и определения
ГОСТ 26828-86 Изделия машиностроения и приборостроения. Маркировка
ГОСТ 30167-2014 Ресурсосбережение. Порядок установления показателей ресурсосбережения в документации на продукцию
ГОСТ 30631 Общие требования к машинам, приборам и другим техническим изделиям в части стойкости к механическим внешним воздействующим факторам при эксплуатации
ГОСТ 30804.4.4 (IEC 61000-4-4:2004) Совместимость технических средств электромагнитная. Устойчивость к наносекундным импульсным помехам. Требования и методы испытаний
ГОСТ IEC 61000-4-12 Электромагнитная совместимость (ЭМС). Часть 4-12. Методы испытаний и измерений. Испытание на устойчивость к звенящей волне
ГОСТ Р 8.568 Государственная система обеспечения единства измерений. Аттестация испытательного оборудования. Основные положения
ГОСТ Р 52002 Электротехника. Термины и определения основных понятий
ГОСТ Р 52246 Прокат листовой горячеоцинкованный. Технические условия
ГОСТ Р 57121 Терминалы присоединений интеллектуальные для распределительных устройств тяговых подстанций, трансформаторных подстанций и линейных устройств тягового электроснабжения железной дороги. Технические требования
Примечание - При пользовании настоящим стандартом целесообразно проверить действие ссылочных стандартов в информационной системе общего пользования - на официальном сайте Федерального агентства по техническому регулированию и метрологии в сети Интернет или по ежегодному информационному указателю "Национальные стандарты", который опубликован по состоянию на 1 января текущего года, и по выпускам ежемесячного информационного указателя "Национальные стандарты" за текущий год. Если заменен ссылочный стандарт, на который дана недатированная ссылка, то рекомендуется использовать действующую версию этого стандарта с учетом всех внесенных в данную версию изменений. Если заменен ссылочный стандарт, на который дана датированная ссылка, то рекомендуется использовать версию этого стандарта с указанным выше годом утверждения (принятия). Если после утверждения настоящего стандарта в ссылочный стандарт, на который дана датированная ссылка, внесено изменение, затрагивающее положение, на которое дана ссылка, то это положение рекомендуется применять без учета данного изменения. Если ссылочный стандарт отменен без замены, то положение, в котором дана ссылка на него, рекомендуется применять в части, не затрагивающей эту ссылку.
3.1
собственное время размыкания: Время от достижения током защищаемой цепи величины уставки выключателя по току до момента прекращения соприкосновения контактов.
3.2
полное время отключения: Время от достижения током защищаемой цепи величины уставки выключателя по току до момента полного исчезновения тока.
3.3 время гашения дуги: Время от момента прекращения соприкосновения контактов до момента полного исчезновения тока.
3.4 главная цепь выключателя: Токоведущие части выключателя, включенные в электрическую цепь, которую этот выключатель должен коммутировать в соответствии с его основным назначением.
3.5 цепь управления выключателя: Электрическая цепь выключателя, не являющаяся его главной цепью и предназначенная для управления выключателем.
3.6 поляризованный выключатель: Выключатель постоянного тока, отключающийся при достижении током величины уставки по току одного направления тока.
Примечание - К поляризованным выключателям относятся также выключатели с асимметричными уставками по току для разных направлений тока.
3.7 неполяризованный выключатель: Выключатель постоянного тока, отключающийся при достижении током величины уставки по току независимо от направления тока.
3.8
максимальное значение тока цепи: Максимальное значение тока, которое было бы в цепи при отсутствии в ней выключателя.
3.9 безындуктивная цепь: Цепь, в которой начальная крутизна кривой нарастания тока короткого замыкания составляет не менее 3 кА/мс.
3.10
уставка выключателя по току: Заданное значение тока в главной цепи, при котором выключатель должен автоматически отключиться.
3.11
возвращающееся напряжение: Напряжение, появляющееся между контактами выключателя после отключения тока.
3.12 максимальное напряжение дуги: Максимальное напряжение, появляющееся между выводами выключателя при горении дуги в процессе отключения.
Выключатели должны быть следующих исполнений:
а) по направленности действия:
1) поляризованные;
2) неполяризованные;
б) по назначению:
1) линейные;
2) катодные.
5.1 Основные показатели и характеристики
5.1.1 Показатели назначения
5.1.1.1 Номинальные параметры выключателей:
- номинальное напряжение главной цепи выключателей - 3300 В. Соответствующее номинальному напряжению 3300 В наибольшее рабочее напряжение выключателя - 4100 В. По согласованию между разработчиком и заказчиком могут быть приняты другие значения напряжений;
- номинальный ток выключателей выбирают из ряда: 2500, 3150, 4000, 5000, 6300 А. По согласованию разработчика с заказчиком допускаются другие значения номинальных токов;
- номинальное напряжение цепей управления выключателя должно быть 110 или 220 В постоянного тока или 220 В переменного тока частоты 50 Гц.
5.1.1.2 Выключатели должны отключать:
а) токи в безындуктивной цепи, где максимальное значение тока составляет не менее 30 000 А;
б) токи в цепи с постоянной времени цепи 0,04 с, где максимальное значение тока составляет не менее 35 000 А;
в) токи в цепи с постоянной времени 0,055 с, где максимальное значение тока составляет не менее 15 000 А;
г) любой ток от минимального отключаемого тока 5 А до максимального отключаемого тока, указанного в
перечислениях а),
б),
в), при индуктивности цепи не менее 50 мГн.
5.1.1.3 Выключатели при отключении токов, указанных в
перечислениях а),
б) и
в) 5.1.1.2, должны выдерживать без повреждений, препятствующих их дальнейшей работе, следующие циклы операций:
- линейные выключатели: О - 6 - ВО - 10 - ВО - 60 - ВО;
- катодные выключатели: О - 10 - В - 10 - О.
Примечание - В условном обозначении цикла операции буквы означают:
- О - операцию автоматического отключения тока короткого замыкания или обратного тока;
- В - операцию включения;
- ВО - операцию включения на короткое замыкание из отключенного положения и следующую за ней операцию автоматического отключения;
- цифры - интервалы между смежными операциями, измеряемые в секундах.
5.1.1.4 Собственное время размыкания выключателей в цепи с максимальными значениями тока, указанными в
перечислениях а) и
б) 5.1.1.2, должно быть не более 0,008 с.
5.1.1.5 Полное время отключения выключателей должно быть не более:
5.1.1.6 Выключатели должны обеспечивать суммарное количество отключений токов без технического обслуживания в количестве, не менее:
5.1.1.7 Максимальное значение напряжения дуги должно быть не более 220% от наибольшего значения рабочего напряжения по
5.1.1.1.
5.1.1.8 Требования к электрической износостойкости
Выключатели должны без технического обслуживания обеспечивать указанное ниже количество отключений тока, равного номинальному току выключателя, при номинальном напряжении и постоянной времени цепи 0,01 с, не менее:
- 500 - для выключателей с номинальным током до 4000 А включительно;
- 250 - для выключателей с номинальным током более 4000 А.
5.1.1.9 Выключатели должны выдерживать следующие перегрузки по отношению к номинальному току:
- 25% от номинального значения тока в течение 15 мин - один раз в 2 ч при времени усреднения 2 ч;
- 50% от номинального значения тока в течение 2 мин - один раз в 1 ч при времени усреднения 1 ч.
При этом за время работы выключателя в режиме перегрузок среднее квадратичное значение тока в течение времени усреднения не должно превышать номинальный рабочий ток выключателя.
5.1.1.10 Линейные неполяризованные выключатели должны иметь возможность регулирования уставок по току в пределах от 0,5 до 1,5 значений номинального тока. Предельные значения уставок по току, а также не менее двух промежуточных значений должны быть нанесены на шкалу уставок выключателей.
5.1.1.11 Линейные поляризованные выключатели должны иметь возможность регулирования уставок по току в прямом направлении в пределах от 0,5 до 1,5 значений номинального тока. Предельные значения уставок, а также не менее двух промежуточных значений, должны быть нанесены на шкалу уставок выключателей.
5.1.1.12 Уставка по току линейных поляризованных выключателей должна зависеть от направления протекания тока. При протекании тока в прямом направлении уставка по току должна соответствовать значению, указанному на шкале уставок, с учетом допустимого отклонения в соответствии с
5.1.1.13. При протекании тока обратного направления уставка по току должна быть в пределах от двукратного до трехкратного значения, указанного на шкале уставок выключателей.
Направление протекания прямого тока должно быть указано стрелками на выключателях, а также в прилагаемой эксплуатационной документации.
5.1.1.13 Отклонение уставок по току для линейных выключателей не должно превышать +/- 5% от значения уставки по току при напряжении цепи управления выключателя от 80 до 110% номинального значения.
5.1.1.14 Уставка по току в обратном направлении у катодных выключателей может быть нерегулируемая, однако должна быть по возможности наименьшей и не более 0,5 от значения номинального тока выключателя.
Направление протекания прямого тока катодного выключателя должно быть указано стрелками на выключателях, а также в прилагаемой эксплуатационной документации.
5.1.1.15 Линейные выключатели не должны отключаться при включении на ток значением 0,7 от значения тока уставки и начальной скорости нарастания тока (0,5...0,7)·10
6 А/с.
5.1.1.16 Катодные выключатели не должны отключаться при протекании тока прямой полярности, значение которого не должно превышать 15 000 А.
5.1.1.17 Линейные выключатели должны быть со свободным расцеплением.
5.1.1.18 Выключатели должны обеспечивать включение и отключение при напряжении цепи управления в пределах от 80 до 110% номинального значения.
5.1.1.19 Вспомогательные контакты выключателей должны отключать токи, указанные в таблице 1.
Таблица 1
Вид коммутации | Отключаемый ток, А, не менее |
1 Постоянный ток при напряжении 110 В | |
1.1 Включение и отключение в цепи с постоянной времени цепи 0,05 с | 0,30 |
1.2 Включение и отключение в цепи с постоянной времени цепи 0,01 с | 1,00 |
2 Постоянный ток при напряжении 220 В | |
2.1 Включение и отключение в цепи с постоянной времени цепи 0,05 с | 0,15 |
2.2 Включение и отключение в цепи с постоянной времени цепи 0,01 с | 0,50 |
3 Переменный ток при напряжении 220 В промышленной частоты - включение и отключение (при коэффициенте мощности не менее 0,4) | 5 |
5.1.1.20 В схеме управления должна быть обеспечена блокировка против операций включения и отключения выключателя, когда команда на включение продолжает оставаться поданной после автоматического отключения выключателя.
5.1.1.21 Выключатели должны отключаться при снижении напряжения цепей управления до значения, составляющего 30% от номинального значения напряжения, и оставаться в отключенном положении до подачи команды на включение.
5.1.2 Конструктивные требования
5.1.2.1 Выключатели выпускают в соответствии с требованиями настоящего стандарта, технических условий на выключатели конкретных типов по конструкторской документации, утвержденной в установленном порядке.
5.1.2.2 Габаритные размеры и масса не должны превышать значений, указанных в таблице 2.
Номинальный ток выключателя, А | Длина, мм | Ширина, мм | Высота, мм | Масса (с комплектующей аппаратурой), кг |
2500 | 820 | 250 | 1200 | 140 |
3150 | 820 | 250 | 1200 | 150 |
4000 | 820 | 250 | 1200 | 160 |
6300 | 850 | 350 | 1200 | 175 |
5.1.2.3 Опасная зона выхлопа до заземленных поверхностей при отключении токов в соответствии с
5.1.1.2 должна быть не более 200 мм в боковых и верхнем направлениях в дополнение к габаритным размерам, указанным в
таблице 2. Опасная зона выхлопа конкретных типов выключателей должна быть указана в технических условиях, а также в эксплуатационной документации. В документации также может указываться опасная зона выхлопа до изоляционных поверхностей.
5.1.2.4 Допустимые превышения температуры над значением температуры окружающего воздуха 40 °C неизолированных токоведущих частей при номинальном токе указаны в таблице 3.
Наименование неизолированных токоведущих частей выключателя | Допустимое превышение температуры, °C, не более |
Массивные медные проводники и контактные соединения с нажатием, осуществляемым болтами или другими способами, обеспечивающими жесткость соединений <1>, <2> | |
Контактные детали в воздухе: | |
- из чистой меди, работающие как пружины <2>; | |
- из бронзы или латуни, работающие как пружины <2>; | |
- из меди и медных сплавов, не работающие как пружины; | |
- из меди и медных сплавов, защищенные в местах контактов слоем гальванического серебра и не подверженные истиранию; | |
- из серебра; | |
- другие металлы и сплавы | |
Контактные зажимы для присоединения внешних проводников | |
Гибкие соединения в воздухе | |
<1> При условии, что это значение не оказывает вредного воздействия на соседние части. <2> Допустимая температура неизолированных токоведущих частей выключателя в том случае, если они соприкасаются с какой бы то ни было изоляцией, не должна превышать значение, установленное для изолирующего материала. <3> Превышение температуры определяется свойствами используемых материалов и не должно оказывать вредного воздействия на соседние части. <4> По согласованию между разработчиком и заказчиком контактные зажимы для присоединения внешних проводников с гальваническим покрытием серебром в местах контактов могут иметь превышение температуры до 130 °C. |
5.1.2.5 Допустимые превышения температуры над значением температуры окружающего воздуха 40 °C для изолированных токоведущих частей выключателя при номинальном токе указаны в таблице 4.
Класс нагревостойкости изоляции | Допустимое превышение температуры, °C, не более |
105 (A) | 65 |
120 (E) | 80 |
130 (B) | 90 |
155 (F) | 115 |
180 (H) | 140 |
5.1.2.6 Изоляция частей выключателя должна выдерживать одноминутное испытательное переменное напряжение промышленной частоты в течение 1 мин. Действующие значения испытательных напряжений, которые прикладывают к частям выключателя, указаны в таблице 5.
Части выключателя, между которыми прикладывают испытательное напряжение | Действующее значение испытательного напряжения, В |
1 Между токоведущими частями главной цепи и заземленным основанием | 24 000 |
2 Между разомкнутыми главными контактами | 10 000 |
3 Между токоведущими частями силовой цепи и вспомогательными цепями | 24 000 |
4 Между вспомогательными цепями и заземленным основанием | 2000 |
5 Между разомкнутыми контактами вспомогательных контактов | 2000 |
Значения испытательного напряжения для выключателей на номинальные напряжения, отличающиеся от указанных в
5.1.1.1, указывают в технических условиях на выключатели конкретных типов.
5.1.2.7 Сопротивление изоляции главной цепи должно быть не менее 300 МОм. Сопротивление изоляции вспомогательных цепей должно быть не менее 1 МОм.
5.1.2.8 Выключатели должны иметь электрический привод для включения и отключения. Электрический привод должен быть изолирован от главной цепи выключателя и заземлен.
5.1.2.9 Мощность, потребляемая выключателем при включении в течение времени не более 0,5 с, должна быть не более 4000 Вт.
5.1.2.10 Длительно потребляемая выключателем мощность должна быть не более 50 Вт.
5.1.2.11 Сопротивление главной цепи выключателей должно быть не более значений, указанных в таблице 6.
Таблица 6
Номинальный ток выключателя, А | Сопротивление главной цепи, мкОм |
2500 | 35 |
3150 | 25 |
4000 | 20 |
6300 | 16 |
Примечание - Разработчик может установить более низкие значения сопротивления главной цепи для конкретных типов выключателей. Эти значения должны быть указаны в технических условиях на данные типы выключателей. |
5.1.2.12 Конструкция устройства, регулирующего уставку по току линейного выключателя, должна предусматривать возможность его пломбирования.
5.1.2.13 Выключатели должны иметь не менее четырех замыкающих и четырех размыкающих свободных вспомогательных контактов.
5.1.2.14 Все детали из черных металлов (за исключением плоскостей прилегания якоря, удерживающих электромагнитов и трущихся частей) должны иметь защитное покрытие (гальваническое, лакокрасочное) в соответствии с
ГОСТ 9.303. Трущиеся части должны быть смазаны.
5.1.3 Требования к совместимости и взаимозаменяемости
5.1.3.1 Выключатели в части выполнения основных функций должны быть совместимы с интеллектуальными терминалами присоединений, изготавливаемых по
ГОСТ Р 57121. Выключатели должны срабатывать на включение и отключение по сигналам от интеллектуальных терминалов присоединений. При этом собственное время размыкания должно соответствовать значению, указанному в
5.1.1.4.
5.1.3.2 Сменные части выключателей должны быть взаимозаменяемы.
5.1.4 Требования надежности
5.1.4.1 По классификации, указанной в
ГОСТ 27.003, выключатели должны классифицировать по следующим признакам:
- по определенности назначения - выключатели конкретного назначения;
- по количеству возможных (учитываемых) состояний (по работоспособности) - выключатели вида I;
- по режимам применения (функционирования) - выключатели непрерывного длительного применения;
- по возможным последствиям отказов или достижения предельного состояния при применении или последствиям отказов при хранении и транспортировании - выключатели, отказы или переход в предельное состояние которых не приводят к последствиям катастрофического характера;
- по возможности восстановления работоспособного состояния после отказа в процессе эксплуатации - восстанавливаемые выключатели;
- по характеру основных процессов, определяющих переход в предельное состояние, - изнашиваемые выключатели;
- по возможности и способу восстановления технического ресурса (срока службы) путем проведения плановых ремонтов (средних, капитальных и др.) - выключатели, ремонтируемые обезличенным способом;
- по возможности и необходимости технического обслуживания в процессе эксплуатации - обслуживаемые выключатели;
- по возможности (необходимости) проведения контроля перед применением - выключатели, контролируемые перед применением;
- по отсутствию в составе выключателей электронно-вычислительных машин и других устройств вычислительной техники - выключатели без отказов сбойного характера.
5.1.4.2 Коэффициент готовности выключателя должен быть не менее 0,998.
5.1.4.3 Средняя наработка на отказ должна быть не менее 75 000 ч.
5.1.4.4 Ресурс выключателей по механической износостойкости должен составлять не менее 20 000 циклов включений-отключений без тока в главной цепи.
5.1.4.5 Средний (полный) срок службы должен быть не менее 20 лет.
5.1.4.6 Среднее время до восстановления должно быть не более 8 ч.
5.1.4.7 Средний срок сохраняемости должен быть не менее двух лет.
5.1.5 Требования стойкости к внешним воздействиям и живучести
5.1.5.1 Выключатели изготовляют климатического исполнения УХЛ, категории размещения 4 по
ГОСТ 15150.
Допускается применение выключателей в помещениях с параметрами внешней среды для категории 4 по
ГОСТ 15150, но без искусственно регулируемых климатических условий.
5.1.5.2 В части стойкости к механическим внешним воздействующим факторам выключатели должны соответствовать группе М6 по
ГОСТ 30631.
5.1.5.3 Выключатели и их блоки управления должны быть устойчивы к наносекундным импульсным помехам степени жесткости 3 по
ГОСТ 30804.4.4.
5.1.5.4 Выключатели и их блоки управления должны быть устойчивы к звенящей волне уровня не ниже 3 по
ГОСТ IEC 61000-4-12.
5.1.6 Требования эргономики
Выключатели и их отдельные части, имеющие массу более 25 кг, должны иметь места для подсоединения грузоподъемных средств.
5.1.7 Требования по экономному использованию сырья и материалов
5.1.7.1 Экономное использование сырья, материалов, топлива и энергии при производстве и эксплуатации выключателей обеспечивается соблюдением требований:
- к предельно допустимому значению сопротивления главной цепи выключателя по
5.1.2.11;
- к предельно допустимым значениям габаритных размеров и массы по
5.1.2.2;
- к предельно допустимым значениям массы металла в изделии и удельной металлоемкости изделия по
5.1.7.2;
- к предельно допустимому значению мощности, кратковременно потребляемой выключателем при включении, по
5.1.2.9;
- к предельно допустимому значению мощности, длительно потребляемой выключателем, по
5.1.2.10.
5.1.7.2 Предельно допустимые значения массы металла в изделии и удельной металлоемкости изделия приведены в таблице 7.
Таблица 7
Номинальный ток выключателя, А | Предельно допустимые значения |
Масса металла в выключателе, кг | Удельная металлоемкость выключателя, кг/кА |
2500 | 110 | 44,0 |
3150 | 115 | 36,5 |
4000 | 120 | 30,0 |
6300 | 130 | 20,6 |
Предельно допустимые значения остальных показателей ресурсоиспользования и ресурсосбережения по ГОСТ 30167-2014 (
пункт 4.4 и
приложение Б) устанавливают в технических условиях на выключатели конкретных типов.
5.2 Требования к сырью, материалам, покупным изделиям
5.2.1 В составе конструкции выключателя должны применяться серийно выпускаемые сырье, материалы и комплектующие изделия, соответствующие требованиям стандартов на эти виды продукции, а для продукции, на которую стандарты не разработаны, - по техническим условиям.
5.2.2 Материалы, применяемые в составе конструкции, должны быть не ниже 4 класса опасности по
ГОСТ 12.1.007.
5.2.3 В выключателях следует применять слабогорючие материалы, ограничивающие распространение пламени в случае его появления в результате отказа, перекрытия, пробоя или других аварийных повреждений выключателя.
Комплектность поставки устанавливают по соглашению между поставщиком и заказчиком. В комплект поставки выключателя должны входить:
- выключатель в соответствии с заказом;
- комплект запасных частей и принадлежностей (ЗИП);
- эксплуатационная документация на русском языке, выполненная в соответствии с
ГОСТ 2.601 и
ГОСТ 2.610;
- ведомость ЗИП.
5.4.1 Каждый выключатель должен иметь табличку в соответствии с
ГОСТ 12969 и
ГОСТ 12971 с указаниями на русском языке, на которой должны быть:
- товарный знак или наименование предприятия-изготовителя;
- наименование изделия;
- тип выключателя;
- обозначение климатического исполнения и категории размещения по
ГОСТ 15150;
- заводской номер по системе нумерации предприятия-изготовителя;
- номинальное напряжение, В;
- номинальный ток, А;
- номинальное напряжение цепей управления, В;
- масса, кг;
- обозначение настоящего стандарта и технических условий (при наличии технических условий);
- дата изготовления (месяц и год выпуска).
5.4.2 На части выключателей необходимо наносить маркировку, которая облегчает сборку выключателей на месте монтажа.
5.4.3 Способ нанесения маркировки на табличках должен обеспечивать сохранность надписей в течение всего времени эксплуатации выключателя.
5.4.4 Маркировка транспортной тары - по
ГОСТ 14192.
5.5.1 Выключатели или их части (при транспортировании выключателей в частично разобранном виде) должны быть упакованы для условий транспортирования С, условий хранения 2 по
ГОСТ 23216 в плотные или решетчатые ящики по
ГОСТ 10198 или
ГОСТ 2991 или в специальную тару.
Упаковка выключателей и их частей должна исключать возможность их механических повреждений, а также обеспечивать защиту изоляционных частей из органических материалов от воздействия окружающей среды в процессе транспортирования.
5.5.2 Все неокрашенные металлические части выключателя (включая запасные части), подверженные воздействию внешней среды при транспортировании и хранении, должны быть законсервированы с помощью защитных смазок или другим способом. Срок временной противокоррозионной защиты без переконсервации должен быть:
- не менее двух лет - для выключателей;
- не менее трех лет - для запасных частей.
5.5.3 Допускается транспортирование выключателей или их частей в пределах одного населенного пункта или между близкорасположенными населенными пунктами без упаковки или в упрощенной (временной) упаковке, защищающей от атмосферных осадков, при условии принятия мер, предохраняющих от повреждений выключатель и его упаковку. Перевозку, а также погрузку и разгрузку транспортного средства под открытым небом следует выполнять в течение светлого времени суток.
5.5.4 При транспортировании в транспортных контейнерах выключатели или их части без индивидуальной упаковки должны быть надежно закреплены и предохранены от механических повреждений.
6 Требования безопасности
6.1 Безопасность выключателей обеспечивается:
б) соблюдением требований пожарной безопасности по ГОСТ 12.1.004-91
(подраздел 2.3);
в) соблюдением требований:
1) к конструкции по
5.1.2;
2) к сырью, материалам и покупным изделиям по
5.2;
6.2 На выключателе в удобном для обзора месте должен быть нанесен предупреждающий знак W08 по
ГОСТ 12.4.026.
6.3 Вспомогательные контакты выключателей во время наладки выключателей должны быть закрыты экраном, препятствующим прикосновению к цепям, находящимся под напряжением.
7 Требования охраны окружающей среды (экологичности)
Меры охраны окружающей среды при монтаже и эксплуатации выключателей устанавливают в технических условиях на изделия конкретных типов и приводят в эксплуатационных документах.
8.1 Общие требования к правилам приемки
8.1.1 Выключатели должны подвергаться приемо-сдаточным, квалификационным, периодическим и типовым испытаниям.
8.1.2 Если квалификационным, периодическим или типовым испытаниям подвергнут выключатель, являющийся одним из типоисполнений серии выключателей, имеющих часть практически одинаковых конструктивных элементов, то другие выключатели этой серии могут не подвергаться отдельным видам указанных испытаний с распространением на эти виды результатов испытаний, проведенных на первом выключателе. Допустимость испытаний не в полном объеме должна быть обоснована.
8.1.3 Выпуск выключателей осуществляется на основании положительных результатов квалификационных (для вновь освоенных выключателей), периодических и приемо-сдаточных испытаний.
8.1.4 Протоколы или информацию об испытаниях следует предъявлять потребителю по его требованию.
8.2 Приемо-сдаточные испытания
8.2.1 Выключатели предъявляют к приемке поштучно и подвергают проверке сплошным контролем.
8.2.2 Испытания следует проводить в объеме и по программе, указанной в таблице 8.
Виды испытаний и проверок | Требования | Методы контроля | Необходимость выполнения при испытаниях |
Приемо-сдаточные | Квалификационные | Периодические |
1 Внешний осмотр и контроль соответствия требованиям конструкторской документации | | | + | + | + |
2 Проверка регулировки выключателя | - | | + | + | + |
3 Контроль на соответствие требованиям к надежности включения и отключения выключателя | | | + | + | + |
4 Контроль на соответствие требованиям к работе свободного расцепления выключателя | | | + | + | + |
5 Проверка работы вспомогательных контактов выключателя | - | | + | + | + |
6 Контроль соответствия уставок по току выключателя | | | + | + | + |
7 Контроль на соответствие требованиям к работе аппаратуры управления, поставляемой комплектно с выключателем | | | + | + | + |
8 Испытание на соответствие требованиям к электрической прочности изоляции | | | + | + | + |
9 Контроль на соответствие требованиям к сопротивлению изоляции главных и вспомогательных цепей | | | + | + | + |
10 Контроль на соответствие требованиям к сопротивлению главной цепи выключателя | | | + | + | + |
11 Контроль на соответствие требованиям к комплектности | | | + | + | + |
12 Испытание на соответствие требованиям по отключающей способности | | | - | + | + |
13 Испытание на соответствие требований по отключению малых токов | | | - | + | + |
14 Испытание на соответствие требованиям к электрической износостойкости | | | - | + | - |
15 Испытание на соответствие требованиям по нагреву | | | - | + | + |
16 Контроль на соответствие требованиям по отклонению уставок по току | | | - | + | + |
17 Контроль на соответствие требованию по включению на ток величиной 0,7 от значения тока уставки и начальной скорости нарастания тока (0,5...0,7)·106 А/с | | | - | + | + |
18 Контроль на соответствие требованию по пропусканию прямого тока выключателем обратного тока | | | - | + | + |
19 Контроль на соответствие требованию по отключению при снижении напряжения цепей управления | | | - | + | + |
20 Контроль на соответствие требованиям по массе, габаритным, присоединительным и установочным размерам | | | - | + | + |
21 Контроль на соответствие требованию по наличию электрического привода | | | - | + | + |
22 Контроль на соответствие требованиям по потребляемой мощности | | | - | + | + |
23 Контроль на соответствие требованию по возможности пломбирования устройства, регулирующего уставку по току | | | - | + | + |
24 Контроль на соответствие требованию по наличию вспомогательных контактов | | | - | + | + |
25 Контроль на соответствие требованиям по наличию защитных покрытий и смазки | | | - | + | + |
26 Контроль на соответствие требованиям по совместимости с интеллектуальными терминалами присоединений | | | - | + | + |
27 Контроль на соответствие требованиям по взаимозаменяемости сменных частей | | | - | + | + |
28 Испытание на соответствие требованиям по показателям надежности | | | - | - | + |
29 Испытание на соответствие требованиям по механической износостойкости | | | - | + | + |
30 Испытания на соответствие требованиям стойкости к механическим внешним воздействующим факторам | | | - | + | - |
31 Испытания на соответствие требованиям по электромагнитной совместимости | | | - | + | - |
32 Контроль на соответствие требованиям по эргономике | | | - | + | + |
33 Контроль на соответствие требованиям по экономному использованию сырья и материалов | | | - | + | + |
34 Контроль на соответствие требованиям к сырью, материалам и покупным изделиям | | | - | + | + |
35 Контроль на соответствие требованиям к маркировке | | | - | + | + |
36 Контроль на соответствие требованиям к упаковке | | | - | + | + |
Учитывая особенности отдельных типов выключателей, объем и порядок испытаний можно дополнять и изменять, но его обязательно указывают в технических условиях на выключатели конкретных типов.
8.3 Квалификационные испытания
8.3.1 Квалификационные испытания следует проводить после освоения технологии производства выключателя (при запуске в серийное производство).
8.3.2 Допускается засчитывать испытания, проведенные на опытном образце, в качестве квалификационных испытаний, если соблюдены следующие условия:
- опытный образец выдержал испытания в объеме квалификационных испытаний;
- опытный образец был изготовлен по технологии, предусмотренной для серийного производства;
- комиссией по приемке опытно-конструкторской работы (ОКР) не были даны рекомендации по доработке конструкции, требующие проведения дополнительных испытаний.
Если эти условия не соблюдены и испытания опытного образца не могут быть зачтены полностью, то допускается при соответствующем техническом обосновании засчитывать отдельные виды испытаний, на результатах которых несоблюдение указанных условий не отражается.
8.4 Периодические испытания
8.4.1 Периодические испытания следует проводить в объеме, указанном в
таблице 8. Объем периодических испытаний может быть сокращен по согласованию разработчика с заказчиком.
8.4.2 Периодические испытания проводят не реже одного раза в пять лет с целью подтверждения возможности продолжения изготовления продукции по действующей конструкторской и технологической документации и продолжения ее приемки.
8.4.3 Если в процессе периодических испытаний получены неудовлетворительные результаты, то разрабатываются и внедряются мероприятия, исключающие их повторение.
После внедрения этих мероприятий проводят повторные испытания по тем пунктам программы, по которым были получены неудовлетворительные результаты, а также проводят те проведенные ранее испытания, на результаты которых могут повлиять внесенные изменения. Результаты повторных испытаний являются окончательными.
8.4.4 Допускается в обоснованных случаях распространять на конкретное типоисполнение положительные результаты испытаний, проведенных на выключателе другого типоисполнения. Техническое обоснование распространения положительных результатов испытания должно быть приведено в протоколе испытаний.
8.5 Типовые испытания
8.5.1 Типовые испытания проводят с целью оценки эффективности и целесообразности предлагаемых изменений в конструкции или технологии изготовления, которые могут повлиять на технические характеристики выключателя, связанные с безопасностью для жизни, здоровья, либо могут повлиять на эксплуатацию, в том числе на важнейшие потребительские свойства или на соблюдение условий охраны окружающей среды.
8.5.2 Необходимость проведения типовых испытаний и их объем при изменении конструкции, применяемых материалов, технологии производства или технических параметров определяет разработчик.
В зависимости от характера вносимого изменения испытаниям следует подвергать те или иные объекты из числа указанных в
8.1.2, а также отдельные детали и образцы материалов.
9.1 Общие требования
9.1.1 Контроль проводят в порядке, указанном в
таблице 8.
9.1.2 При использовании метода контроля в форме испытаний руководствуются следующими правилами:
- при подготовке и выполнении испытаний соблюдают требования безопасности в соответствии с
правилами по охране труда при эксплуатации электроустановок
[1];
- оборудование, используемое для испытаний, должно быть аттестовано по
ГОСТ Р 8.568 и проверено на работоспособность.
9.1.3 Все виды контроля проводят при нормальных значениях климатических факторов по ГОСТ 15150-69
(пункт 3.15).
9.1.4 С учетом того, что все испытания проводятся в соответствии с
9.1.3, что соответствует климатическим условиям и категории размещения выключателей в эксплуатации, испытания на соответствие требованиям стойкости к воздействию климатических факторов внешней среды не проводят.
9.1.5 Средства измерений, используемые при проведении всех видов контроля, должны быть включены в Государственный реестр средств измерений, поверены (откалиброваны) в установленном порядке и иметь отметки в формулярах (паспортах) или других свидетельствах, подтверждающих их пригодность к применению.
9.2 Внешний осмотр и контроль на соответствие требованиям конструкторской документации
9.2.1 Внешний осмотр и контроль на соответствие требованиям конструкторской документации проводят внешним осмотром на соответствие конструкторской документации. Контролю подлежат:
а) наружные изоляционные поверхности на предмет отсутствия трещин и загрязнений;
б) металлические поверхности на предмет отсутствия видимых вмятин, трещин и других механических дефектов;
в) сварные швы на предмет отсутствие дефектов, ухудшающих качество и внешний вид выключателя;
г) защитные антикоррозионные покрытия на предмет их целостности;
д) наличие стопорения резьбовых соединений для предотвращения самоотвинчивания;
е) наличие смазки в тех узлах, где это предусмотрено конструкторской документацией;
ж) маркировка;
и) комплектность изделия;
к) качество упаковки.
9.2.2 Результаты внешнего осмотра и контроля считают положительными при одновременном выполнении следующих условий:
- наружные изоляционные поверхности не имеют трещин и загрязнений;
- металлические поверхности не имеют видимых вмятин, трещин и других механических дефектов;
- сварные швы не имеют дефектов, ухудшающих качество и внешний вид выключателя;
- защитные антикоррозионные покрытия не нарушены;
- резьбовые соединения защищены от самоотвинчивания;
- наличие смазки соответствует конструкторской документации;
- маркировка и комплектность соответствуют конструкторской документации;
- упаковка соответствует конструкторской документации и не имеет повреждений.
9.3 Проверка регулировки выключателя
Проверка регулировки проводится по методике предприятия-разработчика, приведенной в технической документации на конкретные типы выключателей.
9.4 Контроль на соответствие требованиям к надежности включения и отключения выключателя
9.4.1 Контроль проводится со станцией управления (схемой управления), соответствующей конкретному типу выключателя.
9.4.2 Выключатель запитывают от регулируемого источника питания. Источник питания должен обеспечивать значение выходного напряжения с отклонением от заданного значения не более чем на 1% в момент включения выключателя. Напряжение измеряют вольтметром класса точности не ниже 0,5.
9.4.3 Выставляют значение напряжения источника питания, равное (80 +/- 2)% от номинального значения напряжения цепей управления выключателя. Включают и отключают выключатель 10 раз. Выставляют значение напряжения источника питания, равное (120 +/- 2)% от номинального значения напряжения цепей управления выключателя. Включают и отключают выключатель 10 раз.
9.4.4 Выключатель считают выдержавшим контроль, если не было отказов при оперировании выключателем по
9.4.3.
9.5 Контроль на соответствие требованиям к работе свободного расцепления выключателя
Контроль на соответствие требованиям к работе свободного расцепления выключателя проводится по методике, приведенной в технической документации на конкретные типы выключателей.
9.6 Проверка работы вспомогательных контактов выключателя
9.6.1 Проверку работы вспомогательных контактов проводят при питании выключателя от станции управления (схемы управления), соответствующей типу выключателя.
9.6.2 Во включенном и отключенном положении выключателя контролируют состояние контактов в соответствии со схемой вспомогательных цепей выключателя. Контроль осуществляется любым индикатором с напряжением питания не более 12 В.
9.6.3 Выключатель считают выдержавшим проверку, если во включенном и отключенном положении выключателя замкнуты или разомкнуты соответствующие контакты.
9.7 Контроль на соответствие требованиям к уставкам по току выключателя
9.7.1 Уставки по току линейных выключателей
9.7.1.1 Главную цепь выключателя подключают к источнику постоянного тока. Измерение тока проводят токоизмерительным шунтом, рассчитанным на ток не ниже номинального значения тока выключателя, с классом точности не ниже 0,5 и вольтметром с классом точности не ниже 0,5.
9.7.1.2 При подключении поляризованного выключателя к источнику постоянного тока контролируют, чтобы полярность источника тока совпадала с направлением прямого тока, указанного стрелками на выключателе.
9.7.1.3 Выставляют по шкале уставок выключателя одно из значений. Включают выключатель. Увеличивая ток в главной цепи, определяют значение тока, при котором произошло отключение выключателя. Скорость увеличения тока не должна превышать 3200 А/с. В случае визуального контроля значения тока по шкале прибора скорость увеличения тока должна позволять визуально отслеживать значение тока по прибору. Измерение производят три раза подряд.
9.7.1.4 Проверку по
9.7.1.3 проводят для всех значений уставок, отмеченных на шкале уставок выключателя.
9.7.1.5 При проверке поляризованного выключателя после проверки уставок в прямом направлении изменяют полярность источника тока и проводят проверку уставок в обратном направлении.
9.7.1.6 Выключатель считают выдержавшим контроль, если значения отклонений уставок по току, полученных при измерениях по
9.7.1.3, не превышают указанные в
5.1.1.13.
9.7.2 Уставки по току катодного выключателя
9.7.2.1 Главную цепь выключателя подключают к источнику постоянного тока, при этом контролируют, чтобы полярность источника тока была встречной по отношению к направлению, указанному стрелками на выключателе.
9.7.2.2 Включают выключатель. Увеличивая ток в главной цепи, определяют значение тока, при котором произошло отключение выключателя. Измерение производят три раза подряд.
9.7.2.3 Выключатель считают выдержавшим проверку, если значение уставки по току, полученное измерением по
9.7.2.2, не превышает указанного в
5.1.1.4.
9.8 Контроль на соответствие требованиям к работе аппаратуры управления, поставляемой комплектно с выключателем
9.8.1 Контроль проводят совместно с выключателем при значении напряжения цепи управления от (80 +/- 2) до (110 +/- 2)% от номинального значения напряжения цепи управления. Допускается на одном выключателе производить проверку всей аппаратуры управления изготовляемой партии.
9.8.2 Контроль проводят без тока в главной цепи.
9.8.3 Аппаратуру управления подключают к выключателю.
9.8.4 Устанавливают напряжение цепей управления (80 +/- 2)% от номинального значения.
9.8.5 Подают команду на включение и не снимают ее.
9.8.6 Убедившись, что выключатель включился, и не снимая команды на включение, подают команду на отключение.
9.8.7 После отключения выключателя через промежуток времени от 0,5 до 5,0 с снимают команду на включение.
9.8.8 Повторяют операции по
9.8.5 и
9.8.6 для напряжения цепей управления (100 +/- 2) и (110 +/- 2)% от номинального значения напряжения.
9.8.9 Выключатель считают выдержавшим контроль, если после отключения выключателя по
9.8.6 не произошло последующего включения.
9.9 Испытание на соответствие требованиям к электрической прочности изоляции
9.9.1 Перед испытаниями выдерживают выключатель в нормальных климатических условиях по
ГОСТ 15150 не менее 8 ч. При проведении испытаний изоляционные поверхности должны быть сухими и чистыми.
9.9.2 Полное испытательное напряжение прикладывают в течение (60+5) с. Время измеряют при помощи секундомера класса точности не ниже 2,5. Допускается применение установок с автоматическим отключением испытательного напряжения.
9.9.3 Испытание проводят переменным током промышленной частоты.
9.9.4 Мощность испытательной установки должна обеспечивать действующее значение установившегося тока короткого замыкания на стороне высшего напряжения не менее 0,3 А.
9.9.5 Измерение напряжения производят непосредственно на стороне высшего напряжения испытательного трансформатора. За величину испытательного напряжения принимают его действующее значение. Погрешность измерения напряжения не должна превышать 3%.
9.9.6 Поочередно прикладывают испытательное напряжение к частям, указанным в
таблице 5.
9.9.7 Выключатель считают выдержавшим испытание, если не произошло пробоя изоляции, перекрытия по поверхности, заметного нагревания изоляции или резкого снижения показаний включенного в сеть вольтметра. При испытаниях допускаются явления короны и шум от переменного тока.
9.10 Контроль на соответствие требованиям к сопротивлению изоляции главных и вспомогательных цепей
9.10.1 Сопротивление изоляции главных цепей измеряют мегаомметром на напряжение 2500 В класса точности не ниже 15.
9.10.2 Сопротивление изоляции вспомогательных цепей измеряют мегаомметром на напряжение 500 В класса точности не ниже 15.
9.10.3 Выключатель считают выдержавшим контроль, если измеренные значения сопротивлений соответствуют требованиям
5.1.2.11.
9.11 Контроль на соответствие требованиям к сопротивлению главной цепи выключателя
9.11.1 Для контроля измеряют сопротивление главной цепи выключателя во включенном положении микроомметром с погрешностью измерений не более 1%. Щупы микроомметра подключают к контактным зажимам для присоединения внешних проводников.
9.11.2 Выключатель считают выдержавшим контроль, если сопротивление главной цепи выключателя соответствует
5.1.2.11.
9.11.3 Допускается проверка методом определения падения напряжения на токопроводе выключателя. При этом ток, пропускаемый через выключатель, должен быть не менее 200 А, а приборы для измерения тока и падения напряжения должны быть класса точности не ниже 0,5.
9.12 Контроль на соответствие требованиям к комплектности
Контроль проводят визуально. Выключатель считают выдержавшим контроль, если его комплектация соответствует требованиям конструкторских документов.
9.13 Испытание на соответствие требованиям по отключающей способности
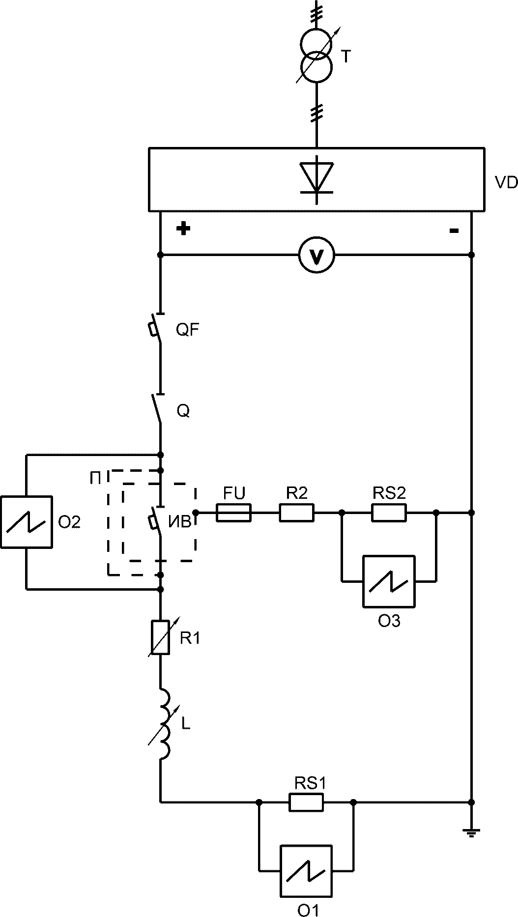
9.13.1 Типичная схема для испытаний приведена на
рисунке 1.
FU - предохранитель; L - индуктивность нагрузки; О1, О2,
О3 - осциллограф; R - сопротивление нагрузки; RS1, RS2 -
токоизмерительный шунт; Т - трансформатор; VD -
выпрямитель; V - вольтметр; Q - разъединитель;
QF - защитный выключатель; ИВ - испытуемый
выключатель; П - временная перемычка
для калибровки испытательной схемы
Рисунок 1 - Схема испытательного стенда
9.13.2 Испытания проводят при напряжении, составляющем от 0,95 до 1,05 от значения наибольшего рабочего напряжения выключателя. Возвращающееся напряжение должно быть не менее 0,95 от значения наибольшего рабочего напряжения выключателя.
9.13.3 При испытании на отключающую способность величины ток главной цепи, напряжение дуги, собственное время размыкания, полное время отключения выключателя, начальная скорость нарастания тока, возвращающееся напряжение определяются по осциллограммам в соответствии с
рисунком 2. Для измерений используется цифровой осциллограф с вертикальным разрешением не менее 10 бит и с коэффициентом нелинейности канала не более 2%.
Iмакс - максимальное значение тока цепи (см.
3.8);
Iуст - уставка выключателя по току (см.
3.10);
Uдуги - максимальное напряжение дуги (см.
5.1.1.7);
Uвозвр - возвращающееся напряжение (см.
3.11);
tсобств - собственное время размыкания (см.
3.1);
tполн - полное время отключения (см.
3.2)
Рисунок 2 - Осциллограмма процесса отключения выключателя
9.13.4 Перед испытаниями измеряют сопротивление главной цепи выключателя микроомметром с погрешностью измерений не более 1%.
9.13.5 Выключатель устанавливают в положении, предусмотренном конструкторской документацией.
9.13.6 Устанавливают уставку по току, равную максимальному значению уставки по току выключателя, если она не превышает 0,5 от максимального значения тока в цепи. Если максимальное значение уставки по току выключателя превышает 0,5 от максимального значения тока в цепи, то уставка принимается равной 0,5 от максимального значения тока в цепи, но не ниже номинального значения тока выключателя.
9.13.7 Главную цепь выключателя включают в цепь испытательной схемы, как показано на
рисунке 1.
9.13.8 Устанавливают экраны, изготовленные из листовой стали по
ГОСТ Р 52246 (или аналогичной) толщиной от 0,5 до 3,0 мм, таким образом, чтобы размеры и расположение этих экранов соответствовали опасной зоне выхлопа, указанной в технических условиях на выключатель конкретного типа. Все экраны электрически соединяют и через предохранитель FU и измерительный шунт RS2 заземляют, как показано на рисунке 1. В качестве предохранителя используют медную проволоку диаметром от 0,1 до 0,15 мм, длиной от 30 до 50 мм, соединенную последовательно с резистором, сопротивлением (50 +/- 10) Ом и мощностью не менее 100 Вт. Измерительный шунт должен быть не ниже класса точности 5,0. Наличие тока через измерительный шунт указывает на недопустимое распространение дуги.
Допускается применять экраны с отверстиями диаметром не более 7 мм и расстоянием между центрами отверстий не менее 10 мм.
9.13.10 При испытании на соответствие требованиям
перечислений а),
б),
в) 5.1.1.2 циклы О - 6 - ВО - 10 - ВО - 60 - ВО для линейных выключателей и О - 10 - В - 10 - О для катодных выключателей должны обеспечиваться автоматикой стенда (ручное управление не допускается).
9.13.11 Перед испытанием испытуемый выключатель ИВ шунтируют перемычкой П, и при помощи защитного выключателя QF замыкают цепь на время, достаточное для достижения током цепи установившегося значения. По осциллограмме тока определяют максимальное значение тока и постоянную времени цепи, как показано на
рисунке 3.
Примечание - Для создания режима короткого замыкания может быть применен дополнительный коммутационный аппарат.
T - постоянная времени цепи, мс
Рисунок 3 - Осциллограмма кривой тока
9.13.12 Если максимальное значение тока цепи и/или постоянная времени цепи, полученные при измерении по
9.13.9, отличаются от установленных в
5.1.1.2 требований, то производят регулировку параметров цепи и измерение по
9.13.9 повторяют. Допустимые отклонения для максимального значения тока - от минус 3 до плюс 6%; для постоянной времени цепи - не более +/- 10%.
9.13.13 Перемычку П отключают.
9.13.14 Включают испытуемый выключатель ИВ.
9.13.15 Замыкают цепь защитным выключателем QF, после чего автоматика стенда должна обеспечить режимы, указанные в
9.13.10, путем управления испытуемым выключателем ИВ.
9.13.16 Суммарное количество отключений должно быть равно указанному в
5.1.1.6.
9.13.17 Выключатель считается выдержавшим испытания, если при всех отключениях:
- не зафиксирован ток более 5 А через измерительный шунт RS2, указанный в
9.13.8;
- напряжение на дуге при всех отключениях не превысило максимального значения, указанного в
5.1.1.7;
- полное время отключения не превысило одно из значений, указанных в
5.1.1.5;
- собственное время размыкания не превысило значения, указанного в
5.1.1.4;
- сопротивление главной цепи выключателя, измеренное сразу после испытания и без обслуживания выключателя, увеличилось не более чем на 50% от значения сопротивления до начала испытаний (для снижения этого значения допускается произвести несколько включений-отключений без тока в главной цепи);
- изоляция главной цепи выключателя относительно заземленного основания и между разомкнутыми контактами выдерживает испытание напряжением 8000 В промышленной частоты.
Примечание - В случае если сопротивление главной цепи увеличилось более чем на 50% от значения сопротивления до начала испытаний, допускается провести испытание на нагрев номинальным током, предварительно зачистив контакты выключателя. В данном случае выключатель считается выдержавшим испытание, если превышение температуры на контактах повысилось не более чем на 10 °C по сравнению с результатами испытаний на нагрев до испытаний на электрическую износостойкость.
9.14 Испытание на соответствие требованиям по отключению малых токов
9.14.2 Ток и постоянную времени цепи определяют по
9.13.11, за исключением требования наличия перемычки П. Вместо перемычки может использоваться испытуемый выключатель во включенном положении.
9.14.3 Проводят одиночное отключение тока, значение которого находится в диапазоне от 0,5 до 1,0 от значения номинального тока выключателя.
9.14.4 Не меняя направления протекания тока, проводят по десять отключений токов каждого значения из следующей последовательности: 5 А, 10 А, 25 А, 50 А, 100 А, 200 А, 400 А (допустимое отклонение для каждого значения - не более +/- 10%), начиная с наименьшего значения в сторону увеличения. Постоянная времени цепи должна быть (0,0100 +/- 0,0015) с для каждого значения тока. При каждом отключении по осциллограммам определяют время гашения дуги.
9.14.5 Выключатель считается выдержавшим испытание на отключение минимального тока, если время гашения дуги при каждом отключении не превысило 3 с.
9.15 Испытание на соответствие требованиям к электрической износостойкости
9.15.1 Испытание на электрическую износостойкость проводят со станцией управления или схемой управления, соответствующей типу выключателей, при номинальном значении напряжения цепей управления.
9.15.3 Производят указанное в
5.1.1.8 количество отключений номинального тока при номинальном напряжении главной цепи. Постоянная времени цепи должна быть (0,0100 +/- 0,0015) с.
9.15.4 Время нахождения выключателя во включенном положении должно быть достаточным для того, чтобы механизм выключателя полностью перешел во включенное положение и чтобы ток в главной цепи достиг своего установившегося значения.
9.15.5 Выключатель считается выдержавшим испытание, если:
- сопротивление его главной цепи, измеренное сразу после испытания и без обслуживания выключателя, увеличилось не более чем на 50% от значения сопротивления до начала испытаний (для снижения этого значения допускается произвести несколько включений-отключений без тока в главной цепи);
- изоляция главной цепи выключателя относительно заземленного основания и между разомкнутыми контактами выдерживает испытание напряжением 8000 В промышленной частоты.
Примечание - В случае если сопротивление главной цепи увеличилось более чем на 50% от значения сопротивления до начала испытаний, допускается провести испытание на нагрев номинальным током, предварительно зачистив контакты выключателя. В данном случае выключатель считается выдержавшим испытание, если превышение температуры на контактах повысилось не более чем на 10 °C по сравнению с результатами испытаний на нагрев до испытаний на электрическую износостойкость.
9.16 Испытание на соответствие требованиям по нагреву
9.16.1 Испытанию на нагрев подвергают новый полностью собранный и отрегулированный выключатель.
9.16.2 Испытание на нагрев рекомендуется проводить при температуре окружающего воздуха в диапазоне от 10 до 35 °C.
9.16.3 Выключатель устанавливают в положении, предусмотренном конструкторской документацией. Выключатель должен быть защищен от посторонних воздушных течений и тепловых излучений.
9.16.4 Выключатель подключают к источнику питания шинами с размерами, указанными в таблице 9.
Таблица 9
Iном, А | Медная шина |
Количество, шт. | Сечение, мм |
2500 | 2 | 100 x 10 |
3150 | 3 | 100 x 10 |
4000 | 4 | 100 x 10 |
5000 | 5 | 100 x 10 |
6300 | 6 | 100 x 10 |
8000 | 4 | 160 x 10 |
Примечание - Шины, присоединяемые к одному выводу, следует устанавливать, как правило, в вертикальном положении и располагать друг от друга на расстоянии, равном толщине шины. Допускается другая установка шин, если это указано в технических условиях на конкретные типы выключателей. |
Минимальная длина шин от вывода выключателя до другого вывода или до вывода источника питания должна быть 3 м, но она может быть сокращена до 2 м при условии, что нагрев конца шин у источника питания не более чем на 5 °C ниже нагрева его средней части.
9.16.5 До и после испытания на нагрев измеряют суммарное падение напряжения токоведущей цепи выключателя и отдельных ее участков. Измерение проводят при значении тока, равном 0,5 от значения номинального тока. Измерение тока проводят при помощи шунта класса точности не ниже 0,5, измерение падения напряжения - при помощи милливольтметра класса точности не ниже 0,5.
9.16.6 Испытание на нагрев номинальным током проводят путем пропускания через выключатель постоянного во времени тока. Измерение тока должно производиться токоизмерительным шунтом, рассчитанным на ток не ниже номинального значения тока выключателя, с классом точности не ниже 0,5 и вольтметром с классом точности не ниже 0,5.
9.16.7 Испытание выключателя на нагрев в режиме перегрузок по
5.1.1.9 проводят путем пропускания через выключатель циклично чередующихся тока недогрузки и тока перегрузки. Испытание проводится отдельно по каждому режиму.

(2)

(3)
где Iн - ток недогрузки, А;
Iр - номинальный рабочий ток выключателя, А;
Iп - ток перегрузки, А;
Kн - коэффициент недогрузки;
Kп - коэффициент перегрузки;
tу - время усреднения, с;
tп - время перегрузки, с.
9.16.9 Превышение температуры tпер, °C, медного токопровода относительно температуры окружающего воздуха 40 °C определяют по формуле

(4)
где tзам - измеренная температура (превышенная температура) контролируемой точки при температуре окружающего воздуха, при которой производится измерение, °C;
tокр - температура окружающего воздуха при измерении, °C.
9.16.10 Испытание на нагрев продолжают до достижения установившегося значения температуры. Температуру выключателя считают установившейся, если температура отдельных его частей не увеличивается более чем на 1 °C в течение 1 ч при условии, если нагрузка выключателя и температура окружающего воздуха остаются постоянными.
9.16.11 Испытание на нагрев может начинаться как с холодного, так и с нагретого состояния выключателя. Для ускорения испытания допускается вести нагрев выключателя до 80% от значения ожидаемой температуры током, превышающим номинальное значение не более чем в два раза.
9.16.12 При испытании выключателя на нагрев цепи управления (катушки управления, сопротивления), по которым при номинальной работе протекает ток, должны находиться под действием номинального значения тока, если возможен их взаимный нагрев.
9.16.13 Температуру окружающего воздуха во время испытания измеряют термометром (или прибором с термодатчиком) с погрешностью не более +/- 0,5 °C.
За температуру окружающего воздуха следует принимать среднеарифметическое значение показаний не менее двух термометров (или прибора с двумя и более термодатчиками), равномерно размещенных относительно выключателя на расстоянии (1,0 +/- 0,2) м, примерно посередине его высоты.
Термометры (термодатчики) следует защитить от тепловых излучений, посторонних воздушных течений и влияния быстрых изменений температуры на показания, например погружением термометра (термодатчика) в наполненный трансформаторным маслом сосуд объемом около 200 см3.
9.16.14 При испытании на нагрев определяют температуру или превышение температуры частей выключателя над температурой окружающего воздуха. В обязательном порядке должны определять температуры следующих частей:
- контактные зажимы для присоединения внешних проводников;
- все контактные детали коммутирующих контактов;
- гибкие соединения;
- катушки последовательного магнитного дутья.
Температуру частей выключателя определяют термометром или термопарой, а также любыми другими способами, обеспечивающими измерение температуры с погрешностью не более +/- 0,5 °C.
Температуру многослойных катушек должны определять по изменению значения электрического сопротивления. Допускается применение других методов, если метод измерения электрического сопротивления неосуществим.
9.16.15 При определении превышения температуры термопарой последняя должна быть плотно прижата к испытуемой детали выключателя. Для точных измерений рекомендуется устанавливать термопары в специальные отверстия, высверленные в выключателе. Термопары в отверстиях уплотняются фольгой или же приклеиваются к детали выключателя. Холодный спай термопары должен быть расположен в месте, не подверженном воздействию тепловых излучений и посторонних воздушных течений. Температура воздуха, окружающая холодный спай термопары, должна быть измерена термометром. Провода термопары во избежание образования контуров, в которых могут индуктироваться электродвижущие силы, должны быть скручены между собой.
При измерении температуры методом изменения электрического сопротивления превышение температуры v, °C, для медной проволоки вычисляют по формуле

(5)
где rг - сопротивление обмотки при температуре tог, Ом;
rх - сопротивление обмотки при температуре tох, Ом;
tох - температура окружающего воздуха при измерении сопротивления обмотки в холодном состоянии, °C;
tог - температура окружающего воздуха при измерении сопротивления обмотки в нагретом состоянии, °C.
9.16.16 Выключатель считают выдержавшим испытание, если температуры частей выключателя не превышают температуры, указанные в
таблицах 3 и
4.
9.17 Контроль на соответствие требованиям по отклонению уставок по току
9.17.1 Проверку зависимости отклонений уставок по току от напряжения цепей управления проводят поочередно при напряжении цепей управления (80 +/- 2), (100 +/- 2) и (110 +/- 2)% от номинального значения напряжения. Проверку проводят для трех значений уставок - максимального, минимального и одного из промежуточных значений, отмеченных на шкале уставок выключателя, по
9.7.
9.17.2 Проверку зависимости отклонений уставок по току от расположения выключателя проводят при подключении выключателя соосно с подводящими шинами, а затем при подключении выключателя под углом 90° к подводящим шинам. Проверку проводят для трех значений уставок - максимального, минимального и одного из промежуточных значений, отмеченных на шкале уставок выключателя. Выключатель подключают шинами длиной не менее 1 м к источнику тока.
9.17.3 Выключатель считают выдержавшим проверку, если значения отклонений уставок по току, полученных при измерениях по
9.17.1 и
9.17.2, не превышают указанных в
5.1.1.13.
9.18 Контроль на соответствие требованию по включению на ток значением 0,7 от значения тока уставки и начальной скорости нарастания тока (0,5...0,7)·106 А/с
9.18.1 Производят включение выключателем электрической цепи, в которой ток нарастает до значения, равного от 0,65 до 0,75 от значения уставки по току, с начальной скоростью нарастания (0,5...0,7)
·10
6 А/с. Значение тока фиксируют при помощи цифрового осциллографа с вертикальным разрешением не менее 10 бит и с коэффициентом нелинейности канала не более 2%.
9.18.2 Проверку по
9.18.1 проводят для минимального значения уставки по току и для максимального значения уставки по току.
9.18.3 Включение производится при значении напряжения цепей управления выключателем 80% от номинального значения напряжения.
9.18.4 Выключатель считают выдержавшим проверку, если не произошло автоматического отключения выключателя после его включения.
9.19 Контроль на соответствие требованию по пропусканию прямого тока выключателем обратного тока
9.19.1 Контроль можно проводить как при номинальном (наибольшем рабочем) напряжении главной цепи, так и при пониженном напряжении.
9.19.2 Через включенный выключатель обратного тока пропускают в прямом направлении ток, значение которого не менее указанного в
5.1.1.16, в течение времени не менее 0,025 с.
9.19.3 Выключатель считается выдержавшим проверку, если не произошло его автоматического отключения.
9.20 Контроль на соответствие требованию по отключению при снижении напряжения цепей управления
9.20.1 Цепи управления выключателя подключают к регулируемому источнику питания. Напряжение источника питания контролируют вольтметром класса точности не ниже 1,0.
9.20.2 Выставляют на источнике питания значение напряжения, равное номинальному значению напряжения цепей управления выключателя.
9.20.3 Включают выключатель.
9.20.4 Снижают напряжение источника питания до значения 30% от номинального значения напряжения выключателя.
9.20.5 Выключатель считается выдержавшим проверку, если он отключился после снижения напряжения источника питания.
9.21 Контроль на соответствие требованиям по массе, габаритным, присоединительным и установочным размерам
9.21.1 Габаритные размеры измеряют универсальными измерительными инструментами. Погрешность измерений не должна превышать 1%.
9.21.2 Массу выключателя измеряют на весах общего применения или динамометром. Погрешность измерений не должна превышать 1%.
9.21.3 Выключатель считается выдержавшим контроль, если значения габаритных размеров и массы не превышают указанных в
5.1.2.2.
9.22 Контроль на соответствие требованию по наличию электрического привода
Контроль проводят путем анализа конструкторской документации.
9.23 Контроль на соответствие требованиям по потребляемой мощности
9.23.1 Контроль мощности, потребляемой при включении, проводят путем осциллографирования кривых потребляемого тока и напряжения на выходе источника питания при включении выключателя. Для осциллографирования используют цифровой осциллограф с вертикальным разрешением не менее 10 бит и с коэффициентом нелинейности канала не более 2%. По осциллограмме находят максимальное значение тока и определяют значение напряжения в данной точке. Мощность P, Вт, находят по формуле
где I - измеренный ток, А;
U - измеренное напряжение, В.
9.23.2 Контроль мощности, длительно потребляемой выключателем, проводят амперметром и вольтметром классов точности не ниже 0,5. Мощность находят по
формуле (6).
9.24 Контроль на соответствие требованию по возможности пломбирования устройства, регулирующего уставку по току
Контроль проводят путем анализа конструкторской документации.
9.25 Контроль на соответствие требованию по наличию вспомогательных контактов
Контроль проводят путем анализа конструкторской документации.
9.26 Контроль на соответствие требованиям по наличию защитных покрытий и смазки
Контроль проводят путем анализа конструкторской документации.
9.27 Контроль на соответствие требованиям по совместимости с интеллектуальными терминалами присоединений
9.27.1 Путем анализа технической документации на выключатель и на интеллектуальный терминал присоединений определяют возможность подключения терминала к выключателю.
9.27.2 Подключают терминал к выключателю, подают напряжение цепей управления.
9.27.3 Путем подачи команд от терминала "Оперативное включение" и "Оперативное отключение" три раза включают и выключают выключатель.
9.27.4 Главные контакты выключателя включают в цепь напряжением от 1,5 до 6 В и с рабочим током от 0,01 до 0,1 А. Это необходимо для определения момента размыкания контактов при помощи осциллографа.
9.27.5 Подключают один канал осциллографа на главные контакты выключателя, второй канал осциллографа - на выход аварийного отключения терминала.
9.27.6 Включают выключатель.
9.27.7 Имитируют срабатывание терминала в аварийном режиме с подачей команды на отключение выключателя.
9.27.8 По осциллографу определяют собственное время размыкания выключателя. Это время равно промежутку между моментом подачи команды от терминала на аварийное отключение до момента размыкания контактов.
9.27.9 Выключатель считают выдержавшим контроль, если:
- выключатель срабатывал на включение и отключение по сигналам от терминала;
- собственное время размыкания контактов соответствует указанному в
5.1.1.4.
9.27.10 Допускается проверку проводить при подключении контактов, имитирующих работу интеллектуального терминала.
9.28 Контроль на соответствие требованиям по взаимозаменяемости сменных частей
9.28.1 Для контроля берут новый выключатель с комплектом запасных частей в соответствии с ведомостью запасных частей.
9.28.2 Проводят замену всех деталей выключателя, указанных в ведомости запасных частей, в соответствии с прилагаемой к выключателю эксплуатационной документацией.
9.28.3 Выключатель считают выдержавшим контроль, если после замены сменных частей он пригоден к эксплуатации.
9.29 Контроль на соответствие требованиям по показателям надежности
9.29.1 Показатели надежности определяют:
- на стадии разработки - расчетными методами по
ГОСТ 27.301;
- при серийном выпуске - в соответствии с методикой оценки показателей надежности по экспериментальным данным
[2].
9.29.2 Результаты контроля считают положительными, если значения показателей надежности, полученные по
9.29.1:
- для коэффициента готовности, средней наработки на отказ и среднего срока службы (полного) - не ниже указанных в
5.1.4;
- для остальных показателей надежности - не хуже указанных в технических условиях на изделия конкретных типов.
9.30 Испытание на соответствие требованиям по механической износостойкости
9.30.1 Испытание проводят без тока в главной цепи со станцией управления (схемой управления), соответствующей типу выключателя, при номинальном напряжении цепей управления.
9.30.2 Не менее двух вспомогательных контактов включают в цепь с параметрами по
5.1.1.19.
9.30.3 До, после и во время испытания, через определенное количество циклов (в соответствии с установленным в технических условиях на конкретные типы выключателей, но менее 5000), контролируют параметры, влияющие на работу выключателя (например, нажатия, зазоры, провалы, величины перемещений подвижных частей, параметры срабатывания), которые могут изменяться в процессе испытания, а также работу вспомогательных контактов, включенных в соответствии с
9.30.2.
9.30.4 При испытании выключателей допускается обычное техническое обслуживание (например, регулировка провалов и контактных нажатий, очистка выключателя без разборки от пыли, копоти в сроки, предусмотренные техническими условиями на конкретные типы выключателей).
Замена деталей на запасные не допускается, если иное не предусмотрено в технических условиях на конкретные типы выключателей.
9.30.5 Количество циклов включений-отключений при испытании выключателя следует определять счетчиком циклов или по количеству коммутационных циклов в единицу времени, помноженному на продолжительность испытания, или простым счетом.
9.30.6 Выключатель считается выдержавшим испытание, если после достижения определенного количества циклов, указанного в
5.1.4.4, он успешно пройдет проверки по
9.3 -
9.11.
9.31 Испытания на соответствие требованиям стойкости к механическим внешним воздействующим факторам
9.31.1 Испытания на стойкость к механическим внешним воздействующим факторам проводят методом 102-1 по ГОСТ 20.57.406-81
(подраздел 2.3) при степени жесткости I.
9.31.2 После испытаний по
9.31.1 выключатель повторно осматривают по 9.2.1 [
перечисления а),
в) и
г)]. При положительном результате осмотра выключатель повторно испытывают на соответствие требованиям к электрической прочности изоляции по
9.9.
9.31.3 Выключатель считают выдержавшим испытание на соответствие требованиям стойкости к механическим внешним воздействующим факторам при положительных результатах повторных испытаний на соответствие требованиям к электрической прочности изоляции по
9.9.
9.32 Испытания на соответствие требованиям по электромагнитной совместимости
9.32.1 Испытания на устойчивость к наносекундным импульсным помехам проводят по
ГОСТ 30804.4.4 во включенном положении выключателя.
9.32.2 Испытания на устойчивость к звенящей волне проводят по
ГОСТ IEC 61000-4-12 во включенном положении выключателя.
9.32.3 Выключатель считают выдержавшим испытания, если не произошло отключения при наложении помех по
9.32.1 и
9.32.2 ко всем портам выключателя и его станции управления и если после испытаний выключатель и станция управления находятся в работоспособном состоянии.
9.33 Контроль на соответствие требованиям по эргономике
Контроль проводят путем анализа конструкторской документации.
9.34 Контроль на соответствие требованиям по экономному использованию сырья и материалов
9.34.1 Значение массы металла
M, кг, в изделии вычисляют по формуле

(7)
где mi - значение массы каждой изготовленной из металла детали или сборочной единицы выключателя, определяемое по конструкторской документации на выключатель, кг;
N - количество изготовленных из металла деталей или сборочных единиц выключателя.
9.34.2 Значение удельной металлоемкости изделия
m*, кг/кА, вычисляют по формуле

(8)
где
M - значение массы металла в изделии, полученное по 9.34.1
[формула (7)], кг;
Iн - значение номинального тока выключателя из ряда по
5.1.7.2, кА.
9.34.3 Порядок контроля соответствия по иным показателям ресурсоиспользования и ресурсосбережения устанавливают в технических условиях на выключатели конкретных типов.
9.34.4 Результаты контроля считают положительными при выполнении следующих условий:
- значения массы металла в изделии и удельной металлоемкости изделия, определенные по
9.34.1 и
9.34.2, не превышают предельно допустимых по
5.1.7.2;
- значения иных показателей ресурсоиспользования и ресурсосбережения не превышают предельно допустимых по техническим условиям на изделия конкретных типов.
9.35 Контроль на соответствие требованиям к сырью, материалам и покупным изделиям
Контроль на соответствие требованиям к сырью, материалам и покупным изделиям проводят путем анализа конструкторской документации на выключатель и сопроводительных документов на сырье, материалы и покупные изделия. В необходимых случаях дополнительно истребуют протоколы испытания сырья, материалов или покупных изделий на соответствие действующим стандартам, а при отсутствии стандартов - техническим условиям.
9.36 Контроль на соответствие требованиям к маркировке
Метод контроля соответствия требованиям к маркировке, а также оценки результатов контроля - по ГОСТ 26828-86 (
разделы 3 и
4)
.
9.37 Контроль на соответствие требованиям к упаковке
Метод контроля соответствия требованиям к упаковке, а также оценки результатов контроля - по ГОСТ 23170-78 (
разделы 3 и
4).
10 Транспортирование и хранение
10.1 Выключатели или их части перевозят транспортом любого вида, за исключением морского.
10.2 Выключатели при транспортировании должны выдерживать воздействие климатических факторов внешней среды по группе 6 по
ГОСТ 15150, в части воздействия механических факторов - группе (С) по
ГОСТ 23216.
10.3 В каждое грузовое место должен быть вложен упаковочный лист, содержащий перечень упакованных частей.
10.4 Условия хранения выключателей у поставщика и потребителя должны соответствовать условиям хранения 1 (Л) по
ГОСТ 15150.
11 Указания по эксплуатации
11.1 Общие указания
11.1.1 На стадии эксплуатации в целях поддержания и восстановления работоспособного состояния выключатели подвергают следующим видам технического обслуживания и ремонта:
а) осмотру без вывода из работы;
б) текущему ремонту;
в) тепловизионному обследованию;
г) межремонтным испытаниям;
д) капитальному ремонту.
11.1.2 Периодичность выполнения видов технического обслуживания и ремонта по 11.1.1 [
перечисления а) -
г)] принимают в соответствии с требованиями нормативных документов федеральных органов исполнительной власти, а при отсутствии таких требований - в соответствии с организационно-распорядительными документами владельца железнодорожной инфраструктуры. Рекомендуется периодичность:
- для осмотра без вывода из работы - не реже одного раза в три месяца;
- для текущего ремонта - один раз в
T/40 лет [где
T - средний (полный) срок службы выключателя по
5.1.4.5, указанный в годах], за исключением периодов, когда выполняют межремонтные испытания;
- для тепловизионного обследования - один раз в T/10 лет, за исключением тех лет, когда выполняют текущий ремонт;
- для межремонтных испытаний - один раз в T/20 лет.
Капитальный ремонт выполняют без фиксированной периодичности по мере необходимости.
11.1.3 Организационные и технические меры по обеспечению безопасности работ в электроустановках при каждом из указанных в
11.1.1 видах технического обслуживания и ремонта выключателей выполняют в соответствии с требованиями нормативных документов федеральных органов исполнительной власти, а при отсутствии таких требований - в соответствии с организационно-распорядительными документами владельца железнодорожной инфраструктуры.
11.1.4 Состав технологических операций, испытаний и видов контроля, подлежащих выполнению при каждом из указанных в
11.1.1 видах технического обслуживания и ремонта - по
11.2 -
11.5. В технических условиях на изделия конкретных типов, исходя из их конструктивных особенностей, допускается предусматривать дополнительные технологические операции, испытания и виды контроля. Порядок выполнения таких технологических операций, испытаний и видов контроля устанавливают в технических условиях, а также в руководстве по эксплуатации выключателей конкретного типа.
11.2 Осмотр без вывода из работы
При осмотре без вывода из работы контролируют:
- соответствие сигнализации о положении выключателя его фактическому положению;
- состояние подходящих к выключателю ошиновки и кабелей и отсутствие признаков нагрева контактных соединений;
- состояние заземляющих проводников;
- показания счетчика количества аварийных отключений.
При текущем ремонте выполняют:
- очистку элементов конструкции выключателя и камеры (шкафа), в которых он размещен;
- измерение износа, зачистку контактов, дугогасительных рогов, перегородок, экранов, устья дугогасительной камеры;
- измерение основных механических параметров.
Измерение износа контактов и основных механических параметров выполняют согласно руководству по эксплуатации выключателя.
11.4 Тепловизионное обследование
Требования к порядку проведения тепловизионного обследования, метрологическим характеристикам применяемых средств измерений, условиям работы выключателя в ходе обследования и перед его началом, точки, в которых измеряется температура, а также критерии оценки технического состояния выключателя по результатам обследования устанавливают в руководстве по эксплуатации выключателей конкретного типа.
11.5 Межремонтные испытания
При межремонтных испытаниях выполняют:
- технологические операции, измерения и испытания, входящие в объем текущего ремонта по
11.3;
- удаление загрязнений из труднодоступных полостей выключателя;
- измерение всех механических параметров согласно руководству по эксплуатации выключателя;
- измерение сопротивления изоляции вторичных цепей, включающей и отключающей катушек по
11.5.2;
- измерение тока держащей катушки по
11.5.3 (только для выключателей, у которых вследствие конструктивных особенностей уставка зависит от тока держащей катушки);
- измерение уставки выключателя и датчиков тока по
11.5.4 (для всех выключателей, кроме катодных);
- испытание изоляции повышенным напряжением промышленной частоты по 5.2.1.12;
- восстановление смазки трущихся частей механизма выключателя и привода.
11.5.2 Измерение сопротивления изоляции вторичных цепей, включающей и отключающей катушек
11.5.2.1 Измерение сопротивления изоляции вторичных цепей, включающей и отключающей катушек выполняют однократно мегаомметром на напряжение 1000 В.
11.5.2.2 Значения сопротивления изоляции, полученные при измерении по
11.5.2.1, сравнивают с предельно допустимыми, указанными в руководстве по эксплуатации выключателя.
11.5.2.3 Выключатель считают пригодным к дальнейшей эксплуатации, если значения сопротивления изоляции, полученные при измерении по
11.5.2.1, не менее предельно допустимых. В противном случае выключатель ремонтируют и измерение по
11.5.2.1 повторяют.
11.5.3 Измерение тока держащей катушки
11.5.3.1 Измерение тока держащей катушки выполняют однократно амперметром прямого включения класса точности не ниже 1,5.
11.5.3.2 Значение тока держащей катушки, полученное при измерении по
11.5.3.1, сравнивают с предельно допустимым, указанным в руководстве по эксплуатации выключателя.
11.5.3.3 Выключатель считают пригодным к дальнейшей эксплуатации, если значение тока держащей катушки, полученное при измерении по
11.5.3.1, находится в допустимых пределах. В противном случае схему управления выключателя и/или выключатель ремонтируют и измерение по
11.5.3.1 повторяют.
11.5.4 Измерение уставки выключателя и датчиков тока
11.5.4.1 Измерение уставки выключателя и датчиков тока выполняют при подаче на выключатель тока от специальных генераторов импульсного тока.
Для измерения значения тока, при котором отключается выключатель или срабатывает датчик тока, используют амперметр косвенного включения класса точности не ниже 0,5 и измерительный шунт по
ГОСТ 22261 класса точности не ниже 0,5.
Импульсы тока на проверяемый выключатель подают трижды с интервалом времени от 30 с до 2 мин.
11.5.4.2 Значения уставки, полученные при измерении по
11.5.4.1, сравнивают с установленным для того присоединения, на котором эксплуатируется выключатель.
11.5.4.3 Выключатель считают пригодным к дальнейшей эксплуатации, если значения уставки, полученные при измерении по
11.5.4.1, составляют от 97 до 100% значения, установленного для того присоединения, на котором эксплуатируется выключатель. В противном случае уставку регулируют и измерения по
11.5.4.1 повторяют.
11.6 Капитальный ремонт
При капитальном ремонте выключателей производят замену частей конструкции, техническое состояние которых не удовлетворяет требованиям
11.5.
Перед вводом в работу после капитального ремонта выполняют:
- технологические операции, испытания и виды контроля, проводимые при текущем ремонте по
11.3 и при межремонтных испытаниях по
11.5.1;
- ремонт дугогасительных камер с полной разборкой.
12.1 Изготовитель гарантирует соответствие выключателей требованиям настоящего стандарта при соблюдении условий эксплуатации, транспортирования и хранения, установленных настоящим стандартом и техническими условиями на конкретные типы выключателей.
12.2 Гарантийный срок эксплуатации - два года. Гарантийный срок эксплуатации исчисляют со дня ввода выключателя (привода) в эксплуатацию, но не позднее трех лет со дня отгрузки с предприятия-изготовителя.
| " Правила по охране труда при эксплуатации электроустановок". Утверждены Приказом Минтруда РФ от 24 июля 2013 г. N 328н |
| Технический регламент Таможенного союза О безопасности инфраструктуры железнодорожного транспорта ТР ТС 003/2011 |