Главная // Актуальные документы // ГОСТ (Государственный стандарт)
СПРАВКА
Источник публикации
М.: Стандартинформ, 2016
Примечание к документу
Документ введен в действие с 1 июня 2017 года.
Название документа
"ГОСТ IEC 61000-4-12-2016. Межгосударственный стандарт. Электромагнитная совместимость (ЭМС). Часть 4-12. Методы испытаний и измерений. Испытание на устойчивость к звенящей волне"
(введен в действие Приказом Росстандарта от 20.10.2016 N 1456-ст)

"ГОСТ IEC 61000-4-12-2016. Межгосударственный стандарт. Электромагнитная совместимость (ЭМС). Часть 4-12. Методы испытаний и измерений. Испытание на устойчивость к звенящей волне"
(введен в действие Приказом Росстандарта от 20.10.2016 N 1456-ст)


Содержание


Введен в действие
Приказом Федерального агентства
по техническому регулированию
и метрологии
от 20 октября 2016 г. N 1456-ст
МЕЖГОСУДАРСТВЕННЫЙ СТАНДАРТ
ЭЛЕКТРОМАГНИТНАЯ СОВМЕСТИМОСТЬ (ЭМС)
ЧАСТЬ 4-12
МЕТОДЫ ИСПЫТАНИЙ И ИЗМЕРЕНИЙ
ИСПЫТАНИЕ НА УСТОЙЧИВОСТЬ К ЗВЕНЯЩЕЙ ВОЛНЕ
Electromagnetic compatibility (EMC). Part 4-12. Testing
and measurement techniques. Ring wave immunity test
(IEC 61000-4-12:2006, IDT)
ГОСТ IEC 61000-4-12-2016
МКС 33.100.20
Дата введения
1 июня 2017 года
Предисловие
Цели, основные принципы и основной порядок проведения работ по межгосударственной стандартизации установлены в ГОСТ 1.0-2015 "Межгосударственная система стандартизации. Основные положения" и ГОСТ 1.2-2015 "Межгосударственная система стандартизации. Стандарты межгосударственные, правила и рекомендации по межгосударственной стандартизации. Правила разработки, принятия, обновления и отмены"
Сведения о стандарте
1 ПОДГОТОВЛЕН Закрытым акционерным обществом "Научно-испытательный центр "САМТЭС" и Техническим комитетом по стандартизации ТК 30 "электромагнитная совместимость технических средств" на основе собственного перевода на русский язык англоязычной версии стандарта, указанного в пункте 5
2 ВНЕСЕН Федеральным агентством по техническому регулированию и метрологии (Росстандарт)
3 ПРИНЯТ Межгосударственным советом по стандартизации, метрологии и сертификации (протокол от 29 марта 2016 г. N 86-П)
За принятие проголосовали:
Краткое наименование страны по МК (ИСО 3166) 004-97
Код страны по МК (ИСО 3166) 004-97
Сокращенное наименование национального органа по стандартизации
Армения
AM
Минэкономики Республики Армения
Беларусь
BY
Госстандарт Республики Беларусь
Киргизия
KG
Кыргызстандарт
Россия
RU
Росстандарт
Таджикистан
TJ
Таджикстандарт
4 Приказом Федерального агентства по техническому регулированию и метрологии от 20 октября 2016 г. N 1456-ст межгосударственный стандарт ГОСТ IEC 61000-4-12-2016 введен в действие в качестве национального стандарта Российской Федерации с 1 июня 2017 г.
5 Настоящий стандарт идентичен международному стандарту IEC 61000-4-12:2006 "Электромагнитная совместимость (ЭМС). Часть 4-12. Методы испытаний и измерений. Испытание на устойчивость к звенящей волне" ["Electromagnetic compatibility (EMC) - Part 4-12: Testing and measurement techniques - Ring wave immunity test", IDT].
Международный стандарт IEC 61000-4-12:2006 подготовлен Подкомитетом 77B "Высокочастотные электромагнитные явления" Технического комитета ТК 77 IEC "Электромагнитная совместимость".
Настоящее второе издание международного стандарта IEC 61000-4-12:2006 отменяет и заменяет первое издание, опубликованное в 1995 г., и изменение 1 (2000 г.), представляет собой техническое изменение в части характеристик и функционирования испытательного оборудования и относится только к испытанию на устойчивость к звенящей волне.
При применении настоящего стандарта рекомендуется использовать вместо ссылочного международного стандарта соответствующий ему межгосударственный стандарт, сведения о котором приведены в дополнительном приложении ДА
6 ВВЕДЕН ВПЕРВЫЕ
Информация об изменениях к настоящему стандарту публикуется в ежегодном информационном указателе "Национальные стандарты", а текст изменений и поправок - в ежемесячном информационном указателе "Национальные стандарты". В случае пересмотра (замены) или отмены настоящего стандарта соответствующее уведомление будет опубликовано в ежемесячном информационном указателе "Национальные стандарты". Соответствующая информация, уведомления и тексты размещаются также в информационной системе общего пользования - на официальном сайте Федерального агентства по техническому регулированию и метрологии в сети Интернет
Введение
Стандарты серии IEC 61000 публикуются отдельными частями в соответствии со следующей структурой:
- часть 1. Общие положения:
общее рассмотрение (введение, фундаментальные принципы), определения, терминология;
- часть 2. Электромагнитная обстановка:
описание электромагнитной обстановки, классификация электромагнитной обстановки, уровни электромагнитной совместимости;
- часть 3. Нормы:
нормы электромагнитной эмиссии, нормы помехоустойчивости (в тех случаях, когда они не являются предметом рассмотрения техническими комитетами, разрабатывающими стандарты на продукцию);
- часть 4. Методы испытаний и измерений:
методы измерений, методы испытаний;
- часть 5. Руководства по установке и помехоподавлению:
руководства по установке, методы и устройства помехоподавления;
- часть 6. Общие стандарты;
- часть 9. Разное.
Каждая часть далее подразделяется на несколько частей, которые могут быть опубликованы в качестве международных стандартов или технических требований, или технических отчетов, некоторые из которых были уже опубликованы как разделы. Другие будут опубликованы с указанием номера части, за которым следует дефис, а затем номер раздела (например, IEC 61000-6-1).
Настоящая часть представляет собой международный стандарт, который устанавливает требования помехоустойчивости и методы испытаний применительно к звенящей волне.
1. Область применения и цель
Настоящий стандарт распространяется на электрическое и электронное оборудование, получающее электропитание от общественных сетей и сетей промышленных предприятий, и устанавливает требования помехоустойчивости и методы испытаний оборудования при воздействии в рабочих условиях неповторяющихся затухающих колебательных переходных процессов (звенящих волн), которые могут возникать в низковольтных силовых линиях и линиях управления и сигнализации.
Настоящий основополагающий стандарт имеет целью установить требования помехоустойчивости и общую основу для оценки в лабораторных условиях качества функционирования электрического и электронного оборудования, предназначенного для применения в жилых, коммерческих и промышленных зонах, так же как и оборудования, предназначенного для применения на электростанциях и подстанциях.
Примечание - В соответствии с Руководством IEC 107 настоящий стандарт является основополагающим стандартом ЭМС для применения техническими комитетами IEC, разрабатывающими стандарты на продукцию. Руководство IEC 107 устанавливает также, что технические комитеты, разрабатывающие стандарты на продукцию, ответственны за определение необходимости применения настоящего стандарта для испытаний на помехоустойчивость и (в случае его применения) за выбор испытательных уровней и критериев качества функционирования. ТК 77 и его подкомитеты готовы к сотрудничеству с техническими комитетами IEC, разрабатывающими стандарты на продукцию, в оценке уровней конкретных испытаний на помехоустойчивость для соответствующих видов продукции.
Настоящий стандарт применяется при установлении:
- форм испытательного напряжения и тока;
- диапазонов испытательных уровней;
- испытательного оборудования;
- испытательной установки;
- процедуры испытания.
2. Нормативные ссылки
Для применения настоящего стандарта необходимы следующие ссылочные документы. Для датированных ссылок применяют только указанное издание ссылочного документа. Для недатированных ссылок применяют последнее издание ссылочного документа (включая все его изменения).
IEC 60050 (161), International Electrotechnical Vocabulary (IEV) - Chapter 161: Electromagnetic compatibility
Международный электротехнический словарь. Глава 161. Электромагнитная совместимость
3. Термины и определения
В настоящем стандарте применены термины по IEC 60050-161, а также следующие термины с соответствующими определениями.
Примечание - Некоторые из наиболее применимых терминов и определений IEC 60050-161 приведены ниже:
3.1 пачка (burst): Последовательность ограниченного числа отдельных импульсов или колебаний ограниченной продолжительности.
[IEV 161-02-07]
3.2 калибровка (calibration): Совокупность операций, устанавливающих посредством ссылок на стандарты соотношение, существующее при определенных условиях между показанием и результатом измерения.
Примечания
1 Термин основан на подходе неопределенности измерений.
2 Соотношение между показаниями и результатами измерения в принципе может быть выражено калибровочной диаграммой.
[IEV 311-01-09]
3.3 связь (coupling): Взаимодействие между цепями, передача энергии из одной цепи в другую.
3.4 устройство связи (coupling network): Электрическая схема, предназначенная для передачи энергии из одной цепи в другую.
3.5 устройство развязки (decoupling network): Электрическая схема, предназначенная для предотвращения воздействия испытательных напряжений, подаваемых на испытуемое оборудование (ИО), на устройства, оборудование или системы, не подвергаемые испытаниям.
3.6 устойчивость к электромагнитной помехе, помехоустойчивость [(immunity (to a disturbance)]: Способность устройства, оборудования или системы функционировать без ухудшения в присутствии электромагнитной помехи.
[IEV 161-01-20]
3.7 порт (port): Частный интерфейс ИО с внешней электромагнитной обстановкой.
3.8 время нарастания (rise time): Интервал времени между моментами, когда мгновенное значение импульса впервые достигает 10% и затем 90% пикового значения.
[IE 161-02-05, модифицировано]
3.9 переходный процесс (transient): Явление или величина, изменяющиеся между двумя соседними стационарными состояниями за интервал времени, короткий по сравнению с полной рассматриваемой шкалой времени.
[IEV 161-02-01]
3.10 проверка (verification): Совокупность операций, которые используются для проверки системы испытательного оборудования (например, испытательного генератора и соединительных кабелей) и демонстрации того, что испытательная система функционирует в пределах допустимых отклонений характеристик, приведенных в разделе 6.
Примечания
1 Методы, используемые при проверке, могут отличаться от методов, используемых при калибровке.
2 Условия по 6.1.2 и 6.2.2 рассматриваются в качестве руководства, обеспечивающего корректную работу испытательного генератора и другого оборудования, образующих испытательную установку, так чтобы к ИО подводился сигнал установленной формы.
3 Для целей настоящего основополагающего стандарта ЭМС данное определение отличается от определения, приведенного в IEV 311-01-13.
4. Общие положения
4.1. Описание явления
Звенящая волна (изображена на рисунке 1) представляет собой типичный колебательный переходный процесс, наводимый в низковольтных кабелях в результате переключений электрических сетей и коммутации реактивных нагрузок, аварий и пробоев изоляции в силовых питающих цепях или при молниевых разрядах. Фактически это наиболее распространенное явление в силовых электрических сетях высокого, среднего и низкого напряжения, а также в линиях управления и сигнализации.
T1 - время нарастания; T - период колебаний
Примечание - Для волны тока устанавливается только значение Pk1.
Рисунок 1 - Форма звенящей волны
(напряжение холостого хода и ток короткого замыкания)
Звенящая волна является характерным представителем различных электромагнитных обстановок в жилых зонах и промышленных установках. Этот переходный процесс пригоден для проверки помехоустойчивости оборудования по отношению к вышеупомянутым явлениям, у которых нарастание импульса (при отсутствии фильтрующих действий) характеризуется резким фронтом длительностью порядка от 10 нс до долей микросекунды. Длительность этих импульсов может изменяться от 10 до 100 мкс.
Время нарастания импульса и длительность колебаний подвергаются изменениям в зависимости от пути и среды распространения.
Распространение волны в линиях (электропитания и передачи сигналов), всегда сопровождается отражениями, обусловленными несогласованностью полных сопротивлений (линии нагружаются на собственные нагрузки или подключаются к защитным устройствам, входам линейных фильтров и т.д.). При указанных отражениях возникают колебания, частота которых зависит от скорости распространения волны. Фактором, влияющим на характер процесса, являются также наличие паразитных параметров (таких как распределенные емкости компонентов, подобных электродвигателям, обмоткам трансформаторов и т.д.). Учитывая частотные характеристики линий, по которым распространяется волна, время нарастания импульса имеет тенденцию к замедлению; этот фактор в большей степени влияет на импульсы с малым временем возрастания (порядка 10 нс) и в меньшей степени - на импульсы с временем возрастания порядка долей микросекунды.
Результирующим явлением на портах оборудования является колебательный переходный процесс или звенящая волна.
Указанную звенящую волну, определенную в качестве типичной при установленном времени нарастания 0,5 мкс и частоте колебаний 100 кГц, широко используют в некоторых отраслях промышленности для испытаний продукции.
Другой причиной возникновения звенящей волны являются молниевый разряд, характеризующийся односторонней формой импульса (стандартный импульс 1,2/50 мкс). При непрямом воздействии указанного разряда на линии (вследствие индуктивной связи между линиями) его влияние зависит от производной первичного импульса и механизма связи, который приводит к возникновению колебаний. Характеристики результирующей звенящей волны зависят также от реактивных параметров цепей заземления, металлических конструкций, по которым распространялся ток молнии и от условий распространения волны по низковольтным передающим линиям.
Другие стандарты IEC, такие как IEC 61000-4-5, ссылаются на стандартный импульс молниевого разряда 1,2/50 мкс, который может рассматриваться как взаимодополняющий по отношению к звенящей волне, рассматриваемой в настоящем стандарте.
Технические комитеты, разрабатывающие стандарты на продукцию, должны установить наиболее приемлемое испытание с учетом того, какое явление рассматривается как соответствующее условиям эксплуатации.
4.2. Параметры явления
4.2.1 Частота повторения
Частота повторения переходного процесса непосредственно зависит от вероятности возникновения первичного явления. Указанная вероятность является большей для таких явлений, как переключения нагрузок в линиях управления, и меньшей для аварийных ситуаций и молниевых разрядов. Частота повторения может изменяться от 1/с до 1/мес или 1/год.
Для уменьшения продолжительности испытания частота повторения может быть увеличена. Однако она должна быть выбрана с учетом характеристик применяемых устройств защиты от переходных процессов.
4.2.2 Фазовый угол
Аварийные нарушения функционирования оборудования, вызванные воздействием звенящей волны на источники электропитания, могут зависеть от фазового угла переменного тока в момент приложения переходного процесса. Если при испытании звенящей волной возникает разряд в устройстве защиты, то в зависимости от фазового угла переходного процесса может возникнуть замыкание источника питания. При этом ток от подключенного источника питания через устройство защиты или любой дуговой разряд в ИО будет продолжаться в течение и после окончания переходного процесса.
Для полупроводниковых элементов указанное явление возникает в зависимости от состояния проводимости устройства во время воздействия звенящей волны и определяется такими параметрами полупроводниковых элементов, как характеристики восстановления и качество функционирования после пробоя.
Устройствами, которые с наибольшей вероятностью могут быть повреждены в зависимости от фазового угла переходного процесса, являются полупроводниковые элементы во входных силовых цепях. Восприимчивость к повреждениям также могут проявлять другие устройства в конструкции ИО.
5. Испытательные уровни
Предпочтительные испытательные уровни для звенящей волны, применимые для портов электропитания, сигнальных портов и портов управления оборудования, приведены в таблице 1.
Таблица 1
Испытательные уровни для звенящей волны
Уровень
Линия - земля, кВ
Линия - линия, кВ
1
0,5
0,25
2
1
0,5
3
2
1
4
4
2
x <a>
x
x
<a> x может быть выше, ниже любого уровня или между любыми уровнями. Этот уровень может быть установлен в стандарте на продукцию.
Испытательный уровень определяется как напряжение (максимальное или минимальное) первого пика испытательной волны (Pk1 на рисунке 1).
Для портов электропитания, сигнальных портов и портов управления могут применяться разные уровни.
Уровень (уровни), применяемые для сигнальных портов и портов управления, не должны отличаться более чем на одну ступень от применяемых для портов электропитания.
Применимость испытаний звенящей волной должна быть указана в технической документации на конкретную продукцию.
Испытательные уровни следует выбирать по таблице 1 в соответствии с наиболее реалистичными условиями установки и внешней среды.
Выбранные испытательные уровни применяют при испытаниях на помехоустойчивость, для того чтобы при установлении уровня качества функционирования для электромагнитной обстановки, в которой оборудование, как ожидается, будет функционировать, учитывали первичное явление и практику монтажа, определяющие классы электромагнитной обстановки.
Выбор испытательных уровней следует проводить на основе их применимости для конкретных места размещения или установки.
6. Испытательное оборудование
6.1. Испытательный генератор
Выход генератора должен обеспечить способность функционировать в условиях короткого замыкания.
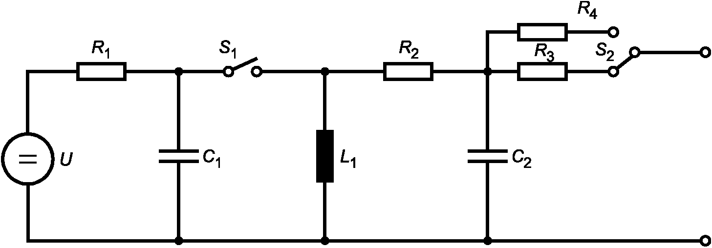
Структурная схема типичного образца генератора звенящей волны показана на рисунке 2.
U - источник высокого напряжения; R3 - резистор 30 Ом;
C1 - накопительный конденсатор; R4 - резистор 12 Ом;
C2 - конденсатор фильтра; L1 - индуктивность колебательного
контура; R1 - зарядный резистор; S1 - высоковольтный ключ;
R2 - резистор фильтра; S2 - селектор выходного сопротивления
Рисунок 2 - Пример структурной схемы
испытательного генератора звенящей волны
6.1.1 Значения полного сопротивления
Для портов силового электропитания выбраны два значения полного сопротивления: 12 и 30 Ом.
Эти значения применимы для коротких и длинных групповых цепей соответственно, учитывая относительное удаление источника электропитания от главной распределительной сети. Они представляют собой технический компромисс, поскольку позволяют испытать порты ИО, связанные в обычных условиях с цепями, имеющим низкое полное сопротивление, соответствующее значениям, приведенным в IEC 60816. Кроме того, они соответствуют требованиям, предъявляемым при испытании устройств защиты от переходных процессов, таких, как варисторы на основе оксидов металлов, диоды Ценера и т.д., применяемых в ИО.
6.1.2 Технические характеристики и качество функционирования испытательного генератора
Испытательный генератор представляет собой генератор одиночных звенящих волн с характеристиками, указанными ниже. Характеристики следует измерять в таких же условиях, как при подаче импульсов на порты ИО. Если импульсы подаются через устройство связи/развязки, то характеристики должны быть такими, как установлено на выходе этого устройства.
Выход генератора не должен быть заземлен. Это условие подлежит выполнению при испытании сигнальных портов и портов управления ИО в режиме "линия - линия" и не является необходимым при испытании портов электропитания и испытании сигнальных портов и портов управления в режиме "линия - земля".
В генераторе должны быть предусмотрены меры по исключению эмиссии значительных помех, которые могут быть инжектированы в электрическую сеть или повлиять на результаты испытаний.
Технические характеристики:
- время нарастания напряжения (T1 на рисунке 1) . . . . . . . . . . . . . . .
0,5 мкс +/- 30% (условия холостого хода);
- время нарастания тока (T1 на рисунке 1) . . . . . . . . . . . . . . . . . . . .
<= 1 мкс (условия короткого замыкания);
- частота колебаний напряжения . . . . . . . . . . . . . . . . . . .
100 кГц +/- 10%;
- степень затухания (только напряжения, см. рисунок 1) . . . . . .
0,4 < Pk2/Pk1 < 1,1; 0,4 < Pk3/Pk2 < 0,8;
0,4 < Pk4/Pk3 < 0,8; требования к другим пикам не устанавливают;
- частота повторения переходных процессов . . . . . . . . . .
от 1 до 60 переходных процессов/мин;
- выходное сопротивление (примечание 2) . . . . . . . . . . . . . . . .
(12 Ом и 30 Ом) +/- 20% (переключается);
- напряжение холостого хода (значение Pk1, см. рисунок 1) . . . .
(250 В - 4 кВ) +/- 10%;
- ток короткого замыкания (значение Pk1, см. рисунок 1) . . . .
333 А +/- 10% для установки генератора 12 Ом;
133 А +/- 10% для установки генератора 30 Ом;
- фазовый сдвиг по отношению к частоте электропитания . . . . . . .
между 0° и 360° (угол сдвига фаз относительно переменного напряжения в линии, подаваемого на ИО, погрешность установки +/- 10°);
- полярность первого полупериода волны . . . . . . . . . . . .
положительная и отрицательная.
Примечание 1 - Частота колебаний определяется как величина, обратная периоду времени между первым и третьим пересечением нуля после начального пика. Этот период времени обозначен T на рисунке 1.
Примечание 2 - Выходное сопротивление рассчитывают делением напряжения холостого хода на силу тока короткого замыкания.
Форма звенящей волны (напряжение холостого хода и ток короткого замыкания) с отмеченными пиковыми точками приведена на рисунке 1. Пример структурной схемы генератора приведен на рисунке 2.
6.1.3 Проверка характеристик испытательного генератора
Процедура проверки рассматривается в качестве рекомендаций по обеспечению корректной работы испытательного генератора, устройств связи/развязки и других блоков, образующих испытательную установку, так чтобы к ИО подводился сигнал установленной формы.
Для обеспечения возможности сравнения результатов испытаний, проведенных с применением различных испытательных генераторов, должны быть проверены наиболее существенные характеристики генератора.
Проверке соответствия параметрам, указанным в 6.1.2, подлежат следующие характеристики:
- время нарастания (напряжения и тока);
- частота колебаний;
- степень затухания;
- частота повторения;
- напряжение холостого хода;
- ток короткого замыкания.
Проверку следует проводить с применением пробника напряжения или тока и осциллографа или других эквивалентных измерительных приборов с полосой пропускания не менее 20 МГц. Характеристики формы волны должны быть проверены на порте ИО каждого устройства связи/развязки, используемого при испытаниях на помехоустойчивость, или непосредственно на выходе испытательного генератора, если устройство связи/развязки не допускается использовать при испытаниях. Допустимая точность измерений +/- 10%.
6.2. Технические характеристики устройства связи/развязки
Устройство связи/развязки обеспечивает, с одной стороны, возможность подачи испытательного напряжения в режиме "линия - земля" или "линия - линия" на порты электропитания, сигнальные порты и порты управления ИО и, с другой стороны, исключает воздействие испытательного напряжения на вспомогательное оборудование, необходимое для проведения испытания.
Параметры волны на порте ИО устройства связи/развязки должны быть в пределах допусков, указанных в 6.1.2. Если используют нелинейные устройства связи, такие как газовые разрядники или пробойные лавинные диоды, то характеристики формы звенящей волны могут быть существенно изменены.
Технические характеристики, являющиеся общими для устройств связи/развязки, применяемых на портах электропитания, а также на портах ввода/вывода, приведены ниже; дополнительные технические характеристики, учитывающие особенности конструкции, приведены в 6.2.1 и 6.2.2.
Устройство связи должно быть способно обеспечить связь при выбранном выходном сопротивлении испытательного генератора, т.е. иметь емкость не менее 3 мкФ. Конденсаторы связи могут быть заменены устройствами связи других типов, такими как разрядники и схемы восстановления постоянной составляющей.
Устройство связи/развязки должно иметь специальный зажим заземления.
Проверка технических характеристик 6.1.2 должна выполняться с использованием осциллографа или эквивалентного электрического прибора с полосой пропускания не менее 20 МГц.
6.2.1 Устройство связи/развязки для портов электропитания переменного и постоянного тока
Характеристики формы волны на выходе устройства связи/развязки должны отвечать тем же требованиям, что установлены в 6.1.2 для испытательного генератора.
Падение сетевого напряжения переменного тока на порте ИО устройства связи/развязки должно быть менее 10% при установленном номинальном токе устройства связи.
Остаточное напряжение импульса на входах электропитания устройства развязки при отключенном ИО не должно превышать 15% подаваемого испытательного напряжения или удвоенного пикового значения номинального напряжения устройства связи/развязки, в зависимости от того, что больше.
Технические характеристики:
- электрическая прочность изоляции устройств связи при испытании импульсным напряжением 1,2/50 мкс . . .
5 кВ;
- ток нагрузки . . . . . . . . . . . . . . . . . .
соответствует потребляемому току ИО;
- число фаз . . . . . . . . . . . . . . . . . . . .
как требуется для ИО.
Примечание - Минимальные значения развязки в режимах "линия - линия" и "линия - земля" могут быть недостаточными для защиты вспомогательного оборудования, применяемого для проведения испытания.
6.2.2 Устройство связи/развязки для сигнальных портов и портов управления
Устройство связи/развязки должно иметь те же характеристики, что указаны в 6.2.1, с отличиями, указанными ниже.
Остаточное напряжение импульса на входах электропитания устройства развязки при отключенном ИО не должно превышать 15% подаваемого испытательного напряжения или удвоенного пикового значения номинального напряжения устройства связи/развязки, в зависимости от того, что больше.
Минимальное затухание, вносимое устройством развязки, может быть недостаточным для защиты вспомогательных источников сигналов, и могут быть необходимы дополнительные защитные устройства.
Устройство может состоять из отдельных блоков, для того чтобы иметь возможность испытывать порты ввода/вывода с использованием отдельных блоков или группируя блоки.
7. Испытательная установка
Испытательная установка включает в себя следующее оборудование:
- заземляющие соединения, опорная пластина заземления (GRP);
- ИО;
- испытательный генератор;
- измерительные приборы;
- устройство связи/развязки;
- вспомогательные приборы.
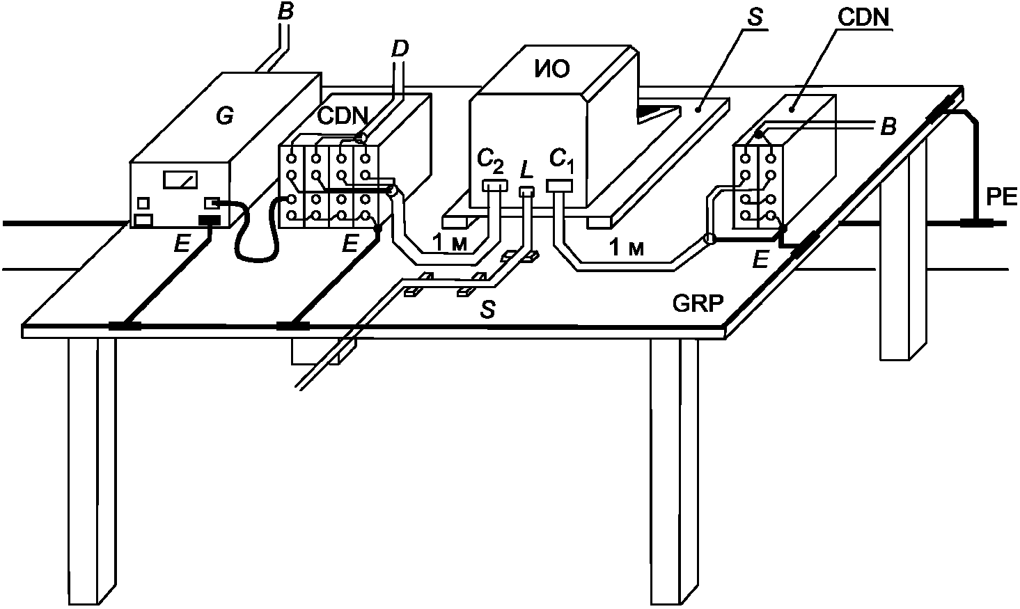
Примеры испытательных установок приведены на следующих рисунках:
- рисунок 3 - испытательная установка для настольного оборудования с использованием опорной пластины заземления;
- рисунок 4 - испытательная установка для напольного оборудования с использованием опорной пластины заземления.
Примечание - Заземляющие проводники должны быть короткими, насколько практически возможно.
ИО - испытуемое оборудование; PE - защитное заземление;
CDN - устройство связи/развязки; GRP - опорная пластина
заземления; B - источник электропитания; D - источник
сигналов; E - заземляющее соединение; C1 - порт
электропитания; L - порт связи; C2 - порт ввода/вывода;
S - изоляционная прокладка; G - испытательный генератор
Рисунок 3 - Пример испытательной установки для настольного
оборудования с использованием опорной пластины заземления
Примечание - Заземляющие проводники должны быть короткими, насколько практически возможно.
ИО - испытуемое оборудование; PE - защитное заземление;
CDN - устройство связи/развязки; GRP - опорная пластина
заземления; B - источник электропитания; S - изоляционная
прокладка; E - заземляющее соединение; C1 - порт
электропитания; L - порт связи; C2 - порт ввода/вывода;
D - источник сигналов; G - испытательный генератор
Рисунок 4 - Пример испытательной установки для напольного
оборудования с использованием опорной пластины заземления
7.1. Испытание портов силового электропитания
Испытательное напряжение должно быть подано через устройство связи/развязки.
Как правило, выходное сопротивление испытательного генератора должно быть следующим:
- порты ИО, подключенные к основным фидерам, должны быть испытаны при сопротивлении генератора 12 Ом;
- порты ИО, подключенные к штепсельным розеткам, должны быть испытаны при сопротивлении генератора 30 Ом.
Технические комитеты, разрабатывающие стандарты на продукцию, могут, при необходимости, установить испытания с использованием генератора сопротивлением 12 или 30 Ом.
7.2. Испытание портов ввода/вывода
Испытательное напряжение должно быть подано через устройство связи/развязки, пригодное для передачи рабочих сигналов портов ИО.
Сопротивление пути связи должно быть 12 или 30 Ом.
7.3. Испытание портов связи
Испытание портов связи системы с подачей испытательного напряжения через устройство связи/развязки может привести (при значительных скоростях обмена данными) к снижению уровня рабочих сигналов. Если это имеет место, испытательное напряжение должно быть подано в соответствии с рисунком 13 между корпусами взаимосвязанного оборудования (ИО 1 и ИО 2). Выходное сопротивление испытательного оборудования должно быть 12 Ом. Максимальная длина кабеля при этом испытании 20 м. Сигнальные кабели должны быть подключены в соответствии с технической документацией к продукции, в том числе в части применения мер защиты от помех.
Если ИО 1 представляет собой вспомогательное оборудование (имитатор), предварительно проверяют помехоустойчивость имитатора. При недостаточной помехоустойчивости имитатора и отсутствии возможностей повышения его помехоустойчивости испытания осуществляют в целях подтверждения следующих характеристик функционирования ИО:
- порт связи не повреждается;
- связь нарушается только в течение времени воздействия испытательного напряжения;
- качество функционирования ИО при выполнении функций, не относящихся к связи, не ухудшается.
7.4. Заземляющие соединения
При проведении испытаний ИО должны быть соблюдены требования изготовителей ИО и испытательного оборудования к защитному заземлению.
При создании испытательной конфигурации защитное заземление испытательного генератора, устройства связи/развязки, ИО и вспомогательного оборудования может быть осуществлено с использованием опорной пластины заземления или соответствующих заземляющих проводников.
7.4.1 Опорная пластина заземления
Опорная пластина заземления должна представлять собой металлический (медный или алюминиевый) лист толщиной не менее 0,25 мм. Допускается использовать другие металлы, но при этом толщина листа должна быть не менее 0,65 мм.
При использовании опорной пластины заземления размещают ИО, вспомогательное оборудование и испытательное оборудование на пластине заземления и соединяют с ней. Соединения с опорной пластиной заземления должны быть возможно более короткими.
Минимальные размеры опорной пластины заземления должны составлять 1 x 1 м. Фактические размеры зависят от размеров ИО. Опорная пластина заземления должна выступать за контур ИО и его вспомогательного оборудования не менее чем на 0,1 м с каждой стороны.
Опорная пластина заземления должна быть соединена с системой защитного заземления испытательной лаборатории.
7.4.2 Проводники заземления
Испытания на устойчивость к звенящей волне могут быть проведены без применения опорной пластины заземления, если этого требуют национальные регламенты в области безопасности. Однако при этом может быть нарушена повторяемость результатов.
Если испытание проводят без опорной пластины заземления, важно минимизировать связь с другими проводниками (включая проводники защитного заземления) и оборудованием, не являющимся частью испытательной конфигурации. Для выполнения этого требования зажимы защитного заземления (PE) трех устройств - испытательного генератора, устройства связи/развязки и ИО подключают к входному зажиму PE устройства связи/развязки.
Необходимо также, чтобы при подключенном к системе защитного заземления корпусе испытательного генератора выходные зажимы генератора были незаземленными.
7.5. Испытуемое оборудование
ИО должно быть установлено и подключено в соответствии с технической документацией на ИО. Расстояние между ИО и любыми другими проводящими предметами (например, стенами экранированного помещения), исключая пластину заземления под ИО, должно быть не менее 0,5 м.
Источниками сигналов, обеспечивающих функционирование ИО, могут быть вспомогательное оборудование или имитаторы. Линии ввода и вывода, подключаемые к вспомогательному оборудованию, должны быть обеспечены устройствами развязки для исключения воздействия помех на это оборудование.
При испытаниях используют кабели, имеющиеся в составе ИО или предусмотренные технической документацией на ИО. При отсутствии требований к кабелям применяют неэкранированные кабели, пригодные по условиям прохождения сигналов.
Устройство связи/развязки должно быть соединено с ИО кабелем длиной 1 м и соединено с опорной пластиной заземления.
Линии связи (передачи данных) должны быть подключены к ИО кабелями, применение которых соответствует технической документации или стандартам. Указанные кабели прокладывают над пластиной заземления с применением изоляционных опор толщиной 0,1 м на длине не менее 1 м от ИО.
Частные требования при испытаниях настольных и напольных ИО приведены ниже.
7.5.1 Настольное оборудование
ИО и кабели должны быть изолированы от опорной пластины заземления (при ее использовании) изоляционной опорой высотой (0,1 +/- 0,01) м.
Пример испытательной установки для настольного оборудования приведен на рисунке 3.
7.5.2 Напольное оборудование
При использовании опорной пластины заземления напольное ИО должно быть размещено на изоляционной опоре толщиной (0,1 +/- 0,01) м.
ИО должно быть подключено к системе защитного заземления в соответствии с технической документацией на ИО. Корпус ИО должен быть подключен к GRP проводником заземления минимальной длины, соединяющим зажим заземления ИО с зажимом на пластине заземления. Дополнительное заземление ИО не допускается.
Пример испытательной установки для напольного оборудования приведен на рисунке 4.
7.6. Устройства связи/развязки
Если устройство связи/развязки представляет собой блок, конструктивно отделенный от испытательного генератора, то испытательный генератор должен быть размещен в непосредственной близости к устройству связи/развязки и соединен с ним линией длиной не более 1 м.
Устройство связи/развязки должно быть подключено к пластине заземления проводником заземления минимальной длины.
ИО, не снабженное сетевым кабелем, испытывают с кабелем длиной 1 м. Если ИО снабжено сетевым кабелем длиной свыше 1 м, то излишек длины кабеля должен быть размещен в виде плоской катушки диаметром 0,2 м на высоте 0,1 м над пластиной заземления. ИО, снабженное несъемным кабелем, испытывают с имеющимся кабелем. ИО, снабженное съемным кабелем, имеющим разъемы на обоих концах, предусмотренным технической документацией на ИО, испытывают с кабелем, указанными в технической документации. Если в технической документации на ИО предусмотрено применение кабелей различной длины, имеющих разъемы на обоих концах, применяют кабели минимальной длины.
8. Процедура испытаний
Перед проведением испытаний должно быть проверено качество функционирования испытательного оборудования. Эта проверка обычно может быть ограничена проверкой наличия звенящей волны на выходе устройства связи/развязки.
Процедура испытания включает в себя:
- проверку лабораторных опорных условий;
- предварительную проверку правильности функционирования оборудования;
- проведение испытаний;
- оценку результатов испытаний.
Если иное не установлено в стандарте на продукцию, то при испытании должно быть подано не менее пяти переходных процессов положительной полярности и не менее пяти переходных процессов отрицательной полярности при максимальной частоте повторения 1/с, в зависимости от сопротивления генератора, характеристик ИО и средств защиты от импульсных помех, применяемых при испытании.
Технические комитеты, разрабатывающие стандарты на продукцию, должны определить сопротивление испытательного генератора для использования с различными портами ИО и интервалы между переходными процессами.
Сведения о максимальной частоте повторения приведены в 4.2.
Другие частоты повторения или допустимые значения могут быть приведены в стандартах или в технической документации на продукцию.
8.1. Лабораторные опорные условия
Чтобы минимизировать влияние параметров окружающей среды на результаты испытаний, испытания должны быть проведены в климатических и электромагнитных опорных условиях по 8.1.1 и 8.1.2.
8.1.1 Климатические условия
Если иное не установлено техническими комитетами, ответственными за разработку общих стандартов и стандартов на продукцию, климатические условия в лаборатории должны отвечать всем предельным значениям, установленным соответствующими изготовителями для функционирования ИО и испытательного оборудования.
Испытания не проводят, если на поверхности ИО или испытательного генератора из-за повышенной влажности возникает конденсация влаги.
Примечание - Если существуют достаточные основания считать, что явление, относящееся к области применения настоящего стандарта, вызывается климатическими условиями, то данные сведения должны быть приняты во внимание техническим комитетом, ответственным за разработку настоящего стандарта.
8.1.2 Электромагнитные условия
Электромагнитные условия в лаборатории должна быть такими, чтобы гарантировать правильное функционирование ИО и отсутствие влияния на результаты испытаний.
8.2. Проведение испытаний
Испытания должны быть проведены на основе плана испытаний, предусматривающего проверку качества функционирования ИО в соответствии со стандартом на продукцию или, при его отсутствии, в соответствии с технической документацией.
ИО испытывают в нормальных рабочих условиях.
План испытаний должен устанавливать:
- тип проводимых испытаний;
- испытательный уровень;
- испытательный генератор и внутреннее полное сопротивление для каждого испытания;
- полярность испытательного напряжения (необходимы обе полярности);
- число воздействующих испытательных напряжений;
- продолжительность испытания;
- порты ИО, подлежащие испытаниям;
- режим подачи испытательного напряжения ("линия - земля", "линия - линия", между корпусами);
- последовательность подачи испытательного напряжения на порты ИО;
- угол синхронизации и значения фазы при испытаниях порта электропитания;
- представительные рабочие условия ИО;
- вспомогательное оборудование.
Используют номинальные значения электрического питания, сигналов и других функциональных электрических величин. При отсутствии источников реальных рабочих сигналов допускается их замена имитаторами.
Перед подачей испытательного напряжения на подготовленной испытательной установке должна быть проведена предварительная проверка качества функционирования оборудования. После этого испытательное напряжение должно быть подано на ИО.
Испытания осуществляют в соответствии со стандартом на продукцию или, при его отсутствии, с технической документацией, в которых должно быть установлено применение звенящей волны. Не допускается применение испытательного уровня и значений полного сопротивления генератора и частоты повторения больших, чем установленные в стандарте на продукцию или в технической документации на оборудование.
a) Испытания "линия - земля"
Испытательное напряжение должно быть подано через устройство связи между каждой линией и заземлением (опорной пластиной заземления).
Один из зажимов испытательного генератора должен быть подключен к заземлению (опорной пластине заземления). Другой зажим генератора должен быть подключен по очереди одиночным проводником к каждому входному зажиму устройства связи.
Примеры применения этих требований для различных типов портов ИО, приведены на следующих рисунках:
- рисунок 6 - порт электропитания переменного или постоянного тока, однофазная сеть, испытание "линия - земля";
- рисунок 8 - пример испытательной установки для линий переменного тока (трехфазная сеть), емкостная связь "линия L3 - земля";
- рисунок 9 - пример испытательной установки для неэкранированных несимметричных соединительных линий; связь "линия - линия" и "линия - земля" через конденсаторы;
- рисунок 10 - пример испытательной установки для неэкранированных несимметричных соединительных линий; связь "линия - линия" и "линия - земля" через разрядники;
- рисунок 11 - пример испытательной установки для неэкранированных несимметричных соединительных линий; связь "линия - линия" и "линия - земля" через схему восстановления постоянной составляющей;
- рисунок 12 - пример испытательной установки для неэкранированных симметричных соединительных (телекоммуникационных) линий; связь "линия - земля" через разрядники.
b) Испытания "линия - линия"
Испытательное напряжение должно быть подано через устройство связи между зажимами ИО для каждой представительной комбинации зажимов.
Выход испытательного генератора должен быть незаземленным.
Примеры применения этих требований для различных типов портов ИО приведены на следующих рисунках:
- рисунок 5 - порт электропитания переменного или постоянного тока, однофазная сеть, испытание "линия - линия";
- рисунок 7 - пример испытательной установки для линий переменного тока (трехфазная сеть), емкостная связь "линия L3 - линия L1";
- рисунок 9 - пример испытательной установки для неэкранированных несимметричных соединительных линий; связь "линия - линия" и "линия - земля" через конденсаторы;
- рисунок 10 - пример испытательной установки для неэкранированных несимметричных соединительных линий; связь "линия - линия" и "линия - земля" через разрядники;
- рисунок 11 - пример испытательной установки для неэкранированных несимметричных соединительных линий; связь "линия - линия" и "линия - земля" через схему восстановления постоянной составляющей.
L - фазный провод; N - нейтральный провод;
PE - защитное заземление
Рисунок 5 - Порт электропитания переменного или постоянного
тока, однофазная сеть, испытание "линия - линия"
Рисунок 6 - Порт электропитания переменного или постоянного
тока, однофазная сеть, испытание "линия - земля"
1) Переключатель S1:
- "линия - линия" - позиции 1 - 4;
2) переключатель S2:
- в течение испытания позиции 1 - 4, исключая позицию переключателя S1.
L1, L2, L3 - фазные провода
Рисунок 7 - Пример испытательной установки
для линий переменного тока (трехфазная сеть),
емкостная связь "линия L3 - линия L1"
Переключатель S2 используют для выбора индивидуальных линий для испытаний.
Рисунок 8 - Пример испытательной установки
для линий переменного тока (трехфазная сеть),
емкостная связь "линия L3 - земля"
1) Переключатель S1:
- "линия - земля" - позиция 0,
- "линия - линия" - позиции 1 - 4;
2) переключатель S2:
- в течение испытания позиции 1 - 4, исключая позицию переключателя S1.
Рисунок 9 - Пример испытательной установки для
неэкранированных несимметричных соединительных линий;
связь "линия - линия" и "линия - земля" через конденсаторы
1) Переключатель S1:
- "линия - земля" - позиция 0,
- "линия - линия" - позиции 1 - 4;
2) переключатель S2:
- в течение испытания позиции 1 - 4, исключая позицию переключателя S1.
Рисунок 10 - Пример испытательной установки
для неэкранированных несимметричных соединительных линий;
связь "линия - линия" и "линия - земля" через разрядники
1) Переключатель S1:
- "линия - земля" - позиция 0,
- "линия - линия" - позиции 1 - 4;
2) переключатель S2:
- в течение испытания позиции 1 - 4, исключая позицию переключателя S1.
Рисунок 11 - Пример испытательной установки
для неэкранированных несимметричных соединительных линий;
связь "линия - линия" и "линия - земля"
через схему восстановления постоянной составляющей
Примечание - Газовые разрядники, показанные на схеме, могут быть заменены схемой восстановления постоянной составляющей, показанной на рисунке 11.
Рисунок 12 - Пример испытательной установки
для неэкранированных симметричных соединительных
(телекоммуникационных) линий; связь "линия - земля"
через разрядники
Рисунок 13 - Испытания системы, имеющей порты связи
с широкополосными рабочими сигналами
(выход генератора заземлен)
9. Оценка результатов испытаний
Результаты испытаний должны быть классифицированы с точки зрения прекращения выполнения функции или ухудшения качества функционирования ИО в сравнении с уровнем качества функционирования, определенным его изготовителем, заказчиком испытания или соглашением между изготовителем и покупателем продукции.
Рекомендуется следующая классификация:
A - нормальное качество функционирования в пределах, установленных изготовителем, заказчиком испытания или покупателем;
B - временное прекращение выполнения функции или ухудшение качества функционирования, которые исчезают после прекращения воздействия помех, с восстановлением нормального функционирования ИО без вмешательства оператора;
C - временное прекращение выполнения функции или ухудшение качества функционирования, коррекция которых требует вмешательства оператора или перезапуска системы;
D - прекращение выполнения функции или ухудшение качества функционирования, которые не являются восстанавливаемыми из-за повреждения оборудования (компонентов), нарушения программного обеспечения или потери данных.
В технической документации изготовителя могут быть установлены воздействия на ИО, которые могут рассматриваться как незначительные и, следовательно, допустимые.
Данная классификация может быть использована в качестве руководства при определении критериев качества функционирования техническими комитетами, ответственными за разработку общих стандартов и стандартов на продукцию и группы однородной продукции, или в качестве основы для соглашения о критериях качества функционирования между изготовителем и покупателем, если, например, не существует применимого общего стандарта, стандарта на продукцию или стандарта на группу однородной продукции.
10. Отчет об испытаниях
Отчет об испытаниях должен содержать все сведения, необходимые для воспроизводимости испытания. В частности, должно быть отражено следующее:
- пункты, установленные в плане испытаний, как указано в разделе 8 настоящего стандарта;
- идентификация ИО и любого связанного с ним оборудования, например фабричная марка, тип продукции, серийный номер;
- идентификация испытательного оборудования, например фабричная марка, тип продукции, серийный номер;
- любые особые условия обстановки, в которой было проведено испытание, например экранированное помещение;
- любые особые условия, сделавшие возможным проведение испытания;
- уровень качества функционирования, установленный изготовителем, заказчиком испытания или покупателем;
- уровень качества функционирования, установленный в общем стандарте, стандарте на продукцию или в стандарте на группу однородной продукции;
- любые воздействия на ИО при испытании, наблюдаемые в течение и после прекращения воздействия помехи, и длительность наблюдения;
- обоснование решения "проходит/не проходит" (основанное на критерии качества функционирования, установленном в общем стандарте, стандарте на продукцию или стандарте на группу однородной продукции, или в соглашении между изготовителем и покупателем);
- любые особые условия использования, например длина или тип кабеля, экранирование или заземление, рабочие условия, которые необходимы для достижения соответствия.
Приложение A
(справочное)
ИНФОРМАЦИЯ
ОБ ИСПЫТАТЕЛЬНЫХ УРОВНЯХ ДЛЯ ЗВЕНЯЩЕЙ ВОЛНЫ
Как указано в разделе 5, для того чтобы определить наиболее подходящий испытательный уровень, может быть использовано соответствие явления условиям монтажа установки и внешней среды, выбираемое на основе следующего руководства.
Уровень 1
Операции коммутации:
- порт электропитания подключен к местному защищенному источнику электроснабжения (системе бесперебойного питания, преобразователю мощности);
- порты ввода/вывода подключены к кабелям, проложенным параллельно силовым кабелям, соответствующим рассматриваемому классу электромагнитной обстановки.
Молниевые разряды:
- порт электропитания, порты ввода/вывода оборудования находятся в помещениях для управления.
Уровень 2
Операции коммутации:
- порт электропитания непосредственно подключен к распределительным электрическим сетям жилого района;
- порты электропитания оборудования на промышленных предприятиях и на электростанциях развязаны от силовых электрических сетей с использованием изолирующих трансформаторов, защитных устройств и т.д.;
- порты ввода/вывода подключены к кабелям, проложенным параллельно силовым кабелям, соответствующим рассматриваемому классу электромагнитной обстановки.
Молниевые разряды:
- порт электропитания, порты ввода/вывода подключены к экранированным кабелям.
Уровень 3
Операции коммутации:
- порт электропитания подключен к электрическим сетям электростанций и промышленных предприятий;
- порты ввода/вывода подключены к кабелям, проложенным параллельно силовым кабелям, соответствующим рассматриваемому классу электромагнитной обстановки.
Молниевые разряды:
- порт электропитания подключен к неэкранированным кабелям;
- порт электропитания, порты ввода/вывода подключены к кабелям, проложенным на открытой местности с применением экранирующих конструкций (например, металлических кожухов).
Уровень 4
Операции коммутации:
- порт электропитания ТС подключен к источнику электроснабжения, характеризующемуся значительными индуктивными нагрузками на промышленных предприятиях и электростанциях;
- порты ввода/вывода подключены к кабелям, проложенным параллельно силовым кабелям, соответствующим рассматриваемому классу электромагнитной обстановки.
Молниевые разряды:
- порт электропитания, порты ввода/вывода подключены к неэкранированным кабелям, проложенным на открытой местности.
Уровень X
Особые условия, которые должны быть проанализированы.
Приложение ДА
(справочное)
СВЕДЕНИЯ О СООТВЕТСТВИИ ССЫЛОЧНОГО МЕЖДУНАРОДНОГО СТАНДАРТА
ССЫЛОЧНОМУ МЕЖГОСУДАРСТВЕННОМУ СТАНДАРТУ
Таблица ДА.1
Обозначение и наименование международного стандарта
Степень соответствия
Обозначение и наименование межгосударственного стандарта
IEC 60050-161:1990
-
<*> Соответствующий межгосударственный стандарт отсутствует. До его принятия рекомендуется использовать русскоязычную версию IEC 60050-161:1990 с Изменением 1 (1997 г.) и перевод на русский язык Изменения 2 (1998 г.), Изменения 3 (2014 г.), Изменения 4 (2014 г.) и Изменения 5 (2015 г.) указанного международного стандарта.
--------------------------------
<1> В Российской Федерации действует ГОСТ Р 50397-2011 (МЭК 60050-161:1990) "Совместимость технических средств электромагнитная. Термины и определения".
Библиография
IEC 60050-300
International Electrotechnical Vocabulary - Electrical and electronic measurements and measuring instruments - Part 311: General terms relating to measurements - Part 312: General terms relating to electrical measurements - Part 313: Types of electrical measuring instruments - Part 314: Specific terms according to the type of instrument
(Международный электротехнический словарь. Электрические и электронные измерения и измерительные приборы. Часть 311. Общие термины, относящиеся к измерениям. Часть 312. Общие термины, относящиеся к электрическим измерениям. Часть 313. Типы электрических измерительных приборов. Часть 314. Специальные термины, соответствующие типу прибора)
IEC 60068-1
Environmental testing - Part 1: General and guidance
(Испытание на воздействие внешних факторов. Часть 1. Общие положения и руководство)
IEC 60816
Guide on methods of measurement of short duration transients on low voltage power and signal lines
(Руководство по методам измерения переходных процессов малой длительности в низковольтных силовых линиях и линиях сигнализации)
IEC 61000-4-5
Electromagnetic compatibility (EMC) - Part 4-5: Testing and measurement techniques - Surge immunity test
[Электромагнитная совместимость (ЭМС). Часть 4-5. Методы испытаний и измерений. Испытание на устойчивость к выбросу напряжения]
IEC 61010-1
Safety requirements for electrical equipment for measurement, control and laboratory use - Part 1: General requirements
(Требования безопасности электрического оборудования для измерения, управления и лабораторного применения. Часть 1. Общие требования)