Главная // Актуальные документы // ГОСТ Р (Государственный стандарт)СПРАВКА
Источник публикации
М.: Стандартинформ, 2020
Примечание к документу
Документ
введен в действие с 01.06.2021.
Название документа
"ГОСТ Р 59132-2020. Национальный стандарт Российской Федерации. Автомобильные транспортные средства. Изделия крепежные. Поднутрения. Формы и размеры"
(утв. и введен в действие Приказом Росстандарта от 27.10.2020 N 948-ст)
"ГОСТ Р 59132-2020. Национальный стандарт Российской Федерации. Автомобильные транспортные средства. Изделия крепежные. Поднутрения. Формы и размеры"
(утв. и введен в действие Приказом Росстандарта от 27.10.2020 N 948-ст)
Утвержден и введен в действие
Приказом Федерального
агентства по техническому
регулированию и метрологии
от 27 октября 2020 г. N 948-ст
НАЦИОНАЛЬНЫЙ СТАНДАРТ РОССИЙСКОЙ ФЕДЕРАЦИИ
АВТОМОБИЛЬНЫЕ ТРАНСПОРТНЫЕ СРЕДСТВА
ИЗДЕЛИЯ КРЕПЕЖНЫЕ.
ПОДНУТРЕНИЯ
ФОРМЫ И РАЗМЕРЫ
Motor vehicles. Fasteners. Undercuts. Forms and sizes
ГОСТ Р 59132-2020
Дата введения
1 июня 2021 года
1 РАЗРАБОТАН Федеральным государственным унитарным предприятием "Центральный ордена Трудового Красного Знамени научно-исследовательский автомобильный и автомоторный институт" (ФГУП "НАМИ")
2 ВНЕСЕН Техническим комитетом по стандартизации ТК 056 "Дорожный транспорт"
3 УТВЕРЖДЕН И ВВЕДЕН В ДЕЙСТВИЕ Приказом Федерального агентства по техническому регулированию и метрологии от 27 октября 2020 г. N 948-ст
4 ВВЕДЕН ВПЕРВЫЕ
Правила применения настоящего стандарта установлены в статье 26 Федерального закона от 29 июня 2015 г. N 162-ФЗ "О стандартизации в Российской Федерации". Информация об изменениях к настоящему стандарту публикуется в ежегодном (по состоянию на 1 января текущего года) информационном указателе "Национальные стандарты", а официальный текст изменений и поправок -
в ежемесячном информационном указателе "Национальные стандарты". В случае пересмотра (замены) или отмены настоящего стандарта соответствующее уведомление будет опубликовано в ближайшем выпуске ежемесячного информационного указателя "Национальные стандарты". Соответствующая информация, уведомление и тексты размещаются также в информационной системе общего пользования -
на официальном сайте Федерального агентства по техническому регулированию и метрологии в сети Интернет (www.gost.ru)
Настоящий стандарт распространяется на поднутрения обтачиваемых крепежных изделий с наружной резьбой и отверстиями и устанавливает их формы и размеры.
Применение настоящего стандарта позволяет уменьшить количество необходимых инструментов.
В настоящем стандарте использованы нормативные ссылки на следующие стандарты:
ГОСТ 2.303 Единая система конструкторской документации. Линии
ГОСТ 2.307 Единая система конструкторской документации. Нанесение размеров и предельных отклонений
ГОСТ 2789 Шероховатость поверхности. Параметры и характеристики
Примечание - При пользовании настоящим стандартом целесообразно проверить действие ссылочных стандартов в информационной системе общего пользования - на официальном сайте Федерального агентства по техническому регулированию и метрологии в сети Интернет или по ежегодному информационному указателю "Национальные стандарты", который опубликован по состоянию на 1 января текущего года, и по выпускам ежемесячного информационного указателя "Национальные стандарты" за текущий год. Если заменен ссылочный стандарт, на который дана недатированная ссылка, то рекомендуется использовать действующую версию этого стандарта с учетом всех внесенных в данную версию изменений. Если заменен ссылочный стандарт, на который дана датированная ссылка, то рекомендуется использовать версию этого стандарта с указанным выше годом утверждения (принятия). Если после утверждения настоящего стандарта в ссылочный стандарт, на который дана датированная ссылка, внесено изменение, затрагивающее положение, на которое дана ссылка, то это положение рекомендуется применять без учета данного изменения. Если ссылочный стандарт отменен без замены, то положение, в котором дана ссылка на него, рекомендуется применять в части, не затрагивающей эту ссылку.
В настоящем стандарте применен следующий термин с соответствующим определением:
3.1 поднутрение: Удаление симметричной внутренней кромки определенной формы и заданных размеров, позволяющее, в соответствии с инструментом, используемым в производстве, обеспечить необходимое пространство для прилегающей детали во время сборки.
4 Классификация и размеры
4.1 Классификация по формам E, F, G, H
4.1.1 Поднутрение формы E
Поднутрение формы E применяют для деталей, к плоской опорной поверхности которых не предъявляются повышенные требования, а цилиндрическая поверхность подвергается, при необходимости, дальнейшей обработке, а также если деталь, предназначенная для сборки, имеет относительно большую зенковку или не имеет опоры на плоскую поверхность (см.
рисунок 1).
d1 - диаметр заготовки; f - ширина поднутрения;
r - радиус поднутрения; t1 - глубина поднутрения;
z1 - припуск на обработку
Рисунок 1 - Поднутрение с дальнейшей
обработкой цилиндрической поверхности
4.1.2 Поднутрение формы F
Поднутрение формы F применяют для заготовок, ортогональные поверхности которых, при необходимости, подвергаются дальнейшей обработке (см.
рисунок 2).
d1 - диаметр заготовки; f - ширина поднутрения;
r - радиус поднутрения; t1, t2 - глубина поднутрения;
z1, z2 - припуск на обработку
Рисунок 2 - Поднутрение с дальнейшей обработкой
опорной и цилиндрической поверхностей
4.1.3 Поднутрение формы G
Поднутрение формы G применяют для малонагруженных изделий, когда требуется минимально возможный переход поверхностей, ортогональных друг другу (см.
рисунок 3).
d1 - диаметр заготовки; f, g - ширина поднутрения;
r - радиус поднутрения; t1, t2 - глубина поднутрения;
z1, z2 - припуск на обработку
Рисунок 3 - Поднутрение для малого перехода
4.1.4 Поднутрение формы H
Поднутрение формы H применяют для заготовок, ортогональные поверхности которых, при необходимости, дополнительно обрабатываются (см.
рисунок 4).
d1 - диаметр заготовки; f - ширина поднутрения;
r - радиус поднутрения; t1, t2 - глубина поднутрения;
z1, z2 - припуск на обработку
Рисунок 4 - Поднутрение для наиболее
сильно закругленного перехода
Размеры поднутрений приведены в таблице 1.
Таблица 1
Размеры поднутрений
В миллиметрах
Форма | +/- 0,1 | t1 | t2 | f | g | Назначение диаметра d1 <2> для изделий |
с допуском |
Ряд 1 | Ряд 2 | +0,1 | +0,05 | +0,2 | с обычными <3> нагрузками | с повышенными переменными нагрузками |
| | R0,2 | 0,1 | - | 1 | - | Св. 1,6 до 3 включ. | - |
R0,4 | | 0,2 | - | 2 | - | Св. 3 до 18 включ. | - |
| R0,6 | 0,2 | - | 2 | - | Св. 10 до 18 включ. | - |
| R0,6 | 0,3 | - | 2,5 | - | Св. 18 до 80 включ. | - |
R0,8 | | 0,3 | - | 2,5 | - | Св. 18 до 80 включ. | - |
| R1 | 0,2 | - | 2,5 | - | - | Св. 18 до 50 включ. |
| R1 | 0,4 | - | 4 | - | Св. 80 | - |
R1,2 | | 0,2 | - | 2,5 | - | - | Св. 18 до 50 включ. |
R1,2 | | 0,4 | - | 4 | - | Св. 80 | - |
R1,6 | | 0,3 | - | 4 | - | - | Св. 50 до 80 включ. |
R2,5 | | 0,4 | - | 5 | - | - | Св. 80 до 125 включ. |
R4 | | 0,5 | - | 7 | - | - | Св. 125 |
| | R0,2 | 0,1 | 0,1 | 1 | (0,9) | Св. 1,6 до 3 включ. | - |
R0,4 | | 0,2 | 0,1 | 2 | (1,1) | Св. 3 до 18 включ. | - |
| R0,6 | 0,2 | 0,1 | 2 | (1,4) | Св. 10 до 18 включ. | |
| R0,6 | 0,3 | 0,2 | 2,5 | (2,1) | Св. 18 до 80 включ. | - |
R0,8 | | 0,3 | 0,2 | 2,5 | (2,3) | Св. 18 до 80 включ. | - |
| R1 | 0,2 | 0,1 | 2,5 | (1,8) | - | Св. 18 до 50 включ. |
| R1 | 0,4 | 0,3 | 4 | (3,2) | Св. 80 | - |
R1,2 | | 0,2 | 0,1 | 2,5 | (2,0) | - | Св. 18 до 50 включ. |
R1,2 | | 0,4 | 0,3 | 4 | (3,4) | Св. 80 | - |
R1,6 | | 0,3 | 0,2 | 4 | (3,1) | - | Св. 50 до 80 включ. |
R2,5 | | 0,4 | 0,3 | 5 | (4,8) | - | Св. 80 до 125 включ. |
R4 | | 0,5 | 0,3 | 7 | (6,4) | - | Св. 125 |
| R0,4 | | 0,2 | 0,2 | (0,9) | (1,1) | Св. 3 до 18 включ. | - |
| R0,8 | | 0,3 | 0,05 | (2,0) | (1,1) | Св. 18 до 80 включ. | - |
R1,2 | | 0,3 | 0,05 | (2,4) | (1,5) | - | Св. 18 до 50 включ. |
<1> Поднутрения с радиусами ряда 1 являются предпочтительными. <2> Назначение диапазона диаметров не распространяется на короткие и тонкостенные детали. По производственным причинам на заготовке с разными диаметрами может быть целесообразно выполнить некоторые поднутрения одинаковой формы и размеров. <3> Форма G только для заготовок с низкой нагрузкой. Примечание - Размеры в скобках - после удаления материала. |
Параметры и характеристики шероховатости поверхностей устанавливают по
ГОСТ 2789.
Примечание - На практике, контроль поверхности выполняют только при визуальном осмотре. Другие параметры шероховатости проверяют в зависимости от функции компонента и по согласованию.
В условных обозначениях поднутрений следует указывать:
- слово "Поднутрение";
- обозначение стандарта;
- дефис;
- обозначение формы;
- размеры (радиус r, глубина t1, разделенные символом "x");
- состояние поверхности, если применимо, указанное после дефиса.
Примеры условных обозначений:
Поднутрение ГОСТ Р 59132-2020 E 0,80 x 0,3
Поднутрения формы E, с радиусом
r = 0,8 мм и глубиной
t1 = 0,3 мм, с удалением материала и параметрами шероховатости
Ra 1,6 мкм:
Поднутрение ГОСТ Р 59132-2020 E 0,8 x 0,3 - Ra 1,6
При удалении припусков на обработку
z1 и
z2 в соответствии с
таблицей 2 смещают переход поднутрения в стороны обрабатываемых поверхностей в сумме на
e1 и
e2. Это зависит от размеров припусков на обработку
z1 и
z2, а также от углов входа и выхода у поднутрения (см.
рисунок 5).
Таблица 2
Назначение размеров поднутрения и припуска на обработку
В миллиметрах
z1, z2 | | | | |
e1 | e1 | e2 | e1 и e2 | e1 и e2 |
0,1 | 0,37 | 0,37 | 0,71 | 0,32 | 0,71 |
0,15 | 0,56 | 0,56 | 1,07 | 0,48 | 1,07 |
0,2 | 0,75 | 0,75 | 1,42 | 0,63 | 1,42 |
0,25 | 0,93 | 0,93 | 1,78 | 0,79 | 1,78 |
0,3 | 1,12 | 1,12 | 2,14 | 0,95 | 2,14 |
0,4 | 1,49 | 1,49 | 2,85 | 1,27 | 2,85 |
0,5 | 1,87 | 1,87 | 3,56 | 1,59 | 3,56 |
0,6 | 2,24 | 2,24 | 4,27 | 1,9 | 4,27 |
0,7 | 2,61 | 2,61 | 4,98 | 2,22 | 4,98 |
0,8 | 2,99 | 2,99 | 5,69 | 2,54 | 5,69 |
0,9 | 3,36 | 3,36 | 6,4 | 2,85 | 6,4 |
1,0 | 3,73 | 3,73 | 7,12 | 3,17 | 7,12 |
e1, e2 - ширина обработки; z1, z2 - припуск на обработку
Рисунок 5 - Размеры для припуска
8 Зенковка противоположной детали
Форма и размеры зенковки противоположной детали показаны на рисунке 6 и в
таблице 3.
a - размер зенковки; d1 - диаметр отверстия; d2 = d1 + 2a
Рисунок 6 - Зенковка противоположной детали
Таблица 3
В миллиметрах
Размеры поднутрения | a (минимальный размер) |
r x t1 | | | | |
0,2 x 0,1 | 0,2 | 0 | - | - |
0,4 x 0,2 | 0,3 | 0 | 0 | - |
0,6 x 0,2 | 0,5 | 0,15 | - | - |
0,6 x 0,3 | 0,4 | 0 | - | - |
0,8 x 0,3 | 0,6 | 0,05 | - | 0,35 |
1,0 x 0,2 | 0,9 | 0,45 | - | - |
1,0 x 0,4 | 0,7 | 0 | - | - |
1,2 x 0,2 | 1,1 | 0,6 | - | - |
1,2 x 0,3 | - | - | - | 0,65 |
1,2 x 0,4 | 0,9 | 0,1 | - | - |
1,6 x 0,3 | 1,4 | 0,6 | - | - |
2,5 x 0,4 | 2,2 | 1,0 | - | - |
4,0 x 0,5 | 3,6 | 2,1 | - | - |
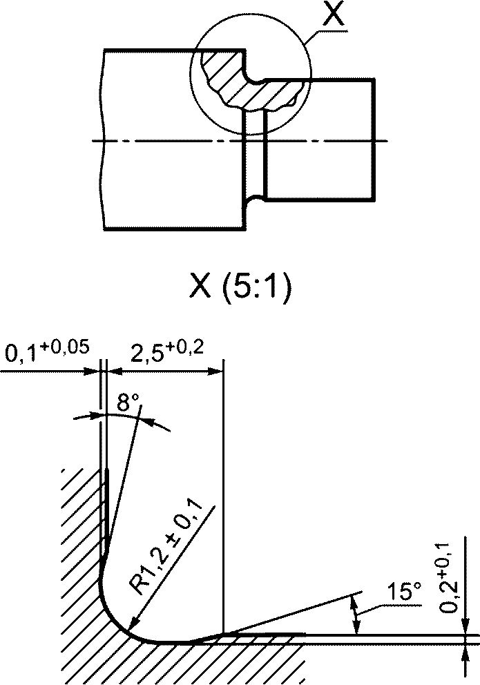
9 Обозначение на чертежах
В чертежах поднутрения изображают упрощенно, преимущественно сплошной толстой линией по
ГОСТ 2.303. Обозначение указывают на полках выносных линий в соответствии с
ГОСТ 2.307 (см.
рисунки 7 и
8). Полные данные показаны на
рисунках 9 и
10.
Примечание - Данные о поверхности - согласно
разделу 5.
Примечание - Данные о поверхности - согласно
разделу 5.
УДК 621.562.47:006.354 | |
Ключевые слова: автомобильные транспортные средства, крепежные изделия, поднутрения, формы и размеры |