Главная // Актуальные документы // ГОСТ Р (Государственный стандарт)СПРАВКА
Источник публикации
М.: Стандартинформ, 2020
Примечание к документу
Документ
введен в действие с 01.08.2020.
Название документа
"ГОСТ Р 58866-2020. Национальный стандарт Российской Федерации. Подшипники качения приборные. Методы контроля геометрических параметров деталей подшипников"
(утв. и введен в действие Приказом Росстандарта от 28.05.2020 N 234-ст)
"ГОСТ Р 58866-2020. Национальный стандарт Российской Федерации. Подшипники качения приборные. Методы контроля геометрических параметров деталей подшипников"
(утв. и введен в действие Приказом Росстандарта от 28.05.2020 N 234-ст)
Утвержден и введен в действие
по техническому регулированию
и метрологии
от 28 мая 2020 г. N 234-ст
НАЦИОНАЛЬНЫЙ СТАНДАРТ РОССИЙСКОЙ ФЕДЕРАЦИИ
ПОДШИПНИКИ КАЧЕНИЯ ПРИБОРНЫЕ
МЕТОДЫ КОНТРОЛЯ ГЕОМЕТРИЧЕСКИХ ПАРАМЕТРОВ
ДЕТАЛЕЙ ПОДШИПНИКОВ
Instrument rolling bearings. Methods for controlling
geometrical parameters of bearing parts
ГОСТ Р 58866-2020
Дата введения
1 августа 2020 года
1 РАЗРАБОТАН Техническим комитетом по стандартизации ТК 218 "Приборные подшипники качения", Открытым акционерным обществом "ОК-Лоза" (ОАО "ОК-Лоза")
2 ВНЕСЕН Техническим комитетом по стандартизации ТК 218 "Приборные подшипники качения"
3 УТВЕРЖДЕН И ВВЕДЕН В ДЕЙСТВИЕ
Приказом Федерального агентства по техническому регулированию и метрологии от 28 мая 2020 г. N 234-ст
4 ВВЕДЕН ВПЕРВЫЕ
Правила применения настоящего стандарта установлены в статье 26 Федерального закона от 29 июня 2015 г. N 162-ФЗ "О стандартизации в Российской Федерации". Информация об изменениях к настоящему стандарту публикуется в ежегодном (по состоянию на 1 января текущего года) информационном указателе "Национальные стандарты", а официальный текст изменений и поправок - в ежемесячном информационном указателе "Национальные стандарты". В случае пересмотра (замены) или отмены настоящего стандарта соответствующее уведомление будет опубликовано в ближайшем выпуске ежемесячного информационного указателя "Национальные стандарты". Соответствующая информация, уведомление и тексты размещаются также в информационной системе общего пользования - на официальном сайте Федерального агентства по техническому регулированию и метрологии в сети Интернет (www.gost.ru)
Настоящий стандарт устанавливает методы измерений и соответствующие схемы измерений геометрических параметров деталей приборных шариковых подшипников качения.
Настоящий стандарт распространяется на детали приборных шариковых подшипников качения и шарикоподшипниковых опор (далее - подшипники) и применяется при их изготовлении, контроле, подтверждении соответствия требованиям нормативных документов или технической документации.
В настоящем стандарте использованы нормативные ссылки на следующие стандарты:
ГОСТ 8.050 Государственная система обеспечения единства измерений. Нормальные условия выполнения линейных и угловых измерений
ГОСТ 520 Подшипники качения. Общие технические условия
ГОСТ 24955 Подшипники качения. Термины и определения
ГОСТ 25256 Подшипники качения. Допуски. Термины и определения
ГОСТ 28798 Головки измерительные пружинные. Общие технические условия
ГОСТ Р ИСО 14644-1 Чистые помещения и связанные с ними контролируемые среды. Часть 1. Классификация чистоты воздуха по концентрации частиц
Примечание - При пользовании настоящим стандартом целесообразно проверить действие ссылочных стандартов в информационной системе общего пользования - на официальном сайте Федерального агентства по техническому регулированию и метрологии в сети Интернет или по ежегодному информационному указателю "Национальные стандарты", который опубликован по состоянию на 1 января текущего года, и по выпускам ежемесячного информационного указателя "Национальные стандарты" за текущий год. Если заменен ссылочный стандарт, на который дана недатированная ссылка, то рекомендуется использовать действующую версию этого стандарта с учетом всех внесенных в данную версию изменений. Если заменен ссылочный стандарт, на который дана датированная ссылка, то рекомендуется использовать версию этого стандарта с указанным выше годом утверждения (принятия). Если после утверждения настоящего стандарта в ссылочный стандарт, на который дана датированная ссылка, внесено изменение, затрагивающее положение, на которое дана ссылка, то это положение рекомендуется применять без учета данного изменения. Если ссылочный стандарт отменен без замены, то положение, в котором дана ссылка на него, рекомендуется применять в части, не затрагивающей эту ссылку.
В настоящем стандарте применены термины по
ГОСТ 520, ГОСТ 24955, ГОСТ 25256, а также следующие термины с соответствующими определениями:
3.1 массивный сепаратор: Сепаратор, изготовленный методом механической обработки из объемной заготовки или методом литья.
3.2 тонкостенные кольца: Кольца подшипников, у которых отношение толщины к наружному диаметру (коэффициент толщины кольца) лежит в диапазоне от 0,04 до 0,065.
4.1 В настоящем стандарте приняты условные обозначения геометрических параметров и сопутствующие им подстрочные знаки для деталей подшипников в соответствии с
ГОСТ 520.
4.2 Условные обозначения, принятые в схемах, приведены в
таблице 1.
Обозначение элемента | Наименование элемента |
| Прямолинейное движение в обоих направлениях |
| Вращательное движение в обоих направлениях |
| Опорная плоскость |
| Неподвижный упор (острый, дисковый, сферический или шариковый) |
| Подвижный упор (острый, дисковый, цилиндрический, сферический) |
| Измерительная головка |
| Измерительный наконечник |
| Оправка, цапфа или валик с прямыми, обратными или сферическими центрами |
| Направление приложенной нагрузки |
| Двойной сблокированный упор |
Пределы относительной погрешности измерения геометрических параметров деталей подшипников составляют не более 30% от значений допуска на измеряемую величину и определяются погрешностью применяемых средств измерений (СИ) (не более 20% от значений допуска на измеряемую величину) и погрешностями, связанными с точностью установки детали, качеством настройки измерительных установок и качеством поверхности измерительных наконечников.
6 Средства измерения и вспомогательные устройства
6.1 При выполнении измерений применяют следующие СИ и вспомогательные устройства:
- головки измерительные пружинные по
ГОСТ 28798 или датчики контактные линейных перемещений с отсчетным устройством (шкалой аналогового типа, цифровым дисплеем или компьютером с соответствующим программным обеспечением);
- установки измерительные, предназначенные для установки деталей подшипников для измерений и закрепления используемых СИ (отсчетных устройств);
- средства вспомогательные для установки и крепления деталей на измерительных установках (столики, призмы, оправки, средства крепления различной конфигурации);
- наконечники измерительные.
Примечания
1 Столики и призмы для установки деталей подшипников на измерительные установки проектируются предприятием - изготовителем подшипников с соблюдением требований к установленной точности измерений по настоящему стандарту.
2 Применимость конкретных вспомогательных устройств для установки деталей подшипников должна быть определена технической документацией предприятия-изготовителя на операции контроля соответствующих геометрических параметров.
6.2 Выбор СИ (отсчетного устройства) по диапазону измерения и погрешности определяется исходя из требований к соответствующим геометрическим параметрам деталей подшипников (номинальному значению и допуску).
6.3 Конструкция измерительных установок, используемых для измерения геометрических параметров деталей подшипников, определяется предприятием - изготовителем подшипников при условии соблюдения схем измерения, приведенных в настоящем стандарте.
6.4 Выбор СИ и настройку измерительной установки следует осуществлять с учетом требований
ГОСТ 520 к максимальному измерительному усилию.
6.5 Используемые СИ должны быть исправны и поверены в установленном порядке. Использование неповеренных СИ не допускается.
6.6 Используемые измерительные установки должны быть проверены на работоспособность, настроенность и сходимость результатов многократных измерений (не менее 10) предприятием - изготовителем подшипников.
6.7 Программное обеспечение используемых СИ должно быть защищено от несанкционированных настройки и вмешательства, которые могут привести к искажению результатов измерений и их обработки.
6.8 Допускается применение аналогичных СИ, обеспечивающих заданную точность измерения контролируемого параметра.
7.1 Методы измерений геометрических параметров деталей подшипников, описанные в настоящем стандарте, в зависимости от параметра могут быть следующие:
- измерение линейных размеров (диаметров дорожек качения, цилиндрических поверхностей, ширины деталей) основано на дифференциальном методе, при котором значение измеряемого параметра сравнивают с известным значением установочной меры, незначительно отличающимся от значения измеряемой величины, и находят разность между этими двумя значениями;
- измерение отклонений формы (непостоянство диаметров, ширин, параллельность, перпендикулярность, разностенность и т.д.) основано на определении минимального и максимального значения измеряемого параметра по всей контролируемой поверхности и на нахождении разницы между этими двумя измеренными значениями.
Схемы измерения линейных размеров поверхностей и отклонений их формы могут совпадать.
7.2 Измерение непостоянства диаметра цилиндрических поверхностей и дорожек качения деталей подшипников проводят по схемам измерения диаметров соответствующих поверхностей.
7.3 Контроль средней конусообразности цилиндрических поверхностей проводят по схемам измерения диаметров соответствующих поверхностей.
7.4 Измерение непостоянства ширины колец проводят по схемам измерения ширины колец.
7.5 Измерение непостоянства наружного диаметра и диаметра внутренней цилиндрической поверхности массивных сепараторов проводят по схемам измерения диаметров соответствующих поверхностей.
7.6 Измерение непостоянства ширины массивных сепараторов проводят по схеме измерения ширины массивных сепараторов.
7.7 Измерение диаметра и отклонений диаметра цилиндрических поверхностей следует производить в двух крайних сечениях, если отсутствуют другие указания в чертежах или технических условиях.
7.8 Крайнее сечение - сечение радиальной плоскостью, отстоящее от плоскости торца на расстоянии не более 1,5 максимальной координаты монтажной фаски в осевом направлении, или сечение, отстоящее от плоскости опорного торца фланца или упорного борта на расстоянии, равном удвоенной величине галтели (радиуса) или канавки в осевом направлении.
7.9 У деталей с расстоянием между крайними сечениями цилиндрических поверхностей 1,5 мм и менее, измерение диаметра и отклонений диаметра поверхности следует проводить в единичном сечении, расположенном между крайними сечениями вне следа от жестких опор, а контроль конусообразности поверхности не проводить.
7.10 Измерение параметров, не указанных в настоящем стандарте, проводят по технической документации, разрабатываемой на предприятии-изготовителе в соответствии с требованиями настоящего стандарта.
8 Требования безопасности
8.1 Перед началом работы следует проверить исправность измерительных установок на отсутствие повреждений корпуса, комплектующих частей, надежность их крепления между собой, устойчивость расположения на рабочем столе и исправность оснастки и приспособлений (столиков, призм, средств креплений).
8.2 Конструкция измерительных установок, оснастки и приспособлений должна обеспечивать возможность удобного и безопасного выполнения работ.
8.3 СИ и измерительные установки следует использовать в соответствии с руководствами (инструкциями) по эксплуатации и/или паспортами.
9 Требования к квалификации персонала
К выполнению измерений и обработке их результатов допускается персонал, прошедший обучение и соблюдающий требования эксплуатационной документации на СИ и вспомогательные устройства и настоящего стандарта.
10 Условия выполнения измерений
10.1 При выполнении измерений соблюдают следующие условия:
- температура и относительная влажность - в соответствии с
ГОСТ 8.050 для нормальных условий выполнения линейных и угловых измерений;
- отсутствие вибрации опорных поверхностей рабочих столов, пола в том помещении, где установлены СИ;
- общая освещенность в помещении - от 200 до 400 лк, освещенность на рабочих местах - 750 лк;
10.2 Контролируемые детали подшипников должны быть полностью свободны от воздействия внешних сил, включая измерительные нагрузки, и от влияния силы собственного веса.
10.3 Исключением из правила по
10.2 являются тонкостенные кольца, во время проверки геометрических параметров которых требуется ограничение их деформации (применение ограничительных колец).
10.4 Детали подшипников, подлежащие измерению, должны быть выдержаны в помещении с вышеуказанными условиями не менее 2 ч до начала измерений.
10.5 Детали подшипников перед измерением должны быть чистыми, сухими и размагниченными. Промывка и размагничивание деталей - в соответствии с технической документацией на подшипники.
11 Подготовка к выполнению измерений
11.1 При подготовке к выполнению измерений необходимо провести следующие работы:
- проверить исправность СИ и измерительных установок;
- проверить работоспособность программного обеспечения (при наличии);
- подобрать вспомогательные устройства, необходимые для установки деталей подшипников на измерительные установки, проверить их исправность;
- подобрать измерительные наконечники, проверить их исправность;
- установить СИ, вспомогательные устройства (приспособления, оснастку) и измерительные наконечники в измерительные установки;
- подготовить детали подшипников.
11.2 Перед выполнением измерений необходимо убедиться в том, что СИ, измерительные установки и их отдельные части (корпус, предметный стол, дисплей и т.д.) не имеют видимых механических повреждений, следов пыли, загрязнений, коррозии, масла и т.п., а также проверить устойчивость положения измерительных установок на поверхности рабочего стола. При необходимости следует устранить все выявленные замечания.
11.3 При использовании в работе программного обеспечения для измерений следует убедиться в его работоспособности (программа реагирует на команды пользователя, отсутствуют сообщения о неисправностях).
11.4 Осуществляют подбор вспомогательных устройств, необходимых для установки деталей подшипников на измерительные установки в соответствии с технической документацией предприятия-изготовителя на операции контроля геометрических параметров конкретных деталей подшипников.
11.5 Проверяют выбранные вспомогательные устройства на предмет наличия механических повреждений (сколов, выступаний металла на контактных поверхностях, следов износа, загрязнений, коррозии на контактных и присоединительных поверхностях и т.д.). При необходимости устраняют все выявленные замечания.
11.6 Выбирают необходимые измерительные наконечники. При этом руководствуются следующим:
- для контроля параметров цилиндрических поверхностей минимальный радиус измерительного наконечника должен соответствовать требованиям
ГОСТ 520;
- для контроля параметров дорожек качения диаметр шарика измерительного наконечника должен быть не более размеров, указанных в
таблице 2 для соответствующего радиуса дорожки качения (допускается выбор шариков на размер меньше, чем установлено в
таблице);
- максимальное измерительное усилие - в соответствии с
ГОСТ 520.
В миллиметрах
Минимально возможный радиус контролируемой дорожки качения | Диаметр шарика измерительного наконечника |
0,199 | 0,397 |
0,34 | 0,68 |
0,397 | 0,794 |
0,42 | 0,84 |
0,5 | 1,0 |
0,65 | 1,3 |
0,7956 | 1,588 |
1,0 | 2,00 |
1,191 | 2,381 |
1,25 | 2,5 |
1,5 | 3,0 |
1,588 | 3,175 |
1,75 | 3,5 |
1,984 | 3,969 |
2,0 | 4,0 |
2,25 | 4,5 |
2,381 | 4,763 |
2,5 | 5,0 |
2,580 | 5,159 |
2,75 | 5,5 |
2,7781 | 5,556 |
2,977 | 5,953 |
3,0 | 6,0 |
3,175 | 6,35 |
3,25 | 6,5 |
3,5 | 7,0 |
3,572 | 7,144 |
3,75 | 7,5 |
3,9 | 7,938 |
4,0 | 8,0 |
4,25 | 8,5 |
4,366 | 8,731 |
4,5 | 9,0 |
4,564 | 9,128 |
4,75 | 9,5 |
4,763 | 9,525 |
5,0 | 10,0 |
5,159 | 10,319 |
5,50 | 11,00 |
5,556 | 11,112 |
5,75 | 11,5 |
5,755 | 11,509 |
5,953 | 11,906 |
6,0 | 12,0 |
6,152 | 12,303 |
6,25 | 12,5 |
6,35 | 12,7 |
6,5 | 13,0 |
6,75 | 13,494 |
6,75 | 13,50 |
Примечание - Под минимально возможным радиусом дорожки качения в таблице подразумевается минимальное значение радиуса дорожки качения по допуску, заданному по чертежу на соответствующую деталь. |
11.7 Измерительные поверхности наконечников (в первую очередь - головки наконечников) не должны иметь видимых следов износа и повреждений.
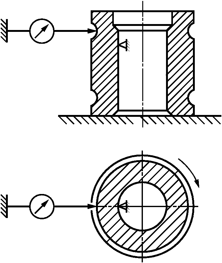
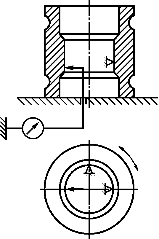
12.1 Схемы измерения посадочного диаметра внутренних колец
12.1.1 Единичный диаметр отверстия внутренних колец подшипников
ds и
dsp измеряют по схемам, приведенным на
рисунках 1 -
5.
Рисунок 2
Рисунок 4
12.1.2 Кольцо устанавливают торцевой поверхностью на измерительный столик установки. В случае измерения диаметра в одном сечении установку кольца осуществляют базовым торцом.
12.1.3 Допускается устанавливать кольцо на измерительный столик под наклоном (см.
рисунок 3) или в вертикальной плоскости (см.
рисунок 5) при обеспечении устойчивого расположения кольца при измерении.
12.1.4 Показание отсчетного устройства устанавливают на ноль для соответствующего размера, используя плоскопараллельные концевые меры длины или установочное кольцо. Контролируемое кольцо после установки на измерительный столик поворачивают вокруг своей оси на один полный оборот и по показаниям отсчетного устройства определяют минимальный и максимальный единичные диаметры отверстия в единичной плоскости dspmin и dspmax.
12.1.5 При необходимости измерения проводят в нескольких радиальных плоскостях и определяют наибольший dsmax и наименьший dsmin единичные диаметры отверстия отдельного кольца.
12.1.6 Полученные результаты измерения
dspmin и
dspmax используют для определения расчетным способом:
- среднего диаметра отверстия в единичной плоскости dmp;
- отклонения среднего диаметра отверстия в единичной плоскости

;
- непостоянства диаметра отверстия в единичной плоскости Vdsp;
- непостоянства среднего диаметра отверстия Vdmp;
- конусообразности диаметра отверстия

, по результатам измерения в двух крайних сечениях кольца.
12.1.7 Полученные результаты измерения
dsmin и
dsmax используют для определения расчетным способом:
- отклонения единичного диаметра отверстия

;
- непостоянства диаметра отверстия Vds;
- среднего диаметра отверстия dm;
- отклонения среднего диаметра отверстия

.
12.1.8 Диаметр отверстия колец менее 10 мм допускается контролировать предельными калибрами.
12.2 Схема измерения ширины внутренних колец
12.2.1 Единичную ширину внутренних колец
Cs измеряют по схеме, приведенной на
рисунке 6.
12.2.2 Кольцо устанавливают базовой торцевой поверхностью на измерительный столик установки.
12.2.3 Показание отсчетного устройства устанавливают на ноль для соответствующего размера, используя плоскопараллельные концевые меры длины или установочное кольцо. Контролируемое кольцо после установки на измерительный столик поворачивают вокруг своей оси на один полный оборот и по показаниям отсчетного устройства определяют максимальную и минимальную единичную ширину кольца
Bsmax и
Bsmin.
12.2.4 Полученные результаты измерения
Bsmax и
Bsmin используют для определения расчетным способом:
- отклонения единичной ширины кольца

;
- непостоянства ширины кольца VBs;
- средней ширины кольца Bm.
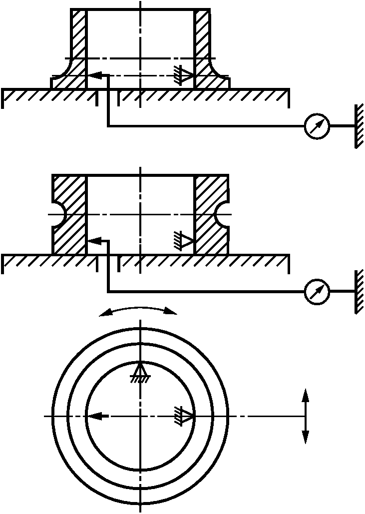
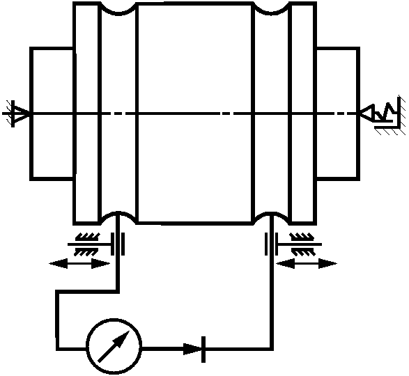
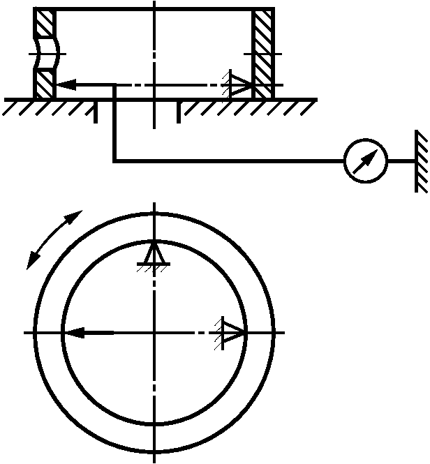
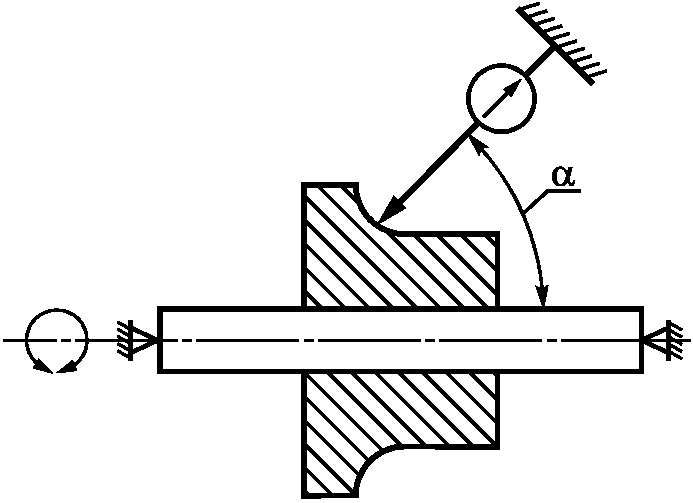
12.3 Схемы измерения осевого биения дорожки качения (параллельности дорожки качения относительно торца) внутренних колец
12.3.1 Осевое биение дорожки качения внутреннего кольца
Si относительно торца измеряют по схемам, приведенным на
рисунках 7 -
10.

- угол наклона наконечника (конструктивно)
Рисунок 8

- угол наклона оси измерительной головки относительно
оси кольца

- угол наклона наконечника или опорной плоскости
(конструктивно)
12.3.2 Кольцо устанавливают базовой торцевой поверхностью на измерительный столик установки. Допускается осуществлять измерение осевого биения дорожки качения, установив кольцо на оправку (см.
рисунки 7,
9).
Примечание - Требования к точности оправок - в соответствии с
ГОСТ 520.
12.3.3 Угол наклона измерительного наконечника, приведенный на
рисунке 7, установлен в соответствии с руководствами (инструкциями) по эксплуатации и/или паспортами на измерительные установки.
Примечание - Расчетное значение угла наклона измерительного наконечника согласно эксплуатационным документам на измерительные установки, используемые на предприятиях-изготовителях, составляет в общем случае 40° к радиальной плоскости контролируемых деталей подшипников.
12.3.4 Контролируемое кольцо после установки на измерительный столик (или на оправку с кольцом) поворачивают вокруг своей оси на один полный оборот и определяют максимальное и минимальное показания отсчетного устройства, разность между которыми будет составлять осевое биение дорожки качения.
12.3.5 При измерении осевого биения дорожки качения по схеме, изображенной на
рисунке 9, для

более 30° результаты измерений не должны превышать величины

, где

- допуск на осевое биение дорожки качения по нормативным документам или технической документации на подшипник.
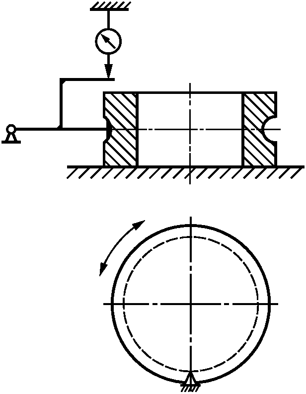
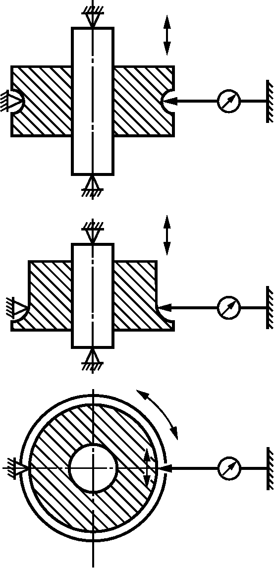
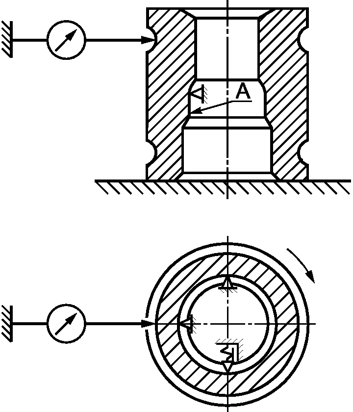
12.4 Схемы измерения радиального биения дорожки качения (разностенности дорожки качения относительно отверстия) внутренних колец
12.4.1 Радиальное биение дорожки качения внутреннего кольца
Ki относительно посадочного диаметра измеряют по схемам, приведенным на
рисунках 11 -
14.
Рисунок 13
12.4.2 Кольцо устанавливают базовой торцевой поверхностью на измерительный столик установки. Допускается осуществлять измерение радиального биения дорожки качения, установив кольцо на оправку (см.
рисунок 12). При этом расположение оправки может быть как горизонтальным, так и вертикальным.
Примечание - Требования к точности оправок - в соответствии с
ГОСТ 520.
12.4.3 Измерительный наконечник и упор устанавливают по среднему сечению дорожки качения напротив одной из опор.
12.4.4 Контролируемое кольцо после установки на измерительный столик (или на оправку с кольцом) поворачивают вокруг своей оси на один полный оборот и определяют максимальное и минимальное показания отсчетного устройства, разность между которыми будет составлять радиальное биение дорожки качения.
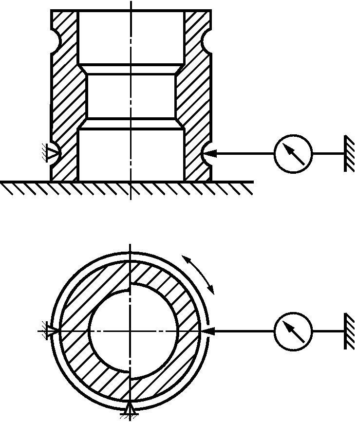
12.5 Схемы измерения диаметра дорожки качения внутренних колец
12.5.1 Диаметр дорожек качения внутренних колец подшипников измеряют по схемам, приведенным на
рисунках 15 -
17.
12.5.2 Кольцо устанавливают базовой торцевой поверхностью на измерительный столик установки (см.
рисунок 15) или устанавливают на оправку (см.
рисунок 16).
12.5.3 Допускается устанавливать кольцо на измерительный столик под наклоном при обеспечении устойчивого расположения кольца при измерении.
Допускается для колец с диаметром дорожек качения менее 20 мм проводить измерение диаметра дорожки качения "на весу", без установки торцевой поверхностью на опорную поверхность (см.
рисунок 17).
12.5.4 Показание отсчетного устройства устанавливают на ноль для соответствующего размера, используя плоскопараллельные концевые меры длины или установочное кольцо. Контролируемое кольцо после установки (или оправку с кольцом) поворачивают вокруг своей оси на один полный оборот и по показаниям отсчетного устройства определяют минимальный и максимальный диаметры дорожки качения.
12.5.5 Полученные результаты измерения по
12.5.4 используют для определения расчетным способом:
- среднего диаметра дорожки качения;
- отклонения диаметра дорожки качения;
- непостоянства диаметра дорожки качения.
12.6 Схемы измерения перпендикулярности торца внутреннего кольца относительно отверстия
Измерение перпендикулярности торца внутреннего кольца относительно отверстия
Sd осуществляют по схемам, приведенным на
рисунках 18,
19. Описание схем - в соответствии с
ГОСТ 520.
12.7 Схемы измерения посадочного диаметра наружных колец
12.7.1 Единичный наружный диаметр наружных колец подшипников
Ds и
Dsp измеряют по схемам, приведенным на
рисунках 20,
21.
12.7.2 Правила установки колец и проведения измерений - в соответствии с
12.1.
12.7.3 Перечень параметров наружной посадочной поверхности, рассчитываемых на основании полученных результатов измерений, - в соответствии с
12.1.6,
12.1.7 применительно к наружным кольцам.
12.8 Схема измерения ширины наружных колец
12.8.1 Единичную ширину наружных колец
Bs измеряют по схеме, приведенной на
рисунке 22.
12.8.2 Правила установки колец и проведения измерений - в соответствии с
12.2.2,
12.2.3.
12.8.3 Перечень параметров, рассчитываемых на основании полученных результатов измерений, - в соответствии с
12.2.4 применительно к наружным кольцам.
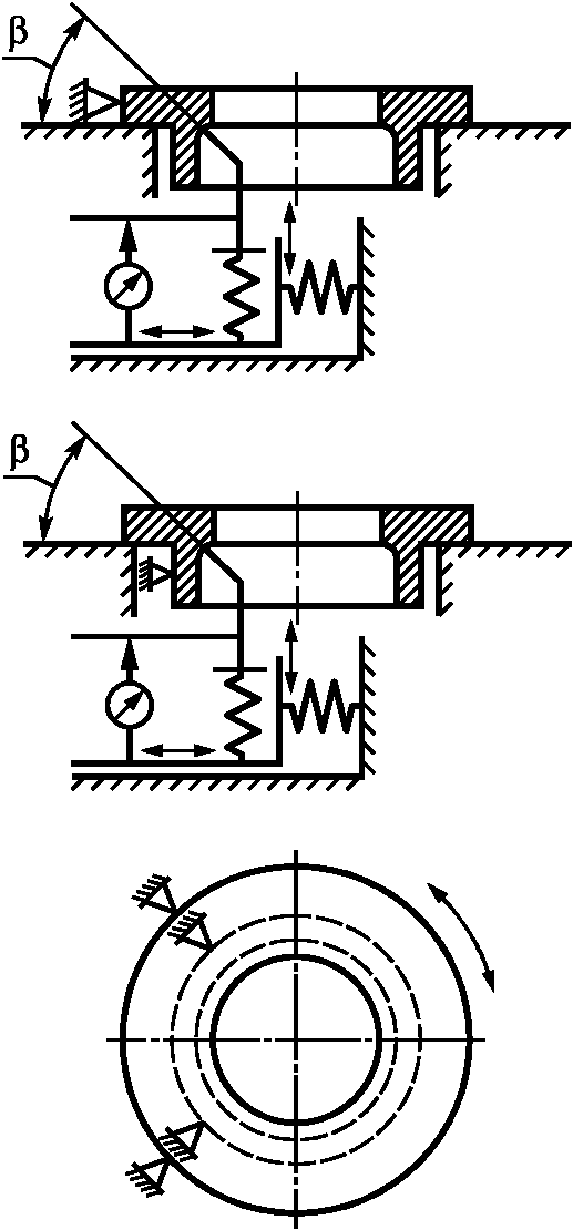
12.9 Схемы измерения осевого биения дорожки качения (параллельности дорожки качения относительно торца) наружных колец
12.9.1 Осевое биение дорожки качения наружного кольца
Se относительно торца измеряют по схемам, приведенным на
рисунках 23 -
28.

- угол наклона наконечника или опорной
плоскости (конструктивно)

- угол наклона наконечника (конструктивно)
Рисунок 26

- угол наклона оси измерительной головки относительно
оси кольца
12.9.2 Кольцо устанавливают базовой торцевой поверхностью (см.
рисунки 23,
25 -
27) или опорной стороной упорного борта (фланца) (см.
рисунки 24,
27) на измерительный столик установки.
12.9.3 Правила проведения измерения - в соответствии с
12.3.4.
12.9.4 При измерении осевого биения дорожки качения по схеме, изображенной на
рисунке 28, для

более результаты измерений не должны превышать величины

, где

- допуск на осевое биение дорожки качения по нормативным документам или технической документации на подшипник.
12.9.5 По схеме, приведенной на
рисунке 25, одновременно с осевым биением каждой дорожки качения определяют непараллельность дорожек качения относительно друг друга. Значением непараллельности является наибольшая разность показаний двух измерительных головок.
12.10 Схемы измерения радиального биения дорожки качения/внутренней цилиндрической поверхности (разностенности дорожки качения/внутренней цилиндрической поверхности относительно наружной поверхности) наружных колец
12.10.1 Радиальное биение дорожки качения наружного кольца
Ke относительно посадочного диаметра измеряют по схемам, приведенным на
рисунках 29 -
31.
Рисунок 30
12.10.2 Радиальное биение внутренней цилиндрической поверхности наружного кольца относительно посадочного диаметра измеряют по схеме, приведенной на
рисунке 29.
12.10.3 Правила установки измерительного наконечника и проведения измерений - в соответствии с
12.4.3,
12.4.4.
12.11 Схемы измерения диаметра дорожки качения/внутренней цилиндрической поверхности наружных колец
12.11.1 Диаметр дорожек качения наружных колец подшипников измеряют по схемам, приведенным на
рисунках 32 -
34.
12.11.2 Диаметр внутренней цилиндрической поверхности наружных колец подшипников измеряют по схемам, приведенным на
рисунках 32,
33.
12.11.3 Правила установки колец и проведения измерений - в соответствии с
12.5.2 -
12.5.4 (за исключением использования оправки).
12.11.4 Перечень параметров, рассчитываемых на основании полученных результатов измерений, - в соответствии с
12.5.5 применительно к наружным кольцам.
12.12 Схемы измерения перпендикулярности наружной поверхности наружного кольца относительно торца
12.12.1 Измерение перпендикулярности наружной поверхности наружного кольца относительно торца
SD осуществляют по схеме, приведенной на
рисунке 35. Описание схемы - в соответствии с
ГОСТ 520.
12.12.2 Для колец с упорным бортом (или фланцем) также можно контролировать перпендикулярность наружной поверхности относительно опорной стороны торца (фланца). Схема измерения показана на
рисунке 36. Описание схемы - в соответствии с
ГОСТ 520.
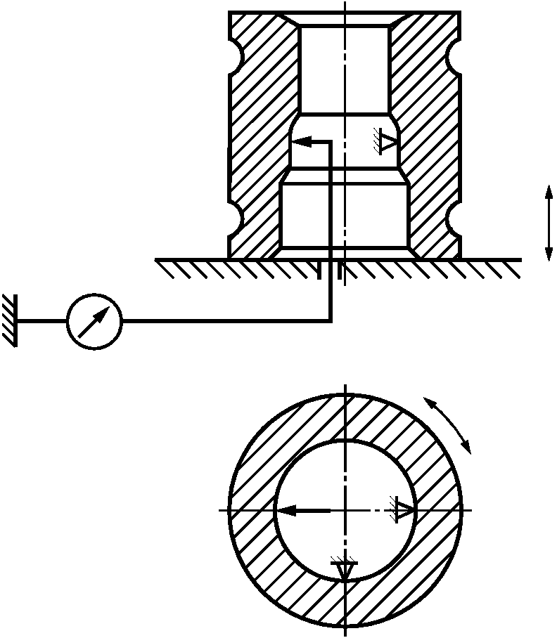
12.13 Схема измерения перпендикулярности внутренней цилиндрической поверхности наружного кольца относительно опорной стороны фланца
12.13.1 Перпендикулярность внутренней цилиндрической поверхности наружного кольца относительно опорной стороны фланца измеряют по схеме, приведенной на
рисунке 37.
12.13.2 Кольцо устанавливают опорной стороной фланца на цилиндрический измерительный столик установки.
12.13.3 Контролируемое кольцо после установки на измерительный столик поворачивают вокруг своей оси на один полный оборот и определяют максимальное и минимальное показания отсчетного устройства, разность между которыми будет составлять перпендикулярность внутренней цилиндрической поверхности наружного кольца относительно опорной стороны фланца.
12.14 Схема измерения замка дорожки качения наружных колец
Замок дорожки качения наружных колец измеряют по схеме, приведенной на
рисунке 38.
12.15 Схемы измерения геометрических параметров промежуточных колец
12.15.1 Диаметр внутренней цилиндрической поверхности промежуточных колец измеряют по схемам, приведенным на
рисунках 39,
40.
12.15.2 Правила установки колец и проведения измерений - в соответствии с
12.1. Измерительный наконечник и упоры располагают на измеряемой поверхности в пределах зоны измерения (рабочей зоны). Ширина рабочей зоны - в соответствии с технической документацией на подшипник.
12.15.3 Перечень параметров внутренней цилиндрической поверхности, рассчитываемых на основании полученных результатов измерений, - в соответствии с
12.1.6,
12.1.7 применительно к промежуточным кольцам.
12.15.4 Диаметр наружных дорожек качения промежуточных колец подшипников измеряют по схемам, приведенным на
рисунках 41,
42.
12.15.5 Диаметр внутренних дорожек качения промежуточных колец подшипников измеряют по схемам, приведенным на
рисунках 43,
44.
12.15.6 Кольцо устанавливают базовой торцевой поверхностью на измерительный столик установки.
12.15.7 Допускается устанавливать кольцо на измерительный столик под наклоном при обеспечении устойчивого расположения кольца при измерении.
12.15.8 Правила проведения измерений - в соответствии с
12.5.4.
12.15.9 Перечень параметров, рассчитываемых на основании полученных результатов измерений, - в соответствии с
12.5.5 применительно к промежуточным кольцам.
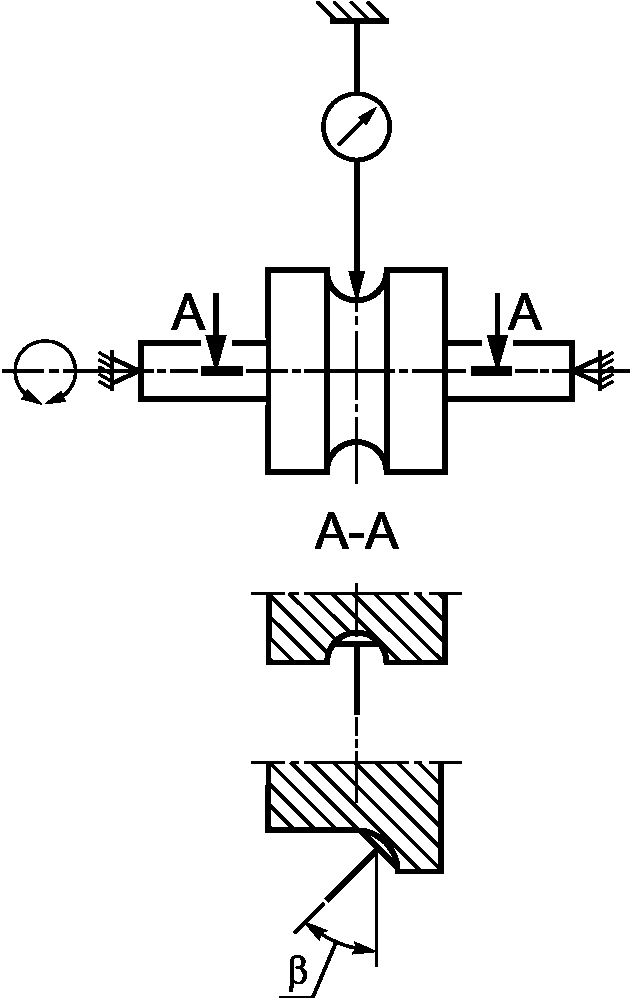
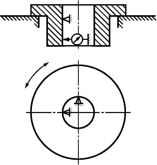
12.15.10 Радиальное биение (разностенность) наружных дорожек качения промежуточных колец относительно внутренней цилиндрической поверхности измеряют по схемам, приведенным на
рисунках 45,
46.
12.15.11 Радиальное биение (разностенность) наружных дорожек качения промежуточных колец относительно внутренней дорожки качения (поверхность А) измеряют по схеме, приведенной на
рисунке 47.
12.15.12 Кольцо устанавливают базовой торцевой поверхностью на измерительный столик установки.
12.15.13 Контролируемое кольцо после установки на измерительный столик поворачивают вокруг своей оси на один полный оборот и определяют максимальное и минимальное показания отсчетного устройства, разность между которыми будет составлять радиальное биение дорожки качения.
12.15.14 Осевое биение внутренней дорожки качения промежуточного кольца относительно торца измеряют по схемам, приведенным на
рисунках 48,
49.

- угол наклона измерительного наконечника (конструктивно)

- угол наклона оси измерительной головки относительно
оси кольца
12.15.15 При измерении осевого биения дорожки качения по схеме, изображенной на
рисунке 29, для

более 30° результаты измерений не должны превышать величины

, где

- допуск на осевое биение дорожки качения по нормативным документам или технической документации на подшипник.
12.15.16 Правила установки колец и проведения измерений - в соответствии с
12.3.2,
12.3.3.
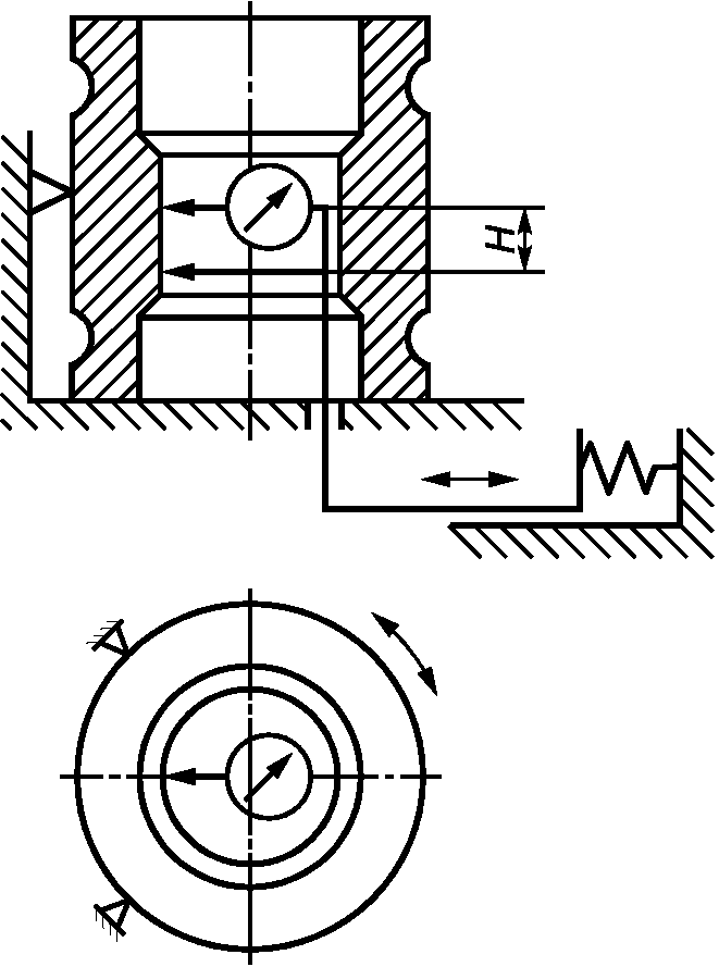
12.15.17 Измерение перпендикулярности внутренней цилиндрической поверхности промежуточного кольца относительно торца осуществляют по схемам, приведенным на
рисунках 50,
51.
H - зона измерения
H - зона измерения
12.15.18 Кольцо устанавливают базовой торцевой поверхностью на измерительный столик установки. По схеме, изображенной на
рисунке 50, упор располагают на наружной цилиндрической поверхности, а измерительный наконечник - на измеряемой поверхности в пределах зоны измерения (рабочей зоны)
H. Ширина зоны
H - в соответствии с технической документацией на подшипник. По схеме, изображенной на
рисунке 51, упор и измерительный наконечник располагают на одной образующей измеряемой поверхности в пределах зоны измерения
H.
12.15.19 Контролируемое кольцо после установки на измерительный столик поворачивают вокруг своей оси на один полный оборот и определяют максимальное и минимальное показания отсчетного устройства, разность между которыми будет составлять перпендикулярность внутренней цилиндрической поверхности относительно торца.
12.15.20 Расстояние и непостоянство расстояния между наружными дорожками качения промежуточных колец измеряют по схеме, приведенной на
рисунке 52.
12.15.21 Кольцо устанавливают на оправку.
12.15.22 Устанавливают показания индикатора на ноль, используя установочное кольцо. Оправку с кольцом поворачивают вокруг своей оси на один полный оборот и определяют максимальное и минимальное показания отсчетного устройства, которые являются отклонениями расстояния между дорожками качения, а разность между ними будет составлять непостоянство расстояния между дорожками качения.
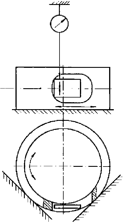
12.16 Схемы измерения геометрических параметров валиков и цапф
12.16.1 Измерение диаметра цилиндрической поверхности валиков и цапф осуществляют по схеме, приведенной на
рисунке 53.
12.16.2 Измерение диаметра дорожки качения валиков и цапф осуществляют по схеме, приведенной на
рисунке 54.
12.16.3 Измерение радиального биения дорожки качения валиков и цапф осуществляют по схеме, приведенной на
рисунке 55.
12.16.4 Измерение осевого биения дорожки качения валиков и цапф осуществляют по схемам, приведенным на
рисунках 56,
57.

- угол наклона оси измерительной головки относительно
оси валика или цапфы
12.16.5 При измерении осевого биения дорожки качения по схеме, изображенной на
рисунке 56, для

более 30° результаты измерений не должны превышать величины

, где

- допуск на осевое биение дорожки качения по нормативным документам или технической документации на подшипник.
12.16.6 Измерение биения базовой стороны фланца относительно оси цапф осуществляют по схеме, приведенной на
рисунке 58.
12.16.7 Измерение расстояния и непостоянства расстояния между дорожками качения валиков осуществляют по схеме, приведенной на
рисунке 59.
12.16.8 Измерение диаметра глухих отверстий цапф осуществляют по схеме, приведенной на
рисунке 60.
12.17 Схемы измерения геометрических параметров шариков
12.17.1 Измерение диаметра шариков осуществляют по схемам, приведенным на
рисунках 61,
62.
12.17.2 Измерение сферичности шариков осуществляют по схемам, приведенным на
рисунке 63,
64.
12.18 Схемы измерения геометрических параметров сепараторов
12.18.1 Измерение наружного диаметра массивных сепараторов осуществляют по схеме, приведенной на
рисунке 65.
12.18.2 Измерение диаметра внутренней цилиндрической поверхности массивного сепаратора осуществляют по схеме, приведенной на
рисунке 66.
12.18.3 Измерение разностенности массивного сепаратора осуществляют по схеме, приведенной на
рисунке 67.
12.18.4 Измерение ширины массивного сепаратора осуществляют по схеме, приведенной на
рисунке 68.
12.18.5 Допускается контроль параметров по
12.18.1,
12.18.2,
12.18.4 производить предельными калибрами или микрометрическим инструментом.
12.18.6 Измерение положения осей в одном гнезде сепаратора относительно одного из торцов осуществляют по схеме, приведенной на
рисунке 69.
13 Обработка и оформление результатов измерения
Результаты измерений геометрических параметров деталей подшипников, а также расчетные значения параметров, полученные на основе прямых измерений, записывают в протоколы измерений в соответствии с порядком и формой, принятыми на предприятии-изготовителе или предприятии-потребителе. При использовании для измерений программного обеспечения или электронного блока с возможностью автоматической записи результаты измерений сохраняются в электронном виде.
УДК 621.822.7:006.354 | | |
Ключевые слова: шариковые приборные подшипники качения, измерения, контроль, измерительная установка, наружное кольцо, внутреннее кольцо, валик, цапфа, шарик, сепаратор |