Главная // Актуальные документы // ГОСТ Р (Государственный стандарт)СПРАВКА
Источник публикации
М.: ФГБУ "РСТ", 2021
Примечание к документу
Документ
введен в действие с 01.03.2022.
Название документа
"ГОСТ Р 59789-2021 (МЭК 62305-3:2010). Национальный стандарт Российской Федерации. Молниезащита. Часть 3. Защита зданий и сооружений от повреждений и защита людей и животных от электротравматизма"
(утв. и введен в действие Приказом Росстандарта от 22.10.2021 N 1266-ст)
"ГОСТ Р 59789-2021 (МЭК 62305-3:2010). Национальный стандарт Российской Федерации. Молниезащита. Часть 3. Защита зданий и сооружений от повреждений и защита людей и животных от электротравматизма"
(утв. и введен в действие Приказом Росстандарта от 22.10.2021 N 1266-ст)
Утвержден и введен в действие
Приказом Федерального
агентства по техническому
регулированию и метрологии
от 22 октября 2021 г. N 1266-ст
НАЦИОНАЛЬНЫЙ СТАНДАРТ РОССИЙСКОЙ ФЕДЕРАЦИИ
МОЛНИЕЗАЩИТА
ЧАСТЬ 3
ЗАЩИТА ЗДАНИЙ И СООРУЖЕНИЙ ОТ ПОВРЕЖДЕНИЙ
И ЗАЩИТА ЛЮДЕЙ И ЖИВОТНЫХ ОТ ЭЛЕКТРОТРАВМАТИЗМА
Protection against lightning. Part 3. Protection
of buildings and structures from damage and people
and animals from electrotraumatism
(IEC 62305-3:2010, Protection against lightning - Part 3:
Physical damage to structures and life hazard, MOD)
ГОСТ Р 59789-2021
(МЭК 62305-3:2010)
Дата введения
1 марта 2022 года
1 ПОДГОТОВЛЕН Обществом с ограниченной ответственностью "Научно-производственная фирма. Электротехника: наука и практика" (ООО "НПФ ЭЛНАП") на основе собственного перевода на русский язык англоязычной версии стандарта, указанного в
пункте 4
2 ВНЕСЕН Техническим комитетом по стандартизации ТК 337 "Электрические установки зданий"
3 УТВЕРЖДЕН И ВВЕДЕН В ДЕЙСТВИЕ Приказом Федерального агентства по техническому регулированию и метрологии от 22 октября 2021 г. N 1266-ст
4 Настоящий стандарт является модифицированным по отношению к международному стандарту МЭК 62305-3:2010 "Защита от молнии. Часть 3. Физические повреждения конструкций и опасность для жизни" (IEC 62305-3:2010 "Protection against lightning - Part 3: Physical damage to structures and life hazard", MOD). При этом дополнительные примечания, включенные в текст стандарта, выделены курсивом. Внесение указанных технических отклонений направлено на учет действующих в Российской Федерации нормативных документов.
Наименование настоящего стандарта изменено относительно наименования указанного международного стандарта для приведения в соответствие с ГОСТ Р 1.5-2012
(пункт 3.5).
Сведения о соответствии ссылочных межгосударственных и национальных стандартов международным стандартам, использованным в качестве ссылочных в примененном международном стандарте, приведены в дополнительном
приложении ДА
5 ВВЕДЕН ВПЕРВЫЕ
Правила применения настоящего стандарта установлены в статье 26 Федерального закона от 29 июня 2015 г. N 162-ФЗ "О стандартизации в Российской Федерации". Информация об изменениях к настоящему стандарту публикуется в ежегодном (по состоянию на 1 января текущего года) информационном указателе "Национальные стандарты", а официальный текст изменений и поправок - в ежемесячном информационном указателе "Национальные стандарты". В случае пересмотра (замены) или отмены настоящего стандарта соответствующее уведомление будет опубликовано в ближайшем выпуске ежемесячного информационного указателя "Национальные стандарты". Соответствующая информация, уведомление и тексты размещаются также в информационной системе общего пользования - на официальном сайте Федерального агентства по техническому регулированию и метрологии в сети Интернет (www.rst.gov.ru)
Настоящий стандарт распространяется на защиту зданий и сооружений от повреждений, а также людей и животных от электротравм из-за превышения предельно допустимых значений напряжений прикосновения и шага.
Основной и наиболее эффективной мерой защиты сооружений от повреждений является система молниезащиты (СМЗ): внешняя и внутренняя.
Внешняя СМЗ состоит из молниеприемников, токоотводов и заземляющего устройства.
Внутренняя СМЗ обеспечивает уравнивание потенциалов и электрическую изоляцию между компонентами внешней СМЗ и другими электропроводящими частями внутри здания или сооружения, предотвращая опасное искрение.
Основные меры защиты людей и животных от электротравм:
a) уменьшение опасного тока, протекающего через тела, путем изоляции открытых проводящих частей и/или увеличения удельного сопротивления поверхности грунта;
b) уменьшение возможности возникновения опасных напряжений прикосновения и шага при помощи ограждений и/или предупредительных надписей.
На начальной стадии проектирования нового здания или сооружения тип и размещение СМЗ должны быть выбраны с учетом максимального использования электропроводящих частей сооружения. При этом проектирование и конструкция СМЗ упрощаются, общие эстетические аспекты могут быть улучшены, а эффективность СМЗ может быть повышена при минимуме затрат средств и усилий.
Если на площадке уже начаты строительные работы, то использование металлоконструкций фундамента для заземления будет затруднено. По этой причине данные об удельном сопротивлении и свойствах грунта должны быть получены на самой ранней стадии проектирования. Данная информация является основополагающей для проектирования заземляющего устройства и может оказать влияние на проектирование фундамента сооружения.
Регулярные консультации между организациями, выполняющими проектирование СМЗ и ее монтаж, архитекторами и строителями имеют важное значение для достижения наилучшего результата при минимальных затратах.
Если СМЗ выполняется для существующих сооружений, она должна максимально соответствовать требованиям настоящего стандарта. При выборе типа и расположения СМЗ необходимо учитывать особенности существующего сооружения.
Настоящий стандарт содержит требования к защите зданий и сооружений от внешних и внутренних повреждений с помощью системы молниезащиты (СМЗ), а также к защите людей и животных от электротравм из-за воздействия напряжений прикосновения и шага вблизи СМЗ.
Настоящий стандарт распространяется:
a) на проектирование, монтаж, проверку и эксплуатацию СМЗ сооружений без ограничения их высоты;
b) на выполнение мероприятий по защите людей и животных от электротравм из-за воздействия напряжений прикосновения и шага.
Примечания
1 Специальные требования к СМЗ взрывоопасных сооружений находятся в разработке. В
приложении D приведены временные требования к СМЗ таких сооружений.
2 В настоящем стандарте не рассмотрены меры по защите от повреждений электрических и электронных систем из-за перенапряжений. Специальные требования по данному вопросу приведены в
ГОСТ Р МЭК 62305-4.
3 Специальные требования к СМЗ ветряных электростанций приведены в ГОСТ Р 54418.24.
В настоящем стандарте использованы нормативные ссылки на следующие стандарты:
ГОСТ IEC 60079-10-1 Взрывоопасные среды. Часть 10-1. Классификация зон. Взрывоопасные газовые среды
ГОСТ IEC 60079-10-2 Взрывоопасные среды. Часть 10-2. Классификация зон. Взрывоопасные пылевые среды
ГОСТ IEC 60079-14 Взрывоопасные среды. Часть 14. Проектирование, выбор и монтаж электроустановок
ГОСТ IEC 60728-11 Сети кабельные для передачи звуковых и телевизионных сигналов и интерактивных услуг. Часть 11. Безопасность
ГОСТ IEC 61643-11 Устройства защиты от перенапряжений низковольтные. Часть 11. Устройства защиты от перенапряжений, подсоединенные к низковольтным системам распределения электроэнергии. Требования и методы испытаний
ГОСТ IEC 61643-21 Устройства защиты от перенапряжений низковольтные. Часть 21. Устройства защиты от перенапряжений, подсоединенные к телекоммуникационным и сигнализационным сетям. Требования к эксплуатационным характеристикам и методы испытаний
ГОСТ ISO 3864-1 Графические символы. Сигнальные цвета и знаки безопасности. Часть 1. Принципы проектирования знаков и сигнальной разметки
ГОСТ Р 54127-4 (МЭК 61557-4:2007) Сети электрические распределительные низковольтные напряжением до 1000 В переменного тока и 1500 В постоянного тока. Электробезопасность. Аппаратура для испытания, измерения или контроля средств защиты. Часть 4. Сопротивление заземления и эквипотенциального соединения
ГОСТ Р 54418.24 (МЭК 61400-24:2010) Возобновляемая энергетика. Ветроэнергетика. Установки ветроэнергетические. Часть 24. Молниезащита
ГОСТ Р МЭК 60050-426 Международный электротехнический словарь. Часть 426. Оборудование для взрывоопасных сред
ГОСТ Р МЭК 62305-4 Защита от молнии. Часть 4. Защита электрических и электронных систем внутри зданий и сооружений
ГОСТ Р МЭК 62561.1 Компоненты систем молниезащиты. Часть 1. Требования к соединительным компонентам
ГОСТ Р МЭК 62561.2 Компоненты систем молниезащиты. Часть 2. Требования к проводникам и заземляющим электродам
ГОСТ Р МЭК 62561.3 Компоненты систем молниезащиты. Часть 3. Требования к разделительным искровым разрядникам
ГОСТ Р МЭК 62561.4 Компоненты систем молниезащиты. Часть 4. Требования к устройствам крепления проводников
ГОСТ Р МЭК 62561.5 Компоненты систем молниезащиты. Часть 5. Требования к смотровым колодцам и уплотнителям заземляющих электродов
ГОСТ Р МЭК 62561.6 Компоненты систем молниезащиты. Часть 6. Требования к счетчикам ударов молнии
| | ИС МЕГАНОРМ: примечание. В официальном тексте документа, видимо, допущена опечатка: имеется в виду ГОСТ Р МЭК 62561-7, а не ГОСТ Р МЭК 62561.7. | |
ГОСТ Р МЭК 62561.7 Компоненты систем молниезащиты. Часть 7. Требования к смесям, нормализующим заземление
Примечание - При пользовании настоящим стандартом целесообразно проверить действие ссылочных стандартов в информационной системе общего пользования - на официальном сайте Федерального агентства по техническому регулированию и метрологии в сети Интернет или по ежегодному информационному указателю "Национальные стандарты", который опубликован по состоянию на 1 января текущего года, и по выпускам ежемесячного информационного указателя "Национальные стандарты" за текущий год. Если заменен ссылочный стандарт, на который дана недатированная ссылка, то рекомендуется использовать действующую версию этого стандарта с учетом всех внесенных в данную версию изменений. Если заменен ссылочный стандарт, на который дана датированная ссылка, то рекомендуется использовать версию этого стандарта с указанным выше годом утверждения (принятия). Если после утверждения настоящего стандарта в ссылочный стандарт, на который дана датированная ссылка, внесено изменение, затрагивающее положение, на которое дана ссылка, то это положение следует применять без учета данного изменения. Если ссылочный стандарт отменен без замены, то положение, в котором дана ссылка на него, рекомендуется применять в части, не затрагивающей эту ссылку.
В настоящем стандарте применены следующие термины с соответствующими определениями:
3.1 система молниезащиты; СМЗ (lightning protection system, LPS): Система, позволяющая защитить здание или сооружение от воздействий молнии.
Примечание - СМЗ включает в себя внешнюю систему молниезащиты и внутреннюю систему молниезащиты, в частных случаях только внешнюю или только внутреннюю составляющую.
3.2 внешняя система молниезащиты (external lightning protection system): Комплекс, состоящий из молниеприемников, токоотводов и заземляющего устройства.
3.3
изолированная внешняя система молниезащиты (external LPS isolated from the structure to be protected): Система молниезащиты, включающая в себя молниеприемники и токоотводы, не имеющие контакта с защищаемым сооружением.
3.4 неизолированная внешняя система молниезащиты (external LPS not isolated from the structure to be protected): Система молниезащиты, включающая в себя молниеприемники и токоотводы, выполненные таким образом, что ток молнии может протекать по защищаемому сооружению.
3.5 внутренняя система молниезащиты (internal lightning protection system): Часть системы молниезащиты, включающая в себя систему уравнивания потенциалов и/или электрическую изоляцию между защищаемым сооружением и внешней системой молниезащиты.
3.6 система молниеприемников (air-termination system): Часть внешней системы молниезащиты, состоящая из металлических стержней, тросов или сеток и предназначенная для перехвата молний.
3.7 система токоотводов (down-conductor system): Часть внешней системы молниезащиты, предназначенная для отведения тока молнии от молниеприемников в заземляющее устройство.
3.8 кольцевой проводник (ring conductor): Проводник, образующий контур вокруг сооружения и обеспечивающий взаимное соединение токоотводов для распределения тока молнии между ними.
3.9 заземляющее устройство молниезащиты (earth-termination system): Часть внешней системы молниезащиты, предназначенная для отведения тока молнии и рассеивания его в земле.
3.10 заземлитель (earth electrode): Часть или несколько элементов заземляющего устройства, находящихся в непосредственном электрическом контакте с землей и обеспечивающих рассеивание тока молнии в земле.
3.11 кольцевой заземлитель (ring earth electrode): Заземлитель, образующий замкнутый контур вокруг сооружения и расположенный в земле или на поверхности земли.
3.12 фундаментный заземлитель (foundation earth electrode): Проводящая часть, как правило, в виде замкнутого контура, расположенная в грунте под фундаментом здания или, что предпочтительнее, в бетонном фундаменте здания.
3.13 сопротивление заземляющего устройства (conventional earth impedance): Отношение амплитудного значения напряжения на заземляющем устройстве к амплитудному значению тока, стекающего в заземляющее устройство, которые в общем случае не совпадают по времени.
3.14 напряжение на заземляющем устройстве (earth-termination voltage): Напряжение, возникающее при стекании тока с заземлителя между точкой ввода тока в заземляющее устройство и зоной нулевого потенциала.
3.15 естественный компонент системы молниезащиты (natural component of LPS): Проводящий элемент, установленный не для целей молниезащиты, но который может быть использован в дополнение к системе молниезащиты или в определенных случаях может выполнять функцию одной или нескольких частей системы молниезащиты.
Примечание - Естественные компоненты СМЗ включают в себя:
- естественные молниеприемники;
- естественные токоотводы;
- естественные заземлители.
3.16 соединительный компонент (connecting component): Часть внешней системы молниезащиты, используемая для присоединения проводников одного к другому или к металлическим конструкциям.
Примечание - Соединительные компоненты включают в себя соединители, зажимы, перемычки и температурные компенсаторы.
3.17 фиксирующий компонент (fixing component): Часть системы молниезащиты, используемая для крепления элементов системы молниезащиты к защищаемому сооружению.
3.18 металлические конструкции (metal installations): Протяженные металлические части сооружения, которые могут создавать путь протеканию тока молнии, такие как трубы, лестницы, направляющие рельсы лифтов, короба вентиляции, отопления, кондиционирования, взаимосвязанные части стальной арматуры и металлические элементы каркаса здания.
3.19 внешние проводящие части (external conductive parts): Протяженные металлические элементы, входящие в защищаемое сооружение или выходящие из него, такие как трубопроводы, металлические элементы кабелей, металлические короба и т.п., по которым может протекать часть тока молнии.
3.20 электрическая система (electrical system): Система электроснабжения низкого напряжения.
3.21 электронная система (electronic system): Система, включающая в себя чувствительные электронные компоненты, такие как оборудование связи, компьютеры, системы управления и измерения, системы радиосвязи, установки силовой электроники.
3.22 внутренние системы (internal systems): Электрические и электронные системы, расположенные внутри сооружения.
3.23 молниезащитное уравнивание потенциалов (lightning equipotential bonding): Соединение с системой молниезащиты отдельных проводящих частей непосредственно или через устройства защиты от перенапряжений, предназначенное для уменьшения разности потенциалов, создаваемых током молнии.
3.24 шина уравнивания потенциалов (bonding bar): Металлическая шина, с помощью которой металлические конструкции, внешние проводящие части, линии связи, электрические и другие кабели могут быть соединены с системой молниезащиты.
3.25 проводник уравнивания потенциалов (bonding conductor): Проводник, соединяющий отдельные проводящие части с системой молниезащиты.
3.26 взаимосвязанная стальная арматура (interconnected reinforcing steel): Стальная арматура внутри бетонного сооружения, рассматриваемая как электрически непрерывная.
3.27 опасное искрение (dangerous sparking): Возникающий из-за молнии электрический разряд, вызывающий физическое повреждение в защищаемом сооружении.
3.28 разделительное расстояние (separation distance): Расстояние между двумя проводящими частями, при котором не может происходить опасное искрение.
3.29 устройство защиты от импульсных перенапряжений; УЗИП (surge protective device, SPD): Устройство, предназначенное для ограничения кратковременных перенапряжений и отвода импульса тока и содержащее как минимум один нелинейный элемент.
3.30 испытательный зажим (test joint): Зажим (разъемное соединение), предназначенный(ое) для выполнения электрических измерений при испытаниях компонентов молниезащиты.
3.31 класс системы молниезащиты (class of LPS): Число, классифицирующее системы молниезащиты в соответствии с уровнем защиты от молнии, обеспеченным при проектировании.
3.32 проектировщик системы молниезащиты (lightning protection designer): Специалист, компетентный и квалифицированный в части проектирования систем молниезащиты.
3.33 монтажник системы молниезащиты (lightning protection installer): Лицо, компетентное и квалифицированное в части монтажа систем молниезащиты.
3.34 взрывоопасные сооружения (structures with risk of explosion): Сооружения, содержащие твердые взрывчатые материалы или взрывоопасные зоны.
3.35 разделительный искровой разрядник; РИР (isolating spark gap, ISG): Устройство с искровым промежутком для электрического разделения проводящих частей установки.
Примечание - В случае удара молнии части установки временно соединяются электрически в результате действия разряда.
3.36 разделительные интерфейсы (isolating interfaces): Устройства, способные уменьшить импульсы напряжения в линиях, пересекающих границы зон защиты от молнии.
Примечания
1 Такими устройствами являются разделительные трансформаторы с заземленным экраном между обмотками, волоконно-оптические кабели без металлических элементов и оптроны.
2 Характеристики электрической прочности изоляции этих устройств подходят для их применения в качестве разделительных интерфейсов по своим внутренним свойствам или при помощи устройств защиты от импульсных перенапряжений.
4.1 Класс системы молниезащиты
Характеристики защищаемого сооружения и рассматриваемый уровень защиты определяют параметры молниезащиты.
Четыре класса молниезащиты, приведенные в таблице 1, определены в настоящем стандарте в соответствии с уровнями защиты от молнии согласно
ГОСТ Р МЭК 62305-1.
Таблица 1
Соответствие классов молниезащиты уровням защиты от молнии
Уровень защиты от молнии | Класс молниезащиты | Уровень защиты от молнии | Класс молниезащиты |
I | I | III | III |
II | II | IV | IV |
Каждый класс молниезащиты характеризуется нижеприведенными параметрами.
a) Данные, зависящие от класса молниезащиты:
- параметры молнии (см.
таблицы 3 и
4 в
ГОСТ Р МЭК 62305-1-2010);
- радиус катящейся сферы, размер ячейки и защитный угол (см.
5.2.2);
- типовые рекомендуемые расстояния между токоотводами (см.
5.2.3);
- разделительное расстояние для защиты от опасного искрения (см.
6.3);
- минимальная длина заземлителей (см.
5.4.2).
b) Факторы, не зависящие от класса молниезащиты:
- молниезащитное уравнивание потенциалов (см.
6.2);
- минимальная толщина металлических листов или металлических труб, используемых в системах молниеприемников (см.
5.2.5);
- материалы, применяемые в СМЗ, и условия их использования (см.
5.5.1);
- материалы, конфигурация и минимальные размеры молниеприемников, токоотводов и заземляющих устройств (см.
5.6);
- минимальные размеры соединительных проводников (см.
6.2.2).
4.2 Проектирование системы молниезащиты
Этапы проектирования и монтажа СМЗ должны быть согласованы с этапами проектирования и монтажа защищаемого сооружения. При проектировании сооружения его металлические части следует использовать как части СМЗ.
Для существующих сооружений при выборе класса и расположения СМЗ должны быть учтены имеющиеся ограничения.
Проектная документация СМЗ должна содержать всю информацию, необходимую для обеспечения ее правильного монтажа. Более подробная информация приведена в
приложении E.
Проектирование и монтаж СМЗ должны быть выполнены опытными и квалифицированными проектировщиками и монтажниками (см. приложение E,
E.4.2).
4.3 Электрическая непрерывность арматуры железобетонных сооружений
Стальную арматуру в железобетонных конструкциях считают электрически непрерывной при условии, что большая часть точек соединений вертикальных и горизонтальных стержней выполнена путем сварки или обеспечено надежное соединение другим способом. Соединения вертикальных стержней должны быть сварены, соединены зажимом, вязкой внахлест с перепуском не менее 20 диаметров или другим способом (см. приложение E,
рисунок E.5). Для новых сооружений тип соединения элементов арматуры между собой должен быть определен проектировщиком или монтажником совместно с инженером-строителем.
Для сооружений из железобетона (в том числе сборного или предварительно напряженного железобетона) электрическая непрерывность арматурных стержней должна быть определена измерением электрического сопротивления между наивысшей точкой и уровнем земли. Общее электрическое сопротивление должно быть не более 0,2 Ом. Если это значение превышено или такие измерения не могут быть выполнены на практике, то арматура железобетона не должна быть использована в качестве естественных токоотводов, как указано в
5.3.5. В этом случае рекомендуется установка внешних токоотводов. Для сооружений из сборного железобетона электрическая непрерывность арматуры должна быть обеспечена между соседними железобетонными элементами.
Примечания
1 Дополнительная информация о электрической непрерывности арматуры железобетонных сооружений приведена в
приложении E.
2 В некоторых странах использование железобетона в качестве элементов СМЗ не допускается.
3 Соединительные элементы для обеспечения непрерывности арматуры железобетона должны соответствовать
ГОСТ Р МЭК 62561.1.
5 Внешняя система молниезащиты
5.1.1 Область применения внешней СМЗ
Внешняя СМЗ предназначена для перехвата прямых ударов молнии в сооружение, включая удары в боковые поверхности сооружения, и отведения тока молнии от точки удара в землю. Кроме того, внешняя СМЗ предназначена для рассеяния тока в земле таким образом, чтобы не вызывать термических и механических повреждений или опасного искрения, которое может стать причиной пожара или взрывов.
В большинстве случаев внешняя СМЗ может быть присоединена к защищаемому сооружению.
Изолированная внешняя СМЗ должна быть установлена в том случае, если здание или его содержимое может быть повреждено вследствие термического или динамического воздействия в точке удара молнии или вблизи проводников с током молнии (см.
приложение E). Примерами таких объектов являются здания с горючими покрытиями и/или стенами, изготовленными из горючих материалов, здания с взрыво- и пожароопасными помещениями.
Примечание - Применение изолированной внешней СМЗ возможно, если в дальнейшем для этого здания может потребоваться модификация СМЗ вследствие изменения его назначения, содержимого или конструкции.
Применение изолированной внешней СМЗ также возможно, если при этом обеспечено снижение излучаемого электромагнитного поля, вызванного протеканием тока молнии по токоотводам.
5.1.3 Использование естественных компонентов
Естественные компоненты, изготовленные из проводящих материалов, которые не могут быть демонтированы или изменены за весь срок эксплуатации (например, взаимосвязанная железобетонная арматура, стальной каркас сооружения и т.п.) могут быть использованы в качестве части СМЗ. Другие естественные компоненты могут быть рассмотрены только в качестве дополнительных элементов СМЗ.
Примечание - Дополнительная информация приведена в
приложении E.
Вероятность проникновения тока молнии в сооружение существенно снижается при наличии правильно спроектированной системы молниеприемников.
Система молниеприемников может состоять из любой комбинации следующих элементов:
a) стержневых молниеприемников (включая отдельно стоящие мачты);
b) молниезащитных тросов;
c) молниеприемных сеток.
Все типы систем молниеприемников должны быть расположены согласно
5.2.2,
5.2.3 и
приложению A. Все типы молниеприемников должны полностью соответствовать требованиям настоящего стандарта.
Для всех типов молниеприемников при определении защищаемого объема следует использовать только действительные физические размеры металлических молниеприемников.
Стержневые молниеприемники соединяют между собой на уровне крыши для обеспечения более равномерного распределения тока.
Применение радиоактивных молниеприемников запрещено.
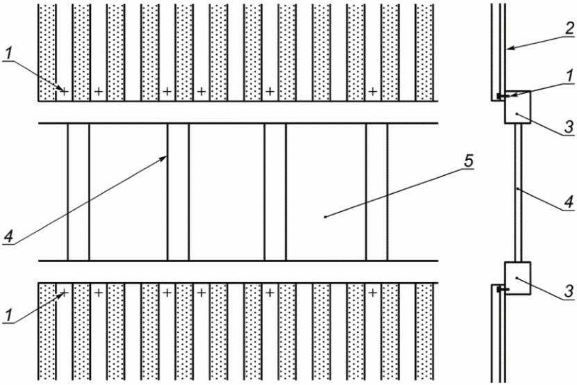
5.2.2 Расположение молниеприемников
Компоненты молниеприемников, установленные на сооружении, должны быть расположены в углах, на выступающих частях здания и ребрах (особенно на верхнем уровне фасадов) в соответствии с одним или несколькими из методов, указанных ниже.
Допустимые методы, которые должны применять при определении расположения системы молниеприемников, включают в себя:
- метод защитного угла;
- метод катящейся сферы;
- метод сетки.
Метод катящейся сферы применим на постоянной основе.
Метод защитного угла используют для сооружений, имеющих простую форму, но его применение ограничено высотой молниеприемника, указанной в
таблице 2.
Метод сетки применяют для защиты плоских поверхностей.
Примечание - В Российской Федерации применяют также вероятностный метод для определения защищаемого объема [1], [2].
Значения защитного угла, радиуса катящейся сферы и размера ячейки для каждого класса СМЗ приведены в таблице 2 и на
рисунке 1. Требования к размещению системы молниеприемников более подробно изложены в
приложении A.
Таблица 2
Максимальные значения радиуса катящейся сферы,
размера ячейки и защитного угла для каждого класса СМЗ
| Метод защиты |
Класс СМЗ | Радиус катящейся сферы r, м | Размер ячейки Wm, м | Защитный угол  , ° |
I | 20 | 5 x 5 | |
II | 30 | 10 x 10 |
III | 45 | 15 x 15 |
IV | 60 | 20 x 20 |
Примечания
1 Не применяют для значений
h больше отмеченных как

. В этих случаях используют только метод катящейся сферы и метод сетки.
2 h - высота молниеприемника над плоскостью начала отсчета защищаемого участка.
3 Для значений высоты h менее 2 м угол постоянный.
Рисунок 1 - Защитный угол для каждого класса СМЗ
Вероятностный метод расчета зон защиты в Российской Федерации применяют в соответствии с требованиями нормативных документов [1] - [3].
5.2.3 Молниеприемники для защиты от ударов молнии в боковые поверхности высотных сооружений
5.2.3.1 Сооружения высотой менее 60 м
Вероятность ударов молнии с малыми токами в вертикальную боковую поверхность сооружения высотой менее 60 м настолько мала, что необходимость ее рассматривать отсутствует. Крыши и горизонтальные поверхности должны быть защищены в соответствии с классом СМЗ, определяемым расчетом риска по
ГОСТ Р МЭК 62305-2.
5.2.3.2 Сооружения высотой 60 м и более
При высоте сооружения 60 м и более возможны удары молнии в его боковую поверхность, особенно в выступающие части, углы и края поверхностей.
Примечание - Риск таких ударов молнии незначителен. Боковые удары молнии составляют лишь несколько процентов от общего числа ударов молнии по высоким сооружениям. Параметры таких ударов значительно ниже, чем при ударах молнии по верхней части сооружений. Однако электрическое и электронное оборудование, размещенное на внешних стенах сооружений, может быть повреждено даже ударами молнии с небольшими значениями тока молнии.
Система молниеприемников должна быть установлена для защиты верхней части боковых поверхностей сооружений (верхнюю часть сооружения, превышающую по высоте 60 м, но не более 20% верхней части сооружения) и оборудования, установленного на этой части сооружений (см.
приложение A).
Правила размещения систем молниеприемников на верхних частях сооружения должны соответствовать требованиям IV уровня защиты от молнии. Молниеприемники должны быть расположены на углах, краях и выступающих частях (таких как балконы, смотровые площадки и т.п.).
Допускается использовать в качестве молниеприемников внешние металлические элементы: металлическое покрытие или металлические навесные панели стен, при условии соответствия их минимальных размеров требованиям
таблицы 3. Кроме того, можно применять в качестве естественных молниеприемников токоотводы или соединения с естественными токоотводами, такими как стальной каркас сооружения или металлическая электрически непрерывная арматура бетона, отвечающая требованиям
5.3.5.
Примечание - Рекомендуется использование естественных токоотводов и заземляющих устройств.
5.2.4 Конструкции молниеприемников
Молниеприемники неизолированной СМЗ допускается устанавливать следующим образом:
- если кровля выполнена из негорючего материала, то проводники молниеприемников могут быть размещены на поверхности кровли;
- если кровля выполнена из горючего материала, то должно быть выбрано безопасное расстояние между проводниками молниеприемников и материалом. Для соломенной крыши, для монтажа кровли, в которой не используют стальные стержни, достаточным является расстояние не менее 0,15 м; для других горючих материалов - не менее 0,10 м;
- части сооружения, выполненные из горючего легковозгораемого материала, не должны находиться в прямом контакте с элементами внешней СМЗ и непосредственно под любым металлическим покрытием крыши, в котором возможен прожиг током молнии (см.
5.2.5).
Также должны быть защищены и менее горючие кровли, такие как деревянные листы.
Примечания
1 Если на плоской крыше возможно накопление воды, то молниеприемники должны быть установлены выше ее самого высокого уровня.
2 Примеры элементов зданий из негорючих материалов: металлический каркас со стенами из кирпичной кладки, кирпичная кладка, кладка из бетонных блоков, металлическое покрытие, гравийная крыша, металлические панели с фальцованным соединением, бетонные плиты, сталь, стекло.
3 Примеры элементов зданий из горючих материалов: деревянные стропила, стены с деревянным каркасом, деревянные полы и крыши, деревянные листы, однослойные пластиковые мягкие кровли.
4 Примеры горючих легко возгораемых материалов: ткани, дерево или бумага.
5.2.5 Естественные молниеприемники
В качестве естественных молниеприемников и части СМЗ в соответствии с
5.1.3 допускается использовать нижеприведенные части сооружения.
a) Металлические листы, покрывающие сооружение, при условии, что:
- обеспечена надежная электрическая непрерывность между различными частями (например, посредством пайки твердым припоем, сварки, обжатия, фальцовки, соединения винтами или болтами);
- толщина металлического листа не менее значения
t', приведенного в
таблице 3, если допускается прожиг листа или воспламенение горючих материалов под листом;
- толщина металлического листа не менее значения
t, приведенного в
таблице 3, если не допускается прожиг листа или нагрев внутренней поверхности листа в месте удара молнии может представлять опасность;
- они не покрыты изолирующим материалом.
Примечание - Должно быть подтверждено, что нагрев внутренней поверхности в точке удара молнии не представляет опасности. Вопросы нагрева внутренней поверхности и воспламенения допускается не рассматривать, если металлические листы лежат в зоне защиты от молнии
0B (см.
ГОСТ Р МЭК 62305-4).
Таблица 3
Минимальная толщина металлических листов или металлических
труб, применяемых в системах молниеприемников
Класс системы молниезащиты | Материал | | |
От I до IV | Свинец | - | 2,0 |
Сталь (нержавеющая, оцинкованная) | 4 | 0,5 |
Титан | 4 | 0,5 |
Медь | 5 | 0,5 |
Алюминий | 7 | 0,65 |
Цинк | - | 0,7 |
<a> t - прожиг отсутствует. <b> t' - только для металлических листов, если не требуется предотвращать прожиг листа, воспламенение материала под листом и не имеет значения нагрев внутренней поверхности листа. |
b) Металлические элементы конструкции крыши (фермы, взаимосвязанная арматура и т.п.) под неметаллической кровлей, если повреждение этой неметаллической кровли допустимо.
c) Металлические части, такие как украшения, перила, трубы, покрытия парапетов и т.п., имеющие площадь поперечного сечения не менее, чем требуемая для стандартных молниеприемников.
d) Металлические трубы и резервуары на крыше при условии, что они выполнены из материала, имеющего толщину и площадь поперечного сечения в соответствии с
таблицей 6.
e) Металлические трубы и резервуары с горючими или взрывоопасными смесями при условии, что они выполнены из материала с толщиной не менее значения
t, приведенного в
таблице 3, и что повышение температуры на внутренней поверхности в точке удара молнии не представляет опасности (дополнительная информация приведена в
приложении D).
Если условия по толщине материала не выполнены, то трубы и резервуары должны быть защищены от прямого удара молнии.
Трубопроводы с горючими или взрывоопасными смесями не следует рассматривать в качестве естественных молниеприемников, если прокладка во фланцевом соединении неметаллическая или если фланцы не соединены электрически.
Примечание - Тонкое покрытие защитной краской или покрытие битумом толщиной около 1 мм, или покрытие ПВХ толщиной 0,5 мм не считают изолятором. Подробная информация приведена в приложении E (
E.5.3.4.1 и
E.5.3.4.2).
Для уменьшения вероятности повреждения током молнии, протекающим в СМЗ, токоотводы должны быть выполнены таким образом, чтобы от точки удара молнии до земли:
a) существовало несколько параллельных путей протекания тока;
b) длина пути тока была сведена к минимуму;
c) уравнивание потенциалов с проводящими частями сооружения было выполнено в соответствии с требованиями
6.2.
Примечание - Рекомендуется дополнительное соединение токоотводов между собой.
Геометрия токоотводов и кольцевых проводников влияет на разделительное расстояние (см.
6.3).
Примечание - Выполнение наибольшего возможного числа токоотводов, расположенных по периметру на равном расстоянии и объединенных кольцевыми проводниками, уменьшает возможность опасного искрения и способствует защите внутренних установок (см.
ГОСТ Р МЭК 62305-4). Это условие соблюдено в сооружениях с металлическим каркасом и в железобетонных сооружениях, в которых арматура электрически непрерывна.
Типовые рекомендуемые значения расстояний между токоотводами приведены в
таблице 4.
Более подробная информация о распределении тока молнии между токоотводами приведена в
приложении C.
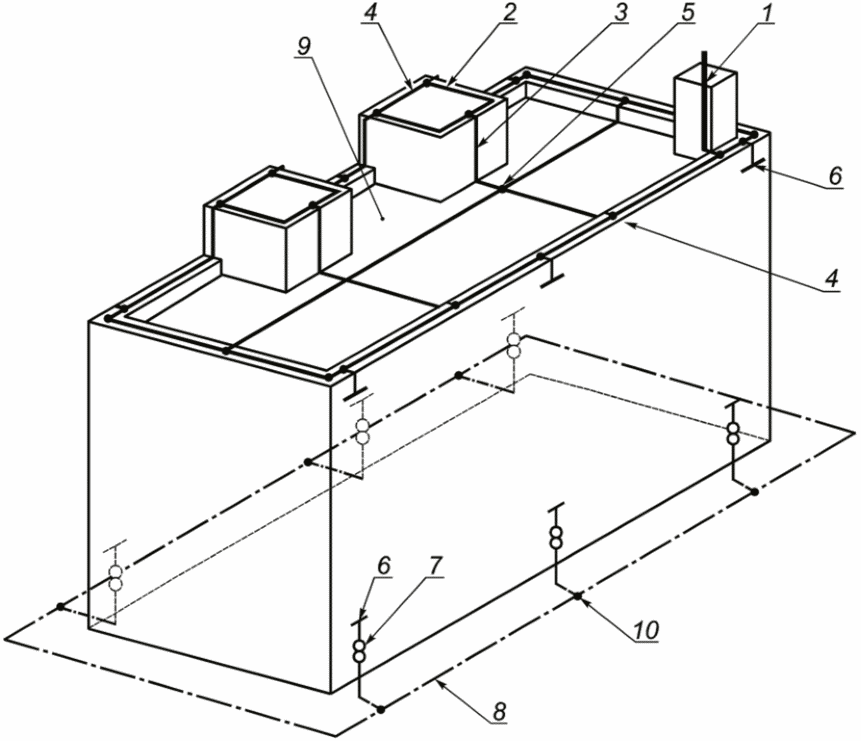
5.3.2 Расположение изолированной системы молниезащиты
Расположение должно быть следующим:
a) если система молниеприемников состоит из стержневых молниеприемников на отдельных опорах (или на одной опоре), выполненных(ой) не из металла или железобетона с взаимосвязанной арматурой, то для каждой мачты необходимо не менее одного токоотвода. Для мачт, выполненных из металла или железобетона с взаимосвязанной арматурой, дополнительные токоотводы не требуются;
b) если система молниеприемников состоит из подвесных тросов (или одного троса), то на каждой поддерживающей конструкции необходимо не менее одного токоотвода;
c) если система молниеприемников образует сеть взаимосвязанных проводников, то для каждой поддерживающей опоры необходимо не менее одного токоотвода.
5.3.3 Расположение неизолированной СМЗ
Для каждой неизолированной СМЗ количество токоотводов должно быть не менее двух, и они должны быть распределены по периметру защищаемого сооружения в зависимости от архитектурных и других ограничений.
Токоотводы следует располагать максимально равномерно по периметру. Рекомендуемые значения расстояния между токоотводами приведены в
таблице 4.
Примечание - Значения расстояний между токоотводами коррелируется с расстояниями, приведенными в
6.3.
Таблица 4
Рекомендуемые значения расстояния между токоотводами
в зависимости от класса системы молниезащиты
Класс СМЗ | Типовые расстояния, м | Класс СМЗ | Типовые расстояния, м |
I | 10 | III | 15 |
II | 10 | IV | 20 |
Токоотвод следует устанавливать на каждом внешнем углу сооружения, при возможности.
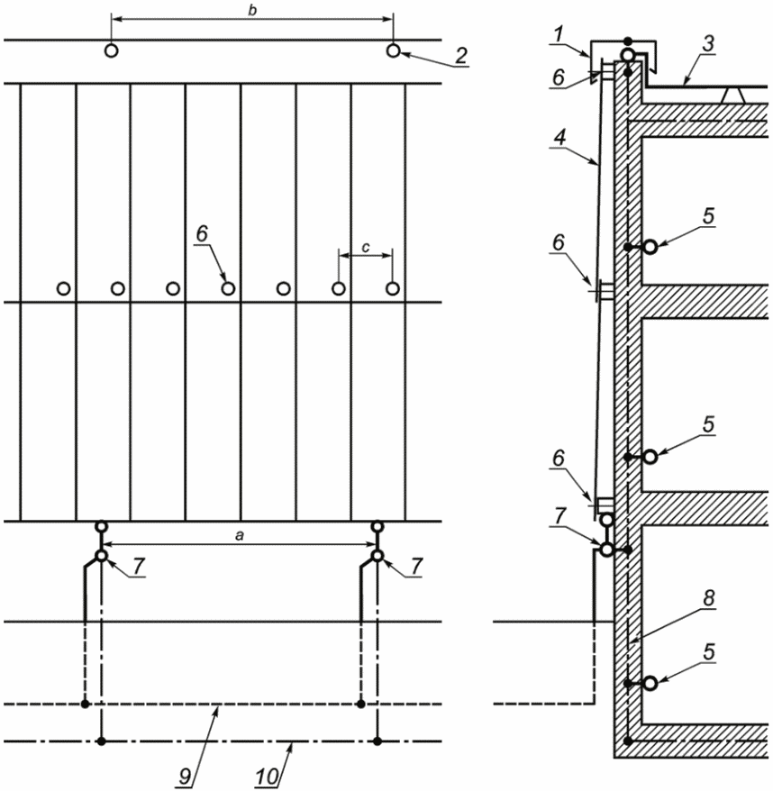
5.3.4 Конструкция токоотводов
Токоотводы должны быть выполнены таким образом, чтобы они образовывали непосредственное продолжение проводников молниеприемника.
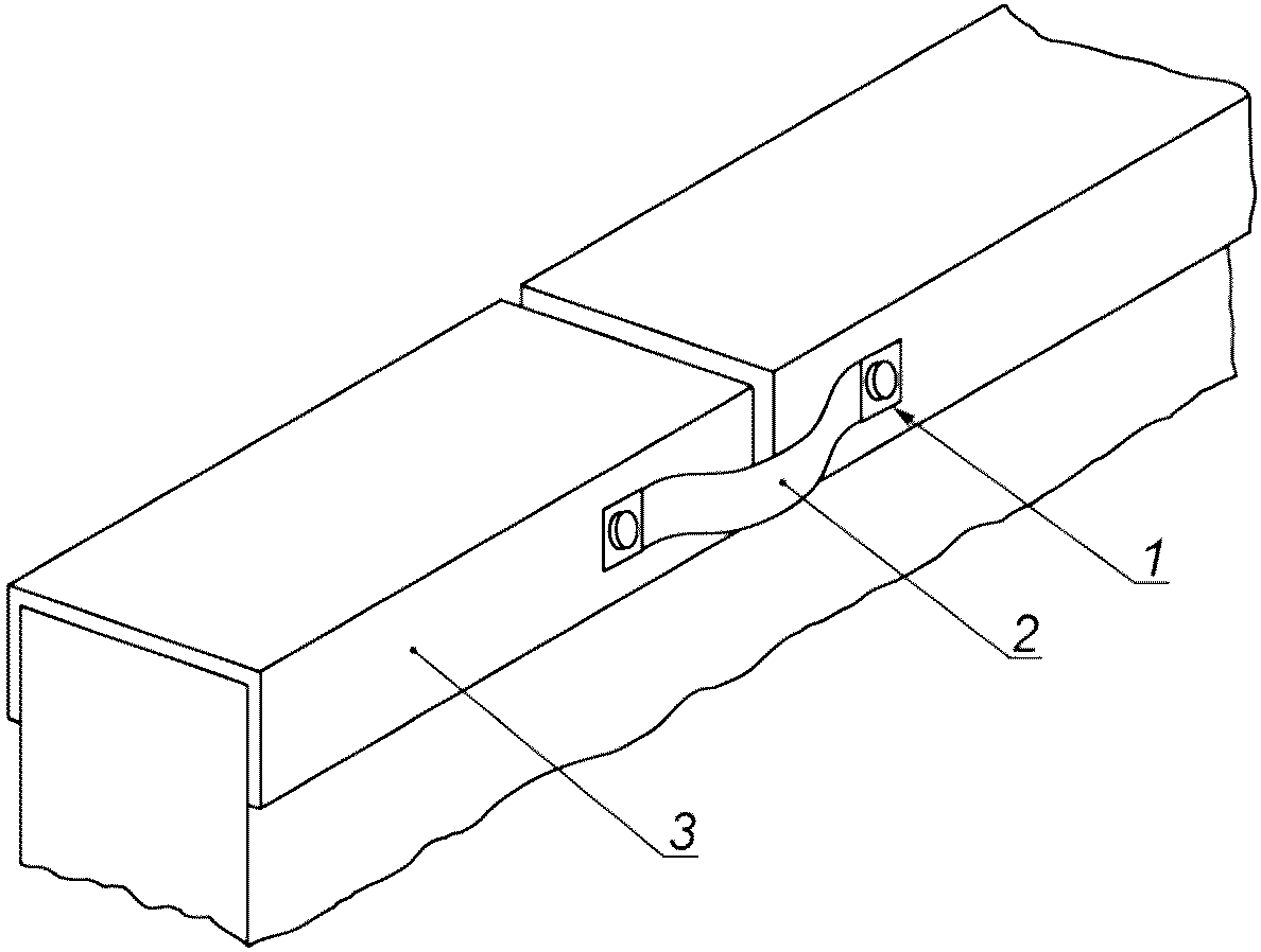
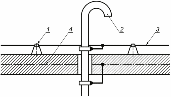
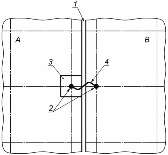
Токоотводы должны быть установлены прямо и вертикально, для того чтобы они обеспечивали самый короткий и прямой путь к земле. Образование петель должно быть исключено. Там, где это невозможно выполнить, расстояние
s, измеренное между двумя точками петли проводника, и длина
l проводника между этими точками (см. рисунок 2) должны соответствовать положениям
6.3.
Рисунок 2 - Петля токоотвода
Токоотводы, даже если они покрыты изоляционным материалом, не следует устанавливать в водосточных желобах и трубах.
Примечание - Воздействие влаги в водосточных желобах ведет к интенсивной коррозии токоотводов.
Рекомендуется располагать токоотводы таким образом, чтобы между ними и любыми дверями и окнами были обеспечены разделительные расстояния согласно требованиям
6.3.
Токоотводы неизолированной СМЗ могут быть установлены следующим образом:
- если стена выполнена из негорючего материала, то токоотводы могут быть расположены на поверхности или в стене;
- если стена выполнена из горючего материала, то токоотводы могут быть расположены на поверхности стены при условии, что их температура при протекании тока молнии не представляет опасность для материала стены;
- если стена выполнена из горючего материала и повышение температуры токоотводов представляет опасность для нее, то токоотводы должны быть расположены таким образом, чтобы расстояние между ними и стеной всегда было более 0,1 м. Монтажные кронштейны могут быть в контакте со стеной.
Если расстояние между токоотводом и горючим материалом не может быть обеспечено, площадь поперечного сечения стального или эквивалентного по тепловыделению материала должна быть не менее 100 мм2.
5.3.5 Естественные токоотводы
В качестве естественных токоотводов могут быть использованы нижеприведенные части сооружения.
a) Металлические конструкции при условии, что:
- электрическая непрерывность между различными частями металлоконструкций обеспечена в соответствии с
5.5.3;
- размеры металлоконструкций соответствуют требованиям
таблицы 6 для токоотводов.
Трубопроводы с горючими или взрывоопасными смесями не должны быть использованы в качестве естественных токоотводов в том случае, если прокладка во фланцевом соединении не металлическая или если фланцы не соединены надлежащим образом.
Примечание - Металлические конструкции могут быть покрыты изоляционным материалом.
b) Металлическая электрически непрерывная арматура железобетонного каркаса сооружения.
Примечания
1 Для сооружений из сборного железобетона у каждого элемента необходимо предусмотреть выводы для соединения арматуры железобетонных элементов между собой. Внутри железобетонных элементов между этими выводами должно быть обеспечено электрическое соединение. Арматуру отдельных элементов сооружения из сборного железобетона соединяют между собой при строительстве (см.
приложение E).
2 В случае применения предварительно напряженных железобетонных конструкций должно быть исключено появление недопустимых механических воздействий вследствие протекания тока молнии или в результате соединения с СМЗ.
c) Взаимосвязанные стальные конструкции каркаса сооружения.
Примечание - Если в качестве токоотводов используют части металлического каркаса или взаимосвязанную арматуру сооружения, то кольцевые проводники не применяют.
d) Элементы фасадов, профильные рейки и металлический каркас фасадов при условии, что:
- их размеры соответствуют требованиям для токоотводов (см.
5.6.2) и толщина металлических листов или металлических труб составляет не менее 0,5 мм;
- их электрическая непрерывность в вертикальном направлении соответствует требованиям
5.5.3.
Примечание - Дополнительная информация приведена в
приложении E.
5.3.6 Испытательные зажимы
В месте присоединения токоотвода к заземляющему устройству на каждом токоотводе должен (должно) быть предусмотрен(о) испытательный зажим (разъемное соединение), за исключением случая использования естественного токоотвода, объединенного с фундаментным заземлителем.
Испытательный зажим должен быть выполнен с возможностью разъединения с помощью инструмента при проведении измерений, и при эксплуатации он должен оставаться замкнутым.
5.4 Заземляющее устройство
Конфигурация и размеры заземляющего устройства имеют важное значение для сведения к минимуму любых потенциально опасных перенапряжений при стекании тока молнии (обладающего высокочастотными свойствами) в землю. Сопротивление заземляющего устройства должно быть не более 10 Ом (при измерении на низкой частоте).
Следует выполнять, как правило, единое заземляющее устройство для молниезащиты, систем электроснабжения и систем связи.
Заземляющие устройства должны быть включены в систему уравнивания потенциалов в соответствии с требованиями
6.2.
Примечания
1 Условия разделения и присоединения других заземляющих устройств определены в нормативных документах Российской Федерации [3].
2 При соединении заземляющих устройств, выполненных из различных металлов, они должны быть защищены от коррозии.
5.4.2 Заземляющее устройство в общих условиях
Применяют две основных конфигурации заземлителей.
Данная конфигурация представляет собой горизонтальные или вертикальные заземлители, установленные снаружи защищаемого сооружения и соединенные с каждым токоотводом, либо фундаментные заземлители, не образующие замкнутый контур.
Для конфигурации A общее число заземлителей должно быть не менее двух.
Примечание - Параметры заземлителя для СМЗ классов III и IV не зависят от удельного сопротивления грунта.
Рисунок 3 - Минимальная длина
l1 каждого заземлителя
в зависимости от класса СМЗ
Минимальная длина каждого заземлителя, присоединенного к каждому токоотводу, равна:
- l1 - для горизонтальных заземлителей или
- 0,5l1 - для вертикальных (или наклонных) заземлителей,
где
l1 - минимальная длина горизонтальных электродов согласно
рисунку 3.
Для комбинированных (вертикальных или горизонтальных) заземлителей длина общая.
Требования к минимальным длинам, приведенным на
рисунке 3, могут не соблюдаться при условии, что сопротивление заземления заземляющего устройства составляет менее 10 Ом (измеренное на частоте, отличной от промышленной частоты и ее гармоник, во избежание помех).
Примечания
1 Если указанные выше требования не могут быть выполнены, то должна применяться конфигурация типа B.
2 Уменьшение сопротивления заземляющего устройства за счет увеличения длины заземлителей имеет практический смысл, если их длина не превышает 60 м. Для грунта с удельным сопротивлением более 3000 Ом·м рекомендуется применять конфигурацию B или специальные смеси для уменьшения сопротивления грунта.
Данная конфигурация представляет собой либо кольцевой проводник, расположенный вне защищаемого сооружения и не менее 80% которого (по длине) находится в контакте с грунтом, либо фундаментные заземлители, образующие замкнутый контур. Заземлители также могут образовывать сетку.
Примечание - Хотя 20% кольцевого заземляющего проводника (по длине) может не иметь контакта с грунтом, он должен быть электрически непрерывным по всей своей длине.
Для кольцевого заземлителя (или для фундаментного заземлителя) значение радиуса re области, охваченной кольцевым заземлителем (или фундаментным заземлителем), должно быть не меньше значения l1:
re >= l1, (1)
где
l1 - согласно
рисунку 3 в зависимости от класса СМЗ.
Если требуемое значение l1 превышает значение re, которое может быть реализовано для данного объекта, должны быть добавлены дополнительные горизонтальные или вертикальные (или наклонные) заземлители длиной lr (горизонтальные) и lv (вертикальные), значение которых определяют по следующим выражениям:
lr = l1 - re; (2)
и
lv = (l1 - re)/2. (3)
Количество дополнительных заземлителей должно быть не менее числа токоотводов, но не менее двух.
Дополнительные заземлители должны быть подключены к кольцевому заземлителю в тех точках, где подключены токоотводы, и как можно более равномерно по периметру.
5.4.3 Монтаж заземлителей
Кольцевой заземлитель (конфигурация B) следует располагать на глубине не менее 0,5 м и на расстоянии около 1 м от внешних стен.
Заземлители конфигурации A должны быть смонтированы на глубине не менее 0,5 м от верхнего конца и распределены как можно более равномерно по периметру, для того чтобы свести к минимуму взаимное влияние.
Примечание - Если заземлитель конфигурации A расположен в пределах инспекционного колодца, который, в свою очередь, размещен в покрытии с высоким электрическим сопротивлением или примыкает к бетону, то требованием относительно глубины 0,5 м можно пренебречь.
Заземлители должны быть установлены таким образом, чтобы во время строительства можно было проводить их проверку.
Глубина расположения и конфигурация заземлителя должны обеспечивать минимизацию коррозионных процессов, влияния высыхания и промерзания почвы и тем самым сохранять неизменным сопротивление заземляющего устройства. Верхнюю часть вертикального заземлителя, расположенную в пределах глубины промерзания грунта, рекомендуют не учитывать в условиях промерзания грунта.
Примечание - Таким образом, для каждого вертикального заземлителя значение
l1, рассчитанное по
5.4.2.1 и
5.4.2.2, должно быть увеличено на 0,5 м.
В голых скальных породах рекомендуют применять заземляющее устройство конфигурации B.
Для сооружений с разветвленными электронными системами или с высокой пожароопасностью рекомендуют сооружение заземляющего устройства конфигурации B.
5.4.4 Естественные заземлители
В качестве заземлителей рекомендуется использовать взаимосвязанную стальную арматуру в бетонных фундаментах, выполненную в соответствии с
5.6, или другие пригодные для этой цели подземные металлические конструкции. Когда в качестве заземлителя использована металлическая арматура железобетона, особое внимание должно быть уделено местам соединений для предотвращения механического растрескивания бетона.
Примечания
1 При применении предварительно напряженного бетона следует учитывать последствия прохождения токов молнии, которые могут создать опасные механические напряжения.
2 Если использован фундаментный заземлитель, то возможно увеличение сопротивления заземления со временем.
Компоненты СМЗ должны выдерживать без разрушения электромагнитные воздействия тока молнии и расчетные механические воздействия. Это может быть достигнуто за счет выбора компонентов, прошедших испытания в соответствии с требованиями ГОСТ Р МЭК 62561.1 - ГОСТ Р МЭК 62561.7.
Компоненты СМЗ должны быть изготовлены из материалов, указанных в
таблице 5, или из других материалов с эквивалентными механическими, электрическими и химическими (в отношении коррозии) рабочими характеристиками.
Примечание - Неметаллические компоненты могут быть использованы в качестве креплений.
Таблица 5
Материалы системы молниезащиты и условия их применения
Материал | Область применения | Коррозия |
на открытом воздухе | в земле | в бетоне | Стойкость к коррозии | Факторы, увеличивающие коррозию | Образование гальванической пары со следующими материалами |
Медь | Одножильная. Многожильная | Одножильная. Многожильная. В качестве покрытия | Одножильная. Многожильная. В качестве покрытия | Эффективная во многих условиях окружающей среды | Соединения серы. Органические материалы | - |
| Одножильная. Многожильная | Одножильная | Одножильная. Многожильная | Приемлемая при применении на открытом воздухе, в бетоне и в плодородной части грунта | Высокое содержание хлоридов | Медь |
Сталь с гальваническим покрытием медью | Одножильная | Одножильная | Одножильная | Эффективная во многих условиях окружающей среды | Соединения серы | - |
Нержавеющая сталь | Одножильная. Многожильная | Одножильная. Многожильная | Одножильная. Многожильная | Эффективная во многих условиях окружающей среды | Высокое содержание хлоридов | - |
Алюминий | Одножильный. Многожильный | Не пригоден | Не пригоден | Эффективная в среде с низкой концентрацией серы и хлоридов | Щелочные среды | Медь |
| Одножильный. В качестве покрытия | Одножильный. В качестве покрытия | Не пригоден | Эффективная в среде с высокой концентрацией сульфатов | Кислые почвы | Медь. Нержавеющая сталь |
<a> В данной таблице приведены только общие указания. В особых случаях требуется более тщательное рассмотрение стойкости к коррозии (см. приложение E). <b> Оцинкованная сталь может корродировать в глинистом или влажном грунте. <c> Оцинкованная сталь в бетоне не должна заходить в грунт из-за опасности коррозии стали на границе бетона и грунта. <d> Оцинкованную сталь, находящуюся в контакте с арматурной сталью в бетоне, не следует применять в тех прибрежных областях, в грунтовых водах которых может быть соль. <e> Многожильные проводники более подвержены коррозии, чем одножильные проводники. Многожильные проводники также уязвимы в месте выхода из грунта или бетона. По этой причине многожильные стальные оцинкованные проводники не рекомендованы для использования в грунте. <f> Использование свинца в земле часто запрещено или ограничено в целях защиты окружающей среды. |
Молниеприемники и токоотводы должны быть надежно закреплены таким образом, чтобы электродинамические или механические воздействия (например, вибрации, смещение слоев снега, тепловое расширение и т.п.) не привели к разрыву проводников или ослаблению их крепления (см.
приложение D ГОСТ Р МЭК 62305-1-2010).
Примечание - Рекомендуемые расстояния между точками крепления приведены в приложении E
(таблица E.1).
Число соединений проводников по длине должно быть сведено к минимуму. Соединения должны быть выполнены надежными средствами, такими как пайка твердым припоем, сварка, соединение зажимом, опрессовка, фальцовка, винтовое или болтовое соединение.
Соединения стальной арматуры железобетонных элементов должны соответствовать требованиям
4.3 и
ГОСТ Р МЭК 62561.1.
5.6.1 Материалы
Материал и размеры компонентов должны быть выбраны с учетом возможной коррозии как защищаемого сооружения, так и СМЗ.
Конфигурация и минимальные значения площади поперечного сечения проводников молниеприемных сеток, стержневых молниеприемников и токоотводов приведены в
таблице 6. Параметры должны соответствовать требованиям и условиям испытаний согласно
ГОСТ Р МЭК 62561.1 -
ГОСТ Р МЭК 62561.7.
Конфигурация и минимальные размеры заземлителей приведены в
таблице 7. Параметры должны соответствовать требованиям и условиям испытаний согласно
ГОСТ Р МЭК 62561.1 -
ГОСТ Р МЭК 62561.7.
Таблица 6
Материал, конфигурация и минимальная площадь поперечного
сечения проводников молниеприемников, проводников в месте
ввода в грунт и токоотводов
<a>
Материал | Профиль сечения | Площадь поперечного сечения, мм2 |
Медь, медь, покрытая оловом | Прямоугольный | 50 |
| 50 |
Многожильный проводник <b> | 50 |
| 176 |
Алюминий | Прямоугольный | 70 |
Круглый | 50 |
Многожильный проводник | 50 |
Сплав алюминия | Прямоугольный | 50 |
Круглый | 50 |
Многожильный проводник | 50 |
| 176 |
Алюминиевый сплав с медным покрытием | Круглый | 50 |
Сталь горячей оцинковки | Прямоугольный | 50 |
Круглый | 50 |
Многожильный проводник | 50 |
| 176 |
Сталь с медным покрытием | Круглый | 50 |
Прямоугольный | 50 |
Нержавеющая сталь | | 50 |
| 50 |
Многожильный проводник | 70 |
| 176 |
<a> Механические и электрические характеристики, коррозионная устойчивость должны отвечать требованиям ГОСТ Р МЭК 62561.1 - ГОСТ Р МЭК 62561.7. <b> В специальных случаях, когда механическая прочность не является необходимой, минимальные требования к сечению площадью 50 мм 2 (8 мм в диаметре) могут быть снижены до 25 мм 2. В этом случае следует уменьшить расстояния между элементами крепления. <c> Применяется для стержневых молниеприемников и проводников в месте ввода в грунт. В качестве стержневого молниеприемника, для которого механическая нагрузка, например ветровая, не является существенной, может быть использован пруток диаметром 9,5 мм и длиной 1 м. <d> Если тепловое и механическое воздействия являются значительными, то эти значения должны быть увеличены до 75 мм 2. |
Таблица 7
Материал, профиль сечения и минимальные
Материал | Профиль сечения | Размеры |
Диаметр проводника круглого сечения, мм | Поперечное сечение проводника, мм2 | Заземлитель в виде пластины, мм |
Медь; медь, покрытая оловом | Многожильный проводник | - | 50 | - |
Круглый | 15 | 50 | - |
Прямоугольный | - | 50 | - |
Труба | 20 | - | - |
Цельнометаллическая пластина | - | - | 500 x 500 |
| - | - | 600 x 600 |
Сталь горячей оцинковки | Круглый | 14 | 78 | - |
Труба | 25 | - | - |
Прямоугольный | - | 90 | - |
Цельнометаллическая пластина <c> | - | - | 500 x 500 |
| - | - | 600 x 600 |
Произвольный профиль | | - | - |
| Многожильный проводник | - | 70 | - |
Круглый | - | 78 | - |
Прямоугольный | - | 75 | - |
Сталь с медным покрытием | Круглый | 14 | 50 | - |
Прямоугольный | - | 90 | - |
Нержавеющая сталь | Круглый | 15 | 78 | - |
Прямоугольный | - | 100 | - |
<a> Механические и электрические характеристики, коррозионная устойчивость должны отвечать требованиям ГОСТ Р МЭК 62561.1 - ГОСТ Р МЭК 62561.7. <b> В случае применения фундаментного заземлителя конфигурации B заземлитель должен быть надежно соединен с арматурной сталью, по меньшей мере через каждые 5 м. <c> Решетка с минимальной общей длиной проводников 4,8 м. <d> Допускается применять проводники произвольного профиля с площадью поперечного сечения 290 мм 2 и минимальной толщиной 3 мм, например крестообразного. <e> Должны быть заглублены в бетон на глубину не менее 50 мм. |
6 Внутренняя система молниезащиты
Внутренняя СМЗ должна предотвращать появление опасного искрения внутри защищаемого сооружения при протекании тока молнии по внешней СМЗ или по другим проводящим частям сооружения.
Опасное искрение может возникнуть между частями внешней СМЗ и другими элементами, такими как:
- металлические конструкции;
- внутренние системы;
- внешние проводящие части и линии, подходящие к сооружению.
Примечания
1 Искрение, происходящее во взрывоопасном сооружении, опасно при любых обстоятельствах. В этом случае требуются дополнительные меры защиты, которые в настоящее время находятся в разработке (см.
приложение D).
Опасное искрение между различными частями может быть предотвращено посредством:
- уравнивания потенциалов в соответствии с
6.2;
- электрической изоляции между частями в соответствии с
6.3.
6.2 Молниезащитное уравнивание потенциалов
Уравнивание потенциалов достигают присоединением к СМЗ следующих элементов:
- металлических конструкций;
- внутренних систем;
- внешних проводящих частей и линий, подходящих к сооружению.
Если молниезащитное уравнивание потенциалов выполнено для внутренних систем, часть тока молнии может протекать по этим системам, и это воздействие должно быть учтено.
Присоединение может быть выполнено с помощью:
- проводников уравнивания потенциалов, когда электрическая непрерывность не обеспечена естественным соединением;
- УЗИП, когда непосредственное соединение с помощью проводников уравнивания потенциалов нецелесообразно;
- РИР, когда непосредственное соединение с помощью проводников уравнивания потенциалов не допускается.
Способ выполнения молниезащитного уравнивания потенциалов необходимо согласовать с операторами сети связи, электрической сети, газопроводов, а также с другими организациями и ведомствами, кого это может касаться, так как их требования могут противоречить друг другу.
Устройства защиты от перенапряжений должны быть установлены таким образом, чтобы была обеспечена возможность их проверки.
Примечания
1 При установленной СМЗ могут быть поражены металлоконструкции, расположенные снаружи защищаемого сооружения. Это должно быть учтено при проектировании таких систем. В этом случае может быть выполнено молниезащитное уравнивание потенциалов для внешних металлоконструкций.
2 Молниезащитное уравнивание потенциалов следует объединять и координировать с другими видами уравнивания потенциалов в сооружении.
6.2.2 Молниезащитное уравнивание потенциалов для металлических конструкций
Для изолированной внешней СМЗ молниезащитное уравнивание потенциалов должно быть выполнено только на уровне земли.
Для неизолированной внешней СМЗ молниезащитное уравнивание потенциалов следует выполнять в следующих точках:
a) в подвале или примерно на уровне земли. Проводники уравнивания потенциалов должны быть подключены к шине уравнивания потенциалов, выполненной и установленной таким образом, чтобы был обеспечен свободный доступ для проверки. Шина уравнивания потенциалов должна быть присоединена к заземляющему устройству. Для больших сооружений (более 20 м длиной) может быть использована кольцевая шина уравнивания потенциалов или может быть установлено несколько шин уравнивания потенциалов при условии, что они будут соединены между собой;
b) в тех местах, где не соблюдены требования к изоляции (см.
6.3).
Соединения молниезащитного уравнивания потенциалов должны быть как можно более короткими и прямыми.
Примечание - Когда молниезащитное уравнивание потенциалов выполнено для проводящих частей сооружения, часть тока молнии может протекать по сооружению, и это должно быть учтено.
Минимальные значения площади поперечного сечения проводников уравнивания потенциалов для соединения шин уравнивания потенциалов между собой и для присоединения шин уравнивания потенциалов к заземляющему устройству приведены в таблице 8.
Таблица 8
Минимальные размеры проводников для соединения шин
уравнивания потенциалов между собой и для присоединения шин
уравнивания потенциалов к заземляющему устройству
Класс системы молниезащиты | Материал | Площадь поперечного сечения, мм2 |
I - IV | Медь | 16 |
Алюминий | 25 |
Сталь | 50 |
Минимальные значения площади поперечного сечения проводников уравнивания потенциалов для присоединения внутренних металлических конструкций к шинам уравнивания потенциалов приведены в таблице 9.
Таблица 9
Минимальные размеры проводников для присоединения внутренних
металлических конструкций к шине уравнивания потенциалов
Класс системы молниезащиты | Материал | Площадь поперечного сечения, мм2 |
I - IV | Медь | 6 |
Алюминий | 10 |
Сталь | 16 |
Если в газопроводах или водопроводных трубах защищаемого сооружения установлены изолирующие вставки, то эти вставки по согласованию с поставщиками газа и воды должны быть зашунтированы РИР, разработанными для этой цели.
РИР должны быть испытаны в соответствии с
ГОСТ Р МЭК 62561.3 и иметь следующие характеристики:
-
Iimp >=
kcI, где
kcI - часть тока молнии, протекающая по соответствующей части внешней СМЗ (см.
приложение C);
- номинальное импульсное пробивное напряжение URIMP ниже выдерживаемого импульсного уровня изоляции между частями.
6.2.3 Молниезащитное уравнивание потенциалов для внешних проводящих частей
Для внешних проводящих частей молниезащитное уравнивание потенциалов должно быть выполнено максимально близко к точке ввода в защищаемое сооружение.
Проводники уравнивания потенциалов должны выдерживать часть
IF тока молнии, протекающую по ним и рассчитанную в соответствии с
приложением E ГОСТ Р МЭК 62305-1-2010.
Если непосредственное соединение для уравнивания потенциалов не допустимо, то должны быть использованы РИР, испытанные в соответствии с
ГОСТ Р МЭК 62561.3 и имеющие следующие характеристики:
-
Iimp >=
IF, где
IF - часть тока молнии, протекающая по данной внешней проводящей части (см.
приложение E ГОСТ Р МЭК 62305-1-2010);
- номинальное импульсное пробивное напряжение URIMP ниже выдерживаемого импульсного уровня изоляции между частями.
Примечание - В тех случаях, когда требуется выполнить уравнивание потенциалов, а установка внешней СМЗ не требуется, для целей молниезащиты допускается использовать заземляющее устройство электрической установки низкого напряжения. Условия, при которых не требуется СМЗ, рассмотрены в
ГОСТ Р МЭК 62305-2.
6.2.4 Молниезащитное уравнивание потенциалов для внутренних систем
Молниезащитное уравнивание потенциалов необходимо выполнять в соответствии с
6.2.2, a) и
b).
Если кабели внутренних систем экранированы или проложены в металлических трубах, то может быть достаточным присоединить только эти экраны и трубы (см.
приложение B).
Примечание - Уравнивание потенциалов экранов и труб может не защитить оборудование, подключенное к кабелям, от аварий вследствие перенапряжений. Вопросы защиты такого оборудования рассмотрены в
ГОСТ Р МЭК 62305-4.
Если кабели внутренних систем не экранированы и не проложены в металлических трубах, то для уравнивания потенциалов они должны быть присоединены к системе уравнивания потенциалов через устройства защиты от перенапряжений. В системах заземления типа TN для уравнивания потенциалов проводники PE и PEN должны быть соединены с СМЗ напрямую или с помощью устройств защиты от перенапряжений.
Проводники уравнивания потенциалов должны иметь такой же допустимый ток, который указан в
6.2.2 для искровых разрядников.
-
Iimp >=
kcI, где
kcI - часть тока молнии, протекающая по соответствующей части внешней системы молниезащиты (см.
приложение C);
- уровень защиты UP ниже выдерживаемого импульсного уровня изоляции между частями.
Если для внутренних систем требуется защита от перенапряжений, то должна быть применена система координированных устройств защиты от перенапряжений, отвечающая требованиям
раздела 7 ГОСТ Р МЭК 62305-4-2016.
6.2.5 Молниезащитное уравнивание потенциалов для линий, подходящих к защищаемому сооружению
Молниезащитное уравнивание потенциалов для электрических линий и линий связи должно быть выполнено в соответствии с
6.2.3.
Все проводники каждой линии должны быть присоединены к системе уравнивания потенциалов напрямую или с помощью устройств защиты от перенапряжений. Проводники, находящиеся под напряжением, должны быть соединены с шиной уравнивания потенциалов только через устройства защиты от перенапряжений. В системах заземления типа TN проводники PE и PEN должны быть присоединены к шине уравнивания потенциалов напрямую или через устройства защиты от перенапряжений.
Если линии экранированы или проложены в металлических трубах, то эти экраны и трубы должны быть соединены для уравнивания потенциалов. Молниезащитное уравнивание потенциалов не требуется при условии, что площадь поперечного сечения
SC этих экранов или труб не менее минимального значения
SCMIN, рассчитанного в соответствии с
приложением B.
Молниезащитное уравнивание потенциалов экранов кабелей или труб должно быть выполнено вблизи места их входа в сооружение.
Проводники уравнивания потенциалов должны иметь способность проводить такой же ток, который указан в
6.2.3 для разделительных искровых разрядников.
-
Iimp >=
IF, где
IF - часть тока молнии, протекающая по линиям (см.
приложение E ГОСТ Р МЭК 62305-1-2010);
- уровень защиты UP ниже выдерживаемого импульсного уровня изоляции между частями.
Если для внутренних систем, соединенных с линиями, входящими в сооружение, требуется защита от перенапряжений, то должна быть применена система координированных устройств защиты от перенапряжений, отвечающая требованиям
раздела 7 ГОСТ Р МЭК 62305-4-2016.
Примечание - В тех случаях, когда требуется выполнить уравнивание потенциалов, а установка внешней СМЗ не требуется, для целей молниезащиты допускается использовать заземляющее устройство электрической установки низкого напряжения. Условия, при которых не требуется СМЗ, рассмотрены в
ГОСТ Р МЭК 62305-2.
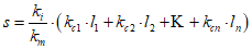
6.3 Электрическая изоляция внешней системы молниезащиты
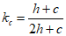
Электрическая изоляция между молниеприемниками или токоотводами и частями металлокаркаса, металлическими конструкциями и внутренними системами может быть достигнута за счет обеспечения разделительного расстояния s, м, которое вычисляют по формуле

, (4)
где
ki - коэффициент, зависящий от принятого класса системы молниезащиты (см.
таблицу 10);
km - коэффициент, зависящий от материала электрической изоляции (см.
таблицу 11);
kc - коэффициент, зависящий от части тока молнии, протекающей по молниеприемнику и по токоотводу (см.
таблицу 12 и
приложение C);
l - расстояние вдоль молниеприемника и токоотвода от точки, для которой рассчитывают разделительное расстояние, до ближайшей точки уравнивания потенциалов или заземления (см. приложение E,
E.6.3), м.
Примечание - Расстояние l вдоль молниеприемника может быть не учтено в сооружениях с электрически непрерывной металлической крышей, выступающей в роли естественного молниеприемника.
Таблица 10
Изоляция внешней системы молниезащиты
(значения коэффициента ki)
Класс СМЗ | ki |
I | 0,08 |
II | 0,06 |
III и IV | 0,04 |
Таблица 11
Изоляция внешней системы молниезащиты
(значения коэффициента km)
Материал | km |
Воздух | 1 |
Бетон, кирпич, древесина | 0,5 |
Примечания 1 При применении нескольких изолирующих материалов рекомендуют использование меньшего значения km. 2 При применении других изолирующих материалов указания по их монтажу и значение km должны быть представлены изготовителем. |
Когда линии или внешние проводящие части входят в сооружение, в точке входа в сооружение выполняют молниезащитное уравнивание потенциалов путем непосредственного присоединения или с помощью устройств защиты от перенапряжений.
В сооружениях с металлическим каркасом или с электрически непрерывным железобетонным каркасом разделительное расстояние обеспечивать не требуется.
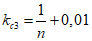
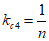
Коэффициент kc распределения тока молнии между молниеприемниками/токоотводами зависит от класса СМЗ, общего числа n токоотводов, положения токоотводов, наличия кольцевых проводников и конфигурации заземляющего устройства. Необходимое разделительное расстояние зависит от падения напряжения на самом коротком пути от точки, для которой определяют разделительное расстояние, до заземлителя или ближайшей точки уравнивания потенциалов.
В обычных сооружениях для расчета разделительного расстояния
s по
формуле (4) должны быть учтены следующие условия:
kc - коэффициент, зависящий от тока молнии (или его части), протекающего(ей) по токоотводу (см.
таблицу 12 и
приложение C);
l - расстояние по вертикали вдоль токоотвода от точки, для которой рассчитывают разделительное расстояние, до ближайшей точки уравнивания потенциалов, м.
Таблица 12
Изоляция внешней системы молниезащиты
(приблизительные значения коэффициента kc)
Количество токоотводов n | kc |
1 (только для изолированной СМЗ) | 1 |
2 | 0,66 |
3 и более | 0,44 |
Примечание - Значения таблицы 12 применяют для любых заземляющих устройств конфигурации B и для заземляющих устройств конфигурации A при условии, что сопротивление соседних заземлителей отличается не более, чем в два раза. Если сопротивление отдельных заземлителей отличается более чем в 2 раза, то принимают kc = 1. |
Дополнительная информация о разделении тока молнии между токоотводами приведена в
приложении C.
Примечание - Применение упрощенного подхода, как правило, дает большее значение s.
В СМЗ с молниеприемной сеткой или с кольцевыми проводниками, объединяющими токоотводы, из-за деления тока по молниеприемникам или токоотводам протекают неодинаковые части тока молнии. В этих случаях разделительное расстояние s может быть более точно вычислено по формуле

. (5)
Когда из-за наличия кольцевых проводников между токоотводами по молниеприемникам или токоотводам протекают различные токи, их значения вычисляют по формулам, приведенным в приложении C (
рисунки C.3 и
C.4).
Примечания
1 Данный подход пригоден для вычисления разделительного расстояния в крупных сооружениях или в сооружениях со сложной формой.
2 Для определения коэффициентов kc для отдельных проводников могут быть использованы расчетные программы.
7 Техническое обслуживание и проверка системы молниезащиты
Эффективность любой СМЗ зависит от качества монтажа, обслуживания и методов испытаний.
Проверки, испытания и обслуживание СМЗ не допускается проводить во время грозы.
Примечания
1 Дополнительная информация по проверке и обслуживанию СМЗ приведена в приложении E
(E.7).
2 Дополнительная информация о проверке и обслуживании СМЗ в Российской Федерации приведена в [1].
7.2 Цели выполнения проверок
Цель проверок заключается в том, чтобы убедиться, что:
a) СМЗ соответствует проекту, основанному на настоящем стандарте;
b) все компоненты СМЗ находятся в рабочем состоянии и функционируют в соответствии с проектом, и коррозия отсутствует;
c) все выполненные со времени последней проверки коммуникации или конструкции включены в СМЗ.
7.3 Порядок выполнения проверок
Проверки СМЗ должны быть выполнены в соответствии с
7.2 в следующем порядке:
- во время строительства - для проверки проводников, расположенных в бетоне;
- после завершения монтажа;
- периодически, с интервалами, определенными в соответствии со спецификой защищаемого сооружения, т.е. классом СМЗ и наличием коррозионной опасности.
Примечание - Подробная информация приведена в приложении E
(E.7).
- после внесения изменений, ремонтов или после удара молнии в сооружение.
Во время периодических проверок проверяют следующее:
- наличие повреждений и коррозии элементов молниеприемников, проводников и соединений;
- наличие коррозии заземлителей;
- значение сопротивления заземляющего устройства;
- состояние соединений, системы уравнивания потенциалов и креплений.
7.4 Техническое обслуживание
Регулярные проверки входят в число важных условий надежной эксплуатации СМЗ. Владелец собственности должен быть информирован обо всех замеченных недостатках, которые должны быть устранены без промедления.
8 Средства защиты человека и животных от электротравм в результате воздействия напряжения прикосновения и шагового напряжения
8.1 Средства защиты от напряжения прикосновения
В определенных условиях близость токоотводов СМЗ может представлять опасность, даже если СМЗ спроектирована и выполнена в соответствии с указанными выше требованиями.
Опасность снижают до допустимого уровня, если будет выполнено одно из следующих условий:
a) в нормальных рабочих условиях в пределах 3 м от токоотводов отсутствуют люди;
b) применена система как минимум с 10 токоотводами по
5.3.5;
c) сопротивление в месте контакта с поверхностным слоем грунта в пределах 3 м от токоотвода составляет не менее 100 кОм.
Примечание - Применение слоя изолирующего материала, например асфальта толщиной 5 см (или слоя гравия толщиной 15 см), как правило, снижает опасность до допустимого уровня.
Если ни одно из этих условий не выполнено, то должны быть приняты следующие меры защиты человека и животных от электротравм в результате воздействия напряжения прикосновения:
- должна быть предусмотрена изоляция открытых токоотводов с обеспечением выдерживаемого напряжения 100 кВ с формой импульса 1,2/50 мкс, например слой сшитого полиэтилена толщиной не менее 3 мм;
- физические ограждения и/или предупреждающие плакаты для сведения к минимуму возможности прикосновения к токоотводам.
Средства защиты должны отвечать требованиям соответствующих стандартов (см. ГОСТ ISO 3864-1).
8.2 Средства защиты от шагового напряжения
В определенных условиях близость токоотводов может быть опасна для жизни, даже если СМЗ спроектирована и выполнена в соответствии с указанными выше требованиями.
Опасность может быть понижена до допустимого уровня, если будет выполнено одно из следующих условий:
a) в нормальных рабочих условиях в пределах 3 м от токоотводов отсутствуют люди;
b) применена система как минимум с 10 токоотводами по
5.3.5;
c) сопротивление в месте контакта с поверхностным слоем грунта в пределах 3 м от токоотвода составляет не менее 100 кОм.
Примечание - Применение слоя изолирующего материала, например асфальта толщиной 5 см (или слоя гравия толщиной 15 см), как правило, снижает опасность до допустимого уровня.
Если ни одно из этих условий не выполнено, то должны быть приняты следующие меры защиты человека и животных от электротравм в результате воздействия шагового напряжения:
- уравнивание потенциалов при помощи системы заземления в виде сетки;
- физические ограждения и/или предупреждающие плакаты для сведения к минимуму возможности доступа в опасную зону в пределах 3 м от токоотвода.
Средства защиты должны отвечать требованиям соответствующих стандартов (см. ГОСТ ISO 3864-1).
(обязательное)
РАЗМЕЩЕНИЕ СИСТЕМЫ МОЛНИЕПРИЕМНИКОВ
A.1 Размещение системы молниеприемников методом защитного угла
A.1.1 Общие положения
Считают, что расположение системы молниеприемников соответствует установленным требованиям, если сооружение, которое должно быть защищено, находится в защищаемом объеме, обеспеченном системой молниеприемников.
При определении защищаемого объема должны быть учтены только реальные физические размеры металлических элементов молниеприемников.
Применение радиоактивных молниеприемников не допускается.
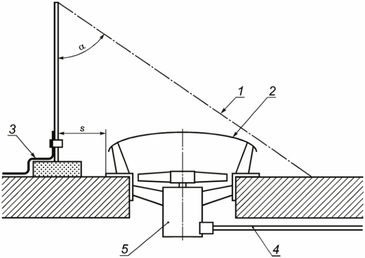
A.1.2 Объем, защищаемый системой стержневых молниеприемников
Принимают, что объем, защищаемый стержневым молниеприемником, имеет форму правильного кругового конуса с вершиной, расположенной на оси молниеприемника, и с углом

, равным половине угла раствора конуса и зависящим от класса СМЗ и от высоты молниеприемника согласно
таблице 2. Примеры защищаемого объема приведены на рисунках A.1 и
A.2.
A - вершина стержневого молниеприемника; B - плоскость
начала отсчета; OC - радиус защищаемой зоны; h1 - высота
стержневого молниеприемника над плоскостью начала отчета
защищаемой зоны;

- защитный угол (см.
таблицу 2)
Рисунок A.1 - Объем, защищаемый стержневым молниеприемником
h1 - физическая высота стержневого молниеприемника
Примечание - Защитный угол

соответствует высоте
h1 молниеприемника над поверхностью крыши, которая должна быть защищена; защитный угол

соответствует высоте
h2 =
h1 +
H, где
H - высота сооружения от уровня земли;

зависит от
h1, а

зависит от
h2.
Рисунок A.2 - Объем, защищаемый стержневым
молниеприемником на здании
Примечание - В Российской Федерации применяют для определения защищаемого объема стержневыми и тросовыми молниеприемниками также вероятностный метод [1], [2].
A.1.3 Объем, защищаемый тросовым молниеприемником
Объем, защищаемый тросом, представляет собой объем, защищаемый виртуальными вертикальными стержнями, имеющими вершины на тросе. Пример защищаемого объема приведен на рисунке A.3.
Примечание - Условные обозначения приведены на
рисунке A.1.
Рисунок A.3 - Объем, защищаемый тросовым молниеприемником
A.1.4 Объем, защищаемый молниеприемной сеткой
Объем, защищаемый молниеприемной сеткой, определяют сложением объемов, защищаемых одиночными проводниками, образующими сетку.
Примеры объема, защищаемого молниеприемной сеткой, приведены на рисунках A.4 и
A.5.
Примечание - Значения
r приведены в
таблице 2.
Рисунок A.4 - Объем, защищаемый изолированной
молниеприемной сеткой, в соответствии с методом
защитного угла и методом катящейся сферы
Примечание - Значения
Wm приведены в
таблице 2.
Рисунок A.5 - Объем, защищаемый неизолированной
молниеприемной сеткой, в соответствии с методом сетки
и методом защитного угла
A.2 Размещение системы молниеприемников методом катящейся сферы
При применении этого метода расположение системы молниеприемников соответствует требованиям в том случае, если ни одна из точек защищаемого сооружения, не соприкасается со сферой радиуса
r, зависящего от класса СМЗ (см.
таблицу 2), катящейся вокруг и по верхней части сооружения во всех возможных направлениях. Таким образом, сфера касается только системы молниеприемников (см. рисунок A.6).

- система молниеприемников;

- радиус катящейся сферы
Примечание - Радиус катящейся сферы
r должен соответствовать классу СМЗ (см.
таблицу 2).
Рисунок A.6 - Проектирование системы молниеприемников
по методу катящейся сферы
Для всех сооружений выше радиуса катящейся сферы r возможны удары молнии в боковую часть сооружения. Каждая точка на боковой части сооружения, которой коснулась катящаяся сфера, является возможной точкой удара молнии. Однако для сооружений высотой ниже 60 м вероятность удара молнии в боковые части, как правило, пренебрежительно мала.
Для более высоких сооружений основная часть всех ударов молнии будет приходиться на верхнюю часть сооружения, горизонтальные выступающие края сооружения и углы, и только несколько процентов ударов молнии - на боковую часть сооружения.
Более того, данные наблюдения показывают, что вероятность ударов молнии в боковые части сооружения быстро снижается с уменьшением высоты точки удара молнии от уровня земли. Поэтому следует рассматривать установку системы молниеприемников только на верхней части боковой поверхности высокого сооружения (обычно на верхних 20% боковых поверхностей сооружения). В этом случае метод катящейся сферы будет использован только для размещения системы молниеприемников верхней части сооружения.
A.3 Размещение системы молниеприемников методом сетки
В целях защиты плоских поверхностей молниеприемную сетку рассматривают как систему, способную защитить всю поверхность при условии выполнения всех перечисленных ниже условий.
a) Проводники молниеприемной сетки расположены:
- на краях/гранях крыши;
- свесах/выступах крыши;
- коньках крыши, если значение наклона крыши превышает 1/10.
Примечания
1 Метод сетки пригоден для горизонтальных и наклонных крыш без искривления поверхностей.
2 Метод сетки подходит для защиты плоских боковых поверхностей от боковых ударов молнии.
3 Если наклон крыши превышает значение 1/10, то вместо сетки могут быть применены параллельные проводники молниеприемника при условии, что расстояние между проводниками не превышает требуемую ширину ячейки.
b) Размеры ячейки молниеприемной сетки не превышают значений, приведенных в
таблице 2.
c) Система молниеприемников сконструирована таким образом, что ток молнии от молниеприемников к заземляющему устройству всегда будет протекать не менее чем по двум различным металлическим проводникам.
d) Отсутствуют металлические конструкции, выступающие за пределы объема, защищенного системами молниеприемников.
Примечание - Дополнительная информация приведена в
приложении E.
e) Проводники молниеприемника проложены по наиболее коротким и прямым трассам, по мере возможности.
(обязательное)
МИНИМАЛЬНАЯ ПЛОЩАДЬ ПОПЕРЕЧНОГО СЕЧЕНИЯ ЭКРАНА ВХОДЯЩЕГО
КАБЕЛЯ, ПРИ КОТОРОМ ОПАСНОЕ ИСКРЕНИЕ НЕ ВОЗНИКАЕТ
Перенапряжения между токоведущими проводниками и экраном кабеля могут вызвать опасное искрение при протекании тока молнии по экрану. Перенапряжения зависят от материала, размеров экрана и от длины и условий прокладки кабеля.
Минимальное значение площади поперечного сечения экрана SCMIN, мм2, при котором опасное искрение не возникает, вычисляют по формуле:

, (
B.1)
где IF - ток, протекающий по экрану, кА;

- удельное электрическое сопротивление экрана, Ом·м;
UW - выдерживаемое импульсное напряжение электрической/электронной системы, получающей питание по кабелю, кВ.
Таблица B.1
Длина кабеля, которая должна быть учтена
в зависимости от расположения экрана
Расположение экрана | Длина кабеля LC |
В контакте с грунтом с удельным сопротивлением  , Ом·м | |
Изолирован от грунта или находится в воздухе | LC - расстояние между сооружением и ближайшей точкой заземления экрана |
Примечание - Следует установить, возможно ли возникновение недопустимого для изоляции кабеля нагрева при протекании тока молнии по экрану кабеля или по линейным проводникам. Дополнительная информация приведена в
ГОСТ Р МЭК 62305-4.
Предельные значения тока определяют:
- для кабелей с медным экраном по формуле
IF = 8·SC, (B.2)
где IF - ток, протекающий по экрану, кА;
SC - площадь поперечного сечения экрана, мм2.
- для неэкранированных кабелей по формуле

, (
B.3)
где n' - число проводников;

- площадь поперечного сечения каждого проводника, мм
2.
(справочное)
РАСЧЕТ РАЗДЕЛИТЕЛЬНОГО РАССТОЯНИЯ s
Коэффициент разделения тока молнии между молниеприемниками/токоотводами kc зависит от типа системы молниеприемников, общего числа n и расположения токоотводов, от наличия кольцевых проводников и конфигурации заземляющего устройства.
Примечания
1 Необходимое разделительное расстояние зависит от падения напряжения на самом коротком пути от точки, для которой определяют разделительное расстояние, до ближайшей точки уравнивания потенциалов.
2 Информация, приведенная в данном приложении, может быть использована в отношении любых заземляющих устройств конфигурации B и заземляющих устройств конфигурации A при условии, что сопротивление соседних заземлителей отличается не более чем в 2 раза. Если сопротивление отдельных заземлителей отличается более чем в 2 раза, то принимают kc = 1.
Если ток, протекающий по проводникам молниеприемников и токоотводов, имеет постоянное значение по всей длине проводников, его значение рассчитывают по
формулам (C.1),
(C.13) с учетом данных, приведенных в
таблице C.1 (см.
6.3.2, рисунки C.1 -
C.4).
Коэффициент kc рассчитывают по формуле

. (C.1)
Рисунок C.1 - Значения коэффициента kc
для тросового молниеприемника
Коэффициент kc рассчитывают по формуле

. (C.2)
n - общее число токоотводов; c - расстояние от токоотвода
до следующего токоотвода; h - расстояние по высоте
между кольцевыми проводниками
Примечания
1 По
формуле (C.2) проводят расчет
kc для кубических сооружений и для
n >= 4. Значения величин
h и
c должны находиться в диапазоне от 3 до 20 м.
2 При наличии токоотводов внутри сооружения они должны быть учтены в числе n.
Рисунок C.2 - Значения коэффициента kc
для системы множественных токоотводов
Таблица C.1
Значения коэффициента
kc для наклонной крыши
с молниеприемником на коньке
Графическое изображение | | 0,33 | 0,50 | 1,00 | 2,00 |
| kc | 0,57 | 0,60 | 0,66 | 0,75 |
| kc | 0,47 | 0,52 | 0,62 | 0,73 |
| kc | 0,44 | 0,50 | 0,62 | 0,73 |
| kc | 0,40 | 0,43 | 0,50 | 0,60 |
| kc | 0,35 | 0,39 | 0,47 | 0,59 |
| kc | 0,31 | 0,35 | 0,45 | 0,58 |
| kc | 0,31 | 0,33 | 0,37 | 0,41 |
| kc | 0,28 | 0,33 | 0,37 | 0,41 |
| kc | 0,27 | 0,33 | 0,37 | 0,41 |
| kc | 0,23 | 0,25 | 0,30 | 0,35 |
| kc | 0,21 | 0,24 | 0,29 | 0,35 |
| kc | 0,20 | 0,23 | 0,29 | 0,35 |
Примечания
1 c - расстояние от ближайшего токоотвода по коньку крыши; h - длина токоотвода от конька крыши до следующей точки уравнивания потенциалов или до заземляющего устройства.
Значения kc, показанные в таблице, относятся к токоотводам, показанным утолщенной линией, и к точке удара молнии.
Расположение токоотвода (для которого определяется kc) должно соответствовать изображению на рисунке для этого токоотвода.
Должно быть определено фактическое отношение c/h. Если значение этого отношения находится между двумя значениями в графах, то kc может быть вычислен при помощи интерполяции.
2 Дополнительные токоотводы, у которых расстояния больше, чем показано на рисунках, оказывают незначительное влияние.
3 При наличии кольцевых проводников ниже конька крыши следует использовать
рисунок C.3.
4 Значения определены путем простого вычисления параллельных сопротивлений по
формуле (C.1).
Ниже в качестве примеров приведены формулы для расчета разделительного расстояния для точек, указанных на
рисунке C.3.

; (C.3)

; (C.4)

; (C.5)

; (C.6)

; (C.7)

; (C.8)

; (C.9)

; (C.10)

; (C.11)

; (C.12)

; (C.13)
n - общее число токоотводов; c - расстояние
между токоотводами; h - расстояние (по высоте)
между кольцевыми проводниками; m - общее число уровней;
d - расстояние до ближайшего токоотвода; l - высота
над точкой уравнивания потенциалов
Примечание - При наличии токоотводов внутри сооружения они должны быть учтены в числе n.
Рисунок C.3 - Пример расчетов разделительного расстояния
для множественных токоотводов с кольцевым проводником
между токоотводами на каждом уровне
A, B, C - точки удара молнии
Примечания
1 Правила разделения тока:
a) точка удара
Ток делится на число возможных путей протекания тока в точке удара молнии в молниеприемную сетку;
b) следующие соединения (узлы)
Ток уменьшается на 50% в каждом следующем узле сетки молниеприемника;
c) токоотвод
Ток вновь уменьшается на 50%, но значение kc не должно быть менее 1/n
(n ... общее число токоотводов).
2 При определении значения kc следует учитывать путь тока от точки удара молнии до края крыши. Путь тока по краю крыши до токоотвода учитывать не требуется. Значения kc вдоль токоотвода зависят от значения kc соединенных молниеприемников на краю крыши.
3 Как показано выше, для определения kc следует использовать кратчайший путь для тока от точки удара молнии до края крыши.
4 При наличии токоотводов внутри сооружения они должны быть учтены при определении числа n.
Рисунок C.4 - Значения коэффициента
kc
для системы молниеприемника в виде сетки
с системой множественных токоотводов
(обязательное)
ДОПОЛНИТЕЛЬНАЯ ИНФОРМАЦИЯ ДЛЯ СИСТЕМ МОЛНИЕЗАЩИТЫ
ВЗРЫВООПАСНЫХ СООРУЖЕНИЙ
В настоящем приложении приведены дополнительные требования к проектированию, монтажу, расширению и модернизации СМЗ для взрывоопасных сооружений.
Примечание - Информация, представленная в данном приложении, основана на проверенных практикой конфигурациях СМЗ, установленных в условиях применения, где существует опасность взрыва. Уполномоченные организации, имеющие соответствующую юрисдикцию, могут предъявлять отличающиеся требования.
D.2 Дополнительные термины и определения
В дополнение к терминам и определениям, приведенным в
разделе 3, в этом приложении используют термины и определения
ГОСТ IEC 60079-14 вместе с терминами и определениями, приведенными ниже.
D.2.1 твердое взрывчатое вещество (solid explosive material): Твердый химический состав, смесь или устройство, основным или общим назначением которых является взрыв.
D.2.2 зона класса 0 (zone 0): Область, в которой взрывоопасная среда из смеси воздуха с горючими веществами в форме газа, пара или тумана присутствует постоянно или в течение длительного периода, или часто.
D.2.3 зона класса 1 (zone 1): Область, в которой существует вероятность присутствия взрывоопасной среды из смеси воздуха с горючими веществами в форме газа, пара или тумана в нормальных условиях эксплуатации.
D.2.4 зона класса 2 (zone 2): Область, в которой присутствие взрывоопасной газовой атмосферы в нормальных условиях эксплуатации маловероятно, возникает редко и сохраняется очень непродолжительное время.
Примечания
1 В этом определении слово "сохраняется" означает общее время, в течение которого огнеопасная среда будет существовать. Это время, как правило, включает в себя период времени выброса плюс время, в течение которого огнеопасная среда будет рассеяна после того, как выброс будет прекращен.
2 Сведения о частоте и продолжительности случаев могут быть получены из нормативных документов, относящихся к конкретным отраслям промышленности или областям применения.
D.2.5 зона класса 20 (zone 20): Зона, в которой взрывоопасная среда в виде облака горючей пыли в воздухе присутствует постоянно, часто или в течение длительного периода времени.
D.2.6 зона класса 21 (zone 21): Зона, в которой время от времени вероятно появление взрывоопасной среды в виде облака горючей пыли в воздухе при нормальном режиме эксплуатации.
D.2.7 зона класса 22 (zone 22): Зона, в которой маловероятно появление взрывоопасной среды в виде облака горючей пыли в воздухе при нормальном режиме эксплуатации, но если горючая пыль появляется, то сохраняется в течение короткого периода времени.
D.3.1 Общие требования
Система молниезащиты должна быть спроектирована и смонтирована таким образом, чтобы в случае прямого удара молнии не было расплава или разбрызгивания, за исключением точки удара молнии.
Примечания
1 Искрение или разрушающее воздействие возможны не только в точке удара молнии. Это должно быть учтено при определении мест расположения устройств молниеприемников. Токоотводы должны быть установлены таким образом, чтобы температура самовозгорания в опасной зоне не была превышена в тех случаях, когда не представляется возможным установить токоотводы вне опасной зоны.
2 Воздействие на электрическое оборудование вследствие удара молнии не может быть предотвращено в каждом случае.
3
Дополнительная информация для СМЗ взрывоопасных сооружений приведена в отраслевых нормативных документах Российской Федерации [4] - [6].
D.3.2 Требуемая информация
Монтажник или проектировщик СМЗ должен быть обеспечен чертежами защищаемого оборудования с указанием тех зон, в которых будут обрабатывать или хранить твердые взрывчатые вещества, или опасных зон, промаркированных в соответствии с
ГОСТ IEC 60079-10-1 и
ГОСТ IEC 60079-10-2.
D.3.3 Заземление
Заземляющее устройство конфигурации
B в соответствии с
5.4.2.2 рекомендуют применять для любых СМЗ сооружений, в которых существует опасность взрыва.
Примечание - В качестве эффективного эквивалента кольцевого проводника заземляющего устройства конфигурации B может быть использована конструкция сооружения (например, металлические резервуары-хранилища).
Сопротивление заземляющего устройства сооружений, содержащих твердые взрывчатые материалы и взрывоопасные смеси, должно быть как можно более низким. Во всех случаях оно не должно превышать 10 Ом.
D.3.4 Уравнивание потенциалов
D.4 Сооружения, содержащие твердые взрывчатые вещества
При проектировании СМЗ для сооружений, содержащих твердые взрывчатые вещества, следует учитывать чувствительность веществ в той форме, в которой их используют или хранят. Например, некоторые нечувствительные сыпучие взрывчатые вещества могут не требовать дополнительных мер, кроме приведенных в данном приложении. Однако имеются некоторые формы чувствительных взрывчатых веществ, которые могут быть восприимчивы к быстро меняющимся электрическим полям и/или к воздействию импульсного электромагнитного поля молнии. В таких случаях может возникнуть необходимость выполнить дополнительное уравнивание потенциалов или экранирование.
Для сооружений, содержащих твердые взрывчатые вещества, рекомендуют применять изолированную внешнюю СМЗ (согласно
5.1.2). Сооружения, полностью расположенные внутри металлической оболочки из стали толщиной не менее 5 мм или эквивалентной оболочки (7 мм для алюминиевых конструкций), могут считаться защищенными естественной СМЗ, соответствующей
5.2.5. Для таких сооружений применяют требования к заземлению по
5.4.
Примечание - В тех случаях, когда могут возникнуть вопросы относительно нагрева внутренней поверхности и воспламенения, необходимо подтвердить, что нагрев внутренней поверхности в точке удара молнии не представляет опасности.
Для всех помещений и территорий, где находятся взрывчатые вещества, в составе СМЗ должны быть предусмотрены устройства защиты от перенапряжений. При возможности, устройства защиты от перенапряжений должны быть размещены за пределами тех помещений, в которых имеются твердые взрывчатые вещества. Устройства защиты от перенапряжений, расположенные внутри помещений, в которых взрывчатые вещества размещены открыто или имеется взрывоопасная пыль, должны быть во взрывобезопасном исполнении.
D.5 Сооружения, включающие в себя опасные зоны
D.5.1 Общие положения
Все части внешней СМЗ (молниеприемники и токоотводы), при возможности, должны быть удалены от опасной зоны на расстояние не менее 1 м. При отсутствии такой возможности проводники, проходящие через опасную зону, следует выполнять без точек соединения или соединения проводников должны быть выполнены в соответствии с
5.5.3.
Случайные ослабления соединений в опасных зонах должны быть исключены.
При расположении опасной зоны непосредственно под металлическим листом, который может быть прожжен ударом молнии (см.
5.2.5), должен быть предусмотрен молниеприемник в соответствии с требованиями
5.2.
D.5.1.1 Защита от перенапряжений
Устройства защиты от перенапряжений должны быть установлены за пределами опасной зоны, где это возможно практически. Если устройства защиты от перенапряжений расположены внутри опасной зоны, они должны быть сертифицированы для применения в соответствующей опасной зоне.
D.5.1.2 Уравнивание потенциалов
Кроме соединительных проводников, соответствующих требованиям
таблиц 7 и
8, в качестве соединительных проводников могут быть также использованы трубопроводы, выполненные в виде непрерывной электрической цепи в соответствии с
5.3.5.
Надземные металлические трубопроводы за пределами технологических установок должны быть заземлены не реже чем через каждые 30 м. Соединения частей трубопроводов должны быть выполнены таким способом, чтобы в случае протекания тока молнии в них не возникало искрения. Для соединения частей трубопровода рекомендуют приваренные проушины, болты или резьбовые отверстия во фланцах для стягивания винтами. Соединения с применением зажимов допускаются, только если защита от воспламенения при протекании тока молнии подтверждена испытаниями и надежность соединения обеспечена посредством специальных мероприятий. Должны быть предусмотрены выводы для подключения мест соединений и выводов от заземлителей к контейнерам, металлическим строительным конструкциям, цистернам и резервуарам.
Соединения молниезащитного уравнивания потенциалов между СМЗ и другими установками, конструкциями, оборудованием должны быть выполнены с согласия оператора присоединяемого оборудования. Соединения молниезащитного уравнивания потенциалов с помощью искровых разрядников без согласия оператора присоединяемого оборудования выполнять не допускается. Разрядники должны быть сертифицированы для применения в тех условиях, где они установлены.
D.5.2 Сооружения с зонами классов 2 и 22
Сооружения, содержащие зоны классов 2 и 22, в отдельных случаях не требуют применения дополнительных мер защиты.
Для наружных установок, выполненных из металла (например, колонны, реакторы, контейнеры, содержащие зоны классов 2 и 22), толщина и тип которого соответствуют требованиям
таблицы 3, применяют следующие требования:
- устройства молниеприемников и токоотводы не требуются;
- установки должны быть заземлены в соответствии с
разделом 5.
D.5.3 Сооружения с зонами классов 1 и 21
Для сооружений, содержащих зоны классов 1 и 21, применяют требования для сооружений с зонами классов 2 и 22 со следующими дополнениями:
- если в трубопроводах есть изоляционные вставки, то защитные меры должны быть определены оператором. Например, электрический пробой может быть предотвращен применением взрывозащищенных разделительных искровых разрядников:
- разделительные искровые разрядники и изоляционные вставки должны быть расположены за пределами опасных зон.
D.5.4 Сооружения с зонами классов 0 и 20
Для сооружений, содержащих зоны классов 0 и 20, применяют требования, изложенные в
D.5.3, дополненные рекомендациями данного пункта.
Для наружных установок с зонами классов 0 и 20 применяют требования для сооружений с зонами классов 1, 2, 21 и 22 со следующими дополнениями:
- электрическое оборудование внутри резервуаров, содержащих огнеопасные жидкости, должно быть сертифицировано для применения в таких условиях. Мероприятия по молниезащите должны быть приняты в зависимости от вида сооружения;
- закрытые металлические контейнеры с зонами классов 0 и 20 внутри в возможных точках удара молнии должны иметь толщину стенки, соответствующую требованиям
таблицы 3, при условии, что нагрев внутренней поверхности в точке удара молнии не представляет опасности. При меньшей толщине стенок должны быть установлены молниеприемники.
D.5.5 Особые условия применения
D.5.5.1 Заправочные станции
На заправочных станциях для автомобилей, судов и т.п. с опасными зонами металлические трубопроводы должны быть заземлены в соответствии с
разделом 5. Трубопроводы должны быть соединены со стальными конструкциями и рельсами при условии их наличия (если необходимо, через разделительные искровые разрядники, сертифицированные для применения в зонах, где они установлены) для учета токов в железнодорожных рельсах, блуждающих токов, предохранителей электропоездов, системы катодной защиты от коррозии и т.п.
D.5.5.2 Резервуары-хранилища
Определенные типы сооружений, используемых для хранения жидкостей, которые могут быть источником огнеопасных паров, или для хранения огнеопасных газов, достаточно защищены своей конструкцией (целиком расположены внутри сплошных металлических контейнеров, имеющих толщину не менее 5 мм для стали или 7 мм для алюминия, без зазоров, где может возникнуть искрение) и не требуют дополнительной защиты при условии, что нагрев внутренней поверхности в точке удара молнии не представляет опасности.
Аналогично, для резервуаров и трубопроводов, полностью расположенных в грунте, установка молниеприемников не требуется. Приборы или электрооборудование внутри таких установок должны быть сертифицированы для применения в данных условиях. Мероприятия по молниезащите должны быть приняты в зависимости от вида сооружения.
Для резервуаров, расположенных в резервуарных парках (например, на нефтеперерабатывающих заводах и на нефтехранилищах), достаточным является заземление каждого резервуара в одной точке. Резервуары должны быть соединены друг с другом. Кроме соединений, соответствующих требованиям, приведенным в
таблицах 8 и
9, в качестве соединения могут быть использованы трубопроводы, выполненные в виде непрерывной электрической цепи в соответствии с
5.3.5.
Отдельно стоящие цистерны или контейнеры должны быть заземлены в соответствии с
разделом 5, в зависимости от самого большого горизонтального размера (диаметра или длины):
- не более 20 м - однократно;
- свыше 20 м - дважды.
Для резервуаров с плавающей крышей плавающая крыша должна быть надежно присоединена к основному корпусу резервуара. Конструкция уплотнений и шунтов и их относительное расположение должны быть тщательно продуманы для того, чтобы риск любого воспламенения взрывоопасной смеси от искрения был сведен до наиболее низкого уровня, доступного на практике. Если у резервуара имеется передвижная лестница, то гибкий проводник уравнивания потенциалов шириной 35 мм и минимальной толщиной 3 мм должен быть подключен для шунтирования шарниров лестницы, между лестницей и верхом резервуара и между лестницей и плавающей крышей. Если у резервуара с плавающей крышей передвижная лестница отсутствует, то один или более (в зависимости от размера резервуара) гибких проводников уравнивания потенциалов шириной 35 мм и минимальной толщиной 3 мм или его (их) эквивалент(ы) должны соединять корпус резервуара и плавающую крышу. Проводники уравнивания потенциалов должны быть выполнены таким образом, чтобы они не создавали контур для обратного перекрытия. На резервуарах с плавающей крышей должны быть предусмотрены соединения между плавающей крышей и корпусом резервуара по всему периметру крыши через каждые 1,5 м. Материал выбирают на основе требований, определяемых продуктом (содержимым резервуара), и/или требований защиты окружающей среды. Использование альтернативных средств обеспечения электропроводящего соединения между плавающей крышей и корпусом резервуара, пригодного для протекания импульсных токов при ударах молнии, допускается, только если их характеристики подтверждены испытаниями и обеспечена надежность соединения.
D.5.5.3 Сеть трубопроводов
Сеть надземных металлических трубопроводов в пределах предприятия, но за пределами технологических установок должна быть присоединена к заземляющему устройству через каждые 30 м или заземлена при помощи горизонтального или вертикального заземлителя. Изолирующие опоры трубопровода заземлять не требуется.
D.6 Техническое обслуживание и проверки
D.6.1 Общие положения
Любую СМЗ, используемую для защиты взрывоопасных сооружений, необходимо обслуживать и проверять.
D.6.2 Общие требования
Для СМЗ должен быть разработан план технического обслуживания и проверки. Руководящие указания по обслуживанию СМЗ должны быть разработаны отдельно или включены в существующий перечень работ по завершении монтажа СМЗ.
D.6.3 Квалификация
К проведению технического обслуживания, проверки и испытаний СМЗ взрывоопасных установок допускают только квалифицированный персонал, прошедший обучение и имеющий соответствующий опыт.
Для выполнения проверки необходим персонал, который:
a) имеет технические знания и понимает теоретические и практические требования, предъявляемые к монтажу в опасных зонах и к оборудованию СМЗ и установкам в опасных зонах;
b) понимает требования к визуальным проверкам и комплексным испытаниям оборудования СМЗ и установок в опасных зонах.
Примечание - Уровни компетентности и подготовки могут быть определены в рамках соответствующих программ обучения и оценки.
D.6.4 Требования к проверкам
Для сохранения установок в удовлетворительном для длительной эксплуатации техническом состоянии следует выполнять одно из двух мероприятий:
a) регулярно проводить периодические проверки;
b) осуществлять непрерывный надзор квалифицированным персоналом.
При необходимости выполняют техническое обслуживание.
После любых наладочных работ, технического обслуживания, ремонта, доработки, модификации или замены оборудования должна быть проведена проверка этого оборудования или его соответствующих частей.
D.6.4.1 Регулярные периодические проверки
Персонал, выполняющий регулярные периодические проверки, должен быть достаточно независимым в отношении требований к обслуживанию, например: чтобы он мог непредвзято судить и докладывать об обнаруженных при проверке недостатках.
Примечание - Данное требование не означает, что такой персонал должен представлять внешнюю независимую организацию.
D.6.4.2 Концепция непрерывного надзора квалифицированным персоналом
Целями непрерывного надзора являются возможность наиболее раннего обнаружения возникающих неисправностей и их последующий ремонт. В процессе надзора квалифицированный персонал, выполняющий в установке обычную работу (например, монтажные работы, изменения, проверки, техническое обслуживание, поиск неисправностей, уборку, управление, выполнение подключений и отключений на клеммах, функциональные испытания, измерения), использует свои навыки для обнаружения неисправностей и изменений на ранней стадии.
Если установка в процессе нормальной эксплуатации регулярно посещается квалифицированным персоналом, компетентность которого соответствует требованиям
перечислений a) и
b) пункта D.6.3, а кроме того:
a) знает технологический процесс и влияние окружающей среды на износ специфического оборудования установки;
b) может проводить визуальные и/или комплексные проверки, как часть его обычной работы, а также детальные проверки,
появляется возможность отказаться от регулярных периодических проверок и использовать частое присутствие квалифицированного персонала для обеспечения постоянной работоспособности оборудования.
Наличие постоянного надзора квалифицированным персоналом не освобождает от необходимости проведения первичной и выборочных проверок.
D.6.5 Требования к электрическим испытаниям
Систему молниезащиты следует проверять посредством электрических испытаний:
a) каждые

, или
b) уровень проверки и интервал между периодическими проверками должны быть определены с учетом типа оборудования, указаний изготовителя, при их наличии, факторов, определяющих износ оборудования, и результатов предыдущих проверок.
Если для подобного оборудования, аналогичных производств и аналогичных условий окружающей среды установлены уровни и интервалы проверки, этот опыт должен быть использован для определения стратегии проверок.
Интервалы между периодическими проверками, превышающие три года, должны быть обоснованы.
Техническое обслуживание и проверку СМЗ следует проводить вместе с обслуживанием и проверкой всех других электрических установок в опасных зонах и объединять в единый график обслуживания.
Приборы, используемые для испытания, должны соответствовать
ГОСТ Р 54127-4.
Сопротивление постоянному току каждой отдельной проводящей части, соединенной с СМЗ, не должно превышать 0,2 Ом.
Испытания необходимо выполнять в соответствии с указаниями изготовителя испытательного оборудования.
Примечание - В Российской Федерации дополнительные требования по проверке СМЗ установлены в [1].
D.6.6 Методы измерения сопротивления заземления
Допускается использовать только те приборы, которые разработаны специально для измерения сопротивления заземления.
Приборы для испытаний должны быть обслужены и откалиброваны в соответствии с указаниями изготовителя.
При измерении сопротивления заземления взрывоопасных объектов должен быть применен метод трех точек (метод амперметра-вольтметра).
D.6.7 Защита от перенапряжений
Осмотр устройств защиты от перенапряжений (и их средств изоляции, при их наличии) необходимо производить в соответствии с указаниями изготовителя с периодичностью не реже 12 мес или каждый раз, когда выполняются электрические испытания СМЗ. Осмотр устройств защиты от перенапряжений необходимо проводить после любого предполагаемого или реального удара молнии в сооружение.
D.6.8 Ремонт
Обслуживающий персонал должен обеспечивать устранение всех недостатков, обнаруженных во время осмотров.
D.6.9 Отчеты и документация
Любой признак повреждения, вызванного ударом молнии в сооружение или в СМЗ, должен быть зафиксирован, и информация о произошедшем передана руководству.
Архивные записи обслуживания и осмотров каждого объекта следует сохранять в целях анализа тенденции изменений.
(справочное)
ОСНОВНЫЕ ПОЛОЖЕНИЯ ПО ПРОЕКТИРОВАНИЮ, МОНТАЖУ,
ТЕХНИЧЕСКОМУ ОБСЛУЖИВАНИЮ И ОСМОТРУ СИСТЕМ МОЛНИЕЗАЩИТЫ
В настоящем приложении приведены указания по проектированию, монтажу, техническому обслуживанию и осмотру СМЗ, выполненных в соответствии с настоящим стандартом.
Данное приложение следует применять только совместно с другими частями настоящего стандарта.
Приведенные примеры методов защиты получили одобрение международных экспертов.
Примечание - Примеры, приведенные в данном приложении, иллюстрируют один из возможных методов обеспечения молниезащиты. Другие методы могут быть также эффективными.
E.2 Структура данного приложения
В этом приложении номера основных разделов соответствуют номерам разделов настоящего стандарта. Это упрощает ссылки между двумя частями. При этом не все разделы приведены в данном приложении.
Примером является раздел E.3, не используемый в данном приложении.
E.4 Проектирование систем молниезащиты
Конструкция СМЗ для существующего сооружения всегда должна быть сопоставлена с другими средствами защиты от молнии, которые соответствуют настоящему стандарту и которые обеспечивают тот же уровень защиты, но при меньшей стоимости. Для выбора наиболее подходящих средств защиты используют
ГОСТ Р МЭК 62305-2.
Система молниезащиты должна быть спроектирована и смонтирована проектировщиками и монтажниками СМЗ.
Проектировщик и монтажник СМЗ должны проводить анализ как электрического, так и механического воздействия удара молнии и должны владеть знаниями в области основных принципов электромагнитной совместимости (ЭМС).
Кроме того, проектировщик СМЗ должен оценивать влияние коррозии и анализировать необходимость помощи экспертов.
Проектировщик и монтажник СМЗ должны быть обучены надлежащему проектированию и монтажу компонентов СМЗ в соответствии с требованиями настоящего стандарта и других национальных стандартов, регулирующих строительные и монтажные работы.
Функции проектировщика и монтажника СМЗ могут быть возложены на одного и того же специалиста. Специалист в области проектирования или монтажа должен владеть всесторонними знаниями стандартов, имеющих отношение к данному вопросу, и иметь опыт работы.
Планирование, реализация и испытание СМЗ включают целый ряд областей техники, в ходе проведения которых требуется координация всех участников, связанных с сооружением, в целях обеспечения выбранного уровня молниезащиты при минимальной стоимости и с минимальными усилиями. Организация работ по созданию СМЗ будет эффективной в том случае, если будут выполнены этапы, приведенные на рисунке E.1. Важное значение имеют меры по обеспечению качества, особенно для сооружений, насыщенных протяженными электрическими и электронными установками.
Примечание - Сопряжение, отмеченное символом "

", требует полного взаимодействия архитектора, инженера и проектировщика СМЗ.
Рисунок E.1 - Блок-схема проектирования системы молниезащиты
Мероприятия по обеспечению качества выполняют на протяжении всего процесса начиная с этапа планирования, на котором должны быть утверждены все чертежи, на этапе монтажа СМЗ, во время которого должны быть проверены все необходимые части СМЗ, которые станут недоступными для осмотра после окончания строительных работ. Мероприятия по обеспечению качества проводят также на этапе приемки, когда должны быть произведены окончательные измерения параметров СМЗ одновременно с выполнением окончательной документации по испытаниям и, наконец, в течение всего срока службы СМЗ посредством проведения периодических осмотров в соответствии с программой технического обслуживания.
Если сооружение или его установки подверглись изменениям, должна быть выполнена проверка соответствия существующей СМЗ требованиям настоящего стандарта. Если будет обнаружено, что СМЗ не соответствует требованиям стандарта, она должна быть немедленно доработана.
Материалы, размещение и размеры системы молниеприемников, токоотводов, заземляющего устройства, системы уравнивания потенциалов, компонентов и т.п. должны соответствовать настоящему стандарту.
E.4.2 Проектирование системы молниезащиты
E.4.2.1 Порядок планирования
Перед началом детальной работы над проектом проектировщик СМЗ должен, при возможности, получить основную информацию, касающуюся назначения, конструкции и расположения сооружения.
Если вопрос о характеристиках СМЗ еще не решен органом, выдающим лицензию, страховой компанией или заказчиком, проектировщик СМЗ должен определить, требуется ли выполнение молниезащиты сооружения в соответствии с методиками оценки риска, приведенными в
ГОСТ Р МЭК 62305-2.
E.4.2.2.1 Общая информация
На стадиях проектирования и строительства нового сооружения проектировщик, монтажник СМЗ и другие лица, ответственные за оборудование в сооружении или за соблюдение правил использования сооружения (например, заказчик, архитектор и строитель), должны проводить регулярные консультации.
Блок-схема, приведенная на
рисунке E.1, будет способствовать рациональному проектированию СМЗ.
На стадии проектирования и монтажа СМЗ для существующего здания следует проводить консультации с лицами, ответственными за сооружение, его использование, оборудование и входящие сети.
Такие консультации могут быть организованы владельцем, строительным подрядчиком сооружения или их уполномоченными представителями. Для существующих сооружений проектировщик СМЗ должен предоставлять чертежи, которые должны быть согласованы и, при необходимости, скорректированы организацией, выполняющей монтаж СМЗ.
Регулярные консультации между участвующими сторонами должны привести к созданию эффективной СМЗ при минимальной стоимости. Например, координация проектных работ по СМЗ со строительными работами часто приводит к отказу от части проводников уравнивания потенциалов и к уменьшению длины тех, которые необходимы. Стоимость строительства, как правило, значительно сокращается за счет обеспечения общих трасс для различных установок в сооружении.
Консультации имеют важное значение на всех стадиях строительства сооружения, так как из-за изменений в проекте сооружения могут потребоваться изменения в СМЗ. Консультации необходимы также потому, что во время их проведения может быть согласован осмотр тех частей СМЗ, которые после завершения строительства сооружения будут недоступны для визуального контроля. Во время этих консультаций должно быть определено расположение соединений между естественными компонентами и СМЗ. На вновь строящихся объектах консультации могут организовывать и проводить архитекторы.
E.4.2.2.2 Основные консультирующиеся стороны
Проектировщик СМЗ должен проводить необходимые технические консультации со всеми сторонами, участвующими в проектировании и строительстве сооружения, включая собственника сооружения.
Конкретные области ответственности в части установки всей СМЗ должны быть определены проектировщиком СМЗ совместно с архитектором, подрядчиком электрической части, строительным подрядчиком, монтажником СМЗ (поставщиком СМЗ) и, при необходимости, консультантом по истории и собственником или его представителем.
Уточнение зоны ответственности различных участников, вовлеченных в организацию проектирования и строительства СМЗ, особенно важно. Примером может быть такой случай, когда гидроизоляция сооружения нарушается компонентами СМЗ, смонтированными на крыше, или соединительными проводниками заземляющего устройства, размещенными ниже фундамента сооружения.
E.4.2.2.2.1 Архитектор
С архитектором должны быть согласованы следующие вопросы:
a) трассы прокладки проводников СМЗ;
b) материалы компонентов СМЗ;
c) детали металлических труб, водостоков, ограждений и аналогичных элементов;
d) детали любого оборудования, аппаратуры, установок и т.п., которые должны быть установлены на крыше, внутри или вблизи сооружения и которые могут потребовать перемещения установок или уравнивания потенциалов с СМЗ из-за разделительного расстояния. Примерами таких установок являются системы предупредительной сигнализации, охранные системы, внутренние системы связи, технологические системы обработки сигналов и данных, сети радио и телевидения;
e) размещение любой подземной проводящей коммуникации, которая может влиять на расположение заземляющего устройства и вызвать необходимость перемещения на безопасное расстояние от СМЗ;
f) общая площадь, доступная для выполнения заземляющего устройства;
g) количество работ и зоны ответственности за первичное крепление СМЗ к сооружению, например тех креплений, которые влияют на водонепроницаемость материала (главным образом, крыши), и т.п.;
h) проводящие материалы, которые могут быть использованы в сооружении, особенно любые электрически непрерывные металлические части, для которых может потребоваться соединение с СМЗ для уравнивания потенциалов, например: колонны, стальная арматура и металлические коммуникации, входящие, выходящие или расположенные внутри сооружения;
i) внешний вид СМЗ;
j) воздействие СМЗ на материалы сооружения;
k) расположение точек соединения со стальной арматурой, особенно в тех местах, где она пересекается с внешними проводящими частями (трубами, кабельными экранами и т.п.);
l) соединение СМЗ с СМЗ соседних зданий.
E.4.2.2.2.2 Общественные коммунальные службы
Уравнивание потенциалов входящих сетей с СМЗ напрямую, или, если это невозможно, через разделительные искровые разрядники, или через устройства защиты от перенапряжений должно быть согласовано с оператором или администрацией, так как могут быть выставлены противоречащие требования.
E.4.2.2.2.3 Пожарная служба и служба безопасности
Должно быть достигнуто соглашение с пожарной службой и службой безопасности по следующим вопросам:
- расположение компонентов системы предупредительной сигнализации и системы пожаротушения;
- трассы, материал и перекрытие кабельных каналов;
- метод защиты, который должен быть использован в том случае, если крыша сооружения изготовлена из огнеопасных материалов.
E.4.2.2.2.4 Электронные системы и внешние антенные установки
Должно быть достигнуто соглашение с организациями, ответственными за монтаж электронных систем и антенных установок, по следующим вопросам:
- изоляция от СМЗ или уравнивание потенциалов с СМЗ антенных опор и проводящих экранов кабелей;
- трассировка антенных кабелей и внутренней сети;
- установка устройств защиты от перенапряжений.
E.4.2.2.2.5 Строители и монтажники
Должно быть достигнуто соглашение между строителями, монтажниками и с теми, кто отвечает за конструкцию сооружения и его технического оборудования, по следующим вопросам:
a) вид, расположение и количество первичных устройств крепления СМЗ, которые должны быть обеспечены строителями;
b) количество устройств крепления, предусмотренное проектировщиком СМЗ (или подрядчиком СМЗ, или поставщиком СМЗ), которое должно быть установлено строителями;
c) расположение проводников СМЗ, которые должны быть размещены под сооружением;
d) возможность использования компонентов СМЗ на стадии строительства, например: использование постоянного заземляющего устройства для заземления кранов, лебедок и других металлических объектов во время строительных работ на площадке;
e) для сооружений со стальным каркасом - количество и расположение колонн, способ крепления, который должен быть предусмотрен для присоединения заземляющих устройств и других компонентов СМЗ;
f) допустимость использования металлических покрытий в качестве компонентов СМЗ;
g) способ обеспечения электрической непрерывности отдельных частей металлических покрытий и способ их присоединения к остальной части СМЗ в тех местах, где металлические покрытия могут быть использованы в качестве компонентов СМЗ;
h) назначение и расположение коммуникаций, входящих в сооружение над и под землей, включая конвейерные системы, телевизионные и радиоантенны и их опорные металлические конструкции, металлические воздуховоды и пневмоочистители окон;
i) координация заземления СМЗ с системой уравнивания потенциалов электросетей и сетей связи;
j) расположение и количество флагштоков, служебных помещений на уровне крыши, например: машинных помещений лифтов, служебных помещений отопления и кондиционирования воздуха, водяных баков и других выступающих объектов;
k) конструкция крыши и стен для определения необходимых способов крепления проводников СМЗ с учетом обеспечения водонепроницаемости сооружения;
l) обеспечение сквозных проемов в сооружении для прокладки токоотводов СМЗ;
m) обеспечение соединений для уравнивания потенциалов со стальными фермами, арматурными стержнями и другими проводящими частями сооружения;
n) периодичность осмотров компонентов СМЗ, которые станут в последующем недоступными, например стальной железобетонной арматуры;
o) выбор наиболее подходящего металла для проводников с учетом коррозии, особенно в месте контакта разнородных металлов;
p) доступность испытательных зажимов, обеспечение защиты с помощью неметаллических оболочек от механических повреждений или хищений, опускания флагштоков или других передвижных объектов, средств для периодических осмотров, особенно для дымовых труб;
q) подготовка чертежей, включающих в себя все указанные выше детали, и на которых приведено расположение всех проводников и основных компонентов;
r) расположение точек соединения со стальной арматурой.
E.4.2.3 Требования к электрической и механической части
E.4.2.3.1 Проектирование электрической части
Разработчик должен выбрать соответствующий тип СМЗ для получения наиболее эффективной конструкции. Для этого необходимо рассмотреть архитектурную часть проекта сооружения и определить, какая СМЗ должна быть применена - изолированная, неизолированная или комбинация обоих типов молниезащиты.
Измерения удельного сопротивления грунта следует выполнять до завершения проекта СМЗ, при проектировании должны быть учтены сезонные изменения удельного сопротивления грунта.
В процессе проектирования СМЗ должна быть рассмотрена возможность использования проводящих частей сооружения в качестве естественных компонентов СМЗ для улучшения характеристик или в качестве основных компонентов СМЗ.
Обязанностями проектировщика СМЗ являются оценка электрических и механических свойств естественных компонентов СМЗ и обеспечение их соответствия минимальным требованиям настоящего стандарта.
Использование металлической арматуры, например стальной арматуры железобетона, в качестве проводников СМЗ требует тщательного анализа и знания строительных стандартов, применяемых к защищаемому сооружению. Стальной каркас железобетона может быть использован в качестве проводников СМЗ или экранирующего слоя для снижения уровня электромагнитных полей в сооружении, создаваемых при протекании тока молнии по изолированной СМЗ. При этом конструкция СМЗ может быть упрощена, особенно в специальных сооружениях, насыщенных протяженными электрическими и электронными установками.
Для токоотводов при соблюдении минимальных требований к естественным компонентам, приведенным в
5.3.5, требуется точная детализация конструкции.
E.4.2.3.2 Проектирование механической части
Проектировщик СМЗ после завершения электрической части проекта должен проконсультироваться со специалистами, ответственными за сооружение, в отношении механической части проекта.
Согласование в части эстетики значимы так же, как и правильный выбор материалов для ограничения опасности коррозии.
Минимальные размеры компонентов СМЗ для различных частей СМЗ приведены в
таблицах 3,
6 -
9.
Материалы, используемые для компонентов СМЗ, приведены в
таблице 5.
Примечание - Для выбора других компонентов, таких как стержневые молниеприемники и зажимы, следует принимать во внимание ГОСТ Р МЭК 62561.1 - ГОСТ Р МЭК 62561.7. Это будет гарантировать, что нагрев и механическая прочность таких компонентов учтены.
Если размеры и материалы не соответствуют требованиям
таблиц 5 -
7, то проектировщик СМЗ на основе электрических параметров тока молнии, определенных для выбранного класса СМЗ, согласно
таблице 1 должен рассчитать нагрев проводников при протекании тока молнии и выбрать их необходимые размеры.
Если для поверхности, на которой должны быть закреплены компоненты, имеет значение их нагрев (или из-за огнеопасных свойств этой поверхности, или из-за того, что она имеет низкую температуру плавления), то либо проводник должен быть выбран с большей площадью поперечного сечения, либо должны быть рассмотрены другие меры безопасности, такие как установка СМЗ на некотором расстоянии от поверхности либо установка дополнительных огнеупорных слоев.
Проектировщик СМЗ должен выявить все зоны с опасностью коррозии и определить соответствующие мероприятия.
Влияние коррозии на СМЗ может быть уменьшено либо за счет увеличения сечения материала, либо использования компонентов с большей устойчивостью к коррозии, либо принятия других мер защиты от коррозии.
Проектировщик СМЗ и монтажник СМЗ должны выбрать устройства крепления и фиксации проводников, которые будут способны выдерживать электродинамические воздействия при протекании тока молнии по проводникам, а также позволят растягиваться и сжиматься проводникам при изменении температуры.
Для достижения данной цели применяют компоненты, испытания которых проведены в соответствии с ГОСТ Р МЭК 62561.1 - ГОСТ Р МЭК 62561.7.
E.4.2.3.3 Сооружение с консольной частью
Для уменьшения вероятности того, что человек, стоящий под консольной частью сооружения, станет путем для тока молнии, протекающего по токоотводу, проложенному на консольной стене, фактическое расстояние d м, должно соответствовать следующему условию:
d > 2,5 + s, (E.1)
где
s - разделительное расстояние в метрах, рассчитанное по
формуле (4).
Значение 2,5 представляет собой высоту до кончиков пальцев человека, когда он вытягивает свою руку вертикально вверх (см.
рисунок E.2).
В петле проводника, показанной на рисунке E.2, возможно возникновение значительного индуктивного падения напряжения, которое может вызвать электрический пробой и протекание тока молнии сквозь стену сооружения, вызывая тем самым повреждение.
d - фактическое расстояние более s; s - разделительное
для расчета разделительного расстояния s
Примечание - Высота человека с поднятой рукой принята равной 2,5 м.
Рисунок E.2 - Проект системы молниезащиты
для консольной части сооружения
Если условия по
6.3 не выполнены, то должен быть предусмотрен путь для прохождения тока молнии сквозь стену сооружения в тех точках, где может возникнуть пробой в условиях, показанных на
рисунке E.2.
E.4.3 Железобетонные сооружения
Промышленные сооружения часто имеют в своем составе монолитные железобетонные секции, выполненные на месте. В других случаях части сооружения могут быть из сборного железобетона или содержать стальные части.
Стальная арматура в железобетонных сооружениях, соответствующая
4.3, может быть использована в качестве естественного компонента СМЗ.
Такие естественные компоненты должны соответствовать требованиям:
- к токоотводам в соответствии с
5.3;
- заземляющим устройствам в соответствии с
5.4.
Выполнение требования максимального общего сопротивления, равного 0,2 Ом, может быть проверено измерением сопротивления между системой молниеприемников и шиной заземляющего устройства на уровне земли с помощью измерительного оборудования по четырехпроводной схеме (два токовых и два потенциальных проводника), как показано на
рисунке E.3. Ток источника при измерениях должен быть не менее 10 А.
Примечание - Если доступ к зонам испытания затруднен или затруднена прокладка измерительных кабелей, то для выполнения испытаний в каждой точке сверху донизу могут быть предусмотрены специально предназначенные шины. Общее сопротивление соединений плюс сопротивление токоотводов могут быть определены расчетом.
Кроме того, стальная арматура в бетоне при надлежащем использовании должна формировать каркас для уравнивания потенциалов внутренней СМЗ в соответствии с
6.2.
Дополнительно стальная железобетонная арматура сооружения, если она выполнена соответствующим образом, может служить в качестве электромагнитного экрана, помогающего защитить электрическое и электронное виды оборудования от помех, вызванных электромагнитными полями молнии, в соответствии с
ГОСТ Р МЭК 62305-4.
M1, M2 - выводы для токовых электродов;
S1, S2 - выводы для потенциальных электродов
Рисунок E.3 - Измерение общего электрического сопротивления
Если арматура железобетона и любые другие стальные конструкции сооружения и снаружи, и внутри соединены таким образом, что выполняется требование электрической непрерывности в соответствии с
4.3, то может быть достигнута эффективная защита от физических повреждений.
Считается, что ток, протекающий по арматуре железобетона, будет протекать по большому числу параллельных ветвей. Импеданс получающейся сетки низок, и, соответственно, падение напряжения при протекании тока молнии будет также низким. Магнитное поле, создаваемое током в сетке стальной арматуры, будет слабым из-за низкой плотности тока и из-за наличия параллельных цепей тока, генерирующих противоположные поля. Влияние на проходящие рядом внутренние электрические сети будет тем самым снижено.
Если стены помещения полностью выполнены из железобетона, электрическая непрерывность арматуры которых соответствует
4.3, то магнитное поле вблизи стен, вызванное током молнии, протекающим по арматуре, будет слабее, чем в помещении сооружения, защищенного СМЗ с обычными токоотводами. Благодаря низкому наведенному напряжению в контурах проводников в помещении может быть улучшена защита от повреждений внутренних систем.
После завершения стадии строительства становится практически невозможным определить расположение и конструкцию стальной арматуры. Следовательно, расположение стальной арматуры, используемой для молниезащиты, должно быть четко задокументированным. Это может быть выполнено с помощью чертежей, описаний и фотографий, сделанных во время строительства.
E.4.3.2 Использование арматуры железобетона
Для обеспечения надежного электрического соединения со стальной арматурой должны быть предусмотрены проводники уравнивания потенциалов или заземляющие шины.
В качестве естественных проводников СМЗ и точек присоединения для внутренней системы уравнивания потенциалов могут быть использованы металлические рамы, которые, например, размещены на сооружении.
Практическим примером является использование для обеспечения уравнивания потенциалов анкерных болтов фундаментов или закладных элементов фундаментов машин, аппаратов или корпусов оборудования. Рисунок E.4 иллюстрирует расположение арматуры и шин уравнивания потенциалов в промышленном здании.
1 - электрическое силовое оборудование; 2 - стальная балка;
3 - металлическое покрытие фасада; 4 - точка присоединения;
5 - электрический или электронный виды оборудования;
6 - шина уравнивания потенциалов; 7 - стальная арматура
железобетона (с наложенными проводниками сетки);
8 - фундаментный заземлитель;
9 - общий ввод различных коммуникаций
Рисунок E.4 - Уравнивание потенциалов
в железобетонном сооружении
При проектировании СМЗ места расположения зажимов уравнивания потенциалов в сооружении должны быть определены в начале стадии планирования, о чем должен быть уведомлен подрядчик строительных работ.
С подрядчиком строительства здания должны быть проведены консультации для определения допустимости сварки арматуры, возможности применения зажимов или обязательности выполнения дополнительных проводников. Вся необходимая работа должна быть осуществлена и проверена до заливки бетона (т.е. планирование СМЗ должно быть выполнено совместно с проектированием сооружения).
E.4.3.3 Соединение со стальной арматурой железобетона сваркой или зажимом
Непрерывность арматурных стержней должна быть обеспечена соединениями зажимом или сваркой.
Примечание - Для применения пригодны зажимы, соответствующие требованиям
ГОСТ Р МЭК 62561.1.
Сварка арматурных стержней допускается только при согласии проектировщика проекта строительных работ. Арматурные стержни должны быть сварены на длине не менее 50 мм (см. рисунок E.5).
Рисунок E.5 - Типовые способы соединения арматуры
железобетона (необходимо согласование со строителями)
Присоединение к внешним элементам СМЗ должно быть выполнено при помощи арматурного стержня, выведенного из бетона в установленном месте, или специального стержня, или шины, выведенных из бетона и приваренных к арматуре или соединенных с ней посредством зажимов.
Если соединения между арматурой железобетона и проводником уравнивания потенциалов выполнены при помощи зажима, в целях безопасности всегда должны быть использованы два проводника уравнивания потенциалов (или один проводник уравнивания потенциалов, присоединенный двумя зажимами к разным арматурным стержням), так как эти соединения не могут быть проверены после заливки бетона. Если проводник уравнивания потенциалов и арматурный стержень выполнены из разнородных металлов, место соединения должно быть герметично защищено влагостойким компаундом.
На рисунке E.6 показаны зажимы для соединений арматурных стержней и проводников прямоугольного поперечного сечения; на
рисунке E.7 - конструктивные элементы для присоединения внешней системы молниезащиты к арматуре железобетона.
1 - арматурный стержень; 2 - круглый проводник; 3 - болт;
4 - проводник прямоугольного поперечного сечения
Рисунок E.6 - Примеры зажимов, используемых для соединения
арматурных стержней и проводников
1 - проводник уравнивания потенциалов; 2 - гайка,
приваренная к стальному проводнику уравнивания потенциалов;
3 - проводник уравнивания потенциалов, соединяющий
со стальной арматурой
<*>;
4 - точка уравнивания потенциалов
из цветного металла в бетоне; 5 - многопроволочный медный
проводник уравнивания потенциалов; 6 - средство защиты
от коррозии; 7 - С-образная стальная шина (С-образный
монтажный кронштейн); 8 - сварка
--------------------------------
<*> Проводник уравнивания потенциалов, соединяющий со стальной арматурой, во многих точках присоединен к стальным стержням сваркой или зажимами.
Примечание - Конструкция, показанная на рисунке E.7,c), не всегда допускается в инженерной практике.
Рисунок E.7 - Примеры точек соединения
с арматурой в железобетонной стене
Размеры проводников уравнивания потенциалов должны быть выбраны в соответствии с током молнии, протекающим в точке соединения (см.
таблицы 8 и
9).
Дополнительные проводники, размещенные в бетоне для целей молниезащиты, могут быть выполнены из следующих материалов: сталь, мягкая сталь, оцинкованная сталь, нержавеющая сталь, сталь, покрытая медью, и медь.
Поведение слоя цинка на стали в бетоне весьма сложное, особенно в бетоне, содержащем хлориды. Цинк при контакте со стальной арматурой будет быстро корродировать и при определенных условиях может вызвать повреждение бетона. По этой причине оцинкованную сталь не следует применять в прибрежных зонах и тех местах, где в грунтовых водах может быть соль. Поскольку применение оцинкованной стали в бетоне требует оценки многих внешних факторов, этот материал должен быть использован только после тщательного анализа. С учетом этого применение других упомянутых материалов представляется более предпочтительным по сравнению с использованием оцинкованной стали.
Для исключения путаницы между различными типами стальных стержней в бетоне рекомендуется в качестве дополнительных проводников использовать гладкую стальную арматуру круглого сечения диаметром не менее 8 мм с целью их отличия от стандартной арматуры периодического профиля.
В тех местах, где через бетонную стену проходят стальные арматурные проводники уравнивания потенциалов, особое внимание должно быть уделено защите от химической коррозии.
Наиболее простым средством защиты от коррозии является использование кремнийорганического каучука или битумного покрытия вблизи точки выхода из стены, например 50 мм или более в стене и 50 мм или более снаружи стены [см.
рисунок E.7,c)]. Однако обычно это не считается приемлемым инженерным решением. Наиболее эффективным считают использование проводников, специально разработанных для этой цели, как показано на других примерах
рисунка E.7.
В тех местах, где через бетонную стену проходят медные и покрытые медью стальные проводники уравнивания потенциалов, опасность возникновения коррозии отсутствует при условии использования одножильного проводника, специальной точки уравнивания потенциалов, покрытия поливинилхлоридом (ПВХ) или изолированного провода [см.
рисунок E.7,b)]. Для проводников уравнивания потенциалов из нержавеющей стали, соответствующих требованиям
таблиц 6 и
7, средства защиты от коррозии не требуются.
В случае крайне агрессивной окружающей среды проводник уравнивания потенциалов, проходящий через стену, рекомендуют выполнять из нержавеющей стали.
Примечание - Применение оцинкованной стали, расположенной за пределами бетона и находящейся в контакте со стальной арматурой внутри железобетона, в определенных условиях может привести к повреждению бетона.
Гайки или детали из мягкой стали в бетоне на наружной стороне стены должны быть защищены от коррозии. Для обеспечения электрического контакта через защитное покрытие гайки должны быть использованы зубчатые стопорные шайбы [см.
рисунок E.7,a)].
Дополнительная информация по защите от коррозии приведена в
E.5.6.2.2.2.
Исследования показывают, что соединения вязкой
[рисунок E.5,d)] не пригодны для соединений, проводящих ток молнии. Имеется риск того, что вязальная проволока взорвется и повредит бетон. Однако в соответствии с более ранними исследованиями можно предположить, что по меньшей мере каждое третье подобное соединение образует электропроводящую связь, и поэтому практически все стержни арматуры электрически взаимосвязаны. Измерения, выполненные на железобетонных сооружениях, подтверждают это заключение.
Следовательно, для соединений, проводящих ток молнии, наиболее предпочтительными являются сварка и соединение с помощью зажима. Соединения вязкой в соответствии с
рисунком E.5,d) подходят только для соединения дополнительных проводников уравнивания потенциалов и для целей ЭМС.
Присоединения внешних цепей к взаимосвязанной железобетонной арматуре должны быть выполнены с помощью зажимов или сварки.
Сварные швы между арматурными стержнями (см.
рисунок E.5) внутри бетона должны быть длиной не менее 50 мм. Пересекающиеся стержни должны быть изогнуты таким образом, чтобы на расстоянии не менее 70 мм они были параллельными друг другу для сварки.
Примечание - Если сварка разрешена, допускается как стандартная, так и экзотермическая сварки.
Если сваренные стержни должны быть залиты в бетон, недостаточно заварить точки пересечения сварным швом длиной всего несколько миллиметров. Такие соединения часто разрываются при заливке бетона.
Правильный способ сварки проводников уравнивания потенциалов с арматурой железобетона показан на
рисунке E.5.
Если сварка с арматурой железобетона не допускается, должны быть использованы зажимы или дополнительные специально предназначенные проводники. Эти дополнительные проводники могут быть выполнены из стали, мягкой стали, оцинкованной стали или меди. Дополнительные проводники должны быть присоединены к большому количеству арматурных стержней при помощи вязки [см.
рисунок E.5,d)] или зажима для реализации эффектов экранирования железобетонной арматурой.
Арматура железобетонных стен или колонн и стальной каркас сооружения могут быть использованы в качестве естественных токоотводов. На крыше должен быть предусмотрен вывод для соединения с системой молниеприемников и, если железобетонные фундаменты не были использованы в качестве единственного заземляющего устройства, вывод для соединения с заземляющим устройством.
При использовании в качестве токоотвода отдельного стержня стальной арматуры необходимо убедиться в том, что стержень не сдвигается на протяжении всего пути от молниеприемника до уровня земли, обеспечивая тем самым прямую электрическую связь.
Когда невозможно гарантировать вертикальную электрическую непрерывность естественных токоотводов, обеспечивающую прямой путь от крыши до земли, должны быть использованы дополнительные специально предназначенные проводники. Эти дополнительные проводники должны быть присоединены вязкой
[рисунок E.5,d)] или зажимом к железобетонной арматуре.
При наличии затруднений относительно возможности обеспечения наиболее прямого пути для токоотводов (т.е. для эксплуатируемых зданий), должна быть установлена внешняя система токоотводов.
На
рисунках E.4 и E.8 показано конструктивное исполнение естественных компонентов СМЗ для железобетонных сооружений. Дополнительно в
E.5.4.3.2 приведена информация по использованию железобетонных элементов в качестве фундаментных заземлителей.
1 - металлический фартук парапета на крыше; 2 - соединение
между фасадными панелями и молниеприемником;
3 - горизонтальный проводник молниеприемника;
4 - металлический сегмент фасадного покрытия; 5 - шина
уравнивания потенциалов для внутренней СМЗ; 6 - соединение
между фасадными панелями и опорной рамой; 7 - испытательный
зажим; 8 - стальная железобетонная арматура; 9 - кольцевой
заземлитель конфигурации B; 10 - фундаментный заземлитель
Примечания
1 В приведенном примере могут быть приняты следующие размеры: a = 5 м; b = 5 м; c = 1 м.
2 Информация о соединениях между панелями приведена на
рисунке E.35.
a) Использование металлического фасадного покрытия
железобетонного сооружения в качестве
системы естественных токоотводов
1 - вертикальные части каркаса; 2 - крепление к стене;
3 - соединители; 4 - горизонтальные части каркаса
b) Соединение опорных конструкций фасада
Рисунок E.8 - Использование металлического фасада
в качестве системы естественных токоотводов
и соединение опорных конструкций фасада
Внутренние токоотводы в отдельно стоящих колоннах и в стенах должны быть связаны между собой с использованием их стальных арматурных стержней и соответствовать условиям электрической непрерывности, изложенным в
4.3.
Стальная арматура отдельных элементов сборного железобетона и арматура железобетонных колонн и стен должны быть соединены с арматурой железобетонных перекрытий до их заливки бетоном.
Непрерывные проводящие части входят в состав арматуры всех монолитных конструктивных элементов, например стен, колонн, лестниц и шахт лифтов. Если конструкцией предусмотрены монолитные железобетонные перекрытия, то для обеспечения равномерного распределения тока молнии токоотводы в отдельных колоннах и в стенах должны быть соединены между собой посредством железобетонной арматуры. Если перекрытия выполняют из сборного железобетона, то такие соединения, как правило, отсутствуют. Можно выполнить разъемы и выводы, установив дополнительные соединительные проводники перед заливкой формы бетоном на заводе, которые необходимы для соединения арматуры элементов сборного железобетона с арматурой монолитных колонн и стен.
Бетонные элементы заводского изготовления, используемые в качестве навесных фасадов, не являются эффективными с точки зрения молниезащиты, так как соединения для уравнивания потенциалов в них не предусмотрены. Если должна быть обеспечена высокоэффективная защита от молнии для оборудования, установленного в здании, таком как офисное здание с большим количеством оборудования обработки информации и с компьютерными сетями, то необходимо, чтобы арматура таких фасадных элементов была соединена между собой и присоединена к арматуре несущих элементов здания таким образом, чтобы ток молнии мог протекать по всей внешней поверхности здания (см.
рисунок E.4).
Если окна внешних стен здания выполнены в виде непрерывного пояса, то особенно важно, чтобы либо соединения элементов сборного железобетона были выполнены над и под поясом окон посредством существующих колонн, либо они были соединены между собой с меньшими интервалами, соответствующими шагу расположения окон.
Повсеместное объединение проводящих частей внешних стен улучшает электромагнитное экранирование внутреннего пространства здания. На рисунке E.9 показано соединение непрерывного пояса окон с металлическим покрытием фасада.
1 - соединение между фасадной панелью и металлическими
частями пояса окон; 2 - металлическая фасадная панель;
3 - горизонтальная металлическая полоса;
4 - вертикальная металлическая полоса; 5 - окно
Рисунок E.9 - Соединение окон, выполненных в виде
непрерывного пояса, с металлическим покрытием фасада
Если стальные конструкции используют в качестве токоотводов, каждая стальная колонна должна быть соединена с арматурой железобетонного фундамента в точках соединения, как показано на
рисунке E.7.
Примечание - Вопросы применения стальной арматуры стен зданий с целью электромагнитного экранирования рассмотрены в
ГОСТ Р МЭК 62305-4.
В случае больших низких зданий, например включающих в себя залы, крыша поддерживается не только по периметру здания, но и внутренними колоннами. Проводящие колонны должны быть соединены с системой молниеприемников наверху и с системой уравнивания потенциалов на уровне пола, создавая этим внутренние токоотводы. Данные мероприятия выполняют для предотвращения опасного искрения внутри здания. Вблизи таких токоотводов возникает увеличение электромагнитных помех.
В конструкции стального каркаса для крыш, как правило, используют стальные балки, соединенные болтами. Учитывая, что болты затягивают с усилием, требуемым для получения механической прочности, все стальные части, имеющие болтовые соединения, могут быть рассмотрены как электрически взаимосвязанные. При первичном разряде тонкий слой краски пробивается током молнии, образуя затем проводящую перемычку.
Электрическое соединение может быть усовершенствовано за счет очистки опорной поверхности болтовых головок, гаек и шайб, а также дальнейшее улучшение может быть достигнуто за счет выполнения сварного шва длиной около 50 мм после завершения сборки конструкций.
На сооружениях с большими проводящими частями в/на внешних стенах должна быть обеспечена непрерывность проводящих частей для их использования в качестве токоотводов. Этот способ также рекомендуется в том случае, когда в дополнение к требованиям защиты от электромагнитных импульсов молнии должны быть учтены повышенные требования к культурным аспектам архитектурного проектирования.
Кроме того, должны быть предусмотрены соединенные между собой шины уравнивания потенциалов. Каждая шина уравнивания потенциалов должна быть соединена с проводящими частями во внешних стенах и в перекрытиях. Это может быть уже обеспечено арматурой перекрытий на уровне земли и на уровне каждого последующего этажа.
Если возможно, в полу или в стене должен быть предусмотрен вывод для соединения со стальной арматурой. Вывод должен быть соединен не менее чем с тремя арматурными стержнями.
E.4.3.8 Уравнивание потенциалов
Если необходимо большое количество соединений с арматурой на разных этажах и необходимо обеспечить пути протекания тока с низким индуктивным сопротивлением за счет использования арматуры железобетонных стен в целях уравнивания потенциалов и экранирования внутреннего пространства сооружения, на разных этажах должны быть установлены кольцевые проводники внутри бетона или вне его. Эти кольцевые проводники должны быть соединены между собой при помощи вертикальных стержней с интервалами не более 10 м.
Такое исполнение является наиболее предпочтительным из-за его большей надежности, особенно там, где значение тока помехи неизвестно.
Дополнительно рекомендуют выполнение сетки проводников. Соединения должны быть осуществлены таким образом, чтобы они могли проводить большие токи в случае неисправности в системе энергоснабжения.
В больших сооружениях шина уравнивания потенциалов действует как кольцевой проводник. В таких случаях точки соединения со стальной железобетонной арматурой должны быть выполнены через каждые 10 м. Принятие специальных мер, кроме указанных в
6.2.2, a), для соединения арматуры здания с СМЗ не требуется.
E.4.3.9 Фундаменты в качестве заземлителей
Для больших сооружений и промышленных предприятий, как правило, сооружают железобетонный фундамент. Арматура фундамента, фундаментная плита и внешние стены ниже уровня поверхности земли таких сооружений образуют высококачественный фундаментный заземлитель при условии, что выполнены требования
5.4.
В качестве фундаментного заземлителя могут быть использованы арматура фундамента и подземной части стен.
Данный метод обеспечивает необходимое заземление при минимальной стоимости. Дополнительно, металлическая оболочка, образованная стальной железобетонной арматурой сооружения, в общем случае обеспечивает качественный опорный потенциал для сети электроснабжения, электронного оборудования и систем связи сооружения.
Для обеспечения надежных соединений в дополнение к взаимному соединению арматурных стержней при помощи скрутки вязальной проволокой [см.
рисунок E.5,d)] рекомендуется применение дополнительной металлической сетки, которая также должна быть соединена со стальной арматурой. В удобных местах должны быть выполнены выводы от сетки для подключения внешних токоотводов или элементов каркаса сооружения, выступающих в качестве токоотводов, а также для подключения к наружному заземляющему устройству.
В общем случае арматура фундамента является электропроводящей частью, за исключением тех случаев, когда между различными частями сооружения выполнены зазоры для обеспечения возможности различных уровней осадки.
Зазоры между проводящими частями сооружения должны быть зашунтированы соединительными проводниками, соответствующими требованиям
таблицы 6, с использованием зажимов и соединений (см.
5.5).
Арматура бетонных колонн и стен, стоящих на фундаменте, должна быть соединена с арматурой фундамента и с проводящими частями крыши.
На рисунке E.10 показана конструкция СМЗ железобетонного сооружения с бетонными колоннами, стенами и крышей, имеющими проводящие части.
1 - проводник СМЗ, проходящий через водонепроницаемую
втулку; 2 - стальная арматура в бетонной колонне;
3 - стальная арматура в бетонных стенах
Примечание - Когда стальная арматура внутренней колонны соединена с молниеприемником и с заземляющим устройством СМЗ, она становится естественным токоотводом. Если вблизи колонны установлено чувствительное электронное оборудование, то должна быть учтена электромагнитная обстановка вблизи колонны.
Рисунок E.10 - Внутренние токоотводы
в промышленных сооружениях
Если сварка с арматурой не допускается, в колоннах должны быть установлены дополнительные проводники или соединения должны быть выполнены с помощью прошедших испытание соединительных устройств. Дополнительные проводники должны быть присоединены с помощью вязки или зажимов к стальной арматуре.
После завершения строительства и подключения всех коммуникаций к зданию через шину уравнивания потенциалов часто становится практически невозможным измерение сопротивления заземляющего устройства в рамках технического обслуживания.
Если в определенных условиях измерение сопротивления фундаментного заземлителя невозможно, то установка одного или нескольких сравнительных электродов вблизи здания обеспечит отслеживание изменений вблизи заземляющего устройства в течение нескольких лет посредством измерений цепи между заземляющим электродом и фундаментным заземлителем. Однако основным преимуществом фундаментного заземлителя является качественное уравнивание потенциалов, а сопротивление фундаментного заземлителя имеет меньшее значение.
E.4.3.10 Процесс установки
Все проводники системы молниезащиты и соединительные зажимы должны быть установлены монтажниками СМЗ.
Должно быть достигнуто соглашение с подрядчиком строительных работ о выделении достаточного количества времени для установки СМЗ перед заливкой бетона, учтенного в графике строительных работ.
Во время строительства следует регулярно выполнять измерения, а монтажники СМЗ должны следить за ходом строительства (см.
4.3).
E.4.3.11 Элементы сборного железобетона
Если для СМЗ использованы элементы сборного железобетона, например в качестве токоотвода для экранирования или проводников уравнивания потенциалов, на этих элементах должны быть установлены точки присоединения к арматуре (см.
рисунок E.7), для того чтобы в дальнейшем иметь возможность присоединить простым способом арматуру элементов сборного железобетона с арматурой сооружения.
Расположение и конструкция точек присоединения должны быть определены во время проектирования элементов сборного железобетона.
Точки присоединения должны быть расположены таким образом, чтобы внутри элементов сборного железобетона электрически непрерывные арматурные стержни проходили от одной точки присоединения к другой.
Если внутри элемента сборного железобетона невозможно обеспечить непрерывность арматуры посредством стандартных арматурных стержней, то должен быть установлен дополнительный проводник, соединенный с используемой арматурой вязкой.
В общем случае в каждом углу железобетонной плиты требуются одна точка присоединения и проводник уравнивания потенциалов, как показано на
рисунке E.11.
E.4.3.12 Деформационные швы
Если сооружение состоит из ряда секций с деформационными швами, предусматривающими усадку секций сооружения, и в здании должно быть установлено протяженное электронное оборудование, то арматура различных строительных секций сооружения должна быть соединена проводниками уравнивания потенциалов, шунтирующих деформационные швы, с интервалами не более половины расстояния между токоотводами, указанного в
таблице 4.
Для обеспечения уравнивания потенциалов с низким импедансом и эффективного экранирования пространства внутри сооружения деформационные швы между секциями здания должны быть зашунтированы достаточно часто (с интервалами от 1 м до половины расстояния между токоотводами) гибкими или скользящими проводниками уравнивания потенциалов, в зависимости от требуемого коэффициента экранирования, как показано на рисунке E.11.
1 - сборный железобетон;
2 - проводники уравнивания потенциалов
a) Установка проводников уравнивания потенциалов
между железобетонными плитами при помощи болтовых
или сварных соединений проводников
1 - компенсационный зазор; 2 - сварное соединение;
3 - углубление; 4 - гибкий проводник уравнивания
потенциалов; A - железобетонный элемент 1;
B - железобетонный элемент 2
b) Выполнение гибких связей между двумя железобетонными
элементами, шунтирующие компенсационный зазор в сооружении
Рисунок E.11 - Установка проводников уравнивания потенциалов
в железобетонных сооружениях и гибких связей между двумя
железобетонными элементами
E.5 Внешняя система молниезащиты
Расположение проводников внешней СМЗ является основополагающим при проектировании СМЗ и зависит от формы защищаемого сооружения, от требуемого уровня защиты и используемого геометрического метода проектирования. Конструкция системы молниеприемников, как правило, определяет конструкцию системы токоотводов, заземляющего устройства и внутренней СМЗ.
Если соседние здания имеют СМЗ, то эти СМЗ, при возможности, должны быть соединены с СМЗ рассматриваемого здания.
E.5.1.1 Неизолированная СМЗ
В большинстве случаев неизолированная СМЗ может быть установлена на защищаемом сооружении.
Если тепловое воздействие в точке удара молнии или вблизи проводников, по которым протекает ток молнии, может привести к повреждению сооружения и содержимого защищаемого сооружения, расстояние между проводниками СМЗ и горючими материалами должно быть не менее 0,1 м.
Примечание - Типичными случаями являются сооружения:
- с горючим покрытием;
- горючими стенами.
E.5.1.2 Изолированная СМЗ
Изолированную СМЗ необходимо применять в тех случаях, когда протекание тока молнии по присоединенным внутренним проводящим частям может привести к повреждению сооружения или его содержимого.
Примечание - Применение изолированной СМЗ может быть выгодно в тех случаях, когда предполагается, что изменения в сооружении могут потребовать модификации СМЗ.
Система молниезащиты, соединенная с проводящими строительными элементами и с системой уравнивания потенциалов только на уровне земли в соответствии с
3.3 определена как изолированная СМЗ.
Изолированную СМЗ выполняют либо посредством установки стержневых молниеотводов вблизи защищаемого сооружения, либо с помощью подвески тросов между опорами в соответствии с разделительным расстоянием, вычисляемым по
формуле (4).
Изолированной является также СМЗ, установленная на сооружениях из изоляционного материала, такого как кирпич или древесина, где обеспечено соблюдение разделительного расстояния и отсутствуют соединения с проводящими частями сооружения, с оборудованием, установленным внутри, за исключением соединений с заземляющим устройством на уровне земли.
Проводящее оборудование внутри сооружения и электрические проводники не следует располагать от молниеприемников и токоотводов на расстоянии меньшем, чем разделительное расстояние. Все вновь устанавливаемые установки должны соответствовать требованиям изолированной СМЗ. Эти требования должны быть сообщены собственнику сооружения подрядчиком, ответственным за проектирование и установку СМЗ.
Владелец должен проинформировать будущих подрядчиков, выполняющих работы внутри или на сооружении, о данных требованиях. Если подрядчик, ответственный за такую работу, не может выполнить эти требования, он должен проинформировать о сложившейся ситуации собственника сооружения.
Все части оборудования, установленные в сооружении с изолированной СМЗ, должны быть размещены внутри пространства, защищенного СМЗ, и должны удовлетворять требованиям к разделительному расстоянию. Если при креплении проводников непосредственно к стенам сооружения они находятся слишком близко к проводящим частям сооружения, то проводники СМЗ должны быть смонтированы на изолирующих креплениях, обеспечивающих расстояние между СМЗ и внутренними проводящими частями, превышающее разделительное расстояние, определяемое по
формуле (4).
Примечание - Длина изолирующих креплений должна быть равна или больше разделительного расстояния с учетом условий окружающей среды.
Проводящие крепления крыши, не соединенные с системой уравнивания потенциалов и расположенные от системы молниеприемников на расстоянии менее разделительного, но при этом находящиеся от системы уравнивания потенциалов на расстоянии более разделительного расстояния должны быть присоединены к системе молниеприемников изолированной СМЗ. По этой причине подобные сооружения должны быть рассмотрены не как изолированные, но как сооружения с проводящими креплениями крыши, не присоединенными к системе уравнивания потенциалов.
Проект СМЗ и инструкции по безопасности для работы вблизи таких креплений крыши должны учитывать тот факт, что при ударе молнии напряжение на этих креплениях будет равно напряжению на системе молниеприемников.
Изолированная СМЗ должна быть установлена на сооружениях с протяженными взаимосвязанными проводящими частями в тех случаях, когда предпочтительно предотвратить протекание тока молнии по конструкциям стен и установленному внутри оборудованию.
На сооружениях, включающих в себя многократно взаимосвязанные проводящие части, такие как стальные конструкции или железобетон, должно быть соблюдено разделительное расстояние от изолированной СМЗ до этих проводящих частей сооружения. Для обеспечения необходимого разделения проводники СМЗ следует крепить к конструкции при помощи изолирующих креплений.
Следует отметить, что железобетонные колонны и перекрытия часто используют в кирпичных сооружениях.
E.5.1.3 Опасное искрение
Опасного искрения между СМЗ и металлическими, электрическими установками и оборудованием связи можно избежать:
- в изолированной СМЗ путем применения изоляции или разделения в соответствии с
6.3;
- неизолированной СМЗ применением изоляции посредством уравнивания потенциалов в соответствии с
6.2 или разделения в соответствии с
6.3.
E.5.2 Системы молниеприемников
В настоящем стандарте не приведены критерии для выбора системы молниеприемников, так как стержневые молниеприемники, тросовые молниеприемники и молниеприемные сетки считают одинаково эффективными.
Исполнение системы молниеприемников должно соответствовать требованиям
таблицы 2.
При проектировании системы молниеприемников должны быть использованы указанные ниже методы, по отдельности или в любой их комбинации (при этом зоны защиты, создаваемые различными молниеприемниками, должны перекрывать друг друга и обеспечивать защиту всего сооружения в соответствии с
5.2):
- метод защитного угла;
- метод катящейся сферы;
- метод сеток.
Примечание - В Российской Федерации дополнительно применяют вероятностный метод [1], [2].
При проектировании СМЗ могут быть использованы все методы. Выбор метода зависит от удобства использования и от защищаемого сооружения.
Проектировщик СМЗ может выбирать метод размещения системы молниеприемников. Однако могут иметь значение следующие положения:
- метод защитного угла подходит для защиты простых сооружений и небольших частей больших сооружений. Этот метод не применим для тех сооружений, высота которых больше радиуса катящейся сферы, соответствующего выбранному уровню защиты СМЗ;
- метод катящейся сферы подходит для сооружений сложной формы;
- метод сеток предназначен для общих целей и особенно подходит для защиты плоских поверхностей.
Примечание - Рекомендации по применению вероятностного метода даны в нормативных документах Российской Федерации [1], [2].
Метод проектирования системы молниеприемников и методы проектирования СМЗ, примененные для различных частей сооружения, должны быть четко указаны в проектной документации.
E.5.2.2.1 Метод защитного угла
Проводники молниеприемной сетки, стержневые молниеприемники, мачты и тросы должны быть расположены таким образом, чтобы все части защищаемого сооружения находились внутри поверхности, образованной линиями проекции точек проводников молниеприемника на поверхность начала отсчета под углом

к вертикали, выполненной во всех направлениях. Защитный угол

должен соответствовать
таблице 2, где
h является высотой молниеприемника над защищаемой поверхностью. Одна точка формирует конус. На
рисунках A.1 и
A.2 показано, как защищаемый объем образуют различные молниеприемники. В соответствии с
таблицей 2 защитный угол

будет отличаться для молниеприемников различной высоты над защищаемой поверхностью (см.
рисунок A.3 приложения A и рисунок E.12).
H - высота здания над поверхностью земли; h1 - физическая
высота стержневого молниеприемника; h2 - h1 + H, высота
стержневого молниеприемника по отношению к земле;

- защитный угол, соответствующий высоте молниеприемника
h = h1, которая должна быть измерена по отношению
к поверхности крыши (плоскость начала отсчета);

- защитный угол, соответствующий высоте
h2
Рисунок E.12 - Проектирование молниеприемника методом
защитного угла для различных значений высоты
Метод защитного угла имеет геометрические ограничения и не может быть применен, если значение
H превышает радиус катящейся сферы
r, указанный в
таблице 2.
Если конструкции на крыше предполагают защищать стержневыми молниеприемниками и их защищаемый объем выходит за край здания, молниеприемники должны быть размещены между конструкцией и краем здания. Если это невозможно, должен быть применен метод катящейся сферы. Размещение молниеприемника с помощью метода защитного угла показано также на рисунках E.13 и
E.14 для изолированной СМЗ и на
рисунках E.15 и
E.16 для неизолированной СМЗ.
1 - стержневой молниеотвод; 2 - защищаемое сооружение;
3 - земля, являющаяся плоскостью начала отсчета;
4 - пересечение зоны защиты в виде конусов;
s - разделительное расстояние в соответствии с
6.3;
a) Вертикальное сечение
Примечание - Две окружности показывают защищенную площадь на земле, выступающей плоскостью начала отсчета.
b) Проекция на горизонтальную плоскость начала отсчета
Рисунок E.13 - Изолированная внешняя СМЗ, состоящая
из двух стержневых молниеотводов, спроектированная
по методу защитного угла
1 - стержневой молниеотвод; 2 - защищаемое сооружение;
3 - область защиты на плоскости начала отсчета;
4 - горизонтальный молниезащитный трос;
s1,
s2 - разделительные расстояния в соответствии с
6.3;
Примечание - Система молниеприемников спроектирована по методу защитного угла. Все сооружение должно находиться внутри защищенного объема.
Рисунок E.14 - Изолированная внешняя СМЗ, состоящая
из двух отдельных стержневых молниеотводов и горизонтального
молниезащитного троса, подвешенного между ними
a) Пример использования одного стержневого молниеотвода
b) Пример использования двух стержневых молниеотводов
1 - стержневой молниеприемник; 2 - защищаемое сооружение;
3 - принятая плоскость начала отсчета;

- защитный угол
Примечание - Все сооружение должно находиться внутри объемов, защищенных стержневыми молниеотводами.
Рисунок E.15 - Пример установки стержневых
молниеприемников неизолированной СМЗ
a) Вертикальный разрез плоскостью,
проходящей через проводник
b) Вертикальный разрез плоскостью, перпендикулярной
плоскости, проходящей через проводник
d1 - расстояние от горизонтального провода до крыши
Примечание - Сооружение должно полностью находиться внутри защищенного объема.
Рисунок E.16 - Пример выполнения молниеприемника
неизолированной СМЗ, состоящего из горизонтального
проводника, установленного по методу защитного угла
Если поверхность, на которой размещена система молниеприемников, является наклонной, то осью конуса, формирующего защищенный объем, не обязательно должен быть стержневой молниеприемник, а может быть перпендикуляр к поверхности, на которой размещается молниеприемник, при этом вершина конуса находится на одном уровне с верхним концом молниеприемника (см. рисунок E.17).
1 - защищаемый объем; 2 - плоскость начала отсчета;
3 - стержневой молниеприемник; h - значение высоты

- защитный угол;
D,
D' - граница защищенного объема
Рисунок E.17 - Объем, защищаемый стержневым молниеприемником
на наклонной поверхности по методу защитного угла
E.5.2.2.2 Метод катящейся сферы
Метод катящейся сферы необходимо применять для определения защищенного объема частей и областей сооружения в том случае, если исключается использование метода защитного угла (см.
таблицу 2).
При применении этого метода расположение системы молниеприемников соответствует требованиям, если ни одна точка защищаемого объема не касается сферы радиусом r, катящейся по земле, вокруг и по всей поверхности сооружения, во всех возможных направлениях. Таким образом, сфера должна касаться только земли и/или системы молниеприемников.
Значение радиуса
r катящейся сферы зависит от класса СМЗ (см.
таблицу 2). Радиус катящейся сферы коррелируется с амплитудным значением тока молнии, которая поражает сооружение:
r = 10·
I0,65, где
I выражен в килоамперах.
На рисунке E.18 показано применение метода катящейся сферы для различных сооружений. Сфера радиусом r катится вокруг и по всему сооружению, пока не встречается с поверхностью земли, или с любым постоянным сооружением, или объектом, который находится в контакте с поверхностью земли и может выступать в качестве проводника тока молнии. В тех точках, где катящаяся сфера касается сооружения, может быть удар молнии, и в таких точках требуется защита молниеприемником.
1 - заштрихованные области подвержены удару молнии и требуют
защиты в соответствии с
таблицей 2;
2 - мачта на сооружении;
r - радиус катящейся сферы в соответствии с
таблицей 2
Примечание - Защиту от ударов молнии в боковые поверхности необходимо выполнять в соответствии с
5.2.3 и
A.2 приложения A.
Рисунок E.18 - Выполнение молниеприемной сетки
на сооружении сложной формы
Если метод катящейся сферы применяется к чертежам сооружения, сооружение должно быть проанализировано со всех сторон для гарантии того, что ни одна часть сооружения не будет выступать за пределы защищенной зоны.
Защищаемый объем, создаваемый проводником СМЗ, является пространством, в которое катящаяся сфера не проникает, когда она находится в контакте с этим проводником и касается сооружения.
На рисунке E.19 показаны зоны защиты, обеспечиваемые системой молниеприемников, выполненной по методу сетки, методу катящейся сферы и методу защитного угла при обычном исполнении элементов молниеприемника.
1 - проводник молниеприемной сетки; 2 - стержневой
молниеприемник; 3 - размер ячейки; 4 - токоотвод;
5 - заземляющее устройство в виде кольцевого проводника;
h - высота молниеприемника над уровнем земли;

- защитный угол
Рисунок E.19 - Проектирование молниеприемников
с применением метода защитного угла, метода сетки
при стандартном исполнении элементов молниеприемника
В случае применения молниеприемника из двух параллельных горизонтальных проводников, расположенных над горизонтальной плоскостью начала отсчета на
рисунке E.20, расстояние
p, на которое катящаяся сфера проникает ниже уровня проводников в пространстве между ними, может быть рассчитано по формуле
p = r - [r2 - (d/2)2]1/2. (E.2)
Расстояние
p должно быть меньше
ht минус высота объектов, которые должны быть защищены (электродвигатель на
рисунке E.20).
Пример, приведенный на рисунке E.20, действителен также для трех или четырех стержневых молниеприемников; например, четыре стержневых молниеприемника, расположенные по углам квадрата с одинаковой заданной высотой h. В этом случае расстояние d на рисунке E.20 соответствует диагонали квадрата, образованного четырьмя молниеприемниками.
1 - горизонтальные проводники молниеприемника; 2 - плоскость
нулевого отсчета; 3 - пространство, защищенное двумя
параллельными горизонтальными проводами молниеприемника
или двумя стержневыми молниеприемниками; ht - физическая
высота стержневых молниеприемников над плоскостью начала
отчета; p - расстояние проникновения катящейся сферы;
h - высота молниеприемника в соответствии с
таблицей 2;
r - радиус катящейся сферы; d - расстояние между двумя
параллельными горизонтальными проводниками молниеприемника
или двумя стержневыми молниеприемниками
Примечание - Для защиты объектов, размещенных в пространстве между молниеприемниками, расстояние проникновения p катящейся сферы должно быть меньше ht минус высота защищаемых объектов.
Рисунок E.20 - Объем, защищаемый двумя параллельными
горизонтальными проводниками молниеприемника или двумя
стержневыми молниеприемниками (r > ht)
Методом катящейся сферы могут быть определены возможные точки удара молнии, а также вероятность удара молнии в каждую точку здания.
E.5.2.2.3 Метод сетки
В случае плоских поверхностей молниеприемная сетка защищает всю поверхность при условии выполнения следующих условий:
a) как указано в
приложении A, проводники молниеприемника расположены:
- на краях крыши,
- свесах и выступах крыши,
- коньках крыши, если наклон крыши превышает 1/10,
- боковых поверхностях сооружения высотой более 60 м на уровнях, расположенных на расстоянии от земли более 80% высоты сооружения;
b) размеры ячейки молниеприемной сетки не превышают значений, приведенных в
таблице 2;
c) система молниеприемников выполнена таким образом, что ток молнии всегда будет протекать к земле по меньшей мере по двум предназначенным для этого проводникам и металлические конструкции не выступают за пределы объема, защищаемого молниеприемниками.
Примечание - Увеличение числа токоотводов ведет к уменьшению разделительного расстояния и к понижению электромагнитного поля внутри здания (см.
5.3);
d) проводники молниеприемной сетки проложены по наиболее коротким и прямым трассам.
Примеры выполнения неизолированной СМЗ с молниеприемной сеткой показаны на рисунке E.21,a) для сооружения с плоской крышей, на рисунке E.21,b) для сооружения с наклонной крышей. На рисунке E.21,c) представлен пример выполнения СМЗ на промышленном здании.
Рисунок E.21 - Три примера выполнения неизолированной СМЗ
с молниеприемной сеткой
E.5.2.3 Молниеприемники для защиты от ударов молнии в боковые поверхности высоких сооружений
В сооружениях высотой более 60 м примерно 20% самой верхней части боковых поверхностей должны быть оборудованы молниеприемниками. Для части этой защищаемой поверхности, находящейся ниже 60 м, защита может не предусматриваться.
Примечания
1 Для сооружений высотой между 60 м и 75 м защищать зону ниже 60 м не требуется.
2 Если на внешней стороне стены верхней части здания находятся чувствительные элементы (например, электронное оборудование), они должны быть защищены отдельно, например с помощью горизонтальных стержневых молниеприемников, проводников молниеприемной сетки или их эквивалентов.
E.5.2.4.1 Общие сведения
Максимальная допустимая температура проводника не будет превышена, если площадь поперечного сечения проводника соответствует требованиям
таблицы 6.
Крыша или стена, выполненные из горючего материала, должны быть защищены от опасного воздействия тока молнии, нагревающего проводники СМЗ, посредством применения одной или нескольких указанных ниже мер:
- понижения температуры проводников путем увеличения поперечного сечения;
- увеличения расстояния между проводниками и покрытием крыши (см. также
5.2.4);
- установки теплозащитного слоя между проводниками и огнеопасным материалом.
Примечание - Исследования показали, что предпочтительнее, когда стержневые молниеприемники выполнены с затупленным концом.
E.5.2.4.2 Неизолированные молниеприемники
Молниеприемники и токоотводы на уровне крыши должны быть соединены между собой при помощи проводников для обеспечения необходимого распределения тока между токоотводами.
Проводники на крыше и соединения стержневых молниеприемников могут быть закреплены на крыше при помощи как проводящих, так и непроводящих распорок и креплений. Проводники могут быть также закреплены на поверхности стены, если стена выполнена из негорючего материала.
Рекомендуемые расстояния между точками крепления этих проводников приведены в таблице E.1.
Таблица E.1
Рекомендуемые расстояния между точками крепления проводников
Исполнение | Расстояние между точками крепления для полосы, многожильных проводников и мягкой круглой проволоки, мм | Расстояние между точками крепления для одножильных круглых проводников, мм |
Горизонтальные проводники на горизонтальных поверхностях | 1000 | 1000 |
Горизонтальные проводники на вертикальных поверхностях | 500 | 1000 |
Вертикальные проводники, расположенные на высоте не более 20 м | 1000 | 1000 |
Вертикальные проводники, расположенные на высоте более 20 м | 500 | 1000 |
Примечания 1 Эта таблица не применяется к встроенным креплениям, которые могут требовать специального рассмотрения. 2 Должна быть выполнена оценка условий окружающей среды (т.е. ожидаемая ветровая нагрузка), при этом может возникнуть необходимость изменить рекомендуемые расстояния между точками крепления проводников. |
На небольших зданиях и им подобных сооружениях с двухскатной крышей молниеприемный проводник должен быть установлен на коньке крыши. Если сооружение полностью защищено проводником на коньке крыши, то не менее двух токоотводов должно быть проложено от него к противоположным углам сооружения по краям крыши около фронтонов.
В качестве естественных проводников могут быть использованы водосточные желоба на краю крыши при условии, что они соответствуют
5.2.5.
На рисунке E.22,a) - c) приведены примеры выполнения токоотводов на крыше и токоотводов для сооружений со скатной крышей.
Пример - a - 1 м; b - 0,15 м (не обязательно); c - 1 м; d - как можно ближе к краю; e - 0,2 м; f - 0,3 м; g - 1 м; h - 0,05 м; i - 0,3 м; j - 1,5 м; k - 0,5 м;
- защитный угол в соответствии с таблицей 2.
Рисунок E.22 - Четыре примера выполнения элементов СМЗ
на сооружении со скатной черепичной крышей
На
рисунке E.23 приведен пример СМЗ со скрытыми проводниками.
Для протяженных сооружений к молниеприемным проводникам, установленным на коньке крыши, должны быть подсоединены дополнительные проводники-токоотводы (см.
таблицу 4).
На зданиях с большим свесом крыши проводник на гребне крыши должен быть проложен до конца конька. По краю крыши со стороны фронтона должен быть присоединен проводник от проводника на коньке крыши до токоотвода.
Проводники молниеприемника, соединительные проводники и токоотводы, по мере возможности, должны быть проложены по прямой линии. На непроводящих крышах проводник может быть помещен либо под черепицей, либо, что предпочтительнее, над черепицей. Несмотря на то что монтаж проводника под черепицами имеет преимущество ввиду большей простоты и меньшей опасности коррозии, при наличии подходящих способов крепления лучше установить проводник над черепицей (т.е. снаружи), для того чтобы уменьшить риск повреждения черепиц при прямом ударе молнии в проводник. Кроме того, установка проводника над черепицей упрощает его осмотр. Проводники, расположенные под черепицей, необходимо оборудовать короткими вертикальными стержнями, которые возвышаются над уровнем крыши и расстояние между которыми не превышает 10 м. Могут быть также использованы металлические листы (см. рисунок E.23) при условии, что расстояние между ними не превышает 5 м.

- скрытый проводник;

- вертикальные стержневые
молниеприемники высотой 0,3 м, установленные с небольшими
интервалами (< 10 м) или молниеприемные листы
с интервалами < 5 м
Рисунок E.23 - Молниеприемник и скрытые проводники
для сооружений высотой менее 20 м со скатными крышами
На сооружениях с плоскими крышами проводники должны быть установлены по периметру как можно ближе к внешним краям крыши.
Если размеры поверхности крыши превышают размеры ячейки сетки, приведенные в
таблице 2, то должны быть установлены дополнительные проводники молниеприемника.
На
рисунках E.22,a) - c) показаны примеры конструкции деталей крепления для проводников молниеприемника на наклонных крышах сооружения. На рисунке E.24 приведен пример конструкции деталей крепления на плоской крыше.
крыши; 2 - соединение; 3 - гибкий проводник; 4 - Т-образные
соединения; 5 - крепление проводника молниеприемника;
6 - проход проводника системы молниезащиты
через водонепроницаемую втулку; 7 - стальная колонна;
8 - соединение
Примечание - Металлический фартук парапета крыши использован в качестве проводника молниеприемника и присоединен к стальной колонне, применяемой в качестве естественного токоотвода СМЗ.
Рисунок E.24 - Конструкция системы молниезащиты
с использованием естественных компонентов
на крыше сооружения
На рисунке E.25 показано расположение внешней СМЗ на сооружении с плоской крышей, выполненной из изоляционного материала, например дерева и кирпича. Элементы крепления крыши находятся в защищаемом объеме. На стенах высоких сооружений устанавливают кольцевые проводники, подключаемые к проводникам всех токоотводов. Расстояния между этими кольцевыми проводниками должны соответствовать значениям, указанным в
5.3.1. Кольцевые проводники ниже уровня радиуса катящейся сферы необходимы в качестве проводников уравнивания потенциалов.
1 - стержневой молниеприемник; 2 - горизонтальный проводник
молниеприемника; 3 - токоотвод; 4 - Т-образное соединение;
5 - крестообразное соединение; 6 - испытательный зажим;
7 - кольцевой заземлитель, заземляющее устройство
конфигурации B; 8 - кольцевой проводник уравнивания
потенциалов; 9 - плоская крыша и крепление проводника
к крыше; 10 - зажим для подключения шины уравнивания
потенциалов внутренней СМЗ; 11 - вертикальный заземлитель
Примечание - Применен кольцевой проводник уравнивания потенциалов. Расстояние между токоотводами соответствует требованиям
таблицы 4.
Рисунок E.25 - Установка внешней системы молниезащиты
на сооружении, выполненном из изоляционного материала,
например дерева или кирпича, высотой не более 60 м
с плоской крышей и креплениями проводника к крыше
Проводники молниеприемной сетки и стержневые молниеприемники должны быть надежно закреплены механически, чтобы они могли выдерживать ветровые нагрузки и другие климатические воздействия или нагрузки при работах на поверхности крыши.
Металлический фартук парапета внешних стен может быть использован в качестве естественного компонента молниеприемника в соответствии с
5.2.5 при условии отсутствия риска возникновения пожара при плавлении металла. Риск возникновения пожара зависит от типа материала под металлическим покрытием. Горючие свойства примененного материала должны быть подтверждены подрядчиком.
Герметичность крыши, как металлической, так и другого типа, может быть нарушена ударом молнии. В этом случае вода может проникнуть сквозь крышу и протечка может быть далеко от точки удара молнии. Если данная ситуация не допускается, должна быть установлена система молниеприемников.
Купола освещения, клапаны выпускных отверстий дыма и тепла в нормальных условиях закрыты. Устройство защиты таких клапанов должно быть согласовано с заказчиком/владельцем здания, при этом необходимо принять решение о выполнении/невыполнении защиты клапанов в открытом, закрытом и во всех промежуточных положениях.
Покрытие крыши из проводящего материала, который не соответствует
5.2.5, может быть использовано в качестве молниеприемника, если допускается плавление металла в точке удара молнии. Если это не допустимо, то проводящая кровля должна быть защищена системой молниеприемников достаточной высоты (см.
рисунки E.20 и
E.26).
Допускают использовать как непроводящие, так и проводящие опоры. В случае применения проводящих опор соединение с покрытием крыши должно выдерживать протекание частичного тока молнии (см. рисунок E.26).
a - проводники молниеприемника
Примечание - Катящаяся сфера не должна касаться какой-либо части металлической крыши, включая стоячие фальцы.
Рисунок E.26 - Конструкция сети молниеприемников на крыше
с проводящим покрытием, где пробой покрытия не допустим
На
рисунке E.24 показан пример естественного молниеприемника с использованием парапета крыши в качестве проводника молниеприемника на краю крыши.
Установленные заподлицо или выступающие конструкции на поверхности крыши должны быть защищены с помощью стержневых молниеприемников. Допускается другой вариант, при котором посторонние металлоконструкции должны быть соединены с СМЗ, если это соответствует
5.2.5.
На рисунке E.27 приведен пример соединения молниеприемника с естественными токоотводами в бетоне.
1 - стержневой молниеприемник; 2 - горизонтальный проводник
молниеприемника; 3 - токоотвод; 4 - Т-образное соединение;
5 - крестообразное соединение; 6 - соединение со стальной
7 - испытательный зажим; 8 - кольцевой заземлитель,
заземляющее устройство конфигурации B; 9 - плоская крыша
и крепление проводника к крыше; 10 - Т-образное соединение,
стойкое к коррозии
Примечание - Стальная арматура железобетонного сооружения должна соответствовать
4.3. Все размеры СМЗ должны соответствовать выбранному уровню защиты.
Рисунок E.27 - Конструкция внешней системы молниезащиты
на железобетонном сооружении с использованием арматуры
внешних стен в качестве естественных компонентов
E.5.2.4.2.1 Молниезащита на крышах многоэтажных автомобильных стоянок
Для защиты сооружений этого типа могут быть использованы молниеприемники в виде гвоздя с большой шляпкой. Эти молниеприемники могут быть соединены с арматурной сталью железобетонной крыши (см. рисунок E.28). Если соединение с арматурой крыши выполнить не допускается, проводники на крыше могут быть проложены в швах между плитами, а молниеприемники могут быть размещены в узлах получившейся сетки. Ширина ячейки не должна превышать размеры, соответствующие классу молниезащиты, указанному в
таблице 2. При данном исполнении СМЗ находящиеся на крыше этой парковки люди и транспортные средства не защищены от молнии.
1 - молниеприемник в виде большой шляпки гвоздя;
2 - стальной проводник, соединенный с несколькими
арматурными стержнями; 3 - арматура железобетона
Рисунок E.28 - Пример молниеприемника,
установленного на крыше автомобильной стоянки
Если зона стоянки на крыше здания должна быть защищена от прямых ударов молнии, то должны быть установлены стержневые или подвешены тросовые молниеприемники.
1 - зона защиты в виде конуса; 2 - металлическая конструкция
на крыше; 3 - горизонтальный проводник молниеприемника;
4 - линия электроснабжения установки, по возможности
расположенная в проводящем экране; 5 - электрическое
оборудование; s - разделительное расстояние в соответствии
Примечание - Высота стержневого молниеприемника должна соответствовать приведенной в
таблице 2.
Рисунок E.29 - Стержневой молниеприемник, используемый
для защиты установленной на крыше металлической конструкции
с электрооборудованием, которая не соединена
с системой молниеприемников
Для вертикальных проводников должна быть учтена зона, которой можно коснуться рукой. Необходимое разделительное расстояние может быть обеспечено выполнением ограждений.
У выходов на крышу должны быть предусмотрены знаки, обращающие внимание на опасность удара молнии во время грозы.
Напряжения прикосновения и шаговые напряжения определять не требуется, если крыша будет покрыта слоем асфальта толщиной не менее 50 мм или если крыша выполнена из железобетонных конструкций с взаимосвязанной арматурой, электрическая непрерывность которой соответствует
4.3.
E.5.2.4.2.2 Железобетонные сооружения с плоскими крышами, не доступными для людей
На плоских крышах, не доступных для людей, но на которых установлена внешняя система молниеприемников, проводники молниеприемников должны быть установлены таким образом, как показано на
рисунке E.27. В качестве кольцевого проводника уравнивания потенциалов на крыше может быть использован металлический фартук парапета крыши, как показано на
рисунке E.24 и на рисунке E.30.
1 - соединение, устойчивое к коррозии; 2 - гибкий проводник;
3 - металлический фартук парапета
Примечание - Во избежание коррозии особое внимание следует уделять соответствующему выбору материалов и конструкции соединений и проводников перемычек.
Рисунок E.30 - Способ обеспечения электрической
непрерывности металлического фартука парапета
На
рисунке E.27 показан способ установки проводников молниеприемной сетки на крыше.
Если временные механические повреждения водозащитного слоя на крыше здания допустимы, то молниеприемная сетка на плоской части крыши может быть заменена естественным молниеприемником в виде стальной железобетонной арматуры перекрытия в соответствии с
5.2.4. Допускают вариант закрепления проводников молниеприемной сетки непосредственно на бетонном перекрытии.
В общем случае удар молнии в арматуру железобетонной крыши приведет к повреждению водонепроницаемого слоя. В дальнейшем дождевая вода вызовет коррозию стальной арматуры и, как следствие, повреждение. Если снижение механической прочности бетона из-за коррозии не допустимо, то для предотвращения прямых ударов молнии в арматуру железобетона должна быть установлена система молниеприемников, по возможности соединенная с арматурой.
В качестве естественного компонента молниеприемника может быть использовано металлическое покрытие, предусмотренное для механической защиты внешних стен (фартук парапета) в соответствии с
5.2.5, если отсутствует риск возгорания от расплавленного металла.
Проводящее листовое покрытие крыши, не соответствующее приведенному в
таблице 3, может быть использовано в качестве элемента молниеприемника, если допустимо расплавление металла в точке удара молнии. Если это недопустимо, то проводящее листовое покрытие крыши должно быть защищено системой молниеприемников достаточной высоты (см.
рисунки E.20,
E.26). В таком случае должен быть применен метод катящейся сферы. Для соответствия этому методу размер ячейки должен быть меньше и поддерживающие конструкции должны быть выше, чем те, которые используют при выполнении молниеприемника по методу сетки.
Если для молниеприемной сетки используют проводящие поддерживающие конструкции, соединение с листовым покрытием крыши должно выдерживать протекание частичных токов молнии.
На
рисунке E.24 показан пример естественного молниеприемника с использованием парапета крыши в качестве проводника молниеприемника на краю крыши.
Если допустимы временные повреждения стен и падение осколков разрушенного бетона размером не более 100 мм, то в соответствии с
5.2 кольцевой проводник на крыше может был заменен естественным кольцевым проводником, образованным стальной арматурой железобетона.
Металлические части, которые не соответствуют требованиям к молниеприемникам, изложенным в
5.2.5, в пределах зоны крыши тем не менее могут быть использованы для соединения различных частей, проводящих ток молнии.
E.5.2.4.2.3 Обеспечение достаточного экранирования сооружения
Внешние стены и крыша сооружения могут быть использованы в качестве электромагнитного экрана для защиты электрического оборудования и оборудования информационных технологий внутри сооружения (см.
приложение B ГОСТ Р МЭК 62305-2-2010 и
ГОСТ Р МЭК 62305-4).
На
рисунке E.27 приведен пример железобетонной конструкции с использованием взаимосвязанной арматуры в качестве токоотводов и электромагнитного экрана внутреннего пространства. Данные вопросы подробно рассмотрены в
ГОСТ Р МЭК 62305-4.
В зоне системы молниеприемников на крыше все проводящие части с размером как минимум по одному измерению более 1 м должны быть соединены между собой для образования сетки. Экран в виде сетки следует соединять с системой молниеприемников на краю крыши, а также в других точках крыши в соответствии с
6.2.
На
рисунках E.24 и
E.30 показана конструкция молниеприемников на сооружениях с проводящим каркасом, использующим парапет крыши в качестве естественного молниеприемника, а стальной каркас в качестве естественных токоотводов.
На
рисунке E.30 приведен пример того, как обеспечить электрическую непрерывность естественных компонентов в СМЗ.
Из-за уменьшенного размера ячейки, образованной стальными конструкциями, по сравнению с размерами, приведенными в
таблице 2, ток молнии распределяется по нескольким параллельным проводникам, что приводит к снижению входного электрического сопротивления, вследствие чего определенные в соответствии с
6.3 разделительные расстояния будут меньше и разделительные расстояния между установками и СМЗ не потребуются.
В большинстве сооружений крыша является наименее экранированной частью сооружения. По этой причине особое внимание должно быть уделено улучшению эффективности экранирования крыши.
Если проводящие конструктивные элементы в крыше отсутствуют, экранирование может быть улучшено уменьшением расстояния между проводниками молниеприемника.
E.5.2.4.2.4 Защита конструкций на крыше
Стержневые молниеприемники для защиты металлических конструкций на крыше здания должны быть такой высоты, чтобы конструкция, которая должна быть защищена, находилась полностью внутри пространства, защищенного по методу катящейся сферы или по методу защитного угла в соответствии с
таблицей 2. Разделяющее расстояние между стержневыми молниеприемниками и конструкциями крыши должно быть таким, чтобы выполнялись условия, указанные в
6.3.
На
рисунке E.29 показан пример защиты конструкции на крыше при помощи стержневых молниеприемников по методу защитного угла. Значение защитного угла должно соответствовать уровню молниезащиты, указанному в
таблице 2.
Металлические конструкции на крыше, не защищенные стержневыми молниеприемниками, не требуют дополнительной защиты, если их размеры не превышают приведенных ниже значений:
- высота над уровнем крыши 0,3 м;
- общая площадь конструкции 1 м2;
- длина конструкции 2 м.
Металлические конструкции крыши, которые не отвечают этим требованиям и требованиям к разделительному расстоянию по
6.3, должны быть соединены с системой молниеприемников по меньшей мере одним проводником уравнивания потенциалов.
Непроводящие конструкции на крыше, которые не попадают в защищенный стержневыми молниеприемниками объем и которые не выступают на расстояние более 0,5 м над поверхностью, образуемой системой молниеприемников, не требуют дополнительной защиты молниеприемниками.
Проводящие части, такие как электрические проводники или металлические трубы, которые идут от конструкций, смонтированных на крыше заподлицо, внутрь здания, могут проводить значительную часть тока молнии внутрь здания. При наличии таких проводящих соединений выступающие конструкции на поверхности крыши должны быть защищены системой молниеприемников. Если защита при помощи системы молниеприемников невозможна или экономически невыгодна, в проводящих соединения (например, в трубах сжатого воздуха) допускается устанавливать изолирующие вставки длиной не менее двух расчетных значений разделительного расстояния для данного оборудования на крыше.
Дымовые трубы из непроводящего материала, если они не размещены внутри пространства, защищенного системой молниеприемников, должны быть защищены при помощи стержневых молниеприемников или кольцевых молниеприемников по их верху. Стержневой молниеприемник на дымовой трубе должен быть такой высоты, чтобы дымовая труба целиком находилась в зоне защиты молниеприемника.
Удар молнии в непроводящую дымовую трубу возможен, когда труба не расположена внутри объема, защищенного системой молниеприемников, из-за того, что внутренняя поверхность дымовой трубы покрыта слоем сажи, который имеет такую проводимость, что даже в отсутствие дождя может проводить ток стримерного разряда большой длины.
На
рисунке E.22,b) показана установка стержневого молниеприемника на дымовой трубе, выполненной из изолирующих кирпичей.
E.5.2.4.2.5 Защита установок на крыше, включающих в себя электрическое оборудование и оборудование информационных технологий
Все установки на крыше, которые выполнены как из непроводящих, так и из проводящих материалов и включают в себя электрическое оборудование или оборудование информационных технологий, должны находиться в зоне защиты системы молниеприемников.
Прямой удар молнии в оборудование, установленное в зоне защиты системы молниеприемников, маловероятен.
Прямой удар молнии в установку на крыше может привести не только к ее повреждению, но также может вызвать повреждение электрического и электронного видов оборудования, подключенных непосредственно к ней, а также и расположенных внутри здания.
Оборудование на крыше стальных сооружений также должно находиться в пространстве, защищаемом системой молниеприемников. В этом случае выступающие проводники молниеприемника должны быть присоединены не только к системе молниеприемников, но и напрямую к стальным конструкциям здания, при возможности. Если оно соединено с сооружением в целях уравнивания потенциалов, выполнение требований к разделительному расстоянию для них не требуется.
Требования к оборудованию на крыше относятся также к оборудованию, установленному на вертикальных поверхностях, в которые возможен удар молнии, т.е. поверхностях, которых может касаться катящаяся сфера.
На
рисунках E.29 и E.31 показаны примеры конструкции молниеприемника, которая защищает конструкции на крыше, выполненные из проводящего и непроводящего материалов и включающие в себя электрическое оборудование. Рисунок E.31 действителен для того случая, когда разделяющее расстояние
s не может быть обеспечено.
1 - проводник молниеприемника; 2 - металлическая крышка;
3 - проводник уравнивания потенциалов; 4 - горизонтальный
проводник молниеприемника; 5 - электрическое оборудование;
6 - электрическая клеммная коробка с устройством защиты
от перенапряжений; 7 - токоотвод
Примечание - Электрическое оборудование в металлическом корпусе соединено с системой молниеприемников, отвечающей требованиям
E.5.2.4.2.6, посредством металлического экрана кабеля, выдерживающего значительную долю тока молнии.
Рисунок E.31 - Металлическое оборудование на крыше,
защищенное от прямого удара молнии и присоединенное
к системе молниеприемников
Примечание - Если оборудованию требуется дополнительная защита, то на уровне крыши необходимо установить устройства защиты от перенапряжений, подключенные к его действующим кабелям.
Требуемое разделительное расстояние должно быть выдержано не только по воздуху, но и через материал стен (km = 0,5).
E.5.2.4.2.6 Электрические установки, выступающие за пределы защищенного объема
Антенна на крыше здания должна быть защищена от прямого удара молнии путем ее установки в защищенном объеме.
Система антенны должна быть интегрирована в СМЗ (см. также
[6]).
Могут быть применены как изолированная внешняя СМЗ [см. рисунок E.32,a)], так и неизолированная внешняя СМЗ [см.
рисунок E.32,b)].
1 - металлическая опора; 2 - изолятор; 3 - стержневой
молниеприемник; 4 - проводник молниеприемника; 5 - проводник
уравнивания потенциалов; 6 - кабель антенны;
7 - испытательный зажим; 8 - шина уравнивания потенциалов;
9 - фундаментный заземлитель;

- защитный угол;
s - разделительное расстояние; l - длина для расчета
разделительного расстояния; MDB - главный распределительный
щит; PCB - силовая клеммная коробка
a) Опора телевизионной антенны и антенны, защищенные
изолированными молниеприемниками по методу защитного угла
1 - металлическая опора; 2 - горизонтальный проводник
молниеприемника по коньку крыши; 3 - соединение
между токоотводом на крыше и металлической опорой антенны;
4 - кабель антенны; 5 - главная шина уравнивания
потенциалов; металлический экран кабеля антенны подключен
к шине уравнивания потенциалов; 6 - испытательный зажим;
7 - телевизионный приемник; 8 - параллельная трасса
для кабеля антенны и силового электрического кабеля;
9 - силовой электрический кабель; 10 - заземляющее
устройство; 11 - главный электрический распределительный
щиток с устройством защиты от перенапряжений;
12 - фундаментный заземлитель; 13 - проводник системы
молниезащиты;

- защитный угол;
l - длина для расчета
разделительного расстояния
Примечание - Для небольших зданий может быть достаточным использовать только два токоотвода в соответствии с
5.3.3.
b) Телевизионная антенна, у которой опора выступает
в качестве стержневого молниеприемника
Рисунок E.32 - Примеры выполнения молниезащиты здания
с телевизионной антенной
В последнем случае опора антенны должна быть соединена с системой молниеприемников для уравнивания потенциалов. При этом частичные токи молнии следует рассматривать как токи внутри защищаемого сооружения. Кабель антенны должен входить в здание, по возможности, в месте общего входа всех коммуникаций или вблизи главной шины уравнивания потенциалов СМЗ. Проводящая оболочка кабеля антенны должна быть соединена с системой молниеприемников на крыше и с главной шиной уравнивания потенциалов.
Установки на крыше, содержащие электрическое оборудование, для которого разделительное расстояние не может быть выдержано, для уравнивания потенциалов должны быть соединены с системой молниеприемников, с проводящими элементами установки на крыше и с проводящим корпусом самого электрического оборудования в соответствии с
таблицей 9.
На
рисунке E.31 приведен пример выполнения уравнивания потенциалов установки на крыше, имеющей проводящие части, с электрической установкой и с молниеприемником здания.
E.5.2.4.2.7 Защита проводящих частей на крыше
Проводящие элементы, например, имеющие недостаточную толщину стенки, которые не могут выдержать удары молнии и которые установлены на крыше, проводящее покрытие крыши или другие конструкции на зданиях, которые не отвечают требованиям, предъявляемым к естественным системам молниеприемников, изложенным в
5.2.5 и приведенным в
таблице 3, а также те части, удар молнии в которые не допускается, должны быть защищены при помощи молниеприемников.
Для проектирования молниезащиты проводящих частей на крыше рекомендуется применять метод катящейся сферы (см. рисунок E.33).
1 - катящаяся сфера; 2 - стержневой молниеприемник;
3 - электрическое оборудование; 4 - токоотвод;
5 - металлический резервуар; r - радиус катящейся сферы
(см.
таблицу 2);
s - разделительное расстояние
Рисунок E.33 - Выполнение молниезащиты металлического
оборудования на крыше от прямого удара молнии
На
рисунке E.31 показан пример устройства системы молниеприемников для защиты проводящей конструкции на крыше от прямых ударов молнии в том случае, когда разделительное расстояние
s не может быть обеспечено.
E.5.2.4.2.8 Защита сооружений, покрытых слоем грунта
Для сооружений, имеющих на крыше слой грунта, в том случае, если люди на крыше находятся нерегулярно, может быть использована обычная СМЗ. Система молниеприемников должна быть выполнена в виде сетки по поверхности грунта или в виде стержневых молниеприемников, соединенных с заглубленной в грунт сеткой, спроектированных по методу катящейся сферы или методу защитного угла. Если это невозможно, то следует иметь в виду, что система молниеприемников с заглубленной в грунт сеткой, но без выступающих из грунта стержневых электродов будет обладать пониженной эффективностью перехвата молнии.
Для сооружений со слоем грунта на крыше толщиной не более 0,5 м в том случае, если люди на крыше находятся регулярно, для предотвращения опасных значений шагового напряжения необходимо выполнить систему молниеприемников в виде сетки с размером ячеек 5 x 5 м. Для защиты людей на поверхности земли от прямых ударов молнии могут потребоваться стержневые молниеприемники, выполненные по методу катящейся сферы. Вместо них могут быть использованы естественные молниеприемники, такие как ограждения, опоры освещения и т.д. Высота системы молниеприемников должна учитывать, что для людей достижима высота 2,5 м, а также необходимое разделительное расстояние (см. также
рисунок E.3).
Если перечисленное выше не выполнено, то люди должны быть предупреждены, что во время грозы они могут быть подвергнуты прямому удару молнии.
Для подземных сооружений со слоем грунта более 0,5 м мероприятия по молниезащите находятся в разработке. До тех пор пока не появятся результаты исследований, целесообразно проводить такие же мероприятия, как и при толщине слоя грунта до 0,5 м.
Для подземных сооружений, содержащих взрывчатые вещества, должна быть применена дополнительная СМЗ. В этом качестве может выступать изолированная СМЗ над сооружением. Заземляющие устройства обеих СМЗ должны быть соединены между собой.
E.5.2.5 Естественные компоненты
На сооружениях с плоской крышей металлический фартук парапета крыши представляет собой типичный естественный компонент молниеприемника. Такое покрытие представляет собой штампованную или гнутую часть алюминиевого, оцинкованного стального или медного листа U-образной формы, которая защищает верхнюю поверхность парапета крыши от климатических воздействий. При подобном использовании минимальная толщина материала должна соответствовать требованиям
таблицы 3.
Проводники молниеприемника, проводники на поверхности крыши и проводники токоотводов должны быть соединены с покрытием парапета крыши.
Для обеспечения качественного электрического контакта между листами фартука должны быть предусмотрены проводящие перемычки.
На
рисунке E.24 приведен пример конструкции молниеприемника, использующей проводящий фартук парапета в качестве естественного элемента молниеприемника СМЗ.
Проводящие части, такие как металлические баки, металлические трубопроводы и рельсы, смонтированные на крыше или выступающие над поверхностью крыши, могут быть использованы в качестве естественных компонентов молниеприемника при условии, что толщина их стенки соответствует требованиям
таблицы 3.
Резервуары и трубопроводы, которые содержат газ или жидкости под высоким давлением либо огнеопасные газы или жидкости, не должны быть использованы в качестве естественных молниеприемников. Если избежать этого не представляется возможным, при проектировании трубопроводов должно быть учтено термическое воздействие тока молнии.
Проводящие части, расположенные над поверхностью крыши, такие как металлические баки, часто по технологическим причинам соединены с оборудованием, установленным внутри здания. Для того чтобы исключить протекание полного тока молнии через сооружение, необходимо обеспечить качественное соединение между такими естественными компонентами СМЗ и молниеприемной сеткой.
На рисунке E.34 приведен пример выполнения присоединения проводящих конструкций на крыше к проводникам молниеприемника.
1 - крепление проводника молниеприемника; 2 - металлическая
труба; 3 - горизонтальный проводник молниеприемника;
4 - стальная арматура железобетона
Примечания
1 Стальная труба должна соответствовать
5.2.5 и
таблице 6, проводник уравнивания потенциалов должен соответствовать данным
таблицы 6, железобетонная арматура должна соответствовать требованиям
4.3. Место присоединения к арматуре крыши должно быть водостойким.
2 В данном случае уравнивание потенциалов выполнено с арматурой железобетонного сооружения.
Рисунок E.34 - Соединение естественного стержневого
молниеприемника с проводником молниеприемной сетки
Проводящие части, расположенные над поверхностью крыши, такие как металлические баки и стальная арматура железобетона, должны быть соединены с системой молниеприемников.
Когда прямой удар молнии в проводящую часть на крыше недопустим, проводящая часть должна быть помещена в защищенный объем системы молниеприемников.
К проводящим покрытиям на стенах и на аналогичных частях сооружений, где риск пожара ничтожен, должны быть применены мероприятия в соответствии с
5.2.5.
На рисунке E.35 приведен пример проводящего соединения между металлическими панелями фасада, приемлемый в тех случаях применения, где панели будут использованы в качестве естественных токоотводов. Представлены два способа: перемычка гибкой металлической полосой и соединение при помощи самонарезающих винтов.
Примечание - Электропроводящая перемычка совершенствует, в частности, защиту от электромагнитного импульса молнии. Вопросы защиты от электромагнитного импульса молнии рассмотрены в
ГОСТ Р МЭК 62305-4.
Рисунок E.35 - Конструкция перемычки
между металлическими панелями фасада
E.5.2.6 Изолированная система молниеприемников
Если используют изолированную СМЗ, то стержневые молниеотводы, расположенные рядом с защищаемыми сооружениями или оборудованием, предназначены для уменьшения вероятности удара молнии в сооружения, расположенные в их зонах защиты.
Если установлено более одного молниеотвода, то между ними могут быть подвешены проводники, при этом разделительное расстояние между установками и СМЗ должно быть выдержано в соответствии с
6.3.
Применение подвешенных между опорами проводников увеличивает защищенный объем, а также предназначено для распределения тока молнии между несколькими токоотводами. Падение напряжения на элементах СМЗ и электромагнитные помехи в защищенном объеме соответственно будут ниже, чем в том случае, когда подвешенные проводники отсутствуют.
Напряженность электромагнитного поля в сооружении уменьшается из-за увеличения расстоянии между установками внутри здания и СМЗ. Изолированная СМЗ также может быть применена для сооружений из железобетона, за счет которого электромагнитное экранирование станет более эффективным. Однако для высоких сооружений выполнение изолированной СМЗ непрактично.
Изолированная система молниеприемников, выполненных подвеской тросов на изолированных опорах, может быть наиболее подходящей в том случае, если на поверхности крыши размещено большое количество выступающих протяженных конструкций, подлежащих защите. Изоляция опор должна соответствовать напряжению, рассчитанному на основе значения разделительного расстояния, определенного в соответствии с
6.3.
Примечание - Условия окружающей среды (загрязнение) могут понизить пробивное напряжение воздуха. Это должно быть учтено при определении требуемого разделительного расстояния между системой молниеприемников и сооружением.
E.5.3 Системы токоотводов
При выборе числа и расположения токоотводов следует учитывать, что если ток молнии делится между несколькими токоотводами, то вероятность бокового удара молнии и электромагнитных воздействий внутри здания уменьшается. Отсюда следует, что токоотводы должны быть равномерно распределены по периметру сооружения и расположены симметрично, по мере возможности.
Деление тока молнии становится более эффективным не только из-за увеличения числа проводников токоотвода, но также благодаря наличию кольцевых проводников уравнивания потенциалов между ними.
Проводники токоотвода должны быть размещены как можно дальше от внутренних цепей и металлических частей во избежание необходимости уравнивания потенциалов с СМЗ.
Необходимо учитывать следующее:
- токоотводы должны быть как можно короче (чтобы обеспечивать наименьшую возможную индуктивность);
- типичное расстояние между токоотводами показано в
таблице 4;
- геометрия токоотводов и кольцевых проводников уравнивания потенциалов влияют на значение разделительного расстояния (см.
6.3);
- в консольных конструкциях разделительное расстояние должно быть также определено с учетом опасности поражения людей за счет обратного перекрытия со стены здания (см.
E.4.2.3.3).
Если расположить токоотводы на боковой стене здания или ее части невозможно из-за практических или архитектурных ограничений, то те токоотводы, которые должны быть на данной стене, должны быть размещены на других стенах. Расстояния между этими проводниками токоотвода не должны быть меньше, чем одна треть расстояний, указанных в
таблице 4.
Значения расстояний между токоотводами могут варьироваться в пределах +/- 20%, если их среднее значение соответствует
таблице 4.
Токоотводы должны быть установлены во внутренних дворах с периметром более 30 м. Типовые значения расстояния между токоотводами приведены в
таблице 4.
E.5.3.2 Число токоотводов для изолированной системы молниезащиты
Дополнительная информация отсутствует.
E.5.3.3 Число токоотводов для неизолированной системы молниезащиты
Как указано в
5.3.3, токоотвод должен быть установлен на каждом внешнем углу сооружения.
Однако установка токоотвода на внешнем углу не требуется, если расстояние от внешнего угла до ближайших токоотводов соответствует одному из следующих условий:
- расстояние до двух соседних токоотводов не превышает половину расстояния, указанного в
таблице 4;
- расстояние до одного соседнего токоотвода не превышает четверти расстояния, указанного в
таблице 4.
Внутренние углы не рассматривают.
E.5.3.4.1 Общие требования
Внешние токоотводы должны быть установлены между системой молниеприемников и заземляющим устройством. При наличии естественных компонентов они могут быть использованы в качестве токоотводов. Если разделительное расстояние, которое нужно обеспечить между токоотводами и внутренними установками, рассчитанное при расположении токоотводов на основании данных
таблицы 4, окажется слишком большим, то, чтобы уменьшить его значение, число токоотводов должно быть увеличено.
Системы молниеприемников, системы токоотводов и системы заземления должны быть расположены друг относительно друга таким образом, чтобы обеспечить наиболее короткий возможный путь для тока молнии. Токоотводы должны быть проложены как можно более прямолинейно от системы молниеприемников до заземляющего устройства. Если невозможно выполнить прямое соединение из-за большого свеса крыши и т.п., соединение системы молниеприемников и токоотвода должно быть выполнено с помощью специально предназначенного для этого проводника, а не естественного компонента, например водосточной трубы и т.п.
Если внешний вид имеет большое значение, допускается использовать тонкое покрытие защитной краской или полихлорвиниловое покрытие внешних токоотводов.
На рисунке E.36 приведен пример внешней СМЗ для сооружения с несколькими уровнями конструкции крыши, а на
рисунке E.25 - пример конструкции внешней СМЗ здания высотой 60 м с плоской крышей и креплениями к ней.
1 - горизонтальный проводник молниеприемника; 2 - токоотвод;
3 - Т-образное соединение, стойкое к коррозии;
4 - испытательный зажим; 5 - кольцевой заземлитель,
заземляющее устройство конфигурации B; 6 - Т-образное
соединение на гребне крыши; 7 - размер ячейки
Примечание - Расстояние между токоотводами должно соответствовать данным
5.2 и
5.3 и
таблицы 4.
Рисунок E.36 - Установка внешней системы молниезащиты
на сооружении из изоляционного материала
с разными уровнями крыши
В сооружениях без непрерывных протяженных проводящих частей ток молнии протекает только по обычным токоотводам СМЗ. По этой причине расположение токоотводов определяет электромагнитные поля внутри сооружения (см. рисунок E.37).
1 - естественные компоненты системы молниезащиты,
например водостоки; 2 - проводники системы молниезащиты;
3 - испытательный зажим; 4 - соединение
Примечание - Расстояние между токоотводами и размер ячейки молниеприемной сетки должны соответствовать принятому уровню защиты от молнии в соответствии с
таблицами 2 и
4.
Рисунок E.37 - Пять примеров взаимного расположения
проводников системы молниезащиты
Если число токоотводов увеличено, разделительное расстояние может быть уменьшено в зависимости от коэффициента
kc (см.
6.3).
В соответствии с
5.3.3 на сооружении должно быть выполнено не менее двух токоотводов.
1 - электрическое оборудование; 2 - электрические
проводники; 3 - проводники системы молниезащиты; 4 - главный
электрический распределительный щит с устройством защиты
от перенапряжений; 5 - испытательный зажим; 6 - заземляющее
устройство; 7 - электрический силовой кабель;
8 - фундаментный заземлитель; s - разделительное расстояние
в соответствии с
6.3;
l - длина для расчета
разделительного расстояния s
Примечание - Пример иллюстрирует сложности, создаваемые электрическими или другими проводящими частями в пространстве под крышей здания.
Рисунок E.38 - Конструкция системы молниезащиты
с использованием только двух токоотводов
и фундаментных заземлителей
Для больших сооружений, таких как высотные жилые здания и в частности промышленные и административные здания, которые часто проектируются как стальные каркасные или железобетонные каркасные здания или в которых использован железобетон, проводящие элементы конструкций могут быть применены в качестве естественных токоотводов.
Общий импеданс СМЗ для таких сооружений крайне низок, и они обеспечивают эффективную защиту от молнии для внутренних установок. В частности, полезно использовать проводящие поверхности стен в качестве токоотводов. Такими проводящими стеновыми поверхностями могут быть железобетонные стены, металлические поверхности фасадов и поверхности из сборного железобетона при условии, что они соединены между собой и имеют связи внутри каждого блока в соответствии с
5.3.5.
На
рисунке E.4 приведено подробное описание правильного выполнения СМЗ с использованием естественных компонентов, таких как взаимосвязанные стальные элементы.
Использование естественных компонентов, содержащих стальные элементы конструкции, уменьшает падение напряжения между системой молниеприемников и заземляющим устройством и снижает электромагнитные помехи, вызванные протеканием тока молнии внутри сооружения.
Если система молниеприемников соединена с проводящими частями колонн сооружения и с системой уравнивания потенциалов на уровне земли, то часть тока молнии протекает по этим внутренним токоотводам. Магнитное поле данной части тока молнии влияет на близлежащее оборудование и должно быть учтено при проектировании внутренней СМЗ и электрического и электронного видов оборудования. Значение таких долей тока молнии зависит от размеров сооружения и от числа колонн в предположении, что форма тока соответствует форме тока молнии.
Если система молниеприемника изолирована от внутренних колонн, ток через колонны внутри сооружения не протекает при условии, что не происходит нарушения изоляции. Если изоляция повреждена в непредвиденном месте, то

, чем в первом случае, часть тока может протекать через отдельную колонну или группу колонн. Крутизна фронта тока может увеличиться из-за уменьшения длительности переднего фронта волны вследствие пробоя, и соседнее оборудование подвергается большему воздействию, чем в случае контролируемого соединения колонн с СМЗ сооружения.
На
рисунке E.10 показан пример исполнения внутренних токоотводов в большом железобетонном здании, используемом для промышленных целей. Электромагнитная среда вблизи внутренних колонн должна быть учтена при планировании внутренней СМЗ.
E.5.3.4.2 Неизолированные токоотводы
В сооружениях с протяженными проводящими частями во внешних стенах проводники молниеприемника и заземляющее устройство должны быть соединены с проводящими частями сооружения во многих точках. Это уменьшит разделительное расстояние в соответствии с
6.3.
В результате таких соединений проводящие части сооружения выступают в качестве токоотводов, а также в качестве шин уравнивания потенциалов.
В больших плоских сооружениях (как правило, это промышленные здания, выставочные залы и т.п.) с размерами, превышающими четырехкратное значение расстояния между токоотводами, везде, где возможно, примерно через каждые 40 м должны быть предусмотрены дополнительные внутренние токоотводы для того, чтобы уменьшить разделительное расстояние для точек удара, от которых ток молнии протекает на большее расстояние по плоской крыше.
Все внутренние колонны и все внутренние стены с проводящими частями должны быть соединены с системой молниеприемников и с заземляющим устройством в подходящих точках.
На
рисунке E.10 показана СМЗ большого здания с внутренними колоннами, выполненными из железобетона. Для того чтобы исключить опасное искрение между различными проводящими частями сооружения, арматура колонн соединена с системой молниеприемников и с заземляющим устройством. В результате часть тока молнии будет протекать через эти внутренние токоотводы. Ток делится между многочисленными токоотводами, и он будет иметь примерно такую же форму волны, как и ток молнии. Крутизна переднего фронта, однако, будет уменьшена. Если эти соединения не выполнены и произойдет пробой, только один или несколько токоотводов будут проводить ток.
Форма волны тока в месте пробоя будет существенно более крутая, чем волна тока молнии, а поэтому напряжения, наведенные в контурах цепей, проложенных вблизи, будут существенно выше.
Для таких сооружений особенно важно, чтобы перед началом работ по проектированию сооружения проект здания и проект СМЗ были бы скоординированы таким образом, чтобы проводящие части сооружения могли быть использованы для молниезащиты. При качественно скоординированном проекте высокая эффективность СМЗ достигается при минимальной стоимости.
Защита от молнии пространства и людей под нависающими верхними этажами, например консольное перекрытие верхнего этажа, должна быть спроектирована в соответствии с
E.4.2.3.3 и
рисунком E.2.
Непосредственная установка токоотводов внутри наружной штукатурки не рекомендуется, так как штукатурка может быть повреждена в результате теплового расширения проводников. Кроме того, штукатурка может быть обесцвечена из-за химической реакции. Повреждение штукатурки наиболее вероятно из-за нагрева и механических усилий, вызванных протеканием тока молнии. Применение проводников, покрытых ПВХ-оболочкой, предотвращает окрашивание.
E.5.3.5 Естественные компоненты
Для увеличения общего числа параллельных проводников рекомендуют использовать естественные токоотводы, так как это уменьшает падение напряжения в токоотводах и электромагнитные помехи внутри сооружения. Однако должно быть гарантировано, что такие токоотводы являются электрически непрерывными на всем протяжении от системы молниеприемников до заземляющего устройства.
Стальная арматура железобетонных стен должна быть использована в качестве естественного компонента СМЗ, как показано на
рисунке E.27.
Стальная железобетонная арматура вновь сооружаемых зданий должна быть выполнена в соответствии с
E.4.3. Если электрическая непрерывность естественных токоотводов не может быть гарантирована, то должны быть проложены специально предназначенные для этой цели токоотводы.
Металлические водосточные трубы, которые удовлетворяют требованиям к естественным токоотводам, изложенным в
5.3.5, могут быть использованы в качестве токоотводов.
На
рисунке E.22,a) - c) приведены примеры крепления проводников на крыше и токоотводов, включая соответствующие геометрические размеры, а на
рисунке E.22,c) и d) показано соединение токоотводов с металлическими водосточными трубами, проводящими водосточными желобами и заземляющим устройством.
Арматура железобетонных стен или колонн и стальной строительный каркас могут быть использованы в качестве естественных токоотводов. Металлические фасады или фасадные покрытия сооружения могут быть применены в качестве естественных токоотводов, если они соответствуют
5.3.5. На
рисунке E.8 показана конструкция системы естественных токоотводов с использованием элементов металлического фасада и арматуры железобетонных стен в качестве плоскости уравнивания потенциала, к которой присоединены шины уравнивания потенциалов внутренней СМЗ. В верхней части покрытия стены должны быть выполнены соединения с системой молниеприемников, а в нижней части - с заземляющим устройством и с арматурой железобетонных стен, если это возможно.
Распределение тока в таких металлических фасадах более равномерно, чем в железобетонных стенах. Листовые металлические фасады состоят из отдельных панелей, как правило, трапециевидного поперечного сечения с шириной от 0,6 до 1,0 м и с длиной, соответствующей высоте сооружения. У высоких сооружений длина панели не соответствует высоте сооружения из-за сложностей с транспортированием. В этом случае фасад состоит из ряда секций, смонтированных одна над другой.
Для металлических фасадов максимальное тепловое расширение должно быть рассчитано как разница в длине при максимальной температуре металлического фасада при солнечном освещении примерно плюс 80 °C и при минимальной температуре минус 20 °C. Разница температуры в 100 °C соответствует тепловому расширению 0,24% для алюминия и 0,11% для стали. Тепловое расширение панелей приводит к перемещению панелей по отношению к следующей секции или к креплениям.
Металлические соединения, такие как показаны на
рисунке E.35, обеспечивают равномерное распределение тока в металлических фасадах и тем самым уменьшают влияние электромагнитного поля внутри сооружения. Металлический фасад гарантирует максимальное электромагнитное экранирование, когда он электрически взаимно соединен по всей его поверхности. Высокая эффективность электромагнитного экранирования сооружения достигается, когда постоянное соединение металлических панелей фасада выполняют с достаточно небольшими интервалами. Равномерность распределения тока напрямую зависит от числа соединений.
Если существуют строгие требования к обеспечиваемому коэффициенту экранирования, а на фасаде расположен непрерывный пояс окон, то этот пояс окон должен быть шунтирован путем выполнения электропроводящих перемычек с небольшими интервалами. Это может быть обеспечено использованием металлических рам окон. Металлический фасад должен быть соединен с металлическими рамами окон с небольшими интервалами. Как правило, каждый край соединяется с горизонтальной поперечной рейкой рамы окна с интервалами, не превышающими шаг расположения вертикальных элементов конструкции окна. Изгибы проводников и прокладка в обход должны быть исключены (см.
рисунок E.9). Металлические фасады, состоящие из относительно небольших элементов, не соединенных между собой, не могут быть использованы в качестве естественных систем токоотводов или для электромагнитного экранирования.
Дополнительная информация по защите электрических установок и электронного оборудования в сооружениях приведена в
ГОСТ Р МЭК 62305-4.
E.5.3.6 Испытательный зажим
Испытательный зажим (разъемное соединение) предназначен(о) для облегчения измерения сопротивления заземляющего устройства.
Испытательные зажимы, отвечающие требованиям
5.3.6, должны быть предусмотрены в местах соединений токоотводов с заземляющим устройством. С помощью этих зажимов посредством проведения измерений определяют наличие соединений с заземляющим устройством. Кроме того, становится возможным подтверждение наличия электрически непрерывного соединения между испытательным зажимом и системой молниеприемников или с соседней шиной уравнивания потенциалов. На высоких сооружениях кольцевые проводники соединяют с токоотводами, которые могут быть установлены в стене скрыто, и их наличие может быть подтверждено только путем электрического измерения.
На рисунках от E.39,a) до E.39,d) показаны примеры конструктивного исполнения испытательных зажимов, которые могут быть установлены на внутренней или внешней стене сооружения или в инспекционном колодце в грунте за пределами сооружения [см. рисунок E.39,b)]. Для обеспечения возможности измерения металлосвязи для некоторых проводников могут потребоваться изолирующие оболочки на критических секциях.
Примечания
1 Испытательные зажимы, показанные на рисунке E.39,d), должны быть установлены на внутренней или наружной стене сооружения или в инспекционном колодце в земле с наружной стороны сооружения.
2 Для обеспечения возможности измерения сопротивления петли некоторые соединительные проводники должны иметь изоляционную оболочку на критических секциях.
Рисунок E.39 - Четыре примера соединения заземляющего
устройства с СМЗ сооружений, где использованы
естественные токоотводы (стальные колонны),
и конструкция испытательных зажимов
Если это имеет значение (например, в случае соединения выводов заземляющего устройства со стальными колоннами посредством соединительных проводников), соединения от естественных токоотводов к выводам заземляющего устройства могут быть выполнены при помощи отрезков изолированных проводников и испытательных зажимов. Для облегчения мониторинга состояния молниезащитного заземляющего устройства следует устанавливать специальные сравнительные заземлители.
E.5.4 Заземляющее устройство
E.5.4.1 Общие требования
Проектировщик СМЗ и монтажник СМЗ должны выбрать наиболее подходящие типы заземлителей и должны расположить их на безопасном расстоянии от входов и выходов в/из сооружения и от внешних проводящих частей в земле, таких как кабели, металлические короба и т.п. Отсюда следует, что проектировщик СМЗ и монтажник СМЗ должны предусмотреть специальные меры защиты от опасного шагового напряжения вблизи заземляющего устройства, если они установлены в зонах, доступных человеку (см.
раздел 8).
Требование к значению общего сопротивления заземления 10 Ом является весьма умеренным для тех сооружений, в которых выполнено уравнивание потенциалов. Значение сопротивления заземления должно быть как можно более низким во всех случаях, но особенно для тех сооружений, где содержатся взрывчатые вещества. В любом случае наиболее важным средством является выполнение соединений для уравнивания потенциалов.
Глубина прокладки и тип заземлителей должны быть такими, чтобы свести к минимуму влияние коррозии, высыхания и промерзания почвы и, таким образом, сохранить неизменным эквивалентное сопротивление заземления.
Рекомендуется считать, что верхние полметра вертикального заземлителя не эффективны в условиях промерзания.
Вертикальные заземлители большой длины могут быть эффективными в тех случаях, когда удельное сопротивление грунта уменьшается с глубиной и где слои с низким удельным сопротивлением находятся на глубинах, превышающих те, до которых заглубляются обычные вертикальные заземлители.
Если металлическая арматура железобетона используется в качестве заземлителя, особое внимание должно быть уделено соединению арматурных элементов между собой, чтобы предотвратить механическое растрескивание бетона.
Если металлическая арматура железобетона также используется в качестве защитного заземления, в отношении толщины стержней и качества соединений должны быть предъявлены наиболее строгие требования. В этом случае размеры арматуры могут быть увеличены. При любых обстоятельствах необходимо выполнять прокладку элементов молниезащитного заземляющего устройства по наиболее прямым и коротким трассам.
Примечание - В случае применения предварительно напряженных железобетонных конструкций внимание должно быть уделено последствиям протекания токов молнии, которые могут привести к недопустимым механическим напряжениям.
E.5.4.2 Конструкция заземляющих устройств
E.5.4.2.1 Заземляющее устройство конфигурации A
Заземляющее устройство конфигурации A применимо для низких сооружений (например, частные дома), для существующих сооружений, для СМЗ с применением стержневых молниеприемников или молниезащитных тросов, а также для изолированной СМЗ.
Это тип исполнения заземляющего устройства включает в себя горизонтальные или вертикальные заземляющие электроды, присоединенные к каждому токоотводу.
Если выполнен кольцевой проводник, соединяющий токоотводы между собой, заземляющее устройство по прежнему классифицируется как конфигурация A, если в контакте с грунтом находится менее 80% длины кольцевого проводника.
Для заземляющего устройства конфигурации A минимальное число заземлителей составляет один для каждого токоотвода и два для всей СМЗ.
E.5.4.2.2 Заземляющее устройство конфигурации B
Заземляющее устройство конфигурации B рекомендуют применять для СМЗ с молниеприемной сеткой и с несколькими токоотводами.
Данная конфигурация заземляющего устройства представляет собой либо выполненный за пределами здания кольцевой заземлитель, у которого в контакте с землей находится не менее 80% его общей длины, либо фундаментный заземлитель.
Для голых скальных пород рекомендуют применять только заземляющее устройство конфигурации B.
E.5.4.3 Конструкция
E.5.4.3.1 Общие положения
Заземляющие устройства должны выполнять следующие задачи:
- отведение тока молнии в грунт;
- соединение для уравнивания потенциалов между токоотводами;
- обеспечение допустимых уровней потенциала вблизи проводящих стен здания.
Фундаментные заземлители и кольцевые заземлители конфигурации B отвечают данным требованиям. Радиальные заземлители конфигурации A или вертикальные заземлители большой длины не отвечают этим требованиям в части уравнивания потенциалов и контроля за уровнем потенциала.
Фундаменты здания с взаимосвязанной арматурой железобетона следует использовать в качестве фундаментных заземлителей. Они обеспечивают крайне низкое сопротивление заземления и качественно выполняют функцию уравнивания потенциалов. Если это невозможно, вокруг здания должно быть смонтировано заземляющее устройство, предпочтительно конфигурации B.
E.5.4.3.2 Фундаментные заземлители
Фундаментные заземлители, которые соответствуют требованиям
5.4.4, включают в себя проводники, находящиеся в фундаменте здания ниже уровня земли. Длина дополнительных заземлителей должна быть определена с помощью диаграммы, представленной на
рисунке 3.
Фундаментные заземлители размещают в бетоне. Они имеют преимущество, заключающееся в том, что если бетон качественный и покрывает фундаментные заземлители слоем не менее 50 мм, то заземлители надежно защищены от коррозии. Следует также помнить, что арматура в бетоне имеет такой же электрохимический потенциал, как и медь в грунте. Таким образом, фундаментный заземлитель является грамотным инженерным решением при проектировании заземляющих устройств для железобетонных зданий (см.
E.4.3).
Металл, используемый для заземлителей, должен соответствовать требованиям, перечисленным в
таблице 7, при этом обязательно должна быть учтена коррозионная стойкость металла в грунте. В
5.6 приведены указания по учету коррозионной стойкости. Если данные по некоторым видам грунта отсутствуют, следует использовать опыт эксплуатации заземляющих устройств на соседних объектах с грунтами аналогичных химических свойств и консистенции. При обратной засыпке траншеи с заземлителем необходимо исключить контакт зольной пыли, частиц угля, строительного мусора с заземлителем.
Следующий важный вопрос - электрохимическая коррозия. Сталь в бетоне имеет примерно такой же электрохимический потенциал, как и медь в грунте. По этой причине, когда сталь в бетоне соединяется со сталью в грунте, между ними возникает разность электрохимических потенциалов приблизительно 1 В, что вызывает протекание тока коррозии через грунт и влажный бетон и приводит к разрушению стали в грунте.
В качестве заземлителей в грунте в тех местах, где они соединяются со сталью в бетоне, следует использовать медные проводники, стальные проводники, покрытые медью, или проводники из нержавеющей стали.
По периметру здания в ленточном фундаменте должны быть проложены металлический проводник, соответствующий параметрам
таблицы 7, или оцинкованная стальная полоса, от которых в предназначенных для этого точках выполняют выводы для подключения испытательных зажимов в токоотводах.
Прокладка вертикальных проводников от заземлителя к токоотводам может быть выполнена по кирпичной кладке, в штукатурке или внутри стены. Выводы для присоединения к стали, размещенные внутри стены, могут проходить сквозь гудронированную бумагу, как правило, используемую для гидроизоляции между фундаментом и кирпичной стеной. Прокол гидроизоляции в этой точке обычно не наносит вреда.
Для уменьшения влажности в подвальных этажах под фундаментом здания часто размещают гидроизолирующий слой, который обеспечивает электрическую изоляцию. В этом случае заземлитель должен быть расположен под фундаментом в слое бетонной подготовки. Конструкция заземляющего устройства должна быть согласована со строителями.
Если уровень грунтовых вод высок, фундамент сооружения должен быть гидроизолирован. Слой гидроизоляции должен быть выполнен на внешней поверхности фундамента, что также обеспечивает электрическую изоляцию. Обычной практикой в выполнении такого гидроизолированного фундамента является укладка слоя бетонной подготовки толщиной от 10 до 15 см на дне котлована фундамента, на который укладывается изоляция, а затем сам бетонный фундамент.
Фундаментный заземлитель в виде сетки размером ячейки не более 10 м должен быть выполнен в слое бетонной подготовки на дне фундаментного котлована.
Проводник, соответствующий параметрам
таблицы 7, должен соединять сетку заземлителя с арматурой железобетонного фундамента, с кольцевыми заземлителями и с токоотводами, расположенными снаружи относительно слоя гидроизоляции. Если допустимо, то для прохода сквозь слой гидроизоляции могут быть использованы специальные водоупорные муфты.
Если нарушение гидроизолирующего слоя не допускается строителями здания, соединения с заземляющим устройством должны быть выполнены за пределами сооружения.
На
рисунке E.40 показаны три различных примера выполнения фундаментных заземлителей сооружения с водозащищенными фундаментами.
Кроме того, здесь также продемонстрированы некоторые корректные способы присоединения к заземляющему устройству сооружений с изолированным фундаментом. На рисунке E.40,a) и b) показаны соединения, выполненные снаружи по отношению к слою гидроизоляции без ее повреждения; на рисунке 40,c) представлена водоупорная муфта, проходящая через слой гидроизоляции без нарушения ее водонепроницаемости.
1 - токоотвод; 2 - испытательный зажим; 3 - проводник
уравнивания потенциалов к внутренней СМЗ; 4 - слой бетонной
подготовки; 5 - соединительный проводник от заземлителя
к СМЗ; 6 - фундаментный заземлитель; 7 - слой гидроизоляции;
8 - соединительный проводник между стальной арматурой
железобетона и испытательным зажимом; 9 - стальная арматура
железобетона; 10 - специальная водоупорная муфта
для соединения через слой гидроизоляции
Примечание - Необходимо разрешение со стороны строителей.
Рисунок E.40 - Конструкция фундаментного кольцевого
заземлителя для сооружений с различным
исполнением фундамента
E.5.4.3.3 Конфигурация A - радиальные и вертикальные заземлители
Радиальные заземлители должны быть подключены к нижним концам токоотводов с использованием испытательных зажимов. На конце радиальных заземлителей могут быть установлены вертикальные заземлители, если это необходимо. Каждый токоотвод должен быть соединен с заземлителем. На рисунке E.41 показаны примеры исполнения заземлителей конфигурации
A, причем на рисунке 41,a) проиллюстрировано, как проводник молниезащиты, выбранный в соответствии с требованиями
таблицы 7, заглублен в грунт с помощью специальных стержней. Выполнение заземления таким методом имеет несколько практических преимуществ и предотвращает использование зажимов и соединений в грунте. Наклонные или вертикальные заземлители обычно просто забивают в грунт.
1 - короткий самый верхний отрезок заглубляемого стержня;
2 - проводник заземлителя; 3 - грунт; 4 - отрезки
заглубляемого стержня; 5 - стальное острие
Примечания
1 Непрерывный гибкий проводник заглубляют в грунт при помощи коротких стержней. Электрическая непрерывность проводника заземлителя является большим преимуществом использования этой технологии ввиду того, что в проводнике заземлителя отсутствуют соединения. Кроме того, короткие отрезки стержня комфортны в обращении.
2 Самый верхний отрезок заглубляемого стержня может быть удален.
3 Самая верхняя часть проводника заземлителя может иметь изолирующую оболочку.
a) Пример заземляющего устройства конфигурации A
с вертикальным заземлителем
1 - удлиняемый вертикальный заземлитель; 2 - муфта
заземлителя; 3 - грунт; 4 - зажим на вертикальном
заземлителе; 5 - заземляющий проводник
b) Пример заземляющего устройства конфигурации A
с вертикальным заземлителем
Рисунок E.41 - Два примера выполнения вертикального
заземлителя в заземляющем устройстве конфигурации A
Кроме представленных имеются другие типы вертикальных заземлителей. Крайне важно обеспечить постоянный электрический контакт в местах соединения по всей длине заземлителя в течение срока службы СМЗ.
В процессе монтажа рекомендуют регулярно измерять сопротивление заземления. Заглубление вертикального электрода может быть остановлено в тот момент, когда его сопротивление перестанет уменьшаться. После этого могут быть установлены дополнительные электроды в более подходящих местах.
Заземлитель должен быть расположен на достаточном расстоянии от кабелей и металлических труб в грунте, при этом необходимо учитывать возможное смещение заземлителя в процессе его заглубления. Разделительное расстояние зависит от электрической импульсной стойкости грунта, ее удельного сопротивления и от тока в заземлителе.
Вертикальные заземлители в заземляющем устройстве конфигурации A являются экономически более выгодными и обеспечивают более стабильные значения сопротивления заземления для большинства грунтов по сравнению с горизонтальными заземлителями.
В некоторых случаях может понадобиться установить заземлители внутри здания, например в подвале или в погребе.
Примечание - Особое внимание должно быть уделено обеспечению допустимых значений шаговых напряжений путем выполнения уравнивания потенциалов в соответствии с
разделом 8.
В случае угрозы увеличения сопротивления заземления вблизи поверхности (например, из-за высыхания) необходимо применить вертикальные заземлители большей длины.
Радиальные заземлители должны быть установлены на глубине 0,5 м или глубже. Прокладку на большей глубине используют для того, чтобы заземлитель не оказался в промерзшем слое грунта там, где зимой бывают низкие температуры (мерзлый грунт имеет крайне низкую удельную проводимость). Дополнительным преимуществом является то, что расположение заземлителей на большей глубине приводит к уменьшению напряжений на поверхности земли и, таким образом, к снижению значений шагового напряжения, уменьшая опасность электротравм для людей и животных на поверхности земли. Вертикальные электроды более подходят для обеспечения стабильного сопротивления заземления в течение года.
Когда применяют заземляющее устройство конфигурации A, необходимое уравнивание потенциалов всех заземлителей достигается посредством проводников уравнивания потенциалов и шин уравнивания потенциалов.
E.5.4.3.4 Конфигурация B - кольцевые заземлители
Для сооружений из изоляционного материала, например кирпича или дерева, без железобетонного фундамента должно быть выполнено заземляющее устройство конфигурации
B по
5.4.2.2.
Может быть применено заземляющее устройство конфигурации
A, включающее проводники уравнивания потенциалов. При необходимости, для снижения сопротивления исполнение заземляющего устройства конфигурации
B может быть улучшено путем добавления вертикальных или радиальных заземлителей в соответствии с
5.4.2.2. На
рисунке 3 приведены минимальные значения длин заземлителей.
Расстояние до стен здания и глубина прокладки заземлителей конфигурации
B, как отмечено в
5.4.3, являются оптимальными для защиты людей вблизи здания в нормальных условиях состояния грунта. В регионах с низкими значениями зимних температур глубина прокладки заземлителей может быть пересмотрена.
Заземлители конфигурации B выполняют также функцию уравнивания потенциалов между токоотводами на уровне земли, так как разные токоотводы имеют разные потенциалы из-за неодинакового распределения тока молнии, что связано с разным сопротивлением грунта и различными длинами пути протекания тока по этим проводникам. Разность потенциалов вызывает протекание уравнительных токов по кольцевому заземлителю, благодаря чему максимальное значение потенциала на заземляющем устройстве уменьшается, а системы уравнивания потенциалов внутри здания, подключенные к нему, получают примерно одинаковый потенциал.
Если здания, принадлежащие различным владельцам, расположены предельно близко друг к другу, часто невозможно установить кольцевой заземлитель таким образом, чтобы он полностью окружал сооружение. В этом случае эффективность системы заземления будет снижена, так как кольцевой проводник будет действовать частично как заземлитель конфигурации B, частично как фундаментный заземлитель и частично как проводник уравнивания потенциалов.
Если вблизи защищаемого сооружения часто собирается большое количество людей, должны быть предусмотрены дополнительные мероприятия по снижению потенциалов. Следует выполнить дополнительные кольцевые заземлители с интервалами около 3 м между ними. Более удаленные от здания кольцевые заземлители должны быть установлены на большей глубине, т.е. те, которые находятся на расстоянии 4 м от здания, должны быть установлены на глубину 1 м, на расстоянии 7 м от здания - на глубину 1,5 м, а на расстоянии 10 м от здания - на глубину 2 м. Эти кольцевые заземлители должны быть соединены с первым кольцевым заземлителем при помощи радиальных проводников.
Если территория вблизи здания покрыта слоем асфальта толщиной 50 мм, имеющего низкую проводимость, то для людей, находящихся на этой территории, обеспечена достаточная защита.
E.5.4.3.5 Заземлители в скальном грунте
Фундаментные заземлители должны быть встроены в бетонный фундамент во время строительства. Даже в скальном грунте, где фундаментный заземлитель имеет пониженную эффективность, он будет действовать как проводник уравнивания потенциалов.
Дополнительные заземлители должны быть соединены с токоотводами и с фундаментными заземлителями в точках установки испытательных зажимов.
Если фундаментный заземлитель не предусмотрен, то должно быть спроектировано заземляющее устройство конфигурации B (кольцевой заземлитель). Если заземлитель не может быть установлен в грунте и должен быть установлен на поверхности земли, его следует защитить от механических повреждений.
Радиальные заземлители, находящиеся на или вблизи поверхности грунта, должны быть закрыты камнями или помещены в бетон для механической защиты.
Когда здание расположено вблизи дороги, кольцевой заземлитель, при возможности, должен быть размещен под дорогой. Если это невозможно, по всей длине открытого участка на дороге должны быть предусмотрены дополнительные мероприятия (обычно это заземлитель конфигурации A), по меньшей мере вблизи токоотводов.
Для снижения потенциала в определенных случаях должно быть принято решение об установке дополнительного кольцевого заземлителя (или его части) около входа в здание или об искусственном снижении удельного сопротивления поверхностного слоя грунта.
E.5.4.3.6 Заземляющие устройства на больших площадках
На промышленных предприятиях обычно имеется ряд объединенных сооружений, между которыми проложено большое количество силовых и контрольных кабелей.
Заземляющие устройства таких объектов крайне важны для защиты системы электроснабжения. Низкое сопротивление заземляющего устройства уменьшает разность потенциалов между сооружениями и, как следствие, уровни помех в электрических цепях.
Низкое значение сопротивления заземляющего устройства может быть достигнуто путем устройства у сооружения фундаментного заземлителя и дополнительных заземлителей конфигураций
B и
A в соответствии с
5.4.
Соединения между заземлителями, фундаментными заземлителями и токоотводами должны быть выполнены на испытательных зажимах. Некоторые из этих испытательных зажимов должны быть также соединены с шинами уравнивания потенциалов внутренней СМЗ.
Внутренние токоотводы или внутренние элементы строительного каркаса, использованные в качестве токоотводов, должны быть присоединены к заземлителю и к арматурной стали железобетонного перекрытия, для того чтобы обеспечить допустимые значения шагового напряжения и напряжения прикосновения. Если внутренние токоотводы находятся вблизи деформационных швов в бетоне, то эти швы должны быть зашунтированы перемычкой как можно ближе к внутренним токоотводам.
Нижняя доступная к прикосновению часть токоотвода должна быть изолирована ПВХ-трубкой толщиной по меньшей мере 3 мм или эквивалентной изоляцией.
Для того чтобы уменьшить вероятность прямого удара молнии в кабельные трассы в земле, над кабельными трассами должен быть установлен заземляющий проводник, а в случае более широких кабельных трасс несколько заземляющих проводников.
Путем соединения заземляющих устройств нескольких сооружений между собой получается заземляющее устройство в виде сетки, как показано на
рисунке E.42.
На рисунке E.42 показано заземляющее устройство в виде сетки, включающее кабельные траншеи между сооружениями с СМЗ, которые связаны между собой. Данное исполнение заземляющего устройства обеспечивает низкий импеданс между зданиями и имеет значительные преимущества по защите от электромагнитных импульсов молнии.
1 - здание взаимосвязанной арматуры железобетона;
2 - вышка на территории; 3 - отдельно стоящее оборудование;
4 - кабельные траншеи
Примечание - Данное заземляющее устройство обеспечивает низкий импеданс между зданиями и имеет значительные преимущества в отношении электромагнитной совместимости. Шаг ячеек вблизи зданий и других объектов может быть размером приблизительно 20 x 20 м. На удалении более 30 м от зданий размер ячейки может быть увеличен до значений порядка 40 x 40 м.
Рисунок E.42 - Заземляющее устройство промышленного
предприятия в виде сетки
Дополнительная информация отсутствует.
Примечание - Расстояния между креплениями приведены в
таблице E.1.
E.5.6 Материалы и размеры
E.5.6.1 Проектирование механической части
После завершения электрической части проекта проектировщик СМЗ должен проконсультироваться со специалистами, ответственными за сооружение, по вопросам механической конструкции заземляющего устройства.
При проектировании очень важны эстетические соображения, а также правильный выбор материалов для ограничения коррозии.
Минимальные размеры компонентов СМЗ приведены в
таблицах 3,
6 -
9.
Материалы, используемые для компонентов СМЗ, приведены в
таблице 5.
Примечание - Допускаются к использованию компоненты, соответствующие требованиям ГОСТ Р МЭК 62561.1 - ГОСТ Р МЭК 62561.7, например зажимы и стержневые молниеприемники.
Проектировщик СМЗ и монтажник СМЗ должны убедиться в соответствии примененных материалов цели их использования. Это может быть достигнуто, например, требованием от изготовителя сертификатов испытаний и отчетов, подтверждающих, что материалы выдержали испытания по качеству.
Проектировщик СМЗ и монтажник СМЗ должны выбрать тип устройств крепления проводников, которые будут способны выдерживать электродинамические усилия при протекании тока молнии в проводниках и которые будут допускать расширение и сжатие проводников при соответствующем изменении температуры.
Соединения между металлическими панелями должны быть совместимыми с материалом панелей, иметь площадь минимальной контактной поверхности 50 мм2 и быть способными выдерживать электродинамические усилия, возникающие при протекании тока молнии, а также коррозионное воздействие окружающей среды.
В тех случаях, когда из-за огнеопасности или низкой температуры плавления чрезмерный нагрев имеет значение для той поверхности, к которой должны быть прикреплены компоненты СМЗ, должна быть либо увеличена площадь поперечного сечения проводника, либо должны быть предусмотрены другие меры безопасности, такие как установка проводников на большем расстоянии от поверхности или применение огнестойких прокладок.
Проектировщик СМЗ должен определить все те зоны, в которых возможна коррозия, и те средства, которые должны быть использованы.
Воздействие коррозии на СМЗ может быть уменьшено либо увеличением размеров материала, либо применением коррозионно-стойких компонентов, либо применением других мер защиты от коррозии.
E.5.6.2 Выбор материалов
E.5.6.2.1 Материалы
Материалы, которые используют для СМЗ, и условия их применения приведены в
таблице 5.
Размеры проводников СМЗ, включая молниеприемники, токоотводы и заземляющее устройство, выполненных из различных материалов, таких как медь, алюминий и сталь, приведены в
таблицах 6 и
7. Рекомендуемые значения поперечного сечения 50 мм
2 для круглых проводников из меди и алюминия основаны на механических требованиях (например, чтобы провода не провисали между опорами и поэтому не приближались к крыше). Если механические требования не являются определяющими, то значения из
пункта b) таблицы 6 (медь сечением 28 мм
2) могут быть использованы как минимальные.
Минимальная толщина металлических листов, металлических труб и контейнеров, используемых в качестве естественных компонентов молниеприемника, приведена в
таблице 3, минимальные размеры проводников системы уравнивания потенциалов перечислены в
таблицах 8 и
9.
E.5.6.2.2 Защита от коррозии
Система молниезащиты должна быть выполнена из коррозионно-стойких материалов, таких как медь, алюминий, нержавеющая сталь и оцинкованная сталь. Материал стержневых молниеприемников и молниезащитных тросов должен быть электрохимически совместимым с материалом соединительных элементов и креплений, а также иметь достаточную коррозионную стойкость в условиях коррозийной атмосферы и влажности.
Соединений между различными материалами следует избегать; в противном случае эти материалы должны быть защищены.
Медные части не должны быть установлены поверх оцинкованных или алюминиевых частей, если на этих частях не выполнена защита от коррозии. Части, покрытые медью, могут привести к значительному коррозионному повреждению оцинкованных частей даже там, где медные и оцинкованные части не находятся в прямом контакте.
Алюминиевые проводники не допускается крепить непосредственно к поверхностям здания, содержащим известь, таким как известняковый бетон и штукатурка, а также использовать в грунте.
E.5.6.2.2.1 Металлы в грунте и в воздухе
Коррозия металла будет происходить темпами, зависящими от типа металла и свойств окружающей среды. Свойства окружающей среды, такие как влажность, растворенные соли (образующие электролит), насыщенность кислородом, температура и степень движения электролита, в сочетании делают это условие очень сложным.
С другой стороны, местные условия, включающие в себя различные природные и промышленные загрязнители, могут вызывать значительные изменения скорости коррозии, наблюдаемые в разных частях мира. Для решения частных вопросов коррозии настоятельно рекомендуется проведение консультации со специалистами по коррозии.
Наличие контакта между разнородными металлами в сочетании с нахождением, полным или частичным, в электролите может вести к повышенной коррозии анодных металлов и к уменьшенной коррозии катодных металлов.
Коррозия катодного металла не обязательно должна быть полностью предотвращена. Электролитом для этой реакции может быть грунтовая вода, грунт с некоторым содержанием влаги или даже конденсат в наземных сооружениях, где он задерживается трещинами.
Для того чтобы свести к минимуму коррозию в СМЗ, необходимо:
- исключить использование несоответствующих металлов в агрессивной окружающей среде;
- исключить контакт разнородных металлов, значительно различающихся в части электрохимической или гальванической активности;
- использовать проводники, перемычки для уравнивания потенциалов, проводящие зажимы и клеммы с поперечным сечением, достаточным, чтобы в имеющихся условиях работы гарантировать требуемый срок службы с точки зрения коррозии;
- предусмотреть защиту соединений проводников, кроме сварных, чтобы исключить проникновение влаги;
- предусмотреть защитную трубку или покрытие либо изолировать металлы, чувствительные к коррозионным газам или жидкостям в месте их установки;
- проверить гальванические эффекты для других металлических деталей, к которым должен быть присоединен заземлитель для уравнивания потенциалов;
- исключить конструкции, в которых продукты естественной коррозии катодного металла (например, меди) могут входить в контакт и вызывать коррозию частей СМЗ, такие как элементы из анодного металла (например, стали или алюминии), покрытые медью.
Ниже приведены требования, обусловленные рассмотренными выше вопросами коррозии:
- минимальная(ый) толщина или диаметр жилы должны быть 1,7 мм для стали, алюминия, меди, медного сплава или хромоникелевого стального сплава;
- разделительную прокладку рекомендуется применять в тех местах, где контакт между близко расположенными (или касающимися) разнородными металлами может вызвать коррозию, и при этом контакт не является электрически необходимым;
- стальные проводники, не защищенные другим способом, должны быть с горячим оцинкованием методом погружения в соответствии с требованиями
таблиц 6 и
7;
- алюминиевые проводники не допускается прокладывать непосредственно в грунте, по бетону и прикреплять непосредственно к бетону, если они не защищены полностью с помощью прочной, плотно прилегающей изолирующей трубки;
- соединения меди с алюминием должны быть исключены везде, где это возможно. В тех случаях, когда эти соединения не могут быть исключены, они должны быть выполнены с использованием сварки или должен быть предусмотрен промежуточный слой из медного или алюминиевого листа;
- крепежные изделия или защитные трубки для алюминиевых проводников должны быть выполнены из аналогичного металла и с достаточной площадью поперечного сечения, чтобы исключить выход из строя из-за неблагоприятных погодных условий;
- медь является подходящим материалом для выполнения заземлителя в большинстве условий применения, исключая условия с наличием кислоты, условия с насыщенным кислородом, аммиаком или серой. Однако необходимо учитывать, что медь вызывает гальванические повреждение материалов на основе железа, к которым она подключена для уравнивания потенциалов;
- для проводников на крыше и для токоотводов, открытых для агрессивных дымовых газов, особое внимание должно быть уделено защите от коррозии, например с помощью применения высоколегированных стальных сплавов (> 16,5% хрома; > 2% молибдена; 0,2% титана; от 0,12% до 0,22% никеля);
- нержавеющие стали или другие никелевые сплавы могут быть использованы при тех же требованиях коррозионной стойкости. Однако в анаэробных условиях, например в глине, они будут коррозировать практически так же быстро, как и мягкие стали;
- соединения между сталью и медью или медными сплавами в воздухе, если они выполнены не при помощи сварки, должны быть полностью покрыты либо оловом, либо долговременным влагостойким покрытием;
- в парах аммиака медь и медные сплавы из-за коррозионных усилий могут растрескиваться, эти материалы не должны быть использованы в качестве креплений в данных условиях;
- в морских и прибрежных зонах все соединения проводников должны быть выполнены сваркой или полностью герметизированы.
Заземляющие устройства из нержавеющей стали или меди могут быть присоединены непосредственно к стальной арматуре железобетона.
Заземлители из оцинкованной стали, помещенные в грунт, должны быть соединены со стальной арматурой в бетоне при помощи разделительных искровых разрядников, способных выдерживать протекание значительной части тока молнии (см.
таблицы 8 и
9 для определения размеров соединительных проводников). Непосредственное соединение в грунте может значительно увеличить опасность коррозии. Разделительные искровые разрядники должны отвечать требованиям
6.2.
Примечание - Для этой цели, как правило, подходят разделительные искровые разрядники класса N по
ГОСТ Р МЭК 62561.3.
Оцинкованная сталь должна быть использована в качестве заземлителя в грунте только тогда, когда ни одна из стальных частей, расположенных в бетоне, не связана с заземлителем, находящимся непосредственно в грунте.
Если металлические трубы расположены в грунте и соединены с системой уравнивания потенциалов и с заземляющим устройством, то материал труб, если они не изолированы, и материал проводников заземляющего устройства должны быть идентичны. Трубы с защитным покрытием краской или битумом считают неизолированными. Если использование одинакового материала невозможно, система трубопроводов должна быть отделена изолирующими вставками от той части трубопровода, которая соединена с системой уравнивания потенциалов на территории предприятия.
Изолирующие вставки должны быть зашунтированы разделительными искровыми разрядниками. Перемычками в виде искровых разрядников должны быть также зашунтированы изолирующие вставки для катодной защиты трубопроводов.
Проводники со свинцовой оболочкой не следует размещать непосредственно в бетоне. Проводники со свинцовой оболочкой должны быть защищены от коррозии либо при помощи антикоррозийной обмотки, либо термоусаживаемых трубок. Проводники могут быть защищены либо ПВХ, либо полиэтиленовым покрытием.
Стальные заземляющие проводники, выходящие из бетона или грунта, в месте выхода на воздух должны быть защищены от коррозии на протяжении 0,3 м путем антикоррозийной обмотки или при помощи термоусаживаемой трубки. Для проводников из меди или из нержавеющей стали это не требуется.
Материалы, используемые для соединений между проводниками в грунте, должны иметь идентичные антикоррозионные свойства по отношению к проводникам выводов от заземляющего устройства. Соединение зажимами, как правило, не допускается, за исключением тех случаев, где такие зажимы обеспечены эффективной защитой от коррозии после выполнения соединения. Имеется положительный опыт эксплуатации соединений при помощи обжима.
Сварные соединения должны быть защищены от коррозии.
Практический опыт показывает, что:
- алюминий не допускается использовать в качестве заземлителей;
- стальные проводники со свинцовой оболочкой не пригодны для использования в качестве заземлителей;
- медные проводники со свинцовой оболочкой не следует применять в бетоне или в грунте с высоким содержанием кальция.
E.5.6.2.2.2 Металлы в бетоне
Заделка стали или оцинкованной стали в бетон приводит к стабилизации естественного потенциала металла благодаря однородности окружающей щелочной среды. Кроме того, бетон является однородным материалом с относительно высоким удельным сопротивлением - порядка 200 Ом·м или выше.
Соответственно, арматура внутри железобетона значительно более устойчива к коррозии, чем расположенная на воздухе, даже соединенная с более активными материалами.
Использование арматурной стали в качестве токоотводов не создает значительных проблем с коррозией при условии, что точки присоединения к системе молниеприемников тщательно герметизированы, например мастикой из эпоксидной смолы соответствующей толщины.
Оцинкованные стальные полосы, используемые в качестве фундаментных заземлителей, так же как проводники из меди и нержавеющей стали могут быть расположены в бетоне и присоединены непосредственно к стальной арматуре железобетона.
Из-за естественного электрохимического потенциала, который имеет сталь в бетоне, дополнительные заземлители вне бетона должны быть выполнены из меди или нержавеющей стали.
Установка стальных заземляющих электродов в сталефибробетоне не допускается, если невозможно обеспечить слой бетона толщиной не менее 50 мм поверх стальных заземляющих электродов, так как во время строительства стальной электрод может быть выдавлен, например строительной техникой, и коснуться грунта. В таком случае сталь подвергнется риску коррозии в значительной степени. Подходящими материалами для заземляющих электродов в сталефибробетоне являются медь и нержавеющая сталь.
E.6 Внутренняя система молниезащиты
Требования к выполнению внутренней СМЗ приведены в
разделе 6.
Внешняя СМЗ и ее расположение по отношению к проводящим частям и установкам внутри здания будет в большой степени определять требования к внутренней СМЗ.
Необходимо проводить консультации со всеми ведомствами и участниками строительства, которых могут коснуться вопросы уравнивания потенциалов.
Проектировщик СМЗ и монтажник СМЗ должны обратить внимание на то, что меры, указанные в
разделе 6, являются необходимыми для правильного выполнения молниезащиты. Заказчик должен быть уведомлен об этих требованиях.
Внутренняя СМЗ является одинаковой для всех уровней защиты, за исключением значений разделительных расстояний.
Меры, необходимые для внутренней СМЗ, во многих случаях являются более строгими, чем мероприятия по уравниванию потенциалов для систем электроснабжения переменного тока, из-за высокого уровня тока и крутизны фронта тока в случае удара молнии.
Примечание - Если должна быть учтена защита от электромагнитных импульсов молнии, следует принимать во внимание требования
ГОСТ Р МЭК 62305-4.
E.6.2 Молниезащитное уравнивание потенциалов
Для изолированной внешней СМЗ уравнивание потенциалов выполняют только на уровне земли.
Для промышленных сооружений электрически непрерывные проводящие части каркаса и крыши в общем случае могут быть использованы в качестве естественных компонентов СМЗ и при выполнении уравнивания потенциалов.
К системе уравнивания потенциалов должны быть подключены не только проводящие части каркаса здания и оборудования, установленного в здании, но также проводники оборудования системы электроснабжения и коммуникации. Для заземлителей внутри сооружения особое внимание должно быть уделено вопросу обеспечения допустимых значений шаговых напряжений. Для этого предусматривают устройство местных соединений стальной арматуры железобетона с заземлителями или выполнение сетки уравнивания потенциалов в подвале или в фундаменте здания.
Для зданий высотой более 30 м рекомендуют выполнить дополнительное уравнивание потенциалов на высоте 20 м и далее через каждые 20 м по высоте. Требования в части разделительных расстояний, как правило, будут выполнены.
Это означает, что, по меньшей мере, на данных уровнях внешние токоотводы, внутренние токоотводы и металлические части должны быть соединены для уравнивания потенциалов. Проводники, находящиеся под напряжением, должны быть присоединены к системе уравнивания потенциалов через устройства защиты от перенапряжений.
E.6.2.1.1 Проводники уравнивания потенциалов
Проводники уравнивания потенциалов должны быть способны выдерживать часть тока молнии, протекающего по ним.
По проводникам уравнивания потенциалов металлических установок внутри здания, как правило, не протекают значительные части тока молнии. Минимальные размеры таких проводников приведены в
таблице 9.
По проводникам для уравнивания потенциалов внешних проводящих частей с СМЗ обычно протекает значительная часть тока молнии. Их минимальные размеры приведены в
таблице 8.
E.6.2.1.2 Устройства защиты от перенапряжений
Устройства защиты от перенапряжений должны выдерживать без повреждения ожидаемую часть тока молнии, протекающую по ним. Устройства защиты от перенапряжений должны также быть способны гасить сопровождающие электрические токи от источника питания, если они соединены с проводниками источника питания.
Выбор устройств защиты от перенапряжений должен быть выполнен в соответствии с
6.2. Если требуется защита внутренних систем от электромагнитного импульса молнии, устройства защиты от перенапряжений должны также отвечать требованиям
ГОСТ Р МЭК 62305-4.
E.6.2.2 Уравнивание потенциалов внутренних проводящих частей
Уравнивание потенциалов должно быть выполнено таким образом, чтобы внутренние проводящие части, внешние проводящие части, электрические силовые и электронные системы (например, компьютеры и системы безопасности) были соединены короткими проводниками уравнивания потенциалов. Внутренние и внешние проводящие части, не имеющие электрической функции, должны быть соединены для уравнивания потенциалов напрямую. Все электрические цепи (силовые и контрольные) должны быть присоединены к системе уравнивания потенциалов при помощи устройств защиты от перенапряжений.
Металлические конструкции, т.е. водопроводные, газовые трубы, трубы отопления и вентиляции, шахты лифтов, опорные конструкции кранов и т.п., должны быть соединены для уравнивания потенциалов между собой и с СМЗ на уровне земли.
В металлических конструкциях, не относящихся к зданию, может произойти искрение, если эти конструкции расположены близко к токоотводам СМЗ. Если это представляет опасность, для предотвращения искрения должны быть приняты соответствующие меры уравнивания потенциалов в соответствии с
6.2.
Устройство шины уравнивания потенциалов показано на рисунке E.43.
1 - ввод к потребителю электроэнергии; 2 - счетчик
электроэнергии; 3 - вводная клеммная коробка; 4 - ввод
электроэнергии от питающей сети; 5 - газ; 6 - вода;
7 - система центрального отопления; 8 - к электронным
устройствам; 9 - к экрану кабеля антенны; 10 - шина
уравнивания потенциалов; 11 - устройство защиты
от перенапряжений; 12 - разделительный искровой разрядник;
М - счетчик
Рисунок E.43 - Пример выполнения уравнивания потенциалов
Шины уравнивания потенциалов следует располагать таким образом, чтобы они были соединены с заземляющим устройством короткими проводниками.
Шину уравнивания потенциалов рекомендуют устанавливать на внутренней стороне наружной стены вблизи уровня земли, максимально близко к вводному распределительному устройству низкого напряжения, и, по возможности, на минимальном расстоянии от заземляющего устройства, которое в зависимости от местных условий может включать в себя кольцевой заземлитель, фундаментный заземлитель и естественный заземлитель, например взаимосвязанную стальную железобетонную арматуру.
В больших зданиях могут быть выполнены несколько шин уравнивания потенциалов при условии, что они соединены между собой. Соединительные проводники большой длины могут создавать большие контуры, в которых возникают значительные токи и напряжения. Для того чтобы свести к минимуму влияние этих факторов, должно быть выполнено соединение таких шин уравнивания потенциалов, сооружения и заземляющего устройства между собой с помощью сетки из проводников в соответствии с
ГОСТ Р МЭК 62305-4.
В железобетонных сооружениях, соответствующих требованиям
4.3, арматура может быть использована для уравнивания потенциалов. В этом случае в стенах должны быть предусмотрены дополнительные выводы, соответствующие
E.4.3, к которым при помощи сварки должны быть присоединены шины уравнивания потенциалов.
Примечание - В этом случае соблюдение разделительного расстояния не требуется.
Минимальные площади поперечного сечения проводников уравнивания потенциалов или соединителей уравнивания потенциалов приведены в
таблицах 8 и
9. Все внутренние проводящие части значительного размера, такие как направляющие лифтов, краны, металлические полы, трубы и электрические коммуникации, должны быть присоединены к ближайшей шине уравнивания потенциалов при помощи короткого проводника уравнивания потенциалов на уровне земли, а если разделительное расстояние в соответствии с
6.3 не может быть обеспечено, то и на других уровнях. Шины уравнивания потенциалов и другие части, присоединяемые для уравнивания потенциалов, должны выдерживать значения предполагаемых токов молнии.
В сооружениях с железобетонными стенами в частях, присоединенных для уравнивания потенциалов, будет протекать небольшая доля общего тока молнии.
На рисунках E.44 -
E.46 показаны примеры выполнения уравнивания потенциалов в сооружениях с несколькими точками входа внешних сетей.
1 - внешняя проводящая часть, например металлическая
водопроводная труба; 2 - линия электроснабжения или линия
связи; 3 - стальная арматура внешней железобетонной стены
и фундамента; 4 - кольцевой заземлитель; 5 - присоединение
к дополнительному заземлителю; 6 - специальное соединение
для уравнивания потенциалов; 7 - железобетонная стена;
8 - устройство защиты от перенапряжений;
9 - шина уравнивания потенциалов
Примечание - Стальную арматуру в железобетонном фундаменте используют в качестве естественного заземлителя.
Рисунок E.44 - Пример выполнения уравнивания потенциалов
в сооружении с несколькими точками входа внешних проводящих
частей и с использованием кольцевого заземлителя
для соединения шин уравнивания потенциалов между собой
1 - стальная арматура внешней железобетонной стены
и фундамента; 2 - другой заземлитель; 3 - разъем
для уравнивания потенциалов; 4 - внутренний кольцевой
проводник; 5 - присоединение к внешней проводящей части,
например водопроводной трубе; 6 - кольцевой заземлитель,
заземляющее устройство конфигурации B; 7 - устройство защиты
от перенапряжений; 8 - шина уравнивания потенциалов;
9 - линия электроснабжения или линия связи; 10 - заземляющее
устройство конфигурации A к дополнительному заземлителю
Рисунок E.45 - Пример выполнения уравнивания потенциалов
при наличии нескольких точек входа внешних проводящих
частей, линий электроснабжения или линий связи
с использованием внутреннего кольцевого проводника
для соединения шин уравнивания потенциалов между собой
1 - линия электроснабжения или линия связи; 2 - внешний
горизонтальный кольцевой проводник (выше поверхности
грунта); 3 - внешняя проводящая часть; 4 - присоединение
к токоотводу; 5 - стальная железобетонная арматура в стене;
6 - точка уравнивания потенциалов с арматурой железобетона;
7 - шина уравнивания потенциалов;
8 - устройство защиты от перенапряжений
Рисунок E.46 - Пример выполнения уравнивания потенциалов
в сооружении с несколькими точками входа внешних проводящих
частей, входящих в сооружение выше уровня земли
E.6.2.3 Молниезащитное уравнивание потенциалов внешних проводящих частей
Дополнительная информация отсутствует.
E.6.2.4 Молниезащитное уравнивание потенциалов для электрических и электронных систем внутри защищаемого сооружения
Подробная информация об уравнивании потенциалов внутренних систем приведена в
ГОСТ Р МЭК 62305-4.
E.6.2.5 Уравнивание потенциалов внешних сетей
Рекомендуют ввод в здание внешних проводящих частей, линий электроснабжения и линий связи выполнять в одном общем месте вблизи уровня земли.
Соединение для уравнивания потенциалов должно быть выполнено как можно ближе к точке ввода в здание. Для линии электроснабжения низкого напряжения это должно быть выполнено во вводном распределительном устройстве (подлежит согласованию с местной электроснабжающей компанией).
Шина уравнивания потенциалов, расположенная вблизи точки ввода коммуникаций, должна быть соединена с заземляющим устройством короткими проводниками уравнивания потенциалов.
Если входящие в здание линии экранированы, то экраны должны быть присоединены к шине уравнивания потенциалов. Перенапряжение, возникающее на проводниках с полезным сигналом, является функцией значения доли тока молнии, протекающей по экрану (в соответствии с
приложением B), и значения площади поперечного сечения экрана. В
приложении E ГОСТ Р МЭК 62305-1-2010 приведен метод определения этого тока. Устройства защиты от перенапряжений необходимы в том случае, если ожидаемые значения перенапряжений превосходят электрическую прочность изоляции линии и подключенного оборудования.
Если линии, входящие в здание, не имеют экрана, то часть тока молнии будет протекать по проводникам с полезным сигналом. В этом случае на вводе должны быть подключены устройства защиты от перенапряжений, рассчитанные на значение тока молнии. Проводники PE и PEN могут быть присоединены непосредственно к шине уравнивания потенциалов.
Если внешние проводящие части, линии электроснабжения и линии связи вынужденно входят в здание в разных точках и поэтому необходимо предусмотреть несколько шин уравнивания потенциалов, то эти шины уравнивания потенциалов должны быть кратчайшим путем соединены с заземляющим устройством, т.е. в зависимости от местных условий с кольцевым заземлителем, с железобетонной арматурой сооружения и с фундаментными заземлителями.
Если в качестве части СМЗ применяют заземляющее устройство конфигурации A, шины уравнивания потенциалов должны быть подключены к отдельным заземлителям, а также дополнительно соединены с внутренним кольцевым проводником или внутренним проводником, образующим часть кольца.
При вводе внешних сетей выше уровня поверхности земли шины уравнивания потенциалов должны быть соединены с горизонтальным кольцевым проводником, расположенным на внутренней или внешней стороне наружной стены и соединенным для уравнивания потенциалов с токоотводами СМЗ и с металлической железобетонной арматурой здания, при их наличии.
Кольцевой проводник между токоотводами, расстояния между которыми выдержаны в соответствии с
таблицей 4, должен быть соединен со стальной железобетонной арматурой и с другими металлическими частями сооружения приблизительно через равные расстояния от 5 до 10 м.
В зданиях, специально предназначенных для компьютерных центров, связи или в других сооружениях, где требуется низкий уровень помех, наведенных электромагнитным импульсом молнии, кольцевой проводник должен быть соединен с арматурой железобетона, как правило, через каждые 5 м.
Для уравнивания потенциалов внешних сетей в железобетонных зданиях, которые содержат большое число устройств связи или компьютерного оборудования, и для сооружений, где предъявляют высокие требования в части ЭМС, должна быть выполнена плоскость заземления с многочисленными соединениями с металлической железобетонной арматурой или с другими металлическими частями здания.
E.6.3 Электрическая изоляция внешней системы молниезащиты
E.6.3.1 Общие положения
Между внешней СМЗ и всеми проводящими частями, соединенными с системой уравнивания потенциалов сооружения, следует поддерживать достаточное разделительное расстояние, определенное в соответствии с
6.3.
Разделительное расстояние может быть рассчитано по
формуле (4).
Величина
l для расчета разделительного расстояния
s (см.
6.3) должна представлять собой расстояние между ближайшей точкой присоединения к системе уравнивания потенциалов или к заземляющему устройству и точкой сближения с токоотводом. Проводники на крыше и токоотводы должны быть проложены как можно более прямо, чтобы необходимое разделительное расстояние получалось наименьшим.
Длина и трасса прокладки проводника внутри здания от шины уравнивания потенциалов до точки сближения обычно оказывают небольшое влияние на разделительное расстояние, но если этот проводник проложен близко к проводнику, по которому протекает ток молнии, то необходимое разделительное расстояние уменьшается. На
рисунке E.47 показано, как именно в СМЗ измеряют критическую длину
l, применяемую для расчета разделительного расстояния
s в соответствии с
6.3.
В тех зданиях, где его части использованы в качестве естественных токоотводов, например стальная арматура железобетона, точкой начала отсчета должна быть точка подключения к естественному проводнику токоотвода.
Для зданий с внешними поверхностями, которые не содержат проводящих материалов, таких как здания из дерева или кирпича, для расчета разделительного расстояния
s в соответствии с
6.3 необходимо использовать наиболее короткий возможный путь вдоль проводников СМЗ от наиболее неблагоприятной точки удара молнии до ближайшего элемента заземляющего устройства или до точки, где система уравнивания потенциалов внутренней установки соединена с токоотводом или с заземляющим устройством.
Если невозможно обеспечить разделительное расстояние
s для любого элемента рассматриваемой установки, должно быть выполнено уравнивание потенциалов установки с СМЗ в точке, наиболее удаленной от точки начала отсчета в системе уравнивания потенциалов (см. рисунок E.47). Вследствие этого электрические проводники должны быть либо проложены по другим трассам с соблюдением разделительного расстояния (см.
6.3), либо они должны быть заключены в проводящий экран, соединенный для уравнивания потенциалов с СМЗ в точке, наиболее удаленной от точки начала отсчета в системе уравнивания потенциалов.
1 - металлический радиатор/нагреватель; 2 - кирпичная
или деревянная стена; 3 - нагреватель; 4 - шина уравнивания
потенциалов; 5 - заземляющее устройство; 6 - подключение
к заземляющему устройству или к токоотводу; 7 - наихудший
случай; d - фактическое расстояние; l - длина для расчета
разделительного расстояния s
Примечание - Здание выполнено из изолирующего кирпича.
Рисунок E.47 - Указания для расчета разделительного
расстояния s в наихудшем случае перехвата молнии
на расстоянии
l от точки начала отсчета в соответствии с
6.3
Если в зданиях высотой менее 30 м соединения для уравнивания потенциалов между установкой и СМЗ выполнены в точке начала отсчета и в самой удаленной точке, то разделительное расстояние будет обеспечено для всех частей установки.
Указанные ниже вопросы требуют особого рассмотрения:
- в больших сооружениях разделительное расстояние между проводниками СМЗ и металлическими установками часто так велико, что оно не может быть выдержано. Это приводит к необходимости выполнения дополнительных соединений СМЗ с металлическими установками для уравнивания потенциалов. Вследствие этого часть тока молнии протекает по этим металлическим установкам к заземляющему устройству сооружения;
- электромагнитные помехи, появляющиеся в результате протекания этих токов, должны быть приняты в расчет, когда проектируют установки внутри сооружения и определяют зоны защиты от электромагнитных воздействий внутри сооружения в соответствии с
ГОСТ Р МЭК 62305-4.
Однако уровень помех будет значительно ниже, чем при электрическом пробое в данной точке.
На крышах расстояние между СМЗ и электрическими установками часто бывает меньше разделительного расстояния
s, определенного в соответствии с
6.3. В этом случае следует предпринять попытку установить СМЗ или электрический проводник установки в другом месте.
Изменение трасс прокладки электрических цепей, не соответствующих требованиям к разделительному расстоянию до проводников молниеприемника на здании, должно быть согласовано с лицами, ответственными за электрическую установку.
Если изменение трасс прокладки электрических цепей невозможно, должно быть выполнено уравнивание потенциалов с внешней СМЗ в соответствии с
6.3.
В некоторых зданиях соблюдение требуемых разделительных расстояний невозможно. Внутренние конструкции при проектировании или монтаже могут помешать выполнению условий доступа и выполнению соединений с некоторыми металлическими частями и электрическими проводниками. Об этом должен быть поставлен в известность владелец здания.
E.6.3.2 Упрощенный подход
Упрощенный подход в соответствии с
6.3.2 применяют в том случае, если наибольший размер сооружения (длина или ширина) превышает значение его высоты не более чем в 4 раза.
E.6.4 Защита от воздействий наведенных токов во внутренних системах
Токи в проводниках внешней СМЗ могут наводить недопустимые перенапряжения в контурах проводников внутренних установок посредством магнитного поля. Перенапряжения могут привести к выходу внутренних систем из строя.
Так как практически все здания содержат электронное оборудование, воздействие электромагнитного поля внешних и внутренних токоотводов должно быть учтено при проектировании СМЗ.
E.7 Техническое обслуживание и осмотр системы молниезащиты
Осмотр СМЗ должен выполнять специалист по молниезащите в соответствии с указаниями настоящего раздела E.7.
Специалисту, выполняющему проверку СМЗ, должен быть представлен проект СМЗ, содержащий необходимую документацию по СМЗ, а именно: критерии проектирования, текстовая часть и технические чертежи. Специалисту, выполняющему проверку СМЗ, должны быть представлены отчеты о предыдущем техническом обслуживании СМЗ и о предыдущем осмотре.
Все СМЗ должны быть подвергнуты проверке в следующих случаях:
- во время монтажа СМЗ, особенно во время установки компонентов, которые будут скрыты в сооружении и станут недоступными;
- после завершения установки СМЗ;
- регулярно в соответствии с таблицей E.2.
Таблица E.2
Максимальный период между проверками системы молниезащиты
Уровень защиты | Визуальный осмотр, год | Полное обследование, год | Полное обследование в особых условиях <a>, <b>, год |
I и II | 1 | 2 | 1 |
III и IV | 2 | 4 | 1 |
<a> СМЗ, применяемые в сооружениях с опасностью, вызванной наличием взрывчатых веществ, должны быть подвергнуты визуальному осмотру каждые 6 мес. Электрические испытания установки проводят ежегодно. Допустимым исключением из годового графика испытаний может являться выполнение испытаний с циклом 14 и 15 мес там, где считается целесообразным проводить измерение сопротивления заземляющего устройства в различное время года, чтобы получить данные о сезонных изменениях. <b> Особые условия могут включать в себя сооружения, содержащие чувствительные к помехам внутренние системы, комплексы офисов, коммерческие здания или места, где может присутствовать большое количество людей. |
Периодичность проверок, приведенную в
таблице E.2, следует применять при отсутствии специальных требований, предъявляемых уполномоченными инстанциями.
Примечание - Если полномочные лица или органы требуют регулярного проведения испытаний электрических систем здания, рекомендуется в то же время проводить испытания внутренней СМЗ, включая молниезащитное уравнивание потенциалов с электрическими системами. Работающие ранее установки по аналогии должны быть отнесены к соответствующему классу молниезащиты либо интервалы испытаний должны быть заимствованы из местных или любых других технических условий на испытания, таких как строительные руководящие указания, технические правила, инструкции, законы о промышленной безопасности и законы о труде.
Визуальный осмотр СМЗ следует проводить по меньшей мере один раз в год. В некоторых областях, подверженных значительным изменениям погоды и экстремальным погодным условиям, целесообразно проводить визуальный осмотр СМЗ чаще, чем указано в
таблице E.2. Если СМЗ входит в планово-предупредительную программу обслуживания или если этого требуют страховые организации здания, СМЗ может быть подвергнута полному обследованию ежегодно.
Интервал между осмотрами СМЗ должен быть определен следующими факторами:
- назначение защищаемого сооружения, особенно в отношении последствий его повреждения;
- класс СМЗ;
- местные условия окружающей среды, например: в условиях коррозионно активной атмосферы проверки следует выполнять через короткие интервалы;
- материалы отдельных компонентов СМЗ;
- тип поверхности, на которой установлены компоненты СМЗ;
- тип грунта и связанная с этим скорость коррозии.
В дополнение к сказанному выше СМЗ должна быть осмотрена каждый раз, когда в защищаемом сооружении были произведены любое существенное изменение или ремонт, а также после удара молнии в СМЗ.
Общее обследование и испытания следует проводить с периодичностью от 2 до 4 лет. Элементы СМЗ, находящиеся в сложных условиях окружающей среды, например части СМЗ, подверженные значительным механическим воздействиям (например, гибкие полосы уравнивания потенциалов в районах с сильным ветром), устройства защиты от перенапряжений на трубопроводах, наружное уравнивание потенциалов кабелей и т.п., должны быть подвергнуты полному обследованию ежегодно.
В большинстве географических областей и особенно в тех областях, в которых наблюдаются сильные сезонные изменения температуры и количества осадков, должно быть учтено изменение сопротивления заземления путем измерения зависимости удельного электрического сопротивления грунта от глубины в различные погодные периоды.
Если по результатам измерений значения сопротивления изменяются больше, чем это было принято в проекте, особенно если значение сопротивления постоянно увеличивается от одного осмотра к другому, должны быть разработаны мероприятия по доработке заземляющего устройства.
E.7.2 Порядок выполнения обследования
E.7.2.1 Процесс выполнения обследования
Целью каждого обследования является подтверждение того, что СМЗ соответствует настоящему стандарту во всех отношениях.
Обследование включает в себя проверку технической документации, визуальный осмотр, испытания и составление отчета об обследовании.
E.7.2.2 Проверка технической документации
Техническая документация должна быть проверена на ее полноту, соответствие настоящему стандарту и договору с заказчиком при исполнении.
E.7.2.3 Визуальный осмотр
Визуальный осмотр выполняют для подтверждения следующего:
- конструкция соответствует настоящему стандарту;
- СМЗ находится в рабочем состоянии;
- отсутствуют ослабленные соединения и случайные разрывы в проводниках СМЗ и в их соединениях;
- отсутствуют части системы, подвергшиеся коррозии, особенно на уровне земли;
- все видимые соединения заземляющего устройства не повреждены (функционально работоспособны);
- все видимые проводники и компоненты СМЗ закреплены, а компоненты, обеспечивающие механическую защиту, не повреждены (функционально работоспособны) и находятся на предусмотренных для них местах;
- не было каких-либо дополнений или изменений в защищаемом сооружении, которые требуют дополнительной защиты,
- отсутствуют признаки повреждения СМЗ, устройств защиты от перенапряжений или выхода из строя предохранителей, которые защищают УЗИП;
- правильно выполнены соединения для уравнивания потенциалов для всех новых коммуникаций или оборудования, которые были установлены во внутренней части сооружения со времени последнего осмотра, а также проведены проверки металлосвязи для этого нового оборудования;
- проводники уравнивания потенциалов и соединения внутри сооружения имеются в наличии и не повреждены (функционально работоспособны);
- разделительные расстояния соблюдены;
- проводники уравнивания потенциалов, контактные соединения, экранирующие устройства, кабельные трассы и устройства защиты от перенапряжений проверены и испытаны.
E.7.2.4 Испытания
Обследование и испытания СМЗ включают в себя визуальный осмотр и должны завершаться следующими действиями:
- выполнение измерений металлосвязи, особенно тех частей СМЗ, которые были доступны для визуального осмотра во время первоначальной установки и которые не могут быть осмотрены визуально;
- измерение сопротивления заземляющего устройства. Должны быть выполнены указанные ниже проверки и измерения заземляющего устройства, а результаты зафиксированы в отчете об осмотре СМЗ.
Примечание - Высокочастотные и импульсные измерения возможны и рекомендованы для определения высокочастотных или импульсных свойств заземляющего устройства. Эти измерения могут быть выполнены на стадии монтажа, а также периодически при обслуживании системы заземления для проверки соответствия запроектированной системы заземления установленным требованиям.
a) Сопротивление каждого отдельного заземлителя и сопротивление всего заземляющего устройства
Измерения каждого отдельного заземлителя выполняют при его отсоединении от токоотвода с помощью испытательного зажима (раздельное измерение).
Примечание - Для заземляющего устройства, включающего в себя как вертикальные, так и кольцевые заземлители (частичные или полные), отсоединение и испытание должны быть выполнены в инспекционном колодце заземляющего устройства. Если это выполнить сложно, то стандартное испытание должно быть завершено высокочастотными или импульсными измерениями.
Если сопротивление всего заземляющего устройства превышает 10 Ом, то должна быть выполнена проверка для подтверждения того, что параметры заземлителя соответствуют
рисунку 3.
В случае значительного увеличения или уменьшения значения сопротивления заземляющего устройства должны быть выполнены дополнительные исследования для определения причины изменения.
Для заземлителей в скальном грунте должны быть выполнены требования
E.5.4.3.5. Требование к значению сопротивления 10 Ом в данном случае не применяют.
b) Результаты визуального осмотра всех проводников СМЗ, проводников уравнивания потенциалов и других соединений или результаты измерений металлосвязи
Если заземляющее устройство не соответствует этим требованиям или если проверка требований невозможна из-за недостатка информации, заземляющее устройство должно быть усовершенствовано путем установки дополнительных заземляющих электродов или выполнения нового заземляющего устройства.
Устройства защиты от перенапряжений без визуального индикатора должны быть испытаны, предпочтительно с применением указаний или оборудования, предусмотренных изготовителем.
E.7.2.5 Документирование результатов обследования
Для облегчения обследования СМЗ должно быть подготовлено руководство по проведению обследования СМЗ. Оно должно содержать достаточную информацию для проведения специалистом обследования таким образом, чтобы были задокументированы все важные аспекты, такие как метод установки СМЗ, тип и состояние компонентов СМЗ, методы испытаний и надлежащая регистрация полученных результатов испытаний.
Специалист, выполняющий обследование СМЗ, должен оформить отчет по обследованию СМЗ, который следует хранить вместе с проектом СМЗ и с предыдущими отчетами по техническому обслуживанию и обследованию СМЗ.
Отчет по обследованию СМЗ должен содержать следующую информацию:
- общее состояние проводников молниеприемников и других компонентов молниеприемников;
- общий уровень коррозии и состояние защиты от коррозии;
- надежность крепления проводников СМЗ и компонентов СМЗ;
- результаты измерений сопротивления заземляющего устройства;
- любое отклонение от требований настоящего стандарта;
- документирование всех изменений и расширения СМЗ и любых изменений в сооружении. Кроме того, должны быть дополнены конструктивные чертежи СМЗ и описание проекта СМЗ;
- результаты выполненных испытаний.
E.7.3 Техническое обслуживание
Система молниезащиты должна регулярно проходить техническое обслуживание, чтобы сохранить ее характеристики соответствующим требованиям, по которым она была спроектирована изначально. В проекте СМЗ должна быть определена необходимая периодичность проведения обслуживания и обследований в соответствии с
таблицей E.2.
Программа технического обслуживания СМЗ должна обеспечивать постоянную модернизацию СМЗ до требований настоящего стандарта.
E.7.3.1 Общие положения
С течением времени компоненты СМЗ могут утрачивать свою эффективность из-за коррозии, погодных воздействий, механических повреждений и повреждений от ударов молнии.
Программа обследования и обслуживания должна быть установлена полномочными органами, проектировщиком СМЗ или монтажником СМЗ по согласованию с владельцем сооружения или его полномочным представителем.
Программа выполнения работ по техническому обслуживанию и программа выполнения обследования СМЗ должны быть скоординированы между собой.
Техническое обслуживание СМЗ является важной работой, даже если проектом СМЗ предусмотрены специальные меры защиты от коррозии и определены размеры компонентов СМЗ в соответствии с их подверженностью повреждениям при ударах молнии и погодных воздействиях, превышающие требования настоящего стандарта.
Механические и электрические характеристики СМЗ следует полностью сохранять в течение всего срока ее службы для того, чтобы соблюдались требования настоящего стандарта к конструкции СМЗ.
При модификации здания или его оборудования или при изменении целей, в которых предполагалось использовать здание, может потребоваться модернизация СМЗ.
Если обследование показывает, что необходимо проведение ремонтных работ, то эти работы должны быть выполнены незамедлительно, а не отложены до следующего цикла обслуживания.
E.7.3.2 Процедура технического обслуживания
Программы периодического технического обслуживания должны быть определены для всей СМЗ.
Периодичность технического обслуживания СМЗ зависит от следующего:
- ухудшения характеристик вследствие погодных условий и условий окружающей среды;
- подверженности реальным повреждениям от молнии;
- уровня молниезащиты, определенного для сооружения.
Программа технического обслуживания СМЗ должна быть определена для каждой отдельной СМЗ и включена в общую программу технического обслуживания сооружения.
Программа технического обслуживания должна содержать перечень мероприятий в виде контрольного листа проверок, чтобы мероприятия выполнялись регулярно и была возможность сравнить последние результаты с предыдущими.
Программа технического обслуживания должна предусматривать следующее:
- проверку всех проводников СМЗ и компонентов СМЗ;
- проверку электрической непрерывности СМЗ в целом;
- измерение сопротивления заземляющего устройства;
- проверку устройств защиты от перенапряжений;
- закрепление открепившихся компонентов и проводников СМЗ;
- проверку отсутствия снижения эффективности СМЗ после внесения дополнений или изменений в конструкцию сооружения и его установки.
E.7.3.3 Документирование технического обслуживания
Полные отчеты о выполнении технического обслуживания следует сохранить. Они должны содержать перечень предпринятых или требуемых корректирующих действий.
Отчеты о техническом обслуживании должны содержать данные оценки состояния компонентов СМЗ в частности и СМЗ в целом.
Отчет об обслуживании СМЗ должен служить основой для пересмотра и доработки программы обслуживания. Отчеты об обслуживании СМЗ следует хранить вместе с проектом СМЗ и с отчетами по ее обследованию.
(справочное)
СВЕДЕНИЯ О СООТВЕТСТВИИ ССЫЛОЧНЫХ НАЦИОНАЛЬНЫХ
И МЕЖГОСУДАРСТВЕННЫХ СТАНДАРТОВ МЕЖДУНАРОДНЫМ СТАНДАРТАМ,
ИСПОЛЬЗОВАННЫМ В КАЧЕСТВЕ ССЫЛОЧНЫХ В ПРИМЕНЕННОМ
МЕЖДУНАРОДНОМ СТАНДАРТЕ
Таблица ДА.1
Обозначение ссылочного межгосударственного, национального стандарта | Степень соответствия | Обозначение и наименование ссылочного международного стандарта |
| IDT | IEC 60079-10-1:2006 "Взрывоопасные среды. Часть 10-1. Классификация зон. Взрывоопасные газовые среды" |
| IDT | IEC 60079-10-2:2009 "Взрывоопасные среды. Часть 10-2. Классификация зон. Взрывоопасные пылевые среды" |
| IDT | IEC 60079-14:2007 "Взрывоопасные среды. Часть 14. Проектирование, выбор и монтаж электроустановок" |
| IDT | IEC 60728-11:2010 "Сети кабельные для передачи звуковых и телевизионных сигналов и интерактивных услуг. Часть 11. Безопасность" |
| IDT | IEC 61643-11:2011 "Устройства защиты от перенапряжений низковольтные. Часть 11. Устройства защиты от перенапряжений, подсоединенные к низковольтным системам распределения электроэнергии. Требования и методы испытаний" |
| IDT | IEC 61643-21:2009 "Устройства защиты от перенапряжений низковольтные. Часть 21. Устройства защиты от перенапряжений, подсоединенные к телекоммуникационным и сигнализационным сетям. Требования к эксплуатационным характеристикам и методы испытаний" |
ГОСТ ISO 3864-1-2013 | IDT | ISO 3864-1:2011 "Символы графические. Сигнальные цвета и знаки безопасности. Часть 1. Принципы проектирования знаков и сигнальной разметки" |
(МЭК 61557-4-2007) | MOD | IEC 61557-4:2007 "Электробезопасность распределительных низковольтных сетей до 1000 В переменного тока и 1500 В постоянного тока. Оборудование для испытания, измерения или контроля средств защиты. Часть 4. Сопротивление присоединения к земле и устройств выравнивания потенциалов" |
ГОСТ Р 54418.24-2013 (МЭК 61400-24:2010) | MOD | IEC 61400-24:2010 "Турбины ветровые. Часть 24. Защита от молнии" |
ГОСТ Р МЭК 60050-426-2011 | IDT | IEC 60050-426-2008 "Международный электротехнический словарь. Часть 426. Оборудование для взрывоопасных сред" |
| IDT | IEC 60050-826-2004, второе издание "Международный электротехнический словарь. Часть 826. Электрические установки" |
| IDT | IEC 62305-1:2010 "Защита от молнии. Часть 1. Общие принципы" |
| IDT | IEC 62305-2:2010 "Защита от молнии. Часть 2. Управление риском" |
| IDT | IEC 62305-4:2010 "Защита от молнии. Часть 4. Электрические и электронные системы внутри конструкций" |
| IDT | IEC 62561-1:2012 "Компоненты системы молниезащиты. Часть 1. Требования к соединительным компонентам" |
| IDT | IEC 62561-2:2012 "Компоненты молниезащитной системы (LPSC). Часть 2. Требования к проводникам и заземляющим электродам" |
| IDT | IEC 62561-3:2012 "Компоненты молниезащитной системы (LPSC). Часть 3. Требования к изолирующим искровым разрядникам" |
| IDT | IEC 62561-4:2010 "Компоненты системы защиты от молний. Часть 4. Требования к крепежу проводника" |
| IDT | IEC 62561-5:2011 "Компоненты системы защиты от грозовых разрядов. Часть 5. Требования к размещению заземленных контрольных электродов и пломбы для заземленных электродов" |
| IDT | IEC 62561-6:2011 "Компоненты системы защиты от грозовых разрядов. Часть 6. Требования к счетчикам ударов молний" |
| IDT | IEC 62561-7:2011 "Компоненты системы защиты от грозовых разрядов. Часть 7. Требования к компаундам, усиливающим заземление" |
Примечание - В настоящей таблице использованы следующие условные обозначения степени соответствия стандартов: - IDT - идентичные стандарты; - MOD - модифицированные стандарты. |
| | Инструкция по устройству молниезащиты зданий, сооружений и промышленных коммуникаций. - М. Издательство МЭИ, 2004 г. |
| | Инструкция по устройству молниезащиты зданий и сооружений |
| ПУЭ | Правила устройства электроустановок. Седьмое издание. - М. "Издательство НЦ ЭНАС", 2003 г. |
| ВСП 22-02-07 МО РФ | Нормы по проектированию, устройству и эксплуатации объектов военной инфраструктуры |
[5] | РД 91.020.00-КТН-021-11 | Нормы проектирования молниезащиты объектов магистральных нефтепроводов и коммуникаций организаций системы "Транснефть" |
| СТО Газпром 2-1.11-170-2007 | Инструкция по устройству молниезащиты зданий, сооружений и коммуникаций ОАО "ГАЗПРОМ" |
| IEC/TR 61000-5-2-1997 | Electromagnetic Compatibility (EMC) - Part 5: Installation and Mitigation Guidelines - Section 2: Earthing and Cabling |
УДК 621.316.99.006.354 | |
Ключевые слова: молниезащита, здания и сооружения, внешние и внутренние повреждения, защита от электротравматизма, проектирование, монтаж, техническое обслуживание |