Главная // Актуальные документы // ГОСТ (Государственный стандарт)СПРАВКА
Источник публикации
М.: Стандартинформ, 2015
Примечание к документу
Документ включен в
Перечень международных и региональных (межгосударственных) стандартов, а в случае их отсутствия - национальных (государственных) стандартов, в результате применения которых на добровольной основе обеспечивается соблюдение требований технического
регламента Таможенного союза "О безопасности низковольтного оборудования" (ТР ТС 004/2011) и в
Перечень международных и региональных (межгосударственных) стандартов, а в случае их отсутствия - национальных (государственных) стандартов, содержащих правила и методы исследований (испытаний) и измерений, в том числе правила отбора образцов, необходимые для применения и исполнения требований технического
регламента Таможенного союза "О безопасности низковольтного оборудования" (ТР ТС 004/2011) и осуществления оценки соответствия объектов технического регулирования (
Решение Коллегии Евразийской экономической комиссии от 11.05.2023 N 55).
Документ включен в
Перечень стандартов, в результате применения которых на добровольной основе обеспечивается соблюдение требований технического
регламента Таможенного союза "О безопасности низковольтного оборудования" (ТР ТС 004/2011) и в
Перечень стандартов, содержащих правила и методы исследований (испытаний) и измерений, в том числе правила отбора образцов, необходимые для применения и исполнения требований технического
регламента Таможенного союза "О безопасности низковольтного оборудования" (ТР ТС 004/2011) и осуществления оценки (подтверждения) соответствия продукции (
Решение Комиссии Таможенного союза от 16.08.2011 N 768).
Документ
введен в действие с 1 октября 2015 года.
Название документа
"ГОСТ IEC 61643-21-2014. Межгосударственный стандарт. Устройства защиты от перенапряжений низковольтные. Часть 21. Устройства защиты от перенапряжений, подсоединенные к телекоммуникационным и сигнализационным сетям. Требования к эксплуатационным характеристикам и методы испытаний"
(введен в действие Приказом Росстандарта от 25.11.2014 N 1744-ст)
"ГОСТ IEC 61643-21-2014. Межгосударственный стандарт. Устройства защиты от перенапряжений низковольтные. Часть 21. Устройства защиты от перенапряжений, подсоединенные к телекоммуникационным и сигнализационным сетям. Требования к эксплуатационным характеристикам и методы испытаний"
(введен в действие Приказом Росстандарта от 25.11.2014 N 1744-ст)
агентства по техническому
регулированию и метрологии
от 25 ноября 2014 г. N 1744-ст
МЕЖГОСУДАРСТВЕННЫЙ СТАНДАРТ
УСТРОЙСТВА ЗАЩИТЫ ОТ ПЕРЕНАПРЯЖЕНИЙ НИЗКОВОЛЬТНЫЕ
ЧАСТЬ 21
УСТРОЙСТВА ЗАЩИТЫ ОТ ПЕРЕНАПРЯЖЕНИЙ, ПОДСОЕДИНЕННЫЕ
К ТЕЛЕКОММУНИКАЦИОННЫМ И СИГНАЛИЗАЦИОННЫМ СЕТЯМ.
ТРЕБОВАНИЯ К ЭКСПЛУАТАЦИОННЫМ ХАРАКТЕРИСТИКАМ
И МЕТОДЫ ИСПЫТАНИЙ
Low voltage surge protective devices.
Part 21. Surge protective devices connected
to telecommunications and signalling networks.
Performance requirements and testing methods
(IEC 61643-21:2009, IDT)
ГОСТ IEC 61643-21-2014
Дата введения
1 октября 2015 года
Цели, основные принципы и порядок проведения работ по межгосударственной стандартизации установлены
ГОСТ 1.0-92 "Межгосударственная система стандартизации. Основные положения" и
ГОСТ 1.2-2009 "Межгосударственная система стандартизации. Стандарты межгосударственные, правила и рекомендации по межгосударственной стандартизации. Правила разработки, принятия, применения, обновления и отмены"
1 ПОДГОТОВЛЕН Открытым акционерным обществом "Всероссийский научно-исследовательский институт по сертификации" (ОАО "ВНИИС"), Автономной некоммерческой организацией "Научно-технический центр "Энергия" (АНО НТЦ "Энергия")
2 ВНЕСЕН Федеральным агентством по техническому регулированию и метрологии
3 ПРИНЯТ Межгосударственным советом по стандартизации, метрологии и сертификации (протокол от 30 сентября 2014 г. N 70-П)
За принятие проголосовали:
Краткое наименование страны по МК (ИСО 3166) 004-97 | Код страны по МК (ИСО 3166) 04-97 | Сокращенное наименование национального органа по стандартизации |
Армения | AM | Минэкономики Республики Армения |
Беларусь | BY | Госстандарт Республики Беларусь |
Киргизия | KG | Кыргызстандарт |
Молдова | MD | Молдова-Стандарт |
Россия | RU | Росстандарт |
4
Приказом Федерального агентства по техническому регулированию и метрологии от 25 ноября 2014 г. N 1744-ст межгосударственный стандарт ГОСТ IEC 61643-21-2014 введен в действие в качестве национального стандарта Российской Федерации с 1 октября 2015 г.
5 Настоящий стандарт идентичен международному стандарту IEC 61643-21:2012 Low voltage surge protective devices - Part 21: Surge protective devices connected to telecommunications and signalling networks - Performance requirements and testing methods (Устройства защиты от перенапряжений низковольтные. Часть 21. Устройства защиты от перенапряжений, подсоединенные к сигнальным и телекоммуникационным сетям. Требования к эксплуатационным характеристикам и методы испытаний).
Перевод с английского языка (en).
Сведения о соответствии межгосударственных стандартов ссылочным международным стандартам приведены в дополнительном
приложении ДА.
Степень соответствия - идентичная (IDT)
6 ВВЕДЕН ВПЕРВЫЕ
Информация об изменениях к настоящему стандарту публикуется в ежегодном информационном указателе "Национальные стандарты", а текст изменений и поправок - в ежемесячном информационном указателе "Национальные стандарты". В случае пересмотра (замены) или отмены настоящего стандарта соответствующее уведомление будет опубликовано в ежемесячном информационном указателе "Национальные стандарты". Соответствующая информация, уведомление и тексты размещаются также в информационной системе общего пользования - на официальном сайте Федерального агентства по техническому регулированию и метрологии в сети Интернет
Целью настоящего стандарта является установление требований к устройствам для защиты от импульсных перенапряжений (УЗИП), применяемых для защиты систем телекоммуникации и сигнализации, например цепей передачи данных, голосовой связи и аварийной сигнализации. Все эти системы могут подвергаться прямому или индукционному воздействию грозовых или коммутационных эффектов. Эти эффекты проявляются в виде перенапряжений или сверхтоков, достаточно высокого уровня.
В настоящем стандарте приведены испытания и требования к методам испытаний УЗИП, для определения их работоспособности.
УЗИП, рассматриваемые настоящим стандартом, могут содержать только компоненты защиты от перенапряжений, а также компоненты защиты от сверхтоков. Рассмотрение защитных устройств, содержащих исключительно компоненты защиты от сверхтоков, не является целью настоящего стандарта. Рассмотрение таких устройств приведено в
приложении A.
Одно УЗИП может содержать несколько компонентов защиты от перенапряжений и сверхтоков. Все УЗИП испытывают по принципу "черного ящика", т.е. процедуру испытания определяет не число компонентов, содержащихся в УЗИП, а число его выводов. Конфигурации УЗИП приведены в
1.2. В случае многолинейных УЗИП каждую линию испытывают независимо от других либо испытывают все линии одновременно.
Настоящий стандарт содержит ряд условий испытаний и требований, применяемых по усмотрению потребителя. Порядок применения требований настоящего стандарта к разным типам УЗИП рассмотрен в
1.3. Поскольку настоящий стандарт касается работоспособности УЗИП, некоторые из которых реализуются по заказу, вопросы о частоте повреждений УЗИП и их толковании оставлены на усмотрение потребителя. Принципы выбора и применения УЗИП рассматриваются в IEC 61643-22.
Если известно, что УЗИП является однокомпонентным устройством, тогда оно должно соответствовать требованиям конкретного стандарта, а также требованиям настоящего стандарта.
1.1 Область применения
Настоящий стандарт распространяется на устройства для защиты сетей телекоммуникации и сигнализации при прямом или косвенном воздействии грозовых или других переходных перенапряжений.
Назначением данных УЗИП является защита современного электронного оборудования в сетях телекоммуникации и сигнализации с номинальными напряжениями системы до 1000 В переменного тока и 1500 В постоянного тока.
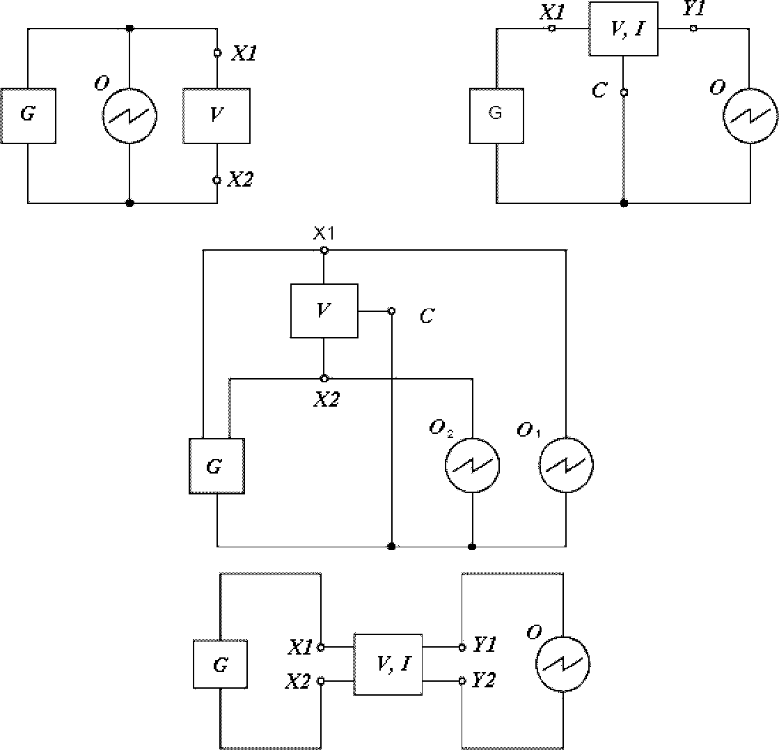
Конфигурации УЗИП, приведенные в настоящем стандарте, показаны на
рисунке 1. Каждая конфигурация УЗИП содержит один или более компонентов ограничивающих напряжение, и также может содержать токоограничивающие компоненты.
1d - четырехвыводное УЗИП
--------------------------------
<a> Общий вывод C может отсутствовать.
V - компонент, ограничивающий напряжение;
V, I - ограничивающие напряжение компоненты
или их сочетание с токоограничивающими компонентами;
X1, X2 ... Xn - выводы питания; Y1, Y2 ... Yn - выводы
защищаемой линии; C - общий вывод
Рисунок 1 - Конфигурации УЗИП
1.3 Пользование настоящим стандартом
В настоящем стандарте рассматривают два основных типа УЗИП.
УЗИП первого типа в одном корпусе содержат не менее одного ограничивающего напряжение компонента и не содержат токоограничивающие компоненты. Все конфигурации УЗИП, представленные на рисунке 1, могут быть этого типа. Данные УЗИП должны отвечать требованиям
5.1,
5.2.1 и
5.3 (см.
таблицу 1). УЗИП, представленные на
рисунках 1b,
1d,
1e и
1f, между выводом питания и соответствующим выводом защищаемой линии могут содержать один линейный компонент. Данные УЗИП также должны соответствовать применимым требованиям
5.2.2.
УЗИП второго типа в одном корпусе содержат как ограничивающие напряжение, так и токоограничивающие компоненты. Конфигурации УЗИП, представленные на
рисунках 1b,
1d,
1e и
1f, применимы для УЗИП с ограничивающими напряжение и токоограничивающими компонентами. УЗИП данного типа должны соответствовать требованиям
5.1,
5.2.1,
5.2.2 и
5.3 (см.
таблицу 1). Конфигурации защитных устройств, имеющих только токоограничивающие компоненты, представлены в
приложении A.
В зависимости от своего назначения УЗИП могут удовлетворять дополнительным требованиям. Дополнительные требования изложены в
5.2.3 и
5.4 (см.
таблицу 1).
В
5.2.3 предусмотрены испытания передачи данных, необходимые для соответствия УЗИП их назначению в сетях телекоммуникации и сигнализации. Выбор необходимых испытаний передачи данных выполняют по
5.2.3, исходя из назначения УЗИП.
Таблица 1 предлагает общее руководство по выбору соответствующих испытаний.
В
5.4 предусмотрены требования к условиям окружающей среды, если УЗИП предназначены для применения исключительно в неконтролируемых условиях окружающей среды, как указано в
4.1.
УЗИП должны удовлетворять этим требованиям при наличии соглашения между изготовителем и потребителем. В таблице 1 приведены примеры требований к соответствию УЗИП разных типов.
Таблица 1
| Требования, испытания | Пункт | Тип УЗИП |
УЗИП с функцией ограничения напряжения | УЗИП с функциями ограничения напряжения и токоограничения | УЗИП с функцией ограничения напряжения и линейным компонентом между выводами | УЗИП с функциями ограничения напряжения и токоограничения и усиленной передающей способностью | УЗИП с функцией ограничения напряжения, предназначенные для применения в окружающей среде с неограниченными условиями | УЗИП с функциями ограничения напряжения и токоограничения предназначенные для применения в окружающей среде с неограниченными условиями |
1 | Общие испытания | |
Идентификация и документация | | П | П | П | П | П | П |
Маркировка | | П | П | П | П | П | П |
Испытания передачи информации | | | | | | | |
Емкость | | П | В | В | В | П | В |
Потери при вводе | | В | П | П | П | В | П |
Возвратные потери | | В | В | В | П | В | В |
Продольный баланс | | В | В | В | П | В | В |
Коэффициент погрешности бит (КПБ) | | В | В | В | В | В | В |
Перекрестная наводка на передающем конце (ПНПК) | | В | В | В | П | В | В |
Механические испытания | |
Выводы и соединения | | П | П | П | П | П | П |
Общая методика испытаний | | П | П | П | П | П | П |
Винтовые выводы | | П | П | П | П | П | П |
Безрезьбовые выводы | | П | П | П | П | П | П |
Соединения с проколом изоляции | | П | П | П | П | П | П |
Испытание на вытягивание одножильных проводников на выводах УЗИП | | П | П | П | П | П | П |
1 | Испытание на вытягивание многожильных кабелей и шнуров на выводах УЗИП | | П | П | П | П | П | П |
Механическая прочность (при монтаже) | | П | П | П | П | П | П |
Защита от попадания твердых частиц и проникновения воды | | П | П | П | П | П | П |
Защита от прямого прикосновения к токоведущим частям | | П | П | П | П | П | П |
Огнестойкость | | П | П | П | П | П | П |
Испытания на воздействующие факторы окружающей среды | |
Устойчивость к высоким температурам и влажности | | В | В | В | В | П | П |
Циклическое испытание окружающей средой с импульсными перенапряжениями | | В | В | В | В | П | П |
Циклическое испытание окружающей средой с импульсами переменного тока | | В | В | В | В | П | П |
2 | Испытания на ограничение напряжения | |
Максимальное длительное рабочее напряжение (Uc) | | П | П | П | П | П | П |
Сопротивление изоляции | | П | П | П | П | П | П |
Устойчивость к воздействию импульсов для функции ограничения напряжения <1> | | П | П | П | П | П | П |
Ограничение импульсов напряжения <2> | | П | П | П | П | П | П |
Возврат импульса коммутирующих типов | | П | П | П | П | П | П |
Устойчивость к воздействию переменного тока для функции ограничения напряжения <1> | | В | В | В | В | В | В |
Испытание мертвой зоны многоступенчатого УЗИП | | П | П | П | П | П | П |
Режимы повреждения в результате перенапряжения | | В | В | В | В | В | В |
3 | Испытания на токоограничение | |
Номинальный ток | | | П | П | П | | П |
Последовательное сопротивление | | Н | П | П | П | Н | П |
Время-токовая характеристика | | Н | П | Н | | Н | |
Время возврата в исходное состояние | | Н | П | Н | | Н | |
Максимальное напряжение отключения | | Н | П | Н | | Н | |
Испытание в рабочем режиме | | Н | П | Н | | Н | |
Устойчивость к воздействию переменного тока для функции токоограничения <1> | | Н | П | Н | | Н | |
Устойчивость к воздействию импульсов для функции токоограничения <1> | | Н | П | Н | | Н | |
4 | Приемо-сдаточные испытания | | В | В | В | В | В | В |
Примечание - П - применимо; Н - неприменимо; В - возможно (по выбору). -------------------------------- <1> Для каждой категории испытательного импульса используют новый комплект образцов. <2> Рекомендуется измерять ограничение импульсного напряжения по 6.2.1.3 в ходе испытания на устойчивость к воздействию импульсов по 6.2.1.6. <3> Испытание неприменимо, если между выводами присутствует один линейный компонент. <4> Каждую испытательную серию проводят на трех образцах. <5> Применимо только для выводов 4/5 УЗИП (смотри рисунки 1d и 1e). |
Для применения настоящего стандарта необходимы следующие ссылочные документы. Для датированных ссылок применяют только указанное издание ссылочного документа, для недатированных ссылок применяют последнее издание ссылочного документа (включая все его изменения).
IEC 60050(702):1992 International Electrotechnical Vocabulary - Chapter 702: Oscillations, signals and related devices (Международный электротехнический словарь. Глава 702: Колебания, сигналы и связанные с ними устройства)
IEC 60050(726):1982 International Electrotechnical Vocabulary - Chapter 726: Transmission lines and waveguides (Международный электротехнический словарь. Глава 726: Линии связи и волноводы)
IEC 60060-1:1989 High-voltage test techniques - Part 1: General definitions and test requirements (Методы испытаний высоким напряжением. Часть 1. Общие определения и требования к испытаниям)
IEC 60068-2-30:1980 Environmental testing - Part 2: Tests - Test Db and guidance: Damp heat, cyclic (12 + 12-hour cycle) (Испытания на воздействия внешних факторов. Часть 2. Испытания. Испытание Db и руководство: Влажное тепло, циклическое (12 + 12-часовой цикл))
IEC 60529 Degrees of protection provided by enclosures (IP code) (Степени защиты, обеспечиваемые корпусами (Код IP))
IEC 60695-2-1/1:1994 Fire hazard testing - Part 2: Test methods - Section I/sheet 1: Glow wire end-product test and guidance (Испытание на пожароопасность. Часть 2. Методы испытаний. Раздел 1/лист 1. Испытания конечного продукта раскаленной проволокой. Общие требования)
IEC 60950:1999 Safety of information technology equipment (Безопасность оборудования информационных технологий)
IEC 60999-1 Connecting devices - Electrical copper conductors - Safety requirements for screw-type and screwless-type clamping units - Part 1: General requirements and particular requirements for clamping units for conductors from 0,2 mm2 up to 35 mm2 (included) (Устройства соединительные. Медные электропровода. Требования безопасности к винтовым и безвинтовым зажимам. Часть 1. Общие и частные требования к зажимам для проводов сечением от 0,2 мм2 до 35 мм2 (включительно))
IEC 61000-4-5 Electromagnetic compatibility (EMC) - Part 4: Testing and measurement techniques - Section 5 - Surge immunity test (Электромагнитная совместимость. Часть 4-5. Методики испытаний и измерений. Испытание на невосприимчивость к выбросу напряжения)
IEC 61083-1 Digital recorders for measurements in high voltage impulse tests - Part 1: Requirements for digital recorders (Аппаратура и программное обеспечение, применяемые при испытаниях импульсами высокого напряжения. Часть 1. Требования к аппаратуре)
IEC 61180-1:1992 High-voltage test techniques for low-voltage equipment - Part 1: Definitions, test and procedure requirements (Техника испытаний высоким напряжением низковольтного оборудования. Часть 1. Определения, требования к испытанию и процедуре)
IEC 61643-1 Surge protective devices connected to low-voltage power distribution systems - Part 1: Performance requirements and testing methods (Устройства защиты от перенапряжений низковольтные. Часть 11. Устройства защиты от перенапряжений, подсоединенные к низковольтным системам распределения электроэнергии. Требования и методы испытаний)
IEC 61643-11:2011 Surge protective devices connected to low-voltage power distribution systems - Part 1: Performance requirements and testing methods (Устройства защиты от перенапряжений низковольтные. Часть 11. Устройства защиты от перенапряжений, подсоединенные к низковольтным системам распределения электроэнергии. Требования и методы испытаний)
IEC 61643-22:2004 Low-voltage surge protective devices - Part 22: Surge protection devices connected to telecommunications and signalling networks - Selection and application principles (Устройства защиты от перенапряжений низковольтные. Часть 22. Устройства защиты от перенапряжений, связанные с телекоммуникационными и сигнальными сетями. Принципы выбора и применения)
ITU-T Recommendation K.44:2011 Resistibility tests for telecommunication equipment exposed to overvoltages and overcurrents - Basic Recommendation (Рекомендация МСЭ К.44:2003 Испытания на устойчивость телекоммуникационного оборудования, подвергаемого воздействию перенапряжений и сверхтоков. Основные рекомендации)
ITU-T Recommendation K.55:2002 Overvoltage and overcurrent requirements for insulation displacement connectors (IDC) terminations (Рекомендация МСЭ К.55:2002 Требования, касающиеся перенапряжения и сверхтока для выводов соединителей со смещением изоляции)
ITU-T Recommendation K.82 Characteristics and ratings of solid-state, self-restoring overcurrent protectors for the protection of telecommunications installations (Рекомендация Международного Союза Электросвязи (МСЭ) К.82. Характеристики и параметры полупроводниковых и самовосстанавливающихся средств защиты телекоммуникационных установок от сверхтока)
ITU-T Recommendation O.9:1999 Measuring arrangements to assess the degree of unbalance about earth (Рекомендация МСЭ О.9:1999 Измерительные устройства для определения степени дисбаланса относительно земли)
В настоящем стандарте применены следующие термины с соответствующими определениями:
3.1 номер модели (model number): Код, нанесенный на устройство или указанный в сопроводительной документации, позволяющий идентифицировать УЗИП.
3.2 предпочтительные значения (preferred values): Значения параметров, указанные в таблицах для испытаний, предпочтительные в том смысле, что их применение способствует унификации и предоставляет возможность для сравнения разных типов защитных устройств и нахождения общего понимания между потребителем и изготовителем импульсных защитных устройств, применяемых в сетях телекоммуникации и сигнализации. Тем не менее, для специальных назначений могут потребоваться значения, иные, чем предпочтительные значения, приведенные в таблицах.
3.3 режимы повреждения при перенапряжении (overstressed fault mode):
режим 1: Условие, при котором часть УЗИП, ограничивающая напряжение, отключилась. Функция ограничения напряжения не действует, но линия остается работоспособной;
режим 2: Условие, при котором часть УЗИП, ограничивающая напряжение, накоротко замкнута очень малым полным сопротивлением внутри УЗИП. Линия неработоспособна, однако оборудование остается защищенным коротким замыканием;
режим 3: Ситуация, при которой УЗИП подверглось разрыву внутренней цепи со стороны части УЗИП, ограничивающей напряжение. Линия неработоспособна, однако оборудование защищено разомкнутой линией.
3.4 защита (protection): Применение методов и средств для предупреждения распространения повреждающей электрической энергии сверх предусмотренных пределов.
3.5 время-токовая характеристика (current response time): Время, требующееся токоограничивающему компоненту, чтобы сработать при заданном токе и заданной температуре.
3.6 максимальное длительное рабочее напряжение Uc (maximum continuous operating voltage, Uc): Максимальное напряжение (постоянного или действующего значения переменного тока), которое может длительно прикладываться к выводам УЗИП, не вызывая деградации передающих характеристик УЗИП.
3.7 максимальное напряжение отключения (maximum interrupting voltage): Максимальное напряжение (постоянного или действующего значения переменного тока), которое может длительно прикладываться к токоограничивающим элементам УЗИП, не вызывая его деградации. Данное напряжение может быть равно Uc УЗИП или иметь более высокое значение в зависимости от расположения токоограничивающих компонентов внутри УЗИП.
3.8 устройства для защиты от импульсного перенапряжения (УЗИП) (surge protective device (SPD)): Устройства, которые ограничивают напряжение на определенном вводе или вводах, в ответ на импульс напряжения, превышающего заданный уровень.
Примечания
1 Устройства могут выполнять дополнительные функции, например функцию токоограничения на выводах.
2 Как правило, цепь защиты имеет не менее одного нелинейного компонента для ограничения импульсного перенапряжения.
3 УЗИП является комплектными устройствами с выводами для присоединения проводников цепи.
3.9 ограничение напряжения (voltage limiting): Действия УЗИП, которые вызывают понижение напряжений, превысивших заданное значение.
3.10 токоограничение (current limiting): Действия УЗИП, содержащих не менее одного нелинейного токоограничивающего компонента, которое вызывает ограничение токов, превысивших заданное значение.
3.11 суммарный разрядный ток (total discharge current (ITotal)): Ток, протекающий через вывод заземления (общий вывод C) многовыводного УЗИП при испытании суммарным разрядным током.
Примечание - Его также называют "суммарный импульсный ток".
3.12 восстанавливаемое токоограничение (resettable current limiting): Действия УЗИП, которые ограничивают ток и могут быть восстановлены вручную после срабатывания.
3.13 самовосстанавливаемое токоограничение (self-resetting current limiting): Действия УЗИП, которые ограничивают ток и восстанавливаются без внешнего воздействия после ликвидации токовых помех.
3.14 УЗИП ограничивающего типа (voltage clamping type SPD): УЗИП, сохраняющие высокое параллельное полное сопротивление, но постепенно снижающие его с возрастанием волны тока и напряжения, превысивших пороговый уровень УЗИП.
Примечание - Примерами компонентов, применяемых в УЗИП ограничивающего типа, являются варисторы (например, MOV) и лавинные пробиваемые диоды (ЛПД).
3.15 УЗИП коммутирующего типа (voltage switching type SPD): УЗИП, сохраняющие высокое параллельное полное сопротивление, но мгновенно или постепенно понижающие в ответ на скачок напряжения, превысивший пороговый уровень УЗИП.
Примечание - Примерами компонентов, применяемых в УЗИП коммутирующего типа, являются воздушные разрядники, газоразрядные трубки (ГРТ) и тиристорные подавители импульсов (ТПИ).
3.16 защитный уровень напряжения Up (voltage protection level, Up): Параметр, характеризующий УЗИП в части ограничения напряжения на его выводах. Данное значение больше, чем наибольшее из измеренных ограничиваемых напряжений, и определяется изготовителем.
3.17 многоступенчатое УЗИП (multi-stage SPD): УЗИП, которые имеют несколько компонентов ограничения напряжения. Данные ограничивающие компоненты могут быть электрически отделены или не отделены параллельным компонентом. Компоненты могут быть либо коммутирующего, либо ограничивающего типа.
3.18 мертвая зона (blind spot): Ситуация, в которой напряжения, превышающие максимальное длительное рабочее напряжение Uc, могут вызвать неполное срабатывание УЗИП. Неполное срабатывание УЗИП означает, что не все ступени многоступенчатых УЗИП сработали в ходе импульсных испытаний. Это может привести к перенапряжению компонентов УЗИП.
3.19 устойчивость к воздействию переменного тока (a.c. durability): Характеристика УЗИП, позволяющая ему проводить переменный ток заданных величины и длительности заданное число раз.
3.20 устойчивость к воздействию импульсного тока (impulse durability): Характеристика УЗИП, позволяющая ему проводить импульсный ток заданных формы волны и пикового значения заданное число раз.
3.21 время возврата в исходное состояние (current reset time): Время, требующееся устройству самоуставливаемого токоограничения для возврата в свое нормальное состояние или состояние покоя.
3.22 номинальный ток (rated current): Максимальный ток, который устройство токоограничения УЗИП может длительно проводить без изменения полного сопротивления токоограничивающих компонентов.
Примечание - Это также касается линейных компонентов, включенных последовательно.
3.23 сопротивление изоляции (insulation resistance): Сопротивление между выводами УЗИП, к которым подается напряжение Uc.
3.24 возвратные потери (return loss): Модуль обратной величины коэффициента отражения, обычно выражают в децибелах (дБ).
Примечание - Если известны полные сопротивления, возвратные потери определяют по формуле:
20 log10 MOD [(Z1 + Z2)/(Z1 - Z2)],
где Z1 - характеристическое полное сопротивление передающей линии до отключения или полное сопротивление источника тока; Z2 - полное сопротивление передающей линии после отключения или полное сопротивление нагрузки, рассматриваемое с точки зрения объединения источника питания и нагрузки.
[IEC 60050-702].
3.25 коэффициент погрешности бит (КПБ) (bit error ratio (BER)): Отношение числа ошибок бит информации к общему числу бит информации, переданных в течение данного интервала времени.
3.26 потери при вводе (insertion loss): Потери в результате ввода УЗИП в передающую систему. Они выражаются отношением мощности, подаваемой в часть системы после УЗИП до его ввода, к мощности, подаваемой в ту же часть системы после ввода УЗИП. Это отношение обычно измеряют в децибелах.
[IEC 60050-706].
3.27 перекрестная наводка на передающем конце (ПНПК) (near- end crosstalk (NEXT)): Перекрестная наводка вследствие помех, распространяемая в направлении, противоположном распространению тока. Вывод канала, на котором присутствует перекрестная наводка на передающем конце, обычно расположен рядом либо совпадает с выводом питания этого канала.
3.28 продольный баланс (аналоговых цепей речевой частоты) (longitudinal balance (analogue voice frequency circuits)): Электрическая симметричность двух проводов, составляющих пару относительно земли.
3.29 продольный баланс (цепей передачи информации) (longitudinal balance (data transmission)): Установление подобия полного сопротивления относительно земли (или общего типа) для двух или более проводников в сбалансированной цепи. Данный термин применяют для обозначения степени чувствительности к помехам общего типа.
3.30 продольный баланс (кабельных сетей коммуникации и управления) (longitudinal balance (communication and control cables)): Отношение напряжения (Vs) переменного тока (действующее значение) при помехах общего типа (продольного) на землю к результирующему напряжению (Vm) переменного тока (действующее значение) испытуемого УЗИП при помехах дифференциального типа (металлического), выраженное в децибелах (дБ).
Примечание - Продольный баланс в децибелах находят по формуле:
20 log10 Vs/Vm, где Vs и Vm измеряют при одной и той же частоте.
3.31 продольный баланс (сетей телекоммуникации) (longitudinal balance (telecommunications)): Отношение напряжения (Vs) при помехах общего типа (продольного) к результирующему напряжению (Vm) испытуемого УЗИП при помехах дифференциального типа (металлического), выраженное в децибелах (дБ).
3.32 импульс (в сетях телекоммуникации) (impulse (telecommunications)): Временное превышение напряжения или тока или того и другого в сети телекоммуникации, вызванное влиянием постороннего источника электропитания.
Примечания
1 Типичными посторонними источниками электропитания являются грозовые разряды и силовые системы переменного/постоянного тока.
2 Связь с посторонним источником электропитания может быть одна или несколько - электрическая, магнитная, электромагнитная, кондуктивная.
3.33 номинальный разрядный ток In (nominal discharge current (In)): Пиковое значение тока, протекающего через УЗИП, с формой волны 8/20.
3.34 номинальный импульсный ток ISM (rated surge current (ISM)): Максимальное значение импульсного тока УЗИП с заданной формой волны.
3.35 импульсный разрядный ток Iimp (impulse discharge current (Iimp)): Пиковое значение разрядного тока (10/350), протекающего через УЗИП.
4. Условия эксплуатации и испытаний
4.1.1 Нормальные условия эксплуатации
4.1.1.1 Атмосферное давление и высота
Атмосферное давление составляет от 80 до 106 кПа. Данные значения соответствуют высоте от 2000 м выше уровня моря и до 500 м ниже уровня моря соответственно.
4.1.1.2 Температура окружающего воздуха
Диапазоны температур:
- нормальный от минус 5 °C до плюс 40 °C;
Примечание 1 - Данный диапазон обычно соответствует УЗИП внутренней установки, код AB4 согласно IEC 60364-5-51.
- расширенный от минус 40 °C до плюс 70 °C;
Примечание 2 - Данный диапазон обычно соответствует УЗИП наружной установки в местах, не защищенных от погодных условий, класс 3K7 согласно IEC 60721-3-3.
- хранения от минус 40 °C до плюс 70 °C.
Примечание 3 - Все значения за пределами диапазона определяет изготовитель.
4.1.1.3 Относительная влажность
- нормальная - от 5% до 95%;
Примечание 1 - Данный диапазон обычно соответствует УЗИП внутренней установки, код AB4 согласно IEC 60364-5-51.
- повышенная - от 5% до 100%.
Примечание 2 - Данный диапазон обычно соответствует УЗИП наружной установки (например УЗИП в оболочке, защищенной от погодных условий), в местах, не защищенных от погодных условий.
4.1.2 Аномальные условия эксплуатации
Установка УЗИП в аномальных условиях эксплуатации может потребовать специальных мер, предусмотренных конструкцией согласно назначению УЗИП. Об этом следует предупредить изготовителя.
4.2 Температура испытаний и влажность
УЗИП испытывают при температуре (25 +/- 10) °C и относительной влажности от 25 до 75%.
По требованию изготовителя или потребителя УЗИП должны испытывать при предельных температурах рабочего диапазона температур, выбранного для требуемого назначения. Выбранный диапазон может быть уже, чем полный диапазон по
4.1 согласно назначению.
Для отдельных технологических исполнений УЗИП может быть заранее известно, что только одна из предельных температур из выбранного диапазона представляет собой случай наихудших условий испытания. Тогда испытание проводят только при этой предельной температуре. Данная предельная температура может быть разной в каждом случае испытаний согласно
разделу 6 для одного и того же технологического исполнения УЗИП.
Для испытания, выполняемого при предельных температурах, УЗИП должны в течение достаточного времени постепенно нагреваться или охлаждаться во избежание теплового удара. Если не указано иное, это должно происходить в течение не менее 1 ч. Перед испытанием УЗИП должны выдерживаться при указанной температуре в течение достаточного времени для достижения теплового равновесия. Если не указано иное, это должно быть не менее 15 мин.
УЗИП согласно настоящему стандарту следует испытывать с теми же выводами и соединениями, которые используют для УЗИП наружной установки. Кроме того, на выводах и соединениях УЗИП должны быть проведены измерения. Если выводы и соединения используют с основаниями или соединителями, тогда эти основания и соединители должны стать неотъемлемой частью испытания.
Международный Союз Электросвязи в своих рекомендациях серии К приводит требования к защитным держателям (К.65) и модульным выводам (К.55).
Когда испытания проводят с основанием, измерения следует проводить, как можно ближе к выводам основания УЗИП (модульным выводам), предназначенным для внешних соединений. Регистраторы формы волны, предназначенные для измерений, должны иметь минимальную характеристику в соответствии с IEC 61083-1 относительно конкретного измерения.
Примечание - Настройку регистратора формы волны см.
приложение D.
УЗИП на
рисунках 1c,
1e и
1f могут иметь один общий путь тока (включая защитные компоненты или только внутренние соединения), по которому проходит суммарный импульсный ток
ITotal. Изготовитель должен указать максимальное значение импульсного тока для данного токового пути. Данное значение импульсного тока может быть меньше, чем
n-кратная токовая способность каждого вводного вывода, где
n - число вводных выводов.
Вопросы числа образцов и допустимого числа отбраковок являются предметом соглашения между изготовителем и потребителем.
4.4 Допуски на форму волны
Форму волны определяют параметры A/B, где A - время фронта в миллисекундах; B - время полупериода в миллисекундах, которые должны соответствовать IEC 60060-1 (см. также IEC 61000-4-5). В таблице 2 приведены допуски на форму волны, используемые в настоящем стандарте.
Таблица 2
Параметры формы волны | Напряжение разомкнутой цепи формы волны 1,2/50 или 10/700 | Ток короткого замыкания формы волны 8/20 или 5/300 | Другие формы волны |
Пик | +/- 10% |
Время фронта | +/- 30% | +/- 20% | +/- 30% |
Время полупериода | +/- 20% |
Ко всем УЗИП, на которые распространяется действие настоящего стандарта, применимы следующие требования.
5.1.1 Идентификация и документация
Информация, приведенная в перечислениях a) -
n), должна быть либо маркирована на корпусе УЗИП, либо указана в сопроводительной документации или на упаковке. Любые применяемые сокращения должны поясняться в информационном листе. Условия каждого испытания, проводимого на УЗИП согласно
разделу 6, должны быть указаны в документации:
a) наименование изготовителя или товарный знак;
b) год и дата изготовления или серийный номер;
c) номер модели;
d) условия эксплуатации;
e) Максимальное длительное рабочее напряжение Uc (переменного и/или постоянного тока);
f) номинальный ток;
g) уровень напряжения защиты Up;
h) возврат в исходное состояние после импульса (по применению);
i) устойчивость к переменному току;
j) Параметры импульса (по
таблице 3 - категория и соответствующие параметры, например C2: 2 кВ/1 кА);
k) режимы повреждения в результате перенапряжения;
l) Передающие характеристики (согласно предполагаемому назначению УЗИП);
m) Дополнительная информация (при необходимости), касающаяся:
- заменяемых компонентов;
- применения радиоизотопов;
- "
in" и "переменного тока перенапряжения" при испытании импульсным током перенапряжения по
6.2.1.7 (если необходимо);
- импульсных токов: ISM, In, Iimp, ITotal;
n) последовательное сопротивление (по применению);
o) (УЗИП-) категория и параметры (если категорию маркируют на УЗИП, рекомендуется заключить ее в квадратную рамку.
Например:

).
5.1.2 Маркировка
УЗИП должны иметь четкую маркировку согласно
5.1.1:
a) наименование изготовителя или товарный знак;
b) прослеживаемость изготовления;
c) номер модели;
| | ИС МЕГАНОРМ: примечание. Обозначение пунктов дано в соответствии с официальным текстом документа. | |
e) максимальное длительное рабочее напряжение.
Маркировочный материал должен быть стойким к истиранию и стойким к реагентам, обычно используемым при эксплуатации УЗИП. Размещение маркировки может быть под крышкой оболочки, но доступно для потребителя (например, без инструмента). Любые замечания, касающиеся особого обращения, должны содержаться в документации или на упаковке. Соответствие проверяют по
6.1.2.
5.2 Требования к электрической части
При испытании в соответствии с
разделом 6 УЗИП должны отвечать следующим требованиям.
5.2.1 Требования к ограничению напряжения
Если УЗИП содержат исключительно компоненты, ограничивающие напряжение, они должны отвечать всем требованиям
5.2.1. УЗИП, содержащие как компоненты, ограничивающие напряжение, так и компоненты, ограничивающие ток, должны соответствовать всем требованиям
5.2.1, а также всем применимым требованиям
5.2.2.
УЗИП, которые между защищенными вводными выводами содержат линейный компонент, должны соответствовать применимым требованиям
5.2.2.
5.2.1.1 Максимальное длительное рабочее напряжение (
Uc)
Изготовитель должен указать максимальное длительное рабочее напряжение для УЗИП, соответствующее их назначению, например для переменного тока (действующее значение) или постоянного тока.
Соответствие проверяют согласно
6.2.1.1.
5.2.1.2 Сопротивление изоляции
Данную характеристику указывает изготовитель. Соответствие проверяют согласно
6.2.1.2.
5.2.1.3 Ограничение импульсного напряжения
УЗИП должны ограничивать указанное импульсное напряжение при испытании в условиях, определяемых
таблицей 3. Измеренное ограниченное напряжение не должно превышать заданного уровня напряжения защиты
Up (см. IEC 61180-1).
5.2.1.4 Возврат в исходное состояние после импульса
Данное требование распространяется на УЗИП только коммутирующего типа. После того, как к УЗИП была приложена волна импульса, выбранного по
таблице 3, УЗИП должны его погасить или вернуться в состояние покоя. При прикладывании волны импульса к УЗИП подают напряжение по
таблице 4. Если не указано иное, УЗИП должны в течение 30 с или ранее восстановить свое высокое полное сопротивление.
5.2.1.5 Устойчивость к переменному току
УЗИП, после того как были подвергнуты испытанию по
6.2.1.5 с током по
таблице 5, должны соответствовать требованиям
5.2.1 и
5.2.2 по применению.
5.2.1.6 Устойчивость к воздействию импульса
УЗИП, после того как были подвергнуты испытанию по
6.2.1.6 с формой волны напряжения и тока по
таблице 3, должны соответствовать требованиям
5.2.1 и
5.2.2 по применению.
5.2.1.7 Режим повреждения при перенапряжении
УЗИП не должны воспламениться, взорваться, иметь электрический пробой, а также не должны излучать токсичные газы при испытании по
6.2.1.7.
Изготовитель должен указать значение импульсного тока (с формой волны 8/20) и значение переменного тока, которые приведут к повреждению с ограничениями, указанными в
6.2.1.7.
5.2.1.8 Мертвая зона
Если изготовителем не представлено никакой информации, касающейся мертвых зон, или представленная информация требует проверки, проводят испытания многоступенчатых УЗИП по
6.2.1.8.
5.2.2 Требования к токоограничению
Если УЗИП содержат комбинацию из токоограничивающих и ограничивающих напряжение компонентов, то токоограничивающие компоненты должны соответствовать всем применимым требованиям 5.2.2. УЗИП, содержащие один линейный компонент (например, резистор или катушка индуктивности) между вводными выводами, должны отвечать требованиям 5.2.2.1,
5.2.2.2,
5.2.2.7 и
5.2.2.8.
Изготовитель должен указать номинальный ток. Для проверки значения номинального тока УЗИП испытывают согласно
6.2.2.1. Проведение данного испытания не должно вызвать изменение рабочих характеристик токоограничивающего компонента УЗИП.
5.2.2.2 Последовательное сопротивление
Изготовитель должен указать значение с допуском последовательного сопротивления. Для проверки указанного значения последовательного сопротивления УЗИП испытывают по
6.2.2.2.
5.2.2.3 Время-токовая характеристика срабатывания
При испытании согласно
6.2.2.3 токоограничивающие компоненты должны сработать при значении или ниже значения времени срабатывания, указанного изготовителем. Предпочтительные значения испытательного тока приведены в
таблице 6. См. Рекомендацию ITU-T K.30.
5.2.2.4 Время возврата в исходное состояние
УЗИП, содержащие один или несколько самовосстанавливаемых токоограничивающих компонентов, испытывают согласно
6.2.2.4. Время возврата в исходное состояние, должно составлять не менее 120 с, если не указано иное.
Это требование не распространяется на УЗИП, содержащие токоограничивающие компоненты, взводимые вручную.
5.2.2.5 Максимальное напряжение отключения
Данное требование распространяется только на УЗИП, содержащие самовосстанавливаемые или восстанавливаемые вручную токоограничивающие компоненты. Изготовитель УЗИП должен указать максимальное напряжение отключения токоограничивающих компонентов. Подтверждение данного значения производится при проведении испытания в соответствии с
6.2.2.5. После испытания не должно быть деградации рабочих характеристик токоограничивающих компонентов.
5.2.2.6 Испытание в рабочем режиме
Данное требование распространяется только на УЗИП, содержащие самовосстанавливаемые или восстанавливаемые вручную токоограничивающие компоненты. УЗИП подвергают воздействию повторяемого максимального напряжения отключения. Подаваемый ток должен быть достаточным для срабатывания токоограничивающих компонентов, его выбирают по
таблице 7. После испытаний токоограничивающие компоненты должны соответствовать требованиям
5.2.2.3 и
5.2.2.4.
5.2.2.7 Устойчивость к воздействию переменного тока
УЗИП подвергают воздействию повторяемого тока заданного значения. В
таблице 8 приведены предпочтительные значения переменного тока. После воздействия этих токов токоограничивающие компоненты УЗИП должны отвечать требованиям
5.2.2.1 -
5.2.2.3.
5.2.2.8 Устойчивость к воздействию импульсов тока
УЗИП подвергают воздействию заданного числа импульсов заданного значения пикового тока. В
таблице 9 приведены их предпочтительные значения. После воздействия этих импульсов в соответствии с
6.2.2.8 токоограничивающие компоненты УЗИП должны отвечать требованиям
5.2.2.1 -
5.2.2.3.
5.2.3 Требования к передаче информации
УЗИП в дополнение к соответствию требованиям
5.2.1 и
5.2.2 могут отвечать специфическим требованиям 5.2.3 согласно типу коммуникации и сигнала (например, голосовой, информационный и видео). В
таблице 1 приведено руководство по выбору испытаний по применяемому типу передачи информации.
5.2.3.1 Емкость
Изготовитель должен указать значение емкости между указанными выводами. Соответствие проверяют испытанием по
6.2.3.1.
5.2.3.2 Потери при вводе
УЗИП испытывают в соответствии с
6.2.3.2, чтобы определить, действительно ли при вводе УЗИП в испытательную систему происходит понижение напряжения между генерирующим и измерительным оборудованием.
5.2.3.3 Возвратные потери
УЗИП испытывают в соответствии с
6.2.3.3, что позволяет определить величину сигнала, отраженного в источник сигнала в заданном диапазоне частот при вводе УЗИП в передающую линию.
5.2.3.4 Продольный баланс
УЗИП испытывают в соответствии с
6.2.3.4. Данным испытанием определяют минимальный допустимый продольный баланс УЗИП, применяемых в сбалансированных цепях. Продольный баланс измеряют в интересуемом диапазоне частот.
5.2.3.5 Коэффициент погрешности передачи данных (бит) (КПБ)
УЗИП испытывают в соответствии с
6.2.3.5. Данным испытанием определяют, действительно ли при введении импульсного защитного устройства возникают погрешности передачи данных в цифровой передающей системе.
5.2.3.6 Перекрестная наводка на передающем конце (ПНПК)
УЗИП испытывают в соответствии с
6.2.3.6. Данным испытанием определяют величину сигнала, который передается из одной цепи в другую в результате ввода УЗИП.
5.3 Требования к механической части
УЗИП должны соответствовать указанным ниже требованиям. Указанные требования могут быть уточнены и дополнены с учетом национальных условий.
5.3.1 Выводы и соединения
a) Крепление выводов и соединений к УЗИП выполняют так, чтобы они не ослаблялись при затягивании или отпускании зажимных винтов и блокировочных гаек. Для отпускания зажимных винтов и блокировочных гаек должен требоваться инструмент.
b) Винты, токоведущие части и соединения
1) Соединения, электрические и механические, должны выдерживать механические нагрузки, случающиеся при нормальной эксплуатации, а также механические нагрузки, возникающие под действием высоких импульсных токов.
Винты, применяемые при монтаже УЗИП, не должны быть самонарезающего типа.
Соответствие проверяют осмотром и испытанием согласно
6.3.1.2.
2) Электрические соединения должны быть выполнены так, чтобы контактное давление не передавалось через изолирующий материал, кроме керамики, чистой слюды или другого материала с не менее пригодными характеристиками, если металлические части в силу недостаточной гибкости не в состоянии компенсировать возможную усадку либо текучесть изоляционного материала.
Соответствие проверяют осмотром.
Пригодность материала оценивают по стабильности размеров.
3) Токоведущие части и соединения, включая части, предназначенные для заземления проводников, при их наличии, должны быть из:
- меди;
- сплава, содержащего не менее 58% меди для частей, изготовленных холодным способом;
- сплава, содержащего не менее 50% меди для частей, изготовленных не холодным способом, или другого металла или металла с соответствующим покрытием, не менее устойчивого к коррозии, чем медь, и с не худшими механическими свойствами.
Требования к механическим соединениям для специальных выводов изложены в IEC 61643-1.
c) Безрезьбовые выводы для внешних проводников
1) Выводы должны иметь такую конструкцию, чтобы:
- каждый проводник зажимался отдельно, и проводники можно было присоединять или отсоединять либо все вместе одновременно, либо по отдельности;
- существовала возможность надежного крепления любого числа проводников вплоть до предусмотренного максимального числа.
2) Выводы должны иметь такую конструкцию, чтобы зажимать проводники, не повреждая их.
Соответствие проверяют осмотром.
d) Соединения с проколом изоляции для внешних проводников
1) Соединения с проколом изоляции должны обеспечивать надежное механическое соединение.
Соответствие проверяют осмотром и испытанием по
6.3.1.4.
2) Винты для создания контактного давления не должны служить для крепления других элементов, хотя они могут применяться для крепления на месте самого УЗИП для предупреждения его вращения.
Соответствие проверяют осмотром.
3) Винты не должны быть выполнены из мягкого или ломкого металла.
Соответствие проверяют осмотром.
e) Коррозиестойкие металлы
Зажимы (кроме винтов), стопорные гайки, зажимные скобы, упорные шайбы, провода и аналогичные элементы должны быть выполнены из металла, устойчивого к коррозии (см. IEC 60999-1).
5.3.2 Механическая прочность (при монтаже)
УЗИП должны снабжаться соответствующими средствами для монтажа, гарантирующими их механическую надежность.
5.3.3 Защита от попадания твердых частиц и проникновения воды
Конструкция УЗИП должна обеспечивать их удовлетворительную работу в условиях эксплуатации, указанных в
4.1. УЗИП, установленные вне помещения, должны быть защищены от влияния погодных условий экраном из стекла, стеклокерамики или другого подходящего материала, предохраняющим их от УФ излучений, коррозии, эрозии и трекинга.
Они должны располагать достаточными расстояниями утечки между двумя частями разных потенциалов. В некоторых странах применяют национальные нормы.
5.3.4 Защита от прямого прикосновения
Защиту от прямого прикосновения (недоступность частей, находящихся под напряжением) должна выполнять конструкция УЗИП, так чтобы части, находящиеся под напряжением, были недоступны для прикосновения к ним, когда УЗИП установлены для предназначенной эксплуатации. Данное требование действительно для доступных УЗИП, в которых Uc составляет свыше 50 В (действующее значение) переменного тока или 71 В постоянного тока.
Конструкцией УЗИП, за исключением классифицируемых как недоступные, должно быть предусмотрено, чтобы когда УЗИП подсоединено и установлено как при нормальной эксплуатации, его части, находящиеся под напряжением, были недоступны для прикосновения к ним, даже после снятия частей, которые могут сниматься без помощи инструмента (проверочное испытание с помощью изолированного инструмента по
6.3.4).
Соединение между выводами заземления и всеми доступными частями, подсоединенными к ним, должно иметь низкое сопротивление (см. IEC 60529).
В некоторых странах применяются национальные нормы.
5.3.5 Огнестойкость
Изолирующие части корпуса должны быть невоспламеняющимися или самозатухающими.
В некоторых странах применяются национальные нормы.
5.4 Требования к условиям окружающей среды
УЗИП, предназначенные для применения только в неконтролируемых условиях окружающей среды, согласно
4.1 должны отвечать нижеприведенным требованиям к окружающей среде, согласованным между изготовителем и потребителем.
5.4.1 Стойкость к повышенным температуре, влажности
УЗИП подвергают воздействию температуры 80 °C и относительной влажности 90%. Длительность воздействия выбирают по
таблице 15. Данное испытание проводят только для УЗИП, предназначенных для эксплуатации в неконтролируемых условиях окружающей среды, его проводят в соответствии с
6.4.1. После воздействия компоненты УЗИП, ограничивающие напряжение, должны соответствовать требованиям
5.2.1.2 и
5.2.1.3. Если испытуемое УЗИП содержит токоограничивающие компоненты, то они должны соответствовать требованиям
5.2.2.2 и
5.2.2.3.
Если представленные изготовителем серии УЗИП отличаются значением Uc и при идентичных частях имеют меняемые параметры напряжений компонентов ограничения напряжения и тока для калибровки специфичного значения Uc, в таком случае испытанию подлежат только УЗИП с наибольшим уровнем напряжения защиты.
5.4.2 Циклическое изменение окружающей среды с импульсными перенапряжениями
УЗИП подвергают циклическому изменению температур при повышенной влажности с одновременной подачей импульсных токов. Тип циклического изменения температур выбирают по
таблице 16.
Во время и после циклического изменения окружающей среды компоненты УЗИП, ограничивающие напряжение, должны соответствовать требованиям
5.2.1.2 и
5.2.1.3. Если испытуемое УЗИП содержит токоограничивающие компоненты, тогда они должны соответствовать требованиям
5.2.2.2 и
5.2.2.3.
Данное испытание проводят только для УЗИП, предназначенных для эксплуатации в неконтролируемых условиях окружающей среды, и их следует проводить в соответствии с
6.4.2.
Если представленные изготовителем серии УЗИП отличаются значением Uc и при идентичных частях имеют меняемые параметры напряжений компонентов ограничения напряжения и тока для калибровки специфичного значения Uc, в таком случае испытанию подлежат только УЗИП с наибольшим уровнем напряжения защиты.
5.4.3 Циклическое изменение окружающей среды с воздействием переменного тока
УЗИП подвергают циклическому изменению температур при повышенной влажности с одновременной подачей переменных токов.
Значения этих токов и их длительность выбирают по
таблице 5.
Тип циклического изменения температур выбирают по
таблице 16.
Во время и после циклического изменения окружающей среды УЗИП должны соответствовать требованиям
5.2.1.2 и
5.2.1.3.
Данное испытание проводят только для УЗИП, предназначенных для эксплуатации в неконтролируемых условиях окружающей среды, и их следует проводить в соответствии с
6.4.3.
Если представленные изготовителем серии УЗИП отличаются значением Uc и при идентичных частях имеют меняемые параметры напряжений компонентов ограничения напряжения и тока для калибровки специфичного значения Uc, в таком случае испытанию подлежат только УЗИП с наибольшим уровнем напряжения защиты.
6.1.1 Идентификация и документация
При осмотре идентификация и документация должны отвечать требованиям
5.1.1.
Проверку маркировки выполняют при осмотре. Проверке на устойчивость подвергают все типы маркировки, кроме нанесенной штампованием или гравированием.
Испытание проводят натиранием маркировки вручную в течение 15 с кусочком ваты, смоченной водой, и еще в течение 15 с кусочком хлопковой ткани, смоченной гексановым растворителем с содержанием ароматических веществ не более 0,1% от объема, каурибутаноловым числом 29, начальной точкой кипения около 65 °C и удельным весом 0,68 г/дм3. После этого испытания маркировка должна быть ясно различимой.
6.2 Электрические испытания
6.2.1 Испытание на ограничение напряжения
Изложить в новой редакции:
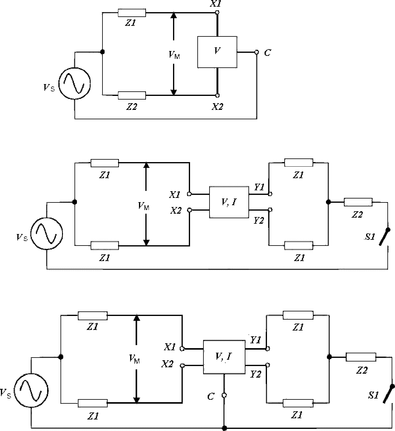
Если не установлено иное, для всех испытаний, в которых требуется источник питания при Uc или при максимальном напряжении отключения, допуск на испытательное напряжение составляет +0/-5%. На постоянном токе максимальные колебания не должны превышать 5%. На переменном токе испытания проводят при частоте 50 Гц или 60 Гц, если изготовителем не установлено иное.
Во всех испытаниях на ограничение напряжения проводят испытания общего вида (X1-C, X2-C). Испытание дифференциального вида (X1-X2) не является обязательным.
Примечание - Основные конфигурации для измерения
Up приведены в рекомендуемом
приложении F.
6.2.1.1 Максимальное длительное рабочее напряжение (
Uc)
Uc проверяют в ходе испытания сопротивления изоляции по 6.2.1.2.
6.2.1.2 Сопротивление изоляции
Сопротивление изоляции измеряют в обеих полярностях на паре выводов одновременно. Испытательное напряжение должно быть равно
Uc. Если
Uc УЗИП имеет значения переменного и постоянного тока, то его следует испытывать на постоянном токе. Если
Uc УЗИП имеет значения только переменного тока, то его следует испытывать на постоянном токе. При этом напряжение постоянного тока рассчитывают, как

. Для поляризованных (зависимых от полярности) конструкций УЗИП постоянного тока испытание проводят только в одной полярности. Измеряют ток, пропускаемый между испытуемыми выводами.
Сопротивление изоляции равно испытательному напряжению, прикладываемому к выводам УЗИП, деленному на измеренный ток. Оно должно быть выше или равно значению, установленному изготовителем.
6.2.1.3 Ограничение импульсного напряжения
УЗИП испытывают одним импульсом, выбранным из категории C по
таблице 3 и приложенным к соответствующим выводам. Уровень тока выбирают, исходя из токопроводящей способности УЗИП, установленной при испытании на устойчивость к воздействию импульсов (см.
6.2.1.6). Оба испытания на ограничение импульсного напряжения и на устойчивость к воздействию импульсов выполняют с одним и тем же импульсом. В
таблице 3 приведены минимальные требуемые значения, другие параметры импульсного тока можно найти в других стандартах, например Рекомендациях ITU-T.
Примечание 1 - Испытание на ограничение импульсного напряжения Up не обязательно для категорий A, B и D.
Прикладывают пять отрицательных и пять положительных импульсов. Генератор должен иметь напряжение холостого хода и ток короткого замыкания, выбранные по
таблице 3.
Ограничение напряжения измеряют для каждого импульса без нагрузки. Максимальное измеренное напряжение на соответствующих выводах не должно превышать указанного уровня напряжения защиты (Up). Между импульсами должен быть достаточный интервал времени, чтобы не допустить накопления теплоты. Очевидно, что разные УЗИП имеют разные тепловые характеристики, поэтому интервалы времени между импульсами будут разные.
Примечание 2 - Сведения об уставках самописцев для записи импульсов см. в
приложении D.
Таблица 3
Формы волны напряжения и тока при ограничении
импульсного напряжения и устойчивости к импульсам
Категория | Тип испытания | | Ток короткого замыкания | Минимальное число импульсов | Испытуемые выводы |
A1 | Очень низкая скорость возрастания | >= 1 кВ Скорость возрастания от 0,1 кВ/с до 100 кВ/с | 10 А | Не подаются | X1-C X2-C |
>= 1000 мкс (длительность) |
A2 | Переменный ток | | Один цикл |
B1 | Низкая скорость возрастания | 1 кВ 10/1000 | 100 А 10/1000 | |
B2 | от 1 кВ до 4 кВ 10/700 | от 25 А до 100 А 5/320 | 300 |
B3 | >= 1 кВ 100 В/мкс | от 10 А до 100 А 10/1000 | |
C1 | Высокая скорость возрастания | от 0,5 до < 2,0 кВ 1,2/50 | от 0,25 кА до 1,0 кА 8/20 | 300 |
C2 | от 2 кВ до 10 кВ 1,2/50 >= 1 кВ | от 1 кА до 5 кА 8/20 | 10 |
C3 | 1 кВ/мкс | от 10 А до 100 А 10/1000 | 300 |
D1 | Высоковольтный | >= 1 кВ | от 0,5 кА до 2,5 кА 10/350 | 2 |
D2 | >= 1 кВ | от 0,6 кА до 2,0 кА 10/250 | 5 |
Примечание - Значения, приведенные в таблице 3, являются минимальными. -------------------------------- <1> Можно использовать холостое напряжение, кроме 1 кВ. Однако, оно должно быть достаточным для срабатывания испытуемого УЗИП. <2> Выводы X1-X2 испытывают только при необходимости. При проверке Up только один импульс формы волны по категории C является обязательным, по категориям A, B и D - не обязательны. Прикладывают 5 положительных и 5 отрицательных импульсов. Для измерения устойчивости к воздействию импульсов форма волны импульса по категории C является обязательной, A1, B и D - не обязательны. Категории B1, B2, C1, C2 и D2 являются производными испытаний с напряжением, поэтому в графе "Ток короткого замыкания" приведен ожидаемый ток короткого замыкания в точке присоединения испытуемого устройства (ИУ). Категории B3, C3 и D1 являются производными испытаний с током, поэтому требуемый испытательный ток регулируют через ИУ. Максимальные допуски на форму волны, приведенные в таблице 2, не должны быть превышены. Для производных испытаний с напряжением эффективное выходное напряжение применяемых генераторов должно быть для категории B1 - 10 Ом; для категории B2 - 40 Ом и для категорий C1, C2 и D2 - 2 Ом. |
Если необходимо, импульс может быть подан на выводы
X1-X2 УЗИП, показанных на
рисунках 1c и
1e.
При испытаниях УЗИП, показанных на
рисунках 1c и
1e, каждая пара выводов может быть испытана одновременно и при одной и той же полярности или порознь.
При испытаниях УЗИП, имеющих общий токовый путь (см.
4.3), измеряют напряжение на вводных выводах, к которым не прикладывают импульс, оно не должно быть св.
Up.
6.2.1.4 Восстановление импульса
УЗИП подсоединяют, как показано на
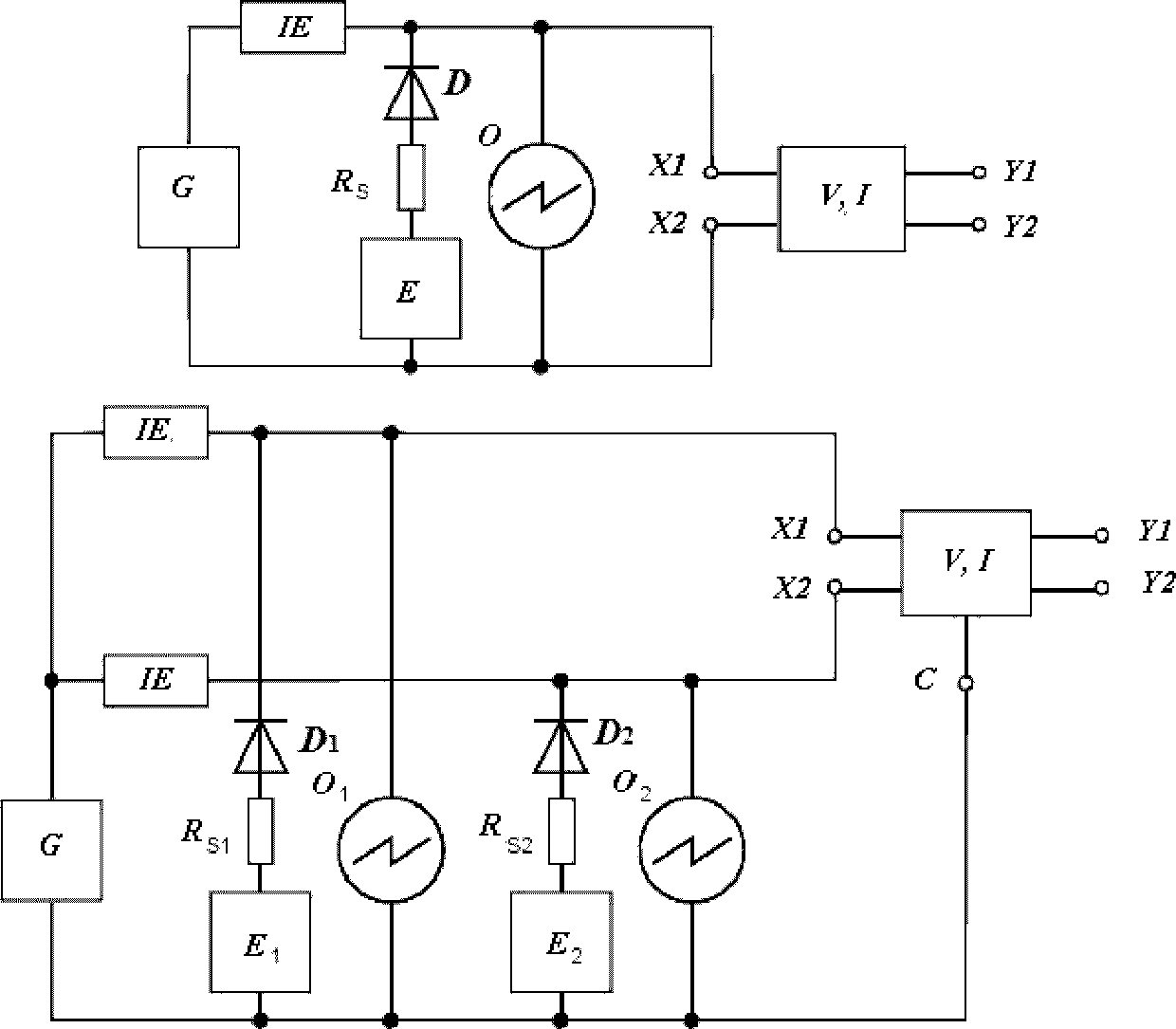
рисунке 2. Значения напряжения и тока восстановления импульса выбирают по данным, предоставленным изготовителем, или основываясь на комбинациях напряжение/ток по
таблице 4 по указаниям изготовителя. Такие силовые источники обычно рассчитаны на системные параметры. Если УЗИП переменного тока, его нужно испытывать на переменном токе. УЗИП постоянного тока нужно испытывать на постоянном токе. УЗИП переменного тока и постоянного тока нужно испытывать на постоянном токе. В зависимости от конструкции УЗИП постоянного тока испытания можно проводить только в одной полярности. При испытании на переменном токе генератор импульсов должен быть синхронизирован по отношению к фазе напряжения переменного тока (как правило, при фазном угле от 30° до 60°).
Для категории B1 или C1 формы волны импульсного напряжения и тока выбирают по
таблице 3. Пиковое холостое напряжение должно быть достаточно высоким, чтобы гарантировать срабатывание компонентов, ограничивающих напряжение. Полярность импульсного напряжения должна быть одинаковой с полярностью источника напряжения. Время восстановления определяют как интервал времени между подачей импульса до возврата УЗИП в состояние высокого внутреннего сопротивления.
| | ИС МЕГАНОРМ: примечание. Текст дан в соответствии с официальным текстом документа. | |
Подают один положительный и один отрицательный импульс с интервалом не чем 1 мин, время восстановления измеряют для каждого импульса.
Примечание - Полярность диодов в развязывающем фильтре
(рисунок 2) должна меняться соответственно смене полярности источника питания постоянного тока и генератора импульсов.
Таблица 4
Напряжения и токи источника для испытания
на восстановление импульса
Напряжение холостого хода источника <2>, В | Ток короткого замыкания источника, мА |
12 | 500 |
24 |
48 | 260 |
97 | 80 |
135 | 200 <1> |
<1> УЗИП может быть подсоединено параллельно последовательной комбинацией резистора на 135 - 150 Ом и конденсатора на 0,08 - 0,1 мкФ. <2> Допуск (включая кольцо) +/- 1%. |
6.2.1.5 Устойчивость к воздействию переменного тока для функции ограничения напряжения
УЗИП должно быть подсоединено, как показано на
рисунке 3. Переменный ток короткого замыкания выбирают по
таблице 5. Применяют токи для подачи заданного числа импульсов и время между подачами импульсов, достаточное для того, чтобы не допустить накопления теплоты в испытуемом устройстве. Подаваемое испытательное напряжение переменного тока должно быть достаточной величины, чтобы вызвать полное срабатывание компонентов УЗИП, ограничивающих напряжение. До испытания и после завершения подачи переменного тока УЗИП должен соответствовать требованиям
5.2.1.2,
5.2.1.3,
5.2.1.4 (если применим) и
5.2.2.2.
Токи, выбранные по
таблице 5, подают к соответствующим выводам.
По требованию изготовителя или потребителя токи могут подаваться дополнительно к выводам
X1-X2 УЗИП, показанных на
рисунках 1c,
1e и
1f.
При испытании на УЗИП по
рисункам 1c,
1e и
1f каждая пара выводов (
X1-C и
X2-C) может быть испытана отдельно.
При испытании УЗИП с общим токовым путем, см.
4.3. И напротив, для многовыводных УЗИП испытание каждого вводного вывода с общим выводом выполняют отдельно.
Таблица 5
Предпочтительные значения токов для испытания
устойчивости УЗИП к воздействию переменного тока
Токи короткого замыкания частотой от 48 до 62 Гц на каждый испытуемый вывод <1> (действ.), А | Длительность, с | | Испытуемые выводы |
0,10 | 1 | 5 | X1-C X2-C |
0,25 | 1 | 5 |
0,50 | 1 | 5 |
0,50 | 30 | 1 |
1,00 | 1 | 5 |
1,00 | 1 | 60 |
2,00 | 1 | 5 |
2,50 | 1 | 5 |
5,00 | 1 | 5 |
10,00 | 1 | 5 |
20,00 | 1 | 5 |
<1> Значения, приведенные в данной таблице, являются минимальными. <2> В других стандартах можно найти другое число подач тока. <3> Выводы X1-X2 испытывают только при необходимости. |
6.2.1.6 Устойчивость к воздействию импульса для функции ограничения напряжения
УЗИП испытывают импульсом, выбранным из категории C по
таблице 3, подаваемым к соответствующим выводам, выбранным по
таблице 3. Такой же импульс применяют для испытания напряжением ограничения импульса согласно
6.2.1.3. Можно провести дополнительные испытания с другими импульсами, выбранными из категорий A1, B, C и D по
таблице 3, а также с импульсами, указанными в документации на УЗИП. Однако, такие испытания являются необязательными и проводятся только для определенных назначений УЗИП.
УЗИП присоединяют как показано на
рисунке 4. Импульсный ток берут согласно минимальному числу подач тока, указанному в
таблице 3, с интервалами времени между подачами, достаточными, чтобы избежать накопления теплоты в испытуемом устройстве. Половину числа испытаний проводят в одной полярности, другую - в противоположной. Вместо этого допустимо половину образцов испытывать в одной полярности, а другую половину - в противоположной. До испытания и после завершения подач тока УЗИП должны соответствовать требованиям
5.2.1.2,
5.2.1.3 (по одному импульсу в каждой полярности),
5.2.1.4 (по применению) и
5.2.2.2 (по применению).
По требованию импульс прикладывают к выводам
X1-X2 УЗИП, показанных на
рисунках 1c и
1e.
Каждую пару выводов (
X1-C и
X2-C) УЗИП, показанных на
рисунках 1c и
1e, можно испытывать отдельно.
Сведения об УЗИП, имеющих общий путь тока, приведены в
4.3. Для испытаний на УЗИП по
рисунку 1f достаточно выбрать два вывода в качестве типового образца при условии, что все выводы соединены защитной цепью с выводом C.
6.2.1.6.1 Дополнительное испытание для многовыводных УЗИП
Если изготовитель указывает суммарный импульсный ток, испытание согласно
6.2.1.6 повторяют с внесением следующего изменения и дополнений.
Данное испытание не требуется, если устойчивость УЗИП к суммарному импульсному току равна устойчивости одной линии к импульсному току (т.е. суммарный импульсный ток равен 10 кА, устойчивость к импульсному току одной линии - также равна 10 кА).
Многовыводные УЗИП (
рисунки 1c,
1f,
1e) могут иметь суммарный импульсный ток (
ITotal), протекающий через общие компоненты и соединения к выводу заземления. На
рисунке 16 приведены два примера. Все защищаемые линии должны иметь импульсный ток, равный суммарному импульсному току, деленному на число линий, прикладываемому одновременно для проверки достаточной токовой способности общего пути тока. После этого испытания УЗИП не должно выйти из строя. Данным испытанием также проверяют достаточную токовую способность внутренних соединений УЗИП.
Развязывающий фильтр не должен значительно влиять на испытательный импульс. Допустимое отклонение испытательного импульса формы волны 8/20 не должно превышать форму волны 8/25 для категорий C1 и C2 с допуском +/- 30% для времени фронта и времени полупериода.
Примечание - Если невозможно достичь вышеуказанных параметров формы волны, испытание проводят на модифицированном УЗИП, предоставленном изготовителем, в котором каждый "отдельный защитный элемент" (1) на
рисунке 16 защитной схемы соединения звездой накоротко замкнут. На время испытания все вводные выводы
X1-Xn соединены вместе.
6.2.1.7 Режим повреждения при перенапряжении
УЗИП подвергают перенапряжению импульсным и переменным токами. Для УЗИП, показанных на
рисунках 1c,
1e и
1f, каждую пару выводов можно испытывать отдельно. Для УЗИП по
1f выбирают два вывода в качестве характерного образца. Остальные УЗИП подвергают испытанию импульсным и переменным токами.
Затем проводят испытания на проверку сопротивления изоляции, ограничения напряжения и последовательного сопротивления (по применению) для определения приемлемого режима повреждения УЗИП от перенапряжения, как указано в
3.3. После срабатывания УЗИП от перенапряжения, его состояние не должно вызывать возгорания, взрыва, электрического удара и выброса токсичных газов.
Примечание 1 - Для многоступенчатых УЗИП допустимы разные режимы повреждения (например, X1-C может иметь режим 2, а X1-X2 - режим 1).
Импульсное перенапряжение
УЗИП присоединяют, как показано на
рисунке 4. Импульсный ток
in, указанный изготовителем, с формой волны 8/20 подают к УЗИП в порядке возрастания в следующей последовательности:
Itest = in(1 + 0,5N).
Испытательный цикл начинают с N = 0 (Itest = in). Для каждого последующего испытания N увеличивают на 1. Цикл ограничивают N = 6. Если после этого УЗИП не достигло режима перенапряжения, его подвергают испытанию на перенапряжение переменным током.
Примечание 2 - Если in превышает возможности гибридного генератора, то применяют чисто токовый генератор 8/20. Пиковый ток, протекающий через УЗИП, регулируют до значения заданного и рассчитанного импульсного тока in.
Перенапряжение переменным током
УЗИП подсоединяют, как показано на
рисунке 3. Переменный ток перенапряжения определяет изготовитель. Ток подают в течение 15 мин. Величина холостого напряжения с частотой тока 50 Гц или 60 Гц должна быть достаточной, чтобы вызвать полное срабатывание УЗИП.
Примечание 3 - Регулируемый испытательный ток - это ток короткого замыкания источника тока.
6.2.1.8 Испытание мертвой точки
Для определения мертвых точек в многоступенчатом УЗИП на новом образце проводят следующие испытания:
a) выбирают ту же форму волны импульса, что при определении
Up (см.
6.2.1.3). Во время подачи импульса осциллографом измеряют напряжение ограничения импульса и форму волны напряжение/время;
b) снижают напряжение холостого хода до 10% значения напряжения по перечислению a) и подают к УЗИП один положительный импульс, измеряя осциллографом ограниченное напряжение. Форма волны ограниченного напряжения должна отличаться от полученной в перечислении a). Если это не так, выбирают более низкое напряжение холостого хода. Тем не менее, это напряжение должно быть выше
Uc;
c) подают положительные импульсы напряжения, значения которых должны составлять 20%, 30%, 45%, 60%, 75% и 90% значения
перечисления a), продолжая измерять форму волны ограничиваемого напряжения;
d) при значении напряжения холостого хода, когда форма волны вернется к указанной в
перечислении a), испытание прекращают;
e) снижают напряжение холостого хода на 5% и возобновляют испытание. Продолжают постепенно по 5% снижать напряжение холостого до тех пор пока форма волны не достигнет полученной в
перечислении b);
f) на этом значении напряжения холостого хода подают два импульса положительной полярности и два отрицательной.
После проведения испытания от
перечисления a) до перечисления f) УЗИП должен соответствовать требованиям
5.2.1.2.
6.2.2 Испытания на ограничение тока
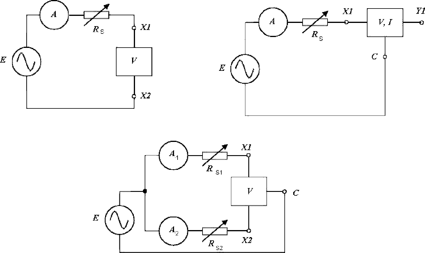
УЗИП подсоединяют, как показано на
рисунке 5. Мощность источника должна быть достаточной для подачи номинального тока. Частота его должна быть 0 (постоянного тока) или 50 Гц или 60 Гц. Если УЗИП переменного тока, его нужно испытывать на переменном токе. УЗИП постоянного тока нужно испытывать на постоянном токе. УЗИП переменного тока и постоянного тока нужно испытывать на постоянном токе.
Во время испытания с номинальным током функция токоограничения, если имеется, не должна действовать. Для каждой конфигурации УЗИП испытательный ток подают при регулирующих сопротивлениях Rs или Rs1 и Rs2. Испытуемая функция токоограничения должна проводить номинальный ток в течение не менее 1 ч. Во время испытания части, доступные для прикосновения, не должны достигать чрезмерного нагрева (см. IEC 60950 (пункт 4.5.1)).
6.2.2.2 Последовательное сопротивление
УЗИП подсоединяют, как показано на
рисунке 5. Испытательное напряжение источника должно быть
Uc. Частота его должна быть 0 (постоянного тока) или 50 Гц или 60 Гц. Если УЗИП переменного тока, его нужно испытывать на переменном токе. УЗИП постоянного тока нужно испытывать на постоянном токе. УЗИП переменного тока и постоянного тока нужно испытывать на постоянном токе.
Испытательный ток делают равным номинальному току посредством регулирующих сопротивлений
Rs или
Rs1 и
Rs2. Сопротивление определяют по формуле (
e -
IRs)/
I, где
e - напряжение источника;
I - номинальный ток, измеренный по схеме испытательной цепи на
рисунке 5.
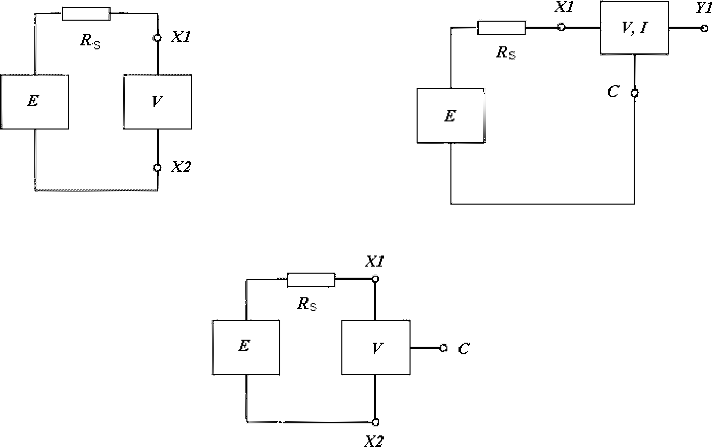
6.2.2.3 Время срабатывания относительно тока
УЗИП присоединяют, как показано на
рисунке 5. Испытательное напряжение источника должно быть меньше максимального напряжения отключения, указанного изготовителем. Ток должен быть постоянным, или переменным частотой 50 или 60 Гц. Выбор делают в соответствии с предполагаемым назначением.
Устройства испытывают при соответствующих температурах согласно
4.2. Чтобы устройства охладились до испытательной температуры, до следующего испытания должно пройти достаточно времени. Чтобы не ждать охлаждения, для испытаний можно использовать каждый раз новое устройство. Сопротивления
Rs или
Rs1 и
Rs2 должны быть отрегулированы для получения ожидаемых испытательных токов по
таблице 6. Время срабатывания токоограничивающего устройства на каждом испытательном токе записывают. Время срабатывания - это время от момента подачи питания до момента, когда ток понизится до 10% номинального тока. Если ожидаемый испытательный ток превышает максимальную токовую способность токоограничивающих компонентов, тогда наибольший испытательный ток будет максимальной способностью токоограничивающих компонентов.
Таблица 6
Испытательные токи для времени срабатывания
Испытательные токи, А |
1,5In |
2,1In |
2,75In |
4,0In |
10,0In |
6.2.2.4 Время возврата в исходное состояние
УЗИП подсоединяют, как показано на
рисунке 5. Испытательное напряжение источника должно быть
Uc. Частота его должна быть 0 (постоянного тока) или 50 Гц или 60 Гц. Если УЗИП переменного тока, его нужно испытывать на переменном токе. УЗИП постоянного тока нужно испытывать на постоянном токе. УЗИП переменного тока и постоянного тока нужно испытывать на постоянном токе.
Для каждой конфигурации УЗИП начальный ток нагрузки должен быть номинальным током, полученным с помощью регулируемых сопротивлений Rs или Rs1 и Rs2. УЗИП должно стабилизироваться при номинальном токе. После достижения стабилизации сопротивления Rs или Rs1 и Rs2 снижают до значений, при которых ток нагрузки возрастает до уровня, вызывающего срабатывание токоограничивающего устройства УЗИП. Это условие поддерживается в течение 15 мин после того, как ток снизится ниже 10% номинального тока.
Затем сопротивления Rs или Rs1 и Rs2 повышают до их начальных значений. Время, которое потребуется, чтобы ток нагрузки вернулся к значению не менее 90% номинального тока, записывают, оно должно быть не менее 120 с. В зависимости от назначения испытание проводят при токах, более низких, чем номинальный ток, например, для самовосстанавливаемых токоограничивающих устройств. Источник тока для восстанавливаемых токоограничивающих компонентов должен отключаться не менее, чем на 120 с. Затем восстанавливаемое токоограничивающее устройство должно пропускать номинальный ток в течение 5 мин, чтобы функция вернулась в свое начальное состояние.
6.2.2.5 Максимальное напряжение отключения
УЗИП присоединяют, как показано на
рисунке 5. Испытательное напряжение источника должно соответствовать максимальному напряжению отключения, указанному изготовителем. Ток должен быть постоянным, или переменным частотой 50 или 60 Гц.
Сопротивления
Rs или
Rs1 и
Rs2 должны быть отрегулированы до значения, которое вызовет срабатывание токоограничивающего компонента УЗИП. Данное условие должно сохраняться в течение 1 ч. Спустя 1 ч токоограничивающая функция УЗИП должна отвечать требованиям
5.2.2.2 -
5.2.2.4.
6.2.2.6 Испытание в рабочем режиме
УЗИП подсоединяют, как показано на
рисунке 5. Испытательное напряжение должно быть равно максимальному напряжению отключения, указанному изготовителем. Ток должен быть постоянным или переменным частотой 50 Гц или 60 Гц. Если УЗИП переменного тока, его испытывают на переменном токе. УЗИП постоянного тока испытывают на постоянном токе. УЗИП переменного тока и постоянного тока испытывают на постоянном токе.
Для каждой конфигурации УЗИП ток нагрузки должен регулироваться посредством сопротивлений
Rs или
Rs1 и
Rs2 до значения, выбранного по
таблице 7, УЗИП временно заменен проводником, замкнутым накоротко. Выбранное значение должно быть достаточным, чтобы вызвать срабатывание токоограничивающего устройства УЗИП. После введения в цепь УЗИП подают испытательный ток до тех пор, пока он не снизится ниже 10% номинального тока.
После каждого срабатывания УЗИП убирают питание на 2 мин, пока функция токоограничения не придет в свое начальное состояние. Этот цикл подачи испытательного тока с последующим обесточиванием повторяют число раз, указанное в
таблице 7.
После финального цикла УЗИП должно отвечать требованиям
5.2.2.2 -
5.2.2.4.
Таблица 7
Предпочтительные значения тока для испытаний
в рабочем режиме
Ток (переменный или постоянный), А | Число подач тока |
0,5 | 60 |
1,0 | 10 |
3,0 | 5 |
5,0 |
10,0 | 3 |
6.2.2.7 Устойчивость к воздействию переменного тока для функции токоограничения
УЗИП присоединяют, как показано на
рисунке 6. Переменные токи короткого замыкания выбирают по
таблице 8. Делают указанное число подач тока с интервалами между подачами, достаточными, чтобы не допустить скопления теплоты в испытуемом устройстве. Пиковое значение напряжения источника переменного тока не должно превышать максимального напряжения отключения, указанного изготовителем. До испытания и по завершении подач тока УЗИП должно отвечать требованиям
5.2.2.1 -
5.2.2.3.
Ток подают к соответствующим выводам, выбранным по таблице 8.
Таблица 8
Предпочтительные значения испытательных переменных токов
Токи короткого замыкания частотой 48 Гц - 62 Гц на каждый испытуемый вывод (действ.), А | Длительность, с | Число подач тока | Испытуемые выводы |
0,25 | 1 | 5 | X1-C X2-C X1-X2 |
0,50 | 1 | 5 |
0,50 | 30 | 1 |
1,00 | 1 | 5 |
1,00 | 1 | 60 |
2,00 | 1 | 5 |
2,50 | 1 | 5 |
5,00 | 1 | 5 |
Токи могут прикладываться к выводам X1-X2, если это требуется для трех- и пятивыводных УЗИП. При испытаниях трех- и пятивыводных УЗИП каждую пару выводов (X1-C и X2-C) на незащищенной стороне можно испытывать одновременно в одной и той же полярности или раздельно.
6.2.2.8 Устойчивость к воздействию импульсов для токоограничивающей функции
УЗИП присоединяют, как показано на
рисунке 7. Импульсные напряжения и токи выбирают по
таблице 9. Делают указанное число подач импульсных токов с интервалами между подачами, достаточными, чтобы не допустить накопления теплоты в испытуемом устройстве. Половину подач импульсов проводят в одной полярности, другую - в противоположной. Вместо этого допустимо половину образцов испытывать подачей импульсов в одной полярности, а другую - в противоположной. До испытания и после завершения подач тока УЗИП должны соответствовать требованиям
5.2.2.1 -
5.2.2.3.
Импульсный ток выбирают по
таблице 9 и прикладывают к соответствующим выводам. Импульсные токи могут прикладываться к выводам
X1-X2, если это требуется для трех- и пятивыводных УЗИП. При испытаниях трех- и пятивыводных УЗИП каждую пару выводов (
X1-C и
X2-C) на незащищенной стороне можно испытывать одновременно в одной и той же полярности или раздельно.
Для слаботочных плавких предохранителей при испытании может потребоваться снижение уровня I2t до предела параметров УЗИП.
Конструкцией электронных ограничителей тока может быть предусмотрено срабатывание при минимальном защитном полном сопротивлении или напряжении нагрузки (например, газоразрядные лампы в дуговом режиме). Для этого при необходимости в испытательную цепь могут быть внесены дополнения.
Таблица 9
Предпочтительные значения импульсного тока
Холостое напряжение | Ток короткого замыкания | Число подач тока | Испытуемые выводы |
1 кВ | 100 А, 10/1000 | 30 | X1-C X2-C X1-X2 |
1,5 кВ, 10/700 | 37,5 А, 5/300 | 10 |
Максимальное напряжение отключения | 25 А, 10/1000 | 30 |
Максимальное напряжение отключения | Рекомендация K44 ITU-T, рисунок A.3-1 (R = 250 Ом) | 10 |
4 кВ, 1,2/50 | 2 кА, 8/20 |
6.2.3 Испытания передачи информации
Емкость УЗИП измеряют на указанных выводах на частоте генератора сигналов 1 МГц и при напряжении 1 В (действ.). Измерения производят на одной паре выводов одновременно. Все остальные выводы, не задействованные в измерениях, соединяют вместе и заземляют на генератор. Смещение постоянного тока не используют. Необходимо отметить, что емкость некоторых УЗИП зависит от смещающего напряжения. В некоторых назначениях смещающее напряжение может возникнуть только в одной линии пары коммуникаций и выразиться в значительном емкостном дисбалансе.
Потери при вводе в децибелах измеряют с проводами максимальной длиной 1 м и соответствующим характеристическим полным сопротивлением. Измерение выполняют в цепи по
рисунку 8, в которой УЗИП заменено замкнутой накоротко перемычкой. Затем УЗИП вводят в цепь и производят измерение в децибелах. Потерями при вводе является вектор дифференциала двух измерений. В
таблице 10 приведены характеристические полные сопротивления, диапазоны частот и типы кабелей. Рекомендуемый испытательный уровень - 10 дБм.
Измеренные потери совокупности симметрирующих трансформаторов и испытательных проводов по
рисунку 8 не должны превышать 3 дБ в диапазоне передающих частот. Потери при вводе измеряют и записывают в диапазоне передающих частот, рекомендуемых для применения УЗИП.
Таблица 10
Диапазон частот | Характеристические полные сопротивления Zo, Ом | Типы кабелей |
От 300 Гц до 4 кГц | 600 | Витая пара |
от 4 кГц до 250 МГц | 100, 120 или 150 | Витая пара |
<= 1 ГГц | 50 или 75 | Коаксиальный |
> 1 ГГц | 50 | Коаксиальный |
6.2.3.3 Возвратные потери
Возвратные потери в децибелах измеряют с проводами максимальной длиной 1 м и соответствующим характеристическим полным сопротивлением. Измерение выполняют в цепи по
рисунку 9, в которой УЗИП заменено замкнутой накоротко перемычкой. Затем УЗИП вводят в цепь и производят измерение в децибелах. В
таблице 10 приведены характеристические полные сопротивления, диапазоны частот и типы кабелей. Рекомендуемый испытательный уровень - 10 дБм.
На УЗИП подают сигнал. Сигналы, отраженные благодаря неоднородности полного сопротивления, измеряют на тех выводах, к которым они прикладывались. Возвратные потери измеряют и записывают в диапазоне передающих частот, рекомендуемых для применения УЗИП.
6.2.3.4 Продольный баланс/продольные потери преобразования (ППП)
Продольный баланс, вычисляемый по
формуле (1), равен продольным потерям преобразования (ППП) согласно Рекомендации ITU-T O.9.
На
рисунке 10 показаны схемы соединений для испытания продольного баланса трех-, четырех- и пятивыводных УЗИП. Для четырех- и пятивыводных УЗИП испытание проводят с разомкнутым и замкнутым выключателем
S1. Продольный баланс - это отношение продольного напряжения до включения
Vs к результирующему напряжению
Vm испытуемого УЗИП, выраженное в дБ:
Продольный баланс (дБ) = 20 log(
Vs/
Vm), (1)
где Vs и Vm - сигналы одинаковой частоты.
Для большей точности на высоких частотах вместо показанных на
рисунке 10 омических сопротивлений в испытательной установке может быть применен симметрирующий трансформатор, которым оснащается УЗИП. Конфигурация испытательного мостика с поперечным полным сопротивлением
Z1 и продольным полным сопротивлением
Z2 не представляет всех условий, встречающихся на практике. Значения и пределы предусмотренных передающих характеристик, например, диапазоны частот и напряжения, специальные требования к применяемым полным сопротивлениям выводов и измеряемым частотам, приведены в соответствующих рекомендациях ITU-T. Пример значений полных сопротивлений для разных частотных диапазонов до 190 кГц приведен в
таблице 11. Если не установлено иное, испытания можно проводить на возрастающих частотах, например, 200, 500, 1000 и 4000 Гц для аналоговых устройств и 5, 60, 160 и 190 кГц для цифровых ISDN устройств. Свойственный измерительным инструментам продольный баланс должен быть на 20 дБ выше, чем предельная регулировка, устанавливаемая для УЗИП. Если на продольный баланс УЗИП влияет смещающее напряжение переменного тока, тогда испытание проводят с одновременно подаваемым на каждый вывод УЗИП смещающим напряжением переменного тока. Требования к измерительным инструментам приведены в Рекомендациях ITU-T O.9.
Если продольные потери преобразования зависят от калибровки последовательных сопротивлений УЗИП, то баланс может быть указан как максимальная омическая или процентная разница между последовательными сопротивлениями.
Таблица 11
Значения полного сопротивления для испытания
продольного баланса
Частота f, кГц | Назначение | Значения полного сопротивления |
| |
<= 4 | аналоговое | 300 | 150 |
<= 190 | ISDN | 55 или 67,5 | 20 - 40 |
до 30 МГц | ADSL2+; VDSL | 67,5 |
<1> Реальная разница между продольным балансом испытательной установки и фактическим не зависит от входного полного сопротивления выводов и поэтому данный анализ касается всех виртуально обоснованных вводных полных сопротивлений. Подробности характеристики Z1 и Z2 см. конкретный стандарт на изделие. <2> Z2 должно составлять половину Z1. |
6.2.3.5 Коэффициент погрешности бит (КПБ)
Коэффициент погрешности бит (КПБ, см.
рисунок 11), результат деления числа бит ошибок на общее число бит информации, может служить для характеристики производительности коммуникаций или как продукт накопления информации. Например, 2,5 ошибочных бит из 100 000 бит переданных составляет 2,5 x 10
-5. Пример длительности испытаний для разных скоростей передачи приведен в
таблице 12.
Испытания КПБ проводят для измерения изменения, если таковое имеется, вызванного вводом УЗИП. Испытания КПБ описаны в Рекомендациях ITU-T серии G (для ISDN - G.821; ADSL2 - G.992.3, VDSL - G.993.1 и т.д.).
Таблица 12
Длительность испытаний КПБ
Псевдослучайные битовые комбинации (К) | Длительность |
К < 64 кбит/с | 1 ч |
64 кбит/с <= К < 1 554 кбит/с | 30 мин |
К >= 1 554 кбит/с | 10 мин |
6.2.3.6 Перекрестная наводка на передающем конце (ПНПК)
ПНПК измеряют на коротких концах сбалансированных испытательных проводов, подсоединенных к УЗИП согласно
рисунку 12. Сбалансированный входящий сигнал подают в помеховый канал УЗИП, одновременно в помеховом канале на передающем конце испытательных проводов измеряют наведенный сигнал. Рекомендуемый испытательный сигнал - 10 дБм.
Измеренные потери совокупности симметрирующих трансформаторов и испытательных проводов не должны превышать 3 дБ в диапазоне передающих частот. Перекрестную наводку на передающем конце в диапазоне передающих частот, рекомендуемых для применения УЗИП, измеряют и записывают.
6.3 Механические испытания
6.3.1 Выводы и соединения
Проверяют, чтобы все встроенные выводы отвечали требованиям
5.3.1.
6.3.1.1 Общая процедура испытаний
УЗИП устанавливают согласно рекомендациям изготовителя и защищают от чрезмерного внешнего нагрева и охлаждения.
Если не установлено иное, выводы оснащают проводниками с использованием наиболее жесткой конфигурации (т.е. максимального или минимального поперечного сечения) в соответствии с:
-
таблицей 13 для УЗИП, оснащенных выводами питания, а также защищенными выводами питания;
- инструкциями изготовителя для остальных УЗИП.
Испытуемое УЗИП прикрепляют к деревянной поверхности, выкрашенной в матовый черный цвет, толщиной 20 мм. Способ крепления должен отвечать требованиям к монтажу, установленным изготовителем. Во время испытания не допускается проводить обслуживание или демонтаж образца.
Соответствие проверяют осмотром, а для винтов, оперируемых при подсоединении УЗИП, следующим испытанием.
Винты затягивают и отпускают:
- десять раз винты, входящие в зацепление с резьбой в изоляционном материале;
- пять раз во всех остальных случаях.
Винты и гайки, входящие в зацепление с резьбой в изоляционном материале, каждый раз полностью снимают и вновь вставляют. Испытание проводят с помощью удобной испытательной отвертки или ключа с прикладыванием крутящего момента, устанавливаемого изготовителем. Винты следует затягивать плавно, без рывков. Каждый раз, когда винт отпускают, проводник снимают.
Во время испытания винтовые соединения не должны ослабляться и не должно быть повреждений, таких как поломка винтов или повреждение шлицев головок винтов, резьбы, шайб и скоб, которые могли бы повлиять на дальнейшую эксплуатацию УЗИП.
Кроме этого, не должны повреждаться оболочки и крышки.
Таблица 13
Поперечные сечения присоединяемых медных проводников
для выводов винтового типа и безрезьбовых выводов
Максимальный номинальный ток УЗИП, А | Диапазон номинальных поперечных сечений зажимаемых проводников |
ISO - мм2 | AWG - вывод |
До 1 включ. | От 0,1 до 1,0 | От 26 до 18 |
Св. 1 " 13 " | " 1,0 " 2,5 | " 18 " 14 |
" 13 " 16 " | " 1,0 " 4,0 | " 18 " 12 |
6.3.1.3 Безрезьбовые выводы
Соответствие проверяют следующими испытаниями.
В выводы присоединяют проводники, тип и максимальное и минимальное сечение которых определяют для двухвводных УЗИП - по
таблице 13, для одновводных УЗИП - по указанию изготовителя.
Затем каждый проводник подвергают тянущему усилию по таблице 14. Усилие прикладывают равномерно, без рывков в течение 1 мин в направлении оси проводника.
Таблица 14
Тянущее усилие (для безрезьбовых выводов)
Поперечное сечение, мм2 | 0,5 | 0,75 | 1,00 | 1,50 | 2,50 | 4,00 |
Тянущее усилие, Н | 30 | 30 | 35 | 40 | 50 | 60 |
Во время испытания не должны наблюдаться смещения проводника в выводе либо другие повреждения.
6.3.1.4 Соединения с проколом изоляции
6.3.1.4.1 Испытания на вытягивание для выводов УЗИП, предназначенных для одножильных проводников
Соответствие проверяют следующим испытанием.
В выводы устанавливают новые медные проводники, одножильные или скрученные (выбирают наиболее неблагоприятный вариант), наименьшего или наибольшего поперечного сечения из указанных в
6.3.1.1. Винты, при их наличии, затягивают согласно указанию изготовителя.
Проводники присоединяют и отсоединяют пять раз; проводники используют каждый раз новые. После каждого присоединения проводники подвергают в течение 1 мин вытягивающему усилию, прикладываемому равномерно, без рывков в направлении оси проводника согласно значениям по
таблице 14.
Во время испытания не должны наблюдаться смещения проводника в выводе либо другие повреждения.
6.3.1.4.2 Испытание на вытягивание для выводов УЗИП, предназначенных для многожильных кабелей и шнуров
Испытание на вытягивание для выводов УЗИП, предназначенных для многожильных кабелей и шнуров, проводят по
6.3.1.4.1 с той разницей, что вытягивающее усилие прикладывают не к каждой жиле, а к всему многожильному кабелю или шнуру.
Тянущее усилие вычисляют по формуле:

(2)
где
F - общее прикладываемое усилие;
n - число жил кабеля;
F(
x) - усилие для одной жилы соответственно поперечному сечению одного проводника (см.
таблицу 14).
Во время испытания кабель или шнур не должен выскользнуть из вывода.
6.3.2 Механическая прочность при монтаже
Проверяют осмотром, обладает ли УЗИП достаточной механической прочностью, чтобы выдержать нагрузки, испытываемые при монтаже и эксплуатации.
6.3.3 Защита от попадания твердых частиц и проникновения воды
Проводят испытание согласно IEC 60529 по проверке кода IP.
6.3.4 Защита от прямого прикосновения к токоведущим частям
Изоляционные части
Образец устанавливают как при нормальной эксплуатации, присоединяют проводники наименьшего поперечного сечения и затем наибольшего поперечного сечения согласно
таблице 13. Прикладывают стандартный испытательный палец (см. IEC 60529) во всех возможных положениях.
Для УЗИП втычного типа (которые заменяют без помощи инструмента) испытательный палец прикладывают во всех возможных положениях, когда вилка не полностью и полностью вставлена в розетку. Для проверки наличия контакта с соответствующей частью используют электрический индикатор на напряжение не менее 40 В и не более 50 В.
Металлические части
Металлические части, доступные, когда УЗИП подсоединено и смонтировано как при нормальной эксплуатации, заземляют посредством соединения с низким сопротивлением, за исключением небольших винтов и подобных частей, изолированных от частей, находящихся под напряжением, предназначенных для крепления оснований и крышек или закрывающих пластин штепсельных розеток.
Ток от источника переменного тока с напряжением без нагрузки не более 12 В, равный 1,5 номинального тока или 25 А, выбирают, что больше, пропускают через вывод заземления и каждую доступную металлическую часть по очереди.
Между выводом заземления и доступной металлической частью измеряют падение напряжения и по току и падению напряжения вычисляют сопротивление. Сопротивление должно быть не выше 0,05 Ом.
Примечание - Необходимо следить за тем, чтобы контактное сопротивление между концом измерительного щупа и испытуемой металлической частью не влияло на результат испытания.
В соответствии с IEC 60695-2-1/1 (разделы 4 - 10) проводят испытание раскаленной проволокой при следующих условиях:
- для наружных частей УЗИП, выполненных из изоляционного материала и необходимых для удерживания токоведущих частей и частей защитной цепи, - при температуре (850 +/- 15) °C;
- для всех остальных наружных частей - при температуре (650 +/- 10) °C.
Основания УЗИП наружного исполнения считают наружными частями. Испытанию не подвергают части из керамического материала. Если изоляционные части выполнены из одинакового материала, то испытанию подвергают одну из таких частей при соответствующей температуре испытания раскаленной проволокой.
Испытание раскаленной проволокой проводят, потому что существует гарантия того, что электрически нагретая проволока в строго определенных испытательных условиях не вызовет возгорания изоляционных частей, равно как и то, что изоляционная часть даже при условии возгорания от раскаленной проволоки имеет ограниченное время горения без выброса пламени и разбрасывания раскаленных частиц и капель из испытуемой части.
Испытанию подвергают один образец. В случае сомнения в результатах испытание повторяют еще на двух образцах. При испытании раскаленную проволоку прикладывают один раз. Образец располагают в наиболее неблагоприятном положении его предполагаемой эксплуатации (испытуемой поверхностью в вертикальном положении).
Кончик раскаленной проволоки прикладывают к определенной поверхности испытательного образца с учетом условий предполагаемой эксплуатации, при которых нагретый элемент может соприкоснуться с образцом.
Считают, что образец успешно выдержал испытание раскаленной проволокой, если:
- отсутствует видимое пламя и устойчивое свечение или
- пламя и свечение на образце исчезли сами по себе в течение 30 с после снятия проволоки с образца.
Не должно быть следов возгорания папиросной бумаги или обугливания доски.
6.4 Испытания на воздействующие факторы окружающей среды
6.4.1 Стойкость к высоким температурам и влажности
УЗИП помещают в условия высокой температуры и повышенной влажности в течение времени, выбранном по
таблице 15. Температура должна быть (80 +/- 2) °C. Относительная влажность должна быть от 90% до 96%.
УЗИП испытывают в испытательной цепи по
рисунку 13. Одновременно с размещением УЗИП в вышеуказанных условиях температуры и влажности к нему подают постоянный или переменный ток. Напряжение источника питания должно быть равно максимальному длительному рабочему напряжению согласно
5.2.1.1. Этот источник должен обладать достаточной мощностью для подачи тока, потребляемого испытуемым УЗИП.
Затем УЗИП охлаждают до температуры окружающего воздуха (23 +/- 2) °C.
Таблица 15
Предпочтительные значения длительности
испытания на устойчивость к высоким температурам
и повышенной влажности
Длительность испытания в днях |
10 |
21 |
30 |
56 |
6.4.2 Циклическое испытание окружающей средой с импульсными перенапряжениями
УЗИП подвергают циклу испытаний неконденсированной окружающей средой с длительностью цикла по
таблице 16. Во время этого испытания на него воздействуют напряжением холостого хода, выбранным из категории C по
таблице 3, посредством генератора импульсов с характеристиками, указанными в
таблице 3.
При выборе цикла A каждый день в течение пяти последующих дней подают два импульса тока, далее - два дня пауза. При выборе цикла B два импульса тока подают в первый и последний дни температурного цикла. Причем, в каждый импульсный день один импульс подают при верхней предельной температуре
T1, другой импульс - при нижней предельной температуре
T2, выбранных по
таблице 16. Импульсы подают в пределах 1 ч от середины времени задержки при нижней и верхней предельных температурах. Импульсы тока в один день должны быть одной полярности, а на следующий испытательный день - противоположной полярности. Эту процедуру повторяют до завершения температурного цикла.
УЗИП испытывают в испытательной цепи по
рисунку 13, и на протяжении испытательного цикла к нему подают питание от источника постоянного тока. Как положительный, так и отрицательный уровень источника постоянного тока не должен превышать номинальное напряжение, указанное в
5.2.1.1. При подаче импульсного тока УЗИП должно быть отключено от источника постоянного тока.
Напряжение ограничения импульса измеряют при подаче каждого импульса тока. Сопротивление изоляции измеряют в течение 1 ч после подачи каждого импульса тока. Если известно, что УЗИП чувствительно к полярности источника постоянного тока, на сопротивление изоляции его испытывают с положительной и отрицательной полярностями.
В течение 1 ч после окончания циклического испытания УЗИП должно соответствовать требованиям
5.2.1.2 и
5.2.1.3.
6.4.3 Циклическое испытание окружающей средой с импульсами переменного тока
УЗИП подвергают циклу испытаний неконденсированной окружающей средой с длительностью цикла по таблице 16.
Таблица 16
Предпочтительные значения температур и длительности
воздействия для циклических испытаний окружающей средой
Циклы | Верхняя предельная температура (T1), °C | Нижняя предельная температура (T2), °C | Длительность циклов, день |
| 32 +/- 2 | 4 +/- 2 | 30 |
(IEC 60068-2-30 (6.3.3, вариант 2)) | 40 +/- 2 или 50 +/- 2 | 25 +/- 3 | 5 |
Во время этого испытания на него воздействуют посредством генератора напряжением холостого хода переменного тока с подачей токов короткого замыкания по
таблице 5.
При выборе цикла A каждый день в течение пяти последующих дней подают два импульса тока, далее - два дня пауза. При выборе цикла B два импульса тока подают в первый и последний дни температурного цикла. Причем, в каждый день, когда подают импульс, один импульс подают при верхней предельной температуре
T1, другой импульс - при нижней предельной температуре
T2, выбранных по
таблице 16. Импульсы подают в пределах 1 ч от середины времени задержки при нижней и верхней предельных температурах. Импульсы переменного тока подают в пределах 1 ч от середины времени задержки при нижней и верхней предельных температурах. Данную процедуру повторяют до завершения цикла.
УЗИП испытывают в испытательной цепи по
рисунку 13, и на протяжении испытательного цикла к нему подают питание от источника постоянного тока. Как положительный, так и отрицательный уровень источника постоянного тока не должен превышать номинальное напряжение, указанное в
5.2.1.1. При подаче переменного тока УЗИП должно быть отключено от источника постоянного тока.
Напряжение ограничения импульса переменного тока измеряют при подаче каждого импульса тока. Сопротивление изоляции измеряют в течение 1 ч после подачи каждого импульса переменного тока. Если известно, что УЗИП чувствительно к полярности источника постоянного тока, на сопротивление изоляции его испытывают с положительной и отрицательной полярностями.
В течение 1 ч после окончания циклического испытания функция ограничения напряжения должна соответствовать требованиям к напряжению ограничения импульса и сопротивлению изоляции.
6.5 Приемо-сдаточные испытания
Приемо-сдаточные испытания проводят по соглашению между изготовителем и потребителем.
O, O1, O2 - осциллографы; E, E1, E2 - источники напряжения постоянного или переменного тока; G - генератор импульсов; IE - изолирующий элемент; Rs, Rs1, Rs2 - активные (неиндуктивные) сопротивления; D, D1, D2 - диоды, применяемые в источниках постоянного тока, в источниках переменного тока применяют элементы развязки; V - компонент ограничения напряжения; V, I - компоненты ограничения напряжения или комбинация компонентов ограничения напряжения и компонентов ограничения тока; X1, X2 - выводы питания; Y1, Y2 - защищенные выводы питания; C - общий вывод
Рисунок 2 - Испытательные цепи для проверки
времени восстановления импульсов
A, A1, A2 - амперметры; E - источник напряжения переменного тока; Rs, Rs1, Rs2 - активные сопротивления; V - компонент ограничения напряжения; V, I - компоненты ограничения напряжения или комбинация компонентов ограничения напряжения и компонентов ограничения тока; X1, X2 - выводы питания; Y1, Y2 - защищенные выводы питания; C - общий вывод
Рисунок 3 - Испытательные цепи для проверки устойчивости
к воздействию переменного тока и режима повреждения
при перенапряжении
O, O1, O2 - осциллографы для регистрации Up при испытании устойчивости к воздействию импульсов; G - генератор импульсов; CD - распределитель тока; C - общий вывод; V - компонент ограничения напряжения; V, I - компоненты ограничения напряжения или комбинация компонентов ограничения напряжения и компонентов ограничения тока; X1, X2 - выводы питания; Y1, Y2 - защищенные выводы питания
Рисунок 4 - Испытательные цепи для проверки устойчивости
к воздействию импульсов и режима повреждения
при перенапряжении
A, A1, A2 - амперметры; E, E1, E2 - источники напряжения постоянного или переменного тока; Rs, Rs1, Rs2 - активные сопротивления; V - компонент ограничения напряжения; V, I - компоненты ограничения напряжения или комбинация компонентов ограничения напряжения и компонентов ограничения тока; X1, X2 - выводы питания; Y1, Y2 - защищенные выводы питания; C - общий вывод
Рисунок 5 - Испытательные цепи для проверки
номинального тока, последовательного сопротивления,
времени срабатывания, времени возврата тока, максимального
напряжения отключения и рабочего режима
A, A1, A2 - амперметры; E - источник напряжения переменного тока; Rs, Rs1, Rs2 - активные сопротивления; V - компонент ограничения напряжения; V, I - компоненты ограничения напряжения или комбинация компонентов ограничения напряжения и компонентов ограничения тока; X1, X2 - выводы питания; Y1, Y2 - защищенные выводы питания; C - общий вывод
Рисунок 6 - Испытательные цепи для проверки
устойчивости к воздействию переменного тока
O, O1, O2 - осциллографы; G - генератор импульсов; V - компонент ограничения напряжения; V, I - компоненты ограничения напряжения или комбинация компонентов ограничения напряжения и компонентов ограничения тока; X1, X2 - выводы питания; Y1, Y2 - защищенные выводы питания; C - общий вывод
Рисунок 7 - Испытательные цепи для проверки
устойчивости к воздействию импульсов
N - сетевой анализатор; B - симметрирующий трансформатор
Рисунок 8 - Испытательные цепи для проверки
потерь при вводе
N - сетевой анализатор; R - отражающий мостик; B - симметрирующий трансформатор; Z1 - полное сопротивление вывода 100 или 120, или 150 Ом
Рисунок 9 - Испытательная цепь для проверки
возвратных потерь
Vs - напряжение помех общего вида (продольное); Vm - результирующее напряжение дифференциального вида (металлическое); Z1, Z2 - полные сопротивления выводов; V - компонент ограничения напряжения; V, I - компоненты ограничения напряжения или комбинация компонентов ограничения напряжения и компонентов ограничения тока; X1, X2 - выводы питания; Y1, Y2 - защищенные выводы питания; C - общий вывод
Рисунок 10 - Испытательные цепи для проверки
продольного баланса
T - КПБ тестер; V - компонент ограничения напряжения; V, I - компоненты ограничения напряжения или комбинация компонентов ограничения напряжения и компонентов ограничения тока; X1, X2 - выводы питания; Y1, Y2 - защищенные выводы питания; C - общий вывод
Рисунок 11 - Испытательная цепь для проверки
коэффициента погрешности бит (КПБ)
N - сетевой анализатор; B - симметрирующий трансформатор;
Z1, Z2 - полные сопротивления выводов
Рисунок 12 - Испытательная цепь для проверки
перекрестной наводки на передающем конце (ПНПК)
E, E1, E2 - источники напряжения постоянного или переменного тока; Rs, Rs1, Rs2 - активные сопротивления; V - компонент ограничения напряжения; V, I - компоненты ограничения напряжения или комбинация компонентов ограничения напряжения и компонентов ограничения тока; X1, X2 - выводы питания; Y1, Y2 - защищенные выводы питания; C - общий вывод
Рисунок 13 - Испытательные цепи для проверки устойчивости
к повышенной температуре/влажности и циклического
воздействия окружающей среды
Рисунок 14 - Шкала
A циклического воздействия
окружающей среды при относительной влажности >= 90%
T1 - верхняя температура; t1 - конец повышения температуры; t2 - начало понижения температуры
Рисунок 15 - Цикл B воздействия окружающей среды
X1, X2, Xn - вводные выводы; Y1, Y2, Yn - защищаемые вводные выводы; C - общий; 1 - индивидуальный защитный элемент; 2 - общий защитный элемент
Рисунок 16 - Примеры многовыводных УЗИП
с одним общим защитным элементом
(справочное)
УСТРОЙСТВА С ТОКООГРАНИЧИВАЮЩИМИ КОМПОНЕНТАМИ
Конфигурации устройств с исключительно токоограничивающими компонентами показаны на
рисунке A.1. Такое устройство испытывают на соответствие приемлемым требованиям
5.2.2. Источник напряжения, применяемый в соответствии с
6.2.2, должен иметь параметры меньшие или равные максимальному напряжению отключения, указанному изготовителем. Устройство токовой защиты должно быть также подвергнуто испытаниям по
6.3 и выборочно испытаниям по
6.2.3 согласно назначению.
A.1a - Двухвыводной токоограничитель
A.1b - Трехвыводной токоограничитель
A.1c - Четырехвыводной токоограничитель
A.1d - Пятивыводной токоограничитель
I - токоограничивающие компоненты; X1, X2 - выводы питания;
Y1, Y2 - защищенные выводы питания; C - общий вывод
Рисунок A.1 - Конфигурации устройств с исключительно
токоограничивающими компонентами
Свободно
Свободно
(справочное)
IEC 61083-1 устанавливает точность измерений для аналоговых и цифровых импульсных регистрирующих приборов, например цифровые осциллографы с пробниками. Время разгона аналоговых цифровых приборов в пять раз меньше, чем время нарастания сигнала. Это гарантирует менее чем 2% погрешность времени разгона на дисплее. Цифровые регистрирующие приборы должны иметь периоды выборки не менее 30/TX, где TX - интервал измеряемого времени. Номинальное разрешение отклонения натуральной величины 0,4% (2-8 отклонения натуральной величины) рекомендуется для испытаний, если оценке подлежат только параметры импульса. Для определительных испытаний, которые требуют сравнение записей, должно использоваться номинальное разрешение отклонения натуральной величины 0,2% (2-9 отклонения натуральной величины). IEC 61083-1 также приводит дополнительные параметры погрешностей для специфических форм волны.
(справочное)
ОПРЕДЕЛЕНИЕ СКВОЗНОГО ТОКА (Ip)
Для определения максимального сквозного тока на выходных выводах УЗИП вводные выводы подвергают воздействию испытательного импульса по
таблице 3. Измеряют форму волны выходного тока в коротком замыкании (
рисунки E.1 -
E.6). Если измеренная форма волны соответствует форме волны по
таблице 3, тогда значение
Ip определяется пиковым значением измеренного тока. Если измеренная форма волны отклоняется от приведенной в
таблице 3, тогда можно предположить, что на
рисунках 1b -
1f измеренный максимальный ток соответствует
Ip. На
рисунке 1a Ip равен току короткого замыкания генератора. Чтобы сделать точный расчет координации, необходимо применить метод сквозной энергии (см. IEC 61643-12 (раздел F.5) или IEC 62305-4 (раздел C.4)).
Данное определение сквозного тока применяют для расчета координации УЗИП (см. рисунок E.1 IEC 61643-22).
Если указано несколько испытательных импульсов, то для каждого импульса указывают максимальные значения
Up и
Ip. В зависимости от типа УЗИП (см.
раздел 1.2) выбирают испытание по следующим перечислениям a), b) или c):
a) асимметричная подача испытательных импульсов для определения
Ip дифференциального вида (см.
рисунок E.1). Испытательный импульс подают на входную сторону УЗИП;
b) несимметричная подача испытательных импульсов для определения
Ip общего вида (см.
рисунок E.2). Испытательный импульс подают на входную сторону УЗИП;
c) симметричная подача испытательных импульсов для определения
Ip дифференциального вида (см.
рисунок E.3). Испытательный импульс подают распределителем тока (1:2) на входной стороне УЗИП;
d) асимметричная подача испытательных импульсов для определения
Ip дифференциального вида (см.
рисунок E.4). Испытательный импульс подают на входную сторону УЗИП;
e) симметричная подача испытательных импульсов для определения
Ip общего вида (см.
рисунок E.5). Испытательный импульс подают распределителем тока (1:2) на входной стороне УЗИП;
f) симметричная подача испытательных импульсов для определения
Ip общего вида (см.
рисунок E.5). Испытательный импульс подают распределителем тока (1:n) на входной стороне УЗИП.
Рисунок E.1 - Определение сквозного тока
дифференциального вида
Примечание - Значение Ip соответствует импульсному току генератора.
Рисунок E.2 - Определение сквозного тока общего вида
Рисунок E.3 - Определение сквозного тока
дифференциального вида
Рисунок E.4 - Определение сквозного тока
дифференциального вида
Рисунок E.5 - Определение максимального
сквозного тока общего вида
Рисунок E.6 - Определение сквозного тока
общего вида для многовыводных УЗИП
(справочное)
ОСНОВНЫЕ КОНФИГУРАЦИИ ДЛЯ ИЗМЕРЕНИЯ
Up
Примечание 1 - XA и XB - соединения импульсного генератора, которые последовательно соединены с парой выводов, образованных X1, X2-Xn.
Примечание 2 - YA и YB соединяют с парой выводов Y, соответствующим парам выводов X для измерения Up.
Примечание 3 - Возможное соединение с выводом C, применяемое в испытательных установках по рекомендациям международного союза электросвязи (ITU-T).
УЗИП дифференциального вида
Примечание 4 - R1 - Rn - резисторы, управляющие импульсным током (могут быть внутренними и внешними).
Рисунок F.2 - Испытательная установка по рекомендациям
международного союза электросвязи (ITU-T) для измерения Up
к выводу C в УЗИП общего вида
(рекомендуемое)
ОСОБАЯ УСТОЙЧИВОСТЬ ТЕЛЕКОММУНИКАЦИОННЫХ СИСТЕМ
Особая устойчивость может потребоваться, когда сетевые УЗИП не могут быть установлены и связь между сетями и системами телекоммуникации не может быть достигнута.
Например, согласно Рекомендациям международного союза электросвязи (ITU-T K.44) потребуется импульс B.2 при холостом напряжении 13 кВ и токе короткого замыкания 325 А.
(справочное)
СВЕДЕНИЯ О СООТВЕТСТВИИ МЕЖГОСУДАРСТВЕННЫХ СТАНДАРТОВ
ССЫЛОЧНЫМ МЕЖДУНАРОДНЫМ (РЕГИОНАЛЬНЫМ) СТАНДАРТАМ
Таблица ДА.1
Сведения о соответствии межгосударственных стандартов
ссылочным международным стандартам
Обозначение и наименование международного стандарта (международного документа) | Степень соответствия | Обозначение и наименование межгосударственного стандарта |
IEC 60050(702):1992 Международный электротехнический словарь. Глава 702: Колебания, сигналы и связанные с ними устройства | - | |
IEC 60050(726):1982 Международный электротехнический словарь. Глава 726: Линии связи и волноводы | - | |
IEC 60060-1:1989 Методы испытаний высоким напряжением. Часть 1. Общие определения и требования к испытаниям | - | |
IEC 60068-2-30:1980 Испытания на воздействия внешних факторов. Часть 2. Испытания. Испытание Db и руководство: Влажное тепло, циклическое (12 + 12-часовой цикл) | IDT | ГОСТ 28216-89 (МЭК 68-2-30-87) Основные методы испытаний на воздействие внешних факторов. Часть 2. Испытания. Испытание Db и руководство: Влажное тепло, циклическое (12 + 12-часовой цикл) |
IEC 60529 Степени защиты, обеспечиваемые корпусами (Код IP) | IDT | ГОСТ 14254-96 (МЭК 60529-1989) Степени защиты, обеспечиваемые оболочками (Код IP) |
IEC 60695-2-1/1:1994 Испытание на пожароопасность. Часть 2. Методы испытаний. Раздел 1/лист 1. Испытания конечного продукта раскаленной проволокой. Общие требования | IDT | ГОСТ 27483-87 Испытания на пожароопасность. Методы испытаний. Испытания нагретой проволокой |
IEC 60950:1999 Безопасность оборудования информационных технологий | - | |
IEC 60999-1 Устройства соединительные. Медные электропровода. Требования безопасности к винтовым и безвинтовым зажимам. Часть 1. Общие и частные требования к зажимам для проводов сечением от 0,2 мм2 до 35 мм2 (включительно) | - | |
IEC 61000-4-5:2005 Электромагнитная совместимость. Часть 4: Методики испытаний и измерений. Раздел 5: Испытание на невосприимчивость к выбросу напряжения | IDT | ГОСТ 30804.4.5-2002 Совместимость технических средств электромагнитная. Устойчивость к микросекундным импульсным помехам большой энергии. Требования и методы испытаний |
IEC 61083-1 Аппаратура и программное обеспечение, применяемые при испытаниях импульсами высокого напряжения. Часть 1. Требования к аппаратуре | - | |
IEC 61180-1:1992 Техника испытаний высоким напряжением низковольтного оборудования. Часть 1. Определения, требования к испытанию и процедуре | IDT | ГОСТ 30032.1-93 Техника испытаний высоким напряжением. Часть 1. Общие определения и требования к испытаниям |
| | ИС МЕГАНОРМ: примечание. Текст дан в соответствии с официальным текстом документа. | |
|
IEC 61643-1 Устройства защиты от перенапряжений низковольтные. Часть 11. Устройства защиты от перенапряжений, подсоединенные к низковольтным системам распределения электроэнергии. Требования и методы испытаний | - | |
IEC 61643-11:2011 Устройства защиты от перенапряжений низковольтные. Часть 11. Устройства защиты от перенапряжений, подсоединенные к низковольтным системам распределения электроэнергии. Требования и методы испытаний | - | |
IEC 61643-22:2004 Устройства защиты от перенапряжений низковольтные. Часть 22. Устройства защиты от перенапряжений, связанные с телекоммуникационными и сигнальными сетями. Принципы выбора и применения | - | |
ITU-T Рекомендация МСЭ К.44:2003 Испытания на устойчивость телекоммуникационного оборудования, подвергаемого воздействию перенапряжений и сверхтоков. Основные рекомендации | - | |
ITU-T Рекомендация МСЭ К.55:2002. Требования, касающиеся перенапряжения и сверхтока для выводов соединителей со смещением изоляции | - | |
ITU-T Рекомендация Международного Союза Электросвязи (МСЭ) К.82. Характеристики и параметры полупроводниковых и самовосстанавливающихся средств защиты телекоммуникационных установок от сверхтока | - | |
ITU-T Рекомендация МСЭ О.9:1999 Измерительные устройства для определения степени дисбаланса относительно земли | - | <*> |
<*> Соответствующий межгосударственный стандарт отсутствует. До его принятия рекомендуется использовать перевод на русский язык данного межгосударственного стандарта или гармонизируемый с ним национальный (государственный) стандарт страны, на территории которой применяется настоящий стандарт. Информация о наличии перевода данного международного стандарта в национальном фонде стандартов или в ином месте, а также информация о действии на территории страны соответствующего национального (государственного) стандарта публикуется в указателях национальных (государственных) стандартов, издаваемых в этих государствах, а также в сети Интернет на сайтах соответствующих национальных органов по стандартизации. Примечание - В настоящей таблице использовано следующее условное обозначение степени соответствия стандартов: - IDT - идентичные стандарты. |
IEC 60364-5-51:2005 Electrical installations of buildings - Part 5-51: Selection and erection of electrical equipment - Common rules (Электрические установки зданий. Часть 5-51. Выбор и монтаж электрооборудования. Общие правила)
IEC 60721-3-3:1994 Classification of environmental conditions - Part 3: Classification of groups of environmental parameters and their severities - Section 3: Stationary use at weatherprotected locations (Классификация условий окружающей среды. Часть 3. Классификация групп параметров окружающей среды и их жесткости. Раздел 3. Стационарные установки в местах, защищенных от погодных условий)
IEC 61180-1 High-voltage test techniques for low-voltage equipment - Part 1 - Definitions, test and procedure requirements (Техника испытаний высоким напряжением низковольтного оборудования. Часть 1. Определения, требования к испытанию и процедуре)
IEC 61643-12 Low-voltage surge protective devices - Part 12: Surge protective devices connected to low-voltage power distribution systems - Selection and application principles (Устройства защиты от перенапряжений низковольтные. Часть 12. Устройства защиты от перенапряжений, подсоединенные к низковольтным системам распределения электроэнергии. Принципы выбора и применения)
IEC 62305-4 Protection against lightning - Part 4: Electrical and electronic systems within structures (Защита от молнии. Часть 4. Электрические и электронные системы внутри конструкций)
ITU-T Recommendation K.65:2011 Overvoltage and overcurrent requirements for termination modules with contacts for test ports or surge protective devices (Рекомендация МСЭ К.65:2011 Требования к перенапряжению и сверхтоку для модульных выводов с контактами для портов контроля или устройств защиты от импульсов)