Главная // Актуальные документы // ГОСТ Р (Государственный стандарт)
СПРАВКА
Источник публикации
М.: Стандартинформ, 2020
Примечание к документу
Документ введен в действие с 01.12.2020.
Название документа
"ГОСТ Р 59122-2020. Национальный стандарт Российской Федерации. Работы кровельные. Монтаж крыш с водоизоляционным слоем из кровельных гибких полимерных (термопластичных и эластомерных) материалов. Правила и контроль выполнения работ"
(утв. и введен в действие Приказом Росстандарта от 27.10.2020 N 930-ст)

"ГОСТ Р 59122-2020. Национальный стандарт Российской Федерации. Работы кровельные. Монтаж крыш с водоизоляционным слоем из кровельных гибких полимерных (термопластичных и эластомерных) материалов. Правила и контроль выполнения работ"
(утв. и введен в действие Приказом Росстандарта от 27.10.2020 N 930-ст)


Содержание


Утвержден и введен в действие
Приказом Федерального
агентства по техническому
регулированию и метрологии
от 27 октября 2020 г. N 930-ст
НАЦИОНАЛЬНЫЙ СТАНДАРТ РОССИЙСКОЙ ФЕДЕРАЦИИ
РАБОТЫ КРОВЕЛЬНЫЕ
МОНТАЖ КРЫШ С ВОДОИЗОЛЯЦИОННЫМ СЛОЕМ ИЗ КРОВЕЛЬНЫХ ГИБКИХ
ПОЛИМЕРНЫХ (ТЕРМОПЛАСТИЧНЫХ И ЭЛАСТОМЕРНЫХ) МАТЕРИАЛОВ
ПРАВИЛА И КОНТРОЛЬ ВЫПОЛНЕНИЯ РАБОТ
Roofing handwork. Roof installation with flexible sheet
(thermoplastic or elastomer) waterproofing.
Rules and control of work
ГОСТ Р 59122-2020
ОКС 91.100.99
Дата введения
1 декабря 2020 года
Предисловие
1 РАЗРАБОТАН Национальным кровельным союзом
2 ВНЕСЕН Техническим комитетом по стандартизации ТК 400 "Производство работ в строительстве. Типовые технологические и организационные процессы"
3 УТВЕРЖДЕН И ВВЕДЕН В ДЕЙСТВИЕ Приказом Федерального агентства по техническому регулированию и метрологии от 27 октября 2020 г. N 930-ст
4 ВВЕДЕН ВПЕРВЫЕ
Правила применения настоящего стандарта установлены в статье 26 Федерального закона от 29 июня 2015 г. N 162-ФЗ "О стандартизации в Российской Федерации". Информация об изменениях к настоящему стандарту публикуется в ежегодном (по состоянию на 1 января текущего года) информационном указателе "Национальные стандарты", а официальный текст изменений и поправок - в ежемесячном информационном указателе "Национальные стандарты". В случае пересмотра (замены) или отмены настоящего стандарта соответствующее уведомление будет опубликовано в ближайшем выпуске ежемесячного информационного указателя "Национальные стандарты". Соответствующая информация, уведомление и тексты размещаются также в информационной системе общего пользования - на официальном сайте Федерального агентства по техническому регулированию и метрологии в сети Интернет (www.gost.ru)
1 Область применения
1.1 Настоящий стандарт распространяется на процессы устройства (монтаж) крыш с кровлей из гибких (рулонных) полимерных термопластичных (ПВХ и ТПО) и эластомерных (EPDM и ПИБ) материалов (далее - гибкие полимерные материалы).
1.2 Настоящий стандарт устанавливает правила выполнения работ при строительстве, капитальном и текущем ремонте крыш зданий различного назначения с кровлей из гибких (рулонных) полимерных материалов, требования к контролю выполнения и результатам.
1.3 Требования настоящего стандарта не распространяются на строительство эксплуатируемых и озелененных крыш.
2 Нормативные ссылки
В настоящем стандарте использованы нормативные ссылки на следующие документы:
ГОСТ 15588 Плиты пенополистирольные теплоизоляционные. Технические условия
ГОСТ 25772 Ограждения лестниц, балконов и крыш стальные. Общие технические условия
ГОСТ 30547 Материалы рулонные кровельные и гидроизоляционные. Общие технические условия
ГОСТ 32310 (EN 13164:2008) Изделия из экструзионного пенополистирола XPS теплоизоляционные промышленного производства, применяемые в строительстве. Технические условия
ГОСТ 32314 (EN 13162:2008) Изделия из минеральной ваты теплоизоляционные промышленного производства, применяемые в строительстве. Общие технические условия
ГОСТ 33949 Изделия из пеностекла теплоизоляционные для зданий и сооружений. Технические условия
ГОСТ EN 795 Система стандартов безопасности труда. Средства индивидуальной защиты от падения с высоты. Устройства анкерные. Общие технические требования. Методы испытаний
ГОСТ Р 53225 Материалы геотекстильные. Термины и определения
ГОСТ Р 56148 (EN 13163:2009) Изделия из пенополистирола ППС (EPS) теплоизоляционные, применяемые в строительстве. Технические условия
ГОСТ Р 56590 (EN 13165:2012) Плиты на основе пенополиизоцианурата теплозвукоизоляционные. Технические условия
ГОСТ Р 57417 (EN 13956:2012) Материалы кровельные гибкие полимерные (термопластичные и эластомерные). Общие технические условия
ГОСТ Р 58193 (EN 353-1:2014) Система стандартов безопасности труда. Средства индивидуальной защиты от падения с высоты. Средства защиты от падения с высоты ползункового типа на анкерной линии. Часть 1. Средства защиты от падения с высоты ползункового типа на жесткой анкерной линии. Общие технические требования. Методы испытаний
ГОСТ Р 58405 Элементы систем безопасности для скатных крыш. Общие технические условия
ГОСТ Р 58796 Материалы пароизоляционные рулонные битумосодержащие. Общие технические условия
ГОСТ Р 58956 Воронки кровельные для внутренних водостоков. Общие технические условия
СП 17.13330.2017 "СНиП II-26-76 Кровли"
СП 20.13330 "СНиП 2.01.07-85 Нагрузки и воздействия"
СП 30.13330 "СНиП 2.04.01-85* Внутренний водопровод и канализация зданий"
СП 48.13330.2019 "СНиП 12-01-2004 Организация строительства"
СП 49.13330 "СНиП 12-03-2001 Безопасность труда в строительстве. Часть 1. Общие требования"
СП 54.13330 "СНиП 31-01-2003 Здания жилые многоквартирные"
СП 55.13330 "СНиП 31-02-2001 Дома жилые одноквартирные"
СП 56.13330 "СНиП 31-03-2001 Производственные здания"
Примечание - При пользовании настоящим стандартом целесообразно проверить действие ссылочных стандартов (сводов правил) в информационной системе общего пользования - на официальном сайте Федерального агентства по техническому регулированию и метрологии в сети Интернет или по ежегодному информационному указателю "Национальные стандарты", который опубликован по состоянию на 1 января текущего года, и по выпускам ежемесячного информационного указателя "Национальные стандарты" за текущий год. Если заменен ссылочный документ, на который дана недатированная ссылка, то рекомендуется использовать действующую версию этого документа с учетом всех внесенных в данную версию изменений. Если заменен ссылочный документ, на который дана датированная ссылка, то рекомендуется использовать версию этого документа с указанным выше годом утверждения (принятия). Если после утверждения настоящего стандарта в ссылочный документ, на который дана датированная ссылка, внесено изменение, затрагивающее положение, на которое дана ссылка, то это положение рекомендуется применять без учета данного изменения. Если ссылочный документ отменен без замены, то положение, в котором дана ссылка на него, рекомендуется применять в части, не затрагивающей эту ссылку.
3 Термины и определения
3.1 В настоящем стандарте применены следующие термины с соответствующими определениями:
3.1.1
внутренний водосток: Система устройств и трубопроводов для приема и отведения дождевых и талых вод с крыши здания в канализационную сеть, расположенная в границах внешнего контура стен здания.
[ГОСТ Р 58956-2020, пункт 3.2]
3.1.2
водоизоляционный слой: Элемент крыши, предохраняющий здание или сооружение от атмосферных воздействий.
[СП 71.13330.2017, пункт 3.3]
3.1.3 грунтовка (праймер): Жидкий полимерный, битумный или битумосодержащий состав на водной либо бутилкаучуковой основе, которым обрабатывают поверхность несущего основания для улучшения адгезии с ним пароизоляционного или водоизоляционного слоя.
3.1.4 деформационный шов: Разрез в конструкции здания, разделяющий сооружение на отдельные блоки, в том числе разрыв в несущем основании, стяжке или покрытии, обеспечивающий относительное смещение их разрозненных участков для уменьшения нагрузок на элементы конструкций в местах возможных деформаций.
3.1.5 капельник: Элемент, выполненный из металла, предназначенный для обеспечения отвода влаги.
3.1.6 клеевой шов: Неразъемное соединение, выполненное при помощи применения клеевого состава.
3.1.7
ИС МЕГАНОРМ: примечание.
В официальном тексте документа, видимо, допущена опечатка: имеется в виду пункт 3.25 ГОСТ Р 58956-2020, а не пункт 3.26.
клеевой фланец: Фланец, на который нанесен клеевой состав.
[ГОСТ Р 58956-2020, пункт 3.26]
3.1.8
кровельная воронка: Элемент системы внутреннего водостока, предназначенный для отвода дождевой и талой воды с поверхности крыши, балконов и террас посредством трубопровода канализации.
Примечание - Кровельная воронка может быть оснащена устройством для предотвращения вихреобразования.
[ГОСТ Р 58956-2020, пункт 3.6]
3.1.9 кровельный рулонный материал: Материал полимерный или эластомерный промышленного производства для устройства водоизоляционного слоя крыш, поставляемый в рулонах или сложенных полотнах.
3.1.10
ИС МЕГАНОРМ: примечание.
В официальном тексте документа, видимо, допущена опечатка: имеется в виду СП 17.13330.2017, а не СП 71.13330.2017.
инверсионная кровля: Кровля с теплоизоляционным слоем поверх водоизоляционного ковра.
[СП 71.13330.2017, пункт 3.1.15.1]
3.1.11 линейное крепление: Способ механического крепления рулонного кровельного материала к несущему основанию или основанию под водоизоляционный слой при помощи прямолинейного металлического профиля (рейки, шины), осуществляемый несколькими крепежными элементами по всей длине прямолинейного металлического профиля (рейки, шины) с определенным шагом.
3.1.12 несущее основание: Поверхность несущих плит крыши либо профилированного настила, на которую укладывают последующие слои кровельной системы.
3.1.13
ИС МЕГАНОРМ: примечание.
В официальном тексте документа, видимо, допущена опечатка: имеется в виду пункт 3.26 ГОСТ Р 58956-2020, а не пункт 3.27.
опорный фланец (чаша): Отдельная или неотъемлемая деталь корпуса воронки или надставного элемента для присоединения гидроизоляционного материала или мастичной гидроизоляции.
[ГОСТ Р 58956-2020, пункт 3.27]
3.1.14 основание под водоизоляционный слой: Поверхность теплоизоляции, стяжек, старого водоизоляционного слоя и т.п., на которую укладывают и закрепляют водоизоляционный слой из рулонных полимерных кровельных материалов.
3.1.15 отлив: Элемент, выполненный из металла, с покрытием или без него, предназначенный для отвода влаги с водоизоляционного слоя с края парапета или карнизного свеса.
3.1.16 пароизоляционный слой: Слой из рулонных или мастичных материалов, расположенный в ограждающей конструкции для предохранения ее от воздействия водяных паров, содержащихся в воздухе ограждаемого помещения.
3.1.17 пленка пароизоляционная: Изоляционный материал из полимеров, эластомеров или композитных материалов, функция которого заключается в ограничении движения водяного пара и влаги через конструкцию, в полном исключении неконтролируемого движения воздуха.
3.1.18 прижимной фланец: Деталь, используемая для механического зажима водоизоляционного материала к опорному фланцу корпуса воронки или надставного элемента.
3.1.19 профилированный лист: Стальной лист с регулярно расположенными продольными гофрами, образованными в процессе холодной прокатки листа на профилегибочном стане.
3.1.20 профилированный настил: Стальные профилированные листы, соединенные между собой по продольным кромкам и закрепленные на опорных конструкциях крыши, воспринимающие нагрузки, действующие на покрытия и перекрытия зданий и передающие их на каркас зданий и сооружений.
3.1.21
разделительный слой: Слой из рулонного материала между теплоизоляцией и монолитной стяжкой на цементном вяжущем для исключения увлажнения теплоизоляции или между слоями из несовместимых материалов для исключения их контакта.
[СП 17.13330.2017, пункт 3.1.29]
3.1.22 сварной шов: Неразъемное соединение, выполненное посредством термического скрепления.
3.1.23
ИС МЕГАНОРМ: примечание.
В официальном тексте документа, видимо, допущена опечатка: имеется в виду пункт 3.24 ГОСТ Р 58956-2020, а не пункт 3.25.
соединительный фартук: Деталь из гидроизоляционного материала, соответствующего типу гидроизоляции кровли, который служит для обеспечения герметичного соединения.
[ГОСТ Р 58956-2020, пункт 3.25]
3.1.24
ИС МЕГАНОРМ: примечание.
В официальном тексте документа, видимо, допущена опечатка: имеется в виду СП 17.13330.2017, а не СП 71.13330.2017.
стяжка: Монолитный или сборный слой для выравнивания нижерасположенной поверхности или для создания уклонообразующего слоя.
[СП 71.13330.2017, пункт 3.1.35]
3.1.25 тарельчатый крепеж: Элемент механического крепления с шайбой круглой или овальной формы.
3.1.26 телескопический крепеж: Элемент механического крепления, состоящий из полимерной втулки и стального самореза, который применяется при креплении водоизоляционного слоя и/или теплоизоляционного слоя к несущему основанию.
3.1.27
теплоизоляционный материал: Материал, предназначенный для уменьшения теплопереноса, теплоизоляционные свойства которого зависят от его химического состава и/или физической структуры.
[ГОСТ 31913-2011, пункт 2.1.1]
Примечание - Теплоизоляционные материалы могут быть в форме плит, матов, рулонов. Мат: гибкое волокнистое теплоизоляционное изделие, поставляемое в виде рулона или в развернутом виде и которое может быть облицовано. Плита: изделие любой формы, с прямоугольным поперечным сечением, толщина которого существенно меньше других размеров и неизменна по всему изделию. Для формирования уклонов и контруклонов могут применяться клиновидные теплоизоляционные плиты.
3.1.28 теплоизоляционный слой: Конструктивный слой, предназначенный для снижения переноса теплоты через ограждающие конструкции зданий и сооружений.
Примечание - Теплоизоляционный слой может быть выполнен, в зависимости от проекта, однослойным, многослойным и комбинированным (из разных видов теплоизоляционных материалов).
3.1.29 точечное крепление: Система элементов, предназначенная для крепления рулонного кровельного материала к несущему основанию или основанию под водоизоляционный слой при помощи одиночных крепежных элементов, закрепляемых к основанию с определенным шагом.
3.1.30 экструзионный пенополистирол: Жесткий теплоизоляционный материал с закрытой ячеистой структурой, полученный методом экструзии полистирола или одного из его сополимеров с добавкой вспенивающих реагентов, с образованием или без образования пленки на его поверхности.
3.2 В настоящем стандарте применены следующие сокращения:
ХЦЛ - хризотилцементный лист;
ОСП - ориентированно-стружечная плита;
ПВХ - поливинилхлорид(ный);
ПИБ - полиизобутилен;
ТПО - термопластичные полиолефины;
ЦСП - цементно-стружечная плита;
EPDM - этилен-пропилен-диен-мономер.
4 Общие положения
4.1 Работы следует выполнять в соответствии с проектной документацией по проекту производства работ (далее - ППР), который должен быть составлен с учетом требований СП 48.13330.2019, требований настоящего стандарта, рекомендаций производителей материалов и систем.
4.2 Для монтажа крыш следует применять материалы, соответствующие требованиям национальных и межгосударственных стандартов и проектной документации.
Кровельные рулонные полимерные, полимерные термопластичные и эластомерные материалы, в зависимости от типа применяемого материала, - по ГОСТ 30547 или ГОСТ Р 57417.
Пароизоляционные материалы, в зависимости от типа применяемого материала, - по ГОСТ Р 58796, ГОСТ 30547.
Теплоизоляционные материалы, в зависимости от типа применяемого материала, - по ГОСТ 32314, ГОСТ 15588 или ГОСТ Р 56148, ГОСТ 32310, ГОСТ Р 56590, ГОСТ 33949.
Кровельные воронки - по ГОСТ Р 58956.
4.3 Основанием под водоизоляционный слой из рулонных полимерных материалов служат поверхности согласно пункту 5.1.4 СП 17.13330.2017.
4.4 Тип крепежа и вид крепежного элемента, а также технологию его монтажа применяют в соответствии с проектной документацией.
4.5 Материалы и изделия должны транспортироваться и храниться на строительной площадке с соблюдением требований производителя по хранению, а также по защите от воздействия внешних факторов.
4.6 Условия для безопасного труда в рабочей зоне должны быть созданы в соответствии с требованиями СП 49.13330, правилами охраны труда [1] - [4], а также требованиями раздела 13.
5 Подготовительные и организационные работы
5.1 До начала работ по устройству крыши с кровлей из рулонных полимерных материалов должны быть завершены все работы по устройству несущего основания; выполнены все строительно-монтажные работы, включая заполнение швов между сборными железобетонными плитами; произведена установка патрубков или стаканов для пропуска инженерного оборудования, компенсаторов деформационных швов, необходимого инженерного оборудования или выполнено устройство основания для его последующего монтажа; осуществлена приемка работ.
5.2 В ходе приемки несущего основания необходимо проверить соответствие проектной документации, в том числе:
- материала несущего основания;
- уклонов несущего основания;
- размеров и материала фасонных элементов в местах примыкания профилированного настила к парапетам и стенкам фонарей, а также в местах сквозных проходов через покрытие коммуникаций и водосточных воронок;
- антисептической обработки и огневой защиты несущего основания.
В случае устройства несущего основания из профилированных листов требуется проверить:
- соответствие марки профилированных листов, их количества и вида крепления проектной документации;
- правильность укладки профилированных листов (на соответствие проекту; в случае, если в проекте не указано иное, профилированные листы должны быть уложены широкой полкой вверх).
Кроме того, необходимо проверить отсутствие на несущем основании строительного мусора, масел, продуктов нефтепереработки, жиров различного происхождения, влаги, снега или льда.
5.3 Если несущим основанием крыши является профилированный настил, необходимо выполнить дополнительные подготовительные работы, перечисленные в 5.3.1 - 5.3.3.
5.3.1 Места сквозных отверстий размером до 300 мм, предназначенных для устройства сквозных проходов коммуникаций и установки кровельных воронок, необходимо усилить листом оцинкованной стали толщиной не менее 0,7 мм, квадратной формы, размерами, позволяющими завести его края до конца второй волны профилированного листа, как это показано на рисунке 1.
Рисунок 1 - Усиление сквозных проходов коммуникаций листом
оцинкованной стали
5.3.2 В местах примыкания профилированного настила к вертикальным конструкциям стен, парапетов и др. следует устраивать усиление из L-образного профиля из оцинкованной стали толщиной не менее 0,7 мм, который должен доходить до второй волны профилированного листа.
5.3.3 В местах устройства отверстий в профилированном настиле, стыках профилированных листов в коньке и ендове, в местах примыкания профилированного настила к строительным конструкциям крыши следует заполнить пустоты гофр согласно пункту 5.2.4 СП 17.13330.2017.
5.4 В случае если участок крыши прилегает к фасаду здания со штукатурной поверхностью, перед началом монтажа кровли необходимо убедиться, что участки стен фасада в месте примыкания полностью оштукатурены, выполнены отделочные слои (декоративная штукатурка, покраска). Нижняя граница штукатурки должна быть ниже линии примыкания пароизоляционного слоя.
5.5 Производство работ по устройству крыши с кровлей из полимерных материалов должно быть согласовано с ведением смежных работ.
Во время производства работ по устройству крыши с кровлей из полимерных материалов следует исключить проведение смежных строительных работ как на принятой под устройство крыши площади, так и над ней.
В случае если участок крыши прилегает к фасаду здания с навесными системами (вентилируемыми или невентилируемыми), фасадные работы должны выполняться после завершения работ по устройству крыши с кровлей из полимерных материалов на данном участке крыши с выполнением мероприятий по защите результата кровельных работ. Окончание фасадной облицовочной системы в зоне примыкания к кровле не должно накрывать выполненное кровельное примыкание к стене. Должен быть обеспечен доступ для возможного демонтажа примыкания в случае необходимости ремонта или замены кровли.
5.6 Монтаж паро-, тепло- и водоизоляционного слоев следует производить при сухой погоде без осадков либо под временным укрытием.
При устройстве кровли с механическим креплением без устройства временного укрытия следует укладывать пароизоляцию и теплоизоляцию полосами шириной, равной ширине рулона водоизоляционного материала от нижней части крыши к верхней, сразу укладывая водоизоляционный слой, не допуская увлажнения теплоизоляционного слоя.
Во время перерывов или приостановки работ необходимо защитить теплоизоляционный слой от попадания влаги.
5.7 На объекте должны быть подготовлены механизмы, оборудование и приспособления для проведения работ по устройству крыши с кровлей из полимерных материалов, организованы места для хранения материалов и инструмента.
В зимний период на рабочем месте должны быть предусмотрены инструменты для безопасного удаления снега и льда.
5.8 Транспортирование и хранение материалов на строительной площадке - в соответствии с требованиями пожарной безопасности и рекомендациями производителя.
5.9 Места складирования материалов на крыше определяются проектом, способ складирования должен исключать самопроизвольное перемещение материалов.
5.10 Обрезки материалов в течение рабочей смены следует собирать в одном месте, а по окончании рабочей смены складировать в отведенном для их сбора и хранения месте на территории строительного объекта. Место сбора и хранения обрезков должно быть защищено от воздействия ветра и атмосферных осадков.
6 Монтаж пароизоляционного слоя
6.1 Монтаж пароизоляционного слоя из битумосодержащих и эластомерных рулонных материалов
6.1.1 Пароизоляционный слой из битумосодержащих и эластомерных рулонных материалов должен быть непрерывным (сплошным) на всей площади конструкции.
6.1.2 При устройстве пароизоляционного слоя из битумосодержащих рулонных материалов следует соблюдать температурный режим в соответствии с рекомендациями производителя.
В случае устройства пароизоляционного слоя из битумосодержащих рулонных материалов при температуре атмосферного воздуха ниже рекомендованной производителем следует выполнять мероприятия, приведенные в технической документации производителя на конкретный вид материала.
6.1.3 Битумосодержащие и эластомерные пароизоляционные материалы следует уложить на несущее основание в соответствии с проектом (свободно; наплавлением; приклеиванием; крепить механически) с обязательной проплавкой швов с помощью газовой горелки либо проклейкой швов согласно рекомендациям производителя.
6.1.4 При укладке пароизоляционного слоя наплавлением или приклеиванием на несущее основание предварительно следует нанести грунтовку в соответствии с рекомендациями производителя по всей поверхности несущего основания. Основание из профилированных листов не требует нанесения грунтовки.
6.1.5 При свободной укладке и механическом креплении пароизоляционный слой укладывают без нанесения грунтовки на несущее основание. В местах примыканий к вертикальным поверхностям грунтовку следует наносить на все вертикальные поверхности изолируемых конструкций.
6.1.6 На крышах с несущим основанием из профилированных листов рулоны пароизоляционного материала следует раскатывать вдоль волн профилированного листа.
Примечание - Допускается укладка пароизоляционного битумосодержащего материала поперек волн профилированного листа при условии обеспечения скрепления швов путем временной подкладки жесткого основания.
При наплавлении битумосодержащих рулонных материалов на несущее основание из профилированных листов с помощью газовой горелки необходимо следить за тем, чтобы пламя не повредило защитный антикоррозионный слой профилированных листов.
6.1.7 При устройстве пароизоляционного слоя из битумосодержащих рулонных материалов с уклоном несущего основания до 10% допускается свободная укладка материала с обязательной проклейкой или проплавкой швов.
При устройстве пароизоляционного слоя из битумосодержащих рулонных материалов с уклоном основания больше 10% обязательны приклейка или наплавление пароизоляционных материалов по всей плоскости несущего основания.
6.1.8 Битумосодержащие рулонные материалы следует укладывать с нахлестом в продольных швах на величину не менее 100 мм, а в поперечных швах - не менее 150 мм (см. рисунок 2).
1 - поперечный шов; 2 - продольный шов
Рисунок 2 - Устройство пароизоляционного слоя
из битумосодержащих рулонных материалов
Торцевые нахлесты соседних полотнищ битумосодержащих и эластомерных рулонных материалов должны быть смещены относительно друг друга не менее чем на 300 мм.
6.1.9 Нахлесты полотнищ битумосодержащих и эластомерных рулонных материалов должны быть сварены пламенем газовой горелки или горячим воздухом сварочного аппарата либо склеены.
6.1.10 Склейка боковых нахлестов пароизоляционных материалов на основании из профилированных листов должна производиться на верхней плоскости полки листа. Не допускается склейка боковых нахлестов пароизоляционного материала на весу. Склейка торцевых нахлестов должна производиться только на жестком основании, например путем подкладывания ОСП-листов или фанеры.
6.1.11 При устройстве примыкания пароизоляционного слоя к вертикальным поверхностям стен, парапетов и других конструкций полотна пароизоляционных материалов должны быть заведены на вертикальную поверхность на всю высоту теплоизоляционного слоя. Исключения составляют примыкания с использованием герметизирующих проходных элементов заводской готовности.
6.1.12 В местах примыканий на вертикальные поверхности изолируемых конструкций (стен, парапетов, вентиляционных шахт и пр.) следует нанести грунтовку, пароизоляционный слой заводят на вертикальную поверхность и крепят приклеиванием.
6.1.13 В месте устройства деформационных швов в пароизоляционном слое выполняют компенсационную складку величиной, указанной в проекте.
6.1.14 Во время монтажа битумосодержащих рулонных материалов следует предотвращать возможность механических и других повреждений. Повреждение может быть отремонтировано, например, наплавлением заплат с нахлестом шва не менее 100 мм с каждой стороны от места повреждения.
6.2 Монтаж пароизоляционного слоя из пароизоляционных пленок
6.2.1 Пароизоляционный слой из пароизоляционных пленок должен быть непрерывным на всей поверхности конструкции, на которую он укладывается, а нахлесты рулонных материалов герметично склеены (СП 17.13330.2017, пункт 5.1.5).
6.2.2 На крышах с несущим основанием из профилированных листов пароизоляционную пленку следует раскатывать вдоль волн профилированного листа.
Примечание - Допускается укладка пароизоляционной пленки поперек волн профилированного листа при условии обеспечения скрепления швов путем временной подкладки жесткого основания.
6.2.3 Пароизоляционные пленки свободно укладывают, заводят на толщину утеплителя на вертикальные поверхности и приклеивают к вертикальной поверхности с помощью армированных бутиловых клеящих лент согласно рекомендации производителя пароизоляционной пленки.
6.2.4 При уклонах несущего основания более 10% следует выполнить крепление пароизоляционной пленки к основанию приклеиванием в соответствии с рекомендациями производителя.
6.2.5 Пароизоляционные пленки укладывают на несущее основание с нахлестом в продольных швах 100 мм, а в поперечных - 150 мм. Нахлесты пароизоляционных пленок следует склеивать при помощи односторонних (шириной не менее 50 мм) или двусторонних (шириной не менее 20 мм для неармированных или 15 мм для армированных) клеящих лент либо специальных клеевых составов согласно рекомендации производителя пароизоляционной пленки.
6.2.6 Склейку нахлестов пароизоляционных пленок, нижняя поверхность которых выполнена из нетканых материалов, следует осуществлять в соответствии с проектом и требованиями производителя.
6.2.7 Склейку боковых нахлестов пароизоляционных пленок на несущем основании из профилированного листа выполняют на верхней плоскости полки листа. Склейку торцевых нахлестов выполняют только на жестком основании, например, подкладывая под пароизоляционную пленку листы ОСП-3 или фанеры. Склейка боковых нахлестов пароизоляционного материала на весу не допускается.
6.2.8 В местах примыкания к стенам, парапетам, стенкам фонарей, шахтам и оборудованию, проходящему через кровлю, пароизоляционный материал должен быть заведен на высоту не меньшую, чем толщина теплоизоляционного слоя. При этом полимерный рулонный пароизоляционный материал должен герметично приклеиваться к вертикальной поверхности при помощи специальной самоклеящейся ленты или клея по рекомендации производителя пароизоляционного материала.
6.2.9 Отверстия в несущем основании для труб, проводов и т.п. должны быть герметизированы с помощью лент, уплотнительных паст или специальных уплотнительных манжет согласно рекомендациям производителя пароизоляционной пленки.
Примечание - Исключения составляют примыкания с использованием герметизирующих проходных элементов, например примыкание к трубе с использованием резинового фартука.
6.2.10 Во время монтажа полимерных рулонных материалов следует избегать механических и других повреждений. Повреждение может быть устранено с помощью одно- или двухсторонних клеящих лент и заплат с нахлестом шва не менее 100 мм со всех сторон от места повреждения.
7 Монтаж теплоизоляционного слоя
7.1 Толщину, материал и способ крепления теплоизоляционного слоя принимают на основании проекта.
7.2 Работы по устройству теплоизоляционного слоя следует совмещать с работами по устройству пароизоляционного слоя и вести в направлении "на себя".
7.3 При устройстве теплоизоляционного слоя из двух и более слоев материала швы между плитами (матами) следует располагать вразбежку, обеспечивая плотное прилегание плит (матов) друг к другу (см. рисунок 3). Зазоры между плитами (матами) утеплителя должны быть не более 5 мм. Теплоизоляционные плиты (маты) одного слоя укладывают со смещением в соседних рядах на половину их длины. Стыки верхнего слоя теплоизоляционных плит (матов) размещают со смещением не менее 200 мм относительно стыков нижнего слоя.
1 - нижний слой плит; 2 - верхний слой плит
Рисунок 3 - Смещение плит верхнего и нижнего слоев
при укладке
7.4 При укладке теплоизоляционных плит на несущее основание из профилированного листа длинную сторону плит утеплителя располагают перпендикулярно к направлению гофр профилированного листа.
7.5 Теплоизоляционные плиты могут быть уложены свободно, приклеены к нижележащему слою или механически закреплены к несущему основанию. Теплоизоляционные маты укладывают свободно.
7.6 При механическом креплении теплоизоляционных плит необходимо устанавливать не менее двух крепежных элементов на теплоизоляционную плиту или ее часть для теплоизоляционных плит площадью не более 0,72 м2 и не менее четырех - для теплоизоляционных плит площадью более 0,72 м2.
Крепежные элементы следует устанавливать строго перпендикулярно к несущему основанию.
7.7 При устройстве многослойной и комбинированной теплоизоляции крепление устанавливают в верхний слой теплоизоляционных плит на всю толщину теплоизоляционного слоя.
7.8 При укладке теплоизоляционных плит, имеющих ступенчатую кромку, крепежные элементы следует устанавливать только ближе к краям, где ступенчатая кромка закрепляемой теплоизоляционной плиты прижимает соседнюю плиту.
Рекомендуемая схема установки крепежных элементов показана на рисунке 4.
а)
б)
в)
а), б) - крепление плит без L-образной кромки;
в) - крепление плит со ступенчатой кромкой
Рисунок 4 - Схема крепления теплоизоляционных плит
7.9 Теплоизоляционный слой инверсионных крыш выполняют в один слой из теплоизоляционных плит с низким водопоглощением (не более 0,7% по объему за 28 сут), например экструдированный пенополистирол.
В инверсионной крыше механическое крепление теплоизоляционных плит не допускается.
Примечание - Теплоизоляцию предусматривают однослойной, т.к. блокирование воды в многослойном утеплителе снижает его теплозащитные свойства и исключает испарение влаги. Расчетную толщину теплоизоляционных плит увеличивают на 10% из-за потери тепла, которое возникает за счет попадания воды в стыки.
8 Монтаж уклонообразующего слоя
8.1 Монтаж уклонообразующего слоя выполняется при отсутствии уклона несущего основания в соответствии с проектом.
Примечание - Уклонообразующий слой может быть выполнен из клиновидных теплоизоляционных плит, устройством изоляции из насыпных материалов, либо необходимый уклон кровли задают при выполнении стяжки или сборной конструкции.
8.2 Монтаж уклонообразующего слоя из клиновидных теплоизоляционных плит выполняют при устройстве теплоизоляционного слоя. Клиновидные теплоизоляционные плиты укладывают между нижним и верхним слоями теплоизоляционного слоя либо поверх теплоизоляционного слоя.
8.2.1 Уклонообразующий слой из клиновидных теплоизоляционных плит начинают монтировать от пониженных участков кровли: от ендовы или кровельной воронки, карнизного свеса или парапета. Пример раскладки уклонообразующих теплоизоляционных плит от парапета показан на рисунке 5.
Рисунок 5 - Пример раскладки уклонообразующих
теплоизоляционных плит от парапета
8.2.2 Монтаж уклонообразующего слоя между кровельными воронками в ендове выполняют по схеме, как это показано на рисунке 6, - от края "ромба" к его центру укладывают плиты разной толщины. Каждую четверть "ромба" собирают отдельно, затем производят подрезку плит по месту.
Рисунок 6 - Раскладка уклонообразующих теплоизоляционных
плит в ендове между кровельными воронками
8.2.3 При использовании клиновидных теплоизоляционных плит следует увеличивать длину полимерной втулки на толщину клиновидной теплоизоляции в месте установки крепежных элементов.
8.2.4 Клиновидные теплоизоляционные плиты уклонообразующего слоя крепят к несущему основанию при установке крепежа теплоизоляционного слоя. Длину крепежных элементов определяют в соответствии с приложением А и рекомендациями производителя.
8.3 Монтаж уклонообразующего слоя из насыпных материалов выполняют в соответствии с проектом и требованиями СП 17.13330.
8.4 Монтаж уклонообразующего слоя из сборной конструкции выполняют в соответствии с проектом.
9 Монтаж разделительного слоя
9.1 Монтаж разделительного слоя выполняют в соответствии с проектом согласно пункту 5.1.8 СП 17.13330.2017.
9.2 Материал укладывают свободно либо крепят механически.
9.3 Нахлест полотнищ материала разделительного слоя должен составлять не менее 100 мм.
10 Монтаж основания под водоизоляционный слой
10.1 Общие требования к устройству основания под водоизоляционный слой
10.1.1 Основание под водоизоляционный слой выполняют в соответствии с проектом и требованиями раздела 5 СП 17.13330.2017. Виды основания под водоизоляционный слой, требования к его качеству и требования к стяжке указаны в таблицах 1 и 2.
Таблица 1
Виды основания под водоизоляционный слой и требования
к его качеству
Тип основания под водоизоляционный слой
Контролируемые показатели
Уклон, %
Ровность
Влажность, %
Выравнивающая стяжка по железобетонным плитам
По проекту допустимое отклонение - не более 0,2%
Максимальный просвет под рейкой вдоль уклона и на горизонтальной поверхности +/- 5 мм, поперек уклона и на вертикальной поверхности +/- 10 мм
5
Армированная цементно-песчаная стяжка по теплоизоляционным плитам, слою керамзита (керамзитобетона)
5
Стяжка из песчаного асфальтобетона
2,5
Сборная стяжка из двух слоев ХЦЛ или ЦСП
Перепады по высоте между смежными изделиями не более 3 мм <*>
6 - 12
Основание из ФСФ
5 - 10
Основание из ОСП-3
2 - 12
Теплоизоляционные плиты из каменной ваты
2 - 5
Теплоизоляционные плиты из экструзионного пенополистирола
1 - 2
Теплоизоляционные плиты из пенополиизоцианурата
2 - 5
<*> Данное требование не распространяется на ендовы, где уклонообразующий слой выполнен из клиновидных теплоизоляционных плит.
Таблица 2
Требования к стяжке
Наименование показателя
Значение показателя
Ровность
Плавно нарастающие неровности не более 10 мм по высоте между основанием и контрольной рейкой длиной 2 м
Прочность стяжки на сжатие, кгс/см2, не менее
131 (М150)
Толщина армированной стяжки, мм
40 +/- 10%
Влажность, % по массе
Не более 5
10.2 Устройство стяжки
10.2.1 При устройстве сборных и монолитных стяжек следует выполнить температурно-деформационные швы шириной не более 10 мм, размером не более 6 x 6 м.
10.2.2 Необходимость закрепления листов сборной стяжки к несущей конструкции определяют проектом.
10.2.3 Температурно-деформационные швы не должны препятствовать свободному стоку воды к местам водосбора (кровельным воронкам, карнизному свесу).
10.2.4 При устройстве стяжки из цементно-песчаного раствора в конструкции крыш с неутепленным чердаком и несущим основанием из железобетонных плит длиной 6 м участки стяжки выполняют размером 3 x 3 м. Температурно-деформационные швы располагают над стыками железобетонных плит.
10.2.5 При устройстве стяжки из песчаного асфальтобетона выполняют температурно-деформационные швы, разделяющие стяжку на участки не более 4 x 4 м.
10.2.6 Листы сборной стяжки следует укладывать с разбежкой швов таким образом, чтобы листы верхнего слоя перекрывали листы нижнего слоя не менее чем на 1/3 листа. Крепление листов между собой осуществляют заклепочным соединением или саморезами по периметру и по центру листа, как это показано на рисунке 7.
1 - верхний слой; 2 - нижний слой; 3 - места
установки крепежа
Рисунок 7 - Схема крепления листов сборной стяжки
из АЦЛ (ЦСП)
В случае механического крепления в листе следует предварительно высверлить отверстие под крепежный элемент.
11 Монтаж водоизоляционного слоя
11.1 Общие требования по устройству водоизоляционного слоя
11.1.1 Водоизоляционный слой из рулонных полимерных или эластомерных материалов следует укладывать в один слой и крепить к несущему основанию либо к основанию под водоизоляционный слой механически, балластным или клеевым методом в соответствии с проектом.
11.1.2 Полотна термопластичных полимерных и эластомерных материалов следует соединять между собой методом термокомпрессионного воздействия сварки в зоне шва, горячим воздухом или методом горячего клина либо с помощью воздействия химических составов, рекомендованных производителем.
Примечание - Термокомпрессионное воздействие в зоне шва оказывается с помощью специализированных сварочных аппаратов, предназначенных для сварки термопластичных полимерных и эластомерных материалов. Сварку горячим воздухом выполняют с помощью автоматического, полуавтоматического и ручного оборудования. Свариваемые поверхности (нижняя поверхность верхнего полотна кровельного рулонного материала и верхняя поверхность нижнего полотна кровельного рулонного материала) нагревают горячим воздухом до пластифицированного состояния. Сразу после нагрева полотна кровельного рулонного материала прижимают друг к другу прижимным роликом.
Сварку методом горячего клина выполняют с помощью автоматического оборудования. Нагревательные элементы сварочного аппарата в форме клина доводят свариваемые поверхности до необходимой температуры плавления. Полотна кровельного рулонного материала прижимают прижимными роликами.
Полотна эластомерных материалов соединяют между собой при помощи самоклеящихся лент либо клеев, за счет нанесенного промышленным способом клеевого слоя, сваркой горячим воздухом или методом вулканизации.
11.1.3 Ширина сварного шва должна быть не менее 30 мм.
11.1.4 Работы по устройству водоизоляционного слоя следует совмещать с работами по устройству нижележащих слоев и вести в направлении "на себя".
11.1.5 Раскладку рулонных полимерных материалов следует выполнять по одному из двух вариантов:
- со смещением торцевых нахлестов [см. рисунок 8 а)];
- с устройством сборной полосы [см. рисунок 8 б)].
а) Со смещением торцевых нахлестов
б) С устройством сборной полосы
Рисунок 8 - Варианты раскладки
кровельных рулонных полимерных материалов
Применять раскладку с устройством сборной полосы при устройстве кровель с несущим основанием из профилированных листов не следует.
11.1.6 При раскладке по варианту "со смещением торцевых нахлестов" смещение торцевых на хлестов должно составлять не менее 300 мм.
При раскладке по варианту "с устройством сборной полосы" ширина сборной полосы должна составлять не менее 300 мм и не более 1000 мм.
11.1.7 Величина нахлестов зависит от метода укладки рулонных полимерных материалов (таблица 3).
Таблица 3
Величина нахлеста кровельных рулонных полимерных материалов
Метод укладки
Величина нахлеста для кровельных рулонных полимерных материалов на основе, не менее
ПВХ и ТПО
EPDM
Механическое крепление
120 мм
110 мм
Балластный, клеевой
80 мм
50 мм
11.1.8 Ширина сборной полосы для ПВХ- и ТПО-мембран должна составлять не менее 300 мм и не более 1000 мм. Для EPDM-мембран допускается сборная полоса до 1200 мм.
11.2 Требования к устройству водоизоляционного слоя методом механического крепления
11.2.1 Общие требования к устройству водоизоляционного слоя методом механического крепления
11.2.1.1 Механическое крепление может быть выполнено точечным с применением телескопического или тарельчатого крепежа, либо линейным с применением линейного крепления.
11.2.1.2 При устройстве крыш с несущим основанием из профилированного листа механически закрепляемые полотна кровельного рулонного материала располагают поперек волн профилированного листа. Допускается другое расположение кровельного рулонного материала при соблюдении проектного количества крепежа.
11.2.1.3 В процессе укладки кровельных рулонных материалов необходимо обеспечить нахлест смежных полотен на величину, указанную в таблице 3 для соответствующего типа материала.
11.2.2 Точечное механическое крепление
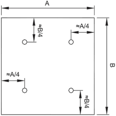
11.2.2.1 Расстояние от края втулки телескопического крепежа до края рулона должно составлять не менее 10 мм (см. рисунок 9).
Рисунок 9 - Установка телескопического крепежа
по краю рулона
11.2.2.2 Телескопический крепеж с овальной шайбой следует устанавливать длинной стороной вдоль края полотна кровельного материала (см. рисунок 10).
A - зона дефекта сварного шва
Рисунок 10 - Установка тарельчатого крепежа
с овальной шайбой по краю полотна
11.2.2.3 Размер телескопического крепежа определяют с учетом толщины теплоизоляционного слоя согласно таблице А.1 приложения А и рекомендациям производителя.
Телескопический крепеж следует устанавливать длиной менее толщины теплоизоляционного слоя не менее чем на 20 мм. Глубина установки самореза в несущее основание из профилированного настила должна составлять не менее 20 мм (рисунок 11), а в несущее основание из бетона или цементно-песчаную стяжку - 45 мм (рисунок 12).
Рисунок 11 - Установка телескопического крепежа
в несущее основание из профилированного настила
Рисунок 12 - Установка телескопического крепежа
в несущее основание из бетона
11.2.2.4 При механическом креплении ТПО-мембран крепеж устанавливают в боковой нахлест смежных полотен после их натяжения и закрепления в торцевых частях.
11.2.3 Требования к устройству водоизоляционного слоя методом линейного крепления
11.2.3.1 Крепление водоизоляционного слоя методом линейного крепления выполняют при помощи металлических реек, установленных как в местах нахлеста полотнищ рулонного кровельного материала, так и поверх полотен рулонного кровельного материала.
11.2.3.2 Металлическая рейка крепится к несущему основанию с помощью телескопического крепежа или саморезами. Расстояние между крепежными элементами определяется проектом в соответствии с ветровыми нагрузками.
11.2.3.3 В случае установки линейного крепления поверх полотен рулонного кровельного материала металлическая рейка должна быть закрыта (заварена) по всей длине полосой кровельного рулонного материала шириной не менее 200 мм.
11.2.3.4 В случае укладки металлической рейки по краю рулона (внахлест между соседними полотнами рулонного кровельного материала) нахлест полотен рулонного кровельного материала должен составлять не менее 120 мм. Крепеж следует устанавливать на расстоянии не менее 30 мм от края полотна рулонного кровельного материала.
После установки телескопического крепежа полотна рулонного кровельного материала сваривают термическим способом согласно 11.1.2.
11.2.4 Требования к устройству водоизоляционного слоя индукционным методом
11.2.4.1 Крепление водоизоляционного слоя индукционным методом выполняют при помощи специализированного крепежа, который включает тарельчатый крепеж из металла с полимерным покрытием (аналогичным материалу водоизоляционного слоя), телескопического крепежа и кровельных саморезов.
11.2.4.2 Тарельчатый крепеж из металла с полимерным покрытием устанавливают при креплении теплоизоляционного слоя. Затем расстилают водоизоляционный слой. Соединение полотнищ производят термическим способом согласно 11.1.2.
Дополнительно кровельный рулонный материал необходимо точечно приварить термическим способом к тарельчатому крепежу с полимерным покрытием с помощью аппарата индукционной сварки. При помощи металлоискателя аппарата индукционной сварки определяют положение тарельчатого крепежа с полимерным покрытием. Световой индикатор аппарата индукционной сварки сигнализирует о расположении тарельчатого крепежа с полимерным покрытием под мембраной, затем запускается процесс автоматической сварки. На время остывания мембрана прижимается к шайбе специальным магнитом.
11.3 Требования к устройству водоизоляционного слоя балластным методом
11.3.1 Крепление водоизоляционного слоя выполняют, укладывая балласт поверх водоизоляционного слоя.
Необходимая масса балласта определяется проектом в зависимости от величины ветровых нагрузок согласно СП 20.13330.
11.3.2 Балластный слой на неэксплуатируемых крышах выполняют согласно пункту 5.2.9 СП 17.13330.2017 из гранитного гравия фракцией 20 - 40 мм либо гальки окатанной промытой фракции 20 - 40 мм.
Примечание - Гравий - камень природного происхождения, имеющий округлую форму.
11.3.3 В местах примыканий к парапетам, кровельным воронкам, трубам, вентиляционным шахтам и другим выступающим элементам водоизоляционный слой следует крепить к основанию механически с шагом крепежа при точечном креплении не более 250 мм. Вокруг труб малого сечения диаметром (стороной) не более 300 мм необходимо устанавливать не менее четырех крепежных элементов.
Количество дополнительных крепежных элементов определяется проектом в зависимости от величины ветровых нагрузок согласно СП 20.13330.
11.3.4 Для защиты водоизоляционного слоя под балласт необходимо укладывать защитный слой согласно проекту.
11.4 Требования к устройству водоизоляционного слоя клеевым методом
11.4.1 Приклейку кровельных рулонных полимерных и эластомерных материалов к основанию осуществляют с помощью клеевых составов, соответствующих рекомендациям производителя, в соответствии с проектом.
Величина нахлестов смежных полотен (продольных и торцевых) должна соответствовать требованиям СП 17.13330 и рекомендациям производителя.
11.4.2 При устройстве водоизоляционного слоя клеевым методом используют полную или частичную приклейку кровельных рулонных полимерных и эластомерных материалов. Метод приклейки материалов определяется проектом.
11.4.3 На вертикальных поверхностях и в примыканиях кровельные материалы приклеивают по всей плоскости.
11.4.4 Сварной шов выполняют согласно 11.1.2. Попадание клея в область сварного шва не допускается.
12 Выполнение архитектурно-строительных деталей (узлов)
12.1 Крепление водоизоляционного слоя на вертикальных поверхностях
12.1.1 Общие требования по монтажу водоизоляционного слоя на вертикальных поверхностях
12.1.1.1 Для изоляции парапетов необходимо использовать кровельный рулонный материал, армированный сеткой из полиэстера.
12.1.1.2 Примыкания к вертикальным поверхностям выполняют в соответствии с проектом. Водоизоляционный слой заводят на вертикальную поверхность и крепят механически. Дополнительно водоизоляционный слой может быть закреплен приклеиванием.
12.1.1.3 При механическом креплении водоизоляционный слой заводят на вертикальную поверхность и край полотна закрепляют линейным креплением.
12.1.1.4 Применение точечного крепления на участках примыканий к вертикальной поверхности не допускается.
12.1.1.5 Устройство примыкания водоизоляционного слоя к вертикальным поверхностям, выполненным из штучных материалов, и с шероховатой поверхностью следует выполнять с соблюдением следующих правил:
- водоизоляционный слой укладывают на иглопробивной термообработанный геотекстиль по ГОСТ Р 53225 развесом не менее 300 г/м2 и, заведя его на высоту не менее 300 мм, закрепляют с помощью линейного крепежа, поверх которого наносят герметик;
- в штрабу, прорезанную выше места крепления водоизоляционного слоя, устанавливают металлический отлив, который должен заходить в штрабу не менее чем на 10 мм; закрепляют металлический отлив саморезами с резиновой шайбой с шагом от 200 до 250 мм, в штрабу закладывают герметик.
12.1.2 Примыкание кровли к парапету
12.1.2.1 Устройство примыкания кровли к парапетной стене высотой менее 450 мм осуществляют с установкой металлической крышки (колпака) или металлического отлива с полимерным покрытием, идентичным материалу водоизоляционного слоя, либо с установкой парапетных плит.
Перед установкой металлической крышки (колпака) или металлического отлива монтируют (закрепляют) металлические костыли на расстоянии, указанном в проекте, согласно пункту 7.7 СП 17.13330.2017.
12.1.2.2 В случае установки металлической крышки (колпака) водоизоляционный слой заводят на горизонтальную часть парапетной стены и закрепляют механически. Металлическая крышка (колпак) должна выступать за боковые грани парапета на расстояние не менее 60 мм и иметь уклон не менее 3% в сторону кровли. Отлив при этом должен полностью закрывать элементы механического крепления, которыми водоизоляционный слой закреплен на парапете.
12.1.2.3 В случае установки металлического отлива с полимерным покрытием, идентичным материалу водоизоляционного слоя, отлив следует крепить к парапету с помощью механического крепления (см. рисунок 13). Водоизоляционный слой заводят на отлив и приваривают к нему. Сварной шов выполняют в соответствии с 11.1.2.
а - отлив высотой не менее 50 мм
Рисунок 13 - Установка отлива по внешнему краю парапета
В случае установки металлического отлива кровельный материал должен заходить на фасадную часть здания на 50 - 100 мм. Отлив крепят к крепежному элементу. Расстояние между точками крепления не должно превышать 600 мм. Не рекомендуется жестко скреплять все листы стальных фартуков между собой.
12.1.2.4 Устройство примыкания кровли к парапетной стене высотой более 600 мм осуществляют по одному из следующих вариантов:
- окончание водоизоляционного слоя крепят на вертикальной поверхности парапета на высоте не менее 600 мм с помощью линейного крепления. При этом необходимо обеспечить герметичность окончания водоизоляционного слоя;
- водоизоляционный слой поднимают на горизонтальную часть парапета, осуществляя дополнительное крепление каждые 450 - 500 мм на вертикальной поверхности с помощью линейного крепления.
12.1.3 Примыкание к трубам
12.1.3.1 При устройстве примыкания водоизоляционного слоя к горячей трубе используется короб из оцинкованной стали, который устанавливают вокруг труб после устройства пароизоляционного слоя и заполняют легким утеплителем. Для защиты от проникновения осадков устанавливается фартук из оцинкованной стали, а над ним к трубе приваривают фартук из металлического листа.
12.2 Устройство ендовы
12.2.1 Монтаж водоизоляционного слоя в ендовах выполняют, используя максимально длинные полотна кровельного рулонного материала.
12.2.2 Крестообразные соединения полотен кровельного рулонного материала в ендовах не допускаются.
12.3 Установка кровельных воронок
12.3.1 Количество и точки расположения на крыше кровельных воронок, а также воронок аварийного сброса дождевой воды определяются проектом в соответствии с СП 30.13330 и СП 17.13330.
12.3.2 Корпуса кровельных воронок и надставных элементов должны быть механически закреплены к несущему основанию крыши.
12.3.3 Кровельная воронка может быть соединена с водоизоляционным слоем с помощью прижимного фланца, клеевого фланца, опорного фланца либо соединительного фартука.
Материал соединительного фартука должен быть идентичен материалу водоизоляционного слоя.
Место соединения кровельной воронки и водоизоляционного слоя должно быть выполнено герметичным.
12.3.4 Не допускается наличие соединительных швов водоизоляционного слоя в области зажима прижимного фланца.
12.3.5 В случае совмещенных крыш следует использовать теплоизолированные кровельные воронки.
12.3.6 В случае установки кровельной воронки с надставным элементом соединение между кровельной воронкой и надставным элементом воронки должно быть герметично.
12.4 Устройство карнизного свеса
12.4.1 Исполнение карнизного свеса определяется проектом.
12.4.2 Необходимо обеспечить герметичность соединения водоизоляционного слоя с отливом. Расстояние между крепежными элементами, которыми крепят отлив, должно составлять не менее 200 мм.
12.5 Устройство деформационных швов
12.5.1 Устройство деформационных швов определяется проектом.
12.5.2 В местах устройства деформационных швов устанавливают металлические компенсаторы. Для обеспечения пароизоляции в местах устройства деформационных швов укладывают пароизоляционный материал, который перекрывает металлический компенсатор и крепится к основанию согласно пункту 5.1.6 СП 17.13330.2017.
12.6 Противопожарные рассечки
ИС МЕГАНОРМ: примечание.
В официальном тексте документа, видимо, допущена опечатка: пункт 5.24 в СП 17.13330.2017 отсутствует.
12.6.1 Противопожарные рассечки выполняют на повышенных участках крыши, в местах водоразделов шириной не менее 6 м в соответствии с проектом и требованиями пункта 5.24 СП 17.13330.2017.
13 Установка систем эксплуатации и безопасности
Элементы систем безопасности и эксплуатации (защитные ограждения по ГОСТ 25772, пешеходные мостики по ГОСТ Р 58405, анкерные точки крепления по ГОСТ EN 795, средства защиты от падения с высоты ползункового типа по ГОСТ Р 58193) устанавливают в соответствии с проектной документацией согласно требованиям СП 54.13330, СП 55.13330 и СП 56.13330.
14 Контроль выполнения и требования к результатам кровельных работ
14.1 Входной контроль
14.1.1 Входному контролю подлежат документация, материалы и изделия. На этапе входного контроля осуществляют приемку несущего основания крыши. Контроль выполняют в соответствии с приложением Б.
14.1.2 При входном контроле документации проверяют всю поступившую документацию, включая проектную и организационно-технологическую (ППР), которая должна содержать:
- технологические карты производства работ;
- решения по безопасному выполнению работ и организации рабочих мест;
- последовательность выполнения работ;
- места складирования, последовательность и методы подъема материалов;
- тип лесов и схему их установки либо схему точек крепления средств индивидуальной защиты (СИЗ);
- требования к безопасной эксплуатации объекта капитального строительства;
- виды скрытых работ, подлежащих освидетельствованию.
14.1.3 Проектная документация должна содержать рабочие чертежи, планы, разрезы в объеме, необходимом для выполнения работ.
14.1.4 В случае отсутствия в проектной документации и ППР необходимой информации для производства работ или ее неточности документация должна быть отправлена на доработку.
14.1.5 Входной контроль пароизоляционных, теплоизоляционных кровельных и других строительных материалов следует выполнять на соответствие требованиям нормативной и проектной документации согласно 4.2.
14.1.6 Результаты входного контроля материалов и изделий должны быть занесены в журнал входного учета и контроля качества получаемых строительных конструкций, изделий и материалов согласно приложению И СП 48.13330.2019.
14.1.7 Входной контроль соответствия материалов следует осуществлять визуально и методом документарной проверки в соответствии с приложением Б.
14.2 Операционный контроль
14.2.1 В ходе операционного контроля лицо, осуществляющее строительство, проверяет соответствие последовательности и состава выполненных работ, соблюдение режимов и соответствие показателей качества выполнения операций и их результатов требованиям проектной, технологической и нормативной документации, распространяющейся на данный этап работ.
Результаты операционного контроля следует фиксировать в общем журнале работ или специальном журнале по отдельным видам работ, форма которых приведена в [5].
14.2.2 Обязательному контролю подлежат скрытые виды работ на каждом этапе строительства, с составлением акта освидетельствования скрытых работ согласно 9.24 и 9.25 СП 48.13330.2019.
14.2.3 Операционный контроль проводят в соответствии с приложением Б. Инструментальный контроль выполняют в соответствии с 14.4.
14.3 Оценка соответствия выполненных работ по монтажу кровли из полимерных материалов
14.3.1 Оценку соответствия выполненных работ требованиям проектной документации выполняют проведением документарной проверки исполнительной документации на полноту сведений в представленных материалах, в том числе:
- документации, подтверждающей осуществление входного контроля применяемых строительных материалов и изделий;
- актов приемки основания (несущих конструкций);
- актов, оформляемых в ходе освидетельствования скрытых работ и ответственных конструкций;
- общего журнала работ;
- исполнительной документации на строительство с записями о соответствии выполненных в натуре работ проектной и рабочей документации.
14.3.2 Оценку соответствия выполненных работ требованиям нормативной документации проводят документарной проверкой в случае изменений в проекте, внесенных после начала работ.
14.3.3 Результат оценки соответствия кровельных работ требованиям проектной документации следует оформлять актом выполненных работ.
14.3.4 Карта контроля качества кровельных работ приведена в приложении Б.
14.4 Инструментальный контроль герметичности водоизоляционного ковра кровли из полимерных материалов
14.4.1 Инструментальный контроль водоизоляционного ковра производят методами неразрушающего контроля согласно 14.4.2 и 14.4.3, обеспечивающими возможность оценки состояния герметичности более 95% всей поверхности водоизоляционного ковра, включая примыкания к выступающим над кровлей конструктивным элементам, а также исключение всех видов и форм гидроиспытаний и технологий диагностики, с ними связанных.
14.4.2 Проверку сплошности приклейки полимерных материалов кровли к основанию целесообразно осуществлять с помощью ручного вакуумного захвата, подключенного к вакуумному насосу.
14.4.3 Контроль герметичности кровли из полимерных рулонных материалов, уложенных в покрытии на токопроводящем основании (например, на несущем железобетонном настиле или на армированной металлической сеткой цементной стяжке), целесообразно осуществлять с применением высоковольтного импульсного метода.
14.5 Контроль качества сварного шва
Качество сварного шва определяют не ранее чем через 10 мин после завершения работ по его устройству:
- визуально, для выявления внутренних дефектов шва (пустот в шве, складок, разрушение верхнего слоя материала);
- механически, с использованием экстрактора шва (крюк) или шлицевой отвертки;
Примечание - Надавливание шлицевой отверткой вдоль края сварного соединения позволяет выявить плохо сваренный участок шва.
Критерии качественного выполнения сварного шва:
- ширина сварного шва - не менее 30 мм;
- обнажение армирующего слоя при разрыве контрольного участка сварного шва по всей ширине шва (не менее 30 мм);
- равномерность сварки по всей длине образца;
- образование валика (1 мм) из вытекшего расплавленного ПВХ по краю сварного шва;
- отсутствие складок и вздутий на всем протяжении шва;
- отсутствие признаков перегрева материала (подтеки, изменение цвета).
15 Требования охраны труда
15.1 Выполнение работ на высоте следует осуществлять с учетом правил по охране труда [1] - [4].
Приложение А
(справочное)
ОПРЕДЕЛЕНИЕ ДЛИНЫ ТЕЛЕСКОПИЧЕСКОГО КРЕПЕЖА
ИС МЕГАНОРМ: примечание.
В официальном тексте документа, видимо, допущена опечатка: таблица А.2 отсутствует.
А.1 Длина телескопического крепежа определяется в зависимости от вида несущего основания, с учетом толщины всех слоев кровельной системы в соответствии с таблицами А.1 и А.2 и рекомендациями производителей.
Таблица А.1
Выбор длины телескопического крепежа для оснований
из профилированного листа и бетона
Толщина теплоизоляционного слоя, мм
Зазор
Несущее основание из профилированного листа
Несущее основание из бетона
Втулка, мм
Саморез остроконечный, мм
Втулка, мм
Саморез сверлоконечный, мм
40
20
20
80
20
60
50
20
90
20
70
60
20
100
20
80
70
50
80
50
60
80
50
80
60
60
90
60
90
60
70
100
80
60
80
60
70
80
80
110
80
70
80
70
80
90
100
120
100
60
100
60
70
80
80
130
100
70
100
70
80
90
100
140
120
60
120
60
70
80
80
150
30
120
70
120
70
80
130
80
100
160
130
70
130
70
80
140
80
100
170
140
70
140
70
80
150
80
100
180
150
70
150
70
80
90
100
190
150
80
150
80
90
100
100
200
170
70
170
70
80
180
80
100
210
180
70
180
70
80
90
100
220
180
80
180
80
90
100
100
230
200
70
200
70
80
100
100
240
200
80
200
80
90
100
100
250
150
160
200
100
220
80
220
70
100
260
170
160
220
80
90
220
80
100
270
170
160
220
100
240
70
240
80
100
280
180
160
220
100
240
80
240
90
100
290
200
160
170
160
260
70
260
80
100
300
200
160
180
160
260
80
260
100
310
170
200
200
160
260
100
260
110
120
320
180
200
200
160
260
100
260
110
120
330
200
200
220
160
300
70
300
100
340
200
80
220
160
300
200
300
100
350
220
200
200
200
300
100
300
120
360
220
200
200
200
300
100
300
120
370
300
120
220
200
300
160
380
300
120
220
200
300
160
390
300
160
300
160
400
300
160
300
160
410
300
160
300
200
420
300
160
300
200
430
300
200
300
200
440
300
200
300
200
450
300
200
460
300
200
Приложение Б
(обязательное)
КАРТА КОНТРОЛЯ ВЫПОЛНЕНИЯ ТРЕБОВАНИЙ НАСТОЯЩЕГО СТАНДАРТА
Таблица Б.1
N
п/п
Элемент контроля
Требования, предъявляемые при выполнении работ
Способ проверки соответствия
Результат
Примечания
Норма
Соответствие
("+", "-")
1 Подготовительные работы
1.1
Проектная документация
Проверка наличия комплекта проектной документации
Документарный
Наличие комплекта документов в соответствии с СП 48.13330.2019 (4.1)
1.2
Журнал входного учета и контроля качества получаемых деталей, материалов, конструкций и оборудования
Проверка наличия журнала входного учета и контроля качества получаемых деталей, материалов, конструкций и оборудования (14.1.6)
Документарный
Наличие журнала входного учета и контроля качества получаемых деталей, материалов, конструкций и оборудования (14.1.6)
1.3
Общий или специальный журнал работ
Проверка наличия общего или специального журнала работ (14.2.1)
Документарный
Наличие общего журнала работ, оформленного в соответствии с требованиями [5]
2 Входной контроль применяемых материалов
2.1
Кровельные рулонные полимерные, полимерные термопластичные и эластомерные материалы
Наличие паспорта продукции
Документарный, визуальный
Соответствие технических характеристик продукции проектной документации.
Наличие маркировки на упаковке.
Отсутствие повреждений упаковки
2.2
Пароизоляционные материалы
Наличие паспорта продукции
Документарный, визуальный
Соответствие технических характеристик продукции проектной документации.
Наличие маркировки на упаковке.
Отсутствие повреждений упаковки
2.3
Теплоизоляционные материалы
Наличие паспорта продукции, декларации соответствия
Документарный, визуальный
Соответствие технических характеристик продукции проектной документации, наличие декларации.
Наличие маркировки на упаковке.
Отсутствие повреждений упаковки
2.4
Кровельные воронки
Наличие паспорта продукции
Документарный, визуальный
Соответствие технических характеристик продукции проектной документации.
Проверка комплектности (согласно прилагаемой документации завода-изготовителя), наличия инструкции по установке
3 Операционный контроль
3.1
Подготовительные работы (в случае выполнения работ по несущему основанию из профилированного настила)
Контроль подготовительных работ (соответствие требованиям 5.3, 5.4, 5.5)
Места сквозных отверстий размером до 300 мм усилены листом оцинкованной стали толщиной не менее 0,7 мм (5.3);
выполнено усиление несущего основания из L-образного профиля из оцинкованной стали толщиной не менее 0,7 мм, лист усиления доходит до второй волны профлиста (5.4);
пустоты гофр в местах устройства отверстий в несущем основании из профилированного настила, стыков листов профилированного настила в коньке и ендове, в местах примыкания профилированного настила к строительным конструкциям крыши (5.5)
Запись в журнале работ
3.2
Пароизоляционный слой
Контроль монтажа пароизоляционного слоя (соответствие требованиям 6.1 либо 6.2)
Визуальный
Стыки и примыкания к вертикальным поверхностям проклеены либо сварены ровно, отсутствуют складки по стыку и расхождения полотен.
Наличие акта освидетельствования скрытых работ
Оформляется акт скрытых работ
Соответствие требованиям 6.1.8 и 6.2.5
Инструментальный
Нахлест полотен пароизоляционного материала соответствует 6.1.8 и 6.2.5
3.3
Теплоизоляционный слой
Контроль монтажа теплоизоляционного слоя (соответствие требованиям 7.3)
Визуальный
Отсутствие зазоров между плитами или матами, плотное прилегание к конструкциям, швы расположены вразбежку
Оформляется акт скрытых работ
3.4
Разделительный слой
Контроль монтажа разделительного слоя (соответствие требованиям 9.3)
Инструментальный
Нахлест - не менее 100 мм
Запись в журнале работ
3.5
Основание под водоизоляционный слой
Основание под водоизоляционный слой (соответствие требованиям таблиц 1 и 2)
Инструментальный
Соответствие требованиям таблиц 1 и 2
Запись в журнале работ
ИС МЕГАНОРМ: примечание.
В официальном тексте документа, видимо, допущена опечатка: пункты 14.3.5, 14.3.6 отсутствуют.
3.6
Водоизоляционный слой
Контроль монтажа водоизоляционного слоя (соответствие требованиям 11.1.3, 11.1.6, 11.2.2.1, 11.2.2.2, 11.2.3.4)
Инструментальный
Инструментальный контроль герметичности водоизоляционного ковра кровли из полимерных материалов в соответствии с 14.3.5. Контроль качества сварного шва в соответствии с 14.3.6.
В случае укладки металлической рейки по краю рулона:
нахлест полотен - не менее 120 мм, крепежные элементы - на расстоянии не менее 30 мм от края полотна
Запись в журнале работ
3.7
Кровельные воронки
Контроль установки кровельных воронок (соответствие требованиям 12.3.2, 12.3.4)
Визуальный
Корпуса кровельных воронок и надставных элементов механически закреплены к несущему основанию крыши. Отсутствуют соединительные швы водоизоляционного слоя в области зажима прижимного фланца
Запись в журнале работ
4 Заключительные работы
4.1
Оценка соответствия выполненных работ
Соответствие проекту и требованиям 14.3
Документарный
Наличие исполнительной документации
БИБЛИОГРАФИЯ
[1]
Правила по охране труда при работе на высоте, утвержденные приказом Министерства труда и социальной защиты Российской Федерации от 28 марта 2014 г. N 155н
[2]
Правила по охране труда в строительстве, утвержденные приказом Министерства труда и социальной защиты Российской Федерации от 1 июня 2015 г. N 336н
[3]
Правила по охране труда при погрузочно-разгрузочных работах и размещении грузов, утвержденные приказом Министерства труда и социальной защиты Российской Федерации от 17 сентября 2014 г. N 642н
[4]
Правила по охране труда при работе с инструментом и приспособлениями, утвержденные приказом Министерства труда и социальной защиты Российской Федерации от 17 августа 2015 г. N 552н
[5]
Требования к составу и порядку ведения исполнительной документации при строительстве, реконструкции, капитальном ремонте объектов капитального строительства и требования, предъявляемые к актам освидетельствования работ, конструкций, участков сетей инженерно-технического обеспечения, утвержденные приказом Федеральной службы по экологическому, технологическому и атомному надзору от 26 декабря 2006 г. N 1128 (ред. от 9 ноября 2017 г.)
УДК 692.415.001.4:006.354
ОКС 91.100.99
Ключевые слова: кровельные работы, монтаж крыш, водоизоляционный слой, рулонные полимерные и эластомерные материалы