Главная // Актуальные документы // ГОСТ Р (Государственный стандарт)
СПРАВКА
Источник публикации
В данном виде документ опубликован не был.
Первоначальный текст документа опубликован в издании
М.: Стандартинформ, 2020.
Информацию о публикации документов, создающих данную редакцию, см. в справке к этим документам.
Примечание к документу
Изменение N 1, утв. Приказом Росстандарта от 19.10.2023 N 1194-ст, введено в действие с 01.11.2023.
Название документа
"ГОСТ Р 58891-2020. Национальный стандарт Российской Федерации. Элементы профильные для фасадных теплоизоляционных композиционных систем с наружными штукатурными слоями. Технические условия"
(утв. и введен в действие Приказом Росстандарта от 23.06.2020 N 287-ст)
(ред. от 19.10.2023)

"ГОСТ Р 58891-2020. Национальный стандарт Российской Федерации. Элементы профильные для фасадных теплоизоляционных композиционных систем с наружными штукатурными слоями. Технические условия"
(утв. и введен в действие Приказом Росстандарта от 23.06.2020 N 287-ст)
(ред. от 19.10.2023)


Содержание


Утвержден и введен в действие
Приказом Федерального
агентства по техническому
регулированию и метрологии
от 23 июня 2020 г. N 287-ст
НАЦИОНАЛЬНЫЙ СТАНДАРТ РОССИЙСКОЙ ФЕДЕРАЦИИ
ЭЛЕМЕНТЫ ПРОФИЛЬНЫЕ ДЛЯ ФАСАДНЫХ ТЕПЛОИЗОЛЯЦИОННЫХ
КОМПОЗИЦИОННЫХ СИСТЕМ С НАРУЖНЫМИ ШТУКАТУРНЫМИ СЛОЯМИ
ТЕХНИЧЕСКИЕ УСЛОВИЯ
Reinforcing and shape ending elements for facade's thermal
insulation composite systems with external mortar layers.
Specifications
ГОСТ Р 58891-2020
Список изменяющих документов
(в ред. Изменения N 1, утв. Приказом
Росстандарта от 19.10.2023 N 1194-ст)
ОКС 91.060.99
Дата введения
1 сентября 2020 года
Предисловие
1 РАЗРАБОТАН Ассоциацией "Наружные фасадные системы" (Ассоциация "АНФАС"), Обществом с ограниченной ответственностью Научно-исследовательский центр "Строительных технологий и материалов" (ООО НИЦ "Строительных технологий и материалов")
2 ВНЕСЕН Техническим комитетом по стандартизации ТК 465 "Строительство"
3 УТВЕРЖДЕН И ВВЕДЕН В ДЕЙСТВИЕ Приказом Федерального агентства по техническому регулированию и метрологии от 23 июня 2020 г. N 287-ст
4 ВВЕДЕН ВПЕРВЫЕ
Правила применения настоящего стандарта установлены в статье 26 Федерального закона от 29 июня 2015 г. N 162-ФЗ "О стандартизации в Российской Федерации". Информация об изменениях к настоящему стандарту публикуется в ежегодном (по состоянию на 1 января текущего года) информационном указателе "Национальные стандарты", а официальный текст изменений и поправок - в ежемесячном информационном указателе "Национальные стандарты". В случае пересмотра (замены) или отмены настоящего стандарта соответствующее уведомление будет опубликовано в ближайшем выпуске ежемесячного информационного указателя "Национальные стандарты". Соответствующая информация, уведомление и тексты размещаются также в информационной системе общего пользования - на официальном сайте Федерального агентства по техническому регулированию и метрологии в сети Интернет (www.gost.ru)
1 Область применения
Настоящий стандарт распространяется на профильные элементы (профили), выпускаемые промышленным способом, применяемые в качестве элементов усиления в составе фасадных теплоизоляционных композиционных систем с наружными штукатурными слоями (СФТК) и примыкания к изделиям и конструкциям в местах завершения СФТК при строительстве, реконструкции, ремонте зданий и сооружений.
Настоящий стандарт устанавливает технические требования, методы контроля, правила приемки профильных элементов, готовых к монтажу.
2 Нормативные ссылки
В настоящем стандарте использованы нормативные ссылки на следующие стандарты:
ГОСТ 166 (ИСО 3599-76) Штангенциркули. Технические условия
ГОСТ 427 Линейки измерительные металлические. Технические условия
ГОСТ 5632 Нержавеющие стали и сплавы коррозионно-стойкие, жаростойкие и жаропрочные. Марки
(ссылка введена Изменением N 1, утв. Приказом Росстандарта от 19.10.2023 N 1194-ст)
ГОСТ 10174-90 Прокладки уплотняющие пенополиуретановые для окон и дверей. Технические условия
(ссылка введена Изменением N 1, утв. Приказом Росстандарта от 19.10.2023 N 1194-ст)
ГОСТ 13726 Ленты из алюминия и алюминиевых сплавов. Технические условия
ГОСТ 14192 Маркировка грузов
ГОСТ 19111 Изделия погонажные профильные поливинилхлоридные для внутренней отделки. Технические условия
ГОСТ 19433 Грузы опасные. Классификация и маркировка
ГОСТ 30778 Прокладки уплотняющие из эластомерных материалов для оконных и дверных блоков. Технические условия
ГОСТ 31362 Прокладки уплотняющие для оконных и дверных блоков. Метод определения сопротивления эксплуатационным воздействиям
ГОСТ 33740 Системы фасадные теплоизоляционные композиционные с наружными штукатурными слоями. Термины и определения
ГОСТ 34275 (EN 13496:2013) Сетки из стекловолокна щелочестойкие армирующие фасадные. Метод определения механических свойств
ГОСТ Р 53338 Ленты паропроницаемые саморасширяющиеся самоклеящиеся строительного назначения. Технические условия
ГОСТ Р 55411 Профили гнутые из алюминия и алюминиевых сплавов. Технические условия
(ссылка введена Изменением N 1, утв. Приказом Росстандарта от 19.10.2023 N 1194-ст)
Примечание - При пользовании настоящим стандартом целесообразно проверить действие ссылочных стандартов в информационной системе общего пользования - на официальном сайте Федерального агентства по техническому регулированию и метрологии в сети Интернет или по ежегодному информационному указателю "Национальные стандарты", который опубликован по состоянию на 1 января текущего года, и по выпускам ежемесячного информационного указателя "Национальные стандарты" за текущий год. Если заменен ссылочный стандарт, на который дана недатированная ссылка, то рекомендуется использовать действующую версию этого стандарта с учетом всех внесенных в данную версию изменений. Если заменен ссылочный стандарт, на который дана датированная ссылка, то рекомендуется использовать версию этого стандарта с указанным выше годом утверждения (принятия). Если после утверждения настоящего стандарта в ссылочный стандарт, на который дана датированная ссылка, внесено изменение, затрагивающее положение, на которое дана ссылка, то это положение рекомендуется применять без учета данного изменения. Если ссылочный стандарт отменен без замены, то положение, в котором дана ссылка на него, рекомендуется применять в части, не затрагивающей эту ссылку.
3 Термины и определения
В настоящем стандарте применены термины по ГОСТ 13726, ГОСТ 33740, ГОСТ 19111, ГОСТ 34275, а также следующие термины с соответствующими определениями:
3.1 профильный элемент (профиль): Конструктивный элемент (изделие) заводского изготовления, выполненный из сердечника и щелочестойкой стеклосетки, закрепленной по его длинной стороне (сторонам) с использованием фиксирующего соединения, входящий в состав СФТК. В зависимости от назначения и классификации может быть выполнен (полностью или частично) без щелочестойкой стеклосетки.
3.2 щелочестойкая стеклосетка: Сетка из стекловолокна, изготовленная тканым способом, аппретированная полимерным составом для обеспечения защиты стеклянного волокна от щелочной коррозии и имеющая характеристики, предусмотренные настоящим стандартом.
3.3 фиксирующее соединение: Способ соединения щелочестойкой стеклосетки и сердечника по всей длине в форме щелочестойкого клеевого или механического соединения в зависимости от принятой на предприятии-изготовителе технологии.
3.4 сердечник: Элемент заводского изготовления, выполненный из ударопрочного непластифицированного поливинилхлорида, устойчивого к УФ-излучению, или алюминиевого сплава (только для цокольных профильных элементов) и характеризующийся заданными размерами и формой сечения.
3.5 угловой профильный элемент: Изделие, предназначенное для армирования и выравнивания штукатурного слоя внешних и внутренних углов СФТК, их защиты от трещин, сколов и механических повреждений.
3.6 примыкающий оконный профильный элемент: Изделие, предназначенное для прочного соединения штукатурного слоя СФТК с оконной рамой и препятствующее образованию трещин и проникновению влаги в местах примыкания.
3.7 профиль-капельник: Изделие, предназначенное для армирования и выравнивания штукатурного слоя горизонтальных углов СФТК, препятствующее попаданию влаги на горизонтальные поверхности за счет выноса (капельника).
3.8 рустовочный профильный элемент: Изделие, предназначенное для формирования декоративных углублений (рустов) при монтаже СФТК.
3.9 арочный профильный элемент: Изделие, предназначенное для армирования и выравнивания штукатурного слоя внешних углов арочных проемов и других криволинейных конструкций СФТК.
3.10 деформационный профильный элемент: Изделие, предназначенное для отделки термодинамических швов СФТК.
3.11 цокольный профильный элемент: Изделие, предназначенное для начальной опоры и защиты нижних торцов утеплителя в СФТК.
3.12 соэкструзия: Технология, применяемая для расширения эксплуатационных возможностей профилей путем совмещения в одном изделии полимерных материалов с различными индивидуальными свойствами.
4 Классификация и поперечные сечения профильных элементов
4.1 Классификация профильных элементов
4.1.1 Классификацию профильных элементов проводят по следующим классификационным признакам:
- назначению;
- материалу изготовления (только для цокольных профильных элементов).
4.1.2 Профильные элементы классифицируются по назначению следующим образом:
- угловой:
- жесткий,
- гибкий (пластичный);
- примыкающий оконный;
- капельник:
- открытый,
- закрытый;
- рустовочный;
- арочный;
- деформационный:
- E-образный,
- V-образный;
- цокольный.
4.1.3 По материалу изготовления (только для цокольных профильных элементов) профильные элементы классифицируют на выполненные:
- из поливинилхлорида (ПВХ);
- из алюминиевых сплавов.
Примечание исключено с 01.11.2023. - Изменение N 1, утв. Приказом Минстроя России от 19.10.2023 N 1194-ст.
4.2 Поперечные сечения профильных элементов
Поперечные сечения профильных элементов с указанием размеров представлены на рисунках 1 - 7.
Примечание - Рисунки 1 - 7 являются схематическими изображениями.
1 - сердечник; 2 - перфорация;
3 - щелочестойкая стеклосетка
Рисунок 1 - Угловой профильный элемент
с щелочестойкой стеклосеткой
1 - сердечник; 2 - перфорация; 3 - щелочестойкая
стеклосетка; 4 - капельник (вынос)
Рисунок 2 - Профиль-капельник с щелочестойкой стеклосеткой
1 - сердечник; 2 - перфорация; 3 - щелочестойкая
стеклосетка; 4 - удаляемая кромка; 5 - уплотнительная лента
Рисунок 3 - Примыкающий оконный профильный элемент
с щелочестойкой стеклосеткой
Примечание - Допускается выпуск профильных элементов, имеющих трапециевидное и треугольное сечения, а также выпуск профильных элементов без щелочестойкой стеклосетки.
1 - сердечник; 2 - перфорация;
3 - щелочестойкая стеклосетка
Рисунок 4 - Рустовочный профильный элемент
с щелочестойкой стеклосеткой
Примечание - Полка арочного профильного элемента на рисунке 5 б соответствует только одной полке на рисунке 6 а.
1 - сердечник; 2 - перфорация;
3 - щелочестойкая стеклосетка
Рисунок 5 - Арочный профильный элемент (а)
и полка арочного профильного элемента (б)
1 - сердечник; 2 - перфорация; 3 - щелочестойкая
стеклосетка; 4 - эластичная гидрозащитная лента
Рисунок 6 - E-образный (а) и V-образный (б)
деформационные профильные элементы
1 - сердечник; 2 - перфорация
Рисунок 7 - Цокольный профильный элемент
5 Общие технические требования
5.1 Технические требования к материалам и изделиям
(подраздел 5.1 в ред. Изменения N 1, утв. Приказом Росстандарта от 19.10.2023 N 1194-ст)
5.1.1 Профильные элементы должны соответствовать требованиям настоящего стандарта и технологической документации.
5.1.2 Цокольный алюминиевый профиль изготавливают из алюминиевых сплавов по ГОСТ Р 55411. Допускается производство цокольного профиля из коррозионно-стойкой стали марок 08Х17, 08Х18Н10, 04Х18Н10 и 03Х18Н11 по ГОСТ 5632.
5.1.3 Пластиковые профильные элементы изготавливают из модифицированного ПВХ.
5.1.3.1 Марка ПВХ для сердечников профильных элементов по жесткости должна быть не ниже ПЖ (полужесткие) по ГОСТ 19111.
5.1.3.2 Жесткость гибких частей гибкого углового профильного элемента и деформационных профильных элементов должна соответствовать марке М (мягкие) по ГОСТ 19111. Соединение гибкой и жесткой частей профильного элемента следует осуществлять методом соэкструзии.
5.1.3.3 Сердечник профильных элементов должен быть изготовлен из полимерного сырья, обеспечивающего температурную стойкость при эксплуатации СФТК в диапазоне температур от минус 40 °C до плюс 80 °C. Содержание вторичного сырья в сердечнике не допускается. При изготовлении сердечника профильного элемента может быть добавлен переработанный материал из применяемых марок полимера (например, литник), полученный в процессе изготовления данного изделия, в количестве не более 10% общей массы.
5.1.3.4 Уплотнительная лента должна соответствовать требованиям ГОСТ Р 53338, ее вид по морозостойкости должен быть не ниже II.
5.1.3.5 Уплотняющие прокладки (при наличии) должны быть стойкими к атмосферному воздействию и отвечать требованиям ГОСТ 30778 и ГОСТ 31362.
5.1.3.6 В случае изготовления профильных элементов с щелочестойкой стеклосеткой номинальная масса на единицу площади аппретированной щелочестойкой стеклосетки должна быть не менее 145 г/м2 и иметь разрывные усилия по основе и утку, определяемые согласно ГОСТ 34275, не менее 1500 Н.
5.1.4 Ширина щелочестойкой стеклосетки на профильном элементе должна быть не менее 100 мм.
5.1.5 Предел прочности при отрыве щелочестойкой стеклосетки от сердечника из ПВХ должен составлять не менее 1,0 Н/мм.
5.1.6 Крепление щелочестойкой стеклосетки к сердечнику профильных элементов следует выполнять механическим соединением (методом соэкструзии).
Примечание - Крепление щелочестойкой стеклосетки к сердечнику угловых профильных элементов допускается выполнять с помощью клеевого соединения.
5.1.7 Длина профильного элемента всех видов должна быть не более 2,5 м.
5.1.8 Толщина полок сердечника всех профильных элементов, кроме цокольного, должна быть не менее 0,9 мм. Толщина полок сердечника цокольного профильного элемента должна быть не менее 0,5 мм.
5.1.9 Масса 1 м изделия сердечника углового профильного элемента должна быть не менее 45 г.
5.1.10 Ширина полки сердечника углового профильного элемента должна быть не менее 19 мм.
5.1.11 Сердечник профильного элемента должен быть ровным по всей длине. Отклонение длины и ширины сердечника в изделии более чем на 2 мм не допускается.
5.1.12 Полки сердечника углового профильного элемента должны быть перфорированы по всей длине отверстиями одинаковых формы и площади. Площадь перфорации должна быть не менее 10% и не более 20% общей площади сердечника. Расстояния от центра отверстия до его ближайшего края и от края отверстия до края сердечника должны быть не менее 2,5 мм.
5.1.13 Рустовочный профильный элемент должен иметь раскрытое сечение, предотвращающее скапливание воды.
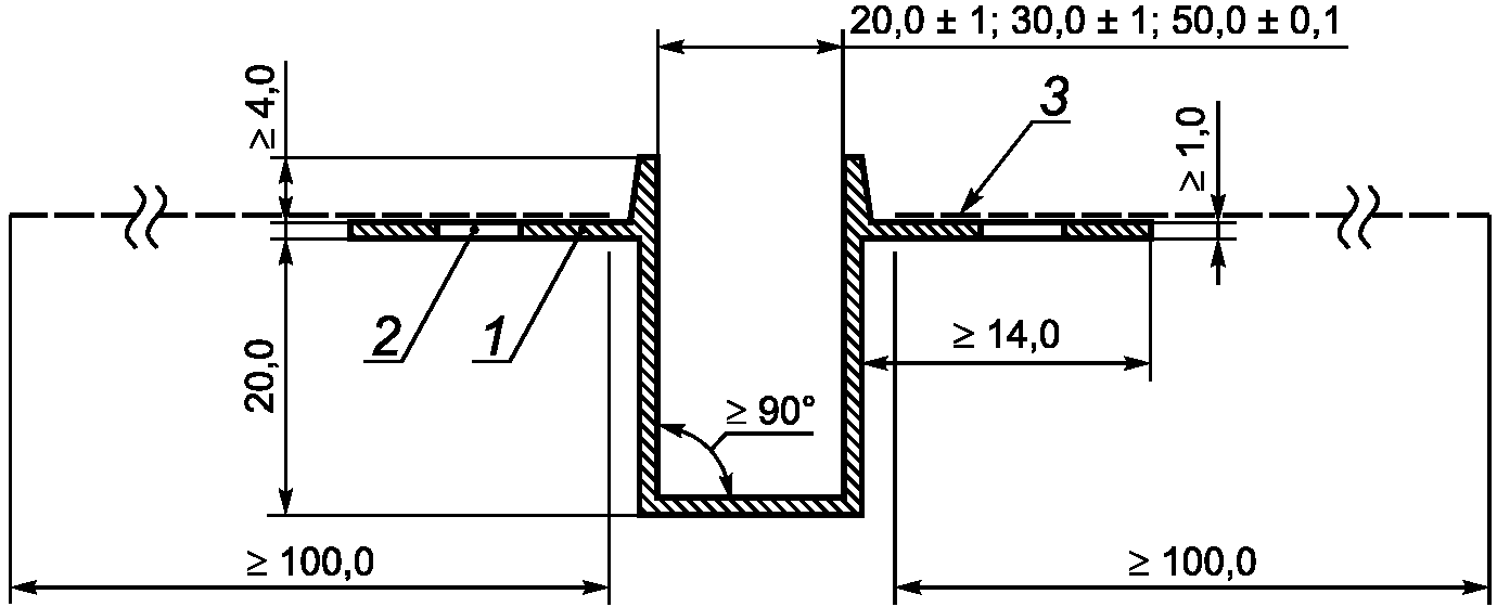
5.1.14 Деформационные профильные элементы должны обеспечивать возможное перемещение соседних плоскостей фасада не менее чем на 10 мм. Минимальная глубина стыка должна быть не менее 50 мм.
5.1.15 Вынос профиля-капельника должен быть не менее 7 мм.
5.1.16 Ширина задней полки сердечника примыкающего оконного профильного элемента с щелочестойкой стеклосеткой должна быть не более 15 мм.
5.1.17 Ширина уплотнительной ленты в примыкающем профильном элементе должна быть не менее 4 мм, толщина - не менее 3 мм.
5.1.18 Предел прочности сцепления уплотнительной ленты с основанием должен быть не менее 0,1 МПа.
5.2 Маркировка
5.2.1 Каждую упаковочную единицу следует маркировать этикеткой. Маркировка должна быть отчетливой и содержать:
- наименование, тип профильного элемента;
- наименование предприятия-изготовителя и/или его товарный знак, адрес;
- число погонных метров профильного элемента в одной упаковке и длину одного профильного элемента;
- количество профильных элементов в пакете, шт.;
- дату изготовления (месяц, год);
- номер партии;
- наименование продукции, размеры и цвет;
- штамп ОТК, упаковщика или личное клеймо оператора;
- гарантийный срок эксплуатации;
- предупредительную надпись: "Не бросать" (допускается предупредительную надпись наносить на упаковку);
- обозначение настоящего стандарта.
5.2.2 Допускается по решению предприятия-изготовителя указывать в маркировке дополнительную информацию для потребителя (например, штриховой код, сведения о сертификации и др.).
5.2.3 Допускается наносить другие манипуляционные знаки и информационные надписи, обеспечивающие сохранность профильных элементов при погрузочно-разгрузочных работах, транспортировании и хранении.
Транспортная маркировка - по ГОСТ 14192.
5.2.4 При необходимости маркировка может содержать дополнительные данные, позволяющие более полно идентифицировать продукцию.
5.3 Упаковка
5.3.1 Упаковка профильных элементов должна соответствовать нормативным документам и технической документации, утвержденной на предприятии-изготовителе.
5.3.2 Условия упаковки должны обеспечивать предохранение профильных элементов от ультрафиолетового воздействия, загрязнений, деформаций и других механических повреждений.
5.3.3 В одной упаковке должны быть профильные элементы одного наименования и одной длины.
5.3.4 Допускается согласовывать способ упаковки с потребителем и указывать его в заказе на изготовление.
6 Требования безопасности
6.1 Профильные элементы в обычных условиях являются безопасными для жизни и здоровья человека и не выделяют при эксплуатации в окружающую среду вредные вещества выше предельно допустимых концентраций, установленных гигиеническими требованиями и нормами для жилых помещений и населенных мест. Использование профильных элементов в нормальных условиях не требует мер предосторожности.
6.2 Профильные элементы должны соответствовать санитарно-эпидемиологическим и гигиеническим требованиям Таможенного союза [1] (глава II, раздел 6).
(в ред. Изменения N 1, утв. Приказом Росстандарта от 19.10.2023 N 1194-ст)
6.3 Профильные элементы не должны выделять в окружающую среду летучие вещества в количествах, которые могут оказывать прямое или косвенное неблагоприятное действие на организм человека (с учетом совместного действия всех выделяющихся веществ).
6.4 Профильные элементы не являются опасным грузом по классификации ГОСТ 19433.
7 Правила приемки
7.1 Профильные элементы принимают партиями. Партией считают любое число профильных элементов одинаковых вида, размера и цвета, изготовленных из одной партии сырья и материалов, на одной технологической линии, однородных по качеству и сопровождаемых одним документом о качестве.
7.2 Документ о качестве (паспорт) должен содержать следующие данные:
- наименование изделия;
- соответствие настоящему стандарту;
- наименование и/или товарный знак предприятия-изготовителя;
- дату изготовления;
- номер партии;
- подпись и штамп ОТК.
7.3 Качество профильных элементов проверяют путем проведения приемо-сдаточных и периодических испытаний.
7.4 Приемо-сдаточные испытания
Программа приемо-сдаточных испытаний включает в себя проверку внешнего вида, соответствие формы классификационному признаку, отклонения геометрических размеров, соответствие используемых марок материала сердечника и щелочестойкой стеклосетки требуемым настоящим стандартом.
7.5 Периодические испытания
7.5.1 При периодических испытаниях определяют предел прочности при отрыве щелочестойкой стеклосетки от сердечника из ПВХ с периодичностью не реже одного раза в 6 мес.
7.5.2 Периодическим испытаниям подвергают изделия, прошедшие приемо-сдаточные испытания.
7.6 Контроль качества профильных элементов осуществляют выборочным методом. Для проведения испытаний отбирают не менее трех упаковок с изделиями от каждой партии. От каждой упаковки отбирают по одному профильному элементу.
7.7 При неудовлетворительных результатах испытаний хотя бы по одному из показателей всю партию бракуют.
8 Методы испытаний
8.1 Определение геометрических размеров профильных элементов и их составных частей
(подраздел 8.1 в ред. Изменения N 1, утв. Приказом Росстандарта от 19.10.2023 N 1194-ст)
8.1.1 Измерения всех геометрических размеров профильных элементов, требования к которым приведены в 5.1, выполняют с использованием поверенных измерительных оборудования и инструмента (ГОСТ 166, ГОСТ 427).
8.1.2 Для испытания (исследования) из партии отбирают не менее трех образцов одного вида (типа). Измерения проводят не менее чем в пяти точках по длине профильного элемента. Результаты измерений - в миллиметрах с округлением до одного значащего знака после запятой.
8.1.3 Определяемый геометрический размер устанавливают как среднее арифметическое значение результатов всех выполненных измерений конкретного геометрического размера.
8.2 Определение предела прочности при отрыве щелочестойкой стеклосетки от сердечника из ПВХ
8.2.1 Испытательное оборудование и средства измерений
8.2.1.1 Машина для испытаний на растяжение с заданным диапазоном растягивающей нагрузки и смещения, обеспечивающая постоянную скорость движения захватов (50 +/- 5) мм/мин. Машина должна обеспечивать измерение усилия разрыва и удлинения с пределом погрешности до 1%. Захваты разрывной машины должны иметь покрытие из материала, который обеспечивает закрепление испытуемого образца без выскальзывания, например резины, и должны зажимать испытуемый образец по всей его ширине. Захваты должны быть достаточно жесткими для исключения деформации в процессе испытания.
8.2.1.2 Линейка металлическая по ГОСТ 427.
8.2.2 Изготовление образцов
Образцы вырезают из цельного профильного элемента шириной 50 мм таким образом, чтобы при испытании ось приложенного усилия была перпендикулярна соединению щелочестойкой стеклосетки с сердечником. Число образцов для проведения испытания должно быть не менее 5.
8.2.3 Проведение испытания
Перед началом проведения испытания образцы выдерживают в течение 24 ч при температуре (21 +/- 3) °C и относительной влажности воздуха (55 +/- 10)%.
Испытание проводят при температуре (23 +/- 2) °C.
Образец закрепляют между двумя захватами разрывной машины. Самоцентрирующее устройство верхнего захвата позволяет избежать неравномерного распределения растягивающего напряжения в процессе испытания. Образец должен располагаться перпендикулярно захватам разрывной машины.
Образцы предварительно нагружают со скоростью разрывной машины 5 мм/мин до значения 10 Н.
Испытание проводят с постоянной скоростью разрывной машины (50 +/- 5) мм/мин.
При испытании отмечают характер разрыва образца: разрыв по щелочестойкой сетке или по фиксирующему соединению. Характер разрыва отмечают в журнале испытания.
8.2.4 Обработка результатов испытаний
За результат испытания принимают среднее арифметическое значение результатов испытаний всех образцов, Н/мм, рассчитанное с точностью до двух значащих знаков после запятой.
8.3 Определение предела прочности сцепления уплотнительной ленты с профильным элементом проводят по ГОСТ 10174-90 (подраздел 3.3) с тем отличием, что вместо деревянной окрашенной масляной краской пластины используют сердечник профильного элемента.
(п. 8.3 введен Изменением N 1, утв. Приказом Росстандарта от 19.10.2023 N 1194-ст)
9 Транспортирование и хранение
9.1 Профильные элементы транспортируют в заводской упаковке всеми видами транспорта в крытых транспортных средствах в соответствии с правилами перевозки грузов, действующими на данном виде транспорта.
9.2 Транспортирование профильных элементов без заводской упаковки запрещается.
9.3 При транспортировании и хранении пакеты с профильными элементами укладывают горизонтально на ровную поверхность, исключая провисание, прогиб, скручивание, деформирование изделий. Не допускается свисание свободных концов профильных элементов.
9.4 При транспортировании, погрузке, выгрузке и хранении профильных элементов следует обеспечивать их сохранность от механических повреждений, загрязнения, увлажнения, значительных колебаний температуры. Не допускается бросать, перегибать и деформировать пакеты с изделиями при погрузочно-разгрузочных работах, транспортировании и хранении, а также перемещать их волочением.
9.5 При проведении погрузочно-разгрузочных работ запрещается бросать упаковки с изделиями.
9.6 При перевозке профильных элементов транспортом потребителя ответственность за сохранность и качество продукции регулируются договорными отношениями поставщика и потребителя.
9.7 Число транспортных упаковок, которые можно транспортировать, положив друг на друга, должно быть определено предприятием-изготовителем исходя из особенностей упаковки.
9.8 Длина стеллажа должна соответствовать длине профилей в пакете. Высота штабеля пакетов должна быть не более 3,0 м.
9.9 Изделия в упаковке следует хранить в крытых складских помещениях при температуре 0 °C - 40 °C и на расстоянии не менее 1 м от обогревательных приборов. Должны быть исключены воздействие пламени или других источников загорания и попадание прямых солнечных лучей, масел и органических растворителей.
10 Указания по монтажу и эксплуатации
10.1 Профильные элементы поставляют готовыми к использованию. Монтаж профильных элементов осуществляют в соответствии с инструкцией по монтажу предприятия-изготовителя.
10.2 Распаковку профильных элементов следует проводить при температуре не ниже 5 °C. Перед распаковкой профильные элементы выдерживают при температуре не ниже 5 °C:
- не менее 12 ч, если они до этого находились при температуре 0 °C;
- не менее 2 сут, если они до этого находились при температуре ниже 0 °C.
10.3 Контакт профильных элементов с органическими растворителями не допускается, за исключением рустовочного профильного элемента, подлежащего последующей окраске.
11 Гарантии изготовителя
11.1 Изготовитель обязан гарантировать соответствие профильных элементов требованиям настоящего стандарта при соблюдении требований разделов 9, 10 настоящего стандарта.
11.2 Гарантийный срок хранения профильных элементов должен составлять не менее 12 мес со дня поставки до начала монтажа.
11.3 По окончании срока хранения профильные элементы могут быть использованы по назначению только после проверки их на соответствие требованиям настоящего стандарта.
БИБЛИОГРАФИЯ
[1]
Единые санитарно-эпидемиологические и гигиенические требования к товарам, подлежащим санитарно-эпидемиологическому надзору (контролю) (утверждены решением Комиссии Таможенного союза от 28 мая 2010 г. N 299 "О применении санитарных мер в Таможенном союзе")
[2] Позиция исключена с 01.11.2023. - Изменение N 1, утв. Приказом Росстандарта от 19.10.2023 N 1194-ст
УДК 691-42
ОКС 91.060.99
Ключевые слова: фасадные теплоизоляционные композиционные системы, профильный элемент, армирующая сетка, сердечник, технические требования, требования безопасности, правила приемки, методы испытаний, транспортирование, хранение