| Обозначение: | ГОСТ 25878-85 |
| Обозначение англ: | GOST 25878-85 |
| Статус: | заменен |
| Название рус.: | Формы стальные для изготовления железобетонных изделий. Поддоны. Конструкция и размеры |
| Название англ.: | Steel moulds for reinforced concrete members. Pallets. Construction and dimensions |
| Дата добавления в базу: | 01.09.2013 |
| Дата актуализации: | 01.01.2021 |
| Дата введения: | 01.01.1987 |
| Дата окончания срока действия: | 01.09.2019 |
| Область применения: | Стандарт распространяется на поддоны стальных форм для изготовления железобетонных изделий и устанавливает требования к конструкции и размерам основных сборочных единиц и деталей поддонов. |
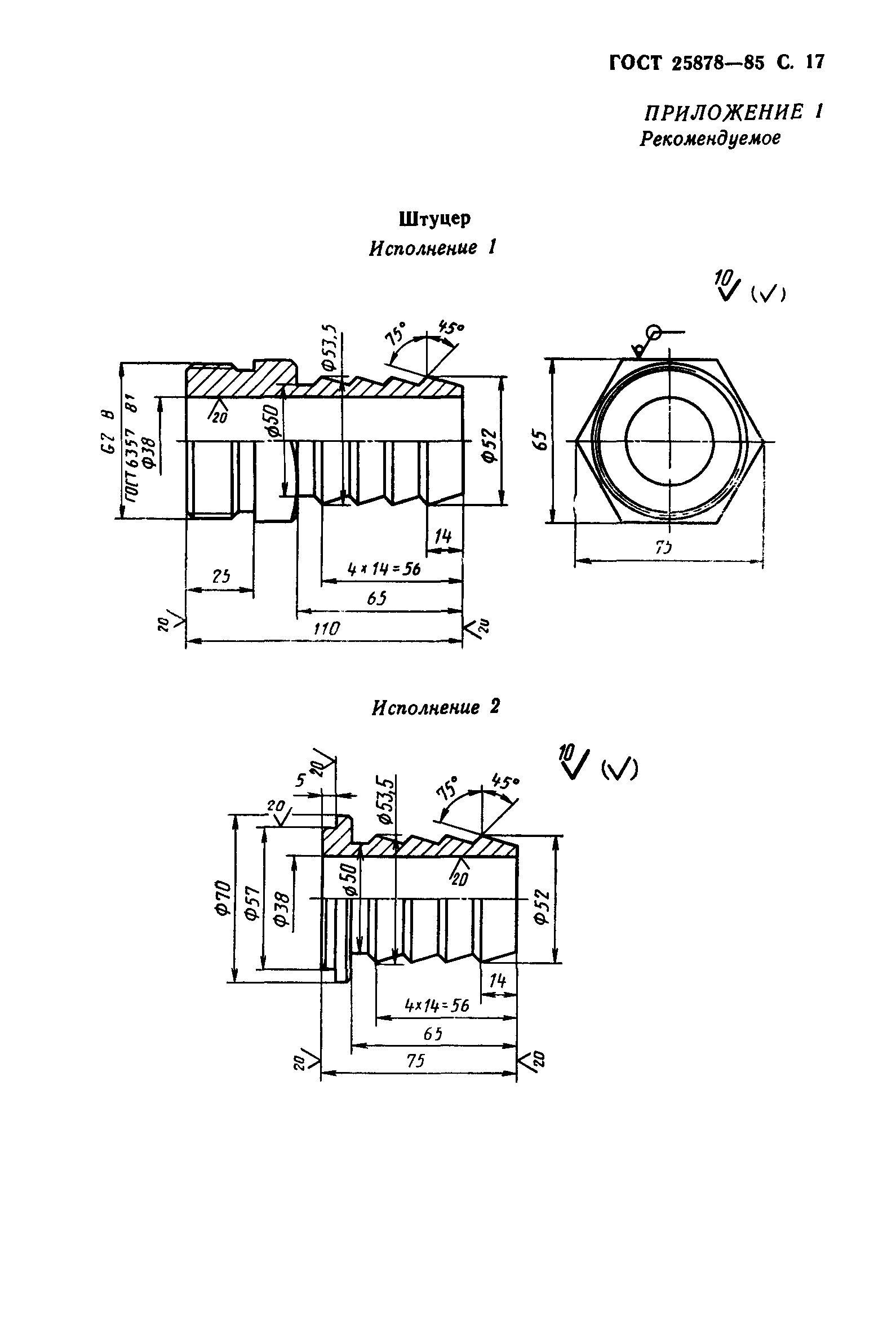
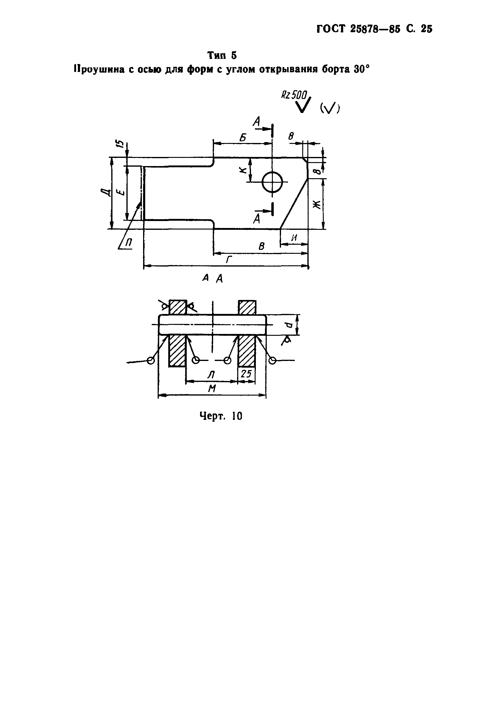
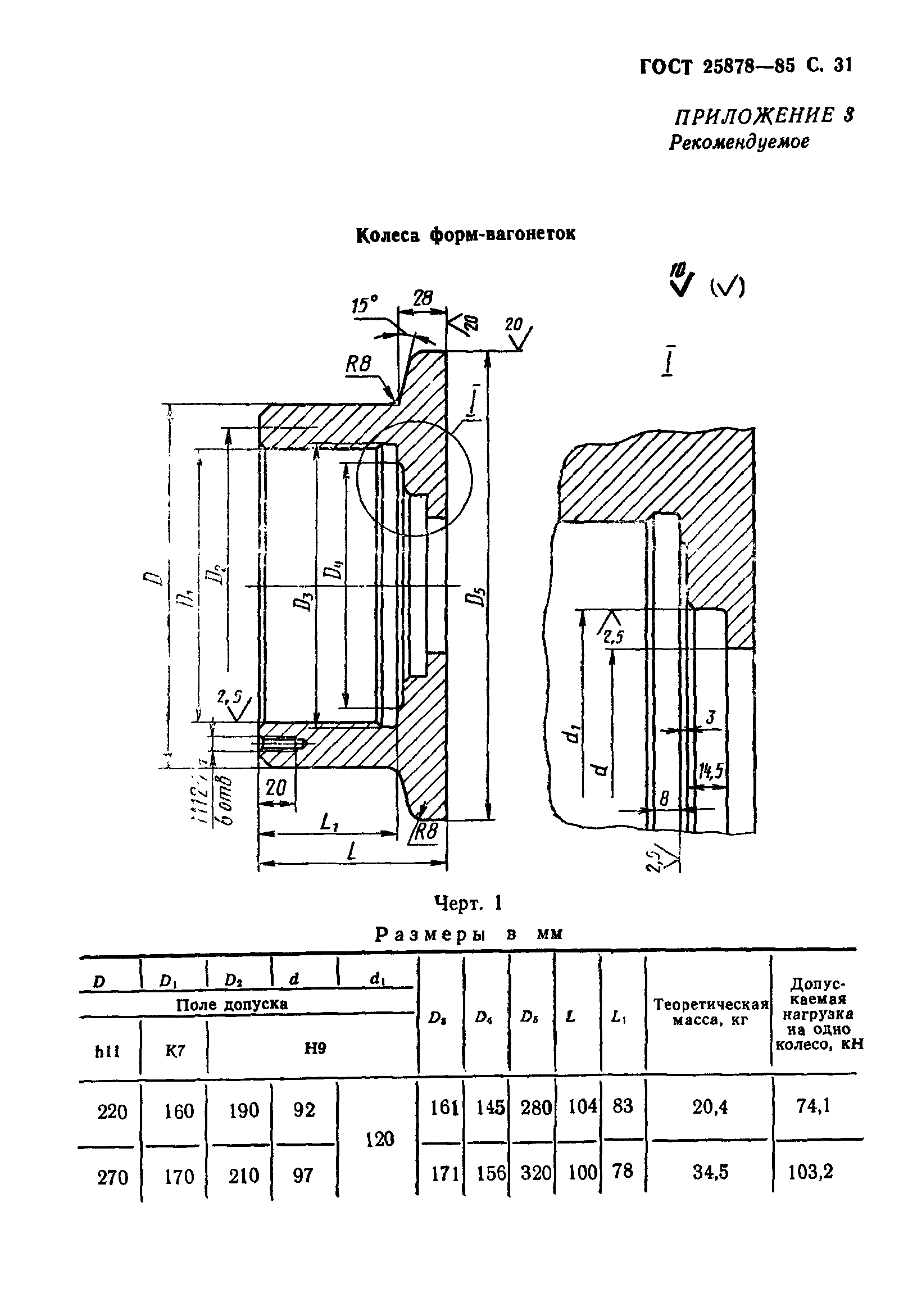
| Оглавление: | Приложение 1 (рекомендуемое) Штуцер Приложение 2 (рекомендуемое) Конструкция проушин и схемы их установки на поддонах Приложение 3 (рекомендуемое) Колеса форм-вагонеток Приложение 4 (рекомендуемое) Упоры, расположенные на торцах поддона Приложение 5 (рекомендуемое) Примеры установки плит на поддоне Приложение 6 (Исключено) Приложение 7 (рекомендуемое) Фиксаторы для закладных деталей |
| Разработан: | НИИЖБ Госстроя СССР СКТБ Главмоспромстройматериалы Гипростроймаш Минстройдормаша
|
| Утверждён: | 25.09.1985 Государственный комитет СССР по делам строительства (162)
|
| Издан: | Издательство стандартов (1986 г. ) Издательство стандартов (1994 г. )
|
| Список изменений: | |
| Заменяет собой: | ГОСТ 25878.3-83 «Формы стальные для изготовления железобетонных изделий. Устройства строповочные. Конструкция и размеры» ГОСТ 25878.2-83 «Формы стальные для изготовления железобетонных изделий. Колеса форм-вагонеток. Конструкция и размеры» |
| Нормативные ссылки: |   ГОСТ 23117-91 «Зажимы полуавтоматические для натяжения арматуры железобетонных конструкций. Технические условия»  ГОСТ 25781-83 «Формы стальные для изготовления железобетонных изделий. Технические условия»  ГОСТ 103-76 «Полоса стальная горячекатаная. Сортамент»  ГОСТ 1050-88 «Прокат сортовой, калиброванный, со специальной отделкой поверхности из углеродистой качественной конструкционной стали. Общие технические условия»  ГОСТ 2591-88 «Прокат стальной горячекатаный квадратный. Сортамент»  ГОСТ 5264-80 «Ручная дуговая сварка. Соединения сварные. Основные типы, конструктивные элементы и размеры»  ГОСТ 5781-82 «Сталь горячекатаная для армирования железобетонных конструкций. Технические условия»  ГОСТ 8239-89 «Двутавры стальные горячекатаные. Сортамент»  ГОСТ 8240-89 «Швеллеры стальные горячекатаные. Сортамент»  ГОСТ 8509-93 «Уголки стальные горячекатаные равнополочные. Сортамент»  ГОСТ 8510-86 «Уголки стальные горячекатаные неравнополочные. Сортамент»  ГОСТ 19903-74 «Прокат листовой горячекатаный. Сортамент»  ГОСТ 19904-90 «Прокат листовой холоднокатаный. Сортамент»  ГОСТ 2.312-72 «Единая система конструкторской документации. Условные изображения и обозначения швов сварных соединений»  ГОСТ 25346-89 «Основные нормы взаимозаменяемости. Единая система допусков и посадок. Общие положения, ряды допусков и основных отклонений»  ГОСТ 7798-70 «Болты с шестигранной головкой класса точности В. Конструкция и размеры»  ГОСТ 11534-75 «Ручная дуговая сварка. Соединения сварные под острыми и тупыми углами. Основные типы, конструктивные элементы и размеры»  ГОСТ 14771-76 «Дуговая сварка в защитном газе. Соединения сварные. Основные типы. Конструктивные элементы и размеры»  ГОСТ 9.301-86 «Единая система защиты от коррозии и старения. Покрытия металлические и неметаллические неорганические. Общие требования»  ГОСТ 9.303-84 «Единая система защиты от коррозии и старения. Покрытия металлические и неметаллические неорганические. Общие требования к выбору»  ГОСТ 23518-79 «Дуговая сварка в защитных газах. Соединения сварные под острыми и тупыми углами. Основные типы, конструктивные элементы и размеры»  ГОСТ 2789-73 «Шероховатость поверхности. Параметры и характеристики»  ГОСТ 977-88 «Отливки стальные. Общие технические условия»  ГОСТ 14959-79 «Прокат из рессорно-пружинной углеродистой и легированной стали. Технические условия»  ГОСТ 14792-80 «Детали и заготовки, вырезаемые кислородной и плазменно-дуговой резкой. Точность, качество поверхности реза»  ГОСТ 7505-89 «Поковки стальные штампованные. Допуски, припуски и кузнечные напуски»  ГОСТ 11871-88 «Гайки круглые шлицевые. Технические условия»  ГОСТ 11872-89 «Шайбы стопорные многолапчатые. Технические условия»  ГОСТ 18511-73 «Крышки торцовые глухие. Конструкция и размеры»  ГОСТ 26645-85 «Отливки из металлов и сплавов. Допуски размеров, массы и припуски на механическую обработку» ГОСТ 3212-92 «Комплекты модельные. Уклоны формовочные, стержневые знаки, допуски размеров» ГОСТ 380-88 «Сталь углеродистая обыкновенного качества. Марки»  ГОСТ 397-79 «Шплинты. Технические условия»  ГОСТ 5919-73 «Гайки шестигранные прорезные и корончатые низкие класса точности В. Конструкция и размеры»  ГОСТ 6357-81 «Основные нормы взаимозаменяемости. Резьба трубная цилиндрическая» ГОСТ 8338-75 «Подшипники шариковые радиальные однорядные. Основные размеры»  ГОСТ 8339-84 «Установки маслонапорные для гидравлических турбин. Технические условия» ГОСТ 8509-86 «Уголки стальные горячекатаные равнополочные. Сортамент» ГОСТ 8752-79 «Манжеты резиновые армированные для валов. Технические условия»  ГОСТ 11872-80 «Шайбы стопорные многолапчатые. Технические условия»  ГОСТ 11871-80 «Гайки круглые шлицевые. Технические условия»
|