Скачать Руководство по сооружению перегонных тоннелей метрополитена (в развитие главы СНиП III-44-77) Тоннели железнодорожные, автодорожные и гидротехнические. Метрополитены. Правила производства и приемки работДата актуализации: 01.01.2021 |
| Статус: | справочные материалы, мп, тпр |
| Название рус.: | Руководство по сооружению перегонных тоннелей метрополитена (в развитие главы СНиП III-44-77) "Тоннели железнодорожные, автодорожные и гидротехнические. Метрополитены. Правила производства и приемки работ" |
| Название англ.: | Construction Guide to Subway Transit Tunnels (SNIP III-44-77 Handbook) - Railway, Road and Highway, and Hydraulic Tunnels - Subways - Work Execution and Acceptance Requirements |
| Дата добавления в базу: | 01.09.2013 |
| Дата актуализации: | 01.01.2021 |
| Область применения: | «Руководство по сооружению перегонных тоннелей метрополитенов» дает рекомендации по производству работ при строительстве перегонных тоннелей, являющихся основными тоннельными сооружениями метрополитена как по протяженности, так и по объему капиталовложений на строящихся линиях. В Руководстве приводятся дополнительные требования, соблюдение которых необходимо при производстве и приемке работ, связанных с проходкой и сооружением обделок перегонных тоннелей. |
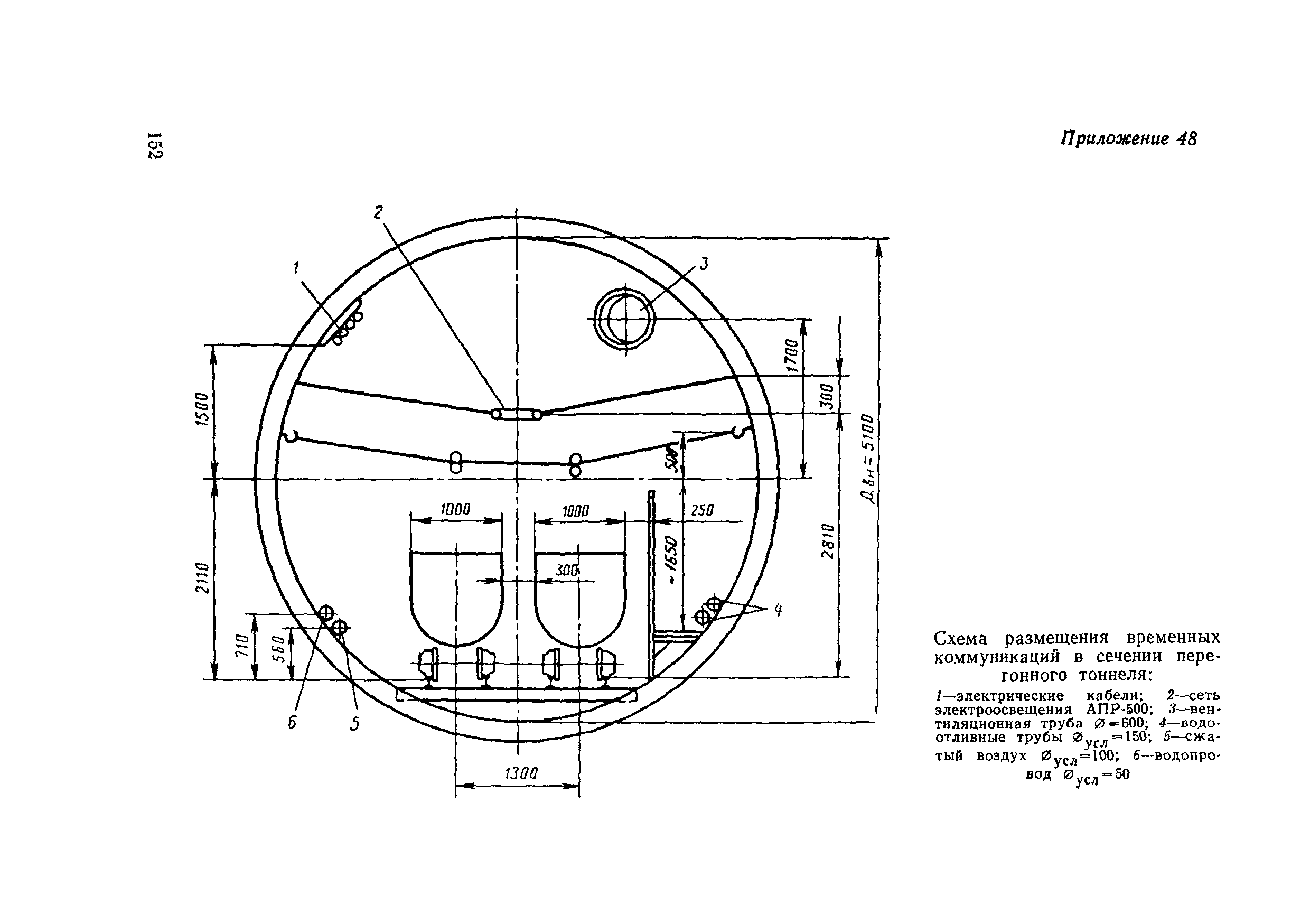
| Оглавление: | Предисловие 1. Общие положения 2. Подготовительные работы при строительстве перегонных тоннелей закрытым способом 3. Проходка перегонных тоннелей закрытым способом Проходка тоннелей обычными (немеханизированными) щитами Проходка тоннелей механизированными щитами Проходка тоннелей без щита способом сплошного забоя Проходка тоннелей с применением специальных способов 4. Сооружение обделок тоннелей при проходке закрытым способом Сборные обделки Сооружение монолитно-прессованной бетонной обделки Первичное нагнетание за обделку Гидроизоляция обделки Контрольное нагнетание Гидроизоляция стыков и отверстий 5. Вспомогательные работы и устройства при сооружении тоннелей закрытым способом (транспорт, водоотлив, освещение и вентиляция на период строительных работ) Транспорт в тоннеле Водоотлив в тоннеле Освещение выработок Вентиляция выработок 6. Сооружение перегонных тоннелей открытым способом Разработка грунта Сооружение обделок с гидроизоляцией Обратная засыпка конструкций 7. Охранные мероприятия 8. Приемка работ и контроль качества Приложения 1. Распределение грунтов и пород по группам в зависимости от трудности их разработки 2. Применяемые современные проходческие механизированные комплексы для сооружения перегонных тоннелей метрополитенов 3. Образец паспорта буровзрывных работ 4. Технические характеристики применяемых инструментов 5. Техническая характеристика ручных электросверл 6. Техническая характеристика пневматических отбойных молотков 7. Образец паспорта временного крепления 8. Технологическая схема сооружения тоннеля обычным немеханизированным щитом 9. Техническая характеристика проходческих немеханизированных щитов для проходки перегонного тоннеля 10. Примерные схемы крепления лба забоя на обычном щите 11. Техническая характеристика погрузочных машин 12. Щитовой журнал 13. Технологическая схема сооружения тоннеля обычным щитом с рассекающими площадками 14. Технологическая схема сооружения тоннеля механизированным щитовым комплексом КТ 1- 5,6 15. Техническая характеристика механизированного щитового комплекса КТ 1 - 5,6 при роторном исполнительном органе 16. Технологическая схема сооружения тоннеля механизированным щитовым комплексом КМ-24М со щитом ЩМР-1 17. Техническая характеристика проходческого комплекса КМ - 24-0 со щитом ЩМР - 1 18. Образец циклограммы проходки перегонного тоннеля диаметром 5,5 м механизированным щитом ЩМР-1 в грунтах III – IV групп с обделкой из сборного железобетона 19. Технологическая схема сооружения тоннеля механизированным щитовым комплексом КМ-19 со щитом ЩМ-17М 20. Техническая характеристика проходческого комплекса КМ - 19 со щитом ЩМ - 17 21. Технологическая схема сооружения тоннеля механизированным щитов комплексом ТЩБ-7 со щитом ЩБ-17 22. Техническая характеристика проходческого комплекса ТЩБ - 7 23. Технологическая схема сооружения тоннеля без щита способом сплошного забоя механизированным комплексом КМ - I4 Гп 24. Образец циклограммы сооружения перегонного тоннеля д - 5,5 м бесщитковым способом в грунтах V группы со сборной железобетонной обделкой 25. Технологическая схема сооружения тоннеля методом продавливания 26. Схема типовой железобетонной унифицированной обделки тоннелей, сооружаемых закрытым способом 27. Схема типовой чугункой облегченной обделки перегонных тоннелей 28. Техническая характеристика сборных железобетонных обделок перегонных тоннелей 29. Техническая характеристика чугунных обделок перегонных тоннелей метрополитенов 30. Техническая характеристика сболчивателей пневматических ПСГ-1 31. Схема укладчика тоннельной обделки рычажного типа 32. Схема укладчика тоннельной обделки дугового типа 33. Техническая характеристика тоннельных укладчиков 34. Ведомость укладки колец тоннельной обделки 35. Примерные составы растворов для первичного и контрольного нагнетания за обделку 36. Техническая характеристика растворонагнетателя РН-1 37. Схема технологической тележки для нагнетания растворов в тоннеле 38. Схема узла пневматического торового устройства одиночного действия 39. Техническая характеристика растворонасосов для контрольного нагнетания за обделку 40. Схема технологической тележки для чеканочных работ 41. Техническая характеристика цементоукладчика 42. Техническая характеристика чеканочных молотков 43. Техническая характеристика вагонеток и тележки для перевозки элементов обделки 44. Техническая характеристика шахтных электровозов 45. Схемы стрелочных переводов для шахтных путей 46. Техническая характеристика стрелочных переводов и съездов по ГОСТ 7477-55 47. Схема подземного транспорта автомобилями 48. Схема размещения временных коммуникаций в сечении перегонного тоннеля 49. Техническая характеристика землеройных машин, применяемых для разработки грунта в котлованах 50. Номограмма для определения шага расстрелов для крепления котлованов 51. Номограмма для определения шага свай крепления стен котлованов 52. Номограмма для определения толщины досок затяжки стен котлованов 53. Схема копровой установки для извлечения свай 54. Схема комплекса для сооружения двухпутного перегонного тоннеля открытым способом в котловане без крепления на глубину до 10 м 55. Схема комплекса для сооружения двухпутного перегонного тоннеля открытым способом в котловане без крепления на глубину более 10 м 56. Схема комплекса для сооружения двухпутного перегонного тоннеля сокрытым способом в котловане с частичным креплением 57. Схема комплекса для сооружения двухпутного перегонного тоннеля открытым способом с креплением на всю глубину 58. Технологическая схема сооружения перегонных тоннелей открытым способом с применением проходческого щита типа 7142 59. Техническая характеристика проходческого комплекса для сооружения перегонных тоннелей метрополитенов открытым способом ( № 7142) 60. Схемы сборных тоннельных обделок открытого способа работ 61. Техническая характеристика кранов 62. Журнал первичного нагнетания цементно-песчаного раствора за обделку 63. Журнал производства горных работ 64. Журнал контрольного нагнетания цемента за обделку 65. Журнал производства чеканочных работ 66. Журнал производства работ по устройству оклеечной гидроизоляции 67. Журнал производства бетонных и железобетонных работ 68. Акт освидетельствования скрытых работ по нагнетанию раствора за обделку 69. Акт освидетельствования скрытых работ по установке арматуры 70. Акт освидетельствования скрытых работ по устройству оклеечной гидроизоляции 71. Акт освидетельствования скрытых работ по сварной металлической гидроизоляции 72. Акт освидетельствования скрытых работ по забутовке выработок 73. Перечень действующих нормативных документов по вопросам сооружения перегонных тоннелей |
| Разработан: | Метрогипротранс СКТБ Главтоннельметростроя Минтрансстроя СССР ВПТИтрансстрой Минтрансстроя ЦНИИС Министерства транспортного строительства СССР |
| Утверждён: | 01.01.1983 Минтрансстрой СССР (USSR Mintransstroy ) |
| Нормативные ссылки: |
|

















































































































































































