Скачать ГОСТ 22742-77 Комплекты крепления прямоугольных соединителей радиоэлектронных изделий. Технические условия

Дата актуализации: 01.01.2021

ГОСТ 22742-77

Комплекты крепления прямоугольных соединителей радиоэлектронных изделий. Технические условия

Обозначение: ГОСТ 22742-77
Обозначение англ: GOST 22742-77
Статус:действует
Название рус.:Комплекты крепления прямоугольных соединителей радиоэлектронных изделий. Технические условия
Название англ.:Sets of square connectors fixture of radioelectronic items. Specifications
Дата добавления в базу:01.09.2013
Дата актуализации:01.01.2021
Дата введения:01.01.1979
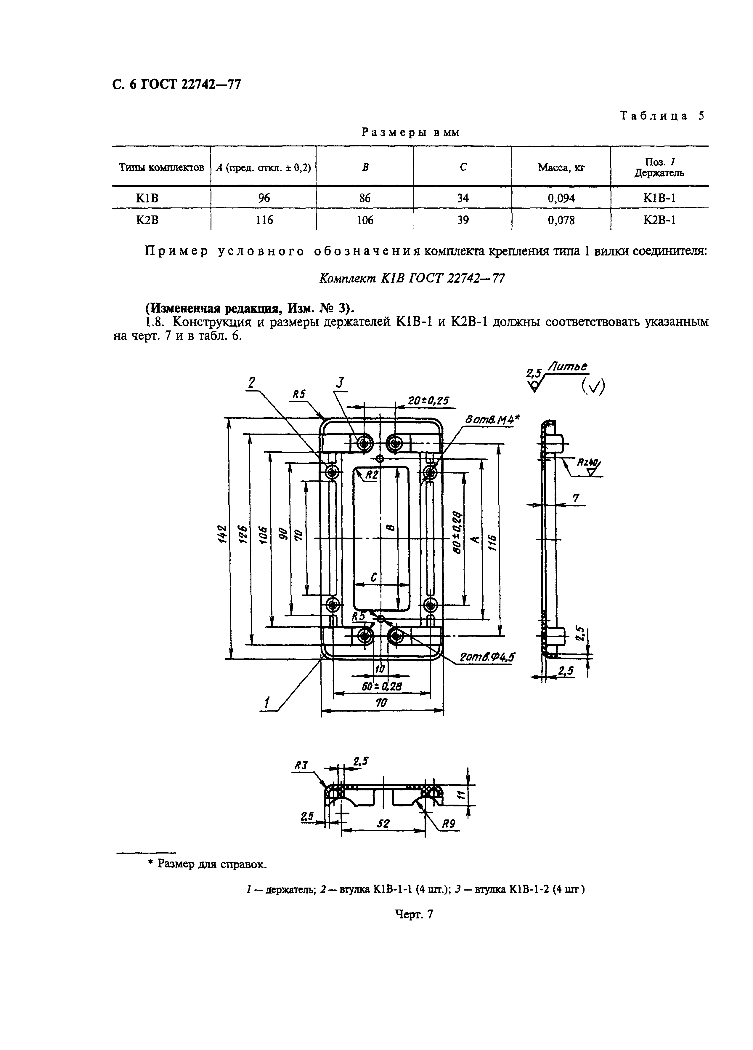
Область применения:Стандарт распространяется на комплекты крепления прямоугольных соединителей радиоэлектронных изделий типов 6Р-100, 6Р-150, 7Р-52, 12Р-60 с номинальным напряжением до 500 В, применяемых в стойках и блоках.
Оглавление:1 Типы, конструкция и размеры
2 Технические требования
3 Правила приемки
4 Методы контроля
5 Маркировка, упаковка, хранение и транспортирование
6 Гарантии изготовителя
Приложение 1 (обязательное) Размеры отверстий под установку комплектов крепления
Приложение 2 (обязательное) Указание по установке соединителей в стойках и блоках
Утверждён:26.10.1977 Государственный комитет стандартов Совета Министров СССР (USSR National Committee on Standards at the Cabinet of Ministers 2487)
Издан: Издательство стандартов (1978 г. )
ИПК Издательство стандартов (2001 г. )
Список изменений:
Нормативные ссылки:
ГОСТ 22742-77ГОСТ 22742-77ГОСТ 22742-77ГОСТ 22742-77ГОСТ 22742-77ГОСТ 22742-77ГОСТ 22742-77ГОСТ 22742-77ГОСТ 22742-77ГОСТ 22742-77ГОСТ 22742-77ГОСТ 22742-77ГОСТ 22742-77ГОСТ 22742-77ГОСТ 22742-77ГОСТ 22742-77ГОСТ 22742-77ГОСТ 22742-77ГОСТ 22742-77ГОСТ 22742-77ГОСТ 22742-77ГОСТ 22742-77ГОСТ 22742-77ГОСТ 22742-77ГОСТ 22742-77ГОСТ 22742-77

Текстовое изменение № 3 от 01.01.1980

№ 3№ 3№ 3№ 3№ 3№ 3