Скачать ГОСТ Р 51799-2001 Соединители радиочастотные мощные. Основные параметры и технические требования. Методы испытаний и измеренийДата актуализации: 01.01.2021
|
| Обозначение: | ГОСТ Р 51799-2001 |
| Обозначение англ: | GOST R 51799-2001 |
| Статус: | введен впервые |
| Название рус.: | Соединители радиочастотные мощные. Основные параметры и технические требования. Методы испытаний и измерений |
| Название англ.: | High power radio freguency connectors. Basic parameters and technical reguirements. Methods of test and measurements |
| Дата добавления в базу: | 01.09.2013 |
| Дата актуализации: | 01.01.2021 |
| Дата введения: | 01.01.2002 |
| Область применения: | Стандарт распространяется на мощные радиочастотные соединители для коаксиальных кабелей с внутренним диаметром внешнего проводника более 17 мм, предназначенные для работы в электрических цепях радиочастотных трактов в диапазоне частот до 1000 МГц. Стандарт устанавливает типы, обозначения, основные параметры, технические требования, методы испытаний и измерений параметров СРМ. |
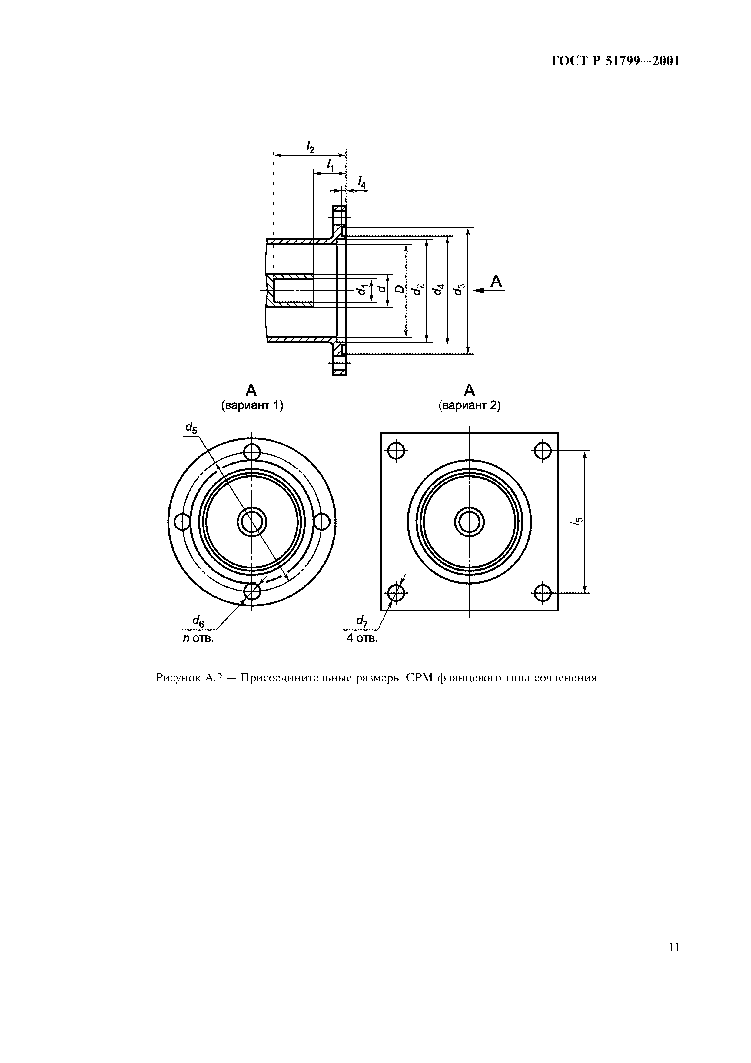
| Оглавление: | 1 Область применения 2 Нормативные ссылки 3 Определения и сокращения 4 Типы и обозначения 5 Основные параметры 6 Технические требования 7 Методы измерений Приложение А Присоединительные размеры СРМ Приложение Б Основные технические характеристики средств измерения параметров СРМ Приложение В Библиография |
| Разработан: | Самарский отраслевой научно-исследовательский институт радио (СОНИИР) |
| Утверждён: | 22.08.2001 Госстандарт России (Russian Federation Gosstandart 343-ст) |
| Издан: | ИПК Издательство стандартов (2001 г. ) |
| Нормативные ссылки: |
|















