High power radio freguency connectors. Basic parameters and technical reguirements. Methods of test and measurements

ГОСТ Р 51799-2001

ГОСУДАРСТВЕННЫЙ СТАНДАРТ РОССИЙСКОЙ ФЕДЕРАЦИИ

 

СОЕДИНИТЕЛИ РАДИОЧАСТОТНЫЕ
МОЩНЫЕ

ОСНОВНЫЕ ПАРАМЕТРЫ И ТЕХНИЧЕСКИЕ ТРЕБОВАНИЯ.
МЕТОДЫ ИСПЫТАНИЙ И ИЗМЕРЕНИЙ

 

 

 

ГОССТАНДАРТ РОССИИ

МОСКВА

 

 

Предисловие

1 РАЗРАБОТАН Самарским отраслевым научно-исследовательским институтом радио (СОНИИР)

ВНЕСЕН Министерством Российской Федерации по связи и информатизации

2 ПРИНЯТ И ВВЕДЕН В ДЕЙСТВИЕ Постановлением Госстандарта России от 22 августа 2001 г. № 343-ст

3 ВВЕДЕН ВПЕРВЫЕ

ГОСТ Р 51799-2001

ГОСУДАРСТВЕННЫЙ СТАНДАРТ РОССИЙСКОЙ ФЕДЕРАЦИИ

СОЕДИНИТЕЛИ РАДИОЧАСТОТНЫЕ МОЩНЫЕ

Основные параметры и технические требования.
Методы испытаний и измерений

High power radio frequency connectors. Basic parameters and technical requirements.
Methods of tests and measurements

Дата введения 2002-01-01

1 Область применения

Настоящий стандарт распространяется на мощные радиочастотные соединители (СРМ) для коаксиальных кабелей с внутренним диаметром внешнего проводника более 17 мм, предназначенные для работы в электрических цепях радиочастотных трактов в диапазоне частот до 1000 МГц.

Стандарт устанавливает типы, обозначения, основные параметры, технические требования, методы испытаний и измерений параметров СРМ.

2 Нормативные ссылки

В настоящем стандарте использованы ссылки на следующие стандарты:

ГОСТ 12.1.006-84 Система стандартов безопасности труда. Электромагнитные поля радиочастот. Допустимые уровни на рабочих местах и требования к проведению контроля

ГОСТ 12.3.019-80 Система стандартов безопасности труда. Испытания и измерения электрические. Общие требования безопасности

ГОСТ 20.57.406-81 Комплексная система контроля качества. Изделия электронной техники, квантовой электроники и электротехнические. Методы испытаний

ГОСТ 27.410-87 Надежность в технике. Методы контроля показателей надежности и планы контрольных испытаний на надежность

ГОСТ 20265-83 Соединители радиочастотные коаксиальные. Присоединительные размеры

ГОСТ 24375-80 Радиосвязь. Термины и определения

ГОСТ 30373-95/ГОСТ Р 50414-92 Совместимость технических средств электромагнитная. Оборудование для испытаний. Камеры экранированные. Классы, основные параметры, технические требования и методы испытаний

3 Определения и сокращения

3.1 В настоящем стандарте применяют следующие термины с соответствующими определениями.

3.1.1 диапазон рабочих частот: Диапазон, ограниченный верхней и нижней частотами, в пределах которого электрические параметры радиочастотных соединителей удовлетворяют требованиям настоящего стандарта и технических условий на радиочастотный соединитель конкретного типа.

3.1.2 проходное затухание: Отношение амплитуды напряжения на выходе радиочастотного соединителя, соединенном с согласованной нагрузкой, к амплитуде напряжения падающей волны на входе этого соединителя, выраженное в децибелах и взятое с обратным знаком.

3.1.3 коэффициент стоячей волны по напряжению: Отношение амплитуды напряжения в пучности волны к амплитуде напряжения в ближайшем к ней узле на фидере, подключенном к радиочастотному соединителю.

Остальные термины - по ГОСТ 24375.

3.2 В настоящем стандарте используют следующие сокращения:

ВЧ - высокая частота;

СРМ - соединитель радиочастотный мощный;

КСВН - коэффициент стоячей волны по напряжению;

ТУ - технические условия;

СИ - средства измерений;

ЭМП - электромагнитное поле.

4 Типы и обозначения

4.1 СРМ подразделяют на типы в зависимости от:

- назначения - вилка, розетка, переход;

- конструктивного исполнения - кабельные, приборные;

- вида сочленения - резьбовые, фланцевые.

4.2 Обозначение СРМ вилки или розетки должно содержать:

- прописную букву В (вилка) или Р (розетка);

- прописную букву П (прямая) или У (угловая);

- двузначное число, обозначающее волновое сопротивление в омах;

- тире;

- группу из двух позиций, обозначающих присоединительные данные кабеля или прибора: одно- или двузначное число, означающее внутренний диаметр внешнего проводника в миллиметрах, и (через тире) одно- или двузначное число, означающие тип кабеля (для кабелей число двузначное, если у кабеля соответствующих марок диаметры по наружной оболочке различны), или прописную букву, означающую вид сочленения (для приборов): Г (гайка), Р (резьба) или Ф (фланец);

- косую черту;

- группу из двух позиций, обозначающих присоединительные данные сочленения: одно- или двузначное число, означающее внутренний диаметр внешнего проводника в миллиметрах, и (через тире) прописную букву, означающую вид сочленения: Г (внутренняя резьба), Р (наружная резьба) или Ф (фланец);

- тире;

- прописную букву, означающую климатическое исполнение: В - всеклиматическое; П - для эксплуатации в отапливаемых помещениях.

Структура условного обозначения СРМ (вилки или розетки) приведена на рисунке 1.

Пример условного обозначения соединителя, представляющего собой прямую вилку под кабель РК 75-44-17, с присоединительными данными сочленения: внутренним диаметром внешнего проводника 24 мм, внутренней резьбой на накидной гайке, всеклиматического исполнения:

ВП 75-44-17/24-Г-В

4.3 Обозначение СРМ-перехода должно содержать:

- прописную букву П (переход);

- прописную букву П (прямой) или У (угловой);

- двузначное число, означающее волновое сопротивление в омах;

- тире;

- группу из трех позиций, обозначающих присоединительные данные первого сочленения: одно- или двузначное число, означающее внутренний диаметр внешнего проводника в миллиметрах, отделенную тире прописную букву В (вилка) или Р (розетка) и прописную букву, означающую вид сочленения: Г (гайка), Р (резьба) или Ф (фланец);

Рисунок 1 - Структура условного обозначения СРМ вилки или розетки

- косую черту;

- группу из таких же трех позиций, обозначающих присоединительные данные второго сочленения;

- тире;

- прописную букву, означающую климатическое исполнение: В - всеклиматическое, П - для эксплуатации в отапливаемых помещениях.

Структура условного обозначения СРМ-перехода приведена на рисунке 2.

Пример условного обозначения соединителя радиочастотного мощного, представляющего собой переход прямой на волновое сопротивление 75 Ом, с присоединительными данными первого сочленения: внутренним диаметром внешнего проводника 24 мм, с розеткой, с наружной резьбой, с присоединительными данными второго сочленения: внутренним диаметром внешнего проводника 35 мм, с вилкой, с внутренней резьбой, исполнения для эксплуатации в отапливаемых помещениях:

ПП 75-24-РР/35-ВГ-П

Рисунок 2 - Структура условного обозначения СРМ-перехода

5 Основные параметры

5.1 Максимальная входная мощность СРМ определяется наибольшей предельно допустимой проходящей мощностью используемого коаксиального кабеля.

5.2 СРМ должны быть рассчитаны на номинальные волновые сопротивления 50 и (или) 75 Ом.

5.3 Диапазон рабочих частот СРМ должен быть от 0 до 1000 МГц и определяться типом используемого коаксиального кабеля.

В технически обоснованных случаях допускается использование СРМ на частотах более 1000 МГц, что должно быть указано в ТУ на СРМ конкретного типа.

5.4 Коэффициент отражения на входе СРМ при работе на согласованную нагрузку в пределах диапазона рабочих частот должен быть не более 0,025. В ТУ на СРМ конкретного типа должен быть указан коэффициент отражения, соответствующий конкретным частотным полосам.

5.5 Проходное затухание СРМ должно быть не более 0,003 дБ.

5.6 КСВН на входе СРМ, при котором он выдерживает максимальную входную мощность, должен быть указан в ТУ на СРМ конкретного типа.

6 Технические требования

6.1 Общие технические требования

6.1.1 СРМ должен изготавливаться в соответствии с требованиями настоящего стандарта и ТУ на СРМ конкретного типа.

6.1.2 Объем конкретных требований, в зависимости от типа СРМ, особенностей конкретных марок коаксиальных кабелей, с которыми предназначен работать СРМ, должен устанавливаться в ТУ на СРМ конкретного типа.

В технически обоснованных случаях в ТУ на СРМ конкретного типа могут быть установлены и другие требования, не предусмотренные настоящим стандартом.

6.1.3 В ТУ на СРМ конкретного типа для требований по механическим усилиям сочленения-расчленения частей СРМ должны быть установлены два уровня норм параметров:

- при приемке и поставке;

- на период эксплуатации и хранения.

В технически обоснованных случаях могут устанавливаться два уровня норм для других параметров, что должно быть указано в ТУ на СРМ конкретного типа.

6.2 Требования к конструкции

6.2.1 Присоединительные размеры, рекомендуемые для СРМ, приведены в приложении А.

6.2.2 Соединение элементов СРМ с проводниками коаксиальных кабелей, кроме кабелей, внешний проводник которых выполнен из медных труб, должно производиться пайкой.

6.2.3 Монтаж СРМ на коаксиальный кабель должен производиться в соответствии с руководством по эксплуатации СРМ конкретного типа.

6.2.4 Требования по герметичности заделки кабеля в СРМ и (или) герметичности сочленяемых СРМ устанавливают в ТУ на СРМ конкретного типа.

6.2.5 Электрическое соединение проводников сочленяемых СРМ фланцевого типа должно производиться разрезной втулкой или цангой (внутренние проводники) и кольцом (внешние проводники).

6.2.6 Усилие расчленения гнезда СРМ резьбового типа с контрольным штырем, разрезной втулки или цанги (для сочленения внутренних проводников СРМ фланцевого типа) с контрольным штырем, момент вращения накидной гайки при сочленении СРМ резьбового типа, значение затягивающего усилия для гаек при сочленении частей СРМ фланцевого типа должны быть указаны в ТУ на СРМ конкретного типа.

6.2.7 СРМ фланцевого типа должны иметь исполнение с поворотным фланцем (для удобства сочленения частей СРМ).

6.2.8 Необходимость конструктивных элементов в СРМ для подключения системы дегидрации воздуха устанавливают в ТУ на СРМ конкретного типа.

6.2.9 Конструкция СРМ не должна иметь резонансных частот в диапазоне до 5000 Гц.

6.3 Требования безопасности при эксплуатации

6.3.1 Конструкция составных частей и элементов СРМ должна обеспечивать безопасность проведения монтажных, ремонтных работ и технического обслуживания.

6.3.2 Напряженность электрического поля, В/м, создаваемого протекающим через СРМ током ВЧ, на расстоянии 0,5 м в любую сторону от поверхности корпуса СРМ при работе на согласованную экранированную нагрузку должна быть не более:

 - в диапазоне 0,06 -     3 МГц;

    »       »          св. 3 до  30 МГц;

   »       »          » 30 »    300 МГц;

   »       »          » 300 »  1000 МГц.

Напряженность магнитного поля, А/м, для СРМ при тех же условиях должна быть не более:

 -    в диапазоне  0,06 - 3 МГц;

    »       »           30 - 50 МГц;

  »       »           300 - 1000 МГц,

где K - КСВН, максимально допустимый для данного СРМ.

6.3.3 Электрическая прочность изоляции СРМ, определяемая испытательным напряжением частоты 50 Гц и 1,76 МГц, приложенным к внутреннему проводнику СРМ относительно его корпуса, должна соответствовать наиболее жестким требованиям по электрической прочности изоляции коаксиальных кабелей, с которыми предназначен работать СРМ конкретного типа.

6.4 Требования устойчивости при климатических и механических воздействиях

6.4.1 Требования устойчивости СРМ при климатических воздействиях должны соответствовать аналогичным требованиям к коаксиальным кабелям, используемым с данным СРМ, и должны быть указаны в ТУ на СРМ конкретного типа.

6.4.2 СРМ должны выдерживать следующие механические воздействия:

- синусоидальную вибрацию в диапазоне 1 - 2000 Гц с ускорением до 100 м/с2 (10g);

- одиночные удары с ускорением до 5000 м/с2 (500g);

- многократные удары с ускорением до 300 м/с2 (30g);

- линейные нагрузки с ускорением до 1000 м/с2 (100g);

- акустические шумы в диапазоне 50 - 5000 Гц при уровне звукового давления до 140 дБ.

6.4.3 Требования по стойкости к воздействию агрессивных сред, гидравлического давления, специальных факторов и др. устанавливают в ТУ на СРМ конкретного типа.

6.4.4 СРМ должны выдерживать перевозку транспортом любого вида в упаковке предприятия-изготовителя и в условиях транспортирования 5 по ГОСТ 15150.

6.5 Требования к надежности

6.5.1 Максимальная наработка на отказ СРМ в максимальных режимах, установленных настоящим стандартом, при температуре 85 °С должна быть не менее 25000 ч, при температуре 155 °С - не менее 15000 ч.

В течение указанного времени СРМ должны выдерживать 250 сочленений-расчленений. Минимальную наработку на отказ СРМ в облегченных режимах указывают в ТУ на СРМ конкретного типа.

6.5.2 Минимальный срок сохраняемости в отапливаемом хранилище или в составе защищенной аппаратуры или защищенном комплекте ЗИП должен быть 15 лет.

7 Методы измерений

7.1 Общие положения

7.1.1 Параметры СРМ следует измерять в нормальных климатических условиях, если иные условия не оговорены в ТУ на СРМ конкретного типа.

Нормальными климатическими условиями в соответствии с ГОСТ 15150 считают следующие:

- температура окружающего воздуха от 288 до 308 К (от 15 до 35 °С);

- относительная влажность от 45 до 80 %;

- атмосферное давление от 84,0 до 106,7 кПа (от 630 до 800 мм рт. ст.).

7.1.2 Параметры СРМ при воздействии дестабилизирующих факторов следует измерять теми же методами, что и в нормальных климатических условиях.

7.1.3 Измерения и испытания СРМ должны проводиться с соблюдением требований безопасности, установленных ГОСТ 12.3.019.

7.1.4 Отклонения напряжения и частоты питающей электросети от номинальных значений не должны выходить за пределы ± 5 % и ± 1 Гц соответственно.

7.1.5 Электрические параметры СРМ следует измерять на специально оборудованном испытательном стенде, требования к которому должны быть указаны в ТУ на СРМ конкретного типа.

Уровень напряженности электромагнитного поля, создаваемого вокруг СРМ при протекании через него высокочастотного тока, следует измерять на специально оборудованном испытательном стенде, установленном в экранированной камере 1-го или 2-го класса по ГОСТ 30373.

7.2 Средства измерений и испытательное оборудование

7.2.1 Электрические параметры СРМ следует измерять при помощи средств измерений (СИ), основные характеристики которых приведены в приложении Б.

7.2.2 СИ и испытательное оборудование должно эксплуатироваться в условиях и режимах, указанных в технической документации на эти устройства.

7.3 Проведение измерений

7.3.1 Максимальную входную мощность СРМ проверяют по методике, приводимой в ТУ на СРМ конкретного типа. Измерения выполняют на частотах 60, 200, 600 и 1000 МГц.

7.3.2 Коэффициент отражения измеряют одним из методов, приведенных в МЭК 169-1-1 [1], обеспечивающим идентификацию и минимизацию отражений в измерительной схеме.

Измерения выполняют на частотах 60, 200, 600, 1000 МГц и (при необходимости) на других частотах, которые должны быть указаны в ТУ на СРМ конкретного типа.

7.3.3 Проходное затухание А, дБ, определяют по формуле

А = -10lg(1 - р2),                                                        (1)

где р - коэффициент отражения, измеренный согласно 7.3.2.

7.3.4 Напряженность электромагнитного поля (ЭМП), создаваемую протекающим через СРМ высокочастотным током, определяют следующим образом.

СРМ устанавливают и закрепляют на испытательном стенде. К входу СРМ через калиброванный переход и калиброванную соединительную линию подключают генератор сигналов ВЧ, к выходу СРМ - прецизионную экранированную нагрузку. Генератор сигналов ВЧ и испытуемый СРМ разделяют высокоэффективным ВЧ экраном. Антенну измерителя напряженности ЭМП направленного действия устанавливают таким образом, чтобы она принимала горизонтальную составляющую электрического поля, параллельную одной из сторон корпуса СРМ, на расстоянии 0,5 м от поверхности корпуса. Расположение СИ, вспомогательного оборудования и СРМ приведено на рисунке 4.

Рисунок 4 - Расположение СРМ, СИ и испытательного оборудования при определении напряженности ЭМП вокруг СРМ

Устанавливают на генераторе частоту 3 МГц и выходное напряжение 1 - 2 В по встроенному или внешнему милливольтметру. Измеряют горизонтальную составляющую электрического поля Exi. Ориентируют антенну измерителя напряженности ЭМП для приема горизонтальной составляющей электрического поля, перпендикулярной к Exi, и измеряют Еyi. Ориентируют антенну для приема вертикальной составляющей электрического поля, измеряют Еzi. Напряженность электрического поля вокруг СРМ, обусловленную действием генератора сигналов ВЧ для данного положения измерительной антенны (для i-й точки), Eгенi, В/м, находят по формуле

                                                     (2)

Перемещая антенну измерителя напряженности ЭМП по траектории, указанной на рисунке 4, сначала с одной стороны корпуса СРМ, а затем с другой, через каждые 10 см выполняют аналогичные измерения и вычисления.

Из полученных значений Eгенi выбирают наибольшее значение Еген для данной частоты измерения 3 МГц.

Переключают измеритель напряженности ЭМП в режим измерения напряженности магнитного поля и, действуя описанным выше способом, измеряют на частоте 3 МГц составляющие магнитного поля Hxi, Hyi, Hzi, находят суммарную составляющую Hгенi, А/м, по формуле

                                                   (3)

Выбирают наибольшее из полученных значений Еген (на частоте 3 МГц), обусловленных действием генератора сигналов ВЧ.

Аналогичные операции по определению Еген проводят на частотах измерения 30, 300 и 1000 МГц, по определению Нген - на частотах измерения 50 и 1000 МГц.

Напряженность электрического поля Е, В/м, и магнитного Н, А/м, полей, создаваемую СРМ при работе на согласованную нагрузку, определяют по формулам:

                                                       (4)

                                                      (5)

где Еген и Нген - максимальные значения напряженностей электрического и магнитного полей вокруг СРМ, обусловленные действием генератора сигналов ВЧ на конкретных частотах измерения, В/м и А/м соответственно;

Р - максимальная входная мощность СРМ, Вт;

Рген - выходная мощность генератора сигналов ВЧ, Вт;

Pген = U2/W,

где U - выходное напряжение генератора, В;

W - волновое сопротивление входа СРМ, подключенного к генератору, Ом.

7.3.5 Минимальную наработку на отказ и минимальный срок сохраняемости СРМ определяют по ГОСТ 27.410.

7.3.6 Отсутствие резонансных частот конструкции СРМ в заданном диапазоне частот определяют при проверке динамической нестабильности переходного сопротивления контактов СРМ при испытаниях на виброустойчивость.

7.3.7 Электрическую прочность изоляции СРМ напряжением частоты 50 Гц и высокой частоты (1,76 МГц) проверяют по методике, приведенной в ТУ на СРМ конкретного типа.

7.3.8 СРМ на устойчивость при климатических воздействиях проверяют по методам, приведенным в ГОСТ 20.57.406.

7.3.9 СРМ на устойчивость при механических воздействиях проверяют по методам, приведенным в ГОСТ 20.57.406:

- воздействие синусоидальной вибрации - по методу 103-1-1, степень жесткости XI;

- воздействие одиночных ударов - по методу 106-1, степень жесткости V, длительность действия ударного ускорения 0,1 мс;

- воздействие многократных ударов - по методу 104-1, степень жесткости II с пиковым ускорением 300 м/с2; длительность действия ударного ускорения 3 мс;

- воздействие линейных нагрузок - по методу 107-1, степень жесткости IV;

- воздействие акустического шума - по методу 108-1, степень жесткости IV.

ПРИЛОЖЕНИЕ А

(рекомендуемое)

Присоединительные размеры СРМ

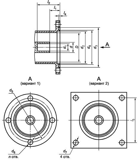
В таблице А.1 и на рисунке А.1 приведены присоединительные размеры для СРМ резьбового типа сочленения.

В таблице А.2 и на рисунках А.2 и А.3 приведены присоединительные размеры для СРМ фланцевого типа сочленения.

Таблица А.1 - Присоединительные размеры СРМ резьбового типа сочленения

Обозначение

Значение, мм, для СРМ с волновым сопротивлением, Ом

75

50

75

50

d1

5

8

6

10,5

d2

7

10,4

8,6

13

d3

5

8

6

10,5

d4

24

24

30

30

d5

27

27

33

33

d6

26,7

26,7

32,7

32,7

d7

31,5

31,5

37,5

37,5

d8

М39´1,5

М39´1,5

М45´1,5

М45´1,5

l1

8

12

10

14

l5

9

13

11

15

l2

12

16

14

18

l3

12

16

14

18

l4

11

15

13

17

l6

0,5

0,5

0,5

0,5

l7

0,2

0,2

0,2

0,2

Таблица А.2 - Присоединительные размеры СРМ фланцевого типа сочленения

Обозначение

Значение, мм, для СРМ с волновым сопротивлением, Ом

75

50

75

50

75

50

75

50

75

50

d

10,027

15,211

20,055

30,422

31,516

47,806

45,841

69,6

57,301

86,920

D

35

35

70

70

110

110

160

160

200

200

d1

8

13

18,3

28

29

45

42

66

54

83

d2

38

38

74,5

74,5

114,5

114,5

166

166

206

206

d3

46

46

92

92

132

132

184

184

224

224

d5

54

54

106

106

150

150

202

202

242

242

d6

7

7

9

9

11,5

11,5

13,5

13,5

13,5

13,5

l1

8

8

23

23

23

23

35

35

35

35

l2

16

16

30

30

30

30

30

30

30

30

l3

3

3

3

3

3

3

3

3

3

3

l4

1,5

1,5

1,5

1,5

1,5

1,5

1,5

1,5

1,5

1,5

п

4

4

6

6

6

6

6

6

8

8

d4

40

40

86

86

126

126

178

178

218

218

l5

54

54

106

106

150

150

202

202

242

242

d7

7

7

9

9

11,5

11,5

13,5

13,5

13,5

13,5

Рисунок А.1 - Присоединительные размеры СРМ резьбового типа сочленения

Рисунок А.2 - Присоединительные размеры СРМ фланцевого типа сочленения

Рисунок А.3 - Присоединительные размеры СРМ фланцевого типа сочленения

ПРИЛОЖЕНИЕ Б

(рекомендуемое)

Основные технические характеристики средств измерения параметров СРМ

Таблица Б.1

Наименование прибора

Основной параметр

Значение параметра

Измеритель коэффициентов передачи и отражения

Диапазон частот, МГц

1 - 1000

Пределы измерения коэффициента отражения

0 - 0,333

Погрешность измерения коэффициента отражения, %

± 1

Генератор сигналов ВЧ

Диапазон частот, МГц

0,1 - 1000,0

Выходное напряжение, В

0,001 - 2,000

Выходное сопротивление, Ом

50; 75

Погрешность установки частоты, %

± 1

Уровень побочных излучений, дБ, не более

-80

Измеритель напряженности ЭМП

Диапазон частот, МГц

0,1 - 1000,0

Пределы измерения напряженности:

1 × 10-4 - 0,1

электрического поля, В/м

магнитного поля, А/м

2 × 10-4 - 0,1

Ширина полосы пропускания, кГц

10,120

Погрешность измерения, дБ, не более

2,0

Милливольтметр цифровой широкополосный

Диапазон частот, МГц

1 - 1000

Диапазон измерения напряжения

0,3 мВ - 300,0 В

Основная погрешность измерения, %

± 2,5

Входное сопротивление, МОм, не менее

20

ПРИЛОЖЕНИЕ В

(справочное)

Библиография

[1] МЭК 169-1-1-87 Соединители радиочастотного диапазона. Часть 1. Общие предписания и методы измерений коэффициента отражения

 

Ключевые слова: соединители радиочастотные мощные, основные параметры, технические требования, методы испытаний и измерений

 

СОДЕРЖАНИЕ

1 Область применения. 1

2 Нормативные ссылки. 1

3 Определения и сокращения. 2

4 Типы и обозначения. 2

5 Основные параметры.. 4

6 Технические требования. 5

6.1 Общие технические требования. 5

6.2 Требования к конструкции. 5

6.3 Требования безопасности при эксплуатации. 6

6.4 Требования устойчивости при климатических и механических воздействиях. 6

6.5 Требования к надежности. 6

7 Методы измерений. 6

7.1 Общие положения. 6

7.2 Средства измерений и испытательное оборудование. 7

7.3 Проведение измерений. 7

Приложение А Присоединительные размеры СРМ... 9

Приложение Б Основные технические характеристики средств измерения параметров СРМ... 12

Приложение В Библиография. 13