Скачать ГОСТ Р 51807-2001 Фидеры передающие внутренние диапазонов низких, средних и высоких частот. Типы, основные параметры, технические требования, методы измеренийДата актуализации: 01.01.2021
|
| Обозначение: | ГОСТ Р 51807-2001 |
| Обозначение англ: | GOST R 51807-2001 |
| Статус: | введен впервые |
| Название рус.: | Фидеры передающие внутренние диапазонов низких, средних и высоких частот. Типы, основные параметры, технические требования, методы измерений |
| Название англ.: | Transmitting indoor feeders of low frequency, mean frequency and high frequency bands. Types, basic parameters, technical requirements, methods of measurements |
| Дата добавления в базу: | 01.09.2013 |
| Дата актуализации: | 01.01.2021 |
| Дата введения: | 01.07.2002 |
| Область применения: | Стандарт распространяется на внутренние передающие фидеры диапазонов низких частот, средних частот и высоких частот, осуществляющие передачу высокочастотной энергии внутри помещений от передатчика до антенного коммутатора (при его наличии) и далее от коммутатора до вводов в техническое здание, где они соединяются с наружными фидерами. Стандарт распространяется на фидеры, предназначенные для передатчиков мощностью от 1 до 1200 кВт. Стандарт устанавливает типы, основные параметры, технические требования и методы измерений параметров фидеров диапазонов НЧ, СЧ и ВЧ. Стандарт не распространяется на фидеры, выполненные на основе радиочастотных кабелей. |
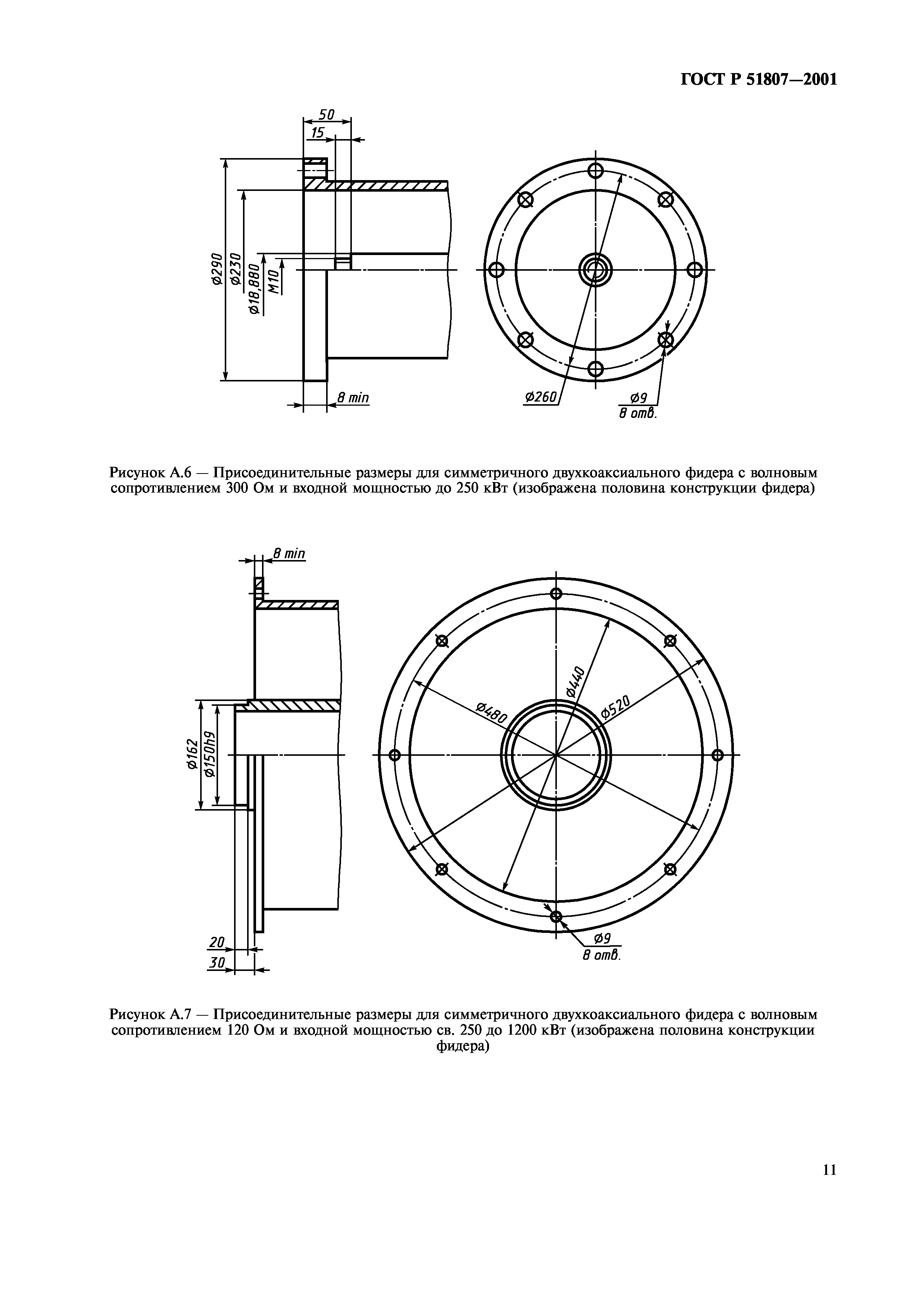
| Оглавление: | 1 Область применения 2 Нормативные ссылки 3 Определения и сокращения 4 Типы и обозначения 5 Основные параметры 6 Технические требования 6.1 Общие технические требования 6.2 Требования безопасности 6.3 Требования устойчивости при климатических и механических воздействиях 7 Методы измерений 7.1 Общие опложения 7.2 Средства измерений 7.3 Проведение измерений Приложение А Присоединительные размеры входов и выходов симметричных и несимметричных фидеров Приложение Б Основные технические характеристики средств измерений для определения параметров фидеров Приложение В Симметрирующие петли Приложение Г Испытательная площадка для измерения излучения фидеров Приложение Д Библиография |
| Разработан: | Самарский отраслевой научно-исследовательский институт радио (СОНИИР) |
| Утверждён: | 12.09.2001 Госстандарт России (Russian Federation Gosstandart 378-ст) |
| Издан: | ИПК Издательство стандартов (2001 г. ) |
| Нормативные ссылки: |
|


















