ГОСТ Р 51807-2001
ГОСУДАРСТВЕННЫЙ СТАНДАРТ РОССИЙСКОЙ ФЕДЕРАЦИИ
ФИДЕРЫ ПЕРЕДАЮЩИЕ ВНУТРЕННИЕ
ДИАПАЗОНОВ НИЗКИХ, СРЕДНИХ
И ВЫСОКИХ ЧАСТОТ
Типы, основные параметры,
технические требования,
методы измерений
ГОССТАНДАРТ
РОССИИ
Москва
Предисловие
1 РАЗРАБОТАН Самарским отраслевым научно-исследовательским институтом радио (СОНИИР)
ВНЕСЕН Министерством Российской Федерации по связи и информатизации
2 ПРИНЯТ И ВВЕДЕН В ДЕЙСТВИЕ Постановлением Госстандарта России от 12 сентября 2001 г. № 378-ст
3 ВВЕДЕН ВПЕРВЫЕ
СОДЕРЖАНИЕ
ГОСТ Р 51807-2001
ГОСУДАРСТВЕННЫЙ СТАНДАРТ РОССИЙСКОЙ ФЕДЕРАЦИИ
ФИДЕРЫ ПЕРЕДАЮЩИЕ ВНУТРЕННИЕ ДИАПАЗОНОВ НИЗКИХ, СРЕДНИХ И ВЫСОКИХ ЧАСТОТ
Типы, основные параметры, технические требования, методы измерений
Transmitting indoor feeders of low frequency, mean frequency and high frequency bands. Types, basic parameters, technical requirements, methods of measurements
Дата введения 2002-07-01
Настоящий стандарт распространяется на внутренние передающие фидеры (далее - фидеры) диапазонов низких частот (НЧ), средних частот (СЧ) и высоких частот (ВЧ), осуществляющие передачу высокочастотной энергии внутри помещений от передатчика до антенного коммутатора (при его наличии) и далее от коммутатора до вводов в техническое здание, где они соединяются с наружными фидерами.
Стандарт распространяется на фидеры, предназначенные для передатчиков мощностью от 1 до 1200 кВт.
Стандарт устанавливает типы, основные параметры, технические требования и методы измерений параметров фидеров диапазонов НЧ, СЧ и ВЧ.
Стандарт не распространяется на фидеры, выполненные на основе радиочастотных кабелей.
В настоящем стандарте использованы ссылки на следующие стандарты:
ГОСТ 12.1.006-84 Система стандартов безопасности труда. Электромагнитные поля радиочастот. Допустимые уровни на рабочих местах и требования к проведению контроля
ГОСТ 12.3.019-80 Система стандартов безопасности труда. Испытания и измерения электрические. Общие требования безопасности
ГОСТ 27.410-87 Надежность в технике. Методы контроля показателей надежности и планы контрольных испытаний на надежность
ГОСТ 13420-79 Передатчики для магистральной радиосвязи. Основные параметры, технические требования и методы измерений
ГОСТ 15150-69 Машины, приборы и другие технические изделия. Исполнения для различных климатических районов. Категории, условия эксплуатации, хранения и транспортирования в части воздействия климатических факторов внешней среды
ГОСТ 24375-80 Радиосвязь. Термины и определения
ГОСТ Р 50829-95 Безопасность радиостанций, радиоэлектронной аппаратуры с использованием приемопередающей аппаратуры и их составных частей. Общие требования и методы испытаний
ГОСТ Р 51742-2001 Передатчики радиовещательные стационарные с амплитудной модуляцией диапазонов низких, средних и высоких частот. Основные параметры, технические требования и методы измерений
3.1 В настоящем стандарте применяют следующие термины с соответствующими определениями.
3.1.1 фидер передающий внутренний: Экранированная электрическая цепь, включающая в себя вспомогательные устройства, предназначенная для передачи высокочастотной энергии внутри помещений от передатчика до антенного коммутатора (при его наличии) и далее от коммутатора до вводов в техническое здание.
3.1.2 диапазон рабочих частот: Диапазон, ограниченный верхней и нижней частотами, в пределах которого параметры фидера удовлетворяют требованиям настоящего стандарта и технических условий (ТУ) на фидер конкретного типа.
3.1.3 коэффициент бегущей волны: Отношение амплитуды напряжения в узле к амплитуде напряжения в ближайшей к нему пучности на фидере.
3.1.4 коэффициент асимметрии: Отношение напряжения (или тока) однотактной (несимметричной) волны к напряжению (или току) двухтактной (симметричной) волны.
3.1.5 КПД фидера: Отношение мощности радиочастотного сигнала на выходе фидера к мощности сигнала на входе этого же фидера в согласованном режиме.
Остальные термины - по ГОСТ 24375.
3.2 В настоящем стандарте применены следующие сокращения:
ВЧ - высокая частота,
КБВ - коэффициент бегущей волны,
КПД - коэффициент полезного действия,
НЧ - низкая частота,
СЧ - средняя частота,
СИ - средства измерений,
ТУ - технические условия,
ЭМП - электромагнитное поле.
4.1 Фидеры подразделяют на следующие типы в зависимости от конструктивного исполнения:
- симметричные;
- несимметричные.
4.2 Симметричные экранированные фидеры в зависимости от конструктивного исполнения в свою очередь могут быть:
- двухкоаксиальные;
- двухпроводные.
Пример условного обозначения внутреннего симметричного фидера с волновым сопротивлением 300 Ом, диаметром внутренних проводников 8 мм и расстоянием между ними по центрам 90 мм:
ФВС-300-8/90
То же, коаксиального фидера с волновым сопротивлением 75 Ом и внутренним диаметром внешнего проводника 70 мм:
ФВК-75-70
1; 5; 10; 20 (25); 50; 100; 200 (250) кВт - для фидеров диапазона ВЧ.
Примечания
1 В скобках указаны допустимые значения мощностей.
2 В технически обоснованных случаях допускается разработка и эксплуатация фидеров на номинальные входные мощности 2000 кВт в диапазонах НЧ и СЧ и 500 и 1000 кВт в диапазоне ВЧ.
5.2 Волновые сопротивления фидеров должны соответствовать следующим значениям:
120, 150 или 300 Ом - для симметричных фидеров;
50, 60, 75, 150 или 250 Ом - для несимметричных фидеров.
5.3 Диапазон рабочих частот для фидеров НЧ и СЧ должен быть определен в ТУ на фидер конкретного типа.
Диапазон рабочих частот для фидеров ВЧ должен быть:
- от 3,95 до 26,1 МГц (для передатчиков по ГОСТ Р 51742) - с волновым сопротивлением 60 и 120 Ом;
- от 3,0 до 30 МГц (для передатчиков по ГОСТ 13420-79) - с волновым сопротивлением 50, 75, 150 и 300 Ом.
Примечание - По требованию заказчика в зависимости от входной мощности диапазон рабочих частот фидеров для передатчиков по ГОСТ 13420-79 может быть расширен (или ограничен):
- от 1,5 до 30 МГц - для фидеров с входной мощностью менее 20 кВт;
- от 2,5 до 30 МГц - для фидеров с входной мощностью от 20 до 100 кВт включ.;
- от 5 до 30 МГц - для фидеров с входной мощностью св. 100 кВт.
5.4 КБВ на входе фидера при работе на согласованную нагрузку в пределах диапазона рабочих частот должен быть не менее 0,9.
5.5 КПД фидера при работе на согласованную нагрузку должен быть не менее 90 % при длине фидера не более 100 м.
5.6 Коэффициент асимметрии для симметричных фидеров должен быть не более 3 %.
5.7 Минимально допустимый КБВ на входе фидера при работе на согласованную нагрузку должен быть:
0,25 - при входной мощности до 5 кВт включ.;
0,3 » » » св. 5 » 30 кВт »
0,6 » » » » 30 » 100 кВт »
0,7 » » » » 100 » 250 кВт »
0,8 » » » » 250 » 1200 кВт »
Фидер должен выдерживать указанную входную мощность при соответствующих допустимых значениях КБВ.
Примечание - Для фидеров, разрабатываемых и эксплуатируемых в соответствии с примечанием 2 к 5.1, значение минимально допустимого КБВ устанавливают в ТУ на фидер конкретного типа.
5.8 Виды модуляции радиочастотного сигнала, на которые должен быть рассчитан фидер, указывают в ТУ на фидер конкретного типа.
6.1.1 Фидеры должны изготавливаться в соответствии с требованиями настоящего стандарта и ТУ на фидер конкретного типа.
6.1.2 Средняя наработка на отказ должна составлять не менее 50000 ч.
6.1.3 Рекомендуемые присоединительные размеры некоторых типов фидеров для их подключения к передатчику, антенному коммутатору, устройствам сложения и т.д. приведены в приложении А.
6.2.1 Конструкция фидеров в отношении требований безопасности должна соответствовать ГОСТ Р 50829 и Правилам [1].
6.2.2 Конструкция составных частей и элементов фидеров должна обеспечивать безопасность проведения монтажных, ремонтных, настроечно-регулировочных работ и технического обслуживания.
6.2.3 В эксплуатационной документации на фидеры должны содержаться указания о безопасном выполнении работ, в том числе указания по обеспечению безопасности от воздействия высокочастотных полей.
6.2.4 Напряженность электрического Е и магнитного Н полей в любом направлении на расстоянии 0,5 м от экрана фидера при работе фидера на согласованную экранированную нагрузку должна соответствовать требованиям ГОСТ 12.1.006, СанПиН [2] и быть не более:
- для фидеров диапазонов НЧ и СЧ:
Е £ 28
, В/м;
Н £ 2,8
, А/м;
- для фидеров диапазона ВЧ:
Е £ 17
, В/м;
где K - минимально допустимый КБВ для данного фидера, определяемый 5.7.
6.2.5 Конструкция фидера должна предусматривать возможность электрического заземления экрана фидера. Способы и требования к заземлению экрана должны быть указаны в ТУ на фидер конкретного типа и в проекте на сооружение фидера.
6.3.1 Параметры фидеров, предназначенных для установки внутри отапливаемых помещений, должны быть не хуже приведенных в настоящем стандарте при следующих климатических воздействиях:
а) снижении атмосферного давления:
- до 78 кПа (на высоте до 2000 м над уровнем моря - для фидеров, работающих с передатчиками по ГОСТ Р 51742);
- до 70 кПа (на высоте до 2400 м над уровнем моря - для фидеров, работающих с передатчиками по ГОСТ 13420);
б) изменении температуры воздуха в помещении от 5 до 45 °С;
в) повышении влажности воздуха в помещении:
- до 80 % при 20 °С - для фидеров, работающих с передатчиками по ГОСТ Р 51742,
- до 95 % при 35 °С - для фидеров, работающих с передатчиками по ГОСТ 13420.
6.3.2 Требования устойчивости при климатических воздействиях для фидеров, предназначенных для установки в неотапливаемых помещениях, определяют в ТУ на фидер конкретного типа в зависимости от места и условий его размещения.
6.3.3 Условия хранения фидеров должны соответствовать условиям хранения 5 по ГОСТ 15150.
6.3.4 Фидеры должны выдерживать перевозку в упакованном виде транспортом любого вида в условиях транспортирования 5 по ГОСТ 15150.
Примечание - Вид транспортирования должен быть согласован с заказчиком и указан в ТУ на фидер конкретного типа.
7.1.1 Параметры фидеров следует измерять в нормальных климатических условиях, если иные условия не оговорены в ТУ на фидер конкретного типа. Нормальными климатическими условиями в соответствии с ГОСТ 15150 считают следующие:
- температура окружающего воздуха от 288 до 308 К (от 15 до 35 °С);
- относительная влажность от 45 до 80 %;
- атмосферное давление от 84,0 до 106,7 кПа (от 630 до 800 мм рт. ст.).
7.1.2 Отклонения напряжения и частоты питающей электросети от номинальных значений не должны выходить за пределы ±5 % и ±1 Гц соответственно.
7.1.3 Параметры фидеров при воздействии дестабилизирующих факторов следует измерять теми же методами, что и в нормальных климатических условиях.
7.1.4 Измерения и испытания фидеров следует проводить с соблюдением требований безопасности, установленных ГОСТ 12.3.019.
7.2.1 Параметры фидеров следует определять при помощи средств измерений (СИ), основные характеристики которых приведены в приложении Б.
7.2.2 СИ следует эксплуатировать в условиях и режимах, указанных в технической документации на эти приборы.
7.3.1 КБВ фидера определяют путем измерения входного сопротивления фидера с помощью измерителя полных сопротивлений. Выход фидера должен быть подключен к согласованной нагрузке. КБВ K находят по формулам:
K = (1 - P)/(1 + P), (1)
(2)
где W - волновое сопротивление фидера, Ом.
R, X - активная и реактивная части измеренного входного сопротивления, Ом.
Измерения проводят на крайних и средней частотах рабочего диапазона фидера.
При наличии в фидере нескольких элементов в виде неоднородных линий, соединенных отрезками однородных линий одинаковой длины, измерения проводят на частотах, указанных в ТУ на фидер конкретного типа.
Входное сопротивление симметричного фидера может быть определено измерителем полных сопротивлений с несимметричным входом с помощью симметрирующих полуволновых кабельных петель, выполненных согласно рекомендациям приложения В.
Согласованные нагрузки для симметричных фидеров выполняют из двух резисторов. Значение сопротивления каждого резистора равно W/2. При измерениях среднюю точку резисторов соединяют с экраном фидера.
7.3.2 КПД фидера определяют следующим образом.
Выход фидера замыкают накоротко и с помощью измерителя полных сопротивлений находят резонансную частоту, на которой входное сопротивление фидера максимально, после чего измеряют, согласно 7.3.1, КБВ K на входе фидера. КПД η, %, вычисляют по формуле
η = {(1 - K)/(1 + K)} · 100. (3)
Измерения выполняют на той из резонансных частот, которая является ближайшей к верхней частоте диапазона рабочих частот фидера. Допускается выполнение измерений при разомкнутом выходе фидера.
КБВ Kи на частоте fи, при которой должен быть определен КПД фидера, находят по формуле
КПД фидера ηи, %, на частоте, на который следует провести измерение, рассчитывают по формуле
ηи = {(1 - K)/(1 + K)} · 100, (5)
где K - КБВ, вычисленный по формуле (4).
Допускается определение КПД симметричного фидера по однотактной волне. Для этого входное сопротивление фидера измеряют между соединенными накоротко внутренними проводниками и экраном, при этом на выходе внутренние проводники могут быть или соединены с экраном или разомкнуты. В качестве волнового сопротивления при расчетах КБВ принимают волновое сопротивление фидера по однотактной волне.
7.3.3 Коэффициент асимметрии для симметричных фидеров определяют в соответствии со структурной схемой, приведенной на рисунке 1.
Напряжения в точках А, В, С (UA, UB, UС) относительно земли измеряют с помощью вольтметра. Коэффициент асимметрии а, %, находят по формуле
A = [2UС/(UA + UB)] · 100. (6)
Сигнал генератора симметрируют способом, указанным в 7.3.1. Согласованные нагрузки для симметричных фидеров выполняют по 7.3.1
Отклонение сопротивления резисторов R1 - R3 от номинальных значений, указанных на рисунке 1, не должно превышать ±0,5 %.
Измерения проводят на крайних и средней частотах рабочего диапазона фидера. При наличии в фидере нескольких элементов в виде неоднородных линий, соединенных отрезками однородных линий одинаковой длины, измерения проводят на частотах, указанных в ТУ на фидер конкретного типа.
R1 = R2 = W/2;
R3 = W/4, где W - волновое сопротивление фидера, Ом
Рисунок 1 - Схема измерения коэффициента асимметрии
7.3.4 Напряженность электромагнитного поля (ЭМП), создаваемую вокруг экрана фидера при его работе, определяют следующим образом.
Фидер устанавливают, если позволяет его конструкция, на специальной испытательной площадке, описание которой приведено в приложении Г.
Для фидеров диапазонов НЧ и СЧ измеряют напряженность электрического и магнитного полей. Для фидеров диапазона ВЧ измеряют напряженность только электрического поля.
Ко входу фидера подключают генератор сигналов ВЧ, к выходу фидера - согласованную экранированную нагрузку. Антенну направленного действия измерителя напряженности ЭМП устанавливают на испытательной площадке таким образом, чтобы она принимала горизонтальную составляющую электрического поля, параллельную одной из сторон экрана фидера (сверху над осью фидера, снизу под осью фидера, с каждой из сторон на уровне оси) на расстоянии 0,5 м от поверхности экрана. Расположение измерительной аппаратуры, фидера и вспомогательного оборудования приведено на рисунке 2.
Рисунок 2 - Схема расположения оборудования при измерении напряженности ЭМП
Устанавливают на генераторе частоту, соответствующую нижней частоте рабочего диапазона фидера, и выходное напряжение от 1 до 2 В. Перемещая антенну измерителя напряженности ЭМП вдоль экрана фидера (по указанной на рисунке 2 траектории), но не меняя ее ориентации и расстояния от экрана, находят максимальное значение горизонтальной составляющей электрического поля Exi. В этой же точке, ориентируя измерительную антенну для приема горизонтальной составляющей электрического поля, перпендикулярной Exi, находят Eyi, затем, ориентируя измерительную антенну для приема вертикальной составляющей электрического поля, находят Еzi.
Напряженность эквивалентного по энергетике линейно поляризованного электрического поля, обусловленного действием генератора в i-й точке (далее условно - суммарная напряженность поля Eген), рассчитывают по формуле
Устанавливают измерительную антенну для приема горизонтальной составляющей электрического поля Еу. Перемещая антенну вдоль экрана фидера по той же самой траектории, что и ранее, находят максимальное значение Eyj. В этой же самой j-й точке, ориентируя антенну соответствующим образом, измеряют Exj и Ezj. По формуле (7) находят суммарную напряженность электрического поля в j-й точке Eген j.
Устанавливают измерительную антенну для приема вертикальной составляющей электрического поля Еz. Перемещая антенну вдоль экрана фидера по той же самой траектории, находят максимальное значение Еzk. В этой же k-й точке, ориентируя антенну соответствующим образом, измеряют Exk и Eyk. По формуле (7) находят суммарную напряженность электрического поля в k-й точке Еген k.
Аналогичные измерения выполняют для трех других сторон испытуемого фидера. Из полученных 12 значений Eген выбирают наибольшее, обусловленное действием генератора сигналов ВЧ на данной частоте измерения.
Переключают измеритель напряженности ЭМП в режим измерения напряженности магнитного поля. Действуя указанным выше образом, находят наибольшее значение Нген, обусловленное действием генератора сигналов ВЧ на данной частоте измерения.
Напряженности электрического Е, В/м, и магнитного Н, А/м, полей, создаваемых фидером при работе на согласованную нагрузку, определяют по формулам:
Е = Еген
(8)
Н = Нген
(9)
где Еген, Hген - измеренные максимальные значения напряженностей электрического и магнитного полей вокруг экрана фидера при работе генератора;
Р - номинальная входная мощность фидера, Вт;
Рген - мощность генератора, Вт
Рген = U2/W,
где U - напряжение генератора, В;
W - волновое сопротивление фидера, Ом.
Аналогичные измерения проводят также на верхней и средней частотах рабочего диапазона фидера.
При наличии помех допускается изменение частоты измерения в пределах ±2 % от исходного значения.
Примечание - При невозможности установки фидера на специальной испытательной площадке для измерения напряженности ЭМП вокруг экрана фидера условия проведения данных измерений должны быть указаны в ТУ на фидер конкретного типа или в проекте на сооружение фидера.
7.3.5 Способность фидера выдерживать номинальную входную мощность при минимальном допустимом КБВ проверяют по методике, указанной в ТУ на фидер конкретного типа.
7.3.6 Соответствие фидера общим требованиям техники безопасности проверяют по ГОСТ Р 50829.
7.3.7 Среднюю наработку на отказ фидера проверяют согласно ГОСТ 27.410.
7.3.8 Устойчивость фидера к климатическим и механическим воздействиям проверяют по методам, указанным в ТУ на фидер конкретного типа.
(рекомендуемое)
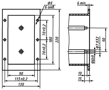
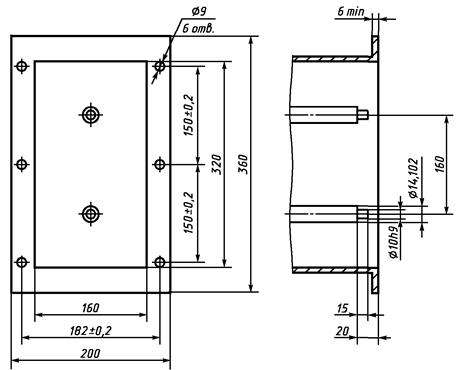
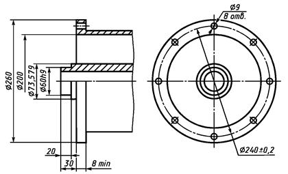
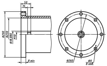
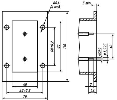
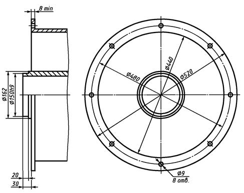
На рисунке А.1 - А.7 приведены рекомендуемые присоединительные размеры некоторых типов симметричных и несимметричных внутренних передающих фидеров, рассчитанных на входную максимальную мощность от 30 до 250 кВт.
Рисунок А.1 - Присоединительные размеры для симметричного двухпроводного фидера с волновым сопротивлением 300 Ом и входной мощностью от 1 до 5 кВт

Рисунок А.2 - Присоединительные размеры для симметричного двухпроводного фидера с волновым сопротивлением 300 Ом и входной мощностью св. 5 до 30 кВт

Рисунок А.3 - Присоединительные размеры для симметричного двухпроводного фидера с волновым сопротивлением 300 Ом и входной мощностью до 100 кВт

Рисунок А.4 - Присоединительные размеры для несимметричного фидера с волновым сопротивлением 75 Ом и входной мощностью до 30 кВт

Рисунок А.5 - Присоединительные размеры для симметричного двухкоаксиального фидера с волновым сопротивлением 120 Ом и входной мощностью до 250 кВт (изображена половина конструкции фидера)

Рисунок А.6 - Присоединительные размеры для симметричного двухкоаксиального фидера с волновым сопротивлением 300 Ом и входной мощностью до 250 кВт (изображена половина конструкции фидера)
Рисунок А. 7 - Присоединительные размеры для симметричного двухкоаксиального фидера с волновым сопротивлением 120 Ом и входной мощностью св. 250 до 1200 кВт (изображена половина конструкции фидера)
(рекомендуемое)
Таблица Б.1
|
Наименование прибора |
Основной параметр |
Значение параметра |
|
Измеритель полных сопротивлений |
Диапазон частот, МГц |
0,1 - 0,5 |
|
Пределы измерения: |
||
|
- модуля сопротивления, Ом |
1 - 104 |
|
|
- фазы |
0 - 30° |
|
|
Погрешность измерения, не более: |
||
|
- модуля, % |
±5 |
|
|
- фазы |
6° |
|
|
Измеритель полных сопротивлений |
Диапазон частот, МГц |
0,5 - 110 |
|
Пределы измерения сопротивления, Ом: |
||
|
- по активной составляющей |
1 - 104 |
|
|
- по реактивной составляющей |
1 - 104 |
|
|
Погрешность измерения, % |
±4 |
|
|
Генератор сигналов ВЧ |
Диапазон частот, МГц |
0,1 - 30 |
|
Выходное напряжение, В |
0,001 - 2,0 |
|
|
Выходное сопротивление, Ом |
50; 75 |
|
|
Погрешность установки частоты, % |
±1 |
|
|
Уровень побочных излучений, дБ, не более |
-80 |
|
|
Измеритель напряженности ЭМП |
Диапазон частот, МГц |
0,1 - 30 |
|
Пределы измерения напряженности: |
||
|
- электрического поля, В/м |
1 · 10-4 - 0,1 |
|
|
- магнитного поля, А/м |
2 · 10-4 - 0,1 |
|
|
Ширина полосы пропускания на уровне минус 3 дБ, кГц |
10 |
|
|
Погрешность измерения, дБ, не более |
2,0 |
|
|
Милливольтметр цифровой широкополосный |
Диапазон частот, МГц |
10-5 - 30 |
|
Диапазон измерения напряжения, В |
3 · 10-4 - 300 |
|
|
Пределы основной погрешности измерения, % |
±(0,2 - 2,5) |
|
|
Входное сопротивление, МОм, не менее |
20 |
(рекомендуемое)
Для соединения приборов и устройств, имеющих несимметричные входы / выходы, с симметричными входами или выходами фидеров могут быть применены полуволновые кабельные симметрирующие петли. Выполнение кабельной петли показано на рисунке В.1.
Если электрическая длина петли равна половине длины волны, петля сдвигает фазу напряжения на 180° и не трансформирует сопротивление. Таким образом, на несимметричной стороне производится параллельное включение обеих половин симметричной нагрузки, вследствие чего общая трансформация сопротивления получается равной отношению 1:4 (например, 75 Ом на несимметричной стороне и 300 Ом - на симметричной).
Поскольку коэффициент укорочения длины волны в паспортных данных кабеля обычно указывается недостаточно точно, электрическую длину петли следует проверить. Для этого конец отрезка кабеля, из которого изготавливают петлю, замыкают накоротко и измеряют частоту, на которой входное сопротивление отрезка минимально.
Электрическая длина l отрезка в метрах будет равна
l = 150/F,
где F - число, соответствующее значению частоты в мегагерцах.
Для упрощения процесса подгонки длины петли рекомендуется несколько изменить частоту измерения параметров фидера, взяв ее равной найденному значению F.
1 - несимметричный вход к средству измерений; 2 - симметричный выход к фидеру; 3 - полуволновая петля
Рисунок В.1 - Кабельная петля
(рекомендуемое)
Испытательная площадка должна находиться на достаточно ровной поверхности или земле. Допускается в качестве площадки, если позволяет конструкция фидера, использовать лабораторное помещение минимальной площадью 6×7 м и высотой не менее 2,7 м.
В центре площадки должен быть уложен заземленный металлический лист длиной не менее 6 м и шириной не менее 3 м. В середине этого листа должны быть установлены подставки из изолирующего материала, на которые на высоте 1,5 м помещают испытуемый фидер (рисунок Г.1).
Рисунок Г.1 - Расположение оборудования на испытательной площадке
Должны быть приняты технические меры, гарантирующие, что отражение сигнала от посторонних объектов, находящихся по соседству с площадкой, а также отражение от земли не будет оказывать влияния на результаты измерений.
Согласованную экранированную нагрузку рекомендуется подключать непосредственно к выходу фидера.
При использовании соединительных высокочастотных кабелей для подключения генератора сигналов ВЧ должны быть приняты меры по уменьшению излучения от кабелей, например путем использования кабелей с двойным экранированием.
Расположение СИ и испытательного оборудования на площадке должно быть таким, чтобы оно не влияло на результаты измерения напряженности ЭМП фидера.
(справочное)
[1] ПОТ Р О-45-002-94 Правила по охране труда на радиопредприятиях. Минсвязи России, 1995
[2] СанПиН 2.2.4/2.1.8.055-96 Электромагнитные излучения радиочастотного диапазона (ЭМИ РЧ). Санитарные правила и нормы. Госкомсанэпиднадзор России, 1996
Ключевые слова: фидеры передающие внутренние диапазонов НЧ, СЧ, ВЧ, основные параметры, технические требования, методы измерений