Скачать ГОСТ Р 52859-2007 Подшипники качения. Общие технические условия

Дата актуализации: 01.01.2021

ГОСТ Р 52859-2007

Подшипники качения. Общие технические условия

Обозначение: ГОСТ Р 52859-2007
Обозначение англ: GOST R 52859-2007
Статус:отменен
Название рус.:Подшипники качения. Общие технические условия
Название англ.:Rolling bearings. General specifications
Дата добавления в базу:01.09.2013
Дата актуализации:01.01.2021
Дата введения:01.03.2015
Дата окончания срока действия:01.03.2015
Область применения:Стандарт распространяется на подшипники качения по ГОСТ 831, ГОСТ 832, ГОСТ 3478, ГОСТ 4252, ГОСТ 4657, ГОСТ 5377, ГОСТ 5721, ГОСТ 6364, ГОСТ 7242, ГОСТ 7634, ГОСТ 7872, ГОСТ 8328, ГОСТ 8338, ГОСТ 8419, ГОСТ 8545, ГОСТ 8882, ГОСТ 8995, ГОСТ 9592, ГОСТ 9942, ГОСТ 18572, ГОСТ 20531, ГОСТ 23179, ГОСТ 23526, ГОСТ 24696, ГОСТ 24850, ГОСТ 27057, ГОСТ 27365, ГОСТ 28428. Стандарт устанавливает допуски на основные размеры (за исключением размеров фасок), точность вращения подшипников и другие технические требования, приемку, методы контроля, маркировку, упаковку, транспортирование, хранение, указания по применению и эксплуатации, гарантии изготовителя. Стандарт не распространяется на некоторые подшипники определенных конструктивных исполнений (например, игольчатые подшипники со штампованным наружным кольцом) и на подшипники специальных видов применения (например, высокопрецизионные упорные и упорно-радиальные подшипники для применения в специальных средах).
Оглавление:1 Область применения
2 Нормативные ссылки
3 Термины и определения
4 Условные обозначения
   4.1 Условные обозначения основных размеров радиальных и радиально-упорных подшипников
   4.2 Условные обозначения размерных параметров радиальных и радиально-упорных подшипников
   4.3 Дополнительные условные обозначения основных размеров роликовых конических подшипников
   4.4 Дополнительные условные обозначения размерных параметров роликовых конических подшипников
   4.5 Условные обозначения основных размеров упорных и упорно-радиальных подшипников
   4.6 Условные обозначения размерных параметров упорных и упорно-радиальных подшипников
5 Размеры
6 Технические требования
7 Допуски
   7.1 Радиальные и радиально-упорные подшипники, кроме конических
   7.2 Роликовые конические подшипники
   7.3 Упорный борт наружного кольца радиальных и радиально-упорных подшипников
   7.4 Конические отверстия, конусность 1:12 и 1:30
   7.5 Упорные и упорно-радиальные одинарные и двойные подшипники
8 Дополнительные технические требования
9 Приемка
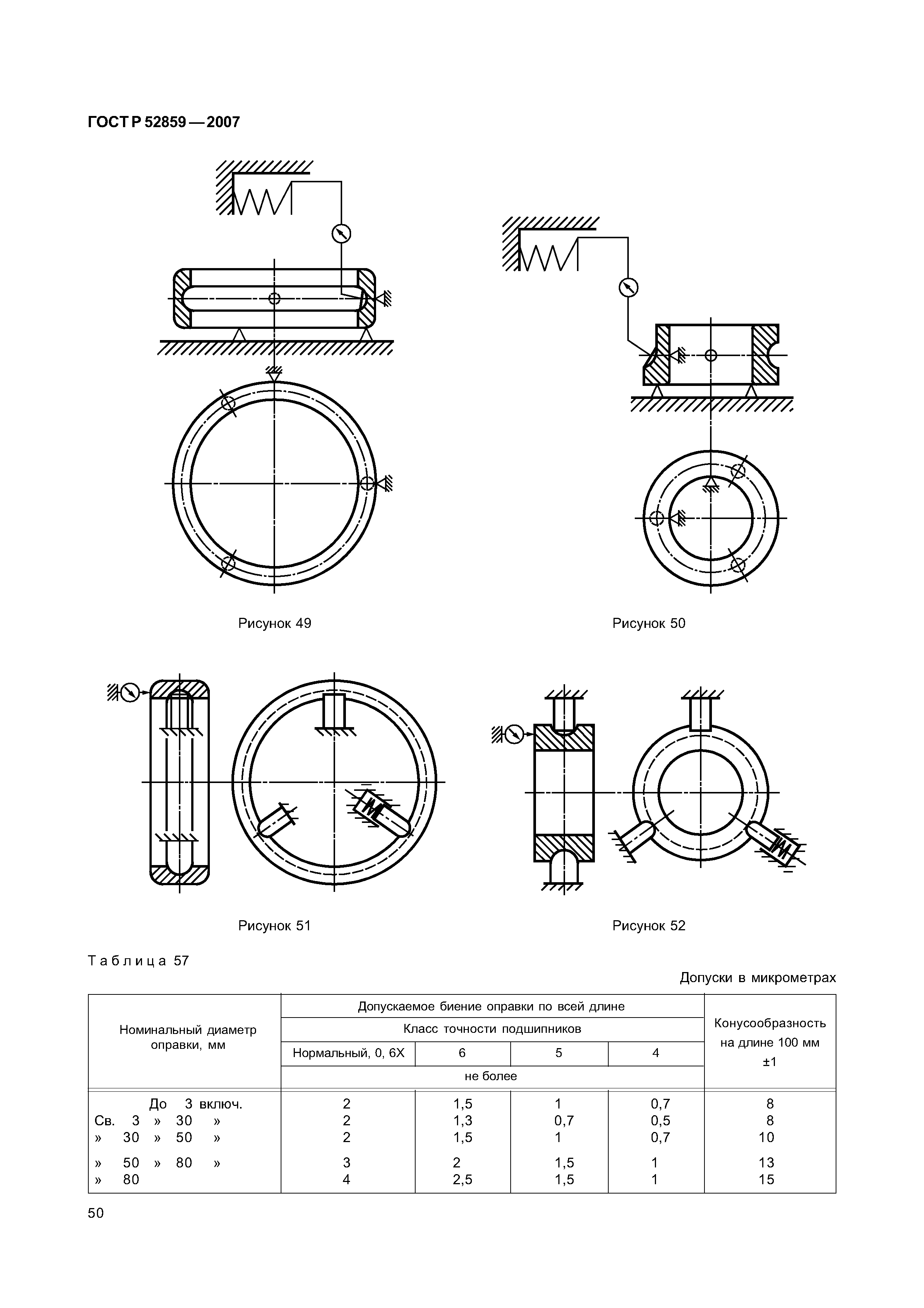
10 Методы контроля
11 Маркировка
12 Упаковка, транспортирование и хранение
13 Указания по применению и эксплуатации
14 Гарантии изготовителя
Приложение А (справочное) Иллюстрация допусков на размер диаметров
Приложение Б (справочное) Соответствие классов точности
Библиография
Разработан: ОАО ВНИПП
ФГУП ВНИИНМАШ
Утверждён:27.12.2007 Федеральное агентство по техническому регулированию и метрологии (505-ст)
Издан: Стандартинформ (2008 г. )
Нормативные ссылки:
ГОСТ Р 52859-2007ГОСТ Р 52859-2007ГОСТ Р 52859-2007ГОСТ Р 52859-2007ГОСТ Р 52859-2007ГОСТ Р 52859-2007ГОСТ Р 52859-2007ГОСТ Р 52859-2007ГОСТ Р 52859-2007ГОСТ Р 52859-2007ГОСТ Р 52859-2007ГОСТ Р 52859-2007ГОСТ Р 52859-2007ГОСТ Р 52859-2007ГОСТ Р 52859-2007ГОСТ Р 52859-2007ГОСТ Р 52859-2007ГОСТ Р 52859-2007ГОСТ Р 52859-2007ГОСТ Р 52859-2007ГОСТ Р 52859-2007ГОСТ Р 52859-2007ГОСТ Р 52859-2007ГОСТ Р 52859-2007ГОСТ Р 52859-2007ГОСТ Р 52859-2007ГОСТ Р 52859-2007ГОСТ Р 52859-2007ГОСТ Р 52859-2007ГОСТ Р 52859-2007ГОСТ Р 52859-2007ГОСТ Р 52859-2007ГОСТ Р 52859-2007ГОСТ Р 52859-2007ГОСТ Р 52859-2007ГОСТ Р 52859-2007ГОСТ Р 52859-2007ГОСТ Р 52859-2007ГОСТ Р 52859-2007ГОСТ Р 52859-2007ГОСТ Р 52859-2007ГОСТ Р 52859-2007ГОСТ Р 52859-2007ГОСТ Р 52859-2007ГОСТ Р 52859-2007ГОСТ Р 52859-2007ГОСТ Р 52859-2007ГОСТ Р 52859-2007ГОСТ Р 52859-2007ГОСТ Р 52859-2007ГОСТ Р 52859-2007ГОСТ Р 52859-2007ГОСТ Р 52859-2007ГОСТ Р 52859-2007ГОСТ Р 52859-2007ГОСТ Р 52859-2007ГОСТ Р 52859-2007ГОСТ Р 52859-2007ГОСТ Р 52859-2007ГОСТ Р 52859-2007ГОСТ Р 52859-2007ГОСТ Р 52859-2007ГОСТ Р 52859-2007