Скачать ГОСТ Р МЭК 60990-2010 Методы измерения тока прикосновения и тока защитного проводникаДата актуализации: 01.01.2021
|
| Обозначение: | ГОСТ Р МЭК 60990-2010 |
| Обозначение англ: | GOST R IEC 60990-2010 |
| Статус: | введен впервые |
| Название рус.: | Методы измерения тока прикосновения и тока защитного проводника |
| Название англ.: | Metods of measurement of touch current and protective conductor current |
| Дата добавления в базу: | 01.09.2013 |
| Дата актуализации: | 01.01.2021 |
| Дата введения: | 01.01.2012 |
| Область применения: | Стандарт устанавливает методы измерения: - электрического тока синусоидальной и несинусоидальной формы, который может протекать через тело человека и, - тока, протекающего по защитному проводнику. Методы, рекомендуемые для измерения тока прикосновения, основываются на изучении возможных последствий воздействия тока, протекающего через тело человека. В стандарте измерение тока, протекающего по цепям, имитирующим комплексное сопротивление тела человека, рассматривается как измерение тока прикосновения. Эти схемы не обязательно в равной степени применимы в отношении тел животных. В область применения стандарта не входит подробная характеристика или описание последствий воздействия конкретных пороговых значений электрического тока на тело человека. Информация, касающаяся воздействия тока, протекающего через человека или домашнего животного, на основе которой согут быть сделаны выводы о предельных допустимых значениях, содержится в комплексе стандартов МЭК 60479. Стандарт применим к оборудованию классов защиты от поражения электрическим током I, II и III. Методы измерения, установленные стандартом, не предназначены для использования применительно: - к токам прикосновения, длительность воздействия которых составляет менее 1 с; - к токам, возникающим при использовании медицинских электроприборов по МЭК 60601-1; - к переменным токам при частотах не ниже 15 Гц; - к переменным токам в сочетании с постоянными токами (использование единой схемы для комплексного отображения воздействия переменных токов в сочетании с постоянными не исследовалось); - к токам, превышающим установленные пороговые значения, обусловливающие возникновение электрических ожогов. |
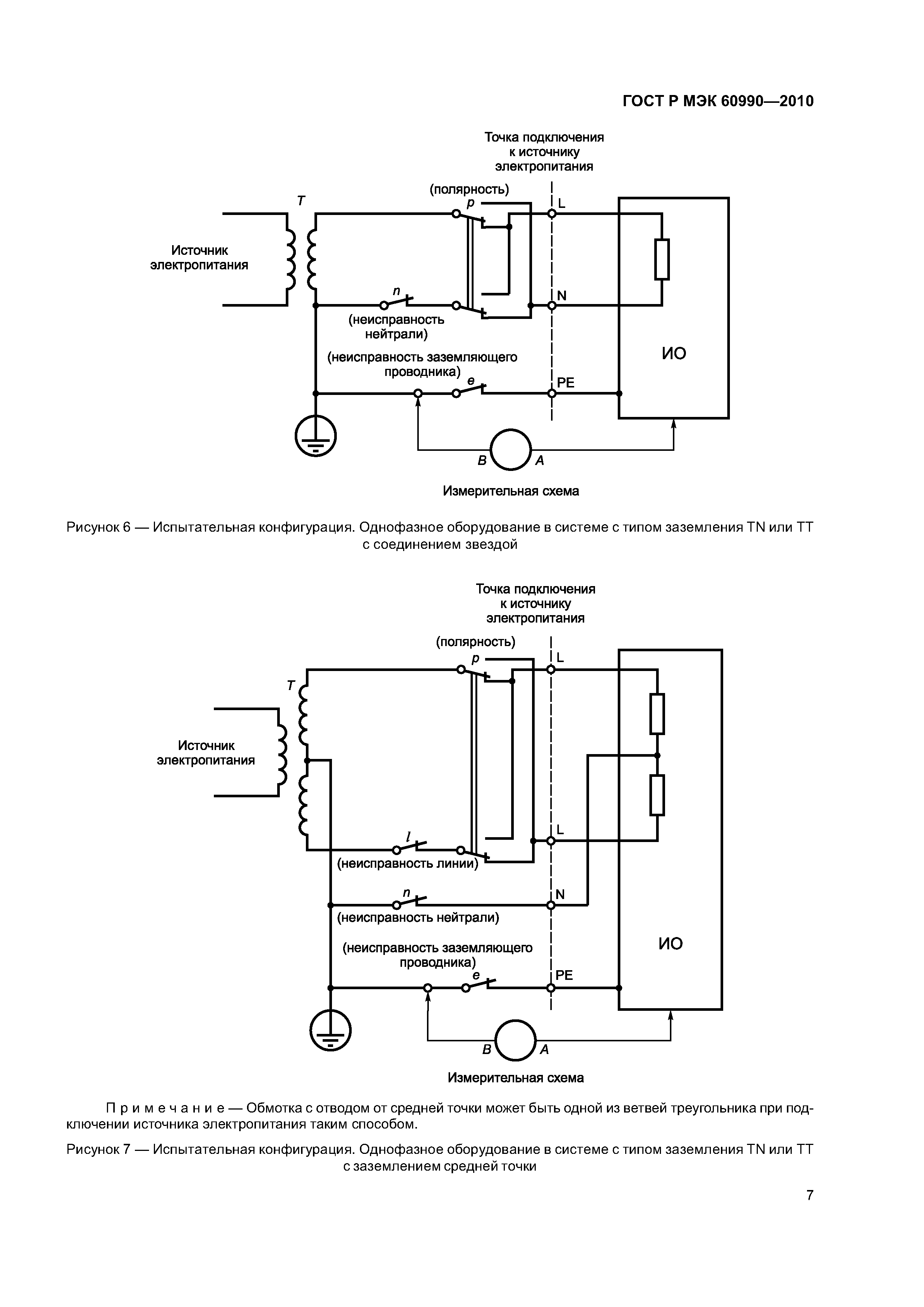
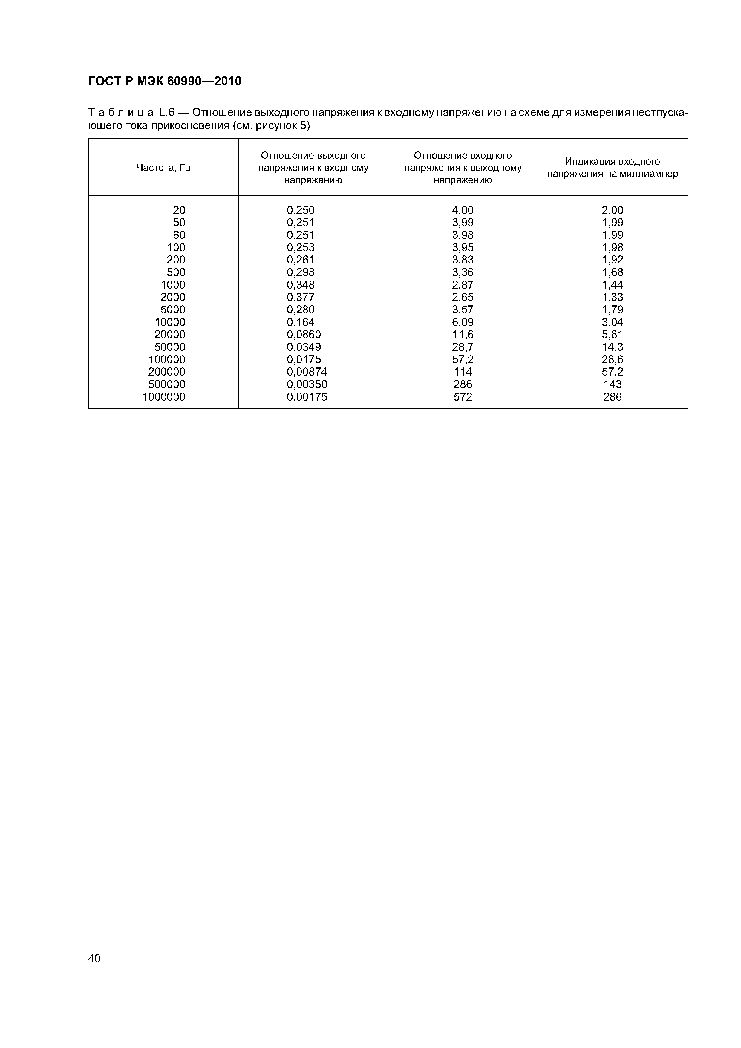
| Оглавление: | 1 Область применения 2 Нормативные ссылки 3 Термины и определения 4 Место проведения испытаний 4.1 Условия окружающей среды на месте проведения испытаний 4.2 Испытательный трансформатор 4.3 Заземленный нейтральный проводник 5 Измерительное оборудование 5.1 Выбор измерительной схемы 5.1.1 Ощущение и физиологическая реакция (переменный ток) 5.1.2 Неотпускание (переменный ток) 5.1.3 Электрический ожог (переменный ток) 5.1.4 Постоянный ток без пульсаций 5.2 Измерительные электроды 5.2.1 Измерительная схема 5.2.2 Соединения 5.3 Измерительная схема 5.4 Подключение к электропитанию при проведении испытаний 5.4.1 Общие положения 5.4.2 Оборудование, предназначенное для использования только в системах распределения электроэнергии с типами заземления TN и TT с соединением звездой 5.4.3 Оборудование, предназначенное для использования в системах распределения электроэнергии с типом заземления IТ, включая системы, в которых применяется соединение треугольником без заземления 5.4.4 Оборудование, предназначенное для использования в однофазных системах распределения электроэнергии с заземлением средней точки или в системах распределения электроэнергии с соединением треугольником и заземлением средней точки 5.5 Напряжение и частота электропитания 5.5.1 Напряжение электропитания 5.5.2 Частота электропитания 6 Порядок проведения испытаний 6.1 Общие положения 6.1.1 Требования к контрольным переключателям, оборудованию и электропитанию 6.1.2 Использование измерительных схем 6.2 Нормальное и неисправное состояние оборудования 6.2.1 Эксплуатация оборудования в нормальных условиях 6.2.2 Неисправное состояние оборудования и источника электропитания 7 Оценка результатов 7.1 Ощущение, физиологическая реакция и неотпускание 7.2 Электрический ожог 8 Измерение тока защитного проводника 8.1 Общие положения 8.2 Комбинированное оборудование 8.3 Метод измерения Приложение А (обязательное) Оборудование Приложение В (обязательное) Использование токопроводящей поверхности Приложение С (обязательное) Случайно соединяемые детали Приложение D (справочное) Выбор пороговых значений тока Приложение Е (справочное) Схемы, используемые для измерения тока прикосновения Приложение F (справочное) Построение и пределы применения измерительной схемы Приложение G (справочное) Конструкция и применение приборов для измерения тока прикосновения Приложение Н (справочное) Захватываемая деталь Приложение J (справочное) Системы распределения электроэнергии переменного тока Приложение К (справочное) Типовые и периодические испытания тока прикосновения, испытания, проводимые после ремонта или модернизации оборудования, работающего от электросети Приложение L (обязательное) Технические характеристики и калибровка Приложение ДА (справочное) Сведения о соответствии ссылочных международных стандартов ссылочным национальным стандартам Российской Федерации Библиография |
| Разработан: | ВНИИНМАШ МИЭЭ |
| Утверждён: | 30.11.2010 Федеральное агентство по техническому регулированию и метрологии (716-ст) |
| Издан: | Стандартинформ (2011 г. ) |
| Нормативные ссылки: |
|

















































