Скачать Рекомендации по изготовлению и применению жаростойких высокопрочных легких бетонов на основе новых видов искусственных заполнителей

Дата актуализации: 01.01.2021

Рекомендации по изготовлению и применению жаростойких высокопрочных легких бетонов на основе новых видов искусственных заполнителей

Статус:действует
Название рус.:Рекомендации по изготовлению и применению жаростойких высокопрочных легких бетонов на основе новых видов искусственных заполнителей
Дата добавления в базу:01.09.2013
Дата актуализации:01.01.2021
Область применения:Рекомендации содержат основные положения по технологии изготовления легких жаростойких бетонов с температурой от 700 до 1200 градусов Цельсия на новых видах искусственных пористых заполнителей. Рекомендации предназначены для инженерно—технических работников проектных, производственных организаций и лабораторий, занимающихся проектированием и изготовлением деталей и конструкций из легкого жаростойкого бетона.
Оглавление:Предисловие
1. Общие положения
2. Требования к исходным материалам
3. Подбор составов легких жаростойких бетонов
4. Приготовление бетонной смеси и формование изделий
5. Твердение бетона
6. Контроль качества изделий
7. Хранение изделий
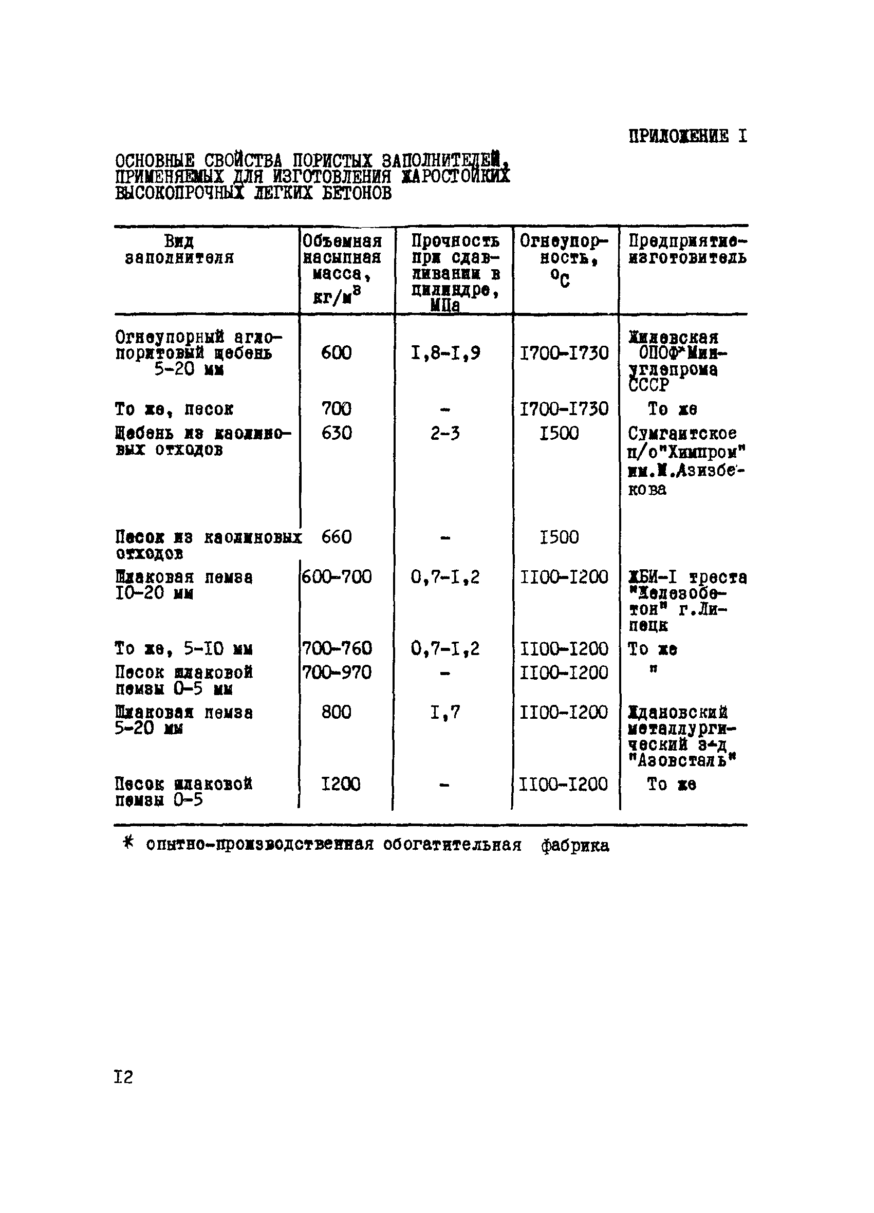
Приложение 1. Основные свойства пористых заполнителей, применяемых для изготовления жаростойких высокопрочных легких бетонов
Приложение 2. Требования к огнеупорному аглопориту
Приложение 3. Ориентировочные составы жаростойких высокопрочных легких бетонов
Разработан: НИИЖБ
Утверждён:18.02.1981 НИИЖБ Госстроя СССР (NIIZhB, USSR Gosstroy )
Издан: НИИЖБ (1981 г. )
Нормативные ссылки: