Скачать ВСН 18-73/Госгражданстрой Временные указания по проектированию и применению алюминиевых конструкций в гражданском строительстве. Ограждающие конструкцииДата актуализации: 01.01.2021
|
| Обозначение: | ВСН 18-73/Госгражданстрой |
| Обозначение англ: | VSN 18-73/Госгражданстрой |
| Статус: | действует |
| Название рус.: | Временные указания по проектированию и применению алюминиевых конструкций в гражданском строительстве. Ограждающие конструкции |
| Дата добавления в базу: | 01.10.2014 |
| Дата актуализации: | 01.01.2021 |
| Дата введения: | 01.01.1975 |
| Область применения: | Указания предназначаются для проектирования ограждающих конструкций из алюминиевых сплавов в жилых и общественных зданиях. Указания распространяются на проектирование и применение следующих конструкций и изделий из алюминиевых сплавов: окон, витражей и витрин, дверей, входов, тамбуров, наружных стен, перегородок, подвесных потолков, солнцезащитных устройств, элементов архитектурно-декоративной отделки, оконных и дверных приборов. Указания не распространяются на проектирование деревоалюминиевых, сталеалюминиевых и других подобных конструкций, в которых алюминий не является основным конструкционным материалом. |
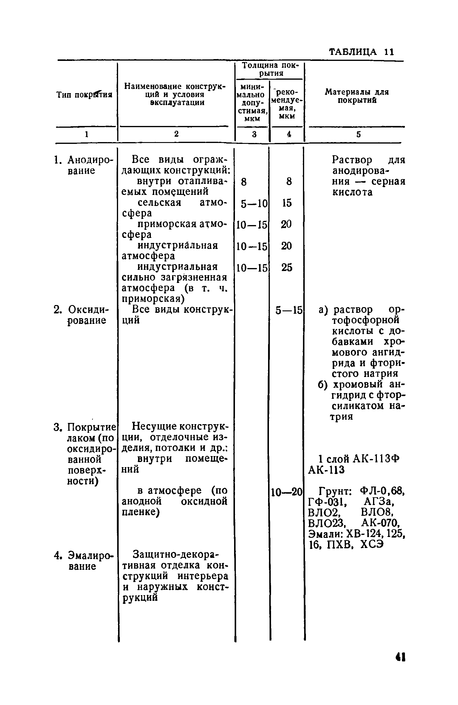
| Оглавление: | 1. Общие положения 2. Материалы Металлические сплавы, полуфабрикаты и крепежные изделия Изоляционные материалы Герметизирующие, уплотнительные и клеящие материалы Полуфабрикаты и изделия из стекла 3. Основные положения по проектированию конструкций Окна и балконные двери Витражи и витрины Двери, входы, тамбуры Наружные стены Подвесные потолки Перегородки Солнцезащитные шторы-жалюзи Архитектурные элементы декоративной отделки Приборы Допуски 4. Расчет конструкций Нагрузки и основные расчетные усилия Учет особенностей работы несущих элементов 5. Соединения, крепления и стыки Соединения элементов каркаса Соединения глухих и светопрозрачных заполнений с алюминиевыми каркасами Крепления к общестроительным конструкциям Стыки 6. Защита от коррозии и декоративная отделка 7. Противопожарные требования 8. Основные положения по расчету экономической эффективности Приложение 1. Перечень ГОСТов и технических условий, используемых при проектировании алюминиевых конструкций Приложение 2. Герметизирующие материалы и изделия Приложение 3. Клеящие материалы Приложение 4. Полуфабрикаты и изделия из стекла Приложение 5. Рекомендуемые типы остекления витрин в зависимости от климатических условий строительств Приложение 6. Схемы приложения полезных нагрузок к оконным и дверным створкам Приложение 7. Расчет основных технико-экономических показателей Приложение 8. Общие правила эксплуатации, учитываемые при проектировании алюминиевых конструкций |
| Разработан: | ЛенЗНИИЭП Госгражданстроя ЦНИИЭП зрелищных зданий и спортивных сооружений Госгражданстроя КиевЗНИИЭП ЦНИИЭП жилища ЦНИИЭП учебных зданий ЦНИИЭП торгово-бытовых зданий и торговых комплексов |
| Утверждён: | 29.12.1973 Госстрой СССР (Государственный комитет Совета Министров СССР по делам строительства) (USSR Gosstroy ) |
| Издан: | Стройиздат (1975 г. ) |
| Нормативные ссылки: |
|





























































