Скачать ГОСТ МЭК 60335-1-2008 Бытовые и аналогичные электрические приборы. Безопасность. Часть 1. Общие требованияДата актуализации: 01.01.2021
|
| Обозначение: | ГОСТ МЭК 60335-1-2008 |
| Обозначение англ: | GOST IEC 60335-1-2008 |
| Статус: | введен впервые |
| Название рус.: | Бытовые и аналогичные электрические приборы. Безопасность. Часть 1. Общие требования |
| Название англ.: | Household and similar electrical appliances. Safety. Part 1. General requirements |
| Дата добавления в базу: | 21.05.2015 |
| Дата актуализации: | 01.01.2021 |
| Дата введения: | 01.01.2014 |
| Область применения: | Стандарт устанавливает требования безопасности к электрическим приборам бытового и аналогичного применения, номинальное напряжение которых не превышает 250 В для однофазных приборов и 480 В для других приборов. Стандарт распространяется также на приборы, которые не предназначены для обычного применения в быту, но могут быть источником опасности для людей, не являющихся специалистами, пользующихся приборами в магазинах, на предприятиях легкой промышленности и на фермах. |
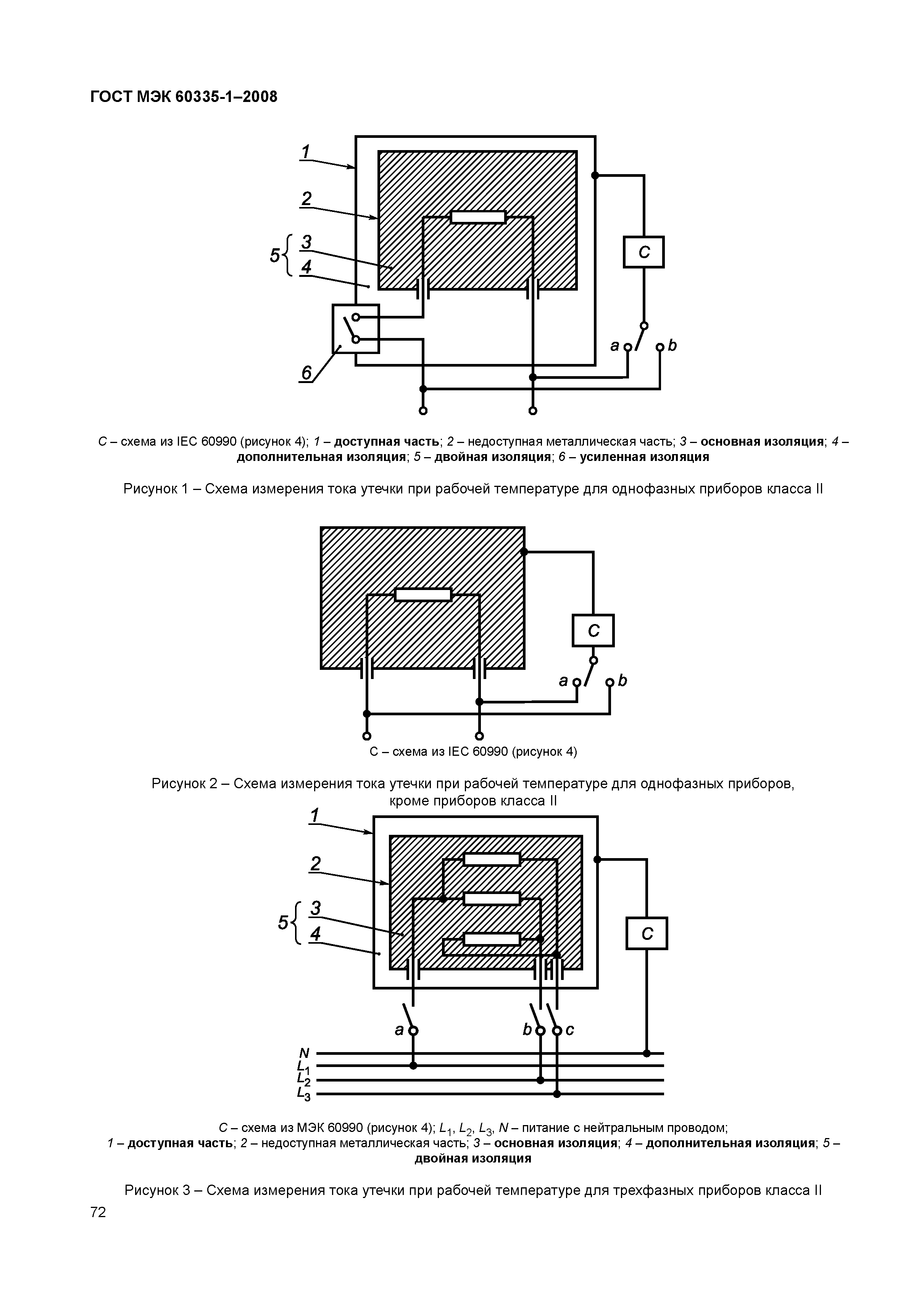
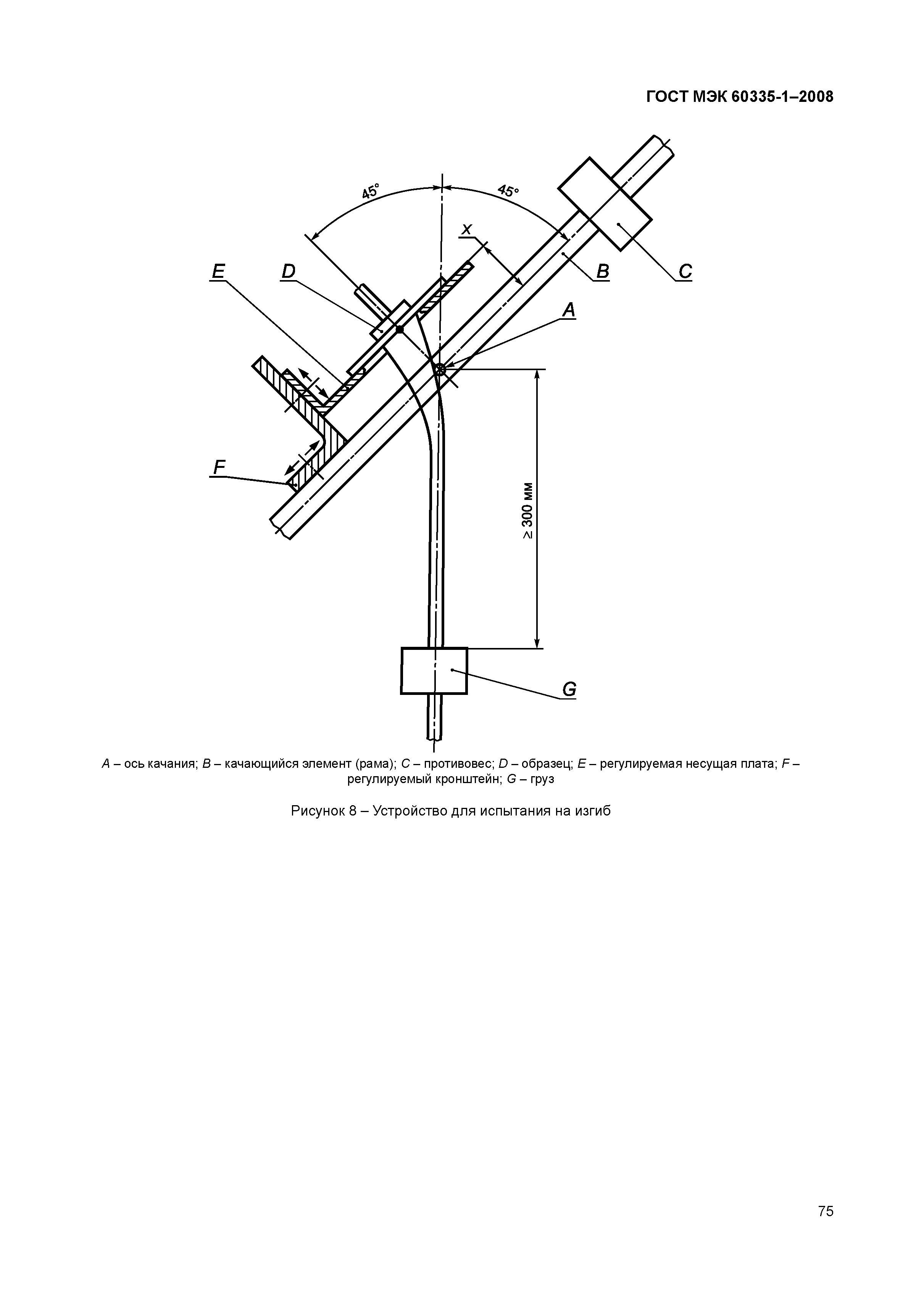
| Оглавление: | 1 Область применения 2 Нормативные ссылки 3 Термины и определения 4 Общие требования 5 Общие условия проведения испытаний 6 Классификация 7 Маркировка и инструкции 8 Защита от контакта с частями, находящимися под напряжением 9 Пуск электромеханических приборов 10 Потребляемые мощность и ток 11 Нагрев 12 Пробел 13 Ток утечки и электрическая прочность при рабочей температуре 14 Перенапряжения переходного процесса 15 Влагостойкость 17 Защита от перегрузки трансформаторов и соединенных с ними цепей 18 Износостойкость 19 Ненормальный режим работы 20 Устойчивость и механические опасности 21 Механическая прочность 22 Конструкция 23 Внутренняя проводка 24 Компоненты 25 Присоединение к источнику питания и внешние гибкие шнуры 26 Зажимы для внешних проводов 27 Средства для заземления 28 Винты и соединения 29 Зазоры, пути утечки и сплошная изоляция 30 Теплостойкость и огнестойкость 31 Стойкость к коррозии 32 Радиация, токсичность и подобные опасности Приложение А (справочное) Контрольные испытания Приложение В (обязательное) Приборы, питающиеся от перезаряжаемых батарей Приложение С (обязательное) Испытание двигателей на старение Приложение D (обязательное) Устройства тепловой защиты двигателей Приложение Е (обязательное) Испытание игольчатым пламенем Приложение F (обязательное) Конденсаторы Приложение G (обязательное) Безопасные разделительные трансформаторы Приложение Н (обязательное) Выключатели Приложение I (обязательное) двигатели с основной изоляцией, которая не соответствует номинальному напряжению прибора Приложение J (обязательное) Печатные платы с покрытием Приложение К (обязательное) Категории перенапряжения Приложение L (справочное) Руководство по измерению зазоров и путей утечки Приложение М (обязательное) Степень загрязнения Приложение N (обязательное) Испытание на трекингостойкость Приложение О (справочное) Выбор и последовательность испытаний по разделу 30 Приложение Р (справочное) Руководство по применению настоящего стандарта к приборам, используемым в теплом влажном равномерном климате Приложение Q (справочное) Последовательность испытаний по оценке электронных цепей Приложение R (обязательное) Оценка программного обеспечения Приложение ДА (справочное) Сведения о соответствии межгосударственных стандартов ссылочным международным стандартам Библиография Алфавитный указатель терминов на русском языке |
| Утверждён: | 11.12.2008 Межгосударственный Совет по стандартизации, метрологии и сертификации (Inter-Governmental Council on Standardization, Metrology, and Certification 34-2008) 17.10.2012 Федеральное агентство по техническому регулированию и метрологии (544-ст) |
| Издан: | Стандартинформ (2014 г. ) |
| Нормативные ссылки: |
|
















































































































