Скачать ГОСТ МЭК 60238-2002 Патроны резьбовые для ламп

Дата актуализации: 01.01.2021

ГОСТ МЭК 60238-2002

Патроны резьбовые для ламп

Обозначение: ГОСТ МЭК 60238-2002
Обозначение англ: GOST IEC 60238-2002
Статус:применяется в еаэс
Название рус.:Патроны резьбовые для ламп
Название англ.:Edison screw lampholders
Дата добавления в базу:01.01.2019
Дата актуализации:01.01.2021
Дата введения:01.07.2003
Область применения:Стандарт распространяется на патроны с резьбой Эдисона E14, E27 и E40, предназначенные только для присоединения к сети питания ламп и ламп-светильников. Стандарт подготовлен на основе ГОСТ Р МЭК 60238-99.
Оглавление:1 Общее
2 Определения
3 Общие требования
4 Общие условия испытаний
5 Нормируемые параметры
6 Классификация
7 Маркировка
8 Размеры
9 Защита от поражения электрическим током
10 Контактные зажимы
11 Заземление
12 Конструкция
13 Патроны с выключателем
14 Влагостойкость, сопротивление и электрическая прочность изоляции
15 Механическая прочность
16 Винты. Токоведущие детали и соединения
17 Пути утечки и воздушные зазоры
18 Нормальная работа
19 Общая термостойкость
20 Термостойкость, огнестойкость и устойчивость к токам поверхностного разряда
21 Защита от старения и коррозии
Приложение А Испытание на старение и коррозию
Приложение В Соответствие стандартов МЭК государственным стандартам
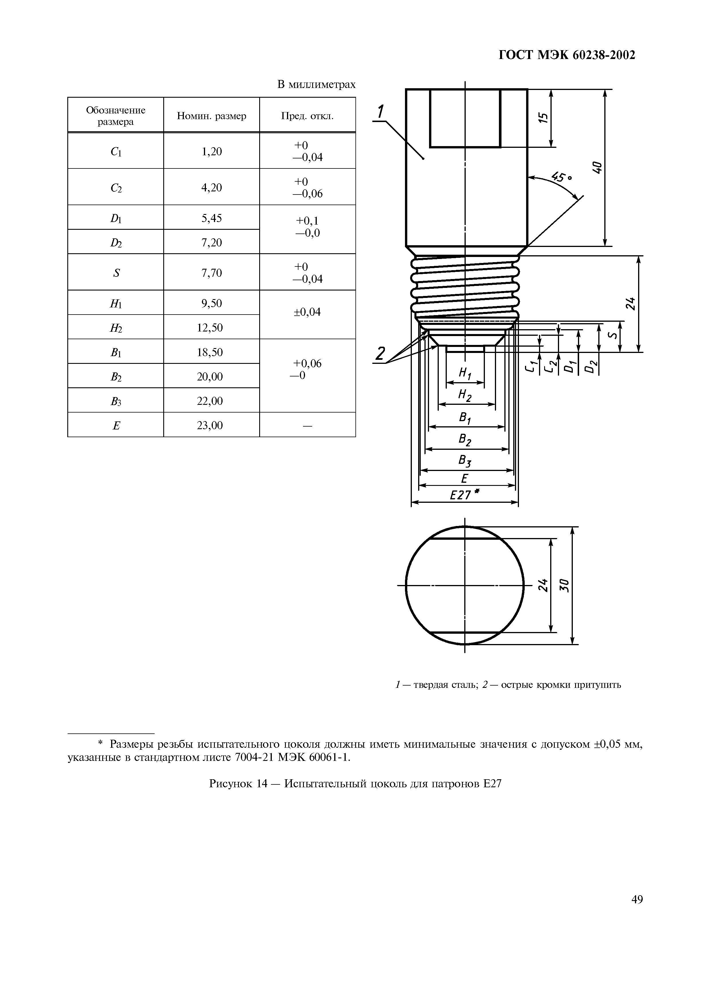
Рисунки
Разработан: АООТ НИИЭлектроаппарат
Утверждён:27.12.2002 Госстандарт Республики Беларусь (56)
06.11.2002 Евразийский совет по стандартизации, метрологии и сертификации (22)
Издан: БелГИСС (2003 г. )
Нормативные ссылки:
ГОСТ МЭК 60238-2002ГОСТ МЭК 60238-2002ГОСТ МЭК 60238-2002ГОСТ МЭК 60238-2002ГОСТ МЭК 60238-2002ГОСТ МЭК 60238-2002ГОСТ МЭК 60238-2002ГОСТ МЭК 60238-2002ГОСТ МЭК 60238-2002ГОСТ МЭК 60238-2002ГОСТ МЭК 60238-2002ГОСТ МЭК 60238-2002ГОСТ МЭК 60238-2002ГОСТ МЭК 60238-2002ГОСТ МЭК 60238-2002ГОСТ МЭК 60238-2002ГОСТ МЭК 60238-2002ГОСТ МЭК 60238-2002ГОСТ МЭК 60238-2002ГОСТ МЭК 60238-2002ГОСТ МЭК 60238-2002ГОСТ МЭК 60238-2002ГОСТ МЭК 60238-2002ГОСТ МЭК 60238-2002ГОСТ МЭК 60238-2002ГОСТ МЭК 60238-2002ГОСТ МЭК 60238-2002ГОСТ МЭК 60238-2002ГОСТ МЭК 60238-2002ГОСТ МЭК 60238-2002ГОСТ МЭК 60238-2002ГОСТ МЭК 60238-2002ГОСТ МЭК 60238-2002ГОСТ МЭК 60238-2002ГОСТ МЭК 60238-2002ГОСТ МЭК 60238-2002ГОСТ МЭК 60238-2002ГОСТ МЭК 60238-2002ГОСТ МЭК 60238-2002ГОСТ МЭК 60238-2002ГОСТ МЭК 60238-2002ГОСТ МЭК 60238-2002ГОСТ МЭК 60238-2002ГОСТ МЭК 60238-2002ГОСТ МЭК 60238-2002ГОСТ МЭК 60238-2002ГОСТ МЭК 60238-2002ГОСТ МЭК 60238-2002ГОСТ МЭК 60238-2002ГОСТ МЭК 60238-2002ГОСТ МЭК 60238-2002ГОСТ МЭК 60238-2002ГОСТ МЭК 60238-2002ГОСТ МЭК 60238-2002ГОСТ МЭК 60238-2002ГОСТ МЭК 60238-2002ГОСТ МЭК 60238-2002ГОСТ МЭК 60238-2002ГОСТ МЭК 60238-2002ГОСТ МЭК 60238-2002ГОСТ МЭК 60238-2002