Скачать ГОСТ 34287-2017 Арматура трубопроводная. Приводы вращательного действия. Присоединительные размерыДата актуализации: 01.01.2021
|
| Обозначение: | ГОСТ 34287-2017 |
| Обозначение англ: | GOST 34287-2017 |
| Статус: | введен впервые |
| Название рус.: | Арматура трубопроводная. Приводы вращательного действия. Присоединительные размеры |
| Название англ.: | Pipeline valves. Drives of rotary action. Connecting dimensions |
| Дата добавления в базу: | 01.02.2020 |
| Дата актуализации: | 01.01.2021 |
| Дата введения: | 01.03.2019 |
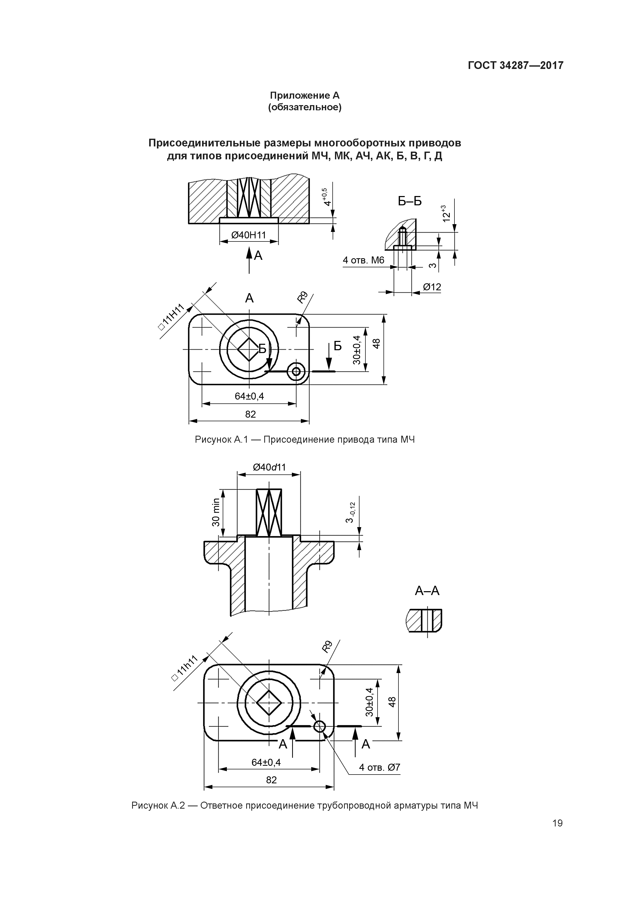
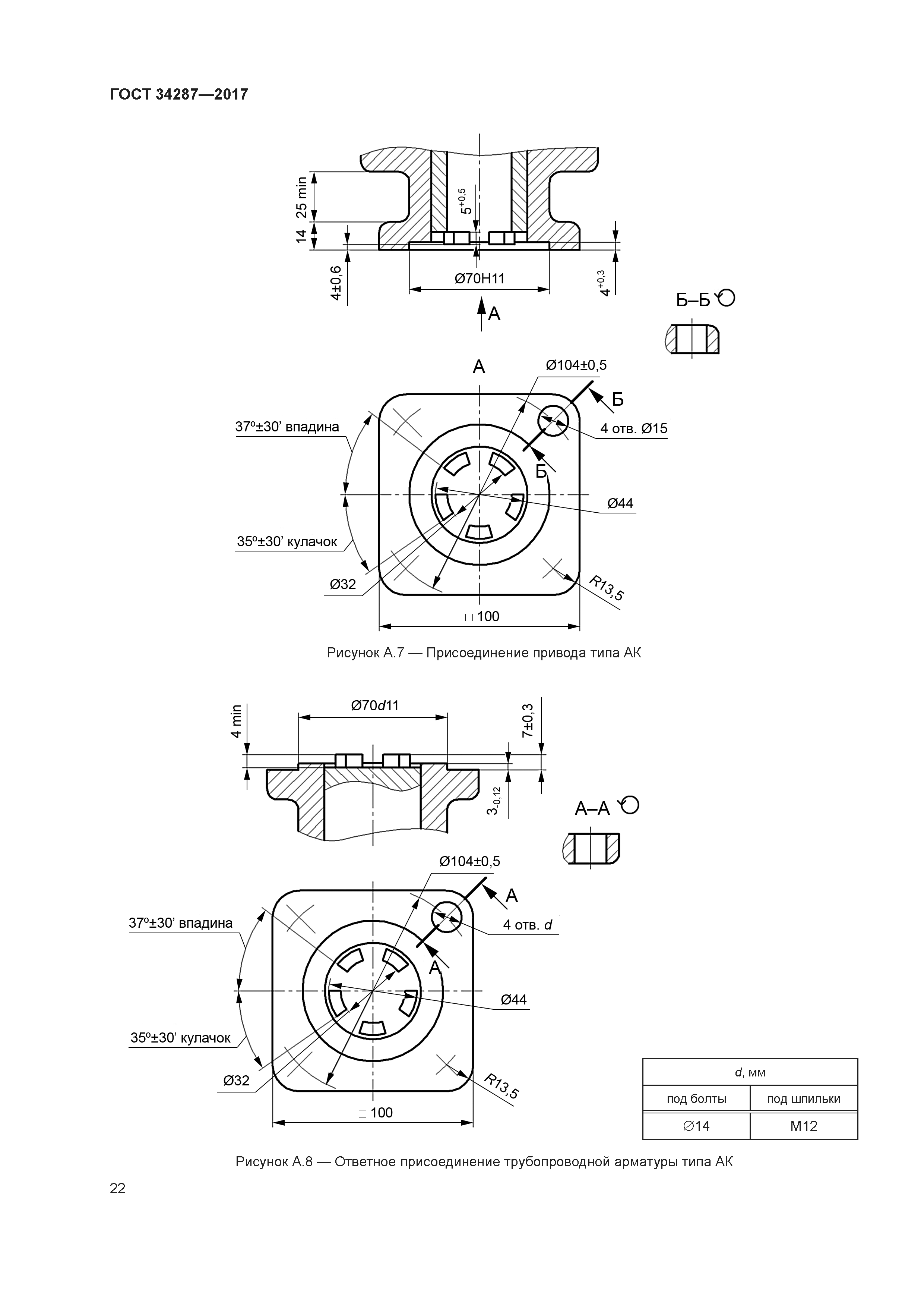
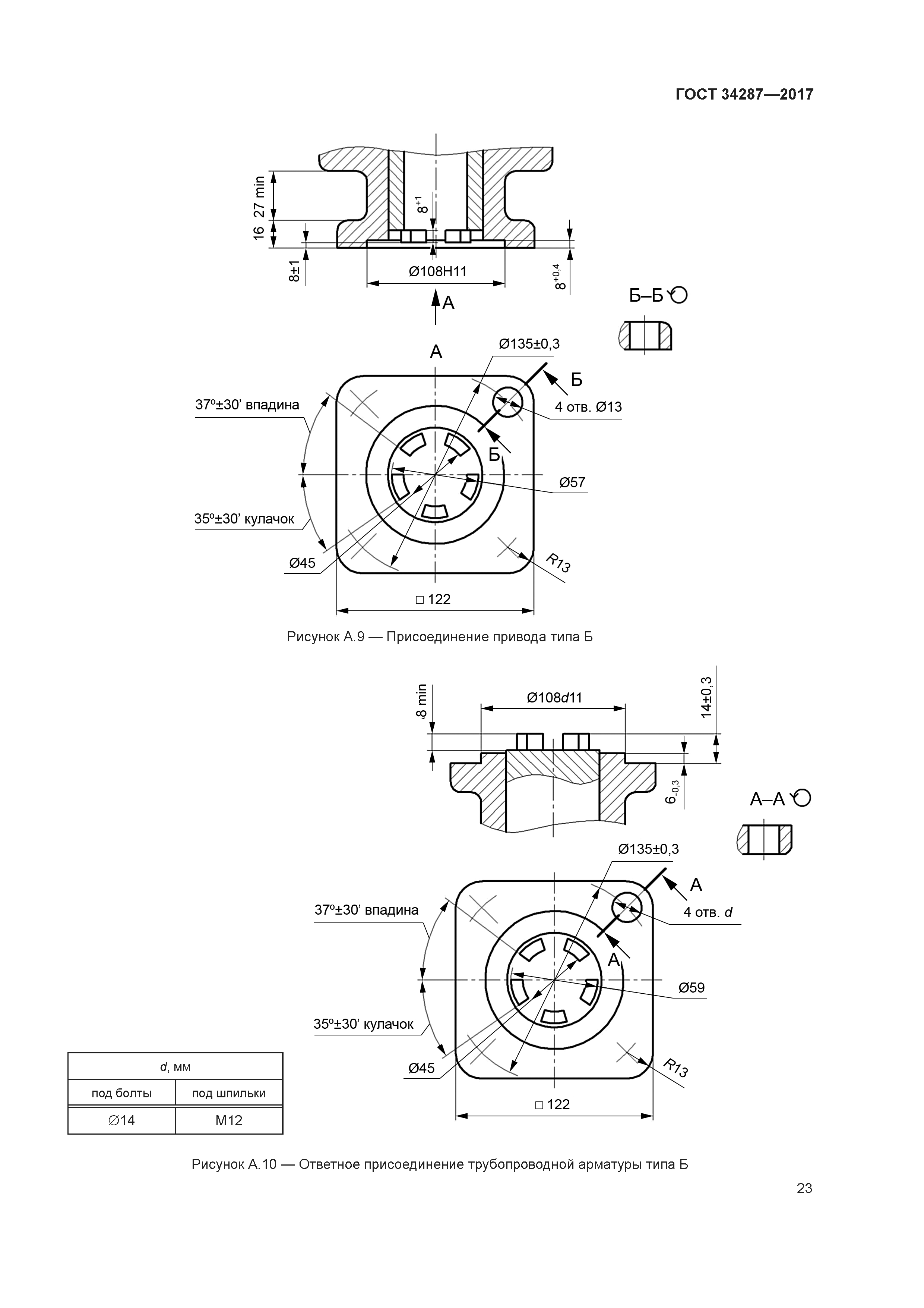
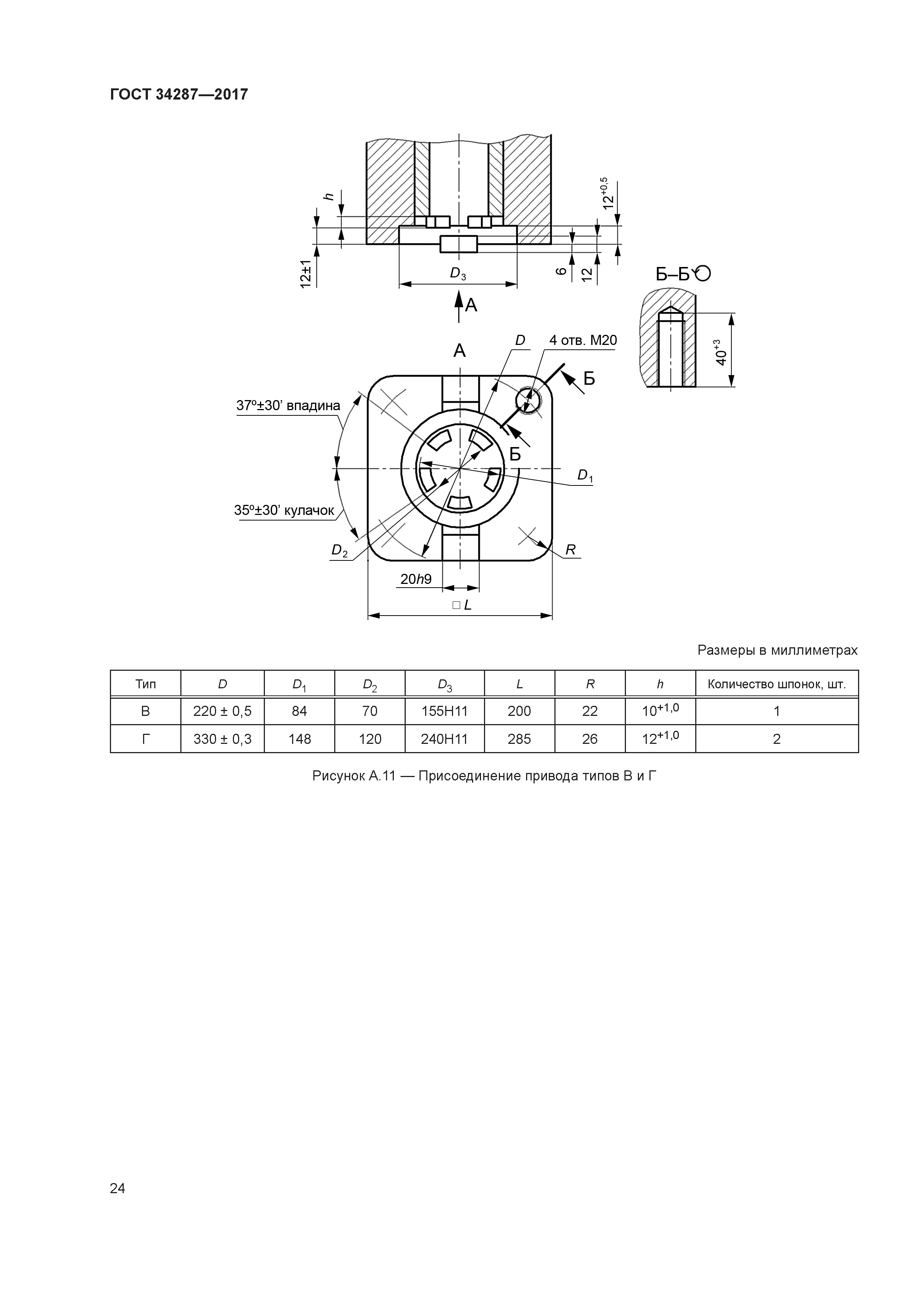
| Область применения: | Стандарт распространяется на приводы и исполнительные механизмы вращательного действия (многооборотные и неполноповоротные, электрические, пневматические, гидравлические, комбинированные, а также редукторы) для управления трубопроводной арматурой. Стандарт устанавливает типы присоединений приводов к арматуре, присоединительные размеры приводов и размеры ответных присоединений управляемой ими арматуры, номинальные моменты или осевые усилия на детали соединений, размеры которых установлены в стандарте. |
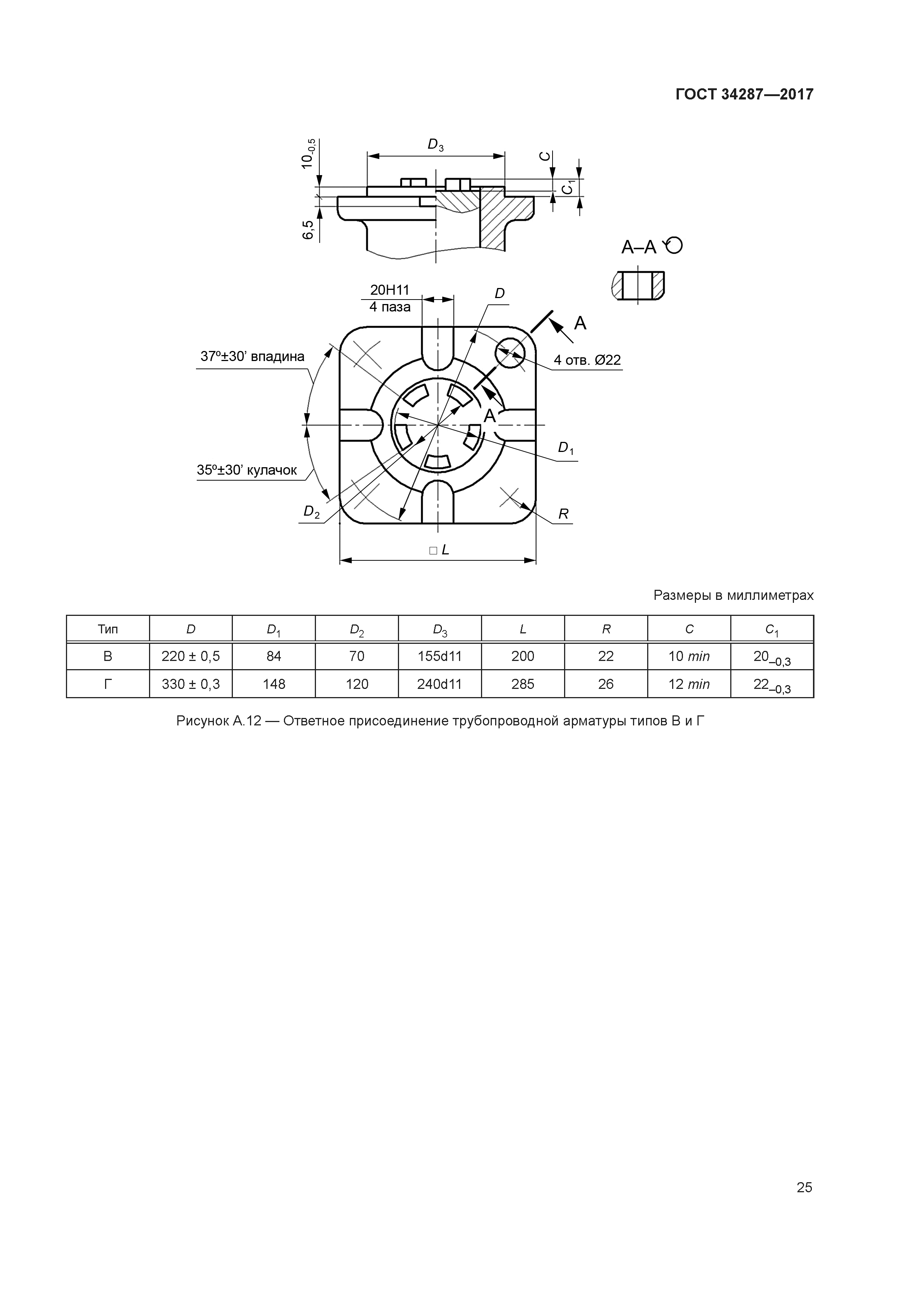
| Оглавление: | 1 Область применения 2 Нормативные ссылки 3 Термины и определения 4 Типы присоединений 5 Обозначение типов присоединений Приложение А (обязательное) Присоединительные размеры многооборотных приводов для типов присоединений МЧ, МК, АЧ, АК, Б, В, Г, Д Библиография |
| Разработан: | АО НПФ ЦКБА |
| Утверждён: | 25.09.2017 Межгосударственный Совет по стандартизации, метрологии и сертификации (Inter-Governmental Council on Standardization, Metrology, and Certification 103-П) 30.10.2018 Федеральное агентство по техническому регулированию и метрологии (868-ст) |
| Издан: | Стандартинформ (2018 г. ) |
| Нормативные ссылки: |
|






























