Скачать ОСТ 92-1586-89 Краски маркировочные. Общие требования к выбору, приготовлению и нанесению

Дата актуализации: 01.01.2021

ОСТ 92-1586-89

Краски маркировочные. Общие требования к выбору, приготовлению и нанесению

Обозначение: ОСТ 92-1586-89
Обозначение англ: OST 92-1586-89
Статус:не определен законодательством
Название рус.:Краски маркировочные. Общие требования к выбору, приготовлению и нанесению
Дата добавления в базу:01.02.2020
Дата актуализации:01.01.2021
Дата введения:01.07.1990
Дата окончания срока действия:30.06.2003
Область применения:Стандарт распространяется на маркировочные краски для нанесения надписей и обозначений на изделия и устанавливает требования к выбору, приготовлению красок, нанесению маркировочных знаков красками и методы контроля.
Оглавление:1. Требования к выбору
   1.1. Требования к выбору красок
   1.2. Требования к краскам
   1.3. Требования к маркировочным обозначениям
2. Требования к приготовлению и нанесению
   2.1. Требования к приготовлению красок
   2.2. Требования к приготовлению эпоксидных красок
   2.3. Требования к приготовлению краски для вжигания
   2.4. Требования к приготовлению наводной туши
   2.5. Требования к приготовлению краски МКР-2
   2.6. Требования к приготовлению светящейся краски
   2.7. Требования к нанесению маркировочных знаков
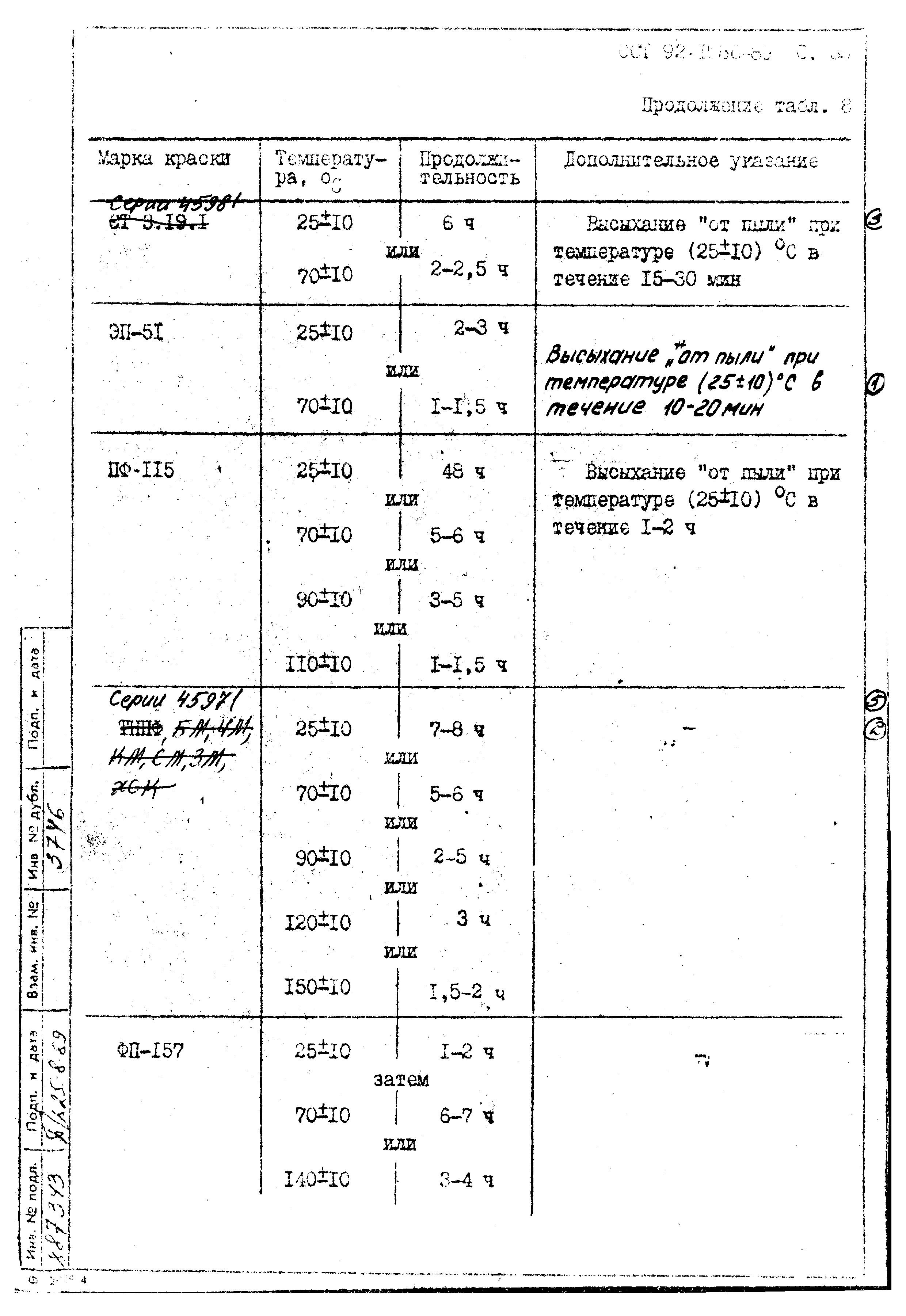
3. Методы контроля
Приложение 1 Переводная таблица по замене ранее применяемых красок как новые
Приложение 2 Операции технологического процесса нанесения маркировочных знаков на поверхность изделия
Информационные данные
Утверждён:07.07.1989 П/я Р-6761 (112)
Заменяет собой:
  • ОСТ 92-1586-73
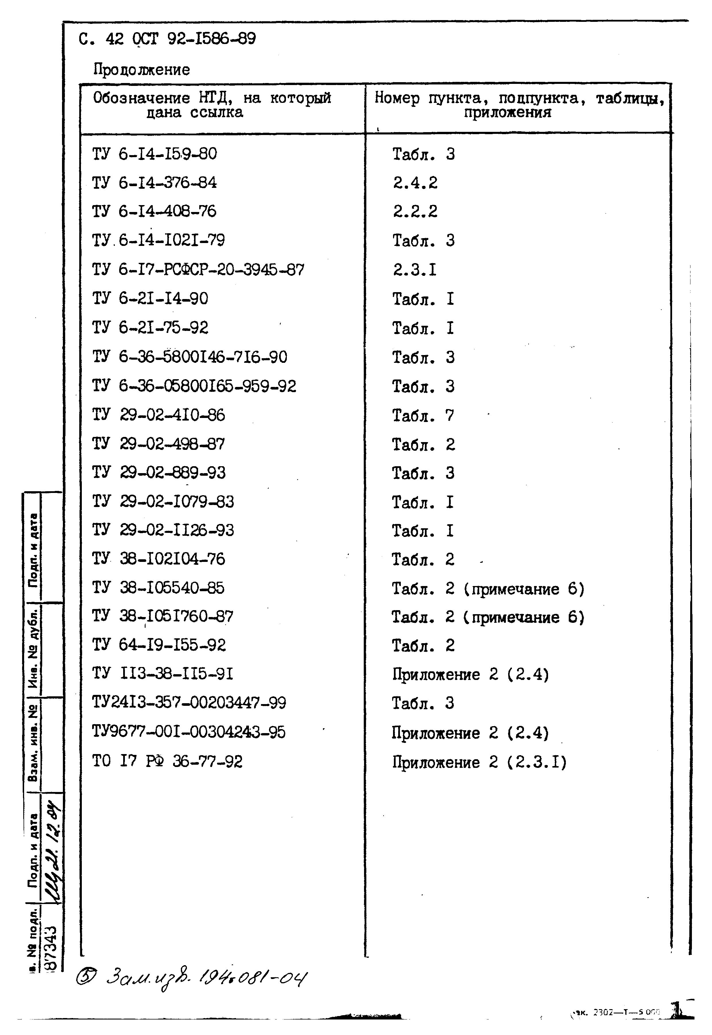
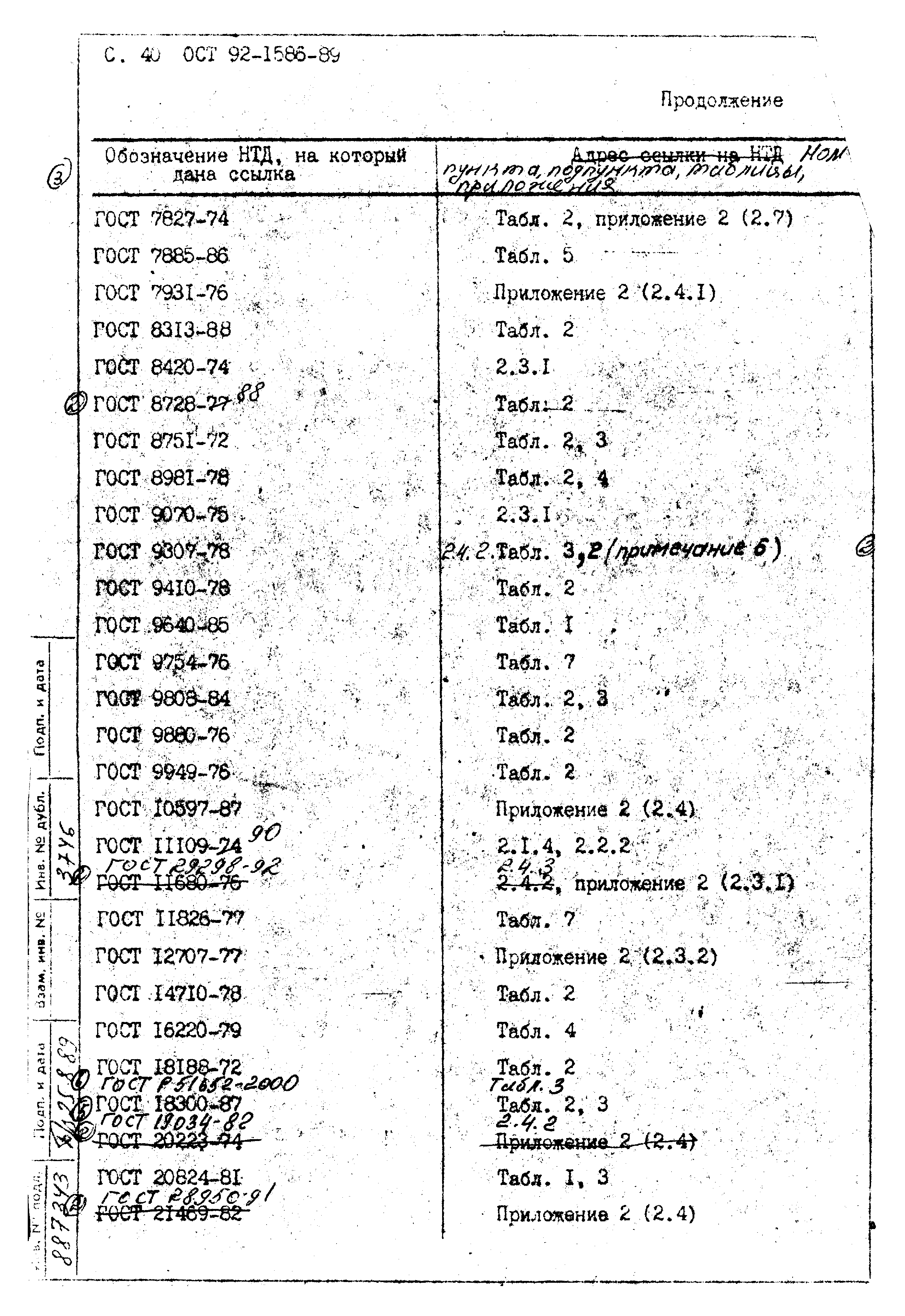
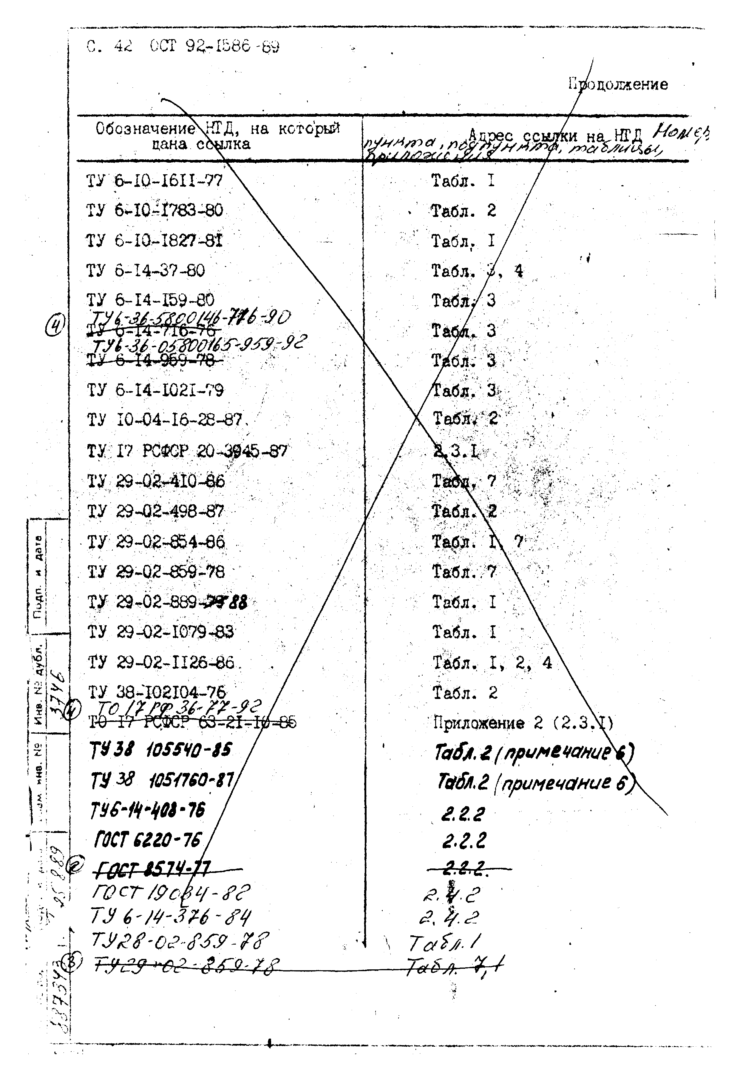
Нормативные ссылки:
ОСТ 92-1586-89ОСТ 92-1586-89ОСТ 92-1586-89ОСТ 92-1586-89ОСТ 92-1586-89ОСТ 92-1586-89ОСТ 92-1586-89ОСТ 92-1586-89ОСТ 92-1586-89ОСТ 92-1586-89ОСТ 92-1586-89ОСТ 92-1586-89ОСТ 92-1586-89ОСТ 92-1586-89ОСТ 92-1586-89ОСТ 92-1586-89ОСТ 92-1586-89ОСТ 92-1586-89ОСТ 92-1586-89ОСТ 92-1586-89ОСТ 92-1586-89ОСТ 92-1586-89ОСТ 92-1586-89ОСТ 92-1586-89ОСТ 92-1586-89ОСТ 92-1586-89ОСТ 92-1586-89ОСТ 92-1586-89ОСТ 92-1586-89ОСТ 92-1586-89ОСТ 92-1586-89ОСТ 92-1586-89ОСТ 92-1586-89ОСТ 92-1586-89ОСТ 92-1586-89ОСТ 92-1586-89ОСТ 92-1586-89ОСТ 92-1586-89ОСТ 92-1586-89ОСТ 92-1586-89ОСТ 92-1586-89ОСТ 92-1586-89ОСТ 92-1586-89ОСТ 92-1586-89ОСТ 92-1586-89ОСТ 92-1586-89ОСТ 92-1586-89ОСТ 92-1586-89ОСТ 92-1586-89ОСТ 92-1586-89ОСТ 92-1586-89ОСТ 92-1586-89ОСТ 92-1586-89ОСТ 92-1586-89ОСТ 92-1586-89ОСТ 92-1586-89ОСТ 92-1586-89ОСТ 92-1586-89ОСТ 92-1586-89ОСТ 92-1586-89ОСТ 92-1586-89ОСТ 92-1586-89ОСТ 92-1586-89ОСТ 92-1586-89ОСТ 92-1586-89ОСТ 92-1586-89ОСТ 92-1586-89ОСТ 92-1586-89ОСТ 92-1586-89ОСТ 92-1586-89ОСТ 92-1586-89ОСТ 92-1586-89ОСТ 92-1586-89ОСТ 92-1586-89ОСТ 92-1586-89ОСТ 92-1586-89ОСТ 92-1586-89ОСТ 92-1586-89ОСТ 92-1586-89