Скачать ГОСТ Р 58365-2019 Выключатели постоянного тока на напряжение свыше 1000 В для тяговых подстанций и линейных устройств тягового электроснабжения железной дороги. Общие технические условия

Дата актуализации: 01.01.2021

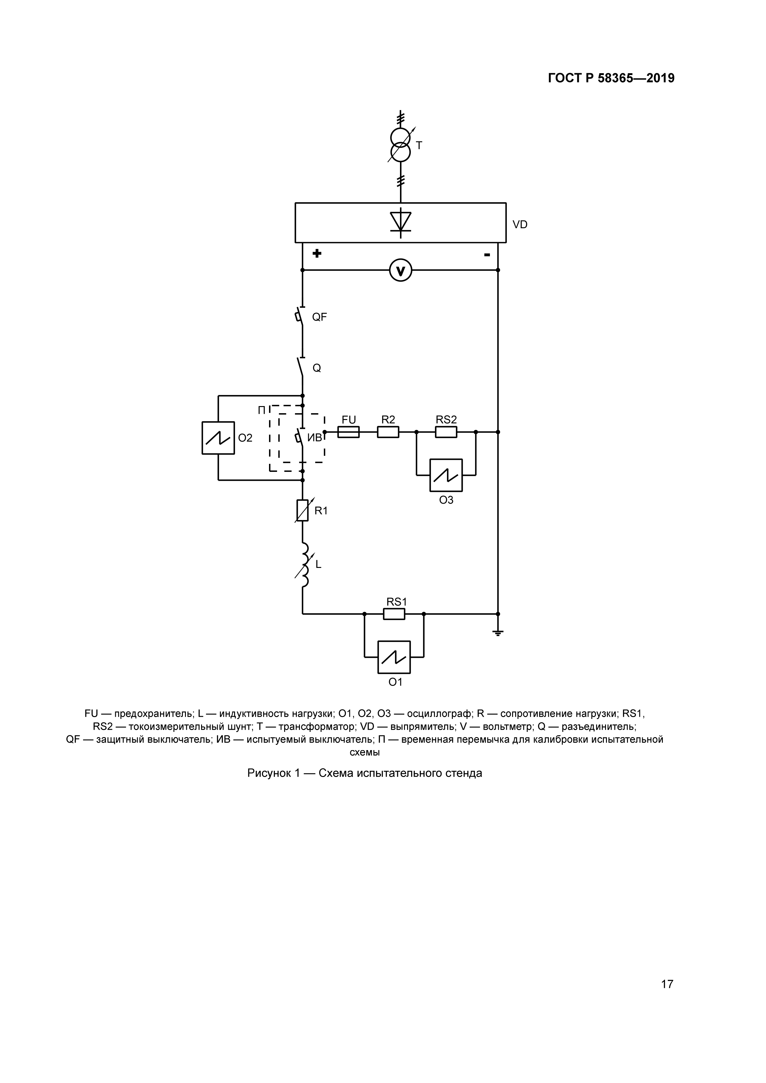
ГОСТ Р 58365-2019

Выключатели постоянного тока на напряжение свыше 1000 В для тяговых подстанций и линейных устройств тягового электроснабжения железной дороги. Общие технические условия

Обозначение: ГОСТ Р 58365-2019
Обозначение англ: GOST R 58365-2019
Статус:введен впервые
Название рус.:Выключатели постоянного тока на напряжение свыше 1000 В для тяговых подстанций и линейных устройств тягового электроснабжения железной дороги. Общие технические условия
Название англ.:DC switches of voltage above 1000 V for traction substations and linear devices traction power railway. General specifications
Дата добавления в базу:01.02.2020
Дата актуализации:01.01.2021
Дата введения:01.08.2019
Область применения:Стандарт распространяется на выключатели постоянного тока на напряжение свыше 1000 В для тяговых подстанций и линейных устройств тягового электроснабжения железной дороги.
Оглавление:1 Область применения
2 Нормативные ссылки
3 Термины и определения
4 Классификация
5 Технические требования
6 Требования безопасности
7 Требования охраны окружающей среды (экологичности)
8 Правила приемки
9 Методы контроля
10 Транспортирование и хранение
11 Указания по эксплуатации
12 Гарантии изготовителя
Библиография
Разработан: ООО НИИЭФА-ЭНЕРГО
Утверждён:07.03.2019 Федеральное агентство по техническому регулированию и метрологии (79-ст)
Издан: Стандартинформ (2019 г. )
Нормативные ссылки:
ГОСТ Р 58365-2019ГОСТ Р 58365-2019ГОСТ Р 58365-2019ГОСТ Р 58365-2019ГОСТ Р 58365-2019ГОСТ Р 58365-2019ГОСТ Р 58365-2019ГОСТ Р 58365-2019ГОСТ Р 58365-2019ГОСТ Р 58365-2019ГОСТ Р 58365-2019ГОСТ Р 58365-2019ГОСТ Р 58365-2019ГОСТ Р 58365-2019ГОСТ Р 58365-2019ГОСТ Р 58365-2019ГОСТ Р 58365-2019ГОСТ Р 58365-2019ГОСТ Р 58365-2019ГОСТ Р 58365-2019ГОСТ Р 58365-2019ГОСТ Р 58365-2019ГОСТ Р 58365-2019ГОСТ Р 58365-2019ГОСТ Р 58365-2019ГОСТ Р 58365-2019ГОСТ Р 58365-2019ГОСТ Р 58365-2019ГОСТ Р 58365-2019ГОСТ Р 58365-2019ГОСТ Р 58365-2019ГОСТ Р 58365-2019ГОСТ Р 58365-2019ГОСТ Р 58365-2019ГОСТ Р 58365-2019