Скачать Методическое пособие. Проектирование медицинских организаций

Дата актуализации: 01.01.2021

Методическое пособие. Проектирование медицинских организаций

Статус:действует
Название рус.:Методическое пособие. Проектирование медицинских организаций
Дата добавления в базу:01.02.2020
Дата актуализации:01.01.2021
Область применения:Пособие разработано для применения широким кругом специалистов, чья деятельность связана с проектированием зданий и помещений медицинских организаций, в том числе специалистами проектных организаций, государственных и иных органов экспертизы и согласования, контрольно-надзорных органов, а также преподавателями и студентами высших учебных заведений
Оглавление:Введение
Обозначения и сокращения
1 Область применения
2 Нормативные ссылки
3 Термины и определения
4 Общие положения
5 Требования к участкам
6 Общие требования к зданиям
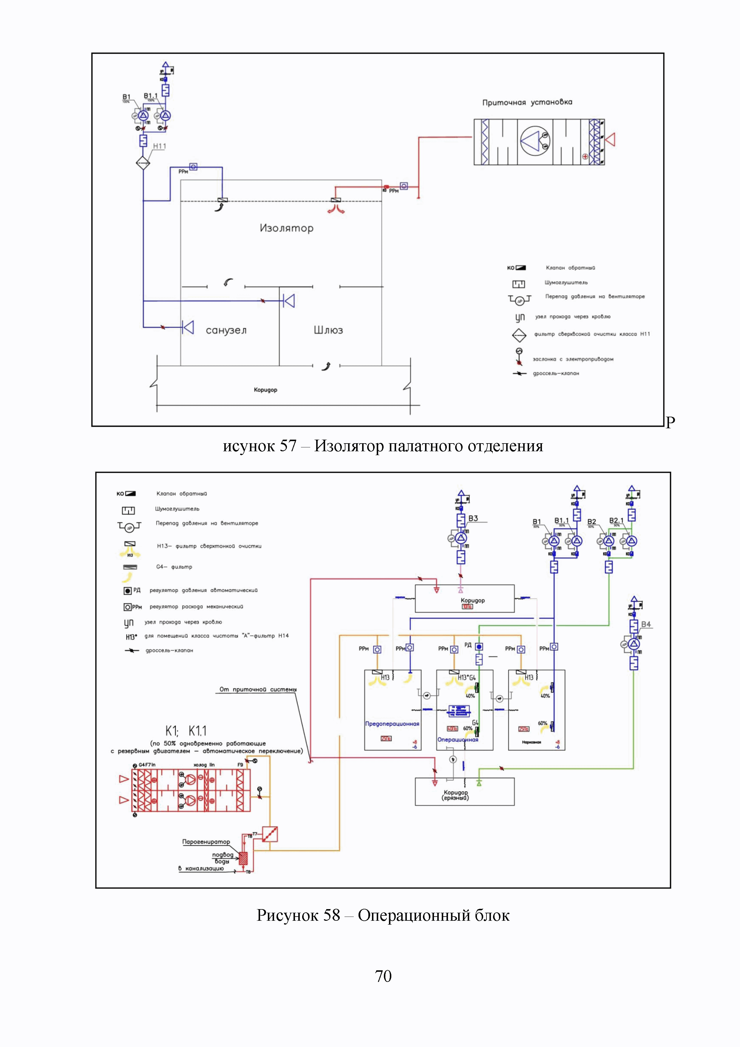
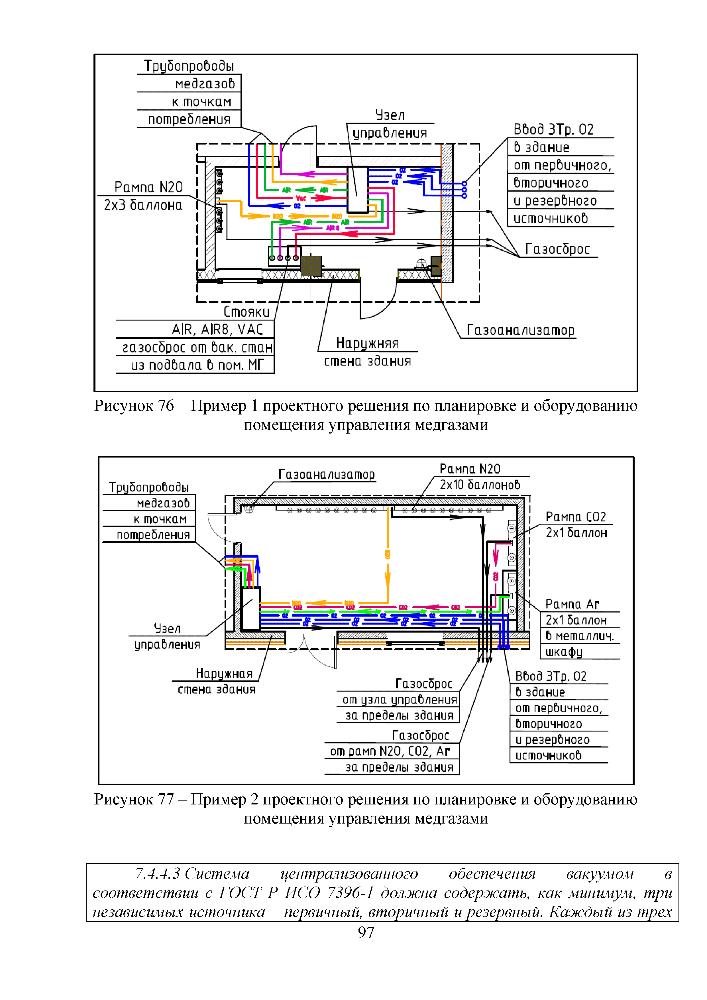
7 Объемно-планировочные решения лечебно-диагностических отделений и помещений
8 Объемно-планировочные решения вспомогательных и хозяйственных подразделений
9 Системы инженерного обеспечения
10 Требования пожарной безопасности
Библиография
Приложение 1. Пример медико-технического задания на проектирование медицинской организации
Приложение 2. Пример программы на проектирование медицинской организации
Приложение 3. Примеры объемно-планировочных решений больниц разного типа
Разработан: ЦНИИОМТП - МГСУ
Утверждён: Министерство строительства и жилищно-коммунального хозяйства Российской Федерации
Нормативные ссылки: