Скачать ГОСТ Р ИСО 7396-1-2011 Системы трубопроводные медицинских газов. Часть 1. Системы трубопроводные для сжатых медицинских газов и вакуумаДата актуализации: 01.01.2021
|
| Обозначение: | ГОСТ Р ИСО 7396-1-2011 |
| Обозначение англ: | GOST R ISO 7396-1-2011 |
| Статус: | введен впервые |
| Название рус.: | Системы трубопроводные медицинских газов. Часть 1. Системы трубопроводные для сжатых медицинских газов и вакуума |
| Название англ.: | Medical gas pipeline systems. Part 1. Pipeline systems for compressed medical gases and vacuum |
| Дата добавления в базу: | 01.10.2014 |
| Дата актуализации: | 01.01.2021 |
| Дата введения: | 01.09.2013 |
| Область применения: | Стандарт устанавливает требования к разработке, установке, функционированию, характеристикам, документации, испытаниям и вводу в эксплуатацию трубопроводных систем для сжатых медицинских газов, газов для привода хирургических устройств и вакуума в учреждениях здравоохранения с целью обеспечения непрерывной подачи трубопроводными системами необходимого газа и снабжения вакуумом. Стандарт включает требования к системам подачи, трубопроводным системам доставки, системам контроля, мониторинга и сигнализации и к невзаимозаменяемости компонентов различных газовых систем. Стандарт распространяется на трубопроводные системы: a) для следующих медицинских газов: - кислород; - закись азота; - медицинский воздух; - углекислый газ; - смесь кислорода с закисью азота. b) для следующих газов: - воздух, обогащенный кислородом; - воздух для привода хирургических инструментов; - азот для привода хирургических инструментов. C) для вакуума. |
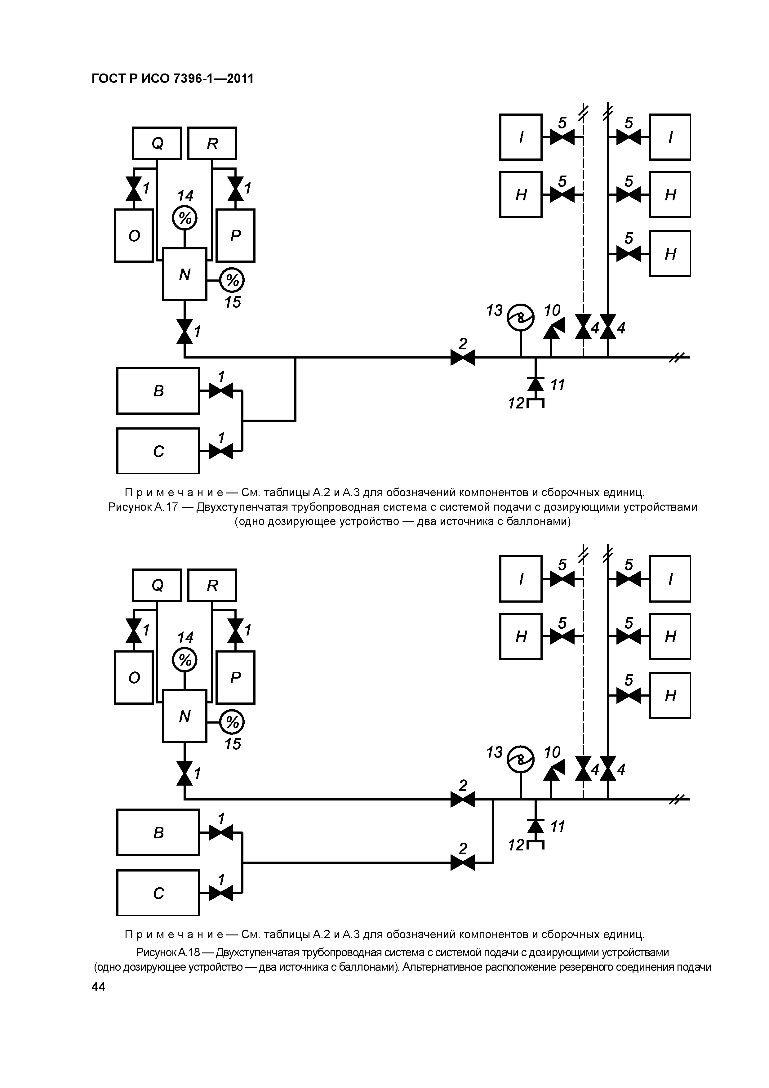
| Оглавление: | 1 Область применения 2 Нормативные ссылки 3 Термины и определения 4 Общие требования 4.1 (*) Безопасность 4.2 (*) Альтернативная конструкция 4.3 Материалы 4.4 Конструкция системы 5 Системы подачи 5.1 Компоненты системы 5.2 Общие требования 5.3 Системы подачи с баллонами или с блоками баллонов 5.4 Системы подачи с переносными или стационарными криогенными или некриогенными резервуарами 5.5 Системы подачи воздуха 5.6 Системы подачи с концентратором(ами) кислорода 5.7 Системы подачи вакуума 5.8 Положение систем подачи 5.9 Положение баллонных коллекторов 5.10 Положение стационарных криогенных резервуаров 6 Системы мониторинга и сигнализации 6.1 Общие положения 6.2 Требования к установке 6.3 Сигналы мониторинга и сигнализации 6.4 Устройство рабочей сигнализации 6.5 Устройство аварийной пользовательской сигнализации 6.6 (*) Устройство аварийной рабочей сигнализации 7 Трубопроводные системы подачи 7.1 Механическая прочность 7.2 давление подачи 7.3 Шланги газоподводящие низкого давления 7.4 двухступенчатые трубопроводные системы подачи 8 Запорные вентили 8.1 Общие положения 8.2 Служебные запорные вентили 8.3 Местные запорные вентили 9 Оконечные устройства, специфичные для газа соединения, медицинские модули подачи, регуляторы давления и датчики давления 10 Маркировка и цветовое кодирование 10.1 Маркировка 10.2 Цветовое кодирование 11 Установка трубопровода 11.1 Общие положения 11.2 Опоры трубопровода 11.3 Стыки трубопроводов 11.4 Удлинение и изменение существующих трубопроводных систем 12 Испытание, ввод в эксплуатацию и сертификация 12.1 Общие положения 12.2 Общие требования к испытаниям 12.3 Осмотр и проверка перед заделыванием системы 12.4 Испытания, проверки и процедуры перед использованием системы 12.5 Требования к осмотру и проверке перед заделыванием 12.6 Требования к испытаниям, проверке и процедурам перед использованием системы 12.7 Сертификация систем 13 Информация, предоставляемая изготовителем 13.1 Общие положения 13.2 Инструкция по эксплуатации 13.3 Информация по оперативному управлению 13.4 Установочные чертежи 13.5 Электрические схемы Приложение А (справочное) Схематичное представление типичных систем подачи и местных распределительных систем Приложение В (справочное) Руководство по расположению баллонных коллекторов, мест хранения баллонов и стационарных резервуаров для криогенных и некриогенных жидкостей. Приложение С (справочное) Примеры методик испытаний и ввода в эксплуатацию Приложение D (справочное) Типичные формы для сертификации медицинских трубопроводов Приложение Е (справочное) Соотношения температуры и давления Приложение F (справочное) Контрольный список управления рисками Приложение G (справочное) Оперативное управление Приложение Н (справочное) Обоснование Приложение ДА (справочное) Сведения о соответствии ссылочных международных стандартов ссылочным национальным стандартам Российской Федерации (и действующим в этом качестве межгосударственным стандартам) Библиография |
| Разработан: | ЗАО НИИМТ |
| Утверждён: | 28.09.2011 Федеральное агентство по техническому регулированию и метрологии (349-ст) |
| Издан: | Стандартинформ (2014 г. ) |
| Нормативные ссылки: |
|

















































































































