Главная // Актуальные документы // Актуальные документы (обновление 2025.09.01-2025.09.27) // ГОСТ (Государственный стандарт)СПРАВКА
Источник публикации
М.: ФГБУ "Институт стандартизации", 2024
Примечание к документу
Документ
вводится в действие с 01.04.2026 с правом досрочного применения.
Название документа
"ГОСТ IEC 62040-2-2024. Межгосударственный стандарт. Совместимость технических средств электромагнитная. Системы бесперебойного питания. Требования и методы испытаний"
(введен в действие Приказом Росстандарта от 09.10.2024 N 1408-ст)
"ГОСТ IEC 62040-2-2024. Межгосударственный стандарт. Совместимость технических средств электромагнитная. Системы бесперебойного питания. Требования и методы испытаний"
(введен в действие Приказом Росстандарта от 09.10.2024 N 1408-ст)
агентства по техническому
регулированию и метрологии
от 9 октября 2024 г. N 1408-ст
МЕЖГОСУДАРСТВЕННЫЙ СТАНДАРТ
СОВМЕСТИМОСТЬ ТЕХНИЧЕСКИХ СРЕДСТВ ЭЛЕКТРОМАГНИТНАЯ
СИСТЕМЫ БЕСПЕРЕБОЙНОГО ПИТАНИЯ
ТРЕБОВАНИЯ И МЕТОДЫ ИСПЫТАНИЙ
Electromagnetic compatibility of technical means.
Uninterruptible power systems. Requirements and test methods
[IEC 62040-2:2016, Uninterruptible power systems
(UPS) - Part 2: Electromagnetic compatibility (EMC)
requirements, IDT]
ГОСТ IEC 62040-2-2024
Дата введения
1 апреля 2026 года
с правом досрочного применения
Цели, основные принципы и общие правила проведения работ по межгосударственной стандартизации установлены
ГОСТ 1.0 "Межгосударственная система стандартизации. Основные положения" и
ГОСТ 1.2 "Межгосударственная система стандартизации. Стандарты межгосударственные, правила и рекомендации по межгосударственной стандартизации. Правила разработки, принятия, обновления и отмены"
1 ПОДГОТОВЛЕН Обществом с ограниченной ответственностью Научно-методический центр "Электромагнитная совместимость" (ООО "НМЦ ЭМС") и Техническим комитетом по стандартизации ТК 030 "Электромагнитная совместимость технических средств" на основе собственного перевода на русский язык англоязычной версии стандарта, указанного в
пункте 5
2 ВНЕСЕН Федеральным агентством по техническому регулированию и метрологии
3 ПРИНЯТ Межгосударственным советом по стандартизации, метрологии и сертификации (протокол от 30 сентября 2024 г. N 177-П)
За принятие проголосовали:
Краткое наименование страны по МК (ИСО 3166) 004-97 | Код страны по МК (ИСО 3166) 004-97 | Сокращенное наименование национального органа по стандартизации |
Армения | AM | ЗАО "Национальный орган по стандартизации и метрологии" Республики Армения |
Беларусь | BY | Госстандарт Республики Беларусь |
Россия | RU | Росстандарт |
Таджикистан | TJ | Таджикстандарт |
Узбекистан | UZ | Узбекское агентство по техническому регулированию |
4
Приказом Федерального агентства по техническому регулированию и метрологии от 9 октября 2024 г. N 1408-ст межгосударственный стандарт ГОСТ IEC 62040-2-2024 введен в действие в качестве национального стандарта Российской Федерации с 1 апреля 2026 г. с правом досрочного применения
5 Настоящий стандарт идентичен международному стандарту IEC 62040-2:2016 "Системы бесперебойного питания (СБП). Часть 2. Требования к электромагнитной совместимости (ЭМС)" ["Uninterruptible power systems (UPS) - Part 2: Electromagnetic compatibility (EMC) requirements", IDT].
Международный стандарт разработан подкомитетом 22H "Системы бесперебойного питания (СБП)", Технического комитета TC 22 "Силовые электронные системы и оборудование" Международной электротехнической комиссии (IEC).
Наименование настоящего стандарта изменено относительно наименования указанного международного стандарта для приведения в соответствие с ГОСТ 1.5
(подраздел 3.6).
При применении настоящего стандарта рекомендуется использовать вместо ссылочных международных стандартов соответствующие им межгосударственные стандарты, сведения о которых приведены в дополнительном
приложении ДА
Информация о введении в действие (прекращении действия) настоящего стандарта и изменений к нему на территории указанных выше государств публикуется в указателях национальных стандартов, издаваемых в этих государствах, а также в сети Интернет на сайтах соответствующих национальных органов по стандартизации.
В случае пересмотра, изменения или отмены настоящего стандарта соответствующая информация будет опубликована на официальном интернет-сайте Межгосударственного совета по стандартизации, метрологии и сертификации в каталоге "Межгосударственные стандарты"
Третья редакция IEC 62040-2 отменяет и заменяет вторую редакцию, опубликованную в 2005 году.
Данная редакция по сравнению с предыдущей содержит существенные технические изменения:
b) изменение норм с квазипиковым детектором для СБП категории C3 в
таблице 2 для обеспечения согласования с другими стандартами;
c) разъяснение в
таблице 4 относительно критериев качества функционирования при испытаниях на устойчивость;
d) пересмотр некоторых тестовых конфигураций в
приложении A.
Настоящая часть IEC 62040 представляет собой стандарт типовых испытаний продукции на электромагнитную совместимость (ЭМС) и применяется к передвижным, стационарным, закрепляемым или встроенным, подключаемым соединителем и постоянно подключенным системам бесперебойного питания (СБП) для использования в низковольтных распределительных системах в жилой, коммерческой, легкой промышленной или промышленной электромагнитной обстановке, которые обеспечивают выходное напряжение на портах, не превышающее 1500 В постоянного тока или 1000 В переменного тока, и которые включают в себя устройство накопления энергии.
Настоящий стандарт определяет нормы эмиссии, уровни помехоустойчивости, методы испытаний и критерии качества функционирования для полного соответствия СБП основным требованиям ЭМС, необходимым для предотвращения помех от СБП другому оборудованию, например радиоприемникам, и во избежание воздействия на СБП внешних явлений при условии установки, эксплуатации и обслуживания СБП в порядке, предписанном изготовителем.
Настоящий стандарт не рассматривает явления ЭМС, создаваемые нагрузками, подключенными к СБП, или ситуации, создаваемые любыми устройствами, внешними по отношению к СБП, кроме описанных в требованиях к помехоустойчивости.
Настоящий стандарт гармонизирован с применимыми стандартами IEC по нормам электромагнитной эмиссии и уровням помехоустойчивости. Он содержит дополнительные требования, применимые к СБП.
Настоящий стандарт не распространяется:
a) на устройства питания постоянного тока низкого напряжения, из области распространения стандартов IEC 61204;
b) системы, в которых выходное напряжение создается вращающейся машиной.
Примечание 1 - СБП обычно подключают к устройству хранения энергии через цепь постоянного тока. Химическая батарея является примером устройства хранения энергии. Альтернативные устройства могут быть пригодными, и поэтому там, где в тексте настоящего стандарта встречается слово "батарея", это можно понимать как "устройство хранения энергии".
Примечание 2 - Настоящий стандарт на продукцию, основанный на типовых испытаниях, позволяет проводить оценку соответствия ЭМС СБП, включенных в одну из категорий C1, C2 и C3, перед размещением их на рынке. Он также содержит руководство по оценке соответствия СБП, включенных в категорию C4 (см.
раздел 4).
Примечание 3 - Принимают во внимание, что различные условия испытаний необходимы для охвата диапазона физических размеров и номинальной мощности всего СБП. Полная СБП может состоять из одного или нескольких соединенных между собой блоков. Подробную информацию о конфигурации СБП см. в IEC 62040-3:2011, приложение A.
Примечание 4 - Требования были выбраны таким образом, чтобы обеспечить достаточный уровень ЭМС для СБП, установленных в жилых, коммерческих, легких промышленных и промышленных размещениях. Требований не всегда достаточно для охвата ситуаций с низкой вероятностью возникновения, включая неисправности СБП.
В настоящем стандарте использованы нормативные ссылки на следующие стандарты [для датированных ссылок применяют только указанное издание ссылочного стандарта, для недатированных - последнее издание (включая все изменения)]:
IEC 61000-2-2:2002, Electromagnetic compatibility (EMC) - Part 2-2: Environment - Compatibility levels for low-frequency conducted disturbances and signalling in public low-voltage power supply systems (Электромагнитная совместимость. Часть 2-2. Окружающая среда. Уровни совместимости для низкочастотных проводимых помех и прохождения сигналов в низковольтных системах коммунального энергоснабжения)
IEC 61000-3-2:2014
<1>, Electromagnetic compatibility (EMC) - Part 3-2: Limits - Limits for harmonic current emissions (equipment input current <= 16 A per phase) [Электромагнитная совместимость (ЭМС). Часть 3-2. Нормы. Нормы эмиссии гармонических токов (входной ток оборудования <= 16 А на фазу)]
--------------------------------
<1> Заменен на IEC 61000-3-2:2024. Однако для однозначного соблюдения требования настоящего стандарта, выраженного в датированной ссылке, рекомендуется использовать только указанное в этой ссылке издание.
IEC 61000-3-12:2011, Electromagnetic compatibility (EMC) - Part 3-12: Limits - Limits for harmonic currents produced by equipment connected to public low-voltage systems with input current > 16 A and <= 75 A per phase [Электромагнитная совместимость (ЭМС). Часть 3-12. Нормы. Нормы для гармонических токов, создаваемых оборудованием, подключенным к общественным низковольтным системам с входным током > 16 А и <= 75 А на фазу]
IEC 61000-4-2:2008, Electromagnetic compatibility (EMC) - Part 4-2: Testing and measurement techniques - Electrostatic discharge immunity test [Электромагнитная совместимость (ЭМС). Часть 4-2. Методы испытаний и измерений. Испытание на устойчивость к электростатическим разрядам]
IEC 61000-4-3:2006
<2>, Electromagnetic compatibility (EMC) - Part 4-3: Testing and measurement techniques - Radiated, radio-frequency, electromagnetic field immunity test [Электромагнитная совместимость (ЭМС). Часть 4-3. Методы испытаний и измерений. Испытание на устойчивость к излучаемым радиочастотным электромагнитным полям]
--------------------------------
<2> Заменен на IEC 61000-4-3:2020. Однако для однозначного соблюдения требования настоящего стандарта, выраженного в датированной ссылке, рекомендуется использовать только указанное в этой ссылке издание.
IEC 61000-4-4:2012, Electromagnetic compatibility (EMC) - Part 4-4: Testing and measurement techniques - Electrical fast transient/burst immunity test [Электромагнитная совместимость (ЭМС). Часть 4-4. Методы испытаний и измерений. Испытание на устойчивость к быстрым электрическим переходным процессам/пачкам]
IEC 61000-4-5:2014, Electromagnetic compatibility (EMC) - Part 4-5: Testing and measurement techniques - Surge immunity test [Электромагнитная совместимость (ЭМС). Часть 4-5. Методы испытаний и измерений. Испытание на устойчивость к выбросу напряжения]
IEC 61000-4-6:2013
<3>, Electromagnetic compatibility (EMC) - Part 4-6: Testing and measurement techniques - Immunity to conducted disturbances, induced by radio-frequency fields [Электромагнитная совместимость (ЭМС). Часть 4-6. Методы испытаний и измерений. Устойчивость к кондуктивным помехам, наведенным радиочастотными полями]
--------------------------------
<3> Заменен на IEC 61000-4-6:2023. Однако для однозначного соблюдения требования настоящего стандарта, выраженного в датированной ссылке, рекомендуется использовать только указанное в этой ссылке издание.
IEC 61000-4-8:2009, Electromagnetic compatibility (EMC) - Part 4-8: Testing and measurement techniques - Power frequency magnetic field immunity test [Электромагнитная совместимость (ЭМС). Часть 4-8. Методы испытаний и измерений. Испытание на устойчивость к магнитному полю промышленной частоты]
IEC 62040-3:2011
<1>, Uninterruptible power systems (UPS) - Part 3: Method of specifying the performance and test requirements [Системы бесперебойного питания (СБП). Часть 3. Метод установления эксплуатационных характеристик и требования к испытаниям]
--------------------------------
<1> Заменен на IEC 62040-3:2021. Однако для однозначного соблюдения требования настоящего стандарта, выраженного в датированной ссылке, рекомендуется использовать только указанное в этой ссылке издание.
CISPR 11:2015, Industrial, scientific and medical equipment - Radio-frequency disturbance characteristics - Limits and methods of measurement (Оборудование промышленное, научное и медицинское. Характеристики радиочастотных помех. Нормы и методы испытаний)
CISPR 16-1-1:2015
<2>, Specification for radio disturbance and immunity measuring apparatus and methods - Part 1-1: Radio disturbance and immunity measuring apparatus - Measuring apparatus (Требования к аппаратуре для измерения радиопомех и помехоустойчивости и методы измерения. Часть 1-1. Аппаратура для измерения радиопомехи помехоустойчивости. Измерительная аппаратура)
--------------------------------
<2> Заменен на CISPR 16-1-1:2019. Однако для однозначного соблюдения требования настоящего стандарта, выраженного в датированной ссылке, рекомендуется использовать только указанное в этой ссылке издание.
CISPR 16-1-2:2014, Specification for radio disturbance and immunity measuring apparatus and methods - Part 1-2: Radio disturbance and immunity measuring apparatus - Coupling devices for conducted disturbance measurements (Требования к аппаратуре для измерения радиопомех и помехоустойчивости и методы измерения. Часть 1-2. Аппаратура для измерения радиопомех и помехоустойчивости. Устройства связи для измерений кондуктивных помех)
CISPR 16-1-4:2010
<3>, Specification for radio disturbance and immunity measuring apparatus and methods - Part 1-4: Radio disturbance and immunity measuring apparatus - Antennas and test sites for radiated disturbance measurements (Требования к аппаратуре для измерения радиопомех и помехоустойчивости и методы измерений. Часть 1-4. Аппаратура для измерения радиопомех и помехоустойчивости. Антенны и испытательные площадки для измерения излучаемых помех)
--------------------------------
<3> Заменен на CISPR 16-1-4:2023. Однако для однозначного соблюдения требования настоящего стандарта, выраженного в датированной ссылке, рекомендуется использовать только указанное в этой ссылке издание.
CISPR 16-1-4:2010/AMD1:2012
CISPR 16-2-1:2014, Specification for radio disturbance and immunity measuring apparatus and methods - Part 2-1: Methods of measurement of disturbances and immunity - Conducted disturbance measurements (Требования к аппаратуре для измерения радиопомех и помехоустойчивости и методы измерения. Часть 2-1. Методы измерения помех и помехоустойчивости. Измерения кондуктивных помех)
CISPR 16-2-3:2010
<4>, Specification for radio disturbance and immunity measuring apparatus and methods - Part 2-3: Methods of measurement of disturbances and immunity - Radiated disturbance measurements (Аппаратура и методы измерения радиопомех и помехозащищенности. Технические условия. Часть 2-3. Методы измерения радиопомехи помехозащищенности. Измерения излученных помех)
--------------------------------
<4> Заменен на CISPR 16-2-3:2023. Однако для однозначного соблюдения требования настоящего стандарта, выраженного в датированной ссылке, рекомендуется использовать только указанное в этой ссылке издание.
CISPR 16-2-3:2010/AMD1:2010
CISPR 16-2-3:2010/AMD2:2014
CISPR 22:2008
<5>, Information technology equipment - Radio disturbance characteristics - Limits and methods of measurement (Оборудование информационной техники. Характеристики радиопомех. Предельные значения и методы измерения)
--------------------------------
<5> Заменен на CISPR 32:2015. Однако для однозначного соблюдения требования настоящего стандарта, выраженного в датированной ссылке, рекомендуется использовать только указанное в этой ссылке издание.
3 Термины, определения и сокращения
3.1 Термины и определения
В настоящем стандарте применены термины по IEC 62040-3:2011, а также следующие термины с соответствующими определениями.
ISO и IEC поддерживают терминологические базы данных для использования в области стандартизации по следующим адресам:
- Электропедия IEC: доступна по адресу http://www.electropedia.org/;
- платформа онлайн-просмотра ISO: доступна по адресу http://www.iso.org/obp.
3.1.1
порт (port): Отдельный интерфейс СБП с внешней электромагнитной средой, как показано на
рисунке 1.
3.1.2 интерфейс электропитания постоянного тока (DC interface): Выделенное соединение между силовым преобразователем и устройством накопления энергии, которое используется исключительно СБП.
Примечание 1 - Интерфейс к устройству хранения энергии, предназначенному исключительно для использования СБП, не является портом, поскольку данное устройство входит в состав СБП. Выделенное устройство хранения энергии, показанное на
рисунке 1, подключено через
интерфейс электропитания постоянного тока.
3.1.3 порт электропитания постоянного тока (DC port): Подключение силового преобразователя к устройству накопления энергии, которое не используется исключительно СБП.
Примечание 1 - Невыделенное устройство хранения энергии подключается через порт электропитания постоянного тока.
3.1.4 порт корпуса (enclosure port): Физическая граница испытуемого оборудования (EUT), через которую могут излучаться или на которую могут воздействовать электромагнитные поля.
Примечание 1 - На
рисунке 1 порт корпуса, представленный пунктирной линией вокруг преобразователя(ей) питания и выделенного устройства хранения энергии, не предполагает наличия какого-либо экранирования.
3.1.5 сетевой порт (network port): Сигнальные, коммуникационные порты или порты управления, предназначенные для соединения компонентов системы бесперебойного питания (СБП) или СБП и местного связанного оборудования и используемые согласно соответствующим функциональным спецификациям с целью управления и/или мониторинга системы СБП и/или управления связанным оборудованием в соответствии с инструкцией по эксплуатации.
Примечание 1 - Максимальная длина кабеля, подключенного к сетевому порту, является примером соответствующих функциональных характеристик.
3.1.6 первая электромагнитная обстановка (first environment): Электромагнитная обстановка жилых, коммерческих помещений и помещений легкой промышленности, напрямую подключенных, без промежуточных трансформаторов, к общественной сети низкого напряжения.
3.1.7 вторая электромагнитная обстановка (second environment): Электромагнитная обстановка жилых, коммерческих помещений и помещений легкой промышленности, за исключением тех, что включены в первую электромагнитную обстановку.
Примечание 1 - Здание или его часть, питаемая от выделенного трансформатора или генератора, является примером второй электромагнитной обстановки.
3.1.8 СБП категории C1 (category C1 UPS): СБП, предназначенная для использования без каких-либо ограничений в первой электромагнитной обстановке.
Примечание 1 - Такие СБП подходят для использования в жилых помещениях.
3.1.9 СБП категории C2 (category C2 UPS): СБП, предназначенная для использования без каких-либо ограничений во второй электромагнитной обстановке.
Примечание 1 - Такие СБП также можно использовать в первой электромагнитной обстановке при определенных условиях.
3.1.10 СБП категории C3 (category C3 UPS): СБП с выходным током более 16 А, предназначенные для использования во второй электромагнитной обстановке с определенными ограничениями.
3.1.11 СБП категории C4 (category C4 UPS): СБП, которая не может быть отнесена ни к одной из категорий: C1, C2 или C3, и предназначенная для использования в электромагнитных обстановках с особыми требованиями.
AAN - асимметричный эквивалент сети.
Примечание 1 - Термины "цепь стабилизации импеданса" (ISN) и AAN используются как взаимозаменяемые;
AE - вспомогательное оборудование;
AMN - эквивалент сети.
Примечание 2 - Термины "цепь стабилизации импеданса линии" (LISN) и AMN используются как взаимозаменяемые;
CMAD - поглощающее устройство общего несимметричного режима;
EUT - испытуемое оборудование;
RF - радиочастота.
В данную категорию входят СБП, предназначенные для использования без каких-либо ограничений в первой электромагнитной обстановке.
СБП категории C1 должна соответствовать требованиям категории C1 по значениям норм эмиссии (см.
раздел 5) и помехоустойчивости (см.
раздел 6).
В эту категорию входят СБП, предназначенные для использования без каких-либо ограничений во второй электромагнитной обстановке. Такую СБП также можно использовать в первой электромагнитной обстановке, если принять во внимание влияние приведенного ниже предупреждения.
СБП категории C2 должна соответствовать требованиям категории C2 по значениям норм эмиссии (см.
раздел 5) и помехоустойчивости (см.
раздел 6). Следующее предупреждение должно быть включено в руководство по эксплуатации.
ВНИМАНИЕ: Настоящая продукция относится к СБП категории C2. В жилых помещениях данная продукция может вызывать радиопомехи, и в этом случае пользователю может потребоваться принятие дополнительных мер.
Примечание - Такие дополнительные меры могут потребовать услуг специалиста или организации, обладающих опытом в области ЭМС.
К настоящей категории относят СБП с выходным током более 16 А, предназначенные для использования во второй электромагнитной обстановке со следующими ограничениями:
a) СБП устанавливают и вводят в эксплуатацию специалист или организация, имеющие опыт в вопросах ЭМС;
b) место расположения СБП должно быть физически отделено от других зданий, отнесенных к первой электромагнитной обстановке, на расстояние более 30 м или с помощью конструкции, которая действует как барьер для излучаемых явлений, обеспечивая эквивалентное ослабление;
c) питание установки необходимо осуществлять через выделенный трансформатор или генератор либо через устройство, обеспечивающее эквивалентное ослабление.
СБП категории C3 должна соответствовать требованиям категории C3 по значениям норм эмиссии (см.
раздел 5) и помехоустойчивости (см.
раздел 6).
Следующее предупреждение необходимо включить в руководство по эксплуатации.
ВНИМАНИЕ: Данное изделие предназначено для коммерческого и промышленного применения во второй электромагнитной обстановке - для предотвращения помех могут потребоваться ограничения на установку или дополнительные меры.
В данную категорию входят СБП, которые не могут быть отнесены ни к одной из категорий C1, C2 или C3 и которые предназначены для использования в электромагнитных обстановках с особыми требованиями.
Такая СБП должна соответствовать определенным уровням эмиссии и помехоустойчивости, применимым для установки.
СБП категории C4 не ограничена номинальным потребляемым током.
Примечание - Оценка соответствия СБП C4 обычно состоит из технической оценки эффекта объединения соответствующих вариантов и узлов СБП, а также окончательного испытания на месте для проверки соответствия требованиям, которые невозможно легко проверить с помощью технической оценки. Подробную информацию об испытании на месте установки см. в
приложении E.
4.5 Категории и электромагнитная обстановка
Если электромагнитная обстановка определена как первая, следует использовать СБП категории C1 или C2.
Если электромагнитная обстановка определена как вторая, следует использовать СБП категории C2 или C3.
Если электромагнитная обстановка не относится исключительно ни к первой, ни ко второй, следует использовать СБП категории C4.
С точки зрения эмиссии СБП с более низкой категорией эмиссии, например C1, всегда можно использовать вместо СБП с более высокой категорией эмиссии, например C3.
Категории эмиссии не зависят от помехоустойчивости. Например, утверждение о том, что СБП имеет категорию эмиссии C1, не означает, что помехоустойчивость подходит только для первой электромагнитной обстановки.
В целях ЭМС в пользовательскую документацию необходимо включить следующее:
a) любые специальные меры, которые следует принять для достижения соответствия, например разделение кабелей, использование экранированных или специальных кабелей и любые ограничения на длину кабелей, подключенных к выходу переменного тока и/или к устройству хранения энергии;
b) по запросу список ЭМС - совместимых аксессуаров СБП;
c) предупреждение для
СБП категории C1, как описано в
6.3.2;
d) предупреждающее уведомление для
СБП категории C2 и
C3, если применимо, как описано в
4.2 и
4.3.
Применимые предельные значения норм эмиссии для каждой категории СБП указаны в
5.3.
Электромагнитная эмиссия охвачена в диапазоне частот до 1,0 ГГц.
Требования к эмиссии были выбраны таким образом, чтобы гарантировать, что помехи, создаваемые нормальной работой СБП, не достигнут уровня, который может помешать другому оборудованию работать должным образом.
Примечание 1 - Существует вероятность того, что ограничения, установленные в настоящем стандарте, не обеспечивают полную защиту от помех радио- и телевизионному приему, когда СБП используется на расстоянии менее 10 м от приемной антенны для СБП категории C1 или C2 и 30 м для СБП категории C3.
Примечание 2 - В особых случаях, например, когда высокочувствительное оборудование используется в непосредственной близости, допускается принять дополнительные меры по снижению электромагнитного излучения ниже установленных уровней.
5.2 Общие требования к испытаниям
Испытания СБП на эмиссию необходимо проводить при следующих условиях:
а) при номинальном входном напряжении;
б) в нормальном(ых) режиме(ах) и режиме работы с устройством хранения энергии;
в) с резистивной нагрузкой, вызывающей наибольший уровень помех.
Требования к испытаниям указаны для каждого рассматриваемого
порта. Методику испытаний см. в
приложении A.
5.3 Требования к измерениям
5.3.1 Общие положения
Эмиссия всех портов проверяют следующим образом.
Если СБП может быть подключена к вспомогательным принадлежностям, то СБП следует испытывать при подключении к минимальной конфигурации, включая вспомогательные и коммуникационные принадлежности, необходимые для проверки всех таких портов, или при подключении к эквивалентному нагрузочному импедансу.
Конфигурацию и режим работы во время измерения точно указывают в протоколе испытаний. См.
приложение A для ознакомления с испытательной установкой и критериями измерения. Для испытаний на месте установки или при установке пользователем см.
приложение E.
5.3.2 Кондуктивная эмиссия
5.3.2.1 Порты и нормы
Для СБП с дополнительными клеммами (портами) сетевого электропитания для подключения отдельных источников питания для цепей статического байпаса и/или сервисного байпаса эти клеммы (порты) могут быть временно подключены к обычному источнику питания входного порта переменного тока, что позволяет проводить испытания на кондуктивную эмиссию на результирующем (общем) входном порте переменного тока.
Измерения одного из нескольких идентичных портов достаточно для целей кондуктивной эмиссии.
Примечание - Кондуктивная эмиссия в диапазоне частот от 2 до 150 кГц находится в стадии рассмотрения.
Согласно
5.3.2 нормы кондуктивной эмиссии в полосе частот от 0,15 до 30 МГц указаны в
таблицах 1 и
2.
Таблица 1
Нормы напряжения помех на клеммах сетевого электропитания
и сетевых портах для СБП категории C1 и категории C2
в полосе частот от 0,15 до 30 МГц
Полоса частот, МГц | Нормы, дБ (мкВ) |
СБП категории C1 | СБП категории C2 |
Клеммы сетевого электропитания | Сетевой порт | Клеммы сетевого электропитания | Сетевой порт |
Квазипиковое значение | Среднее значение | Квазипиковое значение | Среднее значение | Квазипиковое значение | Среднее значение | Квазипиковое значение | Среднее значение |
| | | | | 79 | 66 | | |
| 56 | 46 | 74 | 64 | 73 | 60 | 87 | 74 |
От 5 до 30 | 60 | 50 | 73 | 60 |
<a> Норма уменьшается линейно с логарифмом частоты. <b> На граничной частоте нормой является меньшее значение. |
Таблица 2
Нормы напряжения помех на клеммах сетевого электропитания
и сетевых портах для СБП категории C3 в полосе частот
от 0,15 до 30 МГц
Номинальный выходной ток СБП, А | Полоса частот, МГц | Нормы, дБ (мкВ) |
Клеммы сетевого электропитания | Сетевой порт |
Квазипиковое значение | Среднее значение | Квазипиковое значение | Среднее значение |
Св. 16 до 100 | | 100 | 90 | | |
| 86 | 76 | 100 | 84 |
От 5,0 до 30,0 | | |
Св. 100 | | 130 | 120 | | |
| 125 | 115 | 100 | 84 |
От 5,0 до 30,0 | 115 | 105 |
<a> Норма уменьшается линейно с логарифмом частоты. <b> На граничной частоте нормой является меньшее значение. |
5.3.2.2 Нормы на входном порте переменного тока (сеть электропитания)
СБП не должна превышать норм, указанных в
таблице 1 или
таблице 2, в зависимости от категории и номинального выходного тока испытуемой СБП.
Необходимо, чтобы СБП соответствовала нормам как среднего, так и квазипикового значений при использовании соответственно приемника с детектором средних значений и квазипикового детектора; ее необходимо измерять в соответствии с методами, описанными в
A.6.
Если удовлетворяются нормы средних значений при использовании приемника с квазипиковым детектором, то считают, что испытуемый образец соответствует обоим нормам, и измерение приемником с детектором средних значений не требуется.
Если показания измерительного приемника колеблются вблизи предельных значений, за показаниями следует наблюдать в течение не менее 15 с на каждой частоте измерений. Необходимо зафиксировать максимальное показание за исключением отдельных кратковременных максимумов, которые игнорируют.
5.3.2.3 Нормы на выходном порте переменного тока
Нормы для портов электропитания указаны в
таблицах 1 и
2.
Допускается поправка нормы на +14 дБ для кондуктивной эмиссии на выходе СБП, как указано в
таблицах 1 и
2, за исключением категории C3, с током более 100 А, где повышение нормы не допускается.
Нормы не применяют к СБП, длина выходного кабеля которого, как указано изготовителем в руководстве по эксплуатации, не превышает 10 м. Если максимальная длина кабеля не установлена изготовителем, нормы применяют.
Значения измеряют в соответствии с
A.7.
5.3.2.4 Нормы на сетевом порте
Применяют нормы для
сетевых портов, указанные в
таблицах 1 и
2.
Нормы не применяют к СБП, длина сетевого кабеля которых, как указано изготовителем в руководстве по эксплуатации, не превышает 10 м. Если максимальная длина кабеля не установлена производителем, нормы применяют.
В качестве альтернативы соблюдению норм по напряжению в
приложении C предусмотрена возможность применения норм по току.
5.3.2.5 Нормы для интерфейса постоянного тока и порта постоянного тока
Испытаний на кондуктивную эмиссию на
интерфейсе постоянного тока не требуется (см.
рисунок 1).
Примечание - Влияние кондуктивной эмиссии на
интерфейс постоянного тока может вызвать излучаемую эмиссию, однако испытания на кондуктивную эмиссию не проводят, поскольку СБП должна соответствовать нормам на излучаемую эмиссию, описанным в
5.3.3.
Нормы порта постоянного тока в настоящее время находятся на рассмотрении, а их значения ожидают определения в будущей редакции CISPR 11.
5.3.2.6 Низкочастотная эмиссия - гармоники входного тока
Если номинальный входной ток и напряжение находятся в области распространения IEC 61000-3-2 или IEC 61000-3-12, должны применяться указанные в них нормы и методы испытаний.
5.3.3.1 Электромагнитное поле
СБП должна соответствовать нормам, указанным в
таблице 3. Если показания измерительного приемника колеблются вблизи предельных значений, за показаниями следует наблюдать в течение не менее 15 с на каждой частоте измерений. Необходимо зафиксировать максимальное показание за исключением отдельных кратковременных максимумов, которые игнорируют.
К излучаемой эмиссии на частотах ниже 30 МГц нормы не применяют.
Таблица 3
Нормы излучаемой эмиссии в полосе частот от 30 до 1000 МГц
Полоса частот, МГц | Нормы квазипиковых значений, дБ (мкВ/м) |
СБП категории C1 | СБП категории C2 | СБП категории C3 |
| 30 | 40 | 50 |
От 230 до 1 000 | 37 | 47 | 60 |
<a> На граничной частоте нормой является меньшее значение. |
Примечание 1 - Измерительное расстояние - 10 м. Если измерение эмиссии на расстоянии 10 м невозможно выполнить из-за высокого уровня окружающих помех или по другим причинам, измерения проводят на более близком расстоянии, например 3 м. Коэффициент обратной пропорциональности 20 дБ на декаду используют для нормализации измеренных данных на указанное расстояние для определения соответствия.
Примечание 2 - В случае возникновения помех могут потребоваться дополнительные меры.
5.3.3.2 Магнитное поле
К эмиссии магнитного поля нормы не применяют.
Приложение B включает руководство по методам измерения и справочную информацию о применяемых нормах.
Требования к помехоустойчивости охватывают только полосу частот от 0 Гц до 1 ГГц.
Настоящие требования к испытаниям представляют собой существенные требования к помехоустойчивости в рамках электромагнитной совместимости.
Требования к испытаниям указаны для каждого рассматриваемого порта.
Уровни, указанные в
разделе 6, не охватывают крайние случаи, которые могут возникнуть в любом месте, но с крайне низкой вероятностью возникновения. В таких случаях могут потребоваться более высокие уровни помехоустойчивости.
Примечание - В особых случаях возможны ситуации, когда уровень помех превышает уровни, указанные в настоящем стандарте, например, когда портативный передатчик используется вблизи СБП. В этих случаях существует вероятность того, что возникнет необходимость принятия специальных мер по снижению уровня помех.
6.2 Общие требования и критерии качества функционирования
Оборудование должно, как минимум, соответствовать уровням помехоустойчивости, указанным в
6.3. Критерии качества функционирования, соответствующие СБП, приведены в
таблице 4.
Таблица 4
Критерии качества функционирования для испытаний
на помехоустойчивость
| Критерий A | Критерий B |
Внешняя и внутренняя индикация и измерения | Изменение только во время испытания | Изменение только во время испытания |
Сигналы управления к внешним устройствам | Нет изменений | Только временные изменения в соответствии с фактическим режимом работы СБП |
| Нет изменений | Только временные изменения |
<a> Во время испытаний СБП должна всегда соответствовать классу функционирования, заявленному ее изготовителем (см. IEC 62040-3:2011). |
Испытания СБП необходимо проводить при следующих условиях:
a) при номинальном входном напряжении;
b) в нормальном(ых) режиме(ах) работы;
c) с линейной нагрузкой при номинальной активной выходной мощности или при небольшой нагрузке согласно IEC 62040-3:2011.
В случае наличия различных уровней критериев функционирования СБП должна иметь соответствующий уровень.
6.3 Основные требования к помехоустойчивости
6.3.1 Общие положения
Соответствие проверяют путем испытаний по требованиям помехоустойчивости, указанным в
таблицах 5 и
6. СБП должна продолжать работать без ухудшения параметров и в соответствии с применимыми критериями качества функционирования. Критерии качества функционирования подробно описаны в
таблице 4.
Уровни, указанные в
таблице 5, применяются к СБП категории C1. Если СБП спроектирована так, что ее помехоустойчивость обеспечена в соответствии с
таблицей 5, в руководстве по эксплуатации или на оборудовании должно содержаться письменное предупреждение, указывающее, что СБП не предназначена для использования в промышленной электромагнитной обстановке.
Таблица 5
Минимальные требования к помехоустойчивости
для СБП категории C1
Порт | Вид помехи | Основополагающий стандарт на метод испытаний | Уровень | Критерий качества функционирования |
Порт корпуса | ESD | IEC 61000-4-2 | 4 кВ CD или 8 кВ AD, если CD невозможен | B |
Радиочастотное электромагнитное поле, амплитудно-модулированное | IEC 61000-4-3 | От 80 до 1000 МГц, 3 В/м, 80% АМ (1 кГц) | A |
Устойчивость к магнитным полям промышленной частоты | IEC 61000-4-8 | 3 А/м | A |
Входные порты электропитания переменного тока | Быстрые переходные процессы - пачки | IEC 61000-4-4 | | B |
Выбросы напряжения <b>, 1,2/50 мкс, 8/20 мкс | IEC 61000-4-5 | | B |
Кондуктивные помехи, наведенные радиочастотными полями <e> | IEC 61000-4-6 | От 0,15 до 80 МГц, 3 В, 80% АМ (1 кГц) | A |
Устойчивость к низкочастотным сигналам | | 10 В/ от 140 до 360 Гц | A |
Выходные порты электропитания переменного тока и порт электропитания постоянного тока | Быстрые переходные процессы - пачки | IEC 61000-4-4 | | B |
Выбросы напряжения <b>, <e>, 1,2/50 мкс, 8/20 мкс | IEC 61000-4-5 | | B |
Кондуктивные помехи, наведенные радиочастотными полями <e> | IEC 61000-4-6 | От 0,15 до 80 МГц, 3 В, 80% АМ (1 кГц) | A |
Интерфейс электропитания постоянного тока | Быстрые переходные процессы - пачки <e> | IEC 61000-4-4 | 1 кВ/5 кГц, емкостные клещи | B |
Сетевые порты | Быстрые переходные процессы - пачки <e> | IEC 61000-4-4 | 1 кВ/5 кГц, емкостные клещи | B |
Кондуктивные помехи, наведенные радиочастотными полями <e> | IEC 61000-4-6 | От 0,15 до 80 МГц, 3 В, 80% АМ (1 кГц) | A |
CD - контактный разряд; AD - воздушный разряд; AM - амплитудная модуляция; ESD - электростатический разряд. |
<a> Порты питания с номинальным током < 100 А: прямое соединение с использованием устройства связи/развязки. Порты питания с номинальным током >= 100 А: прямая связь или емкостные клещи без устройства развязки. Если используются емкостные клещи, испытательный уровень должен составлять 2 кВ/5 кГц. <b> Условия испытания при малой нагрузке приемлемы для портов питания, рассчитанных на ток > 63 А. <c> Подача помехи по схеме "провод-провод". <d> Подача помехи по схеме "провод-земля". <e> Применимо только к портам или интерфейсам с кабелями, общая длина которых, согласно функциональной спецификации изготовителя, может превышать 3 м. |
6.3.3 СБП категории C2 и C3
Уровни, указанные в
таблице 6, применяют к СБП, которые предназначены для использования во второй электромагнитной обстановке.
Таблица 6
Минимальные требования к помехоустойчивости
для СБП категории C2 и C3
Порт | Вид помехи | Основополагающий стандарт на метод испытаний | Уровень | Критерий качества функционирования |
Порт корпуса | ESD | IEC 61000-4-2 | 4 кВ CD или 8 кВ AD, если CD невозможен | B |
Радиочастотное электромагнитное поле, амплитудно-модулированное | IEC 61000-4-3 | От 80 до 1000 МГц, 10 В/м, 80% АМ (1 кГц) | A |
Устойчивость к магнитным полям промышленной частоты | IEC 61000-4-8 | 30 А/м | A |
Входные порты электропитания переменного тока | Быстрые переходные процессы - пачки | IEC 61000-4-4 | | B |
1,2/50 мкс, 8/20 мкс | IEC 61000-4-5 | | B |
Кондуктивные помехи, наведенные радиочастотными полями <e> | IEC 61000-4-6 | От 0,15 до 80 МГц, 10 В, 80% АМ (1 кГц) | A |
Устойчивость к низкочастотным сигналам | | 10 В/ от 140 до 360 Гц | A |
Выходные порты электропитания переменного тока и порт электропитания постоянного тока | Быстрые переходные процессы - пачки | IEC 61000-4-4 | | B |
1,2/50 мкс, 8/20 мкс | IEC 61000-4-5 | | B |
Кондуктивные помехи, наведенные радиочастотными полями <e> | IEC 61000-4-6 | От 0,15 до 80 МГц, 10 В, 80% АМ (1 кГц) | A |
Интерфейс электропитания постоянного тока | Быстрые переходные процессы - пачки <e> | IEC 61000-4-4 | 2 кВ/5 кГц, емкостные клещи | B |
Сетевые порты | Быстрые переходные процессы - пачки <e> | IEC 61000-4-4 | 2 кВ/5 кГц, емкостные клещи | B |
1,2/50 мкс, 8/20 мкс | IEC 61000-4-5 | 1 кВ | B |
Кондуктивные помехи, наведенные радиочастотными полями <e> | IEC 61000-4-6 | От 0,15 до 80 МГц, 10 В, 80% АМ (1 кГц) | A |
CD - контактный разряд; AD - воздушный разряд; AM - амплитудная модуляция; ESD - электростатический разряд. |
<a> Порты питания с номинальным током < 100 А: прямое соединение с использованием устройства связи/развязки. Порты питания с номинальным током >= 100 А: прямая связь или емкостные клещи без устройства развязки. Если используются емкостные клещи, испытательный уровень должен составлять 4 кВ/5 кГц. <b> Условия испытания при малой нагрузке приемлемы для портов питания, рассчитанных на ток > 63 А. <c> Подача помехи по схеме "провод-провод". <d> Подача помехи по схеме "провод-земля". <e> Применимо только к портам или интерфейсам с кабелями, общая длина которых, согласно функциональной спецификации изготовителя, может превышать 3 м. <f> Применимо только к портам с кабелями, общая длина которых, согласно функциональной спецификации изготовителя, может превышать 30 м. В случае использования экранированного кабеля применяют прямое соединение с экраном. Данное требование устойчивости не распространяется на полевые шины (field bus) или другие сигнальные интерфейсы, где использование устройств защиты от перенапряжения нецелесообразно по техническим причинам. Испытание не требуется, если нормальное функционирование не может быть достигнуто из-за воздействия устройства связи/развязки на EUT. |
6.4 Устойчивость к провалам напряжения, коротким прерываниям и изменениям напряжения
Устойчивость к провалам напряжения, коротким прерываниям и изменениям напряжения характеризует существенные характеристики СБП, никаких специальных испытаний на ЭМС не требуется.
Примечание - См. IEC 62040-3:2011 для получения информации о соответствующих функциональных тестах.
(обязательное)
ЭЛЕКТРОМАГНИТНАЯ ЭМИССИЯ.
МЕТОДЫ ИСПЫТАНИЙ
A.1 Общие положения
Целью настоящих испытаний является измерение уровней электромагнитной эмиссии, создаваемой СБП и распространяющейся за счет проводимости и излучения.
Приложение A в основном относится к непрерывной электромагнитной эмиссии.
Учитывая диапазон физических размеров и номинальной мощности, изготовитель может выбрать наиболее подходящую испытательную площадку и конфигурацию, которая лучше всего подходит для физического размещения СБП.
В некоторых случаях, например для СБП, состоящей из двух или более блоков, единственным решением будет оценка при размещении на месте эксплуатации. Поэтому следующие тестовые установки и методы, насколько это возможно, обеспечивают общие критерии для большинства СБП.
Испытания должны проводиться в конкретной рабочей среде, установленной для СБП и указанной в
приложении A.
A.2 Измерительное оборудование
A.2.1 Измерительные приборы
Приемники с квазипиковыми детекторами и детекторами средних значений должны соответствовать CISPR 16-1-1:2015.
A.2.2 Эквивалент сети (AMN)
Измерение напряжения помех на клеммах сетевого электропитания должно выполняться с использованием AMN, состоящего из цепи 50 Ом/50 мкГн, как указано в пункте 4 CISPR 16-1-2:2014.
AMN должен обеспечивать определенный импеданс на радиочастоте в точке измерения в сети электропитания, а также обеспечивать развязку испытуемого оборудования от внешних помех в линиях электропередачи.
A.2.3 Пробник напряжения
Пробник напряжения, в соответствии с требованиями раздела 5 CISPR 16-1-2:2014 и показанный на
рисунке A.1, необходимо использовать там, где указаны измерения на выходах СБП, а также когда AMN не может быть использован из-за номинального входного тока СБП. Пробник подключается последовательно между каждой из линий электропитания и опорной пластиной заземления.
Пробник в основном состоит из разделительного конденсатора и резистора, так что общее сопротивление между линией и землей составляет не менее 1500 Ом. Влияние на точность измерения конденсатора или любого другого устройства, которое может быть использовано для защиты измерительного приемника от опасных токов, должно быть либо менее 1 дБ, либо учитываться при калибровке.
Петлю, образованную проводом заземления, подключенным к пробнику, измеряемым проводником сетевого электропитания и опорным заземлением, необходимо свести к минимуму, чтобы уменьшить влияние любых сильных магнитных полей.
Допускается для этой цели использовать удлинительную оплетку заземления, когда измерение выполняется на клемме, недоступной только с помощью обычного пробника.
A.2.4 Антенна
Антенна должна соответствовать требованиям CISPR 16-1-4:2010/AMD1:2012, раздел 4.
A.2.5 Поглощающее устройство общего несимметричного режима (CMAD)
Поглощающие устройства общего несимметричного режима (CMAD) применяют на кабелях, выходящих из испытательного объема во время измерения излучаемой эмиссии. CMAD используются при измерениях излучаемой эмиссии для уменьшения различий в результатах измерений на разных испытательных площадках (дополнительную информацию см. в разделе 9 CISPR 16-1-4:2010).
A.2.6 Асимметричный эквивалент сети
Асимметричный эквивалент сети (AAN) используют для измерения (или подачи) асимметричных (синфазных) напряжений в неэкранированных симметричных сигнальных линиях (например, телекоммуникационных) при подавлении симметричного (дифференциального) сигнала (дополнительную информацию см. в разделе 7 CISPR 16-1-2:2014).
A.3 Конфигурация испытательной установки
A.3.1 Если в настоящем стандарте не указано иное, СБП конфигурируют, устанавливают, размещают и эксплуатируют в соответствии с типовыми применениями. Интерфейсные кабели/нагрузки/устройства должны быть подключены как минимум к одному интерфейсному порту каждого типа СБП, и, если это практически возможно, каждый кабель должен быть подключен к устройству, типичному для фактического использования.
При наличии нескольких интерфейсных портов одного типа к СБП может потребоваться добавить дополнительные соединительные кабели/нагрузки/устройства в зависимости от результатов предварительных испытаний.
Количество дополнительных кабелей должно быть ограничено условием, пока добавление еще одного кабеля не повлияет на уровень излучения более чем на 2 дБ. Обоснование выбора конфигурации и нагрузки портов должно быть включено в протокол испытаний.
A.3.2 Соединительные кабели должны быть того типа и длины, которые указаны в индивидуальных требованиях к оборудованию. Если длину можно изменять, ее следует выбирать так, чтобы обеспечить максимальное излучение.
A.3.3 Если во время испытаний для достижения соответствия используются экранированные или специальные кабели, то в руководство по эксплуатации должно быть включено примечание о необходимости использования таких кабелей.
A.3.4 Излишки длины кабелей связывают примерно в центре кабеля в плоские петли длиной от 0,3 до 0,4 м. Если это невозможно сделать из-за большого размера или жесткости кабеля или потому, что испытания проводятся на месте размещения, расположение избыточного кабеля должно быть точно отмечено в протоколе испытаний.
A.3.5 Результаты следует сопровождать полным описанием ориентации кабеля и оборудования, чтобы результаты можно было повторить. Если существуют условия применения, эти условия указывают и документируют, например длину кабеля, тип кабеля, экранирование и заземление. Эти условия должны быть включены в руководство по эксплуатации.
A.3.6 Оценка оборудования, которое взаимодействует с другим оборудованием, образуя систему, может проводиться либо с использованием дополнительного оборудования для представления всей системы, либо с использованием имитаторов. При использовании любого метода необходимо позаботиться о том, чтобы испытуемое оборудование оценивалось с учетом воздействия остальной части системы или имитаторов, удовлетворяющих условиям окружающих помех, указанным в
A.6.5. Любой имитатор, используемый вместо реального устройства, должен правильно отображать электрические и в некоторых случаях механические характеристики интерфейса, особенно в отношении радиочастотных сигналов и импедансов, а также конфигурации и типов кабелей.
Примечание - Настоящая процедура позволяет оценить оборудование, которое будет объединено с другим оборудованием от разных изготовителей для формирования системы.
A.3.7 Если СБП оснащена клеммами для подключения внешнего источника постоянного тока, эти клеммы должны быть включены в испытательную установку. Для настольных СБП аккумуляторная батарея и ее корпус устанавливают в положении, разрешенном руководством по эксплуатации. Для напольных СБП внешний источник постоянного тока и его корпус необходимо располагать в непосредственной близости от СБП или подключать другим способом в соответствии с инструкциями изготовителя. Для больших СБП, где источник постоянного тока установлен на расстоянии от СБП, порт подключают в соответствии с инструкциями изготовителя, а на конце кабелей со стороны источника постоянного тока устанавливают испытательную батарею или источник питания для обеспечения возможности измерения в режиме накопления энергии.
Если это невозможно или батарея, включая ее корпус, поставляется другими изготовителями, это отмечают в протоколе испытаний.
A.3.8 Выходы переменного тока должны быть нагружены резистивными устройствами, которые можно регулировать для получения требуемого уровня активной мощности нагрузки для испытуемой СБП.
A.3.9 Положение испытуемого устройства относительно пластины заземления должно быть эквивалентно тому, что имеет место при эксплуатации, т.е. напольную СБП размещают на пластине заземления или на изолирующем полу (например, деревянном) рядом с пластиной заземления, а настольную СБП устанавливают на неметаллический стол. Силовые и сигнальные кабели следует ориентировать относительно пластины заземления так, как это соответствует фактическому использованию. Пластина заземления может быть металлической.
Примечание - Конкретные требования к пластине заземления приведены в
A.6.3 для измерений напряжения на нажимах и в
A.9.1 для измерений напряженности поля.
A.4 Определение конфигураций с максимальной эмиссией
Предварительное испытание должно определить частоту, на которой имеет место наибольшая эмиссия относительно нормы при работе СБП в типовых режимах работы и положениях кабелей в испытательной установке, которая является репрезентативной для типовых конфигураций системы.
Идентификацию частоты самого высокого уровня эмиссии по отношению к норме проводят путем исследования излучений на ряде значимых частот, как подробно описано, чтобы быть уверенным в том, что вероятная частота максимальной эмиссии найдена и что соответствующий кабель, конфигурации СБП и режим работы определены.
Для предварительного испытания СБП устанавливают в соответствии с
рисунками A.3 -
A.10. Расстояния между СБП и периферийными устройствами устанавливают в соответствии с рисунками и изменяют только положение кабелей для того, чтобы найти максимум.
Для настольных систем во время этого процесса следует изменять положение кабелей в пределах типовых конфигураций. Для напольного оборудования кабели должны располагаться так же, как их устанавливал бы пользователь, и никаких дополнительных действий производить не нужно. Если способ прокладки кабеля неизвестен или он меняется при каждой установке, кабели для напольного оборудования следует располагать в соответствии с практической возможностью для обеспечения максимального уровня эмиссии.
Окончательные измерения проводят, как указано в
A.6,
A.7 и
A.8, для измерения напряжения помех на клеммах и напряженности поля помех соответственно.
A.5 Функционирование испытуемого оборудования
| | ИС МЕГАНОРМ: примечание. Текст дан в соответствии с официальным текстом документа. | |
СБП должна работать при номинальном (номинальном) рабочем напряжении и типичных условиях нагрузки, для которых она предназначена. Нагрузки могут быть фактическими или имитируемыми. Программа испытаний или другие средства проверки СБП должны обеспечивать проверку различных частей системы таким образом, чтобы можно было обнаружить всю эмиссию системы в любом режиме работы СБП.
A.6 Метод измерения напряжения помех на клеммах сетевого электропитания
A.6.1 Измерительные приемники
Измерения следует проводить с использованием приемников с квазипиковым детектором и детектором средних значений, описанных в
A.2.1.
A.6.2 Эквивалент сети (AMN)
A.6.2.1 Общие положения
Следует использовать AMN, как описано в
A.2.2.
Требуется подключение испытуемого устройства к AMN, при этом испытуемое устройство располагают так, чтобы расстояние между границей испытуемого устройства и ближайшей поверхностью AMN составляло 0,8 м.
Если изготовитель предоставляет гибкий шнур сетевого электропитания, его длина должна составлять 1 м, а если длина превышает 1 м, то лишний кабель сгибают вперед и назад, насколько это возможно, так, чтобы образовалась связка длиной не более 0,4 м.
Если в инструкциях изготовителя указан кабель сетевого электропитания, между испытательным устройством и AMN подключают кабель указанного типа длиной 1 м.
Испытуемое устройство располагают и подключают с помощью кабелей, нагруженных в соответствии с инструкциями изготовителя.
Заземляющие соединения, применяемые в целях безопасности, должны присоединяться к опорной точке заземления сети и, если иное не предусмотрено или не указано изготовителем, иметь длину 1 м и проходить параллельно сетевому соединению на расстоянии не более 0,1 м.
Другие соединения заземления (например, для целей ЭМС), указанные или поставляемые изготовителем для подключения к той же конечной клемме, что и соединение защитного заземления, также подключают к опорному заземлению сети.
Если из-за окружающих помех невозможно измерить помехи на некоторых частотах, между AMN и источником питания допускается установить подходящий дополнительный радиочастотный фильтр или измерения можно проводить в экранированном объеме. Компоненты, образующие дополнительный радиочастотный фильтр, должны быть заключены в металлический экран, непосредственно соединенный с опорной землей измерительной системы. Требования к сопротивлению AMN должны удовлетворяться на частоте измерения при подключенном дополнительном радиочастотном фильтре.
A.6.2.2 Исключение
Для СБП, номинальная мощность которых превышает обычные номиналы AMN, напряжение на зажимах сети можно измерить с помощью пробника напряжения в соответствии со стандартом CISPR 16, как показано на
рисунке A.1.
В этом случае номинальный ток источника питания должен быть как минимум таким же, как и ток сети питания установленной СБП, чтобы как можно лучше соответствовать импедансу источника питания сети на месте установки.
A.6.3 Пластина заземления
Испытуемое устройство, если оно не заземлено и не напольное, должно быть расположено на расстоянии 0,4 м от опорной заземляющей плоскости, состоящей из горизонтальной или вертикальной металлической поверхности размером не менее 2 x 2 м, и должно находиться на расстоянии не менее 0,8 м от любой другой металлической поверхности или другой заземляющей поверхности, не являющейся частью испытуемого устройства. Если измерение производится в экранированном помещении, расстояние 0,4 м может быть отнесено к одной из стен помещения.
На напольные испытуемые устройства распространяются те же положения, за исключением того, что они должны быть размещены на полу, причем точка(и) контакта соответствует(ют) нормальному использованию. Пол может быть металлическим, но он не должен соприкасаться с металлическими напольными опорами испытательной установки. Металлический пол может заменить опорную плоскость заземления. Опорная плоскость заземления должна выходить за границы испытуемого устройства не менее чем на 0,5 м и иметь минимальные размеры 2 x 2 м.
Опорную точку заземления AMN соединяют с опорной заземляющей пластиной с помощью проводника как можно более короткой длины с соотношением длины к ширине менее 3:1 или прикрепляют болтами к эталонной заземляющей пластине.
A.6.4 Размещение оборудования для измерения кондуктивной эмиссии
Необходимо, чтобы СБП была сконфигурирована и функционировала в соответствии с требованиями
A.3 и была размещена в соответствии с
рисунками A.3 -
A.8 для настольного и напольного оборудования.
Настольная СБП должна быть установлена на неметаллическом столе на высоте 0,8 м над горизонтальной пластиной заземления (см.
A.6.3) и на расстоянии 0,4 м от вертикальной пластины заземления, соединенной с горизонтальной пластиной заземления.
Оборудование, предназначенное как для настольной, так и для напольной эксплуатации, должно быть испытано только в настольной конфигурации, за исключением случаев, когда типовая установка является напольной, которую и используют в этом случае.
Оборудование, предназначенное для настенного монтажа, испытывают как настольную СБП. Ориентация оборудования должна соответствовать ориентации при нормальной эксплуатации.
Порт сетевого электропитания подключают через сетевой шнур электропитания к AMN, за исключением случаев, когда проводят испытания в соответствии с исключением
A.6.2 на испытательной площадке или на месте установки. Выходной
порт переменного тока подключают к блоку нагрузки.
Сетевой порт, если он предназначен для подключения к внешней линии сети, подключают через сетевой кабель к асимметричному эквиваленту сети (AAN).
A.6.5 Измерение кондуктивной эмиссии
Как описано в
A.4, определяют одну конфигурацию СБП, конфигурацию кабеля и режим работы, в которых обнаружено наибольшая эмиссия относительно нормы.
Данная конфигурация должна быть использована для измерения и регистрации данных. Из тех значений эмиссии, которые не более чем на 20 дБ ниже нормы, регистрируют по крайней мере шесть частот с максимальными значениями эмиссии относительно нормы от портов сетевого электропитания и сетевых портов СБП. Необходимо указать конкретный проводник для каждого значения эмиссии.
Эмиссию сетевого порта, если так определено, следует измерять как ток, а не напряжение с помощью датчика тока в соответствии с разделом 5 CISPR 16-1-2:2014.
A.7 Метод измерения на выходных портах переменного тока (если применимо)
Выходной порт переменного тока подключают к блоку резистивной нагрузки, выходную активную мощность переменного тока медленно увеличивают от нуля до максимального номинального значения для определения наихудшего случая напряжения помех.
Нагрузка должна быть исключительно резистивной, чтобы избежать ошибок измерения при несинусоидальных формах сигналов.
Помехи измеряют пробником напряжения с характеристиками, указанными в серии CISPR 16 и показанными на
рисунке A.1 при выходном напряжении, при котором помехи максимальны.
Напряжение помех не должно превышать норм, указанных в
5.3.2.3, при измерении на выходных зажимах СБП, подключенных к нагрузочному оборудованию.
Влияние на точность измерения конденсатора пробника напряжения или другого устройства, которое может быть использовано для защиты измерительного приемника от опасных токов, должно быть либо менее 1 дБ, либо таким, которое допускается при калибровке.
Типовой метод для подключения пробника напряжения представлен на
рисунке A.7. Длину соединения ограничивают, если это практически возможно, до 2 м или принимают во внимание дополнительную поправку на потери.
Пробник должен измерять каждую выходную клемму относительно эталонной заземляющей пластины, и результаты следует записывать.
Если это практически возможно, нагрузка должна быть расположена на расстоянии 0,8 м от испытуемой напольной СБП или на расстоянии 0,1 м от настольной СБП при длине нагрузочного кабеля 1 м.
Если вход сетевого электропитания СБП подключен через AMN, он должен оставаться в цепи, чтобы поддерживать заданное полное сопротивление источника питания.
В качестве альтернативы использованию пробника напряжения, как описано выше, допускается использовать AMN по тому же принципу, что и для измерения входного порта переменного тока.
Следует обратить внимание на возможный резонанс.
A.8 Метод измерения излучаемой эмиссии
A.8.1 Общие положения
Измерения следует проводить с помощью приемника с детектором квазипиковых значений в полосе частот от 30 до 1000 МГц.
Измерения излучаемого поля должны проводиться на расстоянии, измеренном от границы испытуемого устройства. Граница определяется воображаемой прямой линией, описывающей простую геометрическую конфигурацию, охватывающую испытуемое устройство. Все внутрисистемные кабели СБП и сама СБП должны находиться в пределах этой границы.
Конкретные измерительные расстояния для
СБП категории C2 и
СБП категории C1 указаны в
5.3.3.1.
A.8.2 Измерительные приемники
Измерительные приемники должны соответствовать требованиям CISPR 16-1-1.
A.8.3 Антенны
Испытание проводят в соответствии с разделом 7 CISPR 16-2-3:2010, CISPR 16-2-3:2010/AMD1:2010 и CISPR 16-2-3:2010/AMD2:2014.
A.9 Место измерения
A.9.1 Испытательная площадка
Испытание проводят в соответствии с требованиями CISPR 16-2-3.
A.9.2 Альтернативные испытательные площадки
В некоторых случаях может возникнуть необходимость проведения испытаний на площадках, не обладающих всеми характеристиками, описанными в
A.9.1. Необходимо получить доказательства того, что ошибки, вызванные такими альтернативными площадками, не приводят к недействительным полученным результатам.
Рисунок A.2 представляет собой пример альтернативной площадки. Другим примером является заземляющая пластина, не удовлетворяющая всем требованиям
A.9.1.
A.10 Размещение оборудования для испытаний на излучаемую эмиссию
A.10.1 Общие положения
СБП должна быть сконфигурирована и функционировать в соответствии с требованиями
A.6.4 и размещена для настольного оборудования в соответствии с
рисунком A.11, а для напольного оборудования - в соответствии с
рисунком A.12 или
рисунком A.13.
Настольную СБП устанавливают на неметаллическом столе на высоте 0,8 м над горизонтальной плоскостью заземления испытательной площадки по излучаемой эмиссии.
Напольную СБП устанавливают непосредственно на опорном заземлении, при этом точки контакта должны соответствовать нормальному использованию, но отделены от металлического контакта с опорным заземлением изоляцией толщиной не более 0,15 м.
Оборудование, предназначенное как для настольной, так и для напольной эксплуатации, испытывают только в настольной конфигурации за исключением случаев, когда типовая установка является напольной, которую и используют в этом случае.
Оборудование, предназначенное для настенного монтажа, испытывают как настольную СБП. Ориентация оборудования должна соответствовать ориентации при нормальной эксплуатации.
Ферритовые клещи типа CMAD используют для уменьшения влияния кабелей за пределами испытательного объема на результаты измерения излучаемых помех. Если используются CMAD (дополнительно), кабель, выходящий из испытательного объема, должен войти в CMAD в точке, где он достигает опорного заземления. Часть кабеля между точкой выхода CMAD и точкой выхода поворотного стола должна быть как можно короче. Каждый кабель оснащают отдельным CMAD. CMAD не применяют с кабелями диаметром больше, чем кабельные отверстия имеющихся в продаже CMAD.
Примечание - Изготовителю необходимо знать величину синфазного тока от испытуемого устройства для выбора соответствующего CMAD.
Для EUT с количеством кабелей, выходящих из испытательного объема, не более трех, каждый кабель оснащают CMAD во время измерений излучаемых помех. Это требование применимо к любому типу кабеля (например, силовому, сетевому порту). Для испытательной установки с более чем тремя кабелями, выходящими из испытательного объема, только три кабеля, от которых ожидается самое высокое излучение, должны быть оснащены устройствами CMAD. Кабели, на которых были применены CMAD, указывают в протоколе испытаний.
Добавление CMAD рекомендуется для обеспечения воспроизводимости результатов испытаний.
Если в тестовой конфигурации используются длинные кабели, рекомендуется ограничить длину, "видимую" для антенны. Расстояние между EUT и CMAD - 0,8 м.
A.10.2 Измерение излучаемой эмиссии
Как описано в
A.4, необходимо определить конфигурацию СБП, конфигурацию кабеля и режим работы, которые производят наибольшее излучение относительно нормы.
Изменения высоты антенны, поляризации антенны и азимута СБП необходимо исследовать, в то время как частотный спектр контролируют для фиксации самого высокого уровня излучения относительно нормы.
Из тех значений эмиссии, которые менее чем на 20 дБ ниже нормы, должны быть зарегистрированы, по крайней мере, шесть частот с максимальными значениями эмиссии относительно нормы. Поляризацию антенны регистрируют для каждого зафиксированного значения эмиссии.
A.10.3 Измерение при наличии сильных внешних сигналов
Испытание проводят в соответствии с требованиями 7.2 и приложения C CISPR 11:2015.
A.11 Измерение излучаемых магнитных помех
A.12 Измерение помех сетевого порта
Испытание проводят в соответствии с H.5 CISPR 16-2-1:2014.
Примечание -

,
где V - напряжение помех;
U - напряжение на входе измерительного прибора при условии, что Xc << 1500 Ом и X1 >> R на частоте измерения.
Рисунок A.1 - Схема измерения напряжения помех на входе
сети электропитания или выходе СБП
Внутри объема, определенного на земле линией, соответствующей "окружающей границе" и определяемой по высоте горизонтальной плоскостью на высоте не менее 3 м над самым высоким элементом измерительной антенны или испытуемого оборудования, не должно быть отражающих объектов.
См.
A.9.2 относительно применимости альтернативной испытательной площадки.
Рисунок A.2 - Минимальная альтернативная
испытательная площадка
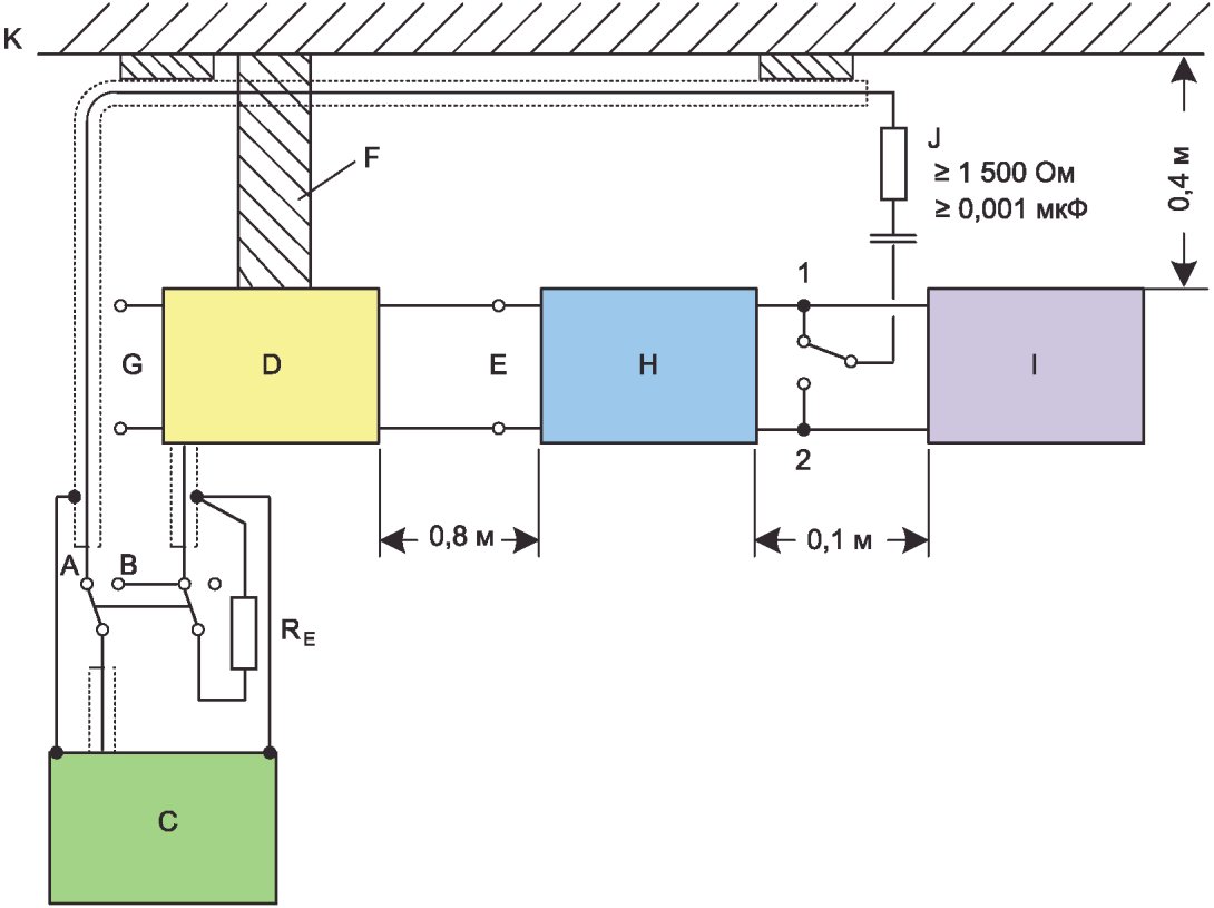
A - положение переключателя для измерения на нагрузке;
B - положение переключателя для измерения на входных
зажимах; C - измерительный приемник; D - AMN;
E - подключение СБП к AMN по сети электропитания;
F - шина заземления (соотношение длины/ширины не более 3:1);
G - вход сети электропитания; H - СБП; I - нагрузка;
J - пробник напряжения; K - опорное заземление;
RE - нагрузочный резистор (50 Ом)
Расстояние между выходными клеммами 1 и 2 СБП и нагрузкой - 0,1 м.
Соединительные линии между ними не должны превышать 1 м.
Опорную пластину заземления для измерения радиочастотных помех надежно прикрепляют к земле AMN.
Когда переключатель находится в положении A, клемму измерительного прибора на AMN подключают к соответствующему нагрузочному резистору RE.
Для СБП и/или нагрузок класса защиты 1 заземляющий провод должен быть подключен к земле AMN.
Рисунок A.3 - Установка для измерения кондуктивной эмиссии
настольных приборов с использованием пробника напряжения
| | ИС МЕГАНОРМ: примечание. В официальном тексте документа, видимо, допущена опечатка: рисунок 3 отсутствует. Возможно, имеется в виду рисунок A.3. | |
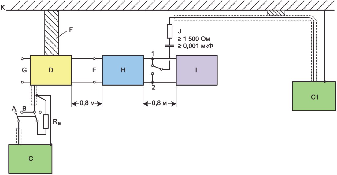
Конфигурация A: в случае, если ток, протекающий через нагрузку, меньше или равен номинальному току AMN.
Конфигурация B: если ток, протекающий через нагрузку, превышает номинальный ток AMN, нагрузка может быть подключена непосредственно к выходу СБП, при этом AMN будет использоваться только в качестве пробника.
Рисунок A.4 - Установка для измерения кондуктивной эмиссии
настольных приборов с использованием AMN
(альтернативный метод)
| | ИС МЕГАНОРМ: примечание. В официальном тексте документа, видимо, допущена опечатка: рисунок 3 отсутствует. Возможно, имеется в виду рисунок A.3. | |
C1 - альтернативное размещение измерительного приемника
Рисунок A.5 - Установка для измерения кондуктивной эмиссии
напольного оборудования
| | ИС МЕГАНОРМ: примечание. В официальном тексте документа, видимо, допущена опечатка: рисунок 3 отсутствует. Возможно, имеется в виду рисунок A.3. | |
C1 - альтернативное размещение измерительного приемника
Конфигурация A: в случае, если ток, протекающий через нагрузку, меньше или равен номинальному току AMN.
Конфигурация B: если ток, протекающий через нагрузку, превышает номинальный ток AMN, нагрузка может быть подключена непосредственно к выходу СБП, при этом AMN будет использоваться только в качестве пробника.
Рисунок A.6 - Установка для измерения кондуктивной эмиссии
напольных приборов с использованием AMN
(альтернативный метод)
AE - вспомогательное оборудование; AAN - асимметричный
эквивалент сети; AMN - эквивалент сети
--------------------------------
<a> Соединительные кабели, свисающие ближе, чем 0,4 м к пластине заземления, должны быть сложены вперед и назад, образуя связку длиной от 0,3 до 0,4 м, висящую примерно посередине между заземляющей пластиной и столом.
<b> Излишки шнура сетевого электропитания следует увязать в центре или укоротить до необходимой длины.
<c> См. H.5 CISPR 16-2-1:2014 для использования AAN или альтернативного метода. Если используют пробник тока, его следует разместить на расстоянии 0,1 м от AAN. Концы сетевых кабелей, не подлежащие измерению, нагружают с использованием соответствующего оконечного импеданса.
<d> AMN размещают над или непосредственно под пластиной заземления.
<e> Кабели сетевого электропитания располагают по всей длине, насколько это возможно, на расстоянии 0,4 м от вертикальной плоскости заземления.
Рисунок A.7 - Испытательная конфигурация для настольного
оборудования (измерение кондуктивных помех)
Рисунок A.8 - Испытательная конфигурация для настольного
оборудования (измерение кондуктивных помех) - вид сверху
Рисунок A.9 - Альтернативная тестовая конфигурация
для настольного оборудования (измерение кондуктивных
помех) - вид сверху
--------------------------------
<a> СБП и кабели должны быть изолированы (до 0,15 м) от горизонтальной пластины заземления. Излишки кабелей собирают в связку по центру. Если объединение в связки невозможно, кабели следует укладывать змеевидно.
<b> Излишки шнура сетевого электропитания следует увязать в центре или укоротить до необходимой длины.
<c> См. H.5 CISPR 16-2-1:2014 для использования AAN или альтернативного метода. Если используется пробник тока, его следует разместить на расстоянии 0,1 м от AAN. Концы сетевых кабелей, не подлежащие измерению, должны быть нагружены с использованием соответствующего оконечного импеданса.
<d> AMN размещают над или непосредственно под пластиной заземления.
<e> Внешняя батарея (если применимо) должна быть расположена и подключена, как в нормальной конфигурации объекта.
Рисунок A.10 - Испытательная конфигурация для настольного
оборудования (измерение кондуктивных помех)
--------------------------------
<a> Концы сетевых кабелей, подключенных к EUT, которые не подключены к другому устройству или вспомогательному оборудованию, должны быть нагружены с использованием соответствующего нагрузочного импеданса.
<b> Соединительные кабели, подвешенные на расстоянии менее 0,4 м от заземляющего слоя, должны быть сложены вперед и назад, образуя связку длиной от 0,3 до 0,4 м, висящую примерно посередине между землей и столом.
<c> Кабели сети электропитания должны свисать до пола, а затем подводиться к розетке. Использование удлинителей для подключения к розетке сетевого электропитания недопустимо. Распределительные коробки сети электропитания располагают заподлицо и прикрепляют непосредственно к пластине заземления, AMN, в случае использования, устанавливают под пластиной заземления. С целью ограничения для оценки долей излучения кабеля внутри испытательного объема CMAD допускается применять в том месте, где кабели покидают испытательный объем. CISPR 16-2-3 содержит дополнительные рекомендации по применению CMAD.
<d> Внешние устройства хранения энергии должны быть расположены и подключены в соответствии с нормальной эксплуатационной конфигурацией. Любое устройство хранения энергии, не помещающееся в испытательный объем, может быть расположено за пределами испытательного объема, в том числе за пределами испытательного помещения.
<e> Все блоки, составляющие испытуемую систему (включая EUT, подключенные периферийные устройства и вспомогательное оборудование или устройства), следует располагать в соответствии с нормальным использованием. Если это не определено при нормальном использовании, для испытательной схемы применяют номинальное расстояние 0,1 м между соседними блоками.
Рисунок A.11 - Испытательная конфигурация для настольного
оборудования (измерение излучаемых помех)
1 - специальная клемма заземления для обеспечения ЭМС
(если имеется)
Излишки входных/выходных кабелей собирают в связку по центру. Если объединение в связки невозможно, кабели следует укладывать змеевидно.
Излишки шнуров сетевого электропитания следует увязать по центру или укоротить до необходимой длины.
СБП и кабели должны быть изолированы (до 0,15 м) от горизонтальной пластины заземления.
Распределительную(ые) коробку(и) электропитания располагают заподлицо с плоскостью заземления и прикрепляют непосредственно к ней. AMN, в случае использования, должен быть установлен под пластиной заземления. С целью ограничения для оценки долей излучения кабеля внутри испытательного объема CMAD допускается применять в том месте, где кабели покидают испытательный объем. CISPR 16-2-3 содержит дополнительные рекомендации по применению CMAD.
Кабели сетевого электропитания и сигнальные кабели должны свисать до пола.
Внешнюю батарею (если применимо) располагают и подключают так же, как и при обычных условиях установки.
Устройство хранения энергии, не помещающееся в испытательный объем, может быть расположено за пределами испытательного объема, в том числе за пределами испытательного помещения. Между EUT/AE и CMAD (при его использовании) или между EUT/AE и пластиной заземления должна быть обеспечена длина кабеля (0,8 +/- 0,08) м.
Если CMAD не используются, излишки шнуров сети электропитания следует увязать в центре или укоротить до соответствующей длины.
Нагрузку, не помещающуюся в испытательный объем, размещают за его пределами, в том числе за пределами испытательного помещения.
Концы входных/выходных кабелей, которые не подключены к периферийным устройствам, должны быть увязаны в центре и при необходимости могут быть нагружены с правильным импедансом.
Рисунок A.12 - Испытательная конфигурация для напольного
оборудования (измерение излучаемых помех)
1 - специальная клемма заземления для обеспечения ЭМС
(если имеется); 2 - кабельные лотки или каналы, если они
проводящие, должны быть заземлены согласно соответствующим
правилам электромонтажа
Излишки входных/выходных кабелей собирают в связку по центру. Если объединение в связки невозможно, кабели следует укладывать змеевидно.
Излишки шнуров сетевого электропитания следует увязать по центру или укоротить до необходимой длины.
СБП и кабели должны быть изолированы (до 0,15 м) от горизонтальной пластины заземления.
Распределительную(ые) коробку(и) электропитания располагают заподлицо с плоскостью заземления и прикрепляют непосредственно к ней. AMN, в случае использования, должен быть установлен под пластиной заземления. С целью ограничения для оценки долей излучения кабеля внутри испытательного объема CMAD допускается применять в том месте, где кабели покидают испытательный объем. CISPR 16-2-3 содержит дополнительные рекомендации по применению CMAD.
Кабели сетевого электропитания и сигнальные кабели должны свисать до пола.
Внешнюю батарею (если применимо) располагают и подключают так же, как и при обычных условиях установки.
Устройство хранения энергии, не помещающееся в испытательный объем, может быть расположено за пределами испытательного объема, в том числе за пределами испытательного помещения.
Между EUT/AE и CMAD (при его использовании) или между EUT/AE и пластиной заземления должна быть обеспечена длина кабеля (0,8 +/- 0,08) м. Чтобы уменьшить длину кабеля между EUT и CMAD, его можно поднять выше, оставив не менее 0,8 м кабеля "видимым" для антенны.
Материал, используемый для поддержки кабеля, должен отвечать соответствующим правилам электромонтажа или инструкциям по установке изготовителя. Если CMAD не используются, излишки шнуров сети электропитания следует увязать в центре или укоротить до соответствующей длины.
Нагрузку, не помещающуюся в испытательный объем, размещают за его пределами, в том числе за пределами испытательного помещения.
Концы входных/выходных кабелей, которые не подключены к периферийным устройствам, должны быть увязаны в центре и при необходимости могут быть нагружены с правильным импедансом.
Рисунок A.13 - Испытательная конфигурация для напольного
оборудования с верхним подключением
(измерение излучаемых помех)
(справочное)
НОРМЫ ЭЛЕКТРОМАГНИТНОЙ ЭМИССИИ
И МЕТОДЫ ИЗМЕРЕНИЯ МАГНИТНОГО ПОЛЯ. H-ПОЛЕ
Магнитную составляющую поля, излучаемую испытуемым устройством, измеряют в полосе частот от 10 кГц до 30 МГц.
Если измерения проводят в экранированном помещении, его размеры таковы, чтобы антенны всегда располагались на расстоянии не менее 1 м от каждой из стен. Испытуемое оборудование размещают на заземленной поверхности на высоте (1 +/- 0,2) м от пола. Измерения проводят на расстоянии D = 3 м от стороны испытуемого оборудования, от которой наблюдают наибольший уровень помех.
Сторона, вызывающая наибольшие помехи, определяется как сторона, излучающая сигнал самого высокого уровня в рассматриваемой полосе частот. Выбор этой стороны и ориентации измерительной антенны упрощается при использовании анализатора спектра. Измерительное расстояние определяют от фазового центра антенны.
Измерения проводят с использованием экранированной рамочной антенны, как показано на
рисунке B.1. Рамка ориентирована в вертикальной плоскости так, чтобы она принимала максимальный уровень магнитного поля.
Рисунок B.1 - Испытательная установка для измерения
излучаемых помех
При измерении с помощью рамочной антенны нормы, указанные в
таблицах B.1 и
B.2, применяют при измерении на расстоянии 3 м в соответствии с
рисунком B.1.
Таблица B.1
СБП с номинальным выходным током не более 16 А
Полоса частот, МГц | Нормы квазипиковых значений, дБ (мкА/м) |
СБП категории C1 | СБП категории C2 |
От 0,01 до 0,15 | От 40,0 до 16,5 | От 52,0 до 28,5 |
От 0,15 до 1,0 | От 16,5 до 0 | От 28,5 до 12,0 |
От 1 до 30 | От 0 до -10,5 | От 12,0 до 1,5 |
Примечание - Во всех полосах частот норма уменьшается линейно с логарифмом частоты. |
Таблица B.2
СБП с номинальным выходным током более 16 А
Полоса частот, МГц | Нормы квазипиковых значений, дБ (мкА/м) |
СБП категории C1 | СБП категории C2/C3 |
От 0,01 до 0,15 | От 52,0 до 28,5 | От 64,0 до 40,5 |
От 0,15 до 1,0 | От 28,5 до 12,0 | От 40,5 до 24,0 |
От 1 до 30 | От 12,0 до 1,5 | От 24,0 до 13,5 |
Примечание - Во всех полосах частот норма уменьшается линейно с логарифмом частоты. |
(обязательное)
ЭЛЕКТРОМАГНИТНАЯ ЭМИССИЯ.
НОРМЫ НА СЕТЕВЫХ ПОРТАХ
Таблица C.1
Нормы на сетевых портах СБП категории C1
Полоса частот | Нормы | Основополагающий стандарт |
От 0,15 до 0,5 МГц. | От 40 дБ (мкА) до 30 дБ (мкА) квазипиковое значение | CISPR 22 Class B |
Норма уменьшается линейно с логарифмом частоты | От 30 дБ (мкА) до 20 дБ (мкА) среднее значение |
От 0,5 до 30 МГц | От 30 дБ (мкА) квазипиковое значение От 20 дБ (мкА) среднее значение |
Таблица C.2
Нормы на сетевых портах СБП категории C2
Полоса частот | Нормы | Основополагающий стандарт |
От 0,15 до 0,5 МГц. | От 53 дБ (мкА) до 43 дБ (мкА) квазипиковое значение | CISPR 22 Class A |
Норма уменьшается линейно с логарифмом частоты | От 40 дБ (мкА) до 30 дБ (мкА) среднее значение |
От 0,5 до 30 МГц | 43 дБ (мкА) квазипиковое значение |
30 дБ (мкА) среднее значение |
Таблица C.3
Нормы на сетевых портах СБП категории C3
Полоса частот | Нормы | Основополагающий стандарт |
От 0,15 до 0,5 МГц. | От 66 дБ (мкА) до 56 дБ (мкА) квазипиковое значение | Экстраполяция и CISPR 16-1-2 |
Норма уменьшается линейно с логарифмом частоты | От 50 дБ (мкА) до 40 дБ (мкА) среднее значение |
От 0,5 до 30 МГц | 56 дБ (мкА) квазипиковое значение |
40 дБ (мкА) среднее значение |
(обязательное)
ЭЛЕКТРОМАГНИТНАЯ УСТОЙЧИВОСТЬ.
МЕТОДЫ ИСПЫТАНИЙ
D.1 Общие положения
D.1.1 Цель испытаний
Целью этих испытаний является измерение степени устойчивости систем СБП к электромагнитным помехам.
С учетом диапазона физических размеров и номинальной мощности изготовитель может выбрать наиболее подходящую испытательную площадку и конфигурацию, которая лучше всего подходит для физического размещения СБП и, при необходимости, в пределах номинального тока испытательного оборудования для токов, превышающих 100 А.
D.1.2 Обстановка при проведении испытаний
Предпочтительно проводить испытания на устойчивость в лабораторных условиях, где все испытания необходимо проводить на металлической пластине заземления, выступающей со всех сторон за пределы СБП не менее чем на 0,5 м; но с минимальными размерами 1 x 1 м.
Напольную СБП устанавливают на непроводящей опоре на высоте от 0,05 до 0,15 м над опорной плоскостью.
СБП, предназначенную для настольного использования, устанавливают на деревянном столе высотой 0,8 м.
Испытуемое оборудование далее обозначается "СБП".
D.2 Электростатический разряд (ЭСР)
Устойчивость к электростатическим разрядам проверяют в соответствии с IEC 61000-4-2. ЭСР подают только к тем точкам и поверхностям СБП, которые доступны персоналу при нормальном использовании, а также к горизонтальной пластине связи и вертикальной пластине связи размером 0,5 x 0,5 м.
D.3 Устойчивость к излучаемым электромагнитным полям
D.3.1 Общие положения
Испытание на устойчивость к излучаемым электромагнитным полям проводят в соответствии с IEC 61000-4-3. Испытательное оборудование, испытательная установка, калибровка, размещение испытуемого оборудования и процедуры должны соответствовать конкретным разделам IEC 61000-4-3.
D.3.2 Расположение кабелей
Испытание необходимо проводить в соответствии с требованиями 7.3 IEC 61000-4-3:2006.
D.4 Устойчивость к быстрым переходным процессам
D.4.1 Испытание на устойчивость к повторяющимся быстрым переходным процессам требуется для всех кабелей, которые можно подключить к СБП, если только изготовителем не заявлено, что они не превышают 3 м.
D.4.2 Оборудование испытывают в соответствии с IEC 61000-4-4.
D.4.3 Емкостные клещи связи согласно подразделу 6.4 IEC 61000-4-4:2012 должны располагаться на расстоянии не более 1 м от СБП на любом входящем или выходящем кабеле.
D.5 Устойчивость к выбросам напряжения
Испытание проводят согласно IEC 61000-4-5.
D.6 Устойчивость к низкочастотным сигналам
D.6.1 Гармоники и интергармоники в линии электропитания
D.6.1.1 Общие положения
Работающая СБП должна выдерживать низкочастотные кондуктивные помехи в сети, как указано в IEC 61000-2-2. Соответствие проверяют путем моделирования приведенных ниже условий, и СБП должна продолжать работать без ухудшения заявленных характеристик.
D.6.1.2 Однофазное оборудование
Испытание, как минимум, необходимо проводить с использованием единственного синусоидального напряжения помехи 10 В и частоты, медленно изменяющейся от 140 до 360 Гц. Допускается использовать схему последовательного ввода, в которой подается питание сети с частотой от 50 до 60 Гц, а усилитель выдает только гармоники.
Напряжение помехи 10 В применяют, когда входное напряжение переменного тока имеет номинальное значение 230 В и выше. Для входного напряжения переменного тока с номиналом ниже 230 В применяют пропорционально более низкое напряжение помехи.
D.6.1.3 Трехфазное оборудование
Испытательная установка и уровень напряжения для каждой фазы идентичны установке для однофазного оборудования; однако используется трехфазный генератор переменной частоты (статический или вращающийся).
Частоту медленно меняют от 140 до 360 Гц.
Испытание проводят для обеих последовательностей чередования трехфазного сигнала помехи.
Если оборудование имеет нейтральную клемму, его следует подключать и испытывать, как при однофазном испытании, но только на частоте, близкой к трехкратной частоте сети.
Напряжение помехи 10 В применяют, когда входное напряжение переменного тока составляет 230/400 В и выше. Для входных напряжений переменного тока с номиналом ниже 230/400 В применяется пропорционально более низкое напряжение помехи.
D.6.2 Несимметрия линии электропитания (только для трехфазных СБП)
Трехфазные системы должны быть проверены на несимметрию амплитуд и фаз на входе линии электропитания.
Сигнал несимметрии может быть получен с помощью однофазного трансформатора или эквивалентными средствами.
Испытания на дисбаланс проводят только на одной линии.
Испытание на несимметрию амплитуды проводят с использованием трансформатора 230:5, обычно подключаемого к сети 230 В, как показано на
рисунке D.1. Испытание проводят как при указанном соединении, так и при обратном подключении первичной обмотки трансформатора.
Рисунок D.1 - Амплитудная несимметрия
Коэффициент трансформатора является представительным для распределительной системы 400/230 В. Соотношение зависит от напряжения распределительной системы, к которой подключена СБП.
Испытание на несимметрию фаз проводится с помощью трансформатора 400:5, который обычно подключается к сети 400 В, как показано на
рисунке D.2. Испытание следует проводить как при указанном соединении, так и при обратном подключении первичной обмотки трансформатора.
Рисунок D.2 - Фазовая несимметрия
Коэффициент трансформатора является представительным для распределительной системы 400/230 В. Соотношение зависит от напряжения распределительной системы, к которой подключена СБП.
(справочное)
ИСПЫТАНИЯ НА МЕСТЕ УСТАНОВКИ
Измерения на месте установки обычно необходимы для категории C4 и могут иногда применяться и для других категорий (C2 и C3).
Для общего руководства следует учитывать следующее:
a) кондуктивную эмиссию.
Напряжение на клеммах сетевого электропитания можно измерить с помощью пробника напряжения в соответствии с разделом 5 CISPR 16-1-2:2014, как показано на
рисунке A.1;
b) излучаемую эмиссию.
Измерения желательно проводить на границе помещения пользователя; если эта граница находится на расстоянии менее 30 м от испытуемого устройства, измерения следует проводить на расстоянии 30 м от испытуемого устройства. Количество измерений, выполняемых по азимуту, должно быть настолько большим, насколько это практически осуществимо, но следует выполнить не менее четырех измерений в ортогональных направлениях, а также измерений, выполняемых в направлении к любому существующему оборудованию, на которое может быть оказано неблагоприятное воздействие.
Примечание - Измерения, выполняемые по азимуту, состоят из измерения излучаемой эмиссии под разными углами в горизонтальной плоскости вокруг EUT.
Эта форма подтверждения соответствия специфична для места установки, поскольку характеристики места влияют на измерения. К испытуемому оборудованию можно добавить дополнительные СБП, прошедшие типовые испытания и соответствующие требованиям, без признания недействительным статуса соответствия измерений.
В любом случае измерения необходимо выполнять в соответствии с действующим соглашением между поставщиком и потребителем.
(справочное)
СВЕДЕНИЯ О СООТВЕТСТВИИ ССЫЛОЧНЫХ МЕЖДУНАРОДНЫХ СТАНДАРТОВ
МЕЖГОСУДАРСТВЕННЫМ СТАНДАРТАМ
Таблица ДА.1
Обозначение ссылочного международного стандарта | Степень соответствия | Обозначение и наименование соответствующего межгосударственного стандарта |
IEC 61000-2-2:2002 | - | |
IEC 61000-3-2:2014 | - | |
IEC 61000-3-12:2011 | IDT | ГОСТ IEC 61000-3-12-2016 "Электромагнитная совместимость (ЭМС). Часть 3-12. Нормы. Нормы гармонических составляющих тока, создаваемых оборудованием, подключаемым к общественным низковольтным системам, с входным током более 16 А, но не более 75 А в одной фазе" |
IEC 61000-4-2:2008 | MOD | ГОСТ 30804.4.2-2013 (IEC 61000-4-2:2008) "Совместимость технических средств электромагнитная. Устойчивость к электростатическим разрядам. Требования и методы испытаний" |
IEC 61000-4-3:2006 | MOD | ГОСТ 30804.4.3-2013 (IEC 61000-4-3:2006) "Совместимость технических средств электромагнитная. Устойчивость к радиочастотному электромагнитному полю. Требования и методы испытаний" |
IEC 61000-4-4:2012 | IDT | ГОСТ IEC 61000-4-4-2016 "Электромагнитная совместимость (ЭМС). Часть 4-4. Методы испытаний и измерений. Испытание на устойчивость к электрическим быстрым переходным процессам (пачкам)" |
IEC 61000-4-5:2014 | IDT | ГОСТ IEC 61000-4-5-2017 "Электромагнитная совместимость (ЭМС). Часть 4-5. Методы испытаний и измерений. Испытание на устойчивость к выбросу напряжения" |
IEC 61000-4-6:2013 | IDT | ГОСТ IEC 61000-4-6-2022 "Электромагнитная совместимость (ЭМС). Часть 4-6. Методы испытаний и измерений. Устойчивость к кондуктивным помехам, наведенным радиочастотными полями" |
IEC 61000-4-8:2009 | - | |
IEC 62040-3:2011 | IDT | ГОСТ IEC 62040-3-2018 "Системы бесперебойного энергоснабжения (UPS). Часть 3. Метод установления эксплуатационных характеристик и требования к испытаниям" |
CISPR 11:2015 | IDT | ГОСТ CISPR 11-2017 "Электромагнитная совместимость. Оборудование промышленное, научное и медицинское. Характеристики радиочастотных помех. Нормы и методы испытаний" |
CISPR 16-1-1:2015 | IDT | ГОСТ CISPR 16-1-1-2016 "Требования к аппаратуре для измерения радиопомех и помехоустойчивости и методы измерения. Часть 1-1. Аппаратура для измерения радиопомех и помехоустойчивости. Измерительная аппаратура" |
CISPR 16-1-2:2014 | IDT | ГОСТ CISPR 16-1-2-2016 "Требования к аппаратуре для измерения радиопомех и помехоустойчивости и методы измерения. Часть 1-2. Аппаратура для измерения радиопомех и помехоустойчивости. Устройства связи для измерений кондуктивных помех" |
CISPR 16-1-4:2010 | - | |
CISPR 16-2-1:2014 | IDT | ГОСТ CISPR 16-2-1-2015 "Требования к аппаратуре для измерения радиопомех и помехоустойчивости и методы измерения. Часть 2-1. Методы измерения помех и помехоустойчивости. Измерения кондуктивных помех" |
CISPR 16-2-3:2010 | - | |
CISPR 22:2008 | - | |
<*> Соответствующий межгосударственный стандарт отсутствует. До его принятия рекомендуется использовать перевод на русский язык данного международного стандарта. Примечание - В настоящей таблице использованы следующие условные обозначения степени соответствия стандартов: - IDT - идентичные стандарты; - MOD - модифицированные стандарты. |
IEC 60050-161 | International electrotechnical vocabulary - Chapter 161: Electromagnetic compatibility (Международный электротехнический словарь. Глава 161. Электромагнитная совместимость) |
IEC 61000-4 (все части) | Electromagnetic compatibility (EMC) [Электромагнитная совместимость (ЭМС)] |
IEC 61204 (все части) | Low-voltage power supply devices, d.c. output (Источники питания низковольтные, вырабатывающие постоянный ток) |
CISPR 15:2013 CISPR 15:2013/AMD1:2015 | Limits and methods of measurement of radio disturbance characteristics of electrical lighting and similar equipment (Оборудование электроосветительное и аналогичное. Предельные значения и методы измерений характеристик радиопомех) |
УДК 621.396/.397.001.4:006.354 | | IDT |
Ключевые слова: электромагнитная совместимость, системы бесперебойного питания, электромагнитная эмиссия, радиопомехи, гармонические составляющие тока, устойчивость к электромагнитным помехам, требования, критерии качества функционирования, методы испытаний, методы измерений |