Главная // Актуальные документы // Актуальные документы (обновление 2025.06.02-2025.07.05) // ГОСТ (Государственный стандарт)СПРАВКА
Источник публикации
В данном виде документ опубликован не был.
Первоначальный текст документа опубликован в издании
М.: ФГБУ "РСТ", 2021.
Информацию о публикации документов, создающих данную редакцию, см. в справке к этим документам.
Примечание к документу
Документ включен в Перечень международных и региональных (межгосударственных) стандартов (
п.п. 49,
119,
233,
295,
434,
507,
643,
699,
758), а в случае их отсутствия - национальных (государственных) стандартов, содержащих правила и методы исследований (испытаний) и измерений, в том числе правила отбора образцов, необходимые для применения и исполнения требований технического
регламента Таможенного союза "О безопасности железнодорожного подвижного состава" (ТР ТС 001/2011) и осуществления оценки соответствия объектов технического регулирования (
Решение Коллегии Евразийской экономической комиссии от 16.07.2024 N 81).
Документ включен в
Перечень международных и региональных (межгосударственных) стандартов, а в случае их отсутствия - национальных (государственных) стандартов, в результате применения которых на добровольной основе обеспечивается соблюдение требований технического
регламента Таможенного союза "Электромагнитная совместимость технических средств" (ТР ТС 020/2011), и
Перечень международных и региональных (межгосударственных) стандартов, а в случае их отсутствия - национальных (государственных) стандартов, содержащих правила и методы исследований (испытаний) и измерений, в том числе правила отбора образцов, необходимые для применения и исполнения требований технического
регламента Таможенного союза "Электромагнитная совместимость технических средств" (ТР ТС 020/2011) и осуществления оценки соответствия объектов технического регулирования (
Решение Коллегии Евразийской экономической комиссии от 29.06.2021 N 77).
Текст данного документа приведен с учетом
поправки, опубликованной в "ИУС", N 8, 2023.
Изменение N 1, принятое Протоколом Межгосударственного совета по стандартизации, метрологии и сертификации от 30.04.2024 N 172-П, вводится в действие на территории Российской Федерации с 01.09.2025 с правом досрочного применения.
Название документа
"ГОСТ CISPR 11-2017. Межгосударственный стандарт. Электромагнитная совместимость. Оборудование промышленное, научное и медицинское. Характеристики радиочастотных помех. Нормы и методы испытаний"
(введен в действие Приказом Росстандарта от 31.08.2021 N 884-ст)
(ред. от 30.04.2024)
"ГОСТ CISPR 11-2017. Межгосударственный стандарт. Электромагнитная совместимость. Оборудование промышленное, научное и медицинское. Характеристики радиочастотных помех. Нормы и методы испытаний"
(введен в действие Приказом Росстандарта от 31.08.2021 N 884-ст)
(ред. от 30.04.2024)
по техническому регулированию
и метрологии
от 31 августа 2021 г. N 884-ст
МЕЖГОСУДАРСТВЕННЫЙ СТАНДАРТ
ЭЛЕКТРОМАГНИТНАЯ СОВМЕСТИМОСТЬ
ОБОРУДОВАНИЕ ПРОМЫШЛЕННОЕ, НАУЧНОЕ И МЕДИЦИНСКОЕ.
ХАРАКТЕРИСТИКИ РАДИОЧАСТОТНЫХ ПОМЕХ.
НОРМЫ И МЕТОДЫ ИСПЫТАНИЙ
Electromagnetic compatibility. Industrial, scientific
and medical equipment. Radio-frequency disturbance
characteristics. Norms and methods of measurement
(CISPR 11:2015, Industrial, scientific and medical
equipment - Radio-frequency disturbance
characteristics - Norms and methods of measurement, IDT)
ГОСТ CISPR 11-2017
| | Список изменяющих документов Межгосударственного совета по стандартизации, метрологии и сертификации от 30.04.2024 N 172-П) | |
Дата введения
1 июля 2023 года
Цели, основные принципы и общие правила проведения работ по межгосударственной стандартизации установлены
ГОСТ 1.0 "Межгосударственная система стандартизации. Основные положения" и
ГОСТ 1.2 "Межгосударственная система стандартизации. Стандарты межгосударственные, правила и рекомендации по межгосударственной стандартизации. Правила разработки, принятия, обновления и отмены"
1 ПОДГОТОВЛЕН Научно-производственным республиканским унитарным предприятием "Белорусский государственный институт стандартизации и сертификации" (БелГИСС) на основе собственного перевода на русский язык англоязычной версии стандарта, указанного в
пункте 5
2 ВНЕСЕН Государственным комитетом по стандартизации Республики Беларусь
3 ПРИНЯТ Межгосударственным советом по стандартизации, метрологии и сертификации (протокол от 20 апреля 2017 г. N 98-П)
За принятие проголосовали:
Краткое наименование страны по МК (ИСО 3166) 004-97 | Код страны по МК (ИСО 3166) 004-97 | Сокращенное наименование национального органа по стандартизации |
Азербайджан | AZ | Азстандарт |
Армения | AM | ЗАО "Национальный орган по стандартизации и метрологии" Республики Армения |
Беларусь | BY | Госстандарт Республики Беларусь |
Грузия | GE | Грузстандарт |
Казахстан | KZ | Госстандарт Республики Казахстан |
Киргизия | KG | Кыргызстандарт |
Россия | RU | Росстандарт |
Таджикистан | TJ | Таджикстандарт |
Узбекистан | UZ | Узстандарт |
4
Приказом Федерального агентства по техническому регулированию и метрологии от 31 августа 2021 г. N 884-ст межгосударственный стандарт ГОСТ CISPR 11-2017 введен в действие в качестве национального стандарта Российской Федерации с 1 июля 2023 г.
5 Настоящий стандарт идентичен международному стандарту CISPR 11:2015 "Оборудование промышленное, научное и медицинское. Характеристики радиочастотных помех. Нормы и методы измерений" ("Industrial, scientific and medical equipment - Radio-frequency disturbance characteristics - Limits and methods of measurement", IDT) с изменением A1:2016 и изменением A2:2019.
(в ред.
Изменения N 1, принятого Протоколом Межгосударственного совета по стандартизации, метрологии и сертификации от 30.04.2024 N 172-П)
Наименование настоящего стандарта изменено относительно наименования указанного международного стандарта для приведения в соответствие с ГОСТ 1.5
(подраздел 3.6).
Международный стандарт разработан подкомитетом CISPR/SC B "Радиопомехи, относящиеся к промышленной, научной и медицинской радиочастотной аппаратуре, к другому (тяжелому) промышленному оборудованию, к воздушным линиям электропередачи, высоковольтному оборудованию и электрической тяге" Технического комитета по стандартизации CISPR "Международный специальный комитет по радиопомехам" Международной электротехнической комиссии (IEC).
При применении настоящего стандарта рекомендуется использовать вместо ссылочных международных стандартов соответствующие им межгосударственные стандарты, сведения о которых приведены в дополнительном
приложении ДА
6 ВВЕДЕН ВПЕРВЫЕ
Информация о введении в действие (прекращении действия) настоящего стандарта и изменений к нему на территории указанных выше государств публикуется в указателях национальных стандартов, издаваемых в этих государствах, а также в сети Интернет на сайтах соответствующих национальных органов по стандартизации.
В случае пересмотра, изменения или отмены настоящего стандарта соответствующая информация будет опубликована на официальном интернет-сайте Межгосударственного совета по стандартизации, метрологии и сертификации в каталоге "Межгосударственные стандарты"
Настоящий стандарт содержит общие требования к контролю радиочастотных помех (РЧ-помех) от оборудования, предназначенного для использования в промышленных, научных и медицинских (ПНМ) электрических применениях, а также специфические требования к контролю РЧ-помех, вызванных ПНМ РЧ-использованием в значении определения Международного союза электросвязи, см.
определение 3.13 настоящего стандарта. CISPR и МСЭ разделяют ответственность по защите служб радиосвязи в отношении использования радиочастотной энергии для ПНМ-применения.
CISPR занимается контролем РЧ-помех при ПНМ-использовании радиочастотной энергии с помощью оценки этих помех на стандартизованной измерительной площадке (в испытательной лаборатории) или в месте его эксплуатации для отдельного ПНМ-использования радиочастотной энергии, которое не может быть испытано на такой площадке. Таким образом, в область применения настоящего стандарта включены требования к оценке соответствия оборудования, оцениваемого посредством испытаний типа на стандартизованных измерительных площадках, либо отдельного оборудования в условиях эксплуатации на месте.
МСЭ занимается контролем РЧ-помех при ПНМ-использовании радиочастотной энергии во время нормальной эксплуатации и при использовании соответствующего оборудования на месте его эксплуатации (см. определение 1.15 Регламента радиосвязи МСЭ). Тогда применение радиочастотной энергии, отделенной от ПНМ-использования радиочастотной энергии излучением, индукцией или емкостной связью, ограничивается местоположением этого конкретного применения.
В
6.3 настоящего стандарта приведены основополагающие требования по помехоэмиссии (излучению) для оценки РЧ-помех при ПНМ-использовании радиочастотной энергии на стандартизованных измерительных площадках. Эти требования позволяют проводить испытания типа ПНМ-использования радиочастотной энергии оборудования, работающего на частотах до 18 ГГц. Кроме того, в
6.4 содержатся основополагающие требования к помехоэмиссии (излучению) для оценки РЧ-помех от отдельного ПНМ-использования радиочастотной энергии в частотном диапазоне до 1 ГГц в месте эксплуатации. Все требования были установлены при тесном сотрудничестве с МСЭ и утверждены МСЭ.
Однако для работы и применения нескольких типов ПНМ-использования радиочастотной энергии изготовитель, монтажная организация и/или потребитель должны быть осведомлены о дополнительных национальных положениях, касающихся возможного лицензирования и конкретных потребностей в защите местных служб радиосвязи и применений. В зависимости от конкретной страны такие дополнительные положения могут применяться к отдельным ПНМ-использованиям радиочастотной энергии, работающим на частотах за пределами выделенных для ПНМ-использования диапазонов частот (см.
таблицу 1). Они также могут применяться к ПНМ-использованию радиочастотной энергии, работающему на частотах выше 18 ГГц. Для последнего типа использования локальная защита служб радиосвязи и техники требует выполнения оценки соответствия путем применения соответствующих положений национального законодательства в диапазоне частот выше 18 ГГц в соответствии с закрепленными правами МСЭ и национальных правил. Эти дополнительные национальные положения могут применяться к паразитным излучениям, эмиссии, появляющимся на гармониках рабочей частоты, и допустимым излучениям на рабочей частоте, выделенной за пределами установленного ПНМ-диапазона в диапазоне частот выше 18 ГГц.
Рекомендации CISPR по защите служб радиосвязи в конкретных зонах приведены в приложении E настоящего стандарта.
Определение 1.15 Регламента радиосвязи МСЭ гласит:
1.15 промышленное, научное и медицинское (ПНМ) использование (радиочастотной энергии): Работа оборудования или приборов, предназначенных для генерирования и местного использования радиочастотной энергии для промышленных, научных, медицинских, бытовых или подобных целей, за исключением применения в области электросвязи.
[Регламент радиосвязи МСЭ. Том 1:2012. Глава I, определение 1.15]
Изменение 1 вводит использование полностью безэховой камеры (FAR) для измерения напряженности поля помех в полосе частот от 30 МГц до 1 ГГц на оборудовании, которое входит в область применения CISPR 11.
Изменение 1 содержит требования к измерению излучаемых помех от оборудования, соответствие размеров которого рабочему объему FAR подтверждено. Изменение устанавливает требования по измерительному расстоянию 3 м и ограничивает использование FAR для измерений настольного оборудования.
На данный момент FAR может быть использована:
- для испытания настольного оборудования, соответствующего установленному рабочему объему конкретной FAR;
- только для измерения на измерительном расстоянии, равном 3 м;
- если подтверждено соответствие рабочего объема полностью безэховой камеры FAR размерам испытуемого оборудования в соответствии с CISPR 16-1-4.
Нормы для оборудования классов A и B группы 1 основаны на нормах, установленных в общих стандартах на помехоэмиссию IEC 61000-6-3:2006/Amd.1:2010 и IEC 61000-6-4:2006/Amd.1:2010. Нормы для классов A и Б оборудования группы 2 были получены по той же формуле аппроксимации, используемой при расчете норм общих стандартов на помехоэмиссию с середины 2000 по 2010 г. В CISPR/H/104/INF, опубликованном в 2005 г., приведены подробные разъяснения о том, каким образом были получены эти нормы для FAR.
Более подробная справочная информация приведена в CISPR/B/627/CDV.
Настоящий стандарт распространяется на промышленное, научное и медицинское электрическое оборудование (далее - ПНМ-оборудование), работающие в диапазоне частот до 400 ГГц, и на бытовое или аналогичное оборудование, предназначенное для генерирования и/или использования локальной радиочастотной энергии.
Настоящий стандарт устанавливает требования к эмиссии радиопомех в диапазоне частот от 9 кГц до 400 ГГц. Измерения необходимо проводить только в диапазонах частот, для которых установлены нормы в
разделе 6.
Для радиочастотного ПНМ-использования (ПНМ РЧ) в соответствии с Регламентом радиосвязи МСЭ (пункт 3.13) настоящий стандарт устанавливает требования к эмиссии радиопомех в диапазоне частот от 9 кГц до 18 ГГц.
Примечание - Требования по помехоэмиссии индукционных устройств для приготовления пищи установлены в
[1].
Настоящий стандарт устанавливает требования к радиочастотному световому ПНМ-оборудованию и ультрафиолетовым (УФ) излучателям, работающим в диапазонах ПНМ-частот, установленных Регламентом электросвязи МСЭ.
Настоящий стандарт не распространяется на оборудование, которое входит в область применения других стандартов CISPR на продукцию или стандартов, устанавливающих требования к помехоэмиссии конкретных видов продукции.
В настоящем стандарте использованы нормативные ссылки на следующие стандарты [для датированных ссылок применяют только указанное издание ссылочного стандарта, для недатированных - последнее издание (включая все изменения)]:
CISPR 16-1-1:2010 <*>, Specification for radio disturbance and immunity measuring apparatus and methods - Part 1-1: Radio disturbance and immunity measuring apparatus - Measuring apparatus
--------------------------------
<*> Заменен на CISPR 16-1-1:2015.
Amendment 1:2010
Amendment 2:2014
(Технические условия на оборудование и методы измерений радиопомех и помехоустойчивости. Часть 1-1. Оборудование для измерения радиопомех и помехоустойчивости. Измерительное оборудование
Изменение A1:2010
Изменение A2:2014)
CISPR 16-1-2:2014, Specification for radio disturbance and immunity measuring apparatus and methods - Part 1-2: Radio disturbance and immunity measuring apparatus - Coupling devices for conducted disturbance measurements (Технические условия на оборудование и методы измерений радиопомех и помехоустойчивости. Часть 1-2. Оборудование для измерения радиопомех и помехоустойчивости. Соединительные устройства для измерений кондуктивных помех)
CISPR 16-1-4:2010, Specification for radio disturbance and immunity measuring apparatus and methods - Part 1-4: Radio disturbance and immunity measuring apparatus - Antennas and test sites for radiated disturbance measurements
Amendment 1:2012
(Технические условия на оборудование и методы измерений радиопомех и помехоустойчивости. Часть 1-4. Оборудование для измерения радиопомех и помехоустойчивости. Антенны и испытательные стенды для измерений излучаемых помех
Изменение A1:2012)
CISPR 16-2-1:2014, Specification for radio disturbance and immunity measuring apparatus and methods - Part 2-1: Methods of measurement of disturbances and immunity - Conducted disturbance measurements (Технические условия на оборудование и методы измерений радиопомех и помехоустойчивости. Часть 2-1. Методы измерений помех и помехоустойчивости. Измерения кондуктивных помех)
CISPR 16-2-3:2010 <*>, Specification for radio disturbance and immunity measuring apparatus and methods - Part 2-3: Methods of measurement of disturbances and immunity - Radiated disturbance measurements
--------------------------------
<*> Заменен на CISPR 16-2-3:2016.
Amendment 1:2010
Amendment 1:2014
(Технические условия на оборудование и методы измерений радиопомех и помехоустойчивости. Часть 2-3. Методы измерений радиопомех и помехоустойчивости. Измерения излучаемых помех
Изменение Amd 1:2010
Изменение Amd 1:2014)
CISPR 16-4-2:2011, Specification for radio disturbance and immunity measuring apparatus and methods - Part 4-2: Uncertainties, statistics and limit modelling - Measuring instrumentation uncertainty
Amendment 1:2014
(Технические условия на оборудование и методы измерений радиопомех и помехоустойчивости. Часть 4-2. Неопределенности, статистика и моделирование норм. Неопределенность измерений измерительной аппаратуры
Изменение A1:2014)
IEC 60050-161:1990, International Electrotechnical Vocabulary (IEV) - Chapter 161: Electromagnetic compatibility (Международный электротехнический словарь. Глава 161. Электромагнитная совместимость)
IEC 60601-1-2:2014, Medical electrical equipment - Part 1-2: General requirements for basic safety and essential performance - Collateral standard: Electromagnetic disturbances - Requirements and tests (Оборудование медицинское электрическое. Часть 1-2. Общие требования к безопасности и основным характеристикам. Дополнительный стандарт. Электромагнитные помехи. Требования и испытания)
IEC 60601-2-2:2009 <**>, Medical electrical equipment - Part 2-2: Particular requirements for the basic safety and essential performance of high frequency surgical equipment and high frequency surgical accessories (Оборудование медицинское электрическое. Часть 2-2. Дополнительные требования к безопасности и основным характеристикам высокочастотного хирургического оборудования и высокочастотных хирургических принадлежностей)
--------------------------------
<**> Заменен на IEC 60601-2-2:2017.
IEC 60974-10:2014, Arc welding equipment - Part 10: Electromagnetic compatibility (EMC) Requirements (Оборудование для дуговой сварки. Часть 10. Требования к электромагнитной совместимости (EMC))
IEC 61307:2011, Industrial microwave heating installations - Test methods for the determination of power output (Установки СВЧ-нагрева промышленные. Методы определения выходной мощности)
IEC 62135-2:2007 <*>, Resistance welding equipment - Part 2: Electromagnetic compatibility (EMC) requirements (Оборудование для контактной сварки. Часть 2. Требования к электромагнитной совместимости (EMC))
--------------------------------
<*> Заменен на IEC 62135-2:2015.
ITU Radio Regulations:2012, Volume 3 - Resolutions and recommendations,
resolution N 63 (Регламент радиосвязи (доступен по адресу http://www.itu.int/pub/R-REG-RR-2012))
В настоящем стандарте применены термины по IEC 60050-161, а также следующие термины с соответствующими определениями:
3.1 порт электропитания переменного тока (a.c. mains power port): Порт, используемый для подключения к общественной сети распределения электроэнергии низкого напряжения переменного тока или другой установке сети низкого напряжения переменного тока.
3.2 сварочное электродуговое оборудование (arc welding equipment): Оборудование для приложения тока и напряжения, имеющее требуемые характеристики, которые подходят для электродуговой сварки и родственных процессов.
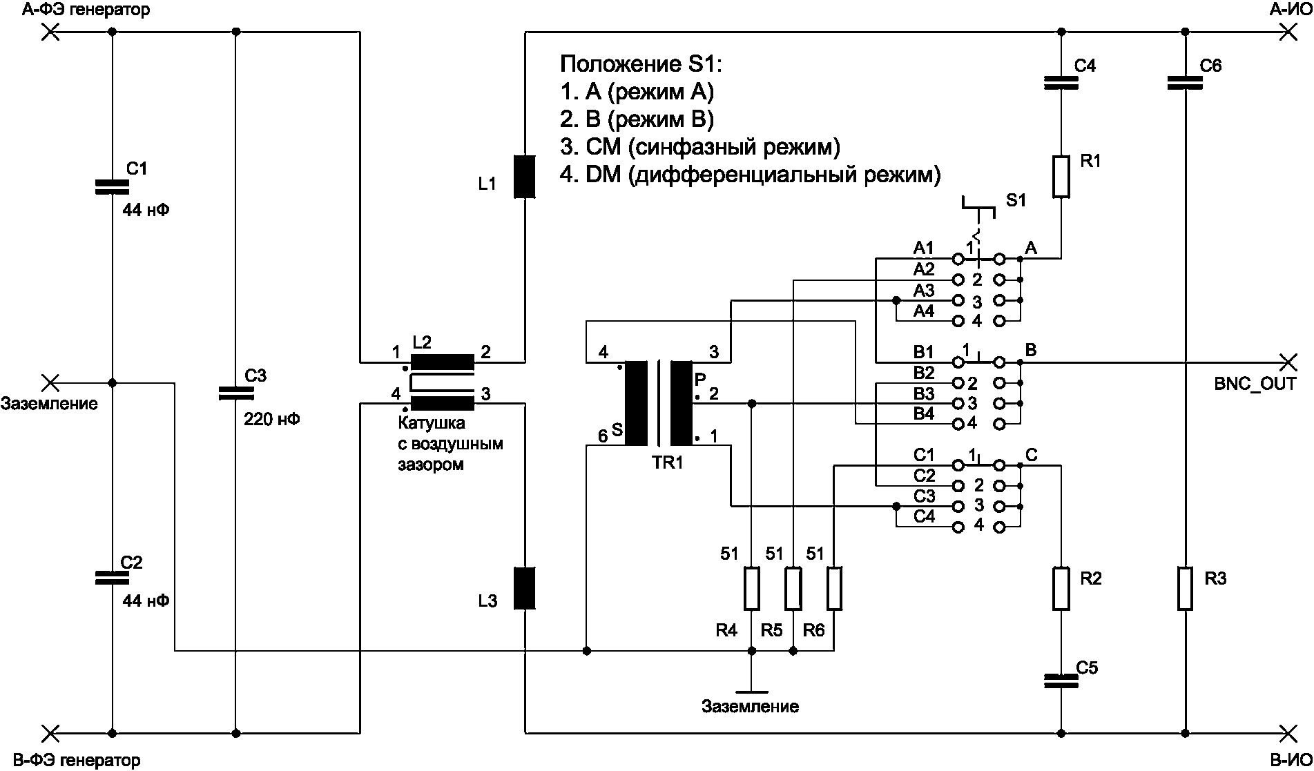
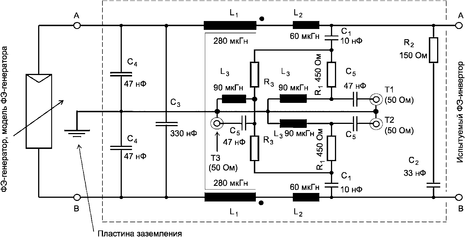
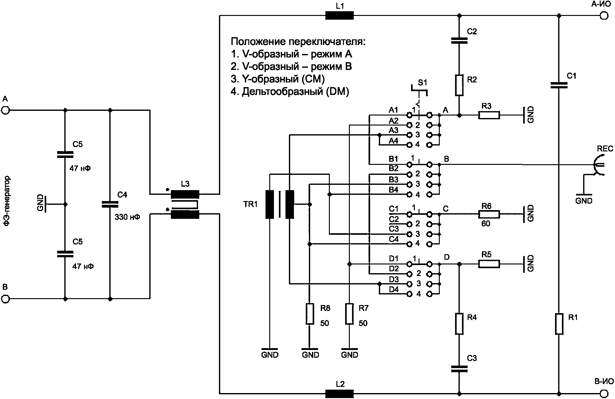
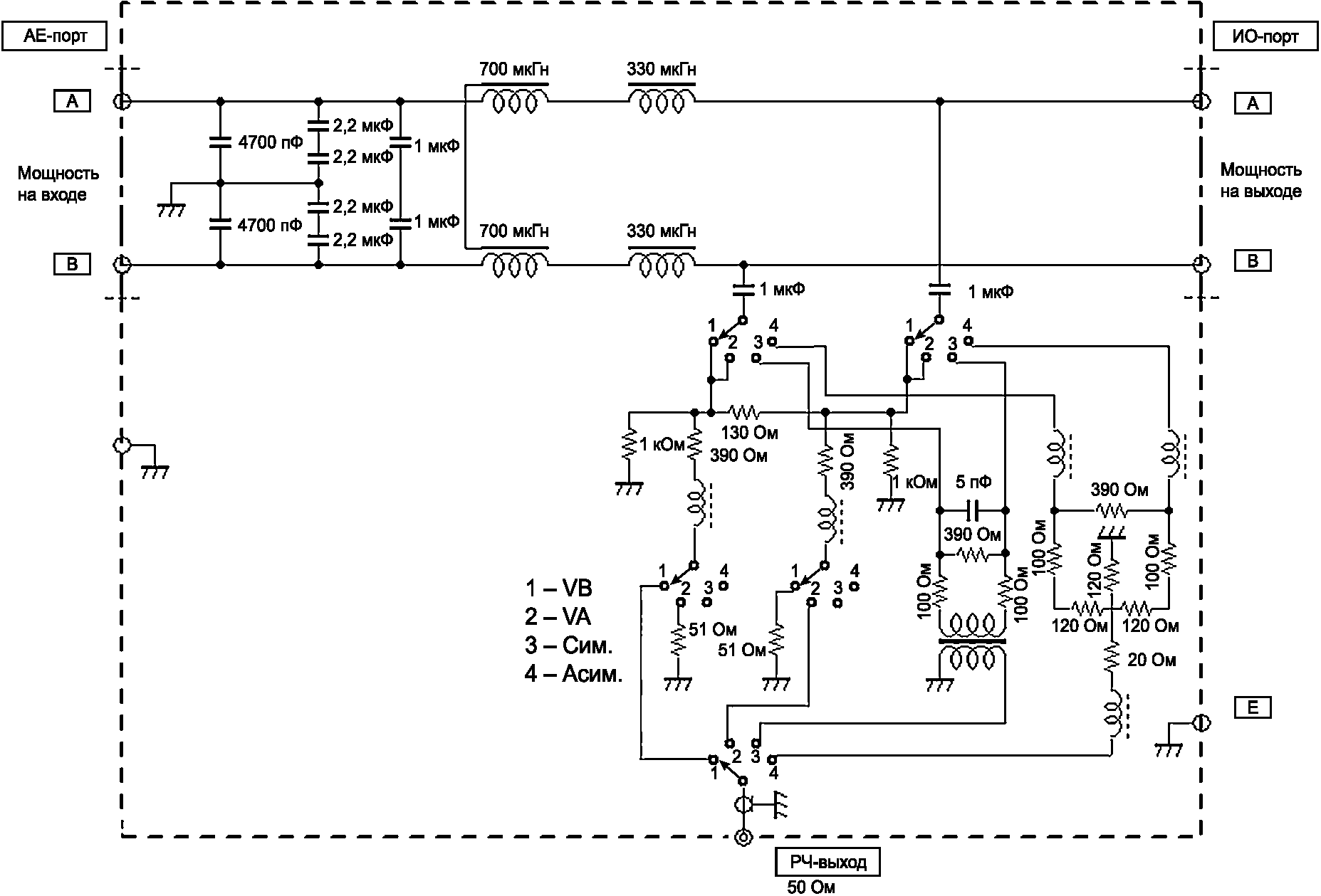
3.3 эквивалент сети питания; ЭСП (artificial mains network; AMN): Устройство, обеспечивающее нормированное полное сопротивление со стороны зажимов для подключения испытуемого оборудования (ИО), подачу напряжения помехи на измерительный приемник и развязку схемы испытания с сетью питания.
Примечание 1 - Существуют два основных вида ЭСП: V-образный эквивалент сети питания, обеспечивающий измерение несимметричного напряжения, и дельтообразный эквивалент сети питания, обеспечивающий измерение симметричного и общего несимметричного (асимметричного) напряжения по отдельности.
Примечание 2 - Термины "схема стабилизации полного сопротивления" (LISN) и "V-образный эквивалент сети питания" в ряде случаев используют как равнозначные (взаимозаменяемые).
3.4 граница испытуемого оборудования (boundary of the equipment under test): Воображаемая линия, описывающая простую геометрическую фигуру, в которую вписывается ИО.
Примечание 1 - Все соединительные кабели должны быть включены в эту границу.
3.5 компонент (component): Изделие, которое выполняет одну или несколько функций и предназначено для использования в составе оборудования или системе более высокого порядка.
3.6 эквивалент сети постоянного тока (d.c. artificial network, artificial d.c. network; DC-AN): Эквивалент сети, который представляет собой оконечное устройство для порта электропитания постоянного тока ИО, обеспечивающее необходимую развязку от кондуктивных помех, возникающих от лабораторного источника питания постоянного тока или от нагрузки.
3.7 порт электропитания постоянного тока (d.c. power port): Порт, используемый для подключения к низковольтной системе генерирования энергии постоянного тока или накопителю энергии, другому источнику/нагрузке.
Примечание 1 - Примерами таких систем являются фотоэлектрическая система, система выработки электроэнергии на топливных элементах или аккумулятор.
3.8 оборудование для электроэрозионной обработки (electro-discharge machining equipment): Все необходимые блоки для искрового эрозионного процесса, включая станочную систему, генератор, устройства управления, контейнер с рабочей жидкостью (или газом) и встроенные устройства.
3.9 электромагнитное излучение (electromagnetic radiation):
1 Явление, при котором энергия в форме электромагнитных волн излучается от источника в пространство.
2 Энергия, распространяемая в пространстве в форме электромагнитных волн.
Примечание - В более широком смысле термин "электромагнитное излучение" иногда охватывает и индукционные явления.
[IEC 60050-161:1990, терминологическая статья 161-01-10]
3.10 оборудование для контактной сварки и родственных процессов (equipment for resistance welding and allied processes): Все оборудование, связанное с выполнением контактной сварки и родственных процессов, состоящее, например, из источника питания, электродов, инструментов и соединенных с ними приборов управления, которые могут быть отдельным устройством или частью сложного механизма.
3.11
подключенный к сети силовой преобразователь (grid connected power converter; GCPC): Силовой преобразователь, подключенный к сети распределения электроэнергии переменного тока или к другой установке сети переменного тока и используемый в системе генерирования электроэнергии.
3.12 электронная система и оборудование высокой мощности (high power electronic system and equipment): Один (или более) полупроводниковый силовой преобразователь с общей номинальной мощностью более 75 кВ·А или оборудование, содержащее такие преобразователи.
Примечание 1 - Примерами такого электронного оборудования высокой мощности являются полупроводниковые силовые преобразователи для применения в ИБП (системы бесперебойного питания) и СЭП (системы электрического привода).
3.13
промышленное, научное, медицинское использование (радиочастотной энергии); ПНМ РЧ (industrial, scientific and medical (ISM) applications (of radio frequency energy); ISM applications (of radio frequency energy)): Функционирование оборудования или устройств, разработанных для локального создания и использования радиочастотной энергии для промышленных, научных, медицинских, бытовых или аналогичных целей, за исключением применения в области телекоммуникаций.
Примечание 1 - Типовое использование - получение физических, биологических или химических эффектов, таких как нагрев, ионизация газов, механическая вибрация, удаление волос, ускорение заряженных частиц. Список примеров приведен в
приложении A, но не исчерпывается им.
| | ИС МЕГАНОРМ: примечание. В официальном тексте документа, видимо, допущена опечатка: имеется в виду ст. 1.15 Регламента радиосвязи, а не 1.5. | |
[ITU Radio Regulations Volume 1:2012 - глава I, терминологическая статья 1.5]
3.14 ПНМ РЧ-оборудование и ПНМ РЧ-устройства (ISM RF equipment and appliances): Оборудование или устройства, разработанные для локального создания и/или использования радиочастотной энергии для промышленных, научных, медицинских, бытовых или аналогичных целей, за исключением применения в области телекоммуникации, информационных технологий и других областях, подпадающих под действие других стандартов CISPR.
Примечание 1 - Аббревиатура ПНМ РЧ используется в настоящем стандарте для обозначения такого оборудования или устройств.
3.15 низкое напряжение (low voltage; LV): Уровни напряжения, не превышающие 1 000 В переменного тока и 1 500 В постоянного тока, создаваемые устройствами для распределения электрической энергии.
[IEC 60050-601:1985, терминологическая статья 601-01-26, модифицирована: добавлен текст "или 1 500 В постоянного тока"]
3.16 фотоэлектрическая система выработки электроэнергии (photovoltaic power generating system): Система генерирования электроэнергии, которая использует фотоэлектрический эффект для преобразования солнечной энергии в электричество.
3.17
малогабаритное оборудование (small
size equipment): Оборудование, располагаемое либо на столе, либо на полу, которое, включая его кабели, умещается в воображаемый испытательный объем цилиндрической формы диаметром 1,2 м и высотой 1,5 м над пластиной заземления.
3.18 искровая эрозия (shark erosion): Перемещение материала в непроводящей рабочей жидкости (или газе) посредством электрических разрядов, которые разделены во времени и распределены по случайному закону в пространстве между двумя электрически проводящими электродами (электрод - инструмент и электрод - обрабатываемая деталь) и где энергия в разряде контролируется.
3.19 испытания типа (type test): Испытание одного или нескольких устройств определенной конструкции, проводимое для подтверждения того, что данная конструкция оборудования соответствует определенным требованиям.
Примечание 1 - Признание испытаний типа как типа одобрения может зависеть от национального или регионального законодательства (см.
H.2 (приложение H)).
3.20 полностью безэховая камера (fully-anechoic room, FAR): Экранированное помещение, внутренние поверхности которого полностью покрыты радиопоглощающим материалом (РПМ), поглощающим электромагнитную энергию в рабочей полосе частот.
3.21 открытая испытательная площадка (open-area test site, OATS): Место для измерения электромагнитных полей, созданное с целью имитирования полусвободного пространства среды в определенном диапазоне частот, который используется для испытаний помехоэмиссии оборудования.
Примечание 1 - OATS, как правило, расположена на открытом пространстве открытой местности и имеет электропроводящую пластину заземления.
3.22 полубезэховая камера (semi-anechoic room, SAC): Экранированное помещение, внутренние поверхности которого покрыты радиопоглощающим материалом, поглощающим электромагнитную энергию в рабочей полосе частот, за исключением нижней горизонтальной поверхности (проводящей пластины заземления) для использования при испытаниях с OATS.
3.23 оборудование для преобразования энергии (power conversion equipment): Электрическое устройство, преобразующее одну форму электрической энергии в другую форму электрической энергии в отношении напряжения, тока, частоты, фазы и количества фаз.
[ИСТОЧНИК: IEC 62920:2017, терминологическая статья 3.3].
(п. 3.23 введен
Изменением N 1, принятым Протоколом Межгосударственного совета по стандартизации, метрологии и сертификации от 30.04.2024 N 172-П)
4 Частоты, выделенные для использования промышленного, научного и медицинского электрического оборудования
Некоторые частоты установлены Международным союзом электросвязи (МСЭ) в качестве основных частот для ПНМ РЧ (см. также
определение 3.13). Эти частоты приведены в
таблице 1.
Примечание - В некоторых странах могут быть выделены другие или дополнительные частоты для использования ПНМ РЧ-оборудования.
Таблица 1
Частоты в полосах радиочастот, выделенных МСЭ
для использования в качестве основных частот для ПНМ
РЧ-оборудования
Центральная частота, МГц | Полоса частот, МГц | Максимальная норма радиопомех <b> | Номер соответствующего примечания к таблице распределения частот по Регламенту радиосвязи МСЭ <a> |
6,780 | 6,765 - 6,795 | На рассмотрении | 5.138 |
13,560 | 13,553 - 13,567 | Не ограничивается | 5.150 |
27,120 | 26,957 - 27,283 | Не ограничивается | 5.150 |
40,680 | 40,66 - 40,70 | Не ограничивается | 5.150 |
433,920 | 433,05 - 434,79 | На рассмотрении | 5.138 для Района 1, исключая страны, упомянутые в 5.280 |
915,000 | 902 - 928 | Не ограничивается | 5.150 только для Района 2 |
2 450 | 2 400 - 2 500 | Не ограничивается | 5.150 |
5 800 | 5 725 - 5 875 | Не ограничивается | 5.150 |
24 125 | 24 000 - 24 250 | Не ограничивается | 5.150 |
61 250 | 61 000 - 61 500 | На рассмотрении | 5.138 |
122 500 | 122 000 - 123 000 | На рассмотрении | 5.138 |
245 000 | 244 000 - 246 000 | На рассмотрении | 5.138 |
<a> Применяют Резолюцию N 63 Регламента радиосвязи МСЭ. <b> "Не ограничивается" применяют к основным и всем другим частотным составляющим, которые попадают в выделенную полосу. Вне полос, выделенных МСЭ, нормы настоящего стандарта применяют для напряжения радиопомех и излучаемых радиопомех. |
5 Классификация оборудования
5.1 Деление на группы
С целью упрощения идентификации установленных норм оборудование в рамках настоящего стандарта делят на две группы - группа 1 и группа 2.
Оборудование группы 1: группа 1 включает все оборудование в соответствии с областью применения настоящего стандарта, которое не классифицировано как оборудование группы 2.
Оборудование группы 2: группа 2 включает все ПНМ РЧ-оборудование, предназначенное для обработки материалов, обследования/анализа или передачи электромагнитной энергии, в котором радиочастотная энергия в полосе частот от 9 кГц до 400 ГГц намеренно создается и используется или только используется локально в форме электромагнитного излучения, индуктивной и/или емкостной связи.
Примечание - Примеры классификации оборудования по группе 1 или 2 приведены в приложении A.
5.2 Деление на классы
В зависимости от электромагнитной обстановки, для эксплуатации в которой предназначено оборудование, в стандарте установлены два класса оборудования - класс A и класс B.
Оборудование класса A - оборудование, предназначенное для использования во всех зонах, кроме жилых зон и того, к которому непосредственно подведены низковольтные распределительные электрические сети, используемые для бытовых целей.
Оборудование класса A должно соответствовать нормам радиопомех класса A.
Оборудование для дуговой сварки, которое содержит устройства зажигания и стабилизации дуги или автономные устройства зажигания и стабилизации дуги для дуговой сварки, относят к оборудованию класса A.
Оборудование класса B - оборудование, предназначенное для использования в жилых зонах и помещениях, к которым непосредственно подведены низковольтные распределительные электрические сети, которые используются для бытовых целей.
Оборудование класса B должно соответствовать нормам радиопомех класса B.
5.3 Документация для пользователя
Изготовитель и/или поставщик оборудования должен гарантировать, что пользователь информирован о классе и группе оборудования либо маркировкой, либо сопроводительной документацией. В обоих случаях изготовитель и/или поставщик должны обосновать значение класса и группы в сопроводительной документации на оборудование.
Сопроводительная документация должна содержать подробную информацию о всех мерах предосторожности, которые должны соблюдаться покупателем или пользователем, для обеспечения бесперебойной работы оборудования, при этом при использовании по назначению оборудование не должно создавать недопустимые радиочастотные помехи (RFI). В рамках настоящего стандарта это информация о:
- возможности возникновения радиочастотных помех, созданных при эксплуатации оборудования класса A для определенной электромагнитной обстановки;
В руководстве по эксплуатации оборудования класса A должна быть приведена следующая надпись:
"Внимание! Это оборудование не предназначено для использования в жилых зонах и не может обеспечить необходимый уровень защиты радиоприема в создаваемой электромагнитной обстановке".
6 Нормы электромагнитных помех
6.1 Общие положения
Для испытаний на стандартизованной измерительной площадке (в испытательной лаборатории) требования, указанные далее, составляют требования для испытаний типа.
ПНМ-оборудование класса A допускается испытывать по выбору изготовителя на измерительной площадке или на месте установки в условиях эксплуатации.
Примечание 1 - Испытания некоторого оборудования на соответствие нормам излучаемых радиопомех по настоящему стандарту, учитывая габаритные размеры, сложность их монтажа или невозможности имитации рабочих условий, могут быть проведены в условиях эксплуатации.
ПНМ-оборудование класса B должно испытываться на измерительной площадке.
Примечание 2 - Нормы были определены на вероятностной основе с учетом вероятности возникновения помехи. В случае помех могут потребоваться дополнительные устройства.
На всех граничных частотах применяют нижнее значение нормы радиопомех, т.е. более жесткую норму радиопомех.
Измерительная аппаратура и методы измерений приведены в
разделах 7 -
9.
Если в стандарте для испытания конкретных требований предусмотрена возможность выбора метода испытаний, соответствие настоящему стандарту может быть показано любым из методов испытаний, используя заданные нормы с ограничениями, предусмотренными в соответствующих таблицах. В любом случае, если необходимо провести повторное испытание оборудования, для того чтобы обеспечить согласованность результатов, должен быть выбран тот же метод испытания, который использовался при первых испытаниях.
6.2 Оборудование группы 1, испытанное на измерительной площадке
6.2.1 Нормы кондуктивных помех
6.2.1.1 Общие положения
Испытуемое оборудование должно соответствовать:
a) нормам средних значений при использовании детектора средних значений и нормам квазипиковых значений при использовании квазипикового детектора (см.
7.3);
b) нормам средних значений при использовании квазипикового детектора (см.
7.3).
Нормы для низковольтных портов питания постоянного тока, указанные ниже, относятся только к следующим типам оборудования:
a) оборудование для преобразования энергии, предназначенное для монтажа в системы фотоэлектрических электростанций;
b) преобразователи мощности, подключенные к сети (GCPC), предназначенные для монтажа в системы накопителей энергии.
(в ред.
Изменения N 1, принятого Протоколом Межгосударственного совета по стандартизации, метрологии и сертификации от 30.04.2024 N 172-П)
6.2.1.2 Полоса частот от 9 до 150 кГц
В полосе частот от 9 до 150 кГц нормы не установлены.
6.2.1.3 Полоса частот от 150 кГц до 30 МГц
Нормы напряжения помех на низковольтном порту электропитания переменного тока в полосе частот от 150 кГц до 30 МГц для оборудования, испытываемого в испытательной лаборатории с использованием указанного в CISPR эквивалента сети электропитания 50 Ом/50 мкГн (V-AMN) или пробника напряжения по CISPR (см.
7.3.3 и
рисунок 1), приведены в
таблицах 2 и
4.
Нормы кондуктивных помех на низковольтном порту электропитания постоянного тока в полосе частот от 150 кГц до 30 МГц для оборудования, испытываемого в испытательной лаборатории с использованием указанного в CISPR эквивалента сети 150 Ом (DC-AN) (см.
7.3.2.3 и
приложение I) или токовых клещей (см. CISPR 16-1-2), приведены в
таблицах 3 и
5.
Таблица 2
Нормы напряжения радиопомех на порту электропитания
переменного тока оборудования класса A группы 1,
испытываемого в испытательной лаборатории
Полоса частот, МГц | Номинальная мощность <= 20 кВ·А <c> | Номинальная мощность > 20 кВ·А и <= 75 кВ·А <a>, <c> | Высокомощные электронные системы и оборудование, номинальная мощность > 75 кВ·А <b>, <c> |
Квазипиковое значение, дБ (мкВ) | Среднее значение, дБ (мкВ) | Квазипиковое значение, дБ (мкВ) | Среднее значение, дБ (мкВ) | Квазипиковое значение, дБ (мкВ) | Среднее значение, дБ (мкВ) |
0,15 - 0,50 | 79 | 66 | 100 | 90 | 130 | 120 |
0,50 - 5 | 73 | 60 | 86 | 76 | 125 | 115 |
5 - 30 | 73 | 60 | 90 | 80 | 115 | 105 |
Уменьшается линейно с логарифмом частоты до |
73 | 60 |
На граничных частотах применяют более жесткие нормы. Для оборудования класса A, которое необходимо подключать только к изолированной или высокоомной заземленной промышленной распределительной сети (см. IEC 60364-1), могут быть применены нормы для оборудования с номинальной мощностью > 75 кВ·А независимо от фактического значения номинальной мощности. Примечание - Номинальная входная или выходная мощность 20 кВ·А соответствует току примерно 29 А в каждой фазе в случае питания от трехфазной сети питания напряжением 400 В и току приблизительно 58 А в каждой фазе в случае питания от трехфазной сети питания напряжением 200 В. -------------------------------- <a> Нормы применяют для оборудования с номинальной мощностью > 20 кВ·А, подключаемого к специально предназначенному трансформатору или генератору и которое не подключается к низковольтным воздушным линиям электропитания. Для оборудования, не предназначенного для подключения к специально предназначенному трансформатору, применяют нормы для оборудования с номинальной мощностью <= 20 кВ·А. Изготовитель и/или поставщик должны предоставить информацию по монтажным мероприятиям, которые могут быть использованы для уменьшения эмиссии (излучаемых помех) от установленного оборудования. В частности, должно быть указано, что это оборудование подключается к специально предназначенному трансформатору или генератору и не подключается к низковольтным воздушным линиям электропитания. <b> Эти нормы применяются только к электронным системам и оборудованию высокой мощности с номинальной мощностью > 75 кВ·А, если они предназначены для установки следующим образом: - установка питается от специального силового трансформатора или генератора, который не связан с низковольтными воздушными линиями электропередачи; - установка физически отделена от жилых помещений на расстояние более 30 м или с помощью конструкции, которая выступает в качестве барьера для излучений; - изготовитель и/или поставщик должны указать, что данное оборудование удовлетворяет нормам напряжения помех для электронных систем и оборудования высокой мощности номинальной потребляемой мощностью > 75 кВ·А, и предоставить информацию о мерах по установке, которые должны применяться монтажной организацией. В частности, должно быть указано, что это оборудование предназначено для использования в установке, которая питается от специального трансформатора тока или генератора, а не от низковольтных воздушных линий электропередачи. <c> Выбор соответствующего набора норм должен быть основан на номинальной мощности переменного тока, указанной изготовителем. |
Таблица 3
Нормы кондуктивных помех на порту электропитания постоянного
тока оборудования класса A группы 1, испытываемого
в испытательной лаборатории
Полоса частот, МГц | Номинальная мощность <= 20 кВ·А <a> | Номинальная мощность > 20 кВ·А и <= 75 кВ·А <a>, <b> | Номинальная мощность > 75 кВ·А <a>, <b> |
Нормы напряжения | Нормы напряжения | Нормы тока | Нормы напряжения | Нормы тока |
Квазипиковое значение, дБ (мкВ) | Среднее значение, дБ (мкВ) | Квазипиковое значение, дБ (мкВ) | Среднее значение, дБ (мкВ) | Квазипиковое значение, дБ (мкА) | Среднее значение, дБ (мкА) | Квазипиковое значение, дБ (мкВ) | Среднее значение, дБ (мкВ) | Квазипиковое значение, дБ (мкА) | Среднее значение, дБ (мкА) |
0,15 | 97 | 84 | 116 | 106 | 72 | 62 | 132 | 122 | 88 | 78 |
... | ... | ... | ... | ... | ... | ... | ... | ... | ... | ... |
5 | 89 | 76 | 106 | 96 | 62 | 52 | 122 | 112 | 78 | 68 |
5 | 89 | 76 | 106 | 96 | 62 | 52 | 122 | 112 | 78 | 68 |
... | ... | ... | ... | ... | ... | ... | ... | ... |
30 | 89 | 76 | 45 | 32 | 105 | 92 | 61 | 48 |
В определенных диапазонах частот нормы, приведенные в этой таблице, уменьшаются линейно с логарифмом частоты. -------------------------------- <a> Выбор соответствующего набора норм должен быть основан на номинальной мощности переменного тока, указанной изготовителем. <b> Эти нормы применяются к оборудованию с номинальной мощностью > 20 кВ·А, предназначенному для установки квалифицированным специалистом в больших фотоэлектрических системах выработки электроэнергии. В руководстве по эксплуатации изготовитель и/или поставщик должны предоставить информацию о мерах, которые могут быть использованы для уменьшения излучения от установленного оборудования с целью предотвращения вредных помех для приема радиосигнала на расстоянии 30 м от установки. В частности, должно быть указано, что это оборудование может быть оборудовано дополнительными фильтрами, и установка должна быть физически отделена от жилых зон на расстояние более 30 м. Монтажной организации рекомендуется проверить установку на соответствие CISPR 11 в месте эксплуатации посредством проведения измерений, как указано в 6.4. |
Таблица 4
Нормы напряжения радиопомех на порту электропитания
переменного тока оборудования класса B группы 1,
испытываемого в испытательной лаборатории
Полоса частот, МГц | Квазипиковое значение, дБ (мкВ) | Среднее значение, дБ (мкВ) |
0,15 - 0,50 | 66 Уменьшается линейно с логарифмом частоты до 56 | 56 Уменьшается линейно с логарифмом частоты до 46 |
0,50 - 5 | 56 | 46 |
5 - 30 | 60 | 50 |
На граничных частотах применяют более жесткие нормы. |
Для диагностических рентгеновских генераторов, работающих в прерывистом режиме, нормы квазипиковых значений
таблицы 2 или
4 могут быть ослаблены на 20 дБ.
Таблица 5
Нормы напряжения радиопомех на порту электропитания
постоянного тока оборудования класса B группы 1,
испытываемого в испытательной лаборатории
Полоса частот, МГц | Квазипиковое значение, дБ (мкВ) | Среднее значение, дБ (мкВ) |
0,15 - 0,50 | 84 Уменьшается линейно с логарифмом частоты до 74 | 74 Уменьшается линейно с логарифмом частоты до 64 |
0,50 - 30 | 74 | 64 |
Для измерений на низковольтных портах питания постоянного тока используют критерии применимости в соответствии с таблицей 19.
(абзац введен
Изменением N 1, принятым Протоколом Межгосударственного совета по стандартизации, метрологии и сертификации от 30.04.2024 N 172-П)
Таблица 19
Применимость измерений на портах
питания постоянного тока
Межгосударственного совета по стандартизации,
метрологии и сертификации от 30.04.2024 N 172-П)
Длина кабеля L | Оборудование класса B, группы 1 | Оборудование класса A, группы 1 |
L < 3 м | Измерения не требуются | Измерения не требуются |
3 м <=. L < 30 м | Для измерений применяются нормы, указанные в таблице 5. Диапазон частот для измерения начинается с частоты, равной: f (МГц) = 60/L | Диапазон частот для измерения начинается с частоты, равной: f (МГц) = 60/L |
L >= 30 м | Для измерений применяются нормы, указанные в таблице 5 | |
L - максимальная длина кабеля (в метрах), подключенного к порту питания постоянного тока низкого напряжения и входящего в комплект поставки изделия или указанного производителем. Если максимальная длина кабеля не указана, то за L принимается длина более 30 м. Данная таблица применима, если в используемом стандарте на продукцию не указаны особые условия, обеспечивающие по крайней мере такой же уровень защиты радиоприема. Стандарты на продукцию могут определять конкретные условия в соответствии с их конкретным применением с целью предотвращения излучения. -------------------------------- <a> Никакие ограничения не применяются, если оборудование установлено с использованием надлежащей инженерной практики в отношении электромагнитной совместимости. Примерами надлежащей инженерной практики являются: - симметричная конфигурация линии порта постоянного тока; - установка внутри здания; - заземленные металлические кабельные лотки; - использование экранированных кабелей; - управление расстоянием, которое действует как барьер от жилой среды (например, более 30 м). Если используется исключение <a>, установщик может обратиться к CISPR 11 для измерения на месте эксплуатации. |
6.2.2 Нормы излучаемых электромагнитных помех
6.2.2.1 Общие положения
ИО должно соответствовать нормам на квазипиковые значения при использовании измерителя радиопомех с квазипиковым детектором.
6.2.2.2 Полоса частот от 9 до 150 кГц
В полосе частот от 9 до 150 кГц нормы не устанавливаются.
6.2.2.3 Полоса частот от 150 кГц до 1 ГГц
В полосе частот от 150 кГц до 30 МГц нормы не устанавливаются. В полосе частот свыше 30 МГц нормы относятся к напряженности электрического поля излучаемых электромагнитных помех.
Нормы излучаемых электромагнитных помех для полосы частот от 30 МГц до 1 ГГц для оборудования группы 1 классов A и B приведены в
таблицах 6 и
7 соответственно.
Рекомендации по защите особых служб безопасности приведены в приложении E и
таблице E.1.
На открытой испытательной площадке или в полубезэховой камере оборудование класса A может быть испытано на номинальном расстоянии 3,10 или 30 м (см. информацию в
таблице 6), а оборудование класса B - на номинальном расстоянии 3 или 10 м (см. информацию в
таблице 7). Измерительное расстояние менее 10 м допускается только для малогабаритного оборудования, которое определено в
3.17.
Оборудование класса A или B может быть испытано в полностью безэховой камере с измерительным расстоянием 3 м (см. значения, указанные в
таблицах 6 и
7), при условии, что подтверждается соответствие размеров ИО рабочему объему данной камеры FAR. В рамках применения настоящего стандарта использование FAR ограничивается настольным оборудованием.
Таблица 6
Нормы излучаемых электромагнитных помех для оборудования
класса A группы 1, испытываемого в испытательной лаборатории
Полоса частот, МГц | Открытая испытательная площадка или полубезэховая камера | Полностью безэховая камера |
Измерительное расстояние 10 м Номинальная мощность | Измерительное расстояние 3 м <b>Номинальная мощность | Измерительное расстояние 3 м <b>, <c>Номинальная мощность |
| | | | | |
Квазипиковое значение, дБ (мкВ/м) | Квазипиковое значение, дБ (мкВ/м) | Квазипиковое значение, дБ (мкВ/м) | Квазипиковое значение, дБ (мкВ/м) | Квазипиковое значение, дБ (мкВ/м) | Квазипиковое значение, дБ (мкВ/м) |
30 - 230 | 40 | 50 | 50 | 60 | 52 | 62 |
Уменьшается линейно с логарифмом частоты до |
45 | 55 |
230 - 1 000 | 47 | 50 | 57 | 60 | 52 | 55 |
На OATS или в SAC оборудование класса A может быть испытано на номинальном расстоянии 3, 10 или 30 м. При испытании на измерительном расстоянии 30 м должен использоваться коэффициент обратной пропорциональности 20 дБ на декаду для нормирования результатов измерений к заданному расстоянию. На граничных частотах применяют более жесткие нормы. В полосе частот от 30 до 230 МГц нормы при измерениях в FAR уменьшаются линейно с логарифмом частоты. -------------------------------- <a> Данные нормы применяют к оборудованию с номинальной мощностью > 20 кВ·А, предназначенному для использования в зонах, где расстояние между оборудованием и иными радиочувствительными системами передачи более 30 м. Изготовитель должен отразить в технической документации, что данное оборудование предназначено для использования в зонах, в которых расстояние до иных радиочувствительных систем больше 30 м. Если эти условия не выполняются, то применяют нормы, установленные для > 20 кВ·А. <b> Нормы, указанные для расстояния 3 м, применяют только для малогабаритного оборудования, которое соответствует требованиям к размерам, установленным в 3.17. <c> Настольное оборудование должно соответствовать установленному рабочему объему конкретной FAR. <d> Выбор соответствующего набора норм должен быть основан на номинальной мощности переменного тока, заявленной изготовителем. |
Таблица 7
Нормы излучаемых электромагнитных помех для оборудования
класса B группы 1, испытываемого в испытательной лаборатории
Полоса частот, МГц | Открытая испытательная площадка или полубезэховая камера | Полностью безэховая камера |
Измерительное расстояние 10 м | Измерительное расстояние 3 м <a> | Измерительное расстояние 3 м <a>, <b> |
Квазипиковое значение, дБ (мкВ/м) | Квазипиковое значение, дБ (мкВ/м) | Квазипиковое значение, дБ (мкВ/м) |
30 - 230 | 30 | 40 | 42 Уменьшается линейно с логарифмом частоты до 35 |
230 - 1 000 | 37 | 47 | 42 |
На OATS или в SAR оборудование класса B может быть испытано на номинальном расстоянии 3 или 10 м. На граничных частотах применяют более жесткие нормы. -------------------------------- <a> Нормы, указанные для расстояния 3 м, применяют только для малогабаритного оборудования, которое соответствует требованиям к размерам, определенным в 3.17. <b> Настольное оборудование должно соответствовать установленному рабочему объему конкретной FAR. |
Для медицинского электрического оборудования, предназначенного для стационарной установки в экранированных зонах, дополнительные условия в соответствии с требованиями к измерительному оборудованию и режимам нагрузки изложены в IEC 60601-1-2.
6.2.2.4 Диапазон частот от 1 до 18 ГГц
В полосе частот от 1 до 18 ГГц нормы не устанавливаются.
6.2.2.5 Диапазон частот от 18 до 400 ГГц
В полосе частот от 18 до 400 ГГц нормы не устанавливаются.
6.3 Оборудование группы 2, испытанное в лабораторных условиях
6.3.1 Нормы кондуктивных помех
6.3.1.1 Общие положения
ИО должно соответствовать одному из вариантов норм:
a) нормам средних значений при использовании детектора средних значений и нормам квазипиковых значений при использовании квазипикового детектора (см.
7.3);
b) нормам средних значений при использовании квазипикового детектора (см.
7.3).
6.3.1.2 Полоса частот от 9 до 150 кГц
В полосе частот от 9 до 150 кГц нормы не устанавливаются.
6.3.1.3 Полоса частот от 150 кГц до 30 МГц
Нормы напряжения помех на низковольтном порту электропитания переменного тока в полосе частот от 150 кГц до 30 МГц для оборудования, испытываемого в лабораторных условиях с использованием указанного в CISPR эквивалента сети электропитания (V-AMN) 50 Ом/50 мкГн или пробника напряжения по CISPR (см.
7.3.3 и
рисунок 1), приведены в
таблицах 8 и
9, исключая определенные Регламентом радиосвязи МСЭ полосы частот, перечисленные в
таблице 1, в которых нормы не применяются.
Для электрического сварочного оборудования при функционировании в активном режиме применяют нормы
таблицы 8 или
9. В режиме ожидания или холостого хода применяют нормы
таблицы 2 или
4.
Для световых ПНМ РЧ-устройств, работающих в диапазонах частот ПНМ-оборудования (определены Регламентом радиосвязи МСЭ,
таблица 1), применяют нормы
таблицы 9.
Таблица 8
Нормы напряжения помех на порту электропитания переменного
тока оборудования класса A группы 2, испытываемого
в лабораторных условиях
Полоса частот, МГц | Номинальная мощность <= 75 кВ·А <b> | Номинальная мощность > 75 кВ·А <a>, <b> |
Квазипиковое значение, дБ (мкВ) | Среднее значение, дБ (мкВ) | Квазипиковое значение, дБ (мкВ) | Среднее значение, дБ (мкВ) |
0,15 - 0,50 | 100 | 90 | 130 | 120 |
0,50 - 5 | 86 | 76 | 125 | 115 |
5 - 30 | 90 | 80 | 115 | 105 |
Уменьшается линейно с логарифмом частоты до |
73 | 60 |
На граничных частотах применяют более жесткие нормы. Для оборудования класса A с номинальной потребляемой мощностью <= 75 кВ·А, которое необходимо подключать только к изолированной или высокоомной заземленной промышленной распределительной сети (см. IEC 60364-1), могут быть применены нормы для оборудования группы 2 с номинальной мощностью > 75 кВ·А. -------------------------------- <a> Изготовитель и/или поставщик должны предоставить информацию по монтажным мероприятиям, которые могут быть применены для уменьшения эмиссии от установленного оборудования. <b> Выбор соответствующих норм должен быть основан на значении номинальной мощности переменного тока, указанной изготовителем. |
Примечание - Номинальная потребляемая и выходная мощность 75 кВ·А соответствует приблизительно току 108 А в одной фазе в случае питания от трехфазной сети напряжением 400 В и току приблизительно 216 А в одной фазе в случае питания от трехфазной сети напряжением 200 В.
Высокочастотное (ВЧ) хирургическое оборудование должно соответствовать нормам
таблицы 2 или
4 для группы 1 в режиме ожидания. Для хирургического ВЧ-оборудования, работающего на частотах вне ПНМ-диапазонов (см.
таблицу 1), нормы также применяют на рабочих частотах и внутри этих определенных диапазонов частот. Соответствующие измерения должны быть проведены в соответствии с IEC 60601-2-2.
Таблица 9
Нормы напряжения радиопомех на порту электропитания
переменного тока оборудования класса B группы 2,
испытываемого в лабораторных условиях
Полоса частот, МГц | Квазипиковое значение, дБ (мкВ) | Среднее значение, дБ (мкВ) |
0,15 - 0,50 | 66 Уменьшается линейно с логарифмом частоты до 56 | 56 Уменьшается линейно с логарифмом частоты до 46 |
0,50 - 5 | 56 | 46 |
5 - 30 | 60 | 50 |
На граничных частотах применяют более жесткие нормы. |
6.3.2 Нормы излучаемых электромагнитных помех
6.3.2.1 Общие положения
ИО должно соответствовать нормам при использовании измерительного оборудования с пиковым, квазипиковым или средним детектором, как обозначено в соответствующей таблице.
До 30 МГц нормы относятся к магнитной составляющей излучаемых электромагнитных помех. Свыше 30 МГц нормы относятся к напряженности электрического поля излучаемых электромагнитных помех.
6.3.2.2 Полоса частот от 9 до 150 кГц
В полосе частот от 9 до 150 кГц нормы не устанавливаются.
6.3.2.3 Полоса частот от 150 кГц до 1 ГГц
Кроме определенных диапазонов частот, установленных в
таблице 1, нормы излучаемых электромагнитных помех для полосы частот от 150 кГц до 1 ГГц для оборудования группы 2 класса A определены в
таблице 10; для оборудования группы 2 класса B - в
таблице 12.
Для оборудования контактной сварки класса A применяют нормы
таблицы 10 в полосе частот от 30 МГц до 1 ГГц в активном режиме работы. В режиме ожидания или холостого хода применяют нормы
таблицы 6. Для оборудования контактной сварки класса B применяют нормы
таблицы 12 в активном режиме работы. В режиме ожидания или холостого хода применяют нормы
таблицы 7.
Для оборудования дуговой сварки класса A применяют нормы
таблицы 11 в активном режиме работы. В режиме ожидания или холостого хода применяют нормы
таблицы 6. Для оборудования дуговой сварки класса B применяют нормы
таблицы 7 в активном режиме работы и в режиме ожидания или холостого хода.
Для оборудования для электроэрозионной обработки класса A применяют нормы
таблицы 11.
Для ПНМ РЧ-световых устройств, работающих в диапазонах частот ПНМ-оборудования (определенных Регламентом радиосвязи МСЭ,
таблица 1), применяют нормы
таблицы 12.
Для хирургического ВЧ-оборудования применяют нормы
таблицы 6 или
7. Хирургическое ВЧ-оборудование должно соответствовать нормам при испытаниях в режиме ожидания.
На открытой испытательной площадке или в полубезэховой камере оборудование класса A может быть испытано на номинальном расстоянии 3, 10 или 30 м, оборудование класса B - на номинальном расстоянии 3 или 10 м (см.
таблицы 10 и
12).
В полосе частот от 30 МГц до 1 ГГц измерительное расстояние 3 м допускается только для малогабаритного оборудования, которое определено в
3.17.
В полностью безэховой камере оборудование класса A или B может быть испытано при номинальном расстоянии 3 м, при условии, что ИО соответствует установленному рабочему объему конкретной FAR. В рамках применения настоящего стандарта использование FAR ограничивается настольным оборудованием.
Для оборудования группы 2 класса A или B, кроме оборудования для электроэрозионной обработки и сварочного электродугового оборудования, измерения в FAR в диапазоне частот от 30 МГц до 1 ГГц должны быть дополнены измерением магнитной составляющей напряженности поля помех в диапазоне частот от 150 кГц до 30 МГц, в OATS или в SAC, см. также
таблицу 10 (сноска "<b>") и
таблицу 12 (сноска "<c>").
Таблица 10
Нормы излучаемых электромагнитных помех для оборудования
класса A группы 2, измеренных в лабораторных условиях
Полоса частот, МГц | Открытая испытательная площадка или полубезэховая камера | Полностью безэховая камера |
Нормы для измерительного расстояния D, м |
D = 30 м | D = 10 м | | |
Электрическое поле. Квазипиковое значение, дБ (мкВ/м) | Магнитное поле. Квазипиковое значение, дБ (мкА/м) | Электрическое поле. Квазипиковое значение, дБ (мкВ/м) | Магнитное поле. Квазипиковое значение, дБ (мкА/м) | Электрическое поле. Квазипиковое значение, дБ (мкВ/м) | Магнитное поле. Квазипиковое значение, дБ (мкА/м) | Электрическое поле. Квазипиковое значение, дБ (мкВ/м) |
0,15 - 0,49 | - | 33,5 | - | 57,5 | - | 82 | - |
0,49 - 1,705 | - | 23,5 | - | 47,5 | - | 72 | - |
1,705 - 2,194 | - | 28,5 | - | 52,5 | - | 77 | - |
2,194 - 3,95 | - | 23,5 | - | 43,5 | - | 68 | - |
3,95 - 11 | - | 8,5 | - | 18,5 | - | 68 Уменьшается линейно с логарифмом частоты до 28,5 | - |
11 - 20 | - | 8,5 | - | 18,5 | - | 28,5 | - |
20 - 30 | - | -1,5 | - | 8,5 | - | 18,5 | - |
30 - 47 | 58 | - | 68 | - | 78 | - | 80 - 78 |
47 - 53,91 | 40 | - | 50 | - | 60 | - | 60 |
53,91 - 54,56 | 40 | - | 50 | - | 60 | - | 60 |
54,56 - 68 | 40 | - | 50 | - | 60 | - | 60 - 59 |
68 - 80,872 | 53 | - | 63 | - | 73 | - | 72 |
80,872 - 81,848 | 68 | - | 78 | - | 88 | - | 87 |
81,848 - 87 | 53 | - | 63 | - | 73 | - | 72 - 71 |
87 - 134,786 | 50 | - | 60 | - | 70 | - | 68 - 67 |
134,786 - 136,414 | 60 | - | 70 | - | 80 | - | 77 |
136,414 - 156 | 50 | - | 60 | - | 70 | - | 67 - 66 |
156 - 174 | 64 | - | 74 | - | 84 | - | 80 |
174 - 188,7 | 40 | - | 50 | - | 60 | - | 56 |
188,7 - 190,979 | 50 | - | 60 | - | 70 | - | 66 |
190,979 - 230 | 40 | - | 50 | - | 60 | - | 56 - 65 |
230 - 400 | 50 | - | 60 | - | 70 | - | 65 |
400 - 470 | 53 | - | 63 | - | 73 | - | 68 |
470 - 1 000 | 50 | - | 60 | - | 70 | - | 65 |
На OATS или в SAR оборудование класса A может испытываться на номинальном расстоянии 3, 10 или 30 м. Измерительное расстояние менее 10 м допускается только для малогабаритного оборудования, которое определено в 3.17. На граничных частотах применяют более жесткие нормы. В определенных диапазонах частот нормы при измерениях в FAR уменьшаются линейно с логарифмом частоты. -------------------------------- <a> В полосе частот от 30 МГц до 1 ГГц измерительное расстояние менее 3 м допускается только для малогабаритного оборудования, которое соответствует требованиям к размерам, установленным в 3.17. <b> Настольное оборудование должно соответствовать установленному рабочему объему конкретной FAR. В полосе частот ниже 30 МГц оборудование группы 2 должно быть испытано на OATS или в SAR (см. нормы, указанные для магнитного поля в соответствующем столбце данной таблицы). |
Таблица 11
Нормы излучаемых электромагнитных помех для оборудования
класса A, предназначенного для электроэрозионной обработки
и электродуговой сварки, измеренных в лабораторных условиях
Полоса частот, МГц | Открытая испытательная площадка или полубезэховая камера | Полностью безэховая камера |
Измерительное расстояние 10 м | Измерительное расстояние 3 м <a> | Измерительное расстояние 3 м <a>, <b> |
Квазипиковое значение, дБ (мкВ/м) | Квазипиковое значение, дБ (мкВ/м) | Квазипиковое значение, дБ (мкВ/м) |
30 - 230 | 80 Уменьшается линейно с логарифмом частоты до 60 | 90 Уменьшается линейно с логарифмом частоты до 70 | 102 Уменьшается линейно с логарифмом частоты до 75 |
230 - 1 000 | 60 | 70 | 75 |
На OATS или в SAR оборудование класса A может испытываться на расстоянии 3, 10 или 30 м. При испытании на измерительном расстоянии 30 м должен использоваться коэффициент обратной пропорциональности 20 дБ на декаду для нормирования результатов измерений к заданному расстоянию. -------------------------------- <a> Нормы, указанные для расстояния 3 м, применяют только для малогабаритного оборудования, которое соответствует требованиям к размерам, определенным в 3.17. <b> Настольное оборудование должно соответствовать установленному рабочему объему конкретной FAR. |
Таблица 12
Нормы излучаемых электромагнитных помех для оборудования
класса B группы 2, измеренных в лабораторных условиях
Полоса частот, МГц | Открытая испытательная площадка или полубезэховая камера | Полностью безэховая камера |
Нормы для измерительного расстояния D, м |
D = 10 м | | D = 3 м | |
Электрическое поле | Магнитное поле | Электрическое поле |
Квазипиковое значение | | Квазипиковое значение | | Квазипиковое значение | Квазипиковое значение | Среднее значение <a> дБ (мкВ/м) |
дБ (мкВ/м) | дБ (мкВ/м) | дБ (мкА/м) | дБ (мкВ/м) |
0,15 - 30 | - | - | - | - | 39 Уменьшается линейно с логарифмом частоты до 3 | | |
30 - 80,872 | 30 | 25 | 40 | 35 | - | 42 - 39 | 37 - 34 |
80,872 - 81,848 | 50 | 45 | 60 | 55 | - | 59 | 54 |
81,848 - 134,786 | 30 | 25 | 40 | 35 | - | 39 - 37 | 34 - 32 |
134,786 - 136,414 | 50 | 45 | 60 | 55 | - | 57 | 52 |
136,414 - 230 | 30 | 25 | 40 | 35 | - | 37 - 35 | 32 - 30 |
230 - 1 000 | 37 | 32 | 47 | 42 | - | 42 | 37 |
На OATS или в SAR оборудование класса B может испытываться на расстоянии 3 или 10 м. На граничных частотах применяют более жесткие нормы. В некоторых диапазонах частот нормы для измерений в FAR уменьшаются линейно с логарифмом частоты. -------------------------------- <a> Нормы для средних значений применяют только для микроволновых печей и оборудования, управляемого магнетроном. Если для микроволновых печей или оборудования, управляемого магнетроном, превышены нормы для квазипиковых значений на некоторых частотах, измерения нужно провести повторно на этих частотах с детектором средних значений, при этом применяют нормы для средних значений. <b> В полосе частот от 30 МГц до 1 ГГц измерительное расстояние менее 3 м допускается только для малогабаритного оборудования, которое соответствует требованиям к размерам, установленным в 3.17. <c> Настольное оборудование должно соответствовать установленному рабочему объему конкретной FAR. В полосе частот ниже 30 МГц оборудование группы 2 должно быть испытано на OATS или в SAR (см. нормы, указанные для магнитного поля в соответствующем столбце данной таблицы). |
6.3.2.4 Полоса частот от 1 до 18 ГГц
В полосе частот от 1 до 18 ГГц нормы применяют только для оборудования группы 2, работающего на частотах свыше 400 МГц. Нормы
таблиц 13 -
15 применяют только для РЧ-помех, возникающих вне определенных ПНМ-диапазонов, описанных в
таблице 1.
Для световых ПНМ РЧ-устройств, работающих в диапазонах частот ПНМ-оборудования (определенных МСЭ в
таблице 1), значения излучаемых электромагнитных помех должны соответствовать нормам класса B или нормам
таблицы 14.
Для микроволновых УФ-излучателей применяют нормы
таблицы 13.
Нормы для пиковых значений излучаемых электромагнитных помех
для оборудования группы 2, которое работает на частотах
свыше 400 МГц
Межгосударственного совета по стандартизации,
метрологии и сертификации от 30.04.2024 N 172-П)
Полоса частот, ГГц | Нормы для измерительного расстояния 3 м. Пиковое значение, дБ (мкВ/м) |
1 - 18 | Класс A | Класс B |
Внутри гармонических частотных диапазонов | | 70 |
За пределами гармонических частотных диапазонов | 70 | 70 |
Пиковые измерения с полосой пропускания разрешения 1 МГц и полосой пропускания видеосигнала (VBW), превышающей или равной 1 МГц. Рекомендуемая полоса пропускания видеосигнала - 3 МГц. Примечание - В этой таблице понятие "гармонические частотные диапазоны" означает частотные диапазоны, кратные выделенным полосам для ПНМ-оборудования, свыше 1 ГГц. -------------------------------- <a> На верхних и нижних границах частотных диапазонов применяют норму 70 дБ (мкВ/м). |
Нормы (взвешенные значения) излучаемых электромагнитных
помех для ПНМ-оборудования группы 2, которое работает
на частотах свыше 400 МГц
Межгосударственного совета по стандартизации,
метрологии и сертификации от 30.04.2024 N 172-П)
Полоса частот, ГГц | Нормы для измерительного расстояния 3 м. Взвешенное значение, дБ (мкВ/м) |
1 - 2,4 | 60 |
2,5 - 5,725 | 60 |
5,875 - 18 | 60 |
Измерения взвешенных значений проводятся с полосой пропускания входного сигнала 1 МГц и полосой пропускания видеосигнала 10 Гц. Для проверки соответствия нормам этой таблицы измерения взвешенных значений необходимо проводить для всех частотных диапазонов, в которых нормы таблицы 13 были превышены при измерении пиковых значений: a) от 1,0 до 2,4 ГГц <a>; b) от 2,5 до 6,125 ГГц (вне диапазона частот от 5,72 до 5,88 ГГц) <a>; c) от 6,125 до 8,575 ГГц; d) от 8,575 до 11,025 ГГц; e) от 11,025 до 13,475 ГГц <b>; f) от 13,475 до 15,925 ГГц; g) от 15,925 до 18,0 ГГц <a>. В поддиапазонах, где была превышена норма, указанная в таблице 13, должно быть проведено измерение взвешенных значений с полосой 20 МГц вокруг центральной частоты, настроенной на частоту самого высокого уровня помех в соответствующем поддиапазоне. -------------------------------- <a> В случае, когда частота самого высокого значения излучения во время измерения пиковых значений находится ближе чем на 10 МГц от границ частот 1; 2,4; 2,5; 5,72; 5,88 или 18 ГГц, полоса измерений взвешенных значений должна оставаться 20 МГц, но в таком случае центральная частота должна быть отрегулирована таким образом, чтобы границы частот не были превышены. <b> В любом случае окончательное измерение взвешенных значений должно проводиться на частоте наибольшего излучения, которая превышает норму таблицы 13 в диапазоне частот от 11,7 до 12,7 ГГц для спутниковой нисходящей линии связи. Если самый высокий уровень помех в этом поддиапазоне находится за пределами диапазона для спутниковой нисходящей линии связи, в этом поддиапазоне должны быть выполнены два заключительных измерения. Примечание - Дополнительные указания по использованию анализатора спектра см. в приложении B. |
Уровень APD излучаемых электромагнитных помех,
соответствующий нормам 10-1 для оборудования класса B
группы 2, работающего на частотах свыше 400 МГц
Межгосударственного совета по стандартизации,
метрологии и сертификации от 30.04.2024 N 172-П)
Полоса частот, ГГц | Нормы для измерительного расстояния 3 м. Уровень APD, соответствующий нормам 10-1, дБ (мкВ/м) |
1 - 2,4 | 60 |
2,5 - 5,725 | 60 |
5,875 - 18 | 60 |
Для проверки соответствия нормам этой таблицы измерения на основе APD должны выполняться во всех следующих частотных поддиапазонах, в которых нормы таблицы 13 были превышены во время измерения пиковых значений: a) от 1,0 до 2,4 ГГц <a>; b) от 2,5 до 6,125 ГГц (вне диапазона частот от 5,72 до 5,88 ГГц) <a>; c) от 6,125 до 8,575 ГГц; d) от 8,575 до 11,025 ГГц; e) от 11,025 до 13,475 ГГц <b>; f) от 13,475 до 15,925 ГГц; g) от 15,925 до 18,0 ГГц <a>. Окончательные измерения APD должны выполняться на 5 частотах, как описано в 9.4.4.2.3. -------------------------------- <a> В случае когда частота наибольшего излучения во время измерения пиковых значений обнаруживается ближе чем на 10 МГц от границ частот 1; 2,4; 2,5; 5,72; 5,88 или 18 ГГц, окончательные измерения APD не проводятся на частотах вне полос частот, для которых определены нормы. <b> В любом случае окончательные измерения APD должны выполняться вокруг частоты наибольшего излучения, которая превышает нормы таблицы 13 в диапазоне частот от 11,7 до 12,7 ГГц для спутниковой нисходящей линии связи. Если самый высокий уровень помех в этом поддиапазоне находится за пределами диапазона для спутниковой нисходящей линии связи, в этом поддиапазоне должны быть выполнены два заключительных измерения. Примечание - Уровень APD, соответствующий 10-1, означает, что за время, в которое проводились наблюдения, амплитуда помех превышала заданный уровень с вероятностью 10%. |
6.4 Оборудование класса A групп 1 и 2, испытанное на месте эксплуатации
6.4.1 Нормы кондуктивных помех
В условиях измерения на месте эксплуатации оценка кондуктивных помех не требуется.
6.4.2 Нормы излучаемых электромагнитных помех
Нормы
таблицы 16 относятся к оборудованию класса A группы 1, нормы
таблицы 17 относятся к оборудованию класса A группы 2.
Таблица 16
Нормы излучаемых электромагнитных помех для оборудования
класса A группы 1, измеренных на месте эксплуатации
Полоса частот, МГц | Нормы для измерительного расстояния 30 м от лицевой стороны наружной стены здания, в котором расположено оборудование |
Электрическое поле. Квазипиковое значение, дБ (мкВ/м) | Магнитное поле. Квазипиковое значение <a>, дБ (мкА/м) |
0,15 - 0,49 | - | 13,5 |
0,49 - 3,95 | - | 3,5 |
3,95 - 20 | - | -11,5 |
20 - 30 | - | -21,5 |
30 - 230 | 30 | - |
230 - 1000 | 37 | - |
На граничных частотах применяют более жесткие нормы. В условиях, не позволяющих провести испытания на расстоянии 30 м, может быть использовано большее расстояние. В этом случае при испытании на измерительном расстоянии 30 м должен использоваться коэффициент обратной пропорциональности 20 дБ на декаду для нормирования результатов измерений к заданному расстоянию. -------------------------------- <a> Данные нормы применяют в дополнение нормам в полосе частот от 30 МГц до 1 ГГц к излучаемым помехам, создаваемым на рабочей частоте и ее гармониках, возникающих в полосе частот от 150 кГц до 30 МГц, вызванных установленным оборудованием класса A группы 1 с номинальной мощностью, превышающей 20 кВ·А. В случае, если фоновый шум превышает данные нормы, помехоэмиссия от ИО не должна увеличивать этот порог шума более чем на 3 дБ. |
Таблица 17
Нормы излучаемых электромагнитных помех для оборудования
класса A группы 2, измеренных на месте эксплуатации
Полоса частот, МГц | Нормы для измерительного расстояния от наружной стены здания D, м |
Электрическое поле. Квазипиковое значение, дБ (мкВ/м) | Магнитное поле. Квазипиковое значение, дБ (мкА/м) |
0,15 - 0,49 | - | 23,5 |
0,49 - 1,705 | - | 13,5 |
1,705 - 2,194 | - | 18,5 |
2,194 - 3,95 | - | 13,5 |
3,95 - 20 | - | -1,5 |
20 - 30 | - | -11,5 |
30 - 47 | 48 | - |
47 - 53,91 | 30 | - |
53,91 - 54,56 | 30 | - |
54,56 - 68 | 30 | - |
68 - 80,872 | 43 | - |
80,872 - 81,848 | 58 | - |
81,848 - 87 | 43 | - |
87 - 134,786 | 40 | - |
134,786 - 136,414 | 50 | - |
136,414 - 156 | 40 | - |
156 - 174 | 54 | - |
174 - 188,7 | 30 | - |
188,7 - 190,979 | 40 | - |
190,979 - 230 | 30 | - |
230 - 400 | 40 | - |
400 - 470 | 43 | - |
470 - 1000 | 40 | - |
На граничных частотах применяют более жесткие нормы. |
Для оборудования группы 2, испытанного на месте эксплуатации, измерительное расстояние D от лицевой стороны наружной стены здания, в котором расположено оборудование, равняется меньшему из расстояний (30 + x/a) м или 100 м, обеспечивает, что измерительное расстояние D находится между границами прилегающих построек. В случае если рассчитанное расстояние D дальше границ прилегающих построек, измерительное расстояние D равняется большему из расстояний x или 30 м.
Для расчета вышеизложенных значений:
x - ближайшее расстояние между внешней стеной здания, в котором находится оборудование, и границей прилегающих построек пользователя в каждом измерительном направлении;
a = 2,5 для частот менее 1 МГц;
a = 4,5 для частот, равных или более 1 МГц.
7 Требования к проведению испытаний
7.1 Общие положения
Требования, установленные в настоящем разделе, вместе с нормами, указанными в
разделе 6, составляют основополагающие требования данного стандарта к электромагнитной совместимости. Для измерений на измерительных площадках (в испытательной лаборатории) (см.
раздел 8) проверка соответствия данного типа оборудования этим основополагающим требованиям к электромагнитной совместимости квалифицируется как испытания типа.
Требования, которые касаются измерений на таких измерительных площадках, являются требованиями к испытаниям типа. Испытания типа могут быть признаны в качестве утверждения типа, если соблюдены условия статистической оценки результатов измерений в соответствии с
приложением H.
Испытания оборудования класса A проводят в испытательной лаборатории (на измерительных площадках) или на месте эксплуатации по выбору изготовителя. Испытания оборудования класса B проводят в испытательной лаборатории.
Требования к проведению испытаний в испытательной лаборатории приведены в
разделах 8 и
9, на месте эксплуатации - в
разделе 10.
Требования настоящего раздела должны выполняться как для испытаний в лаборатории, так и на месте эксплуатации.
Испытания должны быть проведены только в диапазонах частот, к которым установлены нормы в
разделе 6.
Компоненты или сборочные узлы для оборудования или систем более высокого порядка, которые предназначены для сборки только в их соответствующем месте эксплуатации, могут быть также испытаны в соответствии с требованиями настоящего стандарта. Для целей испытания в рамках этого стандарта такие компоненты или сборочные узлы должны рассматриваться в качестве автономного оборудования. Компоненты или сборочные узлы, для которых соблюдение соответствующих требований не может быть продемонстрировано при измерении на измерительной площадке, также могут быть оценены на месте эксплуатации при установке в систему более высокого порядка, в этом случае применяются положения, изложенные в
6.4.
Примечание 1 - Электромагнитная обстановка, рассматриваемая в настоящем стандарте, это жилые, коммерческие или промышленные зоны, как описано в
[11]. Соответствие оборудования требованиям настоящего стандарта позволит эксплуатировать и использовать его в этих зонах, не приводя к повышенному риску радиочастотных помех. Также могут существовать другие стандарты IEC на продукцию, которые позволяют проводить испытания соответствия компонентов и сборочных узлов систем более высокого порядка, но которые охватывают другие зоны, кроме указанных в IEC 61000-2-5. Выбор этого стандарта или другого соответствующего стандарта IEC на продукцию для испытания соответствия компонентов и сборочных узлов осуществляет изготовитель.
Примечание 2 - Примерами таких компонентов являются, но не ограничиваются ими: силовые преобразователи, используемые для распределенной генерации и подачи электрической энергии в низковольтные сети или электроустановки переменного тока или подачи электрической энергии через выделенный трансформатор в высоковольтные распределительные сети, а также электрические секции, предназначенные для питания энергосистем более высокого порядка электроэнергией от низковольтных сетей переменного тока.
Испытательная лаборатория (измерительная площадка) для испытаний типа должна обеспечить возможность отделения посторонних шумов от помех, излучаемых ИО. Пригодность испытательной лаборатории с этой точки зрения определяют путем измерения уровня посторонних шумов при неработающем ИО. Уровень посторонних шумов должен быть по крайней мере на 6 дБ ниже норм, установленных в
6.2 или
6.3 в соответствии с проведенными испытаниями. Подробная информация об испытаниях при наличии посторонних шумов приведена в CISPR 16-2-1:2014 (6.2.2) и CISPR 16-2-3:2010 (6.2.2).
Если суммарный уровень посторонних шумов и радиопомех от ИО не превышает значения соответствующей нормы, допускается не снижать уровень посторонних шумов на 6 дБ относительно нормы. При этих условиях ИО рассматривают как удовлетворяющее соответствующей норме.
При измерениях кондуктивных РЧ-помех вследствие работы местных радиопередатчиков на некоторых частотах могут увеличиваться уровни посторонних шумов. Для уменьшения влияния посторонних шумов на результаты измерений между эквивалентом сети (V-AMN и/или DC-AN) и лабораторной сетью питания переменного тока или источником постоянного тока устанавливают соответствующий высокочастотный фильтр или проводят измерения в экранированном помещении. Высокочастотный фильтр должен быть заключен в экранированный металлический корпус, непосредственно соединенный с общей точкой эталонного заземления измерительной схемы. При подключении высокочастотного фильтра должны удовлетворяться требования к импедансу эквивалента сети на частоте измерения.
Если при измерении излучаемых РЧ-помех невозможно выполнить условие, при котором уровень посторонних шумов был бы на 6 дБ ниже нормы радиопомех, измерительную антенну допускается размещать на меньшем расстоянии от ИО, чем это определено в
разделе 6 (см.
8.3.4). Дополнительные положения по условиям измерения при наличии высокого уровня посторонних шумов приведены в
приложении C.
7.3 Измерительное оборудование
7.3.1 Измерительные приборы
Измерители радиопомех с квазипиковым детектором или детектором средних значений должны соответствовать требованиям CISPR 16-1-1.
Примечание 1 - Оба детектора могут быть встроены в один измеритель радиопомех, и измерения могут выполняться либо с помощью квазипикового детектора, либо с помощью детектора средних значений.
Примечание 2 - Детектор средних значений в CISPR 16-1-1 обычно называют CISPR-Average. Этим подчеркивается, что детектор средних значений, используемый в CISPR-приемнике, получает результат измерения, равный показанию пикового измерителя с постоянной времени, как определено в CISPR 16-1-1.
Измеритель радиопомех используют таким образом, чтобы изменение частоты измеряемой радиопомехи не влияло на результаты измерений.
Примечание 3 - Допускается использовать измерители радиопомех с другими характеристиками детектора, если это не будет влиять на результаты измерений. Допускается использовать панорамный приемник или анализатор спектра, если рабочая частота ИО изменяется в течение рабочего цикла.
Для исключения возможности несоответствия норме из-за неверного показания измерительного прибора измеритель радиопомех при настройке не должен подходить к границе одной из полос, установленных для использования ПНМ-оборудования, ближе, чем к частоте, на которой граница его полосы пропускания на уровне 6 дБ будет совпадать с границей установленной полосы частот.
При испытаниях оборудования с большой мощностью необходимо следить, чтобы отклонения характеристик измерителя радиопомех, обусловленные отражением и ложными откликами, были в пределах нормы.
При измерениях на частотах свыше 1 ГГц применяют анализатор спектра, удовлетворяющий требованиям, установленным в CISPR 16-1-1.
В
приложении B приведены меры предосторожности, которые необходимо предпринимать при использовании анализатора спектра.
7.3.2 Эквивалент сети (AN)
7.3.2.1 Общие положения
Эквивалент сети (AN) требуется, чтобы обеспечить определенное сопротивление оконечного устройства для порта электропитания сети переменного тока или порта электропитания постоянного тока ИО на радиочастотах в точке измерения. Эквивалент сети также обеспечит изоляцию ИО от посторонних шумов на соответствующих линиях питания переменного или постоянного тока.
7.3.2.2 Эквивалент сети питания (AMN)
Измерение напряжения помех на низковольтных портах электропитания переменного тока должно выполняться с использованием V-образного эквивалента сети питания (V-AMN), как определено в CISPR 16-1-2.
7.3.2.3 Эквивалент сети питания постоянного тока (DC-AN)
Измерение напряжения помех на низковольтных портах электропитания постоянного тока должно выполняться либо с использованием 150 Ом дельтообразного эквивалента сети питания, описанного в CISPR 16-1-2:2014 (пункт 4.7) (см. также CISPR 16-1-2:2014 (рисунок A.2)), или 150 Ом эквивалента сети питания постоянного тока, описанного в
приложении I настоящего стандарта. Для упрощенной формулировки любая из этих сетей, предназначенных для использования при измерениях на низковольтных портах электропитания постоянного тока, далее будет обозначаться как DC-AN.
Если использование эквивалента сети (V-AMN) невозможно, то применяют пробник напряжения, показанный на
рисунке 1. Пробник последовательно включают между каждым проводом сети питания и эталонным заземлением (металлическая пластина, металлическая труба). Пробник состоит из развязывающего конденсатора и резистора. Модуль полного сопротивления пробника между проводом и заземлением должен составлять не менее 1 500 Ом. Влияние на точность измерения конденсатора или любого другого устройства, которое может использоваться для защиты приемника от опасных токов, должно быть не более 1 дБ или учитывается при калибровке. Пробник напряжения должен соответствовать требованиям, указанным в CISPR 16-1-2:2014 (раздел 5).
Рисунок 1 - Схема измерения напряжения помех по сетям
питания
7.3.4 Антенны
7.3.4.1 Полоса частот ниже 30 МГц
На частотах ниже 30 МГц применяют рамочную антенну, как установлено в CISPR 16-1-4. Рамочную антенну устанавливают в вертикальной плоскости. Должна быть обеспечена возможность ее вращения вокруг вертикальной оси. Нижнюю точку рамки располагают на высоте 1 м относительно уровня земли.
7.3.4.2 Полоса частот от 30 МГц до 1 ГГц
7.3.4.2.1 Общие положения
В полосе частот от 30 МГц до 1 ГГц применяют антенны, как установлено в CISPR 16-1-4.
Допускается использование других антенн, если погрешность результатов измерений не превышает +/- 2 дБ от результатов, полученных при использовании симметричной дипольной антенны.
7.3.4.2.2 Открытая испытательная площадка или полубезэховая камера
При измерениях на OATS или в SAC центр антенны перемещают по высоте от 1 до 4 м для получения максимального показания на каждой частоте измерений. Нижнюю точку антенны располагают на высоте не менее 0,2 м относительно уровня земли. Измерения проводят при вертикальной, а затем при горизонтальной поляризации антенны.
7.3.4.2.3 Полностью безэховая камера
Для измерений в FAR антенна закрепляется на геометрической средней высоте проверенного испытательного рабочего объема. Измерения проводят при вертикальной, а затем при горизонтальной поляризации антенны.
7.3.4.2.4 Другие испытательные площадки
При измерениях на месте эксплуатации центр антенны располагают на высоте (2,0 +/- 0,2) м относительно уровня земли.
Для того чтобы смоделировать влияние руки пользователя, необходимо применять эквивалент руки для ручного оборудования во время измерений напряжения помех.
| | ИС МЕГАНОРМ: примечание. В официальном тексте документа, видимо, допущена опечатка: имеется в виду рисунок 2, а не 6. | |
Эквивалент руки состоит из металлической фольги, которая соединена одним зажимом (зажим M) с RC-элементом, состоящим из последовательно соединенного конденсатора 220 пФ +/- 20% и сопротивлением 510 Ом +/- 10% (см.
рисунок 6); другой зажим RC-элемента должен быть соединен с эталонной пластиной заземления измерительной системы (см. CISPR 16-1-2). RC-элемент эквивалента руки может быть встроен в эквивалент сети.
Рисунок 2 - Эквивалент руки, RC-элемент
7.4 Измерение частоты
Для оборудования, предназначенного для работы на основной частоте в одной из выделенных полос частот, указанных в
таблице 1, частоту измеряют с помощью измерительных приборов, имеющих собственную погрешность измерения не больше 1/10 от разрешенного допуска для частоты в середине выделенной полосы. Частота должна измеряться при всех режимах нагрузки, от минимальной мощности до максимальной.
7.5 Расположение испытуемых устройств
В соответствии с применением ИО должны быть приняты меры к расположению элементов установки для обеспечения наибольшего уровня радиопомех. Пример типичной установки для измерения излучаемых помех от настольного ИО представлен на
рисунке 3. Устройство измерения должно быть типичным для нормальной практики установки и должно быть расположено по центру вертикальной оси поворотного стола.
Примечание - Возможность применения настоящего пункта к испытаниям установок на месте эксплуатации зависит от присущей гибкости каждой конкретной установки. Рекомендации настоящего пункта применимы к измерениям на месте эксплуатации в той степени, насколько в конкретной установке возможны изменения положения кабелей, независимая работа блоков, входящих в установку, положения установки в пределах помещения и т.п.
1 - периферийное оборудование; L = измерительное расстояние
1 - периферийное оборудование
Рисунок 3 - Пример типового расположения кабеля
для измерений излучаемых помех на измерительном
расстоянии 3 м, настольное ИО
Оценка излучения от кабелей ИО на открытой испытательной площадке или в полубезэховой камере на измерительном расстоянии 3 м должна ограничиваться теми фрагментами соединительных кабелей (см.
7.5.2) и сетевых проводов (см.
7.5.3), которые находятся в пределах испытательного объема диаметром не более 1,2 м и на высоте 1,5 м над уровнем земли.
Для измерения излучаемых помех в полностью безэховой камере все кабели, находящиеся на полу, должны быть в зоне видимости из позиции опорной точки антенны не менее 80 см (см.
рисунок 3b).
Периферийное оборудование, не входящее в испытательный объем, должно быть исключено из измерений или разъединено с испытательной средой. Если кабели периферийного оборудования не могут быть растянуты так, чтобы выходить из испытательного объема, то периферийное оборудование должно быть расположено в пределах воображаемой окружности вокруг полной конфигурации ИО.
Измерительное расстояние определяют от опорной точки антенны к границам воображаемой окружности вокруг полной конфигурации ИО (см.
рисунок 3a).
Примечание 2 - Ограничение оценки излучения частями кабеля внутри испытательного объема может быть достигнуто, например, путем установления на кабели, выходящие из испытательного объема, поглощающих устройств синфазного (общего несимметричного) режима (CMAD). В CISPR 16-2-3 приведено подробное описание по применению CMAD.
Пример типового унифицированного организованного места для испытания напольного оборудования, подходящего для измерения кондуктивных, а также излучаемых помех, показан на
рисунке 4. Примеры типового расположения ИО и связанных с ним периферийных устройств приведены в CISPR 16-2-3 и CISPR 16-2-1.

- соединительные кабели
Рисунок 4 - Пример типового организованного места
для испытания для измерения кондуктивных и/или излучаемых
помех от напольного ИО, изометрическая проекция
Расположение ИО, включая точное расположение CMAD и вид испытательной площадки, используемой для измерения, должны быть указаны в протоколе испытаний.
7.5.2 Соединительные кабели
Положения настоящего пункта применимы к оборудованию, у которого есть соединительные кабели между блоками, или к системам, в которые входят несколько компонентов.
Примечание 1 - Положения настоящего пункта позволяют применить результаты оценки к ряду конфигураций системы, использующей тот же тип оборудования и кабелей, которые были испытаны, причем каждая конфигурация системы, по существу, является подсистемой оцениваемой системы.
Длины и типы соединительных кабелей должны соответствовать конкретным требованиям к оборудованию. Если длину кабелей можно менять, то ее следует выбирать такой, чтобы при измерениях напряженности поля уровень радиопомех был максимальным.
Если при испытаниях применялись экранированные или специальные кабели, то в инструкции пользователя должно быть указано о необходимости использования таких кабелей.
При проведении испытаний по радиочастотному излучению не требуется подключение сигнальных проводов, за исключением проводов, поставляемых изготовителем, для портативных испытательных и измерительных приборов группы 1 или тех, которые предназначены для использования в испытательных лабораториях и эксплуатируются обученным персоналом. Примером могут быть сигнальные генераторы, анализаторы сети, логические анализаторы и анализаторы спектра.
Избыточную часть длинных кабелей укладывают в середине кабеля в плоские петли длиной 30 - 40 см. Если это невозможно осуществить на практике, то в протоколе испытаний указывают расположение кабеля с избыточной длиной.
При наличии нескольких портов одного вида достаточно подключить кабель только к одному из портов этого вида, если подключение дополнительных кабелей существенно не влияет на результаты испытаний.
Результаты испытаний должны сопровождаться подробным описанием расположения кабелей и оборудования, чтобы результаты можно было повторить. Если существуют специальные условия применения оборудования, эти условия должны быть установлены, задокументированы и включены в эксплуатационную документацию на установку.
Если данный тип оборудования выполняет несколько функций по отдельности, то его испытывают при выполнении каждой из этих функций. Для системы, в состав которой может входить несколько различных компонентов, в оценку включают по одному компоненту каждого вида.
Система, в состав которой входят идентичные компоненты и которую испытывали при использовании одного из этих компонентов, не требует дополнительных испытаний, если результаты испытаний были удовлетворительны.
Примечание 2 - Это допустимо, так как установлено на практике, что излучения от идентичных модулей не складываются.
При испытаниях оборудования, взаимодействующего с другим оборудованием и образующего с ним систему, оценку проводят с помощью дополнительного оборудования для представления системы или путем использования имитаторов. При использовании любого метода обеспечивают проведение оценки ИО при воздействии на него остальной системы или имитаторов, удовлетворяющих условиям относительно постороннего шума, установленных в
7.2. Имитатор, используемый вместо реального оборудования, должен иметь соответствующие электрические, а в некоторых случаях и механические характеристики, особенно в отношении радиочастотных сигналов и полного сопротивления, а также конфигураций и типов кабелей.
Примечание 3 - Данная процедура облегчит оценку оборудования, которое будет работать совместно с оборудованием разных изготовителей, образуя систему.
7.5.3 Подключение к сети электропитания в испытательной лаборатории
7.5.3.1 Подключение к лабораторной сети питания переменного тока
7.5.3.1.1 Общие положения
При необходимости должно быть предусмотрено питание от лабораторной сети питания через эквивалент сети питания (AMN), указанный в
7.3.2.2.
Для подключения к эквиваленту сети питания или к сети питания измерительной площадки должны использоваться сетевые кабели соответствующей длины. Если инструкциями по монтажу изготовителя указан конкретный тип сетевого кабеля для использования с ИО, подключение к AMN или сети питания измерительной площадки должно быть сделано с помощью этого типа кабеля.
Должно быть обеспечено сетевое питание при номинальном напряжении.
7.5.3.1.2 Подключение к лабораторной сети питания переменного тока для измерения кондуктивных помех и излучаемых помех в диапазоне до 30 МГц
При проведении испытаний на измерительной площадке используют V-образный эквивалент сети питания (V-AMN) согласно
7.3.2.2, если это возможно. Корпус V-образного эквивалента сети питания (V-AMN) размещают так, чтобы его ближайшая поверхность была на расстоянии не менее 0,8 м от ближайшей границы ИО.
Если гибкий сетевой шнур поставляется изготовителем, то его длина должна составлять 1 м, если же его длина больше 1 м, то избыточную часть укладывают в плоскую петлю длиной не более 0,4 м.
Если в руководстве по эксплуатации определен тип сетевого кабеля, то кабель такого типа длиной 1 м включают между ИО и эквивалентом сети питания.
Если для обеспечения безопасности необходимо подключение к заземлению, то указанное подключение должно быть сделано к зажиму измерительного заземления эквивалента сети питания. Если изготовитель не поставляет кабели для этих целей и не указывает их тип, то используют провод длиной 1 м, который размещают параллельно сетевому проводу на расстоянии не более 0,1 м.
Другие заземляющие проводники (например, в целях электромагнитной совместимости), предусмотренные для подключения к тому же зажиму, что и в целях безопасности, также должны подключаться к зажиму измерительного заземления эквивалента сети питания.
Дополнительные низковольтные порты переменного тока должны быть подключены к лабораторной сети питания переменного тока через один или несколько отдельных эквивалентов сети питания (V-AMN), как указано в
7.3.2.2.
Если ИО представляет собой систему, состоящую из нескольких устройств, каждое из которых имеет собственный сетевой шнур, то подключение к эквиваленту сети питания определяется по следующим правилам:
a) каждый сетевой кабель, оканчивающийся вилкой стандартной конструкции (например, IEC 60083), испытывают отдельно;
b) сетевые кабели или зажимы, которые в соответствии с технической документацией на систему не определены для подключения к сети электропитания через другую установку, испытывают отдельно;
c) сетевые кабели или зажимы, предназначенные для подключения к сети электропитания через другое устройство, подключают к этому устройству, а сетевые кабели или зажимы указанного устройства подключают к эквиваленту сети питания;
d) если предусмотрены специальные соединения при оценке ИО, должны использоваться необходимые технические средства.
7.5.3.1.3 Подключение к лабораторной сети питания переменного тока для измерения излучаемых помех в диапазоне от 30 МГц до 18 ГГц
Подключение к лабораторной сети питания переменного тока может быть обеспечено с использованием или без использования эквивалента сети питания (AMN), размещенного внутри испытательной среды (см.
рисунок 4). Для устройств измерения, не включающих AMN, должно быть гарантировано заземление ИО путем соблюдения принципов, изложенных в
7.5.3.1.2, насколько это возможно.
Если устройство измерения не включает в себя AMN, то не требуется излишнюю длину сетевых кабелей группировать и располагать внутри испытательного объема. Они могут быть размещены за пределами испытательного объема или испытательной среды. Для устранения влияния излучения от этой излишней длины кабелей рекомендуется тщательно выводить эти сетевые кабели на зажимы в месте их выхода из испытательного объема. Для этой развязывающей цепи рекомендуется использовать CMAD. Для измерений на расстоянии 3 м это размыкание является обязательным (см
7.5.1).
7.5.3.2 Подключение к лабораторной сети питания постоянного тока или другому источнику питания постоянного тока
При выполнении измерений на измерительной площадке должен использоваться эквивалент сети постоянного тока (DC-AN) сопротивлением 150 Ом, указанный в
7.3.2.3, если это возможно. Корпус эквивалента сети постоянного тока размещают так, чтобы его ближайшая поверхность была на расстоянии не менее 0,8 м от ближайшей границы ИО.
Если DC-AN используется в качестве пробника напряжения, порт электропитания постоянного тока ИО должен быть развязан от источника питания с помощью подходящих развязывающих устройств в синфазном режиме, таких как ферритовые трубки, поглощающие устройства синфазного (общего несимметричного) режима или устройства связи-развязки по IEC 61000-4-6:2013 (пункт 6.2.4), которые должны быть закреплены на кабеле или быть встроены в силовой кабель постоянного тока, соединяющий источник питания постоянного тока с устройством измерения ИО (см.
рисунки 7 -
9). Если устройство связи-развязки по IEC 61000-4-6 используется для целей развязки, его радиочастотный входной порт питания не должен заканчиваться резистивной нагрузкой сопротивлением 50 Ом.
Должно быть обеспечено соединение с подходящим источником питания постоянного тока. Необходимо регулировать выходное напряжение постоянного тока этого источника питания, чтобы обеспечить уровень напряжения в пределах номинального рабочего диапазона для соответствующего типа ИО.
Примечание 1 - Для подвода тока к порту электропитания постоянного тока ИО можно использовать специальный лабораторный источник питания, соответствующие (наборы) аккумуляторы или другие источники постоянного тока, такие как модули топливных элементов, при условии, что они поставляют непрерывное и стабильное напряжение, ток и т.д., необходимые для силовых преобразователей при номинальных выходных условиях работы в течение всего измерения.
Следует соблюдать осторожность при выборе лабораторного источника питания постоянного тока и его установке в устройстве измерения. Рекомендуется выбирать и устанавливать только такой источник питания постоянного тока, который обеспечивает хорошую гальваническую изоляцию, а также достаточную радиочастотную развязку обоих зажимов питания постоянного тока от базовой заземляющей плоскости лаборатории. Внутренние развязывающие конденсаторы на зажимах источника питания постоянного тока, используемые для внутреннего подавления асимметричных помех, могут дать нежелательный байпас для оконечного устройства синфазного режима DC-AN сопротивлением 150 Ом, используемого для измерений. Это может привести к эффектам насыщения в ослабляющем фильтре силового преобразователя при испытании, в частности на рабочей частоте (т.е. частоте переключения) силового преобразователя и его гармоник, которые, как правило, расположены в диапазоне от 2 до 20 кГц. Насыщенные ослабляющие фильтры, тем не менее, приводят к неверным и недостоверным результатам измерений, так как силовой преобразователь во время измерений не работает должным образом.
Руководство по предотвращению эффектов насыщения, вызванных конфигурацией испытательной площадки, приведено в приложении K.
Если в инструкции по монтажу изготовителя указан определенный тип силового кабеля постоянного тока, то он должен использоваться во время испытания.
Для испытания длина кабеля, соединяющего ИО и DC-AN, должна быть как можно короче, с соблюдением определенных выше условий относительно близости границы.
Если ИО имеет более одного порта электропитания постоянного тока одного и того же типа, к DC-AN для измерений должно быть подключено количество портов электропитания постоянного тока, необходимое для работы оборудования при его номинальной мощности. Все остальные порты электропитания постоянного тока должны заканчиваться соответствующим оконечным устройством синфазного режима сопротивлением 150 Ом. Несколько портов, гальванически соединенных параллельно (например, токопроводящие шины или пластины для подключения к нескольким кабелям), рассматриваются как представляющие только один порт.
Примечание 2 - Для других оконечных устройств может быть использовано любое подходящее устройство. Ими могут быть, например, использование дополнительных сетей сопротивлением 150 Ом по CISPR 16-1-2, дополнительные DC-AN по
7.3.2.3 или также использование устройств связи/развязки сопротивлением 150 Ом по IEC 61000-4-6.
Дополнительные порты электропитания постоянного тока должны быть подключены к соответствующему отдельному лабораторному источнику питания постоянного тока или аккумулятору с помощью соответствующего оконечного устройства синфазного режима сопротивлением 150 Ом.
Примечание 3 - Если используется отдельный, подключенный к сети лабораторный источник питания постоянного тока, то может быть целесообразно также поставить другой фильтр электромагнитных помех в связи с этим источником питания. Схемы размещения оборудования на измерительной площадке приведены в
приложении J.
7.6 Нагрузочные условия ИО
7.6.1 Общие положения
В настоящем пункте установлены условия нагрузок ИО. Оборудование, не указанное в настоящем пункте, испытывают с такими нагрузками, которые соответствуют реальным условиям эксплуатации, чтобы создаваемые радиопомехи были максимальными. Режимы работы оборудования должны соответствовать указанным в технической документации на него.
7.6.2 Медицинское оборудование
7.6.2.1 Терапевтическое оборудование, работающее на частотах от 0,15 до 400 МГц
Измерения проводят при работе оборудования в режимах, указанных в технической документации. Тип эквивалента нагрузки для данного оборудования зависит от типа используемых электродов.
Для оборудования с конденсаторными электродами (оборудование конденсаторного типа) испытания проводят с использованием эквивалента нагрузки. Общая схема размещения показана на
рисунке 5. Эквивалент нагрузки должен иметь в основном активный характер и поглощать полную мощность ИО.
E - держатели электродов и кабели; L - эквивалент нагрузки
Рисунок 5 - Взаимное расположение медицинского оборудования
(конденсаторного типа) и эквивалента нагрузки
Два зажима эквивалента нагрузки должны быть на противоположных концах нагрузки, и каждый зажим должен соединяться с круглой металлической пластиной диаметром (170 +/- 10) мм. Измерения проводят с каждым из выходных кабелей и конденсаторных электродов, поставляемых с оборудованием. Конденсаторные электроды располагают на концах эквивалента нагрузки параллельно круглой металлической пластине, зазоры между ними устанавливают таким образом, чтобы обеспечить соответствующую рассеиваемую мощность на эквиваленте нагрузки.
Измерения проводят как при горизонтальном, так и вертикальном расположении эквивалента нагрузки (см.
рисунок 5). В каждом случае для определения максимального уровня радиопомех ИО с выходными кабелями, конденсаторными электродами и эквивалентом нагрузки вращают вокруг своей вертикальной оси.
Примечание - Для испытаний оборудования многих видов рекомендуется использовать следующие электрические лампы накаливания в зависимости от мощности:
a) при номинальной выходной мощности устройства от 100 до 300 Вт: 4 лампы 110 В/60 Вт или 5 ламп 125 В/60 Вт, соединенные параллельно;
b) при номинальной выходной мощности от 300 до 500 Вт: 4 лампы 125 В/100 Вт или 5 ламп 150 В/100 Вт, соединенные параллельно.
Для оборудования индуктивного типа испытания проводят с использованием кабелей и катушек, поставляемых с оборудованием для лечения пациента. В качестве эквивалента нагрузки применяют цилиндрический сосуд из изоляционного материала диаметром 10 см, заполненный до высоты 50 см раствором, состоящим из 9 г поваренной соли на 1 л дистиллированной воды.
Сосуд располагают внутри катушки, при этом оси сосуда и индуктивной катушки должны совпадать. Центры катушки и жидкой нагрузки должны также совпадать.
Если измерения проводят при максимальной и половине максимальной мощности оборудования, а также в точке, где выходная схема перестраивается, то она должна быть настроена в резонанс с основной частотой оборудования.
Измерения проводятся во всех рабочих условиях, указанных в технической документации на оборудование.
7.6.2.2 Ультравысокочастотное и микроволновое терапевтическое оборудование, работающее на частотах свыше 400 МГц
Испытания проводят при подключении выхода оборудования к неизлучающей резистивной нагрузке, величина которой равна характеристическому импедансу кабеля, используемого для питания нагрузки оборудования.
7.6.2.3 Ультразвуковое терапевтическое оборудование
Измерения проводят при подключенном к генератору преобразователе. Преобразователь должен находиться в неметаллическом контейнере диаметром приблизительно 10 см, заполненном дистиллированной водой.
Измерения выполняют при максимальной и половине максимальной мощности. Если выходная схема оборудования может настраиваться, она должна быть настроена в резонанс, а затем расстроена. При измерениях выполняют технические требования, изложенные в руководстве по эксплуатации оборудования.
Измерение максимальной выходной мощности оборудования рекомендуется проводить в соответствии с методом, указанным в IEC 61689, или используя вторичную схему, если это необходимо.
7.6.3 Промышленное оборудование
Измерения радиопомех от промышленного оборудования проводят с реальными нагрузками или с эквивалентами нагрузок.
При использовании вспомогательных средств, таких как вода, газ, воздух и т.д., их подключение к ИО осуществляют по трубопроводу из изолирующего материала, длина которого должна составлять не менее 3 м. При испытании с реальной нагрузкой электроды и кабели должны располагаться так же, как в реальных условиях. Измерения необходимо выполнять при максимальной и половине максимальной выходной мощности. Оборудование, которое обычно работает при нулевой или очень низкой выходной мощности, также испытывают при этих условиях.
Промышленное индукционное нагревательное и диэлектрическое нагревательное оборудование должно быть испытано в составе и с нагрузкой, эквивалентной нормальной эксплуатации. Если оборудование может быть настроено на различные нагрузки или нагрузка не применяется, то для индукционных нагревательных приборов применяется нагрузка по IEC 61922, а для диэлектрических нагревательных приборов - по IEC 61308. Промышленное резистивное нагревательное оборудование должно испытываться с нагрузкой или без нее, как определено изготовителем.
Примечание - Нагрузка в виде циркулирующей воды пригодна для испытаний многих видов диэлектрического нагревательного оборудования.
Промышленное нагревательное микроволновое оборудование должно соответствовать нормам на излучения, установленным в
разделе 6, с нагрузкой в соответствии с IEC 61307 или нагрузкой, используемой на практике. Нагрузка должна меняться для обеспечения максимальной излучаемой мощности, изменения частоты или излучения гармоник в зависимости от того, какие характеристики проверяют.
7.6.4 Научное, лабораторное и измерительное оборудование
Научное оборудование испытывают при нормальных рабочих условиях. Лабораторное и измерительное оборудование должно работать в соответствии с его назначением. Все выходные РЧ-порты должны заканчиваться согласованной неизлучающей нагрузкой.
Микроволновые печи испытывают с установленными компонентами, такими как полки, и с нагрузкой 1 л водопроводной воды при начальной температуре (20 +/- 5) °C, расположенной в центре подноса, поставляемого изготовителем.
Сосуд для воды должен быть цилиндрической формы из боросиликатного стекла с внешним диаметром (190 +/- 5) мм и высотой (90 +/- 5) мм (см. также IEC 60705).
Подробная информация о процедуре измерения в диапазоне частот выше 1 ГГц приведена в
9.4.
7.6.6 Другое оборудование, работающее в полосе частот от 1 до 18 ГГц
Оборудование, отличное от перечисленного выше, должно соответствовать нормам радиопомех, установленным в
разделе 6, при испытаниях с эквивалентом нагрузки, представляющим собой сосуд из диэлектрического материала, наполненный некоторым количеством водопроводной воды. Размер и форма сосуда, его размещение в оборудовании и количество содержащейся в нем воды должны выбираться так, как это необходимо для максимальной излучаемой мощности, изменения частоты или излучения гармоник в зависимости от того, какие характеристики проверяют.
7.6.7 Электросварочное оборудование
Для сварочного электродугового оборудования процесс сварки во время испытаний симулируется условной нагрузкой оборудования. Прожог электродом и стабилизирующие устройства должны быть включены во время измерений помехоэмиссии. Нагрузочные условия и условия испытаний для сварочного электродугового оборудования установлены в IEC 60974-10.
Для оборудования контактной сварки процесс сварки во время испытаний симулируется закорачиванием сварочной цепи. Нагрузочные условия и условия испытаний для оборудования контактной сварки установлены в IEC 62135-2.
Начало измерений в соответствии с настоящим стандартом должно быть с задержкой до 5 с после того, как начало работать испытуемое сварочное оборудование.
7.6.8 Световое ПНМ РЧ-оборудование
Световое ПНМ РЧ-оборудование при испытании должно соответствовать нормам, приведенным в
6.3, при поставке изготовителем при нормальных условиях эксплуатации. В случае светового ПНМ РЧ-оборудования ИО должно работать до стабилизации частоты колебаний магнетрона. Следовательно, начало любого измерения в соответствии с настоящим стандартом должно задерживаться по меньшей мере на 15 мин.
7.6.9 Распределительное устройство среднего напряжения (MV) и высокого напряжения (HV)
Для оборудования, использующего распределительное устройство среднего или высокого напряжения, начало любых измерений в соответствии с настоящим стандартом должно быть отложено до завершения коммутационных действий, связанных с основной или первичной цепью (например, коммутационные действия автоматических прерывателей и разъединителей).
7.6.10 Подключенные к сети силовые преобразователи (GCPC)
7.6.10.1 Подключение к лабораторной сети переменного тока или аналогичной нагрузке
Испытуемый силовой преобразователь, когда это возможно, должен быть подключен к лабораторной сети питания переменного тока через V-образный эквивалент сети питания (V-AMN), указанный в
7.3.2.2. Если такое подключение невозможно или не предусмотрено, то силовой преобразователь при испытании может быть соединен с соответствующей резистивной нагрузкой и лабораторной сетью переменного тока параллельно через V-образный эквивалент сети питания (V-AMN), указанный в
7.3.2.2.
Подключение к соответствующей резистивной нагрузке также рекомендуется для силовых преобразователей, исключительно предназначенных для использования в изолированно работающих низковольтных сетевых установках переменного тока, которые не подключены к другой общественной низковольтной сети распределения электроэнергии переменного тока. Следует руководствоваться инструкциями по монтажу изготовителя.
В качестве альтернативы источник питания переменного тока для лабораторного источника питания постоянного тока может быть взят из выходных линий переменного тока GCPC через V-AMN без подключения резистивной нагрузки. Выходная мощность переменного тока GCPC будет использоваться для получения требуемой потребляемой мощности постоянного тока для этого GCPC, таким образом, в данном случае нет необходимости в резистивной нагрузке (см.
рисунок J.1 (приложение J)).
Примечание - Схемы размещения оборудования на измерительной площадке приведены в
приложении J.
7.6.10.2 Подключение к другой соответствующей нагрузке
Для силовых преобразователей, предназначенных для питания от источников переменного тока, испытуемый порт электропитания постоянного тока должен быть подключен к соответствующей резистивной нагрузке или другому соответствующему аккумулятору через эквивалент сети постоянного тока (DC-AN) сопротивлением 150 Ом, как указано в
7.3.2.3. ИО должно быть подключено к соответствующей нагрузке в пределах номинального рабочего диапазона для соответствующего типа ИО.
Примечание - Примером типа GCPC, предназначенного для питания от источника переменного тока, является силовой преобразователь, предназначенный для сборки внешней зарядной станции для электрических транспортных средств (EV).
7.7 Запись результатов измерений, проведенных в испытательной лаборатории (на измерительной площадке)
7.7.1 Общие положения
Все результаты, полученные во время измерений кондуктивных и/или излучаемых радиочастотных помех, должны быть записаны в протокол испытаний. Если результаты не были записаны в последовательном виде и/или в графической форме во всем рассматриваемом частотном диапазоне, тогда должны соблюдаться минимальные требования к записям, установленные в
7.7.2 и
7.7.3.
В протоколе испытаний необходимо указать, что инструментальная составляющая неопределенности измерений (MIU) была определена в соответствии с CISPR 16-4-2 и учитывалась при определении соответствия нормам для испытания отдельного оборудования или ряда отдельных изделий в выборке серийно выпускаемого оборудования.
В протокол испытаний может быть включены численные значения MIU, которые испытательная лаборатория определила для каждого выполненного испытания. Если бюджеты неопределенности, указанные в CISPR 16-4-2, превышены, то протокол испытаний должен включать численные значения MIU измерительной аппаратуры, используемой на самом деле.
7.7.2 Кондуктивные помехи
Для кондуктивных помех свыше (L - 20 дБ), где L - норма по логарифмической шкале, запись должна содержать как минимум уровни помех и частоты шести наивысших помех в каждом рассматриваемом диапазоне частот с каждого порта электропитания, относящегося к ИО. Запись должна содержать указание, на каком из проводников порта электропитания наблюдалась рассматриваемая помеха.
Для излучаемых помех свыше (
L - 10 дБ), где
L - норма по логарифмической шкале, запись должна содержать как минимум уровни помех и частоты шести наивысших помех в каждом рассматриваемом диапазоне частот. Запись должна содержать поляризацию антенны, высоту антенны и позицию поворотного стола, если возможно, для каждой помехи. В случае измерений в испытательной лаборатории выбранное и использованное фактическое измерительное расстояние (см.
6.2.2 и
6.3.2) должно быть указано в протоколе испытаний.
8 Специальные положения для измерений в испытательной лаборатории в полосе частот от 9 кГц до 1 ГГц
8.1 Пластины заземления
Измерения излучаемых помех на открытой испытательной площадке и в полубезэховой камере и измерения кондуктивных помех на любой испытательной площадке проводят с использованием пластины заземления. Расположение ИО относительно пластины заземления должно соответствовать его реальному расположению в условиях эксплуатации. За исключением специально предназначенных мест заземления, определенных изготовителем, напольное ИО должно быть изолировано от заземляющей плоскости диэлектрическим материалом толщиной до 15 см. Прямое подключение к заземлению (т.е. к заземляющей плоскости) должно быть сделано:
a) в соответствии с инструкциями изготовителя;
b) если ИО оснащено специальным зажимом заземления, то этот зажим должен быть подключен к заземлению (т.е. соединен с заземляющей плоскостью) как можно более коротким проводом (см.
рисунок 4).
Пластину заземления используют при проведении измерений излучаемых помех на открытой испытательной площадке и в полубезэховой камере и измерений кондуктивных помех на любой испытательной площадке. Требования, относящиеся к испытательной лаборатории для измерения излучаемых радиопомех, приведены в
8.3, а требования, касающиеся пластины заземления при измерении кондуктивных помех, - в
8.2.
8.2 Измерение кондуктивных помех
8.2.1 Общие положения
Заземление и условия заземления ИО, а также подключения к лабораторной сети питания приведены в
7.5.3.
Изменение кондуктивных помех проводят:
a) на открытой испытательной площадке и в полубезэховой камере при том же расположении ИО, что и при испытаниях излучаемых помех;
b) над металлической пластиной заземления; или
c) в экранированном помещении. При этом либо пол, либо одна из стен экранированного помещения должны выполнять роль пластины заземления.
Вариант a) выбирают тогда, когда в испытательной лаборатории есть пластина заземления. В
вариантах b) и
c) ненапольное ИО размещают на расстоянии 0,4 м от пластины заземления. Напольное оборудование размещают на пластине заземления, причем точка (точки) контакта должна быть изолирована от пластины заземления, но во всем остальном соответствовать нормальной эксплуатации. Расстояние ИО от любой другой металлической поверхности должно быть не менее 0,8 м.
Зажимы эталонного заземления эквивалента сети (V-AMN и DC-AN), используемого в процессе измерения, должны быть соединены с эталонной пластиной заземления с помощью как можно более короткого проводника.
Кабели питания и сигнальные кабели располагают относительно пластины заземления так же, как они располагаются в условиях эксплуатации, и соблюдают меры предосторожности при расположении кабелей для гарантии того, что применяемое положение кабелей не приведет к побочным эффектам.
Если ИО имеет специальный зажим заземления, то его подключают к заземлению с помощью как можно более короткого провода. ИО, не имеющее специального зажима заземления, испытывают при нормальном подключении, т.е. заземление производится через кабель питания.
8.2.2 Измерения на подключенных к сети силовых преобразователях
8.2.2.1 Измерение напряжения помех на портах электропитания переменного тока
Напряжение помех на низковольтных портах электропитания переменного тока силового преобразователя должно измеряться обычным методом измерения напряжений помех на портах электропитания переменного тока (см. также CISPR 16-2-1).
Напряжение помех на вспомогательном низковольтном порту электропитания переменного тока силового преобразователя измеряют обычным методом измерения напряжений на портах питающей сети переменного тока (см. также CISPR 16-2-1).
Для силовых преобразователей, которые не могут быть измерены с помощью V-образного эквивалента сети питания (V-AMN), напряжение помех на низковольтных портах питающей сети переменного тока можно измерить с помощью пробника напряжения с высоким сопротивлением в соответствии с CISPR 16-1-2:2014 (раздел 5). В этом случае лабораторный источник питания переменного тока должен быть подключен непосредственно к испытуемому порту электропитания переменного тока. Условия использования пробника напряжения с высоким сопротивлением приведены в
7.3.3.
Аналогично для измерений на силовых преобразователях с номинальной пропускной мощностью > 20 кВ·А V-образный эквивалент сети (V-AMN) может быть использован в качестве пробника напряжения, как указано в CISPR 16-2-1:2014 (пункт 7.4.4.3). Лабораторный источник питания переменного тока должен быть подключен к испытуемому порту электропитания переменного тока через индуктивность 30 - 50 мкГн. Индуктивность может быть реализована дросселем, силовым кабелем длиной 50 м или разделительным трансформатором. Подходящая измерительная установка показана на
рисунках 8 и
9.
Соответствие требованиям настоящего стандарта может быть продемонстрировано посредством проверки соблюдения норм для напряжения помех на портах питающей сети переменного тока, приведенных в
таблице 2 или
4.
8.2.2.2 Измерение напряжения помех на портах питающей сети постоянного тока
8.2.2.2.1 Общие положения
Нормы для низковольтных портов питания постоянного тока, указанные ниже, относятся только к следующим типам оборудования:
a) оборудование для преобразования энергии, предназначенное для монтажа в системы фотоэлектрических электростанций;
b) преобразователи мощности, подключенные к сети (GCPC), предназначенные для монтажа в системы накопителей энергии.
(в ред.
Изменения N 1, принятого Протоколом Межгосударственного совета по стандартизации, метрологии и сертификации от 30.04.2024 N 172-П)
Если изготовителем не указаны какие-либо конкретные условия эксплуатации, то условия входа для ИО должны быть настроены на получение в результате максимальных уровней напряжения помех.
Примечание - Условия эксплуатации, как это определено изготовителем, выбираются таким образом, чтобы обеспечивался максимальный уровень помех.
Силовые преобразователи с номинальной пропускной мощностью > 20 кВ·А должны измеряться во время эксплуатации в рабочей точке, для которой возможна подача энергии в энергосистему или обеспечивая выходную мощность на другую соответствующую нагрузку. Питающее напряжение постоянного тока должно быть в пределах номинального рабочего диапазона.
В случае если силовой преобразователь предназначен для подключения к более чем одной линии питания постоянного тока и, следовательно, снабжен более чем одним портом электропитания постоянного тока, измерения напряжения помех должны выполняться последовательно на каждом из этих портов. Все остальные порты электропитания постоянного тока, не используемые во время соответствующего измерения, должны заканчиваться соответствующим оконечным устройством синфазного режима сопротивлением 150 Ом (см.
7.5.3.2). Несколько портов, гальванически соединенных параллельно (например, токопроводящие шины или пластины для подключения к нескольким кабелям), рассматриваются как представляющие только один порт.
Напряжение помех на порту электропитания постоянного тока силового преобразователя измеряют обычным методом измерения напряжения помех на портах электропитания переменного тока (см. также CISPR 16-2-1) следующим образом:
- при измерении напряжения помех несимметричного режима (UM) соблюдение норм проверяют на обоих измеренных несимметричных уровнях напряжения помех, т.е. для уровней напряжения, измеренных с плюсового зажима (полюса) на базовое заземление и с минусового зажима (полюса) на базовое заземление;
- при измерении напряжения помех синфазного режима (CM) и дифференциального режима (DM) соблюдение норм проверяют на обоих измеренных уровнях напряжения обоих режимов, т.е. для уровня напряжения помех синфазного режима (CM), а также для уровня напряжения помех дифференциального режима (DM).
Если эквивалент сети постоянного тока (DC-AN) в соответствии с
приложением I позволяет измерять помехи в несимметричном, синфазном и дифференциальном режимах, то достаточно проверить соблюдение норм либо для помех в несимметричном режиме (метод A), либо для помех в синфазном и дифференциальном режимах (метод B). Выбор метода, используемого для измерения, осуществляет пользователь настоящего стандарта.
Если инструкция по монтажу, прилагаемая к силовому преобразователю, содержит информацию о том, что порт электропитания постоянного тока предназначен исключительно для подключения:
- к аккумулятору или другому виду источника питания постоянного тока;
- если силовой преобразователь и аккумулятор или другой вид источника питания постоянного тока предназначены только для встраивания в конечное оборудование более высокого порядка (которое состоит из одного или нескольких блоков), то на этом порту измерения можно не выполнять.
8.2.2.2.2 Процедура измерения 1
8.2.2.2.2.1 Общие положения
DC-AN используется в качестве стандартного оконечного устройства синфазного режима ИО сопротивлением 150 Ом и развязывающей цепи лабораторного источника питания постоянного тока. Типовое измерительное устройство приведено на
рисунке 6.
Рисунок 6 - Типовая установка для измерения кондуктивных
помех на низковольтных портах электропитания постоянного
тока с эквивалентом сети постоянного тока (DC-AN),
используемым в качестве оконечного устройства
и развязывающего блока к лабораторному источнику питания
постоянного тока
8.2.2.2.2.2 Критерий соответствия
Оборудование соответствует требованиям настоящего стандарта, если соблюдаются нормы напряжения помех, указанные в
таблице 3 или
5.
8.2.2.2.3 Процедура измерения 2
8.2.2.2.3.1 Общие положения
Для измерений на силовых преобразователях с номинальной пропускной мощностью > 20 кВ·А эквивалент сети постоянного тока (DC-AN) может быть использован в качестве пробника напряжения. Для адекватного развязывания ИО от источника питания постоянного тока лабораторный источник питания постоянного тока должен быть подключен к испытуемому порту электропитания постоянного тока через катушку индуктивности синфазного режима от 90 до 150 мкГн. Катушка индуктивности синфазного режима может быть реализована с помощью ферритовых трубок, поглощающих устройств синфазного режима или устройств связи/развязки (CDN), как указано в IEC 61000-4-6:2013 (пункт 6.2.4). Поскольку устройства связи/развязки в соответствии с IEC 61000-4-6 используются только в качестве развязывающей цепи, его радиочастотный входной порт питания не должен заканчиваться резистивной нагрузкой сопротивлением 50 Ом, как показано на
рисунке 7.
Примечание - Оператор лаборатории должен обеспечить, чтобы результаты измерений, полученные с такими измерительными установками, не затрудняли или не были признаны недействительными из-за преобладающих помех от лабораторного источника питания постоянного тока. Для развязывания ИО от источника питания постоянного тока могут использоваться соответствующие фильтры электромагнитных помех. Не следует применять в ИО слишком тяжелую дополнительную емкостную нагрузку синфазного режима. Дальнейшие указания по подходящему развязыванию лабораторного источника питания постоянного тока от измерительного устройства приведены в
приложении K.
Рисунок 7 - Типовая установка для измерения кондуктивных
помех на низковольтных портах электропитания постоянного
тока с эквивалентом сети постоянного тока (DC-AN),
используемым в качестве оконечного устройства и пробника
напряжения
8.2.2.2.3.2 Измерение напряжения помех синфазного режима (CM)
Измерения напряжения помех на порту электропитания постоянного тока осуществляются с помощью эквивалента сети постоянного напряжения (DC-AN), используемого в качестве пробника напряжения (см.
рисунки 7 -
9).
Измерения напряжения помех синфазного режима на порту электропитания постоянного тока силового преобразователя выполняются, используя эквивалент сети постоянного напряжения.
8.2.2.2.3.3 Измерение тока помех синфазного режима (CM)
Измерение тока помех синфазного режима на силовом кабеле постоянного тока, ведущем к лабораторному источнику питания постоянного тока, выполняют с использованием пробника тока в соответствии с CISPR 16-1-2.
При проведении измерений с пробником тока необходимо следить, чтобы не изменились условия оконечного устройства ИО. Пробник тока должен быть расположен не дальше чем в 30 см от DC-AN. Пробник тока также должен быть на месте при выполнении измерения напряжения помех синфазного режима. Подходящая измерительная установка показана на
рисунках 8 и
9.
Примечание - 'x' и 'y' обозначают расстояние между пробником тока и DC-AN, DC-AN и ферритовыми трубками/CMAD/CDN соответственно. Расстояние x <= 0,3 м и y = 0,1 м.
Рисунок 8 - Типовая установка для измерения кондуктивных
помех на низковольтных портах электропитания постоянного
тока с эквивалентом питания постоянного тока, используемым
в качестве пробника напряжения и токовых клещей;
2D-диаграмма
Рисунок 9 - Типовая установка для измерения кондуктивных
помех на низковольтных портах электропитания постоянного
тока с эквивалентом сети постоянного тока (DC-AN),
используемым в качестве пробника напряжения и токовых
клещей; изометрическая проекция
8.2.2.2.3.4 Критерии соответствия
Для измерений в соответствии с
рисунком 8, соблюдение норм должно быть проверено для измеренного напряжения помех синфазного режима и измеренного тока помех синфазного режима. ИО соответствует требованиям настоящего стандарта, если оно удовлетворяет нормам напряжения и тока, приведенным в
таблице 3.
8.2.3 Ручное оборудование, которое в условиях нормальной эксплуатации работает без заземления
Для такого оборудования проводятся дополнительные измерения с использованием эквивалента руки, описанного в
7.3.5.
Эквивалент руки должен применяться только на рукоятках и зажимах и схожих частях оборудования, определенных изготовителем. В случае отсутствия технической документации изготовителя эквивалент руки должен применяться следующим образом.
Общий принцип применения эквивалента руки состоит в том, что металлическая фольга должна быть обернута вокруг всех ручек, поставляемых с оборудованием (из расчета один эквивалент руки на ручку), как фиксированных, так и съемных, поставляемых вместе с оборудованием.
Металлоконструкция, которая покрыта краской или лаком, считается незащищенной и должна быть напрямую соединена с зажимом M RC-элемента.
В случае если оборудование полностью металлическое, в использовании фольги нет необходимости, но зажим M RC-элемента должен быть присоединен непосредственно к корпусу изделия.
В случае если оборудование полностью из диэлектрического материала, металлическая фольга должна быть намотана вокруг ручек.
В случае если оборудование частично металлическое, частично из диэлектрического материала и имеет изолированные ручки, металлическая фольга должна быть намотана вокруг ручек.
8.3 Открытая испытательная площадка или полубезэховая камера для измерения напряженности поля радиопомех в полосе частот от 9 кГц до 1 ГГц
Измерительная площадка для измерения напряженности поля радиопомех должна быть плоской, свободной от воздушных проводов и других предметов, которые могут вызвать отражение электромагнитных волн. Площадка должна иметь соответствующие размеры, чтобы обеспечить необходимое расстояние между измерительной антенной, ИО и отражающими предметами.
Измерительная площадка, соответствующая этим критериям, представляет собой эллипс, главная ось которого равна удвоенному фокусному расстоянию, а малая равна

, умноженному на фокусное расстояние R. ИО и измерительную антенну располагают в каждом из фокусов соответственно. Длина пути любого луча, отраженного от постороннего предмета, находящегося на периметре данной измерительной площадки, будет при этом равна удвоенной длине пути при прямом распространении между фокусами. Измерительная площадка для измерения напряженности поля радиопомех изображена на
рисунке 10.
Примечание - Значение F установлено в
разделе 6.
Рисунок 10 - Измерительная площадка
На площадке с измерительным расстоянием 10 м поверхность земли покрывается пластиной заземления, которая должна выступать за границу ИО не менее чем на 1 м с одной стороны и не менее чем на 1 м за измерительную антенну и ее опорную конструкцию с другой стороны (см.
рисунок 11). Пластина заземления не должна иметь пустот и разрывов, кроме перфораций, диаметр которых не должен превышать

на частоте 1 ГГц (около 30 мм).
D = (d + 2) м, где d - максимальный размер испытуемой установки, м;
W = (a + 1) м, где a - максимальный размер антенны, м;
L = 10 м
Рисунок 11 - Минимальные размеры пластины заземления
8.3.2 Проверка измерительной площадки (от 9 кГц до 1 ГГц)
Проверку измерительной площадки проводят в соответствии с CISPR 16-1-4 в диапазоне частот, для которого в настоящем стандарте определены требования.
8.3.3 Расположение испытуемого оборудования (от 9 кГц до 1 ГГц)
Условия заземления ИО, а также подключения к лабораторной сети электроснабжения приведены в
7.5.3.1 или
7.5.3.2.
ИО размещают (при возможности) на поворотном столе. Измерительное расстояние между ИО, размещенным на поворотном столе, и измерительной антенной определяется как расстояние по горизонтали между контрольной точкой измерительной антенны и ближайшей частью границы ИО при его вращении.
8.3.4 Измерения напряженности поля радиопомех (от 9 кГц до 1 ГГц)
Измерительное расстояние между антенной и ИО должно соответствовать указанному в
разделе 6. Если измерение напряженности поля на конкретной частоте не может быть выполнено на определенном расстоянии из-за высокого уровня посторонних шумов (см.
7.2), измерения на этой частоте могут быть выполнены на более близком расстоянии, но не менее 3 м. Если это было сделано, то протокол испытаний должен содержать запись о реальном расстоянии и условиях измерения.
Измерения напряженности поля радиопомех от ИО, размещаемого на поворотном столе, проводят, вращая стол. Измеряют горизонтальную и вертикальную составляющие напряженности поля радиопомех. На каждой частоте измерений фиксируют наибольший уровень радиопомех.
Измерения напряженности поля радиопомех от ИО, не размещаемых на поворотном столе, проводят, размещая измерительную антенну в различных точках по азимуту при вертикальной и горизонтальной поляризациях. Измерения проводят в направлениях максимального излучения, на каждой частоте измерений фиксируют наибольший уровень радиопомех.
Примечание - При каждом азимутальном положении измерительной антенны должны выполняться требования к измерительной площадке, приведенные в
8.3.1.
8.4 Альтернативная испытательная площадка для измерения напряженности поля радиопомех в полосе частот от 30 МГц до 1 ГГц
Измерения могут быть проведены на испытательной площадке для измерения напряженности поля радиопомех, которая не имеет физических характеристик, указанных в
8.3. При этом необходимо убедиться, что такие альтернативные площадки позволяют получить обоснованные результаты измерений. Альтернативная испытательная площадка для измерения напряженности поля радиопомех в полосе частот от 30 МГц до 1 ГГц является пригодной для испытаний, если измерение горизонтального и вертикального затухания, проведенное в соответствии с CISPR 16-1-4:2010/Amd.1:2012 (пункт 5.3), находится в пределах +/- 4 дБ от теоретического значения, приведенного в CISPR 16-1-4:2010/Amd.1:2012 (таблицы 1 и 2).
Альтернативная испытательная площадка для измерения напряженности поля радиопомех должна предусматривать измерительное расстояние и быть проверена для этого измерительного расстояния в полосе частот от 30 МГц до 1 ГГц, установленного в
разделе 6 и/или 8.
8.5 Полностью безэховая камера для измерений в полосе частот от 30 МГц до 1 ГГц
Полностью безэховая камера (FAR), используемая для измерения излучаемых помех в полосе частот от 30 МГц до 1 ГГц, должна соответствовать требованиям CISPR 16-1-4.
Использование FAR ограничивается настольным оборудованием. Размер ИО, пригодного для измерений в FAR, ограничивается подтвержденным рабочим объемом конкретной FAR. Рабочий объем FAR должен быть подтвержден в соответствии с CISPR 16-1-4, о чем должно быть указано в отчете о валидации площадки.
Примечание - Как правило, подтвержденный рабочий объем с измерительным расстоянием 3 м будет ограничивать применение FAR для малогабаритного оборудования (см.
определение 3.17).
Для измерений, проводимых в FAR, испытательная установка должна соответствовать, насколько это возможно, установке для измерений на открытой испытательной площадке или измерений в полубезэховой камере, указанных в
8.3. Более подробная информация о выполнении измерений излучения в FAR в полосе частот от 30 МГц до 1 ГГц приведена в CISPR 16-2-3:2010/Amd.2:2014 (пункт 7.4).
9 Измерение излучаемых радиопомех в полосе частот от 1 до 18 ГГц
9.1 Расположение оборудования
ИО располагают на поворотном столе на соответствующей высоте. Для питания оборудования обеспечивают необходимую потребляемую мощность при рабочем напряжении. Условия заземления ИО, а также подключения к лабораторной сети электроснабжения приведены в
7.5.3.
9.2 Измерительная антенна
Измерения проводят с направленной антенной, имеющей небольшую апертуру, позволяющей проводить отдельные измерения вертикальной и горизонтальной составляющих поля радиопомех. Высота расположения центра оси антенны над уровнем земли должна быть такой же, как высота приблизительного центра излучения ИО. Расстояние между ИО и измерительной антенной должно быть 3 м.
9.3 Проверка и калибровка измерительной площадки
Проверка измерительной площадки - в соответствии с CISPR 16-1-4.
Измерения проводят на свободной от предметов площадке, чтобы отражение электромагнитных волн от заземления не влияло на результаты измерения CISPR 16-1-4.
При проведении измерений на частотах свыше 1 ГГц используют общую процедуру измерений, приведенную в CISPR 16-2-3. Измерения проводят с антенной, имеющей горизонтальную и вертикальную поляризации последовательно, и вращая поворотный стол с ИО. Необходимо убедиться, что при выключенном ИО уровень посторонних шумов ниже нормы не менее чем на 10 дБ, поскольку в противном случае результат измерения может быть существенно искажен.
Блок-схема, показывающая процедуру измерения, приведена на
рисунке 12.
9.4.2 Рабочие условия ИО
Для микроволновых печей период разогрева перед измерением должен быть не менее 5 мин.
Для всех измерений фаза запуска ИО (несколько секунд) должна игнорироваться.
В процессе измерений испытуемая микроволновая печь должна работать при максимальной установке микроволновой мощности.
При работе в течение длительного времени при максимальных настройках микроволновой мощности некоторые микроволновые печи автоматически переключаются в режим прерывистой работы. В этом случае измерение должно быть остановлено на некоторое время, чтобы микроволновая печь могла остыть и работать при ее максимальной настройке мощности без прерывистости.
Во время измерения водяная нагрузка должна быть заменена на холодную воду прежде, чем она начнет закипать. Условия нагрузки микроволновых печей в процессе измерений изложены также в
7.6.5.
9.4.3 Измерение пиковых значений
(пп. 9.4.3 в ред.
Изменения N 1, принятого Протоколом Межгосударственного совета по стандартизации, метрологии и сертификации от 30.04.2024 N 172-П)
Измерения пиковых значений в диапазоне выше 1 ГГц должны выполняться для обеих поляризаций антенны с изменением азимута ИО каждые 30° (исходное положение перпендикулярно плоскости передней поверхности ИО, например в положении, перпендикулярном дверце, в случае микроволновых печей). В каждом из этих 12 положений в течение 2 мин должно производиться измерение в режиме максимального удержания во всем диапазоне частот от 1 до 18 ГГц.
Во время измерения воду следует заменить на холодную воду до того, как она начнет закипать. Измерение на конкретной частоте, где это произошло, необходимо перезапустить.
Примечание 1 - Если измерения выполняются в поддиапазонах частот, то время измерения для каждого поддиапазона соответственно короче. Например, время измерения для поддиапазона от 1 до 2,4 ГГц составило бы около 10 с, а время для поддиапазона от 2,5 до 18 ГГц составило бы около 110 с.
Если излучения от ИО в этом диапазоне частот очень стабильны, время измерения при каждом азимуте или поляризации может быть уменьшено, например, до 20 с.
Полученные результаты измерения сравнивают с нормой пиковых значений (см.
таблицу 13).
Если ИО проходит измерение пиковых значений, то окончательный результат испытаний считается "ПРОХОДИТ" (см.
рисунок 12).
Если ИО не проходит измерение пиковых значений, то должны быть проведены окончательные взвешенные измерения (см.
рисунок 12).
Примечание 2 - В диапазоне частот от 11,7 до 12,7 ГГц в некоторых странах нежелательные излучения от ПНМ-оборудования могут вызывать радиочастотные помехи для приемных устройств систем спутникового вещания, даже если они соответствуют нормам для окончательных взвешенных измерений.
Рисунок 12 - Алгоритм для проведения измерения
излучаемых радиопомех от 1 до 18 ГГц оборудования
группы 2, работающего на частотах свыше 400 МГц
9.4.4 Взвешенные измерения
(пп. 9.4.4 в ред.
Изменения N 1, принятого Протоколом Межгосударственного совета по стандартизации, метрологии и сертификации от 30.04.2024 N 172-П)
В случае, когда показания, полученные во время измерения пиковых значений в диапазоне от 1 до 18 ГГц, превышают нормы, указанные в
таблице 13, должна быть выполнена дополнительная серия измерений с функцией взвешивания.
При подготовке окончательного измерения весь диапазон частот должен быть разделен на 7 поддиапазонов от 1 до 18 ГГц в соответствии с таблицей 18.
Таблица 18
Поддиапазоны частоты, используемые для измерений
средневзвешенных значений
Гармоники 2,45 ГГц. Номер гармоники | Поддиапазоны частоты, ГГц |
Не определены | От 1,005 до 2,395 |
2 | |
3 | От 6,125 до 8,575 |
4 | От 8,575 до 11,025 |
5 | От 11,025 до 13,475 |
6 | От 13,475 до 15,925 |
7 | От 15,925 до 17,995 |
<a> Измерения в полосе ПНМ-оборудования от 5,720 до 5,880 ГГц исключены (см. таблицу 1). |
Для каждого поддиапазона, где ИО не соответствовал нормам
таблицы 13, определяется частота с самым высоким уровнем излучения по результатам измерений пиковых значений. Эти частоты являются центральными частотами, которые будут использоваться для серии взвешенных измерений, как показано в таблице 20.
Таблица 20
Частотные поддиапазоны,
используемые для взвешенных измерений
Гармоники частоты 2,45 ГГц. Номер гармоники | Частотные поддиапазоны, ГГц |
Не определены | От 1,0 до 2,4 |
2 | |
3 | От 6,125 до 8,575 |
4 | От 8,575 до 11,025 |
5 | От 11,025 до 13,475 |
6 | От 13,475 до 15,925 |
7 | От 15,925 до 18,0 |
<a> Измерения в полосе ПНМ-оборудования от 5,720 до 5,880 ГГц исключены (см. таблицу 1). |
Для демонстрации флуктуирующей природы помехи доступны два альтернативных метода взвешенных измерений, см. также алгоритм решений на
рисунке 12.
В любой ситуации, когда необходимо повторно испытать оборудование, для обеспечения согласованности результатов должен использоваться первоначально выбранный метод измерения.
Во время измерения воду следует заменить на холодную воду до того, как она начнет закипать. Измерение на конкретной частоте, где это произошло, необходимо перезапустить.
9.4.4.2 Весовая обработка Log-AV в соответствии с
таблицей 14
Измерения методом весовой обработки Log-AV (см.
таблицу 14) выполняют при положении ИО в направлении азимута и с поляризацией антенны, при которой во время предварительного измерения было получено максимальное пиковое значение излучаемой помехи. Должно быть выполнено не менее 5 последовательных измерений в режиме максимального удержания.
Эти взвешенные измерения должны выполняться с помощью анализатора спектра в режиме логарифмического отображения (с использованием логарифмического усилителя, а не преобразования отображаемых значений в математические единицы).
Примечание - Полоса пропускания видеосигнала 10 Гц вместе с логарифмическим усилением обеспечивает уровень, который ближе к среднему уровню измеренного сигнала в логарифмических значениях. Этот результат ниже среднего уровня, который был бы получен в линейном режиме.
Измерения с помощью функции взвешивания Log-AV должны выполняться в поддиапазонах частот (см.
таблицу 18), где ИО не соответствует нормам
таблицы 13 вокруг центральных частот, определенных на предыдущем шаге, в полосе частот 20 МГц.
Сравните результаты измерений с нормами, указанными в
таблице 14.
Если ИО проходит измерение с помощью функции взвешивания Log-AV (см.
таблицу 14), то окончательный результат испытания считается пройденным (см.
рисунок 12).
9.4.4.3 Весовая обработка APD в соответствии с
таблицей 15
В качестве альтернативы методу, изложенному в
9.4.4.2, измерение APD в течение 30 с должно проводиться при положении ИО в направлении азимута и с поляризацией антенны, при которой во время предварительного измерения было получено максимальное пиковое значение излучаемой помехи. Измерения должны проводиться на следующих 5 точечных частотах:
| fs, | | |
fs + 5 МГц, | fs - 5 МГц, |
fs + 10 МГц, | fs - 10 МГц, |
где
fs - частота с самым высоким пиковым значением излучаемой помехи в одном из поддиапазонов частот, определенных в
таблице 18 (см.
9.4.4.1).
Результаты измерений сравнивают с нормами, указанными в
таблице 15.
Если ИО проходит измерение с помощью функции взвешивания APD (см.
таблицу 15), то окончательный результат испытания считается "ПРОХОДИТ" (см.
рисунок 12).
10 Испытания в условиях эксплуатации
Излучаемые радиопомехи от оборудования, которое не испытывается в испытательной лаборатории, измеряют в условиях эксплуатации, т.е. после их монтажа, в помещениях пользователя. Измерения проводят у наружной стены здания (вне его), в котором расположено оборудование, на расстоянии, указанном в
6.4.
Измерения по месту установки в реальных условиях эксплуатации оборудования должны быть оценены, проведены и задокументированы в соответствии с CISPR 16-2-3:2010 (пункт 7.7). Дополнительные требования к проведению измерений в условиях эксплуатации приведены в
[2].
Количество точек измерений, выполняемых по азимуту вокруг здания, определяют исходя из практической целесообразности. Должны быть выполнены не менее четырех измерений в ортогональных направлениях и измерения в направлении любых существующих радиосредств, на которые может оказываться нежелательное воздействие.
При испытаниях крупногабаритных микроволновых печей, используемых в коммерческих целях, необходимо исключить влияние эффектов ближнего поля на результаты измерений. В качестве руководящего документа применяют CISPR 16-2-3.
11 Меры предосторожности при измерении излучаемых помех от ПНМ РЧ-оборудования
По своему назначению ПНМ РЧ-оборудование способно создавать электромагнитные поля, уровни которых могут быть опасными для человека. До проведения испытаний на излучаемые помехи ПНМ РЧ-оборудование должно быть проверено соответствующим радиометром.
12 Неопределенность измерений
Определение соответствия нормам настоящего стандарта должно основываться на результатах измерений с учетом неопределенности измерений.
Поскольку руководство по расчету неопределенности измерительной аппаратуры приведено в CISPR 16-4-2, то необходимо следовать ему, и для измерений при определении соответствия нормам в настоящем стандарте должна учитываться неопределенность измерительной аппаратуры в соответствии с CISPR 16-4-2. В протокол испытания также должны быть включены расчеты для определения результата измерения и любые корректировки результатов испытания, которые необходимо проводить, если значение неопределенности испытательной лаборатории больше значения UCISPR, указанного в CISPR 16-4-2.
Для измерений на месте эксплуатации вклад в неопределенность самого места эксплуатации исключается из расчета неопределенности.
Примечание - При проведении измерений на расстоянии менее 10 м должны приниматься во внимание более высокие неопределенности измерений.
(справочное)
ПРИМЕРЫ КЛАССИФИКАЦИИ ОБОРУДОВАНИЯ
Многие типы оборудования, включенные в область применения настоящего стандарта, имеют источники радиопомех двух и более видов, например индукционный нагреватель может включать в свой состав, помимо катушки нагревания, полупроводниковые выпрямители. Метод испытаний и нормы выбирают исходя из цели, с которой оборудование разрабатывалось. Например, индукционный нагреватель, включающий полупроводниковые выпрямители, испытывают как индукционный нагреватель (при соответствии радиопомех от любых входящих в него источников помех нормам радиопомех на индукционный нагреватель) и не испытывают в качестве полупроводникового выпрямителя.
В настоящем стандарте приведены определения оборудования групп 1 и 2, применяемые при идентификации группы, к которой принадлежит конкретный образец оборудования. Вместе с тем для пользователей стандарта может быть полезным подробный перечень видов оборудования, которое идентифицировано как принадлежащее к определенной группе. Также это поможет в разработке документов на оборудование конкретного типа, в которых будут указаны необходимые различия в проведении испытаний, полученные экспериментальным путем.
Следующий список оборудования группы 1 и 2 не ограничивается только перечисленным оборудованием.
Группа 1
Оборудование группы 1 содержит все оборудование в соответствии с областью применения настоящего стандарта, которое не классифицировано как оборудование группы 2.
Общий перечень:
- лабораторное оборудование;
- медицинское электрическое оборудование;
- научное оборудование;
- полупроводниковые преобразователи;
- промышленное электронагревательное оборудование с рабочими частотами меньше или равными 9 кГц;
- механические станки;
- промышленное измерительное и контрольное оборудование;
- полупроводниковое производственное оборудование.
Подробный перечень: генераторы сигналов, измерительные приемники, счетчики частоты, измерители потока, анализаторы спектра, взвешивающие устройства, устройства химического анализа, электронные микроскопы, устройства питания с режимом переключения и полупроводниковые преобразователи (если не встроены в установки), полупроводниковые выпрямители/инверторы, подключенные к сети силовые преобразователи, контактные электронагревательные устройства со встроенными полупроводниковыми блоками управления переменного тока, дуговые печи и плавильные печи, плазменные нагреватели и нагреватели тлеющего разряда, рентгеновское диагностическое оборудование, компьютеризированное устройство для томографии, устройство мониторинга пациента, ультразвуковые диагностические и терапевтические устройства, ультразвуковые стиральные машины, устройства управления и оборудование с устройствами управления, содержащие полупроводниковые устройства с номинальным потребляемым током свыше 25 А в каждой фазе.
Группа 2
Оборудование группы 2 содержит все ПНМ РЧ-оборудование, в которых радиочастотная энергия в полосе частот от 9 кГц до 400 ГГц намеренно генерируется и используется или только используется в виде электромагнитного излучения с индуктивной и/или емкостной связью для обработки материалов или для целей контроля/анализа, передачи электромагнитной энергии.
Общий перечень:
- микроволновые ультрафиолетовые излучающие устройства;
- микроволновые световые устройства;
- промышленные индукционные нагревательные установки, работающие на частотах свыше 9 кГц;
- оборудование передачи индуктивной мощности/заряда <*>;
--------------------------------
<*> Оборудование передачи индуктивной или емкостной мощности обычно подпадает под CISPR 11, но из области применения CISPR 11 исключаются части, входящие в состав оборудования, на которые распространяются другие стандарты CISPR.
- диэлектрическое нагревательное оборудование;
- промышленное микроволновое нагревательное оборудование;
- микроволновые печи;
- медицинское электрическое оборудование;
- электрическое сварочное оборудование;
- оборудование для электроэрозионной обработки;
- демонстрационные модели для обучения и тренинга.
Подробный перечень: установки для плавки металлов, нагревания деталей, нагревания элементов, пайки твердым и жидким припоем, дуговой приварки шпилек или болтов, контактной сварки, точечной сварки, сварки труб, промышленный лазерный генератор, возбуждаемый высокочастотным разрядом, склейки дерева, сварки пластмасс, предварительного нагревания пластмасс, обработки пищевых продуктов, выпечки бисквитов, оттаивания/разморозки продуктов, сушки бумаги, обработки текстиля, адгезивной вулканизации, предварительного нагревания материалов, терапевтическое коротковолновое оборудование, терапевтические микроволновые устройства, оборудование магнитно-резонансной томографии, медицинские ВЧ-стерилизаторы, высокочастотное хирургическое оборудование, устройства зонной очистки кристаллов, демонстрационные модели высоковольтных трансформаторов Тесла, ременных генераторов и т.д.
(справочное)
НЕОБХОДИМЫЕ МЕРЫ ПРЕДОСТОРОЖНОСТИ ПРИ ИСПОЛЬЗОВАНИИ
АНАЛИЗАТОРА СПЕКТРА (СМ. 7.3.1)
Большинство анализаторов спектра не имеет избирательности по высокочастотному входу. Это означает, что входной сигнал подается непосредственно на широкополосный смеситель, в котором он преобразуется в сигнал соответствующей промежуточной частоты. Существуют СВЧ-анализаторы спектра с отслеживающими радиочастотными преселекторами, которые автоматически отслеживают сканированную приемником частоту. В этих анализаторах в значительной степени устранены недостатки, связанные с измерением амплитуд гармоник и ложной эмиссии от прибора, который может генерировать такие составляющие в своих входных цепях.
Чтобы защитить входные цепи анализатора спектра от перегрузки при измерении слабых радиопомех при наличии сильного сигнала, на входе включается фильтр с затуханием не менее 30 дБ на частоте сильного сигнала. При наличии нескольких рабочих частот может потребоваться комплект таких фильтров.
Многие СВЧ-анализаторы спектра используют гармоники гетеродина для охвата различных участков диапазона настройки. Без преселекции по радиочастоте такие анализаторы могут отображать паразитные сигналы и сигналы гармоник. Поэтому трудно определить, является ли воспроизводимый сигнал действительно сигналом на указанной частоте или генерируется ли самим прибором.
Многие печи, медицинское диатермическое оборудование и другое микроволновое ПНМ РЧ-оборудование питается от источников с выпрямленным переменным, но неотфильтрованным током. Поэтому создаваемые ими радиопомехи модулируются одновременно по амплитуде и по частоте. Дополнительная амплитудная и частотная модуляции вызываются перемещением перемешивающих устройств, используемых в печах.
Спектральные составляющие указанных радиопомех отстоят друг от друга всего на 1 Гц (из-за модуляции, создаваемой перемешивающим устройством печи) и на 50 или 60 Гц (из-за модуляции на частоте сети питания). Учитывая, что частота несущей обычно нестабильна, различить эти спектральные составляющие невозможно. Существует практика отображать огибающую реального спектра, используя полосу пропускания анализатора, ширина которой больше частотного интервала между спектральными составляющими (но, как правило, она мала по сравнению с шириной спектральной огибающей).
Если полоса пропускания анализатора достаточно широка, для того чтобы содержать ряд соседних спектральных линий, показываемое максимальное значение увеличивается с увеличением полосы пропускания до того момента, когда полоса пропускания анализатора становится сравнимой с шириной спектра сигнала. Для обеспечения соответствия нормам необходимо использовать регламентированную полосу пропускания анализатора, чтобы сравнить амплитуды, воспроизводимые различными анализаторами при измерении радиопомех, типичных для современного нагревательного и терапевтического оборудования.
Как было отмечено, радиопомехи от печей модулируются частотами с нижним пределом 1 Гц. Наблюдения показали, что воспроизводимые спектральные огибающие таких радиопомех неодинаковы и имеют разные формы при разных развертках, если только частота развертки несравнима с самой низкой частотной составляющей модуляции.
При измерениях радиопомех от ПНМ РЧ-оборудования для полного выполнения одного сканирования может потребоваться время развертки более 10 с. Такое время неприемлемо для визуального наблюдения, если не использовать надлежащее запоминающее устройство, например запоминающую электронно-лучевую трубку, фотографирование или устройство регистрации. Предпринимались попытки увеличить скорость сканирования за счет перемещения или остановки устройств перемешивающего устройства печи. Однако результаты этих попыток можно считать неудовлетворительными, так как выявлено, что амплитуда, частота и форма спектра меняются в зависимости от позиций перемешивающего устройства.
(обязательное)
ИЗМЕРЕНИЕ ИЗЛУЧАЕМЫХ РАДИОПОМЕХ ПРИ НАЛИЧИИ СИГНАЛОВ
РАДИОПЕРЕДАТЧИКОВ
Для ИО со стабильной рабочей частотой, для которого показания измерителя радиопомех с квазипиковым детектором согласно CISPR меняются во время измерений не более чем на +/- 0,5 дБ, напряженность электрического поля радиопомех может быть достаточно точно определена из выражения:
Eg1,1 = Et1,1 - Es1,1,
где Eg - напряженность электрического поля радиопомех, мкВ/м;
Et - измеренное значение напряженности электрического поля, мкВ/м;
Es - напряженность электрического поля сигнала радиопередатчика, мкВ/м.
Данная формула справедлива для случаев, когда мешающие сигналы излучаются амплитудно- или частотно-модулированными радио- и телевизионными передатчиками с амплитудой вплоть до удвоенной амплитуды измеряемой радиопомехи.
Целесообразно ограничить использование данного метода для случаев, когда невозможно избежать мешающего воздействия радиопередатчиков. Метод не применим, если частота излучаемой радиопомехи непостоянна, в этом случае следует использовать панорамный приемник или анализатор спектра.
(справочное)
РАСПРОСТРАНЕНИЕ РАДИОПОМЕХ ОТ ПРОМЫШЛЕННОГО РАДИОЧАСТОТНОГО
ОБОРУДОВАНИЯ В ПОЛОСЕ ЧАСТОТ ОТ 30 ДО 300 МГц
Для промышленного высокочастотного оборудования, которое расположено на уровне земли или близко к ней, затухание поля с увеличением расстояния от источника радиопомех при высоте от 1 до 4 м относительно уровня земли зависит от характеристик почвы и типа местности. Модель электрического поля, распространяющегося над плоскостью земли в области от 1 м до 10 км от источника, описана в
[15].
Несмотря на то, что влияние характеристик почвы и наличие препятствий на ней на реальное затухание радиопомех возрастает с частотой, может быть принят усредненный коэффициент затухания для полосы частот от 30 до 300 МГц.
По мере того как увеличиваются неоднородность почвы и отражения, радиопомехи будут ослабляться из-за затенения, поглощения (включая затухание, вызываемое зданиями и растительностью), рассеяния и дефокусировки огибающих волн
[16]. При этом затухание может быть определено только на статистической основе. На расстояниях от источника радиопомех, превышающих 30 м, ожидаемый или медианный уровень напряженности поля на определенной высоте изменяется по закону 1/
Dn, где
D - расстояние от источника в метрах; коэффициент
n меняется от 1,3 (для открытых сельских зон) до 2,8 (для городских зон с плотной застройкой). На основе результатов различных измерений для всех типов местности для приблизительных оценок можно использовать среднее значение
n = 2,2. Существуют значительные отклонения измеренных значений напряженностей полей от значений, прогнозируемых на основе среднего значения/расстояния. При этом среднеквадратическое отклонение составляет примерно 10 дБ при приблизительно логарифмически нормальном распределении. Прогнозировать поляризацию полей не представляется возможным. Данные результаты согласуются с результатами измерений, выполненных в ряде стран.
Экранирующее влияние зданий на излучения изменяется в широких пределах в зависимости от материала зданий, толщины стен и площади оконного пространства. Для сплошных стен без окон затухание зависит от их толщины и длины волны излучения, вероятно увеличение затухания с увеличением частоты.
В общем случае предполагается, что затухание в зданиях не может значительно превышать величины 10 дБ.
(справочное)
РЕКОМЕНДАЦИИ CISPR ПО ЗАЩИТЕ ОПРЕДЕЛЕННЫХ РАДИОСЛУЖБ
В ОТДЕЛЬНЫХ ЗОНАХ
E.1 Общие положения
МСЭ разрабатывает положения по пользованию, направленные на рациональное использование радиочастотного спектра, и локальному контролю излучаемых радиочастотных помех в местах использования индивидуального ПНМ РЧ-оборудования. Соответствующие положения МСЭ в отношении обычных жилых и/или промышленных зон определены CISPR и включены в основную часть настоящего стандарта. Отдельно от этих положений могут применяться дополнительные положения МСЭ для работы и использования индивидуального ПНМ РЧ-оборудования в отдельных зонах, например в зонах, которые не описаны в основной части настоящего стандарта. CISPR рассматривает эти положения МСЭ и их национальные эквиваленты как рекомендации, так как они могут относиться только к индивидуальному ПНМ РЧ-оборудованию, используемому в отдельных зонах и на месте эксплуатации.
E.2 Рекомендации по защите служб безопасности
ПНМ РЧ-оборудование должно быть сконструировано таким образом, чтобы исключить основную гармонику или излучение сильных побочных и гармонических сигналов в диапазонах, используемых службами безопасности. Список таких диапазонов приведен в
приложении F.
Примечание - Для защиты специфических служб безопасности в отдельных зонах может потребоваться индивидуальная установка для соответствия нормам, определенным в
таблице E.1.
Таблица E.1
Нормы излучаемых электромагнитных помех для измерения
на месте эксплуатации для защиты специфических служб
безопасности в отдельных зонах
Полоса частот, МГц | Нормы | Нормы для измерительного расстояния 30 м от лицевой стороны наружной стены здания, в котором расположено оборудование |
Электрическое поле. Квазипиковое значение дБ (мкВ/м) | Магнитное поле. Квазипиковое значение дБ (мкА/м) | Расстояние D, м |
0,2 835 - 0,5 265 | - | 13,5 | 30 |
74,6 - 75,4 | 30 | - | 10 |
108 - 137 | 30 | - | 10 |
242,95 - 243,05 | 37 | - | 10 |
328,6 - 335,4 | 37 | - | 10 |
960 - 1215 | 37 | - | 10 |
E.3 Рекомендации по защите специфических радиослужб с высокой чувствительностью
Для защиты специфических радиослужб с высокой чувствительностью в отдельных зонах рекомендуется исключить основную гармонику или излучение сильных гармонических сигналов в диапазонах. Некоторые примеры таких диапазонов приведены для информации в
приложении G.
Примечание - Для защиты специфических радиослужб с высокой чувствительностью в отдельных зонах национальные органы могут требовать дополнительные измерения подавления или дополнительные выделенные диапазоны для случаев, где могут возникнуть недопустимые помехи.
(справочное)
ДИАПАЗОНЫ ЧАСТОТ, ВЫДЕЛЕННЫЕ ДЛЯ РАДИОСЛУЖБ, СВЯЗАННЫХ
С ОБЕСПЕЧЕНИЕМ БЕЗОПАСНОСТИ
Таблица F.1
Диапазон частот, МГц | Назначение/применение |
0,010 - 0,014 | Радионавигация (омега на бортах кораблей и самолетов) |
0,090 - 0,11 | Радионавигация (LORAN-C и DECCA) |
0,2 835 - 0,5 265 | Авиационная радионавигация (ненаправленные радиомаяки) |
0,489 - 0,519 | Информация о безопасности плавания (только на побережье и борту кораблей) |
1,82 - 1,88 | Радионавигация (LORAN-A только в Районе 3, только на побережье и борту кораблей) |
2,1 735 - 2,1 905 | Мобильная частота сигнала бедствия |
2,09 055 - 2,09 105 | Радиомаяки, указывающие место аварии (EPIRB) |
3,0 215 - 3,0 275 | Передвижная авиационная служба для поисковой и спасательной деятельности |
4,122 - 4,2105 | Частота сигнала бедствия |
5,6 785 - 5,6 845 | Передвижная авиационная служба для поисковой и спасательной деятельности |
6,212 - 6,314 | Мобильная частота сигнала бедствия |
8,288 - 8,417 | Мобильная частота сигнала бедствия |
12,287 - 12,5 795 | Мобильная частота сигнала бедствия |
16,417 - 16,807 | Мобильная частота сигнала бедствия |
19,68 - 19,681 | Информация о безопасности плавания (только на побережье и борту кораблей) |
22,3 755 - 22,3 765 | Информация о безопасности плавания (только на побережье и борту кораблей) |
26,1 - 26,101 | Информация о безопасности плавания (только на побережье и борту кораблей) |
74,6 - 75,4 | Авиационная радионавигация (маркерные радиомаяки) |
108 - 137 | Авиационная радионавигация (108 - 118 МГц VOR, 121,4 - 123,5 МГц частотная линия связи SARSAT, 118 - 137 МГц для управления воздушным движением) |
156,2 - 156,8375 | Морская мобильная частота сигнала бедствия |
242,9 - 243,1 | Поиск и спасение (линия связи SARSAT) |
328,6 - 335,4 | Авиационная радионавигация (ILS-индикатор наклона) |
399,9 - 400,05 | Радионавигационные спутники |
406,0 - 406,1 | Поиск и спасение (радиомаяки, указывающие место аварии (EPIRB), линия связи SARSAT) |
960 - 1 238 | Авиационная радионавигация (TACAN), радиомаяки для управления воздушным движением |
1 300 - 1 350 | Авиационная радионавигация (радары воздушного поиска в дальней зоне) |
1 544 - 1 545 | Сигнал бедствия - канал связи "земля - воздух" SARSAT (1 530 - 1 544 МГц канал связи "земля - воздух" может быть использован для передачи сигналов бедствия) |
1 545 - 1 559 | Авиационные передвижные спутниковые системы (R) |
1 559 - 1 610 | Авиационная радионавигация (GPS) |
1 610 - 1 625,5 | Авиационная радионавигация (радиовысотомеры) |
1 645,5 - 1 646,5 | Частота линии связи передачи сигнала бедствия (1 626,5 - 1 645,5 МГц канал связи "земля - воздух" может быть использован для передачи сигналов бедствия) |
1 646,5 - 1 660,5 | Авиационные передвижные спутниковые системы (R) |
2 700 - 2 900 | Авиационная радионавигация (радары для аэропортов, предназначенные для управления воздушным движением) |
2 900 - 3 100 | Авиационная радионавигация (радарные радиомаяки - только на побережье и борту кораблей) |
4 200 - 4 400 | Авиационная радионавигация (радиовысотомеры) |
5 000 - 5 250 | Авиационная радионавигация (микроволновые системы посадки) |
5 350 - 5 460 | Авиационная радионавигация (бортовые радары и радиомаяки) |
5 600 - 5 650 | Предназначенные для аэропортов погодные доплеровские радары для определения сдвига ветра |
9 000 - 9 200 | Авиационная радионавигация (радары для точного захода на посадку) |
9 200 - 9 500 | Повторитель сигналов радиолокатора для морского поиска и спасения. Морские радарные радиомаяки и радионавигационные радары. Бортовые штурманские радары погоды и положения земли для бортовой радионавигации, как правило, для условий плохой видимости |
13 250 - 13 400 | Космическая радионавигация (радары с доплеровским измерителем) |
(справочное)
ДИАПАЗОНЫ ЧАСТОТ, ВЫДЕЛЕННЫЕ ДЛЯ РАДИОСЛУЖБ С ВЫСОКОЙ
ЧУВСТВИТЕЛЬНОСТЬЮ К ПОМЕХАМ
Таблица G.1
Диапазон частот, МГц | Назначение/применение |
0,135 7 - 0,137 8 | Любительская радиосвязь |
0,472 - 0,479 | Любительская радиосвязь |
1,80 - 2,00 | Любительская радиосвязь |
3,50 - 4,00 | Любительская радиосвязь |
5,25 - 5,45 | Любительская радиосвязь |
7,00 - 7,30 | Любительская радиосвязь |
10,100 - 10,150 | Любительская радиосвязь |
13,36 - 13,41 | Радиоастрономия |
14,00 - 14,35 | Любительская радиосвязь |
18,068 - 18,168 | Любительская радиосвязь |
21,00 - 21,45 | Любительская радиосвязь |
24,89 - 24,99 | Любительская радиосвязь |
25,5 - 25,67 | Радиоастрономия |
28,00 - 29,7 | Любительская радиосвязь |
29,3 - 29,55 | Пересылка данных с искусственного спутника на наземную станцию |
37,5 - 38,25 | Радиоастрономия |
50 - 54 | Любительская радиосвязь |
70,0 - 70,5 | Любительская радиосвязь |
73 - 74,6 | Радиоастрономия |
137 - 138 | Пересылка данных с искусственного спутника на наземную станцию |
144 - 146 | Любительская радиосвязь |
145,8 - 146 | Пересылка данных с искусственного спутника на наземную станцию |
149,9 - 150,05 | Радионавигационная пересылка данных с искусственного спутника на наземную станцию |
240 - 285 | Пересылка данных с искусственного спутника на наземную станцию |
322 - 328,6 | Радиоастрономия |
400,05 - 400,15 | Стандартный сигнал частоты и времени |
400,15 - 402 | Пересылка данных с искусственного спутника на наземную станцию |
402 - 406 | Пересылка данных с искусственного спутника на наземную станцию на частоте 402,5 МГц |
406,1 - 410 | Радиоастрономия |
430 - 440 | Любительская радиосвязь |
435 - 438 | Пересылка данных с искусственного спутника на наземную станцию |
608 - 614 | Радиоастрономия |
1 215 - 1 240 | Пересылка данных с искусственного спутника на наземную станцию |
1 240 - 1 300 | Любительская радиосвязь |
1 260 - 1 270 | Спутниковый канал связи |
1 350 - 1 400 | Спектральная линия наблюдения нейтрального водорода (радиоастрономия) |
1 400 - 1 427 | Радиоастрономия |
1 435 - 1 530 | Авиационная испытательная полетная телеметрия |
1 530 - 1 559 | Пересылка данных с искусственного спутника на наземную станцию |
1 559 - 1 610 | Пересылка данных с искусственного спутника на наземную станцию |
1 610,6 - 1 613,8 | Наблюдения спектральных линий OH-радикалов (радиоастрономия) |
1 660 - 1 710 | 1 660 - 1 688,4 МГц: радиоастрономия 1 668,4 - 1 670 МГц: радиоастрономия и радиозондирование 1 670 - 1 710 МГц: пересылка данных с искусственного спутника на наземную станцию и радиозондирование |
1 718,8 - 1 722,2 | Радиоастрономия |
2 200 - 2 300 | Пересылка данных с искусственного спутника на наземную станцию |
2 320 - 2 450 | Любительская радиосвязь |
2 310 - 2 390 | Авиационная испытательная полетная телеметрия |
2 655 - 2 900 | 2 655 - 2 690 МГц: радиоастрономия и пересылка данных с искусственного спутника на наземную станцию 2 690 - 2 700 МГц: радиоастрономия |
3 260 - 3 267 | Спектральная линия наблюдения (радиоастрономия) |
3 332 - 3 339 | Спектральная линия наблюдения (радиоастрономия) |
3 345,8 - 3 358 | Спектральная линия наблюдения (радиоастрономия) |
3 400 - 3 475 | Любительская радиосвязь |
3 400 - 3 410 | Пересылка данных с искусственного спутника на наземную станцию |
3 600 - 4 200 | Пересылка данных с искусственного спутника на наземную станцию |
4 500 - 5 250 | 4 500 - 4 800 МГц: пересылка данных с искусственного спутника на наземную станцию 4 800 - 5 000 МГц: радиоастрономия 5 000 - 5 250 МГц: авиационная радионавигация |
5 650 - 5 950 | Любительская радиосвязь |
7 250 - 7 750 | Пересылка данных с искусственного спутника на наземную станцию |
8 025 - 8 500 | Пересылка данных с искусственного спутника на наземную станцию |
10 000 - 10 500 | Любительская радиосвязь |
10 450 - 10 500 | Пересылка данных с искусственного спутника на наземную станцию |
10 600 - 12 700 | 10,6 - 10,7 ГГц: радиоастрономия 10,7 - 12,2 ГГц: пересылка данных с искусственного спутника на наземную станцию 12,2 - 12,7 ГГц: прямые широковещательные спутники |
14 470 - 14 500 | Спектральная линия наблюдения (радиоастрономия) |
15 350 - 15 400 | Радиоастрономия |
17 700 - 21 400 | Пересылка данных с искусственного спутника на наземную станцию |
21 400 - 22 000 | Широковещательные спутники (Район 1 и Район 2) |
22 010 - 23 120 | 22,01 - 22,5 ГГц: радиоастрономия 22,5 - 23,0 ГГц: широковещательные спутники (Район 1) (22,81 - 22,86 ГГц также применяется для радиоастрономии) 23,0 - 23,07 ГГц: фиксированная/междуспутниковая/мобильная (используется для заполнения мертвых зон между частотными диапазонами) 23,07 - 23,12 ГГц: радиоастрономия |
23 600 - 24 000 | Радиоастрономия |
24 000 - 24 500 | Любительская радиосвязь |
31200 - 31800 | Радиоастрономия |
36 430 - 36 500 | Радиоастрономия |
38 600 - 40 000 | Радиоастрономия |
Свыше 400 ГГц | Многочисленные диапазоны частот свыше 400 ГГц предназначены для радиоастрономии, пересылки данных с искусственного спутника на наземную станцию и т.д. |
(справочное)
СТАТИСТИЧЕСКАЯ ОЦЕНКА СЕРИЙНО ВЫПУСКАЕМОГО ОБОРУДОВАНИЯ
НА СООТВЕТСТВИЕ ТРЕБОВАНИЯМ СТАНДАРТОВ CISPR
H.1 Значимость норм CISPR
Норма CISPR - это норма, которую рекомендуют национальным органам для включения в национальные стандарты, соответствующие нормативные акты и официальные технические требования. Международным организациям рекомендуют также использовать эти нормы. Значимость норм для электрических приборов официально утвержденного типа должна быть такой, чтобы на статистической основе не менее 80% от массово выпускаемых электрических приборов соответствовало нормам не менее чем с 80%-ной достоверностью.
Оценка соответствия оборудования, испытанного на измерительной площадке, должна быть основана на результатах измерения, полученных в соответствии с техническими требованиями
раздела 7. Для серийно выпускаемого оборудования должно быть 80% достоверности, что по крайней мере 80% от произведенных изделий соответствует указанным нормам (критерий соответствия) (см. CISPR 16-4-3). Процедуры статистической оценки, обеспечивающие такой уровень достоверности, указаны в
H.3.1 -
H.3.3.
Примечание - При применении другой процедуры статистической оценки, в отличие от упомянутых выше или указанных в CISPR 16-4-3, пользователю этого стандарта может быть предложено предоставить доказательства соблюдения соответствия, изложенного выше, при применении другого метода.
Результаты, полученные при измерении параметров оборудования в месте его эксплуатации, а не в испытательной лаборатории, должны рассматриваться как относящиеся только к данной установке и не должны рассматриваться как присущие любой другой установке и поэтому не должны использоваться для целей статистической оценки.
Как правило, положительный результат испытаний типа данного изделия в соответствии с конкретным стандартом CISPR будет признан в качестве официального утверждения типа, если испытание типа было проведено:
H.2.1 либо на выборке изделий определенного типа с использованием одного из статистических методов оценки в соответствии с
H.3,
H.2.2 либо (для простоты) только на одном изделии. В этом случае время от времени понадобится проведение последующих испытаний на изделиях, взятых методом случайного отбора из производственной линии.
Примечание - Признание испытаний типа только на одном изделии из серийно выпускаемого оборудования в качестве утверждения типа может зависеть от национального или регионального законодательства. Национальные или региональные органы могут полагаться на различные системы обеспечения качества, которые должны поддерживаться изготовителем. См. соответствующие национальные или региональные требования.
H.3 Статистическая оценка серийно выпускаемого оборудования
H.3.1 Оценка на основе общего резерва (запаса) до уровня нормы
Оценка является положительной, если измеренные значения всех изделий выборки находятся в рамках нормы
L и резерв до уровня этой нормы не меньше, чем общий резерв, приведенный ниже в
таблице H.1.
Таблица H.1
Общий резерв до уровня нормы для статистической оценки
Размер выборки n | 3 | 4 | 5 | 6 |
Общий резерв до уровня нормы (дБ) | 3,8 | 2,5 | 1,5 | 0,7 |
Данный метод может быть использован, чтобы получить быстрое окончательное правомочное решение. Если условия не выполняются, это еще не означает, что изделие не соответствует стандартам. Для определения несоответствия результаты измерений должны быть оценены с помощью одного из методов, приведенных в
H.3.2 (использование нецентрального
t-распределения) или
H.3.3 (использование биномиального распределения).
Примечание - Нововведенный метод в этом подразделе основан на CISPR 16-4-3.
Значения в
таблице H.1 были рассчитаны по следующей методике: соответствие подтверждается, если

,
где

- наивысшее (наихудшее) измеренное значение всех элементов в образце;
kE - коэффициент из нижней
таблицы, зависящий от размера образца;

- завышенное значение для ожидаемого максимального стандартного отклонения в группе продукции, которое рассчитывается как двукратное ожидаемое стандартное отклонение;
L - норма, указанная в настоящем стандарте.
Количественные значения
x,
L и

выражаются в логарифмических членах, тогда как
kE в качестве обычного коэффициента дается в абсолютном числовом значении (см. приведенную ниже
таблицу).
CISPR 16-4-3 рекомендует значение

как для напряжения помех, так и для мощности помех. Для излучаемых помех, измеренных на оборудовании, входящем в область применения настоящего стандарта, было принято такое же значение для

. Значения для общего резерва (запаса) до уровня нормы, указанной выше в
таблице H.1, являются произведением этого значения 6,0 дБ и коэффициента
kE. В
таблице H.1 значения приведены только для размера выборки до
n = 6, так как при
n = 7 или выше может быть применен метод, приведенный в
H.3.3, где используется биномиальное распределение без дополнительного резерва.
H.3.2 Оценка на основе нецентрального t-распределения (нецентрального распределения Стьюдента)
H.3.2.1 Нормальная процедура
Измерения должны проводиться на выборке не менее чем из пяти и не более чем из 12 единиц оборудования определенного типа в серийном производстве, но если в исключительных случаях не имеется пяти единиц оборудования, то может быть использована выборка из трех или четырех единиц.
Примечание - Оценка, проведенная на выборке результатов измерений, полученных для размера выборки n, относится ко всем идентичным единицам и допускает вариации, возникновения которых можно ожидать из-за методов серийного производства.
Соблюдение определяют по следующему соотношению:

,
где

- среднее арифметическое значение уровней помехи
n единиц оборудования в образце;
Sn - стандартное отклонение образца, где

,
где X - уровень помехи отдельного оборудования;
L - допустимый предел;
k - коэффициент, полученный из таблиц нецентрального
t-распределения, который гарантирует с 80%-ной достоверностью, что 80% или более произведенной продукции находится ниже нормы. Значения
k как функция от
n приведены в
таблице H.2.

,
X и
L выражаются логарифмически: дБ (мкВ), дБ (мкВ/м) или дБ (пВт).
Sn выражается логарифмическим членом, т.е. в дБ.
Таблица H.2
Децентральный коэффициент
k t-распределения в зависимости
от объема выборки n
n | 3 | 4 | 5 | 6 | 7 | 8 | 9 | 10 | 11 | 12 |
k | 2,04 | 1,69 | 1,52 | 1,42 | 1,35 | 1,30 | 1,27 | 1,24 | 1,21 | 1,20 |
H.3.2.2 Расширенная процедура
При применении процедуры, приведенной в
H.3.2.1, данная выборка оборудования, которое вызывает флуктуационные помехи, может не соответствовать критерию соответствия. В таких случаях может быть использована расширенная процедура оценки, определенная в настоящем разделе.
Статистическую оценку проводят отдельно для следующих поддиапазонов частот:
кондуктивные помехи: | a) 150 - 500 кГц; b) 500 кГц - 5 МГц; c) 5 - 30 МГц; |
излучаемые помехи ниже 1 ГГц: | a) 30 - 230 МГц; b) 230 - 500 МГц; c) 500 - 1 000 МГц; |
излучаемые помехи выше 1 ГГц: | a) 1,0 - 4,5 ГГц; b) 4,5 - 18 ГГц. |
Примечание - Для оборудования группы 2 нет необходимости полностью или непрерывно охватывать поддиапазоны частот, указанные выше, см. соответствующую информацию в
6.3.2.4 (таблица 13).
Соответствие выборки оценивается по следующему модифицированному соотношению:

.
Величина
k зависит от размера выборки
n и указана выше в
таблице H.2.
Для определения соответствия применяют формулу стандартного отклонения, как в
H.3.2.1:

,
где

- среднее арифметическое значение уровней помехи
n единиц оборудования в выборке;
X - резерв (запас) уровня помех отдельной единицы оборудования до уровня соответствующей нормы. X определяют следующим образом: для каждого из определенных диапазонов частоты определены резервы между измеренными значениями (показаниями) и нормой. Полученный в результате резерв X является отрицательным, если измеренное значение меньше нормы, и положительным - если значение выше нормы. Для n-й отдельной единицы выборки Xn - это значение резерва на частоте, когда кривая резерва показывает свой максимум.
Примечание - Если все измеренные значения ниже нормы, то Xn является наименьшим резервом до уровня нормы. Если некоторые из измеренных значений выше нормы, то Xn является крупнейшим резервом, в отношении которого норма превышена.

,
X и
Sn выражаются логарифмически, т.е. в дБ.
Если все измеренные значения ниже нормы и статистическая оценка не выполнена только из-за высокого стандартного отклонения, то необходимо узнать, вызвано ли это необоснованное высокое стандартное отклонение максимумом
Xn на границе между двумя частотными поддиапазонами. В этом случае оценка может быть проведена в соответствии с
H.3.3.
Примечание - Ниже на
рисунке H.1 показаны возможные трудности в случае, если максимум измеренных помех возникает вблизи границы между двумя частотными поддиапазонами.
U - это измеренное напряжение помех;
f - это частота. Здесь показаны два образца оборудования из выборки с различными характеристиками. Для широкополосных помех значение максимума, а также частота максимума может изменяться от образца к образцу, различия между образцом 1 и образцом 2 в выборке типичны. Среднее значение и стандартное отклонение рассчитывают для всех образцов (из которых показаны два) для каждого поддиапазона. В этом примере вычисленное стандартное отклонение значительно выше для поддиапазона 1, чем для поддиапазона 2 (например, обратите внимание, какие различные значения
X1 и
X2 находятся на границе). Даже если среднее значение для поддиапазона 1 значительно ниже, чем для поддиапазона 2, после принятия во внимание высокого значения
Sn, умноженного на коэффициент из
таблицы H.2, в редких случаях это может привести к набору образцов, не соответствующих заданным критериям. Так как это просто следствие того, каким образом были определены частотные поддиапазоны, какого-либо статистически значимого вывода относительно соответствия сделать нельзя.

Рисунок H.1 - Пример возможных трудностей
H.3.3 Оценка на основе биномиального распределения
Соответствие оценивается из условия, что количество изделий с уровнем помех выше соответствующей нормы не может превышать количество
c в выборке из общего объема
n (см.
таблицу H.3).
Таблица H.3
Применение биномиального распределения
Размер выборки n | 7 | 14 | 20 | 26 | 32 |
Количество образцов c, превышающих норму L | 0 | 1 | 2 | 3 | 4 |
H.3.4 Оборудование, производимое на индивидуальной основе
Все оборудование, не производимое серийно, должно быть испытано на индивидуальной основе. В ходе измерения посредством указанных методов каждая отдельная единица оборудования должна соответствовать нормам.
(обязательное)
ЭКВИВАЛЕНТ СЕТИ ДЛЯ ОЦЕНКИ НАПРЯЖЕНИЯ ПОМЕХ НА ПОРТАХ
ЭЛЕКТРОПИТАНИЯ ПОСТОЯННОГО ТОКА СИЛОВЫХ ПОЛУПРОВОДНИКОВЫХ
ПРЕОБРАЗОВАТЕЛЕЙ
Эквивалент сети (AN) для оценки напряжений помех на портах электропитания постоянного тока полупроводниковых силовых преобразователей обеспечивает определенный синфазный режим (CM) согласованной нагрузки 150 Ом для порта электропитания постоянного тока силового преобразователя при испытании во время измерений кондуктивных РЧ-помех на стандартных измерительных площадках. Эта сеть спроектирована так, чтобы в предполагаемом диапазоне частот от 150 кГц до 30 МГц обеспечить определенные согласованные нагрузки для компонентов помех симметричного (или дифференциального режима (DM)), а также асимметричного режима (или синфазного режима (CM)). Значения этих согласованных нагрузок приведены в
I.4.
Кроме того, эквивалент сети постоянного тока оснащен устройством развязки (т.е. индуктивно-емкостным фильтром) между портом ИО и его портом АЕ, чтобы предотвратить возникновение РЧ-помех от лабораторного источника питания постоянного тока, влияющих на полученные результаты измерений. При использовании асимметричных развязывающих конденсаторов емкостью от 100 нФ до приблизительно 1 мкФ только конструкция этого фильтра предотвращает в большинстве случаев влияние насыщения в подавляющих фильтрах, которыми могут быть оснащены силовые преобразователи, и таким образом могут быть обеспечены достоверные, надежные и повторяемые результаты измерений.
I.2 Структуры эквивалента сети постоянного тока (DC-AN)
I.2.1 Эквивалент сети, подходящий для измерения помех асимметричного режима (UM)
По аналогии с V-AMN эквивалент сети должен обеспечивать возможность измерения уровня напряжения помех асимметричного режима на одном зажиме (или проводнике, или полюсе соответственно) порта электропитания постоянного тока ИО по отношению к лабораторному базовому заземлению. Таким образом, соответствующим эквивалентом сети питания может быть, например, псевдо-V-AN, нечто вроде дельтообразного эквивалента сети. Для компоновки и конструкции должны соблюдаться принципы, изложенные в CISPR 16-1-2. Принципиальная схема соответствующего дельтообразного эквивалента сети питания приведена на
рисунке I.1.
Примечание - Из-за ограничений в конструкции истинных V-AN для некоторого определенного отношения DM к согласованной нагрузке CM конструкция псевдо-V-AN может потребовать использования третьего шунтирующего резистора, подключающего AN к двум зажимам питания порта ИО. Такие шунтирующие резисторы, как R
2 на
рисунке I.1 или R
3 на
рисунке I.4, никак не влияют на требуемые согласованные нагрузки DM и CM и обеспечивают эти согласованные нагрузки также при измерении напряжений помех UM. Для расчета согласованной нагрузки для напряжений помех UM можно использовать формулу преобразования треугольника в звезду для сетей резисторов. Кроме того, эти согласованные напряжения также могут быть измерены непосредственно на зажимах питания ИО эквивалента сети относительно общего заземления с помощью соответствующего сетевого анализатора. Различие между V-образным и дельтообразным эквивалентами сети сохраняется только по традиционным причинам. Напряжения помех UM могут также легко быть измерены с дельтообразным эквивалентом сети, когда они оснащены соответствующими измерительными портами.
I.2.2 Эквивалент сети, подходящий для измерения помех синфазного режима (CM) и дифференциального режима (DM)
Дельтообразный эквивалент сети должен обеспечивать измерение уровня напряжения помех симметричного (или дифференциального режима) между (любыми) двумя зажимами, отличными от зажимов на потенциале заземления (или проводниках, или полюсах соответственно) порта электропитания постоянного тока ИО. Это должно способствовать измерению уровня напряжения помех асимметричного (или синфазного режима) на виртуальном общем ВЧ-переходе двух (или более) зажимов (или проводников, или полюсов соответственно) порта электропитания постоянного тока ИО относительно лабораторного базового заземления. В отношении компоновки и конструкции должны соблюдаться принципы, изложенные в CISPR 16-1-2. Пример подходящего дельтообразного эквивалента сети приведен, например, в CISPR 16-1-2:2014 (пункт A.6, рисунок A.2). Этот рисунок также повторен на
рисунке I.2.
I.2.3 Эквивалент сети, подходящий для измерения UM-, CM- и DM-помех
Дельтообразный эквивалент сети (как вариант) может обеспечивать измерение уровня напряжения помех асимметричного режима на отдельном зажиме (или проводнике, или полюсе соответственно) порта электропитания постоянного тока ИО относительно лабораторного базового заземления так же, как V-образный эквивалент сети. В отношении компоновки и конструкции должны соблюдаться принципы, изложенные в CISPR 16-1-2. Примеры практического применения комбинированных псевдо-V-образных и дельтообразных эквивалентов сети нескольких изготовителей приведены на
рисунках I.3 -
I.5.
I.3 Использование эквивалента сети постоянного тока для измерения соответствия
I.3.1 Общие положения
Для измерений могут быть использованы псевдо-V-образный и дельтообразный эквиваленты сети, отвечающие приведенным в
I.4 требованиям. Другие эквиваленты сети, приведенные в CISPR 16-1-2, также могут быть использованы при наличии оконечного устройства асимметричного или синфазного режима (CM) сопротивлением 150 Ом для испытуемого порта относительно лабораторного базового заземления и если имеется соответствующий CM-разделительный развязывающий LC-фильтр малой мощности.
Примечание - В настоящее время V-образный эквивалент сети питания сопротивлением 150 Ом, приведенный в CISPR 16-1-2:2014 (пункт 4.5), не может быть использован для измерений кондуктивных помех на низковольтных портах электропитания постоянного тока, поскольку имеется только согласованная нагрузка CM в 75 Ом. Такой V-образный эквивалент сети питания не удовлетворяет основному техническому параметру, указанному в
таблице I.1, поз. 3, т.е. значению 150 Ом для согласованной нагрузки синфазного режима. Переговоры по определению систематических поправок результатов измерения, полученных при использовании таких эквивалентов сети, еще не начаты.
Выбор типа эквивалента сети остается за пользователем данного стандарта. Каждый тип эквивалента сети тока предоставляет результаты измерений, имеющие такой же уровень достоверности полученного результата, как и при использовании созданного V-образного эквивалента сети. Информация о различных аспектах неопределенности измерений в отношении эквивалентов сети питания содержится в CISPR 16-4-2:2011 (раздел 4). Эта информация также является действительной при использовании эквивалентов сети постоянного тока, которые соответствуют спецификации, приведенной в
I.4.
Если используется комбинированный эквивалент сети, то достаточно просто применять его либо для измерения асимметричного режима (UM), либо для измерения помех как синфазного (CM), так и дифференциального режима (DM).
В любом случае оценка потенциала внешних радиопомех (RFI) данного испытуемого порта в частотном диапазоне от 150 кГц до 30 МГц завершается только тогда, когда получены результаты измерений и записаны либо для двух компонентов помех сложного асимметричного режима (UM), либо также для компонентов помех асимметричного или синфазного режима (CM), так и для симметричного или дифференциального (DM) режима.
I.3.2 Псевдо-V-образный эквивалент сети
В псевдо-V-образном эквиваленте сети оценивать эти компоненты возможно только вместе как напряжения помех сложного асимметричного режима (UM), уровень которых может быть различным для каждого зажима данного испытуемого порта из-за внутреннего ВЧ-нарушения баланса ИО с общим заземлением. Это "классические" напряжения согласованной нагрузки, которые можно сравнить непосредственно с установленными нормами и которые, следовательно, представляют собой установленные требования ЭМС, например, для портов электропитания переменного тока.
Соответствие нормам подтверждается, только если оба измеренных уровня напряжения помех асимметричного режима (UM) равны или меньше соответствующей нормы.
I.3.3 Дельтообразный эквивалент сети
В асимметричном или синфазном режиме (CM) и симметричном или дифференциальном режиме (DM) дельтообразного эквивалента сети компоненты помех могут быть измерены и оценены отдельно для каждого испытуемого порта.
Соответствие нормам подтверждается, только если измеренный уровень напряжения помех CM и измеренный уровень напряжения помех дифференциального режима (DM) равны или меньше соответствующей нормы.
I.4 Нормативные технические требования для эквивалента сети постоянного тока
I.4.1 Параметры и относящиеся к ним допустимые пределы в диапазоне от 150 кГц до 30 МГц
Таблица I.1
Параметры и относящиеся к ним допустимые пределы в диапазоне
от 150 кГц до 30 МГц
Поз. | Описание параметра | Номинальное значение и допустимый предел |
1 | Тип эквивалента сети постоянного тока | Соответствующий дельтообразный эквивалент сети для измерений на одной линии или порту электропитания постоянного тока (положительный полюс, отрицательный полюс и базовое заземление) |
2 | Калиброванный частотный диапазон | 150 кГц - 30 МГц (диапазон измерения) |
| Согласованная нагрузка CM на порту ИО, величина | (150 +/- 30) Ом |
4 | Согласованная нагрузка CM на порту ИО, фаза | (0 +/- 40)° |
5 | Согласованная нагрузка дифференциального режима на порту ИО, величина | (150 +/- 30) Ом |
6 | Согласованная нагрузка дифференциального режима на порту ИО, фаза | (0 +/- 40)° |
7 | Затухание продольного перехода (ЗПП) на порту ИО <a> | >= 26 дБ (симметричная система 150 Ом) (измеренная в соответствии с CISPR 16-1-2) |
8 | Вносимые потери CM порта АЕ - порт ИО | >= 20 дБ (симметричная система 50 Ом) |
9 | Вносимые потери DM порта АЕ - порт ИО | >= 20 дБ (симметричная система 150 Ом) |
| Разрядные резисторы для развязывающих конденсаторов в цепи постоянного тока | >= 1,5 Ом |
<a> ЗПП эквивалента сети должно быть значительно больше, чем внутреннее ЗПП ИО. Во время измерения несимметричных напряжений помех должны быть оценены только компоненты помех от внутреннего режима преобразования DM в CM в ИО. Статистическое среднее значение ЗПП установленных фотоэлектрических генераторов уже было принято во внимание при определении норм для входного порта электропитания постоянного тока GCPCs. |
Примечание - Параметры в
таблице I.1 были получены в ходе разработки современных применений сети CISPR сопротивлением 150 Ом, описанной в CISPR 16-1-2, для использования при измерениях на низковольтных портах электропитания постоянного тока GCPCs для фотоэлектрических силовых систем генерирования электроэнергии.
Измерительные порты должны быть защищены от низкочастотных компонентов переходных напряжений, возникающих при включении и выключении лабораторного источника питания постоянного тока. Кроме того, должно быть обеспечено безопасное гальваническое заземление эквивалента сети, чтобы отвести переходные разрядные токи через разделительные конденсаторы при отключении лабораторного источника питания.
Развязывающие конденсаторы в токовой цепи постоянного тока должны быть шунтированы разрядными резисторами с высоким сопротивлением (см.
поз. 10).
I.4.2 Параметры и относящиеся к ним допустимые пределы в диапазоне от 9 до 150 кГц
Таблица I.2
Параметры и относящиеся к ним допустимые пределы в диапазоне
от 9 до 150 кГц
Поз. | Описание параметра | Номинальное значение и допустимый предел |
2 | Расширенный частотный диапазон | 9 - 150 кГц |
3 | Согласованная нагрузка CM на порту ИО, величина | >= 10 Ом (открытый порт АЕ) |
4 | Согласованная нагрузка CM на порту ИО, фаза | Не указана |
5 | Согласованная нагрузка дифференциального режима (DM) на порту питания ИО, величина | >= 1 Ом (открытый порт АЕ) |
6 | Согласованная нагрузка дифференциального режима (DM) в порту ИО, фаза | Не указана |
7 | Затухание продольного перехода (ЗПП) на порту ИО | >= 26 дБ в диапазоне 10 - 150 кГц (симметричная система сопротивлением 150 Ом) (измеренная в соответствии с CISPR 16-1-2) |
8 | Вносимые потери (CM) порта АЕ на порт ИО | >= 20 дБ при 150 кГц (асимметричная система 150 Ом), уменьшаемая с уменьшением частоты 40 дБ/декадной полосы частот |
9 | Вносимые потери (DM) порта АЕ на порт ИО | >= 20 дБ при 150 кГц > 40 дБ с внешним конденсатором (асимметричная система сопротивлением 150 Ом), уменьшается с понижением частоты с 40 дБ/декаду |
Примечание - Параметры, приведенные в
таблице I.2, были получены в ходе разработки современного применения сети CISPR сопротивлением 150 Ом, описанной в CISPR 16-1-2, для использования с измерениями на низковольтных портах электропитания постоянного тока GCPCs для фотоэлектрических силовых систем генерирования электроэнергии.
I.5 Примеры практического применения эквивалента сети постоянного тока
DC-AN с ZCM = 150 Ом, ZDM = 100 Ом, T1, T2 и T3 нагрузкой 50 Ом.
Сигналы асимметричного напряжения (-20 дБ) доступны на T1 и T2.
Сигнал напряжения CM (-20 дБ ...-24 дБ в зависимости от R3) доступен на T3.
900 Ом < R3 < 1 500 Ом в зависимости от потерь в реактивных элементах в реализуемой цепи, чтобы соответствовать требуемому допустимому пределу импеданса по всему частотному диапазону.
Примечание - Измерительный порт T3 можно использовать для измерения компонентов помех асимметричного или синфазного режима (CM).
Рисунок I.1 - Практическое применение эквивалента сети
постоянного тока сети CISPR сопротивлением 150 Ом,
подходящего для измерения помех UM (пример)
P - это соединение для испытуемого прибора;
1 - для симметричного компонента;
2 - для несимметричного компонента
Рисунок I.2 - Практическое применение эквивалента сети
постоянного тока сети CISPR сопротивлением 150 Ом,
подходящего для измерения помех CM и DM (пример, см. CISPR
16-1-2:2014 (рисунок A.2))
GDN - заземление
Примечание - Режимы 1 и 2 отображают применение эквивалента сети для измерения напряжений помех несимметричного режима (UM) или зажима.
Рисунок I.3 - Практическое применение эквивалента сети
постоянного тока сети CISPR сопротивлением 150 Ом,
подходящего для измерения помех UM или CM и DM (пример 1)
Примечание - Режимы A и B отображают применение искусственной сети для измерения возмущающих напряжений несимметричного режима (UM) или зажима.
Рисунок I.4 - Практическое применение эквивалента сети
постоянного тока сети CISPR сопротивлением 150 Ом,
подходящего для измерения помех UM или CM и DM (пример 2)
Примечание - Режимы 1 и 2 отображают применение эквивалента сети в качестве псевдо-V-образного эквивалента сети, т.е. для измерения несимметричных напряжений помех или напряжений помех на зажимах. При использовании в качестве псевдо-V-образного эквивалента сети, т.е. в режиме 1 или 2 согласованная нагрузка дифференциального режима составляет 100 Ом. При использовании дельтообразного эквивалента сети, т.е. в режиме 3 или 4, согласованное напряжение дифференциального режима составляет 150 Ом.
Рисунок I.5 - Практическое применение эквивалента сети
постоянного тока сети CISPR сопротивлением 150 Ом,
подходящего для измерения помех UM или CM и DM (пример 3)
(справочное)
ИЗМЕРЕНИЯ НА СИЛОВЫХ ПРЕОБРАЗОВАТЕЛЯХ, ПОДКЛЮЧЕННЫХ К СЕТИ
ЭНЕРГОСИСТЕМЫ (GCPC). ОБЩИЕ ПРИНЦИПЫ ЭФФЕКТИВНОЙ
КОНФИГУРАЦИИ ИЗМЕРИТЕЛЬНОЙ ПЛОЩАДКИ
J.1 Общие положения
Для измерения напряжений помех на зажимах подключенных к энергосистеме силовых преобразователей (GCPC), предназначенных для подачи электрической энергии в магистральные сети переменного тока и аналогичные электрические установки переменного тока (см.
определение 3.11), подключение к соответствующему лабораторному источнику питания постоянного тока должно быть со стороны входа постоянного тока GCPC, в то время как подключение к другому соответствующему лабораторному источнику питания переменного тока или магистральной сети переменного тока должно быть также со стороны выхода переменного тока.
Мощность постоянного тока подается во входные порты электропитания постоянного тока GCPC, а не потребляется в GCPC, и поэтому она почти полностью преобразуется в электроэнергию переменного тока и выходит на стороне переменного тока. Если выходная мощность переменного тока из GCPC не потребляется резистивной нагрузкой и т.д., то питающий ток переменного тока может быть перенесен в противоположном направлении в лабораторный источник питания переменного тока, и поэтому оборудование может быть повреждено. Кроме того, есть страны, где обратный поток энергии в электрической сети переменного тока ограничен или запрещен национальным законодательством и нормативными актами. Таким образом, универсальная схема измерительной площадки требует внимания, а надлежащее и соответствующее размещение оборудования может даже упростить схему испытания и конфигурацию ИО. Примеры соответствующих организованных мест для испытаний для измерительной площадки приведены ниже.
J.2 Организованное место для испытаний на измерительной площадке
J.2.1 Блок-схема измерительной площадки
Устройство измерения и конфигурация для ИО могут быть упрощены путем использования измерительной площадки, имеющей конфигурацию, которая приведена на
рисунке J.1/
J.2. Для этой схемы выход переменного тока из GCPC подключен к входу переменного тока лабораторного источника питания постоянного тока через V-образный эквивалент сети, используемый в измерительном устройстве. Лабораторный источник питания постоянного тока преобразует напряжение переменного тока в постоянный ток, и он подается на вход постоянного тока GCPC. Таким образом, ток циркулирует от выхода переменного тока к входу постоянного тока GCPC. Преимуществом этой конфигурации площадки является то, что источник питания постоянного тока потребляет выходную мощность переменного тока GCPC, и поэтому резистивной нагрузки не требуется, чтобы предотвратить течение питающих токов переменного тока в лабораторный источник питания переменного тока.
Рисунок J.1 - Схема измерительной площадки (пример 1),
схема 2D
Примечание - Расстояния, обозначенные как x и y, относятся к тем расстояниям, которые указаны в CISPR 16-2-1:2014 (пункт 7.4.1).
Рисунок J.2 - Схема испытательной площадки (пример 1),
изометрическая проекция
Следовательно, требуется, чтобы лабораторный источник питания переменного тока представлял только суммарные потери мощности в испытательной установке после начала измерений. Поскольку используется лабораторный источник питания переменного тока, его напряжение переменного тока и частоту можно легко отрегулировать в соответствии со спецификацией для выхода переменного тока GCPC. Обратный питающий ток переменного тока не течет к источнику питания переменного тока, и поэтому он не может быть поврежден.
J.2.2 Источник питания постоянного тока
Лабораторная питающая сеть постоянного тока должна иметь достаточную выходную мощность, чтобы управлять GCPC на его номинальной выходной мощности переменного тока. Кроме того, необходимо управление для надлежащей регулировки его выходного напряжения постоянного тока. При использовании схемы измерительной площадки, показанной на
рисунках J.1/
J.2, электрическая система входа переменного тока в питающую сеть постоянного тока должна подходить для электрической системы выхода переменного тока GCPC.
J.2.3 Источник питания переменного тока
Лабораторный источник питания переменного тока должен быть типа CVCF, чтобы он был способен регулировать номинальное выходное напряжение переменного тока и частоту испытуемого GCPC. При использовании схемы, показанной на
рисунках J.1/
J.2, ее мощности достаточно только для того, чтобы обеспечивать суммарные потери мощности в испытательной установке, и поэтому большей мощности не требуется.
J.2.4 Другие компоненты
Во многих случаях сама питающая сеть постоянного тока снабжена фильтрами на входе и выходе. Как показано на
рисунках J.1/
J.2, дополнительные фильтры ЭМП могут быть размещены на входе и выходе питающей сети постоянного тока для снижения возникающих кондуктивных помех.
При использовании электрических систем выхода переменного тока GCPC вход переменного тока питающей сети постоянного тока и выход источника питания переменного тока не согласуются как однофазная трехпроводная или однофазная двухпроводная система, и для преобразования электрических систем должен быть вставлен соответствующий трансформатор, как показано на
рисунках J.1/
J.2.
J.3 Другие испытательные схемы
J.3.1 Конфигурация, включающая лабораторный источник питания переменного тока и резистивную нагрузку
С другой стороны, есть случаи, когда каждая электрическая система не может в принципе быть согласованной, например трехфазный вход питающей сети постоянного тока с однофазным выходом переменного тока GCPC (ИО) и т.д. (есть и обратный пример). В таких случаях выход переменного тока от GCPC не может быть непосредственно соединен с входом переменного тока питающей сети постоянного тока, как показано на
рисунках J.1/
J.2. В этом случае другая омическая нагрузка подсоединяется параллельно лабораторному источнику питания переменного тока, как показано на
рисунках J.3/
J.4, и переменный ток от GCPC (ИО) потребляется этой омической нагрузкой. В результате омическая нагрузка не позволяет выходной мощности переменного тока GCPC вытекать обратно в лабораторный источник питания переменного тока, если он имеет достаточно мощности, чтобы превысить максимальную выходную мощность переменного тока от GCPC.
Рисунок J.3 - Схема измерительной площадки (пример 2),
схема 2D
Примечание - Расстояния, обозначенные как x и y, относятся к тем расстояниям, которые указаны в CISPR 16-2-1:2014 (пункт 7.4.1).
Рисунок J.4 - Схема измерительной площадки (пример 2),
изометрическая проекция
J.3.2 Конфигурация в случае обратного потока мощности к сети переменного тока
В этом примере схемы размещения оборудования показан случай, когда лабораторный источник питания переменного тока (см.
рисунки J.3/
J.4) не подключен к стороне выхода переменного тока GCPC.
В случае если выход переменного тока от GCPC подключен к сети переменного тока через фильтр, как показано на
рисунках J.5/
J.6, выходной переменный ток от GCPC течет к сети переменного тока и, следовательно, нет необходимости подключать омическую нагрузку, как это показано в предыдущей
схеме (пример 2). Но в этом случае имеется следующий недостаток: напряжение питания переменного тока и частота не могут быть скорректированы в соответствии со спецификациями стороны выхода переменного тока GCPC.
Рисунок J.5 - Схема измерительной площадки (пример 3),
схема 2D
Примечание - Расстояния, обозначенные как x и y, относятся к расстояниям, указанным в CISPR 16-2-1:2014 (пункт 7.4.1).
Рисунок J.6 - Схема измерительной площадки (пример 3),
изометрическая проекция
(справочное)
ОРГАНИЗОВАННОЕ МЕСТО ДЛЯ ИСПЫТАНИЯ НА ИЗМЕРИТЕЛЬНОЙ ПЛОЩАДКЕ
И КОНТРОЛЬНО-ИЗМЕРИТЕЛЬНЫЕ ПРИБОРЫ. РУКОВОДСТВО
ПО ПРЕДОТВРАЩЕНИЮ ВЛИЯНИЯ НАСЫЩЕНИЯ В ПОДАВЛЯЮЩИХ ФИЛЬТРАХ
БЕСТРАНСФОРМАТОРНЫХ СИЛОВЫХ ПРЕОБРАЗОВАТЕЛЕЙ ВО ВРЕМЯ
ИСПЫТАНИЙ ТИПА В СООТВЕТСТВИИ С НАСТОЯЩИМ СТАНДАРТОМ
K.1 Общие положения
Большинство типов силовых преобразователей используют рабочую частоту или частоту переключения в диапазоне связывания (контуров) от 100 Гц до 25 кГц. Результаты измерений, полученные в рассматриваемом диапазоне (от 150 кГц до 30 МГц), иногда серьезно нивелируются эффективным синфазным полным сопротивлением всей цепи электропитания постоянного тока в испытательной среде в диапазоне приблизительно от 500 Гц до 150 кГц. Если рабочая частота силового преобразователя при испытании совпадает с частотой серии резонансного(ых) провала(ов) в эффективном полном сопротивлении синфазного режима (CM) во всей лабораторной цепи питания постоянного тока, чрезмерные токи помех CM могут появляться на рабочей частоте и могут насытить встроенные фильтры ЭМП (как, например, дроссели CM) в ИО. Поэтому это приведет к серьезному снижению эффективности фильтров в частотном диапазоне измерения от 150 кГц до 30 МГц. Снижение эффективности фильтров означает, что будут регистрироваться избыточные уровни РЧ-помех, в результате это приведет к отказу испытуемого силового преобразователя, что является доказательством несоответствия требованиям, приведенным в настоящем стандарте.
Следует сказать, что такой режим работы силовых преобразователей заметно отклоняется от эксплуатационных условий при нормальном использовании. Поэтому, для того чтобы силовые преобразователи работали должным образом в нормальных условиях эксплуатации, при проведении испытаний типа в соответствии с настоящим стандартом должны быть приняты дополнительные контрмеры на уровне конфигурации измерительной площадки.
Должны использоваться развязывающие конденсаторы CM в сочетании с подходящими последовательно включенными катушками индуктивности, так как фильтры нижних частот отделяют согласованную нагрузку на порту ИО эквивалента сети от влияний лабораторного источника питания постоянного тока на порту АЕ этого эквивалента сети. Технические требования к эквиваленту сети постоянного тока, приведенные в
таблице I.2 (приложение I), гарантируют, что согласованная нагрузка CM на порту ИО эквивалента сети остается по крайней мере равной 10 Ом или более на последовательном резонансе его внутреннего развязывающего индуктивно-емкостного фильтра нижних частот. Это позволяет предотвратить упомянутые выше влияния насыщения в большинстве практических случаев испытания. Величины сопротивлений в зависимости от амплитудно-частотных характеристик согласованной нагрузки CM эквивалента сети в диапазоне от 9 до 150 кГц можно найти в спецификации, предоставленной изготовителем.
Рассматривая теперь подавление РЧ-токов CM во всей лабораторной цепи питания постоянного тока на измерительной площадке, это подавление и включенные дополнительные развязывающие конденсаторы CM, а также дроссели CM (как, например, в фильтрах ЭМП на площадке) могут взаимодействовать с характеристиками встроенного развязывающего индуктивно-емкостного фильтра нижних частот эквивалента сети и могут привести к сдвигам последовательных резонансных провалов эффективного синфазного полного сопротивления, наблюдаемых на порту ИО этого эквивалента сети.
Поэтому настоятельно рекомендуется отрегулировать амплитудно-частотные характеристики всей эффективной согласованной нагрузки CM на порту ИО эквивалента сети до условий, необходимых для данного типа испытуемого силового преобразователя. Такие регулировки можно осуществить посредством изменения величины разделительной емкости CM в лабораторной цепи питания постоянного тока и/или путем использования дополнительных последовательно включенных катушек индуктивности или дросселей CM. В настоящем приложении приведены возможные контрмеры по предотвращению влияния насыщения из-за неудачных характеристик измерительных приборов на измерительной площадке, используемых в лабораторной цепи питания постоянного тока.
Обращаем внимание пользователя таких схем испытания относительно опасных напряжений из-за высокого тока утечки на землю. Чтобы избежать травмирования технического персонала или повреждения оборудования перед включением системы источников питания в лаборатории следует обращаться к квалифицированному надлежащим образом персоналу за рекомендациями. |
K.2 Рекомендации по предотвращению влияний насыщения в диапазоне от 9 до 150 кГц
Если наблюдаются чрезмерные уровни помех во время измерений кондуктивных РЧ-помех на низковольтных портах электропитания постоянного тока силовых преобразователей в диапазоне от 150 кГц до 30 МГц, то это может быть вызвано влияниями насыщения, возникающими на рабочей частоте ИО, распределенными где-то в диапазоне ниже 150 кГц. Чтобы избежать таких условий, рекомендуется соблюдать приведенные ниже руководящие принципы.
1) Для измерений на низковольтных портах электропитания постоянного тока силовых преобразователей используют только эквиваленты сети, отвечающие техническим требованиям к дельтообразному эквиваленту сети сопротивлением 150 Ом в соответствии с CISPR 16-1-2:2014 (пункт 4.6) или в соответствии с
приложением I настоящего стандарта.
2) Используют хорошее техническое обеспечение измерительной площадки и проверяют, пригодна ли вся измерительная аппаратура (эквивалент сети постоянного тока исключается) и конфигурация испытательной площадки для проведения измерений на силовой электронике, работающей в условиях переключения режимов на рабочих частотах (основных частотах), выделенных в диапазоне ниже 150 кГц.
В зависимости от используемой технологии и номинальной пропускной мощности силовые преобразователи могут использовать основные частоты или частоты переключения режимов в диапазоне приблизительно от 100 Гц до 150 кГц.
3) По возможности между портом АЕ эквивалента сети и лабораторным источником питания постоянного тока, установленным в испытательной окружающей среде, вставляют такие дополнительные поглощающие устройства CM, как ферритовые трубки, CMAD или устройства связи/развязки сопротивлением 150 Ом в соответствии с IEC 61000-4-6. С этой целью можно использовать также кабель источника питания большей длины. В спирально свернутой форме он представляет собой дополнительную развязывающую катушку индуктивности (т.е. дроссель CM), включенную последовательно в лабораторную цепь тока CM. В любом случае проверяют эффективность добавленных устройств подавления CM, так как большинство из них имеет технические характеристики в диапазоне ниже 30 МГц.
4) Во избежание совпадения основной или рабочей частоты испытуемого силового преобразователя с частотой последовательного резонансного провала в полном сопротивлении во всей цепи питания постоянного тока, состоящей из лабораторного источника питания постоянного тока, фильтров электромагнитных помех, используемых в установке OATS или SAC, и эквивалента сети питания. Частота резонансного провала в синфазном полном сопротивлении цепи источника питания может быть сдвинута путем изменения емкости эффективного развязывающего конденсатора CM. Добавление внешних развязывающих конденсаторов CM рекомендуется на границе между портом АЕ эквивалента сети и портом питания лабораторного источника питания постоянного тока, установленного в испытательной среде. Следует иметь в виду, что может понадобиться линия конденсаторов с различными емкостями, если при испытании используются силовые преобразователи, реализующие различные технологии, классы пропускной мощности и т.д. Следует помнить, что рабочая частота может быть выделена приблизительно между 100 Гц и 150 кГц.
K.3 Подробные рекомендации
K.3.1 Общие положения
Далее представлено описание развязывающей цепи эквивалента сети постоянного тока, приведенного в
I.1:
"Кроме того, для предотвращения возникновения радиочастотных помех от лабораторного источника питания постоянного тока, влияющих на полученные результаты измерений, эквивалент сети постоянного тока оснащается устройством развязки (индуктивно-емкостным фильтром) между портами ИО и АЕ. При использовании асимметричных развязывающих конденсаторов емкостью от 100 нФ до приблизительно 1 мкФ только конструкция этого фильтра предотвращает в большинстве случаев влияние насыщения в подавляющих фильтрах, которыми могут быть оснащены силовые преобразователи, и таким образом могут быть обеспечены достоверные, надежные и повторяемые результаты измерений".
Тем не менее, если лабораторный источник питания постоянного тока применяется при измерении РЧ-помех, как показано на
рисунке K.1, РЧ-ток синфазного режима, вызванный испытуемым оборудованием, течет не только через развязывающие конденсаторы, входящие в состав развязывающей цепи эквивалента сети постоянного тока, но и через развязывающие конденсаторы, которыми снабжен лабораторный источник питания постоянного тока и фильтр ЭМП на измерительной площадке. Кроме того, в большинстве случаев емкость развязывающих конденсаторов, которыми это оборудование оснащено, может быть намного больше 100 нФ.
Рисунок K.1 - Поток РЧ-тока синфазного режима на уровне
конфигурации измерительной площадки
Очевидной контрмерой по предотвращению этих дополнительных способствующих факторов в общем эффективном РЧ-токе синфазного режима на рабочей частоте испытуемого силового преобразователя является увеличение потери развязки CM между портом АЕ эквивалента сети постоянного тока и портом лабораторного источника питания, расположенного в испытательной среде.
Эта потеря развязки может увеличиваться при использовании дополнительных последовательно включенных катушек индуктивности (предпочтительная контрмера) и/или путем применения дополнительных развязывающих конденсаторов CM на границе между портом АЕ эквивалента сети постоянного тока и портом лабораторного источника питания постоянного тока, расположенного в испытательной среде (контрмера для сдвига частоты последовательного резонансного провала в согласованной нагрузке CM на порте ИО эквивалента сети постоянного тока).
K.3.2 Использование последовательно включенных катушек индуктивности (или дросселей обычного режима) в цепь лабораторного источника питания постоянного тока
Если некоторые подходящие зажимные устройства ЭМП и т.д., которые ослабляют РЧ-ток CM в диапазоне 9 ~ 150 кГц, вставлены между портом АЕ эквивалента сети постоянного тока и портом лабораторного источника питания, расположенного в испытательной среде, как показано на
рисунке K.2, то емкостями развязывающих конденсаторов, которыми оснащены источник питания постоянного тока и фильтр ЭМП, можно пренебречь. Для обеспечения такой дополнительной развязки также можно использовать увеличенную длину питающего кабеля постоянного тока, если он проложен так, что формирует катушку с воздушным зазором.
Рисунок K.2 - Блокирование потока РЧ-тока CM с помощью
вставки последовательно включенных катушек индуктивности
Внимание! Необходимое оборудование, такое как зажимные устройства ЭМП, которые могут ослабить РЧ-ток CM в полосе частот от 9 до 150 кГц, может быть недоступно на рынке. Следовательно, предпочтительной мерой должно быть использование последовательно включенных катушек индуктивности.
Как упоминалось выше, поскольку эффективная величина емкости развязывающих конденсаторов всех лабораторных измерительных систем, включая лабораторный источник питания постоянного тока, может вызвать эффекты насыщения в подавляющих фильтрах, которыми оснащают силовой преобразователь без трансформатора, необходимо использовать лабораторные источники питания постоянного тока и фильтры ЭМП только с развязывающими конденсаторами CM малой емкости. Заметим, однако, что использование только развязывающих конденсаторов CM с малой емкостью может также уменьшить подавление РЧ-помех, генерируемых лабораторным источником питания постоянного тока. Если чрезмерно большие РЧ-помехи создаются во время испытаний типа на силовых преобразователях без трансформаторов, которые, предположительно, могут быть вызваны насыщением встроенных подавляющих фильтров, в этом случае в качестве источника питания постоянного тока можно использовать аккумуляторы.
K.3.3 Использование дополнительных развязывающих конденсаторов CM на границе между портом АЕ эквивалента сети постоянного тока и портом лабораторного источника питания постоянного тока, расположенного в испытательной среде
Для увеличения потери развязки между цепью лабораторного источника питания постоянного тока и измерительной установкой могут быть подключены дополнительные развязывающие конденсаторы CM между портом АЕ (т.е. развязывающей цепью) эквивалента сети постоянного тока и портом лабораторного источника питания постоянного тока, расположенного в испытательной среде, как показано на
рисунке K.3.
Рисунок K.3 - Блокирование потока РЧ-тока CM путем
использования дополнительных развязывающих конденсаторов CM
Влияние такой контрмеры заключается в том, что она смещает последовательные резонансные провалы в амплитудно-частотных характеристиках согласованной нагрузки CM в порту ИО эквивалента сети постоянного тока до более низких частот, предотвращая таким образом возможные совмещения по частоте этого резонансного провала и рабочей или основной частоты испытуемого силового преобразователя. Если рабочая частота не совпадает с той последовательной резонансной частотой, влияний насыщения в ИО можно избежать. Совершенно очевидно, что такая контрмера должна быть тщательно отрегулирована относительно данного типа силового преобразователя из-за широкого спектра возможно вовлеченных рабочих частот. В большинстве случаев может понадобиться индивидуальная настройка дополнительной разделительной емкости CM.
K.4 Общая информация
Мы изучили способы решения проблемы насыщения, основываясь на том предположении, что следует использовать не аккумулятор, а лабораторный источник постоянного тока для измерений на силовых преобразователях без трансформаторов. На
рисунке K.4 показан пример характеристик полного сопротивления в синфазном режиме для эквивалента сети постоянного тока в соответствии с
таблицей I.2. Как показано на
рисунке K.4, это доказывает, что существует резонансная точка рядом с 20 кГц и полное сопротивление в синфазном режиме значительно уменьшается на этой резонансной частоте.
Характеристики полного сопротивления в синфазном режиме
эквивалента сети постоянного тока
Рисунок K.4 - Согласованная нагрузка CM на порту ИО
эквивалента сети постоянного тока. Амплитудно-частотные
характеристики в диапазоне от 3 кГц до 30 МГц (пример)
Насыщение подавляющих фильтров, которыми оснащены силовые преобразователи, что в настоящее время становится проблемой, возникает из-за больших потоков тока в синфазном режиме в случае, если резонансная частота (20 кГц) совпадает с рабочей частотой силового преобразователя (ИО). Тем не менее резонансная частота практически определяется не только эквивалентом сети постоянного тока, но и характеристиками полного сопротивления в синфазном режиме всех приборов, используемых во всей цепи лабораторного источника питания постоянного тока, включая источник питания постоянного тока, установленные фильтры ЭМП и подобные устройства.
В случае если эффективная резонансная частота, вызванная всей лабораторной измерительной аппаратурой, совпадает с рабочей частотой силового преобразователя и такими большими потоками тока CM или если необходимо подтвердить, действительно ли такие состояния на самом деле происходят, то резонансная частота может быть разрегулирована с рабочей частотой силового преобразователя путем изменения емкости развязывающих конденсаторов цепи эквивалента сети постоянного тока или путем увеличения емкости развязывающих конденсаторов, как показано на
рисунке K.5, изменив таким образом резонансную частоту, т.е. резонансная точка может быть сдвинута, как показано на
рисунке K.6. В результате ток CM может быть уменьшен на рабочей частоте силового преобразователя путем предотвращения влияния насыщения.
Рисунок K.5 - Предотвращение насыщения подавляющих фильтров
за счет использования дополнительных развязывающих
конденсаторов
Характеристики полного сопротивления в синфазном режиме
эквивалента сети постоянного тока
Рисунок K.6 - Изменение в резонансной частоте, вызванное
увеличением и уменьшением емкости развязывающего
конденсатора
Другими словами, если результаты измерений в случае, когда емкость развязывающих конденсаторов увеличена, являются такими же, как и результаты в случае, когда емкость не изменена, то можно сделать вывод о том, что измерения кондуктивных помех были выполнены правильно.
При замене составных частей аппаратуры в эквиваленте сети постоянного тока можно увеличить или уменьшить емкость развязывающих конденсаторов CM за счет установки переключателей для последовательного переключения и параллельного соединения этих развязывающих конденсаторов, как показано на
рисунке K.7. Однако такая мера не может быть рекомендована для применения в обычной лабораторной практике, так как возможно нарушение калибровки соответствующего эквивалента сети постоянного тока. Тем не менее при необходимости могут быть использованы коммутируемые комбинированные внешние развязывающие конденсаторы CM. При применении таких конденсаторов всегда будет сдвиг последовательного резонанса внутреннего разделяющего фильтра эквивалента сети постоянного тока на более низкие частоты, чем те, которые указаны в спецификации изготовителя.
Рисунок K.7 - Пример цепи эквивалента сети постоянного тока,
когда емкость разделительных конденсаторов развязывающей
индуктивно-емкостной цепи может быть увеличена или уменьшена
(справочное)
СВЕДЕНИЯ О СООТВЕТСТВИИ ССЫЛОЧНЫХ МЕЖДУНАРОДНЫХ СТАНДАРТОВ
МЕЖГОСУДАРСТВЕННЫМ СТАНДАРТАМ
Таблица ДА.1
Обозначение ссылочного международного стандарта | Степень соответствия | Обозначение и наименование межгосударственного стандарта |
CISPR 16-1-1:2010 Amendment 1:2010 Amendment 2:2014 | IDT | ГОСТ CISPR 16-1-1-2016 "Требования к аппаратуре для измерения радиопомех и помехоустойчивости и методы измерения. Часть 1-1. Аппаратура для измерения радиопомех и помехоустойчивости. Измерительная аппаратура" |
CISPR 16-1-2:2014 | IDT | ГОСТ CISPR 16-1-2-2016 "Требования к аппаратуре для измерения радиопомех и помехоустойчивости и методы измерения. Часть 1-2. Аппаратура для измерения радиопомех и помехоустойчивости. Устройства связи для измерений кондуктивных помех" |
CISPR 16-1-4:2010 Amendment 1:2012 | IDT | ГОСТ CISPR 16-1-4-2013 "Совместимость технических средств электромагнитная. Требования к аппаратуре для измерения параметров индустриальных радиопомех и помехоустойчивости и методы измерений. Часть 1-4. Аппаратура для измерения радиопомех и помехоустойчивости. Антенны и испытательные площадки для измерения излучаемых помех" |
CISPR 16-2-1:2014 | IDT | ГОСТ CISPR 16-2-1-2015 "Требования к аппаратам для измерения радиопомех и помехоустойчивости и методы измерения. Часть 2-1. Методы измерения помех и помехоустойчивости. Измерения кондуктивных помех" |
CISPR 16-2-3:2010 Amendment 1:2010 Amendment 1:2014 | IDT | ГОСТ CISPR 16-2-3-2016 "Требования к аппаратуре для измерения радиопомех и помехоустойчивости и методы измерения. Часть 2-3. Методы измерения радиопомех и помехоустойчивости. Измерения излучаемых помех" |
CISPR 16-4-2:2011 Amendment 1:2014 | IDT | ГОСТ CISPR 16-4-2-2013 "Совместимость технических средств электромагнитная. Требования к аппаратуре для измерения параметров индустриальных радиопомех и помехоустойчивости и методы измерений. Часть 4-2. Неопределенности, статистика и моделирование норм. Неопределенность измерений, вызываемая измерительной аппаратурой" |
IEC 60050-161:1990 | IDT | ГОСТ 30372-2017 "Совместимость технических средств электромагнитная. Термины и определения" |
IEC 60601-1-2:2014 | IDT | ГОСТ Р МЭК 60601-1-2-2014 "Изделия медицинские электрические. Часть 1-2. Общие требования безопасности с учетом основных функциональных характеристик. Параллельный стандарт. Электромагнитная совместимость. Требования и испытания" |
IEC 60601-2-2:2009 | IDT | ГОСТ Р МЭК 60601-2-2-2013 "Изделия медицинские электрические. Часть 2-2. Частные требования безопасности с учетом основных функциональных характеристик к высокочастотным электрохирургическим аппаратам и высокочастотным электрохирургическим принадлежностям" |
IEC 60974-10:2014 | IDT | ГОСТ IEC 60974-10-2017 "Оборудование для дуговой сварки. Часть 10. Требования электромагнитной совместимости (ЭМС)" |
IEC 61307:2011 | IDT | ГОСТ IEC 61307-2016 "Промышленные установки высокочастотного нагрева токами СВЧ. Методы испытаний для определения выходной мощности" |
IEC 62135-2:2007 | - | |
ITU Radio Regulations:2012, Volume 3 | - | |
<*> Соответствующий межгосударственный стандарт отсутствует. До его принятия рекомендуется использовать перевод на русский язык данного международного стандарта. Примечание - В настоящей таблице использованы следующие условные обозначения степени соответствия стандартов: - IDT - идентичные стандарты; - MOD - модифицированные стандарты. |
| CISPR 14-1 | Electromagnetic compatibility - Requirements for household appliances, electric tools and similar apparatus - Part 1: Emission (Совместимость электромагнитная. Требования к бытовой аппаратуре, электрическому инструменту и аналогичным приборам. Часть 1. Помехоэмиссия) |
| CISPR TR 16-2-5:2008 | Specification for radio disturbance and immunity measuring apparatus and methods - Part 2-5: In situ measurements for disturbing emissions produced by physically large equipment (Технические условия на оборудование и методы измерений радиопомех и помехоустойчивости. Часть 2-5. Измерение на месте эмиссии помех от физически крупного оборудования) |
[3] | CISPR TR 16-4-3:2004 | Specification for radio disturbance and immunity measuring apparatus and methods - Part 4-3: Uncertainties, statistics and limit modelling - Statistical considerations in the determination of EMC compliance of mass-produced products (Технические условия на оборудование и методы измерений радиопомех и помехоустойчивости. Часть 4-3. Погрешности, статистика и моделирование пределов. Статистический анализ при определении электромагнитной совместимости для продукции массового производства) |
[4] | CISPR TR 16-4-4:2007 | Specification for radio disturbance and immunity measuring apparatus and methods - Part 4-4: Uncertainties, statistics and limit modelling - Statistics of complaints and a model for the calculation of limits for the protection of radio services (only available in English) (Технические условия на оборудование и методы измерений радиопомех и помехоустойчивости. Часть 4-4. Погрешности, статистика и моделирование пределов. Статистика рекламаций и модель расчета пределов для защиты радиосвязи (имеется только на английском языке) |
[5] | CISPR 15:2013 | Limits and methods of measurement of radio disturbance characteristics of electrical lighting and similar equipment (Нормы и методы измерений характеристик радиопомех от электрического светового и аналогичного оборудования) |
[6] | IEC 60050-601:1985 | International Electrotechnical Vocabulary (IEV) - Chapter 601: Generation, transmission and distribution of electricity - General (Международный электротехнический словарь. Глава 601. Производство, передача и распределение электрической энергии. Общие понятия) |
[7] | IEC TR 60083:2009 | Plugs and socket-outlets for domestic and similar general use standardized in member countries of IEC (Вилки и штепсельные розетки бытового и аналогичного общего назначения, стандартизованные в странах - членах МЭК) |
[8] | IEC 60364-1 | Low-voltage electrical installations - Part 1: Fundamental principles, assessment of general characteristics, definitions (Электроустановки низковольтные. Часть 1. Основные принципы, оценка общих характеристик, определения) |
[9] | IEC 60364-5-51:2005 | Electrical installations of buildings - Part 5-51: Selection and erection of electrical equipment - Common rules (Электроустановки зданий. Выбор и монтаж электрического оборудования. Общие правила) |
[10] | IEC 60705:2010 | Household microwave ovens - Methods for measuring performance (Печи микроволновые бытовые. Методы измерения эксплуатационных характеристик) |
| IEC TR 61000-2-5:2011 | Electromagnetic compatibility (EMC) - Part 2-5: Environment - Description and classification of electromagnetic environments (Совместимость электромагнитная. Часть 2-5. Условия окружающей среды. Описание и классификация уровней электромагнитной среды) |
[12] | IEC 61308:2005 | High-frequency dielectric heating installations - Test methods for the determination of power output (Установки высокочастотного диэлектрического нагрева. Методы испытания для определения выходной мощности) |
[13] | IEC 61689:2013 | Ultrasonics - Physiotherapy systems - Field specifications and methods of measurement in the frequency range 0,5 MHz to 5 MHz (only available in English) (Ультразвук. Физиотерапевтические системы. Спецификация полей и методы измерений в диапазоне частот от 0,5 до 5 МГц) (имеется только на английском языке) |
[14] | IEC 61922:2002 | High-frequency induction heating installations - Test methods for the determination of power output of the generator (Установки высокочастотного индукционного нагрева. Методы испытания для определения выходной мощности генератора) |
| A.A. SMITH | Jr., Electric field propagation in the proximal region, IEEE Transactions on electromagnetic compatibility, Nov 1969, pp. 151 - 163. (Распространение электрического поля в ближней области) |
| CCIR Report 239-7:1990 | Propagation statistics required for broadcasting services using the frequency range 30 to 1 000 MHz (Статистика о распространении радиоволн, необходимая для вещания с использованием диапазона от 30 до 1000 МГц) |
УДК 621.396.61:621.391.827(083.74)(476) | | IDT |
Ключевые слова: электромагнитная совместимость, радиопомехи, промышленное, научное и медицинское радиочастотное оборудование, нормы, методы испытаний |