Главная // Актуальные документы // Актуальные документы (обновление 2025.06.02-2025.07.05) // ПереченьСПРАВКА
Источник публикации
В данном виде документ опубликован не был.
Первоначальный текст документа опубликован в издании
М.: Российское Классификационное Общество, 2024.
Информацию о публикации документов, создающих данную редакцию, см. в справке к этим документам.
Примечание к документу
Извещение N 9 о внесении изменений в Правила Российского Классификационного Общества (в Правила классификации и освидетельствования плавучих объектов (ПКПО), утв. Приказом ФАУ "Российское Классификационное Общество" от 23.04.2025 N 22-п, введено в действие с 26.04.2025.
Название документа
"Правила классификации и освидетельствования плавучих объектов (ПКПО)"
(утв. Приказом ФАУ "Российский Речной Регистр" от 17.03.2017 N 35-п)
(ред. от 23.04.2025)
"Правила классификации и освидетельствования плавучих объектов (ПКПО)"
(утв. Приказом ФАУ "Российский Речной Регистр" от 17.03.2017 N 35-п)
(ред. от 23.04.2025)
Приказом федерального
автономного учреждения
"Российский Речной Регистр"
от 17 марта 2017 г. N 35-п
ПРАВИЛА
КЛАССИФИКАЦИИ И ОСВИДЕТЕЛЬСТВОВАНИЯ ПЛАВУЧИХ ОБЪЕКТОВ
(ПКПО)
| | Список изменяющих документов (в ред. Изменений, утв. Приказами Федерального автономного учреждения "Российский Речной Регистр" от 13.10.2017 N 71-п, от 01.06.2018 N 39-п, от 04.09.2018 N 69-п, от 25.12.2018 N 107-п, от 05.05.2022 N 29-п и Приказами Федерального автономного учреждения "Российское Классификационное Общество" от 21.04.2023 N 34-п, от 24.05.2024 N 43-п, Классификационное Общество" от 08.04.2025 N 16-п, Классификационное Общество" от 23.04.2025 N 22-п) | |
Вступили в силу
с 23 марта 2017 года
В соответствии с
Уставом федерального автономного учреждения "Российское Классификационное Общество", утвержденного распоряжением Минтранса России от 05.05.2022 N ВС-117-р, федеральное автономное учреждение "Российский Речной Регистр" переименовано в федеральное автономное учреждение "Российское Классификационное Общество" (Российское Классификационное Общество, РКО). В связи с этим в настоящие Правила внесены соответствующие изменения.
Правила классификации и освидетельствования плавучих объектов (ПКПО) утверждены приказом федерального автономного учреждения "Российский Речной Регистр" от 17.03.2017 N 35-п и вступили в силу с 23.03.2017.
Настоящее переиздание Правил классификации и освидетельствования плавучих объектов (ПКПО) включает в себя изменения, утвержденные следующими приказами федерального автономного учреждения "Российский Речной Регистр":
от 13.10.2017 N 71-п (об Извещении N 1). Введены в действие с 19.10.2017;
от 01.06.2018 N 39-п (об Извещении N 2). Введены в действие с 06.06.2018;
от 04.09.2018 N 69-п (об Извещении N 3). Введены в действие с 10.09.2018;
от 25.12.2018 N 107-п (об Извещении N 4). Введены в действие с 28.12.2018;
от 05.05.2022 N 29-п (об Извещении N 5). Введены в действие с 08.05.2022;
и приказами федерального автономного учреждения "Российское Классификационное Общество":
от 21.04.2023 N 34-п (об Извещении N 6) Введены в действие с 24.04.2023;
от 24.05.2024 N 43-п (об Извещении N 7) Введены в действие с 27.05.2024.
1.1 ОБЛАСТЬ РАСПРОСТРАНЕНИЯ
1.1.1 Настоящие Правила классификации и освидетельствования плавучих объектов (далее - Правила) устанавливают требования, которые применяются при проектировании, постройке, модернизации, переоборудовании и ремонте плавучих объектов (см.
1.2.1.42), а также их классификации и освидетельствовании в эксплуатации. Данные Правила применяются к плавучим объектам, построенным до вступления данных Правил в силу, а также при переклассификации судов, в плавучие объекты.
Абзац утратил силу с 11.04.2025. -
Извещение N 8, утв. Приказом ФАУ "Российское Классификационное Общество" от 08.04.2025 N 16-п.
--------------------------------
<1> Сноска утратила силу с 11.04.2025. -
Извещение N 8, утв. Приказом ФАУ "Российское Классификационное Общество" от 08.04.2025 N 16-п.
1.1.2 Требования
разд. 1,
2,
4 -
10 настоящих Правил применяются при проектировании и осуществлении технического наблюдения за постройкой, переоборудованием, модернизацией плавучих объектов, если в соответствующих разделах и главах не указано иное. Требования
разд. 1 -
3 настоящих Правил распространяются, в том числе на плавучие объекты, находящиеся в эксплуатации.
1.1.3 Требования настоящих Правил распространяются на плавучие объекты, корпуса которых изготовлены из стали, алюминиевых сплавов, армированных пластиков, древесных материалов, железобетона, сталежелезобетона или армоцемента, а также других материалов.
(п. 1.1.3 в ред.
Извещения N 9, утв. Приказом ФАУ "Российское Классификационное Общество" от 23.04.2025 N 22-п)
1.1.4 В случае отсутствия в настоящих Правилах требований к классификации плавучих объектов, конструкции корпуса, остойчивости, непотопляемости, надводному борту, техническим средствам, системам, средствам автоматизации, устройствам и снабжению, электрическому оборудованию, средствам связи плавучих объектов, и проведению их освидетельствования, подлежат применению требования к судам, установленные
Правилами классификации и постройки судов (ПКПС),
Правилами предотвращения загрязнения окружающей среды с судов (ППЗС),
Правилами технического наблюдения за постройкой судов и изготовлением материалов и изделий для судов (ПТНП), или требования к проведению освидетельствования судов в процессе их эксплуатации
(ПОСЭ).
Валовая вместимость плавучих объектов определяется в соответствии с расчетом валовой вместимости судна, содержащимся в
приложении N 1 к положению о классификации и об освидетельствовании судов <2>.
--------------------------------
<2>
Приказ Министерства транспорта Российской Федерации от 14.04.2016 N 102 "Об утверждении Положения о классификации и об освидетельствовании судов" (Зарегистрировано в Министерстве юстиции Российской Федерации 07.07.2016, регистрационный N 42778).
1.1.5 На композитные сталежелезобетонные или армоцементные конструкции плавучих объектов распространяются применимые к ним требования
ПКПС,
ПОСЭ и
ПТНП, если в настоящих Правилах не установлено иное.
1.1.6 Требования настоящих Правил, относящиеся к наплавным мостам, распространяются на наплавные мосты неразрезной системы на отдельных плавучих опорах и жесткосочлененных опорах и разрезные конструкции или системы. Наплавные мосты и их элементы иной конструкции, например, наплавные мосты шарнирноконсольной системы, рассматриваются в порядке, установленном
3.1.3 ПТНП.
1.1.7 Требования настоящих Правил не распространяются на плавучие объекты массой менее 200 кг, в том числе многокорпусные плавучие объекты, формируемые с помощью разъемных соединений, из отдельных модулей массой менее 200 кг. Указанные в настоящем пункте плавучие объекты рассматриваются в порядке, установленном
3.1.3 ПТНП.
1.1.8 Требования настоящих Правил распространяются на плавучие музеи (их элементы) и применяются в порядке, предусмотренном в
2.1.4 настоящих Правил и
3.1.3 ПТНП.
1.2 ТЕРМИНЫ И ИХ ОПРЕДЕЛЕНИЯ
1.2.1 В настоящих Правилах помимо терминов, указанных в
2.1 ч. 0 ПКПС используются также следующие термины:
1. аварийная ватерлиния наплавного моста - ватерлиния поврежденного наплавного моста при затоплении понтона или части его отсеков;
2. балласт дока - забортная вода, принимаемая в балластные отсеки дока с целью изменения его посадки;
3. балластный отсек дока - отсек в понтоне и/или башне дока, ограниченный непроницаемыми конструкциями, предназначенный для приема водяного балласта;
4. башня дока - часть корпуса дока, конструктивно соединяемая с понтоном или понтонами, предназначенная для обеспечения остойчивости дока при погружении и всплытии; башня разделяется палубами, платформами, переборками на помещения и отсеки для размещения оборудования дока и балласта;
5. береговая часть наплавного моста - конструкции, связывающие речную часть наплавного моста с берегом;
6. брандвахта - плавучий объект, установленный у берега и используемый для проживания экипажей земснарядов, водолазных станций и т.п.
7. верхнее пролетное строение наплавного моста - конструкция, объединяющая понтоны отдельных плавучих опор в наплавной мост;
8. воздушная подушка дока - область повышенного давления воздуха в балластных отсеках между крышей отсека и уровнем балласта в нем;
9. выводное звено наплавного моста - секция речной части, удалением которой из моста осуществляется открытие судового хода;
10. высота борта дока до топ-палубы - расстояние, измеренное по вертикали в плоскости мидель-шпангоута дока от основной плоскости до теоретической поверхности топ-палубы у наружного борта башни;
11. высота воздушной подушки в балластном отсеке дока - минимальное расстояние от поверхности воды в балластном отсеке дока до палубы безопасности, при котором давление воздуха в балластном отсеке равно атмосферному давлению;
12. высота понтона дока - расстояние, измеренное в диаметральной плоскости дока по вертикали от основной плоскости до теоретической поверхности стапель-палубы;
13. грузоподъемность дока - масса наиболее тяжелого судна или нескольких судов, которые могут быть подняты доком при нормальных условиях эксплуатации;
14. давление ветра - условное расчетное динамическое или статическое давление ветра;
15. дебаркадер - плавучий объект с надстройкой или без нее, используемый в качестве причального сооружения, стационарно установленный у берега (обычно в речном порту) и предназначенный для обеспечения стоянки судов, а также любой обособленный элемент (стационарный или плавучий) портовой (причальной) инфраструктуры, имеющий грузовую площадку и вынесенный за пределы причальной (береговой) линии;
16. дифферентовочный балласт дока - балласт, принимаемый в балластные отсеки для удифферентовки дока на ровный киль;
17. длина дока по стапель-палубе - расстояние, измеренное по стапель-палубе дока параллельно его основной линии между теоретическими поверхностями торцевых переборок понтона;
18. длина килевой дорожки дока - расстояние, измеренное в диаметральной плоскости дока параллельно его основной линии между наружными торцами концевых кильблоков;
19. доковая масса судна - масса судна порожнем с необходимыми для докования запасами и балластом, обеспечивающим требуемую посадку судна при доковании;
20. кессон-док - плавучий объект, предназначенный для обнажения подводной части судна или его отдельных подводных частей (кессонирования и неполного докования);
21. композитные конструкции (конструкции из композитных материалов) - конструкции элемента корпуса судна, состоящие из разнородных материалов, работающих совместно как единое целое, например, конструкции из армированных пластиков или сталежелезобетонные конструкции;
22. конструктивная ватерлиния дока (КВЛ) - ватерлиния дока, соответствующая его осадке с полными запасами, расчетным докуемым судном и необходимым количеством остаточного, дифферентовочного и разгружающего балласта;
23. корпус понтона наплавного моста - металлоконструкции плавучих опор наплавного моста, обеспечивающие его плавучесть, местную и общую прочность;
24. кринолины дока - консольные конструкции дока, которые устанавливаются на торцевых переборках понтона дока в оконечностях на уровне стапель-палубы с целью увеличения ее полезной площади для производства доковых работ у выступающих за пределы стапель-палубы оконечностей судна;
25. моменты кренящие - расчетные значения статически и динамически приложенных кренящих моментов;
26. моменты предельно допустимые для наплавного моста - расчетные значения моментов, предельно допустимых из условия обеспеченности требуемых показателей остойчивости наплавного моста при статических или динамических наклонениях;
27. монолитный док - док, состоящий из неразрезного понтона и двух башен, непрерывных по всей длине и конструктивно неотделимых от понтона. К монолитным также относятся доки с концевыми понтонами для докования центрального понтона;
28. надводный борт наплавного моста - расстояние от верхней кромки палубной линии до верхней кромки линии предельной осадки, измеренное отвесно по борту в сечении по мидель-шпангоуту понтона;
29. наплавной мост - мост на плавучих опорах;
30. наплавной мост на отдельных плавучих опорах - мост, состоящий из отдельных плавучих понтонов, объединенных между собой верхним пролетным строением;
31. наплавной мост на жесткосочлененных опорах - мост, представляющий сплошную плавучую полосу из понтонов, соединенных между собой жесткими соединительными устройствами;
32. наплавной мост неразрезной системы - мост, имеющий по всей длине речной части либо неразрезное пролетное строение, либо соединенные в ленту понтоны, воспринимающие изгибающие моменты по всей своей длине;
33. осадка дока порожнем - расстояние, измеренное по вертикали от основной плоскости дока до ватерлинии, соответствующей водоизмещению дока порожнем с остаточным и дифферентовочным балластом без докуемого судна;
34. остаточный балласт дока - балласт, не откачиваемый балластной системой дока;
35. палуба безопасности дока - непроницаемая палуба в башнях дока, ограничивающая сверху балластные отсеки;
36. пассажир плавучего объекта (также пассажир), посетитель плавучего объекта (также посетитель) - лица, находящиеся или проживающие на плавучем объекте временно или постоянно в соответствии с назначением плавучего объекта и не входящие в состав экипажа (персонала) плавучего объекта;
37. плавучий дом - плавучий объект, который спроектирован для использования в качестве жилого дома на воде;
38. плавучий причал - плавучий объект, установленный у берега или на рейде на внутреннем водном пути, имеющий устройства для безопасного подхода судов и предназначенный для безопасной стоянки судов, их загрузки, разгрузки и обслуживания, а также посадки пассажиров на суда и высадки их с судов;
39. плавучий ресторан (кафе) - плавучий объект, который спроектирован как предприятие общественного питания на воде;
40. плавучая сборочная единица - плавучая конструкция, входящая в состав речной части наплавного моста;
41. плавучий док (док) - плавучий объект, предназначенный для подъема из воды судов (докования);
42. плавучие объекты - несамоходные плавучие сооружения, не являющиеся судами, в том числе дебаркадер, плавучий (находящийся на воде) дом, гостиница, ресторан, понтон, плот, наплавной мост, плавучий причал и другое техническое сооружение подобного рода. К плавучим объектам относятся также брандвахты, плавучие доки и кессон-доки;
43. плот - плавучий объект, представляющий собой конструкцию, состоящую из связанных совместно плавучих элементов и предназначенный для сплава древесины по рекам (плавучий элемент - бревна) или обеспечения удобства отдыха на воде (плавучий элемент - понтоны, один из которых прикреплен к берегу);
44. площадь парусности наплавного моста - площадь проекции надводной части наплавного моста на диаметральную плоскость, определяемая в прямом его положении при средней осадке по действующую ватерлинию с учетом движущихся транспортных средств;
45. понтон - плавучее сооружение, применяемое для поддержания на воде различных устройств с использованием собственного запаса плавучести. Понтоны служат опорами плавучих кранов, плавучих доков, плавучих перегружателей и т.д.;
46. понтонный док - док, состоящий из двух непрерывных по всей длине башен и нескольких понтонов, соединяемых с башнями болтами, заклепками, сваркой;
47. предельная глубина погружения дока - расстояние, измеренное по вертикали от основной плоскости дока до ватерлинии, соответствующей его предельному погружению;
48. предельная линия погружения дока - ватерлиния дока со 100% запасов и топлива и при полном заполнении всех балластных отсеков понтона и башен до палубы безопасности либо до воздушной подушки при открытых клинкетах;
49. предельно допустимый угол крена - угол крена, превышение которого не допускается;
50. прогоны моста - продольные балки верхнего пролетного строения, обеспечивающие его общую прочность и соединяющиеся по всей длине наплавного моста жесткими стыками;
51. пролетное строение моста - конструкция, перекрывающая пролет между опорами моста и опирающаяся на них;
52. разгружающий балласт дока - балласт, принимаемый в балластные отсеки для уменьшения напряжений в конструкциях, обеспечивающих общую прочность дока;
53. расчетная осадка дока - расстояние, измеренное по вертикали от основной плоскости дока до его КВЛ;
54. речная часть моста - опирающийся только на воду участок наплавного моста, которым перекрывается водная поверхность реки;
55. секционный док - док, состоящий из нескольких секций, представляющих собой монолитные или понтонные доки, соединяемые между собой болтами, приварными пластинами, шарнирными элементами;
56. стапель-палуба дока - палуба понтона дока, на которой устанавливаются доковые опорные устройства (кильблоки и клетки);
57. владелец - юридическое или физическое лицо, эксплуатирующее плавучий объект от своего имени, независимо от того, является ли он собственником плавучего объекта или использует его на ином законном основании.
58. сухой отсек дока - непроницаемый отсек ниже палубы безопасности (или ниже предельной линии погружения при отсутствии палубы безопасности), не предназначенный для приема водяного балласта;
59. технические средства - объекты техники, например, двигатели, генераторы, насосы, компрессоры, палубные механизмы, электрическое оборудование, противопожарное оборудование, спасательные средства, средства радиосвязи и навигационного оборудования, установки сжиженного газа и другие изделия судового машиностроения, электротехнической и радиоэлектронной промышленности, предназначенные для выполнения функций, связанных с обеспечением безопасной эксплуатации плавучего объекта;
60. топ-палуба дока - верхняя палуба башен дока;
61. угол крена наплавного моста - угол наклона моста относительно его продольной оси;
62. центр парусности - центр площади парусности относительно плоскости действующей ватерлинии;
63. ширина башен дока по стапель-палубе - расстояние, измеренное перпендикулярно диаметральной плоскости дока между теоретическими поверхностями его внутреннего и наружного бортов на уровне теоретической поверхности стапель-палубы;
64. ширина башен дока по топ-палубе - расстояние, измеренное перпендикулярно диаметральной плоскости дока между теоретическими поверхностями его внутреннего и наружного бортов на уровне теоретической поверхности топ-палубы;
65. ширина дока - расстояние, измеренное перпендикулярно диаметральной плоскости дока между теоретическими поверхностями наружных бортов понтона;
66. ширина стапель-палубы дока - расстояние, измеренное перпендикулярно диаметральной плоскости дока между линиями пересечения теоретических поверхностей внутренних бортов башен и стапель-палубы;
67. экипаж плавучего объекта (также экипаж), персонал плавучего объекта (также персонал, дежурный персонал) - лица, находящиеся временно или постоянно на плавучем объекте и выполняющие работы, связанные с эксплуатацией плавучего объекта в соответствии с его назначением;
68. плавучий музей - плавучий объект, стационарно установленный у берега, используемый в культурных целях и особые признаки которого делают необходимым для общества его сохранение, изучение и публичное представление.
2 КЛАССИФИКАЦИЯ ПЛАВУЧИХ ОБЪЕКТОВ
2.1.1 Целью классификации плавучих объектов является выполнение работ (оказание услуг) по оценке соответствия плавучих объектов, материалов и изделий для установки на плавучих объектах, организаций, осуществляющих проектирование, строительство, модернизацию, переоборудование и ремонт плавучих объектов, изготовление материалов и изделий для плавучих объектов (далее - организация), настоящим Правилам.
2.1.2 Классификация плавучих объектов включает в себя рассмотрение и согласование технической документации на строительство, переоборудование, модернизацию и ремонт плавучих объектов, изготовление материалов и изделий для плавучих объектов, освидетельствование плавучих объектов и организаций, техническое наблюдение за изготовлением материалов и изделий, ремонтом изделий, постройкой, ремонтом, модернизацией и переоборудованием плавучих объектов с присвоением им класса, а также подтверждение, приостановление, возобновление, восстановление и аннулирование класса на основании результатов освидетельствований плавучих объектов в соответствии с настоящими Правилами.
По результатам классификации оформляются документы, предусмотренные настоящими Правилами.
2.1.3 Техническая документация по строительству, ремонту, модернизации и переоборудованию плавучих объектов, изготовлению материалов и изделий для установки на плавучих объектах согласовывается Российским Классификационным Обществом в соответствии с настоящими Правилами с целью проверки выполнения их требований.
Независимо от сроков согласования Российским Классификационным Обществом технической документации, она подлежит корректировке с целью учета изменений, внесенных в Правила.
2.1.4 При наличии в технической документации решений (положений), отличающихся от установленных настоящими Правилами требований, Российское Классификационное Общество рассматривает их перечень, представленный организацией, являющейся разработчиком технической документации, с изложением их содержания и технических обоснований, доказывающих, что предлагаемые разработчиком технической документации решения (положения) являются с точки зрения безопасности не менее эффективными, чем те, которые установлены настоящими Правилами.
2.1.5 Срок действия согласования технической документации за исключением случаев, указанных в
2.1.6, составляет шесть лет.
2.1.6 Согласование технической документации на ремонт, переоборудование или модернизацию плавучих объектов действует без ограничения срока.
2.1.7 Действие согласования технической документации прекращается в случае:
1. истечения срока, указанного в
2.1.5;
2. истечения трехлетнего срока с даты согласования технической документации до даты начала постройки плавучего объекта, изготовления материалов и (или) изделий;
3. внесения изменений в согласованную ранее техническую документацию без согласования с Российским Классификационным Обществом.
2.1.8 Техническое наблюдение за постройкой, ремонтом, модернизацией и переоборудованием плавучих объектов, изготовлением материалов и изделий, ремонтом изделий для плавучих объектов, освидетельствование организации для оценки ее способности выполнять работы (оказывать услуги) или производить продукцию в соответствии с требованиями Правил, проверка соблюдения организацией условий признания осуществляется в соответствии с
ПТНП. Требования к освидетельствованию плавучих объектов в эксплуатации установлены в
разд. 3 настоящих Правил.
2.1.9 Российское Классификационное Общество осуществляет признание организаций, осуществляющих проектирование, строительство, ремонт, модернизацию и переоборудование плавучих объектов, изготовление, ремонт изделий и изготовление материалов, предназначенных для применения на плавучих объектах, организаций, выполняющих работы, результаты которых используются Российским Классификационным Обществом при проведении освидетельствований и техническом наблюдении, а также, испытательных лабораторий, осуществляющих регламентированные Правилами испытания, требуемые при постройке плавучих объектов и изготовлении материалов и изделий.
2.2 КЛАССИФИКАЦИОННЫЙ УЧЕТ ПЛАВУЧИХ ОБЪЕКТОВ
2.2.1 Плавучие объекты ставятся на классификационный учет Российского Классификационного Общества в следующих случаях:
после постройки плавучего объекта;
при переходе на классификационный учет Российского Классификационного Общества с классификационного учета другой организации по классификации;
если плавучий объект ранее был снят с учета или не состоял на учете в Российском Классификационном Обществе;
при смене владельца.
2.2.2 Для постановки плавучего объекта на классификационный учет владелец/заявитель представляет Российскому Классификационному Обществу следующие документы:
1. письменное заявление, содержащее фамилию, имя, отчество и паспортные данные владельца, являющегося физическим лицом, или наименование и адрес владельца, являющегося юридическим лицом, банковские реквизиты. В заявлении указываются также:
предыдущие название и класс плавучего объекта, а также фамилию, имя, отчество предыдущего владельца, являющегося физическим лицом, и его адрес или наименование предыдущего владельца, являющегося юридическим лицом, и его адрес;
сведения о плавучем объекте (название, класс, номер проекта, наименование строителя, место и год постройки, строительный номер (при наличии));
2. конструкторскую и (или) построечную документацию.
В случае отсутствия конструкторской и (или) построечной документации, Российскому Классификационному Обществу представляется Анализ соответствия плавучего объекта и его элементов требованиям Правил, предъявляемым к плавучим объектам соответствующего типа и класса. Анализ соответствия плавучего объекта и его элементов требованиям Правил выполняется с учетом результатов дефектации элементов плавучего объекта;
3. ранее выданные свидетельства и акты освидетельствований (при наличии);
4. документы, удостоверяющие личность заявителя - физического лица или государственную регистрацию юридического лица в соответствии с законодательством Российской Федерации;
5. копии документов, подтверждающих факт законного владения плавучим объектом;
6. доверенность, подтверждающую в установленном порядке полномочия представителя владельца плавучего объекта;
7. сведения о местонахождении плавучего объекта и (или) наименование порта (места) учета.
2.2.3 Снятие плавучего объекта с классификационного учета Российского Классификационного Общества производится:
1. при утилизации плавучего объекта;
2. при переходе на классификационный учет другой организации по классификации;
3. если плавучий объект не предъявлялся к освидетельствованию более двух лет подряд;
4. при конструктивной гибели плавучего объекта;
5. при смене владельца.
Снятие плавучего объекта с учета в Российском Классификационном Обществе, за исключением случая, указанного в
2.2.3.3, производится по заявке владельца, в которой должна быть указана причина снятия плавучего объекта с учета.
2.3 КЛАСС ПЛАВУЧЕГО ОБЪЕКТА И ФОРМУЛА КЛАССА
2.3.1 Класс присваивается плавучему объекту при его первоначальном освидетельствовании и подтверждается, приостанавливается, возобновляется, восстанавливается на определенный Российским Классификационным Обществом срок или аннулируется при других видах освидетельствований. Присвоение, возобновление класса плавучему объекту удостоверяется выдаваемым на плавучий объект Свидетельством о соответствии. В Свидетельстве о соответствии и в других документах Российского Классификационного Общества, выдаваемых на плавучий объект
(приложение 1), указывается формула класса, назначаемая плавучему объекту по результатам первоначального освидетельствования.
2.3.2 Присвоение класса плавучему объекту осуществляется в соответствии с конструктивными особенностями плавучего объекта и разрядом водного бассейна, для эксплуатации в котором предназначен плавучий объект.
Класс плавучего объекта, допускаемого к эксплуатации в соответствующем бассейне, должен быть не ниже разряда этого бассейна. Разряды водных бассейнов указаны в
приложении 2.
Районы, сезоны и условия портового плавания плавучих объектов устанавливаются в соответствии с руководством Р.015 и с
7.7 ч. 0 ПКПС.
2.3.3 Класс плавучего объекта обозначается формулой класса - последовательностью условных символов, присваиваемых плавучему объекту при его классификации и характеризующих конструктивные особенности, назначение плавучего объекта и условия его эксплуатации в соответствии с настоящими Правилами исходя из требований безопасности.
2.3.4 Полная формула класса в общем случае имеет вид:
K h группа,
где

- символ, включаемый в формулу класса, когда постройка плавучего объекта осуществлена под техническим наблюдением Российского Классификационного Общества;
К - основной символ класса. Для плавучих объектов, предназначенных для эксплуатации в водных бассейнах разрядов
"Л",
"Р",
"О" и
"М", основным символом класса являются буквы "Л", "Р", "О" и "М", определяющие конструктивные особенности плавучего объекта и разряд водного бассейна, в котором он признан годным к эксплуатации.
Для плавучих объектов, предназначенных для эксплуатации в водных бассейнах разрядов "О-ПР", "М-ПР" и "М-СП", основными символами класса являются буквенные сочетания "О-ПР", "М-ПР" и "М-СП", определяющие конструктивные особенности плавучего объекта и разряд водного бассейна, в котором он признан годным к эксплуатации;
h - допускаемая при эксплуатации высота волны в метрах с точностью до первого знака после запятой, например, "

О 2,0". Допускаемая высота волны устанавливается в зависимости от разряда водного бассейна, в котором предполагается эксплуатировать плавучий объект, и обуславливается его конструктивными особенностями:
Разряд водного бассейна | Допускаемая высота волны, м |
"М-СП" | 3,5 |
| 3,0 |
| 2,0 |
| 1,2 |
| 0,6 |
Группа - группа плавучего объекта:
I - однокорпусные и многокорпусные объекты, предназначенные для нахождения на них временно или постоянно пассажиров (посетителей), в том числе брандвахты, дебаркадеры, гостиницы, рестораны, кафе, плавучие дома и др.;
II - объекты, предназначенные для частичного или полного подъема судов (плавучих объектов) из воды;
III - многозвенные объекты на отдельных плавучих опорах и жесткосочлененных опорах (наплавные мосты);
IV - объекты с корпусами понтонного типа (см.
1.2.1.45), не включенные в число объектов
групп I -
III.
Формула класса, например, "

О 2,0 I" свидетельствует о том, что плавучий объект построен под техническим наблюдением Российского Классификационного Общества, он предназначен для эксплуатации в бассейнах разряда не выше разряда
"О" с допускаемой при эксплуатации высотой волны не более 2,0 м. Этот плавучий объект отнесен к
группе I.
Плавучий объект, состоящий из соединенных между собой секций (понтонов), формирующих единое плавучее сооружение, классифицируется как единый плавучий объект. В этом случае каждой секции (понтону), входящему в состав плавучего объекта, присваивается отдельный номер, который указывается в свидетельстве формы РКО-1.0.4. Если конструкция секции (понтона) позволяет ее эксплуатацию в отдельности от единого плавучего объекта, либо в составе другого плавучего объекта, то такие секции (понтоны) подлежат классификации и освидетельствованию в соответствии с требованиями настоящих Правил.
2.3.5 Российское Классификационное Общество исключает или изменяет в формуле класса тот или иной символ при изменении или нарушении условий, послуживших основанием для введения в формулу класса данного символа.
3 ОСВИДЕТЕЛЬСТВОВАНИЕ ПЛАВУЧИХ ОБЪЕКТОВ В ЭКСПЛУАТАЦИИ
3.1 ВИДЫ ОСВИДЕТЕЛЬСТВОВАНИЙ
3.1.1 Российское Классификационное Общество при осуществлении классификации проводит следующие виды освидетельствований плавучих объектов:
1. первоначальное - после постройки плавучего объекта, после ремонта, переоборудования или модернизации, следствием которых явилось изменение типа и назначения плавучего объекта, при переклассификации, при постановке на классификационный учет плавучего объекта, не имеющего документов Российского Классификационного Общества, в том числе находившегося на учете другой организации по классификации и освидетельствованию судов;
2. очередное - по истечении пяти лет с даты завершения первоначального освидетельствования плавучего объекта и в последующем через пятилетние периоды от назначенной даты предыдущего очередного освидетельствования;
3. ежегодное - по истечении 12 мес с даты первоначального, последнего очередного или последнего ежегодного освидетельствования;
4. внеочередное - проводится в следующих случаях:
после повреждений, без устранения которых не обеспечивается безопасность эксплуатации плавучего объекта;
в случае выявления дефектов, угрожающих безопасности эксплуатации плавучего объекта, и при необходимости уточнения технического состояния его элементов, а также для проверки устранения причин, вызвавших приостановление действия документов, выданных на плавучий объект Российским Классификационным Обществом;
при вводе плавучего объекта в эксплуатацию и при выводе его из эксплуатации по заявке владельца плавучего объекта;
для плавучих объектов, допустивших нарушение районов эксплуатации или сезонных ограничений, установленных документами Российского Классификационного Общества;
при выявлении несоответствий по результатам проверки плавучего объекта инспекцией государственного портового контроля в отношении элементов плавучего объекта и технических средств, влияющих на безопасность людей, безопасность судоходства, загрязнение окружающей среды;
по предписанию органов государственного надзора (контроля), лица, осуществляющего государственный портовый контроль при наличии заявки владельца;
при постановке плавучего объекта на классификационный учет и снятии его с классификационного учета в связи со сменой владельца;
для проверки технического состояния и готовности плавучего объекта к разовому перегону от места постройки (переоборудования), либо места предыдущей дислокации к месту эксплуатации вне установленных для него районов и сезонов эксплуатации;
по заявке владельца.
3.2 УСЛОВИЯ ПРОВЕДЕНИЯ И ОБЪЕМ ОСВИДЕТЕЛЬСТВОВАНИЙ
Общие требования
3.2.1 Владелец предъявляет плавучие объекты, стоящие на классификационном учете Российского Классификационного Общества, к освидетельствованию в сроки, указанные в документах, выдаваемых на плавучий объект Российским Классификационным Обществом (см.
3.4).
3.2.2 Освидетельствование плавучих объектов, за исключением освидетельствования при аварийных случаях (после транспортного происшествия или повреждения плавучего объекта или его элементов, без устранения которых не обеспечивается безопасность плавания), осуществляется по предварительным заявкам, направляемым Российскому Классификационному Обществу не менее чем за десять дней до предлагаемой даты проведения освидетельствования. Российское Классификационное Общество вправе провести освидетельствование плавучих объектов до истечения срока, указанного в настоящем пункте.
3.2.3 При проведении освидетельствований, после которых плавучий объект признается годным к эксплуатации, Российскому Классификационному Обществу должен быть представлен акт о проверке владельцем плавучего объекта пригодности этого объекта к эксплуатации, подготовленный по результатам проверки плавучего объекта комиссией владельца на соответствие требованиям настоящих Правил после зимнего или другого длительного отстоя. При отсутствии указанного акта плавучий объект считается не подготовленным к освидетельствованию.
3.2.4 При всех видах освидетельствований владелец плавучего объекта обязан предоставить Российскому Классификационному Обществу:
информацию и документы обо всех замеченных дефектах, случаях отказов элементов плавучего объекта и технических средств в период между предыдущим и проводимым освидетельствованиями;
информацию и документы об изменениях в составе оборудования и снабжения в период между предыдущим и проводимым освидетельствованиями;
документы, акты предыдущих освидетельствований, техническую документацию, а также акты проверок и испытаний элементов плавучего объекта и технических средств, установленные настоящими Правилами.
3.2.5 Освидетельствование плавучих объектов включает в себя:
проверку наличия согласованной технической документации, предусмотренных настоящими Правилами сертификатов (актов о соответствии) на материалы и изделия, использованные или установленные на плавучем объекте за время, прошедшее с предыдущего освидетельствования, актов службы технического контроля организации, осуществляющей строительство, модернизацию, переоборудование или ремонт плавучих объектов, актов владельца, актов предыдущих освидетельствований;
наружный осмотр, измерения, проверка в действии технических средств плавучего объекта и его элементов с применением метода выборочного контроля;
оформление и выдачу документов, предусмотренных Правилами.
Российское Классификационное Общество в случае несоответствия плавучего объекта, которому присвоен его класс, требованиям Правил не выдает документы, не подтверждает их действие, приостанавливает или аннулирует ранее выданные документы, предусмотренные Правилами (см.
приложение 1).
3.2.6 Присвоение, подтверждение, возобновление или восстановление класса, установление годности плавучего объекта к эксплуатации, а также назначение объема необходимого ремонта осуществляется в порядке, установленном настоящими Правилами, в соответствии с техническим состоянием элементов плавучего объекта и технических средств, которое определяется по результатам осмотров, измерений, испытаний, проверок в действии и на основании документов, предъявляемых владельцем, с учетом норм допускаемых дефектов, установленных настоящими Правилами.
Первоначальное освидетельствование
3.2.7 Первоначальное освидетельствование проводится с целью присвоения плавучему объекту класса с учетом
2.2 ПОСЭ,
1.1.4,
3.4.1. При первоначальном освидетельствовании проверяется соответствие элементов плавучего объекта и технических средств согласованной с Российским Классификационным Обществом технической документации на плавучий объект и Правилам, устанавливаются обязательные условия, нормы и технические требования по его грузоподъемности (для плавучих объектов
групп II -
IV) и пассажировместимости (для плавучих объектов
группы I), району эксплуатации, минимальной высоте надводного борта, допускаемой высоте волны, оснащению спасательными и противопожарными средствами, сигнальными огнями, средствами радиосвязи и другим оборудованием.
3.2.8 Результаты первоначального освидетельствования отражаются в акте первоначального освидетельствования. При положительных результатах освидетельствования плавучему объекту присваивается класс, регистровый номер, и выдаются документы Российского Классификационного Общества, предусмотренные
3.4.
Очередное освидетельствование
3.2.9 Очередное освидетельствование проводится с целью определения технического состояния элементов плавучего объекта и технических средств, возобновления класса и оформления нового Свидетельства о соответствии плавучего объекта с учетом требований
1.1.4,
3.4.1. Плавучий объект проверяется на соответствие требованиям Правил и согласованной с Российским Классификационным Обществом технической документации.
Освидетельствование должно быть проведено до истечения пятилетнего периода от даты завершения первоначального освидетельствования, а в последующем от назначенной даты последнего очередного освидетельствования.
Плавучий объект может быть предъявлен к очередному освидетельствованию досрочно. В этом случае дата следующего очередного освидетельствования устанавливается от даты завершения проводимого досрочно освидетельствования.
(п. 3.2.9 в ред.
Извещения N 9, утв. Приказом ФАУ "Российское Классификационное Общество" от 23.04.2025 N 22-п)
3.2.10 Очередное освидетельствование включает освидетельствование подводной части плавучего объекта на берегу (на слипе, в доке), при этом освидетельствование железобетонного (сталежелезобетонного) корпуса проводится на плаву, если при осмотре отсеков изнутри не обнаружены повреждения плит днища, транцев, бортов (см.
3.2.5 и
3.7 ПОСЭ).
Допускается:
.1 освидетельствование подводной части стальных доков и стальных корпусов плавучих домов проводить на плаву, если по результатам подводного обследования, проведенного в соответствии с
И.004 "Инструкция по подводному освидетельствованию судов", включая измерения остаточных толщин связей подводной части корпуса, не установлены износы и дефекты, превышающие допустимые требованиями Правил значения;
.2 освидетельствование подводной части металлических корпусов плавучих объектов валовой вместимостью 350 и менее, проводить на плаву в соответствии с
2.17 ПОСЭ.
(п. 3.2.10 в ред.
Извещения N 9, утв. Приказом ФАУ "Российское Классификационное Общество" от 23.04.2025 N 22-п)
3.2.11 Первое (после постройки) очередное освидетельствование плавучих объектов классов "М", "О", "Р", "Л" проводится на плаву, если при осмотре отсеков и мест, наиболее подверженных износу, не обнаружены дефекты и повреждения корпуса.
Освидетельствование проводится путем осмотра изнутри всех доступных для этого отсеков и контрольных измерений толщиномером толщины стенок в доступных местах. При отсутствии признаков начинающегося износа (микротрещин, забоин, бороздок, вмятин, разрушения поверхности металла, утонения стенок более чем на 5%) при первом (после постройки) очередном освидетельствовании измерение толщин связей корпуса плавучего объекта, поставленного на слип или поднятого в док, на берег, не производится.
Очередное освидетельствование плавучих объектов без двойного дна может проводиться на плаву до третьего (после постройки) очередного освидетельствования при условии, что на этих плавучих объектах нет оборудования, затрудняющего доступ к наружной обшивке корпуса для осмотра, и при предыдущих очередных освидетельствованиях произведены измерения остаточных толщин обшивки подводной части корпуса инструментальным методом, и при этом не выявлены недопустимые износы и деформации.
3.2.12 Допускается перенос срока очередного освидетельствования по заявке владельца до двенадцати месяцев позднее от назначенной даты. При этом для плавучих объектов с классом "О-ПР", "М-ПР" и "М-СП" возрастом 15 лет и более владельцем должны быть представлены расчетные обоснования достаточной прочности их корпусов для эксплуатации на срок предоставляемой отсрочки. Перенос срока очередного освидетельствования допускается при положительных результатах внеочередного освидетельствования, проводимого с целью уточнения технического состояния плавучего объекта, его элементов и технических средств. Объем внеочередного освидетельствования согласовывается владельцем с филиалом РКО, на классификационном учете которого находится плавучий объект, но в любом случае должен быть не менее объема ежегодного освидетельствования, при этом срок следующего очередного освидетельствования не изменяется.
3.2.13 Очередное освидетельствование плавучего объекта проводится в два этапа. На первом этапе очередного освидетельствования эксперт на основании представленных результатов дефектации корпуса, технических средств, а также результатов выборочного осмотра устанавливает техническое состояние элементов плавучего объекта и его технических средств.
По результатам выборочного осмотра и представленных результатов дефектации элементов плавучего объекта и его технических средств эксперт в акте первого этапа очередного освидетельствования плавучего объекта устанавливает требования по устранению выявленных недостатков и дефектов и согласовывает необходимый объем ремонта.
Ремонт элементов плавучего объекта и его технических средств осуществляется под техническим наблюдением Российского Классификационного Общества.
На втором этапе очередного освидетельствования эксперт проверяет выполнение требований, установленных на первом этапе очередного освидетельствования, рассматривает представленные документы, подтверждающие объем и качество выполненных работ, результаты измерений параметров, акты об испытаниях элементов плавучего объекта и его технических средств, сертификаты (акты о соответствии) на установленные в процессе ремонта материалы и технические средства. Помимо этого устройства и технические средства плавучего объекта проверяются в действии.
Объем проведенного освидетельствования, сведения о техническом состоянии элементов плавучего объекта и его технических средств, сведения об измерениях, проведенных ремонтах и заменах указываются в акте второго этапа очередного освидетельствования плавучего объекта.
Ежегодное освидетельствование
3.2.14 Ежегодное освидетельствование проводится с учетом
2.4 ПОСЭ,
1.1.4,
3.3.4,
3.4.1 с целью подтверждения класса. Ежегодное освидетельствование плавучего объекта проводится на плаву и включает в себя контрольную проверку технического состояния плавучего объекта с целью определения его соответствия требованиям Правил.
При ежегодном освидетельствовании проводятся наружные осмотры элементов плавучего объекта, выполняются проверки их в действии.
Дата ежегодного освидетельствования назначается уполномоченным лицом организации по классификации в пределах трех месяцев до или трех месяцев после даты, отсчитываемой от назначенной даты последнего ежегодного, очередного или первоначального освидетельствования. Дата фактического прохождения освидетельствования не изменяет назначенную дату следующего освидетельствования.
Результаты ежегодного освидетельствования отражаются в акте ежегодного освидетельствования.
Внеочередное освидетельствование
3.2.15 Объем внеочередного освидетельствования определяется с учетом целей и задач освидетельствования (см.
3.1.1.4) для каждого плавучего объекта на основании требований Правил с учетом требований
2.6 -
2.8,
2.10,
2.11 ПОСЭ,
1.1.4,
3.4.1, а также следующего:
в объем освидетельствования включается проверка выполнения требований, выставленных экспертом при освидетельствовании, и проверка в действии технических средств после устранения неисправностей;
освидетельствование корпуса плавучих объектов, допустивших нарушение района плавания или сезонных ограничений, установленных документами Российского Классификационного Общества, проводится в объеме очередного освидетельствования, освидетельствование остальных его элементов производится в объеме ежегодного.
Освидетельствование плавучего объекта
в связи с переклассификацией
3.2.16 Российское Классификационное Общество по заявке владельца производит переклассификацию плавучих объектов, по результатам которой может быть изменен основной символ класса в формуле класса.
3.2.17 Переклассификация плавучего объекта осуществляется по результатам первоначального освидетельствования с учетом требований
2.9 ПОСЭ,
1.1.4,
3.4.1, в процессе которого осуществляется оценка соответствия всех элементов плавучего объекта требованиям Правил применительно к новому классу и технической документации, согласованной с Российским Классификационным Обществом, а также осуществляется техническое наблюдение за работами, выполняемыми в связи с переклассификацией. Проект переклассификации должен быть выполнен в соответствии с Правилами, действующими на момент разработки технической документации по переклассификации, с учетом результатов дефектации не более чем годичной давности и новых условий эксплуатации в связи с изменением внешних нагрузок, технических характеристик (осадки, водоизмещения, высоты надводного борта и т.д.).
Объем первоначального освидетельствования устанавливается в соответствии с
3.2.7 с учетом фактического технического состояния элементов плавучего объекта.
Суда, состоящие на классификационном учете
Российского Классификационного Общества
и подпадающие под определение "плавучий объект"
3.2.18 Суда, состоящие на классификационном учете Российского Классификационного Общества и подпадающие под определение "плавучий объект", при поступлении соответствующей заявки классифицируются на класс плавучего объекта по результатам первоначального освидетельствования в сроки ближайших плановых (ежегодных или очередных) освидетельствований либо внеочередного освидетельствования. При положительных результатах освидетельствования на плавучий объект выдается свидетельство формы РКО-1.0.4. При этом сроки и виды освидетельствований (за исключением докового освидетельствования), установленные ранее в выдаваемых на стоечное судно (плавучий объект) документах Российского Классификационного Общества, сохраняются. Объем первоначального освидетельствования устанавливается в зависимости от объемов плановых освидетельствований.
3.3 ОПРЕДЕЛЕНИЕ ТЕХНИЧЕСКОГО СОСТОЯНИЯ
3.3.1 При проведении освидетельствований их объем, применяемые методики освидетельствований, правила определения технического состояния плавучих объектов и их элементов, значения нормируемых параметров принимаются в соответствии с требованиями
ПОСЭ для судов.
Для плавучих объектов со стальным корпусом определение технического состояния осуществляется в соответствии с
3.5 ПОСЭ и
Приложением 1 ПОСЭ.
(абзац введен
Извещением N 9, утв. Приказом ФАУ "Российское Классификационное Общество" от 23.04.2025 N 22-п)
Для плавучих объектов с железобетонным корпусом определение технического состояния осуществляется в соответствии с
3.7 ПОСЭ.
(абзац введен
Извещением N 9, утв. Приказом ФАУ "Российское Классификационное Общество" от 23.04.2025 N 22-п)
3.3.2 Если все элементы плавучего объекта и технических средств соответствуют требованиям Правил, а параметры выявленных дефектов находятся в пределах допускаемых Правилами значений, техническое состояние плавучего объекта признается годным, ему присваивается (подтверждается, возобновляется или восстанавливается) класс и он признается годным к эксплуатации в условиях, определяемых его классом и назначением.
3.3.3 Если плавучий объект не соответствует требованиям Правил, то по заявке владельца, к которой прилагается согласованная с Российским Классификационным Обществом документация, обосновывающая возможность безопасной эксплуатации плавучего объекта с понижением класса или ограничениями, и результатам внеочередного освидетельствования плавучему объекту снижается класс и (или) он признается годным к эксплуатации только с ограничениями (далее - эксплуатационные ограничения), к которым относятся:
1. увеличение высоты надводного борта (снижение грузоподъемности);
2. ограничение по ветро-волновому режиму;
3. ограничение по району и сезону эксплуатации;
4. изменение схемы балластировки;
5. исключение или ограничение работы в ледовых условиях;
6. уменьшение пассажировместимости;
7. ограничение мощности одновременно включаемых потребителей электрической энергии;
8. снижение грузоподъемности или уменьшение удельной нагрузки на стапель-палубу плавучих доков.
Могут быть одновременно установлены одно или несколько указанных в настоящем пункте ограничений.
Ограничения снимаются после проведения работ, подтвержденных актом внеочередного освидетельствования, в результате которых устраняются причины установления ограничений.
3.3.4 Если техническое состояние элемента или нескольких элементов плавучего объекта или технических средств признано негодным, дальнейшая эксплуатация плавучего объекта несет непосредственную угрозу жизни людей, окружающей среде или самому плавучему объекту, класс плавучему объекту не присваивается (не подтверждается, не возобновляется, не восстанавливается) и он не признается годным к эксплуатации.
3.4.1 При осуществлении классификации Российское Классификационное Общество выдает документы, указанные в
приложении 1.
3.4.2 Документы, указанные в
3.4.1, приостанавливают действие в следующих случаях:
после повреждений плавучего объекта, без устранения которых не обеспечивается безопасность эксплуатации;
в случае непредъявления плавучего объекта к освидетельствованию в установленный срок;
при осуществлении без предварительного согласования с Российским Классификационным Обществом работ, связанных с конструктивными изменениями плавучего объекта;
при нарушении условий эксплуатации, указанных в документах Российского Классификационного Общества;
при невыполнении требований Правил и Российского Классификационного Общества.
Для восстановления действия документов плавучий объект предъявляется к освидетельствованию после устранения причин, вызвавших приостановление действия документов.
3.4.3 Документы, указанные в
приложении 1, прекращают действие в случаях:
гибели или пропажи плавучего объекта;
утилизации (списании) плавучего объекта;
непредъявления плавучего объекта к освидетельствованию более двух лет;
при переходе плавучего объекта в класс другой организации по классификации.
3.4.4 Российское Классификационное Общество отказывает в выдаче документов, указанных в
приложении 1, (в подтверждение их действия) в следующих случаях:
1. при несоответствии плавучего объекта (его элементов или технических средств) требованиям Правил;
3. отсутствия акта о проверке владельцем плавучего объекта пригодности этого объекта к эксплуатации, если применимо (см.
3.2.3).
4 КОРПУС И ЕГО ОБОРУДОВАНИЕ
4.1.1 Материалы, применяемые для изготовления элементов конструкции корпуса, должны соответствовать требованиям
ч. X ПКПС.
4.2 ТРЕБОВАНИЯ К КОРПУСАМ ПЛАВУЧИХ ОБЪЕКТОВ ГРУППЫ I
4.2.1 Корпуса плавучих объектов группы I в части конструкции, общей и местной прочности, вибрационной прочности, устойчивости элементов корпуса, оборудованию помещений и предназначенным для защиты экипажа (персонала) и пассажиров (посетителей) ограждениям, поручням, переходным мостикам, сходным трапам, иллюминаторам должны соответствовать требованиям
ч. I ПКПС с учетом
4.2.2 -
4.2.9.
Максимальные соотношения главных размерений для плавучих объектов группы I принимаются в соответствии с
табл. 2.1.3-1 -
2.1.3-2,
2.1.5 ч. I ПКПС в зависимости от типа и назначения плавучего объекта с учетом следующего:
для плавучих объектов с надстройками (дебаркадеры, плавучие дома, гостиницы, рестораны) максимальные соотношения главных размерений принимаются как для пассажирских водоизмещающих судов;
для плавучих объектов без надстроек (плавучие причалы и т.п.) максимальные соотношения главных размерений принимаются как для судов-площадок.
4.2.2 Корпуса железобетонных плавучих объектов могут быть набраны по поперечной, продольной и смешанной системам набора.
Для дебаркадеров и брандвахт длиной до 35 м допускается безнаборная (безребристая) конструкция корпуса с поперечными переборками, количество которых превосходит требуемое
ПКПС исходя из условий непотопляемости.
4.2.3 Допускается смешанная конструкция железобетонного корпуса из ребристых и безребристых элементов. Безребристые элементы следует применять для внутренних частей корпуса (например, переборок и платформ).
4.2.4 У железобетонных корпусов плавучих объектов классов "Р" и "Л", переборки корпуса могут быть проницаемыми в месте соединения их с палубой, если для наиболее неблагоприятного случая затопления высота надводного борта составляет не менее 0,7 м. Настоящее требование не распространяется на форпиковую и ахтерпиковую переборки, а также переборки машинного отделения, которые во всех случаях должны быть непроницаемо соединены с палубой.
4.2.5 Открытые участки палубы железобетонного плавучего объекта должны иметь уклон, обеспечивающий сток воды за борт. Днище плавучих объектов длиной более 30 м в оконечностях следует поднимать выше грузовой ватерлинии.
4.2.6 Ширина проходов и трапов должна быть не менее 0,8 м.
4.2.7 В залах и помещениях, оборудованных для проведения массовых мероприятий, должны быть предусмотрены выходы непосредственно на открытую палубу из расчета один выход на 50 зрителей, но не менее двух выходов, расположенных с противоположных сторон.
4.2.8 Ограждение палуб, на которые имеют доступ пассажиры (посетители), должно быть выполнено в виде глухого фальшборта или леерного ограждения высотой не менее 1100 мм с защитными сетками. Сторона ячейки сетки должна быть не более 100 мм.
4.2.9 Замена леерного ограждения шкафутным брусом не допускается.
4.3 ТРЕБОВАНИЯ К КОРПУСАМ ПЛАВУЧИХ ОБЪЕКТОВ ГРУППЫ II
Проектирование железобетонных и композитных корпусов
Общие технические требования
4.3.1 Железобетонные и композитные корпуса плавучих доков и кессон-доков должны соответствовать требованиям настоящих Правил, а также требованиям
разд. 7 ч. I и
разд. 6 ч. X ПКПС. В случае, когда требования настоящей главы и требования
разд. 7 ч. I и
разд. 6 ч. X ПКПС применительно к одному и тому же объекту, случаю и т.д. отличаются, должны быть выполнены требования настоящей главы.
4.3.2 Переборки, платформы, балки набора, подкрепления и башни, относящиеся к элементам железобетонного корпуса, допускается выполнять из стали.
4.3.3 В башнях доков над балластными отсеками должна быть предусмотрена палуба безопасности.
4.3.4 Толщина защитного слоя бетона для стапель-палубы дока должна быть не менее 15 мм.
4.3.5 Если крепление закладных деталей осуществляется с помощью сварки, то их толщина должна быть не менее 5 мм; для заделывания детали в бетон необходимо не менее двух анкеров диаметром не менее 8 мм из арматуры периодического профиля по
ГОСТ 5781. Детали, воспринимающие сдвигающие усилия, должны иметь не менее четырех анкеров, располагающихся в два ряда.
4.3.6 Площадь поперечного сечения анкеров в общем случае должна приниматься равной сумме площадей поперечного сечения стержней, воспринимающих растягивающие и сдвигающие усилия.
Площадь поперечного сечения анкеров, воспринимающих растягивающие усилия, определяется по формуле, м2:
Fан = FаR'еН/R"еН, (4.3.6-1)
где Fа - площадь поперечного сечения растянутой арматуры или связи конструкции, соединенной с закладной деталью, м2;
R'еН - предел текучести металла растянутой связи конструкции, МПа;
R"еН - предел текучести стали анкерующих стержней, МПа.
Площадь поперечного сечения анкеров, воспринимающих сдвигающую силу, определяется по формуле, м2:
Fан = 0,1429·10-2Q/R"еН, (4.3.6-2)
где Q - сдвигающая сила, кН.
При этом необходима проверка прочности бетона на смятие его анкерами при сдвиге по методике, приведенной в
4.3.26 и
4.3.27.
4.3.7 Длина анкерующих стержней должна быть не менее 15 диаметров этих стержней.
При невозможности выполнения этого требования длину анкеров допускается уменьшить до трех диаметров при условии приварки перпендикулярно к концам анкеров любого из следующих элементов:
квадратной пластины толщиной не менее 5 мм со стороной квадрата не менее четырех диаметров анкера или 30 мм, в зависимости от того, что больше
(рис. 4.3.7 а);
круглых шайб толщиной не менее 5 мм и диаметром не менее трех диаметров анкера или 30 мм, в зависимости от того, что больше
(рис. 4.3.7 б);
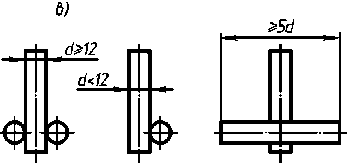
двух поперечных стержней того же диаметра, что и анкер, имеющих длину, равную пяти диаметрам при
d >= 12 мм или одного такого же стержня при
d < 12 мм
(рис. 4.3.7 в).
Рис. 4.3.7. К определению длины анкерующих стержней
4.3.8 Толщина планок закладных деталей, устанавливаемых в плоскости секции, зависит от диаметра анкерующих стержней и должна соответствовать следующему условию, м:
sп = 0,5dR"еН/RеН >= 5, (4.3.8)
RеН - предел текучести стали планки, МПа;
d - диаметр анкерующих стержней, определяемый в соответствии с указаниями
4.3.6 по площади м.
4.3.9 Крепление к закладным деталям должно осуществляться с учетом следующего:
1. приварка непосредственно к закладным планкам, установленным в плитах элементов корпуса, подверженных постоянному воздействию жидкостей (например, в днище, бортах, переборках и палубах цистерн и т.п.), допускается в том случае, если закладные планки после сварки будут забетонированы. При этом сварка должна производиться точечными или прерывистыми швами;
2. приварка сплошным швом допускается только к закладным деталям, установленным в балках, проницаемых элементах корпуса, а также к отстоящим не менее чем на 50 мм от поверхности плит частям закладных деталей.
4.3.10 При конструировании композитных конструкций должны выполняться следующие требования:
1. размеры железобетонных и стальных элементов композитных конструкций должны назначаться из условия обеспечения достаточной прочности и надежности как самих элементов, так и узлов соединения;
2. стальные переборки, рамы, балки набора и другие элементы должны располагаться в одной плоскости с соответствующими железобетонными элементами.
Установка в стальных конструкциях промежуточных балок или иных подкреплений, находящихся не в одной плоскости с железобетонными конструкциями, допускается при условии, что эти элементы будут надежно закреплены в усилениях железобетонных конструкций, способных воспринимать возникающие в этом узле усилия.
4.3.11 Стальные элементы композитных конструкций должны присоединяться к железобетонным элементам с помощью специальных закладных деталей или анкеров, количество и прочность которых должны быть достаточными для передачи на железобетон всех усилий, действующих в соединении. При этом необходимо соблюдать следующие требования:
1. концы металлических балок в месте соединения их с закладными деталями или анкерами должны быть усилены кницами;
2. при соединении стального элемента, испытывающего отрыв, втавр к закладной детали анкеры последней должны располагаться в плоскости указанного элемента. Если соединение работает преимущественно на изгиб, срез или сжатие, анкеры, закрепляющие деталь, должны располагаться по ширине планки в два или несколько рядов. При нагружении такого соединения отрывающими усилиями планка закладной детали должна быть достаточно прочной для восприятия поперечного изгиба между анкерами;
3. в качестве анкеров для закрепления стальных элементов допускается использовать концы стержней основной арматуры плит и балок при условии, что их не потребуется отгибать от основного направления на угол, превышающий 30°. Если при этом суммарные напряжения в основной арматуре (с учетом возникающих дополнительных напряжений) будут превышать допускаемые, указанная арматура должна быть усилена путем увеличения диаметра или установки дополнительных стержней.
4.3.12 Стальные башни доков, а также стальные непроницаемые переборки следует приваривать сплошным двусторонним швом встык или втавр к сплошным закладным деталям, установленным в железобетонном корпусе
(рис. 4.3.12). При этом соединения, к которым предъявляются требования обеспечения непроницаемости, следует выполнять в соответствии с
рис. 4.3.12 а,
в и
г, а прочие - с
рис. 4.3.12 б. При этом должны быть выполнены следующие условия:
1. закладную деталь для соединения стальной конструкции с железобетонной следует устанавливать утолщенной по сравнению с вышерасположенными стальными листами;
2. соединительный сварной шов должен быть удален от бетона не менее чем на 50 мм;
3. соединение закладной детали с железобетонной конструкцией следует окантовывать железобетонным усилением с обеих сторон высотой не менее 150 мм и шириной не менее 100 мм;
4. арматурный каркас усиления следует формировать из продольных стержней диаметром не менее 10 мм и замкнутых хомутов диаметром не менее 8 мм, располагающихся с шагом не более 100 мм. Расстояние между закладным листом и продольными стержнями каркаса должно быть не менее 20 мм;
5. в местах пересечения закладного листа с хомутами последние должны привариваться к листу в торец, а при наличии отгибов - фланговым швом или точками. Если хомут пропускается сквозь лист, то в водонепроницаемых соединениях необходима его обварка по периметру отверстия;
6. при пересечении закладным листом железобетонной балки необходимо обеспечить непрерывность требующихся в ней по расчету продольных и отогнутых стержней арматуры, которые должны пропускаться сквозь этот лист или привариваться к нему в торец;
7. с целью обеспечения прочностных качеств - жесткости и устойчивости - следует устанавливать дополнительную арматуру или упоры, привариваемые к закладному листу для восприятия срезывающих усилий, действующих в плоскости примыкания бетона к этому листу;
8. во всех случаях внедряемый в бетон закладной лист не должен пересекать водонепроницаемые плиты.
Рис. 4.3.12. Приваривание стенок и переборок
к сплошным закладным деталям
4.3.13 Сварка стальных элементов композитных конструкций должна выполняться в соответствии с требованиями к соединениям аналогичных элементов, установленными в
ч. I и
ч. X ПКПС.
4.3.14 Усиление корпуса плавучего объекта в местах монтажа элементов устройств, технических средств и оборудования плавучего объекта допускается с помощью металлических конструкций, жестко соединенных с корпусом плавучего объекта.
4.3.15 Все открытые металлические поверхности композитных конструкций, а также выступающие наружу металлические детали соединений должны быть защищены от коррозии.
Расчеты и нормы прочности
4.3.16 Значения внешних нагрузок определяют в соответствии с применимыми требованиями
разд. 2 ч. I ПКПС и
4.3.36 -
4.3.86 настоящих Правил.
4.3.17 Расчетные силы, моменты и напряжения следует вычислять для сечений, в которых элементы корпуса наиболее напряжены (сечения в средней части дока при их продольном изгибе и в районе диаметральной плоскости дока при поперечном изгибе понтона, в районе больших вырезов, в местах изменения системы набора, обрыва продольных связей и т.п.).
4.3.18 Связи корпуса при расчетах общей продольной и поперечной прочности следует включать в состав эквивалентного бруса при условиях, предусмотренных
2.2 ч. I ПКПС и
4.3.37 для аналогичных связей стальных корпусов.
4.3.19 Вырезы в палубах, ширина которых не превышает 15% ширины палубы, могут также не учитываться при определении элементов расчетного поперечного сечения. Однако полученные таким образом усилия в палубе должны быть увеличены пропорционально отношению приведенных площадей сечения палубы без учета вырезов и с их учетом.
Вырезы в палубе, ширина которых превышает 15% ширины палубы, учитываются при определении элементов расчетного поперечного сечения.
4.3.20 Наибольшие касательные напряжения

в вертикальных элементах эквивалентного бруса (бортах, продольных переборках либо поперечных переборках) рассчитываются по формуле, МПа:

(4.3.20)
где Q - перерезывающая сила, кН;
S - статический момент приведенной площади поперечного сечения эквивалентного бруса, расположенной по одну сторону от нейтральной оси, взятый относительно нейтральной оси эквивалентного бруса, м3;
I - момент инерции приведенной площади всего поперечного сечения эквивалентного бруса, м4;

- сумма толщин бортов и продольных переборок, либо поперечных переборок на уровне нейтральной оси эквивалентного бруса, м.
4.3.21 Размеры конструктивных элементов композитных корпусов, выполненных из стали, определяют в соответствии с требованиями
разд. 2 ч. I ПКПС и
4.3.36 -
4.3.86 Правил.
4.3.22 Проверку прочности элементов следует выполнять:
по нормальным сечениям - на действие изгибающих моментов, продольных сил, а также на совместное действие изгибающих моментов и продольных сил;
по наклонным сечениям - на действие перерезывающих сил.
Борта и продольные переборки, кроме того, должны быть проверены на действие перерезывающей силы от общего продольного изгиба, а поперечные переборки понтонов доков - от общего поперечного изгиба.
4.3.23 При проверке прочности бортов и переборок на действие перерезывающей силы от общего изгиба должны выполняться следующие условия:

(4.3.23-1)
для вертикальной арматуры

(4.3.23-2)
для горизонтальной арматуры

(4.3.23-3)
где

- наибольшие касательные напряжения в бортах и продольных переборках от общего продольного изгиба и в поперечных переборках понтонов доков от общего поперечного изгиба, МПа;
Rпр - предел прочности бетона при осевом сжатии (призменная прочность), МПа;
Fа,б - площадь поперечного сечения вертикальной или горизонтальной арматуры, приходящаяся на 1 м длины сечения борта или переборки, м2/м;
RеН - предел текучести материала арматуры, МПа;
tпл - толщина плит бортов и переборок, м;
k - коэффициент запаса прочности, принимаемый по
табл. 7.3.23 ч. I ПКПС.
В площадь поперечного сечения Fа,б допускается включать площадь поперечного сечения арматуры вертикальных или горизонтальных ребер, условно разнесенную равномерно по сечению.
4.3.24 Проверку прочности бортов и переборок на действие перерезывающей силы можно не проводить, если выполняется следующее условие:

(4.3.24)
Rр - предел прочности бетона при осевом растяжении, МПа;
k1 - коэффициент запаса прочности, принимаемый по
табл. 7.3.23 ч. I ПКПС.
Проверка прочности соединений стальных
элементов с железобетонными
4.3.25 Соединение стальных элементов композитных конструкций с железобетонными должно обеспечивать восприятие всех действующих в соединении сдвигающих и отрывающих усилий от общего и местного изгибов. Определение указанных усилий должно производиться по правилам строительной механики корабля
<1> с условной заменой, если это необходимо, площади сечения композитной конструкции равноценной ей по прочности приведенной площадью, определяемой так же, как и для расчетного поперечного сечения корпуса.
--------------------------------
<1> См. Справочник по строительной механике корабля. Г.В. Бойцов, О.М. Палий, В.А. Постнов и др. - Л.: Судостроение, 1982.
4.3.26 Прочность соединения, воспринимающего сдвигающие усилия вследствие смятия бетона приваренными к стальному листу (стенке, полке) различными упорами (стержнями арматуры, присоединяемыми железобетонными элементами, специальными анкерами, упорными планками и т.п.), может считаться достаточной, если

(4.3.26-1)
где

- коэффициент неравномерности работы всех упоров, при этом

- при различной конструкции совместно работающих упоров,

- при одинаковой конструкции совместно работающих упоров;
ni - количество упоров данного типа, располагающихся на длине lу;
lу - условная расчетная длина соединения, для которой производится проверка прочности, м;
Pi - допускаемое усилие на один упор данного типа, определяемое в соответствии с указаниями
4.3.27, кН;
q - погонное сдвигающее усилие, кН/м:

(4.3.26-2)
Q - расчетная перерезывающая сила, действующая в районе рассматриваемого участка, кН;
S' - статический момент площади сечения металлической башни дока относительно нейтральной оси расчетного поперечного сечения (если нейтральная ось располагается в пределах железобетонной части корпуса) или статический момент приведенной площади железобетонного сечения, располагающийся ниже рассматриваемого соединения, относительно нейтральной оси расчетного поперечного сечения (если нейтральная ось располагается в пределах металлической башни), м3;
si - толщина стального листа (стенки), прикрепляемого к железобетону в рассматриваемом соединении, м;

- суммарная толщина всех стальных листов (стенок), присоединенных к железобетону и воспринимающих сдвиг, м;
I0 - момент инерции приведенного сечения, м4.
4.3.27 Допускаемое усилие
Pi на гибкий упор, работающий благодаря смятию бетона и выполняемый в соответствии с
4.3.29 -
4.3.31, определяется по формуле, кН:
Pi = 0,7·103FсмRпр, (4.3.27)
где Fсм - площадь бетона, сминаемого стержневым упором, располагающимся перпендикулярно сдвигающему усилию, м2:
Fсм = (l + 3d)d;
Fсм = 3d2;
l - длина участка контакта бетона со стержнем, м;
d - диаметр стержня (анкера), м.
Примечания.
1. Во всех случаях усилие Pi должно быть не более допускаемого по условиям приварки стержня к листу.
2. Допускается определять Pi иным путем или на основании результатов экспериментальных исследований, по методике, согласованной с Российским Классификационным Обществом.
Рис. 4.3.27-1. Схема стержневого упора
Рис. 4.3.27-2. К определению площади бетона,
сминаемого стержневым упором
4.3.28 Прочность на отрыв соединения считается достаточной при условии

(4.3.28)
где

- суммарная площадь анкеров или стержней вертикальной арматуры, приваренных к металлоконструкциям и располагающихся на длине соединения, равной
lу.с, м
2;
N - отрывающее усилие, кН: N = qlу.с.
Значение N должно быть не меньше усилия, обеспечиваемого условиями приварки конца стержня (анкера) к металлоконструкции;
lу.с - длина участка соединения, для которого определяется усилие N, м.
4.3.29 Если в соединении сдвиг воспринимается приваренными к металлоконструкциям специальными упорными планками, то должна быть проверена прочность сварного соединения планок с закладным стальным листом, а также прочность планок при изгибе.
При действии переменных нагрузок прочность таких соединений должна проверяться по методике, согласованной с Российским Классификационным Обществом.
4.3.30 Если конструкция соединения железобетонных элементов с металлическими отличается от рассмотренных в
4.3.1 -
4.3.15 и имеет специфическую схему нагружения, то ее прочность должна оцениваться с учетом особенностей нагружения отдельных элементов соединения. При этом допускаемые напряжения при растяжении для стали должны приниматься равными 0,5 предела текучести стали, а допускаемые напряжения при смятии и сжатии для бетона - 0,7 предела прочности бетона на осевое сжатие.
4.3.31 В случае использования предварительно напряженного железобетона в композитных конструкциях не допускается создавать предварительное напряжение в стальных элементах этих конструкций.
4.3.32 Элементы комбинированных конструкций, состоящих из предварительно напряженного и обычного железобетона или в сочетании с совместно работающими стальными конструкциями, следует проверять только на прочность под действием разрушающих сил и на трещиностойкость.
Материалы
4.3.33 Для изготовления железобетонных и композитных корпусов плавучих доков следует применять судостроительные бетоны класса не ниже B30 по
ГОСТ 26633.
4.3.34 Для изготовления железобетонных и композитных корпусов плавучих доков следует применять горячекатаную арматуру:
гладкую из углеродистой стали класса А-I (А240) по
ГОСТ 5781;
периодического профиля из углеродистой стали класса А-II (А300) по
ГОСТ 5781;
периодического профиля из низколегированной стали класса А-III (А400) по
ГОСТ 5781.
4.3.35 Для изготовления предварительно напряженных железобетонных корпусов и конструкций доков следует применять тяжелый бетон класса не ниже B30.
Проектирование стальных корпусов
Область распространения
4.3.36 Требования
4.3.36 -
4.3.86 распространяются на несамоходные ремонтные плавучие доки и несамоходные кессон-доки классов "О" и "Р", эти требования относятся к конструктивным элементам обшивки и набора стальных корпусов двухбашенных монолитных, понтонных и секционных плавучих доков и монолитных кессон-доков.
Материалы
4.3.37 Сталь для корпусных конструкций плавучих доков должна соответствовать требованиям
2.1.9 ч. I ПКПС.
4.3.38 Листовые и блочные элементы кринолинов, переходных мостиков и других конструкций, не участвующих в обеспечении общей прочности, плавучего дока могут быть выполнены из сталей с более низкими прочностными характеристиками, чем указано в
2.1.9 ч. I ПКПС, если их свариваемость гарантируется изготовителем в соответствии с
4 приложения 10 ч. X ПКПС.
Расчетные местные нагрузки
4.3.39 Местная нагрузка определяется для следующих случаев:
1. со 100% запасов и топлива в предельном погружении;
2. со 100% запасов и топлива и судном, имеющим массу, равную максимальной грузоподъемности дока

в процессе погружения и всплытия;
3. для испытания понтона (понтонов) и башен на непроницаемость.
4.3.40 Нагрузки для проектирования конструкций из условия обеспечения местной прочности определяются в соответствии со следующими указаниями:
1. расчетное давление
p для листовых и балочных элементов конструкций определяется по формуле, кПа:
в районе сухих отсеков
P = 9,81(
Tпр -
zi), (4.3.40.1-1)
где Tпр - предельная глубина погружения дока, м;
zi - отстояние нижней кромки листа или середины пролета балки набора от основной плоскости, м;
в районе балластных отсеков, не сообщающихся с башнями
p = 9,81(
Tпр -
Hп), (4.3.40.1-2)
где Hп - высота понтона дока, м;
в районе балластных отсеков, сообщающихся с башнями, как большее из значений, определяемых с помощью следующих формул:

(4.3.40.1-3)
p = 9,81(
T0 -
Hп), (4.3.40.1-4)
zп.б - отстояние палубы безопасности от основной плоскости, м;
- толщина воздушной подушки, м;
T0 - осадка дока, соответствующая заполнению балластного отсека, сообщающегося с башней, по уровень стапель-палубы, м;
2. расчетное давление
p, кПа, для листовых и балочных элементов стапель-палубы в районе сухих и балластных отсеков, не сообщающихся с башнями, определяется по
формуле (4.3.40.1-2), а сообщающихся с башнями - по
формуле (4.3.40.1-3) или
(4.3.40.1-4) (в качестве
p принимается большее из рассчитанных значений);
3. расчетное давление
p, кПа, для листовых и балочных элементов бортов и концевых переборок понтона (понтонов) в районе сухих отсеков определяется по
формуле (4.3.40.1-1), в районе балластных отсеков, не сообщающихся с башнями - по
формуле (4.3.40.1-2), а сообщающихся с башнями - по
формуле (4.3.40.1-3) или
(4.3.40.1-4) (в качестве
p принимается большее из рассчитанных значений);
4. расчетное давление p, кПа, для листовых и балочных элементов бортов и концевых переборок башен определяется по формулам:
в районе балластных отсеков (в качестве
p принимается большее из рассчитанных значений) -
(4.3.40.1-3) или по формуле
p = 9,81(T0 - zi), (4.3.40.4)
5. расчетное давление
p, кПа, для листовых и балочных элементов палубы безопасности в районе сухих отсеков должно приниматься равным 5 кПа, в районе балластных отсеков - рассчитываться по
формуле (4.3.40.1-3), причем в районе расположения оборудования энергетической установки расчетное давление принимается не менее 18 кПа;
6. расчетное давление
p, кПа, для листовых и балочных элементов внутренних непроницаемых переборок сухих отсеков определяется по
формуле (4.3.40.1-1), переборок между балластными отсеками, один из которых или оба не сообщаются с башнями, - по
формуле (4.3.40.1-2), переборок между балластными отсеками, сообщающимися с башнями, - по
формуле (4.3.40.1-3);
7. расчетное давление
p, кПа, для листовых и балочных элементов аварийных непроницаемых переборок определяется по
формуле (4.3.40.1-1);
8. расчетное давление p, кПа, для листовых и балочных элементов топ-палубы принимается равным 5 кПа;
9. расчетное давление p, кПа, для листовых и балочных элементов топливных, масляных, водяных и прочих цистерн определяется по следующим формулам:
при расчете на внутреннее давление

(4.3.40.9)
где

- плотность жидкости в цистерне, т/м
3;
zв.т - отстояние верхней кромки воздушной трубки от основной плоскости, м;
10. расчетное давление на конструкции кринолинов принимается не менее 5 кПа;
11. расчетное давление на конструкции переходных мостиков принимается не менее 3,5 кПа;
12. расчетное давление на конструкции промежуточных палуб и платформ в районе расположения оборудования электроэнергетической установки принимается равным 18 кПа, в районе жилых и служебных помещений - 5 кПа.
4.3.41 Местную прочность конструкции следует проверять на те нагрузки, которые вызывают наибольшие напряжения.
Расчетные нагрузки при общем поперечном и продольном изгибе
понтона (понтонов)
4.3.42 Расчетные случаи состояния нагрузки:
1. с 10% запасов и топлива и расчетным судном, с остаточным, дифферентовочным и разгружающим балластом;
2. со 100% запасов и топлива и расчетным судном, с остаточным, дифферентовочным и разгружающим балластом - для понтонных и секционных доков.
4.3.43 Нагрузки для проектирования конструкций из условия обеспечения общей поперечной и продольной прочности понтона (понтонов) определяются в соответствии со следующими требованиями:
1. расчетные нагрузки для проектирования конструкций понтона (понтонов) монолитных, понтонных и секционных доков должны определяться для случаев постановки в док на центральную килевую дорожку симметрично относительно миделевого сечения дока судна, имеющего длину
Lс и массу, равную максимальной грузоподъемности дока

. Осадка дока при этом должна соответствовать расчетной
(1.2.1.53), остаточный балласт считается равномерно распределенным по длине и ширине дока;
(в ред.
Извещения N 9, утв. Приказом ФАУ "Российское Классификационное Общество" от 23.04.2025 N 22-п)
2. для понтонных и секционных доков дополнительно должен быть рассмотрен случай загрузки концевых понтонов только силами поддержания, интенсивность которых соответствует случаю, указанному в
4.3.43.1, откорректированных с учетом противодавления остаточного, дифферентовочного и разгружающего балласта и сил тяжести составляющих массы дока;
(в ред.
Извещения N 9, утв. Приказом ФАУ "Российское Классификационное Общество" от 23.04.2025 N 22-п)
3. расчетная длина докуемого судна
Lс должна приниматься равной длине самого короткого судна, доковая масса которого равна максимальной грузоподъемности дока, но не более 0,9
Lс.п, где
Lс.п - длина дока по стапель-палубе;
4. эпюру распределения доковой массы судна следует представлять в виде фигуры, состоящей из прямоугольника и сегмента квадратичной параболы
(рис. 4.3.43.4).
Рис. 4.3.43.4. Эпюра распределения доковой массы:
Погонная доковая нагрузка q в сечении, отстоящем на расстояние x в нос и в корму от миделя, определяется по формуле, кН/м:

(4.3.43.4)
где

- коэффициент полноты эпюры доковой массы судна;

- грузоподъемность дока, т.
Коэффициент полноты эпюры доковой массы

следует принимать в зависимости от типа расчетного судна по
табл. 4.3.43.4.
Таблица 4.3.43.4
Коэффициент
полноты эпюры доковой массы
Тип судна | |
Ледокол | 0,67 |
Судно со средним расположением машинного отделения | 0,75 - 0,8 |
Судно с кормовым или промежуточным расположением машинного отделения | 1,0 |
4.3.44 Расчетные изгибающие моменты от веса докуемого судна
M для главных поперечных
Mx и продольных
My связей в середине неразрезного понтона монолитного дока
(рис. 4.3.44-1) для случая, указанного в
4.3.42.1, с учетом
4.3.43 определяются по формулам, кН·м:

(4.3.44-1)

(4.3.44-2)
где
q - среднее значение погонной доковой нагрузки, кН/м:

B - ширина дока на уровне стапель-палубы, м;
bс.п - ширина башен дока по стапель-палубе, м;
Cx,
Cy - расстояние между главными поперечными и продольными связями понтона соответственно, как указано на
рис. 4.3.44-1;
Рис. 4.3.44-1. Расчетная схема неразрезного
понтона монолитного дока

- коэффициенты, определяемые по графикам на
рис. 4.3.44-2 и
4.3.44-3 в зависимости от параметров
Lс/Lс.п, n
= Lс.п/(
B -
bс.п) и

.
Рис. 4.3.44-2. Коэффициенты

при
n = 2; 3
Рис. 4.3.44-3. Коэффициенты

при
n = 4; 5; 6
4.3.45 Для понтонных и секционных доков расчетный изгибающий момент
Mx в средней части дока от веса докуемого судна для случая, указанного в
4.3.42.1 с учетом
4.3.43, при проектировании главных поперечных связей рассчитывается по формуле, кН·м:

(4.3.45-1)
а в концевых понтонах для случая, указанного в
3.4.4.2 с учетом
4.3.43, от сил поддержания - по формуле, кН·м:
(в ред.
Извещения N 9, утв. Приказом ФАУ "Российское Классификационное Общество" от 23.04.2025 N 22-п)
Mx = 0,125pCx(B - bс.п)2, (4.3.45-2)
4.3.46 Расчетная перерезывающая сила
Nx от веса докуемого судна, воспринимаемая поперечной связью дока (главной поперечной связью или стойками и раскосами понтонной фермы) для случая, указанного в
4.3.42.1 с учетом
4.3.43, определяется по формуле, кН:

(4.3.46-1)
где y - отстояние рассматриваемого сечения от диаметральной плоскости дока, м;
C - расстояние между рассматриваемыми связями, м.
При проектировании главных поперечных связей или стоек и раскосов понтонных ферм понтонных и секционных доков расчетная перерезывающая сила Nx от сил поддержания определяется по формуле, кН:
Расчетные нагрузки при общем продольном изгибе дока
4.3.47 Принимаются следующие расчетные случаи состояния нагрузки:
1. со 100% запасов и топлива и расчетным судном наименьшей возможной длины, с остаточным, дифферентовочным и разгружающим балластом при нахождении передвижных доковых кранов на миделе дока;
2. с 10% запасов и топлива и расчетным судном наибольшей возможной длины (либо двух или более судов с суммарной массой

, расположенных в кильватер), с остаточным, дифферентовочным и разгружающим балластом при нахождении передвижных доковых кранов в оконечностях дока.
4.3.48 Нагрузки для проектирования конструкций из условия обеспечения общей продольной прочности дока определяются в соответствии со следующими требованиями:
1. расчетные нагрузки должны быть определены для следующих случаев:
прогиба дока при постановке судна наименьшей возможной длины
Lс, имеющего массу, равную максимальной грузоподъемности дока

;
перегиба дока при постановке судна наибольшей возможной длины
Lс, имеющего массу, равную максимальной грузоподъемности дока

, либо двух или более судов, расположенных в кильватер, имеющих суммарную массу, равную

.
Остаточный балласт считается равномерно распределенным по длине дока;
2. форма эпюры расчетной доковой нагрузки определяется зависимостью
(4.3.43.4);
3. расчетная длина самого короткого судна должна соответствовать
4.3.43.3.
Расчетная длина самого длинного судна или суммарная длина нескольких судов, расположенных в кильватер, не должна быть меньше 1,3Lс.п;
4. расчетный коэффициент полноты эпюры доковой массы для случая прогиба дока следует назначать по
табл. 4.3.43.4; для случая перегиба, следует принимать

.
4.3.49 Расчетный продольный изгибающий момент
Mc от веса докуемого судна для случаев, указанных в
4.3.47, определяется по формуле, кН·м:

(4.3.49)
Требования по выбору расчетных значений

и
Lс установлены в
4.3.48.
4.3.50 Расчетная перерезывающая сила
Nс от веса докуемого судна должна быть определена для случаев, указанных в
4.3.47, с помощью формулы, кН:
Nс = 3,3Mс/Lс.п, (4.3.50)
Расчеты местной прочности
4.3.51 Толщина листовых элементов наружной обшивки понтона (понтонов), стенок башен, полотнища внутренних и наружных водонепроницаемых переборок, настилов палуб и платформ определяются в соответствии с
2.2.52 ч. I ПКПС при допускаемых напряжениях в соответствии с
2.2.67 и
2.2.68 ч. I ПКПС. Расчетное давление
p указано в
4.3.40.
4.3.52 Момент сопротивления балок основного и рамного набора, площадь поперечного сечения стенки балок рамного набора с учетом наличия вырезов в стенке балки нетто и балок основного набора, имеющих отношения
l/h <= 10 (
l - длина расчетного пролета;
h - высота балки основного набора), определяются в соответствии с
2.2.41 -
2.2.51,
2.2.53 ч. I ПКПС при допускаемых напряжениях в соответствии с
2.2.67 -
2.2.68 ч. I ПКПС. Расчетное давление
p указано в
4.3.40.
4.3.53 Площадь поперечного сечения распорок и стоек определяется так же, как для пиллерсов или раскосов в соответствии с
2.2.55 ч. I ПКПС, при этом в
формуле (2.2.55-1) ч. I ПКПС вместо цифры "2" принимается значение
Ky, вычисляемое по
формуле (2.2.73-2) ч. I ПКПС. Расчетное давление
p указано в
4.3.40.
Расчеты общей поперечной и продольной
прочности понтона (понтонов)
4.3.54 При общем поперечном и продольном изгибе понтона (понтонов) дока должны быть определены напряжения в его связях с помощью следующих формул.
Нормальные напряжения, МПа:

(4.3.54-1)

(4.3.54-2)
Касательные напряжения на уровне нейтральной оси эквивалентного бруса, МПа:

(4.3.54-3)
где Mт.в - поперечный изгибающий момент от веса дока с запасами и остаточным балластом для соответствующих случаев нагрузки, кН·м;

- поперечный изгибающий момент от веса дифферентовочного и разгружающего балласта в доке, кН·м;
Nт.в - поперечная перерезывающая сила от веса дока с запасами и остаточным балластом для соответствующих случаев нагрузки, кН;

- поперечная перерезывающая сила от веса дифферентовочного и разгружающего балласта в доке, кН;
Iх,
Iу - моменты инерции поперечного сечения эквивалентного бруса главных поперечных и продольных связей понтона (понтонов) соответственно, определяемые с учетом требований
2.2.36 -
2.2.39 ч. I ПКПС и
4.3.56, м
4;
zi - отстояние i-й связи от нейтральной оси эквивалентного бруса (со знаком "плюс" - выше нейтральной оси и со знаком "минус" - ниже нейтральной оси), м;
S - статический момент части поперечного сечения эквивалентного бруса главных поперечных связей понтона (понтонов), лежащий выше или ниже нейтральной оси, м3;
t - толщина эквивалентной стенки главных поперечных связей понтона (понтонов) на уровне нейтральной оси эквивалентного бруса, м.
4.3.55 Размеры элементов ферменных конструкций (стоек и раскосов) понтона (понтонов) должны быть достаточными для восприятия перерезывающих сил, возникающих при общем поперечном изгибе понтона (понтонов).
4.3.56 В расчетное сечение главных поперечных связей понтона (понтонов) должны включаться все конструктивные элементы, непрерывные между бортами понтона; в расчетное сечение главных продольных связей должны включаться все конструктивные элементы, непрерывные между торцевыми переборками понтона.
4.3.57 Ширина bпр присоединенных поясков главных поперечных связей днищевой обшивки и настила стапель-палубы понтона (понтонов) должны приниматься в соответствии с выражением, м:
bпр = min{(B - bс.п)/6; C}, (4.3.57)
где C - среднее расстояние между рассматриваемой связью и связями, расположенными слева и справа, м;
Для главных продольных связей понтона принимается bпр = C.
4.3.58 Допускаемые напряжения в главных поперечных связях понтона (понтонов) принимаются такими же, как это установлено в
2.2.67 -
2.2.68 ч. I ПКПС для судов.
Требования по выбору допускаемых нормальных напряжений в главных продольных связях понтона монолитного дока установлены в
4.3.66.
Расчеты общей продольной прочности дока
4.3.59 При общем продольном изгибе дока должны быть определены напряжения в его связях с помощью следующих формул.
Нормальные напряжения, МПа:

(4.3.59-1)
Касательные напряжения на уровне нейтральной оси эквивалентного бруса, МПа:

(4.3.59-2)
где Mт.в - продольный изгибающий момент в доке от его веса с запасами и остаточным балластом для соответствующих случаев нагрузки, кН·м;
Mдоп - продольный изгибающий момент от веса передвижных доковых кранов, дифферентовочного и разгружающего балласта дока, кН·м;
I - момент инерции поперечного сечения эквивалентного бруса дока, определяемый с учетом указаний
2.2.36 -
2.2.39 ч. I ПКПС и
4.3.60, м
4;
S - статический момент части поперечного сечения эквивалентного бруса дока, лежащей выше или ниже нейтральной оси, м3;

- сумма толщин обшивки бортов башен на уровне нейтральной оси эквивалентного бруса, м.
Nт.в - перерезывающая сила от веса дока с запасами и остаточным балластом для соответствующих случаев нагрузки, кН;
Nдоп - продольная перерезывающая сила от веса передвижных доковых кранов, дифферентовочного и разгружающего балласта дока, кН.
4.3.60 В расчетное поперечное сечение корпуса монолитного дока должны включаться продольные связи башен и понтона, непрерывные в средней части дока.
В расчетное поперечное сечение корпуса понтонного дока должны включаться продольные связи башен, непрерывные в средней части дока.
4.3.61 Расчеты прочности соединений понтонов и секций понтонных и секционных доков должны быть согласованы с Российским Классификационным Обществом.
4.3.62 Допускаемые напряжения при общем продольном изгибе принимается в соответствии с
2.2.67 -
2.2.68 ч. I ПКПС.
4.3.63 Должна быть проверена общая продольная прочность дока по предельным моментам в соответствии с требованиями
2.2.76 -
2.2.82 ч. I ПКПС, а также
2.2.83 -
2.2.97 ч. I ПКПС при износе связей дока со скоростью изнашивания в соответствии с
табл. 4.3.63 без учета их местных деформаций.
Таблица 4.3.63
Расчетные скорости изнашивания
Наименование групп связей | Рекомендуемые расчетные скорости изнашивания, мм/год |
1. Настил топ-палубы, обшивка стенок и продольные балки набора башен выше уровня предельной глубины погружения | 0,04 |
2. Настил палубы безопасности, днище башен понтонных доков | 0,06 |
3. Обшивка стенок башен от стапель-палубы до уровня предельной глубины погружения: | |
в балластных отсеках и цистернах | 0,06 |
в сухих отсеках и выше палубы безопасности | 0,05 |
4. Настил стапель-палубы, продольные балки набора в балластных отсеках | 0,08 |
5. Обшивка бортов понтона, продольные переборки балластных отсеков: | |
нижний пояс (<= 0,5 м) | 0,07 |
остальные поясья | 0,06 |
6. Обшивка днища понтона | 0,07 |
4.3.64 Значения средних расчетных скоростей изнашивания, указанные в
табл. 4.3.63, приведены для конструкций дока, защищенных лакокрасочными покрытиями.
Суммирование напряжений
4.3.65 Прочность поперечных связей понтона (понтонов), принимающих участие в общем поперечном изгибе дока, а также прочность продольных связей дока, принимающих участие в его общем продольном изгибе, необходимо проверять по напряжениям, получаемым в результате алгебраического сложения напряжений от общего изгиба с напряжениями от местной нагрузки.
4.3.66 Для монолитных доков должно выполняться условие:

(4.3.66)
где

- нормальные напряжения в главных продольных связях понтона от общего продольного изгиба понтона монолитного дока, определяемые по
формуле (4.3.54-2);

- нормальные напряжения в главных продольных связях понтона от общего продольного изгиба монолитного дока, определяемые по
формуле (4.3.59-1).
Расчеты устойчивости
4.3.67 Проверочные расчеты устойчивости необходимо выполнять для следующих элементов корпуса дока:
1. перекрытий днища, стапель-палубы и поперечных переборок понтона (понтонов) при его общем поперечном изгибе, а также перекрытий днища понтона монолитных доков, перекрытий топ-палубы, продольных ребер жесткости и обшивки палуб, днища понтона и стапель-палубы монолитных доков и днища башни понтонных доков, бортов и продольных переборок при общем продольном изгибе дока - на действие максимальных сжимающих напряжений;
2. пиллерсов (одиночных и в составе ферм) и раскосов - на действие максимальных сжимающих напряжений;
3. листов поперечных переборок при общем поперечном изгибе понтона (понтонов), обшивки бортов и продольных переборок при общем продольном изгибе дока - на действие максимальных касательных напряжений.
4.3.68 Требования к устойчивости конструкций дока при общем поперечном изгибе понтона (понтонов) должны выполняться по всей его ширине и длине, при общем продольном изгибе дока - его средней части на длине 0,5Lс.п дока.
Условия устойчивости должны соответствовать
2.2.70 -
2.2.75 ч. I ПКПС, причем
формула (2.2.74) ч. I ПКПС применима для поперечных ребер жесткости понтона (понтонов), опертых на продольные связи.
Размеры бимсов топ-палубы при поперечной системе набора и рамных бимсов топ-палубы при продольной системе набора должны быть достаточными для обеспечения устойчивости участков палубных конструкций между соседними карлингсами, между карлингсами и стенками башен или между стенками башен при отсутствии карлингсов.
4.3.69 Момент инерции бимсов iб топ-палубы при поперечной системе набора должен быть не менее определенного по следующей формуле, м4:

(4.3.69)
где t - толщина настила топ-палубы, м;
a - расстояние между бимсами, м;
l - пролет бимса между опорами, м;

- коэффициент полноты эпюры доковой массы судна:

- сжимающие напряжения в обшивке топ-палубы, МПа;

- коэффициент:


- коэффициент:

, но не более 1,0.
4.3.70 Момент инерции Iб рамных бимсов топ-палубы при продольной системе набора должен быть не менее, м4:

(4.3.70)
где i - момент инерции продольной балки топ-палубы с присоединенным пояском, м4;

- коэффициент:

- сжимающие напряжения в продольных балках топ-палубы, МПа;

- эйлеровы напряжения продольных балок топ-палубы, определяемые в соответствии с
2.2.74 ч. I ПКПС, МПа;
l - пролет рамного бимса между опорами, м;
c - расстояние между рамными бимсами, м;
a1 - расстояние между продольными балками топ-палубы, м.
4.3.71 Принимаемые размеры элементов конструкций башен должны обеспечивать устойчивость плоской формы изгиба башни в расчетных случаях прогиба дока.
Контроль изгиба корпуса дока
4.3.72 Прогиб и перегиб дока не должны превышать значений, соответствующих напряжениям, определяемым по формуле:

(4.3.72)
где T - срок эксплуатации дока на момент контроля, годы;
RеН - предел текучести материала корпуса, МПа.
Система набора понтона (понтонов) и башен
4.3.73 Шпация основного продольного и поперечного набора дока не должна превышать 1000 мм.
Для топ-палубы и понтонов плавучих доков допускается применение всех систем набора. Вместе с этим необходимо учитывать следующее:
1. топ-палуба и днища башен понтонных доков изготавливаются с применением продольной системы набора; стенки башен и палуба безопасности - поперечной системы набора;
2. топ-палуба монолитных доков изготавливается с применением продольной системы набора, стенки башен ниже топ-палубы и палуба безопасности - поперечной системы набора;
3. понтоны монолитных, понтонных и секционных доков изготавливаются с применением поперечной системы набора;
4. участки днищевой обшивки понтона монолитных доков в районе башен изготавливаются с применением продольной системы набора;
5. при изготовлении поперечных и продольных переборок понтона (понтонов) и башен применяются конструкции с горизонтальными и вертикальными балками основного набора;
6. при изготовлении понтонов и башен дока допускается применение ферменных конструкций.
Конструктивная компоновка понтона (понтонов)
4.3.74 Листовые и балочные элементы понтона (понтонов) должны обеспечивать местную прочность его конструкций (стапель-палубы, днища, переборок и т.д.), а также общую прочность понтона (понтонов).
Главные поперечные связи понтона (понтонов) - проницаемые переборки следует устанавливать через 3 - 7 шпаций, однако расстояние между ними не должно превышать (B - bс.п)/6.
Под центральной килевой дорожкой должна быть установлена продольная переборка. Вместо продольной переборки допускается применение коробчатой конструкции, образуемой двумя продольными переборками, установленными симметрично относительно диаметральной плоскости.
В плоскости внутренних стенок башен должны быть установлены переборки или продольные рамные связи.
При поперечной системе набора понтона (понтонов) могут быть установлены дополнительные продольные рамные связи, предназначенные для ограничения пролета балок основного набора днища и стапель-палубы. Расстояние между ними не должно превышать 3 - 5 шпаций.
Конструктивная компоновка башен
4.3.75 При продольной системе набора топ-палубы и днища башен поперечные рамные связи (рамные бимсы и шпангоуты) должны располагаться в плоскости главных поперечных связей понтона (понтонов) (см.
4.3.74).
При поперечной системе набора стенок башен должны быть установлены бортовые стрингеры. Расстояние между стрингерами, а также между стрингерами и палубой не должно превышать 3,5 м, по стенкам башен ниже палубы безопасности в плоскости главных поперечных связей понтона (понтонов) следует установить рамные шпангоуты, а по настилу палубы безопасности - рамные бимсы.
Рамные связи наружных и внутренних стенок башен ниже палубы безопасности (рамные шпангоуты - при продольной системе набора, стрингеры - при поперечной системе набора) должны быть соединены между собой распорными бимсами (распорками), которые следует устанавливать в плоскости каждой главной поперечной связи понтона (понтонов) (см.
4.3.74).
4.3.76 Толщины основных связей корпуса дока должны быть не менее толщин, указанных в
табл. 4.3.76 и определяемых в зависимости от принятой шпации
а, м.
Примечания.
1. Если дробная часть, рассчитанная с помощью формул
табл. 4.3.76, больше или равна 0,25 мм, то округлять толщины следует в большую сторону, если меньше 0,25 мм - в меньшую.
При толщинах более 6 мм допускается округлять в меньшую сторону, если дробная часть менее 0,50 мм, и в большую сторону, если дробная часть больше или равна 0,50 мм.
2. При использовании средств защиты от коррозии толщины листов связей, рассчитанных по
табл. 4.3.76, выполненных из стали повышенной прочности, могут быть уменьшены пропорционально отношению
.
Таблица 4.3.76
Минимальные толщины основных связей корпуса дока
Наименование связей | Минимальная толщина основных связей корпуса дока, мм, классов: | Примечание |
"О" | "Р" |
Обшивка наружных конструкций дока (кроме стапель-палубы), элементы конструкций в балластных отсеках и цистернах, включая балки набора | 6,5 6,5 + 10(a - 0,6) 7 + 6,5(a - 0,6) | 5,5 5,5 + 10(a - 0,6) 6,0 + 6,5(a - 0,6) | a < 0,6 м 0,6 м <= a <= 0,75 м a > 0,75 м |
Настил стапель-палубы | 8,0 8 +13(a - 0,6) 9 + 6(a - 0,6) | 7,0 7 +13(a - 0,6) 8 + 6(a - 0,6) | a < 0,6 м 0,6 м <= a < 0,75 м a > 0,75 м |
Настил топ-палубы, листовые и балочные элементы конструкций выше палубы безопасности | 5,5 5,5 + 13(a - 0,6) | 4,5 4,5 +13(a - 0,6) | a < 0,6 м a >= 0,6 м |
4.3.77 Требования в
2.3.1 -
2.3.11 ч. I ПКПС относятся также к пазам листов, поперечным связям и продольным сечениям понтона (понтонов), поперечным переборкам и окончаниям палуб или платформ у бортов понтона (понтонов) вследствие восприятия ими нормальных нагрузок при общем поперечном изгибе дока.
Конструирование балок набора
4.3.78 В ферменных конструкциях понтона (понтонов) и башен допускается применение нахлесточных соединений балок набора.
4.3.79 В балластных отсеках и других цистернах не допускается применение пустотелых квадратных и трубчатых распоров и стоек.
Вырезы в корпусных конструкциях
4.3.80 В стенках рамного набора понтона (понтонов) и башен допускаются вырезы для облегчения конструкций, прохода балок.
Суммарная высота вырезов в одном сечении не должна превышать 50% высоты рамного набора; для рамных балок башен выше палубы безопасности допускается эту величину увеличивать до 60% высоты рамного набора.
Особенности расчетов прочности и конструирования
кессон-доков
4.3.81 Расчетные нагрузки определяются для следующих эксплуатационных случаев:
кессон-док в предельном погружении;
кессон-док при кессонировании судна;
кессон-док при неполном доковании судна.
4.3.82 Расчетные местные нагрузки должны приниматься в соответствии с
4.3.40, причем нагрузки на конструкции балластных отсеков и шлюз-переборки определяются как разность уровней воды в отсеке и на акватории или как разность уровней воды между балластными отсеками.
4.3.83 Расчетная нагрузка на кильблоки килевой дорожки, определяемая как разность сил поддержания кессон-дока и его веса с балластом, отнесенная к единице длины килевой дорожки, не должна превышать значения q, рассчитанного по формуле:

(4.3.83)
где Lc - расчетная длина кессонируемого (докуемого) судна, м;
Lк - длина килевой дорожки дока, м.
При этом должна учитываться возможная горизонтальная составляющая от дифферента кессон-дока при соответствующей расчетной нагрузке.
4.3.84 Для кессон-дока производится проверка местной прочности и поперечной прочности понтона, причем нагрузка на кильблоки килевой дорожки принимается распределенной равномерно по ее длине.
Перерезывающая сила при общем поперечном изгибе должна рассчитываться с помощью
формулы (4.3.46-1).
4.3.86 Конструирование корпуса кессон-дока должно производиться с учетом
4.3.73 -
4.3.80.
4.4 ТРЕБОВАНИЯ К ПЛАВУЧИМ ОБЪЕКТАМ ГРУПП III И IV
Общие указания
4.4.1 Требования настоящей главы распространяются на корпусы понтонов наплавных мостов, предназначенных для эксплуатации в бассейнах разрядов
"Р" и
"Л", неразрезной системы, изготовленных из стали. Требования к корпусам понтонов наплавных мостов распространяются на корпуса понтонов плавучих объектов
группы IV в той мере, в какой эти требования применимы к корпусам понтонов указанных объектов.
4.4.2 Материал, применяющийся для изготовления элементов конструкции корпуса понтона, должен соответствовать требованиям
ч. X ПКПС.
4.4.3 Для каждого наплавного моста проектантом разрабатывается инструкция по эксплуатации, обоснованная расчетами прочности, остойчивости и надводного борта, учитывающими наиболее неблагоприятные случаи нагрузки в процессе эксплуатации.
Инструкция должна содержать следующие данные:
1. варианты схем движения транспортных средств по наплавному мосту, при которых может быть разрешена его эксплуатация;
2. скорость движения транспортных средств по наплавному мосту;
3. допустимые нагрузки от движущихся по наплавному мосту транспортных средств;
4. рекомендации по разводке моста для прохождения судов;
5. условия установки и разборки наплавного моста;
6. возможность эксплуатации моста при осушенных понтонах;
7. рекомендации для эксплуатационной команды в аварийных случаях (затопление отдельных отсеков понтона плавучей опоры или всего понтона, обрыв закрепления моста и т.д.), информацию о конструктивных мероприятиях, принятых в проекте, для возможности эксплуатации моста в аварийных случаях.
Конструкция и прочность стального корпуса понтона
4.4.4 Настоящая глава устанавливает порядок определения размеров основных конструктивных элементов стальных сварных корпусов понтонов наплавных мостов классов "Р" и "Л" неразрезной системы, воспринимающих изгибающие моменты по всей своей длине.
4.4.5 Схема компоновки моста на жесткосочлененных опорах приведена на
рис. 4.4.5-1.
Рис. 4.4.5-1. Схема компоновки наплавного моста
на жесткосочлененных опорах
Схема компоновки моста на отдельных плавучих опорах приведена на
рис. 4.4.5-2.
Рис. 4.4.5-2. Схема компоновки моста на отдельных
плавучих опорах
4.4.6 При ориентации плавучей опоры наплавного моста длинной стороной по течению реки носовой оконечностью понтона считается оконечность, направленная вверх по течению, кормовой оконечностью - вниз по течению.
4.4.7 В настоящей главе приняты следующие обозначения:
l - длина понтона моста по конструктивной ватерлинии, м;
b - ширина понтона моста по конструктивной ватерлинии на мидель-шпангоуте, м;
h - высота борта понтона моста на мидель-шпангоуте (до палубы понтона), м;
L - длина наплавного моста по расчетной ватерлинии, м;
B - ширина наплавного моста, м;
l1 - длина верхнего пролетного строения между осями плавучих опор, м;
P - вертикальная нагрузка по оси транспортного средства, кН.
Материалы
4.4.8 Материалы, применяемые для изготовления элементов конструкции моста, должны соответствовать требованиям
ч. X ПКПС. Допускается применение сталей марок A, B, D, E с пределом текучести от 235 до 390 МПа включительно.
4.4.9 Значения моментов сопротивления поперечного сечения балок набора корпуса, вычисляемые по формулам, приведенным в
2.4 ч. I ПКПС, соответствуют стали с
RеН = 235 МПа. При применении для корпусных конструкций стали с более высоким пределом текучести эти моменты сопротивления допускается уменьшить пропорционально отношению 235/
RеН.
Расчетные нагрузки, действующие на наплавные мосты
при проверке общей прочности
4.4.10 За расчетные значения нагрузок следует принимать фактические значения в зависимости от типа, массы и скорости допускаемых к переправе по мосту объектов. При их неопределенности за расчетные нагрузки следует принимать нагрузки по
4.4.13 и
4.4.20.
Конструкции мостов следует рассчитывать на следующие нагрузки:
1. собственный вес конструкции;
2. гидростатическое давление воды;
3. вертикальная нагрузка от транспортных средств;
4. горизонтальная поперечная нагрузка от ударов транспортных средств вследствие изменений направления их движения;
5. горизонтальная продольная нагрузка от торможения транспортных средств;
6. ветровая нагрузка;
7. нагрузка от течения;
8. нагрузка от пешеходов.
4.4.11 Должны быть рассмотрены наиболее неблагоприятные возможные случаи сочетания нагрузок.
4.4.12 Для тех случаев приложения нагрузки, для которых затопление отсека понтона наплавного моста вызывает увеличение изгибающего момента, должен быть рассмотрен указанный расчетный случай затопления отсека.
4.4.13 Должно быть учтено следующее:
1. вертикальная нагрузка от транспортных средств должна быть представлена действующей на полосы, на каждой из которых размещена одна двухосная тележка с осевой нагрузкой
P, равной 78,5 кН, и равномерно распределенной нагрузкой в продольном направлении интенсивностью
q = 7,85 кН/м на обе колеи
(рис. 4.4.13.1);
Рис. 4.4.13.1. Вертикальная нагрузка на наплавной мост
от транспортных средств
2. вертикальная гусеничная нагрузка от одной машины принимается равной
P = 588 кН
(рис. 4.4.13.2).
Рис. 4.4.13.2. Приложение вертикальной
гусеничной нагрузки
Расчет наплавного моста на гусеничную нагрузку производится в том случае, если это указано в техническом задании;
3. действие указанных нагрузок должно создавать в рассчитываемых элементах моста наибольшие усилия;
4. при наличии в эпюре изгибающих моментов трех или более участков разных знаков полосой нагрузки загружается участок, дающий для рассматриваемого знака наибольшее значение усилия (перемещения), равномерно распределенной нагрузкой (с необходимыми ее перерывами по длине) загружаются все участки этого знака;
5. расстояние между осями смежных полос нагрузки должно быть не менее 3,0 м;
6. ось крайней полосы нагрузки должна быть расположена не ближе 1,5 м от ограждения проезжей части;
7. при определении в рассматриваемом сечении совместного воздействия нескольких силовых факторов допускается нагрузку разместить так, чтобы при расчете прочности и устойчивости значение каждого силового фактора было максимальным.
4.4.14 Горизонтальную поперечную нагрузку учитывают при проверке верхних пролетных строений наплавного моста на сдвиг и опрокидывание.
Горизонтальная поперечная нагрузка от ударов автомобилей принимается в виде равномерно распределенной нагрузки, равной 3,12 кН/м, или сосредоточенной силы, равной 47,2 кН, приложенных на уровне покрытия проезжей части.
Горизонтальная поперечная нагрузка от ударов гусеничных машин не учитывается.
4.4.15 Горизонтальная продольная нагрузка от торможения транспортных средств принимается равной 50% от равномерно распределенной части полосы нагрузки (см.
4.4.13.1), но не менее 62,4 кН и не более 196 кН, при этом вес тележек в нагрузках не учитывается.
Горизонтальную продольную нагрузку от торможения транспортных средств следует принимать, учитывая все полосы одного направления, при этом нагрузку от транспортных средств с той полосы движения, нагрузка которой приводит к самым неблагоприятным результатам, принимают с коэффициентом 1,0, с остальных полос равномерно распределенной части нагрузки в соответствии с
4.4.13.1 - с коэффициентом 0,6.
Нагрузка от торможения гусеничной машины принимается равной 235 кН и прикладывается на уровне проезжей части.
Передача тормозного усилия или продольного давления ветра на берега через пролетные строения переходных и береговых частей допускается, если они проверены расчетом на продольно-поперечный изгиб.
4.4.16 Расчетное давление ветра следует принимать равным 400 Па независимо от возвышения центра парусности над плоскостью действующей ватерлинии.
4.4.17 Расчетное поперечное усилие от течения на одну плавучую опору (давления воды на мост) указано в
8.2.6.
4.4.18 Нагрузка от пешеходов принимается в виде равномерно распределенной нагрузки, равной 3,92 кПа.
4.4.19 Динамический коэффициент

, увеличивающий нагрузку от транспортных средств, следует принимать равным 1,1.
Допускается определение динамического коэффициента для средней части наплавного моста по формуле:

(4.4.19-1)
где

- упругая характеристика системы "балка-основание", определяемая по формуле, м
-1:

(4.4.19-2)
Здесь K - коэффициент основания, для наплавных мостов на жесткосочлененных опорах, кН/м2,

- удельный вес речной воды;
B - ширина наплавного моста, м;
P - вертикальная нагрузка, кН;
E - модуль упругости материала конструкции, МПа;
I - усредненный по длине наплавного моста момент инерции поперечного сечения понтона моста, м4.
Для наплавных мостов на отдельных плавучих опорах коэффициент основания рассчитывается по формуле:

(4.4.19-3)
где F - расчетная площадь ватерлинии плавучей опоры, м2;
l1 - пролет моста в осях плавучих опор, м;

- упругая характеристика системы "балка-основание", учитывающая моментную реакцию опор, определяемую по формуле, м
-1:
m - погонный вес присоединенной воды, кН·с2/м2:
Km - коэффициент:
Km = 0,44 + 0,089L/B;
L - длина наплавного моста по расчетной ватерлинии, м;
V - скорость движения транспортного средства.
Скорость движения транспортного средства в средней части наплавного моста не должна превышать критического значения, которое рассчитывается по формуле, м/с:

(4.4.19-4)
g - ускорение свободного падения, м/с2.
Для свободного конца речной части динамический коэффициент определяется по формуле:

(4.4.19-5)
Критическая скорость движения на свободном конце речной части наплавного моста рассчитывается по формуле, м/с:

(4.4.19-6)
Расчетные местные нагрузки
4.4.20 Местную прочность конструкции необходимо проверять для такого варианта нагрузки наплавного моста, которое соответствует максимальной его осадке. Элементы проезжей части моста следует проверять на давление одиночной оси, равное 108 кН
(рис. 4.4.20).
Рис. 4.4.20. К проверке на давление одиночной оси
4.4.21 Прочность продольных связей верхнего пролетного строения наплавного моста проверяется по суммарным напряжениям, возникающим от общего продольного изгиба и местной нагрузки.
4.4.22 При расчете рамного и холостого набора и обшивки бортов плавучей опоры расчетная нагрузка считается распределенной равномерно для днища, а расчетная нагрузка на борта считается распределенной по высоте борта по треугольнику или трапеции. Эта нагрузка на уровне днища рассчитывается по формуле, кПа:
P = 9,81(Tгр + r), (4.4.22)
где Tгр - осадка наплавного моста в полном грузу в рассматриваемом сечении, м;
r - полувысота расчетной волны, м.
4.4.23 Расчетную нагрузку P на прочные непроницаемые переборки плавучей опоры считают распределенной по треугольнику или трапеции и на уровне днища принимают равной:
для переборки форпика - 9,81Hб, где Hб - высота борта плавучей опоры в рассматриваемом сечении, м;
для остальных переборок - 5,9Hб.
4.4.24 Расчетную нагрузку P на палубное перекрытие плавучей опоры принимают:
для наплавных мостов на отдельных плавучих опорах - 5,0 кПа;
для наплавного моста на жесткосочлененных опорах - в соответствии с
4.4.13 с учетом
4.4.19.
4.4.25 Элементы шпангоутной рамы наплавного моста на отдельных плавучих опорах работают на местный изгиб, вызванный давлением воды и опорными частями пролетного строения.
4.4.26 Расчетную нагрузку на пролетное строение наплавного моста на отдельных плавучих опорах принимают в соответствии с
4.4.13 с учетом
4.4.19.
Расчетные усилия в элементах конструкции наплавных мостов
4.4.27 Порядок определения изгибающего момента
Mт.в и перерезывающей силы
Nт.в на тихой воде, дополнительного волнового момента, а также учета кручения и изгиба в горизонтальной плоскости установлен в
приложении 3.
(в ред.
Извещения N 9, утв. Приказом ФАУ "Российское Классификационное Общество" от 23.04.2025 N 22-п)
Расчеты общей прочности
4.4.28 В расчетах общей прочности наплавных мостов на жесткосочлененных опорах должна быть проверена прочность элементов, соединяющих понтоны, при неблагоприятном сочетании нагрузок, а также конструкций корпуса понтона, воспринимающих данные нагрузки, с учетом их прерывания в районе соединительных элементов.
4.4.29 В расчетах общей прочности моста на плавучих опорах должна быть проверена общая прочность пролетных строений и плавучих опор как отдельно плавающих понтонов, а также их общая прочность в составе моста от реакции верхнего строения и действующей нагрузки.
4.4.30 Определение напряжения от общего изгиба следует проводить для двух случаев: прогиба (при сжатой палубе) и перегиба (при сжатом днище).
Расчет следует выполнять для тех сечений корпуса понтона моста, в которых ожидаются наибольшие суммарные напряжения.
Расчеты местной прочности
4.4.32 Расчеты местной прочности наплавного моста производятся в соответствии с
2.2.41 -
2.2.55 ч. I ПКПС.
4.4.33 Расчет прочности настила палубы мостов на жесткосочлененных опорах и пролетного строения моста на отдельных плавучих опорах на нагрузку от транспортных средств производится в соответствии с
2.2.29 и
2.2.59 ч. I ПКПС.
Суммирование напряжений
4.4.34 Напряжения в продольных связях от общего и местного изгиба суммируются в соответствии с
2.2.62 ч. I ПКПС.
Допускаемые напряжения
4.4.35 Максимальные нормальные и касательные напряжения от общего изгиба и суммарные напряжения не должны превышать допускаемых напряжений, которые принимаются такими же, как это указано в
2.2.67 -
2.2.68 ч. I ПКПС для судов.
Расчеты устойчивости
4.4.36 Расчеты устойчивости элементов конструкции корпуса понтона наплавного моста необходимо выполнять в соответствии с
2.2.69 -
2.2.75 ч. I ПКПС.
Конструирование корпуса понтона наплавного моста
4.4.37 При конструировании корпуса понтона необходимо соблюдать принцип совмещения связей в одной плоскости (см.
2.3.1 ч. I ПКПС), чтобы образовались замкнутые конструкции.
4.4.38 Палуба и днище понтонов моста на отдельных плавучих опорах могут быть набраны по продольной или поперечной системам набора. Палубу следует набирать по поперечной системе набора, а пролетное строение - по продольной системе.
4.4.39 Форма сечения связей корпуса должна иметь плавные переходы в соответствии с
2.3.2 и
2.3.3 ч. I ПКПС.
4.4.40 Необходимо обеспечивать непрерывность основных продольных связей пролетного строения.
4.4.41 Помимо требований, установленных в
4.4.37 -
4.4.40 следует руководствоваться требованиями
2.3 ч. I ПКПС в той мере, в какой это применимо к наплавным мостам и другим плавучим объектам.
Конструирование балок набора корпуса понтона
4.4.42 Конструирование балок набора производят в соответствии с
2.3.12 -
2.3.23 ч. I ПКПС.
4.4.43 В дополнение к
2.3.15 ч. I ПКПС выбор узла пересечения холостого набора и рамной связи (свободный проход, односторонняя или двухсторонняя заделка) должны производиться в соответствии с категорией интенсивности нагружения конструкции:
категория I

- допускаются узлы со свободным проходом (кроме палубных от колесной техники). Здесь

- касательные напряжения;

- допускаемые напряжения, определяемые в соответствии с
2.2.67 и
2.2.68 ч. I ПКПС;
категория II

- допускаются узлы с односторонней заделкой или с приваркой ребра к пояску балки основного набора;
категория III

- допускаются узлы с двухсторонней заделкой. Усилия с пропускаемой балки на стенку перекрестной связи передаются в основном через заделки. Работоспособность таких узлов при категориях нагружения II и III считается обеспеченной, если суммарная площадь сечения соединительных элементов составляет не менее 80% требуемой по условиям среза площади сечения стенки пропускаемой связи.
Вырезы в корпусных конструкциях, гофрированные конструкции
4.4.44 При конструировании вырезов в корпусных конструкциях и гофрированных конструкциях должны быть выполнены требования
2.3.24 -
2.3.36 ч. I ПКПС в той мере, в какой это применимо к наплавным мостам и плавучим объектам группы IV, при этом суммарная высота вырезов в стенках рамного набора для холостых балок не должна превышать 60% высоты рамного набора.
Сварные соединения
4.4.45 При расчете сварных соединений должны быть выполнены требования
2.3.37 -
2.3.57 ч. I ПКПС в той мере, в какой это применимо к наплавным мостам и плавучим объектам группы IV, эксплуатирующимся в бассейнах разрядов
"Р" и
"Л".
Размеры и конструкция отдельных связей
корпуса понтона наплавного моста
4.4.46 Размеры и конструкция отдельных связей корпуса понтона наплавного моста должны соответствовать требованиям
2.4.1 -
2.4.16,
2.4.33 -
2.4.91 ч. I ПКПС в той мере, в какой это применимо к наплавным мостам и плавучим объектам
группы IV, эксплуатирующимся в бассейнах разрядов
"Р" и
"Л".
Защита пешеходов и транспортных средств,
находящихся на наплавном мосту
4.4.47 Проезжая часть речной части наплавного моста должна быть ограждена колесоотбоями высотой не менее 0,75 м для дорог I и II категории по
СП 34.13330.2012 <8> и не менее 0,35 м для всех остальных дорог.
--------------------------------
4.4.48 Проезжая часть береговой части моста (аппарели, пандусы) должна быть ограждена барьерным ограждением высотой не менее 0,6 м.
4.4.49 При движении транспортных средств непосредственно по металлической палубе обязательно устройство искусственной шероховатости путем приварки к палубе прутков арматуры диаметром 5 - 6 мм на горизонтальных участках и диаметром 8 - 10 мм на наклонных участках проезжей части моста с шагом 150 - 200 мм. Полоса шириной не менее 200 мм от колесоотбоя должна быть освобождена от рифления для обеспечения стока воды.
4.4.50 Стыки между различными частями наплавного моста (береговыми, разводными и т.д.) шириной 50 мм и более должны быть перекрыты переходными щитами.
4.4.51 Пешеходные тротуары должны быть ограждены с внешней стороны леерным ограждением высотой не менее 1100 мм и отгорожены от проезжей части колесоотбойным брусом, наращенным леером до высоты 900 мм.
4.4.52 Расстояние между леерными стойками не должно превышать 1500 мм. Нижний леер должен быть установлен не выше 230 мм от настила пешеходной дорожки, расстояние между другими леерами не должно превышать 380 мм.
4.4.53 В местах, в которых леерное ограждение прерывается, должны быть предусмотрены съемные цепные леера.
5 ОСТОЙЧИВОСТЬ, НЕПОТОПЛЯЕМОСТЬ, НАДВОДНЫЙ БОРТ
5.1.1 Плавучие объекты в части остойчивости, непотопляемости, надводного борта должны соответствовать требованиям
ч. II ПКПС, при этом должны быть выполнены требования, предъявляемые настоящими Правилами к плавучим объектам
групп II -
IV.
Остойчивость плавучих объектов группы I
5.2.1 Плавучие объекты
группы I должны соответствовать требованиям остойчивости, указанным в
разд. 1 -
3 ч. II ПКПС для пассажирских и иных судов, перевозящих людей.
Остойчивость плавучих объектов группы II
Варианты нагрузки и влияние жидких грузов
5.2.2 Остойчивость плавучих доков должна проверяться при следующих вариантах нагрузки:
1. плавучий док в рабочем состоянии;
2. плавучий док при погружении (всплытии).
5.2.3 Учет влияния жидких грузов производится в соответствии с
1.4.2 и
1.4.3 ч. II ПКПС. Поправка на влияние свободных поверхностей жидкого балласта должна вычисляться при уровнях заполнения цистерн и балластных отсеков, соответствующих фактическим в рассматриваемом варианте нагрузки. При заполнении самотеком балластных отсеков, соединяющихся между собой только через забортную воду, учитываются лишь собственные моменты инерции площади свободной поверхности воды в таких балластных отсеках.
Остойчивость плавучего дока в рабочем состоянии
5.2.4 Проверка остойчивости плавучего дока в рабочем состоянии осуществляется при полностью всплывшем доке с судном, максимальной грузоподъемности дока и моменте парусности системы "док-судно" без обледенения.
5.2.5 Остойчивость считается достаточной:
1. если угол крена при динамически приложенном кренящем моменте от давления ветра в соответствии с
5.2.8 не превышает допустимого угла наклонения для доковых кранов в нерабочем состоянии или 4°, в зависимости от того, какое значение меньше;
2. если угол крена при динамически приложенном кренящем моменте от давления ветра в соответствии с
5.2.13 не превышает угла, при котором обеспечивается безопасная работа кранов;
3. если угол дифферента при статически приложенном дифферентующем моменте от действия веса передвижных кранов с максимальным грузом в наиболее неблагоприятном эксплуатационном случае их расположения не превышает угла, при котором обеспечивается работа кранов, или угла входа стапель-палубы в воду, в зависимости от того, какой угол меньше.
5.2.6 Динамический угол крена плавучего дока, если он не превышает угла входа стапель-палубы в воду, определяется по формуле, град:

(5.2.6)
где p - условное расчетное динамическое давление ветра, Па;
S - площадь парусности, м2;
z - приведенное плечо кренящей пары при одновременных крене и боковом дрейфе судна, определяемое в соответствии с
2.2.5 ч. II ПКПС, м;
D - весовое водоизмещение дока при осадке по действующую ватерлинию, кН;
- поперечная метацентрическая высота, вычисленная с учетом поправки на влияние свободных поверхностей жидких грузов, м.
5.2.7 Динамический угол крена плавучего дока, если он превышает угол входа стапель-палубы в воду, определяется по диаграмме статической или динамической остойчивости при действии на док кренящего момента определяемого по формуле, кН·м:
5.2.8 Условное расчетное динамическое давление ветра принимается 600 Па.
При установленном разряде плавания плавучего дока условное расчетное динамическое давление ветра должно приниматься исходя из этого разряда. При установленных нескольких географических районах эксплуатации плавучего дока условное расчетное динамическое давление ветра должно приниматься равным максимальному значению для этих районов.
Для учета изменения условного расчетного динамического давления ветра в зависимости от возвышения над действующей ватерлинией отдельных высотных зон площади парусности системы "док-судно" давление ветра умножается на соответствующее значение коэффициента зоны:
Высота над ватерлинией (граница зоны), м | Коэффициент зоны |
До 5 | 0,75 |
Св. 5 до 10 | 0,89 |
- " - 10 - " - 15 | 1,07 |
- " - 15 - " - 20 | 1,19 |
- " - 20 - " - 25 | 1,28 |
- " - 25 - " - 30 | 1,34 |
В этом случае значения
p, S и
zт определяются для каждой высотной зоны в отдельности, и в
формулы (5.2.6) и
(5.2.7) включается сумма их произведений по всем высотным зонам, составляющим площадь парусности системы "док-судно".
5.2.9 Статический угол

дифферента плавучего дока определяется по формуле, град:

(5.2.9)
где
- дифферентующий момент от веса передвижных кранов с максимальным грузом при самом неблагополучном случае их расположения на плавучем доке, кН·м;

- продольная метацентрическая высота, вычисленная с учетом поправки на влияние свободных поверхностей жидких грузов, м;
D - весовое водоизмещение дока при осадке по действующую ватерлинию, кН.
Остойчивость плавучего дока при погружении или всплытии
5.2.10 Остойчивость дока в процессе погружения или всплытия проверяется при наихудшем в отношении остойчивости варианте водоизмещения поднимаемого судна, момента парусности системы "док-судно" и балластировки дока, с неработающими кранами, без обледенения.
5.2.11 Остойчивость считается достаточной, если угол крена при динамически приложенном кренящем моменте от давления ветра не превышает допустимого угла наклонения для доковых кранов в нерабочем состоянии или 4°, в зависимости от того, какое значение угла меньше.
5.2.12 Угол крена плавучего дока определяется по
формуле (5.2.6), если при этом угле значение поперечной метацентрической высоты

не изменяется, в противном случае угол крена определяется по диаграмме статической или динамической остойчивости при действии на док кренящего момента, кН·м, определяемого по
формуле (5.2.7).
5.2.13 Условное расчетное динамическое давление ветра принимается 400 Па.
5.2.14 Плечо парусности
zT определяется по формуле
2.2.2 ч. II ПКПС.
Остойчивость плавучих объектов групп III и IV
Критическая скорость течения
5.2.15 Критическая средняя скорость течения, при которой недопустима эксплуатация моста, определяется по формуле, м/с:

(5-2.15)
где
Cг - гидродинамический коэффициент, определяемый по
табл. 5.2.15;
g - ускорение свободного падения, м/с2;
l - размер понтона, ориентированный по течению, м;
b - поперечное смещение центра тяжести транспортных средств относительно центров водоизмещения плавучих опор, принимаемое положительным по направлению течения и отрицательным при смещении вверх по течению, м;
D0 - погонное водоизмещение наплавного моста при погружении понтонов до линии палубы, кН/м;
D - расчетное погонное водоизмещение наплавного моста, кН (в полном грузу);
P - погонный вес транспортных средств на наплавном мосту, кН/м.
Таблица 5.2.15
Значения гидродинамического коэффициента
Конструкция мостов | Значение Cг при отношении средней глубины воды к средней осадке моста в полном грузу |
2 | 3 | 4 | 6 | 9 и более |
Мост на отдельных плавучих опорах | 0,33 | 0,37 | 0,41 | 0,46 | 0,5 |
Мост-лента | - | 0,32 | 0,35 | 0,4 | 0,43 |
Общие требования к нормированию остойчивости
5.2.16 Наплавной мост считается остойчивым, если он при рабочей расчетной нагрузке соответствует следующим требованиям:
1. к остойчивости, принимаемым в соответствии с требованиями настоящей главы;
2. к начальной остойчивости, в соответствии с которым поперечная (начальная) метацентрическая высота понтона моста с учетом центра тяжести движущихся по мосту транспортных средств должна быть не менее 0,2 м.
В данном случае метацентрическая высота - это наименьшая метацентрическая высота.
5.2.17 Проверка остойчивости должна быть выполнена для наплавного моста в полном грузу и для плавучей сборочной единицы наплавного моста.
5.2.18 Если по условиям эксплуатации наплавного моста предусматриваются варианты нагрузки, более неблагоприятные для его остойчивости, чем предусмотренные в
5.2.17, то остойчивость должна быть проверена и для этих вариантов нагрузки.
5.2.19 При использовании таблиц, приведенных в настоящей главе, все промежуточные значения исходных характеристик следует определять линейной интерполяцией.
Основной критерий остойчивости
5.2.20 Остойчивость наплавных мостов и их плавучих сборочных единиц проверяется на случай динамического действия ветра путем проверки выполнения условия:
Mкр <= Mдоп, (5.2.20)
где
Mкр - кренящий момент от динамического действия ветра, определяемый в соответствии с указаниями
5.2.22, кН·м;
Mдоп - предельно допустимый момент при динамических наклонениях, определяемый в соответствии с указаниями
5.2.27, кН·м.
5.2.21 Скорость ветра принимается равной 22 м/с, расчетная высота волны 1% обеспеченности в бассейнах разряда
"Р" - 1,2 м, в бассейнах разряда
"Л" - 0,6 м.
Кренящий момент от динамического действия ветра
5.2.22 Кренящий момент наплавного моста от динамического действия ветра определяется по формуле, кН·м:
где W - расчетное давление ветра для наплавного моста независимо от разряда водного бассейна и возвышения центра парусности над плоскостью действующей ватерлинии: W = 400 Па;
S - площадь парусности наплавного моста при средней осадке по действующую ватерлинию, м2;
Площадь парусности, входящая в правую часть
формулы (5.2.22), следует принимать в соответствии с указаниями
5.2.23.
5.2.23 В площадь парусности должны быть включены проекции всех сплошных поверхностей элементов наплавного моста. Парусность несплошных поверхностей элементов наплавного моста допускается учитывать приближенно увеличением вычисленных для расчетной осадки суммарной площади упомянутых выше сплошных поверхностей на 5%, а ее статического момента относительно плоскости действующей ватерлинии наплавного моста - на 10%.
5.2.24 Кренящий момент для плавучей сборочной единицы наплавного моста определяется в соответствии с
2.2 ч. II ПКПС.
Предельно допустимый момент при проверке
остойчивости по основному критерию
5.2.25 Предельно допустимый момент определяется предельно допустимым углом крена.
5.2.26 За предельно допустимый угол крена

следует принимать наименьший из следующих углов, но не более 5°:
угол входа палубы понтона наплавного моста в воду;
угол выхода горизонтальной части днища из воды.
5.2.27 При проверке остойчивости наплавного моста в случае динамического действия ветра при начальном статическом крене предельно допустимый момент определяется по формуле, кН·м:

(5.2.27)
где D - водоизмещение наплавного моста с движущимися по нему транспортными средствами при осадке по действующую ватерлинию, кН;
h0 - метацентрическая высота понтонов моста, определенная с учетом движущихся по мосту транспортных средств, м;

- предельно допустимый угол крена, принимаемый в соответствии с указаниями
5.2.26;

- угол крена наплавного моста от смещения транспортных средств от оси моста и течения.
Непотопляемость плавучих объектов группы I
5.3.1 Плавучие объекты
группы I должны соответствовать требованиям непотопляемости, установленным в
разд. 4 ч. II ПКПС для пассажирских и иных судов, перевозящих людей.
5.3.2 При проектировании плавучих доков помимо применимых требований
разд. 4 ч. II ПКПС должны выполняться следующие требования:
1. иллюминаторы в наружных бортах плавучих доков не должны располагаться так, чтобы их нижние кромки оказывались ниже предельной линии погружения при доковании;
2. во внутренних бортах башен плавучих доков установка иллюминаторов не допускается;
3. иллюминаторы в наружных бортах плавучих доков, нижняя кромка которых расположена на 300 мм и более над предельной линией погружения при доковании, должны быть нормальными по
ГОСТ 19261 (тип В), со штормовыми крышками, постоянно навешенными на их корпусе;
4. иллюминаторы в наружных бортах плавучих доков, нижняя кромка которых расположена выше предельной линии погружения при доковании менее чем на 300 мм, должны быть тяжелыми по
ГОСТ 19261 (тип А), со штормовыми крышками, постоянно навешенными на их корпусе, и глухими (неоткрывающимися);
5. на плавучих доках высота комингсов сходных, световых и вентиляционных люков, вентиляционных труб, отверстий для дверей в шахты машинно-котельных отделений, надстройки и рубки, расположенные на топ-палубе, должна быть не менее 200 мм, если из этих надстроек и рубок имеются сходы в нижерасположенные помещения.
5.3.3 Должна быть проверена непотопляемость плавучей сборочной единицы при затоплении одного любого отсека.
5.3.4 Требования по обеспечению непотопляемости установлены в
4.1 и
4.2 ч. II ПКПС. Их следует учитывать в той мере, в какой это применимо к наплавным мостам и плавучим объектам
группы IV.
5.3.5 Расчет непотопляемости наплавного моста осуществляется с целью определения просадки моста в районе затопления.
Высота надводного борта плавучих объектов группы I
5.4.1 Плавучие объекты
группы I в отношении высоты надводного борта и высоты минимального надводного борта должны соответствовать применимым требованиям
5.1,
5.2,
5.4 ч. II ПКПС для закрытых судов внутреннего плавания.
Высота надводного борта плавучих объектов группы II
5.4.2 (Признан утратившим силу)
5.4.3 Надводный борт до верхней кромки стапель-палубы плавучего дока в рабочем положении со 100% запасов и топлива с судном, водоизмещением равным грузоподъемности дока, должен быть не менее 300 мм. Надводный борт до нижней кромки стапель-палубы при этом должен быть не менее 75 мм.
Кроме того, при перемещении крана (кранов) с максимальным грузом стапель-палуба не должна входить в воду.
5.4.4 Надводный борт до топ-палубы плавучего дока и кессон-дока в предельном погружении должен быть не менее 1,0 м.
В случае потери воздушной подушки под палубой безопасности в одном любом балластном отсеке, нижняя кромка открытых отверстий должна возвышаться над ватерлинией до спрямления не менее чем на 75 мм.
5.4.5 В оконечностях на внутренних бортах башен на шкалах марок углублений дока яркой краской должны быть нанесены горизонтальные метки на уровне предельной линии погружения.
Осадка и надводный борт плавучих объектов групп III и IV
5.4.6 Осадка наплавного моста при эксплуатации складывается из средней осадки моста и его просадки под движущимися транспортными средствами с учетом крена.
5.4.7 При определении средней осадки наплавного моста нагрузка складывается из следующих составляющих:
1. веса конструкции наплавного моста;
2. равномерно распределенной в соответствии с
4.4.13.1 части нагрузки интенсивностью
q = 7,85 кН/м.
5.4.8 Просадка наплавного моста определяется с учетом следующего:
1. просадка в средней части наплавного моста на жесткосочлененных опорах от расчетной нагрузки, создаваемой двухосной тележкой с осевой нагрузкой P = 78,5 кН, рассчитывается по формуле, м:

(5.4.8-1)
где x - отстояние сечения, в котором определяется искомая величина, от сечения, в котором приложена осевая нагрузка P, м;
2. просадка свободного конца наплавного моста на жесткосочлененных опорах от расчетной нагрузки, создаваемой двухосной тележкой с осевой нагрузкой P = 78,5 кН, рассчитывается по формуле, м:

(5.4.8-2)
3. для мостов на отдельных плавучих опорах просадка

умножается на коэффициент
k1:
5.4.10 Аварийная просадка наплавного моста при затоплении понтона моста определяется по
формулам (5.4.8-1) и
(5.4.8-2), при этом в качестве внешней нагрузки принимается вес влившейся воды.
5.4.11 Крен наплавного моста определяется по формуле, град:

(5.4.11)
где my - момент, кренящий наплавной мост на 1°, кН·м;

- сумма кренящих моментов наплавного моста от смещения транспортных средств от оси моста, ветра и гидродинамического давления воды.
5.4.12 Кренящий момент
Mкрг.д.в от гидродинамического давления воды равен произведению гидродинамического давления воды
R2, определенного в
8.2.6, на условное вертикальное плечо его приложения от поверхности воды, принимаемое равным, м,

(5.4.12)
то есть Mкрг.д.в = R2yR,
где H - средняя глубина воды, м;
zg - возвышение центра тяжести понтона над основной плоскостью, м;
zc - возвышение центра величины понтона над основной плоскостью, м;
t - средняя осадка наплавного моста, м;
V - средняя скорость течения воды под мостом, м/с.
Формула (5.4.12) справедлива при размере понтона, ориентированного по течению, не менее 9
t.
5.4.13 Угол крена наплавного моста при суммарном кренящем моменте в соответствии с
5.4.12 в носовую и кормовую стороны не должен превышать 5°.
5.4.14 Высота минимального надводного борта, вычисленная на миделе плавучей опоры наплавного моста, предназначенного для эксплуатации в бассейнах разрядов
"Р" и
"Л", независимо от длины моста должен быть не менее 220 мм.
5.4.15 В случае аварийного затопления понтона наплавного моста аварийная ватерлиния должна проходить не более чем на 0,075 м ниже линии палубы понтона.
6.1.1 Элементы конструктивной противопожарной защиты, системы и средства пожаротушения, пожарная сигнализация, пожаровзрывобезопасность судовых бытовых установок, работающих на жидком, газообразном и твердом топливе, помещений и систем отопления плавучих объектов должны соответствовать требованиям
ч. III ПКПС, если требованиями настоящего раздела не установлено иное.
6.1.2 Противопожарная защита плавучих объектов
группы I, используемых как плавучие гостиницы, общежития, брандвахты (см.
2.3.4), должна быть выполнена в зависимости от числа проживающих (находящихся) на борту людей:
1. до 50 чел. - как для пассажирских судов длиной менее 65 м;
2. от 50 до 200 чел. - как для пассажирских судов длиной от 65 до 100 м;
3. более 200 чел. - как для пассажирских судов длиной более 100 м.
6.1.3 На плавучих объектах, относящихся к
группам I и
II (см.
2.3.4), должны быть предусмотрены пожарные планы.
Пожарные планы должны размещаться в местах, доступных для их обозрения: в постах пожарных центральных, постах управления или на путях эвакуации.
6.2 КОНСТРУКТИВНАЯ ПРОТИВОПОЖАРНАЯ ЗАЩИТА
Конструктивная противопожарная защита
6.2.1 Конструктивная противопожарная защита плавучих объектов
группы I, предназначенных для проживания или размещения на них более 12 чел., должна соответствовать требованиям
ч. III ПКПС к пассажирским судам.
6.2.2 Применение дерева в качестве конструкционного материала для надстроек плавучих объектов типа дебаркадеров, плавучих домов, гостиниц, ресторанов, плавучих причалов, эксплуатируемых непосредственно у берега и пришвартованных к нему допускается, если будут выполнены помимо требований
6.2.1 следующие требования:
1. надстройки должны быть изготовлены из лесоматериалов, пропитанных огнезащитным составом в соответствии с
ГОСТ Р 53292 и
10.4 приложения 1 ПТНП;
2. должно быть предусмотрено не более трех ярусов надстройки;
3. для изоляции, отделки и мебели должны быть использованы негорючие материалы;
4. все помещения должны быть оборудованы автоматической пожарной сигнализацией;
5. материалы надстройки следует выбирать с учетом пожароопасности устанавливаемых в ней технических средств, элементов систем и электрического оборудования плавучего объекта;
6. для курения на плавучем объекте должно быть оборудовано специальное помещение, соответствующее требованиям
2.7.27 ч. III ПКПС;
7. должно быть предусмотрено не менее двух (основного и запасного) путей эвакуации из каждого помещения и в целом с плавучего объекта. Запасной путь может обеспечиваться с помощью переносных (складных или веревочных) трапов через окна и иллюминаторы.
Конструктивная противопожарная защита
6.2.3 Конструктивная противопожарная защита плавучих доков должна соответствовать требованиям, предъявляемым к грузовым судам внутреннего плавания
2.1 -
2.6 ч. III ПКПС.
6.2.4 Башни доков длиной более 65 м, имеющие собственные источники электроэнергии и котельную установку и (или) предназначенные для проживания экипажа численностью более 12 чел., должны быть разделены на вертикальные противопожарные зоны поперечными огнезадерживающими переборками.
Расстояние между огнезадерживающими переборками не должно превышать 40 м.
6.2.5 Двери и проходы в противопожарных переборках должны быть равноценными по огнестойкости самой переборке.
6.2.6 Защита трапов плавучих доков, проходящих через одну или несколько палуб, должна соответствовать требованиям
2.4 ч. III ПКПС.
6.2.7 В дополнение к требованиям
2.2.3.2 ч. III ПКПС переборки и части палуб, отделяющие машинные помещения от смежных с ними хозяйственных и служебных помещений допускается выполнять типа А-15 (см.
1.2.1.9 ч. III ПКПС).
Конструктивная противопожарная защита
6.2.8 Деревянные ограждения, настилы и палубы плавучих причалов и других объектов, несущими элементами которых являются понтоны, должны быть изготовлены из лесоматериалов, имеющих глубокую пропитку огнезащитным составом в соответствии с
ГОСТ Р 53292 и
п. 10.4 приложения 1 к ПТНП.
6.3 СИСТЕМЫ ПОЖАРОТУШЕНИЯ
Системы пожаротушения плавучих объектов группы I
6.3.1 Плавучие объекты типа дебаркадеров, плавучих домов, гостиниц, ресторанов, плавучих причалов с деревянными надстройками должны быть оборудованы системами водотушения, пенотушения или углекислотного тушения, соответствующими требованиям
разд. 3 -
5 ч. III ПКПС. При этом должны быть учтены требования
6.3.2 -
6.3.4.
6.3.2 Дебаркадеры, брандвахты и другие плавучие объекты, предназначенные для проживания или размещения более 12 чел., а также плавучие объекты с экипажем не менее 3 чел. должны быть оборудованы стационарными системами водотушения, использующими стационарные пожарные насосы, соответствующие требованиям
3.3.3,
3.3.5,
3.3.6,
3.3.10,
3.3.12,
3.3.13,
3.3.16 ч. III ПКПС. Машинные помещения плавучих объектов должны быть оборудованы системами пожаротушения в соответствии с
табл. 3.1.6 ч. III ПКПС.
6.3.3 В качестве пожарного насоса может быть использован подсоединенный к системе водотушения плавучего объекта переносной мотонасосный агрегат, который должен соответствовать следующим требованиям:
1. он должен обеспечивать одновременную работу двух ручных пожарных стволов с диаметром насадки не менее 12 мм при высоте всасывания не менее 5 м и давлении нагнетания 0,4 - 0,6 МПа, иметь самовсасывающую конструкцию;
2. двигатель насоса должен запускаться как при положительной, так и при отрицательной (до -5 °C) температурах окружающего воздуха. Вместимость топливного бака двигателя должна быть достаточной для обеспечения работы насоса в течение 1,5 ч. На плавучем объекте должен быть запас топлива, достаточный для заполнения топливного бака;
3. размеры и тип соединительной арматуры выкидных рукавов и стволов должны быть одинаковыми с принятыми на плавучем объекте для стационарной системы водотушения;
4. мотонасосный агрегат должен быть снабжен приспособлениями и инструментом в соответствии с спецификацией организации-изготовителя и храниться на палубе в специальном шкафу или ящике.
6.3.4 Если плавучие объекты, указанные в
6.3.2, не оборудованы собственными источниками электрической энергии, то установка на них аварийных пожарных насосов как для пассажирских судов в соответствии с
3.3.1 ч. III ПКПС не требуется.
Системы пожаротушения плавучих объектов группы II
6.3.5 Для плавучих доков подача, напор и количество пожарных насосов должны выбираться по наибольшему судну, которое может принять док, исходя из потребности системы водотушения в воде.
Давление в месте расположения любого крана при подаче воды через краны, определяемой по
формуле (6.3.6), должно быть не менее 0,25 МПа.
6.3.6 Суммарная подача стационарных пожарных насосов при давлении у любого крана не менее указанного в
6.3.5 должна быть не менее определенной по формуле, м
3/ч,
где

L,
B,
H - главные размерения судна, указанного в
6.3.5.
Суммарная подача пожарных насосов может не превышать 180 м3/ч, если из условия обеспечения одновременной работы других систем, потребляющих воду, не требуется большая подача.
6.3.7 Подача каждого стационарного пожарного насоса должна составлять не менее 80% общей требуемой подачи, разделенной на требуемое количество пожарных насосов, но не менее 25 м3/ч.
6.3.8 Пожарные насосы, расположенные вне машинных помещений с техническими средствами, работающими на жидком топливе, должны иметь отдельный кингстон в отсеках, в которых они установлены.
6.3.9 Пожарные насосы должны располагаться в помещениях с положительной температурой окружающего воздуха.
6.3.10 На плавучих доках без постоянного присутствия обслуживающего персонала в помещениях, в которых расположены пожарные насосы, или когда вахту несет только один человек, должны быть предусмотрены дистанционный пуск одного из насосов из центрального поста, или из района, в котором имеется постоянная вахта, и подача воды в магистраль без дополнительного открывания клапанов в помещении насосов. В месте дистанционного пуска насоса должен быть установлен указатель (сигнализатор) давления воды в магистрали.
6.3.11 На плавучих доках должна быть предусмотрена возможность приема воды с берега.
6.4 ПОЖАРНАЯ БЕЗОПАСНОСТЬ ПОМЕЩЕНИЙ С ПРИБОРАМИ
ДЛЯ ПРИГОТОВЛЕНИЯ ПИЩИ, РАБОТАЮЩИХ НА ГАЗОВОМ ТОПЛИВЕ
6.4.1 На плавучих объектах I категории не оборудованных каютами со спальными местами для размещения людей, допускается применение приборов для приготовления пищи, работающих на сжатом или сжиженном природном газе (см.
4.3.1 ч. III ПКПС), или на сжиженном нефтяном (углеводородном) газе <1>.
--------------------------------
6.4.2 Помещения с газовыми приборами, работающими на газовом топливе, должны соответствовать требованиям
4.3 ч. III и должны быть оборудованы естественной или искусственной вентиляцией, соответствующей требованиям
разд. 6 ч. XII ПКПС и обеспечивающей не менее 30 обменов воздуха в час. В них должна быть реализована циркуляция воздуха во всем объеме помещения без образования застойных зон и вытяжка из нижней и верхней зон помещения.
В помещениях, оборудованных стационарными газоанализаторами, допускается применение системы вентиляции, которая при отсутствии газа в помещении обеспечивает 15 обменов воздуха в час, а при обнаружении газа в помещении обеспечивает 30 обменов воздуха в час. При расчете производительности системы вентиляции не должен учитываться воздухообмен через иллюминаторы, двери, световые люки.
6.5 НОРМЫ ПРОТИВОПОЖАРНОГО СНАБЖЕНИЯ
6.5.1 Плавучие объекты
группы I, предназначенные для проживания и отдыха людей, должны быть укомплектованы противопожарным снабжением и огнетушителями по нормам, приведенным соответственно в
табл. 6.1.5 и
табл. 6.1.8 ч. III ПКПС для пассажирских судов, плавучие объекты
групп II,
III - для прочих судов. Плавучие объекты
группы IV противопожарным снабжением допускается не снабжать.
6.5.2 На плавучих объектах с деревянными надстройками должно быть размещено не менее, чем в два раза большее количество огнетушителей, предусмотренных
6.1.8 ч. III ПКПС, с учетом требований по допустимой массе зарядов этих огнетушителей.
6.5.3 В каждом машинном помещении плавучего дока с двигателями, работающими на жидком топливе, суммарной мощностью не менее 370 кВт, а также в котельном отделении плавучего дока с котлом, работающим на жидком топливе, должны быть предусмотрены по одному пенному огнетушителю вместимостью не менее 45 л, либо углекислотному или порошковому огнетушителю с массой заряда не менее 16 кг.
6.5.4 Места расположения противопожарного снабжения должны быть обозначены указателями из фотолюминесцентного материала или световыми электрическими указателями.
7 ЭНЕРГЕТИЧЕСКАЯ УСТАНОВКА И СИСТЕМЫ
7.1.1 Плавучие объекты в части общих положений, первичных двигателей генераторов и параметров крутильных колебаний их коленчатых валов, упругих муфт, компрессоров, насосов, вентиляторов, сепараторов, котлов, теплообменных аппаратов и сосудов под давлением, систем, трубопроводов и арматуры, средств и систем автоматизации, вибрации технических средств должны соответствовать требованиям
ч. IV ПКПС с учетом требований
7.1.2 и
7.2.
7.1.2 Центральный пост управления плавучих доков должен быть оборудован:
1. органами управления насосами и приемо-отливной арматурой балластной системы;
2. приборами для контроля крена, дифферента и прогиба дока;
3. сигнализацией работы насосов и положения ("открыто", "закрыто") приемо-отливной арматуры балластной системы;
4. сигнализацией предельных крена и дифферента;
5. указателями уровня воды в балластных отсеках;
6. средствами внутридоковой связи.
7.2.1 Плавучие объекты, оборудованные источниками энергии или получающие энергию с берега, должны быть оснащены средствами осушения в соответствии с
10.7.6 ч. IV ПКПС.
Плавучие объекты, не оборудованные паровыми котлами, работающими на жидком топливе, могут иметь в качестве средств осушения переносные насосы.
Ручной насос должен иметь подачу не менее 3,5 м3/ч.
7.2.2 Осушение пиков на плавучих объектах может осуществляться путем перепуска воды из этих отсеков в смежные при условии, что управление клинкетами, установленными на переборках пиков, будет производиться с палубы.
7.2.3 Каждое отливное отверстие трубопроводов, идущих из помещений, расположенных ниже предельной линии погружения плавучего дока, которые имеют в этих помещениях открытые концы, должны снабжаться обратным клапаном с принудительным закрытием из легкодоступного места, расположенного выше палубы безопасности.
7.2.4 Шпигатные и сточные трубы из помещений, которые расположены выше предельной линии погружения плавучего дока, а также с открытых палуб, проходящие через помещения дока и выводимые за борт ниже предельной линии погружения, должны быть оборудованы обратными клапанами у обшивки. Клапаны могут не предусматриваться, если толщина стенки этих труб ниже предельной линии погружения будет не меньше толщины обшивки, но не более 12 мм.
7.2.5 Машинные помещения и сухие отсеки должны быть оборудованы средствами осушения. Требования
10.7 ч. IV ПКПС, за исключением
10.7.21 и
10.7.30 ч. IV ПКПС, на осушительные системы плавучих доков не распространяются.
7.2.6 Балластная система плавучих доков должна быть выполнена так, чтобы любой балластный отсек мог быть осушен не менее чем двумя насосами.
7.2.7 На доках, которые могут эксплуатироваться при минусовых температурах окружающего воздуха, насосы и арматура должны быть расположены в отапливаемых отсеках дока или иметь местный обогрев.
7.2.8 Если управление арматурой балластной системы осуществляется от источника энергии, бортовая приемная и отливная арматура должна иметь аварийный ручной привод, выведенный не ниже палубы безопасности. Требования
10.8 ч. IV ПКПС на балластную систему плавучих доков не распространяются.
7.2.9 Воздушные трубы балластных отсеков плавучих доков должны выводиться выше предельной линии погружения не менее чем на 300 мм.
Допускается вывод воздушных труб через бортовую обшивку башен доков.
Требования
10.10.1 -
10.10.16 ч. IV ПКПС на воздушные трубы балластных отсеков плавучих доков не распространяются.
7.2.10 Измерительные трубы балластных отсеков плавучих доков должны выводиться на топ-палубу.
7.2.11 Допускается применение бортовой арматуры с использованием в уплотнении запорного органа резины в балластных системах плавучих доков при условии отсутствия в отсеке, в котором расположена арматура, трубопроводов и установок жидкого топлива.
8 УСТРОЙСТВА И СНАБЖЕНИЕ ПЛАВУЧИХ ОБЪЕКТОВ
8.1.1 Плавучие объекты в части общих положений, якорного, швартовного, грузоподъемного, буксирного и сцепного (счального) устройств, спасательных и сигнальных средств, аварийного и навигационного снабжения должны соответствовать требованиям
ч. V ПКПС, если требованиями настоящего раздела не установлено иное.
8.1.2 Рулевое устройство на плавучих объектах не требуется.
8.2.1 Плавучие объекты, за исключением наплавных мостов, допускается не оборудовать якорным устройством, если такое устройство не предусмотрено техническим заданием на проектирование, согласованным с Российским Классификационным Обществом.
8.2.2 Каждый наплавной мост должен быть оборудован якорным устройством, обеспечивающим его раскрепление на месте эксплуатации.
8.2.3 Якорное снабжение наплавного моста следует обосновывать расчетом в зависимости от характера и особенностей его эксплуатации и согласовывать с Российским Классификационным Обществом.
8.2.4 Расчет раскрепления наплавных мостов производят с учетом следующего:
1. продольное раскрепление концов речной части за береговые якоря рассчитывают на восприятие половины продольного давления ветра на конструкции речной части (для каждого берега);
2. верховое поперечное раскрепление рассчитывают на восприятие горизонтального расчетного давления воды на плавучие опоры при наибольшей осадке от собственного веса моста и временной нагрузки на нем, которое суммируется с верховым давлением ветра на конструкции моста и транспортные средства на нем;
3. низовое поперечное раскрепление рассчитывают на разность давления низового ветра на конструкции моста, которое определяется при отсутствии на мосту временной нагрузки или с ней (в зависимости от того, что больше) и давления воды на плавучие опоры моста.
8.2.5 Расчетное усилие на мост от ветрового давления определяется по формуле, кН:

(8.2.5)
где W - расчетное давление ветра, следует принимать W = 400 кПа;
fi - площадь парусности поверхностей надводных частей плавучих опор пролетного строения, колесоотбоев, леерного ограждения и подвижного состава, м2;
Kci - коэффициенты сплошности площадей парусности.
8.2.6 Расчетное поперечное усилие от давления воды на мост определяется по формуле, кН:
где
C1 - коэффициент сопротивления, вызываемого образованием в пролетах волн, расходящихся от носовых обводов; определяется по
табл. 8.2.6-1 в зависимости от соотношения длины пролета моста
l1 (расстояние между осями опор) и ширины плавучей опоры
B;
C0 - коэффициент сопротивления, зависящий от формы и соотношения размеров плавучей опоры и определяемый по
табл. 8.2.6-2;
Ch - коэффициент сопротивления, учитывающий влияние мелководья; определяется по
табл. 8.2.6-3;

- плотность воды, кг/м
3;
v - поверхностная скорость течения, м/с;
S - площадь подводного сечения плавучей опоры плоскостью, перпендикулярной направлению течения воды, м2.
Таблица 8.2.6-1
Коэффициент сопротивления C1
l1/B | C1 |
1,0 - 1,1 | 0,8 |
1,5 - 2,0 | 1,0 |
2,5 - 3,0 | 1,2 |
более 4 | 1,0 |
Таблица 8.2.6-2
Значения коэффициента сопротивления C0
Характеристика обводов | B/b | Схема понтона | C0 |
носовых | кормовых |
Вертикальный транец | > 3 > 4,5 | | 1,25 1,0 |
Санообразные  Санообразные  | > 4,5 < 3 | | 0,5 0,56 |
Санообразные  | Вертикальный транец | < 3 > 4,5 | | 0,6 0,42 |
Санообразные  | > 4,5 | | 0,38 |
Лыжеобразные | > 4,5 | | 0,32 |
Утюгообразные | > 4,5 | | 0,29 |
Ложкообразные | > 4,5 | | 0,26 |
V-образные | Ложкообразные | > 4,5 | | 0,23 |
Лагом (бортом) к течению | - | | 0,9 |
Примечание. B и b - см. 4.4.7. |
Таблица 8.2.6-3
КОЭФФИЦИЕНТ СОПРОТИВЛЕНИЯ Ch
Вид переправы | H/t | Значения Ch при скорости течения, м/с |
0,5 | 1,0 | 1,5 | 2,0 | 2,5 | 3,0 |
Мосты на отдельных плавучих опорах | 2 | 1,35 | 3,5 | 5,0 | 8,0 | 11,0 | 12,8 |
4 | 1,15 | 1,35 | 1,5 | 2,0 | 2,7 | 3,3 |
6 | 1,1 | 1,2 | 1,4 | 1,7 | 2,0 | 2,2 |
8 | 1,1 | 1,15 | 1,2 | 1,3 | 1,35 | 1,45 |
Мосты на жесткосочлененных опорах | 3 | - | 10,0 | 27,0 | 43,0 | 50,0 | 65,0 |
6 | - | 1,75 | 2,0 | 2,5 | 9,0 | 10,0 |
9 | - | 1,35 | 1,8 | 2,8 | 5,0 | - |
Примечание. H - средняя глубина воды на участке; t - наибольшая осадка плавучих опор. |
8.2.7 Подбор якорного раскрепления производится по значениям горизонтального сдвигающего усилия
Rb (рис. 8.2.7) и выдергивающей вертикальной силы
P.
Горизонтальное сдвигающее усилие определяется по формулам, кН:
1. для верхового раскрепления:
RВ = R1B + R2, (8.2.7-1)
где
Rт.в - расчетное усилие от верхового ветрового давления на мост, определяемое в соответствии с
8.2.5 при давлении верхового ветра, кН;
2. для низового раскрепления:
RН = R1H - R2, (8.2.7-2)
где
R1H - расчетное усилие от низового ветрового давления на мост, определяемое в соответствии с
8.2.5 при давлении низового ветра, кН.
Вертикальная выдергивающая сила определяется по формуле, кН:
P = RвH/L - 0,5p1L1,
где
L1 - горизонтальная проекция длины якорного каната (см.
рис. 8.2.7), м;
p1 - погонный вес каната (цепи) в воде, кН/м.
Рис. 8.2.7. Схема якорного раскрепления
8.2.8 Якорь подбирают таким образом, чтобы его вес был не менее вертикальной выдергивающей силы, а горизонтальная сила - не менее 1,5 горизонтального сдвигающего усилия. Горизонтальную держащую силу определяют умножением веса якоря на коэффициент держащей силы якоря, приведенный в
табл. 8.2.8.
Таблица 8.2.8
Значения коэффициента держащей силы якоря
Грунт дна | Коэффициент держащей силы якоря |
Матросова | Холла | адмиралтейского | железобетонного плитовидного |
Песчаный | 4 - 8 | 2,0 - 2,7 | 2,7 - 3,3 | 1,1 - 1,2 |
Галечный | 2,7 - 4,7 | 2,0 - 2,7 | 2,0 - 53 | 1,2 - 1,4 |
Илистый | 7,3 - 11,5 | 1,3 - 2,0 | 1,3 - 2,7 | 1,2 - 1,3 |
Каменистый | 6 - 12 | 2 - 4 | 2,0 - 5,3 | 1,1 - 1,2 |
Глинистый | 3,3 - 6,0 | 6 - 9 | 7 - 10 | 1,2 - 1,4 |
Растительный | 4 - 8 | 3 - 5 | 4 - 6 | 1,1 - 1,2 |
Примечание. Большее значение коэффициентов принимается для крупнозернистых (кроме валунных) и плотных грунтов дна. |
8.2.9 Подбор якорных канатов (цепей) производят по наибольшему усилию, возникающему у плавучей опоры (см.
рис. 8.2.7) и определяемому по формуле, кН:
1. для верхового раскрепления:

(8.2.9.1)
где k - коэффициент запаса прочности каната или цепи;
n - количество канатов (цепей) верхового раскрепления;
P - вертикальная составляющая усилия, кН:
P1 = RвH/L1 + 0,5p1L1;
2. для низового раскрепления:

(8.2.9.2)
Канаты или цепи подбирают по усилиям, приведенным в
ГОСТ 3079 и
ГОСТ 228, со следующими запасами прочности: канаты - 3; цепи без распорок - 2; цепи с распорками - 1,5.
8.2.10 Длину якорных канатов (цепей) следует принимать не менее 8 - 10 наибольших глубин на раскрепляемом участке.
8.2.11 При использовании раскреплений косыми оттяжками к берегам усилие T увеличивается путем деления на косинус угла между оттяжкой и перпендикуляром к оси моста.
8.2.12 При закреплении моста за поперечный канат, натянутый между берегами, усилие в нем определяют по формуле, кН:

(8.2.12)
| | ИС МЕГАНОРМ: примечание. Обозначения даны в соответствии с официальным текстом документа. | |
где

- сумма усилий, действующих на плавучие опоры речной части, кН;
Lt - расстояние между береговыми закреплениями каната, м;
Lm - длина речной части моста, м;
fr - стрелка прогиба каната в горизонтальном направлении, м;
fb - вертикальная стрелка провисания троса, м.
8.3 БУКСИРНОЕ ИЛИ СЦЕПНОЕ (СЧАЛЬНОЕ) УСТРОЙСТВО
8.3.1 Плавучие объекты должны быть оборудованы буксирным или сцепным (счальным) устройством (их элементами), позволяющим перемещать плавучие объекты по воде.
8.3.2 Конструкция и оборудование буксирных, сцепных (счальных) устройств и их элементов должны быть такими, чтобы персонал мог выполнить действия по заведению буксирного троса или счаливанию буксира-толкача и плавучего объекта.
8.4 СПАСАТЕЛЬНЫЕ СРЕДСТВА
8.4.1 Плавучие объекты
группы I должны быть снабжены коллективными спасательными средствами по нормам, установленным
8.2.1 ч. V ПКПС, а также спасательными жилетами, исходя из обеспечения 100% людей, находящихся на борту, и детскими жилетами в соответствии с
8.3.4 ч. V ПКПС. Плавучие объекты
группы I, пришвартованные у берега и оборудованные сходными трапами, коллективными спасательными средствами и спасательными жилетами допускается не снабжать, кроме спасательных жилетов, предназначенных для вахтенного персонала, например, при перегоне плавучего объекта.
8.4.2 Корпуса плавучих объектов
группы I по периметру в районе ватерлинии должны быть оборудованы спасательным леером из каната диаметром не менее 9,5 мм. Леер должен фиксироваться к корпусу таких плавучих объектов через равностоящие участки (0,5 x 1,0 м).
8.4.3 На плавучих объектах
группы I длиной 30 м и менее должно быть предусмотрено по два спасательных круга на каждой палубе, а длиной более 30 м - по четыре спасательных круга на каждой палубе. Один из спасательных кругов, расположенных на главной палубе, должен быть со спасательным линем.
8.4.4 Плавучие доки в зависимости от класса и района эксплуатации должны быть снабжены коллективными спасательными средствами по нормам, установленным
8.2.2 ч. V ПКПС для судов технического флота,
8.2.8,
8.2.9,
8.2.15 ч. V ПКПС, а также спасательными жилетами, исходя из обеспечения 100% людей, находящихся на борту. Плавучие доки, пришвартованные у берега, оборудованные сходными трапами, соответствующими требованиям
10.4.1 ч. I ПКПС, могут не иметь спасательных средств, за исключением спасательных кругов и спасательных жилетов, предназначенных для вахтенного персонала.
8.4.5 На плавучих доках длиной 30 м и менее должно быть по два спасательных круга на каждой топ-палубе, а длиной более 30 м - по четыре спасательных круга на каждой топ-палубе. Один из спасательных кругов на каждой палубе должен быть со спасательным линем.
| | ИС МЕГАНОРМ: примечание. Пункт дан в соответствии с официальным текстом документа. | |
8.4.6 Наплавные мосты спасательными средствами, за исключением спасательных кругов, допускается не снабжать. Наплавные мосты должны снабжаться спасательными кругами из расчета один спасательный круг на 10 м длины моста и устанавливаться на леерном ограждении с низовой по течению стороны наплавного моста; 15% из них должны быть со спасательным линем. В случае, если в соответствии с проектом наплавной мост имеет выводное звено, постоянно обслуживаемое буксиром, снабжение моста спасательными кругами 8.4.6 допускается не производить.
8.4.7 Плавучие объекты
группы IV спасательными средствами допускается не снабжать.
8.5.1 Плавучие объекты, эксплуатируемые в водных бассейнах разрядов
"Л",
"Р",
"О" и
"М" снабжаются сигнально-отличительными фонарями по следующим нормам:
1. при длине объекта менее 50 м - один белый круговой огонь на мачте и один белый круговой огонь на стенке надстройки;
2. при длине объекта 50 м и более - по одному белому круговому огню на оконечностях конструкции плавучего объекта, а также дополнительные белые круговые огни, расположенные на расстоянии не более 50 м между ними.
Сигнально-отличительные фонари должны быть видимыми со стороны судового хода.
Плавучие объекты, эксплуатируемые в водных бассейнах разрядов "О-ПР", "М-ПР" и "М-СП", снабжаются сигнально-отличительными фонарями по нормам, установленными в
табл. 9.2.1-2 ч. V ПКПС.
8.5.2 Плавучие доки и кессон-доки должны снабжаться четырьмя белыми круговыми огнями, установленными на углах башен.
8.5.3 Номенклатура и порядок установки сигнально-отличительных фонарей и дневных сигналов на наплавных мостах определяются "
Правилами плавания судов по внутренним водным путям".
(в ред.
Извещения N 9, утв. Приказом ФАУ "Российское Классификационное Общество" от 23.04.2025 N 22-п)
8.5.4 Наплавные мосты должны оборудоваться сигнально-отличительными фонарями по следующим нормам:
1. в случае, когда мост разведен для пропуска судов, на правобережной русловой части должны быть предусмотрены два красных фонаря на верхнем и нижнем по течению углах пролета, на левобережной - два зеленых фонаря в тех же местах; на выводном звене (отведенном) на конце, выдающемся в сторону судового хода, устанавливается фонарь (фонари): при отводе к правому берегу - красный, к левому - зеленый;
2. на сведенном мосту по всей его длине должны быть установлены белые круговые фонари через каждые 50 м, при этом количество фонарей должно быть не менее трех.
8.5.5 Фонари, указанные в
8.5.4, должны быть видимы по горизонту на 360° на расстоянии не менее 4 км.
8.5.6 Применяемые на наплавных мостах сигнально-отличительные фонари должны быть электрическими.
8.5.7 Наплавные мосты должны быть снабжены запасными частями к сигнально-отличительным фонарям:
1. светофильтрами - по одному на каждый цветной фонарь, если в фонаре не применена цветная линза;
2. электрическими лампами - по одной на каждый электрический фонарь.
Все запасные части к сигнально-отличительным фонарям должны храниться в помещениях, расположенных в непосредственной близости от моста.
8.5.8 Фонари с углом видимости 360° в горизонтальной плоскости должны устанавливаться таким образом, чтобы их огни не закрывались конструкциями и оборудованием моста в секторах, превышающих 6°.
8.5.9 Сигнально-отличительные фонари должны быть установлены на высоте не менее 2 м над проезжей частью наплавного моста.
8.5.10 Требования
8.5.4 -
8.5.9 распространяются также на наплавные мосты, находящиеся в эксплуатации.
8.5.11 Плавучие объекты
группы I, предназначенные для проживания или размещения людей, должны быть снабжены звуковыми сигнальными средствами, соответствующими требованиям
9.4.5 ч. V ПКПС для несамоходных судов
.
Снабжение наплавных мостов
8.6.1 В снабжении наплавного моста должен быть предусмотрен комплект инструмента для технического обслуживания разъемных соединений моста и механизмов.
8.6.2 Предметы снабжения должны храниться в дежурном помещении моста (при его наличии) или в помещениях, расположенных в непосредственной близости от моста.
Навигационное снабжение
8.6.3 Плавучие объекты
группы I, предназначенные для проживания и отдыха людей, должны быть снабжены футштоком и кренометром.
8.6.4 Навигационное снабжение автономных плавучих доков должно соответствовать нормам
табл. 10.2.2 ч. V ПКПС как для судов категории III
.
8.6.5 Навигационное снабжение на кессон-доках допускается не предусматривать.
Аварийное снабжение
8.6.6 Аварийное снабжение для плавучих объектов
группы I должно соответствовать нормам
табл. 11.2.2 ч. V ПКПС как для судов VI и VII группы. Плавучие объекты
группы I, пришвартованные у берега, имеющие оборудованные сходные трапы, обеспечивающие безопасную эвакуацию людей на берег, аварийным снабжением допускается не комплектовать.
8.6.7 Аварийное снабжение для плавучих объектов
групп III и
IV не требуется.
8.6.8 Плавучие доки должны иметь аварийное снабжение, указанное в
пунктах 7,
8,
26 -
30,
36 -
40 табл. 11.2.2 ч. V ПКПС, принимая при этом вместо длины судна
L длину стапель-палубы плавучего дока
LСП. Плавучие доки, пришвартованные у берега, имеющие сходные трапы, обеспечивающие безопасную эвакуацию людей на берег, аварийным снабжением допускается не снабжать.
9 ЭЛЕКТРИЧЕСКОЕ ОБОРУДОВАНИЕ
9.1 ЭЛЕКТРИЧЕСКОЕ ОБОРУДОВАНИЕ ПЛАВУЧИХ ОБЪЕКТОВ ГРУППЫ I
9.1.1 Плавучие объекты
группы I, предназначенные для проживания и отдыха людей, в части общих требований, основных и аварийных источников электрической энергии, распределения электрической энергии, распределительных устройств, электрических аппаратов и трансформаторов, электрических машин и приводов, аккумуляторов, электрических отопительных и нагревательных приборов, освещения и сигнально-отличительных фонарей, внутренней связи и сигнализации, кабельной сети, молниезащитных устройств, запасных частей и предметов снабжения должны соответствовать требованиям
ч. VI ПКПС для пассажирских судов с учетом требований
9.1.2 -
9.1.8.
9.1.2 Время работы аварийного источника электрической энергии на автономном плавучем объекте
группы I должно составлять не менее 3 ч, для неавтономных плавучих объектов, основным источником электрической энергии на которых является береговой источник, - не менее 1 ч.
9.1.3 Аварийный источник электрической энергии должен питать потребители, указанные в
табл. 4.5.1 ч. VI ПКПС.
9.1.4 На неавтономных плавучих объектах, у которых основным источником электрической энергии является береговой источник, аварийный источник должен питать сеть аварийного освещения (допускается вместо сети аварийного освещения использовать переносные электрические фонари) и сигнально-отличительные фонари.
Время работы аварийного источника в этом случае должно быть не менее 1 ч.
9.1.5 В качестве основных источников электрической энергии на автономных плавучих объектах
I группы, должно устанавливаться не менее двух источников электрической энергии. В дополнение к ним может предусматриваться питание бортовой сети от берегового источника.
9.1.6 Сигнально-отличительные фонари допускается питать от щитов освещения.
9.1.7 В каждой плавучей гостинице должен быть установлен автономный аварийный источник электрической энергии, обеспечивающий питание потребителей в соответствии с
9.1.2.
9.1.8 При питании плавучего объекта от береговой электрической сети с глухозаземленной нейтралью все сети плавучего объекта должны выполняться с нулевым проводником, изолированным от корпуса, при этом полная проводимость нулевого проводника во всех случаях должна быть не менее 50% проводимости фазного проводника. Нулевые проводники должны располагаться в одной оболочке с фазными.
9.2 ЭЛЕКТРИЧЕСКОЕ ОБОРУДОВАНИЕ ПЛАВУЧИХ ОБЪЕКТОВ ГРУППЫ II
Область распространения
9.2.1 Требования настоящей главы распространяется на:
1. электроприводы, их системы управления, системы контроля, сигнализации, обеспечивающие погружение и всплытие плавучего дока;
2. устройства заземления докуемого судна.
Защитное исполнение корпусов электрического оборудования
9.2.2 Защитное исполнение корпусов электрического оборудования должно соответствовать требованиям
табл. 2.3.6 ч. VI ПКПС с учетом того, что сухие отсеки башен дока относятся к помещениям повышенной влажности с IP44, а сухие отсеки понтонов, туннели в понтонах и другие подобные помещения - к особо сырым помещениям с IP55.
Заземление
9.2.3 Заземление на корпус дока каждого докуемого судна должно быть выполнено не менее чем двумя специальными гибкими кабельными либо жесткими перемычками сечением не менее 70 мм2 каждая, а на доке должны быть предусмотрены устройства для подключения их к корпусу дока.
9.2.4 Для соединения корпуса дока с устройством заземления на берегу на доке должно быть предусмотрено не менее двух медных гибких кабелей сечением не менее 70 мм2 каждый и устройства для присоединения этих кабелей к корпусу дока.
9.2.5 Точки подключения проводников к корпусу дока должны находиться в местах, к которым обеспечен свободный доступ. Эти точки должны располагаться на конструкциях, имеющих сварное соединение с корпусом дока.
Число и мощность источников электрической энергии
9.2.6 В качестве основных источников электрической энергии для доков необходимо применять:
1. генераторы;
2. береговую электрическую энергосистему.
9.2.7 В качестве основных источников электрической энергии на автономных доках необходимо предусматривать не менее двух генераторов.
Для неавтономных доков допускается использование только берегового источника электрической энергии.
9.2.8 При использовании на неавтономном доке в качестве основного источника электроэнергии береговой электрической сети с глухозаземленной нейтралью, а в качестве аварийного источника - дизель-генератора, система распределения от генератора должна быть с глухозаземленной нейтралью.
9.2.9 Мощность основных генераторов автономных доков или мощность, поступающая от береговой электрической энергосистемы, должна быть достаточной для обеспечения следующих режимов работы дока:
1. погружения;
2. ввода судна в док;
3. всплытия;
4. аварийного режима;
5. других режимов в соответствии с назначением дока.
9.2.10 Мощность основных генераторов автономного дока должна быть такой, чтобы при неисправности любого из генераторов оставшиеся обеспечивали безопасное погружение и всплытие дока, ввод и вывод судов.
Распределение электрической энергии
9.2.11 Кроме указанных в
5.1.1 ч. VI ПКПС систем распределения, возможно применение однопроводной системы на постоянном или на переменном токе, с использованием корпуса дока в качестве обратного провода только для сварочной сети, а также для устройств контроля и измерения сопротивления изоляции.
9.2.12 От шин главного распределительного щита должны получать питание по отдельным линиям в дополнение к
5.3.1 ч. VI ПКПС следующие потребители:
1. система контроля, сигнализации и управления процессами погружения и всплытия дока;
2. щиты электроприводов клинкетов балластной системы;
3. щиты питания сварочных агрегатов;
4. щиты питания докуемых судов.
9.2.13 Питание ответственных устройств и электроприводов механизмов, находящихся на башне, на которой не установлен источник энергии, должно осуществляться от распределительного щита, установленного на этой башне. Такой щит должен рассматриваться как вынесенная часть главного распределительного щита и получать питание по двум линиям от главного распределительного щита. Сечение каждой питающей линии должно быть достаточным для питания ответственных потребителей башни в случае неисправности одной из них. Если позволяет конструкция дока, трассы прокладки питающих линий между башнями должны проходить по разным помещениям.
9.2.14 Сигнально-отличительные фонари допускается питать от щитов освещения.
9.2.15 При питании неавтономного дока электроэнергией напряжением выше 1 кВ от береговой электрической энергосистемы дополнительно к линии выше 1 кВ должно быть предусмотрено устройство для подключения низковольтной линии питания. Это устройство должно быть рассчитано на передачу электроэнергии, необходимой при стоянке дока без ремонтных работ. При этом должна быть предусмотрена возможность питания электропривода хотя бы одного пожарного насоса, имеющего наибольшую мощность по сравнению с остальными, при полной нагрузке, всех двигателей приводов клинкетов (задвижек) и освещения помещений.
При питании неавтономного дока электроэнергией напряжением выше 1 кВ по двум независимым линиям низковольтную линию питания допускается не предусматривать.
9.2.16 На видном месте корпуса либо на двери щита питания от внешнего источника электроэнергии должна быть нанесена предупреждающая надпись, указывающая значение напряжения.
9.2.17 Для каждого дока, который может получать питание от береговой энергосистемы, должен быть определен наивысший допускаемый уровень мощности короткого замыкания. Этот уровень должен быть указан на табличке щита питания от внешнего источника.
9.2.18 На суда, проходящие докование, питание должно подаваться от стационарно установленных на доке щитов питания.
9.2.19 Гибкий кабель, питающий докуемое судно, должен иметь сечение, рассчитанное на номинальный ток уставки защиты на отходящих линиях щита питания докуемого судна.
Сеть переносного электрического освещения
9.2.20 Штепсельные розетки для переносного освещения в дополнение к
10.5 ч. VI ПКПС должны быть установлены также:
1. в сухих отсеках башен, в которых расположены арматура и оборудование системы погружения и всплытия дока;
2. в помещениях на палубе безопасности, в которых расположено оборудование системы погружения и всплытия дока;
3. в помещении центрального поста управления погружением и всплытием дока;
4. в районе расположения электроприводов швартовных механизмов.
Связь
9.2.21 Должна быть предусмотрена двусторонняя переговорная связь (телефонная, громкоговорящая или с помощью переговорных труб) между центральным постом управления и следующими объектами:
1. посты управления швартовными шпилями;
2. помещение аварийного дизель-генератора;
3. помещение главного распределительного щита;
4. помещение основных дизель-генераторов;
5. помещение трансформаторной подстанции;
6. помещения, в которых установлены ручные приводы клинкетов системы погружения и всплытия дока;
7. станция пожаротушения;
8. машинное помещение.
9.2.22 На доке должна быть предусмотрена возможность подключения телефонного аппарата к сети электросвязи (береговой телефонной сети).
Авральная сигнализация
9.2.23 Авральная сигнализация должна приводиться в действие из помещения центрального поста управления и из помещения, предназначенного для дежурного персонала, если оно предусмотрено.
Прокладка кабелей
9.2.24 Если стапель-палуба освещается светильниками водопогружного исполнения и для питания их применены негерметизированные кабели, то эти кабели должны быть проложены в стальных водогазонепроницаемых трубах.
Трубы и их уплотнения должны быть выбраны с учетом работы при давлении, которое не меньше чем допускаемое для светильника, который может использоваться под водой.
Канализация электроэнергии и монтаж кабельной сети
при однопроводной системе распределения
9.2.25 Точки подключения проводников к стальному корпусу дока должны размещаться в таких местах, к которым обеспечен свободный доступ для контроля и наблюдения за контактными соединениями.
Эти точки должны располагаться на конструкциях, имеющих сварное соединение с корпусом дока.
9.2.26 Независимо от системы канализации электроэнергии, применяемой для сварочной сети, сварочный пост на докуемом судне должен питаться по двухпроводной системе от сварочной сети дока.
Использование корпуса докуемого судна в качестве обратного провода не допускается.
9.2.27 При производстве сварочных работ на корпусе судна, проходящего докование, кабель с противоположным электроду потенциалом должен подключаться к корпусу в районе места сварки.
Аварийные электрические установки
9.2.28 На каждом доке должен быть установлен аварийный источник электрической энергии, обеспечивающий питание всех потребителей, указанных в
9.2.29, в течение времени не менее чем, ч:
для автономных доков | 3 |
для неавтономных доков | 1 |
9.2.29 Аварийный источник электрической энергии в соответствии с
4.5.1 ч. VI ПКПС должен обеспечивать питание установленных на доке потребителей, а также:
1. электроприводов ответственных клинкетов системы погружения и всплытия дока (не менее двукратного закрывания и открывания клинкетов);
2. цепей управления и контроля системы погружения и всплытия дока;
3. средств внутренней связи и трансляции.
9.2.30 Аварийный источник электрической энергии должен соответствовать требованиям
4.2 ч. VI ПКПС.
9.2.31 Все аварийные потребители должны получать питание от аварийного распределительного щита.
Допускается в качестве аварийного распределительного щита использовать одну секцию главного распределительного щита при условии, что последний расположен выше предельной линии погружения дока.
Электроприводы системы погружения и всплытия дока
9.2.32 Электропривод клинкетов (задвижек) системы погружения и всплытия не должен препятствовать закрыванию и открыванию их вручную. При этом должно быть предусмотрено блокирующее устройство, исключающее работу электропривода при переводе клинкета на ручное управление.
9.2.33 При управлении приводами клинкетов, распределяющих воду по отсекам понтонов, рекомендуется предусматривать раздельное управление каждым клинкетом и групповое управление клинкетами правого или левого борта.
9.2.34 В цепях управления электрическим двигателем водоотливного (балластного) насоса должно предусматриваться местное и дистанционное управление из центрального поста с сигнализацией о работе электрического двигателя, а для двигателей с номинальным током 20 А и более (в соответствии с
6.5.3 ч. VI ПКПС) - с контролем за нагрузкой двигателя по амперметру.
Установка напряжением выше 1 кВ
9.2.35 Установка напряжением выше 1 кВ должна соответствовать требованиям
разд. 14 ч. VI ПКПС.
9.2.36 Электрическое оборудование напряжением выше 1 кВ должно располагаться в специальных электрических помещениях, соответствующих требованиям
14.1.3 ч. VI ПКПС.
9.3 ЭЛЕКТРИЧЕСКОЕ ОБОРУДОВАНИЕ ПЛАВУЧИХ ОБЪЕКТОВ
9.3.1 Плавучие объекты
групп III,
IV в части общих требований, основных и аварийных источников электрической энергии, распределения электрической энергии, распределительных устройств, электрических аппаратов и трансформаторов, электрических машин и приводов, аккумуляторов, электрических отопительных и нагревательных приборов, сигнально-отличительных фонарей, внутренней связи и сигнализации, кабельной сети, молниезащитных устройств, запасных частей и предметов снабжения должны соответствовать требованиям
ч. VI ПКПС для несамоходных судов и судов, эксплуатируемых без экипажа, а также требованиям
9.1.4,
9.1.5,
9.1.8.
10.1.1 Плавучие объекты в части общих положений, источников питания, размещения радиооборудования и монтажа кабельной сети, антенных устройств и заземления, требований к радиооборудованию должны соответствовать требованиям
ч. VII ПКПС с учетом требований
10.1.2 и
10.2.
10.1.2 Радиооборудование, не предусмотренное
10.2, допускается к установке на плавучие объекты в качестве дополнительного при условии выполнения требований
1.3.5 ч. VII ПКПС.
10.2 СОСТАВ СРЕДСТВ РАДИОСВЯЗИ
10.2.1 Плавучие объекты классов
"М",
"О",
"Р",
"Л", имеющие на борту экипаж или специальный персонал, должны быть оснащены радиооборудованием в соответствии с
табл. 2.1.1 ч. VII ПКПС как для судов класса "Л".
Указанные выше плавучие объекты, эксплуатируемые на участках с морским режимом судоходства, должны иметь УКВ-радиотелефонную станцию с частотами морской подвижной службы. Допускается использование портативной (носимой) УКВ-радиотелефонной станции, в комплект которой входит средство для зарядки аккумуляторных батарей от судовой сети. При отсутствии на плавучем объекте возможности зарядки аккумуляторных батарей должен быть предусмотрен комплект аккумуляторных батарей общей емкостью, обеспечивающей работу радиостанции в течение всего времени нахождения на борту экипажа или специального персонала из расчета непрерывной работы в течение суток не менее 1 ч на передачу и 24 ч на прием.
10.2.2 Плавучие объекты классов "М-СП", "М-ПР", "О-ПР", имеющие на борту экипаж или специальный персонал, должны быть оснащены радиооборудованием в соответствии с
2.2.3 ч. VII ПКПС.
10.2.3 Установка указанного в
10.2.1 -
10.2.2 оборудования не требуется для плавучих объектов, пришвартованных у берега и подключенных к сети стационарной проводной телефонной связи общего пользования или технологической сети связи, присоединенной к сети связи общего пользования. В этом случае плавучие объекты должны быть оснащены портативной (носимой) УКВ-радиотелефонной станцией, имеющей в своем комплекте средства для зарядки аккумуляторов от судовой сети для обеспечения радиотелефонной связи с судами при швартовных и специальных операциях.
(обязательное)
ДОКУМЕНТОВ РОССИЙСКОГО КЛАССИФИКАЦИОННОГО ОБЩЕСТВА
1 Перечень документов, выдаваемых Российским Классификационным Обществом при классификации и освидетельствовании плавучих объектов, приведен в
табл. П1.1
Таблица П1.1
документов, выдаваемых российским классификационным
обществом при классификации и освидетельствовании
плавучих объектов
Форма документа | Наименование документа | Область применения |
Свидетельства |
1. РКО-1.0.4 | Свидетельство о соответствии плавучего объекта | Выдается на каждый плавучий объект |
1.2 Приложение П5 | Районы и условия эксплуатации | Является приложением к форме РКО-1.0.4, где устанавливаются допускаемые к эксплуатации разряды водных бассейнов и условия эксплуатации |
2. РКО-1.0нм | Свидетельство о классификации | Выдается на наплавные мосты на соответствие требованиям Технического регламента |
3. РКО-1.1 | Основные технические данные, перечень оборудования и снабжения плавучего объекта | Выдается на каждый плавучий объект, кроме указанных в п. 4 настоящей таблицы |
| Основные технические данные, перечень оборудования и снабжения плавучего объекта | Выдается на плавучие объекты, состоящие из нескольких соединенных между собой секций (понтонов) |
5. РКО-1.6 | Свидетельство о грузовой марке плавучего объекта | Выдается на плавучие объекты с основными символами "Л", "Р", "О" и "М" в их классе, допущенные к эксплуатации на участках с морским режимом судоходства |
6. РКО-1.6.1 | Свидетельство о грузовой марке плавучего объекта с основным символом "М-СП" в классе | Выдается на плавучие объекты с основным символом "М-СП" в классе |
7. РКО-1.6.2 | Свидетельство о грузовой марке плавучего объекта с основными символами "М-ПР" или "О-ПР" в классе | Выдается на плавучие объекты с основными символами "М-ПР" или "О-ПР" в классе |
8. РКО-1.6.3 | Свидетельство о грузовой марке плавучего объекта с основным символом "ПР" в классе | Выдается на плавучие объекты с основным символом "ПР" в классе |
9. РКО-1.13 | Свидетельство на разовый перегон | Выдается на плавучие объекты при передислокации к месту постоянной эксплуатации после постройки, ремонта, модернизации, переоборудования, либо от места предыдущей дислокации, а также для перегона к месту ремонта после повреждений, без устранения которых не обеспечивается безопасность дальнейшей эксплуатации |
10. РКО-1.13нм | Свидетельство на разовый перегон | Выдается на плавучие объекты, состоящие из нескольких соединенных между собой секций (понтонов) в целях осуществления перегона от места постройки (переоборудования), либо от места предыдущей дислокации к месту эксплуатации |
11. РКО-1.27 | Свидетельство о соответствии (для учета плавучего объекта) | Выдается для предъявления в государственный орган, осуществляющий учет плавучих объектов |
Акты освидетельствования |
12. РКО-3.1 или РКО-3.1.1 | Акт освидетельствования плавучего объекта | Акты форм РКО-3.1 (на 2-х стр.) или РКО-3.1.1 (на 4-х и более стр.) соответственно, в зависимости от объема отражаемой информации, оформляются по результатам первоначального, внеочередного освидетельствований. Они могут использоваться также для оформления результатов ежегодных, очередных освидетельствований плавучих объектов или отдельных их элементов вместо соответствующих форм, если эксперту необходимо дополнительно и подробно отразить результаты выявленных замечаний, несоответствий технических средств плавучего объекта или его элементов |
13. РКО-3.3 | Акт ежегодного освидетельствования плавучего объекта | Оформляется на соответствие требованиям Правил Российского Классификационного Общества в случаях, когда техническое состояние плавучего объекта (технических средств, элементов) не изменилось по сравнению с предыдущим освидетельствованием. В других случаях оформляется акт ежегодного освидетельствования плавучего объекта формы РКО-3.1 (на 2-х стр.) или РКО-3.1.1 (на 4-х и более стр.) в зависимости от объема отражаемой информации соответственно |
14. РКО-3.3.1 | Акт ежегодного освидетельствования плавучего объекта | Оформляется на наплавной мост на соответствие требованиям Правил Российского Классификационного Общества и Технического регламента о безопасности объектов внутреннего водного транспорта в случаях, когда техническое состояние наплавного моста (технических средств, элементов) не изменилось, по сравнению с предыдущим освидетельствованием. В других случаях оформляется акт ежегодного освидетельствования формы РКО-3.1 (на 2-х стр.) или РКО-3.1.1 (на 4х и более стр.) в зависимости от объема отражаемой информации соответственно |
15. РКО-3.4 | Акт второго этапа очередного освидетельствования плавучего объекта | Оформляется по результатам второго этапа очередного освидетельствования, когда техническое состояние плавучего объекта определено как годное. В других случаях в зависимости от объема отражаемой информации оформляется акт второго этапа очередного освидетельствования соответственно формы РКО-3.1 (на 2-х стр.) или РКО-3.1.1 (на 4-х и более стр.) |
16. РКО-3.4.1 | Акт первого этапа очередного освидетельствования плавучего объекта | Оформляется по результатам первого этапа очередного освидетельствования плавучего объекта |
17 РКО-3.4.2 | Акт первого этапа очередного освидетельствования корпуса плавучего объекта | Оформляется в тех случаях, когда необходимо дополнительно и более подробно отразить замечания по выявленным несоответствиям корпуса плавучего объекта требованиям Правил Российского Классификационного Общества. В других случаях оформляется акт первого этапа очередного освидетельствования формы РКО-3.4.1 |
18. РКО-3.4.3 | Акт первого этапа очередного освидетельствования двигателей и механизмов плавучего объекта | Оформляется в тех случаях, когда необходимо дополнительно и более подробно отразить замечания по выявленным несоответствиям двигателей и механизмов плавучего объекта требованиям Правил Российского Классификационного Общества. В других случаях оформляется акт формы РКО-3.4.1 |
19. РКО-3.4.4 | Акт первого этапа очередного освидетельствования электрооборудования плавучего объекта | Оформляется в тех случаях, когда необходимо дополнительно и более подробно отразить замечания по выявленным несоответствиям электрооборудования плавучего объекта требованиям Правил Российского Классификационного Общества. В других случаях оформляется акт формы РКО-3.4.1 |
20. РКО-3.11 | Акт внутреннего освидетельствования/гидравлического испытания парового/водогрейного котла | Оформляется при освидетельствовании парового/водогрейного котла |
21. РКО-3.12 | Акт внутреннего освидетельствования/гидравлического испытания сосудов под давлением | Оформляется при освидетельствовании сосудов под давлением |
22. РКО-3.13 | Акт освидетельствования холодильной установки | Оформляется при освидетельствовании холодильной установки |
23. РКО-3.14 | Акт освидетельствования грузоподъемного устройства | Оформляется при освидетельствовании грузоподъемного устройства |
Примечание. Приведенный перечень документов Российского Классификационного Общества, а также область их применения могут быть уточнены или дополнены в процессе классификационной деятельности. |
(обязательное)
ВОДНЫХ БАССЕЙНОВ ДЛЯ УСТАНОВЛЕНИЯ В ЗАВИСИМОСТИ ОТ ИХ
РАЗРЯДА РАЙОНОВ И УСЛОВИЙ ЭКСПЛУАТАЦИИ ПЛАВУЧИХ ОБЪЕКТОВ
С КЛАССОМ РОССИЙСКОГО КЛАССИФИКАЦИОННОГО ОБЩЕСТВА
Разработан на основе
Приказа Минтранса России
от 30.05.2016 N 138
1 ПЕРЕЧЕНЬ ВОДНЫХ БАССЕЙНОВ РАЗРЯДОВ "Л", "Р", "О", "М"
1.1 К водным бассейнам разряда "Л" отнесены:
1. водохранилища:
Воронежское;
Саяно-Шушенское - от р. Верхний Енисей до г. Шагонар;
2. реки:
Алдан - от истоков до пос. Усть-Мая;
Амур - от истоков до 978 км Среднего Амура (г. Благовещенск);
Белая - от истоков до Ямалинского Яра (1776 км р. Белая);
Волга - от истоков до 278,3 км р. Волга (речной вокзал г. Твери);
Дон - от истоков до 2689 км р. Дон и от плотины Цимлянской ГЭС до г. Ростова-на-Дону - 3121 км р. Дон (устье р. Аксай);
Дон - от 3121 км р. Дон (устье р. Аксай) до г. Ростова-на-Дону - 3151 км р. Дон (устье р. Койсуг)
<1>;
--------------------------------
<1> Здесь и далее в настоящем приложении символом "*" отмечены участки водных путей Российской Федерации, на которых навигационно-гидрографические условия обеспечения плавания и безопасности судоходства соответствуют требованиям торгового мореплавания и регулируются Федеральным
законом от 30 апреля 1999 г. N 81-ФЗ "Кодекс торгового мореплавания Российской Федерации" (Собрание законодательства Российской Федерации, 1999, N 18, ст. 2207; 2001, N 22, ст. 2125; 2003, N 27 (ч. 1), ст. 2700; 2004, N 15, ст. 1519, N 45, ст. 4377; 2005, N 52 (ч. 1), ст. 5581; 2006, N 50, ст. 5279; 2007, N 46, ст. 5557, N 50, ст. 6246; 2008, N 29 (ч. 1), ст. 3418, N 30 (ч. 2), ст. 3616, N 49, ст. 5748; 2009, N 1, ст. 30, N 29, ст. 3625; 2010, N 27, ст. 3425, N 48, ст. 6246; 2011, N 23, ст. 3253, N 25, ст. 3534, N 30 (ч. 1), ст. 4590, 4596, N 45, ст. 6335, N 48, ст. 6728; 2012, N 18, ст. 2128, N 25, ст. 3268, N 31, ст. 4321; 2013, N 30 (ч. 1), ст. 4058; 2014, N 6, ст. 566, N 42, ст. 5615, N 48, ст. 6659; 2015, N 1 (ч. 1), ст. 89, N 13, ст. 1810, N 29 (ч. 1), ст. 4339, 4356).
Енисей - от истоков до пос. Усть-Абакан;
Индигирка - от истоков до пос. Дружина;
Иртыш - от истоков до г. Омска (устье р. Омь, 1833,5 км р. Иртыш);
Ия - от истоков до 180 км;
Кама - от истоков до г. Березники;
Колыма - от истоков до пос. Зырянка;
Лена - от истоков до устья р. Витим; Маныч - от плотины Веселовского вдхр. до устья;
Мезень - от истоков до г. Мезень;
Обь - от истоков до г. Камень-на-Оби; Ока (приток р. Ангары) - от истоков до 330 км;
Ока (приток р. Волги) - от истоков до устья;
Оленек - от истоков до пос. Усть-Оленек;
Печора - от истоков до с. Усть-Цильма;
Северная Двина - от истоков до устья р. Пинеги;
Яна - от истоков до пос. Янский;
3. озера, каналы и реки, не упомянутые в
1.2,
1.3 и
1.4 настоящего приложения.
1.2 К водным бассейнам разряда "Р" отнесены:
Белое;
Ильмень;
Кубенское;
Псковское;
Телецкое (от пос. Артыбаш до м. Ажин);
Чудское;
Онежское (в навигационный период с мая по сентябрь включительно): в акваториях Петрозаводской, Кондопожской и Великой губ, Кижских шхер; зал. Большое Онего севернее параллели 62°10'00,0" с.ш., включая Горскую, Большую Лижемскую, Уницкую губы, Заонежский зал. севернее параллели 62°15'00,0" с.ш., Повенецкий зал.;
2. водохранилища:
Богучанское;
Бурейское;
Веселовское;
Горьковское;
Зейское - от плотины до 65 км водохранилища и выше 180 км;
Иркутское;
Краснодарское;
Красноярское - по р. Енисей от пос. Усть-Абакан до прист. Черногорск; по р. Дербино от 30 км до устья; по р. Езагаш от 20 км до устья; по р. Сисим от 20 км до устья; по р. Сыде от 25 км до устья; по р. Тубе от пос. Городок (22 км) до дер. Николо-Петровка (15 км);
Новосибирское - от г. Камень-на-Оби (497 км от слияния р. Бия и р. Катунь) до с. Малетино (530 км от слияния р. Бия и р. Катунь), от верхнего подходного канала Новосибирского шлюза до 3 км р. Бердь;
Рыбинское - от г. Череповца (540 км Нижней Шексны) до дер. Вичелово;
Саратовское - от Сызранского моста до плотины Саратовской ГЭС;
Саяно-Шушенское - от г. Шагонар до плотины Саяно-Шушенской ГЭС;
Усть-Илимское;
Чебоксарское;
Шекснинское;
3. реки:
Алдан - от пос. Усть-Мая до устья;
Амур - от 978 км Среднего Амура (г. Благовещенск) до линии, соединяющей устье р. Половинка с м. Кукля (г. Николаевск-на-Амуре);
Анадырь - от истоков до нулевого километра, м. Американская Кошка;
Анадырь - от нулевого километра, м. Американская Кошка, по судоходному фарватеру зал. Онемен до линии, соединяющей м. Заселения с о-вом Алюмка, и далее идущей до ручья Промысловый*;
Ангара - от плотины Иркутской ГЭС до пос. Нижнее Бархатово; от плотины Богучанской ГЭС до устья;
Белая - от Ямалинского Яра (1776 км р. Белая) до устья;
Великая (Большая) - от истоков до впадения в р. Анадырь;
Волга - от 278,3 км р. Волга (речной вокзал г. Твери) до пос. Коприно (включая Иваньковское и Угличское вдхр.), от плотины Рыбинской ГЭС до устья р. Елнать, от плотины Горьковской ГЭС до устья р. Сура, от плотины Чебоксарской ГЭС до пос. Камское устье, от плотины Куйбышевской ГЭС до Сызранского моста, от плотины Саратовской ГЭС до Увекского моста, от плотины Волгоградской ГЭС до пос. Стрелецкое;
Волга - от пос. Стрелецкое до пос. Красные Баррикады (0 км Волго-Каспийского канала)*;
Дон - от г. Ростов-на-Дону (3151 км р. Дон, устье р. Койсуг) до меридиана 039°12'00,0" в.д., включая Азово-Донской морской канал, внешний рейд N 6 и рукав Каланча до остановочного пункта Дугино*;
Енисей - от плотины Красноярской ГЭС до г. Игарка;
Индигирка - от пос. Дружина до о-ва Немкова;
Иртыш - от г. Омска (устье р. Омь, 1833,5 км р. Иртыш) до устья;
Ия - от 180 до 45 км;
Кама - от плотины Камской ГЭС до прист. Частые, от плотины Воткинской ГЭС до пункта Усть-Бельск (1756 км р. Кама), от плотины Нижнекамской ГЭС до г. Чистополь;
Канчалан - от истоков до впадения в р. Анадырь;
Колыма - от пос. Зырянка до пос. Черский;
Колыма - от пос. Черский до пос. Михалкино*;
Лена - от устья р. Витим до с. Жиганск;
Мезень - от г. Мезень до устья р. Большая Чеца*;
Нева - от истоков до границы внутренних водных путей: по р. Большая Нева - Благовещенского моста; по р. Малая Нева - по нижней границе Тучкова моста, по р. Малая Невка по нижней границе Большого Петровского моста, по рр. Большая и Средняя Невка - до меридиана 030°13'00,0" в.д.;
Обь - от плотины Новосибирской ГЭС до Ямсальского бара по Хаманельской Оби и по протоке Большая Наречинская Обь до о-ва Начальный;
Ока (приток р. Ангары) - от 330 км до пос. Топорок;
Печора - от с. Усть-Цильма до г. Нарьян-Мара;
Печора - от г. Нарьян-Мара до о-ва Алексеевский, включая зал. Василково*;
Свирь;
Северная Двина - от устья р. Пинеги до устья р. Уйма;
Северная Двина - от устья р. Уйма:
до с. Лапоминка по Корабельному рукаву, включая р. Маймакса и р. Кузнечиха*,
до м. Кневатый по Мурманскому рукаву*,
до входа в протоку между о-вами Никольский и Угломин по Никольскому рукаву, включая прот. Корытки и акваторию у г. Северодвинска, ограниченную с севера берегом о-ва Ягры, с юга берегом материка, с запада железобетонным молом и с востока о-вом Большой Чаячий и железобетонным мостом через прот. Корытки*;
В устьевом участке р. Северная Двина:
прот. Конецдворка (от прот. Онишевка до о-ва Свинец), прот. Онишевка (от о-ва Киселев до приверха о-ва Хопа), прот. Рыболовка (приверх о-ва Кего до прот. Онишевка), прот. Передняя (от прот. Онишевка до дер. Чубола), прот. Хабарка (приверх о-ва Хабарка до дер. Пустошь), прот. Подборка (от рукава Маймакса до с. Лапоминка);
Селенга;
Тазовская губа - от устья р. Таз до параллели 68°00'00,0" с.ш.; Хатанга (с притоками) - выше пос. Новорыбная;
Яна - от пос. Янский до пос. Уэдей;
4. каналы:
Беломорский входной канал до точки с координатами 64°34'48,0" с.ш., 035°14'00,0" в.д.*;
Волго-Балтийский - от оз. Онежского до плотины Шекснинской ГЭС, включая Сизьминский разлив;
Волго-Донской - от г. Волгограда (нижний подходной канал шлюза N 1 ВДСК, 2588,6 км р. Волга) до нижней границы нефтеналивного Пятиизбянского рейда (2701,6 км р. Волга);
Волго-Каспийский канал - от пос. Красные Баррикады (0 км канала) до 146 км канала*;
имени Москвы - от прист. Большая Волга до шлюза N 7;
5. заливы:
Калининградский (Вислинский), включая акваторию морского п. Калининград (за исключением удаленного морского терминала Пионерский) и канал до линии, соединяющей головы сев. и юж. молов п. Балтийск*;
Канчалан*;
Куршский до линии, соединяющей головы сев. и юж. молов входных ворот п. Клайпеда*;
Онемен*.
6. акватория морского п. Выборг*;
7. Ейский лиман восточнее линии, соединяющей сев. оконечность Ейской косы с юж. оконечностью о-ва Ейская коса, и далее идущей через вост. оконечность о-ва Ейская коса до основания Глафировской косы на параллели 46°46'18,0" с.ш.*;
8. Невская губа - от границы внутренних водных путей до дамбы вдоль линии, соединяющей поселок Горская, г. Кронштадт, г. Ломоносов *.
Примечания. 1. (Признан утратившим силу)
2. На плавучих объектах класса "Р", эксплуатирующихся в Бурейском вдхр., р. Амур от г. Хабаровска до г. Николаевска-на-Амуре, в зал. Онемен, горле р. Анадырь, зал. Канчалан и Саратовском вдхр. на участке от плотины Саратовской ГЭС до Сызранского моста, закрытия должны удовлетворять требованиям, предъявляемым к судам класса "О".
Беспалубные плавучие объекты класса "Р" допускаются к эксплуатации на вышеуказанном участке Саратовского вдхр. при скорости ветра не более 8 м/с.
3. Плавучие объекты класса "Р" допускаются к эксплуатации по Ангарскому (100 - 145 км, 205 - 245 км, 260 - 290 км) и Илимскому (50 - 110 км) направлениям Усть-Илимского вдхр. при высоте волны h1% = 1,2 м и наличии снабжения по требованиям Правил для плавучих объектов класса "О".
4. Плавучие объекты класса "Р" допускаются к эксплуатации в Саяно-Шушенском вдхр. от г. Шагонар до устья р. Беделиг при наличии снабжения, требуемого для плавучих объектов класса "О".
1.3 К водным бассейнам разряда "О" отнесены:
Выгозеро;
Ладожское в навигационный период с мая по сентябрь включительно:
зап. район - западнее линии, соединяющей м. Песоцкий Нос с зап. оконечностью о-ва Коневец, и далее идущей до м. Куркиниеми; сев. район - севернее линии, соединяющей о-в Заячий с о-вом Никоновский, и далее идущей через сев.-зап. оконечность о-ва Валаам до г. Питкяранта, включая 2-мильную прибрежную зону вокруг о-ва Валаам; юж. район - южнее линии, соединяющей м. Морьин Нос, точку с координатами 032°30'00,0" в.д., 60°41'00,0" с.ш., точку с координатами 032°30'00,0" в.д., 60°40'00,0" с.ш., и дальше идущей по параллели 60°40'00,0" с.ш. до береговой черты;
Примечание. К эксплуатации в оз. Ладожском в районах разряда "О" допускаются плавучие объекты класса "О2,0", при этом в зап., сев. и юж. районах - с мая по сентябрь включительно при высоте волны h3% =< 1,5 м.
Снабжение коллективными спасательными средствами плавучих объектов, эксплуатирующихся в Ладожском и Онежском озерах, следует принимать по нормам для плавучих объектов класса "М".
Онежское в навигационный период с мая по сентябрь включительно:
районы, расположенные западнее и севернее линии, соединяющей устье р. Вытегры с точкой пересечения линии, соединяющей устье р. Вытегра с юж. оконечностью о-ва Суйсари, с параллелью 61°45'00,0" с.ш. и далее идущей через юж. оконечность о-ва Речной до береговой черты;
5-мильная прибрежная зона вдоль о-ва Большой Клименецкий, о-ва Речной и п-ова Заонежье до параллели 62°15'00,0" с.ш.;
Телецкое (от м. Ажин до устья р. Чулышман);
2. водохранилища:
Братское - по р. Ангара от пос. Н. Бархатово до плотины Братской ГЭС; по р. Оке от пос. Топорок до устья; по р. Ия от 45 км до устья; Волгоградское - от Увекского моста до плотины Волгоградской ГЭС; Воткинское - от прист. Частые до плотины Воткинской ГЭС; Зейское - от 65 км до 180 км водохранилища;
Камское - от г. Березники до плотины Камской ГЭС; Красноярское - по р. Енисей от прист. Черногорок до плотины Красноярской ГЭС; по р. Туба от дер. Николо-Петровка (15 км) до устья;
Куйбышевское - по р. Волга от пос. Камское Устье до плотины Куйбышевской ГЭС; по р. Кама от Чистополя до пос. Камское Устье;
Нижне-Камское - от дер. Усть-Бельск (1766 км р. Кама) до плотины Нижне-Камской ГЭС;
Новосибирское - от с. Малетино до плотины Новосибирской ГЭС;
Рыбинское, за исключением сев. части от г. Череповца (540 км Нижней Шексны) до дер. Вичелово;
Цимлянское - от нижней границы нефтеналивного Пятиизбянского рейда (2701,6 км р. Волга) до плотины Цимлянской ГЭС;
3. реки:
Амур - от линии, соединяющей устье р. Половинка с м. Кукля (г. Николаевск-на-Амуре), до линии, соединяющей село Астрахановка с с. Субботино (г. Николаевск-на-Амуре)*;
Анабар - от с. Юрюнг-Хая до м. Хорго*;
Анадырь - от линии, соединяющей м. Заселения с о-вом Алюмка, и далее идущей по ручью Промысловый по судоходному фарватеру до косы Николая*;
Енисей - от г. Игарка до Усть-Порта*;
Колыма - от пос. Михалкино до м. Медвежий*;
Лена:
от с. Жиганск до Быкова м.;
от Быкова м. до морского п. Тикси*;
Мезень - от устья р. Большая Чеца до линии, пересекающей перпендикулярно ось судового хода в точке с координатами 66°10'30,0" с.ш., 043°58'31,8" в.д.*;
Печора - от о-ва Алексеевский до линии, соединяющей м. Болванский Нос с сев. оконечностью о-ва Ловецкий*;
Северная Двина - по Корабельному рукаву от с. Лапоминка до юж. оконечности о-ва Мудьюгский; по Мурманскому рукаву от м. Кневатый до о-ва Кумбыш; по Никольскому рукаву от юго-вост. оконечности о-ва Угломин до сев. оконечности о-ва Ягры*;
Надымская Обь - от пос. Салемал до Обской губы и Обская губа до линии, соединяющей Новый Порт с пос. Ямбург;
Тазовская губа - от параллели 68°00'00,0" с.ш. до линии, соединяющей м. Поворотный с пос. Антипаюта;
бары рек: Индигирка от о-ва Немкова, Оленек от пос. Усть-Оленек, Яна от пос. Уэдей - до 5-метровой изобаты глубины;
Примечание. Плавучие объекты класса "О" допускаются к эксплуатации на барах рек Индигирка, Оленек и Яна при высоте волны h3% =< 1,5 м.
Таганрогский зал. - участок от меридиана 039°12'00,0" в.д. до меридиана 038°52'00,0" в.д.*;
перегрузочные рейды устьев (баров) рек: Индигирка, Оленек и Яна*;
Севастопольская бухта с входящими в ее состав бухтами - до линии, соединяющей юж. и сев. оградительные молы*;
Балаклавская бухта - до линии, соединяющей вост. и зап. входные мысы*;
оз. Донузлав*.
1.4 К водным бассейнам разряда "М" отнесены:
1. озера:
Байкал;
Ладожское (за исключением районов, указанных в
1.3.1 настоящего приложения);
Онежское (за исключением районов, указанных в
1.2.1 и
1.3.1 настоящего приложения);
2. реки:
Енисей - от Усть-Порта до сев. оконечности Бреховских о-вов*;
Обская губа - от линии, соединяющей Новый Порт с пос. Ямбург, до условной линии, последовательно соединяющей точки с координатами 68°26'00,0" с.ш., 073°35'00,0" в.д. (м. Каменный); 68°25'00,0" с.ш., 073°48'00,0" в.д.; 69°04'00,0" с.ш., 073°52'00,0" в.д. (м. Трехбугорный);
Тазовская губа - от линии, соединяющей м. Поворотный с пос. Антипаюта до Обской губы;
Хатангский зал. - от линии, соединяющей м. Поворотный с м. Большая Корга до м. Косистый*.
2 ВОДНЫЕ БАССЕЙНЫ РАЗРЯДОВ "О-ПР", "М-ПР", "М-СП"
2.1 Условия эксплуатации плавучих объектов в водных бассейнах разрядов "О-ПР", "М-ПР", "М-СП" определяются по согласованию с Российским Классификационным Обществом. Под условиями эксплуатации понимаются эксплуатационные ограничения по районам и сезонам эксплуатации и допускаемым высотам волн 3% обеспеченности.
2.2 Плавучие объекты класса "О-ПР" допускаются к эксплуатации в защищенных акваториях водных бассейнов разряда "О-ПР", которые установлены для плавания судов с классом "О-ПР" (см.
разд. 7 ч. 0 ПКПС).
2.3 Плавучие объекты класса "М-ПР" допускаются к эксплуатации в защищенных акваториях водных бассейнов разрядов "М-ПР" и "О-ПР", которые установлены для плавания судов с классами "М-ПР" и "О-ПР" (см.
разд. 7 ч. 0 ПКПС).
2.4 Плавучие объекты класса "М-СП" допускаются к эксплуатации в защищенных акваториях водных бассейнов разрядов "М-СП", "М-ПР" и "О-ПР", которые установлены для плавания судов с классами "М-СП", "М-ПР" и "О-ПР" (см.
разд. 7 ч. 0 ПКПС).
(справочное)
ОПРЕДЕЛЕНИЕ УСИЛИЙ И ПРОГИБОВ НА ТИХОЙ ВОДЕ
И НА ВОЛНЕНИИ С УЧЕТОМ КРУЧЕНИЯ И ИЗГИБА
НАПЛАВНОГО МОСТА В ГОРИЗОНТАЛЬНОЙ ПЛОСКОСТИ
1 РАСЧЕТНЫЕ УСИЛИЯ И ПРОГИБЫ ПРИ ОБЩЕМ ИЗГИБЕ
НАПЛАВНЫХ МОСТОВ НА ЖЕСТКОСОЧЛЕНЕННЫХ ОПОРАХ
1.1 Расчетные усилия и прогибы от осевой нагрузки
в средней части наплавного моста
на жесткосочлененных опорах на тихой воде
1.1.1 Усилия от транспортных нагрузок рассчитываются с учетом динамичности их приложения. Усилия и прогибы в средней части и по длине моста при статическом приложении нагрузки рассчитываются по схеме бесконечной балки на упругом основании и определяются выражениями:
1. изгибающий момент, кН·м:

(П3.1.1.1-1)
где x - отстояние сечения, в котором определяется искомая величина, от сечения, в котором приложена осевая нагрузка P, м;
B - ширина наплавного моста по расчетной ватерлинии, м;
P - вертикальная нагрузка по оси транспортного средства, кН;

- упругая характеристика системы "балка - основание", определяемая по формуле, м
-1:

(П3-1.1.1-1.1)
где E - модуль упругости, МПа;
I - усредненный по длине наплавного моста момент инерции поперечного сечения понтона моста, м4;
K - коэффициент основания, кН/м
2:


- удельный вес речной воды:

2. перерезывающая сила, кН:

(П3.1.1.1-2)
3. прогиб, м:

(П3.1.1.1-3)
Экстремальные значения усилий и прогиба получаются при x = 0.
1.1.2 Эпюры усилий и прогибов в средней части наплавного моста от осевой нагрузки на тихой воде приведены на
рис. П3.1.1.2.
Рис. П3.1.1.2. Эпюра усилий и прогибов
в средней части наплавного моста
1.1.3 Расчетные значения изгибающего момента и перерезывающей силы получаются умножением нагрузок, вычисленных в соответствии с
1.1.1 настоящего приложения, на коэффициент динамичности

, который рекомендуется принимать равным 1,1.
1.1.4 Изгибающий момент от гусеничной нагрузки определяется по формуле, кН·м:

(П3.1.1.4)
P - вертикальная нагрузка по оси транспортного средства, кН (вертикальную гусеничную нагрузку от одной машины следует принимать равной 588 кН);
S - длина гусеницы, м.
1.1.5 При длине моста

значение изгибающего момента, вычисленное как для бесконечно длинной балки на упругом основании, умножается на поправочный коэффициент
kp, который определяется линейной интерполяцией между значениями
kp = 1 при

и
kp = 1,094 при

.
Расчет мостов длиной менее

производится по формулам для балок конечной длины на упругом основании.
1.2 Усилия и прогибы в концевой части моста
на тихой воде от осевой нагрузки
1.2.1 Концевая часть наплавного моста при выполнении расчетов представляется полубесконечной балкой на упругом основании.
Усилия от транспортных нагрузок рассчитываются с учетом динамичности их приложения.
В случае расположения статической сосредоточенной силы на свободном конце наплавного моста усилия и прогибы по длине определяются по следующим уравнениям:
1. изгибающий момент, кН·м:

(П3.1.2.1-1)
2. перерезывающая сила, кН:

(П3.1.2.1-2)
3. прогиб, м:

(П3.1.2.1-3)
Эпюры усилий и прогибов в оконечности наплавного моста от сосредоточенной силы приведены на
рис. П3.1.2.1.
Рис. П3.1.2.1. Эпюра усилий и прогибов в оконечности моста
1.2.2 При движении транспортных средств по полубесконечной балке со свободным концом уравнение изгибающего момента в сечении под статической сосредоточенной силой имеет вид, кН·м:

(П3.1.2.2)
Эпюра изгибающего момента для опасных сечений свободной концевой части от сосредоточенной силы приведена на
рис. П3.1.2.2.
Рис. П3.1.2.2. Эпюра изгибающего момента
для опасных сечений свободной концевой части моста
1.2.3 Формулы для определения расчетных усилий и прогиба от сосредоточенной силы в любой точке полубесконечной балки на упругом основании на тихой воде приведены в
табл. П3.1.2.3.
Таблица П3.1.2.3
Формулы для определения расчетных усилий и прогиба
Левый конец | Формулы для определения расчетных усилий и прогиба при схеме нагружения |
| |
Свободный | | |
| |
Nxu = UxAu + 2VxBu | Nxu = 2TuBx - 2UuCx |
Шарнирно опертый | | |
| |
Nxu = 0,5 (Tx+u - Tx-u) | Nxu = 0,5 (Tx+u + Tx-u) |
Жестко заделанный | | |
| |
Nxu = 2WxCu - 4TxDu | Nxu = 4VuDx + WuAx |
Вертикально-подвижный | | |
| |
Nxu =-0,5 (Tx+u + Tx-u) | Nxu = -0,5 (Tx+u - Tx-u) |
Характеристика балки

, используемая в этой таблице, определяется по формуле, м:

(П3.1.2.3)
Гиперболо-круговые функции для расчета балок на упругом основании

,

,

и

, где

- приведенная абсцисса

, и затухающие функции для расчета балок на упругом основании

,

,

и
, обозначенные в
табл. П3.1.2.3 соответственно A
x,
Bx, Cx, Dx и
Tx, Ux,
Vx,
Wx, приведены в справочниках
<1>.
--------------------------------
<1> Абрамовиц М. Справочник по специальным функциям с формулами, графиками и математическими таблицами / М. Абрамовиц, И. Стеган (ред.). - М.: Наука, 1979.
Расчетные усилия и прогибы определяются умножением усилий от единичной нагрузки на действующую силу
P и коэффициент динамичности

.
1.2.4 С помощью эпюр
рис. П3.1.1.2,
П3.1.2.1,
П3.1.2.2 определяются опасные сечения наплавного моста, и для этих сечений определяются максимальные усилия и прогибы при наиболее неблагоприятных положениях движущихся по мосту транспортных средств.
1.2.5 В зависимости от характера опоры концевой части моста вычисляются поправки к усилиям и прогибам в средней части наплавного моста, определенным в соответствии с
1.1.1 настоящего приложения при свободной концевой опоре по методике, согласованной с Российским Классификационным Обществом и учитывающей требования настоящих Правил и
ч. I ПКПС.
1.3 Определение дополнительного волнового изгибающего
момента при постановке наплавного моста
на жесткосочлененных опорах на косую волну
1.3.1 Дополнительный волновой изгибающий момент наплавного моста класса "Л" принимается равным нулю.
1.3.2 Методика определения дополнительного волнового изгибающего момента для наплавных мостов класса "Р" должна быть согласована Российским Классификационным Обществом на соответствие требованиям настоящих Правил и
ч. I ПКПС.
1.3.3 Дополнительный волновой изгибающий момент суммируется с расчетным значением изгибающего момента, определенным в соответствии с
1.1 настоящего приложения.
1.4 Учет влияния зазоров в соединительных
устройствах наплавного моста
1.4.1 При расчете усилий и прогибов в соответствии с
1.1 -
1.2 настоящего приложения с учетом влияния зазоров жесткость наплавного моста допускается считать равной
kcEI. Коэффициент
kc рассчитывается по формуле:

(П3.1.4.1)
где

- упругая характеристика системы "балка - основание" (без влияния зазора), м
-1 (см.
1.1.1 настоящего приложения);
lс - расстояние между стыками по длине моста, м;

- угол перелома профиля в вертикальной плоскости стыка, рад:


- значение зазора в шарнирном соединении, мм;
l - среднее расстояние между палубными и днищевыми соединениями, мм;
Mg - условный допустимый изгибающий момент для наплавного моста, кН·м:
Mg = 700WReH;
W - средний минимальный момент сопротивления поперечного сечения наплавного моста, м3;
ReH - предел текучести материала наплавного моста, МПа.
1.4.2 Повторный уточненный расчет наплавного моста в соответствии с
1.1 -
1.2 настоящего приложения производится при жесткости
kcEI, что дает уменьшение изгибающих моментов до 20 - 25%, хорошо согласующееся с данными испытаний. При этом упругая характеристика системы "балка - основание" с учетом влияния стыковых зазоров определяется по формуле, м
-1:

(П3.1.4.2)
2 РАСЧЕТНЫЕ УСИЛИЯ И ПРОГИБЫ ПРИ ОБЩЕМ ИЗГИБЕ
НАПЛАВНЫХ МОСТОВ НА ОТДЕЛЬНЫХ ПЛАВУЧИХ ОПОРАХ
2.1 Определение усилий и прогибов наплавного моста
на отдельных плавучих опорах как для балки
на упругом основании
2.1.1 Определение усилий и прогибов наплавного моста на отдельных плавучих опорах как для балки на упругом основании производится в соответствии с
1.1.1 -
1.1.2 настоящего приложения. При этом коэффициент основания рассчитывается по формуле, кН/м
2:

(П3.2.1.1)
где
F - расчетная площадь ватерлинии плавучей опоры, м2,
в качестве момента инерции I принимается момент инерции поперечного сечения пролетного строения моста, м4.
2.2 Расчет дополнительного волнового изгибающего момента
2.2.1 Дополнительный волновой изгибающий момент
Mд.в для наплавного моста на отдельных плавучих опорах при расстоянии между осями плавучих опор, не равном

, определяется в соответствии с
1.3.1 настоящего приложения при коэффициенте полноты водоизмещения

.
2.2.2 Дополнительный волновой изгибающий момент суммируется с изгибающим моментом, определенным в соответствии с
2.1.1 настоящего приложения.
2.2.3 Допускается проверка общей прочности отдельной плавучей опоры или секции из нескольких понтонов в соответствии с
1.1 -
1.2 настоящего приложения. При этом следует производить расчет дополнительного волнового изгибающего момента в соответствии с
1.3.1 настоящего приложения.
2.3 Влияние местного изгиба пролетных строений
и моментных реакций плавучих опор
2.3.1 Влияние местного изгиба пролетных строений и моментных реакций плавучих опор учитывается внесением поправок к моментам, определенным в соответствии с
2.2.2 настоящего приложения.
2.3.2 Дополнительный изгибающий момент в пролетном строении от местного изгиба определяется по формуле, кН·м:

(П3.2.3.2)
где Pпр - погонный вес пролетного строения, кН/м;
q - погонное давление эквивалентной нагрузки от подвижной сосредоточенной нагрузки P, кН/м: q = 3P/(2l1);
kн - коэффициент учета местного изгиба пролетного строения:

при

kн = 1 при

При

местный изгиб не учитывается.
2.3.3 Влияние моментных реакций плавучих опор по длине моста учитывается коэффициентом
k1, который умножается на момент, определяемый в соответствии с
2.2.2 настоящего приложения. Этот коэффициент при

рассчитывается по формуле:

(П3.2.3.3)
При

влияние моментных реакций не учитывается.
2.3.4 Расчетное значение изгибающего момента при общем продольном изгибе наплавного моста на отдельных плавучих опорах определяется по формуле:
MР = Mм + (Mт.в + Mд.в)k1. (П3.2.3.4)
3 РАСЧЕТНЫЕ УСИЛИЯ В НАПЛАВНЫХ МОСТАХ С УЧЕТОМ
КРУЧЕНИЯ И ИЗГИБА В ГОРИЗОНТАЛЬНОЙ ПЛОСКОСТИ
3.1 Расчетные усилия с учетом кручения
3.1.1 Внешние скручивающие моменты обуславливаются поперечным смещением транспортных средств от оси моста.
3.1.2 В конструкциях наплавных мостов на отдельных плавучих опорах с одинаковыми прогонами влияние кручения в расчете на изгиб учитывается коэффициентом неравномерности k
к, который умножается на момент, определяемый в соответствии с
2.2.2 настоящего приложения. Этот коэффициент рассчитывается по формуле:

(П3.3.1.2)
где b - поперечное смещение подвижной нагрузки от оси моста, м;
m - число прогонов;
zкр - удаление крайнего прогона от оси моста, м;
zi - расстояние от оси моста до i-го прогона, м;
l - длина по конструктивной ватерлинии отдельной плавучей опоры или ширина моста на жесткосочлененных опорах по расчетной ватерлинии, м.
3.1.3 Расчетный изгибающий момент в наиболее нагруженном прогоне с учетом момента местного изгиба Мм и кручения определяется по формуле:

(П3.3.1.3)
3.1.4 Тонкостенные конструкции с сечением замкнутого профиля для наплавных мостов на жесткосочлененных опорах должны быть рассчитаны на прочность при кручении по методикам
<1>.
--------------------------------
<1> Прочность судов внутреннего плавания. Справочник. Москва, "Транспорт", 1978 г.
3.1.5 Расчет концевой части наплавного моста на кручение в зависимости от характера опоры производится по методике, согласованной с Российским Классификационным Обществом на соответствие требованиям настоящих Правил и
ч. I ПКПС.
3.2 Расчетные усилия в наплавных мостах
с учетом изгиба в горизонтальной плоскости
3.2.1 Должны быть проверены прочность выводного звена наплавного моста с учетом горизонтального изгиба от волны, течения, ветра и прочность наплавного моста при обрыве одного из раскреплений.
Требования к расчету нагрузки от ветра и течения установлены в
4.4.16 и
4.4.17 Правил соответственно.
3.2.2 Расчетная схема балки длиной lб, м, предполагает загруженность балки равномерно распределенной нагрузкой Q, кН, обусловленной действием волнения, течения и ветра. Тогда изгибающий момент в середине пролета рассчитывается по формуле, кН·м:
Mmax = Qlб/10. (П3.3.2.2)
3.2.3 Для наплавных мостов на жесткосочлененных опорах при расстоянии между осями соединительных устройств в поперечном направлении понтонов моста
l0 (рис. П3.3.2.3) возникает продольное усилие
N = Mmax/l0, которое суммируется с продольным усилием, возникающим при продольном изгибе наплавного моста.
(в ред.
Извещения N 9, утв. Приказом ФАУ "Российское Классификационное Общество" от 23.04.2025 N 22-п)
Суммарное усилие в соединительном устройстве составит, кН:
Nпр = Mmax/l0 + Mр/l1, (П3.3.2.3)
где
l0 - расстояние между палубными и днищевыми соединительными устройствами
(рис. П3.3.2.3), м;
Mр - расчетный изгибающий момент от продольного изгиба, кН·м.
Рис. П3.3.2.3. Схема соединения опор моста
3.2.4 Одна из схем подкрепления под палубный шарнир и приложения нагрузок приведена на
рис. П3.3.2.4.
Момент от продольной силы рассчитывается по формуле, кН·м:
Mпр = Nпрa. (П3.3.2.4-1)
Момент от вертикальной силы рассчитывается по формуле, кН·м:
Mв = Pвa', (П3.3.2.4-2)
где a' - расстояние от центра шарнира до центра тяжести эпюры напряжений;
Pв - вертикальная составляющая на шарнир, равная половине перерезывающей силы, кН;
Nпр - продольная составляющая на шарнир, кН.
Рис. П3.3.2.4. Схема подкрепления под палубный
шарнир и приложения нагрузок
3.2.5 Для наплавных мостов на отдельных плавучих опорах расчет горизонтального изгиба верхнего пролетного строения производится по методике, согласованной с Российским Классификационным Обществом на соответствие требованиям настоящих Правил и
ч. I ПКПС.