Главная // Актуальные документы // Актуальные документы (обновление с 03.11.2025 по 29.11.2025) // ГОСТ (Государственный стандарт)СПРАВКА
Источник публикации
М.: ФГБУ "Институт стандартизации", 2025
Примечание к документу
Документ
вводится в действие с 01.09.2026 с правом досрочного применения.
Название документа
"ГОСТ 35289-2025. Межгосударственный стандарт. Цементы напрягающие. Технические условия"
(введен в действие Приказом Росстандарта от 12.09.2025 N 1031-ст)
"ГОСТ 35289-2025. Межгосударственный стандарт. Цементы напрягающие. Технические условия"
(введен в действие Приказом Росстандарта от 12.09.2025 N 1031-ст)
агентства по техническому
регулированию и метрологии
от 12 сентября 2025 г. N 1031-ст
МЕЖГОСУДАРСТВЕННЫЙ СТАНДАРТ
ЦЕМЕНТЫ НАПРЯГАЮЩИЕ
ТЕХНИЧЕСКИЕ УСЛОВИЯ
Self-stressing. Specifications
ГОСТ 35289-2025
Дата введения
1 сентября 2026 года
с правом досрочного применения
Цели, основные принципы и общие правила проведения работ по межгосударственной стандартизации установлены
ГОСТ 1.0 "Межгосударственная система стандартизации. Основные положения" и
ГОСТ 1.2 "Межгосударственная система стандартизации. Стандарты межгосударственные, правила и рекомендации по межгосударственной стандартизации. Правила разработки, принятия, обновления и отмены"
1 РАЗРАБОТАН Федеральным государственным бюджетным образовательным учреждением высшего образования "Российский химико-технологический университет имени Д.И. Менделеева" (РХТУ им. Д.И. Менделеева) при участии Научно-исследовательского, проектно-конструкторского и технологического института бетона и железобетона имени А.А. Гвоздева (НИИЖБ им. А.А. Гвоздева) - структурного подразделения ОАО "НИЦ "Строительство"
2 ВНЕСЕН Техническим комитетом по стандартизации ТК 144 "Строительные материалы и изделия"
3 ПРИНЯТ Межгосударственным советом по стандартизации, метрологии и сертификации (протокол от 31 июля 2025 г. N 187-П)
За принятие проголосовали:
Краткое наименование страны по МК (ИСО 3166) 004-97 | Код страны по МК (ИСО 3166) 004-97 | Сокращенное наименование национального органа по стандартизации |
Армения | AM | ЗАО "Национальный орган по стандартизации и метрологии" Республики Армения |
Беларусь | BY | Госстандарт Республики Беларусь |
Киргизия | KG | Кыргызстандарт |
Россия | RU | Росстандарт |
Таджикистан | TJ | Таджикстандарт |
Узбекистан | UZ | Узбекское агентство по техническому регулированию |
4
Приказом Федерального агентства по техническому регулированию и метрологии от 12 сентября 2025 г. N 1031-ст межгосударственный стандарт ГОСТ 35289-2025 введен в действие в качестве национального стандарта Российской Федерации с 1 сентября 2026 г. с правом досрочного применения
5 ВВЕДЕН ВПЕРВЫЕ
--------------------------------
<*>
Приказом Федерального агентства по техническому регулированию и метрологии от 12 сентября 2025 г. N 1031-ст межгосударственный стандарт
ГОСТ Р 56727-2015 отменен с 1 сентября 2026 г.
Информация о введении в действие (прекращении действия) настоящего стандарта и изменений к нему на территории указанных выше государств публикуется в указателях национальных стандартов, издаваемых в этих государствах, а также в сети Интернет на сайтах соответствующих национальных органов по стандартизации.
В случае пересмотра, изменения или отмены настоящего стандарта соответствующая информация будет опубликована на официальном интернет-сайте Межгосударственного совета по стандартизации, метрологии и сертификации в каталоге "Межгосударственные стандарты"
Настоящий стандарт распространяется на напрягающие цементы, предназначенные для получения строительных растворов, сухих смесей с компенсированной усадкой и напрягающих бетонов, при возведении сборных, монолитных, сборно-монолитных конструкций и обеспечивающие их расширение, предварительное напряжение (самонапряжение) в процессе твердения, повышение трещиностойкости, водонепроницаемости, морозостойкости, долговечности.
Области применения напрягающего цемента приведены в
приложении А.
В настоящем стандарте использованы нормативные ссылки на следующие межгосударственные стандарты:
ГОСТ 577 Индикаторы часового типа с ценой деления 0,01 мм. Технические условия
ГОСТ 2208 Фольга, лента, полосы, листы и плиты латунные. Технические условия
ГОСТ 4013 Камень гипсовый и гипсоангидритовый для производства вяжущих материалов. Технические условия
ГОСТ 4543 Металлопродукция из конструкционной легированной стали. Технические условия
ГОСТ 5382 Цементы и материалы цементного производства. Методы химического анализа
ГОСТ 6139 Песок для испытаний цемента. Технические условия
ГОСТ 11052 Цемент гипсоглиноземистый расширяющийся
ГОСТ 23732 Вода для бетонов и строительных растворов. Технические условия
ГОСТ 30108 Материалы и изделия строительные. Определение удельной эффективной активности естественных радионуклидов
ГОСТ 30744 Цементы. Методы испытаний с использованием полифракционного песка
ГОСТ 31108 Цементы общестроительные. Технические условия
ГОСТ 32803 Бетоны напрягающие. Технические условия
ГОСТ OIML R 76-1 Государственная система обеспечения единства измерений. Весы неавтоматического действия. Часть 1. Метрологические и технические требования. Испытания
Примечание - При пользовании настоящим стандартом целесообразно проверить действие ссылочных стандартов и классификаторов на официальном интернет-сайте Межгосударственного совета по стандартизации, метрологии и сертификации (www.easc.by) или по указателям национальных стандартов, издаваемым в государствах, указанных в предисловии, или на официальных сайтах соответствующих национальных органов по стандартизации. Если на документ дана недатированная ссылка, то следует использовать документ, действующий на текущий момент, с учетом всех внесенных в него изменений. Если заменен ссылочный документ, на который дана датированная ссылка, то следует использовать указанную версию этого документа. Если после принятия настоящего стандарта в ссылочный документ, на который дана датированная ссылка, внесено изменение, затрагивающее положение, на которое дана ссылка, то это положение применяется без учета данного изменения. Если ссылочный документ отменен без замены, то положение, в котором дана ссылка на него, применяется в части, не затрагивающей эту ссылку.
В настоящем стандарте применены термины по
ГОСТ 30515, а также следующие термины с соответствующими определениями:
3.1 напрягающие цементы: Специальные цементы, получаемые совместным измельчением портландцементного клинкера, расширяющихся добавок и гипса, обеспечивающих самонапряжение бетонов при их твердении в условиях упругого ограничения деформаций.
3.2 самонапряжение: Значение предварительного напряжения цементного раствора, создаваемого в результате расширения при твердении в условиях ограничения деформаций.
3.3 линейное расширение: Увеличение линейных размеров цементного раствора при твердении без упругого ограничения деформаций.
Напрягающие цементы классифицируются по следующим основным признакам:
- значению самонапряжения;
- прочности на сжатие.
4.1 В зависимости от значения самонапряжения напрягающие цементы подразделяют на четыре типа:
- цементы с низкой энергией самонапряжения (безусадочные), с самонапряжением менее 0,7 МПа;
- цементы с малой энергией самонапряжения, с самонапряжением от 0,70 до 2,0 МПа;
- цементы со средней энергией самонапряжения, с самонапряжением от 2,0 до 3,0 МПа;
- цементы с высокой энергией самонапряжения, с самонапряжением более 3,0 МПа.
4.2 В зависимости от прочности напрягающие цементы в соответствии с
ГОСТ 31108 подразделяют на классы прочности - 32,5, 42,5 и 52,5, подклассы прочности - нормальнотвердеющие Н и быстротвердеющие Б.
4.3 Классы и подклассы прочности напрягающих цементов в зависимости от их типа приведены в
таблице 1.
Таблица 1
Классы и подклассы прочности напрягающих цементов
Тип цемента | Обозначение типа | Класс прочности | Подкласс прочности |
Цемент с низкой энергией самонапряжения (безусадочный) | НЦ-5 | 32,5 | Н |
32,5 | Б |
42,5 | Н |
42,5 | Б |
52,5 | Н |
52,5 | Б |
Цемент с малой энергией самонапряжения | НЦ-10 | 32,5 | Н |
32,5 | Б |
42,5 | Н |
42,5 | Б |
Цемент со средней энергией самонапряжения | НЦ-20 | 32,5 | Н |
42,5 | Н |
Цемент с высокой энергией самонапряжения | НЦ-30 | 32,5 | Н |
42,5 | Н |
4.4 Условное обозначение напрягающего цемента должно включать в себя:
- наименование цемента;
- обозначение настоящего стандарта.
Пример условного обозначения напрягающего цемента со средней энергией самонапряжения, класса прочности 42,5, нормальнотвердеющего:
Цемент напрягающий НЦ-20-42,5Н ГОСТ 35289-2025
5.1 Цементы должны соответствовать требованиям настоящего стандарта и изготовляться по технологической документации, утвержденной предприятием-изготовителем.
5.2 Прочность на сжатие цемента конкретного класса прочности в возрасте 2, 7 и 28 сут должна соответствовать требованиям
ГОСТ 31108.
5.3 Линейное расширение и самонапряжение цемента в возрасте 28 сут должны соответствовать значениям, приведенным в
таблице 2.
Таблица 2
Значения линейного расширения и самонапряжения
цемента в возрасте 28 сут
Наименование показателя | Значение для цемента типа |
НЦ-5 | НЦ-10 | НЦ-20 | НЦ-30 |
Линейное расширение, %, не более | 0,3 | 1,0 | 1,5 | 2,5 |
Самонапряжение, МПа (кгс/см2), не менее | - | 0,7 (7) | 2,0 (20) | 3,0 (30) |
5.4 Начало схватывания напрягающих цементов всех типов должно наступать не ранее чем через 30 мин от момента затворения.
5.5 Содержание оксида серы (VI) SO3, %, в напрягающих цементах должно быть не менее 3,5 и не более 7,5.
5.6 Содержание оксида алюминия Al2O3, %, в напрягающих цементах должно быть не менее 5 и не более 12.
5.7 Удельная поверхность напрягающих цементов должна быть не менее 270 м2/кг при измерении методом воздухопроницаемости.
5.8 Содержание нерастворимого остатка и хлорид-иона Cl
- в напрягающем цементе должно соответствовать требованиям
ГОСТ 31108.
5.9 Требования к материалам
5.9.1 Портландцементный клинкер
Минералогический состав клинкера, применяемого для изготовления напрягающего цемента для напрягающего бетона по
ГОСТ 32803, должен соответствовать требованиям
ГОСТ 31108.
Содержание оксида магния MgO в портландцементном клинкере должно соответствовать требованиям
ГОСТ 31108.
5.9.2 Расширяющиеся добавки - основные компоненты цемента
Расширяющиеся добавки, допускаемые к применению в соответствии с настоящим стандартом, при содержании их в цементе свыше 6% его массы за вычетом массы материалов, содержащих сульфат кальция, а также массы специальных добавок, относятся к основным компонентам цемента.
В качестве расширяющихся добавок для изготовления напрягающего цемента используют глиноземистый шлак, сульфатированный клинкер по действующим стандартам или техническим условиям. Допускается применение других расширяющихся добавок по согласованию между изготовителем и потребителем напрягающего цемента.
Вид расширяющегося компонента - по нормативно-техническим документам, действующим на территории государства, принявшего настоящий стандарт.
5.9.3 Вспомогательные компоненты цемента
Вспомогательными компонентами вещественного состава напрягающего цемента являются минеральные добавки, содержание которых в цементе не превышает 5% суммарной массы основных и вспомогательных компонентов.
Примечание - Информация о вспомогательных компонентах цемента предоставляется производителем по запросу.
5.9.4 Материалы, содержащие сульфат кальция
Для изготовления напрягающих цементов применяют природный гипсовый и гипсоангидритовый камень по
ГОСТ 4013 или другие материалы, содержащие в основном сульфат кальция, по действующим стандартам.
Вид сульфатосодержащего компонента - по нормативно-техническим документам, действующим на территории государства, принявшего настоящий стандарт.
Введение материалов, содержащих сульфат кальция, не должно увеличивать риск сульфатной коррозии бетона по нормативным документам
<1>, действующим на территории государств, принявших настоящий стандарт.
--------------------------------
<1> В Российской Федерации действует
ГОСТ Р 56687-2015 "Защита бетонных и железобетонных конструкций от коррозии. Метод определения сульфатостойкости бетона".
5.9.5 Специальные и технологические добавки
Требования к специальным и технологическим добавкам - по
ГОСТ 31108.
Согласие потребителя на введение в цемент специальных добавок должно быть указано в договоре (контракте) на поставку напрягающего цемента.
5.10 Упаковка
5.11 Маркировка
Маркировка цемента - по
ГОСТ 30515 со следующим изменением: условное обозначение цемента принимают по
4.4.
6 Требования безопасности
6.1 Удельная эффективная активность естественных радионуклидов Aэфф в напрягающем цементе, а также в компонентах, применяемых при его изготовлении, должна быть не более 370 Бк/кг.
6.2 При изготовлении и применении напрягающего цемента должны выполняться требования гигиенических норм по содержанию цементной пыли в воздухе рабочей зоны и атмосфере населенных пунктов.
6.3 Не допускается вводить в напрягающий цемент вспомогательные компоненты, специальные или технологические добавки, повышающие класс опасности цементов.
7.2 Приемо-сдаточные испытания включают испытания цемента каждой партии, в соответствии с
ГОСТ 30515, по всем показателям качества, предусмотренным настоящим стандартом, за исключением величины удельной эффективной активности естественных радионуклидов
Aэфф.
7.3 По Aэфф проводят периодические испытания не реже одного раза в год в том случае, если отсутствуют данные поставщика о значении Aэфф в поставляемых материалах, а также каждый раз при изменении поставщика материалов.
7.4 Допускается приемка и отгрузка потребителю партий цемента с малозначительными дефектами.
К малозначительным дефектам относят дефекты, указанные в ГОСТ 30515-2013
(пункт 8.2.2), а также предельные отклонения единичных результатов испытаний, указанные в
таблице 3.
Таблица 3
Предельные отклонения единичного результата
испытаний (малозначительный дефект)
Наименование показателя | Тип цемента | Предельное отклонение единичного результата испытаний (малозначительный дефект) |
Линейное расширение, % | Все цементы | Не более чем на 0,2 |
Самонапряжение, МПа | Все цементы, кроме типа НЦ-5 | Не более чем на 0,1 |
Содержание оксида серы (VI) SO3, % | Все цементы | Не более чем на 0,5 |
Содержание оксида алюминия Al2O3, % | Все цементы | Не более чем на 1,0 |
Сроки схватывания, мин, начало | Все цементы | Не более чем на 10 |
Удельная поверхность, м2/кг | Все цементы | От 250 до 270 |
7.5 Дефекты, значения которых превышают указанные в
таблице 3, считают значительными.
Партии напрягающего цемента, в которых установлен значительный дефект, приемке в качестве цементов не подлежат. В отношении таких цементов должна быть применена процедура управления несоответствующей продукцией в порядке, установленном изготовителем.
7.6 Каждая партия цемента или ее часть, поставляемая по одному адресу, сопровождается документом о качестве, который оформляется в соответствии с
ГОСТ 30515. В документе о качестве должны быть указаны значения показателей по
таблице 2.
8 Подтверждение соответствия
8.1 Для подтверждения соответствия качества цемента требованиям настоящего стандарта и возможности его сертификации изготовитель должен проводить оценку качества цемента по переменным или по числу дефектных проб (приемочному числу).
8.2 Подтверждение соответствия проводят по результатам всех испытаний за период от 6 до 12 мес в соответствии с
ГОСТ 30515.
8.3 Оценку по переменным проводят по показателям:
- линейное расширение;
- самонапряжение;
- прочность на сжатие.
8.4 Оценку по приемочному числу проводят по показателям:
- самонапряжение;
- удельная поверхность;
- начало схватывания.
9.1 Физико-механические показатели напрягающих цементов определяют по
ГОСТ 30744.
9.2 Химический состав напрягающих цементов и материалов, применяемых при их изготовлении, определяют по
ГОСТ 5382.
9.3 Удельную эффективную активность естественных радионуклидов определяют по
ГОСТ 30108.
9.4 Определение линейного расширения и самонапряжения
9.4.1 Линейное расширение и самонапряжение напрягающего цемента определяют на образцах 40 x 40 x 160 мм, изготовленных из цементного раствора с соотношением цемента и полифракционного песка 1:1 по массе с водоцементным отношением, равным 0,30.
9.4.2 Определение линейного расширения
9.4.2.1 Аппаратура
Прибор для определения линейного расширения по
ГОСТ 11052, снабженный индикатором часового типа исполнения ИЧ, пылезащищенным, класса точности 1, по
ГОСТ 577. Индикатор должен быть оснащен удлиненным наконечником из твердого сплава.
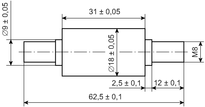
Эталон длины диаметром 16 - 20 мм, длиной 160 мм (см.
рисунок 1), изготовленный из стали 40Х по
ГОСТ 4543.
Верхняя часть эталона обозначается меткой.
Пластинки для определения линейного расширения (см.
рисунок 2), изготовленные из латуни по
ГОСТ 2208.
1 - пластинка; 2 - трехгранный керн (глубина керна
0,5 - 0,7 мм, угол наклона между плоской гранью
и осью керна 60°); 3 - медные анкеры с припоем
Рисунок 2 - Пластинка с медными анкерами
и трехгранным керном
Размеры пластинок: (38 +/- 1) x (38 +/- 1) мм, толщина 1 - 2 мм. В центре пластинок должно быть углубление с углом при вершине около 120°, служащее опорной точкой при измерении длины образца. С другой стороны пластинки должны быть припаяны медные проволочные анкеры длиной 20 - 30 мм и диаметром 0,5 - 2,0 мм.
Формы для изготовления образцов-балочек и насадки к формам - по
ГОСТ 30744.
9.4.2.2 Проведение измерений:
а) для определения линейного расширения к торцевым поверхностям подготовленной формы закладывают пластинки с медными анкерами и керновым углублением;
б) изготовление и хранение образцов. Для приготовления цементного раствора с помощью весов по
ГОСТ OIML R 76-1 взвешивают (1350 +/- 5) г цемента; используют одну упаковку стандартного полифракционного песка по
ГОСТ 6139 массой (1350 +/- 5) г; взвешивают (отмеривают) (405 +/- 1) г (см
3) воды по
ГОСТ 23732. Дальнейшая процедура приготовления цементного раствора, изготовления и хранения образцов - по
ГОСТ 30744;
в) через (24 +/- 2) ч хранения образцы вынимают из камеры влажного хранения и осторожно расформовывают, маркируют, устанавливают верхнюю метку и измеряют;
г) перед измерениями проводят проверку прибора на постоянство отсчета с помощью эталона длины.
Отклонение оси эталона длины от вертикали не должно превышать 2 мм;
д) измерение образцов-балочек проводят при одном и том же положении верхней метки эталона длины;
е) после измерения образцы-балочки погружают в ванну с водопроводной водой в горизонтальном положении так, чтобы они были полностью погружены в воду и не соприкасались друг с другом.
Образцы хранят до проведения очередного измерения по
перечислению е). Периодичность измерений: 1, 2, 7, 14, 21 и 28 сут.
9.4.2.3 Обработка результатов
Линейное расширение каждого образца-балочки

, %, вычисляют по формуле

(1)
где n1 - отсчет, проведенный при измерении образца-балочки, освобожденного от формы через 1 сут от момента затворения цемента, мм;
n2 - отсчет при последующих измерениях образца-балочки, мм;
l - длина эталона, равная 160 мм.
За линейное расширение напрягающего цемента принимают среднее арифметическое значение результатов измерений трех образцов-балочек. Результат округляют до 0,01%.
9.4.3 Определение самонапряжения
9.4.3.1 Определение самонапряжения производится в соответствии с
ГОСТ 32803 в динамометрических кондукторах или в динамометрических кольцах.
9.4.3.2 Аппаратура для определения самонапряжения в динамометрических кольцах
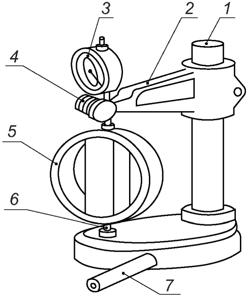
Прибор для определения самонапряжения (см.
рисунок 3).
1 - стойка; 2 - держатель; 3 - индикатор часового типа;
4 - крепежный винт; 5 - динамометрическое кольцо с образцом;
6 - нижняя опора; 7 - эталон длины
Рисунок 3 - Прибор для определения самонапряжения
в динамометрических кольцах
Эталон длины диаметром 16 - 20 мм, длиной 112 мм (см.
рисунок 1), изготовленный из стали 40Х по
ГОСТ 4543.
Верхняя часть эталона обозначается меткой.
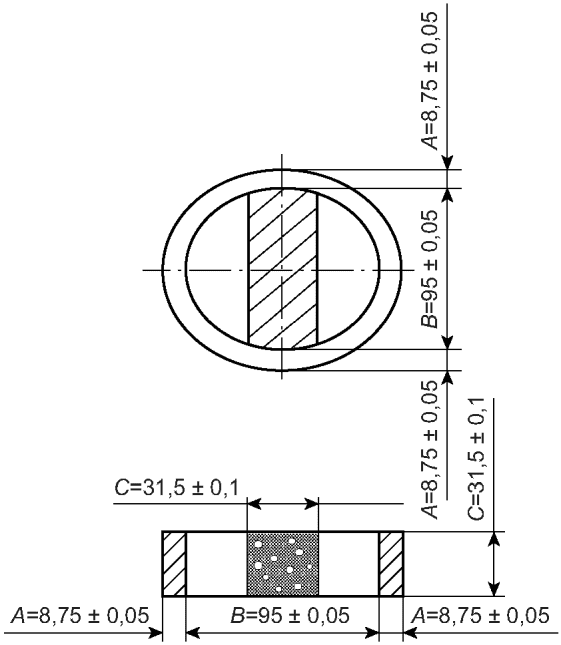
Динамометрическое кольцо и форма для изготовления образцов-балочек в динамометрических кольцах (см.
рисунок 4).
Примечание - Материал кольца: Ст 40Х по
ГОСТ 4543.
A - толщина кольца; B - внутренний диаметр кольца;
C - высота кольца, высота и толщина образца
Рисунок 4 - Динамометрическое кольцо с образцом
9.4.3.3 Проведение измерений в динамометрических кольцах
До изготовления образцов-балочек проводят сборку кольца и формы (см.
рисунок 5) и измеряют кольцо. Результат измерения кольца принимают за начальный отсчет при определении деформации кольца, характеризующей самонапряжение.
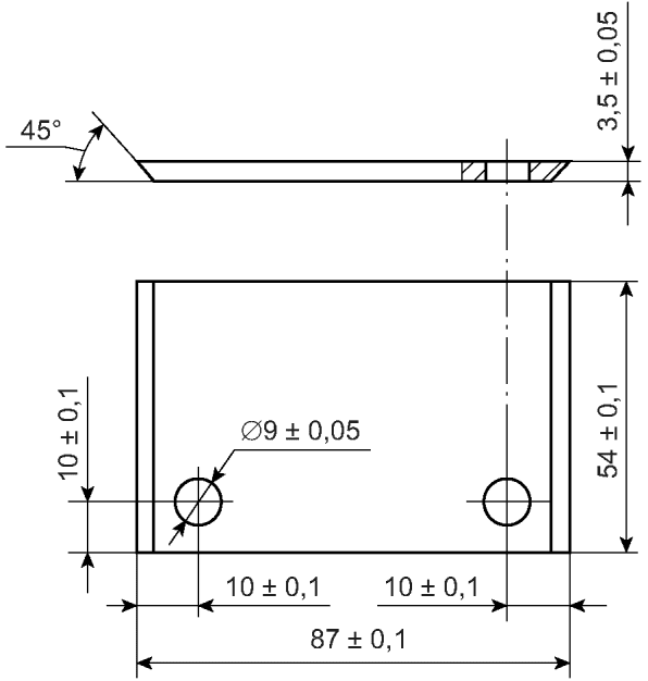
а) Форма в сборе |
Материал Ст3 б) Боковая пластина (2 шт.) | Материал Ст3 в) Крепежная втулка (2 шт.) |
Материал Ст3 г) Нижняя пластина (1 шт.) |
Рисунок 5 - Форма для изготовления образцов при определении
самонапряжения в динамометрических кольцах
После изготовления образцы-балочки в динамометрических кольцах хранят в течение (24 +/- 2) ч в камере влажного хранения, затем осторожно расформовывают, измеряют и укладывают в ванну с водой.
Для определения самонапряжения образцы-балочки извлекают из ванны и измеряют в сроки: 1, 2, 7, 14, 21, 28 сут.
9.4.3.4 Обработка результатов
Значение самонапряжения образца-балочки в кольце

, МПа, вычисляют по формуле

(2)
| | ИС МЕГАНОРМ: примечание. Текст дан в соответствии с официальным текстом документа. | |
где

- значение деформации кольца в направлении оси образца, мм.
Самонапряжение цемента вычисляют как среднее арифметическое значение результатов измерений трех образцов-балочек, отформованных из одной пробы цемента. Вычисления проводят с точностью до 0,01 МПа.
10 Транспортирование и хранение
Транспортирование и хранение напрягающего цемента - по
ГОСТ 30515.
(рекомендуемое)
ОБЛАСТИ ПРИМЕНЕНИЯ НАПРЯГАЮЩЕГО ЦЕМЕНТА
Таблица А.1
Области применения напрягающего цемента
Вид конструкций, изделий и сооружений | Техническая и экономическая эффективность |
Сборные и монолитные емкостные и подземные конструкции и сооружения. Трубы напорные и безнапорные. Тоннели, в том числе метрополитенов. Покрытия кровель, в том числе эксплуатируемых, полов промышленных зданий и спортивных сооружений (конькобежные дорожки, трибуны стадионов, ледовые поля). Плавательные бассейны. Сборные элементы силосов, емкостей. Стыки емкостных подземных сооружений. Конструкции под динамические нагрузки, фундаменты под турбоагрегаты. Ограждающие конструкции, выполняемые методом "стена в грунте". Хранилища радиоактивных отходов и других отходов. Массовые сборные и монолитные изделия и конструкции, включая многопустотные плиты перекрытий. Конструкции с предварительно напрягаемой арматурой. Усиление железобетона при реконструкции. | Обеспечение технологической и эксплуатационной трещиностойкости и водонепроницаемости W12 и выше, исключение всех видов гидроизоляции, сокращение расхода арматуры, цемента, циклов термообработки. Возможность уменьшения размеров сечений, расхода бетона, повышения степени сборности. Сокращение сроков строительства и пуска объектов в эксплуатацию. Повышение коррозионной стойкости, сроков службы, надежности сооружений в целом. |
УДК 666.946.2; 691.328.2:006.354 | |
Ключевые слова: напрягающие цементы, линейное расширение, самонапряжение, расширяющие добавки, технические требования, правила |